I Bought Myself A Politician - MonaLisa Twins 2013: 7panelen(195Wp), maand later, 17. 3 jaar later 28 en gasloos. 5.5kWp O-W op 4.2kVA omvormer. 2018 'verhuisd'.
Dan lijkt het me sterk dat tussen rand kapel en nok dak geen 2.60 is of meer.Jur schreef op vrijdag 7 februari 2020 @ 11:19:
Nee 1590 x 1050, het geheel is nu +- 165cm x 210cm
En toch zou ik ze voor de wind vang naar oost draaien,met hoge achterkant tegen de pannen aan. Ook mag het zo niet staan. Hoogte paneel is afstand van de rand.
Dit is aan straatkant? dus als opzichter gaat zeiken......
1 PVoutput . Dongen NB
netjes, zelf zou ik ze toch draaien, het oog wil ook wat.Jur schreef op vrijdag 7 februari 2020 @ 11:11:
Dakkapel is 2 x 2 meter het lijkt of er meer ruimte is omdat de schans vrij compact is (daarom steekt het bovenste paneel ook wat ver uit,...), ik zou echt niet weten waar er nog plek zou zijn.
Productie nu tov de 12 ! panelen op west (om 11:08 uur)
[Afbeelding]
Is de stenen schoorsteen aan de linker kant van jou? zo ja, als je toch op het dak ben, stop daar eens een paar nieuwe voegen in
onetime schreef op vrijdag 7 februari 2020 @ 11:22:
@Jur Als je dit in een eigen topic had gedaan, waar het hoort, dan had je betere input gehad en misschien wel meteen de schans tussen nok en rand van de dakkapel geplaatst. Hoeveel ruimte heb je daar?
Voorkant dakkapel - midden van de nok. En de breedte?

Ging er eigenlijk zelf van uit dat richting zuid de meeste opbrengst zou geven.... Ook hebben wij bijna altijd wester stormen , ik vrees dat het geheel dan juist gevoeliger wordt voor de wind omdat ik denk dat het net een beetje boven de nok uitkomt.
A'dam PVOutput
Voor wester storm moet je niet bang zijn, panelen moeten tegen pannen staan, desnoods zaag je wat van profiel af dat ze zakken want mag er inderdaad niet boven komen. Ik heb zelf tussen zijkant kapel en panelen een trekstang zitten van een aluminium strip, zo in de trespa geschroefd. Ik heb dus ook geen ballast gebruikt. Dat is weer het voordeel als panelen net zo breed zijn als de kapel.Jur schreef op vrijdag 7 februari 2020 @ 11:34:
[...]
Breedte is 200 cm lengte tot de dakpannen ook 200 cm komt dan nog een cm of wat bij van begin dakpannen tot de nok. Op zich is het draaien van de schans zo gepiept. Jullie raden dit dus bijna allemaal aan
Ging er eigenlijk zelf van uit dat richting zuid de meeste opbrengst zou geven.... Ook hebben wij bijna altijd wester stormen , ik vrees dat het geheel dan juist gevoeliger wordt voor de wind omdat ik denk dat het net een beetje boven de nok uitkomt.
1 PVoutput . Dongen NB
Volgens PVGIS levert het op zuid 679KwH op en op oost 591KwH per jaar
PS.
sorry misschien toch een eigen topic moeten maken, is een beetje uit de hand gelopen met dit projectje
Het lijkt M6, maar ik zou het opboren tot M8. En dan wel lockmoeren en bij voorkeur RVS gebruiken. Gewone moeren met een veerring gaat hier niet werken.Jur schreef op vrijdag 7 februari 2020 @ 11:59:
Draadeind is een goed idee ! (zou het m6 zijn? dan haal ik die meteen).
[...]
A'dam PVOutput
Het blijft toch wel mooi projectje, je hebt niet bezuinigd op kwaliteit en meer mensen moesten wat verder gaan met lekker proppen van panelen her en der.....Jur schreef op vrijdag 7 februari 2020 @ 11:59:
Draadeind is een goed idee ! (zou het m6 zijn? dan haal ik die meteen).
Volgens PVGIS levert het op zuid 679KwH op en op oost 591KwH per jaar
PS.
sorry misschien toch een eigen topic moeten maken, is een beetje uit de hand gelopen met dit projectje
1 PVoutput . Dongen NB
Bij mij spant het er om of ik nog een rij kan toevoegen of niet. maar het wordt wel krap denk ik....
Om te voorkomen dat zonnepanelen gaan schuiven of zelfs van een plat dak afwaaien, is het noodzakelijk om een veiligheidsmarge tot aan de rand van het platte dak aan te houden. De grootte van die marge is afhankelijk van de hoogte van het platte dak (hoe hoger het platte dak; hoe meer wind, hoe groter de marge), de windzone (aan de kust waait het harder), de omgeving (in onbebouwde gebieden waait het harder), het ontwerp en het montagemateriaal (hoe aerodynamisch is de constructie en zijn de zonnepanelen met elkaar verbonden) en het type dakbedekking op het platte dak (zonnepanelen blijven beter staan op een ruw en oneffen dakoppervlak). De marge vanaf de rand van een plat dak ligt meestal tussen de 0,5m en 1,5m.
Ik heb mij hier overigens niet aan gehouden
De beugels zitten verlijmd op de Trespa.onetime schreef op vrijdag 7 februari 2020 @ 10:42:
Dat plaatje trespa blijft wel liggen, totdat de Flatfix beugel eraf is gegleden.
Ik weet niet hoeveel kracht er precies op komt te staan, maar aluminium glijdt een stuk makkelijker over trespa dan over dat rubber matje. Ik zou de trespa weg halen.
De wat betere versie:
dakbedekking --> rubbermatje van FlatFix --> plaatje trespa --> [lijm] --> FlatFix beugel --> tegels --> paneel
En de lijm is van dat polymeer spul waar ze ook Trespa gevelplaten mee lijmen. (onder 4 panelen is er 1 'worst' verdwenen)
Dus dat komt niet zomaar los.
Excuus, ik bedoel voor een schuin dak.Jur schreef op vrijdag 7 februari 2020 @ 13:58:
Quote:
Om te voorkomen dat zonnepanelen gaan schuiven of zelfs van een plat dak afwaaien, is het noodzakelijk om een veiligheidsmarge tot aan de rand van het platte dak aan te houden. De grootte van die marge is afhankelijk van de hoogte van het platte dak (hoe hoger het platte dak; hoe meer wind, hoe groter de marge), de windzone (aan de kust waait het harder), de omgeving (in onbebouwde gebieden waait het harder), het ontwerp en het montagemateriaal (hoe aerodynamisch is de constructie en zijn de zonnepanelen met elkaar verbonden) en het type dakbedekking op het platte dak (zonnepanelen blijven beter staan op een ruw en oneffen dakoppervlak). De marge vanaf de rand van een plat dak ligt meestal tussen de 0,5m en 1,5m.
Ik heb mij hier overigens niet aan gehouden
Met een plat dak zijn er volgens mij ook nog regels over de zichtbaarheid er van vanuit de gemeente.
op een schuin dak zijn die regels er niet. kun je het dan gewoon t\m de rand volleggen, of is het handig om op de randen wat afstand te houden voor wind en dergelijken?
Aan de rand een dubbele (of 3 )haak monteren en je wind probleem is opgelost.fjux schreef op vrijdag 7 februari 2020 @ 14:17:
[...]
Excuus, ik bedoel voor een schuin dak.
Met een plat dak zijn er volgens mij ook nog regels over de zichtbaarheid er van vanuit de gemeente.
op een schuin dak zijn die regels er niet. kun je het dan gewoon t\m de rand volleggen, of is het handig om op de randen wat afstand te houden voor wind en dergelijken?
Alleen bij nok loop je risico van fluiten, net als over bierfles blazen....
Maar met schuimrubber of zoiets ertussen is dat probleem ook weer opgelost
1 PVoutput . Dongen NB
Het zou op een 3.5kw solaredge opvormer komen 1 fase, en zover ik weet is opstart voltage gewoon afhankelijk van de omvormer en niet met de optimizers...?
MT Venus E 5KW (V151) P1 HomeWizard | Hackerspace Brixel te Hasselt (BE) - http://www.brixel.be | 9800X3D, 96GB DDR5 6000MHZ, NVIDIA GEFORCE 4090, ASRock X670E Steel Legend, Seasonic GX1000
Heeft hij soms die p300 nog liggen ?Icekiller2k6 schreef op vrijdag 7 februari 2020 @ 15:01:
Hm een specifieke vraag, een verkoper zei dat optimizer P300 beter zou zijn dan een P370 optimizer als het onder de 18 panelen (ivm opstart voltage) is (solaredge based system), maar zover als ik zie heeft dat meer te maken met algemene voltage/wattage dat de optimizers aan kunnen.
Het zou op een 3.5kw solaredge opvormer komen 1 fase, en zover ik weet is opstart voltage gewoon afhankelijk van de omvormer en niet met de optimizers...?
Verschil is dat de input spanning (VOC) van de p300 maximaal 48 volt is en van de p370 60 volt. Verder kan de p370 370 watt panelen en de p300, 300 watt.
Aan de DC uitgang kunnen ze beide 60 volt max uitsturen. Als je 18 panelen hebt en het zou ook nog 1 orientatie zijn, dan heb je geen probleem. Als het een oost/west is met 2x 9 dan telt die 60 volt per optimizer en kom je tot 9x60 = 540 volt.meer dan genoeg voor een 1 fase SE inverter.
8x330 NO12.5°, 8x330 ZW12.5°, 8x350 ZW60°, 8x325 NO10°, SE8K, P500. 6x410 ZW10° Enphase
Hier staan aanwijzingen:fjux schreef op vrijdag 7 februari 2020 @ 14:17:
[...]
Excuus, ik bedoel voor een schuin dak.
Met een plat dak zijn er volgens mij ook nog regels over de zichtbaarheid er van vanuit de gemeente.
op een schuin dak zijn die regels er niet. kun je het dan gewoon t\m de rand volleggen, of is het handig om op de randen wat afstand te houden voor wind en dergelijken?
https://www.zonnepaneel-info.nl/nl/montagepannendak.html
Er staat ook een rekentooltje, maar het volgende is een extract:
Te benutten dakvlak
Voordat men begint met de montage dient men eerst zijn dak goed op te meten, en de volgende zaken in acht te nemen:
-De bovenste 2 dakpanrijen van het dak vrij houden. Dit vanwege turbulentie, maar ook zit de nok vaak vastgemetseld, waardoor de onderliggende pannen moeilijk of niet los te krijgen zijn. Niet doen dus. -De onderste 2 rijen dakpannen eveneens leeg houden. Doet men dit niet dan kan het zijn dat bij een hevige regenbui het water niet in de dakgoot komt, maar er overheen loopt vanwege de zonnepanelen. Bij de randen een dakpan vrijhouden en extra dakhaken plaatsen. Uiteraard geld dit niet voor rijtjeswoningen (tussenwoningen) waar het dak gewoon doorloopt.
14kW ZubadanPUHZ-SHW140YHA+ERSC-VM2C, 200L boiler , 200L buffer, sinds 8/2018, gasloos
Hippos are apparently just rage filled hate tanks
Een uurtje per dag is geen schaduw, gewoon string omvormer nemensfinx schreef op vrijdag 7 februari 2020 @ 20:29:
Iemand nog suggesties? Advies zonnepanelen: 16x zuidwest met wat schaduw
1 PVoutput . Dongen NB
Vandaag de YC600 geinstalleerd, YC500i is nog steeds 1,12A, De groepen met YC600 zijn in de nacht 0,16A. Ziet er dus naar uit dat daar wel een verbeteringsslag is gemaakt. Morgen foto’s maken van de 16x315W panelen. Zijn wel 6 YC500i op groep 3 en 4x YC600 op groep 1. Morgen wat foto’s maken.Dapdodo schreef op zaterdag 18 januari 2020 @ 21:48:
@TFHfony Ik gebruik net als jij APS micro-omvormers. Ik heb YC500i met JSS 250Wp panelen (jan 2016).
Voor komende uitbreiding meterkast vervangen en DTS-353F-2 kWh meter geinstalleerd.
Ook een apart voor de zonnepanelen. Wat me opvalt is dat die zoveel blindvermogen trekken als de panelen uit zijn. Op moment nu het donker is 263VA terwijl actief +/-2W (volgens datasheet 120mWx6=0,72W) verbruikt wordt. Lijkt wel of alleen de spoelen eraan hangen en doordat er geen invoeding is, dit beeld.
Is dat bij jouw ook zo? Dan is het maar goed dat die digitale meter alleen Watts meet.
De nieuwe YC600 heeft RPC (reactive power control), dat het zou moeten verbeteren. Die komen 7feb.
Ben wel beniewd of dan ook het nachtverbruik factor 6 naar beneden gaat. Zoals datasheet aangeeft.
Kan natuurlijk zijn dat jij oudere type's van tigo hebt, dan hou je het zoreneeke1970 schreef op zondag 2 februari 2020 @ 18:16:
[...]
Heb het niet aangedurfd omdat folders elkaar tegen spreken. Maar als bij jou werkt zal die 75 wel kloppen
ik weet dat ik de laatste tigo uitvoering heb, die wel voldoen aan de max 475W
je kunt dat zelf zien als je de tigo link hier onder opent, de tigo software vult
alle gegevens zelf in nadat een optimizer is gevonden, je ziet dat als je de
muis pijl boven een paneel plaatst in de system view.
Klopt, en vandaar mijn 375 want dat geeft de view aan. Heb er ook twee in junction box en die zijn maar 300 watt, zitten op 265 paneel.PClop schreef op vrijdag 7 februari 2020 @ 23:50:
[...]
Kan natuurlijk zijn dat jij oudere type's van tigo hebt, dan hou je het zo
ik weet dat ik de laatste tigo uitvoering heb, die wel voldoen aan de max 475W
je kunt dat zelf zien als je de tigo link hier onder opent, de tigo software vult
alle gegevens zelf in nadat een optimizer is gevonden, je ziet dat als je de
muis pijl boven een paneel plaatst in de system view.
Maar snel nieuwe kopen dan hi
1 PVoutput . Dongen NB
Het zijn de Trina 330wp half-cell geworden met zwarte rand die ik vorige week vermeld had voor €94 ex btw.

Heb ik een keer geplaatst, tjonge jonge wat heb ik lopen schelden op die troep! (was een klant die dat persé wilde en daar extra uren ook voor betaalde)twain4me schreef op donderdag 6 februari 2020 @ 12:22:
Heeft iemand toevallig ervaring met de solar vogelschroot van ubbink?
https://www.ubbink.nl/Pro...Vogelschroot-0770520.aspx
Opzich is het een oplossing voor een probleem wat ik heb, ik vroeg mij alleen af hoe makkelijk die clips te plaatsen zijn. ik heb zeer slechte ervaring met aardingclibs die nagenoeg het zelfde uiterlijk hebben
Als alles vast zit met die clips is het niet meer vast te pakken en met het plaatsen schieten ze alle kanten op.
Dus daarna weer klooien om dat vast te zetten.
Heb 3 panelen geplaatst met die clips, daarna alles met zelfborende schroefjes vast gezet.
Zelfs met een hoop jaren aan ervaring in de PV was dit wel een uitdaging.
Mocht je het willen toepassen, zorg er dan voor dat je zeker 20-30 korte zelfborende schroefjes bij de hand hebt, en veel geduld.
ZZP'er in de solar (werkvoorbereiding / voorman / plaatsen) sinds 2009 fulltime met PV bezig. Met houtkachel en warmtepomp gasvrij!
Ik denk dat ie dacht dat t op een 3 fasen omvormer zou komen en dan is de maximale uitgangsspanning (60 t.o.v. 48 V ) wel van belang om altijd die 750 VDC te halen.Icekiller2k6 schreef op vrijdag 7 februari 2020 @ 15:01:
Hm een specifieke vraag, een verkoper zei dat optimizer P300 beter zou zijn dan een P370 optimizer als het onder de 18 panelen (ivm opstart voltage) is (solaredge based system), maar zover als ik zie heeft dat meer te maken met algemene voltage/wattage dat de optimizers aan kunnen.
Het zou op een 3.5kw solaredge opvormer komen 1 fase, en zover ik weet is opstart voltage gewoon afhankelijk van de omvormer en niet met de optimizers...?
ZZP'er in de solar (werkvoorbereiding / voorman / plaatsen) sinds 2009 fulltime met PV bezig. Met houtkachel en warmtepomp gasvrij!
Maximale uitgangsspanning is van P300 en P370 gelijk toch?Andre1973 schreef op zaterdag 8 februari 2020 @ 12:20:
[...]
Ik denk dat ie dacht dat t op een 3 fasen omvormer zou komen en dan is de maximale uitgangsspanning (60 t.o.v. 48 V ) wel van belang om altijd die 750 VDC te halen.
https://www.solaredge.com/sites/default/files/se-p-series-add-on-power-optimizer-datasheet.pdf
[ Voor 33% gewijzigd door BlueTooth76 op 08-02-2020 12:35 ]
2x SE8K | 68x Talesun 300Wp | 16 oost, 16 west, 25 zuid, 11 noord | 20.400Wp | pvoutput.org | Mitsubishi Zubadan 14kW @ 50% vermogen
Sorry, maar slecht 3 panelen op noord/west leveren niet genoeg spanning om als de zon aan de west kant staat en zuid/oost niet meer belicht wordt.vistu schreef op donderdag 21 februari 2019 @ 16:26:
Ik mag me hier ook eindelijk melden, gisteravond akkoord gegeven op een offerte voor het leggen van 11 full black 300WP panelen van Peimar, gekoppeld aan een SolarEdge HD SE3000H omvormer, met optimzers per paneel. Van de 11 liggen er 8 op het zuidoosten, en 3 op noordwest. De 3 op noordwest hebben we bewust gekozen om ook in de avonduren opwek te hebben, als tzt de salderingsregels verdwijnen is het een prettige gedachte dat we in de avonduren nog energie opwekken (om op te koken en een klein deel voor airco's). We komen uit op euro 1,21 / WP, wat me (gezien de ligging van de 3 andere panelen) niet tegenvalt.
Ik mag hopen dat je p404 optimizers krijgt en geen p300/370
8x330 NO12.5°, 8x330 ZW12.5°, 8x350 ZW60°, 8x325 NO10°, SE8K, P500. 6x410 ZW10° Enphase
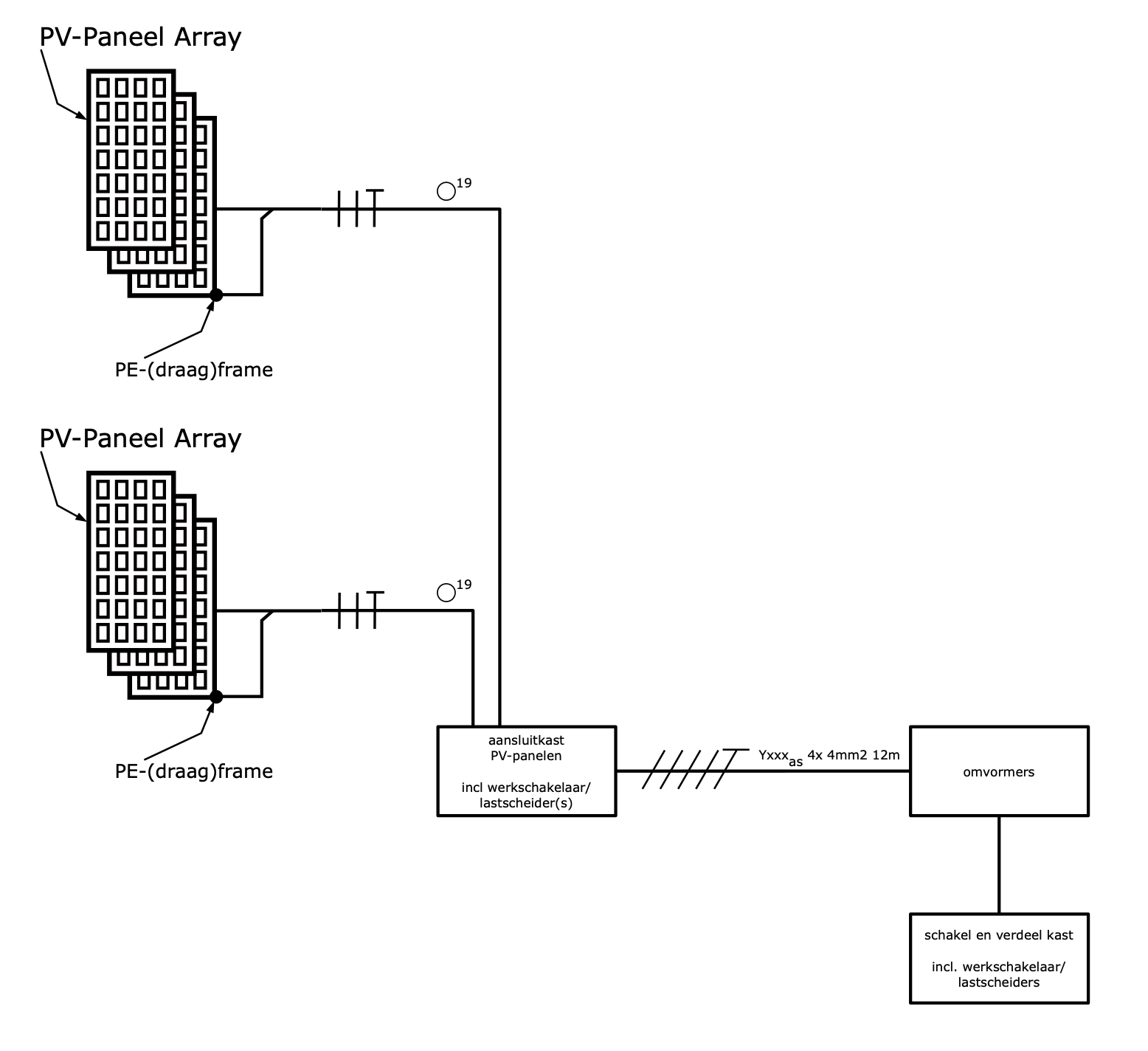
Is dat overdreven ter bescherming? Zou max 12m lang zijn per set. Kan dit soort kabel zo'n hoge spanning aan ( doorslag )? Enig advies.
Probleem is ( is het?) dat alle(?) omvormers een connector gebruiken als DC aansluiting.
Dit is de gedachte.

[ Voor 16% gewijzigd door Lord Anubis op 08-02-2020 15:40 ]
Waarom zou je naar Yxxx-as kabel willen? Die solar kabels zijn lekker herkenbaar, dat is wel zo fijn in de toekomst. (volgende bewoner/klusser/aannemer/hulpdiensten)
[ Voor 4% gewijzigd door twain4me op 08-02-2020 16:06 ]
O, apart antwoord. Waarom zou een kast en een dikke grijze kabel niet herkenbaar zijn. Of denk je dat de volgende bewoner zomaar aan kabel gaat trekken en door knippen? Als jij zo'n kabel op je dak ziet liggen dan ga je die eerst volgen. Er komt een kast bij de PV panelen.twain4me schreef op zaterdag 8 februari 2020 @ 16:05:
@Lord Anubis
Waarom zou je naar Yxxx-as kabel willen? Die solar kabels zijn lekker herkenbaar, dat is wel zo fijn in de toekomst. (volgende bewoner/klusser/aannemer/hulpdiensten)
Ik denk eerder aan veiligheid, als iemand ooit op het dak loopt en de herkenbare kabels betreed met iets scherps onder zijn zool en er een snee in de mantel komt.
Tegenwoordig is het beter om de PV-DC kabels in een mantelbuis te doen.
Bij kabels die behoren tot een zonnepanelen systeem hoort een label te zitten dat dat aangeeft, juist omdat er nog spanning op kan staan, ook als de omvormer / hoofdschakeaar uit staat. (denk aan bij het slopen van de woning)Lord Anubis schreef op zaterdag 8 februari 2020 @ 16:58:
[...]
O, apart antwoord. Waarom zou een kast en een dikke grijze kabel niet herkenbaar zijn. Of denk je dat de volgende bewoner zomaar aan kabel gaat trekken en door knippen? Als jij zo'n kabel op je dak ziet liggen dan ga je die eerst volgen. Er komt een kast bij de PV panelen.
Ik denk eerder aan veiligheid, als iemand ooit op het dak loopt en de herkenbare kabels betreed met iets scherps onder zijn zool en er een snee in de mantel komt.
Tegenwoordig is het beter om de PV-DC kabels in een mantelbuis te doen.
De grijze kabel is niet zodanig herkenbaar.
Daarnaast zijn de MC4 stekkers voor op de omvormer niet geschikt om aan een massieve kabel te bevestigen.
Ook is een van de regels in de NEN1010 dat een systeem logisch en overzichtelijk is, en dit maakt het niet overzichtelijker.
Wat het zeker wel veiliger maakt t.o.v. wat je nu hebt getekend is de + kabels en de min kabels bij elkaar in een buis stoppen (dus 1 buis 2x - en 1 buis 2x+) dat voorkomt dat er een vlamboog kan ontstaan en blijven bestaan
bij schade aan de bekabeling.
Weet ook dat een werkschakelaar voor DC een heel andere (DUUR) is dan voor AC.
PV kabels monteer je beter in een draadgoot op pootjes, waar de kabels niet in het water komen te liggen dat zich kan verzamelen in een mantelbuis.
[ Voor 17% gewijzigd door Andre1973 op 08-02-2020 17:43 ]
ZZP'er in de solar (werkvoorbereiding / voorman / plaatsen) sinds 2009 fulltime met PV bezig. Met houtkachel en warmtepomp gasvrij!
Wie heeft ervaring met zonnepanelen op een gebogen aluminium dak. Heb lang gedacht dat het constructief niet kon en was bang voor lekkage bij schroeven door de platen heen. Tot ik deze tegen kwam.

Mijn dak ziet er ongeveer zo uit(deze is van de buren een verdieping minder). Oriëntatie is Oost-West.




Elga | Valliant eco TEC plus VHR 30-34/5-5L | Kamstrup 602 |Nodo OTGW | Raspberry Pi 3B+/4B+|RFXcom rfxtrx433xl | UniFi netwerk | PVoutput 8.625 kWp
Ik heb zowel ervaring van het plaatsen op een gebogen dak als van op Kalzip, niet met de combinatie, maar dat lijkt me geen probleem.Copitano schreef op zaterdag 8 februari 2020 @ 17:08:
All,
Wie heeft ervaring met zonnepanelen op een gebogen aluminium dak. Heb lang gedacht dat het constructief niet kon en was bang voor lekkage bij schroeven door de platen heen. Tot ik deze tegen kwam.[Afbeelding]
Mijn dak ziet er ongeveer zo uit(deze is van de buren een verdieping minder). Oriëntatie is Oost-West. [Afbeelding][Afbeelding][Afbeelding]Dit is het enige obstakel. Voor de rest vrij uitzicht rondom.[Afbeelding]
ZZP'er in de solar (werkvoorbereiding / voorman / plaatsen) sinds 2009 fulltime met PV bezig. Met houtkachel en warmtepomp gasvrij!
Hoe kom ik er achter of het dak sterk genoeg is om de zonnepanelen te dragen en bij windbelasting?Andre1973 schreef op zaterdag 8 februari 2020 @ 17:11:
[...]
Ik heb zowel ervaring van het plaatsen op een gebogen dak als van op Calzip, niet met de combinatie, maar dat lijkt me geen probleem.
Ik heb geen tekeningen van de constructie en ben de tweede bewoner van het huis, dus ook niet bij de bouw geweest. Helaas is de aannemer die het dak gemaakt heeft in 2010 failliet gegaan. Daar kan ik dus ook niets achterhalen.
Elga | Valliant eco TEC plus VHR 30-34/5-5L | Kamstrup 602 |Nodo OTGW | Raspberry Pi 3B+/4B+|RFXcom rfxtrx433xl | UniFi netwerk | PVoutput 8.625 kWp
Gezien je alleen panelen gaat plaatsen zonder ballast, lijkt t me sterk dat t een probleem word. Je gaat niet heel veel gewicht toevoegen per m2.Copitano schreef op zaterdag 8 februari 2020 @ 17:20:
[...]
Hoe kom ik er achter of het dak sterk genoeg is om de zonnepanelen te dragen en bij windbelasting?
Ik heb geen tekeningen van de constructie en ben de tweede bewoner van het huis, dus ook niet bij de bouw geweest. Helaas is de aannemer die het dak gemaakt heeft in 2010 failliet gegaan. Daar kan ik dus ook niets achterhalen.
Maar goed, ik ben geen bouwkundige. Ik zie vooral berekeningen langs komen bij platte daken, waar een systeem op word geplaatst op ballast.
ZZP'er in de solar (werkvoorbereiding / voorman / plaatsen) sinds 2009 fulltime met PV bezig. Met houtkachel en warmtepomp gasvrij!
Klopt. Bij mij is meer de vraag of de panelen niet te veel wind pakkenAndre1973 schreef op zaterdag 8 februari 2020 @ 17:27:
[...]
Gezien je alleen panelen gaat plaatsen zonder ballast, lijkt t me sterk dat t een probleem word. Je gaat niet heel veel gewicht toevoegen per m2.
Maar goed, ik ben geen bouwkundige. Ik zie vooral berekeningen langs komen bij platte daken, waar een systeem op word geplaatst op ballast.

Elga | Valliant eco TEC plus VHR 30-34/5-5L | Kamstrup 602 |Nodo OTGW | Raspberry Pi 3B+/4B+|RFXcom rfxtrx433xl | UniFi netwerk | PVoutput 8.625 kWp
Die klem beugels zijn natuurlijk wel aan te komen en de rails is rails maar de panelen liggen dan niet vlak op de rails toch? En panelen buigen slecht.Copitano schreef op zaterdag 8 februari 2020 @ 17:08:
All,
Wie heeft ervaring met zonnepanelen op een gebogen aluminium dak. Heb lang gedacht dat het constructief niet kon en was bang voor lekkage bij schroeven door de platen heen. Tot ik deze tegen kwam.[Afbeelding]
Mijn dak ziet er ongeveer zo uit(deze is van de buren een verdieping minder). Oriëntatie is Oost-West. [Afbeelding][Afbeelding][Afbeelding]Dit is het enige obstakel. Voor de rest vrij uitzicht rondom.[Afbeelding]
Noord-Oost-Zuid-West 11640Wp Totaal Live, Netduino advanced pv logging
Dat dat in de NEN staat is logisch. En dus is volgens jouw aarde, rood en zwarte losse kabels, wel of niet in een buis, beter? Ik zie niet in dat losse kabels in een mantel buis beter zijn dat een geschikte kabel. Mijn vraag is dus alleen welke kabel. Niet of je persoonlijk vind dat het minder overzichtelijk, dat is altijd debatable.Andre1973 schreef op zaterdag 8 februari 2020 @ 17:07:
[...]
Bij kabels die behoren tot een zonnepanelen systeem hoort een label te zitten dat dat aangeeft, juist omdat er nog spanning op kan staan, ook als de omvormer uit staat. (denk aan bij het slopen van de woning)
De grijze kabel is niet zodanig herkenbaar.
Daarnaast zijn de MC4 stekkers voor op de omvormer niet geschikt om aan een massieve kabel te bevestigen.
Ook is een van de regels in de NEN1010 dat een systeem logisch en overzichtelijk is, en dit maakt het niet overzichtelijker.
Er zijn installaties die wel met zo'n kabel werken over wat langere afstanden.
Als je het tekeningetje bekijkt zie dat er bij de panelen een kast komt te staan met een werkschakelaar. Dus spanning kan er volledig af. De PV-string kabels zijn dus erg kort en in een mantelbuis.
En wie schreef dat er geen labels op komen te staan?
Dat van de MC stekkers is op te lossen met b.v Phoenix aansluitklemmen.
Als iemand gaat slopen en een kabel ziet, of het nu een DC grijze kabel is of een AC grijze kabel en niets controleert is het "een rund die met vuurwerk stunt".
Wat je aanvult is niet 100% correct.
Op de tekening zie dat de DC string leiding naar de kast in een pijp zitten. Dus daar is aan gedacht.
De tekening moet je dan ook niet vergelijken met een ander systeem, die van losse aders en lange lengten.
Bij slechts één streng mogen de plus- en minleiding bij elkaar in dezelfde buis worden aangebracht. Maar bij muur doorvoeren af te raden.
Bij meerdere strengen is het veiliger om de plus- en minleidingen te scheiden en in een aparte buisleiding te bundelen. De scheiding van beide polariteiten heeft te maken met het risico op brandvoortplanting bij een eventuele vlamboog tussen beide polariteiten. Bij aanleg van DC-leidingen in een kabeldraagsysteem geldt hetzelfde. Ga je toch bundelen dan is er een reductiefactor van toepassing wat kan leiden tot een hogere aderdoorsnede.
[ Voor 7% gewijzigd door Lord Anubis op 08-02-2020 17:57 ]
Gezien je de dakhelling niet veranderd zoals bij een platdak opstelling lijkt t me dat er niet veel meer kracht bij komt, maar ik ben dus geen (vliegtuig- ;-) )bouwkundigeCopitano schreef op zaterdag 8 februari 2020 @ 17:40:
[...]
Klopt. Bij mij is meer de vraag of de panelen niet te veel wind pakkenen bij de storm van morgen het hele dak het Markermeer in zou sleuren
ZZP'er in de solar (werkvoorbereiding / voorman / plaatsen) sinds 2009 fulltime met PV bezig. Met houtkachel en warmtepomp gasvrij!
In principe zou je in een huis waar geen PV ligt alle bedrading kunnen weg knippen na de hoofdschakelaar als de hoofdschakelaar uit staat.Lord Anubis schreef op zaterdag 8 februari 2020 @ 17:49:
[...]
Dat dat in de NEN staat is logisch. En dus is volgens jouw aarde, rood en zwarte losse kabels, wel of niet in een buis, beter?
Er zijn installaties die wel met zo'n kabel werken over langere afstanden.
Als je het tekeningetje bekijkt zie dat er bij de panelen een kast komt te staan met een werkschakelaar. Dus spanning kan er volledig af. De PV-string kabels zijn dus erg kort.
En wie schreef dat er geen labels op komen te staan?
Dat van de MC stekkers is op te lossen met b.v Phoenix aansluitklemmen.
Als iemand gaat slopen en een kabel ziet, of het nu een DC grijze kabel is of een AC grijze kabel en niets controleert is het "een rund die met vuurwerk stunt".
Wat je aanvult is niet 100% correct.
Op de tekening zie dat de DC string leiding naar de kast in een pijp zitten. Dus daar is aan gedacht.
Bij slechts één streng mogen de plus- en minleiding bij elkaar in dezelfde buis worden aangebracht.
Bij meerdere strengen is het veiliger om de plus- en minleidingen te scheiden en in een aparte buisleiding te bundelen. De scheiding van beide polariteiten heeft te maken met het risico op brandvoortplanting bij een eventuele vlamboog tussen beide polariteiten. Bij aanleg van DC-leidingen in een kabeldraagsysteem geldt hetzelfde. Ga je toch bundelen dan is er een reductiefactor van toepassing wat kan leiden tot een hogere aderdoorsnede.
En het maakt het overzichtelijker als een kabel die deel uit maakt van het DC deel van een PV installatie er uit ziet als een DC kabel van een PV installatie.
Ik heb ook wel mensen DC bekabeling door een gasbuis zien trekken

Ik zou niet weten waarom het bij 1 streng wel zou mogen, 1 + en 1 - tegen elkaar aan houden is ook vuurwerk.
De aarde kan je in dan wel de + dan wel de - buis steken, dat maakt niet uit. Bij sluiting volgt geen vuurwerk, maar een foutmelding op de omvormer bij de meeste omvormers.
Ik denk dat de meeste mensen het logisch vinden dat ie bij de - zit, maar elektrotechnisch bekeken maakt het niet uit.
Ik zie dat ze in een pijp zitten, maar je stopt de + en de - en de aarde in 1 buis, terwijl je de ++ in een buis en de -- PE in een buis moet stoppen.
Bij de kabeldraagsystemen die wij toepassen is altijd 6 cm scheidingsruimte tussen + en -, dan wel een scheidingsschot aangebracht.
Maar goed, jij stelde hier een vraag en dit in mijn antwoord.
[ Voor 13% gewijzigd door Andre1973 op 08-02-2020 18:15 ]
ZZP'er in de solar (werkvoorbereiding / voorman / plaatsen) sinds 2009 fulltime met PV bezig. Met houtkachel en warmtepomp gasvrij!
Als ik deze documentatie bekijk, is het aluminium alleen maar een "afdek blik, en de constructieve drager zit daar diep onder, als trapezium plaat elementen, of door middel van een meer traditionele houten constructie.Copitano schreef op zaterdag 8 februari 2020 @ 17:20:
[...]
Hoe kom ik er achter of het dak sterk genoeg is om de zonnepanelen te dragen en bij windbelasting?
Ik heb geen tekeningen van de constructie en ben de tweede bewoner van het huis, dus ook niet bij de bouw geweest. Helaas is de aannemer die het dak gemaakt heeft in 2010 failliet gegaan. Daar kan ik dus ook niets achterhalen.
Ik denk dat je de verankering niet zomaar op de kraal kunt bevestigen, maar verder naar onderen moet zoeken. Vanaf pagina 49 staan de constructie detail"s van ronde daken.
Heeft de gemeente geen details? Moeten die een constructie niet goedkeuren?
https://www.kalzip.com/wp...onstruktionsdetails-1.pdf
De fabrikant en/of een Nederlandse vertegenwoordiger zal daar zeker meer over kunnen zeggen, lijkt mij.
https://www.kalzip.com/pr...technische-informationen/
[ Voor 9% gewijzigd door Naalroc op 08-02-2020 18:06 ]
14kW ZubadanPUHZ-SHW140YHA+ERSC-VM2C, 200L boiler , 200L buffer, sinds 8/2018, gasloos
Als je ook over zo'n dak loopt merk je ook dat er niet heel veel stevigs onder zit, meest een hoop samen te persen isolatie, waar door er op lopen wel een byzondere beleving is.Naalroc schreef op zaterdag 8 februari 2020 @ 18:00:
[...]
Als ik deze documentatie bekijk, is het aluminium alleen maar een "afdek blik, en de constructieve drager zit daar diep onder, als trapezium plaat elementen, of door middel van een meer traditionele houten constructie.
Ik denk dat je de verankering niet zomaar op de kraal kunt bevestigen, maar verder naar onderen moet zoeken. Vanaf pagina 49 staan de constructie detail"s van ronde daken.
Heeft de gemeente geen details? Moeten die een constructie niet goedkeuren?
https://www.kalzip.com/wp...onstruktionsdetails-1.pdf
De fabrikant en/of een Nederlandse vertegenwoordiger zal daar zeker meer over kunnen zeggen, lijkt mij.
https://www.kalzip.com/pr...technische-informationen/
Maar ik denk dat zolang je de hellingshoek niet aanpast, dat je niet heel veel extra krachten gaat loslaten op dat dak bij wind. Ik heb meerdere systemen op Kalzip geplaatst en die liggen er nog steeds (4 stuks op weg naar een vaste klant van mij). Maar goed laat er een specialist naar kijken!
ZZP'er in de solar (werkvoorbereiding / voorman / plaatsen) sinds 2009 fulltime met PV bezig. Met houtkachel en warmtepomp gasvrij!
Tekeningen/ berekening opvragen bij de Gemeente. soms kan je daar al uithalen of er ruimte is voor extra "eigen gewicht" anders kan een constructeur het voor je bepalen aan de hand van die gegevens.Copitano schreef op zaterdag 8 februari 2020 @ 17:20:
[...]
Hoe kom ik er achter of het dak sterk genoeg is om de zonnepanelen te dragen en bij windbelasting?
Ik heb geen tekeningen van de constructie en ben de tweede bewoner van het huis, dus ook niet bij de bouw geweest. Helaas is de aannemer die het dak gemaakt heeft in 2010 failliet gegaan. Daar kan ik dus ook niets achterhalen.
Ik zou het zeker checken en niet zomaar doen.
Het is overgens zeker mogelijk , kalzip heeft systemen om het te kunnen retrofitten.
Dat is zeker waar, en met bijna niets te vergelijken, ik was er in iedergeval redelijk verbaasd over.Andre1973 schreef op zaterdag 8 februari 2020 @ 18:12:
[...]
Als je ook over zo'n dak loopt merk je ook dat er niet heel veel stevigs onder zit, meest een hoop samen te persen isolatie, waar door er op lopen wel een byzondere beleving is.
[ Voor 20% gewijzigd door twain4me op 08-02-2020 18:58 ]
Er zijn er ook waar een beugel aan zit die je kan verdraaien.Rol-Co schreef op zaterdag 8 februari 2020 @ 17:48:
[...]
Die klem beugels zijn natuurlijk wel aan te komen en de rails is rails maar de panelen liggen dan niet vlak op de rails toch? En panelen buigen slecht.
https://estg.eu/alu-kalzip-klem-horizontaal/
ZZP'er in de solar (werkvoorbereiding / voorman / plaatsen) sinds 2009 fulltime met PV bezig. Met houtkachel en warmtepomp gasvrij!
Ja, daarom zoek ik naar ervaringen van tweakjes die zo’n zelfde soort dak hebben. Ik wordt doodziek van de gemeente hier die panelen aan de gevel verbied maar wel verduurzamen hoog in het vaandel. Ja ja en maar tegenwerken😡Rol-Co schreef op zaterdag 8 februari 2020 @ 17:48:
[...]
Die klem beugels zijn natuurlijk wel aan te komen en de rails is rails maar de panelen liggen dan niet vlak op de rails toch? En panelen buigen slecht.
Elga | Valliant eco TEC plus VHR 30-34/5-5L | Kamstrup 602 |Nodo OTGW | Raspberry Pi 3B+/4B+|RFXcom rfxtrx433xl | UniFi netwerk | PVoutput 8.625 kWp
Kijk, die had ik nog niet gevonden. Weer een stapje verder. Thx.Naalroc schreef op zaterdag 8 februari 2020 @ 18:00:
[...]
Als ik deze documentatie bekijk, is het aluminium alleen maar een "afdek blik, en de constructieve drager zit daar diep onder, als trapezium plaat elementen, of door middel van een meer traditionele houten constructie.
Ik denk dat je de verankering niet zomaar op de kraal kunt bevestigen, maar verder naar onderen moet zoeken. Vanaf pagina 49 staan de constructie detail"s van ronde daken.
Heeft de gemeente geen details? Moeten die een constructie niet goedkeuren?
https://www.kalzip.com/wp...onstruktionsdetails-1.pdf
De fabrikant en/of een Nederlandse vertegenwoordiger zal daar zeker meer over kunnen zeggen, lijkt mij.
https://www.kalzip.com/pr...technische-informationen/
Elga | Valliant eco TEC plus VHR 30-34/5-5L | Kamstrup 602 |Nodo OTGW | Raspberry Pi 3B+/4B+|RFXcom rfxtrx433xl | UniFi netwerk | PVoutput 8.625 kWp
Ik zie het als twee verschillende voedingen in een kabel en dat mag niet eens volgens de NEN1010. Omdat die dan ook naar 2 omvormers gaan. Zet je de ene veilig krijg je nog een oplazer van de andere.Andre1973 schreef op zaterdag 8 februari 2020 @ 17:07:
[...]
Bij kabels die behoren tot een zonnepanelen systeem hoort een label te zitten dat dat aangeeft, juist omdat er nog spanning op kan staan, ook als de omvormer / hoofdschakeaar uit staat. (denk aan bij het slopen van de woning)
De grijze kabel is niet zodanig herkenbaar.
Daarnaast zijn de MC4 stekkers voor op de omvormer niet geschikt om aan een massieve kabel te bevestigen.
Ook is een van de regels in de NEN1010 dat een systeem logisch en overzichtelijk is, en dit maakt het niet overzichtelijker.
Wat het zeker wel veiliger maakt t.o.v. wat je nu hebt getekend is de + kabels en de min kabels bij elkaar in een buis stoppen (dus 1 buis 2x - en 1 buis 2x+) dat voorkomt dat er een vlamboog kan ontstaan en blijven bestaan
bij schade aan de bekabeling.
Weet ook dat een werkschakelaar voor DC een heel andere (DUUR) is dan voor AC.
PV kabels monteer je beter in een draadgoot op pootjes, waar de kabels niet in het water komen te liggen dat zich kan verzamelen in een mantelbuis.
Ik dacht er aan om wat panelen te scoren op BVA (stuk of 12 ofzo) en dan zelf de onderdelen bij elkaar sprokkelen om het aan te kunnen sluite en zo goedkoop uit te zijn.
Het dak dat ik wilde gebruiken (garage) is ~20m2 op ZW zonder schaduw en goed toegankelijk. Ik hoef dan niet zelf op 14meter hoog op het woonhuis te staan
De draadgootjes worden überhaupt gebruikt onder welk systeem ik het ga doen dan ook.Andre1973 schreef op zaterdag 8 februari 2020 @ 17:07:
[...]
Bij kabels die behoren tot een zonnepanelen systeem hoort een label te zitten dat dat aangeeft, juist omdat er nog spanning op kan staan, ook als de omvormer / hoofdschakeaar uit staat. (denk aan bij het slopen van de woning)
...
De grijze kabel is niet zodanig herkenbaar.
...
Daarnaast zijn de MC4 stekkers voor op de omvormer niet geschikt om aan een massieve kabel te bevestigen.
Weet ook dat een werkschakelaar voor DC een heel andere (DUUR) is dan voor AC.
PV kabels monteer je beter in een draadgoot op pootjes, waar de kabels niet in het water komen te liggen dat zich kan verzamelen in een mantelbuis.
Er zijn zelfs kasten daar voor.

Volgens een leverancier is er kabel naar de omvormers voor verkrijgbaar.
Moet nog wel de spanningsbeveiliging erbij in tekenen.
Bva bied zelf mee, dus uit eindelijk heb je een stapel panelen voor marktprijs maar zonder garantie, moet je niet willen denk ik.De_Bastaard schreef op zaterdag 8 februari 2020 @ 20:02:
Heeft iemand hier ervaring met bijv. panelen kopen via BVA ? We hebben sindskort hier 3 fasen (Duitsland) in huis en ben me nu aan het verdiepen in hoe ik onze energiekosten omlaag kan krijgen.
Ik dacht er aan om wat panelen te scoren op BVA (stuk of 12 ofzo) en dan zelf de onderdelen bij elkaar sprokkelen om het aan te kunnen sluite en zo goedkoop uit te zijn.
Het dak dat ik wilde gebruiken (garage) is ~20m2 op ZW zonder schaduw en goed toegankelijk. Ik hoef dan niet zelf op 14meter hoog op het woonhuis te staan
Waarom niet in DE kopen dan, de prijzen zijn daar niet slechter dan hier in NL.
@Andre1973
Ah ja, die zijn al beter, maar portrait kan nooit op zo'n dak zeker, moet altijd landscape zodat je beter rond kan "plakken"
[ Voor 7% gewijzigd door Rol-Co op 08-02-2020 22:41 ]
Noord-Oost-Zuid-West 11640Wp Totaal Live, Netduino advanced pv logging
Grappig een deel van mijn instalatie komt uit duitslandDe_Bastaard schreef op zaterdag 8 februari 2020 @ 20:02:
Heeft iemand hier ervaring met bijv. panelen kopen via BVA ? We hebben sindskort hier 3 fasen (Duitsland) in huis en ben me nu aan het verdiepen in hoe ik onze energiekosten omlaag kan krijgen.
Ik dacht er aan om wat panelen te scoren op BVA (stuk of 12 ofzo) en dan zelf de onderdelen bij elkaar sprokkelen om het aan te kunnen sluite en zo goedkoop uit te zijn.
Het dak dat ik wilde gebruiken (garage) is ~20m2 op ZW zonder schaduw en goed toegankelijk. Ik hoef dan niet zelf op 14meter hoog op het woonhuis te staan
Ik zou het gewoon daar kopen. Wat @Rol-Co ook zegt, dat soort veilingen zijn niet zuiver. waneer het een echte executie veiling betreft wel.
Thanks. Welke zaak heb jij het gekocht?twain4me schreef op zaterdag 8 februari 2020 @ 21:44:
[...]
Grappig een deel van mijn instalatie komt uit duitsland![]()
Ik zou het gewoon daar kopen. Wat @Rol-Co ook zegt, dat soort veilingen zijn niet zuiver. waneer het een echte executie veiling betreft wel.
Mijn omvormer komt hier vandaan: https://www.mg-solar-shop.de/De_Bastaard schreef op zaterdag 8 februari 2020 @ 22:08:
[...]
Thanks. Welke zaak heb jij het gekocht?
Panelen kwamen in Nederland goedkoper op mijn pad, maar als mijn duits beter was geweest dan nivo steenkool, had ik net als in nederland rond gemaild voor de beste deal.
[ Voor 7% gewijzigd door twain4me op 08-02-2020 22:34 ]
Gezien er bij BVA veel kosten bijkomen moet je goed in de gaten houden wat je gaat bieden. In het verleden was er wel eens zo'n gekte met dat bieden dat ze soms boven de nieuwprijs weg gingen.De_Bastaard schreef op zaterdag 8 februari 2020 @ 20:02:
Heeft iemand hier ervaring met bijv. panelen kopen via BVA ? We hebben sindskort hier 3 fasen (Duitsland) in huis en ben me nu aan het verdiepen in hoe ik onze energiekosten omlaag kan krijgen.
Ik dacht er aan om wat panelen te scoren op BVA (stuk of 12 ofzo) en dan zelf de onderdelen bij elkaar sprokkelen om het aan te kunnen sluite en zo goedkoop uit te zijn.
Het dak dat ik wilde gebruiken (garage) is ~20m2 op ZW zonder schaduw en goed toegankelijk. Ik hoef dan niet zelf op 14meter hoog op het woonhuis te staan
ZZP'er in de solar (werkvoorbereiding / voorman / plaatsen) sinds 2009 fulltime met PV bezig. Met houtkachel en warmtepomp gasvrij!
Ik.De_Bastaard schreef op zaterdag 8 februari 2020 @ 20:02:
Heeft iemand hier ervaring met bijv. panelen kopen via BVA ? We hebben sindskort hier 3 fasen (Duitsland) in huis en ben me nu aan het verdiepen in hoe ik onze energiekosten omlaag kan krijgen.
Ik dacht er aan om wat panelen te scoren op BVA (stuk of 12 ofzo) en dan zelf de onderdelen bij elkaar sprokkelen om het aan te kunnen sluite en zo goedkoop uit te zijn.
Het dak dat ik wilde gebruiken (garage) is ~20m2 op ZW zonder schaduw en goed toegankelijk. Ik hoef dan niet zelf op 14meter hoog op het woonhuis te staan
Ik heb al drie keer een set gekocht. De laatste keer 15 stuks ( €879 incl bezorgkosten ). Wel nog voor 25st gegaan, maar vond het te duur worden. Omvormers en apparatuur? Ik ga wel voor nieuw, zelden voor gebruikt. Oven van €900+ voor €270 thuis bezorgd.
Bezorging was altijd oke.
Reken 1,41 x je bod aan veiling kosten. Dit is uiteraard excl. bezorg kosten.
Had altijd een excel sheet bij de hand met een tabel met bedragen, wat het me gaat kosten incl bezorg/ophaal kosten. In de heetst van de strijd en zeker als je op meerdere kavel te gelijk bied moet je alles snel berekenen.
Elke keer als ik ergens op bood stelde ik van te voren een grens.
Laat je niet gek maken van "ik wil het". Dan ga je de mist in. Kijk welke panelen het zijn, zoek de goedkoopste prijs ervan op het web, bereken het verschil van halen, laten bezorgen door BVA en als je het ergens anders zou gaan kopen. Zet je marge. Gebruik de laagst gevonden prijs via het web, marge eraf trekken, reken dan de 1,41 terug. Dat is je maximale bod.
Bied niet op meerdere kavels tegelijk. Je drijft dan uiteindelijk ook je eigen prijs omhoog. Wacht tot het laatste moment. Ik start met bieden in de laatste minuut. Kavels lopen zelden gelijk af. Zit altijd minuut to 5 minuten tussen.
LET OP! Vaak als jij als laatste geboden hebt is er altijd weer 1-5 minuten of zo waarbij een ander alsnog kan bieden ( rot irritant systeem en zou verboden moeten worden ).
Heb je verloren bij een kavel, ga gelijk naar de volgende in tijd. Betekend dus; maak een lijst van alle kavels die je wilt en zet deze op volgorde van tijd. Ik zelf zette deze ook in excel. Klik op de link en mijn browser gaat gelijk naar de juiste web pagina.
Kavel afgelopen of te duur, vinkje ervoor. Kan je wel later even kijken wat uiteindelijk de gemiddelde prijs was voor een paneel.
Hou er ook rekening mee dat b.v de 15 st kavels soms terug komen in de grote b.v 30st kavels. Is het totaal bedrag van de grote kavel groter dan jouw en een ander kavel dan zijn jullie het kwijt en gaat naar de grotere bieder. Weet niet of dit VBA dit zelf regelt, maar ik weet dat de belasting dienst dit flikt. Heb toen de belasting dienst gebeld en doorgegeven dat ze aan de betreffende persoon moesten doorgeven dat hij een schoft is. Maar ja, dat was toen al en is nog zo, en is inmiddels bekend. Ook hier een rot irritant systeem en de belastingdienst
Succes!!
[ Voor 3% gewijzigd door Lord Anubis op 09-02-2020 01:14 ]
Gewoon je mail höfliches Schreiben en door translate.google.nl gooien.twain4me schreef op zaterdag 8 februari 2020 @ 22:32:
[...]
Mijn omvormer komt hier vandaan: https://www.mg-solar-shop.de/
Panelen kwamen in Nederland goedkoper op mijn pad, maar als mijn duits beter was geweest dan nivo steenkool, had ik net als in nederland rond gemaild voor de beste deal.
16x Perlight 315Wp op 45gr Dak, Orientatie ZO en NW
Aangesloten met APS YC600 (8x) opgelijnd als 4 (met 8 panelen) per fase.
Er ligt reeds 5m2 zonnecollector en 12x JSS solar 250Wp uit 2016 die zit op de derde fase.
CV-pijp verdwijnt als WP komt.
En voor de volgooiers, ja ik heb nog plaats voor 2x2 en 1 op dakkapel, 2 aan de ZW kant als gevelbekleding.
Achter op platdak en bijkeuken nog ruimte voor 5. Aan de dakrand garage kan ook nog 5x landscape als muurbekleding met schaduw in winter. Maar samen met aanbrengen vloerverwarming was geld toch wel beetje op. De extra zonnepanelen kunnen van de zomer mooi de COP=1 tijdens opstookprotocol compenseren voor de eindafrekening komt


Dat is een steil pannendak zegDapdodo schreef op zondag 9 februari 2020 @ 08:38:
In het kader pic or didn’t happen.
16x Perlight 315Wp op 45gr Dak, Orientatie ZO en NW
Aangesloten met APS YC600 (8x) opgelijnd als 4 (met 8 panelen) per fase.
Er ligt reeds 5m2 zonnecollector en 12x JSS solar 250Wp uit 2016 die zit op de derde fase.
En voor de volgooiers, ja ik heb nog plaats voor 2x2 en 1 op dakkapel, 2 aan de ZW kant als gevelbekleding.
Achter op platdak en bijkeuken nog ruimte voor 5. Aan de dakrand garage kan ook nog 5x landscape als muurbekleding met schaduw in winter. Maar samen met aanbrengen vloerverwarming was geld toch wel beetje op. De extra zonnepanelen kunnen van de zomer mooi de COP=1 tijdens opstookprotocol compenseren voor de eindafrekening komt.
[Afbeelding: Voorkant Zuid-Oost]
[Afbeelding: Achterzijde Noord-West]
8x330 NO12.5°, 8x330 ZW12.5°, 8x350 ZW60°, 8x325 NO10°, SE8K, P500. 6x410 ZW10° Enphase
Ja dat kan zelfs met gewone panhaken. Enige waar ik nog mee zit dat panelen meestal alleen aan de zijkant zijn geklemd, zou er dan een soort hoekje van willen maken zodat afschuiven naar beneden niet kan.
Montage wordt een ander verhaal, elke 2e pan zit vast met spijker of schroef
[ Voor 7% gewijzigd door Dapdodo op 09-02-2020 08:58 ]
Laatste minuut heeft weinig zin omdat de auction dan verlengt word met 5 min, het is geen ebay waar je in de laatste seconde nog even kan bieden. Dus kan er altijd nog een bva er even bieden, het kan zijn dat ie het vergeet of druk is waardoor je het een keer hebt.Lord Anubis schreef op zondag 9 februari 2020 @ 01:01:
[...]
.
Wacht tot het laatste moment. Ik start met bieden in de laatste minuut. Kavels lopen zelden gelijk af.
LET OP! Vaak als jij als laatste geboden hebt is er altijd weer 1-5 minuten of zo waarbij een ander alsnog kan bieden ( rot irritant systeem en zou verboden moeten worden ).
Heb je verloren bij een kavel, ga gelijk naar de volgende in tijd. Betekend dus; maak een lijst van alle kavels die je wilt en zet deze op volgorde van tijd. Ik zelf zette deze ook in excel. Klik op de link en mijn browser gaat gelijk naar de juiste web pagina.
Kavel afgelopen of te duur, vinkje ervoor. Kan je wel later even kijken wat uiteindelijk de gemiddelde prijs was voor een paneel.
Hou er ook rekening mee dat b.v de 15 st kavels soms terug komen in de grote b.v 30st kavels. Is het totaal bedrag van de grote kavel groter dan jouw en een ander kavel dan zijn jullie het kwijt en gaat naar de grotere bieder. Weet niet of dit VBA dit zelf regelt, maar ik weet dat de belasting dienst dit flikt. Heb toen de belasting dienst gebeld en doorgegeven dat ze aan de betreffende persoon moesten doorgeven dat hij een schoft is. Maar ja, dat was toen al en is nog zo, en is inmiddels bekend. Ook hier een rot irritant systeem en de belastingdienstzou verboden moeten worden.
Succes!!
Heb je het heel goedkoop zeggen ze dat het grote kavel gewonnen heeft, of je niet gegunt word, het is gewoon een verkoop spelletje waar je niet aan mee moet doen, veilen is het nieuwe marktplaats.
Verder heb je ook 0 garantie, dus wat als je een paar defecte hebt.
Noord-Oost-Zuid-West 11640Wp Totaal Live, Netduino advanced pv logging
Mooi toch? Waar heb je de aps jes? Buiten of binnen?Dapdodo schreef op zondag 9 februari 2020 @ 08:38:
In het kader pic or didn’t happen.
16x Perlight 315Wp op 45gr Dak, Orientatie ZO en NW
Aangesloten met APS YC600 (8x) opgelijnd als 4 (met 8 panelen) per fase.
Er ligt reeds 5m2 zonnecollector en 12x JSS solar 250Wp uit 2016 die zit op de derde fase.
CV-pijp verdwijnt als WP komt.
En voor de volgooiers, ja ik heb nog plaats voor 2x2 en 1 op dakkapel, 2 aan de ZW kant als gevelbekleding.
Achter op platdak en bijkeuken nog ruimte voor 5. Aan de dakrand garage kan ook nog 5x landscape als muurbekleding met schaduw in winter. Maar samen met aanbrengen vloerverwarming was geld toch wel beetje op. De extra zonnepanelen kunnen van de zomer mooi de COP=1 tijdens opstookprotocol compenseren voor de eindafrekening komt.
[Afbeelding: Voorkant Zuid-Oost]
[Afbeelding: Achterzijde Noord-West]
Noord-Oost-Zuid-West 11640Wp Totaal Live, Netduino advanced pv logging
https://gathering.tweakers.net/forum/list_messages/1972492
tips ideeën enzovoorts zijn welkom!
Daar waar ze voor ontworpen zijn, onder de panelen. Als ze voor paar euro extra 20 jaar garantie durven te geven, moeten er niet teveel kapot gaan. Zullen ze wel bekeken hebben.Rol-Co schreef op zondag 9 februari 2020 @ 09:31:
[...]
Mooi toch? Waar heb je de aps jes? Buiten of binnen?
Snap ik, verbaas me alleen waarom niemand ze binnen doet, paar euro aan dc kabel.Dapdodo schreef op zondag 9 februari 2020 @ 09:45:
[...]
Daar waar ze voor ontworpen zijn, onder de panelen. Als ze voor paar euro extra 20 jaar garantie durven te geven, moeten er niet teveel kapot gaan. Zullen ze wel bekeken hebben.
Noord-Oost-Zuid-West 11640Wp Totaal Live, Netduino advanced pv logging
Bijna niemand, hier wel, 2x involar mac 250 met een fannetje 120mm dr onder.Rol-Co schreef op zondag 9 februari 2020 @ 09:50:
[...]
Snap ik, verbaas me alleen waarom niemand ze binnen doet, paar euro aan dc kabel.
PClop schreef op zondag 9 februari 2020 @ 10:19:
[...]
Bijna niemand, hier wel, 2x involar mac 250 met een fannetje 120mm dr onder.
Ik zou ze ook binnen plaatsen.
Noord-Oost-Zuid-West 11640Wp Totaal Live, Netduino advanced pv logging
Hoe verhoud dit merk zich tegenover een SMA?
23x Trina 340Wp | 7820Wp | Plat dak ZO-NW opstelling | SMA Sunny Tripower 6.0 3AV40 - Hé wat gebeurt er op de financiële markten daar moet ik ook bij zijn!
Weliswaar een jaar later 😉, maar je hebt gelijk, dat gaat nog niet optimaal. Ik wil het eigenlijk oplossen door een of paneel of 2 bij te leggen. Voor zover ik kan zien is het niet mogelijk om de p404's te combineren met p300/p370's?jacovn schreef op zaterdag 8 februari 2020 @ 15:09:
[...]
Sorry, maar slecht 3 panelen op noord/west leveren niet genoeg spanning om als de zon aan de west kant staat en zuid/oost niet meer belicht wordt.
Ik mag hopen dat je p404 optimizers krijgt en geen p300/370
Deels waar, maar des al niet te min werkt het zo. Uiteraard zijn het oplichters. Wilde de post niet al te veel uitbreiden, want dan kan je een eigen topic openen. Beetje onhandig geschreven, was al laat, maar de gecorrigeerde gedachte is, " breng je bod uit voor de laatste minuut. En mocht je willen bieden om het alsnog te winnen doe het dan in de laatste minuut als iemand er voor zat."Rol-Co schreef op zondag 9 februari 2020 @ 09:26:
[...]
Laatste minuut heeft weinig zin omdat de auction dan verlengt word met 5 min, het is geen ebay waar je in de laatste seconde nog even kan bieden. Dus kan er altijd nog een bva er even bieden, het kan zijn dat ie het vergeet of druk is waardoor je het een keer hebt.
Heb je het heel goedkoop zeggen ze dat het grote kavel gewonnen heeft, of je niet gegunt word, het is gewoon een verkoop spelletje waar je niet aan mee moet doen, veilen is het nieuwe marktplaats.
Verder heb je ook 0 garantie, dus wat als je een paar defecte hebt.
En geen garantie is niet 100% waar. Hangt van de veiling af. Er zijn bedrijven die iets te koop aanbieden omdat ze overschot of financiële problemen hebben, dan heb je gewoon garantie. De oven die ik kocht had gewoon 2 jaar garantie. Een zware voeding die ik won had gewoon garantie.
Volgens mij doet BVA ook executie veilingen, maar daar gebeurt het ook.
Tja, ze zijn niet bepaald klein ofzo. Waar moet ik 10 van de YC-500's gaan monteren... In de meterkast passen ze in ieder geval niet en een zolder heb ik niet.Rol-Co schreef op zondag 9 februari 2020 @ 09:50:
[...]
Snap ik, verbaas me alleen waarom niemand ze binnen doet, paar euro aan dc kabel.
www.file-hunter.com | www.arnauddeklerk.com | Mijn zonnepaneeltjes LIVE: http://pvoutput.org/list.jsp?sid=40939
Er blijven altijd uitzonderingen natuurlijk maar normaal op de zolder inderdaad, ieder geval ergens waar je bij kan.TFHfony schreef op zondag 9 februari 2020 @ 15:43:
[...]
Tja, ze zijn niet bepaald klein ofzo. Waar moet ik 10 van de YC-500's gaan monteren... In de meterkast passen ze in ieder geval niet en een zolder heb ik niet.
Noord-Oost-Zuid-West 11640Wp Totaal Live, Netduino advanced pv logging
Op het dak (plat dak) kan ik er ook prima bij. En ik hoop gewoon dat het nooit nodig is 😁Rol-Co schreef op zondag 9 februari 2020 @ 18:32:
[...]
Er blijven altijd uitzonderingen natuurlijk maar normaal op de zolder inderdaad, ieder geval ergens waar je bij kan.
www.file-hunter.com | www.arnauddeklerk.com | Mijn zonnepaneeltjes LIVE: http://pvoutput.org/list.jsp?sid=40939
TFHfony schreef op zondag 9 februari 2020 @ 19:08:
[...]
Op het dak (plat dak) kan ik er ook prima bij. En ik hoop gewoon dat het nooit nodig is 😁
Daarnaast zouden er wel heel veel DC kabels naar binnen gebracht moeten worden. Wordt een beetje een bende.
www.file-hunter.com | www.arnauddeklerk.com | Mijn zonnepaneeltjes LIVE: http://pvoutput.org/list.jsp?sid=40939
Nee combineren mag inderdaad niet tussen P4xx & P3xxvistu schreef op zondag 9 februari 2020 @ 14:35:
[...]
Weliswaar een jaar later 😉, maar je hebt gelijk, dat gaat nog niet optimaal. Ik wil het eigenlijk oplossen door een of paneel of 2 bij te leggen. Voor zover ik kan zien is het niet mogelijk om de p404's te combineren met p300/p370's?
Zie ook https://www.solaredge.com...timizer-datasheet-nld.pdf onderaan kleine letters
12,85kWp - ZB 7,5m2/400l - 5kW Pana H WP (CV&SWW) - 13,8kWh accu
Dat was wel een misser aan mijn kant, het was vroeg is mijn excuus.vistu schreef op zondag 9 februari 2020 @ 14:35:
[...]
Weliswaar een jaar later 😉, maar je hebt gelijk, dat gaat nog niet optimaal. Ik wil het eigenlijk oplossen door een of paneel of 2 bij te leggen. Voor zover ik kan zien is het niet mogelijk om de p404's te combineren met p300/p370's?
Nee, je kunt niet een p300/p370 met een p404 combineren.
Nu heb je aan de oost kant 8x60 volt, en dat is genoeg voor 1 fase omvormer om te starten. Als in 8x60>380
Maar zelfs als je uitbreidt met 2 panelen west naar 5 stuks en p300/370 blijf je hetzelfde effect houden dan je nu hebt: optimizer clipping
Dan moeten de oost panelen nog steeds 380 - (5x60) = 80 volt leveren. Dat is dan 10 volt per stuk.
Zeg de oost panelen doen 20 watt als de zon er niet meer op staat (optimistich) dan loopt er (P = U x I) 2 A max door de string. Dan levert een west paneel maximaal 120 watt ook al ligt hij vol in de zon.
Als een oost paneel nog maar 10 watt doet is de stroom zelfs maar 1A en levert een zon paneel maximaal 60 watt.
Je kunt op de andere input wel een nieuw string maken (als de inverter 2 strings heeft) en daar met 5 x p404 gaan draaien. 5x85= 445 volt wat > 380 is
Je moet gewoon met oost/west systemen het minimale aantal optimizers die SolarEdge aanraad hebben.
Eigenlijk wat ze aanraden -1
[ Voor 14% gewijzigd door jacovn op 10-02-2020 10:21 ]
8x330 NO12.5°, 8x330 ZW12.5°, 8x350 ZW60°, 8x325 NO10°, SE8K, P500. 6x410 ZW10° Enphase
Liggen ze er nog op? #ciararevolution-nl schreef op donderdag 6 februari 2020 @ 19:22:
[...]
Ik heb de ballast nu verhoogd van +/- 230kg naar 500kg, conform de ballasttabel van @twain4me moet ik nu aan de veilige kant zitten. De bandjes laat ik zo gepositioneerd, ik kijk wel of ze het houden en niet breken. ik heb goed zicht op het dak dus heb het snel genoeg in de gaten.
De achterkant van de tweede rij heb ik voorzien van hogere bandjes van 37kg.
Ben er nu wel even klaar mee, vindt het systeem niet ideaal, het probleem zit hem met name in de flexibele plastic poten die onder druk snel onder de ballast wegschuiven.
Lesson learned: niet meer bezuinigen op montage materiaal
Yes, ze hebben geen krimp gegeven
Vroemt met EV | 10.000WP | 14kWh Thuisaccu | 2x MHI SRK/SRC 35 ZS | LG-WH27s Boiler
Bij de verschillende sites waar panelen en onderdelen aangeboden worden zie ik niet iets dergelijks staan.
ikzelf zat aan zoiets te denken maar dit kan misschien niet met panelen?
Je hebt afschot nodig, maak je er een puntdakje van? Dan kan je onder de naden een gootje maken?DonChaot schreef op maandag 10 februari 2020 @ 11:59:
Ik ben plannen aan het bedenken om een carport te gaan bouwen. Hier bovenop zou ik graag zonnepanelen gaan leggen. Ik zou dit graag doen zonder een laag eronder te hebben. Zijn er profielen waarmee je de panelen vast kan leggen en dat dit ook enigzins waterdicht is?
Bij de verschillende sites waar panelen en onderdelen aangeboden worden zie ik niet iets dergelijks staan.
ikzelf zat aan zoiets te denken maar dit kan misschien niet met panelen?
I Bought Myself A Politician - MonaLisa Twins 2013: 7panelen(195Wp), maand later, 17. 3 jaar later 28 en gasloos. 5.5kWp O-W op 4.2kVA omvormer. 2018 'verhuisd'.
Zoek eens op BIPV, dan kom je wat tegen. Verder heeft vandervalk een inschuif systeem dat als je daar een dakje mee maakt, met een 20 gradenhelling oid, en netjes vlak maakt, best een droog geheel vormt.DonChaot schreef op maandag 10 februari 2020 @ 11:59:
Ik ben plannen aan het bedenken om een carport te gaan bouwen. Hier bovenop zou ik graag zonnepanelen gaan leggen. Ik zou dit graag doen zonder een laag eronder te hebben. Zijn er profielen waarmee je de panelen vast kan leggen en dat dit ook enigzins waterdicht is?
Bij de verschillende sites waar panelen en onderdelen aangeboden worden zie ik niet iets dergelijks staan.
ikzelf zat aan zoiets te denken maar dit kan misschien niet met panelen?
ZZP'er in de solar (werkvoorbereiding / voorman / plaatsen) sinds 2009 fulltime met PV bezig. Met houtkachel en warmtepomp gasvrij!
Volgens mij is het voor ons (Duitsland) nu helemaal niet interessant. Salderen bestaat hier niet en je krijgt ~12cent (ongeveer) per opgeleverde kWh. Omdat we allebei vooral 's avonds thuis zijn zou dat betekenen dat we nog altijd veel moeten afnemen van de leverancier en dus ook enorm veel zouden moeten leveren om quitte te spelen.... óf een accu moeten nemen.
Het bedrag dat je per kWh krijgt leg je als je nu inschrijft vast voor 20 jaar, terwijl de stroomprijs de laatste 15 jaar gemiddeld met ~3% gestegen is.
Bij ons huidige verbruik van 3600 kWh zou ik iets van 8000 kWh moeten leveren om het een beetje interessant te houden, Vanavond nog maar eens narekenen. Misschien is het interessant met zo'n accu erbij maar dan moet je die 5k aanschaf weer zien terug te verdienen.

Weet iemand hoelang die accu's ongeveer meegaan? Zou namelijk wel zuur zijn als je die na 5 of 10jaar alweer moet afschrijven.
Alhoewel het zuur is, dat er niet gesaldeerd wordt, maakt het wel de terugverdientijd van een accu veel korter. Immers, in NL kan je het net als accu gebruiken, waardoor je, zolang je onder je eigen verbruik blijft, kunt salderen, wat betekent dat zelf opgewekte stroom ongeveer 21ct/KWh oplevert. Als dat niet kan, dan levert terugleveren maar 11-12ct op. Als je dus een accu hebt, dan ga je opeens wel die 21ct/KWh besparen!De_Bastaard schreef op maandag 10 februari 2020 @ 15:18:
Inmiddels ben ik na het ontvangen van de jaarrekening van aflopen jaar en onze nieuw maandelijkse bedrag maar eens verder gaan verdiepen in zonnepanelen.
Volgens mij is het voor ons (Duitsland) nu helemaal niet interessant. Salderen bestaat hier niet en je krijgt ~12cent (ongeveer) per opgeleverde kWh. Omdat we allebei vooral 's avonds thuis zijn zou dat betekenen dat we nog altijd veel moeten afnemen van de leverancier en dus ook enorm veel zouden moeten leveren om quitte te spelen.... óf een accu moeten nemen.
Het bedrag dat je per kWh krijgt leg je als je nu inschrijft vast voor 20 jaar, terwijl de stroomprijs de laatste 15 jaar gemiddeld met ~3% gestegen is.
Bij ons huidige verbruik van 3600 kWh zou ik iets van 8000 kWh moeten leveren om het een beetje interessant te houden, Vanavond nog maar eens narekenen. Misschien is het interessant met zo'n accu erbij maar dan moet je die 5k aanschaf weer zien terug te verdienen.
Weet iemand hoelang die accu's ongeveer meegaan? Zou namelijk wel zuur zijn als je die na 5 of 10jaar alweer moet afschrijven.
Volgens mij moet een accu zeker wel 10 jaar meegaan. Maar ik ben benieuwd of er in NL mensen zijn met een installatie met accu, misschien mensen die helemaal off-grid zijn?
I Bought Myself A Politician - MonaLisa Twins 2013: 7panelen(195Wp), maand later, 17. 3 jaar later 28 en gasloos. 5.5kWp O-W op 4.2kVA omvormer. 2018 'verhuisd'.
https://echtshop.de/energiemanagement-c-123_556.html
https://snapshot.raintank...TZVmcTrxjF48ih0JM?orgId=2
[ Voor 23% gewijzigd door AUijtdehaag op 10-02-2020 16:20 ]
Ik vraag me ook af of dit zo'n zware storm was voor zonnepanelen Omdat de wind uit zzw kwam, was dit voor de installaties op zuid niet zo'n probleem met vooral frontale wind. En oost west installaties liggen meestal zo plat dat ze nauwelijks stormgevoelig zijn, Bij een noordwesterstorm kan dat heel ander verhaal worden. Bij de januari 2018 storm waren er ook veel meer weggewaaide zonnepaneel berichten in de media dan nu,
Echter, ik wil 8 nieuwe panelen plaatsen op mn garagedag en aansluiten op mppt2. Mn vraag is hoe ik dit het beste kan aarden. Standaard wordt 6mm2 draad aangegeven, maar vanaf de omvormer naar groepenkast is maar 2,5mm2 aardedraad, dus ik denk dat 6mm2 weinig zin heeft? Of moet ik iets voorzien in het aardedeel tussen omvormer en meterkast?
Tevens wil ik de DC + aardedraad door de 2 meter ventilatiekanaal halen, zodat ik direct in de garage kom waar de omvormer hangt en niet lelijk een draad buitenom hoef te leggen en door de muur te boren. Deze draden dan in een flex PVC buis doen voor extra veiligheid. Mag het aardedraad tegelijk met de + en - in dezelfde pvc buis? Plan is dus DC + en - 4mm2 en aardedraad 6mm2 bij elkaar in ruimte flex pvc, deze via ventilatiebuis de garage in schuiven (ong 2 meter), pvc via gat uit ventilatiebuis en dan kabels aansluiten op de omvormer. Omvormer (SMA 3.6 2 mppt's) gaat vervolgens over ± 10m naar de meterkast met 2,5mm2 draden. Totaal aan wp is 5x 275 = 1375 op hoge dak (ZO) en 8x 405wp = 3260wp op garagedak (ZW). DC kabels door ventilatiebuis is niet ideaal, maar ook niet permanente oplossing. Als CV-ketel ooit wordt vervangen met warmtepomp in garage, dan heb ik een mooie dakdoorvoer tot mn beschikking.
Je zou in dit Duits forum even kunnen lezen of posten wat zij zo al doen met installaties zonder EEGDe_Bastaard schreef op maandag 10 februari 2020 @ 15:18:
Inmiddels ben ik na het ontvangen van de jaarrekening van aflopen jaar en onze nieuw maandelijkse bedrag maar eens verder gaan verdiepen in zonnepanelen.
Volgens mij is het voor ons (Duitsland) nu helemaal niet interessant. Salderen bestaat hier niet en je krijgt ~12cent (ongeveer) per opgeleverde kWh. Omdat we allebei vooral 's avonds thuis zijn zou dat betekenen dat we nog altijd veel moeten afnemen van de leverancier en dus ook enorm veel zouden moeten leveren om quitte te spelen.... óf een accu moeten nemen.
Het bedrag dat je per kWh krijgt leg je als je nu inschrijft vast voor 20 jaar, terwijl de stroomprijs de laatste 15 jaar gemiddeld met ~3% gestegen is.
Bij ons huidige verbruik van 3600 kWh zou ik iets van 8000 kWh moeten leveren om het een beetje interessant te houden, Vanavond nog maar eens narekenen. Misschien is het interessant met zo'n accu erbij maar dan moet je die 5k aanschaf weer zien terug te verdienen.
Weet iemand hoelang die accu's ongeveer meegaan? Zou namelijk wel zuur zijn als je die na 5 of 10jaar alweer moet afschrijven.
Ze zijn er daar wel mee aan de loop om er iets non EEG leuks van te maken.
https://www.photovoltaikf...d/156-pv-anlage-ohne-eeg/
Je kan vanaf je panelen ook direct naar de aarde in/bij meterkast en dus dan ook 6mm2 gebruiken.padoempats schreef op maandag 10 februari 2020 @ 16:40:
Heb een vraag over het aarde(draad) van mn nieuw te plaatsen zonnepanelenframe. Op dit moment liggen er op het dak van mn nieuwbouwwoning 5 panelen en het frame is niet geaard. Bouwer gaf aan dat ze nog oude NEN1010 regels kennen omdat het bouwbesluit van voor 1-1-2017 was.
Echter, ik wil 8 nieuwe panelen plaatsen op mn garagedag en aansluiten op mppt2. Mn vraag is hoe ik dit het beste kan aarden. Standaard wordt 6mm2 draad aangegeven, maar vanaf de omvormer naar groepenkast is maar 2,5mm2 aardedraad, dus ik denk dat 6mm2 weinig zin heeft? Of moet ik iets voorzien in het aardedeel tussen omvormer en meterkast?
Tevens wil ik de DC + aardedraad door de 2 meter ventilatiekanaal halen, zodat ik direct in de garage kom waar de omvormer hangt en niet lelijk een draad buitenom hoef te leggen en door de muur te boren. Deze draden dan in een flex PVC buis doen voor extra veiligheid. Mag het aardedraad tegelijk met de + en - in dezelfde pvc buis? Plan is dus DC + en - 4mm2 en aardedraad 6mm2 bij elkaar in ruimte flex pvc, deze via ventilatiebuis de garage in schuiven (ong 2 meter), pvc via gat uit ventilatiebuis en dan kabels aansluiten op de omvormer. Omvormer (SMA 3.6 2 mppt's) gaat vervolgens over ± 10m naar de meterkast met 2,5mm2 draden. Totaal aan wp is 5x 275 = 1375 op hoge dak (ZO) en 8x 405wp = 3260wp op garagedak (ZW). DC kabels door ventilatiebuis is niet ideaal, maar ook niet permanente oplossing. Als CV-ketel ooit wordt vervangen met warmtepomp in garage, dan heb ik een mooie dakdoorvoer tot mn beschikking.
niet tevroeg juichenexroosje schreef op maandag 10 februari 2020 @ 16:25:
[...]
Ik vraag me ook af of dit zo'n zware storm was voor zonnepanelen Omdat de wind uit zzw kwam, was dit voor de installaties op zuid niet zo'n probleem met vooral frontale wind. En oost west installaties liggen meestal zo plat dat ze nauwelijks stormgevoelig zijn, Bij een noordwesterstorm kan dat heel ander verhaal worden. Bij de januari 2018 storm waren er ook veel meer weggewaaide zonnepaneel berichten in de media dan nu,
https://www.telegraaf.nl/...aan-den-i-jssel-te-vallen
Ik ben het ontwerp van een PV-installatie aan het afronden en heb ook alleen het puntje aarding nog open staan. Ik kan met een eigen 6mm² kabel naar de meterkast, dus dat gaat lukken.jobr schreef op maandag 10 februari 2020 @ 18:47:
[...]
Je kan vanaf je panelen ook direct naar de aarde in/bij meterkast en dus dan ook 6mm2 gebruiken.
Voor wat ik in de nieuwsbrieven en op installatiejournaal.nl lees moet ik alleen de montageprofielen aarden. De panelen zelf zouden dubbel geïsoleerd zijn en hoeven dus niet.
Twee vragen waar ik nog mee zit:
- Klopt deze redenering?
- Welk type draad wordt gebruikt? Gewoon H07V-K? Of speciale vertinde kabel? En hoe goed houdt zo'n kabelschoentje zich na jaren in weer en wind?
WP: ME PUHZ-SW75YAA + ERSD-VM2D + EV-WP-TWS-1W 300; AC: ME MXZ-2F42VF + 2x MSZ-LN25VGV; PV: 14.08 kWp O/W + SMA STP 8.0; Vent: Zehnder Q600 ERV + Ubbink AirExcellent.
De meterkast bereik ik niet makkelijk vanaf de garage, de omvormer in de garage weljobr schreef op maandag 10 februari 2020 @ 18:47:
[...]
Je kan vanaf je panelen ook direct naar de aarde in/bij meterkast en dus dan ook 6mm2 gebruiken.
Dat kabelschoentje is van vertin koper, op het aluminium frame zijn dat dus 2 verschillende metalen op elkaar, dat gaat lekker oxideren.Andrehj schreef op maandag 10 februari 2020 @ 19:09:
[...]
Ik ben het ontwerp van een PV-installatie aan het afronden en heb ook alleen het puntje aarding nog open staan. Ik kan met een eigen 6mm² kabel naar de meterkast, dus dat gaat lukken.
Voor wat ik in de nieuwsbrieven en op installatiejournaal.nl lees moet ik alleen de montageprofielen aarden. De panelen zelf zouden dubbel geïsoleerd zijn en hoeven dus niet.
Twee vragen waar ik nog mee zit:Bijzonder vind ik in ieder geval dat de grote webwinkels nauwelijks aardingsmaterialen verkopen. "Vergeet" de gemiddelde PV-installeerder dan de aarding?
- Klopt deze redenering?
- Welk type draad wordt gebruikt? Gewoon H07V-K? Of speciale vertinde kabel? En hoe goed houdt zo'n kabelschoentje zich na jaren in weer en wind?
Een kabelschoen van aluminium met aluminium schroef/ popnagel zou al veel beter zijn.
Het moet wel pakweg 20 jaar lang blijven zitten.
20x JA Solar 6.9KW; Fronius Symo 7.0; Panasonic J Mono 7KW; Atlantic Explorer V3
Dat viel mij anderhalf jaar geleden ook op, ik heb toen maar wat radiator aardings klemmen gekocht en aan de rails gemonteerd, en een vertinde draad gebruikt.Andrehj schreef op maandag 10 februari 2020 @ 19:09:
[...]
Ik ben het ontwerp van een PV-installatie aan het afronden en heb ook alleen het puntje aarding nog open staan. Ik kan met een eigen 6mm² kabel naar de meterkast, dus dat gaat lukken.
Voor wat ik in de nieuwsbrieven en op installatiejournaal.nl lees moet ik alleen de montageprofielen aarden. De panelen zelf zouden dubbel geïsoleerd zijn en hoeven dus niet.
Twee vragen waar ik nog mee zit:Bijzonder vind ik in ieder geval dat de grote webwinkels nauwelijks aardingsmaterialen verkopen. "Vergeet" de gemiddelde PV-installeerder dan de aarding?
- Klopt deze redenering?
- Welk type draad wordt gebruikt? Gewoon H07V-K? Of speciale vertinde kabel? En hoe goed houdt zo'n kabelschoentje zich na jaren in weer en wind?
De panelen die 2 weken geleden op mijn dak zijn gelegd, zijn netjes geaard door de installateur, en dat is met een 6mm2 geisoleerde groen/gele draad gedaan.
3200 Wp OZO+10000 Wp ZZW+3200 Wp WNW - Daikin 4MXM68N + 3 x FTXM20M2V1B + FTXA50A2V1BT - Vaillant AroTherm 125/5 & Boiler VIH RW 300/3 MR
Hij kan met 26+ cent rekenen inkoop in DE volgens mij. (Al boven €0.30 lees ik online)borft schreef op maandag 10 februari 2020 @ 16:02:
[...]
Alhoewel het zuur is, dat er niet gesaldeerd wordt, maakt het wel de terugverdientijd van een accu veel korter. Immers, in NL kan je het net als accu gebruiken, waardoor je, zolang je onder je eigen verbruik blijft, kunt salderen, wat betekent dat zelf opgewekte stroom ongeveer 21ct/KWh oplevert. Als dat niet kan, dan levert terugleveren maar 11-12ct op. Als je dus een accu hebt, dan ga je opeens wel die 21ct/KWh besparen!
Volgens mij moet een accu zeker wel 10 jaar meegaan. Maar ik ben benieuwd of er in NL mensen zijn met een installatie met accu, misschien mensen die helemaal off-grid zijn?
Daar zijn ze verder met de vergroening en zijn de kosten van elke kWh hoger dan hier in NL.
Hoe zou het hier gaan ? Iedereen van het gas af en paar cent bij Elektra op om de terug betaling ook op 11 a 12 cent te krijgen ?
8x330 NO12.5°, 8x330 ZW12.5°, 8x350 ZW60°, 8x325 NO10°, SE8K, P500. 6x410 ZW10° Enphase
Thanks. Dat roept gelijk weer vragen op:PentaClover schreef op maandag 10 februari 2020 @ 19:29:
[...]
Dat viel mij anderhalf jaar geleden ook op, ik heb toen maar wat radiator aardings klemmen gekocht en aan de rails gemonteerd, en een vertinde draad gebruikt.
De panelen die 2 weken geleden op mijn dak zijn gelegd, zijn netjes geaard door de installateur, en dat is met een 6mm2 geisoleerde groen/gele draad gedaan.
- Zijn de panelen geaard of de rails?
- Je weet niet toevallig welk type kabel er gebruikt is?
- Hoe is de kabel bevestigd aan de rails of panelen? Met kabelschoentjes? Of anders?
Ja, maar de kabel is ook van koper. Dus in bij de overgang van kabel naar schoentje komen dan weer twee verschillende materialen bij elkaar. Is ook weer niet goed. En waar vind je aluminium kabelschoentjes?frisianstar schreef op maandag 10 februari 2020 @ 19:29:
[...]
Dat kabelschoentje is van vertin koper, op het aluminium frame zijn dat dus 2 verschillende metalen op elkaar, dat gaat lekker oxideren.
Een kabelschoen van aluminium met aluminium schroef/ popnagel zou al veel beter zijn.
Het moet wel pakweg 20 jaar lang blijven zitten.
Ik blijf het wonderlijk vinden dat hier geen fatsoenlijke oplossing voor is...
[ Voor 32% gewijzigd door Andrehj op 10-02-2020 19:49 ]
WP: ME PUHZ-SW75YAA + ERSD-VM2D + EV-WP-TWS-1W 300; AC: ME MXZ-2F42VF + 2x MSZ-LN25VGV; PV: 14.08 kWp O/W + SMA STP 8.0; Vent: Zehnder Q600 ERV + Ubbink AirExcellent.
Zo'n thuis accu (Tesla PowerWall) wordt continu ingezet, opladen en ontladen, 24 uur 365 dagen per jaar.De_Bastaard schreef op maandag 10 februari 2020 @ 15:18:
Inmiddels ben ik na het ontvangen van de jaarrekening van aflopen jaar en onze nieuw maandelijkse bedrag maar eens verder gaan verdiepen in zonnepanelen.
Volgens mij is het voor ons (Duitsland) nu helemaal niet interessant. Salderen bestaat hier niet en je krijgt ~12cent (ongeveer) per opgeleverde kWh. Omdat we allebei vooral 's avonds thuis zijn zou dat betekenen dat we nog altijd veel moeten afnemen van de leverancier en dus ook enorm veel zouden moeten leveren om quitte te spelen.... óf een accu moeten nemen.
Het bedrag dat je per kWh krijgt leg je als je nu inschrijft vast voor 20 jaar, terwijl de stroomprijs de laatste 15 jaar gemiddeld met ~3% gestegen is.
Bij ons huidige verbruik van 3600 kWh zou ik iets van 8000 kWh moeten leveren om het een beetje interessant te houden, Vanavond nog maar eens narekenen. Misschien is het interessant met zo'n accu erbij maar dan moet je die 5k aanschaf weer zien terug te verdienen.
Weet iemand hoelang die accu's ongeveer meegaan? Zou namelijk wel zuur zijn als je die na 5 of 10jaar alweer moet afschrijven.
De accu in de Tesla automobiel gaan misschien wel 20 jaar lang mee maar wordt veel korter per dag gebruikt: 4 uren rijden 4 uren laden dat is dus 8 uren per dag, de accu in de PowerWall gaat dus naar mijn inschatting niet langer mee dan 7 jaar alvorens de capaciteit te laag is geworden.
Reken dán maar eens uit wat 1 KWh PowerWall stroom kost...

20x JA Solar 6.9KW; Fronius Symo 7.0; Panasonic J Mono 7KW; Atlantic Explorer V3
Deels waar denk ik, de vermogens die dagelijks door een powerwall gaan zijn dan ook weer een fractie tov wat gebruikt wordt met rijden.frisianstar schreef op maandag 10 februari 2020 @ 19:49:
[...]
Zo'n thuis accu (Tesla PowerWall) wordt continu ingezet, opladen en ontladen, 24 uur 365 dagen per jaar.
De accu in de Tesla gaan misschien wel 20 jaar lang mee maar wordt veel korter per dag gebruikt: 4 uren rijden 4 uren laden dat is dus 8 uren per dag, de accu in de PowerWall gaat dus naar mijn inschatting niet langer mee dan 7 jaar alvorens de capaciteit te laag is geworden.
Reken dán maar eens uit wat 1 KWh PowerWall stroom kost...![]()
Ik heb toen zelf de rails ge-aard, door via de dakhaken te aarden (click-fit EVO), recent zijn bij de panelen op het dak ook de rails ge-aard, maar ik heb niet gevraagd hoe ze dat gedaan hebben, de aarddraad die ze gebruikt hebben is flex draad, dus ik denk dat ze de draad met een kabelschoentje met een ringetje direct aan de rails hebben geschroefd.Andrehj schreef op maandag 10 februari 2020 @ 19:38:
[...]
Thanks. Dat roept gelijk weer vragen op:
- Zijn de panelen geaard of de rails?
- Je weet niet toevallig welk type kabel er gebruikt is?
- Hoe is de kabel bevestigd aan de rails of panelen? Met kabelschoentjes? Of anders?
3200 Wp OZO+10000 Wp ZZW+3200 Wp WNW - Daikin 4MXM68N + 3 x FTXM20M2V1B + FTXA50A2V1BT - Vaillant AroTherm 125/5 & Boiler VIH RW 300/3 MR
Dit topic is gesloten.
Dit is een algemeen topic met als scope "opwekken met pv". Kijk voordat je een vraag stelt altijd in de topicstart, daar staat veel info in.
~[font size=20]~[bgcolor=white]Eigen offertes / specifieke situaties horen in een eigen topic~[/bgcolor]~[/font].

Hier een berichtje maken en verwijzen naar je eigen topic is ok.
elektrapraat (kabeltjes, zekeringen, etc) kan hier: Het grote topic voor Elektra huisinstallaties - Deel 1
opscheppen over je productie? dat kan hier: Topicreeks: Het grote "jouw productie" topic
Precies je opbrengst loggen? Dat kan op: Datalogging: PV systemen
Loggen naar PV output? hier: PVOutput info en discussie of opmerkingen topic
en hoe zit het dan met de BTW? Nieuws: Zonnepanelen en de btw