De APU levert in de A320 geen druk op het systeem (enkel electriciteit en lucht). Er zijn wel 2 electrische pompen aanwezig (en nog een RAT, kleine turbine).4POX schreef op vrijdag 16 augustus 2019 @ 10:04:
Ik lees het verhaal over dubbele motor problemen. Maar ieder vliegtuig heeft toch een kleine derde motor die als taak heeft om energie te leveren. Kan je die motor tijdens problemen aanzetten om extra hydrolische druk te krijgen?
De motoren hoeven niet veel vermogen te leveren om voor druk te zorgen.
APU starten is in dit geval altijd een goed idee, maar het ging zo snel dat-ie waarschijnlijk nieteens op bedrijfssnelheid gekomen was.
Ik bespeur hier een zekere mate van onethische logica.
Ik las dat ze niet hoger zijn gekomen dan 750ft? Ik gok dat die zeer beperkte hoogte de verklaring is waarom ze met gear up in het veld terecht zijn gekomen.Bolk schreef op vrijdag 16 augustus 2019 @ 10:23:
[...]
APU starten is in dit geval altijd een goed idee, maar het ging zo snel dat-ie waarschijnlijk nieteens op bedrijfssnelheid gekomen was.
One day I will solve my problems with maturity. Today however, it will be Margaritas
De APU levert alleen luchtdruk en electra. Hydraulische druk kan door elektrische pompen gedaan worden, levert vaak wel minder druk.4POX schreef op vrijdag 16 augustus 2019 @ 10:04:
Ik lees het verhaal over dubbele motor problemen. Maar ieder vliegtuig heeft toch een kleine derde motor die als taak heeft om energie te leveren. Kan je die motor tijdens problemen aanzetten om extra hydrolische druk te krijgen?
In dit geval draaide 1 motor nog half en dat is denk ik ruim voldoende om elektra, luchtdruk (voor airco etc.) en hydraulische druk te leveren.
Ik kan me dan ook heel goed voorstellen dat die copiloot, zodra duidelijk was dat er geland moest worden, de vraag heeft gesteld aan de piloot of het landingsgestel omlaag moest of niet. Dan zou het antwoord wel eens nee geweest kunnen zijn om al eerder genoemde redenen.
Dat dacht ik ook te lezen, maar Bolk leest iets anders (en Bolk weet iets meer van de A320 dan ikFastFred schreef op vrijdag 16 augustus 2019 @ 10:59:
[...]
In dit geval draaide 1 motor nog half en dat is denk ik ruim voldoende om elektra, luchtdruk (voor airco etc.) en hydraulische druk te leveren.
Kan het niet zo zijn dat een motor na het eten van wat vogels nog wel goed genoeg draait voor electra etc, maar niet genoeg vermogen heeft om hoogte te houden?Bolk schreef op donderdag 15 augustus 2019 @ 21:08:
[...]
Dat zou echt heel vreemd zijn. Dit moet haast wel een dubbele engine failure geweest zijn. Een volgeladen A321 doet het prima op 1 motor (en is ook zo gecertificeerd).
Wat betreft landingsgestel ja/nee. Als je pretty much een zweefvliegtuig bent dan wil je zo min mogelijk luchtweerstand dus laat je het landingsgestel ingeklapt. Dat en als je in een weiland land dan breekt dat landingsgestel gegarandeerd af.
Gear down heeft geen toegevoegde waarde.
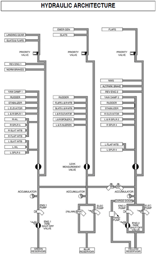
Er zitten 3 hydraulische systemen in een A320, een groene, gele en blauwe.
Groen wordt onder druk gezet door de linker motor, geel door de rechter en blauw door een electrische pomp. Het blauwe systeem is volledig los van de andere 2 systemen.
De PTU (Power Transfer Unit) kan druk van het groene naar het gele systeem overbrengen, deze werkt niet in de take-off fase maar pas na 1500'. Tijdens de landing zie je op de video enkel spoilers 3 en 5 bewegen (3 = blauwe systeem, 5 = groen). Dit is een indicatie dat ze low pressure hadden in het gele systeem (= engine 2, rechts) en geen beschikking over de PTU.
Als we op basis van de video aannemen dat het groene systeem nog werkte (= engine 1, links) gaat alle druk van het systeem via een priority valve naar de flight controls. Flaps en gear hebben geen prioriteit.
Het is vanzelfsprekend dat de landing gear een behoorlijke hoeveelheid druk nodig heeft om goed te kunnen werken, al is neerwaarts minder belastend dan omhoog uiteraard. Mocht er een pressure issue zijn, dan zal de landing gear in ieder geval traag geweest zijn. Daarnaast heb je ook nog de 'gravity freefall' (op basis van zwaartekracht) mogelijkheid, door middel van een hendel in de cockpit. Het landingsgestel an sich zou dus geen issue moeten zijn. Landen met een landingsgestel dat niet fully down en locked is is wellicht ook niet het beste idee: mogelijk was er gewoonweg niet genoeg tijd. Ook zie ik nog een sloot voorbij komen in de drone video vanuit de lucht. Allemaal redenen om geen landingsgestel te gebruiken. Of het een bewuste keuze was horen we snel genoeg maar tijdsdruk zal in ieder geval een grote rol spelen.
Let op: het geluid in de video zegt niets over welke engine er aan het stallen was (dat zou best wel eens de linker geweest kunnen zijn om dat er nog druk was in het groene systeem). Wellicht deed rechts helemaal niets meer.
Allemaal aannames dit maar hopelijk wel een beetje verduidelijking van het systeem in de A320.
Ja. Je hoort de motor stallen (pulserende geluid). Dat zou voldoende moeten zijn voor hydraulics. Electra wordt mogelijk wel kritisch. De RAT zal iig electra (en blue hydraulics) automatisch overnemen als beide generatoren eraf vallen en de APU niet online is. Samen met het blauwe systeem kun je blijven vliegen (of in dit geval gliden).MBV schreef op vrijdag 16 augustus 2019 @ 11:19:
[...]
Dat dacht ik ook te lezen, maar Bolk leest iets anders (en Bolk weet iets meer van de A320 dan ik):
[...]
Kan het niet zo zijn dat een motor na het eten van wat vogels nog wel goed genoeg draait voor electra etc, maar niet genoeg vermogen heeft om hoogte te houden?
Ik bespeur hier een zekere mate van onethische logica.
Ik denk niet, dat de RAT gebruikt is, sinds Sully op de Hudson is geland, is met stip op nummer 1 in het geval van uitval van alle motors het starten van de APU.Bolk schreef op vrijdag 16 augustus 2019 @ 11:30:
[...]
Ja. Je hoort de motor stallen (pulserende geluid). Dat zou voldoende moeten zijn voor hydraulics. Electra wordt mogelijk wel kritisch. De RAT zal iig electra (en blue hydraulics) automatisch overnemen als beide generatoren eraf vallen en de APU niet online is. Samen met het blauwe systeem kun je blijven vliegen (of in dit geval gliden).
The problem with common sense is that sense never ain't common - From the notebooks of Lazarus Long
GoT voor Behoud der Nederlandschen Taal [GvBdNT
Welk hydraulisch systeem wordt powered door de APU bij een Airbus?Bolk schreef op vrijdag 16 augustus 2019 @ 11:30:
Ik ga er vanuit dat de hydraulische discussie over wel/geen landing gear gaat.
Er zitten 3 hydraulische systemen in een A320, een groene, gele en blauwe.
[Afbeelding]
Groen wordt onder druk gezet door de linker motor, geel door de rechter en blauw door een electrische pomp. Het blauwe systeem is volledig los van de andere 2 systemen.
De PTU (Power Transfer Unit) kan druk van het groene naar het gele systeem overbrengen, deze werkt niet in de take-off fase maar pas na 1500'. Tijdens de landing zie je op de video enkel spoilers 3 en 5 bewegen (3 = blauwe systeem, 5 = groen). Dit is een indicatie dat ze low pressure hadden in het gele systeem (= engine 2, rechts) en geen beschikking over de PTU.
Als we op basis van de video aannemen dat het groene systeem nog werkte (= engine 1, links) gaat alle druk van het systeem via een priority valve naar de flight controls. Flaps en gear hebben geen prioriteit.
Het is vanzelfsprekend dat de landing gear een behoorlijke hoeveelheid druk nodig heeft om goed te kunnen werken, al is neerwaarts minder belastend dan omhoog uiteraard. Mocht er een pressure issue zijn, dan zal de landing gear in ieder geval traag geweest zijn. Daarnaast heb je ook nog de 'gravity freefall' (op basis van zwaartekracht) mogelijkheid, door middel van een hendel in de cockpit. Het landingsgestel an sich zou dus geen issue moeten zijn. Landen met een landingsgestel dat niet fully down en locked is is wellicht ook niet het beste idee: mogelijk was er gewoonweg niet genoeg tijd. Ook zie ik nog een sloot voorbij komen in de drone video vanuit de lucht. Allemaal redenen om geen landingsgestel te gebruiken. Of het een bewuste keuze was horen we snel genoeg maar tijdsdruk zal in ieder geval een grote rol spelen.
Let op: het geluid in de video zegt niets over welke engine er aan het stallen was (dat zou best wel eens de linker geweest kunnen zijn om dat er nog druk was in het groene systeem). Wellicht deed rechts helemaal niets meer.
Allemaal aannames dit maar hopelijk wel een beetje verduidelijking van het systeem in de A320.
[...]
Ja. Je hoort de motor stallen (pulserende geluid). Dat zou voldoende moeten zijn voor hydraulics. Electra wordt mogelijk wel kritisch. De RAT zal iig electra (en blue hydraulics) automatisch overnemen als beide generatoren eraf vallen en de APU niet online is. Samen met het blauwe systeem kun je blijven vliegen (of in dit geval gliden).
Weet niet of dit weleens eerder geopperd is, maar het zou niet verkeerd zijn om de APU te laten draaien tijdens take-off en climb zolang je nog niet echt hoog genoeg zit om eventuele engine re-lights te doen of om uberhaupt de APU te starten in zo'n situatie, want dat kost ook minimaal 1 minuut voordat ie helemaal on-line is en genoeg vermogen levert om de elektrische systemen te kunnen aandrijven.
Kia Niro-EV 2024
Het elektrische (blauw).Freak187 schreef op vrijdag 16 augustus 2019 @ 11:59:
[...]
Welk hydraulisch systeem wordt powered door de APU bij een Airbus?
The problem with common sense is that sense never ain't common - From the notebooks of Lazarus Long
GoT voor Behoud der Nederlandschen Taal [GvBdNT
Geen.Freak187 schreef op vrijdag 16 augustus 2019 @ 11:59:
[...]
Welk hydraulisch systeem wordt powered door de APU bij een Airbus?
Een motor valt niet zomaar uit. De vraag is of je wel een herstart wel proberen, echter bij het uitvallen zal de motor computer zelf proberen de motor weer te starten.Weet niet of dit weleens eerder geopperd is, maar het zou niet verkeerd zijn om de APU te laten draaien tijdens take-off en climb zolang je nog niet echt hoog genoeg zit om eventuele engine re-lights te doen of om uberhaupt de APU te starten in zo'n situatie, want dat kost ook minimaal 1 minuut voordat ie helemaal on-line is en genoeg vermogen levert om de elektrische systemen te kunnen aandrijven.
Lukt dit niet, dan zul je, als je dat wil, moeten ingrijpen en zelf de motor moeten herstarten, met behulp van de apu (bij voldoende snelheid heb je deze niet nodig, maar we gingen uit van lage hoogte, dus ook lage snelheid).
De procedure is echter iets wat je op lage hoogte niet gaat doen, dan heb je wel wat beters te doen. Ofwel op de andere motor vliegen en klimmen, dan wel zonder motoren een noodlanding maken.
Eens, maar laat ik het even in een perspectief gieten. Ook Sully en Skiles hadden tijd nodig om te realiseren wat er aan de hand was. Zij hadden het 'makkelijker' vanwege de hoogte die ze hadden.Freee!! schreef op vrijdag 16 augustus 2019 @ 11:47:
[...]
Ik denk niet, dat de RAT gebruikt is, sinds Sully op de Hudson is geland, is met stip op nummer 1 in het geval van uitval van alle motors het starten van de APU.
De luchtvaart is ingesteld op procedures en engine failures tijdens take-off worden zwaar getrained. Ik kan je bij voorbaat zeggen: er is geen procedure voor een dual engine failure op hetzelfde moment bij het passeren van 700 voet. De hoogte die ze hadden was zeer gering.
Op het moment dat dit mis ging is er 1 regel: fly the aircraft (aviate, navigate, communicate). En dat hebben ze uitstekend gedaan.
Maar alles eromheen: communiceren met je collega, constateren van het probleem, een beslissing maken, de de beslissing volgen, communiceren met ATC, communiceren met cabine, etc. etc kost gewoonweg tijd. En uiteindelijk was de tijd op.
Het is makkelijk om als buitenstaander te zeggen: start APU, flaps 3, gear down, look for a field en brace for impact. De realiteit is dat dit hele scenario aankomt airmanship.
Ik bespeur hier een zekere mate van onethische logica.
Prima, maar je antwoord niet op mijn vraag. Als de APU draait tijdens zo'n situatie (weinig hoogte, weinig snelheid) dan heb je in ieder geval de meeste resources beschikbaar om je flight controls te gebruiken. Maar de APU wordt na engine start uitgezet, terwijl je die (in dit soort situaties) eigenlijk erbij wilt hebben. Zoveel verbruikt een APU niet aan brandstof, die paar minuten extra. Tevens is het ook beter voor de APU als die wat langere cycles maakt dan alleen 20 minuten pushback en engine start, dat is ook funest voor dat ding.Fly-guy schreef op vrijdag 16 augustus 2019 @ 12:38:
[...]
Geen.
[...]
Een motor valt niet zomaar uit. De vraag is of je wel een herstart wel proberen, echter bij het uitvallen zal de motor computer zelf proberen de motor weer te starten.
Lukt dit niet, dan zul je, als je dat wil, moeten ingrijpen en zelf de motor moeten herstarten, met behulp van de apu (bij voldoende snelheid heb je deze niet nodig, maar we gingen uit van lage hoogte, dus ook lage snelheid).
De procedure is echter iets wat je op lage hoogte niet gaat doen, dan heb je wel wat beters te doen. Ofwel op de andere motor vliegen en klimmen, dan wel zonder motoren een noodlanding maken.
Kia Niro-EV 2024
Hij reageert wel op het noodzakelijk zijn: zodra de motoren uitvallen geeft de RAT genoeg vermogen om blue hydraulics op druk te houden, dus daarvoor voegt het niet toe. En het landingsgestel kan je handmatig laten vallen, dus ook daar geen probleem.Freak187 schreef op vrijdag 16 augustus 2019 @ 13:52:
[...]
Prima, maar je antwoord niet op mijn vraag. Als de APU draait tijdens zo'n situatie (weinig hoogte, weinig snelheid) dan heb je in ieder geval de meeste resources beschikbaar om je flight controls te gebruiken.
[...]
Een RAT op die hoogte en die snelheid... hoeveel zal die genereren? APU levert 60-90 Kilowatt, steady.MBV schreef op vrijdag 16 augustus 2019 @ 14:25:
[...]
Hij reageert wel op het noodzakelijk zijn: zodra de motoren uitvallen geeft de RAT genoeg vermogen om blue hydraulics op druk te houden, dus daarvoor voegt het niet toe. En het landingsgestel kan je handmatig laten vallen, dus ook daar geen probleem.
Maar goed, het is maar een idee hoor. Maar de bestuurbaarheid van een vliegtuig in een dergelijke situatie wordt gegarandeerd met een APU. Na US Airways op de Hudson en nu deze, moet je je afvragen of je zoiets zou willen.
Kia Niro-EV 2024
Je flight controls doen het prima bij een dubbele enginefailure. Meteen wordt de RAT opgestart en in de tussentijd werken de batterijen (voor een bepaalde tijd).Freak187 schreef op vrijdag 16 augustus 2019 @ 13:52:
[...]
Prima, maar je antwoord niet op mijn vraag. Als de APU draait tijdens zo'n situatie (weinig hoogte, weinig snelheid) dan heb je in ieder geval de meeste resources beschikbaar om je flight controls te gebruiken. Maar de APU wordt na engine start uitgezet, terwijl je die (in dit soort situaties) eigenlijk erbij wilt hebben. Zoveel verbruikt een APU niet aan brandstof, die paar minuten extra. Tevens is het ook beter voor de APU als die wat langere cycles maakt dan alleen 20 minuten pushback en engine start, dat is ook funest voor dat ding.
De apu draagt daar op zich niets aan bij, deze levert geen hydraulische druk voor de controls.
Wat wel helpt is dat allerlei minder essentiële systemen gevoed kunnen worden door de apu, maar die voegen op zich weinig toe aan de situatie die je hebt bij een dubbele motor storing.
Gezien het feit dat de apu weinig bijdraagt aan het oplossen van zo'n tijdskritieke situatie heeft het laten draaien ook weinig nut.
Mogelijk ontstaat de verwarring over de melding van elektrische pompen. Deze worden echter niet gebruikt om op die manier flaps of gear te bedienen, ook niet bij een dubbele motorstoring. Ze hebben hun eigen logica en werking en kunnen, indien gebruikt tegen de procedures in, eerder problemen veroorzaken dan oplossen.
En statistisch gesproken, hoe vaak komt zo'n double engine failure voor en hoeveel brandstof ben je ondertussen aan het verbruiken van engine start tot pak hem beet 5 minuten na takeoff in alle vluchten die GEEN double engine failure ondervinden? Let op dat engine start tot takeoff zo even 15-20 minuten kan zijn op de grotere vliegvelden.Freak187 schreef op vrijdag 16 augustus 2019 @ 13:52:
[...]
Zoveel verbruikt een APU niet aan brandstof, die paar minuten extra. Tevens is het ook beter voor de APU als die wat langere cycles maakt dan alleen 20 minuten pushback en engine start, dat is ook funest voor dat ding.
Komt volgende week naar AELS.
Ze zijn daar bij AELS blijkbaar fan van de Airbus A330/340..Piet91 schreef op vrijdag 16 augustus 2019 @ 21:15:
Er komt weer een Airbus A330 naar Twente. Nu een 21 jaar oude A330-200 OO-SFY van Brussel Airlines.
Komt volgende week naar AELS.
[Afbeelding]
Ik denk eerder andersom? Dat ze van airbus (inclusief de leasemaatschappijen) weten dat de vliegtuigen daar met een relatief goed rendement herwonnen kunnen worden.gop1 schreef op zaterdag 17 augustus 2019 @ 00:08:
[...]
Ze zijn daar bij AELS blijkbaar fan van de Airbus A330/340..
I´d rather be a hypocrite than the same person forever (Yauch)| 🎸 Niets is zo permanent als een tijdelijke oplossing | Een goed probleem komt nooit alleen | Gibson guitar Fender Guitar God Damn Guitar
Juist niet, anders sloop je ze niet.gop1 schreef op zaterdag 17 augustus 2019 @ 00:08:
[...]
Ze zijn daar bij AELS blijkbaar fan van de Airbus A330/340..
Indien er een mogelijkheid is voor een onderschrift, dient deze getoond te worden.
https://twitter.com/PlanesAtPaine/status/1162583349354885120
Zeker. Verder hebben ze veel geluk gehad dat er geen brand was uitgebroken.CaptJackSparrow schreef op donderdag 15 augustus 2019 @ 14:42:
[...]
Dat het goed is afgelopen zou je mogen zien als een bevestiging van de juistheid van die keuze.
Goed gedaan jochie.
Er zijn in het verleden genoeg noodlandingen geweest waarbij iedereen de klap wel overleeft, maar later alsnog omkomt vanwege rookinhalatie.There was no fuel spill, says the ministry, and while there was "smoke" from the starboard engine, there was no "open fire".
De piloten hebben meteen ook een zeer hoge (de hoogste) onderscheiding gekregen van Poetin himself.
Ze hebben er twee "Helden van Rusland" bij.
Bron: https://twitter.com/AeronewsRO/status/1163121911934652417
Geen passagiers gewond? Of heeft het landingsgestel zo'n klap dan nog redelijk op kunnen vangen?
Indien er een mogelijkheid is voor een onderschrift, dient deze getoond te worden.
Ik denk dat het een bewuste keuze is geweest. Als het landingsgestel uitgeklapt was geweest heb je meer kans dat het door de vleugel(s) heen gaat en dus ook brandstof tanks, met alle gevolgen vandien.mystic schreef op vrijdag 16 augustus 2019 @ 10:38:
[...]
Ik las dat ze niet hoger zijn gekomen dan 750ft? Ik gok dat die zeer beperkte hoogte de verklaring is waarom ze met gear up in het veld terecht zijn gekomen.
https://valid.x86.fr/xhfd5e

F-WLXV A350-1000 back from route proving flight by @Eurospot, on Flickr

F-WLXV Airbus A350-1000 Air Caraibes by @Eurospot, on Flickr
Ik snap die logica niet (op eerdere pagina's ook langsgekomen). Het landingsgestel is toch gemaakt om klappen op te vangen, de rest van de vleugel hoort toch niet op de grond te komen? Het lijkt mij makkelijker voor het landingsgestel dan voor de motor.Badtothebone schreef op zondag 18 augustus 2019 @ 23:29:
[...]
Ik denk dat het een bewuste keuze is geweest. Als het landingsgestel uitgeklapt was geweest heb je meer kans dat het door de vleugel(s) heen gaat en dus ook brandstof tanks, met alle gevolgen vandien.
Dit natuurlijk los van de tijd die de crew had, je kan hem beter netjes op de grond zetten dan druk bezig zijn met het landingsgestel
Het nadeel van het uitklappen van het landingsgestel is dat dit de drag van het vliegtuig vergroot en met een hogere drag is het vliegtuig eerder op de grond. Dit geeft piloten minder tijd om na te denken en te handelen naar de onverwachte situatie. Laten ze het landingsgestel ingeklapt dan hebben ze zo extra tijd. In deze extra tijd kunnen ze bijvoorbeeld de procedure starten om te brandstoftoevoer af te sluiten naar de motoren om de kans op brand na de landing te verkleinenmystic schreef op vrijdag 16 augustus 2019 @ 10:38:
[...]
Ik las dat ze niet hoger zijn gekomen dan 750ft? Ik gok dat die zeer beperkte hoogte de verklaring is waarom ze met gear up in het veld terecht zijn gekomen.
Vanmorgen even voor 10 uur in Twente geland.Piet91 schreef op vrijdag 16 augustus 2019 @ 21:15:
Er komt weer een Airbus A330 naar Twente. Nu een 21 jaar oude A330-200 OO-SFY van Brussel Airlines.
Komt volgende week naar AELS.
[Afbeelding]
https://www.flightradar24.com/data/aircraft/oo-sfy#21c09227
Kon hem niet goed zien tussen de bomen door, maar leek een viermotorig oudje en klonk heerlijk
Wel evenement in Ede as weekend met een B17 zo te zien.
Jep: https://www.flightradar24.com/GBEDF/21c13afchjs schreef op maandag 19 augustus 2019 @ 14:14:
Vloog er nu net een B17 over in de omgeving van Dalfsen?
Kon hem niet goed zien tussen de bomen door, maar leek een viermotorig oudje en klonk heerlijk
Wel evenement in Ede as weekend met een B17 zo te zien.
G-BEDF. Heeft haar eigen Wikipedia-pagina: Wikipedia: Sally B
G-BEDF / 124485 by David Whitworth, on Flickr
[ Voor 7% gewijzigd door Piet91 op 19-08-2019 14:44 ]
Nee, landingsgestel blijft niet steken want er zitten shear pins in de constructie (net zoals bij de motoren overigens) dat als de kracht te groot wordt, de constructie zo netjes mogelijk afscheurt bij die shear pins.ASW1 schreef op maandag 19 augustus 2019 @ 10:51:
Als je in een akker landt is de ondergrond simpelweg te zacht je zult nooit op het landingsgestel gaan rollen. Wanneer je in zo'n maisveld landt weet ik wel zeker dat je beter af bent zonder landingsgestel dan met. Landingsgestel kan ook maar krachten tot een bepaalde grens aan zodra het blijft steken in de grond breekt het af met zware schade of breken van de vleugel.
Kia Niro-EV 2024
I accept no liability for the content of this post, or for the consequences of any actions taken on the basis of the information provided.
Klopt, Wings of Freedom. Zie wildhagen in "Vliegen, Techniek en achtergrond"hjs schreef op maandag 19 augustus 2019 @ 14:14:
Wel evenement in Ede as weekend met een B17 zo te zien.
https://www.vliegshowede.nl/
Komen wel meer leuke kisten, zie https://www.vliegshowede.nl/nl/programma/vliegtuigen
Naast die Boeing B-17 ook nog Meserschmitt Bf-109's, wat P-51 Mustangs, een aantal Supermarine Spitfires, wat Hawker Hurricanes, een North American B-25 Mitchell, wat Sovjet-spul uit die tijd en later (Antonov An-2, Yakovlev Yak-52, Sukhoi Su-26, Sukhoi Su-29 etc). Aardig lijstje dus.
Ik ga er iig ook bij zijn, heb mijn kaartjes al binnen
[ Voor 5% gewijzigd door wildhagen op 19-08-2019 16:21 ]
Virussen? Scan ze hier!
Zag die Fokker S11-en nog staan in de T2 hangar op Aviodrome.
Leuk dat je dat weet, maar gaat wel rechtstreeks in tegen het advies of zelfs opdracht van de fabrikant.ASW1 schreef op maandag 19 augustus 2019 @ 10:51:
Als je in een akker landt is de ondergrond simpelweg te zacht je zult nooit op het landingsgestel gaan rollen. Wanneer je in zo'n maisveld landt weet ik wel zeker dat je beter af bent zonder landingsgestel dan met. Landingsgestel kan ook maar krachten tot een bepaalde grens aan zodra het blijft steken in de grond breekt het af met zware schade of breken van de vleugel.
Waarbij must staat voor: the application of a instructions or procedure is mandatory.If the flight crew expects a forced landing, they must extend the landing gear to absorb some energy at touchdown, even if the landing is planned out of a runway
Uiteraard kunnen er talloze redenen zijn om het alsnog niet te doen, maar in tegen de fabrikant in te gaan vergt wel een betere reden dan dat je het zeker weet dat het beter is om niet te doen.
Ik heb zelf mijn vliegbrevet en ben zeer grondig getrained op noodsituaties, maar elke situatie is anders en de inschatting op dat moment van de piloot/piloten zorgt voor de acties die daarop volgen.
/post
Uiteraard geldt als het niet gaat zoals het moet, dan moet het maar zoals het gaat.Sand0rf schreef op dinsdag 20 augustus 2019 @ 07:52:
Of het nou moet of niet moet, de ondergrond geschikt was of niet. Wij zaten niet achter de side stick in dat vliegtuig, die piloten hebben in een paar seconde een beslissing moeten maken wat ze moesten doen met de summiere informatie die ze op dat moment hadden. Ze hebben dat vliegtuig perfect op de grond weten te krijgen en daarvoor hulde.
Ik heb zelf mijn vliegbrevet en ben zeer grondig getrained op noodsituaties, maar elke situatie is anders en de inschatting op dat moment van de piloot/piloten zorgt voor de acties die daarop volgen.
Echter, helaas, is het niet zo simpel als eind goed, al goed.
Bij de crash in de Hudson bleek alweer dat er bij de afwikkeling talloze vragen, beschuldigingen en seconde gueses kwamen.
Waarom bijvoorbeeld het water en niet meteen naar een vliegveld?
Uiteindelijk heeft het veel moeite, tijd en stress gekost om het gelijk van de crew aan te tonen, maar steeds vaker blijkt het opvolgen van de procedures en adviezen van de fabrikant toch de beste weg, tenzij je een goed verhaal hebt (nood breekt wet immers).
En ik hoop dat je er nooit achter komt, maar ook in Nederland staat het OM soms als eerste bij je machine na een dingetje en dan kan het best een lastig verhaal worden, zeker als je moet uitleggen waarom je afgeweken bent van de procedures.
En helaas blijken veel incidenten toch ook veroorzaakt te worden door mensen die toch afwijken van die procedures om de verkeerde redenen of met verkeerde kennis.
Ik zou daarom ook eerst met het OVV praten. Het OM komt gelukkig in Nederland pas in beeld bij grove nalatigheid.Fly-guy schreef op dinsdag 20 augustus 2019 @ 08:51:
[...]
Uiteraard geldt als het niet gaat zoals het moet, dan moet het maar zoals het gaat.
Echter, helaas, is het niet zo simpel als eind goed, al goed.
Bij de crash in de Hudson bleek alweer dat er bij de afwikkeling talloze vragen, beschuldigingen en seconde gueses kwamen.
Waarom bijvoorbeeld het water en niet meteen naar een vliegveld?
Uiteindelijk heeft het veel moeite, tijd en stress gekost om het gelijk van de crew aan te tonen, maar steeds vaker blijkt het opvolgen van de procedures en adviezen van de fabrikant toch de beste weg, tenzij je een goed verhaal hebt (nood breekt wet immers).
En ik hoop dat je er nooit achter komt, maar ook in Nederland staat het OM soms als eerste bij je machine na een dingetje en dan kan het best een lastig verhaal worden, zeker als je moet uitleggen waarom je afgeweken bent van de procedures.
En helaas blijken veel incidenten toch ook veroorzaakt te worden door mensen die toch afwijken van die procedures om de verkeerde redenen of met verkeerde kennis.
In Frankrijk bijvoorbeeld, werk je wel lekker mee aan je vervolging als je de waarheid spreekt bij het onderzoek.
Bron: https://www.om.nl/@86185/aanwijzing-opsporing/
Nog wat mooie close-up shots:XWB schreef op zaterdag 17 augustus 2019 @ 13:11:
Boeing heeft een 787-9 in speciaal kleurenschema uitgerold. Vooralsnog is niet duidelijk welke rol dit toestel gaat spelen, maar hij is in elk geval niet voor een klant bestemd.
[Afbeelding]
https://twitter.com/PlanesAtPaine/status/1162583349354885120

Boeing 787-9, Boeing, N1015B, LN891 by Huy Do, on Flickr

Boeing 787-9, Boeing, N1015B, LN891 by Huy Do, on Flickr
Ondertussen bekend waarom:XWB schreef op zaterdag 17 augustus 2019 @ 13:11:
Boeing heeft een 787-9 in speciaal kleurenschema uitgerold. Vooralsnog is niet duidelijk welke rol dit toestel gaat spelen, maar hij is in elk geval niet voor een klant bestemd.
[Afbeelding]
https://twitter.com/PlanesAtPaine/status/1162583349354885120
http://www.boeing.com/fea...s-take-flight-08-19.page/Special livery celebrating the Employees Community Fund showcases largest decal ever tested on a composite aircraft
The 787 program is certifying the largest full-body decal ever tested on a composite aircraft. If certified, the technology will offer airline customers new opportunities to promote their brand on the 787 Dreamliner through the creative use of photographs, complex multicolor graphics, logos, and various specific finishes with the same durability as paint.
“For us, choosing a livery design to test was easy – our employees that donate to the Employees Community Fund inspire us, and we wanted to do something special for them,” said Brad Zaback, vice president and general manager for the 787 program.

Qantas gaat ter voorbereiding van "Project Sunrise" drie 787-9 delivery vluchten via Londen en New York uitvoeren.
In oktober, november en december van dit jaar zal 1 nieuwe 787-9 vanuit Seattle naar Londen gevlogen waarna die rechtstreeks naar Sydney zal gaan en 2 nieuwe 787-9's zullen vanuit Seattle naar New York gevlogen worden waarna ze vanuit JFK rechtstreeks naar Sydney gaan.
De geschatte vliegduur zit op zo'n 19 uur.
Het zijn onderzoeksvluchten om te zien wat dergelijk lange vluchten met de passagiers en crew doet.
Er gaan dus ook geen betalende passagiers mee; alleen zo'n 40 Qantas medewerkers die ook onderzocht worden op effecten van deze lange vluchten.
Dit zullen de eerste non-stop vluchten ooit worden tussen New York en Sydney, en de tweede keer voor de vluchten tussen Londen en Sydney; de eerste keer was in 1989 toen Qantas hun eerste 747-400 (VH-OJA) in ontvangst nam en deze ook op de delivery flight rechtstreeks van Londen naar Sydney werd gevlogen; meer over die record-breaking vlucht hier: Piet91 in "Het Luchtvaart Topic - Deel 3"
Eind dit jaar zal Qantas beslissen of "Project Sunrise' überhaupt zal doorgaan en zo ja; met welke toestellen.
[ Voor 32% gewijzigd door Piet91 op 22-08-2019 22:59 ]
Aangezien de ULR 777-8 in de ijskast staat gaat Boeing een 777-9 met verminderde payload aanbieden:Piet91 schreef op donderdag 22 augustus 2019 @ 13:43:
Eind dit jaar zal Qantas beslissen of "Project Sunrise' überhaupt zal doorgaan en zo ja; met welke toestellen.
Airbus zal vermoedelijk een (nog te ontwikkelen) A350-1000 ULR aanbieden.Boeing is to offer Qantas its larger 777X-9 for delivery in 2021 to launch its Project Sunrise non-stop flights from New York and London to Sydney as an interim solution suggest sources in the US.
The US manufacturer has slowed the development of its longer-ranged 777X-8 and will compensate Qantas for operating the larger 777X-9 with reduced payload to meet the range mission with just below 300 passengers.
Het is een discussie die ook al eens in het andere topic is gevoerd.Piet91 schreef op donderdag 22 augustus 2019 @ 13:43:
De geschatte vliegduur zit op zo'n 19 uur.
Zelf vlieg ik business en Qantas heeft een prima business in de 787. Maar zelfs dan zou ik de vlucht niet nemen. In de economy stoelen zou ik nog niet gaan zitten als ik er voor betaalt zou worden.
Nou heeft iedereen andere voorkeuren, maar ik ben benieuwd of ze hem vol krijgen.
Iemand die voor de werkgever reist, krijgt je er technisch voor betaald tochPWM schreef op donderdag 22 augustus 2019 @ 14:20:
[...]
In de economy stoelen zou ik nog niet gaan zitten als ik er voor betaalt zou worden.
https://twitter.com/airpl...tatus/1164478748286230528
https://twitter.com/flightradar24/status/1164310607891484672
Gezien de omvang van de GE9X motor werd hiervoor een Antonov AN-124 gecharterd.
De reden hiervoor is al eerder behandeld in dit topic, maar mocht je het gemist hebben:
GE Aviation is recalling four GE9X powerplants from Boeing to address a previously disclosed engine compressor issue that already forced Boeing to delay the 777X's first flight
Doet pijn aan je ogen om een Spitfire zo te zien. Die zal wel enige tijd niet kunnen vliegen en gemist worden bij een aantal herdenkingen de komende tijd.
Opvallend dat KLM 'steeds' uitlopende modellen besteld. Zo ook de 737-800's van dit jaar (wat achteraf natuurlijk een enorme meevaller bleek te zijn) en nu dit. Wat is de gedachte hierachter?Piet91 schreef op donderdag 22 augustus 2019 @ 20:03:
Het was al een tijdje bekend, maar nu duiken de media er ook op; KLM heeft 2 extra Boeing 777-300ER's besteld, te worden geleverd in november en december 2020. Registraties worden PH-BVV en PH-BVW
Do not throw Rubbish at the platform | Front Pro eigen foto's in een topic
Kan van alles zijn:gop1 schreef op donderdag 22 augustus 2019 @ 22:21:
Opvallend dat KLM 'steeds' uitlopende modellen besteld. Zo ook de 737-800's van dit jaar (wat achteraf natuurlijk een enorme meevaller bleek te zijn) en nu dit. Wat is de gedachte hierachter?
- Mogelijk hebben ze de capaciteit nu/snel nodig. Een 777-300ER kunnen ze dus in een jaar krijgen; rond de levering van deze 2 777's wordt mo-ge-lijk pas de eerste(!) 777X geleverd aan de launch customer.
(En aangezien de A350 niet naar KLM komt is de 777X het enig 'nieuw' alternatief voor de -300ER)
- Nu een -300ER bestellen/leasen is (stukken) goedkoper dan een 777X.
- Alles is bekend en ervaring bij de -300ER. Twee nieuwe kunnen zo in de operatie opgenomen worden.
En nog wel een zooitje redenen waarom, maar ook wel een zooitje redenen waarom niet.
Een afweging die KLM mag maken.
De hele hype van A350 en 777X is leuk; maar toestellen als de -300ER kunnen nog prima decennialang mee.
En met de vertragingen van de 777X zijn nog meer orders van andere airlines voor de -300ER niet ondenkbaar.
[ Voor 9% gewijzigd door Piet91 op 22-08-2019 23:10 ]
Valt zo te zien gelukkig wel mee. Lijkt me niet 'beyond repair'. Dit soort akkefietjes kwamen waarschijnlijk ook al 75 jaar geleden wel eens voor toen die kisten nog nieuw waren, dus je zou bijna kunnen zeggen dat het 'erbij hoort'.sbijlsma schreef op donderdag 22 augustus 2019 @ 18:26:
https://www.omroepzeeland...-vliegveld-Midden-Zeeland
Doet pijn aan je ogen om een Spitfire zo te zien. Die zal wel enige tijd niet kunnen vliegen en gemist worden bij een aantal herdenkingen de komende tijd.
Alles wat nu nog 'nieuw' is bij Boeing zou wel eens met een even nieuwe extra kritische blik bekeken kunnen gaan worden door de FAA aangezien die zelf ook met die kritische blik bekeken wordt na hun falend toezicht bij de Max. Dat zal dan al heel snel extra vertragingen gaan opleveren dus als je het snel wilt hebben kun je maar beter iets nemen dat een beetje meer 'uitgerijpt' is en zich al grondig bewezen heeft.upclocker schreef op donderdag 22 augustus 2019 @ 23:29:
En kinderziektes. Kijk natuurlijk bijvoorbeeld naar de MAX.
Kinderziektes zijn eruit, redelijke snel leverbaar en ze kunnen vaak nog wel aardige kortingen krijgen. KLM is nooit een maatschappij geweest die voorop liep bij nieuwe toestellen. En als ze uit de voeten kunnen met de 'oude' 777 dan geef ik ze geen ongelijk.mambo No5 schreef op donderdag 22 augustus 2019 @ 22:47:
De know-how is er binnen het bedrijf reeds voor de reeds bestaande modellen en personeel omscholen naar een ander type (bijvoorbeeld de 777-X, als deze verkrijgbaar gaat zijn) is geen goedkope grap waar je best een kosten/baten berekening op los mag laten. Kennelijk is het voor KLM aantrekkelijk om nog 2 stuks aan te schaffen van de bestaande modellen (al dan wel niet me een extra korting?) dan voor een nog niet getest model te gaan.
/post
Die dingen zijn gemaakt om tegen een stootje te kunnen, een landing op een grasveld doet ze weinig lijkt me. Vleugel fixen, uitzoeken waarom het landingsgestel links niet uitklapte, nieuwe prop er op en gaan.sbijlsma schreef op donderdag 22 augustus 2019 @ 18:26:
https://www.omroepzeeland...-vliegveld-Midden-Zeeland
Doet pijn aan je ogen om een Spitfire zo te zien. Die zal wel enige tijd niet kunnen vliegen en gemist worden bij een aantal herdenkingen de komende tijd.
Maar dat zal wel niet meer dit weekend worden.
Ze zoeken wat mij betreft op dit moment wel de grenzen op.Sand0rf schreef op vrijdag 23 augustus 2019 @ 08:10:
[...]
Kinderziektes zijn eruit, redelijke snel leverbaar en ze kunnen vaak nog wel aardige kortingen krijgen. KLM is nooit een maatschappij geweest die voorop liep bij nieuwe toestellen. En als ze uit de voeten kunnen met de 'oude' 777 dan geef ik ze geen ongelijk.
Afgelopen weken in de VS geweest. Heen gevlogen met de KLM 747. Bewust voor gekozen omdat ik nog één keer in de Queen of the Skies wilde zitten (waarschijnlijk de laatste keer). Maar die beestjes lopen wel op hun tandvlees hoor
Vloog met m'n kinderen en had (omdat ik het dus privé moet betalen) economy comfort gekozen. Terug vlogen we met een Delta A330-300 waarbij economy comfort helaas al volgeboekt was. Maar qua ruimte zit er op het eerste gezicht geen verschil tussen de 'gewone' economy van Delta en de economy comfort van de KLM.
De overige verschillen waren ook immens. De IFE in de KLM 747 is eigenlijk niet bruikbaar. Er is geen USB aansluiting, geen wifi. Je moet maar raden wat en wanneer er iets van catering komt.
Bij Delta mooie grote IFE schermen (touch screen) met een aanbod waar je ook daadwerkelijk wat aan hebt. Veel nieuwe films en series. Een werkende USB aansluiting en gratis wifi. Aan het begin van de vlucht krijg je een 'programma' wanneer ze met wat langskomen (eten, drinken, handdoekjes).
Hoop niet dat de ervaring die KLM met de 747 biedt representatief is voor de hele maatschappij.
Alonso over het inhalen in 2026: "it’s more of an evasive manoeuvre than an overtake.”
De MAX heeft meer een geboorteafwijking..upclocker schreef op donderdag 22 augustus 2019 @ 23:29:
En kinderziektes. Kijk natuurlijk bijvoorbeeld naar de MAX.
De 747 wordt op dit moment uitgefaseerd (en vervangen voor de 777 die ze dus net hebben besteld) dus de 747 is zeker niet het beste wat KLM momenteel biedt.De IFE van de Delta A330 en de KLM 777 is nagenoeg hetzelfde en wordt allebei gemaakt door Panasonic dacht ik.alexbl69 schreef op vrijdag 23 augustus 2019 @ 10:27:
[...]
Ze zoeken wat mij betreft op dit moment wel de grenzen op.
Afgelopen weken in de VS geweest. Heen gevlogen met de KLM 747. Bewust voor gekozen omdat ik nog één keer in de Queen of the Skies wilde zitten (waarschijnlijk de laatste keer). Maar die beestjes lopen wel op hun tandvlees hoor.
Vloog met m'n kinderen en had (omdat ik het dus privé moet betalen) economy comfort gekozen. Terug vlogen we met een Delta A330-300 waarbij economy comfort helaas al volgeboekt was. Maar qua ruimte zit er op het eerste gezicht geen verschil tussen de 'gewone' economy van Delta en de economy comfort van de KLM.
De overige verschillen waren ook immens. De IFE in de KLM 747 is eigenlijk niet bruikbaar. Er is geen USB aansluiting, geen wifi. Je moet maar raden wat en wanneer er iets van catering komt.
Bij Delta mooie grote IFE schermen (touch screen) met een aanbod waar je ook daadwerkelijk wat aan hebt. Veel nieuwe films en series. Een werkende USB aansluiting en gratis wifi. Aan het begin van de vlucht krijg je een 'programma' wanneer ze met wat langskomen (eten, drinken, handdoekjes).
Hoop niet dat de ervaring die KLM met de 747 biedt representatief is voor de hele maatschappij.
KLM 777:

Delta A330:
/post
KLM was volgens mij wel de eerste Europese maatschappij met de B747.Sand0rf schreef op vrijdag 23 augustus 2019 @ 08:10:
[...]
KLM is nooit een maatschappij geweest die voorop liep bij nieuwe toestellen.
The problem with common sense is that sense never ain't common - From the notebooks of Lazarus Long
GoT voor Behoud der Nederlandschen Taal [GvBdNT
Yes, yes we are Lookin@ you. https://t.co/U9kAA70fuv
— Flightradar24 (@flightradar24) 23 augustus 2019
🛩🕵️♂️ @shinjix2 pic.twitter.com/AltuiEuz2B



https://m.minval.az/news/123915174
Ook met de Douglas DC-5 liep KLM voorop, ze waren de eerste civiele maatschappij die orders voor dat toestel plaatsen.Freee!! schreef op vrijdag 23 augustus 2019 @ 12:15:
[...]
KLM was volgens mij wel de eerste Europese maatschappij met de B747.
Virussen? Scan ze hier!
Emirates Airbus A380 (A6-EOP, msn 200, built Nov 2015) was seriously damaged in a maintenance mishap in Dubai, UAE when its nose fell off the jacks and crashed to the ground. Structural damage is expected near the nosegear. No injuries reported.

[ Voor 6% gewijzigd door XWB op 24-08-2019 17:36 ]
Cool, als dat allemaal doorgaat dan kun je straks in drie vluchten de wereld rond...: Londen - Sydney - New York - Londen...Piet91 schreef op donderdag 22 augustus 2019 @ 13:43:
[Afbeelding]
Qantas gaat ter voorbereiding van "Project Sunrise" drie 787-9 delivery vluchten via Londen en New York uitvoeren.
In oktober, november en december van dit jaar zal 1 nieuwe 787-9 vanuit Seattle naar Londen gevlogen waarna die rechtstreeks naar Sydney zal gaan en 2 nieuwe 787-9's zullen vanuit Seattle naar New York gevlogen worden waarna ze vanuit JFK rechtstreeks naar Sydney gaan.
De geschatte vliegduur zit op zo'n 19 uur.
Het zijn onderzoeksvluchten om te zien wat dergelijk lange vluchten met de passagiers en crew doet.
Er gaan dus ook geen betalende passagiers mee; alleen zo'n 40 Qantas medewerkers die ook onderzocht worden op effecten van deze lange vluchten.
Dit zullen de eerste non-stop vluchten ooit worden tussen New York en Sydney, en de tweede keer voor de vluchten tussen Londen en Sydney; de eerste keer was in 1989 toen Qantas hun eerste 747-400 (VH-OJA) in ontvangst nam en deze ook op de delivery flight rechtstreeks van Londen naar Sydney werd gevlogen; meer over die record-breaking vlucht hier: Piet91 in "Het Luchtvaart Topic - Deel 3"
Eind dit jaar zal Qantas beslissen of "Project Sunrise' überhaupt zal doorgaan en zo ja; met welke toestellen.
[Afbeelding]
[Afbeelding]
Iemand nog in Ede historische vliegtuigen wezen kijken...?
Keep your wits sharp, your heart open and your gun loaded. And never mess with mother nature, mother in-laws and, mother freaking Ukrainians.
Frantic efforts are underway from the side of the Tanzanian government to obtain a release of one of Air Tanzania’s Airbus A220′ aircraft, which was impounded in Johannesburg and not allowed to take off for the flight back to Dar es Salaam.
Informed sources have suggested that an unpaid loan by Air Tanzania to South African Airways – equally broke if not worse – to the tune of over 4.1 million US Dollars, dating back to the time when Air Tanzania had entered into a partnership with SAA.

Air Tanzania Airbus A220-300 (CS300) | C-FOWU by Vincent Boyer, on Flickr
Dat is niet waar, maar omdat ze uitgefaseerd worden is 't het voor KLM niet waard om een cabin refresh te doen in de economy van de 747. Bij de business was dat een ander verhaal omdat dat echt té ver achter liep dus daar is 't (inmiddels ook al weer even geleden) wel gedaan. Maar zelfs daar zijn onderdelen die met economy gedeeld werden zoals 't IFE-systeem niet ververst.alexbl69 schreef op vrijdag 23 augustus 2019 @ 10:27:
[...]
Afgelopen weken in de VS geweest. Heen gevlogen met de KLM 747. Bewust voor gekozen omdat ik nog één keer in de Queen of the Skies wilde zitten (waarschijnlijk de laatste keer). Maar die beestjes lopen wel op hun tandvlees hoor.
De toestellen zelf echter zijn prima in orde; 't is alleen het economy class interieur dat wat ouder is tov de rest van de vloot.
Trouwens ook de reden dat de meeste 747s niet in de nieuwe livery tevoorschijn gaan komen.
[ Voor 5% gewijzigd door CyBeR op 24-08-2019 17:49 ]
All my posts are provided as-is. They come with NO WARRANTY at all.
Dat kan nu al (op meerdere manieren): Amsterdam - Tokyo - Los Angeles - Amsterdam bijvoorbeeldFiber schreef op zaterdag 24 augustus 2019 @ 17:33:
[...]
Cool, als dat allemaal doorgaat dan kun je straks in drie vluchten de wereld rond...: Londen - Sydney - New York - Londen...
Via Australië is het natuurlijk wel een indrukwekkende omweg die meer écht rond de wereld is.
Zoals @Daniel al aangeeft; dat kan nu al; al hangt het wel een beetje af wat je rond de wereld noemt.Fiber schreef op zaterdag 24 augustus 2019 @ 17:33:
Cool, als dat allemaal doorgaat dan kun je straks in drie vluchten de wereld rond...: Londen - Sydney - New York - Londen...
Zijn voorbeeld is niet helemaal hét voorbeeld (is immers 'maar' 27.092 kilometer (omtrek van de wereld is 40.008/40.075 kilometer), maar je kunt op dit moment bijvoorbeeld:
- Dubai - Sydney - Los Angeles - Dubai.
- Dubai - Auckland - Los Angeles - Dubai
Die tikken de 38.000 kilometer aan in totaal.
Straks (20 april 2020) kun je met Qantas van Brisbane naar Chicago* en vandaar bijvoorbeeld via Dubai weer terug naar Brisbane.
* Dit wordt Qantas' een na langste vlucht; 160 kilometer korter dan hun langste van Perth naar Londen.
Maar je kunt het ook met (lijn)vluchten doen waar je in de theorie (uiteraard niet in praktijk) zelfs zou kunnen blijven zitten; Singapore 21 en 22 tussen Singapore en Newark. Qua absolute afstand minder ver dan bovengenoemde vluchten (bijna 31.000 kilometer) maar gevlogen afstand meestal flink meer aangezien SQ22 (SIN-EWR) niet de qua afstand kortste route over de Noordpool neemt, maar de langere route over de Grote Oceaan (via Japan, Alaska en Canada).
Soms komen de Air India vluchten tussen Delhi en San Francisco ook wel enigszins hier voor in de aanmerking.
Wel een opmerking hierbij; de KLM 747's zijn - helaas - wel degelijk 'op' aan het raken.CyBeR schreef op zaterdag 24 augustus 2019 @ 17:48:
De toestellen zelf echter zijn prima in orde; 't is alleen het economy class interieur dat wat ouder is tov de rest van de vloot.
Trouwens ook de reden dat de meeste 747s niet in de nieuwe livery tevoorschijn gaan komen.
Ze vragen steeds meer onderhoud en krijgen ze meer issues.
Niet voor niets kan KLM met de nieuwere kisten veel meer vlieguren maken per dag dan met de oudere (787/777 versus 747, Embraer versus de Fokkers)
't kan vanaf EWR of SIN met een retour als je een beetje geluk hebt.Daniel schreef op zaterdag 24 augustus 2019 @ 18:02:
[...]
Dat kan nu al (op meerdere manieren): Amsterdam - Tokyo - Los Angeles - Amsterdam bijvoorbeeld![]()
Via Australië is het natuurlijk wel een indrukwekkende omweg die meer écht rond de wereld is.
All my posts are provided as-is. They come with NO WARRANTY at all.
Bron: https://nos.nl/artikel/22...opter-en-vliegtuigje.htmlBij een ongeluk op Mallorca met een helikopter en een vliegtuigje zijn vijf doden gevallen, onder wie een minderjarige. Dat zeggen de autoriteiten op het Spaanse eiland.
In de helikopter zaten twee mensen, in het vliegtuig drie. De crash gebeurde om 13.35 uur bij het dorpje Inca, in het midden van het eiland. De twee luchtvoertuigen stortten volgens de Spaanse krant El País neer op een privéterrein.
De brandweer, de Guardia Civil en de lokale politie rukten uit. Brandweerlieden hebben de brand geblust die ontstond bij het ongeluk.
Virussen? Scan ze hier!
Lijkt te gaan om een toestel van hun display team. Een verkeerde inschatting van de hoogte om die manoeuvre goed uit te voeren? (filmpje van de crash in de tweet)🔴 🇪🇸 Crash d’un Casa C-101 Aviojet des forces aériennes espagnoles à La Manga en mer Méditerranée. pic.twitter.com/zxsoyHOkKt
— air plus news (@airplusnews) 26 augustus 2019
andere bron: https://theaviationist.co...hed-earlier-this-morning/
edit: iets duidelijker filmpje meer ingezoomed bij de telegraaf: https://www.telegraaf.nl/...hende-straaljager-gefilmd
[ Voor 17% gewijzigd door gws24 op 26-08-2019 18:21 ]
I accept no liability for the content of this post, or for the consequences of any actions taken on the basis of the information provided.
En daar staan ze dan. De 777X testvloot, zonder motoren:XWB schreef op donderdag 22 augustus 2019 @ 18:07:
De motoren van het eerste 777-9 testvliegtuig zijn verwijderd en het eerste exemplaar is inmiddels teruggevlogen naar GE Aviation in Ohio. In totaal zullen vier testmotoren teruggevlogen worden.
[Afbeelding]
[Afbeelding]
[Afbeelding]
https://twitter.com/airpl...tatus/1164478748286230528
[Afbeelding]
https://twitter.com/flightradar24/status/1164310607891484672
Gezien de omvang van de GE9X motor werd hiervoor een Antonov AN-124 gecharterd.
De reden hiervoor is al eerder behandeld in dit topic, maar mocht je het gemist hebben:
GE Aviation is recalling four GE9X powerplants from Boeing to address a previously disclosed engine compressor issue that already forced Boeing to delay the 777X's first flight

https://twitter.com/mattcawby/status/1166050825099083776
Air China Airbus A330-300 (B-5859, built 2014) was seriously damaged in spreading cargo hold fire while parked at the gate at Beijing-Intl AP (ZBAA) after arrival from Singapore on flight #CA976. Heat and flames eventually made their way through the fuselage.

Nee dus. Deze Antonov is vanuit Everett via Atlanta naar de Azoren gevlogen met plaatwerk en gereedschap voor reparatie van de 757: https://www.flightradar24...ircraft/ra-82077#21dbd54egop1 schreef op zondag 18 augustus 2019 @ 22:41:
Deze Delta 757 maakte zo'n harde landing op de Azoren dat het 23 jaar oude toestel afgeschreven is:
[Afbeelding]
[Afbeelding]
Bron: https://twitter.com/AeronewsRO/status/1163121911934652417
Vertrek vanuit Everett:
Atlanta Bound 1 by rssii, on Flickr
Virussen? Scan ze hier!
Hoe makkelijk zal het nl. ook zijn om vervanging te regelen? De tweedehandsmarkt voor vliegtuigen is sinds de grounding van de Max nogal aangetrokken dus dat zal het ook niet makkelijker maken.
Vielgwaardig zal het prima in orde zijn, maar als je het vergelijkt met willekeurig welke Delta kist natuurlijk wel volledig economisch afgeschreven - als in eigenlijk niet verkoopbaar voor de prijs die ze ervoor durven te vragen.CyBeR schreef op zaterdag 24 augustus 2019 @ 17:48:
[...]
<>
De toestellen zelf echter zijn prima in orde; 't is alleen het economy class interieur dat wat ouder is tov de rest van de vloot.
Oude meuk is leuk. Ik heb er wel wat van (boot uit 46 en auto uit 67, scooter uit 63) maar dat is economisch niet rendabel. hoe mooi ik de 747 ook vind, ding had al 4 jaar uit dienst mogen zijn wat mij betreft, of in ieder geval vanaf het moment dat ze besloten dat er geen refit van het interieur zou komen minus twee jaar.Trouwens ook de reden dat de meeste 747s niet in de nieuwe livery tevoorschijn gaan komen.
I´d rather be a hypocrite than the same person forever (Yauch)| 🎸 Niets is zo permanent als een tijdelijke oplossing | Een goed probleem komt nooit alleen | Gibson guitar Fender Guitar God Damn Guitar
Inderdaad, als het snel en goedkoop (beide relatief) te repareren valt zullen ze dit doen.CaptJackSparrow schreef op dinsdag 27 augustus 2019 @ 18:27:
Als het onderliggende frame geen schade bleek te hebben of ook dat evt. relatief makkelijk te vervangen is dan vind ik het niet zo vreemd. Romp is relatief goedkoop. De motoren zijn het duurst.
Hoe makkelijk zal het nl. ook zijn om vervanging te regelen? De tweedehandsmarkt voor vliegtuigen is sinds de grounding van de Max nogal aangetrokken dus dat zal het ook niet makkelijker maken.
Want de prijzen voor 2e hands toestellen is flink omhoog gegaan.
Las dat zelfs 30 jaar oude 737-200 worden gechartered om gaten te vullen.
Vluchten schrappen kost ook een boel geld, als ze nu deze kist in een 2 maanden weer goed kunnen krijgen kunnen ze het gat dat nu ontstaat nog opvullen met de huidige vloot. Daarna komen ze gewoon een kist te kort en is er niet meer te schuiven met maintenance planningen.wildhagen schreef op dinsdag 27 augustus 2019 @ 17:14:
Dat ze nog zoveel geld in een bijna-museumstuk van 23 jaar stoppen....
Door de grounding van de Max is het ook lastig om een kist te krijgen die vergelijkbaar is met de 757.

https://twitter.com/JenSchuld/status/1166440997141663745
[ Voor 19% gewijzigd door XWB op 27-08-2019 22:12 ]
OuchIn het rapport zou staan dat de Australische piloten niet de de vaardigheidstest en competentiecheck hadden gedaan. Ook zouden zij zeventien maanden voor het ongeluk voor het laatst hebben gevlogen met een Convair. Normaal moeten piloten minimaal een keer per jaar vliegen om aan de eisen te voldoen.
Daarnaast mocht een van de twee piloten geen tweemotorig vliegtuig besturen, aldus Omroep Flevoland.
Eerder bleek uit een tussentijds rapport al dat de piloten de noodprocedure niet goed hadden gevolgd nadat een van de motoren in brand vloog.
[ Voor 9% gewijzigd door FastFred op 28-08-2019 09:52 ]
Nouja. Ik ga liever met de KLM 747 op pad dan met een Delta 767-300/400 vanaf Schiphol. Delta is pas net begonnen met de overhaul van de 300's, dus dat duurt nog wel een paar jaar.franssie schreef op dinsdag 27 augustus 2019 @ 18:59:
[...]
Vielgwaardig zal het prima in orde zijn, maar als je het vergelijkt met willekeurig welke Delta kist natuurlijk wel volledig economisch afgeschreven - als in eigenlijk niet verkoopbaar voor de prijs die ze ervoor durven te vragen.
Dan heb ik mazzel gehad die niet te treffen. De laatste 4 vluchten waren 777 en ik denk een A330. Dat waren moderne prima kisten.PWM schreef op woensdag 28 augustus 2019 @ 09:59:
[...]
Nouja. Ik ga liever met de KLM 747 op pad dan met een Delta 767-300/400 vanaf Schiphol. Delta is pas net begonnen met de overhaul van de 300's, dus dat duurt nog wel een paar jaar.
I´d rather be a hypocrite than the same person forever (Yauch)| 🎸 Niets is zo permanent als een tijdelijke oplossing | Een goed probleem komt nooit alleen | Gibson guitar Fender Guitar God Damn Guitar
Zeker ouch:
Probable Cause/s
During take-off, the left engine caught fire and the crew continued with the flight without securing the left engine as prescribed in the aircraft flight manual (AFM). The crew declared an emergency and attempted to return to the aerodrome, however, they lost control of the aircraft and collided with power lines prior to crashing into a factory building.
Contributory Factors:
- Pre-existing damage to the cylinder No 13 piston and ring pack deformation and, most probably, the cylinder No 7’s fractured exhaust valve head that were not detected during maintenance of the aircraft.
- Substandard maintenance for failing to conduct compression tests on all cylinders during the scheduled maintenance prior to the accident.
- Misdiagnosis of the left engine manifold pressure defect as it was reported twice prior to the accident.
- The crew not aborting take-off at 50kts prior to reaching V1; manifold pressure fluctuation was observed by the crew at 50kts and that should have resulted in an aborted take-off.
- Lack of crew resource management; this was evident as the crew ignored using the emergency checklist to respond to the in-flight left engine fire.
- Lack of recency training for both the PF and PM, as well as the LAME.
- Non-compliance to Civil Aviation Regulations by both the crew and the maintenance organisation.
Ik bespeur hier een zekere mate van onethische logica.
Dit lijkt dan weer wel waar te zijn. Geweldig onderschrift bij die foto trouwens: "a helicopter"
[ Voor 67% gewijzigd door Dreamvoid op 28-08-2019 21:16 ]

Airbus A 380-841 F-WXXL msn 002 Airbus industrie going to Aeroscopia Museum by Florent Péraudeau, on Flickr

Airbus A 380-841 F-WXXL msn 002 Airbus industrie going to Aeroscopia Museum by Florent Péraudeau, on Flickr

F-WXXL Airbus A380 s/n 002, transfer to Aeroscopia aprom by @Eurospot, on Flickr
Het toestel werd de afgelopen weken voorbereid voor de overdracht naar het museum. Na jarenlang van storage werden de motoren opnieuw geïnstalleerd en kreeg de kist een nieuwe lik verf.

Msn2 F-WXXL 27/8/2019 by A380_TLS_A350, on Flickr
Is dit één van de toestellen waarmee ooit de wereldtour is gedaan tijdens de lancering? Zo ja, dan heb ik die zo goed als zeker in Singapore zien vliegen en op de foto gezet. Maar op die foto's is het registratienummer helaas niet te zien.XWB schreef op donderdag 29 augustus 2019 @ 11:42:
Het tweede A380 testvliegtuig, MSN2, werd vanochtend overgedragen naar het Aeroscopia museum in Toulouse.
[Afbeelding]
Airbus A 380-841 F-WXXL msn 002 Airbus industrie going to Aeroscopia Museum by Florent Péraudeau, on Flickr
[Afbeelding]
Airbus A 380-841 F-WXXL msn 002 Airbus industrie going to Aeroscopia Museum by Florent Péraudeau, on Flickr
[Afbeelding]
F-WXXL Airbus A380 s/n 002, transfer to Aeroscopia aprom by @Eurospot, on Flickr
Het toestel werd de afgelopen weken voorbereid voor de overdracht naar het museum. Na jarenlang van storage werden de motoren opnieuw geïnstalleerd en kreeg de kist een nieuwe lik verf.
[Afbeelding]
Msn2 F-WXXL 27/8/2019 by A380_TLS_A350, on Flickr
Waarschuwing, opperprutser aan het werk... en als je een opmerking van mij niet snapt, klik dan hier
Dat was volgens mij F-WWOW (MSN001) die die WorldTour deed, toch? Dus niet dit toestel?deepbass909 schreef op donderdag 29 augustus 2019 @ 12:25:
[...]
Is dit één van de toestellen waarmee ooit de wereldtour is gedaan tijdens de lancering? Zo ja, dan heb ik die zo goed als zeker in Singapore zien vliegen en op de foto gezet. Maar op die foto's is het registratienummer helaas niet te zien.
IIRC was MSN002 ooit besteld door een private eigenaar, maar is die nooit verkocht en in de mottenballen geplaatst (waar hij nu dus uit getrokken is)
Virussen? Scan ze hier!
Ik zat de foto's terug te kijken, en het toestel dat ik toen heb gezien, was gespoten in Singapore Airlines kleuren (vziw de eerste klant die hem kocht), maar was nog ingericht als testtoestel.wildhagen schreef op donderdag 29 augustus 2019 @ 13:15:
[...]
Dat was volgens mij F-WWOW (MSN001) die die WorldTour deed, toch? Dus niet dit toestel?
IIRC was MSN002 ooit besteld door een private eigenaar, maar is die nooit verkocht en in de mottenballen geplaatst (waar hij nu dus uit getrokken is)
Waarschuwing, opperprutser aan het werk... en als je een opmerking van mij niet snapt, klik dan hier
Dit topic is gesloten.
![]()
Let op: Voor vragen over reizen, tickets, frequent flyer programma's, kan je hier terecht:
Reizen met het Vliegtuig - Deel 1
Discussies over de crashes met de 737 Max niet hier, maar in topic Ontwikkelingen omtrent de Boeing 737 Max
Discussie over staatssteun aan luchtvaartmaatschappijen, die passen in KLM AF en andere luchtvaartmijs in tijden van corona-steun?