En eentje op je bankrekening om ook daar je verlies te monitoren?
Bij mijn vorige warmtepomp had ik een kWh meter met twee telramen, die met een contact vanuit de warmtepomp omschakelde. Dus door de telramen met de kamstruo te correleren had je alle gegevens met maar 1 kamstrup.helpme schreef op maandag 30 oktober 2023 @ 17:19:
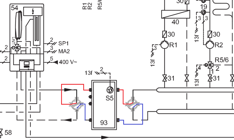
Ik was van plan om een kamstrup bij mijn warmtepomp te plaatsen om zo wat te kunnen monitoren echter vroeg ik me af waar deze geplaatst moet worden bij een split warmtepomp. In december / januari wordt bij ons de 55/5 geplaatst i.c.m. een VWL 57/5.
Bij een monoblock snap ik dat je de kamstrup tussen het monoblock en de driewegklep plaatst zodat je al het warm water, die de monoblock maakt, monitort.
Maar bij een split moet de kamstrup na de binnenunit worden geplaatst, de driewegklep in de binnenunit. Moet je dan twee keer een kamstrup plaatsen? 1 voor het tapwater en 1 voor de centrale verwarming? Dan wordt dan wel een duur grapje voor een hobby monitor projectje.
Split of monoblok maakt niet uit trouwens in deze, wel of je ‘m voor sww gebruikt of niet
Dat is wel het nadeel van een geintegreerde 3-weg klep in de binnen unit, als je beide met Kamstrup wil meten heb je er 2 nodig.helpme schreef op maandag 30 oktober 2023 @ 17:19:
Ik was van plan om een kamstrup bij mijn warmtepomp te plaatsen om zo wat te kunnen monitoren echter vroeg ik me af waar deze geplaatst moet worden bij een split warmtepomp. In december / januari wordt bij ons de 55/5 geplaatst i.c.m. een VWL 57/5.
Bij een monoblock snap ik dat je de kamstrup tussen het monoblock en de driewegklep plaatst zodat je al het warm water, die de monoblock maakt, monitort.
Maar bij een split moet de kamstrup na de binnenunit worden geplaatst, de driewegklep in de binnenunit. Moet je dan twee keer een kamstrup plaatsen? 1 voor het tapwater en 1 voor de centrale verwarming? Dan wordt dan wel een duur grapje voor een hobby monitor projectje.
Je kan ze wel beide op de zelfde mbus adapter knopen, aangezien het een bus is.
:strip_exif()/f/image/eoQ2rwX0A05LTtJySYRwTXzE.jpg?f=fotoalbum_medium)
3200 Wp OZO+10000 Wp ZZW+3200 Wp WNW - Daikin 4MXM68N + 3 x FTXM20M2V1B + FTXA50A2V1BT - Vaillant AroTherm 125/5 & Boiler VIH RW 300/3 MR
Hoe goed kun je scripten?helpme schreef op maandag 30 oktober 2023 @ 17:19:
Ik was van plan om een kamstrup bij mijn warmtepomp te plaatsen om zo wat te kunnen monitoren echter vroeg ik me af waar deze geplaatst moet worden bij een split warmtepomp. In december / januari wordt bij ons de 55/5 geplaatst i.c.m. een VWL 57/5.
Bij een monoblock snap ik dat je de kamstrup tussen het monoblock en de driewegklep plaatst zodat je al het warm water, die de monoblock maakt, monitort.
Maar bij een split moet de kamstrup na de binnenunit worden geplaatst, de driewegklep in de binnenunit. Moet je dan twee keer een kamstrup plaatsen? 1 voor het tapwater en 1 voor de centrale verwarming? Dan wordt dan wel een duur grapje voor een hobby monitor projectje.
Je zou de Kamstrup een tijdje op de SWW kunnen zetten om te kalibreren. In mijn geval merkte ik dat het debiet goed overeen kwam, maar de delta-T niet. Ook heeft de SWW bij mij een constante volumestroom (altijd maximaal). Eenmaal gekalibreerd kun je zelf op elkaar-geijkte temperatuursensoren op je leidingen plakken en een constant debiet aannemen. Dan kun je op basis daarvan de warmteopbrengst berekenen.
Vervolgens de Kamstrup op het CV-circuit zetten en daar z'n ding laten doen. Zorg overigens wel dat je een installatieset meebestelt, die zijn verrekte handig.
Alternatief is je binnenunit slopen, en je Kamstrup voor de klep monteren
Alternatief 2 is eerst bepalen of je überhaupt een Kamstrup nodig hebt: als je temperatuursensors van de WP in orde zijn, is het misschien voldoende. Zo niet, 50 reserve-sensors kopen voor je WP, meten, en een "matched-pair" installeren
Het komt niet door condensatie door koelen, want de boiler aansluiting heeft het ook.Kees_frl schreef op maandag 30 oktober 2023 @ 21:22:
Vraag - ik zie deze aanslag op de aansluitingen van het binnendeel van de WP (MEH 97/6)
Iemand idee wat het is, hoe het komt en of het kwaad kan?
[Afbeelding]
Als het er na 10 jaar zo uit ziet dan is het nog tot daar aan toe. Maar dit is veel jonger, ik denk dat hier de wartelmoer net iets te los of juist iets te strak zit. Even je installateur vragen. Het zou opgelost kunnen worden door het heel iets strakker te draaien, maar dat kan het ook juist erger maken. Dan moet er even een nieuw pakkinkje tussen.
De beste oplossing is om een vlakafdichtende koppeling te gebruiken, die draai je nooit te strak en is altijd dicht.
7,945 kWp, Atlantic Explorer 3 270 coil, 5 kW Panasonic monobloc H serie, Tesla Model Y RWD (2024)
Ik denk dat het deze afsluiters zijn, die hebben een vlakke kant.busscherski schreef op maandag 30 oktober 2023 @ 21:39:
De beste oplossing is om een vlakafdichtende koppeling te gebruiken, die draai je nooit te strak en is altijd dicht.
https://www.wasco.nl/artikel/2307487
WP: Mitsubishi Ecodan PUHZ-SW75YAA + EHST20D-VM2D / PV: 2150Wp Z/O 132° en 2580Wp N/W 312° Ik wil een warmtepomp.nu
Bij een monobloc met MEH97/6 kan de Kamstrup tussen binnen en buitenunit, dan mis je alleen de energie van de back up heater.overhyped schreef op maandag 30 oktober 2023 @ 19:50:
[...]
Split of monoblok maakt niet uit trouwens in deze, wel of je ‘m voor sww gebruikt of niet
Als je geen MEH97/6 hebt maar een losse driewegklep dan is het helemaal simpel.
Ik vraag me trouwens af wat er gebeurt in geval van monobloc met MEH97/6 als je de retour buiten de unit al samenvoegt, dan door de Kamstrup en op een van de retour aansluitingen aansluiten en de andere afdoppen.
7,945 kWp, Atlantic Explorer 3 270 coil, 5 kW Panasonic monobloc H serie, Tesla Model Y RWD (2024)
Mooi gevonden, maar dan wel duims.DutchWing schreef op maandag 30 oktober 2023 @ 21:43:
[...]
Ik denk dat het deze afsluiters zijn, die hebben een vlakke kant.
https://www.wasco.nl/artikel/2307487
https://www.wasco.nl/artikel/2307485
Geen hele grote aanligvlakken maar die zou ik inderdaad wel iets strakker durven draaien zonder een reserve pakkinkje bij de hand te hebben.
7,945 kWp, Atlantic Explorer 3 270 coil, 5 kW Panasonic monobloc H serie, Tesla Model Y RWD (2024)
Dankjewel, jij denkt dus dat ze iets lekken? Heb wel paar keer gevoeld maar was toen igg niet nat maar sta er ook niet continu naast natuurlijk.busscherski schreef op maandag 30 oktober 2023 @ 21:49:
[...]
Mooi gevonden, maar dan wel duims.
https://www.wasco.nl/artikel/2307485
Geen hele grote aanligvlakken maar die zou ik inderdaad wel iets strakker durven draaien zonder een reserve pakkinkje bij de hand te hebben.
Zal de installateur vragen aan te draaien, maar benieuwd hoe ik er achter kom dat het daadwerkelijk gefixt is.
[ Voor 10% gewijzigd door Kees_frl op 30-10-2023 22:03 ]
WP Vaillant VWL75/6 A 230V | Boiler VIH RW 300/3 MR | 27 x 405 ZZO= 10.935 op Solar Edge 9 kW 3 fasen omvormer | Vent: Zehnder Q600 ERV
Nu ik beter kijk zie ik dat ze het alle 4 hebben? Lek zou dan misschien te toevallig zijn. Misschien is het toch wat anders.Kees_frl schreef op maandag 30 oktober 2023 @ 21:51:
[...]
Dankjewel, jij denkt dus dat ze iets lekken? Heb wel paar keer gevoeld maar was toen igg niet nat maar sta er ook niet continu naast natuurlijk.
Zal de installateur vragen aan te draaien, maar benieuwd hoe ik er achter kom dat het daadwerkelijk gefixt is.
7,945 kWp, Atlantic Explorer 3 270 coil, 5 kW Panasonic monobloc H serie, Tesla Model Y RWD (2024)
Ja klopt, de ene meer dan de andere maar alle vier.busscherski schreef op maandag 30 oktober 2023 @ 22:03:
[...]
Nu ik beter kijk zie ik dat ze het alle 4 hebben? Lek zou dan misschien te toevallig zijn. Misschien is het toch wat anders.
WP Vaillant VWL75/6 A 230V | Boiler VIH RW 300/3 MR | 27 x 405 ZZO= 10.935 op Solar Edge 9 kW 3 fasen omvormer | Vent: Zehnder Q600 ERV
Idem. Altijd ~1080 l/h. 75/5 split hier. Zie gisterenavond:PentaClover schreef op woensdag 25 oktober 2023 @ 10:35:
[...]
Ik zie hier bij mijn split, dat de flow constant is, en niet mee gaat met het vermogen, de dT veranderd.
:strip_exif()/f/image/pmwpCFV7B32h5uTXWBhm35Eh.jpg?f=fotoalbum_large)
Met de huidige temperaturen is daar helemaal niets over te zeggen, ze draaien momenteel bijna allemaal op minimum vermogen. Je zal een vergelijking moeten maken tussen 10 graden en -5. En dan moet je niet naar de split kijken, die heeft geen Auto stand op de flow.Wim Leers schreef op dinsdag 31 oktober 2023 @ 09:38:
[...]
Idem. Altijd ~1080 l/h. 75/5 split hier. Zie gisterenavond:
[Afbeelding]
17,5 kWp zuid Vaillant Arotherm plus 55/6, 75/6 en 125/6
Het goede nieuws is dat het voor de Plus /6 serie hmu dezelfde registers zijn, het slechte is dat hij ook volgens deze setting op -100 staat maar het gedrag is -60.PeterJones schreef op vrijdag 27 oktober 2023 @ 12:58:
[...]
@Proton_ Voor mijn split unit werken de volgende registers om EnergieIntegraal uit te lezen en start punten in te stellen:
*r,,,,,,B51A,05,,,IGN:3,,,,,,,,,,,,,,,,,,,,,
*w,,,,,,B51A,06,,,,,,,,,,,,,,,,,,,,,,,,
r,,EnergyIntegral,,,,,FF3221,,,integral,,°min,current energy integral in °min,,,,,,,,,, ,,,,,,
r;w,,EnergyIntegralStartHeating,,,,,FF341E,,,integral,,°min,Energy Integral value to start heating (°min),,,,,,,,,,,,,,,,,,
r;w,,EnergyIntegralStartCooling,,,,,FF3421,,,integral,,°min,Energy Integral value to start cooling (°min),,,,,,,,,,,,,,,,,,
Wellicht dat het dezelfde registers zijn voor een monoblock?
Ik heb deze registers bepaald door te kijken naar eBUS traffic als ik ze verander op de binnenunit. Ze staat ook online in mijn eBus repository.
Ik heb 'm nu via ebusd bescheven in plaats van via de vwz maar ik verwacht niet dat dat uitmaakt.
Het ik-wil-een-warmtepomp FAQ topic- '23 MG5, douchen met wtw en Auer Edel Eau, verwarming met Vaillant Arotherm Plus.
Ik zie bij mijn split, dat hij wel start met -100 als ik dat instel, maar als hij de 0 aantikt en even uitgaat, dan gaat hij weer aan bij -60, het lijkt dus alleen de eerste run te verlengen.Proton_ schreef op dinsdag 31 oktober 2023 @ 15:26:
[...]
Het goede nieuws is dat het voor de Plus /6 serie hmu dezelfde registers zijn, het slechte is dat hij ook volgens deze setting op -100 staat maar het gedrag is -60.
Ik heb 'm nu via ebusd bescheven in plaats van via de vwz maar ik verwacht niet dat dat uitmaakt.
3200 Wp OZO+10000 Wp ZZW+3200 Wp WNW - Daikin 4MXM68N + 3 x FTXM20M2V1B + FTXA50A2V1BT - Vaillant AroTherm 125/5 & Boiler VIH RW 300/3 MR
Nature strikes back. Ik had het verhaal over de afdichting al eens gelezen, oa in Chupachups in "Vaillant aroTHERM warmtepomp ervaringen" Maar bij mij is het geen water dat de printplaat fataal is geworden. Er lijkt een slakje ge-elektrocuteerd te zijn, zie foto's.
:strip_exif()/f/image/kmLxOjK1qMp1AVOKzBYminYJ.jpg?f=fotoalbum_large)
:strip_exif()/f/image/Mi8zDNIdbJEWPQVpddmtMAMy.jpg?f=fotoalbum_large)
:strip_exif()/f/image/liQbXcC0VAuz7USDgsNM5XaB.jpg?f=fotoalbum_large)
Het is natuurlijk domme pech dat dit slakje ervoor kiest om precies op die plek van de printplaat te gaan zitten maar ik denk ook dat de afdichting niet optimaal is. Ik heb denk ik de modernste versie, met twee torx schroefje bovenaan.
Vanochtend heb ik Warmteservice meteen gebeld en ze hebben direct een nieuwe print geregeld via Vaillant. Komt vrijdag binnen als het goed is. Ik ben blij dat het nog niet heel erg koud is.
Sowieso is mijn voornemen om een afdakje te gaan bouwen in een stroomversnelling gekomen. Ik denk dat het droog houden van de unit veel beter is voor de levensduur. Dit suggereerde @snameroc ook al eerder.
Inschatting is dat ik de printplaat zelf kan vervangen maar ik ben benieuwd wat jullie ervan vinden om een monteur te vragen ivm toekomstige problemen? Ik heb navraag gedaan bij Warmteservice of Vaillant niet ook de print kan installeren. Daarop antwoordde Warmteservice dat ze al moeite moesten doen om de printplaat bij Vaillant los te peuteren omdat ze vonden dat het slakje normaliter niet naar binnen zou mogen dringen. Warmteservice heeft wel aangeboden dat ik gebruik kan maken van hun pool aan installateurs (tegen reguliere kosten). Wat vinden jullie? 1 Zelf plaatsen? 2 Warmteservice monteur laten komen? Of 3 Bij Vaillant aankloppen? Neig zelf naar 1 of misschien 2 maar als er sterke meningen zijn over voorkeur voor 3 dan hoor ik het graag.
:strip_exif()/f/image/kmLxOjK1qMp1AVOKzBYminYJ.jpg?f=fotoalbum_large)
:strip_exif()/f/image/Mi8zDNIdbJEWPQVpddmtMAMy.jpg?f=fotoalbum_large)
:strip_exif()/f/image/liQbXcC0VAuz7USDgsNM5XaB.jpg?f=fotoalbum_large)
Het is natuurlijk domme pech dat dit slakje ervoor kiest om precies op die plek van de printplaat te gaan zitten maar ik denk ook dat de afdichting niet optimaal is. Ik heb denk ik de modernste versie, met twee torx schroefje bovenaan.
Vanochtend heb ik Warmteservice meteen gebeld en ze hebben direct een nieuwe print geregeld via Vaillant. Komt vrijdag binnen als het goed is. Ik ben blij dat het nog niet heel erg koud is.
Sowieso is mijn voornemen om een afdakje te gaan bouwen in een stroomversnelling gekomen. Ik denk dat het droog houden van de unit veel beter is voor de levensduur. Dit suggereerde @snameroc ook al eerder.
Inschatting is dat ik de printplaat zelf kan vervangen maar ik ben benieuwd wat jullie ervan vinden om een monteur te vragen ivm toekomstige problemen? Ik heb navraag gedaan bij Warmteservice of Vaillant niet ook de print kan installeren. Daarop antwoordde Warmteservice dat ze al moeite moesten doen om de printplaat bij Vaillant los te peuteren omdat ze vonden dat het slakje normaliter niet naar binnen zou mogen dringen. Warmteservice heeft wel aangeboden dat ik gebruik kan maken van hun pool aan installateurs (tegen reguliere kosten). Wat vinden jullie? 1 Zelf plaatsen? 2 Warmteservice monteur laten komen? Of 3 Bij Vaillant aankloppen? Neig zelf naar 1 of misschien 2 maar als er sterke meningen zijn over voorkeur voor 3 dan hoor ik het graag.
Zelfinstallatie Vaillant Arotherm Plus 55/6 | Zehnder Q450 | Variotherm DWTW | Enphase Envoy S + IQ7x Panasonic 7x335WP
Staat bij mij op het platte dak dus hopelijk minder slakjesbensss schreef op woensdag 1 november 2023 @ 13:59:
Nature strikes back. Ik had het verhaal over de afdichting al eens gelezen, oa in Chupachups in "Vaillant aroTHERM warmtepomp ervaringen" Maar bij mij is het geen water dat de printplaat fataal is geworden. Er lijkt een slakje ge-elektrocuteerd te zijn, zie foto's.
[Afbeelding]
[Afbeelding]
[Afbeelding]
Het is natuurlijk domme pech dat dit slakje ervoor kiest om precies op die plek van de printplaat te gaan zitten maar ik denk ook dat de afdichting niet optimaal is. Ik heb denk ik de modernste versie, met twee torx schroefje bovenaan.
Vanochtend heb ik Warmteservice meteen gebeld en ze hebben direct een nieuwe print geregeld via Vaillant. Komt vrijdag binnen als het goed is. Ik ben blij dat het nog niet heel erg koud is.
Sowieso is mijn voornemen om een afdakje te gaan bouwen in een stroomversnelling gekomen. Ik denk dat het droog houden van de unit veel beter is voor de levensduur. Dit suggereerde @snameroc ook al eerder.
Inschatting is dat ik de printplaat zelf kan vervangen maar ik ben benieuwd wat jullie ervan vinden om een monteur te vragen ivm toekomstige problemen? Ik heb navraag gedaan bij Warmteservice of Vaillant niet ook de print kan installeren. Daarop antwoordde Warmteservice dat ze al moeite moesten doen om de printplaat bij Vaillant los te peuteren omdat ze vonden dat het slakje normaliter niet naar binnen zou mogen dringen. Warmteservice heeft wel aangeboden dat ik gebruik kan maken van hun pool aan installateurs (tegen reguliere kosten). Wat vinden jullie? 1 Zelf plaatsen? 2 Warmteservice monteur laten komen? Of 3 Bij Vaillant aankloppen? Neig zelf naar 1 of misschien 2 maar als er sterke meningen zijn over voorkeur voor 3 dan hoor ik het graag.
Wel zit ik me te bedenken of ik de WP niet beter wat dichter bij de muur had kunnen laten plaatsen, dan stond deze meer onder overstek van het dak. Maar wilde er graag wat ruimte omheen hebben qua schoonmaken / onderhoud en mbt water niet te dicht bij de muur.
WP Vaillant VWL75/6 A 230V | Boiler VIH RW 300/3 MR | 27 x 405 ZZO= 10.935 op Solar Edge 9 kW 3 fasen omvormer | Vent: Zehnder Q600 ERV
Ik zou bij mezelf 1 doen en meteen een garantiediscussie verkorten door de nieuwe print te lakken.
Een betrouwbare unit vind ik belangrijker dan garantie en eigenlijk zijn er wel veel blanke contacten zo.
Beter nog, zoek het uitgerookte component (verdampt printspoortje?), vervang die en lak daarna de gerepareerde print en houd de originele op voorraad
Een betrouwbare unit vind ik belangrijker dan garantie en eigenlijk zijn er wel veel blanke contacten zo.
Beter nog, zoek het uitgerookte component (verdampt printspoortje?), vervang die en lak daarna de gerepareerde print en houd de originele op voorraad
Het ik-wil-een-warmtepomp FAQ topic- '23 MG5, douchen met wtw en Auer Edel Eau, verwarming met Vaillant Arotherm Plus.
Dank voor de tipsProton_ schreef op woensdag 1 november 2023 @ 14:15:
Ik zou bij mezelf 1 doen en meteen een garantiediscussie verkorten door de nieuwe print te lakken.
Een betrouwbare unit vind ik belangrijker dan garantie en eigenlijk zijn er wel veel blanke contacten zo.
Beter nog, zoek het uitgerookte component (verdampt printspoortje?), vervang die en lak daarna de gerepareerde print en houd de originele op voorraad
Printplaat op voorraad hebben klinkt wel al een goeie verzekering tegen problemen met slakken.. Toch vind ik het raar dat een printplaat voor een buitenunit zo gevoelig is.
Zelfinstallatie Vaillant Arotherm Plus 55/6 | Zehnder Q450 | Variotherm DWTW | Enphase Envoy S + IQ7x Panasonic 7x335WP
mij was verteld dat dit niet mag, ook het ophang systeem is daar niet echt geschikt voor. Heb deze pomp groepen ook thuis. Ik heb ze uiteindelijk stukje van de muur hangen en achterdoor de leidingen gelegd kruislings.rukke schreef op dinsdag 31 oktober 2023 @ 11:30:
Iemand (veel) ervaring met de pompgroepen van Vaillant?
[Afbeelding]
[Afbeelding]
Mogen die ondersteboven geplaatst worden? Maw de evenwichtsfles bovenaan? En dus de metertjes onderaan.
AMD 5950x || Asus VIII Dark Hero || G.Skill Trident Z Neo 2x16GB C16-16-16-36 || EVGA FTW3 3080 Ultra || 2x WD SN850 1TB || Corsair HX850i
Hahaha, zo zijn er de afgelopen jaren 3 ISDN NT1 kastjes in onze kelder gaan hemelen. Stond 110V lijnspanning op.bensss schreef op woensdag 1 november 2023 @ 13:59:
Nature strikes back. Ik had het verhaal over de afdichting al eens gelezen, oa in Chupachups in "Vaillant aroTHERM warmtepomp ervaringen" Maar bij mij is het geen water dat de printplaat fataal is geworden. Er lijkt een slakje ge-elektrocuteerd te zijn, zie foto's.
[Afbeelding]
[Afbeelding]
[Afbeelding]
Het is natuurlijk domme pech dat dit slakje ervoor kiest om precies op die plek van de printplaat te gaan zitten maar ik denk ook dat de afdichting niet optimaal is. Ik heb denk ik de modernste versie, met twee torx schroefje bovenaan.
Vanochtend heb ik Warmteservice meteen gebeld en ze hebben direct een nieuwe print geregeld via Vaillant. Komt vrijdag binnen als het goed is. Ik ben blij dat het nog niet heel erg koud is.
Sowieso is mijn voornemen om een afdakje te gaan bouwen in een stroomversnelling gekomen. Ik denk dat het droog houden van de unit veel beter is voor de levensduur. Dit suggereerde @snameroc ook al eerder.
Inschatting is dat ik de printplaat zelf kan vervangen maar ik ben benieuwd wat jullie ervan vinden om een monteur te vragen ivm toekomstige problemen? Ik heb navraag gedaan bij Warmteservice of Vaillant niet ook de print kan installeren. Daarop antwoordde Warmteservice dat ze al moeite moesten doen om de printplaat bij Vaillant los te peuteren omdat ze vonden dat het slakje normaliter niet naar binnen zou mogen dringen. Warmteservice heeft wel aangeboden dat ik gebruik kan maken van hun pool aan installateurs (tegen reguliere kosten). Wat vinden jullie? 1 Zelf plaatsen? 2 Warmteservice monteur laten komen? Of 3 Bij Vaillant aankloppen? Neig zelf naar 1 of misschien 2 maar als er sterke meningen zijn over voorkeur voor 3 dan hoor ik het graag.
17,5 kWp zuid Vaillant Arotherm plus 55/6, 75/6 en 125/6
@bensss X210 ziet er uitgerookt uit, maar daar is omheen te werken. Zie installatiehandleiding 7.8.2.
Dus check of dat de enige schade is.
Dus check of dat de enige schade is.
Het ik-wil-een-warmtepomp FAQ topic- '23 MG5, douchen met wtw en Auer Edel Eau, verwarming met Vaillant Arotherm Plus.
Dank, dit ga ik morgen proberen!Proton_ schreef op woensdag 1 november 2023 @ 16:26:
@bensss X210 ziet er uitgerookt uit, maar daar is omheen te werken. Zie installatiehandleiding 7.8.2.
Dus check of dat de enige schade is.
Zelfinstallatie Vaillant Arotherm Plus 55/6 | Zehnder Q450 | Variotherm DWTW | Enphase Envoy S + IQ7x Panasonic 7x335WP
Ik vind het zoizo onvoorstelbaar dat die print met netspanning erop zo onbeschermd zit. We zullen daar in de toekomst vast meer overhoren. Ik heb idd een dak maar dat helpt niet tegen slakken. Zijn alle kabel invoeren voldoende dicht?
:strip_exif()/f/image/CrgV6RtNLJtts1ACb4QcD89w.jpg?f=fotoalbum_large)
[ Voor 44% gewijzigd door snameroc op 01-11-2023 17:03 ]
snameroc
Ja, kabelinvoeren zijn helemaal dicht. Het zijn ook heel kleine babyslakjes. Die kunnen door het kleinste kiertje. Mijn idee is dat als het straks droog is dat het dan ook een stuk minder aantrekkelijk is voor (in elk geval de kleinste) slakken om op avontuur te gaan in mn warmtepomp.snameroc schreef op woensdag 1 november 2023 @ 17:03:
Ik vind het zoizo onvoorstelbaar dat die print met netspanning erop zo onbeschermd zit. We zullen daar in de toekomst vast meer overhoren. Ik heb idd een dak maar dat helpt niet tegen slakken. Zijn alle kabel invoeren voldoende dicht?[Afbeelding]
Zelfinstallatie Vaillant Arotherm Plus 55/6 | Zehnder Q450 | Variotherm DWTW | Enphase Envoy S + IQ7x Panasonic 7x335WP
Heb je iets voor de condens water afvoer?
snameroc
En je verwarmingslint is lang genoeg om bevriezen te voorkomen
snameroc
Hier sinds deze week de volgende opstelling draaien. aroTHERM plus VWL 55/6 Hybride Parallel met 45 liter buffervat. Eindelijk na bijna 10 maanden wachten. Installatie volledig door installateur.
- aroTHERM plus warmtepomp VWL 55/6
- warmtepompbesturingsmodule VWZ AI
- sensoCOMFORT VRC 720
- ecoTEC plus VHR 30/36CS/ (bestaand)
- VR32/3 buskoppelaar
- ontkoppelingsbuffer VP RW 45/2 B
Er is gekozen om geen VR70 op te nemen maar de pomp aan te laten sturen door de VWZ AI.
Afgifte systeem: radiatoren op zowel beneden- als bovenverdieping. In de woonkamer voorzien van radiatorventilatoren. We verwarmen alleen de benedenverdieping. SWW via een ook net geplaatste artSTOR warmtepompboiler van 200L, als invoer voor de CV. We zaten de tot midden vorig jaar op circa 1650 m3 gas per jaar. Na wat slimmer omgaan met douchen, radiator ventilatoren, CV-buizen isoleren, temperatuur half graadje lager zouden we dit jaar denk ik op 1100-1200 m3 uitkomen. Hiervan zal ongeveer 350m3 SWW zijn
Basis instellingen op zowel regelmodule als kamerthermostaat doorlopen met behulp van Vaillant (telefonisch). Deze gaven aan:
- Systeemconfiguratie: 8
- Adaptieve stooklijn: gedeactiveerd
- Multif.uitg. 2: Zone (belangrijk omdat anders de thermostaat niet is toe te wijzen)
- Stooklijn: starten bij 0,6
- Min. gewenste aanvoer temp: 25
- Max. gewenste aanvoer temp: 55
- Binnentemperatuur.comp: Uitgebreid
- Thermostaat wijs je toe aan de zone waarop de pomp is aangesloten (MA1 of MA2 op de VWZ AI)
Vragen waar ik nog mee zit:
- Welke stooklijn gaan gebruiken en op welke momenten deze bijsturen, op basis waarvan?
- zijn de min en max aanvoer temp logisch gekozen?
- Wat is een goed beginpunt voor het bivalentiepunt en alternatief punt? Er is een behoorlijk overschot aan Kwh.
- Zijn er mensen die volledig op WAR sturen zonder vloerverwarming en heeft dat voordelen ten opzichte van de stand uitbereid?
- We sturen de thermostaat nu op basis van een weekplanning zoals we dat ook deden bij de CV-ketel. Is het bij radiatoren ook beter/effectiever om de temperatuur constant te houden?
- wel/geen nachtverlaging toepassen?
- aroTHERM plus warmtepomp VWL 55/6
- warmtepompbesturingsmodule VWZ AI
- sensoCOMFORT VRC 720
- ecoTEC plus VHR 30/36CS/ (bestaand)
- VR32/3 buskoppelaar
- ontkoppelingsbuffer VP RW 45/2 B
Er is gekozen om geen VR70 op te nemen maar de pomp aan te laten sturen door de VWZ AI.
Afgifte systeem: radiatoren op zowel beneden- als bovenverdieping. In de woonkamer voorzien van radiatorventilatoren. We verwarmen alleen de benedenverdieping. SWW via een ook net geplaatste artSTOR warmtepompboiler van 200L, als invoer voor de CV. We zaten de tot midden vorig jaar op circa 1650 m3 gas per jaar. Na wat slimmer omgaan met douchen, radiator ventilatoren, CV-buizen isoleren, temperatuur half graadje lager zouden we dit jaar denk ik op 1100-1200 m3 uitkomen. Hiervan zal ongeveer 350m3 SWW zijn
Basis instellingen op zowel regelmodule als kamerthermostaat doorlopen met behulp van Vaillant (telefonisch). Deze gaven aan:
- Systeemconfiguratie: 8
- Adaptieve stooklijn: gedeactiveerd
- Multif.uitg. 2: Zone (belangrijk omdat anders de thermostaat niet is toe te wijzen)
- Stooklijn: starten bij 0,6
- Min. gewenste aanvoer temp: 25
- Max. gewenste aanvoer temp: 55
- Binnentemperatuur.comp: Uitgebreid
- Thermostaat wijs je toe aan de zone waarop de pomp is aangesloten (MA1 of MA2 op de VWZ AI)
Vragen waar ik nog mee zit:
- Welke stooklijn gaan gebruiken en op welke momenten deze bijsturen, op basis waarvan?
- zijn de min en max aanvoer temp logisch gekozen?
- Wat is een goed beginpunt voor het bivalentiepunt en alternatief punt? Er is een behoorlijk overschot aan Kwh.
- Zijn er mensen die volledig op WAR sturen zonder vloerverwarming en heeft dat voordelen ten opzichte van de stand uitbereid?
- We sturen de thermostaat nu op basis van een weekplanning zoals we dat ook deden bij de CV-ketel. Is het bij radiatoren ook beter/effectiever om de temperatuur constant te houden?
- wel/geen nachtverlaging toepassen?
- Multif.uitg. 2: Zone (belangrijk omdat anders de thermostaat niet is toe te wijzen)
Dat is afhankelijk van de firmware versie. Bij de oudere versies hoefde dat niet en kon je een zone kiezen.
Daar ben ik achter gekomen met mijn 75/6. De VRC begrensde niet op de ruimtetemperatuur. Zone toekenning kwam pas tevoorschijn na het configureren van die uitgang. Staat heel fijn ( niet dus) in de handleidingen.
Dat is afhankelijk van de firmware versie. Bij de oudere versies hoefde dat niet en kon je een zone kiezen.
Daar ben ik achter gekomen met mijn 75/6. De VRC begrensde niet op de ruimtetemperatuur. Zone toekenning kwam pas tevoorschijn na het configureren van die uitgang. Staat heel fijn ( niet dus) in de handleidingen.
17,5 kWp zuid Vaillant Arotherm plus 55/6, 75/6 en 125/6
Qua niet begrenzen, bedoel je dan dat je bijvoorbeeld thermostaat op 20 graden zet en de WP doorgaat voorbij die temperatuur en niet stopt?ds23man schreef op vrijdag 3 november 2023 @ 12:38:
- Multif.uitg. 2: Zone (belangrijk omdat anders de thermostaat niet is toe te wijzen)
Dat is afhankelijk van de firmware versie. Bij de oudere versies hoefde dat niet en kon je een zone kiezen.
Daar ben ik achter gekomen met mijn 75/6. De VRC begrensde niet op de ruimtetemperatuur. Zone toekenning kwam pas tevoorschijn na het configureren van die uitgang. Staat heel fijn ( niet dus) in de handleidingen.
ook al heb ik een recente installatie dan waarschijnlijk oude(re) vrc want slaat uit bij bereiken temperatuur
===================================================================================
Vandaag iets aparts. Mijn kWh meter in de meterkast (meet buitendeel WP) geeft verbruik aan van 2,1 kWh, echter de WP zelf via de app 3,1 kWh, dus dat is wel een groot verschil.
Anders klopt het verbruik altijd exact via de meter in de meterkast dan wel via de app. Iemand een idee hoe dat zou kunnen?
[ Voor 27% gewijzigd door Kees_frl op 03-11-2023 12:49 ]
WP Vaillant VWL75/6 A 230V | Boiler VIH RW 300/3 MR | 27 x 405 ZZO= 10.935 op Solar Edge 9 kW 3 fasen omvormer | Vent: Zehnder Q600 ERV
Ja, als de VRC niet aan een zone gekoppeld is, is het een hele luxe afstandbediening.... Probleem was meer dat in de oudere versies je altijd de mogelijkheid had om aan zone toekenning te doen ( bijv bij Proton), bij mij verscheen dat niet standaard, pas na het activeren van die uitgang als zone dus wel.Kees_frl schreef op vrijdag 3 november 2023 @ 12:41:
[...]
Qua niet begrenzen, bedoel je dan dat je bijvoorbeeld thermostaat op 20 graden zet en de WP doorgaat voorbij die temperatuur en niet stopt?
17,5 kWp zuid Vaillant Arotherm plus 55/6, 75/6 en 125/6
En volgens mij komt dit grapje alleen voorbij als je de /6 alleen voor verwarming gebruikt zonder toeters en bellen zoals boilers ( MZH) buffervaten en pompgroepen.ds23man schreef op vrijdag 3 november 2023 @ 12:47:
[...]
Ja, als de VRC niet aan een zone gekoppeld is, is het een hele luxe afstandbediening.... Probleem was meer dat in de oudere versies je altijd de mogelijkheid had om aan zone toekenning te doen ( bijv bij Proton), bij mij verscheen dat niet standaard, pas na het activeren van die uitgang als zone dus wel.
17,5 kWp zuid Vaillant Arotherm plus 55/6, 75/6 en 125/6
Wij zijn ons aan het oriënteren op een warmtepomp en hebben een offerte voor een Valliant Arotherm. Ik heb hiervoor een eigen topic geopend, schaamteloos verzoek om eens mee te kijken / denken:
Hulp gevraagd bij offerte warmtepomp! Wel/geen buffervat?
Hulp gevraagd bij offerte warmtepomp! Wel/geen buffervat?
Was het in Nederland gisteren ook zo aan het stormen? Ondanks de temperatuur niet zoveel lager was gisteren, hebben we toch bijna het dubbel verstookt als de dagen er voor. Hebben jullie dat ook voor?
De warmtepomp was gewoon aan het pendelen op minimum vermogen, maar mijn 1°C dagverhoging (voor zelfverbruik PV) kon niet gehaald worden tot ik de stooklijn wat hoger zette. Ik vermoed dat we door de ernstige wind serieus wat extra warmteverlies hadden als onder normale omstandigheden bij deze buitentemperatuur.
De warmtepomp was gewoon aan het pendelen op minimum vermogen, maar mijn 1°C dagverhoging (voor zelfverbruik PV) kon niet gehaald worden tot ik de stooklijn wat hoger zette. Ik vermoed dat we door de ernstige wind serieus wat extra warmteverlies hadden als onder normale omstandigheden bij deze buitentemperatuur.
30x Jinko JKM380M-6RL3 (11.4kWp) 12x oost 90° - 18x west 270°, 45° incl. | Marstek Venus 5.12kWh | Vaillant Arotherm 75/5 | Zehnder ComfoAir Q450 | Tesla Model 3 Performance 2025
De CV ketel in mijn voorhuis volgde precies het aantrekken van de wind:Broodro0ster schreef op vrijdag 3 november 2023 @ 17:18:
Was het in Nederland gisteren ook zo aan het stormen? Ondanks de temperatuur niet zoveel lager was gisteren, hebben we toch bijna het dubbel verstookt als de dagen er voor. Hebben jullie dat ook voor?
De warmtepomp was gewoon aan het pendelen op minimum vermogen, maar mijn 1°C dagverhoging (voor zelfverbruik PV) kon niet gehaald worden tot ik de stooklijn wat hoger zette. Ik vermoed dat we door de ernstige wind serieus wat extra warmteverlies hadden als onder normale omstandigheden bij deze buitentemperatuur.
/f/image/02Ok0sVZb4bozDWr8CHOeWms.png?f=fotoalbum_large)
Een verdubbeling van het verbruik. En ja, wind is ook een bepalende factor.
17,5 kWp zuid Vaillant Arotherm plus 55/6, 75/6 en 125/6
Dat lijkt me niet geheel onwaarschijnlijkBroodro0ster schreef op vrijdag 3 november 2023 @ 17:18:
Was het in Nederland gisteren ook zo aan het stormen? Ondanks de temperatuur niet zoveel lager was gisteren, hebben we toch bijna het dubbel verstookt als de dagen er voor. Hebben jullie dat ook voor?
De warmtepomp was gewoon aan het pendelen op minimum vermogen, maar mijn 1°C dagverhoging (voor zelfverbruik PV) kon niet gehaald worden tot ik de stooklijn wat hoger zette. Ik vermoed dat we door de ernstige wind serieus wat extra warmteverlies hadden als onder normale omstandigheden bij deze buitentemperatuur.
Ik lees op het forum dat je ook een nieuwbouw woning hebt, dus isolatie volgens de laatste normen.
Heb je ook een 'luchtdichte' woning met WTW? Ben ook wel benieuwd wat de ervaringen zijn van anderen voor de verschillende situaties (al is dat niet een typisch Vaillant topic, wellicht krijg je nog meer response in het LW/WP topic?).
Hier zijn de verschillen per dag erg afhankelijk van aan / afwezigheid van personen en dus niet goed vergelijkbaar. (Betreft (tijdelijk) een wat oudere tussenwoning matig geïsoleerd en zelfs met alle roosters dicht nog voldoende natuurlijke ventilate
Hier niet, als ik naar de afgelopen weken kijk zie ik een iets sterker verband met de buiten temperatuur hoewel dat ook niet heel duidelijk is.Broodro0ster schreef op vrijdag 3 november 2023 @ 17:18:
Was het in Nederland gisteren ook zo aan het stormen? Ondanks de temperatuur niet zoveel lager was gisteren, hebben we toch bijna het dubbel verstookt als de dagen er voor. Hebben jullie dat ook voor?
De warmtepomp was gewoon aan het pendelen op minimum vermogen, maar mijn 1°C dagverhoging (voor zelfverbruik PV) kon niet gehaald worden tot ik de stooklijn wat hoger zette. Ik vermoed dat we door de ernstige wind serieus wat extra warmteverlies hadden als onder normale omstandigheden bij deze buitentemperatuur.
(De Bovenste is de opgewekte warmte door de WP, de onderste de buiten temperatuur)
:fill(white):strip_exif()/f/image/xbK24hLuXWwqNeYI7MrC6cas.png?f=user_large)
3200 Wp OZO+10000 Wp ZZW+3200 Wp WNW - Daikin 4MXM68N + 3 x FTXM20M2V1B + FTXA50A2V1BT - Vaillant AroTherm 125/5 & Boiler VIH RW 300/3 MR
Jij ziet dat niet omdat je per dag bekijkt en niet per uur. Bij mij zag je gisteren een duidelijke correlatie tussen het aantrekken van de wind ondanks een licht stijgende buitentemperatuur. Je buitenschil koelt door de wind af! Je huis heeft ook last van de wind chill factor.PentaClover schreef op vrijdag 3 november 2023 @ 18:29:
[...]
Hier niet, als ik naar de afgelopen weken kijk zie ik een iets sterker verband met de buiten temperatuur hoewel dat ook niet heel duidelijk is.
(De Bovenste is de opgewekte warmte door de WP, de onderste de buiten temperatuur)
[Afbeelding]
Heb gister bijna 2 kuub extra gas gebruikt t.o.v. woensdag met dezelfde temperaturen.
[ Voor 5% gewijzigd door ds23man op 03-11-2023 18:54 ]
17,5 kWp zuid Vaillant Arotherm plus 55/6, 75/6 en 125/6
Nee, per uur zie ik dat ook niet, en aangezien ik niet 24/7 verwarm met deze realtief hoge buiten temperaturen, maar aan nachtverlaging doe van 0.5-1.0oC heeft het ook niet zo veel zin om per uur te kijken.ds23man schreef op vrijdag 3 november 2023 @ 18:49:
[...]
Jij ziet dat niet omdat je per dag bekijkt en niet per uur. Bij mij zag je gisteren een duidelijke correlatie tussen het aantrekken van de wind ondanks een licht stijgende buitentemperatuur. Je buitenschil koelt door de wind af! Je huis heeft ook last van de wind chill factor.
Heb gister bijna 2 kuub extra gas gebruikt t.o.v. woensdag met dezelfde temperaturen.
Het huis is ook nog eens een grote thermische buffer dus zo wie zo is het niet zo nuttig om per uur of zelfs per dag te kijken bij mijn huis, wat er de dag ervoor gebeurd is heeft ook invloed.
Hier gisteren 11% minder warmte in het huis geduwd dan woensdag om de zelfde binnen temperatuur te breiken met 5% hogere buiten temperaturen + meer wind.
3200 Wp OZO+10000 Wp ZZW+3200 Wp WNW - Daikin 4MXM68N + 3 x FTXM20M2V1B + FTXA50A2V1BT - Vaillant AroTherm 125/5 & Boiler VIH RW 300/3 MR
@Proton_, @snameroc, @Chupachups vanmiddag de printplaat binnengekregen en direct geinstalleerd. Kostte me 10 minuten en de pomp sprong weer aan zoals vanoudsbensss schreef op woensdag 1 november 2023 @ 13:59:
Nature strikes back. Ik had het verhaal over de afdichting al eens gelezen, oa in Chupachups in "Vaillant aroTHERM warmtepomp ervaringen" Maar bij mij is het geen water dat de printplaat fataal is geworden. Er lijkt een slakje ge-elektrocuteerd te zijn, zie foto's.
[Afbeelding]
[Afbeelding]
[Afbeelding]
Het is natuurlijk domme pech dat dit slakje ervoor kiest om precies op die plek van de printplaat te gaan zitten maar ik denk ook dat de afdichting niet optimaal is. Ik heb denk ik de modernste versie, met twee torx schroefje bovenaan.
Vanochtend heb ik Warmteservice meteen gebeld en ze hebben direct een nieuwe print geregeld via Vaillant. Komt vrijdag binnen als het goed is. Ik ben blij dat het nog niet heel erg koud is.

Dank voor jullie adviezen! Ik heb uiteindelijk de oude printplaat niet meer geprobeerd, vond ik toch een risico.
Overigens heb ik via Warmtservice wel kenbaar gemaakt dat ik het raar vind dat slakjes ueberhaupt bij de printplaat kunnen komen en dat de printplaat blijkbaar heel gevoelig is voor kortsluiting op die plek. Daar was Warmteservice het mee eens en ze zouden deze punten met Vaillant gaan delen. Heel content met de service en communicatie van WS.
Nu ga ik maar eens nadenken over een mooi afdak en voor de tussentijd krijgen ga ik wat zout rond de bigfoots strooien tegen de slakken
Zelfinstallatie Vaillant Arotherm Plus 55/6 | Zehnder Q450 | Variotherm DWTW | Enphase Envoy S + IQ7x Panasonic 7x335WP
Komen ze niet door de afvoer naar binnen of heeft ie een nachtje open gestaan?bensss schreef op vrijdag 3 november 2023 @ 19:23:
[...]
@Proton_, @snameroc, @Chupachups vanmiddag de printplaat binnengekregen en direct geinstalleerd. Kostte me 10 minuten en de pomp sprong weer aan zoals vanouds.
Dank voor jullie adviezen! Ik heb uiteindelijk de oude printplaat niet meer geprobeerd, vond ik toch een risico.
Overigens heb ik via Warmtservice wel kenbaar gemaakt dat ik het raar vind dat slakjes ueberhaupt bij de printplaat kunnen komen en dat de printplaat blijkbaar heel gevoelig is voor kortsluiting op die plek. Daar was Warmteservice het mee eens en ze zouden deze punten met Vaillant gaan delen. Heel content met de service en communicatie van WS.
Nu ga ik maar eens nadenken over een mooi afdak en voor de tussentijd krijgen ga ik wat zout rond de bigfoots strooien tegen de slakken
Het lijkt erop dat slakjes de natte behuizing prettig vinden en dat ze zoeken naar kieren en spleten. Kleine naakslakjes kunnen zichzelf enorm smal maken en blijkbaar is de afdichting toch net niet dicht genoeg. Rare suicidale wezens zijn hetHemaworstje schreef op vrijdag 3 november 2023 @ 19:31:
[...]
Komen ze niet door de afvoer naar binnen of heeft ie een nachtje open gestaan?

Zelfinstallatie Vaillant Arotherm Plus 55/6 | Zehnder Q450 | Variotherm DWTW | Enphase Envoy S + IQ7x Panasonic 7x335WP
Qua stooklijn:Switek schreef op vrijdag 3 november 2023 @ 11:37:
Vragen waar ik nog mee zit:
- Welke stooklijn gaan gebruiken en op welke momenten deze bijsturen, op basis waarvan?
- zijn de min en max aanvoer temp logisch gekozen?
- Wat is een goed beginpunt voor het bivalentiepunt en alternatief punt? Er is een behoorlijk overschot aan Kwh.
- Zijn er mensen die volledig op WAR sturen zonder vloerverwarming en heeft dat voordelen ten opzichte van de stand uitbereid?
- We sturen de thermostaat nu op basis van een weekplanning zoals we dat ook deden bij de CV-ketel. Is het bij radiatoren ook beter/effectiever om de temperatuur constant te houden?
- wel/geen nachtverlaging toepassen?
Ik heb ook radiatoren met fans. Speedcomfort en sinds kort heatfan. De speedcomforts gaan pas aan bij iets van 35 graden dus met een stooklijn van 0.6 kom je daar niet zo snel aan volgens mij. Heatfan gaat aan bij 25 graden ongeveer. Ik heb de stooklijn nu op 0.8 staan en dat werkt prima. Temp van aanvoer komt daarmee ook eigenlijk nog niet boven de 40 graden uit dus je stookt nog wel aardig zuinig.
Overdag de temperatuur meestal op 20 graden staan en na 21:30 gaat de temp naar 19 graden. Het opwarmen van de ruimte duurt met lagere water temperatuur wel veel langer dus ik zou niet zo snel een nachtverlaging van meer dan 2 graden pakken.
Ja, het is een nieuwbouwwoning met WTW. De doorblower test is recent gebeurd. Nog niet alle plinten staan er en nog niet alle ramen zijn afgekit langs binnen, dus het kan misschien nog net iets beter.Batilan schreef op vrijdag 3 november 2023 @ 17:45:
[...]
Dat lijkt me niet geheel onwaarschijnlijk![]()
Ik lees op het forum dat je ook een nieuwbouw woning hebt, dus isolatie volgens de laatste normen.
Heb je ook een 'luchtdichte' woning met WTW? Ben ook wel benieuwd wat de ervaringen zijn van anderen voor de verschillende situaties (al is dat niet een typisch Vaillant topic, wellicht krijg je nog meer response in het LW/WP topic?).
Hier zijn de verschillen per dag erg afhankelijk van aan / afwezigheid van personen en dus niet goed vergelijkbaar. (Betreft (tijdelijk) een wat oudere tussenwoning matig geïsoleerd en zelfs met alle roosters dicht nog voldoende natuurlijke ventilate)
De resultaten waren goed volgens de persoon die test kwam afnemen. n50 = 1.4 en v50 = 2.3.
Onze woning staat wel tussen de velden, dus het waait hier altijd wel hard en gisteren was het extreem. De hele tijd tussen de 50 en 100km/h kwa windsnelheid. Gemiddelde zitten we voor deze week op 3-4kWh elektriciteit voor de verwarming. Gisteren was dat 6kWh, terwijl het vrij gelijk liep kwa temperatuur als maandag. Toen hebben we 4kWh verstookt. Dat is dus 50% meer verbruik tegenover maandag door de wind vermoedelijk. Vandaag zitten we terug op 4kWh, maar het wel kouder als gisteren.
30x Jinko JKM380M-6RL3 (11.4kWp) 12x oost 90° - 18x west 270°, 45° incl. | Marstek Venus 5.12kWh | Vaillant Arotherm 75/5 | Zehnder ComfoAir Q450 | Tesla Model 3 Performance 2025
Ik ben op het moment aan het orienteren op mogelijke geschikte warmtepompen dus om peren met peren te vergelijken ben ik alle mogelijke WP's op A7/W35 en A-7/W35 met elkaar aan het vergelijken. Na wat onderzoek neig ik naar een monoblock en volgens de warmte verlies berekening met een minimum temp op -7 heb ik een 9kW warmtepomp nodig.
Als ik de productspecs PDF uit de startpost pak, of de specsheets van aircoszonderstek.nl of die op de valliant site zelf, zie ik (naar mijn idee) vreemde getallen.
:fill(white):strip_exif()/f/image/INQ3cNElF9SuqJJkfojQEcb7.png?f=user_large)
De 125/A6 in een andere spec:
:fill(white):strip_exif()/f/image/FTQP8IeUhC5lqoJgdLFemoBJ.png?f=user_large)
:fill(white):strip_exif()/f/image/FPkb3u2condyQIF7OQoub3E4.png?f=user_large)
Klopt het dat het verwarmingsvermogen op A-7/W35 hoger is dan op A7/W35?
Bij Panasonic of Itho Daalderop R290 Monoblock WP's zie ik juist het tegenovergestelde en volgens mij is dat ook redelijk in lijn met wat ik bij natuurkunde heb geleerd:
Een max verwarmingsvermogen van 9kw/COP 4.5 bij 7c en een 5.5kW/COP 2.5 bij -7c.
Tart Valliant hier de wetten van de natuur of mis ik iets?
Als ik de productspecs PDF uit de startpost pak, of de specsheets van aircoszonderstek.nl of die op de valliant site zelf, zie ik (naar mijn idee) vreemde getallen.
:fill(white):strip_exif()/f/image/INQ3cNElF9SuqJJkfojQEcb7.png?f=user_large)
De 125/A6 in een andere spec:
:fill(white):strip_exif()/f/image/FTQP8IeUhC5lqoJgdLFemoBJ.png?f=user_large)
:fill(white):strip_exif()/f/image/FPkb3u2condyQIF7OQoub3E4.png?f=user_large)
Klopt het dat het verwarmingsvermogen op A-7/W35 hoger is dan op A7/W35?
Bij Panasonic of Itho Daalderop R290 Monoblock WP's zie ik juist het tegenovergestelde en volgens mij is dat ook redelijk in lijn met wat ik bij natuurkunde heb geleerd:
Een max verwarmingsvermogen van 9kw/COP 4.5 bij 7c en een 5.5kW/COP 2.5 bij -7c.
Tart Valliant hier de wetten van de natuur of mis ik iets?
Vaillant AroTHERM+ WP - 1.8kWp W + 11.6kWp Z + 2.7kWp O PV - Kona EV + Kia ev3 - ESP8266 FTW!
@maarten_NL voor het verwarmingsvermogen bij verschillende temperaturen kijk je het beste naar de grafieken in onderstaande post. Dat voorkomt vergelijken van nominaal met maximaal e.d.
https://gathering.tweaker...message/74007588#74007588
https://gathering.tweaker...message/74007588#74007588
Dank je.Franciesco schreef op zaterdag 4 november 2023 @ 21:19:
@maarten_NL voor het verwarmingsvermogen bij verschillende temperaturen kijk je het beste naar de grafieken in onderstaande post. Dat voorkomt vergelijken van nominaal met maximaal e.d.
https://gathering.tweaker...message/74007588#74007588
Weet jij wat de "toeren" op de x-as zijn? 25-85% vermogen?
Als ik het goed begrijp is het maximaal verwarmingsvermogen van de 105/6A bij 7C @85% dan 15kW, bij -7C nog 9.7 @85%?
Om benodigde vermogen te produceren dan zou de WP op 80% moeten draaien?
Vaillant AroTHERM+ WP - 1.8kWp W + 11.6kWp Z + 2.7kWp O PV - Kona EV + Kia ev3 - ESP8266 FTW!
Goedemorgen
Niet specifiek een Vaillant vraag maar goed.
Van de periode van voor de plaatsing van onze Arotherm 75/6, hangen er onder meerdere radiatoren speedcomfort radiator ventilatoren. Die dingen schakelen echter pas aan bij een aanvoertemperatuur van 35 graden.
Onze aanvoertemperatuur is nu rond 28 graden en dus hangen ze allemaal werkeloos onder de platen.
Speedcomfort heeft inmiddels wel een nieuwe optionele sensor uitgebracht die aanslaat bij 28 graden, maar da's nog steeds erg op het randje want de aanvoer temperatuur is ook wel eens lager dan dat.
Heatfan schakeld in bij 25,3 en de smart versie werkt nog modulerend ook.
Vraag; hoe zijn de ervaringen met verschillende systemen? Zijn er nog betere opties in combinatie met warmtepompen? Welke heeft de laagste geluidsproductie (vond speedcomfort altijd best een doordringend geluid geven).
Niet specifiek een Vaillant vraag maar goed.
Van de periode van voor de plaatsing van onze Arotherm 75/6, hangen er onder meerdere radiatoren speedcomfort radiator ventilatoren. Die dingen schakelen echter pas aan bij een aanvoertemperatuur van 35 graden.
Onze aanvoertemperatuur is nu rond 28 graden en dus hangen ze allemaal werkeloos onder de platen.
Speedcomfort heeft inmiddels wel een nieuwe optionele sensor uitgebracht die aanslaat bij 28 graden, maar da's nog steeds erg op het randje want de aanvoer temperatuur is ook wel eens lager dan dat.
Heatfan schakeld in bij 25,3 en de smart versie werkt nog modulerend ook.
Vraag; hoe zijn de ervaringen met verschillende systemen? Zijn er nog betere opties in combinatie met warmtepompen? Welke heeft de laagste geluidsproductie (vond speedcomfort altijd best een doordringend geluid geven).
@Middenberm kijk hier eens naar Het grote HeatBooster smart home radiatorbooster-topic
Je kan er veel aan instellen en ook nog koppelen met je smarthome ook.
Je kan er veel aan instellen en ook nog koppelen met je smarthome ook.
De 'toeren' zijn daadwerkelijk de draaisnelheid van de compressor.maarten_NL schreef op zaterdag 4 november 2023 @ 21:41:
[...]
Dank je.![]()
Weet jij wat de "toeren" op de x-as zijn? 25-85% vermogen?
Als ik het goed begrijp is het maximaal verwarmingsvermogen van de 105/6A bij 7C @85% dan 15kW, bij -7C nog 9.7 @85%?
Om benodigde vermogen te produceren dan zou de WP op 80% moeten draaien?
Het bovenste lijntje is dus altijd 100%, maar dat is bij lage buitentemperaturen dus een ander toerental dan bij hoge.
Het ik-wil-een-warmtepomp FAQ topic- '23 MG5, douchen met wtw en Auer Edel Eau, verwarming met Vaillant Arotherm Plus.
Kan je die sensor zelf vervangen? Het zal vermoedelijk wel een NTC temperatuur zijn, die kan je op een bepaalde weerstandswaarde bij 25c kopen (bij conrad etc) en dan kan je zelf een beetje proberen tot de fans aanslaan bij jou laagste aanvoertemp.Middenberm schreef op zondag 5 november 2023 @ 08:28:
Speedcomfort heeft inmiddels wel een nieuwe optionele sensor uitgebracht die aanslaat bij 28 graden, maar da's nog steeds erg op het randje want de aanvoer temperatuur is ook wel eens lager dan dat.
Heatfan schakeld in bij 25,3 en de smart versie werkt nog modulerend ook.
Vaillant AroTHERM+ WP - 1.8kWp W + 11.6kWp Z + 2.7kWp O PV - Kona EV + Kia ev3 - ESP8266 FTW!
Ok, dan is het helemaal duidelijk en houdt Vaillant zich gewoon aan de wetProton_ schreef op zondag 5 november 2023 @ 09:04:
[...]
De 'toeren' zijn daadwerkelijk de draaisnelheid van de compressor.
Het bovenste lijntje is dus altijd 100%, maar dat is bij lage buitentemperaturen dus een ander toerental dan bij hoge.
9.7kWh zou dan zelfs nog ruim voldoende zijn en valt de keuze voor een aroTHERM 105 of 125 makkelijk te maken.
Vaillant AroTHERM+ WP - 1.8kWp W + 11.6kWp Z + 2.7kWp O PV - Kona EV + Kia ev3 - ESP8266 FTW!
Ja dat kan. Hier op het forum is dat her en der wel beschreven.maarten_NL schreef op zondag 5 november 2023 @ 09:19:
[...]
Kan je die sensor zelf vervangen? Het zal vermoedelijk wel een NTC temperatuur zijn, die kan je op een bepaalde weerstandswaarde bij 25c kopen (bij conrad etc) en dan kan je zelf een beetje proberen tot de fans aanslaan bij jou laagste aanvoertemp.
Ik sta bijna op het punt een eigen WP topic aan te maken om mijn plannen aan het grote publiek te testen. Nu ben ik bij het punt uitgekomen om een SWW boiler uit te kiezen, na wat rekenwerk kom ik uit op een vat van 300L, nu heeft Vaillant die zelf ook (naar mijn idee is het mooi om in een installatie alle apparatuur van 1 merk te hebben, tenzij er echt betere oplossingen zijn), nu valt het mij in het eigenaren stukje van de startpost op dat de meeste een aroSTOR of Auer Warmtepompboiler hebben:
Wat is daar de motivatie achter?Eigenaren in dit topic
Naam Model In gebruik sinds SWW Koeling link
@Proton VWL 65/6 A, VWZ AI plus, VRC720 sept 2021 Auer Edel Eau warmtepompboiler Ja (topkoeling met vloerverwarming) link
@Xqlusive Split VWL 75/5 AS okt 2021 300L RVS DJG WPS300 Ja link
@Franciesco aroTHERM Plus VWL 75/6 A mei 2022 aroSTOR VWL B150/5 warmtepompboiler Ja link
@Adriaan71
Arotherm split VWL 75/5 AS 230V
augustus 2020 300 liter de Jong WPS
?
link
@WallyPower
aroTHERM Plus VWL 75/6 A
september 2022 aroSTOR VWL B270/5
ja
link
@Gramser
AWB GeniaAir Mono HA 5-6 O 230V
december 2022 Auer Edel Eau
ja
link
@Anomi
aroTHERM plus VWL 75/6
februari 2023 DJG WPS 300
ja
link
@Bart_Denon
aroTHERM plus VWL 55/6, VWZ AI, VRC720
November 2022 Auer Edel Eau 200L
ja
link
Vaillant AroTHERM+ WP - 1.8kWp W + 11.6kWp Z + 2.7kWp O PV - Kona EV + Kia ev3 - ESP8266 FTW!
Denk dat de grootste factor de mogelijkheid is om een boiler ergens fysiek te plaatsen zonder gigantische toestanden uit te halen met je leidingwerk.maarten_NL schreef op zondag 5 november 2023 @ 09:58:
Ik sta bijna op het punt een eigen WP topic aan te maken om mijn plannen aan het grote publiek te testen. Nu ben ik bij het punt uitgekomen om een SWW boiler uit te kiezen, na wat rekenwerk kom ik uit op een vat van 300L, nu heeft Vaillant die zelf ook (naar mijn idee is het mooi om in een installatie alle apparatuur van 1 merk te hebben, tenzij er echt betere oplossingen zijn), nu valt het mij in het eigenaren stukje van de startpost op dat de meeste een aroSTOR of Auer Warmtepompboiler hebben:
[...]
Wat is daar de motivatie achter?
17,5 kWp zuid Vaillant Arotherm plus 55/6, 75/6 en 125/6
@maarten_NL het kan leidingwerk/installatie makkelijker maken en goedkoper uitkomen, dat is situatieafhankelijk.
Ik ben begonnen met de boiler die dan een jaartje met de gasketel samenwerkte. Dat maakte een gefaseerde aanpak mogelijk, erg fijn bij DIY
Destijds was die boiler gratis met subsidie, intussen is dat gecorrigeerd.
Ik ben begonnen met de boiler die dan een jaartje met de gasketel samenwerkte. Dat maakte een gefaseerde aanpak mogelijk, erg fijn bij DIY
Destijds was die boiler gratis met subsidie, intussen is dat gecorrigeerd.
[ Voor 10% gewijzigd door Proton_ op 05-11-2023 10:11 ]
Het ik-wil-een-warmtepomp FAQ topic- '23 MG5, douchen met wtw en Auer Edel Eau, verwarming met Vaillant Arotherm Plus.
@maarten_NL Ja, Speedcomfort heeft een nieuwe sensor uitgebracht zodat e.e.a. beter toepasbaar is met warmtepompen. Maar dus nog steeds wat hoog in de aanvoer temperatuur.maarten_NL schreef op zondag 5 november 2023 @ 09:19:
[...]
Kan je die sensor zelf vervangen? Het zal vermoedelijk wel een NTC temperatuur zijn, die kan je op een bepaalde weerstandswaarde bij 25c kopen (bij conrad etc) en dan kan je zelf een beetje proberen tot de fans aanslaan bij jou laagste aanvoertemp.
https://www.speedcomfort....at-schakelaar-warmtepomp/
[ Voor 41% gewijzigd door Middenberm op 05-11-2023 10:22 ]
Ik heb de luxe dat de huidige vloerverwarming verdeler in de garage zit, de aanvoer van boven naar beneden wordt straks de aanvoer van beneden naar boven.ds23man schreef op zondag 5 november 2023 @ 10:10:
[...]
Denk dat de grootste factor de mogelijkheid is om een boiler ergens fysiek te plaatsen zonder gigantische toestanden uit te halen met je leidingwerk.
De WP komt als het meezit op het dak er boven, de badkamer zit 1 verdieping hoger aan de andere kant van de muur.
De WPboilers zit nog wel voldoende subsidie op dat je met met of zonder WP (ex installatiekosten) dan nog wel bij elkaar in de buurt komt. Is een WPboiler uitlaatlucht dan evt nog te gebruiken als "gratis" koude lucht? 300L water van 15 naar 45c brengen kost toch een 10kW.Proton_ schreef op zondag 5 november 2023 @ 10:10:
@maarten_NL
Destijds was die boiler gratis met subsidie, intussen is dat gecorrigeerd.
Ik lees dat hier fans van De Jong WPS300's zijn, qua aansluiten/aansturen op de Vaillant is dat allemaal ok?
Vaillant AroTHERM+ WP - 1.8kWp W + 11.6kWp Z + 2.7kWp O PV - Kona EV + Kia ev3 - ESP8266 FTW!
Een Vaillant boiler is van staal en vereist dus een opofferingsanode of elektrische anode en weegt de helft meer dan een veel meer onderhoudsvrije rvs boiler van De Jong of Inventum. En de Vaillant boiler is nog niet eens goedkoper.maarten_NL schreef op zondag 5 november 2023 @ 10:38:
[...]
Ik heb de luxe dat de huidige vloerverwarming verdeler in de garage zit, de aanvoer van boven naar beneden wordt straks de aanvoer van beneden naar boven.
De WP komt als het meezit op het dak er boven, de badkamer zit 1 verdieping hoger aan de andere kant van de muur.
[...]
De WPboilers zit nog wel voldoende subsidie op dat je met met of zonder WP (ex installatiekosten) dan nog wel bij elkaar in de buurt komt. Is een WPboiler uitlaatlucht dan evt nog te gebruiken als "gratis" koude lucht? 300L water van 15 naar 45c brengen kost toch een 10kW.
Ik lees dat hier fans van De Jong WPS300's zijn, qua aansluiten/aansturen op de Vaillant is dat allemaal ok?
Het enige voordeel van een Vaillant boiler lijkt me het naamplaatje en dat die boilers met een 8 bar inlaatcombinatie gebruikt kunnen worden (ipv een 6 bar voor rvs boilers)
Let er wel op dat je een boiler kiest met een spiraaloppervlak van 3 m2.
Aansturing is gelijk. (er is geen aansturing, alleen een temperatuursensor)
7,945 kWp, Atlantic Explorer 3 270 coil, 5 kW Panasonic monobloc H serie, Tesla Model Y RWD (2024)
Ik heb ze beide en vind de heatfan een stuk stiller. Onder 1 radiator hangt een setje van 2x 4 fans van heatfan en die hoor je haast niet op standje 4. Je moet overigens wel de smart controller hebben, die schakelt idd bij iets van 25graden. De andere variant bij iets hogere temperaturen.Middenberm schreef op zondag 5 november 2023 @ 08:28:
Goedemorgen
Niet specifiek een Vaillant vraag maar goed.
Van de periode van voor de plaatsing van onze Arotherm 75/6, hangen er onder meerdere radiatoren speedcomfort radiator ventilatoren. Die dingen schakelen echter pas aan bij een aanvoertemperatuur van 35 graden.
Onze aanvoertemperatuur is nu rond 28 graden en dus hangen ze allemaal werkeloos onder de platen.
Speedcomfort heeft inmiddels wel een nieuwe optionele sensor uitgebracht die aanslaat bij 28 graden, maar da's nog steeds erg op het randje want de aanvoer temperatuur is ook wel eens lager dan dat.
Heatfan schakeld in bij 25,3 en de smart versie werkt nog modulerend ook.
Vraag; hoe zijn de ervaringen met verschillende systemen? Zijn er nog betere opties in combinatie met warmtepompen? Welke heeft de laagste geluidsproductie (vond speedcomfort altijd best een doordringend geluid geven).
De fans van de speedcomforts zijn beter hoorbaar. Ook het in- en uitschakelen is nogal hoorbaar met een flinke klik.
Dat speedcomfort nieuwe sensoren heeft wist ik niet, dat is vrij nieuw waarschijnlijk. Denk dat ik er daar nog maar een paar van aanschaf. Echt veel warmte geeft een radiator toch niet af onder de 28 graden denk ik.
Die sensor bij zo'n speedcomfort lijkt super eenvoudig zelf vervangbaar.Middenberm schreef op zondag 5 november 2023 @ 08:28:
Goedemorgen
Niet specifiek een Vaillant vraag maar goed.
Van de periode van voor de plaatsing van onze Arotherm 75/6, hangen er onder meerdere radiatoren speedcomfort radiator ventilatoren. Die dingen schakelen echter pas aan bij een aanvoertemperatuur van 35 graden.
Onze aanvoertemperatuur is nu rond 28 graden en dus hangen ze allemaal werkeloos onder de platen.
Speedcomfort heeft inmiddels wel een nieuwe optionele sensor uitgebracht die aanslaat bij 28 graden, maar da's nog steeds erg op het randje want de aanvoer temperatuur is ook wel eens lager dan dat.
Heatfan schakeld in bij 25,3 en de smart versie werkt nog modulerend ook.
Vraag; hoe zijn de ervaringen met verschillende systemen? Zijn er nog betere opties in combinatie met warmtepompen? Welke heeft de laagste geluidsproductie (vond speedcomfort altijd best een doordringend geluid geven).
:strip_exif()/f/image/xNjsiBsvcG6ejX3tW49ItZF0.jpg?f=fotoalbum_large)
:strip_exif()/f/image/CGBQqutN7VmIdhhhdDZOhzze.jpg?f=fotoalbum_large)
En die sensoren zijn in een heel breede range online te koop
:strip_exif()/f/image/c3l5aIK38wdHFKHEPOKi8J4m.jpg?f=fotoalbum_large)
Heb ik dan alleen een "normaal open" of een " normaal gesloten" variant nodig? Want dat kan ik niet ontdekken op de sensor die er nu in zit.
Iemand het antwoord?
Ik neem aan normally open. Maar houd rekening met de flinke hysterese en individuele afwijking die bimetaalschakelaars hebben. Met wat pech gaat hij niet meer uit tot je 's zomers gaat koelen. De warmtepompversie van de speedcomfort heeft dan ook geen bimetaal meer, zo te zien.
Het ik-wil-een-warmtepomp FAQ topic- '23 MG5, douchen met wtw en Auer Edel Eau, verwarming met Vaillant Arotherm Plus.
Goeie tip van dat deksel op de printplaat.
Ik heb de versie met twee schroeven bovenaan, dus al wel de verbeterde versie. Dan nog is het denk ik zinnig om wat extra bescherming aan te brengen. Waar ik aan zit te denken is een flapje epdm rubber tussen het deksel te klemmen en dat dat dan over de bovenzijde van het deksel hangt.
Wat betreft de slakkencrematie, die printplaatlak, kan die er zo opgespoten worden of is er meer werk?
En waarvoor ik eigenlijk hier aan het buurten ben is wijze raad:
Sinds half oktober staat bij ons in huis de warmtepomp naast warm water ook de verwarming te stoken. De Arotherm plus 75 is in bedrijf sinds afgelopen 30 mei.
Ik heb hier al eens eerder mijn licht opgestoken voor advies en meedenken, dat is destijds uitstekend gelukt. Dat heeft mede bijgedragen aan de keuze voor een Arotherm, een comfortabele keuze waar we erg blij mee zijn.
Ik kan nu wat raad gebruiken, of ik nog wat dingen kan verbeteren en of het beeld een beetje klopt zo. Meningen en tips zijn welkom 😊
Tijdens afgelopen zomer zat de warmtepomp op een COP van 2,8 voor koelen en warm water (ca. 18 dagen koelen). Nu het stookseizoen een aantal weken onderweg is zit de COP overall op 5,08. Dit gebaseerd op de eigen calori- en elektriciteitsmeter. Hierbij kan ik helaas geen onderscheid maken tussen koelen, warm water en verwarmen. De cijfers in de Arotherm module volg ik niet omdat die wat afwijken.
De installatie (Acadiane in "Vaillant aroTHERM warmtepomp ervaringen") levert warmte aan een 200 liter Inventum Maxtank, 55m2 vloerverwarming en een convectorput op de begane grond en 4 radiatoren op de eerste verdieping. Er is geen buffervat. De installatie heb ik bij begin stookseizoen waterzijdig ingeregeld op Delta T 5c.
Verdere info:




Is er iets wat jullie opvalt?
Ik heb de versie met twee schroeven bovenaan, dus al wel de verbeterde versie. Dan nog is het denk ik zinnig om wat extra bescherming aan te brengen. Waar ik aan zit te denken is een flapje epdm rubber tussen het deksel te klemmen en dat dat dan over de bovenzijde van het deksel hangt.
Wat betreft de slakkencrematie, die printplaatlak, kan die er zo opgespoten worden of is er meer werk?
En waarvoor ik eigenlijk hier aan het buurten ben is wijze raad:
Sinds half oktober staat bij ons in huis de warmtepomp naast warm water ook de verwarming te stoken. De Arotherm plus 75 is in bedrijf sinds afgelopen 30 mei.
Ik heb hier al eens eerder mijn licht opgestoken voor advies en meedenken, dat is destijds uitstekend gelukt. Dat heeft mede bijgedragen aan de keuze voor een Arotherm, een comfortabele keuze waar we erg blij mee zijn.
Ik kan nu wat raad gebruiken, of ik nog wat dingen kan verbeteren en of het beeld een beetje klopt zo. Meningen en tips zijn welkom 😊
Tijdens afgelopen zomer zat de warmtepomp op een COP van 2,8 voor koelen en warm water (ca. 18 dagen koelen). Nu het stookseizoen een aantal weken onderweg is zit de COP overall op 5,08. Dit gebaseerd op de eigen calori- en elektriciteitsmeter. Hierbij kan ik helaas geen onderscheid maken tussen koelen, warm water en verwarmen. De cijfers in de Arotherm module volg ik niet omdat die wat afwijken.
De installatie (Acadiane in "Vaillant aroTHERM warmtepomp ervaringen") levert warmte aan een 200 liter Inventum Maxtank, 55m2 vloerverwarming en een convectorput op de begane grond en 4 radiatoren op de eerste verdieping. Er is geen buffervat. De installatie heb ik bij begin stookseizoen waterzijdig ingeregeld op Delta T 5c.
Verdere info:
- De temperatuur staat handmatig op een vaste waarde van 19c
- Stooklijn van 0,35
- Max. temp. aanvoer 40c is ingesteld
- Min. temp. aanvoer 15c
- Nachtmodus normaal
- SWW op 57c – eco (kouder vind ik niet prettig)
- Warm water mag gemaakt worden tussen 12:00 en 18:00
- Elke zaterdag 13:00 is de legionellarun
- De runs zijn regelmatig 2 uur of langer
- Gedurende de nacht is er regelmatig een periode van ca. 3 uur lang waarin de warmtepomp niet aanslaat, terwijl ik geen fluistermodus of blokkeer ingesteld heb
- Met dit weer en wanneer de wp ongeveer ca. 500 watt verbruikt draait de wp op 25% compressor modulation




Is er iets wat jullie opvalt?
@Proton_ Dankje voor je reactieProton_ schreef op zondag 5 november 2023 @ 14:08:
Ik neem aan normally open. Maar houd rekening met de flinke hysterese en individuele afwijking die bimetaalschakelaars hebben. Met wat pech gaat hij niet meer uit tot je 's zomers gaat koelen. De warmtepompversie van de speedcomfort heeft dan ook geen bimetaal meer, zo te zien.
Voor 5x €0,45 (zoveel sensoren zou ik moeten vervangen) kun je nog eens een gokje wagen.
Dacht er over om er dan sensoren van 25gr in te zetten. Dan zouden ze prima bij Ta 28 aan moeten springen en dus ook weer uit als het onder de 25 komt.
Weet je toevallig dan ook wat voor sensoren er in de nieuwe variant zit? Wellicht kan ik die er net zo makkelijk zelf in zetten. De behuizing is tenslotte precies hetzelfde.
Via het typenummer (KSD301 35c) vind je een Normally Open switch die tot 35C open staat ergens in de buurt van de 20C dicht gaat.Middenberm schreef op zondag 5 november 2023 @ 13:44:
[...]
Die sensor bij zo'n speedcomfort lijkt super eenvoudig zelf vervangbaar.
[Afbeelding]
[Afbeelding]
En die sensoren zijn in een heel breede range online te koop
[Afbeelding]
Heb ik dan alleen een "normaal open" of een " normaal gesloten" variant nodig? Want dat kan ik niet ontdekken op de sensor die er nu in zit.
Iemand het antwoord?
https://vikiwat.com/bimet...ite-body-axial-leads.html
https://www.conrad.nl/nl/o/bi-metaalschakelaars-0216090.html
Die dingen hebben voor het regelen van een laag temperatuur verwarmen naar mijn idee een vreselijke tolerantie (+/-5C) dus welke engineer vond dit een goed idee bij iets waar je op graden precies wil schakelen

Dat het een relatief domme switch is bied het wel mogelijkheid tot het te tweaken, mocht je het zelf (WIFI/MQTT) aan willen sturen dan kan je voor nog geen 10tje het zelf met een ESP8266 zelf regelen, en 1 (of 2 als je de kampertemp ook wil meten) precieze DS18B20 temperatuur sensor en een paar weerstandjes en Tasmota firmware kan je het zelf regelen.
Vaillant AroTHERM+ WP - 1.8kWp W + 11.6kWp Z + 2.7kWp O PV - Kona EV + Kia ev3 - ESP8266 FTW!
@maarten_NL Bedankt voor je reactie.maarten_NL schreef op zondag 5 november 2023 @ 16:58:
[...]
Via het typenummer (KSD301 35c) vind je een Normally Open switch die tot 35C open staat ergens in de buurt van de 20C dicht gaat.
https://vikiwat.com/bimet...ite-body-axial-leads.html
https://www.conrad.nl/nl/o/bi-metaalschakelaars-0216090.html
Die dingen hebben voor het regelen van een laag temperatuur verwarmen naar mijn idee een vreselijke tolerantie (+/-5C) dus welke engineer vond dit een goed idee bij iets waar je op graden precies wil schakelen![]()
Dat het een relatief domme switch is bied het wel mogelijkheid tot het te tweaken, mocht je het zelf (WIFI/MQTT) aan willen sturen dan kan je voor nog geen 10tje het zelf met een ESP8266 zelf regelen, en 1 (of 2 als je de kampertemp ook wil meten) precieze DS18B20 temperatuur sensor en een paar weerstandjes en Tasmota firmware kan je het zelf regelen.
Ik heb inmiddels via Aliexpress 5 stuks KSD301 25C schakelaars besteld.
De speedcomforts hangen onder de radiatoren van de bovenverdieping (kamer dochters, studeerkamer) en met de huidige aanvoertemperatuur zijn ze dus volstrekt nutteloos en dus de radiatoren eigenlijk ook.
Geen idee bij welke temperatuur de 25c versie gaat afschakelen maar voor een totaal van €6,- inclusief bezorgkosten ga ik zeker de gok wagen en is het vele malen goedkoper dan andere opties.
Vind hierbij de mogelijkheid van WiFi zoals je noemde niet echt belangrijk.
Ik weet niet of het bekend is. Maar er is een integratie voor home assistant gemaakt.
https://community.home-as...illant-integration/542610
Net toegevoegd en ik kan diverse zaken uitlezen en bedienen van de WP
/f/image/TObODXKHyeALoxJc8V6Z4Jjd.png?f=fotoalbum_large)
https://community.home-as...illant-integration/542610
Net toegevoegd en ik kan diverse zaken uitlezen en bedienen van de WP
/f/image/TObODXKHyeALoxJc8V6Z4Jjd.png?f=fotoalbum_large)
/f/image/iNpRvzEtuvCl1iPPuy9TMKMh.png?f=fotoalbum_large)
[ Voor 22% gewijzigd door mydogisgone op 06-11-2023 00:08 ]
Mijn hond is nog steeds echt weg! En die komt ook niet weer. :O
@mydogisgone dan heb je de internetgateway nodig. Ikzelf hoop op een dag op een betere integratie puur gebaseerd op de ebusd adapter. Want in principe is met de bus alles beschikbaar, en heb je de cloud niet nodig.
"De kans dat een snee brood op een nieuw tapijt valt met de beboterde zijde onderaan, is recht evenredig met de prijs van het tapijt"
Klopt dan ben je idd de gateway nodig.Tomsworld schreef op maandag 6 november 2023 @ 00:24:
@mydogisgone dan heb je de internetgateway nodig. Ikzelf hoop op een dag op een betere integratie puur gebaseerd op de ebusd adapter. Want in principe is met de bus alles beschikbaar, en heb je de cloud niet nodig.
[ Voor 4% gewijzigd door mydogisgone op 06-11-2023 00:27 ]
Mijn hond is nog steeds echt weg! En die komt ook niet weer. :O
Hier is de ebus adapter inmiddels binnen. Nog even kijken hoe ik die aan ga sluiten, ik herinner me dat dat parallel over de bestaande gateway kon. Heb ik dan alleen een klein stukje 2,5mm² draad en twee Wagoklemmetjes nodig?
9f driewegklep wordt gebruikt om de buffer te bypassen als er gekoeld wordt, zie ik het verkeerd dat er dan geen hydraulische ontkoppeling meer is tussen de circulatiepomp van de warmtepomp en de circulatiepompen op de secundaire circuits?Adriaan71 schreef op woensdag 21 december 2022 @ 17:16:
[...]
Je kan een Vaillant installatie uitbreiden met meerder zones. Dat houd ik dat je met een hydraulische scheiding gaat werken van bv 100 liter en daar sluit je dan meerdere pompgroepen aan. Icm met een VR70 kan 2 pompgroepen en met een VR 71 meerdere pompgroepen.
Elke zone ( pompgroep ) krijg een eigen kamer thermostaat. Dus 1 is de VRC720 en da andere pokpgropen worden VR91 afstandsbedieningen.
Zo kan je elke zone de eigen cv circuit instellingen geven. En de warmtepomp voed de buffer .
Zo kan je elke zone een bepaald gedeelte van een woning laten doen bv etages of andere bijgebouwen.
Zie hieronder een voorbeeld met cascade opstelling.
[Afbeelding]
Er wordt weleens gezegd om het buffervat te bypassen als je zou koelen met de warmtepomp, maar als je maar een beperkt koelvermogen nodig hebt (bvb in 1 kamer met wandverwarming), dan zou de warmtepomp nogal snel kunnen gaan pendelen. In dat geval heb je dus het buffervat nog steeds nodig, het probleem; de aanvoer van koud water aan de primaire zijde (en afname aan secundare zijde) dient dan onderaan het buffervat te gebeuren. Doe je dat niet, dan gaat de werking en het rendement van de installatie vertoord worden doordat de warme en koude lagen in het buffervat zich met elkaar gaan mengen. Een oplossing is om 2 vierwegkleppen te monteren, bij het verwarmen krijg je dan:
/f/image/GRDKJXT7bFk2P3BukdF3sstq.png?f=fotoalbum_large)
In geval het koelen:
/f/image/zPkpKLCXE24CzLQ2PuzTWs9j.png?f=fotoalbum_large)
Voor meer info:
https://www.pmengineer.co...tween-heating-and-cooling
Iemand die dit ooit al op deze manier geimplementeerd heeft?
/f/image/GRDKJXT7bFk2P3BukdF3sstq.png?f=fotoalbum_large)
In geval het koelen:
/f/image/zPkpKLCXE24CzLQ2PuzTWs9j.png?f=fotoalbum_large)
Voor meer info:
https://www.pmengineer.co...tween-heating-and-cooling
Iemand die dit ooit al op deze manier geimplementeerd heeft?
@kurtbs Het ziet er vooral complex uit
Zeker als je het wil automatiseren.
Ik zou ook eerder de buffer met T's aansluiten en driewegkleppen gebruiken. Dat is sowieso al beter qua stratificatie en de spullen zijn wat gangbaarder.
Of 1 vierwegklep.
Ik zou ook eerder de buffer met T's aansluiten en driewegkleppen gebruiken. Dat is sowieso al beter qua stratificatie en de spullen zijn wat gangbaarder.
Of 1 vierwegklep.
[ Voor 3% gewijzigd door Proton_ op 06-11-2023 15:57 ]
Het ik-wil-een-warmtepomp FAQ topic- '23 MG5, douchen met wtw en Auer Edel Eau, verwarming met Vaillant Arotherm Plus.
@Proton_ Ik denk dat je sowieso twee vierwegkleppen nodig hebt voor zowel het primaire als secundaire circuit. Driewegkleppen zijn wel meer gangbaar, maar dan zit je met 4 driewegkleppen + nog twee extra t-stukken, dat maakt het dan ook weer complexer. In mijn geval weegt het voordeel van automatiseren niet op tegen de extra kosten. Ik zal wel twee keer per jaar die vierwegkleppen manueel omschakelen
. Bijkomend voordeel is dat je dan met zekerheid weet dat de kleppen zijn omgeschakeld (en niet zijn vastgelopen).
Als er een bestaand domoticasysteem is, dan valt er nog te overwegen om twee temperatuursensoren te plaatsen aan de primaire zijde van het buffervat, zowel bovenaan als onderaan. Als dan de temperatuur aan de bovenzijde lager is dan die aan de onderzijde, dan kan er een melding gestuurd worden dat de vierwegkleppen manueel dienen omgeschakeld te worden.
Als er een bestaand domoticasysteem is, dan valt er nog te overwegen om twee temperatuursensoren te plaatsen aan de primaire zijde van het buffervat, zowel bovenaan als onderaan. Als dan de temperatuur aan de bovenzijde lager is dan die aan de onderzijde, dan kan er een melding gestuurd worden dat de vierwegkleppen manueel dienen omgeschakeld te worden.
@kurtbs
1 vierwegklep, betere stratificatie, hogere COP.
Zie ook https://warmtepomp-weetje...at-warmtepompinstallatie/ plaatje C.
Liever natuurlijk zo ontwerpen dat helemaal geen buffer nodig is.
1 vierwegklep, betere stratificatie, hogere COP.
Zie ook https://warmtepomp-weetje...at-warmtepompinstallatie/ plaatje C.
Liever natuurlijk zo ontwerpen dat helemaal geen buffer nodig is.
:fill(white):strip_exif()/f/image/uf7xnPPQ9kESfMgv5yqdQ8Oh.png?f=user_large)
Het ik-wil-een-warmtepomp FAQ topic- '23 MG5, douchen met wtw en Auer Edel Eau, verwarming met Vaillant Arotherm Plus.
@Proton_
Ik ben het niet eens met de uitleg die gegeven wordt op warmtepomp-weetjes:
https://warmtepomp-weetje...at-warmtepompinstallatie/
Bufferopstelling voorbeeld C zou de beste opstelling zijn, waarbij de temperatuursensor buiten het buffervat zit. Er is helemaal geen reden om die sensor buiten het buffervat te plaatsen, in een buffervat zijn zeefplaten aangebracht ter bevordering van de temperatuurgelaagde stroming (op onderstaande tekening zowel aan de boven- als onderkant te zien). Bij een goede afregeling van het systeem is het buffervat altijd temperatuurgelaagd, wanneer de warmtepomp het buffervat begint te vullen mag je er zeker van zijn dat de temperatuur bovenaan het buffervat gelijk is aan de temperatuur die geleverd wordt door de warmptepomp.
Een bijkomend probleem van de temperatuursensor buiten het buffervat tegen de leiding te plaatsen is dat de warmtepomp in werking zal treden wanneer de paar kubieke cm water dat in de leiding zit is afgekoeld. Verkeerdelijk denkt het systeem dat er geen warm bufferwater meer voorradig is, en gaat de warmtepomp in bedrijf stellen. Dat terwijl er bvb nog goed 3.5 kWh energie voorradig kan zijn in het buffervat (bij een 300l buffervat met deltaT 10 graden). Wanneer er op dat moment maar een beperkte afname noodzakelijk is, gaat de warmtepomp de energie niet kwijt kunnen in het buffervat (deze is nog helemaal opgeladen) en terug uitvallen. Met andere woorden; ipv een anti-pendel buffervat wordt net het tegenovergestelde bekomen
.
Bufferopstelling voorbeeld A en B zouden niet goed zijn, omdat er een constante menging plaatsvindt tussen het primaire en secundaire circuit, dat is volgens mij volkomen onjuist. Alleen bij een slecht afgeregeld systeem kan dit het geval zijn, waarbij de secundaire zijde een hoger debiet heeft dan de primaire zijde. Doordat de secundaire flow hoger is, pomp je (ongewild) het koudere water naar boven door de warmere lagen, en is er verstoring van het buffervat:
:fill(white):strip_exif()/f/image/wY5bGctrYjzqixTU399LrlRN.png?f=user_large)
Meer info voor een goede afregeling in de post die ik een hele tijd geleden gedaan heb in dit topic:
Ik ben het niet eens met de uitleg die gegeven wordt op warmtepomp-weetjes:
https://warmtepomp-weetje...at-warmtepompinstallatie/
Bufferopstelling voorbeeld C zou de beste opstelling zijn, waarbij de temperatuursensor buiten het buffervat zit. Er is helemaal geen reden om die sensor buiten het buffervat te plaatsen, in een buffervat zijn zeefplaten aangebracht ter bevordering van de temperatuurgelaagde stroming (op onderstaande tekening zowel aan de boven- als onderkant te zien). Bij een goede afregeling van het systeem is het buffervat altijd temperatuurgelaagd, wanneer de warmtepomp het buffervat begint te vullen mag je er zeker van zijn dat de temperatuur bovenaan het buffervat gelijk is aan de temperatuur die geleverd wordt door de warmptepomp.
Een bijkomend probleem van de temperatuursensor buiten het buffervat tegen de leiding te plaatsen is dat de warmtepomp in werking zal treden wanneer de paar kubieke cm water dat in de leiding zit is afgekoeld. Verkeerdelijk denkt het systeem dat er geen warm bufferwater meer voorradig is, en gaat de warmtepomp in bedrijf stellen. Dat terwijl er bvb nog goed 3.5 kWh energie voorradig kan zijn in het buffervat (bij een 300l buffervat met deltaT 10 graden). Wanneer er op dat moment maar een beperkte afname noodzakelijk is, gaat de warmtepomp de energie niet kwijt kunnen in het buffervat (deze is nog helemaal opgeladen) en terug uitvallen. Met andere woorden; ipv een anti-pendel buffervat wordt net het tegenovergestelde bekomen
Bufferopstelling voorbeeld A en B zouden niet goed zijn, omdat er een constante menging plaatsvindt tussen het primaire en secundaire circuit, dat is volgens mij volkomen onjuist. Alleen bij een slecht afgeregeld systeem kan dit het geval zijn, waarbij de secundaire zijde een hoger debiet heeft dan de primaire zijde. Doordat de secundaire flow hoger is, pomp je (ongewild) het koudere water naar boven door de warmere lagen, en is er verstoring van het buffervat:
:fill(white):strip_exif()/f/image/wY5bGctrYjzqixTU399LrlRN.png?f=user_large)
Meer info voor een goede afregeling in de post die ik een hele tijd geleden gedaan heb in dit topic:
Wel ben ik akkoord dat het gebruik van 1 vierwegklep met de temperatuursensor bovenaan in het buffervat ook een werkende opstelling zou zijn. In de technische fiche van de VP RW 45/2 B wordt voor de opstelling als retourvat echter deze opstelling aanbevolen, ik vermoed doordat dit mogelijks een betere hydraulische ontkoppeling geeft:kurtbs schreef op dinsdag 21 juni 2022 @ 19:22:
[...]
Voor een goede afregeling, mag de flow in het secundaire circuit nooit hoger zijn dan die in het primaire. De primaire pomp moet dus in een hogere stand staan, en met de inregelafsluiter moet het debiet in de primaire flow teruggebracht worden naar het hoogst mogelijke debiet in de secundaire flow:
[Afbeelding]
[...]
Wanneer er groepen dichtgaan, dan gaat het debiet in de secundaire flow dalen. Tenzij je een slecht gedimensioneerd afgiftesysteem hebt waarbij er bvb een paar groepen met veel kortere leidinglengte blijven open staan (de hoogste leidinglengte bepaalt de druk), in dit geval zou je plots een hogere flow kunnen hebben. Wanneer je bvb 10 kringen hebt van 60m, en 1 kring van 100m, en je zou die ene kring van 100 meter laten dichtgaan, dan heb je een probleem en moet de Ta naar boven. In dit geval mag je dus nooit de kring van 100m laten dichtgaan, want deze bepaalt de drukval in het afgiftesysteem. Wanneer je het dus juist doet, dan krijg je deze situatie wanneer er groepen dichtlopen; een deel gaat naar het afgiftesysteem, en het andere deel gaat het buffervat vullen. Wanneer het buffervat goed gedimensioneerd, is behoud je dus een lage COP en gaat de warmtepomp niet pendelen:
[Afbeelding]
:fill(white):strip_exif()/f/image/9DxlFIkG48HB8kcpNLCkwRLH.png?f=user_large)
@kurtbs Geinig, ik wist niet dat er schijven met een gat in het midden in zaten. Dat maakt de (in mijn ogen) verkeerde aansluiting van Jan Zwanenburg7 in "Vaillant aroTHERM warmtepomp ervaringen" en KvA73 in "Vaillant aroTHERM warmtepomp ervaringen" (beide hybride) des te pijnlijker.
Ook zijn we het eens dat een goed ingeregelde buffer noodzakelijk is om een zoneregeling lekker te laten werken, al heeft dat vooral met fundamentele tekortkomingen van het regelprincipe van zoneregeling te maken.
En dan geldt dat een seriebuffer minder ruimte voor fouten geeft en dus mijn voorkeur zou hebben.
Ik zie zelf tijdens pendelen overigens de warmtepomp op laag debiet verder pompen, dus van een afkoelende sensor in de leiding zal geen sprake zijn.
Wat ik van je betoog in kurtbs in "Vaillant aroTHERM warmtepomp ervaringen" niet begrijp is hoe de warmtepomp terug zou moeten moduleren bij dichtlopende afgifte - primaire dT en debiet zijn beide constant, totdat de buffer vol is: dan gaat dT plotseling naar 0. Het lijkt me dat de warmtepomp dus aan/uit gedrag zal gaan vertonen in plaats van netjes moduleren (sidenote: inregelafsluiters zijn een anachronisme bij toerengeregelde pompen).
Terugkomend op de koeling; ook daar zal een serievat altijd werken. Een parallelvat bypassen (zodat het een serievat wordt) is dan eenvoudiger dan een set vierwegkleppen, maar om het hele volume van het vat te gebruiken moet je wel een onder- en bovenaansluiting gebruiken, dus toch een vierwegklep
Je leunt dan op de compressorhysterese/graadminutenregeling en het feit dat de warmtepomp bij pendelen rustig blijft pompen zonder compressor, waardoor de buffer weer opwarmt.
Ook zijn we het eens dat een goed ingeregelde buffer noodzakelijk is om een zoneregeling lekker te laten werken, al heeft dat vooral met fundamentele tekortkomingen van het regelprincipe van zoneregeling te maken.
En dan geldt dat een seriebuffer minder ruimte voor fouten geeft en dus mijn voorkeur zou hebben.
Ik zie zelf tijdens pendelen overigens de warmtepomp op laag debiet verder pompen, dus van een afkoelende sensor in de leiding zal geen sprake zijn.
Wat ik van je betoog in kurtbs in "Vaillant aroTHERM warmtepomp ervaringen" niet begrijp is hoe de warmtepomp terug zou moeten moduleren bij dichtlopende afgifte - primaire dT en debiet zijn beide constant, totdat de buffer vol is: dan gaat dT plotseling naar 0. Het lijkt me dat de warmtepomp dus aan/uit gedrag zal gaan vertonen in plaats van netjes moduleren (sidenote: inregelafsluiters zijn een anachronisme bij toerengeregelde pompen).
Terugkomend op de koeling; ook daar zal een serievat altijd werken. Een parallelvat bypassen (zodat het een serievat wordt) is dan eenvoudiger dan een set vierwegkleppen, maar om het hele volume van het vat te gebruiken moet je wel een onder- en bovenaansluiting gebruiken, dus toch een vierwegklep
Je leunt dan op de compressorhysterese/graadminutenregeling en het feit dat de warmtepomp bij pendelen rustig blijft pompen zonder compressor, waardoor de buffer weer opwarmt.
Het ik-wil-een-warmtepomp FAQ topic- '23 MG5, douchen met wtw en Auer Edel Eau, verwarming met Vaillant Arotherm Plus.
Wellicht wat weggezakt in het verhaal over domotica en buffervaten:
Acadiane in "Vaillant aroTHERM warmtepomp ervaringen"
Mocht iemand willen meelezen en een reactie willen geven dan zou ik daar heel blij mee zijn!
Acadiane in "Vaillant aroTHERM warmtepomp ervaringen"
Mocht iemand willen meelezen en een reactie willen geven dan zou ik daar heel blij mee zijn!
@Proton_ heeft helemaal gelijk; in mijn situatie was een deel van de oplossing ook de sensor in het buffervat te plaatsen (of wat ook redelijk werkte: aan de uitgaande CV leiding, tegen het buffervat aan, zodat de geleiding van de buizen de sensor ook op temperatuur bracht, met een paar minuten vertraging ).kurtbs schreef op maandag 6 november 2023 @ 23:08:
@Proton_
...
Bufferopstelling voorbeeld C zou de beste opstelling zijn, waarbij de temperatuursensor buiten het buffervat zit. Er is helemaal geen reden om die sensor buiten het buffervat te plaatsen,
...
@Acadiane Het valt op dat je een elektrische auto hebt en een regelmatig leven hebt 
Verder niet echt wat bijzonders.
Als je de aanvoertemperatuur niet omlaag kan krijgen zonder comfortproblemen te krijgen (door boven ook wat open te zetten? SWW setpoint lager?) is dit zo'n beetje wat het is, al gaat het misschien nog beter worden omdat je nu nog circa 30 kWh zomerstandby meerekent.
@Jan Zwanenburg7 sensor erin of eruit? Mijn voorstel aan kurtbs was eruit (in een T dmv een kruisstuk) maar aangezien het buffervat zelf al hydraulisch zo opgebouwd is kan het ook zonder, onder voorwaarde dat de warmtepomp niet halverwege is aangesloten zoals bij jou was.
Verder niet echt wat bijzonders.
Als je de aanvoertemperatuur niet omlaag kan krijgen zonder comfortproblemen te krijgen (door boven ook wat open te zetten? SWW setpoint lager?) is dit zo'n beetje wat het is, al gaat het misschien nog beter worden omdat je nu nog circa 30 kWh zomerstandby meerekent.
@Jan Zwanenburg7 sensor erin of eruit? Mijn voorstel aan kurtbs was eruit (in een T dmv een kruisstuk) maar aangezien het buffervat zelf al hydraulisch zo opgebouwd is kan het ook zonder, onder voorwaarde dat de warmtepomp niet halverwege is aangesloten zoals bij jou was.
[ Voor 7% gewijzigd door Proton_ op 07-11-2023 16:44 ]
Het ik-wil-een-warmtepomp FAQ topic- '23 MG5, douchen met wtw en Auer Edel Eau, verwarming met Vaillant Arotherm Plus.
@Proton_ Dank! Inderdaad vrij regelmatig leven en een stroomslurper in de vorm van een elektrische auto.
Als ik het goed begrepen heb dan wordt de aanvoertemperatuur bepaald door de stooklijn, waarbij de bovenzijde stooklijn begrenst wordt door de ingestelde max aanvoertemperatuur?
Dus ik zou de stooklijn kunnen verlagen tot het punt dat de temperatuur niet meer gehaald wordt? Of worden de runs dan te lang?
Gezien de huidige COP met verwarmen erbij denk ik dat ik vrij dicht, zo niet al op, het optimale punt zit.
Boven met radiatoren maakt idd dat als ik het daar warm wil hebben de aanvoertemperatuur een hogere ondergrens heeft dan de vloerverwarming beneden. Setpoint SWW staat voor mij/ons prima zo.
Als ik het goed begrepen heb dan wordt de aanvoertemperatuur bepaald door de stooklijn, waarbij de bovenzijde stooklijn begrenst wordt door de ingestelde max aanvoertemperatuur?
Dus ik zou de stooklijn kunnen verlagen tot het punt dat de temperatuur niet meer gehaald wordt? Of worden de runs dan te lang?
Gezien de huidige COP met verwarmen erbij denk ik dat ik vrij dicht, zo niet al op, het optimale punt zit.
Boven met radiatoren maakt idd dat als ik het daar warm wil hebben de aanvoertemperatuur een hogere ondergrens heeft dan de vloerverwarming beneden. Setpoint SWW staat voor mij/ons prima zo.
Ik ben benieuwd of mijn installateur de temperatuursensoren wel op de juiste wijze op de VWZ AI regelmodule heeft aangesloten. Ik kom er aan de hand van de installatiehandleidingen zelf niet helemaal uit. Gaat om een hybride systeem met parallel buffervat (geen boiler voor SWW). Er is geen gebruik gemaakt van een VR70 dus de Pomp en temperatuursensoren zijn rechtstreeks op de VWZ AI aangesloten.
Volgens de handleiding zou de temperatuursensor in het buffervat (SysFlow) moeten worden aangesloten op aansluiting VF1 (SysteemTemperatuurvoeler). Deze is echter aangesloten op SP1 (Boilervoeler). Op VF1 is een temperatuurvoeler aangesloten die is geplaatst achter de circulatiepomp op de CV aanvoerleiding.
Haal ik SP1 los dan krijg ik een foutmelding "geen boiler temperatuur sensor".
Voor mijn gevoel moet de sensor van het buffervat op VF1 en is de andere niet nodig of zie ik iets over het hoofd? Maar dan gaat de regelmodule klagen dat er geen boiler sensor is. Op thermostaat aangegeven dat er geen boiler/SWW aanwezig is.
Volgens de handleiding zou de temperatuursensor in het buffervat (SysFlow) moeten worden aangesloten op aansluiting VF1 (SysteemTemperatuurvoeler). Deze is echter aangesloten op SP1 (Boilervoeler). Op VF1 is een temperatuurvoeler aangesloten die is geplaatst achter de circulatiepomp op de CV aanvoerleiding.
Haal ik SP1 los dan krijg ik een foutmelding "geen boiler temperatuur sensor".
Voor mijn gevoel moet de sensor van het buffervat op VF1 en is de andere niet nodig of zie ik iets over het hoofd? Maar dan gaat de regelmodule klagen dat er geen boiler sensor is. Op thermostaat aangegeven dat er geen boiler/SWW aanwezig is.
Ik beschouw dit niet als pendelen. Dit lijken me runs van een uurtje? Niks mis mee, je woning blijft neem ik aan op temperatuur. Als het kouder wordt zullen de runs wel langer worden. Gisteren was het hier door de windchill wat kouder, net als nu, en de runs werden inderdaad langer: de wind onttrok meer warmte aan de woning. Warmtepomp bleef wel op mooi laag niveau draaien, rond de 400W met een COP van 6.benolski schreef op dinsdag 7 november 2023 @ 20:36:
[...]
Opbrengst warmte delen door kWh van kWh meter + 1
Is dit pendelen? Minimum Ta al verhoogd naar 28 graden maar geen verbetering. Wellicht moet het wat kouder worden voor langere runs.
[Afbeelding]
Toch maar even gebeld met Vaillant, volgens de medewerker sluit je inderdaad de SysFlow sensor (buffervat) aan op VF1, na reset is de melding over boiler sensor verdwenen. Zal voor de werking weinig verschil maken maar nu aangesloten zoals het hoort en beter te begrijpen.Switek schreef op dinsdag 7 november 2023 @ 23:16:
Ik ben benieuwd of mijn installateur de temperatuursensoren wel op de juiste wijze op de VWZ AI regelmodule heeft aangesloten. Ik kom er aan de hand van de installatiehandleidingen zelf niet helemaal uit. Gaat om een hybride systeem met parallel buffervat (geen boiler voor SWW). Er is geen gebruik gemaakt van een VR70 dus de Pomp en temperatuursensoren zijn rechtstreeks op de VWZ AI aangesloten.
Volgens de handleiding zou de temperatuursensor in het buffervat (SysFlow) moeten worden aangesloten op aansluiting VF1 (SysteemTemperatuurvoeler). Deze is echter aangesloten op SP1 (Boilervoeler). Op VF1 is een temperatuurvoeler aangesloten die is geplaatst achter de circulatiepomp op de CV aanvoerleiding.
Haal ik SP1 los dan krijg ik een foutmelding "geen boiler temperatuur sensor".
Voor mijn gevoel moet de sensor van het buffervat op VF1 en is de andere niet nodig of zie ik iets over het hoofd? Maar dan gaat de regelmodule klagen dat er geen boiler sensor is. Op thermostaat aangegeven dat er geen boiler/SWW aanwezig is.
Dat is een nette COP, ik zat gisteren op 4.7Gramser schreef op woensdag 8 november 2023 @ 08:39:
[...]
Ik beschouw dit niet als pendelen. Dit lijken me runs van een uurtje? Niks mis mee, je woning blijft neem ik aan op temperatuur. Als het kouder wordt zullen de runs wel langer worden. Gisteren was het hier door de windchill wat kouder, net als nu, en de runs werden inderdaad langer: de wind onttrok meer warmte aan de woning. Warmtepomp bleef wel op mooi laag niveau draaien, rond de 400W met een COP van 6.
AMD 5950x || Asus VIII Dark Hero || G.Skill Trident Z Neo 2x16GB C16-16-16-36 || EVGA FTW3 3080 Ultra || 2x WD SN850 1TB || Corsair HX850i
Pendelen blijft voor mij een groot ?Cyrus The Virus schreef op woensdag 8 november 2023 @ 09:51:
[...]
Dat is een nette COP, ik zat gisteren op 4.7
Het zijn runs van ongeveer 50 minuten.
Mijn installatie is niet erg ingewikkeld met nog de oude verdeler met pomp en buffer van 45 liter in retourleidingKwam gisteren op een Cop van 5.1 ( in oktober steeds rond 5.2 maar volgens de vwz ai 4.8)
Tsja, ik zie dat toch niet als pendelen. Gebruik je ruimtecompensatie?
Dat zal o.a. afhankelijk zijn van gekozen stooklijn, wenstemperatuur en afgiftesysteem. Maar niks mis met 4,7 lijkt me. Ik verwacht dat de mijne snel omlaag zal gaan als het kouder wordt.Cyrus The Virus schreef op woensdag 8 november 2023 @ 09:51:
[...]
Dat is een nette COP, ik zat gisteren op 4.7
Ik ook. Eerst maar eens wachten op lagere temp.benolski schreef op woensdag 8 november 2023 @ 12:06:
Ik gebruik uitgebreid
Nog een vraagje over de COP, hoe bereken je die nu echt...
In de warmtepomp kan je volgende uitlezen:
- CurrentYieldPower (dus warmteopbrengst)
- CurrentConsumedPower (dus elektrisch verbruik)
En ook
- CopHC (de COP waarde die de warmtepomp terug rapporteert...
Normaal gezien zegt Vaillant dat de COP berekening is als volgt:
COP = (warmteopbrengst + elektrisch verbruik) / elektrisch verbruik
Echter zie ik dat de CopHC die de warmtepomp rapporteert lager is dan deze berekening en meer in lijn is met:
COP = warmteopbrengst / elektrisch verbruik
Welke is het nu...???
bv. Nu zie ik volgende:
COP met (warmteopbrengst + elektrisch verbruik) / elektrisch verbruik = 6,8
COP met warmteopbrengst / elektrisch verbruik = 5,8
CopHC van de warmtepomp uitgelezen : 5.8
In de warmtepomp kan je volgende uitlezen:
- CurrentYieldPower (dus warmteopbrengst)
- CurrentConsumedPower (dus elektrisch verbruik)
En ook
- CopHC (de COP waarde die de warmtepomp terug rapporteert...
Normaal gezien zegt Vaillant dat de COP berekening is als volgt:
COP = (warmteopbrengst + elektrisch verbruik) / elektrisch verbruik
Echter zie ik dat de CopHC die de warmtepomp rapporteert lager is dan deze berekening en meer in lijn is met:
COP = warmteopbrengst / elektrisch verbruik
Welke is het nu...???
bv. Nu zie ik volgende:
COP met (warmteopbrengst + elektrisch verbruik) / elektrisch verbruik = 6,8
COP met warmteopbrengst / elektrisch verbruik = 5,8
CopHC van de warmtepomp uitgelezen : 5.8
De COP is voor zover ik weet niets meer dan de verhouding tussen warmteopbrengst en elektrische verbruik. Een elektirsch kachel heeft COP van 1 of lager.Infernoken schreef op woensdag 8 november 2023 @ 12:24:
Nog een vraagje over de COP, hoe bereken je die nu echt...
In de warmtepomp kan je volgende uitlezen:
- CurrentYieldPower (dus warmteopbrengst)
- CurrentConsumedPower (dus elektrisch verbruik)
En ook
- CopHC (de COP waarde die de warmtepomp terug rapporteert...
Normaal gezien zegt Vaillant dat de COP berekening is als volgt:
COP = (warmteopbrengst + elektrisch verbruik) / elektrisch verbruik
Echter zie ik dat de CopHC die de warmtepomp rapporteert lager is dan deze berekening en meer in lijn is met:
COP = warmteopbrengst / elektrisch verbruik
Welke is het nu...???
bv. Nu zie ik volgende:
COP met (warmteopbrengst + elektrisch verbruik) / elektrisch verbruik = 6,8
COP met warmteopbrengst / elektrisch verbruik = 5,8
CopHC van de warmtepomp uitgelezen : 5.8
AMD 5950x || Asus VIII Dark Hero || G.Skill Trident Z Neo 2x16GB C16-16-16-36 || EVGA FTW3 3080 Ultra || 2x WD SN850 1TB || Corsair HX850i
Bij Vaillant wordt in de berekening geen rekening gehouden met het feit dat het elektrisch verbruik meetelt in de gegenereerde thermische energie. Daarom wordt die er bij Vaillant bij opgeteld. Dat maakt het vergelijken met andere merken ook weer eerlijker.
Of ik moet hier de plank volledig misslaan, dat sluit ik niet uit.
Of ik moet hier de plank volledig misslaan, dat sluit ik niet uit.
Ja maar dat vermogen wat verbruikt word is vooral de buitenunit en die wekt wel warmte op maar daar heb je in huis niks aan.Gramser schreef op woensdag 8 november 2023 @ 12:45:
Bij Vaillant wordt in de berekening geen rekening gehouden met het feit dat het elektrisch verbruik meetelt in de gegenereerde thermische energie. Daarom wordt die er bij Vaillant bij opgeteld. Dat maakt het vergelijken met andere merken ook weer eerlijker.
Of ik moet hier de plank volledig misslaan, dat sluit ik niet uit.
Ik zat bij mij te kijken naar de Flow die er gemeten word met ebusd en die ligt rond de 2000L/h is dat altijd zo hoog ? (ik heb wel 45 liter buffervat)
[ Voor 11% gewijzigd door Cyrus The Virus op 08-11-2023 12:49 ]
AMD 5950x || Asus VIII Dark Hero || G.Skill Trident Z Neo 2x16GB C16-16-16-36 || EVGA FTW3 3080 Ultra || 2x WD SN850 1TB || Corsair HX850i
hier altijd 1200 ongeveer op stand autoCyrus The Virus schreef op woensdag 8 november 2023 @ 12:47:
[...]
Ja maar dat vermogen wat verbruikt word is vooral de buitenunit en die wekt wel warmte op maar daar heb je in huis niks aan.
Ik zat bij mij te kijken naar de Flow die er gemeten word met ebusd en die ligt rond de 2000L/h is dat altijd zo hoog ? (ik heb wel 45 liter buffervat)
WP Vaillant VWL75/6 A 230V | Boiler VIH RW 300/3 MR | 27 x 405 ZZO= 10.935 op Solar Edge 9 kW 3 fasen omvormer | Vent: Zehnder Q600 ERV
Let op:
Voor standaard vragen zoals "Hoeveel kW heb ik nodig?" etc lees eerst eens Het ik-wil-een-warmtepomp FAQ topic
Voor standaard vragen zoals "Hoeveel kW heb ik nodig?" etc lees eerst eens Het ik-wil-een-warmtepomp FAQ topic