Het was isolatie dat helaas niet zelfklevend is. Kortom: ik krijg het er niet meer omheen zonder de hele boel los te halen. Aangezien ik geen F-gassen dude ben, is dat wat lastig op het momentoverwinteraar schreef op donderdag 5 januari 2023 @ 12:15:
[...]
Nog gelukt met deze maten armaflex AF? Ik heb nl dezelfde leidingmaten en zie vergelijkbare AF maten (12 en 18 mm) voorbij komen. En m'n isolatie buiten is iig aan vervanging toe... witte troep...
En voor rest van topic: ik wil iig buitendeel van leiding met AF inpakken (ca 3,5 meter in goot en 0,5 meter buiten goot). Binnen op zolder heb ik ook nog zo'n 8 meter per leiding lopen naar binnenunit. Daar zit dat witte prutje ook omheen, leidingen zijn strak tegen gording gezet met spijkerstrips. Is dus wat werk om dat los te halen, isolatie weg te snijden en AF om te doen. Zou dit binnen ook de moeite waard zijn om te vervangen?
Hoi @LeonTebbens , nu na 1,5 jaar, zit die groene lak er nog goed op? In je verslag rep je niet over een enorme schuurpartij, 't was een kwestie van ontvetten en spuiten? Heb jij hoogglans gebruikt?LeonTebbens schreef op vrijdag 1 april 2022 @ 17:36:
[...]
Leuk dat je het vraagt, zelf gespoten en ben er best wel beetje trots op. Mitsu logo kon ik er aftrekken en na verven weer opplakken 😀
Panasonic J 7kW WP, boiler & HeishaMon, 6022 Wp PV, Enphase+ST GW, SOLAX SK-SU3000E 13kWh BESS, ITHO Qualityflow WTW, Elvi Smart Charging+ laadpunt, Kia EV6 84kWh EA MY25, gasloos '23
Ik ben de haalbaarheid aan het onderzoeken voor vloerverwarming op de BG en 1e verd.
Voor de grote kamers is het vermogen geen probleem bij lage temperatuur (Ta van 28gr bij -4gr Tbuiten), maar hoe doen jullie dit bij bij een kleine ruimte zoals een bijkeuken of badkamer? Dit zijn, in mijn geval, beiden ruimtes met maar 4m2 vloer oppervlak voor de verwarming.
Daar haal ik volgens https://www.wth.nl/support-en-service/afgifte-berekening maar resp. een kleine 175W en 100W uit de vloer, niet voldoende voor het berekende warmte verlies.
Hoe doen jullie dit? Een Jaga er bij plaatsen? Iets anders?
Voor de grote kamers is het vermogen geen probleem bij lage temperatuur (Ta van 28gr bij -4gr Tbuiten), maar hoe doen jullie dit bij bij een kleine ruimte zoals een bijkeuken of badkamer? Dit zijn, in mijn geval, beiden ruimtes met maar 4m2 vloer oppervlak voor de verwarming.
Daar haal ik volgens https://www.wth.nl/support-en-service/afgifte-berekening maar resp. een kleine 175W en 100W uit de vloer, niet voldoende voor het berekende warmte verlies.
Hoe doen jullie dit? Een Jaga er bij plaatsen? Iets anders?
Dit heb ik toevallig recent uitgezocht. Meer isolatie is natuurlijk altijd beter maar kost ook geld. De vraag is hoeveel isolatie genoeg is.Andrehj schreef op donderdag 5 januari 2023 @ 10:10:
[...]
Daarover verschillen de meningen. Hier heb ik een split met ca 17 meter 3/8 en 5/8 koelleiding, die slechts is voorzien van de standaard isolatie (ik wist toen nog niet beter) en deze haalt in het CV-water meer dan zijn gespecificeerde vermogen. Veel kan ik dus nooit in de koelmiddelleiding verliezen.
Een warmtepomp moet het met name hebben van het fase-verschil tussen gas en vloeistof. Daar komt de meeste energie bij vrij. Zo lang je geen condensatie hebt in de leiding valt het verlies mee. Pak er maar eens een log-ph of enthalpy grafiek bij.
Bij R32 win je bijv. ongeveer 250kJ/kg bij de phase-change met aanvoer gas-temperatuur van 30 graden bij een druk van 2 MPa. Tussen 30 en 50 graden (beiden als gas) zit "maar" 20 kJ/kg.
Het warmteverlies onderweg moet gecompenseerd worden door de afvoer temperatuur van het gas bij de buiten-unit iets te verhogen zodat het gas ook als gas aankomt bij de binnen-unit.
@Remco45 had jij dat ook al niet ooit eens uitgezocht.
Zover ik weet heb je met een splitunit (met koudemiddel naar binnen) minder warmteverlies dan bij een monoblock (met warm water naar binnen).
Ik heb ooit eens een verhaal gelezen waarin iemand dit uitlegde waarom dit zo was, ik kan het alleen niet terugvinden.
Het leek een beetje op het verhaal van @Kameelstok maar er zijn toch een aantal personen blijkbaar die stellig beweren dat een Monoblock minderwarmte verlies heeft, en nu begin ik weer te twijfelen (al voor de 3e keer volgens mij
)
Hamvraag, wat levert meer warmteverlies op, een SPLIT WP met 30 meter leiding, of een Monoblock WP met 30 meter leiding.
Zover ik weet heb je met een splitunit (met koudemiddel naar binnen) minder warmteverlies dan bij een monoblock (met warm water naar binnen).
Ik heb ooit eens een verhaal gelezen waarin iemand dit uitlegde waarom dit zo was, ik kan het alleen niet terugvinden.
Het leek een beetje op het verhaal van @Kameelstok maar er zijn toch een aantal personen blijkbaar die stellig beweren dat een Monoblock minderwarmte verlies heeft, en nu begin ik weer te twijfelen (al voor de 3e keer volgens mij
Hamvraag, wat levert meer warmteverlies op, een SPLIT WP met 30 meter leiding, of een Monoblock WP met 30 meter leiding.
[ Voor 21% gewijzigd door Grolsch op 05-01-2023 16:59 ]
Jij weet er toch altijd weer iets nog mooiers van te makenPentaClover schreef op donderdag 5 januari 2023 @ 10:51:
@Zwerius
Naar aanleiging van je opmerking heb ik ook maar eens een overzichtje van een compleet jaar gegenereerd, en dan wordt het inderdaad wat lastiger en moet er meer uitgesplitst worden.
Ik heb nu mijn scriptje uitgebreid en de warmte van mensen en stroom verbruik gesplitst naar tijdens koelen, tijdens verwarmen en overig (soms koel ik niet en verwarm ik ook niet).
Ik zie nu dat ~34% van de warmte die ik weg koel van interne warmte bronnen komt.
Ik zie nu dat ~16% van de verwarming van interne bronnen komt.
Dat zijn best significante bijdragen.
Ik zie nu overigens ook dat er ~12% van de dagen niet verwarmd of gekoeld wordt.
[Afbeelding]
Elga | Valliant eco TEC plus VHR 30-34/5-5L | Kamstrup 602 |Nodo OTGW | Raspberry Pi 3B+/4B+|RFXcom rfxtrx433xl | UniFi netwerk | PVoutput 8.625 kWp
Je kunt evt. ook wandverwarming overwegen. Dus net zo iets als vv, maar dan in/aan een muur.StevenPH schreef op donderdag 5 januari 2023 @ 15:31:
Ik ben de haalbaarheid aan het onderzoeken voor vloerverwarming op de BG en 1e verd.
Voor de grote kamers is het vermogen geen probleem bij lage temperatuur (Ta van 28gr bij -4gr Tbuiten), maar hoe doen jullie dit bij bij een kleine ruimte zoals een bijkeuken of badkamer? Dit zijn, in mijn geval, beiden ruimtes met maar 4m2 vloer oppervlak voor de verwarming.
Daar haal ik volgens https://www.wth.nl/support-en-service/afgifte-berekening maar resp. een kleine 175W en 100W uit de vloer, niet voldoende voor het berekende warmte verlies.
Hoe doen jullie dit? Een Jaga er bij plaatsen? Iets anders?
Bij voorkeur een binnenmuur, want immers bij een buitenmuur zouden je verliezen toenemen doordat je de temperatuur van het binnenspouwblad verhoogt.
Zwerius Kriegsman
Je kunt bij HoH 100 met 18mm slang in de praktijk wel 100 W/m² halen (mits er tegels als vloerbedekking wordt gekozen). Dus dan komt je bij een ruimte van 4 m² al aan de 400W.StevenPH schreef op donderdag 5 januari 2023 @ 15:31:
Ik ben de haalbaarheid aan het onderzoeken voor vloerverwarming op de BG en 1e verd.
Voor de grote kamers is het vermogen geen probleem bij lage temperatuur (Ta van 28gr bij -4gr Tbuiten), maar hoe doen jullie dit bij bij een kleine ruimte zoals een bijkeuken of badkamer? Dit zijn, in mijn geval, beiden ruimtes met maar 4m2 vloer oppervlak voor de verwarming.
Daar haal ik volgens https://www.wth.nl/support-en-service/afgifte-berekening maar resp. een kleine 175W en 100W uit de vloer, niet voldoende voor het berekende warmte verlies.
Hoe doen jullie dit? Een Jaga er bij plaatsen? Iets anders?
WP: ME PUHZ-SW75YAA + ERSD-VM2D + EV-WP-TWS-1W 300; AC: ME MXZ-2F42VF + 2x MSZ-LN25VGV; PV: 14.08 kWp O/W + SMA STP 8.0; Vent: Zehnder Q600 ERV + Ubbink AirExcellent.
En voor het geval je (@StevenPH) bang bent dat je daarna nooit meer in de muur kunt boren: Koop er voor een paar honderd euro een warmtebeeldcamera bij, dan kun je later nog mooi de leidingen in de muur zien lopen: Guide PC210 warmtebeeldcamera met korting @ AliExpressZwerius schreef op donderdag 5 januari 2023 @ 17:28:
Je kunt evt. ook wandverwarming overwegen. Dus net zo iets als vv, maar dan in/aan een muur.
Bij voorkeur een binnenmuur, want immers bij een buitenmuur zouden je verliezen toenemen doordat je de temperatuur van het binnenspouwblad verhoogt.
WP: ME PUHZ-SW75YAA + ERSD-VM2D + EV-WP-TWS-1W 300; AC: ME MXZ-2F42VF + 2x MSZ-LN25VGV; PV: 14.08 kWp O/W + SMA STP 8.0; Vent: Zehnder Q600 ERV + Ubbink AirExcellent.
- Proton_
- Registratie: November 2011
- Laatst online: 09:31
@Kameelstok de conclusie was de vorige keer ook dat het in beide gevallen doorgaans niet schokkend veel was 
Maar als je het verder wil onderzoeken, dan komen de pompverliezen dus nog bovenop de thermische verliezen.
Maar als je het verder wil onderzoeken, dan komen de pompverliezen dus nog bovenop de thermische verliezen.
Het ik-wil-een-warmtepomp FAQ topic- '23 MG5, douchen met wtw en Auer Edel Eau, verwarming met Vaillant Arotherm Plus.
Klopt, ontvetten, veeuuul afplakken en spuiten. Ik heb deze lak gebruikt, vijf bussen.blb4 schreef op donderdag 5 januari 2023 @ 14:05:
[...]
Hoi @LeonTebbens , nu na 1,5 jaar, zit die groene lak er nog goed op? In je verslag rep je niet over een enorme schuurpartij, 't was een kwestie van ontvetten en spuiten? Heb jij hoogglans gebruikt?
Er is zelfs een keer een Kauw op de unit gaan zitten, maar de lak bleef zitten!
WP: Mitsubishi Ecodan ERSD-VM2D + PUHZ-SW75YAA + De Jong WPS300 Solar boiler met 1 Nefit paneel. PV: 2100Wp. Jaren-30 huis, gasloos sinds mrt 2021
In theorie komt deze maar op ca 20W/m2 (zie hieronder), hoe is dit te verhogen naar 100? (Uiteraard zonder de watertemperatuur naar 40gr te verhogen..)Andrehj schreef op donderdag 5 januari 2023 @ 17:49:
[...]
Je kunt bij HoH 100 met 18mm slang in de praktijk wel 100 W/m² halen (mits er tegels als vloerbedekking wordt gekozen). Dus dan komt je bij een ruimte van 4 m² al aan de 400W.
/f/image/QZN4AXLCphB3Jp57S2HDBLdq.png?f=fotoalbum_large)
Edit: laat maar, er zit iets niet lekker in die wth tool, vermogen is precies hetzelfde als bij de 16x2 buis, dat lijkt me niet te kloppen.
Zal wel is even zoeken naar een afgifte tabel voor die buis.
[ Voor 11% gewijzigd door StevenPH op 05-01-2023 19:36 ]
Niet +10 voor 55 graden? Gaat toch om een realistisch maximaal geluid, maar dan zonder dat ijsvorming nog voor wat extra trillingen zorgt.LeonTebbens schreef op donderdag 5 januari 2023 @ 13:41:
[...]
Klopt ik had t verkeerd onthouden. Huidige norm is +10 buitentemperatuur voor 35 graden CV water.
Remeha Elga Ace 4kW - MHI SRK ZS-W 4kW - 5355 Wp ZO - 1000 Wp vlak - 4200 Wp NW - 7x Jaga Strada + zelfbouw DBE - 3xVictron Multiplus II 48V 5000 + 62kWh LFP accu - DoucheWTW + 1.5kW 200l Smart Boiler
.
[ Voor 99% gewijzigd door Ronald.42 op 27-02-2023 16:16 ]
Solar 15040wp 12x425 ZZW schuin dak 8x260 N schuin dak16x zzw platdak, 6x430 terras oost, wp Sprsun10Kw, wpb arostor 150l, 3x Marstek 5,12kwh.
Je moet natuurlijk niet verwachten dat je die 100 W/m² met Ta 28 kunt halen. Daarvoor moet je naar een gemiddelde watertemperatuur van zo'n 35 graden, dus naar bijvoorbeeld 37 aanvoer en 33 retour.StevenPH schreef op donderdag 5 januari 2023 @ 19:32:
In theorie komt deze maar op ca 20W/m2 (zie hieronder), hoe is dit te verhogen naar 100?
Dit vermogen zou je ook alleen maar nodig moeten hebben bij -10, dus als je dan een keertje naar Ta 37 moet is ook weer niet zo'n ramp.
WP: ME PUHZ-SW75YAA + ERSD-VM2D + EV-WP-TWS-1W 300; AC: ME MXZ-2F42VF + 2x MSZ-LN25VGV; PV: 14.08 kWp O/W + SMA STP 8.0; Vent: Zehnder Q600 ERV + Ubbink AirExcellent.
Tnx. Heb zelfde aanbod gevonden, denk ik. 12 mm van 5 of 19 mm dik en 18 mm van 9 mm dik. Ga hier ws wel proberen over lengte open te snijden en dicht te plakken. Grootste deel zit toch in koof of onder gordingID-College schreef op donderdag 5 januari 2023 @ 14:01:
[...]
Het was isolatie dat helaas niet zelfklevend is. Kortom: ik krijg het er niet meer omheen zonder de hele boel los te halen. Aangezien ik geen F-gassen dude ben, is dat wat lastig op het momentIk ben idealiter op zoek naar zelfklevende delen, dan kan ik daarmee de boel inpakken. En het open snijden en zelf dichtlijmen kan, maar ben ik niet zo'n hele grote fan van op het moment. Ben bang dat het dan rommelig wordt..
Loria 6010 met HCTM | 300l SWW zonneboiler | 27 kWp PV | gasloos
.
[ Voor 99% gewijzigd door Ronald.42 op 27-02-2023 16:17 ]
Solar 15040wp 12x425 ZZW schuin dak 8x260 N schuin dak16x zzw platdak, 6x430 terras oost, wp Sprsun10Kw, wpb arostor 150l, 3x Marstek 5,12kwh.
Tuurlijk, als je de Ta verhoogd naar ca 35 dan haal je het wel, maar als de rest van de vloerverwarming maar 28 nodig heeft is natuurlijk wel zonde (plus je hebt dan ook de in dit topic sterk afgeraden mengverdeler met pomp nodig).Andrehj schreef op donderdag 5 januari 2023 @ 19:48:
[...]
Je moet natuurlijk niet verwachten dat je die 100 W/m² met Ta 28 kunt halen. Daarvoor moet je naar een gemiddelde watertemperatuur van zo'n 35 graden, dus naar bijvoorbeeld 37 aanvoer en 33 retour.
Dit vermogen zou je ook alleen maar nodig moeten hebben bij -10, dus als je dan een keertje naar Ta 37 moet is ook weer niet zo'n ramp.
Vandaar de vraag wat te doen met die ruimtes. Ik kom wel wat tabellen tegen met HOH afstand van 50mm (https://www.vloerverwarmi...e-tabel-16-x-2.0-V1.1.pdf ), is dat iets wat in de praktijk mogelijk is?
Beste mede-Tweakers,
Na veel hier meegelezen te hebben en er zowat een studie van gemaakt te hebben om zaken te leren, begrijpen en snappen voor ons nieuwe huis en verbouwing is het nu zover dat wij na negen weken (!) ook eindelijk de offerte voor de WP binnen hebben. Ik kan enkel zeggen: wow, wat een kennis hebben jullie en heb ik daar veel van opgestoken.
Aangezien het een fikse investering is en ik ondertussen best wat begrijp zou ik het toch waarderen als jullie feedback geven op de samenstelling/offerte.
Vrijstaande woning op het zuiden, bouwjaar 1992/1993;
Woonkamer/keuken/entree/toilet: 85m2;Garage 30m2, Totaal dus 113m2 VV (10 groepen)
HR++ beglazing, schuifpui en voordeur HR+++ en vloerisolatie zal verbeterd worden vanuit de kruipruimte.
SWW alleen voor douche/badkamer en kleine kraan in garage (indien warm water nodig).
Plaatsing in garage met buitenunit direct aan andere kant van de muur.
Voorstel installateur:
Binnenunit: Daikin Altherma 3R-EBVH11S23D9W (10,9 kW (?)/230L SWW) incl. back-up heater.
Buitenunit: Daikin Altherma 3R-ERLA11DW1 (split)
Buffervat 100L Nibe
Grundfos Alpha1 circulatiepomp
Compleet: 19.950,- euro ex BTW.
Nu had ik concreet twee vragen:
- waarom een buffervat van 100L? In mijn optiek erg veel ...
- de garage hoeft niet op 20 graden mee verwarmd te worden, maar 15/16 graden. Kwestie van de flow verminderen op de verdeler of toch die tweede thermostaat plaatsen? Al zou ik op jullie verhalen afgaande liever het geheel laten werken op WAR.
Er is geen echt Daikin-topic voor mijn vragen, vandaar hier. Sorry, als ik toch fout zit.
Dank alvast, alle tips zijn welkom.
Na veel hier meegelezen te hebben en er zowat een studie van gemaakt te hebben om zaken te leren, begrijpen en snappen voor ons nieuwe huis en verbouwing is het nu zover dat wij na negen weken (!) ook eindelijk de offerte voor de WP binnen hebben. Ik kan enkel zeggen: wow, wat een kennis hebben jullie en heb ik daar veel van opgestoken.
Aangezien het een fikse investering is en ik ondertussen best wat begrijp zou ik het toch waarderen als jullie feedback geven op de samenstelling/offerte.
Vrijstaande woning op het zuiden, bouwjaar 1992/1993;
Woonkamer/keuken/entree/toilet: 85m2;Garage 30m2, Totaal dus 113m2 VV (10 groepen)
HR++ beglazing, schuifpui en voordeur HR+++ en vloerisolatie zal verbeterd worden vanuit de kruipruimte.
SWW alleen voor douche/badkamer en kleine kraan in garage (indien warm water nodig).
Plaatsing in garage met buitenunit direct aan andere kant van de muur.
Voorstel installateur:
Binnenunit: Daikin Altherma 3R-EBVH11S23D9W (10,9 kW (?)/230L SWW) incl. back-up heater.
Buitenunit: Daikin Altherma 3R-ERLA11DW1 (split)
Buffervat 100L Nibe
Grundfos Alpha1 circulatiepomp
Compleet: 19.950,- euro ex BTW.
Nu had ik concreet twee vragen:
- waarom een buffervat van 100L? In mijn optiek erg veel ...
- de garage hoeft niet op 20 graden mee verwarmd te worden, maar 15/16 graden. Kwestie van de flow verminderen op de verdeler of toch die tweede thermostaat plaatsen? Al zou ik op jullie verhalen afgaande liever het geheel laten werken op WAR.
Er is geen echt Daikin-topic voor mijn vragen, vandaar hier. Sorry, als ik toch fout zit.
Dank alvast, alle tips zijn welkom.
[ Voor 3% gewijzigd door Ralph88 op 05-01-2023 20:52 ]
Daikin Altherma warmtepomp ervaringenRalph88 schreef op donderdag 5 januari 2023 @ 20:50:
Beste mede-Tweakers,
Na veel hier meegelezen te hebben en er zowat een studie van gemaakt te hebben om zaken te leren, begrijpen en snappen voor ons nieuwe huis en verbouwing is het nu zover dat wij na negen weken (!) ook eindelijk de offerte voor de WP binnen hebben. Ik kan enkel zeggen: wow, wat een kennis hebben jullie en heb ik daar veel van opgestoken.
Aangezien het een fikse investering is en ik ondertussen best wat begrijp zou ik het toch waarderen als jullie feedback geven op de samenstelling/offerte.
Vrijstaande woning op het zuiden, bouwjaar 1992/1993;
Woonkamer/keuken/entree/toilet: 85m2;Garage 30m2, Totaal dus 113m2 VV (10 groepen)
HR++ beglazing, schuifpui en voordeur HR+++ en vloerisolatie zal verbeterd worden vanuit de kruipruimte.
SWW alleen voor douche/badkamer en kleine kraan in garage (indien warm water nodig).
Plaatsing in garage met buitenunit direct aan andere kant van de muur.
Voorstel installateur:
Binnenunit: Daikin Altherma 3R-EBVH11S23D9W (10,9 kW (?)/230L SWW) incl. back-up heater.
Buitenunit: Daikin Altherma 3R-ERLA11DW1 (split)
Buffervat 100L Nibe
Grundfos Alpha1 circulatiepomp
Compleet: 19.950,- euro ex BTW.
Nu had ik concreet twee vragen:
- waarom een buffervat van 100L? In mijn optiek erg veel ...
- de garage hoeft niet op 20 graden mee verwarmd te worden, maar 15/16 graden. Kwestie van de flow verminderen op de verdeler of toch die tweede thermostaat plaatsen? Al zou ik op jullie verhalen afgaande liever het geheel laten werken op WAR.
Er is geen echt Daikin-topic voor mijn vragen, vandaar hier. Sorry, als ik toch fout zit.
Dank alvast, alle tips zijn welkom.
WP Vaillant VWL75/6 A 230V | Boiler VIH RW 300/3 MR | 27 x 405 ZZO= 10.935 op Solar Edge 9 kW 3 fasen omvormer | Vent: Zehnder Q600 ERV
Dank, die had ik inderdaad gevonden en gevolgd. Alleen daar het meer ervaringen betreft en ik meer (algemeen) technische vragen heb over de offerte en technische installatie heb ik het hier geplaatst.
@StevenPH Als je afzuig in je badkamer hebt, dan heb je niet veel nodig. Je trekt dan al warme lucht uit het naastgelegen vertrek. Je hoeft dus niet al het warmteverlies met je vloer te doen. Warme vloer is dan al lekker comfortabel.
Ik hou mijn badkamer van 45 m² warm met 5 m² slangen in de vloer en een grote handdoekradiator. De slangen zitten na de retour van de radiator, dus geen echte groep.
Badkamer blijft zo rond de 20 graden met 26 graden CV water.
Ik hou mijn badkamer van 45 m² warm met 5 m² slangen in de vloer en een grote handdoekradiator. De slangen zitten na de retour van de radiator, dus geen echte groep.
Badkamer blijft zo rond de 20 graden met 26 graden CV water.
SMA STP10000TL20 met 10440 Wp 35°Zuid, Intergas Xtreme36 met Remeha Elga Ace 6kW
Ik denk een typo, 45 m2 is een erg grote badkamerPietje555 schreef op donderdag 5 januari 2023 @ 21:32:
@StevenPH Als je afzuig in je badkamer hebt, dan heb je niet veel nodig. Je trekt dan al warme lucht uit het naastgelegen vertrek. Je hoeft dus niet al het warmteverlies met je vloer te doen. Warme vloer is dan al lekker comfortabel.
Ik hou mijn badkamer van 45 m² warm met 5 m² slangen in de vloer en een grote handdoekradiator. De slangen zitten na de retour van de radiator, dus geen echte groep.
Badkamer blijft zo rond de 20 graden met 26 graden CV water.
Gasloos: Nibe F2040-6; Valliant VWLB200/5, Marstek Venus E V2, Domoticz
Vanavond bezig geweest om leidingen te isoleren (volgens de installateur heeft dat nauwelijks effect, andere discussie
). Tot mij iets opviel: Vanaf de open verdeler gaat de aanvoer voor de vloerverwarming via de rechter onderkant (4) naar de verdelers, terwijl de retour rechts boven (3) weer terug komt.
Googlen en zoeken in dit topic leert dat het gebruikelijker is om deze twee om te draaien. Voordat ik bij mijn installateur hierover ga beginnen: heeft dit invloed en zo ja: is dit noemenswaardig genoeg?
/f/image/FrudlcgyVNq1yfpp7N2KD1NB.png?f=fotoalbum_large)
1: aanvoer vanaf warmtepomp
2: retour naar warmtepomp
3: retour vanaf VV
4: aanvoer naar VV
Als ik kijk naar het 'gebruikelijke' gedrag van de WP, verwacht ik dat dit best wel invloed heeft. Hij staat vrij veel te pendelen (ook op koude dagen). Ook hiervan zegt de installateur: Dat is heel gebruikelijk.
Googlen en zoeken in dit topic leert dat het gebruikelijker is om deze twee om te draaien. Voordat ik bij mijn installateur hierover ga beginnen: heeft dit invloed en zo ja: is dit noemenswaardig genoeg?
/f/image/FrudlcgyVNq1yfpp7N2KD1NB.png?f=fotoalbum_large)
1: aanvoer vanaf warmtepomp
2: retour naar warmtepomp
3: retour vanaf VV
4: aanvoer naar VV
Als ik kijk naar het 'gebruikelijke' gedrag van de WP, verwacht ik dat dit best wel invloed heeft. Hij staat vrij veel te pendelen (ook op koude dagen). Ook hiervan zegt de installateur: Dat is heel gebruikelijk.
Ik vrees dat je jou installateur moet hernoemen naar installatieprutser. m.i. Staat de Ta van je warmtepomp hierdoor een paar graden te hoog; de temperatuur die je vloer ingaat is nu de Tr van je warmtepomp. Dit heeft een dramatisch effect op je COPpcprutser schreef op donderdag 5 januari 2023 @ 21:57:
Vanavond bezig geweest om leidingen te isoleren (volgens de installateur heeft dat nauwelijks effect, andere discussie). Tot mij iets opviel: Vanaf de open verdeler gaat de aanvoer voor de vloerverwarming via de rechter onderkant (4) naar de verdelers, terwijl de retour rechts boven (3) weer terug komt.
Googlen en zoeken in dit topic leert dat het gebruikelijker is om deze twee om te draaien. Voordat ik bij mijn installateur hierover ga beginnen: heeft dit invloed en zo ja: is dit noemenswaardig genoeg?
[Afbeelding]
1: aanvoer vanaf warmtepomp
2: retour naar warmtepomp
3: retour vanaf VV
4: aanvoer naar VV
Als ik kijk naar het 'gebruikelijke' gedrag van de WP, verwacht ik dat dit best wel invloed heeft. Hij staat vrij veel te pendelen (ook op koude dagen). Ook hiervan zegt de installateur: Dat is heel gebruikelijk.
[ Voor 6% gewijzigd door blb4 op 05-01-2023 22:25 ]
Panasonic J 7kW WP, boiler & HeishaMon, 6022 Wp PV, Enphase+ST GW, SOLAX SK-SU3000E 13kWh BESS, ITHO Qualityflow WTW, Elvi Smart Charging+ laadpunt, Kia EV6 84kWh EA MY25, gasloos '23
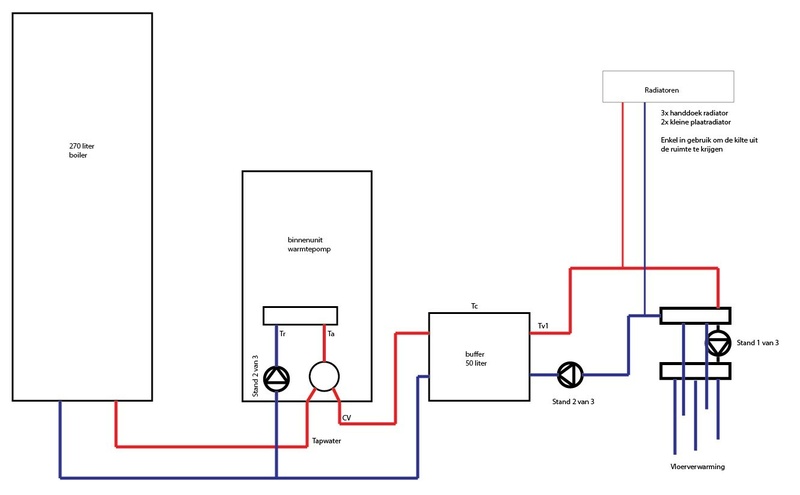
Ik ben druk aan het kijken of ik het gedrag van mijn warmtepomp wat rustiger kan krijgen. Gisteren zag ik bijvoorbeeld dat hij overdag veel aan het pendelen was (waarbij de compressor helemaal uit gaat). Toen heb ik de setpoint van de Ta wat hoger gezet en nu lijkt hij vannacht alleen qua compressor wat op en af te spinnen, maar blijft hij wel draaien. Dat lijkt mij een verbetering.
Gedrag gisteren:
:strip_exif()/f/image/YNqZ7b2uZNYnIcKKmUgDo91Y.jpg?f=fotoalbum_large)
Gedrag deze nacht:
:strip_exif()/f/image/aN09EIC28bnqjIfNBFs8kva8.jpg?f=fotoalbum_large)
Ik vraag mij af of het nog zin heeft om met de verschilleden pompsnelheden iets te doen. Mijn installatie is als volgt:
:strip_exif()/f/image/FUSPzNqWzUlxpN9y2A1lIeOi.jpg?f=fotoalbum_large)
De radiatoren in de tekening zijn nog wel aangesloten, maar doen niet veel. Deze staan wel open, maar dat is om de kilte van de ruimte te krijgen. De verdieping waar deze hangen wordt verder verwarmd met LL warmtepompen.
De installateur komt nog langs omdat ik wil dat de open verdeler vervangen wordt door een gesloten verdeler. Dit zal alleen nog even duren voordat het is uitgevoerd. Eerder heb ik de snelheid van de verdeler terug gezet omdat de vloer niet warm werd (waarschijnlijk omdat de snelheid waarmee het richting de buffer ging lager was dan de snelheid waarmee de VV pomp het rond trok). De vloerverwarming is zo'n 90m2. De HOH hiervan weet ik (nog) niet, de warmtebeeld camera is onderweg.
Mijn vraag: kan ik nu nog iets doen met pompsnelheden? En heeft het inderdaad zin om de setpoint omhoog te zetten? Als ik daardoor een kortere run heb maar zonder pendelen en dat daardoor mijn kamerthermostaat eerder zegt dat het klaar is is dat ook een optie.
Gedrag gisteren:
:strip_exif()/f/image/YNqZ7b2uZNYnIcKKmUgDo91Y.jpg?f=fotoalbum_large)
Gedrag deze nacht:
:strip_exif()/f/image/aN09EIC28bnqjIfNBFs8kva8.jpg?f=fotoalbum_large)
Ik vraag mij af of het nog zin heeft om met de verschilleden pompsnelheden iets te doen. Mijn installatie is als volgt:
:strip_exif()/f/image/FUSPzNqWzUlxpN9y2A1lIeOi.jpg?f=fotoalbum_large)
De radiatoren in de tekening zijn nog wel aangesloten, maar doen niet veel. Deze staan wel open, maar dat is om de kilte van de ruimte te krijgen. De verdieping waar deze hangen wordt verder verwarmd met LL warmtepompen.
De installateur komt nog langs omdat ik wil dat de open verdeler vervangen wordt door een gesloten verdeler. Dit zal alleen nog even duren voordat het is uitgevoerd. Eerder heb ik de snelheid van de verdeler terug gezet omdat de vloer niet warm werd (waarschijnlijk omdat de snelheid waarmee het richting de buffer ging lager was dan de snelheid waarmee de VV pomp het rond trok). De vloerverwarming is zo'n 90m2. De HOH hiervan weet ik (nog) niet, de warmtebeeld camera is onderweg.
Mijn vraag: kan ik nu nog iets doen met pompsnelheden? En heeft het inderdaad zin om de setpoint omhoog te zetten? Als ik daardoor een kortere run heb maar zonder pendelen en dat daardoor mijn kamerthermostaat eerder zegt dat het klaar is is dat ook een optie.
LilyGo behuizingen | Ontwikkelaar Itho Daalderop Warmtepomp control module
Enkele vragen nog:Ralph88 schreef op donderdag 5 januari 2023 @ 20:50:
Beste mede-Tweakers,
Na veel hier meegelezen te hebben en er zowat een studie van gemaakt te hebben om zaken te leren, begrijpen en snappen voor ons nieuwe huis en verbouwing is het nu zover dat wij na negen weken (!) ook eindelijk de offerte voor de WP binnen hebben. Ik kan enkel zeggen: wow, wat een kennis hebben jullie en heb ik daar veel van opgestoken.
Aangezien het een fikse investering is en ik ondertussen best wat begrijp zou ik het toch waarderen als jullie feedback geven op de samenstelling/offerte.
Vrijstaande woning op het zuiden, bouwjaar 1992/1993;
Woonkamer/keuken/entree/toilet: 85m2;Garage 30m2, Totaal dus 113m2 VV (10 groepen)
HR++ beglazing, schuifpui en voordeur HR+++ en vloerisolatie zal verbeterd worden vanuit de kruipruimte.
SWW alleen voor douche/badkamer en kleine kraan in garage (indien warm water nodig).
Plaatsing in garage met buitenunit direct aan andere kant van de muur.
Voorstel installateur:
Binnenunit: Daikin Altherma 3R-EBVH11S23D9W (10,9 kW (?)/230L SWW) incl. back-up heater.
Buitenunit: Daikin Altherma 3R-ERLA11DW1 (split)
Buffervat 100L Nibe
Grundfos Alpha1 circulatiepomp
Compleet: 19.950,- euro ex BTW.
Nu had ik concreet twee vragen:
- waarom een buffervat van 100L? In mijn optiek erg veel ...
- de garage hoeft niet op 20 graden mee verwarmd te worden, maar 15/16 graden. Kwestie van de flow verminderen op de verdeler of toch die tweede thermostaat plaatsen? Al zou ik op jullie verhalen afgaande liever het geheel laten werken op WAR.
Er is geen echt Daikin-topic voor mijn vragen, vandaar hier. Sorry, als ik toch fout zit.
Dank alvast, alle tips zijn welkom.
- hoeveel personen wonen/douchen in dit huis? Anders kan 230 liter wel weinig zijn.
- hoe verwarm je de bovenverdieping? Heb je zoneregeling?
Daikin Altherma 3 LT 8 kW + 14,2 kWp PV
Als ik naar de spec sheet kijk zou de VV omgedraait moeten worden.pcprutser schreef op donderdag 5 januari 2023 @ 21:57:
Vanavond bezig geweest om leidingen te isoleren (volgens de installateur heeft dat nauwelijks effect, andere discussie). Tot mij iets opviel: Vanaf de open verdeler gaat de aanvoer voor de vloerverwarming via de rechter onderkant (4) naar de verdelers, terwijl de retour rechts boven (3) weer terug komt.
Googlen en zoeken in dit topic leert dat het gebruikelijker is om deze twee om te draaien. Voordat ik bij mijn installateur hierover ga beginnen: heeft dit invloed en zo ja: is dit noemenswaardig genoeg?
[Afbeelding]
1: aanvoer vanaf warmtepomp
2: retour naar warmtepomp
3: retour vanaf VV
4: aanvoer naar VV
Als ik kijk naar het 'gebruikelijke' gedrag van de WP, verwacht ik dat dit best wel invloed heeft. Hij staat vrij veel te pendelen (ook op koude dagen). Ook hiervan zegt de installateur: Dat is heel gebruikelijk.
Boven aanvoer naar VV en onder retour VV
Op die manier wordt er indien niet nodig (volledig balans) niet gemengt in het vat.
Er is natuurlijk wel de vraag of je dit vat wel nodig hebt, heb je zone regeling of iets anders waardoor de minimale flow niet gehaald zou kunnen worden?
Over de discussie van isoleren ook een klein dingetje.
Ik heb hier met het beetje leidingwerk dat er is geen verbetering gemerkt met isoleren.
Echter, de technische ruimte zelf wordt nu iets minder warm, wat ik persoonlijk weer erg fijn vind.
30x SF175 NW - STP6000 Live PVoutput Nibe F2120-16 warmtepomp
Beste mede tweakers,
In Februari hoop ik mijn MEL warmtepomp met cylinder unit te ontvangen uit zet zonnige Spanje en heb nog een vraagje over het waterzijdig deel. Ik heb twee vloerverwarming verdelers in huis en geen radiatoren. De hoofd verdeler hangt direct onder de ketel. En is met stalen buizen van 28 verbonden met de ketel. Vanuit deze buizen is afgetakt met Uponor van 20mm die de tweede verdeler voeden circa 20 meter verderop. Zie hieronder de foto's. De ketel gaat weg en op die plek komt de binnenunit die wederom met 28mm staal of 32mm Uponor aan de hoofdverdeler wordt gehangen. De verdeler zal ik ombouwen naar gesloten en de zone regeling gaat er vanaf of pas ik aan zodat er altijd voldoende flow is om zonder buffervat te kunnen draaien. Waar ik hulp bij nodig heb is wat te doen met de tweede verdeler. Krijgt deze nog voldoende flow als ik deze ook simpelweg ombouw naar gesloten, of moet er dan nog ergens een pomp tussen? Of zou het beter zijn om deze verdeler "open" te laten zodat deze zelf voor de doorstroming blijft zorgen? De lussen aan deze verdeler worden relatief weinig gebuikt en bij gebruik staan er meestal maar twee tegelijk open. Alle lussen op beide verdelers zijn 16mm trouwens.
Wederom dank voor het meedenken,
Martijn:strip_exif()/f/image/48pBHNx14wcviI00HzAnQ7xo.jpg?f=fotoalbum_large)
In Februari hoop ik mijn MEL warmtepomp met cylinder unit te ontvangen uit zet zonnige Spanje en heb nog een vraagje over het waterzijdig deel. Ik heb twee vloerverwarming verdelers in huis en geen radiatoren. De hoofd verdeler hangt direct onder de ketel. En is met stalen buizen van 28 verbonden met de ketel. Vanuit deze buizen is afgetakt met Uponor van 20mm die de tweede verdeler voeden circa 20 meter verderop. Zie hieronder de foto's. De ketel gaat weg en op die plek komt de binnenunit die wederom met 28mm staal of 32mm Uponor aan de hoofdverdeler wordt gehangen. De verdeler zal ik ombouwen naar gesloten en de zone regeling gaat er vanaf of pas ik aan zodat er altijd voldoende flow is om zonder buffervat te kunnen draaien. Waar ik hulp bij nodig heb is wat te doen met de tweede verdeler. Krijgt deze nog voldoende flow als ik deze ook simpelweg ombouw naar gesloten, of moet er dan nog ergens een pomp tussen? Of zou het beter zijn om deze verdeler "open" te laten zodat deze zelf voor de doorstroming blijft zorgen? De lussen aan deze verdeler worden relatief weinig gebuikt en bij gebruik staan er meestal maar twee tegelijk open. Alle lussen op beide verdelers zijn 16mm trouwens.
Wederom dank voor het meedenken,
Martijn
:strip_exif()/f/image/48pBHNx14wcviI00HzAnQ7xo.jpg?f=fotoalbum_large)
ATW: ME ERST30D-VM2ED+SUZ-SWM80VA2 (sinds Juni 2023 gasloos) ATA: 2x ME MXZ-2F53VF3+MSZ-EF50VGKS+MSZ-EF22VGKS (sinds juni 2021) PV: 19x405Wp op SolarEdge (P405+2xSE3000) Thuisbatterij: 3x Sessy (5kWh per stuk) DoucheWTW: Joulia Inline 3
Nee, huis is gebouwd voor een mindervalide kind, dus moesten tillift, rolstoel en badstretcher kwijt en alle voorzieningen voor ons en de andere kinderen, bad douche, dubbele wastafel en toilet.Henielma schreef op donderdag 5 januari 2023 @ 21:55:
[...]
Ik denk een typo, 45 m2 is een erg grote badkamer
Alles is bij ons erg groot als een jong van 3 in een elektrische machine van 350 kg rond rijdt heb je wat extra ruimte nodig.
SMA STP10000TL20 met 10440 Wp 35°Zuid, Intergas Xtreme36 met Remeha Elga Ace 6kW
Is die echt 10kW bij -10C lijkt me erg veel. Rest van de beschrijving zou ik rond de 6kW gokken. Warmteverliesberekening maken op www.ubakus.deRalph88 schreef op donderdag 5 januari 2023 @ 20:50:
Beste mede-Tweakers,
Na veel hier meegelezen te hebben en er zowat een studie van gemaakt te hebben om zaken te leren, begrijpen en snappen voor ons nieuwe huis en verbouwing is het nu zover dat wij na negen weken (!) ook eindelijk de offerte voor de WP binnen hebben. Ik kan enkel zeggen: wow, wat een kennis hebben jullie en heb ik daar veel van opgestoken.
Aangezien het een fikse investering is en ik ondertussen best wat begrijp zou ik het toch waarderen als jullie feedback geven op de samenstelling/offerte.
Vrijstaande woning op het zuiden, bouwjaar 1992/1993;
Woonkamer/keuken/entree/toilet: 85m2;Garage 30m2, Totaal dus 113m2 VV (10 groepen)
HR++ beglazing, schuifpui en voordeur HR+++ en vloerisolatie zal verbeterd worden vanuit de kruipruimte.
SWW alleen voor douche/badkamer en kleine kraan in garage (indien warm water nodig).
Plaatsing in garage met buitenunit direct aan andere kant van de muur.
Voorstel installateur:
Binnenunit: Daikin Altherma 3R-EBVH11S23D9W (10,9 kW (?)/230L SWW) incl. back-up heater.
Buitenunit: Daikin Altherma 3R-ERLA11DW1 (split)
Buffervat 100L Nibe
Grundfos Alpha1 circulatiepomp
Compleet: 19.950,- euro ex BTW.
Nu had ik concreet twee vragen:
- waarom een buffervat van 100L? In mijn optiek erg veel ...
- de garage hoeft niet op 20 graden mee verwarmd te worden, maar 15/16 graden. Kwestie van de flow verminderen op de verdeler of toch die tweede thermostaat plaatsen? Al zou ik op jullie verhalen afgaande liever het geheel laten werken op WAR.
Er is geen echt Daikin-topic voor mijn vragen, vandaar hier. Sorry, als ik toch fout zit.
Dank alvast, alle tips zijn welkom.
Buffer 100L als die in serie staat, snap ik dat wel. Systeeminhoud zal wel te klein zijn.
Garage knijpen is makkelijker dan zones toepassen. Temperatuur is neem ik aan daar niet zo kritisch als in de woonkamer.
Nee dat zou je verwachten maar vanuit de overheid is het heel simpel.JBtL schreef op donderdag 5 januari 2023 @ 19:42:
[...]
Niet +10 voor 55 graden? Gaat toch om een realistisch maximaal geluid, maar dan zonder dat ijsvorming nog voor wat extra trillingen zorgt.
In het Alklima document over de geluidsnormen lees ik dit:
:strip_exif()/f/image/HNjuQdXOF4y6EsFDaEfozqbe.jpg?f=fotoalbum_large)
Omdat er vanuit de overheid dus geen watertemperatuur gespecificeerd wordt, kiest Alklima voor +55 graden:
:strip_exif()/f/image/U0eFsSz1kIKycMTXzxUOnu8m.jpg?f=fotoalbum_large)
Dat is de norm van het Europese energielabel voor warmtepompen. Er zijn fabrikanten die een andere keuze hierin maken, bijvoorbeeld 35 graden watertemperatuur. Wat natuurlijk nog veel gunstigere, én onrealistische geluidsproductie cijfers oplevert…
[ Voor 41% gewijzigd door LeonTebbens op 06-01-2023 09:17 ]
WP: Mitsubishi Ecodan ERSD-VM2D + PUHZ-SW75YAA + De Jong WPS300 Solar boiler met 1 Nefit paneel. PV: 2100Wp. Jaren-30 huis, gasloos sinds mrt 2021
Ja, de vv voor de beganegrond en 1e+2e verdieping worden apart aangestuurd door een Daikin bizone-kit. Eerder was dit vat alleen aangesloten als buffervat, maar doordat de wp eerder afschakelde dan de bizonekit, gaf dit constant storingen. Op advies van de Daikin monteur is dat aangepast naar de huidige situatie.format5 schreef op vrijdag 6 januari 2023 @ 08:31:
[...]
Als ik naar de spec sheet kijk zou de VV omgedraait moeten worden.
Boven aanvoer naar VV en onder retour VV
Op die manier wordt er indien niet nodig (volledig balans) niet gemengt in het vat.
Er is natuurlijk wel de vraag of je dit vat wel nodig hebt, heb je zone regeling of iets anders waardoor de minimale flow niet gehaald zou kunnen worden?
Over de discussie van isoleren ook een klein dingetje.
Ik heb hier met het beetje leidingwerk dat er is geen verbetering gemerkt met isoleren.
Echter, de technische ruimte zelf wordt nu iets minder warm, wat ik persoonlijk weer erg fijn vind.
Als je installateur toch langs komt om die verdeler te vervangen, laat em dan ook die overbodige buffer plus secundaire pomp weghalen. De pomp in je WP is makkelijk in staat om het water ook door de VVW te pompen.leejoow schreef op vrijdag 6 januari 2023 @ 07:31:
Ik ben druk aan het kijken of ik het gedrag van mijn warmtepomp wat rustiger kan krijgen. Gisteren zag ik bijvoorbeeld dat hij overdag veel aan het pendelen was (waarbij de compressor helemaal uit gaat). Toen heb ik de setpoint van de Ta wat hoger gezet en nu lijkt hij vannacht alleen qua compressor wat op en af te spinnen, maar blijft hij wel draaien. Dat lijkt mij een verbetering.
Gedrag gisteren:
[Afbeelding]
Gedrag deze nacht:
[Afbeelding]
Ik vraag mij af of het nog zin heeft om met de verschilleden pompsnelheden iets te doen. Mijn installatie is als volgt:
[Afbeelding]
De radiatoren in de tekening zijn nog wel aangesloten, maar doen niet veel. Deze staan wel open, maar dat is om de kilte van de ruimte te krijgen. De verdieping waar deze hangen wordt verder verwarmd met LL warmtepompen.
De installateur komt nog langs omdat ik wil dat de open verdeler vervangen wordt door een gesloten verdeler. Dit zal alleen nog even duren voordat het is uitgevoerd. Eerder heb ik de snelheid van de verdeler terug gezet omdat de vloer niet warm werd (waarschijnlijk omdat de snelheid waarmee het richting de buffer ging lager was dan de snelheid waarmee de VV pomp het rond trok). De vloerverwarming is zo'n 90m2. De HOH hiervan weet ik (nog) niet, de warmtebeeld camera is onderweg.
Mijn vraag: kan ik nu nog iets doen met pompsnelheden? En heeft het inderdaad zin om de setpoint omhoog te zetten? Als ik daardoor een kortere run heb maar zonder pendelen en dat daardoor mijn kamerthermostaat eerder zegt dat het klaar is is dat ook een optie.
Hier een succesverhaal van iemand die zijn 2e pompgroep + secundaire pomp heeft weggehaald:
Cybot12999 in "Nefit EnviLine warmtepomp ervaringen uitwisselen"
En hier een onderzoek wat aantoont hoeveel de COP-winst daarvan kan zijn:
https://renewableheatingh...-properly-and-efficiently
(kwam gisteren langs in één van de Pana topics).
Het feit dat je nu een Ta van 32 à 33°C nodig hebt om zonder pendelen op 90 m² te kunnen draaien toont al aan dat daar veel winst te halen is. (Of is je WP veel te groot?)
WP: ME PUHZ-SW75YAA + ERSD-VM2D + EV-WP-TWS-1W 300; AC: ME MXZ-2F42VF + 2x MSZ-LN25VGV; PV: 14.08 kWp O/W + SMA STP 8.0; Vent: Zehnder Q600 ERV + Ubbink AirExcellent.
Dat klinkt als een 11kW WP. Hoeveel is daar bij -10 nog van over? En zeker weten dat je zoveel vermogen nodig hebt? Hoe is dat vermogen bepaald?Ralph88 schreef op donderdag 5 januari 2023 @ 20:50:
Vrijstaande woning op het zuiden, bouwjaar 1992/1993;
Woonkamer/keuken/entree/toilet: 85m2;Garage 30m2, Totaal dus 113m2 VV (10 groepen)
HR++ beglazing, schuifpui en voordeur HR+++ en vloerisolatie zal verbeterd worden vanuit de kruipruimte.
SWW alleen voor douche/badkamer en kleine kraan in garage (indien warm water nodig).
Plaatsing in garage met buitenunit direct aan andere kant van de muur.
Voorstel installateur:
Binnenunit: Daikin Altherma 3R-EBVH11S23D9W (10,9 kW (?)/230L SWW) incl. back-up heater.
Buitenunit: Daikin Altherma 3R-ERLA11DW1 (split)
Wat is je huidige jaarlijkse gasverbruik?
Je moet het ook maar in je afgiftesysteem kwijt kunnen. Dat is met 113 m², waarvan 30 in de garage, maar zeer de vraag.
Pomp en buffer heb je alvast niet nodig, dus die kunnen weg. Zie de FAQ.Buffervat 100L Nibe
Grundfos Alpha1 circulatiepomp
Dat is € 24.139.50Compleet: 19.950,- euro ex BTW.
Waarom zou je überhaupt aan dit hele feestje willen beginnen?
100L heeft maar 5 minuten buffercapaciteit, dus dat is zeker niet veel. Punt is veel meer dat je die buffer helemaal niet nodig hebt. Die WP kan prima het water zelf door de VVW pompen, met een veel hoger totaalrendement. Zie bijvoorbeeld:Nu had ik concreet twee vragen:
- waarom een buffervat van 100L? In mijn optiek erg veel ...
Cybot12999 in "Nefit EnviLine warmtepomp ervaringen uitwisselen"
https://renewableheatingh...-properly-and-efficiently
Als de garage uiteindelijk toch te warm wordt, draai je die groepen toch gewoon een beetje dicht? Dat kost niks.- de garage hoeft niet op 20 graden mee verwarmd te worden, maar 15/16 graden. Kwestie van de flow verminderen op de verdeler of toch die tweede thermostaat plaatsen? Al zou ik op jullie verhalen afgaande liever het geheel laten werken op WAR.
Maar verkijk je niet op de garage: Daar zijn vaak nauwelijks secundaire warmtebronnen, zoals zon, elektrische apparatuur en personen, waardoor deze uitsluitend door de WP verwarmd moet worden. Daar heb ik me hier ook op verkeken. Ik had berekend dat de garage te warm zou worden en dat ik de groepen daar zou moeten knijpen. Maar in de praktijk wordt het daar maar max 17 graden, omdat de WP in de woning door externe warmtebronnen al eerder uitschakelt.
17 graden in de garage is trouwens precies goed, dus ik ga hier niks aan veranderen.
[ Voor 12% gewijzigd door Andrehj op 06-01-2023 10:38 ]
WP: ME PUHZ-SW75YAA + ERSD-VM2D + EV-WP-TWS-1W 300; AC: ME MXZ-2F42VF + 2x MSZ-LN25VGV; PV: 14.08 kWp O/W + SMA STP 8.0; Vent: Zehnder Q600 ERV + Ubbink AirExcellent.
Pendelen op koude dagen is hooguit normaal als je altijd slechte installaties oplevert.... Waarom zit die buffer er eigenlijk tussen?pcprutser schreef op donderdag 5 januari 2023 @ 21:57:
Als ik kijk naar het 'gebruikelijke' gedrag van de WP, verwacht ik dat dit best wel invloed heeft. Hij staat vrij veel te pendelen (ook op koude dagen). Ook hiervan zegt de installateur: Dat is heel gebruikelijk.
Hier pendelt de WP ook op warme dagen nooit. Altijd maar één run per dag.
Vertel wat meer over je installatie (liefst in een eigen topic, zie de FAQ) en dat pendelen kan er echt wel uit.
Je kunt ook even kijken in de merk-specifieke topics (links zie TS), waar de kennis van de juiste instellingen voor jouw merk WP zit.
WP: ME PUHZ-SW75YAA + ERSD-VM2D + EV-WP-TWS-1W 300; AC: ME MXZ-2F42VF + 2x MSZ-LN25VGV; PV: 14.08 kWp O/W + SMA STP 8.0; Vent: Zehnder Q600 ERV + Ubbink AirExcellent.
Ik overwoog dat ook maar toen ik las dat het 14mm buis was en dat de afgifte en flow niet in lijn zijn met het hoge flow lage T van een WP heb ik het idee laten varen. Of heb jij positieve verhalen over dit systeem icm WP gevonden?Ronald.42 schreef op donderdag 5 januari 2023 @ 20:01:
[...]
Het is er soms tot 2 graden kouder afhankelijk van de wind![]()
Dus volgende project speed therm vloerverwarming van warp system.
PV Output 1.350Wp ZWW 10°
Het verhaal is zo erg onduidelijk. Maak een duidelijk plaatje van wat waar naar toe gaat (in de foto's, dus niet in tekst) en wat wat is.martinisoft schreef op vrijdag 6 januari 2023 @ 09:03:
Beste mede tweakers,
In Februari hoop ik mijn MEL warmtepomp met cylinder unit te ontvangen uit zet zonnige Spanje en heb nog een vraagje over het waterzijdig deel. Ik heb twee vloerverwarming verdelers in huis en geen radiatoren. De hoofd verdeler hangt direct onder de ketel. En is met stalen buizen van 28 verbonden met de ketel. Vanuit deze buizen is afgetakt met Uponor van 20mm die de tweede verdeler voeden circa 20 meter verderop. Zie hieronder de foto's. De ketel gaat weg en op die plek komt de binnenunit die wederom met 28mm staal of 32mm Uponor aan de hoofdverdeler wordt gehangen. De verdeler zal ik ombouwen naar gesloten en de zone regeling gaat er vanaf of pas ik aan zodat er altijd voldoende flow is om zonder buffervat te kunnen draaien. Waar ik hulp bij nodig heb is wat te doen met de tweede verdeler. Krijgt deze nog voldoende flow als ik deze ook simpelweg ombouw naar gesloten, of moet er dan nog ergens een pomp tussen? Of zou het beter zijn om deze verdeler "open" te laten zodat deze zelf voor de doorstroming blijft zorgen? De lussen aan deze verdeler worden relatief weinig gebuikt en bij gebruik staan er meestal maar twee tegelijk open. Alle lussen op beide verdelers zijn 16mm trouwens.
Wederom dank voor het meedenken,
Martijn[Afbeelding]
[Afbeelding]
Wat direct opvalt:
- Knietjes moeten weg en worden vervangen door bochten.
- Verdelers ombouwen / vervangen naar gesloten (pomploos)
- Belangrijkste VVW-verdeler (op de BGG) aansluiten met 28/32 mm, zonder knietjes.
- Naregeling verwijderen, begin met alle groepen open. Alleen knijpen waar het te warm wordt.
WP: ME PUHZ-SW75YAA + ERSD-VM2D + EV-WP-TWS-1W 300; AC: ME MXZ-2F42VF + 2x MSZ-LN25VGV; PV: 14.08 kWp O/W + SMA STP 8.0; Vent: Zehnder Q600 ERV + Ubbink AirExcellent.
Ralph88 schreef op donderdag 5 januari 2023 @ 20:50:
Woonkamer/keuken/entree/toilet: 85m2;Garage 30m2, Totaal dus 113m2 VV (10 groepen)
Buffervat 100L Nibe
Grundfos Alpha1 circulatiepomp
Systeeminhoud te klein bij 113 m² VWW kan natuurlijk nooit. Dat systeem heeft echt meer dan genoeg systeeminhoud. Buffer is ook bedoeld als (overbodige) parallelbuffer, getuige de aanboden secundaire pomp.Dapdodo schreef op vrijdag 6 januari 2023 @ 09:04:
Buffer 100L als die in serie staat, snap ik dat wel. Systeeminhoud zal wel te klein zijn.
WP: ME PUHZ-SW75YAA + ERSD-VM2D + EV-WP-TWS-1W 300; AC: ME MXZ-2F42VF + 2x MSZ-LN25VGV; PV: 14.08 kWp O/W + SMA STP 8.0; Vent: Zehnder Q600 ERV + Ubbink AirExcellent.
Is deze link niet waardevol genoeg voor de startpost? (Of een bericht naar Hugo en Rob?
PV Output 1.350Wp ZWW 10°
Hij hoort eigenlijk in de FAQ, in het stukje over buffervaten. Komt goed.GudZ schreef op vrijdag 6 januari 2023 @ 10:33:
Is deze link niet waardevol genoeg voor de startpost? (Of een bericht naar Hugo en Rob?)
WP: ME PUHZ-SW75YAA + ERSD-VM2D + EV-WP-TWS-1W 300; AC: ME MXZ-2F42VF + 2x MSZ-LN25VGV; PV: 14.08 kWp O/W + SMA STP 8.0; Vent: Zehnder Q600 ERV + Ubbink AirExcellent.
Erg mooie uitleg en test, thanks voor het delen!Andrehj schreef op vrijdag 6 januari 2023 @ 10:36:
[...]
Hij hoort eigenlijk in de FAQ, in het stukje over buffervaten. Komt goed.
Ik zelf heb wel een parallel buffer in mijn Nibe installatie maar dan niet 4 pijps maar 2 pijps. Dus aanvoer met een T stuk naar de buffer en retour ook op een T stuk aangesloten. Moet ik dit dan heel anders bekijken of wat is jou kijk hierop?
WP: NIBE S2125-12 - SMO-S40 / PV: SolarEdge 7200WP / Zeekr 7x AWD Privilege / Home Assistant / Easee Home / Gardena Smart
dan staat ie in seriemvrooij schreef op vrijdag 6 januari 2023 @ 11:04:
[...]
Erg mooie uitleg en test, thanks voor het delen!
Ik zelf heb wel een parallel buffer in mijn Nibe installatie maar dan niet 4 pijps maar 2 pijps. Dus aanvoer met een T stuk naar de buffer en retour ook op een T stuk aangesloten. Moet ik dit dan heel anders bekijken of wat is jou kijk hierop?
ok gotcha, begreep je verkeerdmvrooij schreef op vrijdag 6 januari 2023 @ 11:10:
[...]
Nee hoor, serie is ook mogelijk maar dan zet je hem bijv. enkel tussen je retour zoals dit schema:
[Afbeelding]
Bij mij staat hij parallel tussen aanvoer en retour, zie hier het schema:
[Afbeelding]
https://renewableheatingh...-properly-and-efficiently
Ze hebben wel een hele slechte opstelling met de buffer gemaakt. Waarbij de afgifte vast op 30l/m draait en de WP regelt op dT doormiddel van het aanpassen van de flow aan de opwek zijde. Dan heb je inderdaad een veel hogere Ta nodig om de juiste Ta in je afgifte te krijgen.
Met als resultaat een veel slechtere COP.
Je wilt juist dat je afgifte op basis van warmte behoefte de flow gaat verlagen. Dus de Max flow afgifte <= flow opwekzijde.
In deze situatie heb je altijd dat Ta opwek ook de Ta afgifte is. En heb je dus geen hogere Ta nodig.
Ze hebben wel een hele slechte opstelling met de buffer gemaakt. Waarbij de afgifte vast op 30l/m draait en de WP regelt op dT doormiddel van het aanpassen van de flow aan de opwek zijde. Dan heb je inderdaad een veel hogere Ta nodig om de juiste Ta in je afgifte te krijgen.
Met als resultaat een veel slechtere COP.
Je wilt juist dat je afgifte op basis van warmte behoefte de flow gaat verlagen. Dus de Max flow afgifte <= flow opwekzijde.
In deze situatie heb je altijd dat Ta opwek ook de Ta afgifte is. En heb je dus geen hogere Ta nodig.
In majority of cases the secondary circulator is a fixed speed pump and, in this example, would be pumping 30 litres a minute whenever the system is on. This pump uses electricity and could cost in the region of £150 per year to run with current energy costs. However, this is not the only problem in part load conditions with most modern heat pumps they control the delta T of the flow and return temperatures to produce optimum performance from the heat pump. To control this optimum delta T the heat pump varies the flow rate depending on demand.
In this trial our test was based on external temperature of 7C, therefore this was part load conditions and the heat pump only had to supply 6.5kW of heat energy to satisfy the demand at 7C as opposed to the 10.6kW of heat energy required at – 3C ambient temperature. As the heat pump maintains a delta T of 5 degrees at 6.5kW the heat pump’s flow rate would be 18.5 litres per minute. This results in mixing within the buffer tank and this mixing causes a drop in the flow temperature leaving the buffer tank to maintain this temperature which is the temperature demanded by the heat distribution system to maintain the internal temperature of the property; the heat pump must raise the flow temperature overcome the mixing resulting in a drop in performance.
PUHZ-SHW80YAA Zubadan 8kW, gasloos sinds 30-12-2021
- Proton_
- Registratie: November 2011
- Laatst online: 09:31
@n00ts Dat is precies het punt van het artikel: de "majority of cases" is slecht/ondoordacht ontworpen.
De fouten in die installaties zien we regelmatig terug in de diverse 'help mijn warmtepomp verbruikt veel stroom'-topics terug.
De fouten in die installaties zien we regelmatig terug in de diverse 'help mijn warmtepomp verbruikt veel stroom'-topics terug.
Het ik-wil-een-warmtepomp FAQ topic- '23 MG5, douchen met wtw en Auer Edel Eau, verwarming met Vaillant Arotherm Plus.
@Proton_ Helaas is dat wel het geval.
Maar nu moet niet het beeld gaan ontstaan dat standaard een buffervat wel een hele COP punt scheelt aan efficiëntie.
Uiteraard heeft een installatie zonder buffervat de voorkeur.
Echter soms is een buffervat aan te bevelen voor comfort eisen of systeem inhoud en dan is het belangrijk dat deze goed wordt geïmplementeerd.
Maar nu moet niet het beeld gaan ontstaan dat standaard een buffervat wel een hele COP punt scheelt aan efficiëntie.
Uiteraard heeft een installatie zonder buffervat de voorkeur.
Echter soms is een buffervat aan te bevelen voor comfort eisen of systeem inhoud en dan is het belangrijk dat deze goed wordt geïmplementeerd.
PUHZ-SHW80YAA Zubadan 8kW, gasloos sinds 30-12-2021
- Proton_
- Registratie: November 2011
- Laatst online: 09:31
@n00ts Dat ben ik met je eens, mis je nuance in "Het ik-wil-een-warmtepomp FAQ topic" hoofdstuk Buffervat ? Stuur maar een DM met een voorstel voor wijziging / aanvulling 
Edit: je voorwaarde van debiet afgiftezijde <= debiet opwekzijde wordt lastig inregelen als de opwekzijde variabele flow heeft, zoals in zijn voorbeeld.
Edit: je voorwaarde van debiet afgiftezijde <= debiet opwekzijde wordt lastig inregelen als de opwekzijde variabele flow heeft, zoals in zijn voorbeeld.
[ Voor 27% gewijzigd door Proton_ op 06-01-2023 11:59 ]
Het ik-wil-een-warmtepomp FAQ topic- '23 MG5, douchen met wtw en Auer Edel Eau, verwarming met Vaillant Arotherm Plus.
Er wordt in dit topic en vele andere, nogal eens gesproken over een buffervat in serie of parallel aangesloten. En zo lees ik ook in het "Het ik-wil-een-warmtepomp FAQ topic" : 'In serie met je afgiftesysteem (in de retour)'.
Als niet elektronicus (maar iets verder gekomen dan de wet van Ohm
:strip_exif()/f/image/WippNBzVA2aNag6lRPT2fAp6.jpg?f=fotoalbum_large)
De beste manier zou ik parallel noemen:
:strip_exif()/f/image/klNrmNqyVDeENprtlGZrg1wu.jpg?f=fotoalbum_large)
Maar uit allerlei context begrip ik dat de meeste posters hier het net iets anders noemen of zit ik er nu helemaal naast
Nee. Met twee T-stukken is het zeker ook gewoon een parallelbuffer. En ja @mvrooij, die kan er (in 90% van de gevallen) ook gewoon tussenuit. In het Nibe-topic is @LangeFries daarin (een van) de expert(s). Die haalt daar erg hoge COP's met zo'n setup.MisterB schreef op vrijdag 6 januari 2023 @ 11:07:
dan staat ie in serie
WP: ME PUHZ-SW75YAA + ERSD-VM2D + EV-WP-TWS-1W 300; AC: ME MXZ-2F42VF + 2x MSZ-LN25VGV; PV: 14.08 kWp O/W + SMA STP 8.0; Vent: Zehnder Q600 ERV + Ubbink AirExcellent.
In beide gevallen staat de buffer parallel. De vloeistofstroom door de buffer (van aan- naar afvoer!) loopt immers parallel aan die door het afgiftesysteem. Dat is precies analoog aan hoe je dit in de elektrotechniek definieert.Jaap19 schreef op vrijdag 6 januari 2023 @ 12:03:
[...]
Er wordt in dit topic en vele andere, nogal eens gesproken over een buffervat in serie of parallel aangesloten. En zo lees ik ook in het "Het ik-wil-een-warmtepomp FAQ topic" : 'In serie met je afgiftesysteem (in de retour)'.
Als niet elektronicus (maar iets verder gekomen dan de wet van Ohm) vind ik het verwarrende benamingen. Zelf zou ik de minst geprefereerde aansluiting volgens warmtepomp-weetjes.nl de serie aansluiting noemen:
[Afbeelding]
De beste manier zou ik parallel noemen:
[Afbeelding]
Maar uit allerlei context begrip ik dat de meeste posters hier het net iets anders noemen of zit ik er nu helemaal naast? Ik denk dat een plaatje in de faq wel zal helpen.
[ Voor 15% gewijzigd door Andrehj op 06-01-2023 12:05 ]
WP: ME PUHZ-SW75YAA + ERSD-VM2D + EV-WP-TWS-1W 300; AC: ME MXZ-2F42VF + 2x MSZ-LN25VGV; PV: 14.08 kWp O/W + SMA STP 8.0; Vent: Zehnder Q600 ERV + Ubbink AirExcellent.
Dat maakt het zeker complexer.
In mijn geval heeft Mitsubishi een vaste flow op de circulatie pomp. Wat eigenlijk wel is aan te bevelen bij een dergelijke opstelling.
Is het modulatiebereik van de circulatiepomp bij dit soort WP niet in te stellen, of zelfs op een vaste flow te zetten?
Aanvulling:
Je wilt in een opstelling met een buffervat dat de WP regelt op het buffervat.
Dus niet op basis van een eigen Ta, Tr of dT.
In zo’n geval moet een sensor geplaatst worden in het buffervat en de WP zal daar op moeten kunnen regelen.
Of alle WP een specifieke regeling hebben voor een buffervat weet ik niet.
Mitsubishi in ieder geval wel. Maar dan moet je dat wel aangeven middels een dipswitch en de juiste sensors geplaatst hebben.
In mijn geval heeft Mitsubishi een vaste flow op de circulatie pomp. Wat eigenlijk wel is aan te bevelen bij een dergelijke opstelling.
Is het modulatiebereik van de circulatiepomp bij dit soort WP niet in te stellen, of zelfs op een vaste flow te zetten?
Aanvulling:
Je wilt in een opstelling met een buffervat dat de WP regelt op het buffervat.
Dus niet op basis van een eigen Ta, Tr of dT.
In zo’n geval moet een sensor geplaatst worden in het buffervat en de WP zal daar op moeten kunnen regelen.
Of alle WP een specifieke regeling hebben voor een buffervat weet ik niet.
Mitsubishi in ieder geval wel. Maar dan moet je dat wel aangeven middels een dipswitch en de juiste sensors geplaatst hebben.
[ Voor 43% gewijzigd door n00ts op 06-01-2023 13:25 ]
PUHZ-SHW80YAA Zubadan 8kW, gasloos sinds 30-12-2021
Kijk mijn post van een schema, daar staat hij in Serie. Dus als hij in enkel retour staat bijvoorbeeld.
WP: NIBE S2125-12 - SMO-S40 / PV: SolarEdge 7200WP / Zeekr 7x AWD Privilege / Home Assistant / Easee Home / Gardena Smart
In serie gaat de aanvoer van de WP op de ingang van het buffervat, en de uitgang van het buffervat gaat dan weer verder richting de vloerverwarming in deze afbeelding.
Klopt ik ben erg actief in het Nibe topic, maar ik merk dat mijn systeem uiterst zuinig draait (wel pas 2 weken en het is nu mega zacht weer natuurlijk). Helaas kan ik mijn COP niet meten want heb geen warmteflow meter, maar ik wil even het verbruik van Januari gaan vergelijken met andere en wil dan kijken of ik mijn installateur een meter kan laten installeren en/of zelfs het buffervat er tussen uit. Kwestie van 2x afdoppen natuurlijk.Andrehj schreef op vrijdag 6 januari 2023 @ 12:03:
[...]
Nee. Met twee T-stukken is het zeker ook gewoon een parallelbuffer. En ja @mvrooij, die kan er (in 90% van de gevallen) ook gewoon tussenuit. In het Nibe-topic is @LangeFries daarin (een van) de expert(s). Die haalt daar erg hoge COP's met zo'n setup.
Maar ik ben ervan overtuigd dat de manier van aansluiten bij mij anders en beter is dan via het 4 pijps-systeem zoals die website/pagina test/beschrijft.
[ Voor 8% gewijzigd door mvrooij op 06-01-2023 12:15 ]
WP: NIBE S2125-12 - SMO-S40 / PV: SolarEdge 7200WP / Zeekr 7x AWD Privilege / Home Assistant / Easee Home / Gardena Smart
wat is nu het grote verschil tussen die 2 parallel vormen ? dus met parallel met slecht2 2 aansluitingen gaat het water door dat vat heen en het gaat ook door al je radiatoren heen (en vvw) in parallel. Het water door dat vat koelt amper af en het water door je radiatorenvvw wel flink
je voedt due een afgifte systeem (je buffer) die geen warmte verliest EN een afgifte systeem datwel warmte verliest (je radiatoren)... zie um niet helemaal
je voedt due een afgifte systeem (je buffer) die geen warmte verliest EN een afgifte systeem datwel warmte verliest (je radiatoren)... zie um niet helemaal
[ Voor 87% gewijzigd door MisterB op 06-01-2023 12:20 ]
Wat is uiterst zuinig? Ter vergelijking, zo draait het systeem hier met het huidige zachte weer:mvrooij schreef op vrijdag 6 januari 2023 @ 12:14:
Klopt ik ben erg actief in het Nibe topic, maar ik merk dat mijn systeem uiterst zuinig draait (wel pas 2 weken en het is nu mega zacht weer natuurlijk).
/f/image/XwS9zDxvuwqQSgbvTJ37GeqC.png?f=fotoalbum_large)
Er is geen reden waarom je met een Nibe met dezelfde temperaturen niet hetzelfde rendement kunt halen.
Als jouw buffer is aangesloten met twee T-stukken hoef je alleen een kraan in de toe- óf afvoer naar die buffer te plaatsen om hem uit te schakelen. Dan zet je ook de secundaire pomp uit en kun je al testen. Flow zal dan wel even wat minder zijn, maar zo'n pomp is intern gewoon open, dus de WP kan er doorheen pompen. Als de test geslaagd is, kun je de buffer + pomp daarna verwijderen en wordt je flow nog wat beter.Helaas kan ik mijn COP niet meten want heb geen warmteflow meter, maar ik wil even het verbruik van Januari gaan vergelijken met andere en wil dan kijken of ik mijn installateur een meter kan laten installeren en/of zelfs het buffervat er tussen uit. Kwestie van 2x afdoppen natuurlijk.
Dat ben ik met je eens.Maar ik ben ervan overtuigd dat de manier van aansluiten bij mij anders en beter is dan via het 4 pijps-systeem zoals die website/pagina test/beschrijft.
Edit: Zie uitleg van @Proton_ hieronder.
[ Voor 4% gewijzigd door Andrehj op 06-01-2023 12:22 ]
WP: ME PUHZ-SW75YAA + ERSD-VM2D + EV-WP-TWS-1W 300; AC: ME MXZ-2F42VF + 2x MSZ-LN25VGV; PV: 14.08 kWp O/W + SMA STP 8.0; Vent: Zehnder Q600 ERV + Ubbink AirExcellent.
- Proton_
- Registratie: November 2011
- Laatst online: 09:31
@MisterB met twee T-stukken ben je de menging door stroming en turbulentie door het vat zelf kwijt. Dan heb je alleen nog de menging (en bijbehorende performancedrop) van een debietverschil.
Het ik-wil-een-warmtepomp FAQ topic- '23 MG5, douchen met wtw en Auer Edel Eau, verwarming met Vaillant Arotherm Plus.
in feite heb je toch gewoon 2 parallele afgifte systemen gemaakt : 1 die warmte vast houdt omdat ie geisoleerd is en 1 die warmte af geeft want dat is zijn doel (de vvw en radiatoren)Proton_ schreef op vrijdag 6 januari 2023 @ 12:20:
@MisterB met twee T-stukken ben je de menging door stroming en turbulentie door het vat zelf kwijt. Dan heb je alleen nog de menging (en bijbehorende performancedrop) van een debietverschil.
wat is toegevoegde waarde daarvan en wara mengt dat weer ?
[ Voor 5% gewijzigd door MisterB op 06-01-2023 12:23 ]
Andrehj schreef op vrijdag 6 januari 2023 @ 12:19:
[...]
Wat is uiterst zuinig? Ter vergelijking, zo draait het systeem hier met het huidige zachte weer:
[Afbeelding]
Er is geen reden waarom je met een Nibe met dezelfde temperaturen niet hetzelfde rendement kunt halen.
[...]
Als jouw buffer is aangesloten met twee T-stukken hoef je alleen een kraan in de toe- óf afvoer naar die buffer te plaatsen om hem uit te schakelen. Dan zet je ook de secundaire pomp uit en kun je al testen. Flow zal dan wel even wat minder zijn, maar zo'n pomp is intern gewoon open, dus de WP kan er doorheen pompen. Als de test werkt, kun je de zaak daarna verwijderen en wordt je flow nog wat beter.
[...]
Dat ben ik met je eens.
/f/image/qBJyN4hZuCiFqGAo39qXOg4Y.png?f=fotoalbum_large)
Berekende Cop kun je ook met eens script..
De eerste 2 zijn berekend met een sheyy en de ander et een S0 [ via heishamon] [ waarbij ALLES gemeten wordt]
En de andere Pana zelf, wat er volgens Pana gebruikt is.. bijna dubbel hahaha
zonneboiler, pelletkachel, 36 panels, Atlantic Wpb, pana 5 Kw H, Heishamon, Domoticz, Grafana, Solarmeters, PVO: https://pvoutput.org/list.jsp?id=15321&sid=19520
Nee, want een buffer is geen afgiftesysteem, en, als het zaakje goed is ingeregeld, en beide pompen hetzelfde debiet hebben, is er ook geen flow door de buffer. Helaas is dat meestal niet het geval.MisterB schreef op vrijdag 6 januari 2023 @ 12:22:
in feite heb je toch gewoon 2 parallele afgifte systemen gemaakt : 1 die warmte vast houdt omdat ie geisoleerd is en 1 die warmte af geeft want dat is zijn doel (de vvw en radiatoren)
WP: ME PUHZ-SW75YAA + ERSD-VM2D + EV-WP-TWS-1W 300; AC: ME MXZ-2F42VF + 2x MSZ-LN25VGV; PV: 14.08 kWp O/W + SMA STP 8.0; Vent: Zehnder Q600 ERV + Ubbink AirExcellent.
nee klopt buffer is geen afgifte systeem want die is geisoleerd ... als er geen flow doorheen is dan wordt ie ook niet warm en heb je vat koud water ?Andrehj schreef op vrijdag 6 januari 2023 @ 12:23:
[...]
Nee, want een buffer is geen afgiftesysteem, en, als het zaakje goed is ingeregeld, en beide pompen hetzelfde debiet hebben, is er ook geen flow door de buffer. Helaas is dat meestal niet het geval.
ik bedoel een parallel bufefrvat met 2 aansluitingen
dus dat is een totaal onzinnige implementatie ??
[ Voor 9% gewijzigd door MisterB op 06-01-2023 12:26 ]
Volg met interesse en plezier je kruistocht tegen de buffervaten, knietjes, secundaire pompen etc....Andrehj schreef op vrijdag 6 januari 2023 @ 12:19:
[...]
Wat is uiterst zuinig? Ter vergelijking, zo draait het systeem hier met het huidige zachte weer:
[Afbeelding]
Er is geen reden waarom je met een Nibe met dezelfde temperaturen niet hetzelfde rendement kunt halen.
[...]
Als jouw buffer is aangesloten met twee T-stukken hoef je alleen een kraan in de toe- óf afvoer naar die buffer te plaatsen om hem uit te schakelen. Dan zet je ook de secundaire pomp uit en kun je al testen. Flow zal dan wel even wat minder zijn, maar zo'n pomp is intern gewoon open, dus de WP kan er doorheen pompen. Als de test werkt, kun je de zaak daarna verwijderen en wordt je flow nog wat beter.
[...]
Dat ben ik met je eens.
Bij mij is de boel geïnstalleerd dit jaar. En het zit er allemaal op.....Tegen een vorstelijk bedrag.
Is de sector zo nonchalant, zo blind, zo onwetend, zo op geld belust?
Bosch Compress 3000i AW 6, Nefit Enviline ODU split, hybride
Tja uiterst zuinig is natuurlijk iets wat ik zelf vind/denk haha, maar bedoelde eigenlijk meer dat hij erg stabiel draait en mijn temperaturen binnen (zonder ruimte thermostaat) stabiel houd in ieder vertrek tussen 20,6 en 21,3. Of het nu buiten 1 graden was of 11. Helaas heb ik de -5 periodes nog niet mee kunnen maken.Andrehj schreef op vrijdag 6 januari 2023 @ 12:19:
[...]
Wat is uiterst zuinig? Ter vergelijking, zo draait het systeem hier met het huidige zachte weer:
[Afbeelding]
Er is geen reden waarom je met een Nibe met dezelfde temperaturen niet hetzelfde rendement kunt halen.
[...]
Als jouw buffer is aangesloten met twee T-stukken hoef je alleen een kraan in de toe- óf afvoer naar die buffer te plaatsen om hem uit te schakelen. Dan zet je ook de secundaire pomp uit en kun je al testen. Flow zal dan wel even wat minder zijn, maar zo'n pomp is intern gewoon open, dus de WP kan er doorheen pompen. Als de test geslaagd is, kun je de buffer + pomp daarna verwijderen en wordt je flow nog wat beter.
[...]
Dat ben ik met je eens.
Edit: Zie uitleg van @Proton_ hieronder.
Verbruik om 240m2 oppervlakte warm te houden rond de 21 graden zat gisteren bijv. op 7,5kWh (Dit is enkel WP + Pompen + aansturing). Mijn WP compressor blijft netjes stabiel tussen 20/30hz draaien merk ik.
Ik merk wel dat ik het heel irritant vind dat ik de COP niet kan berekenen, gewoon totaal niet overna gedacht om de kamstrup warmtemeter te plaatsen. Alles staat netjes in Home Assistant en ik monitor alles, behalve dat. Staat dus wel op mijn lijstje enkel moet ik dan echt mijn installateur weer gaan lastigvallen (beste maat van me) alleen die heeft het (zoals iedere installateur) extreem druk.
Kraan in toe- of afvoer is wel een goede, dan kan ik ook testen voordat ik alles weg zou halen.
WP: NIBE S2125-12 - SMO-S40 / PV: SolarEdge 7200WP / Zeekr 7x AWD Privilege / Home Assistant / Easee Home / Gardena Smart
- Proton_
- Registratie: November 2011
- Laatst online: 09:31
@MisterB De basis:
* Hogere temperatuur opwekken kost rendement
* Elke menging tussen opwek en afgifte zorgt voor onnodig hogere opwektemperatuur
@RobEppink
Grotendeels onwillig te leren, ben ik bang. De uitzonderingen daargelaten uiteraard.
Want met gas en hoge temperaturen moest je op hele andere dingen letten.
* Hogere temperatuur opwekken kost rendement
* Elke menging tussen opwek en afgifte zorgt voor onnodig hogere opwektemperatuur
@RobEppink
Grotendeels onwillig te leren, ben ik bang. De uitzonderingen daargelaten uiteraard.
Want met gas en hoge temperaturen moest je op hele andere dingen letten.
Het ik-wil-een-warmtepomp FAQ topic- '23 MG5, douchen met wtw en Auer Edel Eau, verwarming met Vaillant Arotherm Plus.
Mijn Nibe pomp wordt geregeld door de SMO S40 aansturing, en mijn extra pomp heeft zijn auto adopt functie. Mijn gehele aansturing (waar beide pompen dus op aangesloten zitten) verbruikt 50 Watt gemiddeld waarvan de Alpha2 pomp meestal op 15 Watt draait. Wat ik dus hier uit opmaak is dat inderdaad beide pompen ongeveer gelijk draaien qua wattage en debiet.Andrehj schreef op vrijdag 6 januari 2023 @ 12:23:
[...]
Nee, want een buffer is geen afgiftesysteem, en, als het zaakje goed is ingeregeld, en beide pompen hetzelfde debiet hebben, is er ook geen flow door de buffer. Helaas is dat meestal niet het geval.
WP: NIBE S2125-12 - SMO-S40 / PV: SolarEdge 7200WP / Zeekr 7x AWD Privilege / Home Assistant / Easee Home / Gardena Smart
ik probeer ff te snappen wat een parallel buffervat met 2 aansluitingen (en dus t stukken) toe zal voegen ... begon net een serie vat en parallel vat met 4 aansluitingen (dus menging) beetje te snappen en zie nu deze variant waar dus eigenlijk niks doorheen zou moeten lopen ...dus wat is zijn doel ??Proton_ schreef op vrijdag 6 januari 2023 @ 12:30:
@MisterB De basis:
* Hogere temperatuur opwekken kost rendement
* Elke menging tussen opwek en afgifte zorgt voor onnodig hogere opwektemperatuur
@RobEppink
Grotendeels onwillig te leren, ben ik bang. De uitzonderingen daargelaten uiteraard.
Want met gas en hoge temperaturen moest je op hele andere dingen letten.
of is dat alleen nuttig bij naregeling als de rest dicht staat ? en er dan wel water doorheen gaat lopen
[ Voor 5% gewijzigd door MisterB op 06-01-2023 12:35 ]
Ja, ja, ja, en ja.RobEppink schreef op vrijdag 6 januari 2023 @ 12:25:
[...]
Volg met interesse en plezier je kruistocht tegen de buffervaten, knietjes, secundaire pompen etc....
Bij mij is de boel geïnstalleerd dit jaar. En het zit er allemaal op.....Tegen een vorstelijk bedrag.
Is de sector zo nonchalant, zo blind, zo onwetend, zo op geld belust?
De bewijzen zijn er genoeg hier..
Zonder ook al die extra ellende, goed werkende systemen.
En als je weet wat flow is, zou je nooit knieën zetten.
Zijn tweakers geweest die gerekend hebben aan buffer vaten al dan niet de best geïsoleerde.
Verliezen zijn best groot te noemen... En waarom een vat als het zonder ook werkt.
Andere kant, de installateur doet meestal wat hem opgedragen wordt vanuit de fabrikant....
En door vaten, is je systeem mss wat beter bestand tegen de oude systemen met, knieen, flessenhalzen enz enz enz
WP systemen zijn niet een cv systeem [ ben ik ook achter gekomen ].
Er zou echt een paradigma shift nodig zijn bij cv installateurs. Maar ja die zijn er te weinig, en die er zijn weten niet alles.
zonneboiler, pelletkachel, 36 panels, Atlantic Wpb, pana 5 Kw H, Heishamon, Domoticz, Grafana, Solarmeters, PVO: https://pvoutput.org/list.jsp?id=15321&sid=19520
soms zit je ook door zogenaamde garantie aan een installateur vast .. nadat ze hebben lopen prutsen
[ Voor 17% gewijzigd door MisterB op 06-01-2023 12:35 ]
Ik denk dat niemand dat echt zal gaan snappen, als hij ook zou werken zonder 1 buffervatMisterB schreef op vrijdag 6 januari 2023 @ 12:32:
[...]
ik probeer ff te snappen wat een parallel buffervat met 2 aansluitingen (en dus t stukken) toe zal voegen ... begon net een serie vat en parallel vat met 4 aansluitingen (dus menging) beetje te snappen en zie nu deze variant waar dus eigenlijk niks doorheen zou moeten lopen ...dus wat is zijn doel ??
of is dat alleen nuttig bij naregeling als de rest dicht staat ? en er dan wel water doorheen gaat lopen
zonneboiler, pelletkachel, 36 panels, Atlantic Wpb, pana 5 Kw H, Heishamon, Domoticz, Grafana, Solarmeters, PVO: https://pvoutput.org/list.jsp?id=15321&sid=19520
.
[ Voor 99% gewijzigd door Ronald.42 op 27-02-2023 16:19 ]
Solar 15040wp 12x425 ZZW schuin dak 8x260 N schuin dak16x zzw platdak, 6x430 terras oost, wp Sprsun10Kw, wpb arostor 150l, 3x Marstek 5,12kwh.
Ik zal de installateur nogmaals hierover vragen. Zij willen de buffer erin hebben in verband met stabiliteit en zekerheid. Op een gegeven moment wou ik zo graag de installatie draaiend hebben na heel veel gedoe dat ik er maar mee ingestemd ben. (als je inmiddels 1,5 week zonder verwarming zit terwijl het -10 is 's nachts ga je iets minder kritisch worden...) De buffer is ook aangesloten op de minst gunstige manier als ik verschillende sites mag geloven.Andrehj schreef op vrijdag 6 januari 2023 @ 09:51:
[...]
Als je installateur toch langs komt om die verdeler te vervangen, laat em dan ook die overbodige buffer plus secundaire pomp weghalen. De pomp in je WP is makkelijk in staat om het water ook door de VVW te pompen.
Hier een succesverhaal van iemand die zijn 2e pompgroep + secundaire pomp heeft weggehaald:
Cybot12999 in "Nefit EnviLine warmtepomp ervaringen uitwisselen"
En hier een onderzoek wat aantoont hoeveel de COP-winst daarvan kan zijn:
https://renewableheatingh...-properly-and-efficiently
(kwam gisteren langs in één van de Pana topics).
Het feit dat je nu een Ta van 32 à 33°C nodig hebt om zonder pendelen op 90 m² te kunnen draaien toont al aan dat daar veel winst te halen is. (Of is je WP veel te groot?)
De WP is 9,5kW, bepaalt aan de hand van het gasverbruik.
LilyGo behuizingen | Ontwikkelaar Itho Daalderop Warmtepomp control module
het wordt al gauw discussie met een installateur waarbij je dus de wise guy uit moet gaan hangen en niet 100% zeker weet of het gaatwerkenleejoow schreef op vrijdag 6 januari 2023 @ 12:37:
[...]
Ik zal de installateur nogmaals hierover vragen. Zij willen de buffer erin hebben in verband met stabiliteit en zekerheid. Op een gegeven moment wou ik zo graag de installatie draaiend hebben na heel veel gedoe dat ik er maar mee ingestemd ben. (als je inmiddels 1,5 week zonder verwarming zit terwijl het -10 is 's nachts ga je iets minder kritisch worden...) De buffer is ook aangesloten op de minst gunstige manier als ik verschillende sites mag geloven.
De WP is 9,5kW, bepaalt aan de hand van het gasverbruik.
Combinatie van:RobEppink schreef op vrijdag 6 januari 2023 @ 12:25:
Volg met interesse en plezier je kruistocht tegen de buffervaten, knietjes, secundaire pompen etc....
Bij mij is de boel geïnstalleerd dit jaar. En het zit er allemaal op.....Tegen een vorstelijk bedrag.
Is de sector zo nonchalant, zo blind, zo onwetend, zo op geld belust?
- Importeurs die het verkeerd voorschrijven
- Onvoldoende technisch inzicht (ik snap er eigenlijk niks van dus doe maar wat in het standaard schema staat)
- Onvoldoende ervaring
- Niet geïnteresseerd in het energieverbruik.
WP: ME PUHZ-SW75YAA + ERSD-VM2D + EV-WP-TWS-1W 300; AC: ME MXZ-2F42VF + 2x MSZ-LN25VGV; PV: 14.08 kWp O/W + SMA STP 8.0; Vent: Zehnder Q600 ERV + Ubbink AirExcellent.
- Proton_
- Registratie: November 2011
- Laatst online: 09:31
@leejoow wellicht kan je wat discussie omzeilen door in ieder geval 1 kant met een T-stuk en afsluiter uit te laten voeren. Aangezien soms de systeem-aanvoertemperatuursensor ook bovenin het buffervat gezet wordt, zou ik daar de retour voor nemen.
Dan heb je alleen de kosten, niet de performance-hit en kan je zelf experimenteren met het verschil.
Dan heb je alleen de kosten, niet de performance-hit en kan je zelf experimenteren met het verschil.
Het ik-wil-een-warmtepomp FAQ topic- '23 MG5, douchen met wtw en Auer Edel Eau, verwarming met Vaillant Arotherm Plus.
Laat die buffer dan aansluiten zoals ik hierboven heb omschreven. Dan kun je hem makkelijk buiten spel zetten en bij de installateur koekebakker aantonen dat zo'n ding helemaal niet nodig is.leejoow schreef op vrijdag 6 januari 2023 @ 12:37:
[...]
Ik zal de installateur nogmaals hierover vragen. Zij willen de buffer erin hebben in verband met stabiliteit en zekerheid. Op een gegeven moment wou ik zo graag de installatie draaiend hebben na heel veel gedoe dat ik er maar mee ingestemd ben. (als je inmiddels 1,5 week zonder verwarming zit terwijl het -10 is 's nachts ga je iets minder kritisch worden...) De buffer is ook aangesloten op de minst gunstige manier als ik verschillende sites mag geloven.
De WP is 9,5kW, bepaalt aan de hand van het gasverbruik.
WP: ME PUHZ-SW75YAA + ERSD-VM2D + EV-WP-TWS-1W 300; AC: ME MXZ-2F42VF + 2x MSZ-LN25VGV; PV: 14.08 kWp O/W + SMA STP 8.0; Vent: Zehnder Q600 ERV + Ubbink AirExcellent.
ik hou wel van wat experimenteren - ja kan ook met wat kranen oid het buffervat laten zitten as-is en ook 'overbruggen' om te testen... hoef je maar 1 keer om te bouwen .. maar ben afh van de installateur om werkzaamheden uit te laten voeren ivm 'garantie' en juist daarmee heb je een discussie fwiw
ombouwen / terugbouwen etc is toch hoop gezeik / zooi
ombouwen / terugbouwen etc is toch hoop gezeik / zooi
[ Voor 37% gewijzigd door MisterB op 06-01-2023 12:59 ]
Helaas is mijn buffer momenteel als volgt aangesloten:Andrehj schreef op vrijdag 6 januari 2023 @ 12:46:
[...]
Laat die buffer dan aansluiten zoals ik hierboven heb omschreven. Dan kun je hem makkelijk buiten spel zetten en bij de installateur koekebakker aantonen dat zo'n ding helemaal niet nodig is.
:no_upscale():strip_icc():fill(white):strip_exif()/f/image/oN1lN27vSMUQlJ7RsdvXGpGL.jpg?f=user_large)
Hier kan ik geen kranen inzetten.
Mijn idee is nu om hem aan te sluiten op de volgende manier en dan inderdaad met kranen zodat ik zelf kan proberen wat het verschil is.
LilyGo behuizingen | Ontwikkelaar Itho Daalderop Warmtepomp control module
Ik had in eerste instantie een offerte zonder buffervat, maar later heeft de installateur hem er toch bij gezet. Kwestie van een systeem uit de jaren '60 met ledenradiatoren, moderne radiatoren en vloerverwarming. Zijn inschatting is dat, in ons geval, de boel met een buffervat toch mooier zal lopen dan zonder en ik heb vertrouwen in zijn expertise. En de fabrikanten zullen toch ook niet voor niets buffervaten adviseren? Het is nu niet alsof die dingen de onderdelen zijn waarop de winst gepakt wordt...
Maar als ik hem spreek ga ik hem er zeker nog weer even naar vragen. Hij is onderhand wel gewend dat ik alles tot in detail wil weten en rustig de discussie aan ga. Dat maakt het ook zo prettig werken met hem.
Maar als ik hem spreek ga ik hem er zeker nog weer even naar vragen. Hij is onderhand wel gewend dat ik alles tot in detail wil weten en rustig de discussie aan ga. Dat maakt het ook zo prettig werken met hem.
[ Voor 17% gewijzigd door Aziraphale op 06-01-2023 13:09 ]
3120WP Solax, 4825WP SolarEdge, Nibe S2125-8 met een VVMS320, 11,52 kWh Zendure 2400AC
je kan in jouw installatie (die ik ook zo heb) toch ook de buffer overbruggen .. gewoon leiding eromheen en voorbij de pomp aansluiten .. idem voor retourleejoow schreef op vrijdag 6 januari 2023 @ 13:05:
[...]
Helaas is mijn buffer momenteel als volgt aangesloten:
[Afbeelding]
Hier kan ik geen kranen inzetten.
Mijn idee is nu om hem aan te sluiten op de volgende manier en dan inderdaad met kranen zodat ik zelf kan proberen wat het verschil is.
[Afbeelding]
Ik heb ook zo'n parallel (dus) buffer met een 4-pijps-aansluiting. Ik zit ook te denken aan een verbetering naar 2-pijps aansluiting. Maar nog mooier (voor cop) is helemaal geen buffervat meer en m'n open verdeler naar een gesloten pomploze verdeler ombouwen.MisterB schreef op vrijdag 6 januari 2023 @ 13:09:
[...]
je kan in jouw installatie (die ik ook zo heb) toch ook de buffer overbruggen .. gewoon leiding eromheen en voorbij de pomp aansluiten .. idem voor retour
Vraag: waar ik nog mee zit, is dat ik de woonkamer met thermostaat op temperatuur wil regelen, zoals veel mensen. Die thermostaat schakelt dan de wp en dat is dan 3x per uur voor circa 10 minuten. Is dat niet een nadeel, al dat aan/uit gaan van de wp. Of gaat de wp daar slim mee om?
Edit: met dit weer ~10 graden, draait de wp runs van 20 .. 25 minuten en bij kouder weer langer, soms vele uren. Het buffervat helpt hier wel met langere runs.
[ Voor 8% gewijzigd door Jaap19 op 06-01-2023 13:18 ]
Duidelijk, maar dan nog hoort boven de WP en VV aanvoer te zitten en onder WP retour en VV retour.pcprutser schreef op vrijdag 6 januari 2023 @ 09:39:
[...]
Ja, de vv voor de beganegrond en 1e+2e verdieping worden apart aangestuurd door een Daikin bizone-kit. Eerder was dit vat alleen aangesloten als buffervat, maar doordat de wp eerder afschakelde dan de bizonekit, gaf dit constant storingen. Op advies van de Daikin monteur is dat aangepast naar de huidige situatie.
Dit om onnodig mengen te voorkomen.
30x SF175 NW - STP6000 Live PVoutput Nibe F2120-16 warmtepomp
@MisterB membraam erin en je hebt een heel groot expansievat
PUHZ-SHW80YAA Zubadan 8kW, gasloos sinds 30-12-2021
Wij wonen er samen, geen kinderen. De bovenverdieping willen we, zodra de CV er uit gaat, verwarmen met airco-units en IR-paneel op kantoor. In het huidige huis hebben we nog nooit de verwarming aan gehad boven. Installateur gaf ook aan de huidige leidingen/radiatoren niet op een WP kunnen.TKroon schreef op vrijdag 6 januari 2023 @ 07:51:
[...]
Enkele vragen nog:
- hoeveel personen wonen/douchen in dit huis? Anders kan 230 liter wel weinig zijn.
- hoe verwarm je de bovenverdieping? Heb je zoneregeling?
Het vermogen is gebaseerd op een bezoek aan de woning, m2's benedenverdieping/VV, huidige isolatie en verbetermaatregelen welke er gaan komen.Dat klinkt als een 11kW WP. Hoeveel is daar bij -10 nog van over? En zeker weten dat je zoveel vermogen nodig hebt? Hoe is dat vermogen bepaald?
Wat is je huidige jaarlijkse gasverbruik?
Je moet het ook maar in je afgiftesysteem kwijt kunnen. Dat is met 113 m², waarvan 30 in de garage, maar zeer de vraag.
Gasverbruik durf ik niet te zeggen voor de woning. Huidige verbruik tussenwoning (2001) is 400m3. Laat ik het keer drie doen voor het type vrijstaand en grotere ruimtes dan kom ik op 1200m3 uit. *8 KW/1650 = 5,82 = 6kW. Laat het 8kW worden met marge.
Pomp is waarschijnlijk om het SWW vanuit garage naar de badkamer op eerste verdieping aan de andere kant van de woning te pompen met voldoende druk. En niet voor de VV. Daar is de volgende verdeler voor geselecteerd. Misschien ook omdat ik aangegeven heb regendouche te gaan installeren.Pomp en buffer heb je alvast niet nodig, dus die kunnen weg. Zie de FAQ.
Buffer met wat ik gelezen heb inderdaad overbodig, maar ik dacht vraag het toch in deze situatie/Daikin. Zal aan installateur vragen waarom zij hem opgenomen hebben.
Dezelfde variant maar met koeling kost incl. BTW 11.199,- euro op hun website. Dat is al een verschil van 8.800 euro, zonder BTW. Belachelijk veel voor installatie, buffervat en pomp.Dat is € 24.139.50![]()
. De prijzen worden steeds idioter. Dan moet je (bij een lange afschrijvingstermijn van 15 jaar) al meer dan € 1600 per jaar op de energiekosten besparen om uit de kosten te komen. Dat gaat je waarschijnlijk niet lukken.
Waarom zou je überhaupt aan dit hele feestje willen beginnen?
De reden dat we all-in-one willen is dat we nu met verbouwing de kans hebben om van het gas af te gaan, vloerverwarming willen en de CV-ketel moet hoognodig vervangen worden.
vraag: wat is in je hele systeem de meest logische plek om een kamstrup 303 energie meter te plaatsen ?
En die kan ook weer op 2 manieren:n00ts schreef op vrijdag 6 januari 2023 @ 13:32:
Om het nog spannender te maken is er ook nog een 3 pijps variant voor het aansluiten van een buffervat.
Warmtepompweetjes
Panasonic J 7kW WP, boiler & HeishaMon, 6022 Wp PV, Enphase+ST GW, SOLAX SK-SU3000E 13kWh BESS, ITHO Qualityflow WTW, Elvi Smart Charging+ laadpunt, Kia EV6 84kWh EA MY25, gasloos '23
2 mogelijkheden: De flow/temperatuursensor in de retour naar je WP en de losse temperatuursensor in de aanvoer of juist andersom.MisterB schreef op vrijdag 6 januari 2023 @ 14:35:
vraag: wat is in je hele systeem de meest logische plek om een kamstrup 303 energie meter te plaatsen ?
Je meet dan alles, ook ssw bereiding als je dat gebruikt. Als je dan verwarming en ssw uit elkaar wil halen moet je daar wat voor schrijven op basis van status WP.
Panasonic J 7kW WP, boiler & HeishaMon, 6022 Wp PV, Enphase+ST GW, SOLAX SK-SU3000E 13kWh BESS, ITHO Qualityflow WTW, Elvi Smart Charging+ laadpunt, Kia EV6 84kWh EA MY25, gasloos '23
6, op mijn buffervat zit ook nog een aftap- en een ontluchtingsaansluiting.MisterB schreef op vrijdag 6 januari 2023 @ 14:37:
de 1 pijps variant kan op 4 manieren
Panasonic J 7kW WP, boiler & HeishaMon, 6022 Wp PV, Enphase+ST GW, SOLAX SK-SU3000E 13kWh BESS, ITHO Qualityflow WTW, Elvi Smart Charging+ laadpunt, Kia EV6 84kWh EA MY25, gasloos '23
lolblb4 schreef op vrijdag 6 januari 2023 @ 14:41:
[...]
6, op mijn buffervat zit ook nog een aftap- en een ontluchtingsaansluiting.
@Ralph88 Dan is een 11 kW echt veel, veel te zwaar voor jouw wensen. Je zegt boven niet te verwarmen met de warmtepomp, maar met andere manieren. Deze warmte hoeft de warmtepomp dus al niet te leveren. Ik denk dat je met een 6 kW voldoende vermogen kunt leveren.
Ik doe ook even de aanname dat je de instellingen nog gaat finetunen, dus daar haal je ook nog een deel efficiëntie. Hier stond de stooklijn ook meer dan 5 graden hoger dan waar ik het huis nu (en met de vorst) prima mee warm hield. En nog comfortabeler ook, want de warmtepomp draaide 24/7 in rustige deellast, in plaats van 12 uur vollast en dan uit.
Een regendouche (of stortdouche?) doet meestal minder dan 10 liter per minuut, dus daar hoef je het niet voor te doen. De druk op je warm water komt puur door de druk van de koud water leiding. Deze stroomt onderin je boilervat, en dit is de druk die bovenuit je boilervat als warm water komt. Ik verwacht niet dat je hier een pomp voor nodig hebt. Tenzij je een dubbele douche wilt natuurlijk, beide met voldoende druk.
Ik doe ook even de aanname dat je de instellingen nog gaat finetunen, dus daar haal je ook nog een deel efficiëntie. Hier stond de stooklijn ook meer dan 5 graden hoger dan waar ik het huis nu (en met de vorst) prima mee warm hield. En nog comfortabeler ook, want de warmtepomp draaide 24/7 in rustige deellast, in plaats van 12 uur vollast en dan uit.
Een regendouche (of stortdouche?) doet meestal minder dan 10 liter per minuut, dus daar hoef je het niet voor te doen. De druk op je warm water komt puur door de druk van de koud water leiding. Deze stroomt onderin je boilervat, en dit is de druk die bovenuit je boilervat als warm water komt. Ik verwacht niet dat je hier een pomp voor nodig hebt. Tenzij je een dubbele douche wilt natuurlijk, beide met voldoende druk.
Daikin Altherma 3 LT 8 kW + 14,2 kWp PV
thanks!blb4 schreef op vrijdag 6 januari 2023 @ 14:40:
[...]
2 mogelijkheden: De flow/temperatuursensor in de retour naar je WP en de losse temperatuursensor in de aanvoer of juist andersom.
Je meet dan alles, ook ssw bereiding als je dat gebruikt. Als je dan verwarming en ssw uit elkaar wil halen moet je daar wat voor schrijven op basis van status WP.
klein nadeel - ga je weer een vernauwing introduceren terwijl ik juist alle knietjes, 22mm buis, thermostaat kraan en voetventiel er uit moet gaan managen.... en juist daar vlak bij de wp binnen unit 30mm buizen zitten
[ Voor 5% gewijzigd door MisterB op 06-01-2023 14:44 ]
ZGARM (Zo goed als redelijkerwijs mogelijk). 't Is niet zo dat zo'n stukje vernauwing nu direct funest is voor je installatie. Heb je de diameters gezien binnen de WP? In mijn Panasonic zie ik dat er intern ook maar iets van 22 mm wordt gebruikt.MisterB schreef op vrijdag 6 januari 2023 @ 14:43:
[...]
klein nadeel - ga je weer een vernauwing introduceren terwijl ik juist alle knietjes, 22mm buis, thermostaat kraan en voetventiel er uit moet gaan managen.... en juist daar vlak bij de wp binnen unit 30mm buizen zitten
Panasonic J 7kW WP, boiler & HeishaMon, 6022 Wp PV, Enphase+ST GW, SOLAX SK-SU3000E 13kWh BESS, ITHO Qualityflow WTW, Elvi Smart Charging+ laadpunt, Kia EV6 84kWh EA MY25, gasloos '23
Zou ik persoonlijk toch eens dubbelchecken adhv type radiatoren en warmteafgifte en/of tweede mening vragen. Eerste x installateurs die hier over de vloer kwamen wouden gewoon geen WP offerte maken want 'oei radiatoren en je hebt nu een mazoutketel die op 50graden draait'. Installateur x + 1 zei: verbruik < 1000L mazout op een jaar en je radiatoren zijn relatief groot? Geen probleem. En gelijk had hij.Installateur gaf ook aan de huidige leidingen/radiatoren niet op een WP kunnen.
Je moet uiteraard wel een thermostaat gebruiken die geschikt is voor een WP (liefst met instelbare hystere). Dus niet iets waar Honeywell op staat of wat op de een of andere manier aan PWM doet.Jaap19 schreef op vrijdag 6 januari 2023 @ 13:15:
Ik heb ook zo'n parallel (dus) buffer met een 4-pijps-aansluiting. Ik zit ook te denken aan een verbetering naar 2-pijps aansluiting. Maar nog mooier (voor cop) is helemaal geen buffervat meer en m'n open verdeler naar een gesloten pomploze verdeler ombouwen.
Vraag: waar ik nog mee zit, is dat ik de woonkamer met thermostaat op temperatuur wil regelen, zoals veel mensen. Die thermostaat schakelt dan de wp en dat is dan 3x per uur voor circa 10 minuten. Is dat niet een nadeel, al dat aan/uit gaan van de wp. Of gaat de wp daar slim mee om?
Waaruit leidt je dat af?Edit: met dit weer ~10 graden, draait de wp runs van 20 .. 25 minuten en bij kouder weer langer, soms vele uren. Het buffervat helpt hier wel met langere runs.
Hier (met uitsluitend VVW, uiteraard zonder buffervat) draait de WP nooit meer dan 1 run per dag. Vandaag alleen tot 12 uur, daarna nam de zon het over.
WP: ME PUHZ-SW75YAA + ERSD-VM2D + EV-WP-TWS-1W 300; AC: ME MXZ-2F42VF + 2x MSZ-LN25VGV; PV: 14.08 kWp O/W + SMA STP 8.0; Vent: Zehnder Q600 ERV + Ubbink AirExcellent.
Heb je die bizonekit echt nodig? Wat nou als je die gewoon weg laat?pcprutser schreef op vrijdag 6 januari 2023 @ 09:39:
Ja, de vv voor de beganegrond en 1e+2e verdieping worden apart aangestuurd door een Daikin bizone-kit. Eerder was dit vat alleen aangesloten als buffervat, maar doordat de wp eerder afschakelde dan de bizonekit, gaf dit constant storingen. Op advies van de Daikin monteur is dat aangepast naar de huidige situatie.
Lees dit topic maar eens terug. Overal waar dat soort systemen allerlei "intelligentie" proberen toe te voegen aan je systeem, ontstaan de problemen. De warmtepompen die het best, meest stabiel en met de hoogste rendementen, de laagste kosten en storingsvrij draaien, zijn de simpele systemen, zonder naregeling, zonder buffervat en zonder al die extra pompen.
WP: ME PUHZ-SW75YAA + ERSD-VM2D + EV-WP-TWS-1W 300; AC: ME MXZ-2F42VF + 2x MSZ-LN25VGV; PV: 14.08 kWp O/W + SMA STP 8.0; Vent: Zehnder Q600 ERV + Ubbink AirExcellent.
Dit topic is gesloten.
![]()
:strip_exif()/f/image/Zn1myeEVVYo40qbo3y8ILxmt.jpg?f=fotoalbum_large)
/f/image/P1ryqyG3f4ikMoz9E2CPqVux.png?f=fotoalbum_large)
:strip_exif()/f/image/JRIBRaUNZi8gPMp0eJ98CnPi.jpg?f=fotoalbum_large)