Acties:
  • 0 Henk 'm!

  • xoror
  • Registratie: November 1999
  • Niet online
Whiskey48 schreef op maandag 3 februari 2025 @ 22:05:
[...]


De retoursensor zou al vervangen zijn omdat deze kapot was (kapot geleverd). Het huis werd ontzettend warm namelijk.
Sinds de sensor is vervangen wordt het huis niet meer ontzettend warm, alleen is het verbruik wel nog ontzettend hoog :).
meet de retour leiding met warmte camera of ir meter oid. (of vlees thermometer oid, verschil tussen 18c en 25c is wel daarmee te meten)

Het werkt gewoon wel okay buiten 01:00-09:00 om, dus die sensor is niet conditioneel stuk op bepaalde tijden :+

Daarnaast geeft de retour van de mengverdeler ook 18c aan.

[ Voor 10% gewijzigd door xoror op 03-02-2025 22:14 ]

Eenvoudig + Goedkoop Mitsubishi Warmtepomp uitlezen/besturen met een ESP32


Acties:
  • 0 Henk 'm!

  • a2aan
  • Registratie: Juni 2024
  • Laatst online: 13:27
@xoror om zo'n lage retourtemperatuur te krijgen moet er ergens iets én vrij koud zijn, én heel veel energie kunnen absorberen. Die energie moet óf de lucht, óf de grond, óf het riool in.

Wat me eraan doet denken: ik heb weleens per ongeluk een paar uur de warme buitenkraan aan gehad, nadat die bevroren was geraakt, omdat ik de tuinslang niet op tijd had afgekoppeld. Maar dat was niet conditioneel tussen 01:00 en 09:00, en ook niet conditioneel als het buiten kouder is dan -2. Ik kwam er toen achter omdat het huis afkoelde (de ketel was immers alleen bezig voor tapwater).

Acties:
  • 0 Henk 'm!

  • Whiskey48
  • Registratie: December 2004
  • Laatst online: 18:32
a2aan schreef op maandag 3 februari 2025 @ 22:14:
@xoror om zo'n lage retourtemperatuur te krijgen moet er ergens iets én vrij koud zijn, én heel veel energie kunnen absorberen. Die energie moet óf de lucht, óf de grond, óf het riool in.

Wat me eraan doet denken: ik heb weleens per ongeluk een paar uur de warme buitenkraan aan gehad, nadat die bevroren was geraakt, omdat ik de tuinslang niet op tijd had afgekoppeld. Maar dat was niet conditioneel tussen 01:00 en 09:00, en ook niet conditioneel als het buiten kouder is dan -2. Ik kwam er toen achter omdat het huis afkoelde (de ketel was immers alleen bezig voor tapwater).
Afbeeldingslocatie: https://tweakers.net/i/SKN1c1j1-7nkm64jRkjSDF4n7pc=/x800/filters:strip_icc():strip_exif()/f/image/SdCvl52vt9XfPESahRR1gK6Y.jpg?f=fotoalbum_large

Na het vullen van een bad en douchen lijkt de Retour omhoog te zijn gegaan.

Afbeeldingslocatie: https://tweakers.net/i/YpJ4_BB_059of3l4TMdz80zQVBk=/800x/filters:strip_icc():strip_exif()/f/image/NHrmyUvkEX1yj8Dyyvns06Sn.jpg?f=fotoalbum_large

Het Elektrisch Element lijkt grotendeels de boosdoener toch wel denk ik?
De aanpassingen sinds vanmiddag lijken iig zichtbaar. De BUH staat nu iig ingesteld dat deze pas vanaf -6 aan slaat. (nog steeds verschrikkelijk als dat gebeurt terwijl me dat nog niet nodig lijkt als je 24/7 verwarmt zonder nachtverlaging oid ... maargoed dat is dan iig minder vaak in het jaar).

Het verbruik van de pomp zelf vind ik wat ruim, evenals de delta-T (gemeten of berekend) ... naja, morgenochtend weer even situaties vergelijken :)

[ Voor 4% gewijzigd door Whiskey48 op 03-02-2025 22:25 ]


Acties:
  • 0 Henk 'm!

  • xoror
  • Registratie: November 1999
  • Niet online
wat het kan zijn is dat het vorige screenshot met de retour van 17.8c aan het begin van een sww run was. Als je een bad heb gevuld en je boiler is niet al te groot, trek je best wat water uit je boiler. Aan het begin van je sww run dropt de temp voordat hij omhoog gaat. Ik zie dat de sww temp nu rond 52c is

Dus ik gok dat we net naar het begin van een sww run aan het kijken zijn.
Maar zonder logging met history is het erg lastig om te diagnosen waar het aan ligt. Nu was ik op het verkeerde been gezet door start van de sww run.

Maar wat betreft de BUH, blijkbaar is/was er wel vraag voor 14-15kW, daarom is de BUH aangegaan, niet omdat het -2 was (eerste screenshot)

[edit] Ik zie dat tapwater gemeten nog op 46c staat, dus het was geen sww run. @Whiskey48

[ Voor 6% gewijzigd door xoror op 03-02-2025 22:48 ]

Eenvoudig + Goedkoop Mitsubishi Warmtepomp uitlezen/besturen met een ESP32


Acties:
  • 0 Henk 'm!

  • master1104
  • Registratie: Februari 2003
  • Laatst online: 27-10 22:15
Je vergeet de gelaagdheid in het vat. Als het setpoint daadwerkelijk 58 graden was, dan is het niet vreemd dat hij bij 46 graden een SWW run start. Onderin het vat kan de spiraal dan rustig een retour van 18 graden geven. Leidingwater komt hier met 9 graden aanvoer de woning binnen momenteel.

Ik deel je vermoeden dat we de start van een SWW zagen in eerste screenshot.

[ Voor 12% gewijzigd door master1104 op 03-02-2025 23:26 ]


Acties:
  • +2 Henk 'm!

  • Blihi
  • Registratie: Juni 2018
  • Laatst online: 18:26
Whiskey48 schreef op maandag 3 februari 2025 @ 20:56:
Een Alpha Innotec heeft geen legionella run klokprogramma, dit is ook niet nodig als je dagelijks water gebruikt (ook bij 53 graden ingesteld). Anders zelf wekelijks met de hand naar 58 graden brengen
Even op inhaken: Dit is flauwekul.

Of je nu dagelijks water verbruikt of niet maakt voor de legionella-preventie helemaal niets uit. Water onderin het SWW vat blijft te koud om de Legionella bacterie te laten afsterven, helemaal als je het vat op 53 graden houdt. Die 53 wordt namelijk niet helemaal onderin gemeten, dus onderin blijft het water 45 graden en dan staat het ook nog eens vrijwel stil.

Breng minstens een keer per week je vat naar 60 graden (onderin gemeten) en houdt het daar tenminste 10 minuten. Liever nog 65 graden, maar dat kost onevenredig veel energie.

Dat de WP zelf geen legionella-programma heeft is eigenlijk schandalig.

WP: Toshiba Estia 8kW split HWT-801H(R)W-E + HWT-1101 binnenunit met 300 liter SWW tank. PV: 4 strings, totaal 12590 Wp


Acties:
  • 0 Henk 'm!

  • Martin7182
  • Registratie: Juni 2020
  • Laatst online: 20:53
Verplaatst naar Martin7182 in "Voorkomen legionella in boilers" Voorkomen legionella in boilers, bedankt @SebastiaanPs :)

[ Voor 207% gewijzigd door Martin7182 op 04-02-2025 12:38 ]


Acties:
  • 0 Henk 'm!

  • Bravo
  • Registratie: Augustus 2005
  • Laatst online: 13:48

Bravo

Second Best

Martin7182 schreef op dinsdag 4 februari 2025 @ 09:01:
[...]

De meningen zijn hierover verdeeld. Jij vindt het flauwekul, maar is dat het ook daadwerkelijk? Als je dagelijks doucht, dan staat het water maximaal een dag stil. Het verse water komt doorgaans helemaal onderin het vat in. Mocht de aanvoer niet helemaal onderin zijn, dan kun je dat gedeelte sowieso niet opstoken tot boven de 60 graden (dus heeft het ook weinig zin en telt het argument niet).
Ik weet er verder te weinig van en doe braaf de anti-legionella cycli.
Maar de legionella bacterien zitten niet braaf in de liter water die later warm wordt opgestookt bovenin het vat. De bacterien zitten op de wand onderin het vat. En als het water wat daar zit niet regelmatig goed verwarmd wordt, heb je de ideale omstandigheden om de bacterien te laten groeien.
Het gaat er dus niet om hoe lang het water stil staat, het gaat erom hoe warm het water is op de plek waar de bacterien groeien.

Ioniq 6 LR Lounge 20"
2700Wp SSW 30° @ SE2200 | 1720Wp SSW 5° @ HM-1500
Flickr | Canon 6D | 17-40mm f/4 + 50mm f/1.8 II + 70-200mm f/4 | 2x 430EX II | Sirui T005 + C10


Acties:
  • 0 Henk 'm!

  • Whiskey48
  • Registratie: December 2004
  • Laatst online: 18:32
Blihi schreef op dinsdag 4 februari 2025 @ 08:11:
[...]


Even op inhaken: Dit is flauwekul.

Of je nu dagelijks water verbruikt of niet maakt voor de legionella-preventie helemaal niets uit. Water onderin het SWW vat blijft te koud om de Legionella bacterie te laten afsterven, helemaal als je het vat op 53 graden houdt. Die 53 wordt namelijk niet helemaal onderin gemeten, dus onderin blijft het water 45 graden en dan staat het ook nog eens vrijwel stil.

Breng minstens een keer per week je vat naar 60 graden (onderin gemeten) en houdt het daar tenminste 10 minuten. Liever nog 65 graden, maar dat kost onevenredig veel energie.

Dat de WP zelf geen legionella-programma heeft is eigenlijk schandalig.
Martin7182 schreef op dinsdag 4 februari 2025 @ 09:01:
[...]

De meningen zijn hierover verdeeld. Jij vindt het flauwekul, maar is dat het ook daadwerkelijk? Als je dagelijks doucht, dan staat het water maximaal een dag stil. Het verse water komt doorgaans helemaal onderin het vat in. Mocht de aanvoer niet helemaal onderin zijn, dan kun je dat gedeelte sowieso niet opstoken tot boven de 60 graden (dus heeft het ook weinig zin en telt het argument niet).
Ik weet er verder te weinig van en doe braaf de anti-legionella cycli.
Afbeeldingslocatie: https://tweakers.net/i/AAIfs04eg9mbPD0TkGeJ9xj7hAo=/x800/filters:strip_icc():strip_exif()/f/image/UYHb67pOWJB0gIYqYf0LDu0X.jpg?f=fotoalbum_large

Afbeeldingslocatie: https://tweakers.net/i/4jnaIF7o7gCW44wLhFJyrkucuYc=/800x/filters:strip_icc():strip_exif()/f/image/69CSUvVwa1mUUuNIaDYSCabj.jpg?f=fotoalbum_large

Afbeeldingslocatie: https://tweakers.net/i/D_5NT4zZ9WanwvtEITZegMVGVuo=/x800/filters:strip_icc():strip_exif()/f/image/ZxWUCtVP0dnk8HGoxrkMuQ5a.jpg?f=fotoalbum_large

Afbeeldingslocatie: https://tweakers.net/i/QSO15KbEPjwLRRNcpGXPFjJw3TU=/x800/filters:strip_icc():strip_exif()/f/image/3oqhZ9QwWmMMvYVgDWgLezUe.jpg?f=fotoalbum_large


Tja, ik ben bekend dat dit wel moet, maar dacht misschien weet ik niet alles.

De BUH is niet aangeslagen, nu niet 4x het verbruik tov mijzelf maar 2x het verbruik tov mijzelf.
Ik vind het nog een fors verschli, maar ik heb wel goede gordijnen voor de ramen ed, dat is bij deze meneer minder. Ik verwarm niet de grage, dat zal ook best veel schelen.

... Het extreme verbruik is wel weg als de BUH niet ingeschakeld wordt, maar misschien heeft de woning gewoon heel veel energie nodig, erg veel warmteverlies? (het is een van top tot geen gerenoveerde woning label A++ (ik heb alleen A). ... Toch gek dat het verbruik minstens het dubbele is.

* de retour berekend is nu opeens de lage :?
De retour, zal dat een sensor zijn helemaal onderin het sanitairvat geplaatst?? Dus dit plaatje is net na het bijwarmen van het watervat?

Acties:
  • +5 Henk 'm!
Martin7182 schreef op dinsdag 4 februari 2025 @ 09:01:
[...]

De meningen zijn hierover verdeeld. Jij vindt het flauwekul, maar is dat het ook daadwerkelijk? Als je dagelijks doucht, dan staat het water maximaal een dag stil. Het verse water komt doorgaans helemaal onderin het vat in. Mocht de aanvoer niet helemaal onderin zijn, dan kun je dat gedeelte sowieso niet opstoken tot boven de 60 graden (dus heeft het ook weinig zin en telt het argument niet).
Ik weet er verder te weinig van en doe braaf de anti-legionella cycli.
Voordat er hier voor de zoveelste keer een hele discussie over anti-legionella cycli losbarst - daar is een dedicated topic voor:
Voorkomen legionella in boilers

WP: Mitsubishi Electric SUZ-SWM80VA2 + ERSD-VM2D. PV 3330 Wp. Huis 1931, gasloos sinds jan '24.


Acties:
  • 0 Henk 'm!

  • betaplayer
  • Registratie: Juli 2007
  • Laatst online: 11:06
Whiskey48 schreef op dinsdag 4 februari 2025 @ 09:22:


... Het extreme verbruik is wel weg als de BUH niet ingeschakeld wordt, maar misschien heeft de woning gewoon heel veel energie nodig, erg veel warmteverlies? (het is een van top tot geen gerenoveerde woning label A++ (ik heb alleen A). ... Toch gek dat het verbruik minstens het dubbele is.

* de retour berekend is nu opeens de lage :?
De retour, zal dat een sensor zijn helemaal onderin het sanitairvat geplaatst?? Dus dit plaatje is net na het bijwarmen van het watervat?
Ik zou graag de retour nog eens zien bij gewone verwarming?
Kan je hier een grafiekje oproepen dat ook retour laat zien toevallig? (Ik ben niet vertrouwd met de interface)
Afbeeldingslocatie: https://tweakers.net/i/AqC8cRCfzjI7Sxv1gRDUG6gchU0=/fit-in/4000x4000/filters:no_upscale():strip_exif()/f/image/AHX2vF2h855UQhKiZcAX5myz.png?f=user_large

Want ik volg wel dat het verbruik wat hoog lijkt, zeker bij zo'n lage aanvoertemperatuur? Op basis van de specs/flyer die ik snel even opzocht lijkt me een verbruik van bijna 17,7kwh op 8u, dus zo'n 2.2kwh per uur, dicht tegen het maximale te gaan dat hij kan leveren?

https://www.instagram.com/anafollotofbricks/


Acties:
  • +2 Henk 'm!

  • xoror
  • Registratie: November 1999
  • Niet online
@Whiskey48 Een paar opmerkingen
1) krankzinnig dat het element bij bepaalde temp aan lijkt te gaan en dan vol stampt bovenop wat de wp al doet. Maw, wtf is die aan het doen om die 3kW te verstoken. Aan de eerste grafieken te zien werd het toegevoegd aan het afgegeven vermogen. 8)7 8)7 Waar gaat al die warmte heen? Je zou zeggen dat het in de avond een sauna is.

2) je vriend verwarmt verkeerd met dit weer, ik zie dat de verwarming overdag uit gaat maar in de nacht vol aan het stampen is. Hij heeft dus verbruik onder de minst gunstige omstandigheden. Het verbruik is fors met 17.7kW. Ws kan hij dit flink naar beneden krijgen door 24/7 te stoken met een lagere Ta. Ook veel comfortabeler. Jij stookt ws wel 24/7 door?

Eenvoudig + Goedkoop Mitsubishi Warmtepomp uitlezen/besturen met een ESP32


Acties:
  • 0 Henk 'm!

  • ConQuestador
  • Registratie: November 2000
  • Laatst online: 21:25
xoror schreef op dinsdag 4 februari 2025 @ 10:25:
@Whiskey48 Een paar opmerkingen
1) krankzinnig dat het element bij bepaalde temp aan lijkt te gaan en dan vol stampt bovenop wat de wp al doet. Maw, wtf is die aan het doen om die 3kW te verstoken. Aan de eerste grafieken te zien werd het toegevoegd aan het afgegeven vermogen. 8)7 8)7 Waar gaat al die warmte heen? Je zou zeggen dat het in de avond een sauna is.

2) je vriend verwarmt verkeerd met dit weer, ik zie dat de verwarming overdag uit gaat maar in de nacht vol aan het stampen is. Hij heeft dus verbruik onder de minst gunstige omstandigheden. Het verbruik is fors met 17.7kW. Ws kan hij dit flink naar beneden krijgen door 24/7 te stoken met een lagere Ta. Ook veel comfortabeler. Jij stookt ws wel 24/7 door?
1. Of die eerder genoemde grondleiding is dermate slecht geïsoleerd, dat alle warmte letterlijk de grond in gaat.
2. Met dit weer merk ik in mijn huis dat het 's nachts mooi op temperatuur binnen blijft, maar overdag komt het zonnetje erbij, en gaat hij uit vanwege overshoot.
Wil je met dit weer efficient draaien dan zal je dus een nachtverlaging moeten doen, om zo te forceren dat hij overdag moet draaien ipv 's nachts.

Panasonic 12J T-CAP | Atlantic Explorer 270L | 4 x MHI SRK24ZS-WF + SRF35ZS-W | 12.000 Wp Enphase | Home Assistant, Heishamon, Mhi-ctrl | Alfa Romeo Giulia Veloce


Acties:
  • 0 Henk 'm!

  • Martin7182
  • Registratie: Juni 2020
  • Laatst online: 20:53
ConQuestador schreef op dinsdag 4 februari 2025 @ 10:45:
[...]

1. Of die eerder genoemde grondleiding is dermate slecht geïsoleerd, dat alle warmte letterlijk de grond in gaat.
Dat denk ik de hele tijd al. Is die buis misschien lek en/of staat er water in?

Acties:
  • 0 Henk 'm!

  • Arretje
  • Registratie: Januari 2004
  • Laatst online: 24-10 16:45
blb4 schreef op maandag 3 februari 2025 @ 17:29:
@Arretje, 't gaat dus niet om de diepte waarop die leidingen liggen, de diepte heeft vnl te maken met hoe snel jij (of je tuinman) ze zal raken bij wat tuinactiviteiten.

Alles hangt af van de isolatie van de leidingen. Nu hangt 't warmteverlies ook af van 't oppervlakte van de leidingen dus daar is een split in 't voordeel. Maar die leidingen zijn volgens mij dan vaak al met standaard isolatiemateriaal geïsoleerd waardoor je in de praktijk betere resultaten (minder warmteverlies) krijgt met een monoblock en je echt goed spul pakt voor de leidingen.
Mijn vrouw kwam nog met een goede vraag mbt. monobloc.
Stel dat in de winter de electriciteit uitvalt (wat niet ondenkbaar is in de huidige geopolitieke situatie) kan de WP en de leidingen dan kapotvriezen ?
De installateur had daar ook al over. Die had duidelijk niet veel zin in een monobloc.
Ik zat in het geval van een monobloc so wie so aan Terrendis leiding te denken, maar ook die komt ergens weer boven de grond en uit zijn isolatie.

Acties:
  • 0 Henk 'm!

  • Whiskey48
  • Registratie: December 2004
  • Laatst online: 18:32
Arretje schreef op dinsdag 4 februari 2025 @ 12:04:
[...]


Mijn vrouw kwam nog met een goede vraag mbt. monobloc.
Stel dat in de winter de electriciteit uitvalt (wat niet ondenkbaar is in de huidige geopolitieke situatie) kan de WP en de leidingen dan kapotvriezen ?
De installateur had daar ook al over. Die had duidelijk niet veel zin in een monobloc.
Ik zat in het geval van een monobloc so wie so aan Terrendis leiding te denken, maar ook die komt ergens weer boven de grond en uit zijn isolatie.
Zoiets heb ik bij m'n buitenunit op de aanvoer en retour nog eentje.
Even ingepakt met isolatie, alleen boven en onderkant vrij. (ivm leegloop onder en luchtventiel boven)
https://www.warmteservice...beveiligingsklep/p/L09026


Zelf heb ik wat grappigs; ik heb 2 Lifepo4 accu's van 4kWh per stuk. Deze kan ik aansluiten op een domme omvormer. Deze heb ik bekabeld met 6AWG kabels op een QS8 stekkers.
Ik gebruik de accu's eigenlijk alleen voor de elektromotor van de boot (vandaar de QS8 stekker).

Maar mócht het stroomnet om wat voor reden dan ook even uitvallen, dan heb ik nog 8kWh beschikbaar om 1 fase even van stroom te voorzien (Schuko - Schuko, met hoofdschakelaar uit natuurlijk).
Dan zou ik in theorie nog lekker TV kunnen kijken met het licht en verwarming even nog aan, terwijl de rest van de straat in het donker en koude zit :P
(kan het niet aanbevelen om na te bootsen hoor, kans dat dit fout gaat is veel te groot)

[ Voor 48% gewijzigd door Whiskey48 op 04-02-2025 12:21 ]


Acties:
  • 0 Henk 'm!

  • xoror
  • Registratie: November 1999
  • Niet online
In het buitenland mengen ze een beetje glycol doorheen. Geen idee of dat hier in Nl ook zo is

Eenvoudig + Goedkoop Mitsubishi Warmtepomp uitlezen/besturen met een ESP32


Acties:
  • 0 Henk 'm!

  • mr_evil08
  • Registratie: December 2008
  • Laatst online: 21:49
xoror schreef op dinsdag 4 februari 2025 @ 12:27:
In het buitenland mengen ze een beetje glycol doorheen. Geen idee of dat hier in Nl ook zo is
Wordt in Nederland ook gedaan als er een binnenunit aanwezig is.

WP | SP, Daikin FTXM35M/RXM35M


Acties:
  • 0 Henk 'm!

  • Technician-
  • Registratie: November 2017
  • Nu online
Whiskey48 schreef op maandag 3 februari 2025 @ 20:56:
[...]


[...]


[...]


[...]


Amber95
[Afbeelding]

Alpha Innotec
[Afbeelding]

Merci! Er is meer te zien, maar er is geen integratie met HA oid.
Instellen moet je door de installateur laten doen, dit kan je niet zelf.
De installateur geeft aan dat alles goed we,rk, maar heeft het eea veranderd:
  • Elektrisch Element pas inschakelen bij -7 ipv -2
  • Stooklijn iets verlaagd
  • Sanitairwater verlaagd van 58 graden naar 53
  • Een Alpha Innotec heeft geen legionella run klokprogramma, dit is ook niet nodig als je dagelijks water gebruikt (ook bij 53 graden ingesteld). Anders zelf wekelijks met de hand naar 58 graden brengen
*correctie; hij heeft in de instellingen wel een optie voor een wekelijkse legionella run.

Er wordt aangegeven dat met hogere temperaturen (dan 58graden) altijd het Elektrisch Element ingeschakeld zal worden, dit is de grens. Ook bij R290 dus.
Dat vind ik wel bijzonder, ik breng mijn sanitairwater príma naar 65 graden zonder BUH, ook bij -5.
Kijk maar wat mijn compressor nog afgeeft bij 0 graden, dit is zonder BUH. Dit zal bij de Alpha net zo haalbaar moeten zijn lijkt me.

De instelling van nu geeft een Detla T van 2,9 op de aanvoer en retour berekend.
Wat de retour ad 17,8 graden is weet ik niet, wat zou dit zijn?
Denk dat deze screenshot tijdens een defrost was.

Acties:
  • +1 Henk 'm!

  • Whiskey48
  • Registratie: December 2004
  • Laatst online: 18:32
mr_evil08 schreef op dinsdag 4 februari 2025 @ 12:45:
[...]

Wordt in Nederland ook gedaan als er een binnenunit aanwezig is.
Is dat niet meer enkel gebruikelijk bij grond water-water warmtepompen?
Of bij Lucht-water warmtepompen als er een hele lange afstand is naar de buitenunit misschien?

Volgens mij wordt dit verder niet toegepast omdat dit de COP omlaag brengt en meer kosten/werk/vervuiling
oplevert?

Acties:
  • 0 Henk 'm!

  • Technician-
  • Registratie: November 2017
  • Nu online
Whiskey48 schreef op dinsdag 4 februari 2025 @ 09:22:
[...]


[...]


[Afbeelding]

[Afbeelding]

[Afbeelding]

[Afbeelding]


Tja, ik ben bekend dat dit wel moet, maar dacht misschien weet ik niet alles.

De BUH is niet aangeslagen, nu niet 4x het verbruik tov mijzelf maar 2x het verbruik tov mijzelf.
Ik vind het nog een fors verschli, maar ik heb wel goede gordijnen voor de ramen ed, dat is bij deze meneer minder. Ik verwarm niet de grage, dat zal ook best veel schelen.

... Het extreme verbruik is wel weg als de BUH niet ingeschakeld wordt, maar misschien heeft de woning gewoon heel veel energie nodig, erg veel warmteverlies? (het is een van top tot geen gerenoveerde woning label A++ (ik heb alleen A). ... Toch gek dat het verbruik minstens het dubbele is.

* de retour berekend is nu opeens de lage :?
De retour, zal dat een sensor zijn helemaal onderin het sanitairvat geplaatst?? Dus dit plaatje is net na het bijwarmen van het watervat?
Hier zie je ook de aanvoer temp ruim onder de 20C tijdens defrostst gaan.
Hier zal extra waterinhoud door een buffer inmoeten adviseer ik. Je zal een veel stabielere temp houden waardoor de defrost beter en sneller verloopt.

Acties:
  • 0 Henk 'm!

  • Whiskey48
  • Registratie: December 2004
  • Laatst online: 18:32
Technician- schreef op dinsdag 4 februari 2025 @ 13:16:
[...]

Hier zie je ook de aanvoer temp ruim onder de 20C tijdens defrostst gaan.
Hier zal extra waterinhoud door een buffer inmoeten adviseer ik. Je zal een veel stabielere temp houden waardoor de defrost beter en sneller verloopt.
Er zit al een 90 liter geintegreerd buffervat in het binnendeel de Hybrox 8.
Verder is er ca 90m2 aan nieuw gelegde vloerverwarming 10cm HOH.
Qua buffer zou er al meer dan voldoende moeten zijn.

Ik ben niet bekend hoe buffervaten aangesloten kunnen worden (ik heb er geen). Maar zou het kunnen zijn dat het systeem van het huis los staat van het buffervat? Of is deze altijd op de aanvoer of retour volledig aangesloten?

Niet dat er een pomp en warmtewisselaar zit tussen tussen het buffervat en de vloer?
(lijkt me niet, anders kon hij z'n warmte al helemaal niet kwijt)

[ Voor 31% gewijzigd door Whiskey48 op 04-02-2025 13:41 ]


Acties:
  • 0 Henk 'm!

  • dunklefaser
  • Registratie: Oktober 2012
  • Nu online
Technician- schreef op dinsdag 4 februari 2025 @ 13:16:
[...]

Hier zie je ook de aanvoer temp ruim onder de 20C tijdens defrostst gaan.
Hier zal extra waterinhoud door een buffer inmoeten adviseer ik. Je zal een veel stabielere temp houden waardoor de defrost beter en sneller verloopt.
Ik zie op de plaatjes misschien een aanvoer net onder de 20 °C
- maar heel duidelijk zijn de plaatjes natuurlijk niet.
Ik vind een aanvoer rond de 20 °C aan het eind (het dieptepunt) van een defrost geen aanleiding om de actieve systeeminhoud te vergroten. Bij een vloerverwarming sowieso niet en bij gebooste convectoren schakel je tijdens een defrost eventueel heel even de ventilatoren uit (is een instellling in de Heatbooster).
YMMV

Nobody is perfeckt - But who wants to be Nobody? - Vrijwillig Energycoach Fiat LUXus! - Some Insights


Acties:
  • 0 Henk 'm!

  • Whiskey48
  • Registratie: December 2004
  • Laatst online: 18:32
dunklefaser schreef op dinsdag 4 februari 2025 @ 13:42:
[...]

Ik zie op de plaatjes misschien een aanvoer net onder de 20 °C
- maar heel duidelijk zijn de plaatjes natuurlijk niet.
Ik vind een aanvoer rond de 20 °C aan het eind (het dieptepunt) van een defrost geen aanleiding om de actieve systeeminhoud te vergroten. Bij een vloerverwarming sowieso niet en bij gebooste convectoren schakel je tijdens een defrost eventueel heel even de ventilatoren uit (is een instellling in de Heatbooster).
YMMV
Ja de Heatbooster doet dat, geweldig product is dat.
Ik betwijfel of een Jaga deze slimheid heeft.

Acties:
  • +1 Henk 'm!

  • Whiskey48
  • Registratie: December 2004
  • Laatst online: 18:32
betaplayer schreef op dinsdag 4 februari 2025 @ 09:52:
[...]


Ik zou graag de retour nog eens zien bij gewone verwarming?
Kan je hier een grafiekje oproepen dat ook retour laat zien toevallig? (Ik ben niet vertrouwd met de interface)
[Afbeelding]

Want ik volg wel dat het verbruik wat hoog lijkt, zeker bij zo'n lage aanvoertemperatuur? Op basis van de specs/flyer die ik snel even opzocht lijkt me een verbruik van bijna 17,7kwh op 8u, dus zo'n 2.2kwh per uur, dicht tegen het maximale te gaan dat hij kan leveren?
Afbeeldingslocatie: https://tweakers.net/i/_9eMAbgTg_VfImvM2sln3CzG85g=/x800/filters:strip_icc():strip_exif()/f/image/1lMfqkYoMS482aa76tKKxIoS.jpg?f=fotoalbum_large

Afbeeldingslocatie: https://tweakers.net/i/-Po38gdfQqGQ3o-zpy9WSImw0h8=/fit-in/4920x3264/filters:max_bytes(3145728):no_upscale():strip_icc():strip_exif()/f/image/550V3G6bJaZEUW1DAnWnZBQe.jpg?f=user_large

Afbeeldingslocatie: https://tweakers.net/i/QsZGxG92dbGxe5qauFPoc6Hg-FU=/fit-in/4920x3264/filters:max_bytes(3145728):no_upscale():strip_icc():strip_exif()/f/image/BHxK0FiwFyLeiA3Em17tYmOe.jpg?f=user_large

Afbeeldingslocatie: https://tweakers.net/i/jueCI3WFUBFnH0X30I6R9vS9QkM=/fit-in/4920x3264/filters:max_bytes(3145728):no_upscale():strip_icc():strip_exif()/f/image/pNSznSxfagZqu5VQY5pE0YVE.jpg?f=user_large

De koude is voorbij, zie nu denk ik niet meer iets geks? Alleen een wat hoog verbruik, maar geen gekke dingen meer.

Acties:
  • +1 Henk 'm!

  • Technician-
  • Registratie: November 2017
  • Nu online
Whiskey48 schreef op dinsdag 4 februari 2025 @ 13:58:
[...]


Ja de Heatbooster doet dat, geweldig product is dat.
Ik betwijfel of een Jaga deze slimheid heeft.
Jazeker ook de Jaga dbe doet dat

Acties:
  • 0 Henk 'm!

  • Technician-
  • Registratie: November 2017
  • Nu online
dunklefaser schreef op dinsdag 4 februari 2025 @ 13:42:
[...]

Ik zie op de plaatjes misschien een aanvoer net onder de 20 °C
- maar heel duidelijk zijn de plaatjes natuurlijk niet.
Ik vind een aanvoer rond de 20 °C aan het eind (het dieptepunt) van een defrost geen aanleiding om de actieve systeeminhoud te vergroten. Bij een vloerverwarming sowieso niet en bij gebooste convectoren schakel je tijdens een defrost eventueel heel even de ventilatoren uit (is een instellling in de Heatbooster).
YMMV
Qua afgifte geen probleem idd
Echter veel units schakelen de BUH aan onder de 25C of 20C, met voldoende buffer net niet en dat kan een (tweak) verbetering zijn. Wel serie buffer dan.

Acties:
  • 0 Henk 'm!

  • Blihi
  • Registratie: Juni 2018
  • Laatst online: 18:26
Whiskey48 schreef op dinsdag 4 februari 2025 @ 14:19:
[...]


[Afbeelding]

[Afbeelding]

[Afbeelding]

[Afbeelding]

De koude is voorbij, zie nu denk ik niet meer iets geks? Alleen een wat hoog verbruik, maar geen gekke dingen meer.
Kies je bewust voor zoveel SWW runs? En op die specifieke tijden?

De SWW run kun je het best plannen overdag, rond een uur of 14. Lukt dat niet, dan 's avonds, zo vroeg mogelijk op de avond.

In jouw plaatje zie ik er 2, eentje van 21 tot 22 en eentje van 7 tot 9, onderbroken door een defrost. Je ziet aan de buitentemperatuur heel goed waarom je die het beste om 14 uur had kunnen plannen.

WP: Toshiba Estia 8kW split HWT-801H(R)W-E + HWT-1101 binnenunit met 300 liter SWW tank. PV: 4 strings, totaal 12590 Wp


Acties:
  • 0 Henk 'm!

  • dunklefaser
  • Registratie: Oktober 2012
  • Nu online
@Technician- Welke "units" schakelen altijd bij het onderschrijden van 25 °C in de aanvoer de BUH aan?
En welke verplicht onder de 20°C? - Dit is toch hopelijk configureerbaar, of niet?
Als je met 25 °C verwarmt kan je bij een defrost wel eens onder de 20 °C duiken,
gebeurt hier soms ook - maar de BUH blijft ook bij 15°C uit :z

Nobody is perfeckt - But who wants to be Nobody? - Vrijwillig Energycoach Fiat LUXus! - Some Insights


Acties:
  • 0 Henk 'm!

  • Whiskey48
  • Registratie: December 2004
  • Laatst online: 18:32
Blihi schreef op dinsdag 4 februari 2025 @ 14:28:
[...]


Kies je bewust voor zoveel SWW runs? En op die specifieke tijden?

De SWW run kun je het best plannen overdag, rond een uur of 14. Lukt dat niet, dan 's avonds, zo vroeg mogelijk op de avond.

In jouw plaatje zie ik er 2, eentje van 21 tot 22 en eentje van 7 tot 9, onderbroken door een defrost. Je ziet aan de buitentemperatuur heel goed waarom je die het beste om 14 uur had kunnen plannen.
Hij warmt bij naar vraag. Dus in de ochtend en savonds. Dit ivm de WAF :)

Acties:
  • +2 Henk 'm!

  • Blihi
  • Registratie: Juni 2018
  • Laatst online: 18:26
Whiskey48 schreef op dinsdag 4 februari 2025 @ 14:33:
[...]


Hij warmt bij naar vraag. Dus in de ochtend en savonds. Dit ivm de WAF :)
Dan begrijp je niet hoe een 300 liter vat werkt. Je hoeft niet twee keer per dag op te warmen, althans niet als je genoeg warm water wilt. Sterker nog, door juist tijdens gebruik te gaan verwarmen verstoor je de gelaagdheid in het vat en heb je een lagere uitstroomtemperatuur.

Met 300 liter water van 45 graden kun je ongeveer een 50 minuten tot een uur comfortabel douchen. Voor heel veel huishoudens is het dus meer dan genoeg om dat vat 1 keer per dag op te warmen naar 45 graden (en wekelijks naar 60), maar dan wel op een tijdstip dat je geen vraag hebt.

WP: Toshiba Estia 8kW split HWT-801H(R)W-E + HWT-1101 binnenunit met 300 liter SWW tank. PV: 4 strings, totaal 12590 Wp


Acties:
  • +1 Henk 'm!

  • Blihi
  • Registratie: Juni 2018
  • Laatst online: 18:26
dunklefaser schreef op dinsdag 4 februari 2025 @ 14:32:
@Technician- Welke "units" schakelen altijd bij het onderschrijden van 25 °C in de aanvoer de BUH aan?
En welke verplicht onder de 20°C? - Dit is toch hopelijk configureerbaar, of niet?
Als je met 25 °C verwarmt kan je bij een defrost wel eens onder de 20 °C duiken,
gebeurt hier soms ook - maar de BUH blijft ook bij 15°C uit :z
Bij Toshiba is dit een ingewikkelde vraag.

De default is dat de BUH altijd meedoet onder de volgende condities:
1) De gevraagde Tset-2 wordt niet gehaald binnen 13 minuten na inschakelen.
2) Tijdens een defrost daalt de Ta 2 graden of meer.

De BUH gaat pas weer uit als de Tset+2 gehaald wordt.

Dit is vreselijk inefficient.

Mijn instellingen zijn minimaal gemaakt:
- De BUH mag tijdens verwarmen pas inschakelen als het buiten kouder is dan -5 (aanpasbaar),
- Het polling interval om hem weer uit te schakelen is zo klein mogelijk (5 min, aanpasbaar).
- Het polling interval om hem in te schakelen zo groot mogelijk (40 min, aanpasbaar).
- Tijdens defrosts mag de Ta tot 42 graden onder Tset zakken (aanpasbaar)
- Bij een Ta van 4 graden of minder gaat de BUH aan (niet aanpasbaar).

Met deze instellingen wordt de BUH eigenlijk nauwelijks aangesproken. Heel af en toe een paar seconde bij een defrost tijdens een SWW run.

[ Voor 4% gewijzigd door Blihi op 04-02-2025 14:52 ]

WP: Toshiba Estia 8kW split HWT-801H(R)W-E + HWT-1101 binnenunit met 300 liter SWW tank. PV: 4 strings, totaal 12590 Wp


Acties:
  • 0 Henk 'm!

  • H.A.B.
  • Registratie: Januari 2024
  • Laatst online: 27-10 22:00
De aannemer is hier bezig met de verbouw / uitbouw en we moeten morgen de mantelbuizen onder de vloer leggen voor van-alles-en-nog-wat. Ben er nog niet aan toegekomen warmtepomp installatie helemaal uit te zoeken etc., door de verbouw-stress, maar moet nu al wel bepalen hoeveel en welke mantelbuizen ik nodig heb. Iemand die zo weet hoeveel buizen / dikte mantelbuis ik het best aan aanleggen om straks nog uit de voeten te kunnen met of een monoblock of een split set-up? _/-\o_

Acties:
  • +1 Henk 'm!

  • Technician-
  • Registratie: November 2017
  • Nu online
dunklefaser schreef op dinsdag 4 februari 2025 @ 14:32:
@Technician- Welke "units" schakelen altijd bij het onderschrijden van 25 °C in de aanvoer de BUH aan?
En welke verplicht onder de 20°C? - Dit is toch hopelijk configureerbaar, of niet?
Als je met 25 °C verwarmt kan je bij een defrost wel eens onder de 20 °C duiken,
gebeurt hier soms ook - maar de BUH blijft ook bij 15°C uit :z
Heel veel merken doen dat, Vaillant pas bij nog lagere temp.
dit zijn ingebakken waardes, kun je niet wijzigen.
Echter zijn het maar hele korte BUH acties.
Tweakers in een ander topic hebben zelfs de BUH helemaal uitgezet en aan en het verbruik gemeten in dezelfde condities. Met BUH was vaak beter, minder defrosts en snellere defrosts.

Acties:
  • +1 Henk 'm!

  • mr_evil08
  • Registratie: December 2008
  • Laatst online: 21:49
Whiskey48 schreef op dinsdag 4 februari 2025 @ 13:58:
[...]


Ja de Heatbooster doet dat, geweldig product is dat.
Ik betwijfel of een Jaga deze slimheid heeft.
Heeft Jaga ook, je kan instellen op welke aanvoertemperatuur de ventilatoren aan/uit mogen gaan, default is 28c en de fansnelheid stand wordt onthouden die je ook nog kan wijzigen in percentage als stand 1,2 & 3 niet naar wens is.

De controller instellingen zijn best uitgebreid, mag ook wel voor die prijs, snapt ook wanneer de ventilatoren aan moeten als er gekoelt wordt.

[ Voor 33% gewijzigd door mr_evil08 op 04-02-2025 15:14 ]

WP | SP, Daikin FTXM35M/RXM35M


Acties:
  • 0 Henk 'm!

  • blb4
  • Registratie: April 2008
  • Laatst online: 14:26
Arretje schreef op dinsdag 4 februari 2025 @ 12:04:
[...]


Mijn vrouw kwam nog met een goede vraag mbt. monobloc.
Stel dat in de winter de electriciteit uitvalt (wat niet ondenkbaar is in de huidige geopolitieke situatie) kan de WP en de leidingen dan kapotvriezen ?
De installateur had daar ook al over. Die had duidelijk niet veel zin in een monobloc.
Ik zat in het geval van een monobloc so wie so aan Terrendis leiding te denken, maar ook die komt ergens weer boven de grond en uit zijn isolatie.
Daar zijn hele discussie over gevoerd hier op dit forum en nog steeds. Er zijn veel verschillende oplossingen en meningen, je komt dus van alles tegen. In grote lijnen zijn er 3 oplossingen:

1) zorgen dat 't vriespunt verlaagd wordt door anti-vries (glysol) toe te voegen;
2) zorgen dat 't water wegloopt voordat 't bevriest door toepassing van vorstbeveiligingskleppen met toebehoren (vulautomaat);
3) zorgen voor noodstroom waarmee in elk geval de WP zijn beveilingsprogramma kan draaien (circulatiepomp op gezette tijden in werking).

1) heeft als nadeel dat de efficiëntie en capaciteit van de WP slechter wordt en dat 't een schadelijk goedje is;
2) heeft als nadeel dat ze in sommige situaties (eigenlijk dus niet correct gemonteerd) ongewenst gaan lekken met soms juist tot schade kan leiden;
3) is een wat minder standaard installatie wat dus meestal alleen door Tweakers wordt uitgevoerd en zal meestal - bij de eenvoudigste installaties - een beperkte autonomietijd hebben.

Panasonic J 7kW WP, boiler & HeishaMon, 6022 Wp PV, Enphase+ST GW, SOLAX SK-SU3000E 13kWh BESS, ITHO Qualityflow WTW, Elvi Smart Charging+ laadpunt, Kia EV6 84kWh EA MY25, gasloos '23


Acties:
  • 0 Henk 'm!

  • Whiskey48
  • Registratie: December 2004
  • Laatst online: 18:32
Technician- schreef op dinsdag 4 februari 2025 @ 14:59:
[...]

Heel veel merken doen dat, Vaillant pas bij nog lagere temp.
dit zijn ingebakken waardes, kun je niet wijzigen.
Echter zijn het maar hele korte BUH acties.
Tweakers in een ander topic hebben zelfs de BUH helemaal uitgezet en aan en het verbruik gemeten in dezelfde condities. Met BUH was vaak beter, minder defrosts en snellere defrosts.
Afbeeldingslocatie: https://tweakers.net/i/da8x2PfugSYKXvbmbccpBhxZnnE=/800x/filters:strip_icc():strip_exif()/f/image/PfabWK7OWyHClFVBComJfoaA.jpg?f=fotoalbum_large

YouTube: 31 januari 2025

Volgens mij doet elk merk het wel een beetje anders idd.
Ik heb de Amber95, daar is de BUH nog maar 1x bijgesprongen sinds de heetste dagen van de zomer.
Deze doet elk uur een defrost. Bij de mist van eerder had hij het wat lastiger, toen volgens mij 1x de BUH aangeslagen.

Ik had eerder een video geupload van de defrost, duurt maar een paar minuten elk uur, dan gaat hij weer in bedrijf verder.

Acties:
  • 0 Henk 'm!

  • MisterMailman
  • Registratie: Februari 2006
  • Laatst online: 20:31
Advies: geen subsidie warmtepompen in wijken waar warmtenet komt - https://nos.nl/l/2554519

Wacht niet te lang met plannen maken ;)
Hier willen ze ook ooit een warmtenet aanleggen, ik ben blij dat ik al een WP heb.

Panasonic WH-MDC05J3E5 | Atlantic Explorer V4 270 | 2800Wp | Gasloos


Acties:
  • +1 Henk 'm!

  • dunklefaser
  • Registratie: Oktober 2012
  • Nu online
Whiskey48 schreef op dinsdag 4 februari 2025 @ 15:44:
[...]


[Afbeelding]

YouTube: 31 januari 2025

Volgens mij doet elk merk het wel een beetje anders idd.
Ik heb de Amber95, daar is de BUH nog maar 1x bijgesprongen sinds de heetste dagen van de zomer.
Deze doet elk uur een defrost. Bij de mist van eerder had hij het wat lastiger, toen volgens mij 1x de BUH aangeslagen.

Ik had eerder een video geupload van de defrost, duurt maar een paar minuten elk uur, dan gaat hij weer in bedrijf verder.
Mooi YT-filmpje van een defrost - bijna zo mooi als een katten video
ook het plaatje van de BUH-actie is zeer informatief.

Nobody is perfeckt - But who wants to be Nobody? - Vrijwillig Energycoach Fiat LUXus! - Some Insights


Acties:
  • +1 Henk 'm!

  • EVfan
  • Registratie: December 2021
  • Laatst online: 28-10 22:35
Technician- schreef op dinsdag 4 februari 2025 @ 14:59:
[...]

Heel veel merken doen dat, Vaillant pas bij nog lagere temp.
dit zijn ingebakken waardes, kun je niet wijzigen.
Echter zijn het maar hele korte BUH acties.
Tweakers in een ander topic hebben zelfs de BUH helemaal uitgezet en aan en het verbruik gemeten in dezelfde condities. Met BUH was vaak beter, minder defrosts en snellere defrosts.
@Technician-
Eens, ik heb nu sinds begin januari de omstandigheden beroerd zijn de BUH (1,8 kW van een Ecodan) ingeschakeld en deze springt bij als de temperatuur tijdens een defrost te ver daalt, en dan maar enkele minuten.
Denk aan maximaal 0,5 tot 1 kWh verbruik per dag (tov 40-60 kWh op zulke beroerde dagen van de WP compressor), terwijl het herstel na een defrost veel beter is, en de volgende defrost ook wat later komt.

Mitsubishi Electric PUZ-WM 112YAA; ERPT20X-VM2E; PV 3900 Wp ZW, 3900 Wp NW


Acties:
  • +1 Henk 'm!

  • Technician-
  • Registratie: November 2017
  • Nu online
EVfan schreef op dinsdag 4 februari 2025 @ 19:31:
[...]

@Technician-
Eens, ik heb nu sinds begin januari de omstandigheden beroerd zijn de BUH (1,8 kW van een Ecodan) ingeschakeld en deze springt bij als de temperatuur tijdens een defrost te ver daalt, en dan maar enkele minuten.
Denk aan maximaal 0,5 tot 1 kWh verbruik per dag (tov 40-60 kWh op zulke beroerde dagen van de WP compressor), terwijl het herstel na een defrost veel beter is, en de volgende defrost ook wat later komt.
Mooi voorbeeld!

Acties:
  • 0 Henk 'm!
Arretje schreef op dinsdag 4 februari 2025 @ 12:04:
Mijn vrouw kwam nog met een goede vraag mbt. monobloc.
Stel dat in de winter de electriciteit uitvalt (wat niet ondenkbaar is in de huidige geopolitieke situatie) kan de WP en de leidingen dan kapotvriezen ?
Ja, zo heeft elk type zijn eigen voor- en nadelen. En mooi vergelijk vind je in de faq:
Proton_ in "Het ik-wil-een-warmtepomp FAQ topic"

WP: ME PUHZ-SW75YAA + ERSD-VM2D + EV-WP-TWS-1W 300; AC: ME MXZ-2F42VF + 2x MSZ-LN25VGV; PV: 14.08 kWp O/W + SMA STP 8.0; Vent: Zehnder Q600 ERV + Ubbink AirExcellent.


Acties:
  • 0 Henk 'm!

  • Whiskey48
  • Registratie: December 2004
  • Laatst online: 18:32
dunklefaser schreef op dinsdag 4 februari 2025 @ 19:28:
[...]

Mooi YT-filmpje van een defrost - bijna zo mooi als een katten video
ook het plaatje van de BUH-actie is zeer informatief.
Heb jij geluk, tegenwoordig heb je zelfs kattenfilmpjes in de bioscoop, bofkont!

Maar ik bedoelde dat elk merk anders omgaat met defrost. Het ene merk doet het om het uur een paar minuten, de andere om het uur of 2 met een langere duur en dan langzame opbouw. De ene snel met BUH om minder warmte uit je huis te trekken, de andere weer niet/wel. Allemaal hun voor en nadelen.

Maargoed, om nou 8h lang je Elektrisch Element aan te knallen voor zeg €15 per nacht aan BUH, elke nacht omdat het dan onder 2 graden is als reden wat werd gegeven, dat komt er bij mij niet in.
Vooral bij een R290 pomp die technisch op z'n sloffen 32 graden water kan maken tot -15.

Vooral niet bij een pomp van bijna €8500 kaal.

[ Voor 18% gewijzigd door Whiskey48 op 04-02-2025 20:31 ]


Acties:
  • 0 Henk 'm!
EVfan schreef op dinsdag 4 februari 2025 @ 19:31:
[...]

@Technician-
Eens, ik heb nu sinds begin januari de omstandigheden beroerd zijn de BUH (1,8 kW van een Ecodan) ingeschakeld en deze springt bij als de temperatuur tijdens een defrost te ver daalt, en dan maar enkele minuten.
Denk aan maximaal 0,5 tot 1 kWh verbruik per dag (tov 40-60 kWh op zulke beroerde dagen van de WP compressor), terwijl het herstel na een defrost veel beter is, en de volgende defrost ook wat later komt.
Of dat nodig is hangt vooral van je afgiftesysteem af. Ik ga er dus vanuit dat je een afgiftesysteem met radiatoren hebt.
Als je een afgiftesysteem met veel warmtecapaciteit hebt (veel VVW), maakt het niks uit. Ik merk er binnen niks van. De retourtemperatuur daalt tijdens een defrost ook maar ca 0.3 K, en dat ook enkel omdat de groep van de badkamer wat te kort is. Voor de opstart na een defrost maakt die 0.3K de WP helemaal niks uit. En daarmee is er dus ook geen winst tot de volgende defrost te behalen.

WP: ME PUHZ-SW75YAA + ERSD-VM2D + EV-WP-TWS-1W 300; AC: ME MXZ-2F42VF + 2x MSZ-LN25VGV; PV: 14.08 kWp O/W + SMA STP 8.0; Vent: Zehnder Q600 ERV + Ubbink AirExcellent.


Acties:
  • 0 Henk 'm!

  • bioscrasher
  • Registratie: Maart 2008
  • Laatst online: 12-07 00:24

bioscrasher

Wie leert, die groeit

Hallo luitjes, hier een basale vraag van geheel andere orde:
Ik ga samen met een vriend zijn Nibe S2125-12 warmtepomp installeren.
De 32x3 leidingen van de buitenunit naar de vloerverwarmingsverdeler liggen er al en ook de meterkast is voorbereid met en extra 3x400V aardlek automaat voor de warmtepomp en een 1x230V aardlekautomaat voor de regelunit.

Komend weekend wordt er een gat in de grond gegraven met grind tot ver onder de vorstgrens met daarin een pijp zodat het condenswater daarin weg kan lopen en infiltreren.
De ondergrond is gewoon zand, gelukkig geen klei (edit na vraag).

Voor mijn eigen Nibe heb ik daar niet over na hoven denken: die laat het condenswater lekker op het grind dak vallen en "Bob's your uncle".

Voor het grindgat weet ik even niet welke diameter de pijp moet zijn waarin het water mag vallen.
Nibe geeft geen diameter op.
Ondergrond is zand.

Hebben jullie suggesties?
Situatie zal zo worden geplaatst - met enige dichterlijke vrijheid voor de vorm en uitvoering ;) :

Afbeeldingslocatie: https://tweakers.net/i/PoI_wGQLWHIBFBzFeZ2lsGi1ScU=/fit-in/4920x3264/filters:max_bytes(3145728):no_upscale():strip_icc():strip_exif()/f/image/psyeI2RPnP6z3slicsD3uS1o.jpg?f=user_large

Nibe F2120-16, UKV300, SMOS40, RMU-S40, 10kWp, 15KVA / 30kWh Victron ESS


Acties:
  • 0 Henk 'm!
bioscrasher schreef op dinsdag 4 februari 2025 @ 21:23:
Hallo luitjes, hier een basale vraag van geheel andere orde:
Ik ga samen met een vriend zijn Nibe S2125-12 warmtepomp installeren.
De 32x3 leidingen van de buitenunit naar de vloerverwarmingsverdeler liggen er al en ook de meterkast is voorbereid met en extra 3x400V aardlek automaat voor de warmtepomp en een 1x230V aardlekautomaat voor de regelunit.

Komend weekend wordt er een gat in de grond gegraven met grind tot ver onder de vorstgrens met daarin een pijp zodat het condenswater daarin weg kan lopen en infiltreren.

Voor mijn eigen Nibe heb ik daar niet over na hoven denken: die laat het condenswater lekker op het grind dak vallen en "Bob's your uncle".

Voor het grindgat weet ik even niet welke diameter de pijp moet zijn waarin het water mag vallen.
Nibe geeft geen diameter op.

Hebben jullie suggesties?
Situatie zal zo worden geplaatst - met enige dichterlijke vrijheid voor de vorm en uitvoering ;) :

[Afbeelding]
Wat is de ondergrond? Zand, klei, anders?

WP: Mitsubishi Electric SUZ-SWM80VA2 + ERSD-VM2D. PV 3330 Wp. Huis 1931, gasloos sinds jan '24.


Acties:
  • 0 Henk 'm!

  • bioscrasher
  • Registratie: Maart 2008
  • Laatst online: 12-07 00:24

bioscrasher

Wie leert, die groeit

SebastiaanPs schreef op dinsdag 4 februari 2025 @ 21:25:
[...]

Wat is de ondergrond? Zand, klei, anders?
Dank voor je nuttige vraag, ondergrond is van zand, gelukkig geen klei zoals bij ons systeem.

Nibe F2120-16, UKV300, SMOS40, RMU-S40, 10kWp, 15KVA / 30kWh Victron ESS


Acties:
  • 0 Henk 'm!

  • mr_evil08
  • Registratie: December 2008
  • Laatst online: 21:49
Arretje schreef op dinsdag 4 februari 2025 @ 12:04:
[...]


Mijn vrouw kwam nog met een goede vraag mbt. monobloc.
Stel dat in de winter de electriciteit uitvalt (wat niet ondenkbaar is in de huidige geopolitieke situatie) kan de WP en de leidingen dan kapotvriezen ?
Dat is bijna hetzelfde als zeggen wanneer we een elfstedentocht hebben.
Maar het kan idd.

[ Voor 21% gewijzigd door mr_evil08 op 04-02-2025 21:37 ]

WP | SP, Daikin FTXM35M/RXM35M


Acties:
  • +4 Henk 'm!
@bioscrasher
Is die hele opzet met een grindput tot “ver onder de vorstgrens” dan niet een beetje overdreven? :)

Mijn buitenunit staat op een paar tegels achter in de tuin, gras rondom. Ondergrond zand. Ik heb geen grind. Het water zakt gewoon het zand in, gaat hier prima. Er ontstaat geen ijsbaan.

Ik denk dus dat je met een ondergrond van zand wat minder extreem te werk hoeft te gaan. Een laag van 30-40 cm grind zou denk ik moeten voldoen. Wellicht kunnen anderen ook hun ervaring delen.

Edit: en als ik die opzet toch zou kiezen om de instructie van Nibe te volgen, dan zou ik een stuk standaard regenpijp gebruiken onder de condensafvoer, dan weet je zeker dat het niet dichtvriest. Gaasje er bovenop.

[ Voor 17% gewijzigd door SebastiaanPs op 04-02-2025 21:57 ]

WP: Mitsubishi Electric SUZ-SWM80VA2 + ERSD-VM2D. PV 3330 Wp. Huis 1931, gasloos sinds jan '24.


Acties:
  • 0 Henk 'm!

  • EVfan
  • Registratie: December 2021
  • Laatst online: 28-10 22:35
Andrehj schreef op dinsdag 4 februari 2025 @ 20:29:
[...]

Of dat nodig is hangt vooral van je afgiftesysteem af. Ik ga er dus vanuit dat je een afgiftesysteem met radiatoren hebt.
Als je een afgiftesysteem met veel warmtecapaciteit hebt (veel VVW), maakt het niks uit. Ik merk er binnen niks van. De retourtemperatuur daalt tijdens een defrost ook maar ca 0.3 K, en dat ook enkel omdat de groep van de badkamer wat te kort is. Voor de opstart na een defrost maakt die 0.3K de WP helemaal niks uit. En daarmee is er dus ook geen winst tot de volgende defrost te behalen.
@Andrehj
Klopt, hier alleen radiatoren, maar wel met een forse inhoud, 170 liter, exclusief leidingen. De retour temperatuur daalt tijdens een defrost met 5-6 graden, en Ta met ca.10-11 graden.
Het ontdooien duurt ca. 4 minuten (op de compressor met lagere frequentie), waarna het nog 7-10 minuten duurt alvorens ta weer op het doel niveau is. De BUH springt af en toe bij tijdens de herstelfase, dus als de Wp Ta weer op niveau brengt.

Mitsubishi Electric PUZ-WM 112YAA; ERPT20X-VM2E; PV 3900 Wp ZW, 3900 Wp NW


Acties:
  • +3 Henk 'm!

  • LangeFries
  • Registratie: Februari 2018
  • Laatst online: 21:19
bioscrasher schreef op dinsdag 4 februari 2025 @ 21:23:
...
Voor het grindgat weet ik even niet welke diameter de pijp moet zijn waarin het water mag vallen.
Nibe geeft geen diameter op.
Ondergrond is zand.

Hebben jullie suggesties?
Situatie zal zo worden geplaatst - met enige dichterlijke vrijheid voor de vorm en uitvoering ;) :

[Afbeelding]
Bij mij heb ik een gat van die vorm 60cm diep (op diepste punt),alleen tussen de beton waar hij op staat, worteldoek rondom en opgevuld met grind zonder pijp. Wortel doek moet het zand tussen het grind vandaan houden. De poten staan op betonnen stoepranden en nog wat bakstenen in het zand. Alle water verdwijnt in het grind. En eigenlijk zit de uitloop er ook nog net naast, omdat mij was verteld dat het water er onderuit zou lekken. Alleen aan het tuutje hangt een druppel ijs. Het werkt al bijna 7 jaar prima.

[ Voor 5% gewijzigd door LangeFries op 04-02-2025 21:52 ]

Nibe F2120-12,VVM320, 4440Wp LG NeonR 1425Wp Solarwatt ZZO


Acties:
  • 0 Henk 'm!

  • bioscrasher
  • Registratie: Maart 2008
  • Laatst online: 12-07 00:24

bioscrasher

Wie leert, die groeit

Whiskey48 schreef op dinsdag 4 februari 2025 @ 12:13:
[...]


Zoiets heb ik bij m'n buitenunit op de aanvoer en retour nog eentje.
Even ingepakt met isolatie, alleen boven en onderkant vrij. (ivm leegloop onder en luchtventiel boven)
https://www.warmteservice...beveiligingsklep/p/L09026


Zelf heb ik wat grappigs; ik heb 2 Lifepo4 accu's van 4kWh per stuk. Deze kan ik aansluiten op een domme omvormer. Deze heb ik bekabeld met 6AWG kabels op een QS8 stekkers.
Ik gebruik de accu's eigenlijk alleen voor de elektromotor van de boot (vandaar de QS8 stekker).

Maar mócht het stroomnet om wat voor reden dan ook even uitvallen, dan heb ik nog 8kWh beschikbaar om 1 fase even van stroom te voorzien (Schuko - Schuko, met hoofdschakelaar uit natuurlijk).
Dan zou ik in theorie nog lekker TV kunnen kijken met het licht en verwarming even nog aan, terwijl de rest van de straat in het donker en koude zit :P
(kan het niet aanbevelen om na te bootsen hoor, kans dat dit fout gaat is veel te groot)
@Whiskey48 Voor mij de hoofdreden om - i.c.m. met 3 victron multiplus 5000/48's op 3 fasen en 72 kWh aan accu opslag - een open verdeler in de aanvoer naar het huis op te nemen waar de cv ketel als backup verwarming zorgt. Samen met een BT63 opnemer wordt de thermostaat automatisch overbrugd als het buiten kouder dan -15 is of als de Nibe een storing heeft (Duuhhh).
Wordt een hoop "vrienden" straks als alles op zwart gaat en wij nietsvermoedend achter de TV zitten...

Nibe F2120-16, UKV300, SMOS40, RMU-S40, 10kWp, 15KVA / 30kWh Victron ESS


Acties:
  • +1 Henk 'm!

  • EVfan
  • Registratie: December 2021
  • Laatst online: 28-10 22:35
SebastiaanPs schreef op dinsdag 4 februari 2025 @ 21:37:
@bioscrasher
Is die hele opzet met een grindput tot “ver onder de vorstgrens” dan niet een beetje overdreven? :)

Mijn buitenunit staat op een paar tegels achter in de tuin, gras rondom. Ondergrond zand. Ik heb geen grind. Het water zakt gewoon het zand in, gaat hier prima. Er ontstaat geen ijsbaan.

Ik denk dus dat je met een ondergrond van zand wat minder extreem te werk hoeft te gaan. Een laag van 30-40 cm grind zou denk ik moeten voldoen. Wellicht kunnen anderen ook hun ervaring delen.

Edit: en als ik die opzet toch zou doen om de instructie van Nibe te volgen, dan zou ik een stuk standaard regenpijp gebruiken onder de condensafvoer, dan weet je zeker dat het niet dichtvriest. Gaasje er bovenop.
@bioscrasher @SebastiaanPs
Ik heb een grindput van 35 cm diep, en daaronder een harde zandlaag, tot ca. 1 meter diep, en dan overgaand in gemengd leem met zand. Daarop staat een 11,2 kW buitenunit. Onder het grind zit worteldoek.
Ik heb wel een ijslaag gehad tijdens de “defrost weken”, en tenslotte liep het dooiwater weg van onder de WP, en vormde een ijsbaantje ernaast. Verder prima hoor tot nu toe :)

Mitsubishi Electric PUZ-WM 112YAA; ERPT20X-VM2E; PV 3900 Wp ZW, 3900 Wp NW


Acties:
  • +2 Henk 'm!

  • Proton_
  • Registratie: November 2011
  • Nu online

Proton_

Moderator Wonen & Mobiliteit 

Team Welles

Topicstarter
@bioscrasher Dit is de Vaillant tekening, met 100mm buis.
Afbeeldingslocatie: https://tweakers.net/i/6cmr9-gKXQW1pfhr3-owRpph2N4=/fit-in/4000x4000/filters:no_upscale():strip_exif()/f/image/vKdIZKISFFn4BOYKfzhnGzXn.png?f=user_large

Het ik-wil-een-warmtepomp FAQ topic- '23 MG5, douchen met wtw en Auer Edel Eau, verwarming met Vaillant Arotherm Plus.


Acties:
  • 0 Henk 'm!

  • Speedfight
  • Registratie: Januari 2003
  • Niet online
Proton_ schreef op dinsdag 4 februari 2025 @ 22:21:
@bioscrasher Dit is de Vaillant tekening, met 100mm buis.
[Afbeelding]
Als aanvulling: Als buis heb ik een irrigatiebuis gebruikt: https://witway.nl/drainage-pp450-125-mm-rol-50-meter

(Heb nog een stuk liggen, gratis af te halen regio Den Bosch)

Vaillant aroTHERM plus VWL55/6, Zehnder WHR 930 WTW, Itho Daalderop douche-WTW, SolarEdge SE6K 6610Wp, SE3000H 3160Wp, Kia EV6 GT-line RWD


Acties:
  • 0 Henk 'm!

  • Batilan
  • Registratie: December 2009
  • Laatst online: 07:50
Proton_ schreef op dinsdag 4 februari 2025 @ 22:21:
@bioscrasher Dit is de Vaillant tekening, met 100mm buis.
[Afbeelding]
Dit is inderdaad ook ongeveer de tekening die ik van de installateur kreeg, en heb ik ook aangehouden, dus ook 10cm buis. Heb wel gaatjes in het onderste deel geboord voor het geval de onderkant dicht zou slibben. Het is met dit soort dingen zo dat ook een wat minder doordachte oplossing meestal prima werkt.

Hoewel we al een aantal jaren geen serieuze winter meer hebben gehad wil dat niet zeggen dat we nooit meer een uitzonderlijke winter zullen krijgen. Het is dan de keus of je daar wel of geen rekening mee wilt houden. Mocht die winter ooit komen dan ben je waarschijnlijk blij dat je er wèl rekening mee hebt gehouden. Het feit dat iets de laatste 4 jaar prima heeft gewerkt zegt niet zoveel.

Acties:
  • +1 Henk 'm!

  • Naalroc
  • Registratie: Maart 2009
  • Laatst online: 11:00
Nieuwe regering in Belgie heeft plannen:
Btw warmtepomp omlaag
In het energiehoofdstuk kondigt de regering nog een aantal maatregelen aan om de energietransitie aan te jagen. Zo gaat het btw-tarief voor de levering en installatie van warmtepompen tijdelijk omlaag van 21 naar 6 procent.

De btw-verlaging voor de warmtepomp kent een looptijd van 5 jaar.
Bron : solarmagazine.nl/

[ Voor 3% gewijzigd door Naalroc op 05-02-2025 09:42 ]

14kW ZubadanPUHZ-SHW140YHA+ERSC-VM2C, 200L boiler , 200L buffer, sinds 8/2018, gasloos


Acties:
  • 0 Henk 'm!

  • mr_evil08
  • Registratie: December 2008
  • Laatst online: 21:49
@Batilan Wat meespeelt is waar het water heenloopt, als hier de grindbak niet functioneert loopt het de tuin in ipv op bestrating waar je langs loopt, ofwel geen enkel probleem.

Ook ik heb mij niet gehouden aan de tekening.
Als er genoeg water ligt kan ik tenminste schaatsen. :+

[ Voor 16% gewijzigd door mr_evil08 op 05-02-2025 09:47 ]

WP | SP, Daikin FTXM35M/RXM35M


Acties:
  • 0 Henk 'm!

  • Blihi
  • Registratie: Juni 2018
  • Laatst online: 18:26
mr_evil08 schreef op woensdag 5 februari 2025 @ 09:46:
@Batilan Wat meespeelt is waar het water heenloopt, als hier de grindbak niet functioneert loopt het de tuin in ipv op bestrating waar je langs loopt, ofwel geen enkel probleem.

Ook ik heb mij niet gehouden aan de tekening.
Als er genoeg water ligt kan ik tenminste schaatsen. :+
Mijn buitenunit staat op een plat dak. Daar ligt soms inderdaad een ijsplaat onder van een paar m2. Niet belangrijk, want ik kom er toch nooit :)

Wel heb ik ervoor gezorgd dat de bekabeling van de PV panelen niet in het ijs kan komen te liggen.

WP: Toshiba Estia 8kW split HWT-801H(R)W-E + HWT-1101 binnenunit met 300 liter SWW tank. PV: 4 strings, totaal 12590 Wp


Acties:
  • 0 Henk 'm!

  • mr_evil08
  • Registratie: December 2008
  • Laatst online: 21:49
Blihi schreef op woensdag 5 februari 2025 @ 10:08:
[...]


Mijn buitenunit staat op een plat dak. Daar ligt soms inderdaad een ijsplaat onder van een paar m2. Niet belangrijk, want ik kom er toch nooit :)

Wel heb ik ervoor gezorgd dat de bekabeling van de PV panelen niet in het ijs kan komen te liggen.
Met een plat dak is wel oppassen, als de ijslaag te groot wordt is het dak niet op berekend(gewicht) maar dat is worst case natuurlijk, net als je in Amerika wel eens ziet met teveel sneeuw op het dak het zaakje doorbuigt of naar beneden komt.

[ Voor 3% gewijzigd door mr_evil08 op 05-02-2025 10:14 ]

WP | SP, Daikin FTXM35M/RXM35M


Acties:
  • 0 Henk 'm!

  • Blihi
  • Registratie: Juni 2018
  • Laatst online: 18:26
mr_evil08 schreef op woensdag 5 februari 2025 @ 10:13:
[...]

Met een plat dak is wel oppassen, als de ijslaag te groot wordt is het dak niet op berekend(gewicht) maar dat is worst case natuurlijk, net als je in Amerika wel eens ziet met teveel sneeuw op het dak het zaakje doorbuigt of naar beneden komt.
Komt goed. Het is een gewapend betonnen dak van 90 m2. Dat ijs gaat het verschil niet maken hoor.

WP: Toshiba Estia 8kW split HWT-801H(R)W-E + HWT-1101 binnenunit met 300 liter SWW tank. PV: 4 strings, totaal 12590 Wp


Acties:
  • 0 Henk 'm!

  • bioscrasher
  • Registratie: Maart 2008
  • Laatst online: 12-07 00:24

bioscrasher

Wie leert, die groeit

@Blihi @mr_evil08 Het platte dak hier is een kanaalplaatvloer van 3 meter lengte waar een etage lager gewoon een auto op geparkeerd staat (dak is van de garage en bijkeuken), dat gaat wel goedkomen.
Ik heb echter nog nooit een ijslaag gezien dus dat komt wel goed.

[ Voor 7% gewijzigd door bioscrasher op 05-02-2025 10:18 . Reden: zpellvaud ]

Nibe F2120-16, UKV300, SMOS40, RMU-S40, 10kWp, 15KVA / 30kWh Victron ESS


Acties:
  • +1 Henk 'm!

  • marcop23
  • Registratie: December 2009
  • Laatst online: 19:28
mr_evil08 schreef op woensdag 5 februari 2025 @ 10:13:
[...]

Met een plat dak is wel oppassen, als de ijslaag te groot wordt is het dak niet op berekend(gewicht) maar dat is worst case natuurlijk, net als je in Amerika wel eens ziet met teveel sneeuw op het dak het zaakje doorbuigt of naar beneden komt.
Het voordeel van ijs t.o.v. sneeuw is dat ijs zelf ook draagkrachtig is... Toch? O-)

Acties:
  • 0 Henk 'm!

  • bioscrasher
  • Registratie: Maart 2008
  • Laatst online: 12-07 00:24

bioscrasher

Wie leert, die groeit

marcop23 schreef op woensdag 5 februari 2025 @ 10:17:
[...]

Het voordeel van ijs t.o.v. sneeuw is dat ijs zelf ook draagkrachtig is... Toch? O-)
:*)

Nibe F2120-16, UKV300, SMOS40, RMU-S40, 10kWp, 15KVA / 30kWh Victron ESS


Acties:
  • 0 Henk 'm!

  • Mrwandelfreak
  • Registratie: Oktober 2024
  • Laatst online: 28-10 22:11
Ik ben bezig met een installateur voor het installeren van een Wehaet warmtepomp 9kw. Plus 300 liter boiler.

Zit in dubio over het wel of niet vervangen van bestaande leiding werk van 22mm en gedeeltelijk 28mm.
Zelf wil ik 32mm leidingwerk aan laten brengen. Volgens de installateur is het bestaande leiding werk prima voor deze warmtepomp.

Wat is wijsheid: vervangen laten voor dikkere leidingen of is het bestaande prima?
Extra investeren is geen issue.

Vloerverwarming met radiatoren op de benedenverdieping. Radiatoren laat ik vervangen voor Jaga's.
Bovenverdieping hebben we geen radiatoren.

Alvast bednkt voor het mee denken!

Zonnepanelen: 6.820 WP Inverter SMA Tripower STP 6.0 | Homebattery: 3x 5kw Sessy | Arotherm Split-Plus VWL75/8.2 | Jaga Strada Hybrid


Acties:
  • +2 Henk 'm!

  • Blihi
  • Registratie: Juni 2018
  • Laatst online: 18:26
Mrwandelfreak schreef op woensdag 5 februari 2025 @ 10:36:
Ik ben bezig met een installateur voor het installeren van een Wehaet warmtepomp 9kw. Plus 300 liter boiler.

Zit in dubio over het wel of niet vervangen van bestaande leiding werk van 22mm en gedeeltelijk 28mm.
Zelf wil ik 32mm leidingwerk aan laten brengen. Volgens de installateur is het bestaande leiding werk prima voor deze warmtepomp.

Wat is wijsheid: vervangen laten voor dikkere leidingen of is het bestaande prima?
Extra investeren is geen issue.

Vloerverwarming met radiatoren op de benedenverdieping. Radiatoren laat ik vervangen voor Jaga's.
Bovenverdieping hebben we geen radiatoren.

Alvast bednkt voor het mee denken!
Post eens een schema van je leidingen met de maten.

22mm is niet per se te weinig, maar als daar de volledige flow overheen moet is het krap.

Ik heb zelf 1 meter 28mm leiding. Daarna splitst het naar 2x 22mm in parallel voor de boven- en benedenverdieping. Dat is meer dan genoeg.

WP: Toshiba Estia 8kW split HWT-801H(R)W-E + HWT-1101 binnenunit met 300 liter SWW tank. PV: 4 strings, totaal 12590 Wp


Acties:
  • +1 Henk 'm!

  • silverball
  • Registratie: September 2013
  • Laatst online: 21:29

silverball

De wagen voor moderne mensen

Mrwandelfreak schreef op woensdag 5 februari 2025 @ 10:36:
Ik ben bezig met een installateur voor het installeren van een Wehaet warmtepomp 9kw. Plus 300 liter boiler.

Zit in dubio over het wel of niet vervangen van bestaande leiding werk van 22mm en gedeeltelijk 28mm.
Zelf wil ik 32mm leidingwerk aan laten brengen. Volgens de installateur is het bestaande leiding werk prima voor deze warmtepomp.

Wat is wijsheid: vervangen laten voor dikkere leidingen of is het bestaande prima?
Extra investeren is geen issue.

Vloerverwarming met radiatoren op de benedenverdieping. Radiatoren laat ik vervangen voor Jaga's.
Bovenverdieping hebben we geen radiatoren.

Alvast bednkt voor het mee denken!
22mm als standleiding is voor 9kw wel karig, dus ik zou sowieso een gedeelte vervangen. Hoe zit het afgiftesysteem in elkaar?

edit: @Blihi was mij voor :P

3640 Wp ZO pvoutput | FOSS | Gasloos | Trabant 601 (kubel + kombi) | Simson s53e | Ford nugget '89


Acties:
  • 0 Henk 'm!

  • Technician-
  • Registratie: November 2017
  • Nu online
Mrwandelfreak schreef op woensdag 5 februari 2025 @ 10:36:
Ik ben bezig met een installateur voor het installeren van een Wehaet warmtepomp 9kw. Plus 300 liter boiler.

Zit in dubio over het wel of niet vervangen van bestaande leiding werk van 22mm en gedeeltelijk 28mm.
Zelf wil ik 32mm leidingwerk aan laten brengen. Volgens de installateur is het bestaande leiding werk prima voor deze warmtepomp.

Wat is wijsheid: vervangen laten voor dikkere leidingen of is het bestaande prima?
Extra investeren is geen issue.

Vloerverwarming met radiatoren op de benedenverdieping. Radiatoren laat ik vervangen voor Jaga's.
Bovenverdieping hebben we geen radiatoren.

Alvast bednkt voor het mee denken!
Even schematisch tekenen en de flows per leiding berekenen.
Daarna met HyTools app de stroomsnelheid bekijken bij delta T 5K

HyTools geeft wel snel een heel dik advies door de lage geaccepteerde snelheid in de buis, dus zelf kijken wat acceptabel is

[ Voor 6% gewijzigd door Technician- op 05-02-2025 11:02 ]


Acties:
  • 0 Henk 'm!

  • Technician-
  • Registratie: November 2017
  • Nu online
HyTools geeft bij 6,2kw 18 l/min delta T 5K al 35mm dunwandig staal = 0,37 m/s

Acties:
  • 0 Henk 'm!

  • Jerra
  • Registratie: Oktober 2016
  • Laatst online: 12:43

Jerra

Beunhaas in wording

Hoi experts :)

De hele discussie met wel/geen parallel buffervat ben ik me goed van bewust en op ingelezen.
Ik heb zelf een seriebuffer vat van 20 liter in mijn 6kW all-electric systeem van Adlar Castra.

Ik heb een jaren 70 woning met binnenkort fancoils, en nu alleen maar kleine enkel plaat radiatoren, relatief weinig systeeminhoud dus. (En de WP is geplaatst met de fancoils in gedachte, gerekend is met 15 liter systeeminhoud in totaal in de fancoils)
Een seriebuffer (vergroten) is wat dat betreft niet zo gek, de Chinese oem-solareast (BLN-006TD1) warmtepomp lijkt heel erg op de adlar castra pomp en adviseert 60 liter als minimale systeeminhoud.

Nu had ik een hele lange hersteltijd na een defrost voordat de inlet/retour temperatuur weer op niveau kwam (wel 30 minuten), nu bieden ze aan een extra 20 liter vaatje bij te plaatsen.
De WP draait hierbij dan wel op 100% compressortoerental.

Nu vraag ik me af of dit wel voldoende gaat zijn, de inhoud van zo'n buffertje zal toch ook niet 100% inzetbaar zijn (volgens mij plaatsen ze de Reflex V 20, 16 liter bruikbaar).

Moeten er dan niet twee 20 liter vaatjes bij? (voor een inhoud van 15 + 16 +16 +16 liter totaal, optie tot 60 liter vat willen ze niet leveren, wel naar gevraagd).
En kan ik naast de minimale systeeminhoud van de datasheet op een andere manier een goede grootte van de buffer bepalen?

Uiteindelijk moet al het water in een buffer ook weer opgewarmd worden, de defrosts zelf zijn nu al wel snel klaar.
Voegt het verhogen van de seriebuffercapaciteit dan überhaupt iets toe? Hoe kijken jullie naar de zin/onzin van een seriebuffer in het systeem?

Acties:
  • +1 Henk 'm!

  • Blihi
  • Registratie: Juni 2018
  • Laatst online: 18:26
Technician- schreef op woensdag 5 februari 2025 @ 11:05:
HyTools geeft bij 6,2kw 18 l/min delta T 5K al 35mm dunwandig staal = 0,37 m/s
Dat lijkt me nogal overdreven. Mijn SWW vat gaat ook over 22mm en daar gaat 11 kW overheen met een flow van 24 l/min.

WP: Toshiba Estia 8kW split HWT-801H(R)W-E + HWT-1101 binnenunit met 300 liter SWW tank. PV: 4 strings, totaal 12590 Wp


Acties:
  • 0 Henk 'm!

  • Mrwandelfreak
  • Registratie: Oktober 2024
  • Laatst online: 28-10 22:11
Blihi schreef op woensdag 5 februari 2025 @ 10:46:
[...]


Post eens een schema van je leidingen met de maten.

22mm is niet per se te weinig, maar als daar de volledige flow overheen moet is het krap.

Ik heb zelf 1 meter 28mm leiding. Daarna splitst het naar 2x 22mm in parallel voor de boven- en benedenverdieping. Dat is meer dan genoeg.
Dank voor je reactie.
Vloer verwarming ca. 100 m2
6 radiatoren.

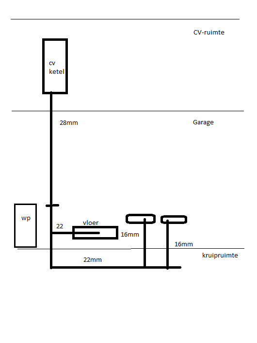
Afbeeldingslocatie: https://tweakers.net/i/1DVZ1Fr2X2rldYL_MCaPeb9btFs=/fit-in/4000x4000/filters:no_upscale():strip_exif()/f/image/KrrTdTTdkzUYuLHEpuTT2gVc.png?f=user_large

Hopelijk geeft dit iets meer duidelijkheid....
Vloerverwarmingsverdeler wordt trouwens nog vervangen voor een openverdeler.

Zonnepanelen: 6.820 WP Inverter SMA Tripower STP 6.0 | Homebattery: 3x 5kw Sessy | Arotherm Split-Plus VWL75/8.2 | Jaga Strada Hybrid


Acties:
  • +1 Henk 'm!

  • EVfan
  • Registratie: December 2021
  • Laatst online: 28-10 22:35
bioscrasher schreef op woensdag 5 februari 2025 @ 10:17:
@Blihi @mr_evil08 Het platte dak hier is een kanaalplaatvloer van 3 meter lengte waar een etage lager gewoon een auto op geparkeerd staat (dak is van de garage en bijkeuken), dat gaat wel goedkomen.
Ik heb echter nog nooit een ijslaag gezien dus dat komt wel goed.
Even wat referentie gegevens: op basis van het warmteverlies tijdens een defrost (is in het Ecodan forum verschillende malen berekend en gepost) komt er per defrost een liter of 4 van je WP (als ik me het goed herinner), overeenkomend met een 4 mm laag aanslag op een verdamper van 1m2.
Een lastige dag, zoals we in januari en de afgelopen dagen hebben gehad, is bij mijn WP goed voor 25-30 defrosts.
Dus 100-120 liter water per dag. Dat is dus 100-120 kg.
Hoeveel mm water/ijs dat is kun je denk ik op basis van het oppervlak van je dak berekenen.

Mitsubishi Electric PUZ-WM 112YAA; ERPT20X-VM2E; PV 3900 Wp ZW, 3900 Wp NW


Acties:
  • +1 Henk 'm!

  • bioscrasher
  • Registratie: Maart 2008
  • Laatst online: 12-07 00:24

bioscrasher

Wie leert, die groeit

EVfan schreef op woensdag 5 februari 2025 @ 12:37:
[...]

Even wat referentie gegevens: op basis van het warmteverlies tijdens een defrost (is in het Ecodan forum verschillende malen berekend en gepost) komt er per defrost een liter of 4 van je WP (als ik me het goed herinner), overeenkomend met een 4 mm laag aanslag op een verdamper van 1m2.
Een lastige dag, zoals we in januari en de afgelopen dagen hebben gehad, is bij mijn WP goed voor 25-30 defrosts.
Dus 100-120 liter water per dag. Dat is dus 100-120 kg.
Hoeveel mm water/ijs dat is kun je denk ik op basis van het oppervlak van je dak berekenen.
@EVfan Een temperatuur beneden nul zal hooguit 10 dagen duren waarna er weer dooi volgt.
Maximaal 1200 kg verdeeld over een flink aantal vierkante meters, gaat goedkomen... ;)

Nibe F2120-16, UKV300, SMOS40, RMU-S40, 10kWp, 15KVA / 30kWh Victron ESS


Acties:
  • 0 Henk 'm!

  • bioscrasher
  • Registratie: Maart 2008
  • Laatst online: 12-07 00:24

bioscrasher

Wie leert, die groeit

Mrwandelfreak schreef op woensdag 5 februari 2025 @ 12:11:
[...]


Dank voor je reactie.
Vloer verwarming ca. 100 m2
6 radiatoren.

[Afbeelding]

Hopelijk geeft dit iets meer duidelijkheid....
Vloerverwarmingsverdeler wordt trouwens nog vervangen voor een openverdeler.
@Mrwandelfreak ik heb hier geen VV en per definitie een parallel vat nodig wat iets ongunstiger is qua COP maarr:

De combi VV en radiatoren en CV zou ik te allen tijde voorzien van een stevig buffervat waaruit de warmtepomp naar hartelust energie kan tappen voor zijn defrosts.
Ook zou ik de CV ketel verbinden met het warmtepomp systeem middels een open verdeler. Dan kan de CV vaker uit en alleen bijspringen bij uitval van de warmtepomp of extreme temperaturen onder nul.

Ons systeem heeft een COP van 3,3-3,4 en draait volledig op radson plaatradiatoren.
Door het vervangen van twee enkel plaatradiatoren in de werkkamer op de eerste verdieping door twee evengrote type 22 versies is deze kamer binnen een kwartier lekker op temperatuur.

Onderstaand mijn bivalente combi van warmtepomp en CV die met een Victron offgrid omvormerset nog dagen het huis warm kan houden als er nog gas is.

Afbeeldingslocatie: https://tweakers.net/i/MUz2mCGdFM64fq1CSP-zIiaWCMg=/x800/filters:strip_exif()/f/image/b8Qqf7ySF2MQwFkxHulaox1S.png?f=fotoalbum_large

Nibe F2120-16, UKV300, SMOS40, RMU-S40, 10kWp, 15KVA / 30kWh Victron ESS


Acties:
  • +1 Henk 'm!

  • Mrwandelfreak
  • Registratie: Oktober 2024
  • Laatst online: 28-10 22:11
@bioscrasher
Hartelijk dank voor je uitgebreide toelichting.

Ben nog niet helemaal duidelijk geweest.
Cv-ketel gaat de deur uit.

In het cv-hok komt de boiler van 300 liter en de binnen-unit.

Zonnepanelen: 6.820 WP Inverter SMA Tripower STP 6.0 | Homebattery: 3x 5kw Sessy | Arotherm Split-Plus VWL75/8.2 | Jaga Strada Hybrid


Acties:
  • 0 Henk 'm!
@Mrwandelfreak
Je krijgt een Blackbird 8 kW? A-10W35 max 8kW

Hoeveel m2 vloeroppervlak heeft je huis? Wat was voorheen je gasverbruik per jaar? En wat was je gasverbruik op de koudste dagen de afgelopen paar jaar (daggemiddelde temp via KNMI, gasverbruik slimme meter)?

Zou me niets verbazen als je aan 6 kW genoeg hebt en dan is een hoofdleiding van 28 mm prima.

WP: Mitsubishi Electric SUZ-SWM80VA2 + ERSD-VM2D. PV 3330 Wp. Huis 1931, gasloos sinds jan '24.


Acties:
  • 0 Henk 'm!

  • Mrwandelfreak
  • Registratie: Oktober 2024
  • Laatst online: 28-10 22:11
SebastiaanPs schreef op woensdag 5 februari 2025 @ 14:11:
@Mrwandelfreak
Je krijgt een Blackbird 8 kW? A-10W35 max 8kW

Hoeveel m2 vloeroppervlak heeft je huis? Wat was voorheen je gasverbruik per jaar? En wat was je gasverbruik op de koudste dagen de afgelopen paar jaar (daggemiddelde temp via KNMI, gasverbruik slimme meter)?

Zou me niets verbazen als je aan 6 kW genoeg hebt en dan is een hoofdleiding van 28 mm prima.
Dank voor het meedenken.

Het zal de Sparrow worden 6-9 kw.
Jaarverbruik van ca. 1500 m3
Koude dagen verbruik van ca. 8-10m3/dag

Als test heb ik de aanvoer temp. van de gasketel verlaagd naar 35gr.
Sinds november. Ik hou het warm in huis. Merk wel dat het iets meer gas kost.
Op advies van de installateur nu wel weer verhoogd naar 45gr. (Mijn ketel wordt anders öpgevreten?)
Dus ik gebruik door het verlagen van 45 naar 35 iets meer gas ten opzichte van 45gr.

Vloer oppervlakte beneden ca. 100m2.
Vloerverwarming ca.75m2

Zonnepanelen: 6.820 WP Inverter SMA Tripower STP 6.0 | Homebattery: 3x 5kw Sessy | Arotherm Split-Plus VWL75/8.2 | Jaga Strada Hybrid


Acties:
  • 0 Henk 'm!

  • Technician-
  • Registratie: November 2017
  • Nu online
Blihi schreef op woensdag 5 februari 2025 @ 11:18:
[...]


Dat lijkt me nogal overdreven. Mijn SWW vat gaat ook over 22mm en daar gaat 11 kW overheen met een flow van 24 l/min.
Dat is niet overdreven dat zijn ontwerpnormen waarvan je wel mag afwijken. Maar de berekende weerstand en snelheid in m/s kloppen. Ik houdt vaak 1 m/s aan, norm zegt 0,5 (afhankelijk van in welke ruimte)

PS sanitair draait op hogere delta T

[ Voor 4% gewijzigd door Technician- op 05-02-2025 14:57 ]


Acties:
  • 0 Henk 'm!

  • Technician-
  • Registratie: November 2017
  • Nu online
Mrwandelfreak schreef op woensdag 5 februari 2025 @ 14:26:
[...]


Dank voor het meedenken.

Het zal de Sparrow worden 6-9 kw.
Jaarverbruik van ca. 1500 m3
Koude dagen verbruik van ca. 8-10m3/dag

Als test heb ik de aanvoer temp. van de gasketel verlaagd naar 35gr.
Sinds november. Ik hou het warm in huis. Merk wel dat het iets meer gas kost.
Op advies van de installateur nu wel weer verhoogd naar 45gr. (Mijn ketel wordt anders öpgevreten?)
Dus ik gebruik door het verlagen van 45 naar 35 iets meer gas ten opzichte van 45gr.

Vloer oppervlakte beneden ca. 100m2.
Vloerverwarming ca.75m2
Best wel een verbruik. Ik zou eens verder kijken naar een WP die echt 8kw bij -10C geeft

Acties:
  • 0 Henk 'm!

  • LangeFries
  • Registratie: Februari 2018
  • Laatst online: 21:19
bioscrasher schreef op woensdag 5 februari 2025 @ 10:17:
@Blihi @mr_evil08 Het platte dak hier is een kanaalplaatvloer van 3 meter lengte waar een etage lager gewoon een auto op geparkeerd staat (dak is van de garage en bijkeuken), dat gaat wel goedkomen.
Ik heb echter nog nooit een ijslaag gezien dus dat komt wel goed.
Een collega van mij had een bevroren en gebarsten regenpijp. Het dooiwater kwam wel tot de regenpijp en bevroor daar.

Nibe F2120-12,VVM320, 4440Wp LG NeonR 1425Wp Solarwatt ZZO


Acties:
  • 0 Henk 'm!

  • bioscrasher
  • Registratie: Maart 2008
  • Laatst online: 12-07 00:24

bioscrasher

Wie leert, die groeit

LangeFries schreef op woensdag 5 februari 2025 @ 15:03:
[...]

Een collega van mij had een bevroren en gebarsten regenpijp. Het dooiwater kwam wel tot de regenpijp en bevroor daar.
@LangeFries Dan moet er wel nog een paar m2 aan dakoppervlak tot aan de regenpijp vastfriezen :+ voordat dat gebeurt. Mijn dochter zl die ijslaag wel zien klimmen.
Is tot aan vandaag nog niet gebeurd in twee jaar maar never say never :)

Nibe F2120-16, UKV300, SMOS40, RMU-S40, 10kWp, 15KVA / 30kWh Victron ESS


Acties:
  • +2 Henk 'm!

  • Tomexergie
  • Registratie: Maart 2014
  • Laatst online: 10:29
MONITORING januari. Nog opsturen!!!!

Interessante cijfers, weg alle mooie COP's, maar nog niet compleet 9 deelnemers ontbreken nog.
Misschien zijn er deelnemers die hun aanvoertemperatuur Ta bij 2C nog moeten corrigeren, ideaal weer daarvoor.

Ta of Tr? Misschien een beetje ingewikkeld verhaal, maar de ene Ta is de ander niet.
De warmteafgifte van de WP P=flow*c(Ta-Tr) Ta-Tr noemen we even delta en is 2 tot 6 C afhankelijk van de flow en de modulatie.


Als de WP op ON staat komt er op de retour temperatuur Tr een sprong Ta=Tr+delta omdat er geen thermische massa is in de WP.
Als de WP op UIT staat meet je in feite de Ta=Tr omdat delta 0 is.
De Tr is heel stabiel omdat deze uit de thermische massa van de CV /buffervat komt. Het is dus de vraag wat we als maat nemen voor de afgifte capaciteit van het CV systeem. Bij koud weer is Ta=Tr+delta de gemakkelijkste indicatie. Mijn WP (onderbemeten hybride) draait constant dus Ta=Tr+delta. Ik gebruik deze Ta, maar bij een overbemeten warmtepomp zal deze vaak uit staan. Opletten dus, het kan zo 4C verschil maken.


Nog aan te leveren:
@koevlaas2 @ThaDude @Fullpower @Robindd @Zwartoog @hnq @verguldebarman @Baapje327 @mgroen81

Acties:
  • 0 Henk 'm!

  • Breud
  • Registratie: November 2020
  • Laatst online: 22:13
[quote]Tomexergie schreef op donderdag 6 februari 2025 @ 06:18:
MONITORING januari. Nog opsturen!!!!

@Tomexergie ik wil graag ook mijn data gaan aanleveren voor de meting. Hoe kan ik mee doen?

WP: ZCR-80YA-300 / RST30C-VM2ED + PUHZ-SHW80YAA PV: 4350 WP


Acties:
  • 0 Henk 'm!

  • Whiskey48
  • Registratie: December 2004
  • Laatst online: 18:32
Vraag; bij een vriend van me is geen (magnetisch) vuilfilter geinstalleerd bij de renovatie van een woning.
Alle leidingen zijn nieuw, er is enkel vloerverwarmin en jaga's.

Ook kunnen we geen vorstbeveiliging (Caleffi) vinden. Deze zou er wel zijn maar in de warmtepomp(Alpha Innotec)zitten gemonteerd, aan het uiteinde van een grondbuis.

Het tweede neem ik dan aan, ondanks dat deze niet zichtbaar is. Maar het eerste heb ik geen idee van, klopt dit dat een (magnetisch) vuilfilter dus niet nodig is bij nieuwbouw?

Acties:
  • 0 Henk 'm!

  • xoror
  • Registratie: November 1999
  • Niet online
@Whiskey48 ik heb nieuwbouw en wel magneet filter. Ik kan me voorstellen dat er wat rommel kan komen van de verdelers en/of jaga's?

Misschien proberen ze het weg te branden bij die wp onder -2 mbv het element >:)

[ Voor 27% gewijzigd door xoror op 06-02-2025 10:04 ]

Eenvoudig + Goedkoop Mitsubishi Warmtepomp uitlezen/besturen met een ESP32


Acties:
  • +1 Henk 'm!

  • PeteSplit
  • Registratie: Oktober 2023
  • Laatst online: 22:16

PeteSplit

HN091MR.NK5 HU051MR.U44

Whiskey48 schreef op donderdag 6 februari 2025 @ 09:58:
Vraag; bij een vriend van me is geen (magnetisch) vuilfilter geinstalleerd bij de renovatie van een woning.
Alle leidingen zijn nieuw, er is enkel vloerverwarmin en jaga's.

Ook kunnen we geen vorstbeveiliging (Caleffi) vinden. Deze zou er wel zijn maar in de warmtepomp(Alpha Innotec)zitten gemonteerd, aan het uiteinde van een grondbuis.

Het tweede neem ik dan aan, ondanks dat deze niet zichtbaar is. Maar het eerste heb ik geen idee van, klopt dit dat een (magnetisch) vuilfilter dus niet nodig is bij nieuwbouw?
Altijd bij gebruik van warmtepomp met alpha2 waterpompen (de motor is een permanente magneet stator), voor de levensduur van de pomp.
(Als er in het afgiftesysteem deeltjes kunnen zitten, die magnetisch aangetrokken kunnen worden).

[ Voor 7% gewijzigd door PeteSplit op 06-02-2025 10:16 ]

LG (AWHP) / ESPhome (ESP32) / GoodWe 4K-DT (5kWp) / Homewizard (1 PiB) / Home Assistant (NUC)


Acties:
  • 0 Henk 'm!

  • Tomexergie
  • Registratie: Maart 2014
  • Laatst online: 10:29
Breud schreef op donderdag 6 februari 2025 @ 09:07:
[quote]Tomexergie schreef op donderdag 6 februari 2025 @ 06:18:
MONITORING januari. Nog opsturen!!!!

@Tomexergie ik wil graag ook mijn data gaan aanleveren voor de meting. Hoe kan ik mee doen?
Zoals de lijst aangeeft:

Alleen voor verwarming (CV), dus zonder sanitair heet water.

Gemeten elektriciteit per maand
Gemeten warmte met externe warmtemeter Mse of de meter van de warmtepomp Mhp
Merk/type WP
Vermogen bij 7/35
Aanvoer temperatuur(geschat) bij 2C buiten

Ik hoop dat de topic starters de intro een beetje aanpassen.

Acties:
  • +1 Henk 'm!

  • Carboy54
  • Registratie: Januari 2017
  • Laatst online: 22:13

Carboy54

Duurzaamheid coach

Whiskey48 schreef op donderdag 6 februari 2025 @ 09:58:
Vraag; bij een vriend van me is geen (magnetisch) vuilfilter geinstalleerd bij de renovatie van een woning.
Alle leidingen zijn nieuw, er is enkel vloerverwarmin en jaga's.

Ook kunnen we geen vorstbeveiliging (Caleffi) vinden. Deze zou er wel zijn maar in de warmtepomp(Alpha Innotec)zitten gemonteerd, aan het uiteinde van een grondbuis.

Het tweede neem ik dan aan, ondanks dat deze niet zichtbaar is. Maar het eerste heb ik geen idee van, klopt dit dat een (magnetisch) vuilfilter dus niet nodig is bij nieuwbouw?
Meerdere keren een vastgelopen pomp gezien door bouwvuil of snippers mlb leiding. Voorkomen is beter dan genezen. Wij adviseren het altijd.

WH-MDC09J3E5 + ITHO AMBER 9.5. 26x245 WP Panelen. WP boiler 200L EV I3. Duurzaamheid coach NL gemeenten.


Acties:
  • 0 Henk 'm!

  • Jerra
  • Registratie: Oktober 2016
  • Laatst online: 12:43

Jerra

Beunhaas in wording

Iemand nog een mening over mijn situatie? O-)

Acties:
  • 0 Henk 'm!

  • Breud
  • Registratie: November 2020
  • Laatst online: 22:13
gemeten elektriciteit per maand : 688kWh via externe kWh meter (ofwel 2,18kWh per m2)
gemeten warmte: 2818kWh via warmtepomp Mhp (ofwel 8,9 kWh per m2)
Merk/type WP Mitsubishi zubadan
Vermogen bij 7/35: 8kW
Aanvoer temperatuur bij 2c buiten : 28,5 graden

@Tomexergie

WP: ZCR-80YA-300 / RST30C-VM2ED + PUHZ-SHW80YAA PV: 4350 WP


Acties:
  • 0 Henk 'm!

  • RonJ
  • Registratie: December 2009
  • Laatst online: 17:31
Carboy54 schreef op donderdag 6 februari 2025 @ 10:18:
[...]


Meerdere keren een vastgelopen pomp gezien door bouwvuil of snippers mlb leiding. Voorkomen is beter dan genezen. Wij adviseren het altijd.
Die komen in een vuilfilter terecht (indien aanwezig). Een magneetfilter doet helemaal niets met bouwstof en mlb-snippers. Als alles nieuw MLB is kan je imho beter een keer goed doorspoelen dan een filter kopen dat eigenlijk niets doet. Ik maak de mijne (bij Daikin de AT3 split zit ie standaard ingebouwd) jaarlijks wel schoon, maar er komt eigenlijk nooit iets uit.

All-electric.


Acties:
  • +1 Henk 'm!

  • Naalroc
  • Registratie: Maart 2009
  • Laatst online: 11:00
Breud schreef op donderdag 6 februari 2025 @ 10:20:
gemeten elektriciteit per maand : 688kWh via externe kWh meter (ofwel 2,18kWh per m2)
gemeten warmte: 2818kWh via warmtepomp Mhp (ofwel 8,9 kWh per m2)
Merk/type WP Mitsubishi zubadan
Vermogen bij 7/35: 8kW
Aanvoer temperatuur bij 2c buiten : 28,5 graden

@Tomexergie
Deze info als een PB naar Tom sturen, niet hier op het forum graag, dan wordt het erg druk.....

14kW ZubadanPUHZ-SHW140YHA+ERSC-VM2C, 200L boiler , 200L buffer, sinds 8/2018, gasloos


Acties:
  • 0 Henk 'm!

  • dunklefaser
  • Registratie: Oktober 2012
  • Nu online
Naalroc schreef op donderdag 6 februari 2025 @ 10:22:
[...]

Deze info als een PB naar Tom sturen, niet hier op het forum graag, dan wordt het erg druk.....
De specifieke kWh/m² zijn op zich wel interessant. Hieruit kan je de isolatiekwaliteit van het gebouw
c.q. het warmteverlies afleiden. Ik vermoed iets van zeer recente nieuwbouw - bj. 2018 of nieuwer?
315 m² verwarmt is natuurlijk ook geen rijtjeshuis.

P.S.: De kwaliteit van de Zubadan interne warmtemeting weet ik niet.

[ Voor 7% gewijzigd door dunklefaser op 06-02-2025 11:00 ]

Nobody is perfeckt - But who wants to be Nobody? - Vrijwillig Energycoach Fiat LUXus! - Some Insights


Acties:
  • 0 Henk 'm!

  • Mrwandelfreak
  • Registratie: Oktober 2024
  • Laatst online: 28-10 22:11
Technician- schreef op woensdag 5 februari 2025 @ 14:56:
[...]

Best wel een verbruik. Ik zou eens verder kijken naar een WP die echt 8kw bij -10C geeft
Heb je suggesties?

Zonnepanelen: 6.820 WP Inverter SMA Tripower STP 6.0 | Homebattery: 3x 5kw Sessy | Arotherm Split-Plus VWL75/8.2 | Jaga Strada Hybrid


Acties:
  • 0 Henk 'm!

  • bensss
  • Registratie: September 2020
  • Laatst online: 20:24
Verder kijken (cq, lezen in dit topic) ;)

Zelfinstallatie Vaillant Arotherm Plus 55/6 | Zehnder Q450 | Variotherm DWTW | Enphase Envoy S + IQ7x Panasonic 7x335WP


Acties:
  • +1 Henk 'm!

  • Carboy54
  • Registratie: Januari 2017
  • Laatst online: 22:13

Carboy54

Duurzaamheid coach

RonJ schreef op donderdag 6 februari 2025 @ 10:21:
[...]


Die komen in een vuilfilter terecht (indien aanwezig). Een magneetfilter doet helemaal niets met bouwstof en mlb-snippers. Als alles nieuw MLB is kan je imho beter een keer goed doorspoelen dan een filter kopen dat eigenlijk niets doet. Ik maak de mijne (bij Daikin de AT3 split zit ie standaard ingebouwd) jaarlijks wel schoon, maar er komt eigenlijk nooit iets uit.
Gecombineerde vuil/magneetfilters wel.

WH-MDC09J3E5 + ITHO AMBER 9.5. 26x245 WP Panelen. WP boiler 200L EV I3. Duurzaamheid coach NL gemeenten.


Acties:
  • +1 Henk 'm!

  • Whiskey48
  • Registratie: December 2004
  • Laatst online: 18:32
Carboy54 schreef op donderdag 6 februari 2025 @ 11:29:
[...]


Gecombineerde vuil/magneetfilters wel.
Ik bedoel een gecombineerde idd. Een (magnetisch) vuilfilter. Nu is er geen vuilfiter, tenzij deze is ingebouwd in de buitenunit? Maargoed, er is niks over de werking van het systeem of onderhoud uitgelegd. Ook geen onderhoudsplan aangeboden (niet nodig, kan prima zelf)

Er staan wat bomen rondom de buitenunit dus ik zou wel even periodiek even de lammellen afspoelen.
Het systeem heeft nu 1 bar waterdruk, maar er is geen tappunt gemaakt om deze even bij te kunnen vullen.
(Moet dus eerst nog even een lange tuinslang worden gekocht).
De radiatoren boven maken kolkende geluiden, dit is hierna ontlucht door de installateur
Het systeem zou wel volledig waterzijdig zijn ingeregeld begin herfst :+

Ik snap dat je als afnemer geen idee hebt hoe warmtepompen werken, je gaat er van uit dat als je het beste van het beste koopt, dit tip top op orde is.
Ik kreeg de vraag of ca 80kWh verbruik een beetje normaal is op een vries dag van -4 voor een A++ gelabelde woning, vandaar dat ik even door ben gaan vragen.

[ Voor 61% gewijzigd door Whiskey48 op 06-02-2025 11:59 ]


Acties:
  • 0 Henk 'm!

  • PeteSplit
  • Registratie: Oktober 2023
  • Laatst online: 22:16

PeteSplit

HN091MR.NK5 HU051MR.U44

Whiskey48 schreef op donderdag 6 februari 2025 @ 11:31:
[...]


Ik bedoel een gecombineerde idd. Een (magnetisch) vuilfilter. Nu is er geen vuilfiter, tenzij deze is ingebouwd in de buitenunit? Maargoed, er is niks over de werking van het systeem of onderhoud uitgelegd. Ook geen onderhoudsplan aangeboden (niet nodig, kan prima zelf)

Er staan wat bomen rondom de buitenunit dus ik zou wel even periodiek even de lammellen afspoelen.
Het systeem heeft nu 1 bar waterdruk, maar er is geen tappunt gemaakt om deze even bij te kunnen vullen.
(Moet dus eerst nog even een lange tuinslang worden gekocht).
De radiatoren boven maken kolkende geluiden, dus hij is zelf gaan ontluchten.
Het systeem zou wel volledig waterzijdig zijn ingeregeld begin herfst :+

Ik snap dat je als afnemer geen idee hebt hoe warmtepompen werken, je gaat er van uit dat als je het beste van het beste koopt, dit tip top op orde is.
Ik kreeg de vraag of ca 80kWh verbruik een beetje normaal is op een vries dag van -4, vandaar dat ik even door ben gaan vragen.
Let op met ontluchten, als je dat doet, daalt de druk ook heel veel. Dus eerst bijvullen, dan ontluchten en weer bijvullen.
Bij mijn warmtepomp wordt aanbevolen voor een goede flow, 2,0 tot 2,5 bar door de warmtepomp (intern) gemeten.
Ik heb meerdere automatische ontluchters en een microbellen ontluchter en houd de druk op 2 bar.

[ Voor 3% gewijzigd door PeteSplit op 06-02-2025 12:00 ]

LG (AWHP) / ESPhome (ESP32) / GoodWe 4K-DT (5kWp) / Homewizard (1 PiB) / Home Assistant (NUC)


Acties:
  • +1 Henk 'm!

  • EVfan
  • Registratie: December 2021
  • Laatst online: 28-10 22:35
Whiskey48 schreef op donderdag 6 februari 2025 @ 11:31:
[...]

Ik kreeg de vraag of ca 80kWh verbruik een beetje normaal is op een vries dag van -4, vandaar dat ik even door ben gaan vragen.
@Whiskey48
Tja wat is normaal.
Mijn woning, 90-er jaren isolatie, 950m3, bijna 300m2 heeft een warmteverlies van 375-400 W/K. Dus anders uitgedrukt, 24 maal 400W is 9,6 kWh per graaddag warmtebehoefte.
Dus bij een buitentemperatuur van -4 graden is er een momentaan vermogen van (20- -4)*400W nodig, dus ook weer die 9,6 kW.
Als de temperatuur gemiddeld over de hele dag - 4 graden is dan moet mijn WP buiten een uurtje SWW 23 uur dit thermisch vermogen leveren, tenminste als er geen defrosts zijn.
Dat is dus ruim 220 kWh aan warmteproductie per dag.
De COP van mijn systeem is bij die temperatuur ca. 3,2, dus 220 kWh komt overeen met ca. 70 kWh elektrisch verbruik. Nogmaals, zonder defrosts. Met elk uur een defrost was het hier afgelopen week bij een dag met gemiddeld -2,5 graden (en ‘s nachts -7 minimum) ruim 75 kWh elektrisch verbruik. Dus is 80 kWh normaal? Dat hangt in hoge mate van je warmteverlies af, en die zul je denk ik wel kennen.
Maar ik herken het wel.

Mitsubishi Electric PUZ-WM 112YAA; ERPT20X-VM2E; PV 3900 Wp ZW, 3900 Wp NW

Pagina: 1 ... 197 ... 229 Laatste

Let op:
Bij posten in dit topic wordt aangenomen dat je Het ik-wil-een-warmtepomp FAQ topic al gelezen hebt :)