3200 Wp OZO+10000 Wp ZZW+3200 Wp WNW - Daikin 4MXM68N + 3 x FTXM20M2V1B + FTXA50A2V1BT - Vaillant AroTherm 125/5 & Boiler VIH RW 300/3 MR
Deze tijd is gewoon lastig. Zeker het plannen.PentaClover schreef op maandag 28 maart 2022 @ 21:30:
[...]
En als je al veel installaties in de planning hebt staan, wordt de spullen financieren en opslaan natuurlijk ook een dingetje, dus je wil vanuit dat oogpunt ook niet te vroeg bestellen als installateur denk ik.
Maar ben gelukkig niet 100% afhankelijk hiervan. Dus ander werk zat.
Krijg laatste tijd ook gemiddeld meerder aanvragen via Vaillant voor installatie's maar die accepteer in nu niet gezien problemen met levering.
En de meeste willen meteen geholpen worden en dat gaat niet.
En voor die jaar zitten we al nagenoeg helemaal vol
En anders verzamelen ze jouw order gewoon totdat alle spullen op voorraad zijn? Als ze niet voor je reserveren dan kun je zeker jaren wachten totdat een gehele bestelling tegelijkertijd op voorraad is, haha.Adriaan71 schreef op maandag 28 maart 2022 @ 21:21:
[...]
Maar als je lat leveren onder een bepaald bedrag komen er leveringskosten bij.
Zover ik weet heeft mijn installateur gewoon een order staan voor mijn installatie bij Wasco. Dan moet ik even vragen wat ze hebben afgesproken.
Tussenwoning bj. 1979; Dak Rc 6.5, muren Rc 2, vloer Rc 6.4, ramen HR++; Vloerverwarming; Vaillant 75/6 WP; 10* 345WP op zuiden, 20*345 op noorden = 8000 kWh p/j; Energielabel A+++; Gasloos sinds 18 juli 2022.
Toen ze hier begin feb lang kwamen gaven ze aan dat het ergens in mei zou worden waarschijnlijk, ik zou er op zich helemaal geen probleem mee hebben als ze zo snel mogelijk bestellen en de spullen in mijn garage zetten (heb ik weer een goede reden om hem eens een keer op te ruimen en ruimte te maken) en me alvast een factuur voor de spullen te sturen en dan vervolgens ergens eind mei als ze tijd hebben de installatie te doen en dan daar een 2de factuur voor te sturen.Adriaan71 schreef op maandag 28 maart 2022 @ 21:36:
[...]
Deze tijd is gewoon lastig. Zeker het plannen.
Maar ben gelukkig niet 100% afhankelijk hiervan. Dus ander werk zat.
Krijg laatste tijd ook gemiddeld meerder aanvragen via Vaillant voor installatie's maar die accepteer in nu niet gezien problemen met levering.
En de meeste willen meteen geholpen worden en dat gaat niet.
En voor die jaar zitten we al nagenoeg helemaal vol
3200 Wp OZO+10000 Wp ZZW+3200 Wp WNW - Daikin 4MXM68N + 3 x FTXM20M2V1B + FTXA50A2V1BT - Vaillant AroTherm 125/5 & Boiler VIH RW 300/3 MR
om de bus te lezen de usual suspects:
https://www.esera.de/shop...ebus/135/ebus-coupler-usb
https://ebusd.eu/myadapter/
De schakeling lijkt eenvoudig genoeg dat het met een usb-ttl kabel ook op gaatjesprint zou kunnen
https://gitlab.com/fromei...master/ebuzzz-adapter.pdf
Het ik-wil-een-warmtepomp FAQ topic- '23 MG5, douchen met wtw en Auer Edel Eau, verwarming met Vaillant Arotherm Plus.
Dat zij gewoon de afspraken die je met je installateur maakt. Als je de spullen kwijt kan is dat een optie natuurlijk. Maar die oude heeft natuurlijk niet iedereen.PentaClover schreef op maandag 28 maart 2022 @ 21:50:
[...]
Toen ze hier begin feb lang kwamen gaven ze aan dat het ergens in mei zou worden waarschijnlijk, ik zou er op zich helemaal geen probleem mee hebben als ze zo snel mogelijk bestellen en de spullen in mijn garage zetten (heb ik weer een goede reden om hem eens een keer op te ruimen en ruimte te maken) en me alvast een factuur voor de spullen te sturen en dan vervolgens ergens eind mei als ze tijd hebben de installatie te doen en dan daar een 2de factuur voor te sturen.
Maar mei lijkt me wel haalbaar.
Is dat bij andere merken dan veel beter? Ik krijg uit de berichtgeving de indruk dat bijna ieder merk problemen heeft met de levering.Adriaan71 schreef op maandag 28 maart 2022 @ 21:36:
[...]
Krijg laatste tijd ook gemiddeld meerder aanvragen via Vaillant voor installatie's maar die accepteer in nu niet gezien problemen met levering.
De meeste merken hebben problemen. Nibe, Atag Bosch nefit vaillant. Dat is wat ik kan zien.Rubbergrover1 schreef op maandag 28 maart 2022 @ 22:05:
[...]
Is dat bij andere merken dan veel beter? Ik krijg uit de berichtgeving de indruk dat bijna ieder merk problemen heeft met de levering.
Cv ketels ook problemen.
Gaan zelf geruchten rond dat het heel 2022 aan zou houden.
Vroeger ja vroeger kwamen er volle vrachtwagens met producten bij leveranciers.
Nu komt er af en toe wat.
Gaan ook nog geruchten rond dat er tussentijdse prijsstijgingen komen.
We gaan het mee maken.
[ Voor 19% gewijzigd door Adriaan71 op 28-03-2022 22:17 ]
Als je het zo bekijkt kun je maar beter alvast in huis halen wat er te leveren is en dan zelf maar op de rest wachten. Anders krijg je straks die prijsverhoging ook nog eens voor je kiezen.Adriaan71 schreef op maandag 28 maart 2022 @ 22:15:
[...]
Gaan zelf geruchten rond dat het heel 2022 aan zou houden.
Gaan ook nog geruchten rond dat er tussentijdse prijsstijgingen komen.
Verdraagzaamheid is het hoogste gebod
en wie dat niet eert die schoppen we rot.
<John O`Mill>
Ah, ik dacht dat je met je opmerking over niet accepteren van Vaillant offertes suggereerde dat het specifiek vanwege problemen bij Vaillant ging. Maar waarschijnlijk zul je dan ook even geen offertes voor andere merken afgevenAdriaan71 schreef op maandag 28 maart 2022 @ 22:15:
[...]
De meeste merken hebben problemen. Nibe, Atag Bosch nefit vaillant. Dat is wat ik kan zien.
En ondertussen blijven die geruchten ook in stand, op deze manierAdriaan71 schreef op maandag 28 maart 2022 @ 22:15:
[...]
De meeste merken hebben problemen. Nibe, Atag Bosch nefit vaillant. Dat is wat ik kan zien.
Cv ketels ook problemen.
Gaan zelf geruchten rond dat het heel 2022 aan zou houden.
Vroeger ja vroeger kwamen er volle vrachtwagens met producten bij leveranciers.
Nu komt er af en toe wat.
Gaan ook nog geruchten rond dat er tussentijdse prijsstijgingen komen.
We gaan het mee maken.


Enfin, ik ga het wel merken als ik een keer aan de beurt ben...
Behalve dat de VRC720 er meer fancy uitziet, wat zijn de functionele verschillen?
Verwijderd
Klopt! En VRC720 heeft wat nieuwe instellings mogelijkheden gekregen voor tapwater bereiden, cascades, externe sturing etc.Zwartoog schreef op dinsdag 29 maart 2022 @ 10:38:
Als ik het goed begrijp zijn zowel de VRC700 als de VRC720 geschikt voor monoblocs?
Behalve dat de VRC720 er meer fancy uitziet, wat zijn de functionele verschillen?
Verwijderd
Ketels als het goed is dik opgelost Adriaan, als je anders ziet hoor ik dat graag van jeAdriaan71 schreef op maandag 28 maart 2022 @ 22:15:
[...]
De meeste merken hebben problemen. Nibe, Atag Bosch nefit vaillant. Dat is wat ik kan zien.
Cv ketels ook problemen.
Gaan zelf geruchten rond dat het heel 2022 aan zou houden.
Vroeger ja vroeger kwamen er volle vrachtwagens met producten bij leveranciers.
Nu komt er af en toe wat.
Gaan ook nog geruchten rond dat er tussentijdse prijsstijgingen komen.
We gaan het mee maken.
Wil het zo en zo bij een merk houden. Waar je ook goeie ondersteuning van krijgt als het nodig is.Rubbergrover1 schreef op dinsdag 29 maart 2022 @ 08:18:
[...]
Ah, ik dacht dat je met je opmerking over niet accepteren van Vaillant offertes suggereerde dat het specifiek vanwege problemen bij Vaillant ging. Maar waarschijnlijk zul je dan ook even geen offertes voor andere merken afgeven
En ook geen gezeik met garantie en dergelijke.
Dat is niet zo. Kan je zeggen dat er momenteel cv ketels gerepareerd worden met hoge kosten als er onderdelen te krijgen zijn. Terwijl die normaal meteen vernieuwd werden omdat de kosten te veel waren tegen de leeftijd van de ketel.Gramser schreef op dinsdag 29 maart 2022 @ 09:26:
[...]
En ondertussen blijven die geruchten ook in stand, op deze manierIk heb wel eens het idee dat dit een self-fulfilling prophecy is
![]()
Enfin, ik ga het wel merken als ik een keer aan de beurt ben...
Terwijl er bijna geen nieuw te vinden zijn. Normaal haalde je een nieuwe ketel op- en die plaatste je.
Is allemaal een stuk lastiger geworden.
Heb zelf 4 maanden gewacht op internetmodule van Vaillant. Was in heel europa niet te krijgen.
Ook niet rechtstreeks via Vaillant.
Beter.Verwijderd schreef op dinsdag 29 maart 2022 @ 17:08:
[...]
Ketels als het goed is dik opgelost Adriaan, als je anders ziet hoor ik dat graag van je
Akkoord en duidelijk, maar noem het dan geen geruchten. Het zijn dan gewoon feiten. Geruchten hebben de neiging groter te groeien dan de feiten zijn.Adriaan71 schreef op dinsdag 29 maart 2022 @ 17:25:
[...]
Dat is niet zo. Kan je zeggen dat er momenteel cv ketels gerepareerd worden met hoge kosten als er onderdelen te krijgen zijn. Terwijl die normaal meteen vernieuwd werden omdat de kosten te veel waren tegen de leeftijd van de ketel.
Terwijl er bijna geen nieuw te vinden zijn. Normaal haalde je een nieuwe ketel op- en die plaatste je.
Is allemaal een stuk lastiger geworden.
Heb zelf 4 maanden gewacht op internetmodule van Vaillant. Was in heel europa niet te krijgen.
Ook niet rechtstreeks via Vaillant.
Dat misschien wel.Gramser schreef op dinsdag 29 maart 2022 @ 18:41:
[...]
Akkoord en duidelijk, maar noem het dan geen geruchten. Het zijn dan gewoon feiten. Geruchten hebben de neiging groter te groeien dan de feiten zijn.
Maar ik heb nog nooit een leverancier welk merk ook horen roepen dat de spullen niet leverbaar zijn.
Nog 1 winter met alleen een cv ketel zou geen heel grote ramp zijn, behalve als het weer zo extreem koud wordt. Heb op de valreep nog een jaarcontract kunnen afsluiten dus tot maart 2023 zit ik relatief goed. Uiteraard heb ik liever eerder van het gas (bijna) af, maar goed.
Ik zal mij hier weer melden als er duidelijkheid is over levertijden.
Eerst maar het platte dak aanpakken waar de buitenunit op moet komen te staan. Dat is qua prijs ook geen leuk geintje op dit moment
Gelukkig wel van een medewerker van Bouw-en Woningtoezicht van mijn gemeente de bevestiging gehad dat ik de unit zonder bouwvergunning daar mag plaatsen. Strikt juridisch gezien heb je daar wel degelijk een vergunning voor nodig, maar ik ga uiteraard geen uitspraak van de gemeente tegenspreken in dit geval
Groot genoeg voor 2 hoofdletters
Thanks, weet ik waar ik moet zoeken!Verwijderd schreef op dinsdag 29 maart 2022 @ 17:07:
[...]
Klopt! En VRC720 heeft wat nieuwe instellings mogelijkheden gekregen voor tapwater bereiden, cascades, externe sturing etc.
Als ik de handleiding van de 700 bekijk voor SWW, dan kan ik nergens een legionella-run instellen. Hij gaat ervan uit dat er sowieso een CV-ketel naverwarmd
Klopt dat, of is de handleiding incompleet?
Het bivalente toestel kan naast een ketel ook een andere warmteopwekker zijn, zoals een electrisch element bijvoorbeeld.Zwartoog schreef op dinsdag 29 maart 2022 @ 23:19:
[...]
Thanks, weet ik waar ik moet zoeken!
Als ik de handleiding van de 700 bekijk voor SWW, dan kan ik nergens een legionella-run instellen. Hij gaat ervan uit dat er sowieso een CV-ketel naverwarmdOok in de AI Plus kan ik deze instellingen niet vinden.
Klopt dat, of is de handleiding incompleet?
3630Wp ZW 39° / 3950Wp NO 39° / 990Wp ZO 5° | Vaillant VWL75/5
Het ik-wil-een-warmtepomp FAQ topic- '23 MG5, douchen met wtw en Auer Edel Eau, verwarming met Vaillant Arotherm Plus.
Ah. Valt dat onder circulatie? En "snapt" de AI Plus regelunit dan dat hij bij deze setting dan het element moet aanspreken?BertusB404 schreef op woensdag 30 maart 2022 @ 07:56:
[...]
Het bivalente toestel kan naast een ketel ook een andere warmteopwekker zijn, zoals een electrisch element bijvoorbeeld.
:strip_exif()/f/image/UTUcN9cT8tfObINegetFzMQg.jpg?f=fotoalbum_large)
Edit: puntje is wel de temperatuurinstelling. Normaal zou ik 45 graden willen, maar voor de legionella-run is het fijn als de WP eerst naar 55 gaat alvorens het element in te zetten tot 6p graden.
@Proton_ Ja, de 720 is daar helder over
[ Voor 10% gewijzigd door Zwartoog op 30-03-2022 08:40 ]
Heb je die bevestiging op papier of via een mailtje? Anders is ie helaas waardeloos.PaT schreef op dinsdag 29 maart 2022 @ 22:27:
Gelukkig wel van een medewerker van Bouw-en Woningtoezicht van mijn gemeente de bevestiging gehad dat ik de unit zonder bouwvergunning daar mag plaatsen. Strikt juridisch gezien heb je daar wel degelijk een vergunning voor nodig, maar ik ga uiteraard geen uitspraak van de gemeente tegenspreken in dit geval

Bij ons heeft een dergelijke bevestiging via de mail een paar jaar geleden nog het ontwerp van ons huis gered.
WP: ME PUHZ-SW75YAA + ERSD-VM2D + EV-WP-TWS-1W 300; AC: ME MXZ-2F42VF + 2x MSZ-LN25VGV; PV: 14.08 kWp O/W + SMA STP 8.0; Vent: Zehnder Q600 ERV + Ubbink AirExcellent.
Misschien een domme vraag, maar wat bedoel je precies met een 'legionella run'? Om een lage temperatuur boiler goed tegen legionella te beschermen zou je die wekelijks een keer op 60 of 65 graden moeten brengen. Terwijl je er ook voor kunt kiezen om de boiler permanent op 55 graden te laten staan. Is het dan niet veel logischer om de watertemperatuur permanent iets hoger te maken, in plaats van dat je wekelijks veel energie moet steken in het extra warm maken van het boilerwater?Zwartoog schreef op woensdag 30 maart 2022 @ 08:30:
[...]
Edit: puntje is wel de temperatuurinstelling. Normaal zou ik 45 graden willen, maar voor de legionella-run is het fijn als de WP eerst naar 55 gaat alvorens het element in te zetten tot 6p graden.
Ik volg hier wat ik voornamelijk in de L/W en WPB topics leesRubbergrover1 schreef op woensdag 30 maart 2022 @ 09:01:
[...]
Misschien een domme vraag, maar wat bedoel je precies met een 'legionella run'? Om een lage temperatuur boiler goed tegen legionella te beschermen zou je die wekelijks een keer op 60 of 65 graden moeten brengen. Terwijl je er ook voor kunt kiezen om de boiler permanent op 55 graden te laten staan. Is het dan niet veel logischer om de watertemperatuur permanent iets hoger te maken, in plaats van dat je wekelijks veel energie moet steken in het extra warm maken van het boilerwater?
Nee, om een paar redenen niet:Rubbergrover1 schreef op woensdag 30 maart 2022 @ 09:01:
Is het dan niet veel logischer om de watertemperatuur permanent iets hoger te maken, in plaats van dat je wekelijks veel energie moet steken in het extra warm maken van het boilerwater?
- De temperatuur standaard op 55°C houden kost de WP veel extra energie t.o.v. een veel vriendelijker 47°C, omdat het rendement op hoge temperaturen snel afneemt. Bovendien heb je bij hogere watertemperaturen meer stilstandsverliezen.
- Die 55°C wordt gemeten ter hoogte van de sensor. Onderin is de temperatuur op dat moment nog lager. De temperatuur tijdelijk verhogen naar 60+ (liefst met behulp van een dompelement onderin je vat zorgt ervoor dat ook echt het hele vat even flink warm wordt.
WP: ME PUHZ-SW75YAA + ERSD-VM2D + EV-WP-TWS-1W 300; AC: ME MXZ-2F42VF + 2x MSZ-LN25VGV; PV: 14.08 kWp O/W + SMA STP 8.0; Vent: Zehnder Q600 ERV + Ubbink AirExcellent.
Maar ik vroeg mij dus af of dat periodiek tot 60+ graden verwarmen niet juist veel meer energie kost dan het permanent op een veel lagere temperatuur van bv 55 graden houden. Zeker als dat met een dompelelement gebeurt. Dus of die besparing van permanent lagere temperatuur niet voor een groot deel teniet wordt gedaan door die extra warme legionellaruns.Andrehj schreef op woensdag 30 maart 2022 @ 09:15:
[...]
Nee, om een paar redenen niet:
- De temperatuur standaard op 55°C houden kost de WP veel extra energie t.o.v. een veel vriendelijker 47°C, omdat het rendement op hoge temperaturen snel afneemt. Bovendien heb je bij hogere watertemperaturen meer stilstandsverliezen.
- Die 55°C wordt gemeten ter hoogte van de sensor. Onderin is de temperatuur op dat moment nog lager. De temperatuur tijdelijk verhogen naar 60+ (liefst met behulp van een dompelement onderin je vat zorgt ervoor dat ook echt het hele vat even flink warm wordt.
Of misschien beter gezegd, hoe dat energieverbruik zich verhoudt. Als dat permanent op 55 graden houden bv 5% meer energie kost dan op 47 graden met een periodieke piek, dan zou ik liever het water permanent warmer houden. Ook omdat het iets meer comfort geeft. Maar als het 50% meer energie kost, dan is dat een ander verhaal.
https://www.vaillant.nl/d...0020262557-00-1403887.pdf
Beetje rondgooglend vind ik dan deze:
https://media.s-bol.com/NYkR16g8P9WN/original.pdf
/f/image/FTJ3M4EYipnMifA9br3WVU99.png?f=fotoalbum_large)
/f/image/OudGvD35xgNe3A6cRNSuO3SF.png?f=fotoalbum_large)
Ofwel, zou geen enkel probleem moeten zijn. Maar waarom staat dat niet gewoon in de gebruikershandleiding, en moet ik in de gedrochten van het web een ander document vinden waarin wel staat hoe het moet?
De installatiehandleiding voor de 700 vind je hier:
https://www.vaillant.nl/d...0020262588-00-1403886.pdf
Pagina 18 heeft alles wat je weten wil
Waarom dit geen gebruikerssetting is, weet ik niet. Misschien is daar wel een goede reden voor
Het ik-wil-een-warmtepomp FAQ topic- '23 MG5, douchen met wtw en Auer Edel Eau, verwarming met Vaillant Arotherm Plus.
Check, nou is het duidelijkProton_ schreef op woensdag 30 maart 2022 @ 09:50:
@Zwartoog de gebruiksaanwijzing is voor de gebruiker, maar de legionellasettings zijn alleen instelbaar op installateursniveau. Het screenshot van de 720 was dan ook uit zijn installatiehandleiding.
De installatiehandleiding voor de 700 vind je hier:
https://www.vaillant.nl/d...0020262588-00-1403886.pdf
Pagina 18 heeft alles wat je weten wil
Waarom dit geen gebruikerssetting is, weet ik niet. Misschien is daar wel een goede reden voor
Even terug naar de noodzaak van een verwarmingselement: als ik het goed begrijp kan (in ieder geval) de 75/6 prima zelf 60+ graden maken bij Nederlandse temperaturen. Is het aansturen van een element dan nog nodig?
:fill(white):strip_exif()/f/image/Y7leHhrQGmCoomNePNdfHPhB.png?f=user_large)
Voor SWW zou ik het element sowieso niet geheel wegbezuinigen (al bedoel je dat denk ik niet). Voor verwarmingsbedrijf zijn er prima ad-hoc backups te bedenken, maar de eisen voor SWW zijn hoger.
Is er iemand die SWW doet met een /6 en die logging heeft (@fiberduwde misschien)?
Het ik-wil-een-warmtepomp FAQ topic- '23 MG5, douchen met wtw en Auer Edel Eau, verwarming met Vaillant Arotherm Plus.
Hi, zou je wellicht iets kunnen vertellen over je type huis (isolatie, oppervlakte) en verbruik tot op heden? En wellicht ook verwacht verbruik (stroom) en besparing in de nieuwe situatie? Ik heb ook een voorstel voor deze liggen, maar de berekeningen qua verbruik en mogelijke besparing zijn mij wat onduidelijk.PaT schreef op dinsdag 29 maart 2022 @ 22:27:
Vandaag de opdracht gegeven voor het bestellen van mijn warmtepomp installatie (aroTherm plus 75/6.
Zijn er voordelen te halen met de /6? Ik heb nu een offerte voor een /5 en vroeg me af of dit een goed idee is om die vandaag nog te installeren?
Btw zou een leuke zijn om te loggen in de topic start ;-)
[ Voor 9% gewijzigd door cwegh op 30-03-2022 13:04 ]
De /5 is een heel ander soort warmtepomp dan de /6. De /5 is bv een split warmtepomp, terwijl de /6 een monobloc is. Je kunt ze dus niet zomaar 1 op 1 voor elkaar inwisselen.cwegh schreef op woensdag 30 maart 2022 @ 13:03:
Misschien heb ik erover gelezen, maar waar zitten de verschillen tussen de /5 en de /6 buiten dat het de /6 de nieuwe versie is?
Zijn er voordelen te halen met de /6? Ik heb nu een offerte voor een /5 en vroeg me af of dit een goed idee is om die vandaag nog te installeren?
Btw zou een leuke zijn om te loggen in de topic start ;-)
OK dan heb ik dit compleet verkeerd begrepen, bedankt!Rubbergrover1 schreef op woensdag 30 maart 2022 @ 13:14:
[...]
De /5 is een heel ander soort warmtepomp dan de /6. De /5 is bv een split warmtepomp, terwijl de /6 een monobloc is. Je kunt ze dus niet zomaar 1 op 1 voor elkaar inwisselen.
Verwijderd
Klopt, boven het tapwater bivalentiepunt zal enkel de compressor opereren, indien deze om wat voor reden niet werkt wordt vooralsnog de bijstook ingeschakeld. Bij -10 haalt de warmtepomp de gevraagde temperaturen natuurlijk niet, maar als het vat 60 minuten op 60 graden blijft dan is het legionellaprogramma ook voltooit en stopt de legionella run. Na twee uur proberen stopt deze sowieso, dan wordt aangenomen dat er tapwater gebruikt wordt.Proton_ schreef op woensdag 30 maart 2022 @ 10:36:
Dat is er een voor @Verwijderd, ben ik bang. Ik lees iets over 70 graden met 5K hysterese. De spiraal moet immers warmer zijn om het water in de tank te verwarmen
Voor SWW zou ik het element sowieso niet geheel wegbezuinigen (al bedoel je dat denk ik niet). Voor verwarmingsbedrijf zijn er prima ad-hoc backups te bedenken, maar de eisen voor SWW zijn hoger.
Is er iemand die SWW doet met een /6 en die logging heeft (@fiberduwde misschien)?
Overigens, hier vind je een handige simulator van de sensoCOMFORT VRC720 https://simulator.vaillant.com/vrc720_2/de/#/setup en hier van de calorMATIC VRC700 https://simulator.vaillant.com/vrc700/gb/
Bedoel je niet 'onder het bivalentiepunt'?Verwijderd schreef op woensdag 30 maart 2022 @ 14:07:
[...]
Klopt, boven het tapwater bivalentiepunt zal enkel de compressor opereren, indien deze om wat voor reden niet werkt wordt vooralsnog de bijstook ingeschakeld.
Dus met tapwater standaard op 45 graden wordt tijdens een legionellarun eerst met de compressor 'zo heet mogelijk' gestookt (onder alle omstandigheden dus >=55 graden), pas als dat niet heet genoeg is komt de hulpverwarming bij.
Dat is inderdaad hoe je het zou willen zien (op flippy na, want die vindt dat een warmtepomp te snel slijt op hoge temperatuur)
[ Voor 6% gewijzigd door Proton_ op 30-03-2022 14:51 ]
Het ik-wil-een-warmtepomp FAQ topic- '23 MG5, douchen met wtw en Auer Edel Eau, verwarming met Vaillant Arotherm Plus.
Verwijderd
Nee, onder ingestelde bivalentiepunt zal de hulpverwarming parallel meewerken op de ingestelde temperatuur. Boven bivalentiepunt betekend enkel warmtepomp.Proton_ schreef op woensdag 30 maart 2022 @ 14:12:
[...]
Bedoel je niet 'onder het bivalentiepunt'?
Dus met tapwater standaard op 45 graden wordt tijdens een legionellarun eerst met de compressor 'zo heet mogelijk' gestookt (onder alle omstandigheden dus >=55 graden), pas als dat niet heet genoeg is komt de hulpverwarming bij.
Dat is inderdaad hoe je het zou willen zien (op flippy na, want die vindt dat een warmtepomp te snel slijt op hoge temperatuur)
Het ik-wil-een-warmtepomp FAQ topic- '23 MG5, douchen met wtw en Auer Edel Eau, verwarming met Vaillant Arotherm Plus.
Yup, op de mail. Maar ik werk zelf ook binnen het wereldje van BWT, dus mocht er alsnog gezeur van komen weet ik hoe ik het op kan lossenAndrehj schreef op woensdag 30 maart 2022 @ 08:45:
[...]
Heb je die bevestiging op papier of via een mailtje? Anders is ie helaas waardeloos.![]()
Bij ons heeft een dergelijke bevestiging via de mail een paar jaar geleden nog het ontwerp van ons huis gered.
Ik heb een 2 onder 1 kap woning van 1996 met een oppervlakte van ongeveer 180m2. De begane grond van circa 100 m2 heeft vloerverwarming. De overige verdiepingen radiatoren die eigenlijk nooit aan staan.gjv88 schreef op woensdag 30 maart 2022 @ 11:47:
[...]
Hi, zou je wellicht iets kunnen vertellen over je type huis (isolatie, oppervlakte) en verbruik tot op heden? En wellicht ook verwacht verbruik (stroom) en besparing in de nieuwe situatie? Ik heb ook een voorstel voor deze liggen, maar de berekeningen qua verbruik en mogelijke besparing zijn mij wat onduidelijk.
Ik verbruikte in 2021 1900m3 gas waarvan ongeveer 1300m3 voor verwarming was. Ik heb nu een Taanvoer van 50 graden vanuit de cv ketel.
Ik hoop die 1300m3 gas te kunnen vervangen met ongeveer 3000 kWh electra, wellicht zelfs nog wat minder door richting een Taanvoer van 35 graden te gaan om zo een zo gunstig mogelijke COP te behalen.
SWW zal nog via de gasketel gaan. Tzt als de ketel slechter wordt zal daar een boilervat voor komen.
[ Voor 53% gewijzigd door PaT op 30-03-2022 19:03 ]
Groot genoeg voor 2 hoofdletters
Dan zal er nu een mengverdeler voor de VVW zijn. Daarvan zal de thermostaat vast niet op 50 graden staan.PaT schreef op woensdag 30 maart 2022 @ 18:58:
Ik heb een 2 onder 1 kap woning van 1996 met een oppervlakte van ongeveer 180m2. De begane grond van circa 100 m2 heeft vloerverwarming. De overige verdiepingen radiatoren die eigenlijk nooit aan staan.
Ik verbruikte in 2021 1900m3 gas waarvan ongeveer 1300m3 voor verwarming was. Ik heb nu een Taanvoer van 50 graden vanuit de cv ketel.
Ik hoop die 1300m3 gas te kunnen vervangen met ongeveer 3000 kWh electra, wellicht zelfs nog wat minder door richting een Taanvoer van 35 graden te gaan om zo een zo gunstig mogelijke COP te behalen.
Die mengverdeler dus vervangen door een gesloten verdeler. Dan kan je temperatuur waarschijnlijk wel naar iets van 30 graden of nog lager. Dat gaat enorm in het elektriciteitsverbruik schelen.
WP: ME PUHZ-SW75YAA + ERSD-VM2D + EV-WP-TWS-1W 300; AC: ME MXZ-2F42VF + 2x MSZ-LN25VGV; PV: 14.08 kWp O/W + SMA STP 8.0; Vent: Zehnder Q600 ERV + Ubbink AirExcellent.
Die mengverdeler staat nu op max 40 graden ivm de lijmlaag van mijn pvc vloer. Dat ding is sowieso nog een punt van discussie met de installateur. Hij heeft aangegeven dat die verdeler nu alleen bijmengt vanaf de retour indien nodig. Dat leg ik uit dat als ik een Taan van bijvoorbeeld 50 graden hebt, er retourwater wordt bijgemengd tot 40 graden. Ik geloof daar alleen weinig van. Heb ooit wel eens geëxperimenteerd met een aanvoertemperatuur van 40 graden en dan bleef de vloer toch echt te koud.Andrehj schreef op woensdag 30 maart 2022 @ 19:11:
[...]
Dan zal er nu een mengverdeler voor de VVW zijn. Daarvan zal de thermostaat vast niet op 50 graden staan.
Die mengverdeler dus vervangen door een gesloten verdeler. Dan kan je temperatuur waarschijnlijk wel naar iets van 30 graden of nog lager. Dat gaat enorm in het elektriciteitsverbruik schelen.
Is zo'n verdeler daadwerkelijk zo 'slim'?
Ik lijk hier niet helemaal op dezelfde golflengte te komen met deze installateur. Ook vanwege het feit dat die verdeler een pomp heeft en er met de warmtepomp ook nog eens een pompgroep bij komt.
Het klinkt mij enorm onlogisch in de oren, bijmengen met retour en een pomp achter een pomp, maar hij (en Vaillant) beweren bij hoog en bij laag dat het zo ook goed zal gaan.
Groot genoeg voor 2 hoofdletters
Ok, dus als ik het goed begrijp, stel ik alleen de gewenste legionella-run-temperatuur in, en dan regelt dat ding zichzelf? Dus eerst max uit de WP, dan verder met element indien nodig?Verwijderd schreef op woensdag 30 maart 2022 @ 14:07:
[...]
Klopt, boven het tapwater bivalentiepunt zal enkel de compressor opereren, indien deze om wat voor reden niet werkt wordt vooralsnog de bijstook ingeschakeld. Bij -10 haalt de warmtepomp de gevraagde temperaturen natuurlijk niet, maar als het vat 60 minuten op 60 graden blijft dan is het legionellaprogramma ook voltooit en stopt de legionella run. Na twee uur proberen stopt deze sowieso, dan wordt aangenomen dat er tapwater gebruikt wordt.
Overigens, hier vind je een handige simulator van de sensoCOMFORT VRC720 https://simulator.vaillant.com/vrc720_2/de/#/setup en hier van de calorMATIC VRC700 https://simulator.vaillant.com/vrc700/gb/
Dat zou dan weer makkelijk zijn
Houdt dan ook in dat het element nauwelijks gebruikt zal worden.
Neeeee, niet meer pompen! Je moet al die pompen weg laten. Die kosten je alleen maar geld, in aanschaf en rendement.PaT schreef op woensdag 30 maart 2022 @ 23:09:
Ik lijk hier niet helemaal op dezelfde golflengte te komen met deze installateur. Ook vanwege het feit dat die verdeler een pomp heeft en er met de warmtepomp ook nog eens een pompgroep bij komt.
Het klinkt mij enorm onlogisch in de oren, bijmengen met retour en een pomp achter een pomp, maar hij (en Vaillant) beweren bij hoog en bij laag dat het zo ook goed zal gaan.
Gewoon de pomp van je WP direct in je VVW laten pompen! Dat is het simpelst, werkt het best en scheelt je een kapitaal aan stroom.
WP: ME PUHZ-SW75YAA + ERSD-VM2D + EV-WP-TWS-1W 300; AC: ME MXZ-2F42VF + 2x MSZ-LN25VGV; PV: 14.08 kWp O/W + SMA STP 8.0; Vent: Zehnder Q600 ERV + Ubbink AirExcellent.
Tsja, maar hoe maak ik dat als leek goed duidelijk. Ik zal vandaag of morgen eens de offerte qua onderdelen hier delen. Benieuwd wat jullie daar van zeggen.Andrehj schreef op donderdag 31 maart 2022 @ 08:11:
[...]
Neeeee, niet meer pompen! Je moet al die pompen weg laten. Die kosten je alleen maar geld, in aanschaf en rendement.
Gewoon de pomp van je WP direct in je VVW laten pompen! Dat is het simpelst, werkt het best en scheelt je een kapitaal aan stroom.
Groot genoeg voor 2 hoofdletters
Dat de (voormalig CV?) installateur dat beweert geloof ik best, maar dat ook Vaillant de mengverdeler met pomp wil handhaven lijkt me sterk (tenzij ze aannemen dat het een hybride situatie wordt). Heb je het Vaillant advies "op papier" gezien?PaT schreef op woensdag 30 maart 2022 @ 23:09:
[...]
Het klinkt mij enorm onlogisch in de oren, bijmengen met retour en een pomp achter een pomp, maar hij (en Vaillant) beweren bij hoog en bij laag dat het zo ook goed zal gaan.
Misschien moet je hem verwijzen naar de site warmtepomp-weetjes.nl en vragen waar het voorbeeld is met een open verdeler met pomp voor een situatie met alleen een WPPaT schreef op donderdag 31 maart 2022 @ 08:27:
[...]
Tsja, maar hoe maak ik dat als leek goed duidelijk. Ik zal vandaag of morgen eens de offerte qua onderdelen hier delen. Benieuwd wat jullie daar van zeggen.
Super, dankjewel! Ik heb een redelijk vergelijkbare situatie: 2-1 kap, 1999, 160m2, waarvan 80 beneden met vv. Ik zat vorig jaar op 1700m2 gas in totaal, kook al elektrisch. Ik wil alleen de cv direct vervangen, omdat die af is. Daarom biedt mijn installateur een unitower aan, wat mij voldoende lijkt en een back-up bevat bij echt koud weer.Ik heb een 2 onder 1 kap woning van 1996 met een oppervlakte van ongeveer 180m2. De begane grond van circa 100 m2 heeft vloerverwarming. De overige verdiepingen radiatoren die eigenlijk nooit aan staan.
Ik verbruikte in 2021 1900m3 gas waarvan ongeveer 1300m3 voor verwarming was. Ik heb nu een Taanvoer van 50 graden vanuit de cv ketel.
Als ik jouw rekensom goed zie ga je uit van een COP van ongeveer 4? Kun je hier ook mee rekenen voor SWW (ca 400m3)? Dan zou ik obv 1700m2 uitkomen op grofweg 4000kW, gunstiger dan waar mijn installateur vanuit gaat (5200).
Wat zijn de ervaringen of alternatieven met ruimteregeling? We hebben beneden vloerverwarming, en daarom is het voor in elk geval de werkkamer boven prettig om ruimteregeling te hebben (momenteel heb ik het in alle ruimte).
Hoi, excuses dat ik me er zo als nieuweling hier tussen mengPaT schreef op woensdag 30 maart 2022 @ 23:09:
[...]
Die mengverdeler staat nu op max 40 graden ivm de lijmlaag van mijn pvc vloer. Dat ding is sowieso nog een punt van discussie met de installateur. Hij heeft aangegeven dat die verdeler nu alleen bijmengt vanaf de retour indien nodig. Dat leg ik uit dat als ik een Taan van bijvoorbeeld 50 graden hebt, er retourwater wordt bijgemengd tot 40 graden. Ik geloof daar alleen weinig van. Heb ooit wel eens geëxperimenteerd met een aanvoertemperatuur van 40 graden en dan bleef de vloer toch echt te koud.
Is zo'n verdeler daadwerkelijk zo 'slim'?
Ik lijk hier niet helemaal op dezelfde golflengte te komen met deze installateur. Ook vanwege het feit dat die verdeler een pomp heeft en er met de warmtepomp ook nog eens een pompgroep bij komt.
Het klinkt mij enorm onlogisch in de oren, bijmengen met retour en een pomp achter een pomp, maar hij (en Vaillant) beweren bij hoog en bij laag dat het zo ook goed zal gaan.
Wanneer je all electric wilt verwarmen met vloerverwarming is het inderdaad altijd het beste ongemengd te verwarmen naar je verdeler en radiatoren. Echter heb je 2 temperatuur zones. Wanneer je echt nooit de radiatoren zou gebruiken ( dus ook niet bij -10) dan zou je inderdaad deze buiten beschouwing kunnen laten en ongemengd kunnen verwarmen op laag temperatuur.
Maar ben je bij -10 wel verwarming d.m.v. je radiatoren nodig zijn, dan zouden deze dusdanig groot moeten zijn om je verlies bij -10 te kunnen opvangen. Let wel , als je maar max 35 maakt bij -10 dan geven de normale radiatoren echt maar heel weinig vermogen.(zoek maar eens op specificaties van henrad of brugman)
In deze situatie zou je dus je mengverdeler kunnen laten zitten en de aanvoer bij -10 op 50 graden kunnen zetten. Dat hangt dan dus wel af van hoeveel capaciteit je bij -10 nodig bent en hoeveel de radiatoren geven bij 50 graden.
Wat betreft het verbruik op 50 graden ligt volgens mijn berekeningen wel fors hoger dan bij 35 graden.
Met 50 graden haal je namelijk een veel lagere SPF dan met 35 graden aanvoer.
Zover ik kan berekenen zou je een SPF van 2.9 halen bij de gemiddelde buitenklimaat.
Ik weet niet wat je energie prijzen zijn en wat je voor een dergelijk systeem moet aftikken bij jou installateur maar ik denk met een aanvoer van 50 graden de eventuele terug verdientijd behoorlijk lang gaat zijn.
Ik zou dit om deze reden niet adviseren.
Alleen wanneer je door zonnepanelen het extra verbruik voor verwarmen zou neutraliseren dan wordt het naar mijn inzien interessant.
Volgens mij zou je met een dergelijk systeem op 50 graden al snel een 4200 Kwh gaan verbruiken.
- Ik twijfel tussen een Vaillant AroTherm Split VWL AS 105/5 S2 of een AroTherm Split VWL AS 75/5 S2. Op basis van een gesprek met een installateur, adviseert die de 75. Het is een prijsverschil van 615 EUR dus daarvoor moet ik het niet laten. Een zwaarder systeem zal potentieel ook beter koelen?
- Ik heb nu een VRC700/2 met buitenvoeler. Recentelijk ook de VR920 internet gateway aangesloten. Haal ik voordeel om te upgraden naar een VRC700/5 of een VRC720? Ik wil wel meer gaan uitlezen en een Grafana dashboard van maken om strakker op te volgen naar verbruik.
Daarnaast heb ik nog PV panelen van 5,7 kWp en omvormer van 5KVA. Opbrengst is +/- 6000 kwh.
Gasverbruik is 1100m3. Zonneboiler werkt blijkbaar al 2,5 jaar niet (heb ik pas recentelijk gezien, zonnepomp is stuk). Daarnaast krijg ik geen zonneopbrengst via de eBUS connectie op de VRC700/2 wat mij ook apart lijkt. Misschien een beperking van de thermostaat.
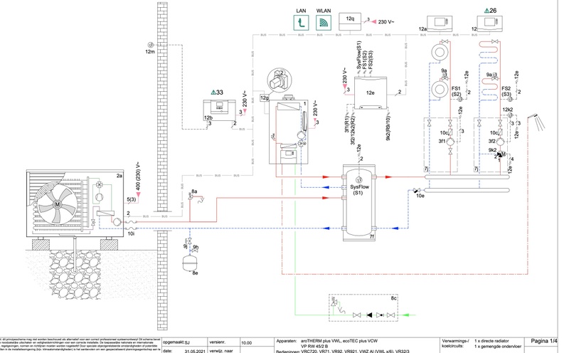
Wat betreft de Vaillant installatie zie het schema onderaan samen met de lijst. Kort: ecoTEC plus VC BE 306/5-5 R4 + auroSTEP plus VIH S2 250/4 B (met 3 panelen, bruto 7,05m2)
De thermostaat zit gewoon in de CV-ketel gemonteerd. Daarnaast gebruik ik Niko Home Control thermostaten in 5 ruimtes (gelijkvloers, badkamer, slaapkamer, kinderkamer, bureau) die zoneventielen aansturen voor een warmtevraag. Die zetten de stroming op gang en gaat de ketel bij verwarmen indien nodig.
Ik werk niet met programma's op de thermostaat, gewoon 1 temperatuur 24/7 (maar wel gestuurd via de buitenvoeler) op 22 graden. Warm water op 55 graden. Circulatiepomp in de ketel staat permanent op aan. Zie tekening voor meer detail, er is nog een extra pomp en evenwichtsfles in het systeem.
Ook omdat dit systeem zeer traag opwarmt blijven de instellingen zeer statisch. In feite staat de verwarming in de kamers op de verdieping nooit op (enkel badkamer)
Gasketel: Vaillant ecoTEC plus VC BE 306/5-5 R4
Zonneboiler (leegloop): Vaillant auroSTEP plus VIH S2 250/4 B
Zonne-energie module (drukloos): VMS 8 D
Thermische zonnepanelen: Vaillant VFK 135 VD
Thermostaat in ketel: Vaillant VRC 700/2
Thermostaat op buizen: Vaillant VRC 9642
Internet gateway: Vaillant VRC 921
/f/image/9dmtjdvlCDIWf15sQQrL6DQM.png?f=fotoalbum_large)
De evenwichtsfles snap ik ook niet (terugkerend thema
[ Voor 21% gewijzigd door Proton_ op 31-03-2022 22:09 ]
Het ik-wil-een-warmtepomp FAQ topic- '23 MG5, douchen met wtw en Auer Edel Eau, verwarming met Vaillant Arotherm Plus.
Ik ben hier toevallig op dit topic terecht gekomen tijdens mijn zoektocht om mijn warmtepomp installatie uit te breiden en moet zeggen dat ik het zeker heel interressant vond en verschillende dingen heb opgestoken.
Ikzelf heb een nieuwbouw sinds 2019, mijn warmtepomp heb ik laten uit rekenen door Sack en ben daar op zich wel heel content mee. Maar een optie die zij toen aanboden heb ik niet genomen, maar zou dit nu wel willen toepassen. Ik heb al aan Sack informatie gevraagd, wat en hoe ik moet aansluiten, de offerte heb ik gekregen, maar niet hoe ik dit moet aansluiten. Door dan wat te zoeken op internet heb ik alles kunnen bestellen voor de helft van de prijs. Dus blijf ik nog enkel met de vraag zitten waar moet ik dit plaatsen?
Nu even een schets:
warmtepomp: arotherm VWL 85/2 (vaillant)
aansturing: VWZ AI
regelaar: VCR700
boiler: unistor 300
hydraulische module: VWZ MPS 40
extra aan te sluiten:
bijverwarming: MEH60
Zelf heb ik nooit een schema op papier gekregen, ze zijn tijdens de bouw alles komen uit tekenen/uit leggen op de vloer.
:no_upscale():strip_icc():fill(white):strip_exif()/f/image/DiCkL60auodfyFrImDCB10Z5.jpg?f=user_large)
:no_upscale():strip_icc():fill(white):strip_exif()/f/image/7sNwVRSV3DXW1ci3VSkdrgk0.jpg?f=user_large)
Voor de vloerverwarming zou ik deze bijverwarming voorlopig niet gebruiken, daar ik het met stookcurve 0,1, warm genoeg krijg, temperatuur vraag is 20°C en in de woning is het altijd 21°C. Snap ook niet volledig waarom hij altijd en graad extra verwarmd. Als ik het op 21°C zet, wordt het minimum 22°C.
De warmtepomp wordt via Ebus uitgelezen en aangestuurd met OpenHab (gelinkt aan digitale meter).
Zo warm ik het warm water enkel op tot 57°C (max temp die kan gehaald worden) als de zon genoeg schijnt (injectie op het net/zonnepannelen). En anders warm ik maar max tot 40°C.
/f/image/ke8ggqRsDHt5CimdYmYs1p97.png?f=fotoalbum_large)
Nu zou ik met de extra bijverwarming, het warm water iets hoger van temperatuur willen krijgen, zodat ik een dag langer kan overbruggen als er geen zon is. (Nog te testen natuurlijk, ook afhankelijk hoeveel warm water je op een dag verbruikt).
Vanochtend is die ineens geleverd.Franciesco schreef op dinsdag 22 maart 2022 @ 22:00:
[...]
Ok, bijzonder dat de jouwe dan nog niet beschikbaar is. Nog eens achteraan gaan (mocht je dat recentelijk nog niet gedaan hebben)?
Nu weer wachten op mooi weer en maar eens aansluiten.
Het wordt een hybride opstelling. Ik dacht dat ik dat wel gemeld had. Advies van Vaillant heb ik 1-op-1 doorgestuurd gekregen.Batilan schreef op donderdag 31 maart 2022 @ 10:25:
[...]
Dat de (voormalig CV?) installateur dat beweert geloof ik best, maar dat ook Vaillant de mengverdeler met pomp wil handhaven lijkt me sterk (tenzij ze aannemen dat het een hybride situatie wordt). Heb je het Vaillant advies "op papier" gezien?
De radiatoren op de slaapverdieping en zolder staan eigenlijk nooit bewust aan muv die op 1 kamer. Maar die is makkelijk te vervangen door een electrisch kacheltje voor die paar dagen dat het echt nodig zou zijn.
Ik wil ze tzt wel vervangen door LTV varianten, maar die dingen zijn best prijzig.
[ Voor 23% gewijzigd door PaT op 01-04-2022 12:39 ]
Groot genoeg voor 2 hoofdletters
Igv Compensatie, dat zie ik bij mij ook dan
pieter_b schreef op vrijdag 1 april 2022 @ 07:56:
Beste,
Ik ben hier toevallig op dit topic terecht gekomen tijdens mijn zoektocht om mijn warmtepomp installatie uit te breiden en moet zeggen dat ik het zeker heel interressant vond en verschillende dingen heb opgestoken.
Ikzelf heb een nieuwbouw sinds 2019, mijn warmtepomp heb ik laten uit rekenen door Sack en ben daar op zich wel heel content mee. Maar een optie die zij toen aanboden heb ik niet genomen, maar zou dit nu wel willen toepassen. Ik heb al aan Sack informatie gevraagd, wat en hoe ik moet aansluiten, de offerte heb ik gekregen, maar niet hoe ik dit moet aansluiten. Door dan wat te zoeken op internet heb ik alles kunnen bestellen voor de helft van de prijs. Dus blijf ik nog enkel met de vraag zitten waar moet ik dit plaatsen?
Nu even een schets:
warmtepomp: arotherm VWL 85/2 (vaillant)
aansturing: VWZ AI
regelaar: VCR700
boiler: unistor 300
hydraulische module: VWZ MPS 40
extra aan te sluiten:
bijverwarming: MEH60
Zelf heb ik nooit een schema op papier gekregen, ze zijn tijdens de bouw alles komen uit tekenen/uit leggen op de vloer.
[Afbeelding]
[Afbeelding]
Voor de vloerverwarming zou ik deze bijverwarming voorlopig niet gebruiken, daar ik het met stookcurve 0,1, warm genoeg krijg, temperatuur vraag is 20°C en in de woning is het altijd 21°C. Snap ook niet volledig waarom hij altijd en graad extra verwarmd. Als ik het op 21°C zet, wordt het minimum 22°C.
De warmtepomp wordt via Ebus uitgelezen en aangestuurd met OpenHab (gelinkt aan digitale meter).
Zo warm ik het warm water enkel op tot 57°C (max temp die kan gehaald worden) als de zon genoeg schijnt (injectie op het net/zonnepannelen). En anders warm ik maar max tot 40°C.
[Afbeelding]
Nu zou ik met de extra bijverwarming, het warm water iets hoger van temperatuur willen krijgen, zodat ik een dag langer kan overbruggen als er geen zon is. (Nog te testen natuurlijk, ook afhankelijk hoeveel warm water je op een dag verbruikt).
Ik heb interesse In de Arotherm plus 75/6 met een nieuwe Ecotec plus. In de planning staan ook ca 11 PV panelen. Het is een woning uit 1930 voorzien van radiatoren (145 m2). Het verbruik is ca 1400 m3 p/j (incl sww). Het huis is redelijk geïsoleerd. 3 persoons huishouden. Met de ketel op 50 gr lijkt het goed te werken, al ben ik daarmee pas begonnen toen het al iets warmer werd. Voorheen stond 'ie op 60 gr. Hybride lijkt me noodzakelijk aangezien de woning maar 5 m2 vloerverwarming heeft en verder conventionele radiatoren (met een paar fancoils).
Nu heb ik dus een paar vragen? In willekeurige volgorde:
Enfin, een soort van simpele vraag:
Ik weet niet of dit in "Jip en Janneke taal" is uit te leggen, maar welke (na)regelingen zijn er? En welke heeft de voorkeur?
Ik heb een aantal jaar geleden het hele huis van Evohome voorzien. Zou best jammer zijn als ik daar weer vanaf moet...
Is het zinvol om een hybride wp met boiler te kiezen? Of zonder boiler, dus sww dmv de Ecotec plus?
Het lijkt me dat het met het afgegeven vermogen van de PV panelen het aantrekkelijker is om overdag de boiler mee op te warmen (wanneer dan wel de zon schijnt). Is dat in te stellen? Ofwel; Heeft de WP een PV aansluiting die registreert dat er vermogen beschikbaar is? (De bedoeling is met Ephaze micro omvormers te werken)
Als ik zou kiezen voor een hybride wp met boiler, dan kan de gasketel toch relatief klein zijn? Een CW3 ipv een CW5 ofzo? Het CV vermogen is al snel toereikend lijkt me. Zeker icm het voorverwarmde water van de WP.
Wat mij betreft mag de installatie zo eenvoudig mogelijk zijn. Als ik de diverse voorgestelde schema's van Vaillant bekijk (alleen via de website, verder nog geen contact met ze gehad...) valt me op bij sommige schema's dat het hydraulisch station wordt vervangen door een Ecotec plus. Mis ik dan iets? of kan ik dat dan zo zonder problemen uitvoeren?
Ik heb dus vv en radiatoren. De vloerverwarming heeft z'n eigen pomp en verdeler. De radiatoren niet.
Nu zie ik in veel schema's van Vaillant dat elke zone (heet dat zo?) z'n eigen pomp heeft. Dat zou in mijn geval dus radiator en vv zijn. Heb ik dan ook een pompgroep voor de radiatoren nodig? Is dat om de flow beter te kunnen sturen?
Zoals gezegd is mijn woning een twee-onder-een-kapper uit 1996 met op de begane grond circa 100m2 voorzien van vloerverwarming met een h-o-h maat van 10 cm (volgens mij is de uitwendige diameter iets van 16mm).De vloerverwarmingsverdeler is een een recht-toe-recht-aan verdeler met een Robot pomp die de flow automatisch aanpast.
De overige 80m2 bevindt zich op de eerste etage en zolder en wordt verwarmd met klassieke radiatoren die echt praktisch nooit aan staan. De badkamer heeft daarnaast "als luxe" electrische vloerverwarming die enkel in de echte wintermaanden maximaal 1 uurtje aan staat per dag.
Verder is de woning voorzien van zonnepanelen (4900 wp, die ongeveer 4500kWh opwekken op jaarbasis)
Het idee is om een hybride opstelling te maken omdat ik puur voor mijn gevoel graag een "back-up" wil hebben in de vorm van de cv-ketel (werkt altijd). Afgaande op jullie verhalen misschien een ongegrond gevoel, maar onze cv ketel is net 3 jaar oud (Vaillant ecotec plus). Die vervang ik dus t.z.t. wel voor een boilervat ofzo.
Vaillant is zelf bij mij langs geweest om e.e.a. op te nemen samen met de installateur. Dat gaf een heel fijn gevoel. Samen zijn ze op de volgende opstelling/materiaallijst gekomen:
Is dit een logische opstelling in combinatie met hetgeen ik hierboven opgeschreven heb? Ik weet dat het buffervat kleiner had gekund en wellicht helemaal achterwege had kunnen blijven. Ik ben er alleen niet helemaal achter waarom dat beter zou zijn.
Alvast bedankt voor jullie reacties.
Groot genoeg voor 2 hoofdletters
Op de website warmtepomp-weetjes.nl kwam ik dit schema tegen (samen met nog twee schema's die net even anders zijn):MaartenP68 schreef op zaterdag 2 april 2022 @ 12:17:
@PaT Dat is min of meer ook de opstelling die ik in gedachte heb! Behalve koelen dan... Als ik wat zekerder van m'n zaak ben wil ik zoiets ook eens voorleggen bij Vaillant.

Dat is toch wel wat anders dan het volgens mij bij mij wordt hoewel ik wel de bewuste driewegklep er tussen zie staan.
https://warmtepomp-weetjes.nl/soorten/hybride-warmtepomp/
[ Voor 8% gewijzigd door PaT op 02-04-2022 12:35 ]
Groot genoeg voor 2 hoofdletters
@PaT het buffervat/mengvat wil je niet omdat het mengen altijd voor een lagere temperatuur bij de uitgang zorgt (=kost wat COP), er opeens een extra pompgroep nodig is (kost elektra) en vooral omdat het zonder ook prima werkt (€).
Het voorstel wat je gekregen hebt gaat prima werken en is superflexibel, maar niet geoptimaliseerd voor opbrengst of kosten.
Voorstel: maak een zoneregeling
Voor just in case zet je een afsluiter in de huidige aanvoer vloerverwarming en de nieuwe aanvoer van de warmtepomp.
Dan kan je ook met wat simpele handelingen terug naar de huidige situatie.
Vervolgens ga je na een jaar kijken en zie je dat de warmtepomp capaciteit over heeft en is het douchewater zo wel erg duur
Het ik-wil-een-warmtepomp FAQ topic- '23 MG5, douchen met wtw en Auer Edel Eau, verwarming met Vaillant Arotherm Plus.
Heb je enig idee over hoeveel extra stroomverbruik je het dan ongeveer hebt op jaarbasis?
Groot genoeg voor 2 hoofdletters
Qua verschil moet je denken aan 0,5-1 graad wat ca 1-2% rendement kost.
De extra circulatiepomp zal iets van 10 watt kosten, met de natte vinger iets van 30 kWh per jaar.
Kleine dingen, maar het is vooral het feit dat het erg discutabel is of je er iets voor terugkrijgt waarom ik ze zelf weggelaten heb.
Installateurs zeggen dat het fijn is als debieten onafhankelijk kunnen regelen, maar bij een simpele eengezinswoning gaat dat argument niet op - het is helemaal geen toeval dat vloerverwarming hetzelfde debiet en dT wil als de warmtepomp: het vermogen dat de een opwekt zal volledig worden afgegeven door de ander.
Als je een groot vrijstaand huis met serre, zwembad en verwarmde oprit hebt kan ik me voorstellen dat de complexiteit waarde toevoegt.
En dat installateurs/fabrikanten flexibiliteit hoger waarderen dan degene die de rekening betaalt, geloof ik ook
Het ik-wil-een-warmtepomp FAQ topic- '23 MG5, douchen met wtw en Auer Edel Eau, verwarming met Vaillant Arotherm Plus.
Toch kan je je zeggen met mijn extra pomp dat ik zeker kan spelen met de runs van mijn warmtepomp. Ongeacht de buitentemperaturen.Proton_ schreef op zaterdag 2 april 2022 @ 15:12:
@PaT het vat is er -als het goed is- op gebouwd om zo min mogelijk te mengen, maar het is niet helemaal te voorkomen.
Qua verschil moet je denken aan 0,5-1 graad wat ca 1-2% rendement kost.
De extra circulatiepomp zal iets van 10 watt kosten, met de natte vinger iets van 30 kWh per jaar.
Kleine dingen, maar het is vooral het feit dat het erg discutabel is of je er iets voor terugkrijgt waarom ik ze zelf weggelaten heb.
Installateurs zeggen dat het fijn is als debieten onafhankelijk kunnen regelen, maar bij een simpele eengezinswoning gaat dat argument niet op - het is helemaal geen toeval dat vloerverwarming hetzelfde debiet en dT wil als de warmtepomp: het vermogen dat de een opwekt zal volledig worden afgegeven door de ander.
Als je een groot vrijstaand huis met serre, zwembad en verwarmde oprit hebt kan ik me voorstellen dat de complexiteit waarde toevoegt.
En dat installateurs/fabrikanten flexibiliteit hoger waarderen dan degene die de rekening betaalt, geloof ik ookdus het is geen dom plan maar m.i. onnodig complex.
Dus zelf vind ik het zeker een toegevoegde waarde een extra pomp met buffer hydraulische gescheiden.
Jij hebt ook even hybride gedraaid toch?
Het ik-wil-een-warmtepomp FAQ topic- '23 MG5, douchen met wtw en Auer Edel Eau, verwarming met Vaillant Arotherm Plus.
Beste Pat,PaT schreef op zaterdag 2 april 2022 @ 12:07:
@Batilan @Verwijderd @Adriaan71 Dit is de offerte die ik gekregen heb.
Zoals gezegd is mijn woning een twee-onder-een-kapper uit 1996 met op de begane grond circa 100m2 voorzien van vloerverwarming met een h-o-h maat van 10 cm (volgens mij is de uitwendige diameter iets van 16mm).De vloerverwarmingsverdeler is een een recht-toe-recht-aan verdeler met een Robot pomp die de flow automatisch aanpast.
De overige 80m2 bevindt zich op de eerste etage en zolder en wordt verwarmd met klassieke radiatoren die echt praktisch nooit aan staan. De badkamer heeft daarnaast "als luxe" electrische vloerverwarming die enkel in de echte wintermaanden maximaal 1 uurtje aan staat per dag.
Verder is de woning voorzien van zonnepanelen (4900 wp, die ongeveer 4500kWh opwekken op jaarbasis)
Het idee is om een hybride opstelling te maken omdat ik puur voor mijn gevoel graag een "back-up" wil hebben in de vorm van de cv-ketel (werkt altijd). Afgaande op jullie verhalen misschien een ongegrond gevoel, maar onze cv ketel is net 3 jaar oud (Vaillant ecotec plus). Die vervang ik dus t.z.t. wel voor een boilervat ofzo.
Vaillant is zelf bij mij langs geweest om e.e.a. op te nemen samen met de installateur. Dat gaf een heel fijn gevoel. Samen zijn ze op de volgende opstelling/materiaallijst gekomen:
***members only***
Is dit een logische opstelling in combinatie met hetgeen ik hierboven opgeschreven heb? Ik weet dat het buffervat kleiner had gekund en wellicht helemaal achterwege had kunnen blijven. Ik ben er alleen niet helemaal achter waarom dat beter zou zijn.
Alvast bedankt voor jullie reacties.
De voorgestelde installatie heb ik zelf ook 2 jaar geleden gemaakt met en split om ook te kijken of het mijn huis warm hield.
Had mijn instelling bij mijn hybride manager toen ingesteld op triVAI en zijn gasprijs heel hoog gezet zodat hij met verwarmen nooit gas zou pakken. En dat ging perfect.
Allen warmwater van de vc ketel.
Nu full electric .
Weet wel zeker dat jij met je warmtepomp ook wel je huis warm kan houden. Maar kan begrijpen dat je het eerst wil testen .
Zelf ook zo gedaan.
Ik zou alleen niet de AI nemen als je straks toch over wil op full electric en meteen de VWZ MEH 97/6 MB3 nemen. Heb je ook nog backup verwarming mocht het onverhoopt nodig zijn als je full electric gaat draaien in de tekomst.
Heb je gelijk je 3weg klep, overstort en back up element. En je hoeft alleen maar 2 leidingen naar je boiler te trekken en een de voeler aan te sluiten en klaar voor warm water.
Zelf ben ik ook een voorstander om hydraulische te scheiden en een extra pompgroep voor het fine tune van je installatie naar je afgifte systeem.
Je kan tenslotte traploos je pomp instellen.
Maar er zijn er ook veel die het zonde vinden van het geld en het stroom verbruik wat te verwaarlozen is. Zo'n pomp draait hooguit op 10 a 15 watt.
Vergeet ook niet je lucht en vuilfilter niet in je installatie.
Met deze configuratie zal je veel plezier gaan beleven en zal goed in te regelen zijn.
Zorg wel dat je hem goed in regelt.
Laat ook je cv ketel waterzijde goed inregelen.
Dat is niet zo maar even gedaan en neemt wel wat tijd in beslag.
Cv deellast op 8 tot 10kw en cv temperatuur niet hoger dan max 40 graden, naloop tijd pomp naar 5 minuten van cv ketel.
Systeem gaat toch WAR draaien dus die 40 graden gaat nooit gebeuren.
Jep heb 1,5 jaar hybride gedraaid en nu full electric.Proton_ schreef op zaterdag 2 april 2022 @ 16:47:
@Adriaan71 kan je meer vertellen over hoe je die flexibiliteit gebruikt?
Jij hebt ook even hybride gedraaid toch?
Wat ik merkte merkte met mijn hydrauliscyhe scheiding is het volgende.
Mijn warmtepomp laad mijn buffer van 100 liter met precies 1020 liter per uur en staat op zijn laagste stand de pomp van mijn binnenunit. Ik heb een split trouwens.
Als ik dan met mijn pompgroep ga spelen bv flow lager zetten wordt mijn buffer dus snellen op temperatuur en er wordt minder warmte aan onttrokken dan gaat mijn warmtepomp dus uit.
Ga ik mijn flow traploos opvoeren kan je op een balans komen dat je je warmtepomp gewoon runs kan laten maken van 10 a 15 uur of langer of tot een defrost. Uiteraard moet je ook je warmte kwijt kunnen aan je afgifte systeem.
Maar dat is hier geen probleem.
Of mijn kamerthermostaat zet het systeem uit omdat ik hem ingeschakeld heb op uitgebreid en WAR
Deze runs maak ik nu dus gewoon ongeacht wat voor temperatuur het buiten is.
Hier bv laatste 24 uur. Zo draait het bij mij altijd.
Ga ik nu mijn pompsnelheid wat terug draaien zal je zien dat de runs korter worden omdat ik dan minder warmte uit mijn buffer trek.
Dus zodoende ben ik dus een voorstander van hydraulische scheiding met extra pompgroep omdat het beter fine te tunen is.
Ga je bv ook met meer zone regeling werken kan je ook geen problemen krijgen met je minimalen flow als er een aantal dicht zitten.
/f/image/p4gFoja23PGI5AloXk267A2l.png?f=fotoalbum_large)
GA de komende tijd weer zo'n installatie maken met een AroTHERM plus 7kw met 160m2 vv en een boiler MR400 van Vaillant en systeem ook hydraulische gescheiden.
Zal wat foto's plaatsen .
En van da zomer ga ik een Water water installatie maken met de FlexTHERM exclusief 10kw met 220m2 vv en een 300 liter boiler. Systeem ook hydraulische gescheiden.
[ Voor 8% gewijzigd door Adriaan71 op 02-04-2022 17:27 ]
[ Voor 99% gewijzigd door corsat op 04-04-2022 07:03 ]
Ecodan 7,5kW Nibe F130 ventilatie warmtepomp, 300l RVS SWW, 8400wp zonnepanelen, LL airco/verwarming, 2 MARSTEK VENUS E firmware v153 BMS 215 combination CT003 v117 app v1.6.47
Oei, begin nu te twijfelen of dit de goede is voor een 75/6.Verwijderd schreef op zondag 13 maart 2022 @ 19:00:
[...]
Ai daar was ik al bang voor, het moet echt de VWZ AI /6 zijn, bedoeld voor de plus warmtepompen (artikel 0010031645). Heeft te maken met meer/andere communicatie parameters t.o.v. oudere warmtepompen, vrees dat je die zult moeten omruilen bij jouw leverancier.

:strip_exif()/f/image/Y7sX5gRNszyCsmlxbjpjP0fM.jpg?f=fotoalbum_large)
De mijne heet volgens zijn sticker VWZ AI, VWL x/6 MB3.
Het ik-wil-een-warmtepomp FAQ topic- '23 MG5, douchen met wtw en Auer Edel Eau, verwarming met Vaillant Arotherm Plus.
Beste Maarten,MaartenP68 schreef op zaterdag 2 april 2022 @ 20:17:
@Adriaan71 Als je de CV op 40 graden insteld zal een wat oudere woning dan wel de gevraagde temperatuur halen bij strenge vorst? Ik dacht dat de ketel juist in de extreme gevallen wat moet bijspringen met bijv 50 of 60 graden.
Ligt een beetje aan je afgifte system. Heb je vloerverwarming wil je geen 50 a 60 graden erin pompen. Beetje heet aan je voeten. En zeker niet goed voor de tegels als die er zijn.
En het een en ander ligt ook aan hoe je je installatie inregelt. TriVANT of bivalentiepunt. Waar je zelf kan bepalen waar je cv bespringt.
En hybride installatie bereken je ook op een kosten besparing van gas rond de 50 a 60 % op stookkosten. Dus een ander vermogen warmtepomp welke zeker zal voorzien in het voor en najaar en een gedeelte winter.
En als hij dan de waardes niet meer haalt kan de cv bijspringen.
Maar dan nog ga je theoretische niet draaien op hele hogen temperaturen. Mooiste zal zijn dat je hartje winter nog onder de 40 a 45 graden blijft met een hybride systeem.
Dus dan kan je met een bivalentie punt zelf bepalen ( dus de buiten temperatuur ) waar je cv met bijspringen om het over te nemen. En dan gaat je warmtepomp uit.
Bij TriVANT berekend het systeem zelf wat de goedkoopste stookkosten zijn als het systeem gaat draaien.
Maart 2022 Vaillant catalogus:
https://www.vaillant.nl/p...2022-online-2-2351122.pdf
aroTHERM plus vanaf pdf pag 54
Installatiebundel:
https://www.vaillant.nl/i...i-2022-online-2213886.pdf
Installatiehandleiding:
https://www.vaillant.nl/p...0020299005-06-2361462.pdf
vanaf pdf pag 132
Snelgids (febr 2022)::
https://www.vaillant.nl/p...m-plus-022022-2339141.pdf
Vermogensgrafiek
Onderhoud informatie (febr 2022):
https://www.vaillant.nl/p...arotherm-plus-1886539.pdf
Eco Hero (bevat overzicht)
https://www.vaillant.nl/p...o-hero-092020-1886536.pdf
Dat lijkt het wel te zijn ja ;-) Heb je de volledige PDF voor de legende te kunnen zien? Weet niet of het uitmaakt maar ik wel de VIH S2? En er staat de /6 terwijl mijn huidige offerte een /5 aanbiedt?
Ik heb oprecht er niet overwogen om full-electric te gaan. De ketel is natuurlijk nog maar van 2016, en voor de duurzaamheid moet je het op dit moment nog niet doen omdat elektriciteit nog voor een groot stuk via fossiele brandstof wordt opgewekt. Op zich het overwegen waard als ik een batterij plaats als de huidige omvormer stuk is. Ga het toch eens bespreken.Proton_ schreef op donderdag 31 maart 2022 @ 22:07:
@cwegh de 7.5 kW unit is groot genoeg om het in z'n eentje te doen, waarom hybride?
De evenwichtsfles snap ik ook niet (terugkerend thema), je kan beter de ketel loskoppelen met kleppen. Al het mengen kost COP dus geld.
Evenwichtslfles zou de installateur er ook tussenuit gooien, is de "oude" manier zei hij en idd inefficient.
Ik heb hier wel naar gekeken, want lekker makkelijk, maar ik vond de boilerinhoud te klein. Leuk voor met z'n 2en, maar voor meer personen lijkt het me vrij krap. Verder komt deze unitower ook bijna 10 cm verder naar voren dan een losse 200 liter boiler. Ik heb dus gekozen voor losse onderdelen.Gramser schreef op vrijdag 1 april 2022 @ 09:42:
Is er hier iemand die zijn woning verwarmt met een 75/6 en een unitower voor SWW? Zo ja, hoe zijn de ervaringen? Ik volg dit topic best goed maar kan me even niet herinneren of iemand deze combi gebruikt.
In je andere post heb je het over een hydrolische unit. Die heb je toch niet nodig bij een unitower?
Is niet onmogelijk. Heb hier een woning uit 1939 met alleen radiatoren, en die houdt het goed warm met Ta~30 bij buitentemperaturen >0. CV staat wel op Ta_max=35 en pendelt als een malle, en blijkt dus gemiddeld op 30 uit te komen. Radiatoren zijn hier van die oude jaren '70 dingen, T30 en T40, maar wel met veel volume. Geïsoleerd is de spouw, bodem, en dak, maar meeste glas is enkel glas-in-lood met voorzetramen, Kozijnen sluiten ook niet geweldig.MaartenP68 schreef op zaterdag 2 april 2022 @ 12:06:
Ik heb interesse In de Arotherm plus 75/6 met een nieuwe Ecotec plus. In de planning staan ook ca 11 PV panelen. Het is een woning uit 1930 voorzien van radiatoren (145 m2). Het verbruik is ca 1400 m3 p/j (incl sww). Het huis is redelijk geïsoleerd. 3 persoons huishouden. Met de ketel op 50 gr lijkt het goed te werken, al ben ik daarmee pas begonnen toen het al iets warmer werd. Voorheen stond 'ie op 60 gr. Hybride lijkt me noodzakelijk aangezien de woning maar 5 m2 vloerverwarming heeft en verder conventionele radiatoren (met een paar fancoils).
Ofwel, of je echt hybride nodig hebt, weet ik niet. Misschien kun je de komende weken nog je ketel verder omlaag zetten om dit te toetsen. Als je met 24/7 stoken met Ta=30 uit de voeten kunt, dan ben je een heel eind
Ps: WP draait hier nog niet, is besteld.
Dank je wel voor je uitgebreide reactie. Het alternatief voor de AI dat je noemt is een apparaat dat 1000 euro duurder lijkt dan de AI. (of ik zoek verkeerd). Aangezien het allemaal al duur genoeg is laat ik het voorlopig zo. Ik blijf denk ik toch nog wel een aantal jaren in hybride draaien (maar dat dacht jij destijds vast ookAdriaan71 schreef op zaterdag 2 april 2022 @ 17:04:
[...]
Beste Pat,
De voorgestelde installatie heb ik zelf ook 2 jaar geleden gemaakt met en split om ook te kijken of het mijn huis warm hield.
Had mijn instelling bij mijn hybride manager toen ingesteld op triVAI en zijn gasprijs heel hoog gezet zodat hij met verwarmen nooit gas zou pakken. En dat ging perfect.
Allen warmwater van de vc ketel.
Nu full electric .
Weet wel zeker dat jij met je warmtepomp ook wel je huis warm kan houden. Maar kan begrijpen dat je het eerst wil testen .
Zelf ook zo gedaan.
Ik zou alleen niet de AI nemen als je straks toch over wil op full electric en meteen de VWZ MEH 97/6 MB3 nemen. Heb je ook nog backup verwarming mocht het onverhoopt nodig zijn als je full electric gaat draaien in de tekomst.
Heb je gelijk je 3weg klep, overstort en back up element. En je hoeft alleen maar 2 leidingen naar je boiler te trekken en een de voeler aan te sluiten en klaar voor warm water.
Zelf ben ik ook een voorstander om hydraulische te scheiden en een extra pompgroep voor het fine tune van je installatie naar je afgifte systeem.
Je kan tenslotte traploos je pomp instellen.
Maar er zijn er ook veel die het zonde vinden van het geld en het stroom verbruik wat te verwaarlozen is. Zo'n pomp draait hooguit op 10 a 15 watt.
Vergeet ook niet je lucht en vuilfilter niet in je installatie.
Met deze configuratie zal je veel plezier gaan beleven en zal goed in te regelen zijn.
Zorg wel dat je hem goed in regelt.
Laat ook je cv ketel waterzijde goed inregelen.
Dat is niet zo maar even gedaan en neemt wel wat tijd in beslag.
Cv deellast op 8 tot 10kw en cv temperatuur niet hoger dan max 40 graden, naloop tijd pomp naar 5 minuten van cv ketel.
Systeem gaat toch WAR draaien dus die 40 graden gaat nooit gebeuren.
Die 10/15 watt extra verbruik ga ik denk ik wel overleven
Nou heeft een kennis van mij recent een hybride-opstelling geïnstalleerd en daarbij vertelde hij dat men de pomp van de verdeler van zijn vloerverwarming hadden verwijderd. Is dat inderdaad iets wat nog aan te raden is? En schroef je zo'n ding er dan gewoon vanaf en dop je het gat af ofzo?
Groot genoeg voor 2 hoofdletters
Ik mag het hopen, anders wordt het wel erg ingewikkeldProton_ schreef op zaterdag 2 april 2022 @ 20:27:
@Zwartoog met /6 erbij zal hij het vast wel doen met een plus?
De mijne heet volgens zijn sticker VWZ AI, VWL x/6 MB3.
Dat varieert nogal per type. Bij sommigen is het hele pomp+thermostaat-deel een los stuk wat er voor zit en je er dus tussenuit kan halen. Bij anderen is het wat meer werk.PaT schreef op zondag 3 april 2022 @ 09:36:
Nou heeft een kennis van mij recent een hybride-opstelling geïnstalleerd en daarbij vertelde hij dat men de pomp van de verdeler van zijn vloerverwarming hadden verwijderd. Is dat inderdaad iets wat nog aan te raden is? En schroef je zo'n ding er dan gewoon vanaf en dop je het gat af ofzo?
WP: ME PUHZ-SW75YAA + ERSD-VM2D + EV-WP-TWS-1W 300; AC: ME MXZ-2F42VF + 2x MSZ-LN25VGV; PV: 14.08 kWp O/W + SMA STP 8.0; Vent: Zehnder Q600 ERV + Ubbink AirExcellent.
Verwijderd
Die gaat het zeker doen! MB1/3 maakt niet uit, qua functionaliteiten sowieso niet maar wellicht wat andere elektronische details (met de huidige tekorten is uitwijken naar goede alternatieven niet ondenkbaar).Zwartoog schreef op zaterdag 2 april 2022 @ 20:08:
[...]
Oei, begin nu te twijfelen of dit de goede is voor een 75/6.Doos zegt van wel, maar blijkbaar niet de nieuwste uitvoering.
[Afbeelding]
Als ik de Vaillant VRC 720f bestel zit hier toch een buitenvoeler bij?
Nu heb ik maar 1 zone. Is dit dan de beste draadloze thermostaat, of zijn er betere alternatieven?
Voor een vuilafscheider en luchtafscheider zit ik te denken aan de Spirotech MB3. Is de combi afscheider aan te raden? Of toch een aparte vuil en luchtafscheider monteren?
Dat was ik inderdaad nog vergeten.PaT schreef op zondag 3 april 2022 @ 09:36:
[...]
Dank je wel voor je uitgebreide reactie. Het alternatief voor de AI dat je noemt is een apparaat dat 1000 euro duurder lijkt dan de AI. (of ik zoek verkeerd). Aangezien het allemaal al duur genoeg is laat ik het voorlopig zo. Ik blijf denk ik toch nog wel een aantal jaren in hybride draaien (maar dat dacht jij destijds vast ook) dus tegen de tijd dat ik richting full-electric ga zien we dan wel weer wat er dan op de markt is.
Die 10/15 watt extra verbruik ga ik denk ik wel overlevendus dan laten we dit lekker zo.
Nou heeft een kennis van mij recent een hybride-opstelling geïnstalleerd en daarbij vertelde hij dat men de pomp van de verdeler van zijn vloerverwarming hadden verwijderd. Is dat inderdaad iets wat nog aan te raden is? En schroef je zo'n ding er dan gewoon vanaf en dop je het gat af ofzo?
Een verdeler zonder pomp is inderdaad beter.
Die robot pomp heb je zo verkocht op marktplaats. .Weet niet of je dat zou kan doen.
Zou even contact opnemen of dat een mogelijkheid is.
https://www.robotclimate.com
En mocht je een andere verdeler nemen neem er dan 1 met flowmeters. Kan je de groepen ook goed inregelen.
En die alternatief is inderdaad stuk duurder maar wel meten klaar voor SWW als je overstapt.
Ik denk dat je toch binnen 1 a 2 jaar overstapt als je zit dat het je woning warm houd. Dan ik het gas + vastrecht erg duur voor alleen douche.
[ Voor 17% gewijzigd door Adriaan71 op 03-04-2022 10:24 ]
Jep de 0020260929 is draadloos met buitenvoeler.Ensch053 schreef op zondag 3 april 2022 @ 09:54:
Ik ga vandaag of morgen een VWL 75/5 met een Unitower 78/5 bestellen. Nu heb ik nog een paar vragen over de aanvullende onderdelen.
Als ik de Vaillant VRC 720f bestel zit hier toch een buitenvoeler bij?
Nu heb ik maar 1 zone. Is dit dan de beste draadloze thermostaat, of zijn er betere alternatieven?
Voor een vuilafscheider en luchtafscheider zit ik te denken aan de Spirotech MB3. Is de combi afscheider aan te raden? Of toch een aparte vuil en luchtafscheider monteren?
Met deze thermostaat kan je alles perfect inregelen van je gehele installatie
Vuilfilter op retour en eigelijk lucht op je aanvoer. Ik gebruik zelf de flamco flamcovent clean smart eco plus met isolatie erom heen en die plaats ik op de retour
Thanks! Pakjesdag vandaag, nu nog wachten op de WP zelfVerwijderd schreef op zondag 3 april 2022 @ 09:45:
[...]
Die gaat het zeker doen! MB1/3 maakt niet uit, qua functionaliteiten sowieso niet maar wellicht wat andere elektronische details (met de huidige tekorten is uitwijken naar goede alternatieven niet ondenkbaar).
Vraagje alvast over die eBUS: ik zie op de AI maar 1 klem zitten. Lus je die eBUS gewoon door via de AI, dus WP-AI-VRC ? Zo ja, dan ga ik er wel uitkomen met alle draadjes
Alles kwa e-bus allemaal doorlussen. Maak zelf meestal een lasdoosje waar ik alles naar toe trek en daar doorlassen.Zwartoog schreef op zondag 3 april 2022 @ 10:35:
[...]
Thanks! Pakjesdag vandaag, nu nog wachten op de WP zelf
Vraagje alvast over die eBUS: ik zie op de AI maar 1 klem zitten. Lus je die eBUS gewoon door via de AI, dus WP-AI-VRC ? Zo ja, dan ga ik er wel uitkomen met alle draadjes
[ Voor 9% gewijzigd door Adriaan71 op 03-04-2022 10:37 ]
Nu vergelijk je de ruimte die de unitower inneemt met alleen de ruimte van de boiler. Maar je hebt dan dus ook nog een losse hydraulische unit nodig, die ook ruimte inneemt. Afhankelijk van de situatie in je huis kan dat volgens mij ook juist meer ruimtegebruik betekenen.Zwartoog schreef op zondag 3 april 2022 @ 09:25:
[...]
Ik heb hier wel naar gekeken, want lekker makkelijk, maar ik vond de boilerinhoud te klein. Leuk voor met z'n 2en, maar voor meer personen lijkt het me vrij krap. Verder komt deze unitower ook bijna 10 cm verder naar voren dan een losse 200 liter boiler. Ik heb dus gekozen voor losse onderdelen.
In je andere post heb je het over een hydrolische unit. Die heb je toch niet nodig bij een unitower?
Dat hangt van je huis en je verwarmingssysteem af. Het is volgens mij juist een goede test om te zien of je met wat minder heet water in de bestaande installatie je huis goed op temperatuur kunt houden.MaartenP68 schreef op zaterdag 2 april 2022 @ 20:17:
@Adriaan71 Als je de CV op 40 graden insteld zal een wat oudere woning dan wel de gevraagde temperatuur halen bij strenge vorst? Ik dacht dat de ketel juist in de extreme gevallen wat moet bijspringen met bijv 50 of 60 graden.
Ik heb bv jarenlang gewoond in een niet bijster goed geïsoleerde vooroorlogse woning met een behoorlijk gasverbruik. Maar de afgifte (vloerverwarming, lage temperatuur convector etc ) was wel zodanig dat ik de CV water temperatuur niet heel hoog hoefde te zetten. Ik denk dat als ik nu nog in die woning zou wonen, het goed mogelijk zou zijn om op een warmtepomp over te stappen. Maar dan wel een forse, omdat er toch wel veel energieverbruik was
Verwijderd
Ja dat kan, of zoals Adriaan aangeeft een lasdoosje maken. Gebruik 2x >.80mm2 onbeschermde kabels, houdt plus en min gescheiden tussen warmtepomp en vwz, vrc720 is polariteit ongevoelig.Zwartoog schreef op zondag 3 april 2022 @ 10:35:
[...]
Thanks! Pakjesdag vandaag, nu nog wachten op de WP zelf
Vraagje alvast over die eBUS: ik zie op de AI maar 1 klem zitten. Lus je die eBUS gewoon door via de AI, dus WP-AI-VRC ? Zo ja, dan ga ik er wel uitkomen met alle draadjes
Klopt! Alleen heb ik in de hoogte en breedte meer ruimte dan in de diepteRubbergrover1 schreef op zondag 3 april 2022 @ 10:43:
[...]
Nu vergelijk je de ruimte die de unitower inneemt met alleen de ruimte van de boiler. Maar je hebt dan dus ook nog een losse hydraulische unit nodig, die ook ruimte inneemt. Afhankelijk van de situatie in je huis kan dat volgens mij ook juist meer ruimtegebruik betekenen.
Als je onderstaand voorbeeld neem zal ik persoonlijk een AroTHERM plus nemen en dan met hoger temperatuur gaan werken en een mengverdeler op je vloerverwarming dat hij daar het water kan terug mengen voor je vloerverwarming.Rubbergrover1 schreef op zondag 3 april 2022 @ 10:49:
[...]
Dat hangt van je huis en je verwarmingssysteem af. Het is volgens mij juist een goede test om te zien of je met wat minder heet water in de bestaande installatie je huis goed op temperatuur kunt houden.
Ik heb bv jarenlang gewoond in een niet bijster goed geïsoleerde vooroorlogse woning met een behoorlijk gasverbruik. Maar de afgifte (vloerverwarming, lage temperatuur convector etc ) was wel zodanig dat ik de CV water temperatuur niet heel hoog hoefde te zetten. Ik denk dat als ik nu nog in die woning zou wonen, het goed mogelijk zou zijn om op een warmtepomp over te stappen. Maar dan wel een forse, omdat er toch wel veel energieverbruik was
En dan heb je voor je andere radiatoren warmer water dan dat je vloer nodig heeft.
Dan nog zal ik even goed uitzoeken wat je aan temperatuur nodig hebt en wat voor COP je uitkomt om te kijken of het dan nog allemaal nog wel zo leuk is om met een warmtepomp te draaien kwa kosten en verbruik.
Mits veel gratis stroom scheelt uiteraard ook weer veel.
Misschien een link waar je zo een lasdoos voor ebus kan kopen? Er is is zoveel keuze dat ik niet meteen een goeie oplossing vind die handig is. Ik was nu hier aan het kijken: https://www.bengshop.nl/zwakstroom-lasdoos-class/Adriaan71 schreef op zondag 3 april 2022 @ 10:36:
[...]
Alles kwa e-bus allemaal doorlussen. Maak zelf meestal een lasdoosje waar ik alles naar toe trek en daar doorlassen.
Of gewoon simpele lasdoos en verbinden met een wago snelklem?
[ Voor 6% gewijzigd door cwegh op 03-04-2022 21:25 ]
Het ik-wil-een-warmtepomp FAQ topic- '23 MG5, douchen met wtw en Auer Edel Eau, verwarming met Vaillant Arotherm Plus.
Voor standaard vragen zoals "Hoeveel kW heb ik nodig?" etc lees eerst eens Het ik-wil-een-warmtepomp FAQ topic