Kun je aangeven waarom je denkt dat die verkoper ongelijk heeft?Raling schreef op maandag 21 december 2020 @ 11:13:
Heeft iemand tips hoe ik mijn schoonouders tegelijkertijd te vriend houd en aan het verstand breng dat een jacuzzi beter op 3 fasen aangesloten kan worden dan op 1 fase?
Ze hebben een 3 fase aansluiting, maar de verkoper zegt dat het prima op een 1 fase 16A aangesloten kan worden...
Daar ben ik eigenlijk ook wel benieuwd naar, want gewoon roepen dat iets op 3F moet zonder spec-blad is beetje vreemd.
Ik heb een krachtig apparaat dus moet op krachtstroom!
Designer stroom is niet gemaakt om op te boren!
Deze stroom is bedorven!
Ik heb een krachtig apparaat dus moet op krachtstroom!
Designer stroom is niet gemaakt om op te boren!
Deze stroom is bedorven!
[ Voor 61% gewijzigd door leonbong op 21-12-2020 12:16 ]
Yes, goeie. Er zit een enkel 3kW element in. Dus met 3f gaat het opwarmen niet sneller inderdaad. Het enige punt is dat de verwarming en de pompen niet gelijktijdig gebruikt kunnen worden als het op 1f aangesloten wordt.Illusion schreef op maandag 21 december 2020 @ 11:56:
[...]
Begin maar met de specificaties van die jacuzzi. Als daar een enkel 2kW elementje in zit, dan kan je aansluiten wat je wilt, maar het wordt er niet sneller warm van.
Voor de pompen (5 pk motoren) lijkt mij een C karakteristiek nodig.Naalroc schreef op maandag 21 december 2020 @ 11:48:
[...]
Overigens denk ik niet dat je een C karakteristiek nodig hebt, want het is een resistive belasting, dus gewoon een "B".
Omdat verkoper 16A als minimale aangeeft, terwijl fabrikant/importeur op hun site 20A aangevenTechneut schreef op maandag 21 december 2020 @ 12:08:
[...]
Kun je aangeven waarom je denkt dat die verkoper ongelijk heeft?
Dat zegt nog niks over dat het een 3F apparaat is.
Daarnaast zijn een heleboel jacuzzi's zeker de kleinere intern tegenwoordig voorzien van een voorrangsschakelaar waardoor de totale stroom max 16A is.
Daarnaast zijn een heleboel jacuzzi's zeker de kleinere intern tegenwoordig voorzien van een voorrangsschakelaar waardoor de totale stroom max 16A is.
[ Voor 60% gewijzigd door leonbong op 21-12-2020 12:30 ]
Deze informatie heb ik van de fabrikant/importeur.Er zit een enkel 3kW element in. Dus met 3f gaat het opwarmen niet sneller inderdaad. Het enige punt is dat de verwarming en de pompen niet gelijktijdig gebruikt kunnen worden als het op 1f aangesloten wordt.
Plaats dan eens een fabrikant+ typenummer, handleiding, aansluitschema *iets*Raling schreef op maandag 21 december 2020 @ 12:21:
[...]
Deze informatie heb ik van de fabrikant/importeur.
Anders blijft het speculeren.
Soms ben ik er wel, en soms ook weer niet.
Dat klinkt niet als 3-fasen, maar gewoon twee enkel fase groepen, als je dat bij de jacuzzi tenminste kunt splitsen. Want wie weet zit die niet-gelijktijdigheid wel keihard in de besturing van die jacuzzi ingebakken.Raling schreef op maandag 21 december 2020 @ 12:15:
[...]
Yes, goeie. Er zit een enkel 3kW element in. Dus met 3f gaat het opwarmen niet sneller inderdaad. Het enige punt is dat de verwarming en de pompen niet gelijktijdig gebruikt kunnen worden als het op 1f aangesloten wordt.
5 pk (wat is dat nou voor een eenheid voor een elektromotorVoor de pompen (5 pk motoren) lijkt mij een C karakteristiek nodig.
Is dat niet een beetje veel voor een waterpompje van een jacuzzi?
Wat heeft zo'n ding wel niet voor aanloopstroom? Volgens mij worden dergelijke zware motoren over het algemeen op 3-fasen aangesloten. Vreemd verhaal.
Wat voor karakteristiek schrijven ze voor? En heb je een datasheet of installatiehandleiding?Omdat verkoper 16A als minimale aangeeft, terwijl fabrikant/importeur op hun site 20A aangeven
WP: ME PUHZ-SW75YAA + ERSD-VM2D + EV-WP-TWS-1W 300; AC: ME MXZ-2F42VF + 2x MSZ-LN25VGV; PV: 14.08 kWp O/W + SMA STP 8.0; Vent: Zehnder Q600 ERV + Ubbink AirExcellent.
Ècht? of misschien 0,5 pk want een 5 pk motor lijkt mij wel een beetje heel erg veel om water in een bak te laten circuleren. Geen opvoerhoogte nodig.Raling schreef op maandag 21 december 2020 @ 12:15:
Voor de pompen (5 pk motoren) lijkt mij een C karakteristiek nodig.
14kW ZubadanPUHZ-SHW140YHA+ERSC-VM2C, 200L boiler , 200L buffer, sinds 8/2018, gasloos
Nou de meeste jacuzzi hebben 1,5pk pompen (Amerikanen met gekke eenheden) voor massagejet's enzo.
Maar 5pk dan heb je het over zwemspa's zo'n ding wat een met stroming waar je tegenin kan zwemmen of eentje met een enkele pomp die op meerdere toerentallen kan.
Maar 5pk dan heb je het over zwemspa's zo'n ding wat een met stroming waar je tegenin kan zwemmen of eentje met een enkele pomp die op meerdere toerentallen kan.
[ Voor 13% gewijzigd door leonbong op 21-12-2020 12:59 ]
Bedankt voor alle moeite! Mijn vragen zijn reeds beantwoord.
Maar goed, de fabrikant/importeur zegt dus dat het gaat om een enkele 3kW verwarmingselement met 2x 5pk pompen. En dat het dus prima op 1f aan te sluiten is, maar als je gelijktijdig wilt verwarmen en pompen dan op 3f aangesloten moet worden.
Bedankt allen.
Het gaat om een Passion Delight, handleiding en aansluitschema zijn onbekend. Zijn namelijk niet te downloaden op hun site. Als ik die had, had ik deze vragen namelijk ook niet hoeven stellen hahaIllusion schreef op maandag 21 december 2020 @ 12:36:
[...]
Plaats dan eens een fabrikant+ typenummer, handleiding, aansluitschema *iets*
Anders blijft het speculeren.
Maar goed, de fabrikant/importeur zegt dus dat het gaat om een enkele 3kW verwarmingselement met 2x 5pk pompen. En dat het dus prima op 1f aan te sluiten is, maar als je gelijktijdig wilt verwarmen en pompen dan op 3f aangesloten moet worden.
Zoals ik al zei een enkele 3kW element, dus op 1 fase. Die niet-gelijktijdigheid lijkt inderdaad ingebakken. Pompen en verwarmen gaat niet tegelijkertijd op 1 fase zegt fabrikant/importeur. Hoop dus inderdaad dat het echt ingebakken is hahaAndrehj schreef op maandag 21 december 2020 @ 12:43:
[...]
Dat klinkt niet als 3-fasen, maar gewoon twee enkel fase groepen, als je dat bij de jacuzzi tenminste kunt splitsen. Want wie weet zit die niet-gelijktijdigheid wel keihard in de besturing van die jacuzzi ingebakken.
Haha, ja dat klinkt als wel heel erg veel inderdaad ja. Dat is in elk geval wat de specsheet zegt. Ach, meeste van die jacuzzi's komen rechtstreeks uit China, dus ik geloof het inderdaad ook niet helemaal.5 pk (wat is dat nou voor een eenheid voor een elektromotor) is ongeveer 3.75 kW.
Is dat niet een beetje veel voor een waterpompje van een jacuzzi?
Wat heeft zo'n ding wel niet voor aanloopstroom? Volgens mij worden dergelijke zware motoren over het algemeen op 3-fasen aangesloten. Vreemd verhaal.
Fabrikant/importeur zegt C, verkoper zegt dat het niet uit maakt. Dus ik heb iets meer vertrouwen in de importeur dan de verkoper. Nee, geen installatiehandleiding nog of meer specs dan ik al gegeven heb.Wat voor karakteristiek schrijven ze voor? En heb je een datasheet of installatiehandleiding?
Lijkt mij ook sterk inderdaad. Morgen komt ie, dan zien we dan wel weer.Naalroc schreef op maandag 21 december 2020 @ 12:50:
[...]
Ècht? of misschien 0,5 pk want een 5 pk motor lijkt mij wel een beetje heel erg veel om water in een bak te laten circuleren. Geen opvoerhoogte nodig.
Bedankt allen.
[ Voor 3% gewijzigd door Raling op 21-12-2020 13:01 ]
Ah gekocht bij fontijn!Raling schreef op maandag 21 december 2020 @ 12:59:
Bedankt voor alle moeite! Mijn vragen zijn reeds beantwoord.
[...]
Het gaat om een Passion Delight, handleiding en aansluitschema zijn onbekend. Zijn namelijk niet te downloaden op hun site. Als ik die had, had ik deze vragen namelijk ook niet hoeven stellen haha
Maar goed, de fabrikant/importeur zegt dus dat het gaat om een enkele 3kW verwarmingselement met 2x 5pk pompen. En dat het dus prima op 1f aan te sluiten is, maar als je gelijktijdig wilt verwarmen en pompen dan op 3f aangesloten moet worden.
[...]
Zoals ik al zei een enkele 3kW element, dus op 1 fase. Die niet-gelijktijdigheid lijkt inderdaad ingebakken. Pompen en verwarmen gaat niet tegelijkertijd op 1 fase zegt fabrikant/importeur. Hoop dus inderdaad dat het echt ingebakken is haha
[...]
Haha, ja dat klinkt als wel heel erg veel inderdaad ja. Dat is in elk geval wat de specsheet zegt. Ach, meeste van die jacuzzi's komen rechtstreeks uit China, dus ik geloof het inderdaad ook niet helemaal.
[...]
Fabrikant/importeur zegt C, verkoper zegt dat het niet uit maakt. Dus ik heb iets meer vertrouwen in de importeur dan de verkoper. Nee, geen installatiehandleiding nog of meer specs dan ik al gegeven heb.
[...]
Lijkt mij ook sterk inderdaad. Morgen komt ie, dan zien we dan wel weer.
Bedankt allen.
Nou ik je kan hoop zeggen van die tent maar ze hebben ruime ervaring, met het aansluiten van die dingen nou dan kan echt wel op 1f.
Ps de importeur heeft hetzelfde adres als fontijn zelf😜
Nee, niet gekocht bij hun. Zij hebben 'm alleen geimporteerd. Aansluiten kan inderdaad op 1f, maar Fonteyn zegt dan dat je niet gelijktijdig kunt verwarmen en pompen. Dus voorkeur gaat naar 3f.leonbong schreef op maandag 21 december 2020 @ 13:11:
[...]
Ah gekocht bij fontijn!
Nou ik je kan hoop zeggen van die tent maar ze hebben ruime ervaring, met het aansluiten van die dingen nou dan kan echt wel op 1f.
Edit:
Dat weet ik, vandaar dat ik ook zeg dat er verschil zit tussen importeur en verkoperPs de importeur heeft hetzelfde adres als fontijn zelf😜
[ Voor 15% gewijzigd door Raling op 21-12-2020 13:15 ]
Er zitten in het midden ook nog twee schroeven toch? Die zullen de zaak wel bij elkaar houden.timovd schreef op maandag 21 december 2020 @ 11:53:
[...]
Heb je 'm in tweeen gesneden? Blijft dat goed zitten? Je hebt nu maar aan één kant een verbinding met elkaar.
WP: ME PUHZ-SW75YAA + ERSD-VM2D + EV-WP-TWS-1W 300; AC: ME MXZ-2F42VF + 2x MSZ-LN25VGV; PV: 14.08 kWp O/W + SMA STP 8.0; Vent: Zehnder Q600 ERV + Ubbink AirExcellent.
Ervaring leert dat bij fontijn dat ze deze dingen in opdracht laten produceren en dat elektronica daar ook werkelijk in voorziet dat de stroom laag genoeg blijft.
Mijn schoonvader woont hier 15min rijden vandaan en heeft zijn spa hier ook vandaan ik ben er geregeld geweest.
Mijn schoonvader woont hier 15min rijden vandaan en heeft zijn spa hier ook vandaan ik ben er geregeld geweest.
[ Voor 10% gewijzigd door leonbong op 21-12-2020 13:18 ]
Gaat eigenlijk verrassend goed. Er zijn 4 schroefgaten in de Z8S: twee tussen de buizen en 2 in het stapelgedeelte. Onderste zit tussen de buizen op het hout. De bovenste zit met een langere schroef thv het stapelgedeelte vast op het hout en daarmee ook de onderste.timovd schreef op maandag 21 december 2020 @ 11:53:
[...]
Heb je 'm in tweeen gesneden? Blijft dat goed zitten? Je hebt nu maar aan één kant een verbinding met elkaar.
Door afwisseling van stapelkant en de stijfheid van de buizen blijft het geheel mooi strak zitten.
Dat dus...Andrehj schreef op maandag 21 december 2020 @ 13:16:
[...]
Er zitten in het midden ook nog twee schroeven toch? Dan zullen de zaak wel bij elkaar houden.
[ Voor 16% gewijzigd door significant op 21-12-2020 15:47 ]
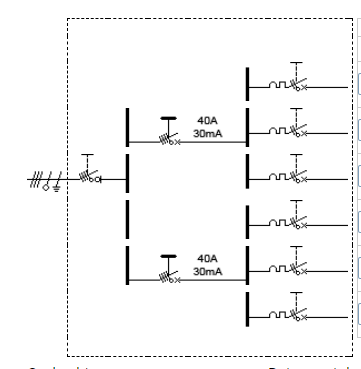
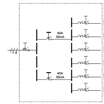
Ik wil een nieuwe 3 fase groepenkast voor de garage. Nu valt me op dat bv. voor 6 groepen er zowel versies met 4 polige als met 2 polige aardlekschakelaars te krijgen zijn.
Waarom is dat? 4 polig is duurder en neemt meer ruimte in. Als het voor een 3-fase verbruiker is, zou ik ook een 3 fase installatieautomaat verwachten (moet zelf, neem ik aan, want anders onveilig).
De schema's zoals ABB ze genereert zien er dan zo uit (laatste foto is een versie met 3 aardleks:
:fill(white):strip_exif()/f/image/sjLDgvo9kHznxuLfyL7uwPKZ.png?f=user_large)
:fill(white):strip_exif()/f/image/UzlXjUXM0JtnMLYjszOfFgGo.png?f=user_large)
:fill(white):strip_exif()/f/image/LWzaNMGlyUpb1AJpLjpKHnZv.png?f=user_large)
Waarom is dat? 4 polig is duurder en neemt meer ruimte in. Als het voor een 3-fase verbruiker is, zou ik ook een 3 fase installatieautomaat verwachten (moet zelf, neem ik aan, want anders onveilig).
De schema's zoals ABB ze genereert zien er dan zo uit (laatste foto is een versie met 3 aardleks:
:fill(white):strip_exif()/f/image/sjLDgvo9kHznxuLfyL7uwPKZ.png?f=user_large)
:fill(white):strip_exif()/f/image/UzlXjUXM0JtnMLYjszOfFgGo.png?f=user_large)
:fill(white):strip_exif()/f/image/LWzaNMGlyUpb1AJpLjpKHnZv.png?f=user_large)
:fill(white):strip_exif()/f/image/E31VIQ0d2Ny7FNeJodiGUBxA.png?f=user_large)
@WackoH ABB verkoopt liever 3F als , geen idee. Volgens de norm is het niet verboden maar als advies is toch gewoon 1fase als te gebruiken voor 1 fase eindgroepen.
http://www.pvoutput.org/list.jsp?id=46229&sid=42168
De lepe hoeken van onze trap willen wij voorzien van verlichting welke middels een Philips Hue bewegingssensor wordt geschakeld. De armaturen worden permanent gevoed en voorzien van een Philips Hue GU10 spot.
Wij lopen alleen tegen het probleem dat de standaard verkrijgbare hollewanddozen dusdanig groot zijn dat het door ons gekozen armatuur hier niet overheen valt. We hebben een aantal inbouwdozen gevonden in micro uitvoering, maar deze zijn helaas niet toe te passen in een holle wand. Gezien wij de doos niet zichtbaar willen hebben zoeken we naar een alternatief om dit op een correcte manier aan te realiseren.
Is het mogelijk om de spots aan te sluiten met een YMVK kabel en deze beneden gezamenlijk aan te sluiten in een lasdoos? Of is er een eenvoudigere methode om dit veilig aan te sluiten welke wij momenteel over het hoofd zien.
Ter illustratie, onderstaande afbeelding betreft de montageplaat van de gekozen spots (Wever & Ducré Sqube on Base 1.0) en de bijbehorende afmetingen:

Gat kabeldoorvoer Ø10mm
Montage gaten zijn h.o.h. 30mm
Diameter armatuur Ø55mm
Wij lopen alleen tegen het probleem dat de standaard verkrijgbare hollewanddozen dusdanig groot zijn dat het door ons gekozen armatuur hier niet overheen valt. We hebben een aantal inbouwdozen gevonden in micro uitvoering, maar deze zijn helaas niet toe te passen in een holle wand. Gezien wij de doos niet zichtbaar willen hebben zoeken we naar een alternatief om dit op een correcte manier aan te realiseren.
Is het mogelijk om de spots aan te sluiten met een YMVK kabel en deze beneden gezamenlijk aan te sluiten in een lasdoos? Of is er een eenvoudigere methode om dit veilig aan te sluiten welke wij momenteel over het hoofd zien.
Ter illustratie, onderstaande afbeelding betreft de montageplaat van de gekozen spots (Wever & Ducré Sqube on Base 1.0) en de bijbehorende afmetingen:

Gat kabeldoorvoer Ø10mm
Montage gaten zijn h.o.h. 30mm
Diameter armatuur Ø55mm
Die kun je prima aansluiten met een snoer natuurlijk. Wel netjes zorgen voor de juiste aansluiting (trekontlasting, dubbele isolatie buiten de armatuur enz).Jon NH schreef op maandag 21 december 2020 @ 22:08:
De lepe hoeken van onze trap willen wij voorzien van verlichting welke middels een Philips Hue bewegingssensor wordt geschakeld. De armaturen worden permanent gevoed en voorzien van een Philips Hue GU10 spot.
Wij lopen alleen tegen het probleem dat de standaard verkrijgbare hollewanddozen dusdanig groot zijn dat het door ons gekozen armatuur hier niet overheen valt. We hebben een aantal inbouwdozen gevonden in micro uitvoering, maar deze zijn helaas niet toe te passen in een holle wand. Gezien wij de doos niet zichtbaar willen hebben zoeken we naar een alternatief om dit op een correcte manier aan te realiseren.
Is het mogelijk om de spots aan te sluiten met een YMVK kabel en deze beneden gezamenlijk aan te sluiten in een lasdoos? Of is er een eenvoudigere methode om dit veilig aan te sluiten welke wij momenteel over het hoofd zien.
Ter illustratie, onderstaande afbeelding betreft de montageplaat van de gekozen spots (Wever & Ducré Sqube on Base 1.0) en de bijbehorende afmetingen:
[Afbeelding]
Gat kabeldoorvoer Ø10mm
Montage gaten zijn h.o.h. 30mm
Diameter armatuur Ø55mm
Afhankelijk van je traject de snoeren doorlussen tussen de spots of ergens in een lasdoos samen laten komen.
Goedenavond iedereen.
Klein vraagje. In ons net opgeleverde nieuwbouwwoning hebben we een stekkerdoos in de meterkast met plaats voor 2 stekkers. Is het OK om hier een stekkerdoos achter te plaatsen? We hebben in totaal namelijk 4 stekkers te plaatsen. OF mag dit niet in een meterkast?
Klein vraagje. In ons net opgeleverde nieuwbouwwoning hebben we een stekkerdoos in de meterkast met plaats voor 2 stekkers. Is het OK om hier een stekkerdoos achter te plaatsen? We hebben in totaal namelijk 4 stekkers te plaatsen. OF mag dit niet in een meterkast?
Geen idee of het mag volgens de NEN, maar het lijkt me geen probleem. Zolang je tenminste geen wasmachines, broodroosters etc. aansluit. Ik heb hier ook een stekkerdoos aangesloten met wat adapters die in totaal misschien 10W verbruiken.
Bij mijn weten is er geen verbod op. Bij een officiële NEN3140 inspectie kan er overigens wel opmerkingen gemaakt worden als je meerdere stekkerdozen achter elkaar hangt. Maar gewoon 1 fatsoenlijke lijkt me geen probleem, dat heeft volgens mij ook bijna iedereen tegenwoordig.Castus schreef op dinsdag 22 december 2020 @ 01:01:
Goedenavond iedereen.
Klein vraagje. In ons net opgeleverde nieuwbouwwoning hebben we een stekkerdoos in de meterkast met plaats voor 2 stekkers. Is het OK om hier een stekkerdoos achter te plaatsen? We hebben in totaal namelijk 4 stekkers te plaatsen. OF mag dit niet in een meterkast?
De hierboven gemaakte typ- en/of spelfouten zijn mijn handelsmerk
Wat een consument in een stekkerdoos duwt na oplevering van een huis/installatie is niet van belang bij een opleverkeuring.devino schreef op woensdag 23 december 2020 @ 09:55:
[...]
Bij mijn weten is er geen verbod op. Bij een officiële NEN3140 inspectie kan er overigens wel opmerkingen gemaakt worden als je meerdere stekkerdozen achter elkaar hangt. Maar gewoon 1 fatsoenlijke lijkt me geen probleem, dat heeft volgens mij ook bijna iedereen tegenwoordig.
http://www.pvoutput.org/list.jsp?id=46229&sid=42168
klopt, ik kom bijna nooit in consumenten installaties. Ik probeer alleen aan te geven dat meerdere stekkerdozen achter elkaar niet verstandig kan zijn, maar had het niet duidelijk verwoord.habbekrats schreef op woensdag 23 december 2020 @ 10:15:
[...]
Wat een consument in een stekkerdoos duwt na oplevering van een huis/installatie is niet van belang bij een opleverkeuring.
De hierboven gemaakte typ- en/of spelfouten zijn mijn handelsmerk
Gewoon die 2-voudige vervangen door een 4-voudige? Dan ben je meteen van het probleem af en geen kans op gezeur.Martin7182 schreef op woensdag 23 december 2020 @ 09:25:
Geen idee of het mag volgens de NEN, maar het lijkt me geen probleem. Zolang je tenminste geen wasmachines, broodroosters etc. aansluit. Ik heb hier ook een stekkerdoos aangesloten met wat adapters die in totaal misschien 10W verbruiken.
Inmiddels zijn we een tijdje verder en hebben we (erkende) installateur op bezoek voor meerdere zaken (naast groepenkast ook de vloerverwarming, extra WCD's, leidingwerk voor keuken en wassen). Ik heb me niet teveel uitgesproken en hen een advies laten uitbrengen.o1o92o2o schreef op maandag 28 september 2020 @ 21:47:
[...]
https://www.sandervunderi...fdschakelaar-22x55cm.html
De variant E3100
+
https://www.sandervunderi...-8-s-met-aansluitset.html
Heb je nog 4 DIN vrije ruimte.
Wil je meer vrije ruimte kun je ook de dubbele Medusa doen;
https://www.sandervunderi...1-of-2-krachtgroepen.html
In uitvoering EH6020
Kost je 48 euro meer; heb je 40 DIN vrije ruimte.
Medusa is ook voordelig te krijgen met aardlekautomaten, maar dan zijn de 3-fase aardlekautomaten weer los a 90,- ipv direct er bij voor 50,-.
Een 440x550 Medusa met 12 aardlekautomaten en 4P hoofdschakelaar is 505 euri.
Zij stellen een groepenkast voor met:
- 10 alamats 1-fase (8 huidige groepen + uitbreiding).
- 2 alamats 3-fase (Inductieplaat + CV-naverwarmer (die eruit gaat). Ik wil de aansluiting behouden een toekomstige warmtepomp, wellicht bekabeling in meterkast laten liggen en € 100 euro besparen op deze groep. Ruimte voor een autolader in de toekomst.
- Nieuwe hoofdschakelaar
- Beltrafo
- Merk: (Nog) niet gespecificeerd
Ik ben hier toch wel van geschrokken gezien de kosten van een groepenkast. Ik heb 'alles bij 1 partij' maar wat laten varen en nog eens een offerte. opgevraagd.
Ik heb een 44*33cm System 55 kast in de configurator van Elektramat gegooid (Medusa past niet) en ben ruim gaan zitten qua groepen.
Elektramat: €760 (Bij gebruik van enkel Alamats ca €900)
- 12 groepen + 3 ALS
- 1 Alamat 1-fase tbv PV
- 2 Alamats 3-fase
- Hoofdshakelaar
- Beltrafo
- 3-fase kast (22*33) met 12 groepen + hoofdschakelaar + beltrafo: €404
- Lege kast (22*33): €117
- 1 Alamat 1-fase: € 43
- 2 Alamats 3-fase: € 175
- Kleine zaken (kam; inzetstuk onderzijde; kabelboom): ~€25
[ Voor 6% gewijzigd door jappas op 23-12-2020 14:08 ]
@jappas de Medusa past niet omdat 'ie te hoog is? Is er dan niet iets te schuiven? Als je bij SV wil bestellen; stuur ze een mailtje. Daar krijg je snel antwoord op en eventueel maatwerk, zoals een andere kam plaatsen en andere dingen in laten bouwen doen ze niet moeilijk over.
Ik vind het wel fijn om een stuk extra ruimte te hebben in de kast, dus veel liever 3x12 dan 2x12.
Ik vind het wel fijn om een stuk extra ruimte te hebben in de kast, dus veel liever 3x12 dan 2x12.
Gasloos huis 9kW Panasonic WH-MDC09J3E5 | Atlantic Explorer V4 270L | 8715Wp @ SMA Tripower 6.0-3AV-40 (4150Wp NO, 4565Wp ZW)
Ik rekende vroegah €1200 voor zoiets ongeveer, maar de prijzen zijn nu wel flink gestegen door corona.
De buren hebben het weten te regelen voor minder dan €1K bij een partij maar die hebben dan ook een pareltje gekregen: wandcontactdozen fase bedraad met zwart 1,5mm², alle flex niet gebeugeld in de mk, merkloos schakelmateriaal en VD draad samen met YMVK kabel door 1 wartel naarbinnen gepropt.
De buren hebben het weten te regelen voor minder dan €1K bij een partij maar die hebben dan ook een pareltje gekregen: wandcontactdozen fase bedraad met zwart 1,5mm², alle flex niet gebeugeld in de mk, merkloos schakelmateriaal en VD draad samen met YMVK kabel door 1 wartel naarbinnen gepropt.
AMD Ryzen 5800X - 32GB DDR4 Corsair RGB - XFX 6900XT - Panasonic HIT 990Wp - AE200L WPB met cv-ondersteuning
Tja, wat is duur. Denk dat een elektricien op 60 euro ex BWT zit. Dus voor 900 euro kan hij 1,5 dag werken, als hij in z'n eentje komt.
Dan zou het gedeelte van de netbeheerder naar beneden moeten. Met die 22 cm extra aan de bovenkant komen de buisinvoeren een stuk boven het deurkozijn uit, samen met een ondiepe kast niet een fijne werkhouding lijkt me.timovd schreef op woensdag 23 december 2020 @ 14:30:
@jappas de Medusa past niet omdat 'ie te hoog is? Is er dan niet iets te schuiven? Als je bij SV wil bestellen; stuur ze een mailtje. Daar krijg je snel antwoord op en eventueel maatwerk, zoals een andere kam plaatsen en andere dingen in laten bouwen doen ze niet moeilijk over.
Ik vind het wel fijn om een stuk extra ruimte te hebben in de kast, dus veel liever 3x12 dan 2x12.
Jim423 schreef op woensdag 23 december 2020 @ 14:34:
Ik rekende vroegah €1200 voor zoiets ongeveer, maar de prijzen zijn nu wel flink gestegen door corona.
De buren hebben het weten te regelen voor minder dan €1K bij een partij maar die hebben dan ook een pareltje gekregen: wandcontactdozen fase bedraad met zwart 1,5mm², alle flex niet gebeugeld in de mk, merkloos schakelmateriaal en VD draad samen met YMVK kabel door 1 wartel naarbinnen gepropt.
Dat kosten wat gestegen zijn kan ik best inkomen en ik verwacht ook echt niet dat die kast zonder marge doorgaat en iemand voor niks komt werken. Mogelijk speelt de omgeving ook nog wel een rol (Deventer hier). Dat pareltje klinkt wel erg extreem, dat ga ik echt wel in de gaten houdenMeTooPV schreef op woensdag 23 december 2020 @ 14:37:
Tja, wat is duur. Denk dat een elektricien op 60 euro ex BWT zit. Dus voor 900 euro kan hij 1,5 dag werken, als hij in z'n eentje komt.

Het gaat enkel om de groepenkast, kost dat dan echt 1,5 dag?
Ter info, dit komt er voor de rest van de woning nog bij.
Overige elektra: € 3300
- Boren + plaatsen 9 WCD's en vervangen van naastliggende 9 met Gira 55.
- Boren gaten voor onderstaand.
- Nieuwe groepen keuken: 1x 3-fase 2x 1-fase (deze ligt direct achter de meterkast, door kruipruimte met ca 6 meter (2 meter in MK, 3 meter in kruipruimte, 1 meter in keuken, vaste kabel).
- Nieuwe groep wasdroger: 1e verdieping ca 12 meter (2 meter in MK, 5 meter in kruipruimte, 5 verdieping omhoog)
- Verleggen groep wasmachine: 1 verdieping omhoog (ca 5 meter kabel (of gehele nieuwe kabel vanaf de MK, zelfde trace als wasdroger).
60 m2 VV frezen en aansluiten op ketel (op locatie bestaande radiator: € 4600
Totaal: € 11k+
Als dit realistisch is moet ik me er misschien maar bij neerleggen en ik wil zeker geen beunhaas aan het werk, maar krijg nu het gevoel veel te betalen door veel bij 1 partij te leggen.
Zo heeft mijn zwager het ook gedaan.MeTooPV schreef op woensdag 23 december 2020 @ 14:37:
Tja, wat is duur. Denk dat een elektricien op 60 euro ex BWT zit. Dus voor 900 euro kan hij 1,5 dag werken, als hij in z'n eentje komt.
Zelf materiaal gekocht en toen via technisch uitzendbureau 2x elektriciens ingehuurd voor 3 dagen.
Was wel voor zijn bedrijfspand, maar scheelde toch een factor 3 met alles door een installatiebedrijf laten doen.
With so many things coming back in style, I can't wait till loyalty, intelligence and morals become a trend again.......
In maart is mijn groepenkast vervangen. 2 ABB kasten, 10 groepen op 3 ALS'en, 1 hoofdschakelaar, 1 alamat en 2 krachtgroepen (de 3-fase ALS is hergebruikt). Ik was 999 euro kwijt (materiaal en arbeid) en het werk heeft zo'n 6 uur geduurd ongeveer (1 persoon).
Geen gebeun ook, strak volgens de norm en ook nog even met de fluke het ALS-gedrag gemeten.
Jouw offerte lijkt mij dus behoorlijk aan de prijs.
Geen gebeun ook, strak volgens de norm en ook nog even met de fluke het ALS-gedrag gemeten.
Jouw offerte lijkt mij dus behoorlijk aan de prijs.
Stuur me een PM voor Wemos D1 shields voor het uitlezen van slimme meters, modbus apparaten of het aansturen van Itho mechanische ventilatie en wtw (zie ook V&A: https://tweakers.net/aanbod/user/47321/)
Een vraagje voor de experts hier. Sinds een aantal maanden woon ik in mijn nieuwe huis (nieuwbouw uit 2016) en merk ik dat soms de ALS van een fase er uit schiet (Attema groepenkast). Dit gebeurd misschien 1 keer per maand of twee. Op dit moment ben ik een aantal dagen niet thuis wat het natuurlijk wat lastiger maakt omdat de koelkast aan deze fase hangt maar verder zijn bijna alle elektrische apparaten uitgeschakeld en deels ook uit het stopcontact dus ik vind het vreemd dat alsnog iets dit kan veroorzaken.
Is er een praktische manier om de oorzaak te achterhalen? Mijn idee voor nu zou zijn om de 4 groepen die achter deze ALS hangen een voor een aan een andere fase te hangen om te kijken of het probleem zich meebeweegt. Maar ook dan zou ik liever willen weten wat er echt aan de hand is. Aan deze fase hangen de wasmachine en vaatwasser (stonden natuurlijk uit nu) en koelkast plus een groot deel van het huis qua licht en stopcontacten.
Is er een praktische manier om de oorzaak te achterhalen? Mijn idee voor nu zou zijn om de 4 groepen die achter deze ALS hangen een voor een aan een andere fase te hangen om te kijken of het probleem zich meebeweegt. Maar ook dan zou ik liever willen weten wat er echt aan de hand is. Aan deze fase hangen de wasmachine en vaatwasser (stonden natuurlijk uit nu) en koelkast plus een groot deel van het huis qua licht en stopcontacten.
[ Voor 3% gewijzigd door fsfikke op 23-12-2020 18:18 ]
Zijn spaties in de aanbieding ofzo? www.spatiegebruik.nl
Ik zou gewoon even de als wisselen met andere in je kast. Gewoon om te zien of het probleem mee verplaatst.
![]() |
De drie klemmen die te zien zijn onder de automaatschakelaars zijn bedoeld om ongewenst handmatig afschakelen te voorkomen. Ze voorkomen niet dat er afgeschakeld wordt bij overbelasting of een aardlek.
Deze klemmen zijn bedoeld voor o.a. Eaton automaten. In deze hager automaten passen ze net niet lekker. Heeft iemand een idee waar ik op moet zoeken om vergelijkbare klemmen te vinden voor Hager ?
@fsfikke niet toevallig een buitenlampje op die groep ? Triggerhappy ALS kan ook.
http://www.pvoutput.org/list.jsp?id=46229&sid=42168
Nee die zitten op een andere fase, maar thanks voor de tip. Ik ga idd eerst een keer de ALS wisselen zoals @leonbong voorstelde.habbekrats schreef op woensdag 23 december 2020 @ 20:11:
@fsfikke niet toevallig een buitenlampje op die groep ? Triggerhappy ALS kan ook.
Zijn spaties in de aanbieding ofzo? www.spatiegebruik.nl
Ik gebruik zelf graag beugels van Schnabl, maar hun EC16 beugel is helaas ook nèt te breed. Wel bruikbaar als je de buizen een klein beetje zou buigen...significant schreef op woensdag 23 december 2020 @ 20:36:
Welke buisklemmen passen op de uitgang van de ABB 3611 lasdoos?
Wat ik heb liggen heeft een te grote hart op hart maat.
Ik zoek blijkbaar verkeerd.... afbeeldingen ter beeldvorming.
[Afbeelding] [Afbeelding]
:strip_exif()/f/image/lydEuu2RJrbIZAgLTUCjBgmW.jpg?f=fotoalbum_large)
Wel precies de juiste afstand van de achterwand, da's ook wel prettig...
:strip_exif()/f/image/SQJuoSBXHbkdFa0UMUe3JPZs.jpg?f=fotoalbum_large)
PC specs!---Pulse mee voor GoT!
[22:49:37] <@Remy> ik wil een opblaasbare dSLR :+
Ik heb ook plannen voor een andere groepenkast. Maar helaas hoofdzekering ipv een automaat. Kan bij Enexis wel voor 260 een automaat laten plaatsen, maar dat wordt dan weer 1 fase. Als nu toch ga vernieuwen zou een 3 fasen installatie met oog op toekomst natuurlijk slimmer zijn. 10 groepen is nu wel voldoende (kook niet elektrisch, nog geen PV maar zit wel aan 6 panelen te denken). Ook geen elektrisch transport wat opgeladen moet worden.
Nu vallen 10 groepen ruim binnen mogelijkheid voor gebruik op 1 fase natuurlijk, maar nu 260, dan zelf andere kast erin sleutelen en over tijd weer 260 investeren, sja... En nu 3 fase aanvragen met automaten gaan ze niet doen als je geen 3 fase hoofdschakelaar hebt....
Daarnaast vind ik de bedrading vanaf de slimme meter die in de groepenkast binnenkomt wel erg krap. Stel dat ik een 1 fase automaat laat plaatsen, en de installateur besluit in al zijn wijsheid om deze weer net zo 'strak' aan te sluiten zoals nu wordt het wel errug krap. Of zie ik dat verkeerd?
:strip_exif()/f/image/x88p2qp1WOq5Te6VCPhek6zm.jpg?f=fotoalbum_large)
Nu vallen 10 groepen ruim binnen mogelijkheid voor gebruik op 1 fase natuurlijk, maar nu 260, dan zelf andere kast erin sleutelen en over tijd weer 260 investeren, sja... En nu 3 fase aanvragen met automaten gaan ze niet doen als je geen 3 fase hoofdschakelaar hebt....
Daarnaast vind ik de bedrading vanaf de slimme meter die in de groepenkast binnenkomt wel erg krap. Stel dat ik een 1 fase automaat laat plaatsen, en de installateur besluit in al zijn wijsheid om deze weer net zo 'strak' aan te sluiten zoals nu wordt het wel errug krap. Of zie ik dat verkeerd?
:strip_exif()/f/image/x88p2qp1WOq5Te6VCPhek6zm.jpg?f=fotoalbum_large)
:strip_exif()/f/image/aACCTDlvKyjLSZP24Neuh6Gg.jpg?f=fotoalbum_large)
Als je de hoofdzekering door een automaat laat vervangen komt de monteur helemaal niet aan die bedrading. Misschien vervangt hij bedrading tussen de hoofdzekeringkast en de meter, maar waarschijnlijk niet die tussen de meter en de groepenkast.dimi_v schreef op woensdag 23 december 2020 @ 22:05:
Daarnaast vind ik de bedrading vanaf de slimme meter die in de groepenkast binnenkomt wel erg krap. Stel dat ik een 1 fase automaat laat plaatsen, en de installateur besluit in al zijn wijsheid om deze weer net zo 'strak' aan te sluiten zoals nu wordt het wel errug krap. Of zie ik dat verkeerd?
Je kunt beter een installateur met zegelrecht laten komen om de nieuwe kast (deels) aan te sluiten. Als de kast hangt en de hoofdschakelaar is aangesloten kun je de rest zelf?
PC specs!---Pulse mee voor GoT!
[22:49:37] <@Remy> ik wil een opblaasbare dSLR :+
Enkel zegel laten plaatsen op kastje waar deze op magische wijze niet meer op zit is maar 60,-dimi_v schreef op woensdag 23 december 2020 @ 22:05:
Ik heb ook plannen voor een andere groepenkast. Maar helaas hoofdzekering ipv een automaat. Kan bij Enexis wel voor 260 een automaat laten plaatsen, maar dat wordt dan weer 1 fase. Als nu toch ga vernieuwen zou een 3 fasen installatie met oog op toekomst natuurlijk slimmer zijn. 10 groepen is nu wel voldoende (kook niet elektrisch, nog geen PV maar zit wel aan 6 panelen te denken). Ook geen elektrisch transport wat opgeladen moet worden.
Nu vallen 10 groepen ruim binnen mogelijkheid voor gebruik op 1 fase natuurlijk, maar nu 260, dan zelf andere kast erin sleutelen en over tijd weer 260 investeren, sja... En nu 3 fase aanvragen met automaten gaan ze niet doen als je geen 3 fase hoofdschakelaar hebt....
Daarnaast vind ik de bedrading vanaf de slimme meter die in de groepenkast binnenkomt wel erg krap. Stel dat ik een 1 fase automaat laat plaatsen, en de installateur besluit in al zijn wijsheid om deze weer net zo 'strak' aan te sluiten zoals nu wordt het wel errug krap. Of zie ik dat verkeerd?
[Afbeelding]
[Afbeelding]
kabeltjekabel schreef op woensdag 23 december 2020 @ 22:28:
[...]
Enkel zegel laten plaatsen op kastje waar deze op magische wijze niet meer op zit is maar 60,-

Maar dan blijft de aanvoer vanaf de slimme meter nog steeds erg krap... moet maar net een kast zijn waar helemaal onderin je voeding aangesloten kan worden.
Twee zwevende lasklemmendimi_v schreef op woensdag 23 december 2020 @ 23:38:
[...]
![]()
Maar dan blijft de aanvoer vanaf de slimme meter nog steeds erg krap... moet maar net een kast zijn waar helemaal onderin je voeding aangesloten kan worden.
Als je dan toch zegels magisch wilt laten verdwijnen, kan het zegel op de meter er ook wel af toch?dimi_v schreef op woensdag 23 december 2020 @ 23:38:
[...]
![]()
Maar dan blijft de aanvoer vanaf de slimme meter nog steeds erg krap... moet maar net een kast zijn waar helemaal onderin je voeding aangesloten kan worden.

Of je laat het doen door een partij die dit gewoon mag doen.
PC specs!---Pulse mee voor GoT!
[22:49:37] <@Remy> ik wil een opblaasbare dSLR :+
Nieuwe kast met blokjes onderin; volgens mij zitten ze gewoon op dezelfde hoogte. Bij omzetten naar 3-fase wel rechtstreeks op hoofdschakelaar laten aansluiten.
Ik wil mijn toekomstige aansluiting van 1x35 naar 3x25 laten upgraden ivm keuken. Met een vorige verbouwing zou de keuken zijn voorbereid op elektrisch koken, maar het is nooit in gebruik genomen. De netbeheerder geeft aan dat als de meterkast niet goed is voorbereid ze dan niet aan de slag kunnen.
Als ik check dan klopt het plaatje niet volledig met het voorbeeld dat ik kan vinden. Ik heb totaal geen verstand van groepenkasten maar als ik het zo vanaf het plaatje moet beoordelen lijkt de 'doorverdeler van de nul' te missen en mist er één aardlek schakelaar.

:strip_exif()/f/image/Xjx24ERXmlbsstdz005A0mJl.jpg?f=fotoalbum_large)
Kan ik de upgrade al laten uitvoeren door de netbeheerder of ontstaat er dan een probleem?
Als ik check dan klopt het plaatje niet volledig met het voorbeeld dat ik kan vinden. Ik heb totaal geen verstand van groepenkasten maar als ik het zo vanaf het plaatje moet beoordelen lijkt de 'doorverdeler van de nul' te missen en mist er één aardlek schakelaar.

:strip_exif()/f/image/Xjx24ERXmlbsstdz005A0mJl.jpg?f=fotoalbum_large)
Kan ik de upgrade al laten uitvoeren door de netbeheerder of ontstaat er dan een probleem?
[ Voor 70% gewijzigd door sdk1985 op 24-12-2020 03:01 ]
Hostdeko webhosting: Sneller dan de concurrentie, CO2 neutraal en klantgericht.
@sdk1985 ; je hebt nu nog een 1-fase aansluiting?
Als alles boven de meter op de foto staat;
-Je mist een 4P hoofdschakelaar en dat is harde vereiste voordat de netbeheerder langskomt voor 3-fase upgrade.
-Je twee aardlekschakelaars zijn van het antieke AC type
-Je hebt >4 groepen per ALS of groepen zonder aardlekbeveiliging -wat alleen mag in bepaalde gevallen-
Als je de huidige kast wilt behouden;
Onderin wat schuiven en 4P hoofdschakelaar toevoegen
Netbeheerder langskomen en de aansluiting laten omzetten naar 3-fase
Je antieke aardlekschakelaars eruit knikkeren en 3x 2P Type A er in
Dan zit je nog met die 3-fase groep; ruimte om die een eigen 4P aardlekschakelaar te geven heb je niet, dus kun je netzogoed een 4P aardlekautomaat erin doen.
Als alles boven de meter op de foto staat;
-Je mist een 4P hoofdschakelaar en dat is harde vereiste voordat de netbeheerder langskomt voor 3-fase upgrade.
-Je twee aardlekschakelaars zijn van het antieke AC type
-Je hebt >4 groepen per ALS of groepen zonder aardlekbeveiliging -wat alleen mag in bepaalde gevallen-
Als je de huidige kast wilt behouden;
Onderin wat schuiven en 4P hoofdschakelaar toevoegen
Netbeheerder langskomen en de aansluiting laten omzetten naar 3-fase
Je antieke aardlekschakelaars eruit knikkeren en 3x 2P Type A er in
Dan zit je nog met die 3-fase groep; ruimte om die een eigen 4P aardlekschakelaar te geven heb je niet, dus kun je netzogoed een 4P aardlekautomaat erin doen.
[ Voor 34% gewijzigd door kabeltjekabel op 24-12-2020 03:27 ]
Thanks!kabeltjekabel schreef op donderdag 24 december 2020 @ 03:25:
@sdk1985 ; je hebt nu nog een 1-fase aansluiting?
Als alles boven de meter op de foto staat;
-Je mist een 4P hoofdschakelaar en dat is harde vereiste voordat de netbeheerder langskomt voor 3-fase upgrade.
-Je twee aardlekschakelaars zijn van het antieke AC type
-Je hebt >4 groepen per ALS of groepen zonder aardlekbeveiliging -wat alleen mag in bepaalde gevallen-
Als je de huidige kast wilt behouden;
Onderin wat schuiven en 4P hoofdschakelaar toevoegen
Netbeheerder langskomen en de aansluiting laten omzetten naar 3-fase
Je antieke aardlekschakelaars eruit knikkeren en 3x 2P Type A er in
Dan zit je nog met die 3-fase groep; ruimte om die een eigen 4P aardlekschakelaar te geven heb je niet, dus kun je netzogoed een 4P aardlekautomaat erin doen.
Aansluiting is nu 1x35 volgens Enexis.
Of er nog iets boven zit is niet helemaal duidelijk. Er zit een verlaagd plafond in van board platen met een aantal schroeven. Toen ik de huidige eigenaar vroeg of de meterkast 3-fase was voorbereid heeft die aangegeven dat plafond te hebben verwijderd en gezegd dat hij stroom heeft gemeten op de linker schakelaar. Dat impliceert dat er nog wat boven zit.
Betreft antiek. Dat kan zeker kloppen. Zo ver ik heb meegekregen is de keuken 20 jaar geleden vernieuwd, maar heeft de netbeheerder recent de dikke zwarte buis aangelegd.
Betreft de missende vereiste hoofdschakelaar. Is dat niet de linker schakelaar? Daar staat 400V op (FX 300) en het zijn er 4 die tegelijk gaan. Of is dit iets heel anders? Originele foto's met meer detail https://imgur.com/a/TSEVt3a
Betreft aarde; momenteel is er AFAIK alleen aarde in de keuken en op zolder (cv/wasmachine). Ik ga voor ik verhuis eerst de 1e etage renoveren en wil meteen overal nieuwe schakelmateriaal met randaarde plaatsen. Dat zou het liefst binnen 3 weken moeten lukken. De gewenste zonnepanelen (8 tot 14 stuks) en keuken (inductie) heb ik maar even uitgestelt tot later in 2021. Dat ga ik niet meer redden met huidige corona gedoe.
Bij de pv aanvraag moet je aangeven wat voor aansluiting je hebt. Het leek mij handig nu al die 3x25 te hebben. Maar Enexis moet niet voor niets komen, dat kost alleen maar geld. Die situatie wil ik voorkomen. (Los daarvan voel ik aankomen dat het advies wordt voor PV+inductie de hele groepenkast te vervangen als ik je verhaal zo lees
[ Voor 40% gewijzigd door sdk1985 op 24-12-2020 04:32 ]
Hostdeko webhosting: Sneller dan de concurrentie, CO2 neutraal en klantgericht.
Maakt mij niet uit wat het volgens Enexis is... kijk op je meter; enkelfase of 3-fase?sdk1985 schreef op donderdag 24 december 2020 @ 04:04:
[...]
Thanks!
Aansluiting is nu 1x35 volgens Enexis.
Ik bedoelde meer tussen wat op je eerste foto stond en de meter. Soms zit daar zo'n 220x110 kastje met hoofdschakelaar.sdk1985 schreef op donderdag 24 december 2020 @ 04:04:
Of er nog iets boven zit is niet helemaal duidelijk.
Zo te zien is de meterkast in gebruik als opslag voor allerlei brandbare shit
Dat was dan toch helemaal geen antwoord op je vraag?sdk1985 schreef op donderdag 24 december 2020 @ 04:04:
Er zit een verlaagd plafond in van board platen met een aantal schroeven. Toen ik de huidige eigenaar vroeg of de meterkast 3-fase was voorbereid heeft die aangegeven dat plafond te hebben verwijderd en gezegd dat hij stroom heeft gemeten op de linker schakelaar. Dat impliceert dat er nog wat boven zit.
Welke zwarte buis? Die aardlekschakelaars zijn veel ouder dan 20 jaar of kwamen toen al van een Marktplaats equivalent af.sdk1985 schreef op donderdag 24 december 2020 @ 04:04:
Betreft antiek. Dat kan zeker kloppen. Zo ver ik heb meegekregen is de keuken 20 jaar geleden vernieuwd, maar heeft de netbeheerder recent de dikke zwarte buis aangelegd.
Nee, dat is gewoon een 3P+N automaat. Het geeft wel te denken wat daar op aangesloten zit als je nu geen 3-fase hebt...sdk1985 schreef op donderdag 24 december 2020 @ 04:04:
Betreft de missende vereiste hoofdschakelaar. Is dat niet de linker schakelaar? Daar staat 400V op (FX 300) en het zijn er 4 die tegelijk gaan. Of is dit iets heel anders? Originele foto's met meer detail https://imgur.com/a/TSEVt3a
Nja, als je te veel los koopt had je de kast er gratis bij kunnen krijgen.sdk1985 schreef op donderdag 24 december 2020 @ 04:04:
Betreft aarde; momenteel is er AFAIK alleen aarde in de keuken en op zolder (cv/wasmachine). Ik ga voor ik verhuis eerst de 1e etage renoveren en wil meteen overal nieuwe schakelmateriaal met randaarde plaatsen. Dat zou het liefst binnen 3 weken moeten lukken. De gewenste zonnepanelen (8 tot 14 stuks) en keuken (inductie) heb ik maar even uitgestelt tot later in 2021. Dat ga ik niet meer redden met huidige corona gedoe.
Bij de pv aanvraag moet je aangeven wat voor aansluiting je hebt. Het leek mij handig nu al die 3x25 te hebben. Maar Enexis moet niet voor niets komen, dat kost alleen maar geld. Die situatie wil ik voorkomen. (Los daarvan voel ik aankomen dat het advies wordt voor PV+inductie de hele groepenkast te vervangen als ik je verhaal zo lees).
Jij maakt wel heel spannend, denk dat de transparante kap verwijderen mogelijk nog voor 60 euro door de vingers gezien wordt ("sorry meneer, we gebruikten zondagavond iets teveel stroom dus snel de zekering vervangen > klinkt nog enigzins plausibel als er een 3 fasen kast achter zit). Maar de meter verwijderen, ik denk dat je dan echt wat uit te leggen hebt.Xander schreef op woensdag 23 december 2020 @ 23:47:
[...]
Als je dan toch zegels magisch wilt laten verdwijnen, kan het zegel op de meter er ook wel af toch?Kun je nieuwe bedrading aansluiten.
Of je laat het doen door een partij die dit gewoon mag doen.
Kan natuurlijk ook, als het zou passen onder, niks met verbroken zegel doen. En zo jaaaaren laren. Maar wordt extra geld uitgeven ben ik bang, en daar ben ik allergisch voor, plus wordt mogelijk minder mooi/netjes gedaan wanneer ik zelf aan de slag ga.
Mocht je zelf die hoofdzekering gaan trekken; bedenk dat de inhoud van dat kastje veelal niet aanraakveiligheid is...
En maak de boel eerst stroomloos; dus eerst alles in de kast er boven uitschakelen, dan pas de smeltzekering er uit. Doe je dat niet, dan ga je vonkentrekken in de zekeringhouder en dat is een beetje jammer..
En maak de boel eerst stroomloos; dus eerst alles in de kast er boven uitschakelen, dan pas de smeltzekering er uit. Doe je dat niet, dan ga je vonkentrekken in de zekeringhouder en dat is een beetje jammer..
Ik heb een vraag en ik denk dat het niet mag.
Ik heb 1 leiding van het aansluitpunt voor de zonwering naar de meterkast.
mag ik in deze pijp 2 kabels trekken, 1x 4x0.22 alarm kabel en 1x 4 adrige zonwering kabel?
Ik zou namelijk graag op mijn raam een raam contact willen zetten, als openstand detectie.
Dit alles wil ik aansluiten op een domotica systeem.
Ik heb 1 leiding van het aansluitpunt voor de zonwering naar de meterkast.
mag ik in deze pijp 2 kabels trekken, 1x 4x0.22 alarm kabel en 1x 4 adrige zonwering kabel?
Ik zou namelijk graag op mijn raam een raam contact willen zetten, als openstand detectie.
Dit alles wil ik aansluiten op een domotica systeem.
En wat is die 4 aderige voor kabel? 'Zonwerinkabel' ken ik nietClumsy Smurf schreef op donderdag 24 december 2020 @ 16:51:
Ik heb een vraag en ik denk dat het niet mag.
Ik heb 1 leiding van het aansluitpunt voor de zonwering naar de meterkast.
mag ik in deze pijp 2 kabels trekken, 1x 4x0.22 alarm kabel en 1x 4 adrige zonwering kabel?
Ik zou namelijk graag op mijn raam een raam contact willen zetten, als openstand detectie.
Dit alles wil ik aansluiten op een domotica systeem.
Kabel om de zonwering mee aan te sturen.Koekstra schreef op donderdag 24 december 2020 @ 17:00:
[...]
En wat is die 4 aderige voor kabel? 'Zonwerinkabel' ken ik niet
Nul
Op
Neer
Aarde
Spanning 230V
Vanaf 29 december kan ik zelf kijken. Tot dan moet ik het met deze foto's doen. Het is inderdaad geen duidelijk antwoord op mijn vraag. De vorige eigenaar heeft de boel laten aanleggen dus het is helaas horen van met 20 jaar ertussen.kabeltjekabel schreef op donderdag 24 december 2020 @ 05:29:
[...]
Maakt mij niet uit wat het volgens Enexis is... kijk op je meter; enkelfase of 3-fase?
Ik bedoelde meer tussen wat op je eerste foto stond en de meter. Soms zit daar zo'n 220x110 kastje met hoofdschakelaar.
Zo te zien is de meterkast in gebruik als opslag voor allerlei brandbare shit
[...]
Dat was dan toch helemaal geen antwoord op je vraag?
Midden boven met de rode ring erom en het touwtje eraan.Welke zwarte buis? Die aardlekschakelaars zijn veel ouder dan 20 jaar of kwamen toen al van een Marktplaats equivalent af.
Helemaal niks zo ver ik begrepen heb.Nee, dat is gewoon een 3P+N automaat. Het geeft wel te denken wat daar op aangesloten zit als je nu geen 3-fase hebt...
Maar goed dat ik nog niks gekocht heb danNja, als je te veel los koopt had je de kast er gratis bij kunnen krijgen.
Hostdeko webhosting: Sneller dan de concurrentie, CO2 neutraal en klantgericht.
sdk1985 schreef op donderdag 24 december 2020 @ 04:04:
Zo ver ik heb meegekregen is de keuken 20 jaar geleden vernieuwd, maar heeft de netbeheerder recent de dikke zwarte buis aangelegd.
sdk1985 schreef op donderdag 24 december 2020 @ 17:52:
Midden boven met de rode ring erom en het touwtje eraan.
Ben er vrij zeker van dat de netbeheerder die niet heeft aangelegd.
PC specs!---Pulse mee voor GoT!
[22:49:37] <@Remy> ik wil een opblaasbare dSLR :+
Dat was lachen geweest, als jij meegedaan had aan 'get the picture'sdk1985 schreef op donderdag 24 december 2020 @ 17:52:
[...]
Midden boven met de rode ring erom en het touwtje eraan.
In dat geval is het antwoord nee.Clumsy Smurf schreef op donderdag 24 december 2020 @ 17:16:
[...]
Kabel om de zonwering mee aan te sturen.
Nul
Op
Neer
Aarde
Spanning 230V
Het kan wel, storingen zullen ook wel mee vallen waarschijnlijk, maar data hoort in een eigen buis.
Als je ècht geen andere optie hebt, gebruik dan afgeschermde kabel bij voorkeur twisted Pairs om de storingen te minimaliseren. Wel de afscherming aarden aan de kant van je apparatuurkast.
Thanks, ik was er al bang voor.Koekstra schreef op donderdag 24 december 2020 @ 18:02:
[...]
In dat geval is het antwoord nee.
Het kan wel, storingen zullen ook wel mee vallen waarschijnlijk, maar data hoort in een eigen buis.
Als je ècht geen andere optie hebt, gebruik dan afgeschermde kabel bij voorkeur twisted Pairs om de storingen te minimaliseren. Wel de afscherming aarden aan de kant van je apparatuurkast.
Xander schreef op donderdag 24 december 2020 @ 18:01:
[...]
[...]
Dat is gewoon een zaklamp die bovenop de groepenkast staat.
Ben er vrij zeker van dat de netbeheerder die niet heeft aangelegd.



[ Voor 6% gewijzigd door sdk1985 op 24-12-2020 18:22 ]
Hostdeko webhosting: Sneller dan de concurrentie, CO2 neutraal en klantgericht.
Optisch mag er wel naast. Rond de 50 euro heb je een 100 mbit POF verbinding. Max. 50 meter. Ik kan de link helaas niet zo terugvinden. Edit: maar dan moet het wel ethernet zijn, en dat is jouw toepassing niet.
[ Voor 11% gewijzigd door Milmoor op 24-12-2020 19:34 ]
Rekeningrijden is onvermijdelijk, uitstel is struisvogelpolitiek.
Als beide kabel zijn, dus dubbele isolatie zoals xmvk kun je het gewoon in 1 buis duwen. Losse vd draad mag inderdaad niet met andere in dezelfde buis.Koekstra schreef op donderdag 24 december 2020 @ 18:02:
[...]
In dat geval is het antwoord nee.
Het kan wel, storingen zullen ook wel mee vallen waarschijnlijk, maar data hoort in een eigen buis.
Als je ècht geen andere optie hebt, gebruik dan afgeschermde kabel bij voorkeur twisted Pairs om de storingen te minimaliseren. Wel de afscherming aarden aan de kant van je apparatuurkast.
http://www.pvoutput.org/list.jsp?id=46229&sid=42168
Volgens mij mag dit bij XMvK ook niet, maar alleen bij YMvK mag dit.habbekrats schreef op donderdag 24 december 2020 @ 20:52:
[...]
Als beide kabel zijn, dus dubbele isolatie zoals xmvk kun je het gewoon in 1 buis duwen. Losse vd draad mag inderdaad niet met andere in dezelfde buis.
Uit m'n hoofd mag XMvK alleen maar "standalone" gebruikt worden en nergens mee gebundeld, in tegenstelling tot YMvK die wel gebundeld mag worden.
Vake beej te bange! Maar soms beej oek te dapper! ;)
Zonder de agrariër ook geen eten voor de vegetariër!
Heb je al eens gedacht aan de meest voor de hand liggende oorzaak: de koelkast?fsfikke schreef op woensdag 23 december 2020 @ 18:14:
Een vraagje voor de experts hier. Sinds een aantal maanden woon ik in mijn nieuwe huis (nieuwbouw uit 2016) en merk ik dat soms de ALS van een fase er uit schiet (Attema groepenkast). Dit gebeurd misschien 1 keer per maand of twee. Op dit moment ben ik een aantal dagen niet thuis wat het natuurlijk wat lastiger maakt omdat de koelkast aan deze fase hangt maar verder zijn bijna alle elektrische apparaten uitgeschakeld en deels ook uit het stopcontact dus ik vind het vreemd dat alsnog iets dit kan veroorzaken.
Ik heb ruimte te kort op de rail voor de nul aders.
Nu wil ik dus bij 3 aardlekken de nul aders doorlussen. Zodat ik op de rail maar 1 aansluiting ipv 3 nodig heb.
Nu weet ik dat het mag maar ik kan nergens vinden hoe dik deze draad dan moet worden.
Is 6mm2 soepel dan voldoende ? Gaat om een 3 fase kast en elke aardlek zit op een eigen fase.
Nu wil ik dus bij 3 aardlekken de nul aders doorlussen. Zodat ik op de rail maar 1 aansluiting ipv 3 nodig heb.
Nu weet ik dat het mag maar ik kan nergens vinden hoe dik deze draad dan moet worden.
Is 6mm2 soepel dan voldoende ? Gaat om een 3 fase kast en elke aardlek zit op een eigen fase.
Tja, wat zou daarmee zijn dan? Is een 4 jaar oude Siemens top-of-the-bill fancy koelkast.Martin7182 schreef op donderdag 24 december 2020 @ 23:13:
[...]
Heb je al eens gedacht aan de meest voor de hand liggende oorzaak: de koelkast?
Zijn spaties in de aanbieding ofzo? www.spatiegebruik.nl
Ik vermoed dat er op een aardfout geduid wordt. Komt vaker bij voor koelkasten. Of het nou een Beko of een Siemens is :-)fsfikke schreef op vrijdag 25 december 2020 @ 00:36:
[...]
Tja, wat zou daarmee zijn dan? Is een 4 jaar oude Siemens top-of-the-bill fancy koelkast.
Even de koelkast met een kabel op een andere groep (andere aardlek!) en kijken of 't probleem mee verhuist.
28 x AUO SunBravo + Fronius Symo 10.0 + Mitsubishi Zubadan 8kw om de stroom weer op te maken...
>Lekstroom metenfsfikke schreef op woensdag 23 december 2020 @ 18:14:
Een vraagje voor de experts hier. Sinds een aantal maanden woon ik in mijn nieuwe huis (nieuwbouw uit 2016) en merk ik dat soms de ALS van een fase er uit schiet (Attema groepenkast). Dit gebeurd misschien 1 keer per maand of twee. Op dit moment ben ik een aantal dagen niet thuis wat het natuurlijk wat lastiger maakt omdat de koelkast aan deze fase hangt maar verder zijn bijna alle elektrische apparaten uitgeschakeld en deels ook uit het stopcontact dus ik vind het vreemd dat alsnog iets dit kan veroorzaken.
Is er een praktische manier om de oorzaak te achterhalen? Mijn idee voor nu zou zijn om de 4 groepen die achter deze ALS hangen een voor een aan een andere fase te hangen om te kijken of het probleem zich meebeweegt. Maar ook dan zou ik liever willen weten wat er echt aan de hand is. Aan deze fase hangen de wasmachine en vaatwasser (stonden natuurlijk uit nu) en koelkast plus een groot deel van het huis qua licht en stopcontacten.
>Isolatieweerstand testen
>ALS testen (niet met knopje, maar met installatietester)
Daar heb je wat specialistische apparatuur voor nodig... als je dat niet hebt is laten doen of preventie e.e.a. vervangen goedkoper.
[ Voor 5% gewijzigd door kabeltjekabel op 25-12-2020 01:01 ]
Kamrail voor de nul gebruiken. Steek 35,6mmJan-man schreef op donderdag 24 december 2020 @ 23:21:
Ik heb ruimte te kort op de rail voor de nul aders.
Nu wil ik dus bij 3 aardlekken de nul aders doorlussen. Zodat ik op de rail maar 1 aansluiting ipv 3 nodig heb.
Nu weet ik dat het mag maar ik kan nergens vinden hoe dik deze draad dan moet worden.
Is 6mm2 soepel dan voldoende ? Gaat om een 3 fase kast en elke aardlek zit op een eigen fase.
Voor dwarsdoorsnede bedrading; afhankelijk van voorbeveiliging.
[ Voor 6% gewijzigd door kabeltjekabel op 25-12-2020 01:03 ]
Dank voor de tip, prachtige benaming overigens :Herdanschlussdosekabeltjekabel schreef op zaterdag 19 december 2020 @ 19:30:
Je kunt de Perilex ook helemaal schrappen en bijvoorbeeld zoiets gebruiken;
[Afbeelding]
https://www.obi.de/herdan...bindungsklemmen/p/4571931
Dan kun je direct je apparaataansluitsnoer zonder aderafwerking aansluiten en ook 4mm2 kun je er in kwijt.
Maar voor gewoon 16A per geleider over normale afstanden is 2,5 prima.
18950Wp🌞, Atlantic 270V3💧, Pana 5J🔥. Zendure 2400AC 11,5kWh🔋,Hyundai Kona 64kWh 🚗, Peblar Home ⛽
Ja, precies! Als een ALS eruit gaat, komt dat meestal door een te grote lekstroom, niet door een defecte ALS. Zeker als je apparaten (ook op aarde) aangesloten hebt. Als je alleen de koelkast aangesloten hebt, dan is die de meest voor de hand liggende oorzaak.hesselbeertje schreef op vrijdag 25 december 2020 @ 00:45:
[...]
Ik vermoed dat er op een aardfout geduid wordt. Komt vaker bij voor koelkasten. Of het nou een Beko of een Siemens is :-)
Even de koelkast met een kabel op een andere groep (andere aardlek!) en kijken of 't probleem mee verhuist.
Zorg er wel voor dat je bij het testen een kabel met aarde gebruikt, zonder dat kan de lekstroom niet weg en reageert de ALS niet. Bovendien is het zonder aarde uiterst gevaarlijk, juist omdat het apparaat wellicht defect is.
Precies dat, dan kan er spanning op het apparaat komen te staan en dat is levensgevaarlijk.Martin7182 schreef op vrijdag 25 december 2020 @ 13:07:
[...]
Ja, precies! Als een ALS eruit gaat, komt dat meestal door een te grote lekstroom, niet door een defecte ALS. Zeker als je apparaten (ook op aarde) aangesloten hebt. Als je alleen de koelkast aangesloten hebt, dan is die de meest voor de hand liggende oorzaak.
Zorg er wel voor dat je bij het testen een kabel met aarde gebruikt, zonder dat kan de lekstroom niet weg en reageert de ALS niet. Bovendien is het zonder aarde uiterst gevaarlijk, juist omdat het apparaat wellicht defect is.
Mocht je twijfelen over je aardlekschakelaar, ze hebben niet voor niets een test knopje! Eigenlijk moet je dat jaarlijks doen, ik doe het af en toe eens als de klokken verzet moeten worden, eigenlijk ook niet regelmatig genoeg.
Het leven is te kort om geduld te hebben!
Over een paar maanden krijg ik mijn nieuwbouwwoning opgeleverd. Nu heb ik naar de garage 3 loze leidingen laten leggen, om zelf te bekabelen voor de volgende apparaten:
- frituur (3200 W)
- wasmachine (2800 W)
- wasmachine (2400 W)
Ik kan ondertussen niets meer wijzigen. Maar ik zat te denken dat in plaats van drie groepen te trekken, ik ook een extra groepenkast in de garage kan maken waar alle drie de fases binnenkomen. Zo blijf ik flexibel om enerzijds in de garage de drie apparaten over andere fases te verdelen mocht dat in de toekomst wenselijk zijn. En mocht er nog een apparaat bijkomen dan kan die gemakkelijk aan een losse groep vanuit die extra groepenkast. Of bijvoorbeeld ooit een sauna in de tuin zou dan vanuit de garage kunnen worden aangelegd.
Ik vraag me alleen af hoe ik dat het beste kan doen. Ik heb dus 3 loze leidingen van 3/4. Kan ik door 1 van die buizen 5 draden 2.5mm2 trekken? Maar dan kan ik maximaal 16A binnenkrijgen in de garage toch? Kan ik überhaupt de volledige 3x 25A in mijn garage binnenkrijgen? Of mag dat niet vanwege selectiviteit? En als ik 3x25A binnen wil krijgen, dan moeten de draden 4mm2 zijn denk ik? Dat past niet door 1 buis. Zou ik die door twee buizen kunnen leggen en dan samen laten komen?
Hopelijk is er iets te volgen van mijn verhaal
.
- frituur (3200 W)
- wasmachine (2800 W)
- wasmachine (2400 W)
Ik kan ondertussen niets meer wijzigen. Maar ik zat te denken dat in plaats van drie groepen te trekken, ik ook een extra groepenkast in de garage kan maken waar alle drie de fases binnenkomen. Zo blijf ik flexibel om enerzijds in de garage de drie apparaten over andere fases te verdelen mocht dat in de toekomst wenselijk zijn. En mocht er nog een apparaat bijkomen dan kan die gemakkelijk aan een losse groep vanuit die extra groepenkast. Of bijvoorbeeld ooit een sauna in de tuin zou dan vanuit de garage kunnen worden aangelegd.
Ik vraag me alleen af hoe ik dat het beste kan doen. Ik heb dus 3 loze leidingen van 3/4. Kan ik door 1 van die buizen 5 draden 2.5mm2 trekken? Maar dan kan ik maximaal 16A binnenkrijgen in de garage toch? Kan ik überhaupt de volledige 3x 25A in mijn garage binnenkrijgen? Of mag dat niet vanwege selectiviteit? En als ik 3x25A binnen wil krijgen, dan moeten de draden 4mm2 zijn denk ik? Dat past niet door 1 buis. Zou ik die door twee buizen kunnen leggen en dan samen laten komen?
Hopelijk is er iets te volgen van mijn verhaal
Wij hebben 40 mm cableflex buis
onder de tuin door lopen naaar tuinhuis. Daar moet ik nu een elekctra kabel door trekken, solar bekabeling en kabel voor een access point.
Het kabeltraject loopt onder bestrating en tuinhuis door. Er graven zal niet meer gebeuren.
1) welke kabel voor electra mag ik er door trekken ? Kan dat met een ymvk of moet dat een ymvk-as zijn ?
2) mag ik er solar en data kabel bij leggen in een buis ? Het is een 3 fase solaredge opstelling dus er loopt 750 volt door heen, en max 11.2 A
3) de data bekabeling wil ik via een overbespanning beveiliging op de switch aansluiten zodat die niet overspanning krijgt.
Beter een shielded buitenkabel nemen dan standaard UTP ?
onder de tuin door lopen naaar tuinhuis. Daar moet ik nu een elekctra kabel door trekken, solar bekabeling en kabel voor een access point.
Het kabeltraject loopt onder bestrating en tuinhuis door. Er graven zal niet meer gebeuren.
1) welke kabel voor electra mag ik er door trekken ? Kan dat met een ymvk of moet dat een ymvk-as zijn ?
2) mag ik er solar en data kabel bij leggen in een buis ? Het is een 3 fase solaredge opstelling dus er loopt 750 volt door heen, en max 11.2 A
3) de data bekabeling wil ik via een overbespanning beveiliging op de switch aansluiten zodat die niet overspanning krijgt.
Beter een shielded buitenkabel nemen dan standaard UTP ?
8x330 NO12.5°, 8x330 ZW12.5°, 8x350 ZW60°, 8x325 NO10°, SE8K, P500. 6x410 ZW10° Enphase
Er zit een standaard 40a hoofdschakelaar voor. De kast zelf is 3x25a afgezekerd door Enexis.kabeltjekabel schreef op vrijdag 25 december 2020 @ 01:02:
[...]
Kamrail voor de nul gebruiken. Steek 35,6mm
Voor dwarsdoorsnede bedrading; afhankelijk van voorbeveiliging.
Dat ziet er best strak uit. Ik kan helaas de pijpen niet meer buigen omdat de draden erin zitten.Xander schreef op woensdag 23 december 2020 @ 21:07:
[...]
Ik gebruik zelf graag beugels van Schnabl, maar hun EC16 beugel is helaas ook nèt te breed. Wel bruikbaar als je de buizen een klein beetje zou buigen...
[Afbeelding]
Wel precies de juiste afstand van de achterwand, da's ook wel prettig...
[Afbeelding]
Als er nog andere suggestie zijn...
Gezien de 25A voorbeveiliging zou je ook 4mm² kunnen gebruiken, maar ik zou gewoon 6mm² doen, dan blijft de kast gewoon geschikt voor een upgrade van de aansluiting. 6mm² is ook wel de standaard.Jan-man schreef op vrijdag 25 december 2020 @ 16:00:
[...]
Er zit een standaard 40a hoofdschakelaar voor. De kast zelf is 3x25a afgezekerd door Enexis.
Door een verandering van de lokatie van de schakelkast heb ik helaas een 5mtr te korte ymvk-as kabel van de schakelkast naar de laadpaal. Het betreft een 5 aderige kabel met aardescherm met 6mm2 aders.
De verlenging komt op de muur in de garage(dus niet buiten) wat is de best practice om een dergelijk kabel met hoge belasting te verlengen? Ruime doos met lasklemmen of een kabelverbinder of een gietmof?
De verlenging komt op de muur in de garage(dus niet buiten) wat is de best practice om een dergelijk kabel met hoge belasting te verlengen? Ruime doos met lasklemmen of een kabelverbinder of een gietmof?
44x Trina 330WP @ SMA 10.00; Hitachi Yutaki 5,5KW AIO 280L
@Appie Heijn, een gietmof is niet nodig als de lasdoos o.i.d. boven de grond blijft.
Ik zou lasklemmen (let op: moeten geschikt zijn voor 6mm²) gebruiken of terminals.
Ik zou lasklemmen (let op: moeten geschikt zijn voor 6mm²) gebruiken of terminals.
Gasloos huis 9kW Panasonic WH-MDC09J3E5 | Atlantic Explorer V4 270L | 8715Wp @ SMA Tripower 6.0-3AV-40 (4150Wp NO, 4565Wp ZW)
Heb je een voorbeeld van “terminal”?timovd schreef op zaterdag 26 december 2020 @ 12:02:
@Appie Heijn, een gietmof is niet nodig als de lasdoos o.i.d. boven de grond blijft.
Ik zou lasklemmen (let op: moeten geschikt zijn voor 6mm²) gebruiken of terminals.
44x Trina 330WP @ SMA 10.00; Hitachi Yutaki 5,5KW AIO 280L
@Appie Heijn, bijvoorbeeld een Hensel kabeldoos, maar misschien is een 4-p werkschakelaar ook wel praktisch.
[ Voor 0% gewijzigd door timovd op 26-12-2020 13:50 . Reden: Een 4p inderdaad! ]
Gasloos huis 9kW Panasonic WH-MDC09J3E5 | Atlantic Explorer V4 270L | 8715Wp @ SMA Tripower 6.0-3AV-40 (4150Wp NO, 4565Wp ZW)
4 polig lijkt me veiliger.timovd schreef op zaterdag 26 december 2020 @ 13:45:
@Appie Heijn, bijvoorbeeld een Hensel kabeldoos, maar misschien is een 5-p werkschakelaar ook wel praktisch.
Aarde niet schakelen.
WPB Ariston Nuos Plus200, SE 4000H+8x Trina Solar 320Wp AB 185°/32°+6x Trina Solar 320Wp AB 185°/10°,APS EZM1+2x Trina Solar 325Wp AB 185°/32° ,2x APS QT2+8x Jinko 435Wp AB 5°/32°,ME MXZ-2F42VF+MSZ-EF35VGK-S+MLZ-KP25VF,WP Atag Energion M Light50
Heb onlangs deze daarvoor gebruiktAppie Heijn schreef op zaterdag 26 december 2020 @ 11:53:
Door een verandering van de lokatie van de schakelkast heb ik helaas een 5mtr te korte ymvk-as kabel van de schakelkast naar de laadpaal. Het betreft een 5 aderige kabel met aardescherm met 6mm2 aders.
De verlenging komt op de muur in de garage(dus niet buiten) wat is de best practice om een dergelijk kabel met hoge belasting te verlengen? Ruime doos met lasklemmen of een kabelverbinder of een gietmof?
https://www.sandervunderi...g-klemmenkast-abox-i.html
Bestel wat losse m25 wartels en moeren mee.
In een 5 polige werkschakelaar zijn vier van de vijf contacten geschakeld.ron321 schreef op zaterdag 26 december 2020 @ 13:50:
[...]
4 polig lijkt me veiliger.
Aarde niet schakelen.
3-fase 16A naar de garage heeft pas nut als je dat daadwerkelijk nodig hebt voor een apparaat . Zelfs met een losse groepenkast en 27 extra groepen kan je toch niet meer dan drie apparaten hun gang laten gaan. Ook met selectiviteit loop je in de clinch omdat die sub-kast in de garage afgezekerd moet worden door een 4p 16A in de hoofdkast, de onderliggende groepen zijn dan weer 10A of 6A en daar draait de wachtmachine niet op.PascalJanssen schreef op vrijdag 25 december 2020 @ 14:09:
Over een paar maanden krijg ik mijn nieuwbouwwoning opgeleverd. Nu heb ik naar de garage 3 loze leidingen laten leggen, om zelf te bekabelen voor de volgende apparaten:
- frituur (3200 W)
- wasmachine (2800 W)
- wasmachine (2400 W)
Ik kan ondertussen niets meer wijzigen. Maar ik zat te denken dat in plaats van drie groepen te trekken, ik ook een extra groepenkast in de garage kan maken waar alle drie de fases binnenkomen. Zo blijf ik flexibel om enerzijds in de garage de drie apparaten over andere fases te verdelen mocht dat in de toekomst wenselijk zijn. En mocht er nog een apparaat bijkomen dan kan die gemakkelijk aan een losse groep vanuit die extra groepenkast. Of bijvoorbeeld ooit een sauna in de tuin zou dan vanuit de garage kunnen worden aangelegd.
Ik vraag me alleen af hoe ik dat het beste kan doen. Ik heb dus 3 loze leidingen van 3/4. Kan ik door 1 van die buizen 5 draden 2.5mm2 trekken? Maar dan kan ik maximaal 16A binnenkrijgen in de garage toch? Kan ik überhaupt de volledige 3x 25A in mijn garage binnenkrijgen? Of mag dat niet vanwege selectiviteit? En als ik 3x25A binnen wil krijgen, dan moeten de draden 4mm2 zijn denk ik? Dat past niet door 1 buis. Zou ik die door twee buizen kunnen leggen en dan samen laten komen?
Hopelijk is er iets te volgen van mijn verhaal.
Wat je kan doen is na de hoofdschakelaar splitten naar die 2e kast, dan kan heb je wel iets meer vrijheid om meer dan 3 groepen in de garage te gebruiken maar loop je te klootviolen met 5x4mm2 in dat pijpje. Mag wel, maar de uitkomst hang sterk af van de hoeveelheid en radius van de bochten.
De draden verdelen over twee of meer buizen is volgens mij niet expliciet verboden, maar je loopt stuk op de regel dat een installatie simpel, duidelijk en logisch ontworpen moet zijn. kabeltjekabel weet dat vast beter uit te leggen. Splitten na de hoofdschakelaar en niet na de meter omdat je dan voldoet aan de eis dat je met een simpele handeling het hele pand spanningsloos kan maken.
Stel dat je die 5x4mm2 toch voor elkaar krijgt dan moet je nog rekening gaan houden met systeemvermogen in het geval van bijvoorbeeld zonnepanelen of een auto die ook terug kan leveren (verre toekomst). Je hebt dan een 25A hoofdaansluting en misschien een 16A zonnepaneel. Dat is 41A totaal beschikbaar en dan wil je eigenlijk de infrastructuur op 6mm2 hebben. Anders staan jouw wasmachine, droger, frituurpan, hottub en mobiele airco vrolijk de 4mm2 draad uit te roken terwijl de 25A zekering van de hoofdaansluiting nog niet af slaat omdat de zonnepanelen mee doen.
Pak een willekeurige kabeldoos, twee wartels en vijf lasklemmen, bijvoorbeeld Wago 221-612. Voor binnen zou ik geen gietmof gaan doen.Appie Heijn schreef op zaterdag 26 december 2020 @ 11:53:
Door een verandering van de lokatie van de schakelkast heb ik helaas een 5mtr te korte ymvk-as kabel van de schakelkast naar de laadpaal. Het betreft een 5 aderige kabel met aardescherm met 6mm2 aders.
De verlenging komt op de muur in de garage(dus niet buiten) wat is de best practice om een dergelijk kabel met hoge belasting te verlengen? Ruime doos met lasklemmen of een kabelverbinder of een gietmof?
[ Voor 3% gewijzigd door kabeltjekabel op 26-12-2020 15:50 ]
Onder de streep dus niet meer dan het zoveelste periodiek terugkerende recept voor de totaal overbodige extra verdeler. Gewoon laten varen dat plan. Je wilt niet graven, dus het gaat je netto niks opleveren.PascalJanssen schreef op vrijdag 25 december 2020 @ 14:09:
Over een paar maanden krijg ik mijn nieuwbouwwoning opgeleverd. Nu heb ik naar de garage 3 loze leidingen laten leggen, om zelf te bekabelen voor de volgende apparaten:
- frituur (3200 W)
- wasmachine (2800 W)
- wasmachine (2400 W)
Ik kan ondertussen niets meer wijzigen. Maar ik zat te denken dat in plaats van drie groepen te trekken, ik ook een extra groepenkast in de garage kan maken waar alle drie de fases binnenkomen. Zo blijf ik flexibel om enerzijds in de garage de drie apparaten over andere fases te verdelen mocht dat in de toekomst wenselijk zijn. En mocht er nog een apparaat bijkomen dan kan die gemakkelijk aan een losse groep vanuit die extra groepenkast. Of bijvoorbeeld ooit een sauna in de tuin zou dan vanuit de garage kunnen worden aangelegd.
Ik vraag me alleen af hoe ik dat het beste kan doen. Ik heb dus 3 loze leidingen van 3/4. Kan ik door 1 van die buizen 5 draden 2.5mm2 trekken? Maar dan kan ik maximaal 16A binnenkrijgen in de garage toch? Kan ik überhaupt de volledige 3x 25A in mijn garage binnenkrijgen? Of mag dat niet vanwege selectiviteit? En als ik 3x25A binnen wil krijgen, dan moeten de draden 4mm2 zijn denk ik? Dat past niet door 1 buis. Zou ik die door twee buizen kunnen leggen en dan samen laten komen?
Hopelijk is er iets te volgen van mijn verhaal.
Ligt je garage direct tegen het huis of staat hij vrij?
Thanks voor de reacties.kabeltjekabel schreef op zaterdag 26 december 2020 @ 15:49:
[...]
Onder de streep dus niet meer dan het zoveelste periodiek terugkerende recept voor de totaal overbodige extra verdeler. Gewoon laten varen dat plan. Je wilt niet graven, dus het gaat je netto niks opleveren.
Ligt je garage direct tegen het huis of staat hij vrij?
Garage staat direct tegen het huis.
Wat bedoel je met ‘je wilt niet graven’?
Blijkbaar heb ik iets in mijn hoofd dat niet nuttig is. Ik heb uiteindelijk ook voldoende buizen voor de drie groepen die ik wil, dus misschien is het ook overbodig. Het voelt alleen flexibeler naar de toekomst toe.
Oh sorry, had even wat door elkaar gehaald. Maar zeker als het er direct tegenaan staat... nutteloze extra verdeler.PascalJanssen schreef op zaterdag 26 december 2020 @ 15:57:
[...]
Thanks voor de reacties.
Garage staat direct tegen het huis.
Wat bedoel je met ‘je wilt niet graven’?
Blijkbaar heb ik iets in mijn hoofd dat niet nuttig is. Ik heb uiteindelijk ook voldoende buizen voor de drie groepen die ik wil, dus misschien is het ook overbodig. Het voelt alleen flexibeler naar de toekomst toe.
Stel dat ik het grootste deel van m’n groepenkast wil verhuizen van de zijwand van de meterkast naar de achterwand van de meterkast, waar moet ik dan rekening mee houden?
Zal de hoofdschakelaar op de oude plek moeten laten zitten en dan vanaf de hoofdschakelaar met 6mm2 (3F+N) soepel naar de nieuwe locatie van de groepenkast moeten gaan denk ik? Kan/mag dat?
Zal de hoofdschakelaar op de oude plek moeten laten zitten en dan vanaf de hoofdschakelaar met 6mm2 (3F+N) soepel naar de nieuwe locatie van de groepenkast moeten gaan denk ik? Kan/mag dat?
Waar zit je meterbord?Niek_ schreef op zaterdag 26 december 2020 @ 16:46:
Stel dat ik het grootste deel van m’n groepenkast wil verhuizen van de zijwand van de meterkast naar de achterwand van de meterkast, waar moet ik dan rekening mee houden?
Zal de hoofdschakelaar op de oude plek moeten laten zitten en dan vanaf de hoofdschakelaar met 6mm2 (3F+N) soepel naar de nieuwe locatie van de groepenkast moeten gaan denk ik? Kan/mag dat?
Op de zijwand. De huidige groepenkast zit er boven gemonteerd. Wil echter een veldverdeler plaatsen om genoeg ruimte te hebben voor alle componenten en die past niet boven het meterbord. Vandaar het idee om de veldverdeler op de achterwand op te handen en de hoofdschakelaar boven het meterbord te laten zitten.
Als je al een hoofschakelaar hebt is dat wel het meest logische. Er zijn ook bestaande gevallen met de een stukje kabel of draad in buis tussen meterbord en hoofdschakelaar.Niek_ schreef op zaterdag 26 december 2020 @ 16:57:
[...]
Op de zijwand. De huidige groepenkast zit er boven gemonteerd. Wil echter een veldverdeler plaatsen om genoeg ruimte te hebben voor alle componenten en die past niet boven het meterbord. Vandaar het idee om de veldverdeler op de achterwand op te handen en de hoofdschakelaar boven het meterbord te laten zitten.
Nee, er zit nog geen hoofdschakelaar. Het is echt oud. Draden vanaf de meter zitten op van die verdeelblokjes onderin de oude groepenkast. Die zijn in ieder geval niet lang genoeg om in de nieuwe kast op de andere wand uit te komen.kabeltjekabel schreef op zaterdag 26 december 2020 @ 17:09:
[...]
Als je al een hoofschakelaar hebt is dat wel het meest logische. Er zijn ook bestaande gevallen met de een stukje kabel of draad in buis tussen meterbord en hoofdschakelaar.
Vandaar het plan om boven het meterbord een Hager GD104E te plaatsen met daarin de nieuwe hoofdschakelaar en vanaf daar met 6mm2 soepel naar de nieuwe kast op de andere wand.
Hoe oud? Als het echt aftands is zou je ook de netbeheerder eens kunnen polsen of die zin hebben in sanering.Niek_ schreef op zaterdag 26 december 2020 @ 17:22:
[...]
Nee, er zit nog geen hoofdschakelaar. Het is echt oud. Draden vanaf de meter zitten op van die verdeelblokjes onderin de oude groepenkast. Die zijn in ieder geval niet lang genoeg om in de nieuwe kast op de andere wand uit te komen.
Vandaar het plan om boven het meterbord een Hager GD104E te plaatsen met daarin de nieuwe hoofdschakelaar en vanaf daar met 6mm2 soepel naar de nieuwe kast op de andere wand.
Denk van 1993, dat is vast niet oud genoegkabeltjekabel schreef op zaterdag 26 december 2020 @ 18:28:
[...]
Hoe oud? Als het echt aftands is zou je ook de netbeheerder eens kunnen polsen of die zin hebben in sanering.
Even kort vraagje als dat hier mag.
Zonnepanelen (3570Wp) zijn aangesloten op de wasmachine groep, mag ik hier nog gewoon een 2100W wasmachine op aansluiten (en dan gewoon wassen als er meer dan 1500W wordt opgewekt)?
Als de wasmachine aan staat wanneer de zonnepanelen (maximaal) opwekken, gaat de opgewekte energie direct naar de wasmachine, en niet beiden via de 16A zekering in de meterkast?
Zonnepanelen (3570Wp) zijn aangesloten op de wasmachine groep, mag ik hier nog gewoon een 2100W wasmachine op aansluiten (en dan gewoon wassen als er meer dan 1500W wordt opgewekt)?
Als de wasmachine aan staat wanneer de zonnepanelen (maximaal) opwekken, gaat de opgewekte energie direct naar de wasmachine, en niet beiden via de 16A zekering in de meterkast?
:strip_exif()/f/image/rfF3dluX113Anw1IPQONS1Ud.jpg?f=fotoalbum_large)
Ja, je mag daar een WM op aansluiten, zelfs tot 3600 W, onafhankelijk van hoeveel er wordt opgewekt.mitsumark schreef op maandag 28 december 2020 @ 19:36:
Even kort vraagje als dat hier mag.
Zonnepanelen (3570Wp) zijn aangesloten op de wasmachine groep, mag ik hier nog gewoon een 2100W wasmachine op aansluiten (en dan gewoon wassen als er meer dan 1500W wordt opgewekt)?
Ja, die gaat direct naar de WM. Maar (als het goed is aangesloten tenminste) wel via beide 16A zekeringen in het kastje op je foto. Daarmee wordt overbelasting van alle leidingen voorkomen.Als de wasmachine aan staat wanneer de zonnepanelen (maximaal) opwekken, gaat de opgewekte energie direct naar de wasmachine, en niet beiden via de 16A zekering in de meterkast?
WP: ME PUHZ-SW75YAA + ERSD-VM2D + EV-WP-TWS-1W 300; AC: ME MXZ-2F42VF + 2x MSZ-LN25VGV; PV: 14.08 kWp O/W + SMA STP 8.0; Vent: Zehnder Q600 ERV + Ubbink AirExcellent.
Geen hoofdschakelaar, geen zadels en een C16 voor de wasmachine (waarom?). Conform het handboek PV beunen zal de circuitweerstand vast ook wel niet gemeten zijn voor die C16 geplaatst is. Of zouden ze beneden de B16 hebben laten zittenmitsumark schreef op maandag 28 december 2020 @ 19:36:
Even kort vraagje als dat hier mag.
Zonnepanelen (3570Wp) zijn aangesloten op de wasmachine groep, mag ik hier nog gewoon een 2100W wasmachine op aansluiten (en dan gewoon wassen als er meer dan 1500W wordt opgewekt)?
Als de wasmachine aan staat wanneer de zonnepanelen (maximaal) opwekken, gaat de opgewekte energie direct naar de wasmachine, en niet beiden via de 16A zekering in de meterkast?
[Afbeelding]
Dit topic is gesloten.
Let op:
Dit topic gaat over huisinstallaties. Denk daarbij aan groepenkasten, wandcontactdozen en bekabeling.
Alles waarbij een stekker aan te pas komt is dus offtopic.
Zaken zoals elektriciteitsmeters, zonnepanelen, omvormers, domotica en overige apparaten horen hier dus niet thuis.
Dit topic gaat over huisinstallaties. Denk daarbij aan groepenkasten, wandcontactdozen en bekabeling.
Alles waarbij een stekker aan te pas komt is dus offtopic.
Zaken zoals elektriciteitsmeters, zonnepanelen, omvormers, domotica en overige apparaten horen hier dus niet thuis.