Acties:
  • 0 Henk 'm!

  • Radiance
  • Registratie: April 2005
  • Laatst online: 08-09 18:18
Ja dat werkt alleen veranderd de rest van het dashboard dan ook naar een range van 30 dagen en als ik dat instel als ik de tabel bewerk lukt het totdat ik de pagina opnieuw laad.
Gevonden, bedankt voor jullie hulp!

Mochten anderen er naar op zoek zijn, je kan dit invullen onderaan de query in het veld relative time zoals @djiedjee aangaf. :)

[ Voor 33% gewijzigd door Radiance op 10-04-2020 20:48 ]

Youtube


Acties:
  • 0 Henk 'm!

  • Jeager
  • Registratie: Maart 2014
  • Laatst online: 22:02
Dag Tweakers,

Sinds een tijdje ben ik bezig met het uitlezen van mijn slimme meter. Dat gaat aardig de goede kant op. Eerst gebruikte ik een Raspberri Pi Zero. Toen overgestapt naar ESP8266 en inmiddels zit ik op een ESP32 te werken. Bij elk apparaat heb ik mijn script aan de praat gekregen.

Nu probeer ik er nog meer te maken, en heb inmiddels een aantal ESP32's besteld. Maar er is er maar 1 die ik aan de praat krijg. De anderen crashen allemaal direct wanneer ik het inverter circuit eraan hang. Is er iemand die mij kan helpen of kan vertellen wat het probleem is.

Het is een beetje lastig debuggen als de 1 het wel doet en de ander niet...

Het circuit wat ik gebruik (Maar dan niet op raspberri pi maar ESP32):
Afbeeldingslocatie: https://tweakers.net/i/D-6HbUg0xhDpC6iSLg0PtJRs-AM=/f/image/boVbiEjbOZ4hA20ZIjyCljoM.png

Ook heb ik een variant gebruikt die gebruikt maakt van een 7404IC. Lijkt op het schema hieronder, maar dan met 1 extra pull-up weerstandje.
Afbeeldingslocatie: https://tweakers.net/i/Pwg1C9xq2a_ZdSfdgBnwhy05v9M=/f/image/XLq2ilEiPfwMws6FPU63AsZN.png


Beide circuits werken als een zonnetje op de ene esp, maar laten de andere direct crashen.

Edit:
Dit is wat mn ESP zegt
code:
1
2
3
4
rst:0x10 (RTCWDT_RTC_RESET),boot:0x13 (SPI_FAST_FLASH_BOOT)
flash read err, 1000
ets_main.c 371 
ets Jun  8 2016 00:22:57


code:
1
2
3
4
5
6
7
8
9
10
Guru Meditation Error: Core  1 panic'ed (LoadProhibited). Exception was unhandled.
Core 1 register dump:
PC      : 0x400d38d3  PS      : 0x00060930  A0      : 0x800d3920  A1      : 0x3ffd0240  
A2      : 0x3ffe5f10  A3      : 0x00000008  A4      : 0x3f402ef8  A5      : 0x3f403360  
A6      : 0x3f403d6c  A7      : 0x3f402f08  A8      : 0x000085a4  A9      : 0x000000a4  
A10     : 0xff2a0000  A11     : 0x3ffe5f18  A12     : 0x0000000a  A13     : 0x000065ce  
A14     : 0x00000028  A15     : 0x00000002  SAR     : 0x0000001c  EXCCAUSE: 0x0000001c  
EXCVADDR: 0xff2a0001  LBEG    : 0x4000c46c  LEND    : 0x4000c477  LCOUNT  : 0x00000000  

ELF file SHA256: ffffffffffffffffffffffffffffffff00000000000000000000000000000000

[ Voor 27% gewijzigd door Jeager op 11-04-2020 15:49 . Reden: Foutmeldingen toegevoegd ]


Acties:
  • 0 Henk 'm!

  • klump4u
  • Registratie: Februari 2008
  • Niet online

klump4u

Full electric in Zuid-Limburg

Jeager schreef op zaterdag 11 april 2020 @ 15:45:
Dag Tweakers,

Sinds een tijdje ben ik bezig met het uitlezen van mijn slimme meter. Dat gaat aardig de goede kant op. Eerst gebruikte ik een Raspberri Pi Zero. Toen overgestapt naar ESP8266 en inmiddels zit ik op een ESP32 te werken. Bij elk apparaat heb ik mijn script aan de praat gekregen.

Nu probeer ik er nog meer te maken, en heb inmiddels een aantal ESP32's besteld. Maar er is er maar 1 die ik aan de praat krijg. De anderen crashen allemaal direct wanneer ik het inverter circuit eraan hang. Is er iemand die mij kan helpen of kan vertellen wat het probleem is.

Het is een beetje lastig debuggen als de 1 het wel doet en de ander niet...

Het circuit wat ik gebruik (Maar dan niet op raspberri pi maar ESP32):
[Afbeelding]

Ook heb ik een variant gebruikt die gebruikt maakt van een 7404IC. Lijkt op het schema hieronder, maar dan met 1 extra pull-up weerstandje.
[Afbeelding]


Beide circuits werken als een zonnetje op de ene esp, maar laten de andere direct crashen.

Edit:
Dit is wat mn ESP zegt
code:
1
2
3
4
rst:0x10 (RTCWDT_RTC_RESET),boot:0x13 (SPI_FAST_FLASH_BOOT)
flash read err, 1000
ets_main.c 371 
ets Jun  8 2016 00:22:57


code:
1
2
3
4
5
6
7
8
9
10
Guru Meditation Error: Core  1 panic'ed (LoadProhibited). Exception was unhandled.
Core 1 register dump:
PC      : 0x400d38d3  PS      : 0x00060930  A0      : 0x800d3920  A1      : 0x3ffd0240  
A2      : 0x3ffe5f10  A3      : 0x00000008  A4      : 0x3f402ef8  A5      : 0x3f403360  
A6      : 0x3f403d6c  A7      : 0x3f402f08  A8      : 0x000085a4  A9      : 0x000000a4  
A10     : 0xff2a0000  A11     : 0x3ffe5f18  A12     : 0x0000000a  A13     : 0x000065ce  
A14     : 0x00000028  A15     : 0x00000002  SAR     : 0x0000001c  EXCCAUSE: 0x0000001c  
EXCVADDR: 0xff2a0001  LBEG    : 0x4000c46c  LEND    : 0x4000c477  LCOUNT  : 0x00000000  

ELF file SHA256: ffffffffffffffffffffffffffffffff00000000000000000000000000000000
Andere voeding gebruiken?
Kabel naar P1 goed aangesloten?
Dezelfde soft en firmware op ESP?

18950WpšŸŒž, Atlantic 270V3šŸ’§, Pana 5JšŸ”„. Zendure 2400AC 11,5kWhšŸ”‹,Hyundai Kona 64kWh šŸš—, Peblar Home ⛽


Acties:
  • 0 Henk 'm!

  • Jeager
  • Registratie: Maart 2014
  • Laatst online: 22:02
Andere voeding gebruiken?
Kabel naar P1 goed aangesloten?
Dezelfde soft en firmware op ESP?
Alles exact hetzelfde.

- Voeding uit laptop
- P1 via dezelfde kabel
- Alles op dezelfde micropython firmware en zelfde script

1 ESP werkt prima, meerdere anderen werken niet.

Acties:
  • +1 Henk 'm!

  • Jazzle
  • Registratie: November 2004
  • Niet online
Ik kom er niet uit. In mijn vorige woning had ik een Wemos D1 mini op de P1 poort die prima werkte, zelfs zonder pull-up whatsoever (enkel inverted in softwareserial).

Nu in een nieuw huis met een nieuwe meter (Iskra AM550) is de afstand van de meter tot de rest van de woning erg groot, en heb ik besloten gebruik te maken van een M5StickC, een ESP32 met o.a. ingebouwde accu die ik op de P1 poort kan opladen.

Vreemd genoeg krijg ik helemaal geen data binnen over softwareserial. Ik kan prima debuggen over MQTT (de meter is dus niet binnen bereik...) en 'mySerial.available()' wordt nooit aangeroepen. Relevante delen uit de code om softwareserial te initialiseren:

code:
1
2
3
4
5
6
7
8
9
10
11
12
13
14
15
16
17
18
19
20
21
22
23
24
#define SERIAL_RX G36 // pin for SoftwareSerial RX

const int MAXLINELENGTH = 64;
constexpr SoftwareSerialConfig swSerialConfig = SWSERIAL_8N1;
constexpr int IUTBITRATE = 115200;
SoftwareSerial mySerial;

void setup()
{
  mySerial.begin(IUTBITRATE, swSerialConfig, SERIAL_RX, -1, true, MAXLINELENGTH);
}

void loop()
{
    readTelegram();
}
void readTelegram()
{
  
  if (mySerial.available())
  {
       [Knip]
   }
}



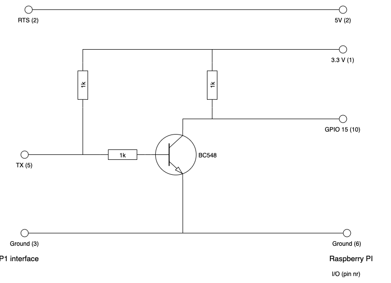
De fysieke hardware, de connecties heb ik doorgemeten en lijken te kloppen (5V op RTS, RxD met een pull-up naar 3.3v van 10kOhm op pin G36, GND op GND, 5V op 5V. Hij laad ook prima op vanaf de meter.

Afbeeldingslocatie: https://tweakers.net/i/S6ndQS656AwxBlU6z3uNVCP7HeI=/800x/filters:strip_icc():strip_exif()/f/image/mr0UOmmBAqWG5J1lPu5dTpVv.jpg?f=fotoalbum_large

Edit: met hardwareserial werkt het wel (en die kan op de esp32 ook gewoon inverten!). Alleen loopt de ESP vast bij booten als hij aan de p1 poort hangt. Eerst booten en dan eraan hangen werkt wel.

[ Voor 5% gewijzigd door Jazzle op 17-04-2020 15:09 ]


Acties:
  • 0 Henk 'm!

  • unex154
  • Registratie: Augustus 2004
  • Laatst online: 11-10 10:26
Ik heb even een sanity check nodig:

Ik heb dit type Toon adapter samen met de Toon thermostaat:

Afbeeldingslocatie: https://tweakers.net/i/sK-GCAIJt9blwz2q_gXeu4OAyy4=/1280x/filters:strip_icc():strip_exif()/v/1/2/1271725/1901297.jpg?f=imagegallery

Ik kan hier toch gewoon een normale 'telefoonkabel' met RJ11 pluggen tussen hangen? De toon geeft nu een storing dat hij geen data ontvangt, maar nu twijfel ik aan mijn kabelkeuze. Heb er meerdere geprobeerd. Ik vermoed anders dat de Toon adapter kapot is, ik krijg wel data van de meter via een P1 -> USB kabel.

Acties:
  • 0 Henk 'm!

  • jobr
  • Registratie: Januari 2009
  • Laatst online: 26-07 21:40
unex154 schreef op maandag 20 april 2020 @ 11:46:
Ik heb even een sanity check nodig:

Ik heb dit type Toon adapter samen met de Toon thermostaat:

[Afbeelding]

Ik kan hier toch gewoon een normale 'telefoonkabel' met RJ11 pluggen tussen hangen? De toon geeft nu een storing dat hij geen data ontvangt, maar nu twijfel ik aan mijn kabelkeuze. Heb er meerdere geprobeerd. Ik vermoed anders dat de Toon adapter kapot is, ik krijg wel data van de meter via een P1 -> USB kabel.
Deze werkt niet met alle P1 meters. Die met 2 vlammetjes (nieuwere versie) wel.

Acties:
  • 0 Henk 'm!

  • Helhond
  • Registratie: Februari 2008
  • Laatst online: 08-10 14:28

Helhond

Grunn

Ik heb problemen met Domoticz i.c.m. de aansluiting van mijn P1 kabel en het uitlezen van mijn Slimme meter (Sagemcom T210-D ESMR5) (Enexis)

Ik sluit de P1 kabel op de P1 poort van de slimme meter en de USB op sluit ik aan op een Raspberry Pi 3b met daarop Domoticz draaiende.

In Domoticz voeg ik nieuwe Hardware toe van het type "P1 smart meter USB", er zou dan nieuwe "Devices" aangemaakt moeten worden, maar dat wordt helaas niet gedaan.

Enige dat in de log wordt vermeldt is:
2020-04-21 23:06:43.969 Status: P1 Smart Meter: Using serial port: /dev/serial/by-id/usb-FTDI_P1_Converter_Cable_V3_P14R0PEA-if00-port0
2020-04-21 23:06:43.973 Status: P1 Smart Meter: Worker started...


Ik heb verschillende opties geprobeerd:
- Baudrate: 115200 en 9600

- Bij het aansluiten van de P1 kabel komen er twee nieuwe seriƫle poorten te voorschijn:
/dev/ttyUSB0
/dev/serial/by-id/usb-FTDI_P1_Converter_Cable_V3_P14R0PEA-if00-port0

Ook dit werkt niet, ik heb ook het tijdelijk toestaan van nieuwe hardware aangevinkt, al staat dit vinkje altijd aan.

Daarna nog wat rond gezocht op internet en nog dingen geprobeerd:
cu geĆÆnstalleerd en daarna volgende commando's geprobeerd:
cu -l /dev/ttyUSB0 -s 115200 --parity=none
en
cu -l /dev/serial/by-id/usb-FTDI_P1_Converter_Cable_V3_P14R0PEA-if00-port0
-s 115200 --parity=none

Hierbij komt er echter alleen "Connected" te staan, maar krijg ik geen data/blokken uitgelezen.

Ben nu eigenlijk door mijn ideeƫn heen, heeft iemand hier hetzelfde probleem gehad en opgelost? Ik hoor het graag.

ZB: 60HP op 2x250L Orientatie: WZW 68°; Douche-WTW; PV: 18x QCell 6390Wp Noord/Zuid, APS QS1+YC600; WP: Panasonic 7kW J-gen ; Gasloos sinds 07-2020


Acties:
  • +2 Henk 'm!

  • JanPedaal
  • Registratie: November 2003
  • Niet online

JanPedaal

Coureur extraordinaire

Helhond schreef op woensdag 22 april 2020 @ 07:56:
...

Hierbij komt er echter alleen "Connected" te staan, maar krijg ik geen data/blokken uitgelezen.

Ben nu eigenlijk door mijn ideeƫn heen, heeft iemand hier hetzelfde probleem gehad en opgelost? Ik hoor het graag.
Ik heb een soortgelijk probleem gehad, maar het bleek dat ik niet de juiste USB device te pakken had. Er werd geen USB poort toegewezen aan mijn kabel.
Ben uiteindelijk met een verse Raspbian Buster begonnen en Domoticz schoon geĆÆnstalleerd, en toen werkte het. Maar dit is uiteraard het laatste wat je gaat doen :P

Ik ben toen ik op zoek was naar een oplossing de tip tegen gekomen dat de user waaronder domoticz draait rechten moet hebben op de com-poorten. Heb je die cu -l commando's met sudo ervoor geprobeerd?

Ik heb nu met een udev regel ervoor gezorgd dat de P1 kabel altijd dezelfde devicenaam krijgt (/dev/ttyUSB0) omdat ik ook een USB stick in dezelfde Pi heb zitten. Dat doe je door in het bestand /etc/udev/rules.d/99-usb-serial.rules een regel te maken die er als volgt uitziet:
code:
1
SUBSYSTEM=="tty", ATTRS{idVendor}=="aaaa", ATTRS{idProduct}=="bbbb", ATTRS{serial}=="xxxxxxxx", SYMLINK+="ttyUSB0"

De juiste getallen (idVendor, idProduct en serial) even opzoeken met het commando
code:
1
sudo cat /sys/kernel/debug/usb/devices | grep -E "^([TSPD]:.*|)$"


De nieuwe regels van kracht maken met het commando
code:
1
sudo udevadm trigger


Mijn hulpvraag in het Domoticz topic deel 4
Verderop een antwoord, https://gathering.tweakers.net/forum/list_message/60723284#60723284

Hier een tweaker die het probleem heeft opgelost met een andere kabel:
Probleem uitlezen P1 poort in HA

Hoop dat je hier iets aan hebt :)

Toevoeging:
Om uit te sluiten dat het probleem de kabel is, zou je eens met een windows laptop kunnen proberen de meter uit te lezen. Daarmee heb ik zelf toen kunnen uitsluiten dat het probleem de kabel zelf was, want daarmee kreeg ik gewoon de telegrammen binnen.

[ Voor 6% gewijzigd door JanPedaal op 22-04-2020 13:31 ]

Release your inner hooligan - With great power comes great responsibility, with horsepower comes no responsibility


Acties:
  • 0 Henk 'm!

  • Helhond
  • Registratie: Februari 2008
  • Laatst online: 08-10 14:28

Helhond

Grunn

JanPedaal schreef op woensdag 22 april 2020 @ 13:29:
[...]

code:
1
SUBSYSTEM=="tty", ATTRS{idVendor}=="aaaa", ATTRS{idProduct}=="bbbb", ATTRS{serial}=="xxxxxxxx", SYMLINK+="ttyUSB0"

De juiste getallen (idVendor, idProduct en serial) even opzoeken met het commando
code:
1
sudo cat /sys/kernel/debug/usb/devices | grep -E "^([TSPD]:.*|)$"


De nieuwe regels van kracht maken met het commando
code:
1
sudo udevadm trigger



Toevoeging:
Om uit te sluiten dat het probleem de kabel is, zou je eens met een windows laptop kunnen proberen de meter uit te lezen. Daarmee heb ik zelf toen kunnen uitsluiten dat het probleem de kabel zelf was, want daarmee kreeg ik gewoon de telegrammen binnen.
Bedankt, het opzoeken en invullen in het bestand lukt me nog.
Echter krijg ik als ik het bestand wil opslaan (overschrijven) de melding:
Kan het te schrijven bestand niet openen. 8)7

Opslaan onder andere naam kan ook niet, krijg ik dezelfde melding.


Ik heb ook de P1 kabel aangesloten op m'n laptop en deze met Putty uitgelezen, echter krijg ik dan geen telegrammen binnen...
P1 poort kapot?

Heb inmiddels al twee P1 kabels liggen en die beide getest, lijkt me sterk dat beide kabels defect zijn.
De verkoper had de tweede kostenloos toegestuurd, en deze extra gecontroleerd, (eerste kabel dient wel gratis geretourneerd worden). Dus ik sluit even uit dat de kabel(s) het probleem zijn...

[ Voor 7% gewijzigd door Helhond op 23-04-2020 20:35 ]

ZB: 60HP op 2x250L Orientatie: WZW 68°; Douche-WTW; PV: 18x QCell 6390Wp Noord/Zuid, APS QS1+YC600; WP: Panasonic 7kW J-gen ; Gasloos sinds 07-2020


Acties:
  • 0 Henk 'm!

  • klump4u
  • Registratie: Februari 2008
  • Niet online

klump4u

Full electric in Zuid-Limburg

Helhond schreef op donderdag 23 april 2020 @ 20:33:
[...]


Bedankt, het opzoeken en invullen in het bestand lukt me nog.
Echter krijg ik als ik het bestand wil opslaan (overschrijven) de melding:
Kan het te schrijven bestand niet openen. 8)7

Opslaan onder andere naam kan ook niet, krijg ik dezelfde melding.


Ik heb ook de P1 kabel aangesloten op m'n laptop en deze met Putty uitgelezen, echter krijg ik dan geen telegrammen binnen...
P1 poort kapot?

Heb inmiddels al twee P1 kabels liggen en die beide getest, lijkt me sterk dat beide kabels defect zijn.
De verkoper had de tweede kostenloos toegestuurd, en deze extra gecontroleerd, (eerste kabel dient wel gratis geretourneerd worden). Dus ik sluit even uit dat de kabel(s) het probleem zijn...
Ik heb ook deze meter in drie fase uitvoering, heb je de plug goed in de P1 poort geduwd want hier laat hij nog wel eens los.
Ik heb hem al met verschillende hardware uitgelezen en ook met puttty op een laptop als ook in Domoticz, er moet toch iets uitkomen daarom dacht ik aan die bagger P1 poort.

Edit, mijn Domoticz
Afbeeldingslocatie: https://tweakers.net/i/SE8RowQ7e7bRZz3Ub3C5gDPW-X8=/234x176/filters:strip_icc():strip_exif()/f/image/Xx4uZP3SaV2RNGuKkGUcbMrI.jpg?f=fotoalbum_medium

[ Voor 15% gewijzigd door klump4u op 23-04-2020 21:00 ]

18950WpšŸŒž, Atlantic 270V3šŸ’§, Pana 5JšŸ”„. Zendure 2400AC 11,5kWhšŸ”‹,Hyundai Kona 64kWh šŸš—, Peblar Home ⛽


Acties:
  • 0 Henk 'm!

  • JanPedaal
  • Registratie: November 2003
  • Niet online

JanPedaal

Coureur extraordinaire

Helhond schreef op donderdag 23 april 2020 @ 20:33:
[...]
Ik heb ook de P1 kabel aangesloten op m'n laptop en deze met Putty uitgelezen, echter krijg ik dan geen telegrammen binnen...
P1 poort kapot?
Het lijkt dan inderdaad wel op een hardwareprobleem. Waar heb je de kabels vandaan, en zijn ze geschikt voor jouw meter? Er zit verschil tussen de P1 kabels, ze zijn niet universeel.
Welke instellingen heb je gebruikt met putty?

Release your inner hooligan - With great power comes great responsibility, with horsepower comes no responsibility


Acties:
  • 0 Henk 'm!

  • Helhond
  • Registratie: Februari 2008
  • Laatst online: 08-10 14:28

Helhond

Grunn

klump4u schreef op donderdag 23 april 2020 @ 20:56:
[...]

Ik heb ook deze meter in drie fase uitvoering, heb je de plug goed in de P1 poort geduwd want hier laat hij nog wel eens los.
Ik heb hem al met verschillende hardware uitgelezen en ook met puttty op een laptop als ook in Domoticz, er moet toch iets uitkomen daarom dacht ik aan die bagger P1 poort.

Edit, mijn Domoticz
[Afbeelding]
Ik gebruik dezelfde instellingen en ik weet inderdaad inmiddels dat als de connector vast klikt je hem nog een stukje verder kan duwen.
JanPedaal schreef op donderdag 23 april 2020 @ 21:03:
[...]


Het lijkt dan inderdaad wel op een hardwareprobleem. Waar heb je de kabels vandaan, en zijn ze geschikt voor jouw meter? Er zit verschil tussen de P1 kabels, ze zijn niet universeel.
Welke instellingen heb je gebruikt met putty?
De kabel komt hier weg: http://www.smartmeterdashboard.nl/
Deze zou geschikt moeten zijn, bevestigd ook de verkoper, die probeert ook te helpen overigens.

Putty instellingen:
Afbeeldingslocatie: https://i.ibb.co/ggxjbsg/image.png

ZB: 60HP op 2x250L Orientatie: WZW 68°; Douche-WTW; PV: 18x QCell 6390Wp Noord/Zuid, APS QS1+YC600; WP: Panasonic 7kW J-gen ; Gasloos sinds 07-2020


Acties:
  • 0 Henk 'm!

  • JanPedaal
  • Registratie: November 2003
  • Niet online

JanPedaal

Coureur extraordinaire

Helhond schreef op donderdag 23 april 2020 @ 21:25:
[...]
Ik gebruik dezelfde instellingen en ik weet inderdaad inmiddels dat als de connector vast klikt je hem nog een stukje verder kan duwen.
[...]
De kabel komt hier weg: http://www.smartmeterdashboard.nl/
Deze zou geschikt moeten zijn, bevestigd ook de verkoper, die probeert ook te helpen overigens.
Putty instellingen:
[Afbeelding]
Die instellingen lijken me goed. Zo te zien is jouw meter een problematisch geval. Had je dit topic al gevonden? Staat een hoop info over de kabel en de meter.
Sagemcom XS210 ESMR5 uitlezen met P1

Release your inner hooligan - With great power comes great responsibility, with horsepower comes no responsibility


Acties:
  • 0 Henk 'm!

  • Helhond
  • Registratie: Februari 2008
  • Laatst online: 08-10 14:28

Helhond

Grunn

JanPedaal schreef op vrijdag 24 april 2020 @ 11:15:
[...]

Die instellingen lijken me goed. Zo te zien is jouw meter een problematisch geval. Had je dit topic al gevonden? Staat een hoop info over de kabel en de meter.
Sagemcom XS210 ESMR5 uitlezen met P1
Ja die had ik gevonden, en heb ook contact met de verkoper, ook hij is actief in dat topic.
De problemen zouden moeten verholpen zijn met de P1 kabel.
De vraag is nu dus of de P1 poort defect is, maar hoe kan je dat controleren?
Helhond schreef op donderdag 23 april 2020 @ 20:33:
[...]

Bedankt, het opzoeken en invullen in het bestand lukt me nog.
Echter krijg ik als ik het bestand wil opslaan (overschrijven) de melding:
Kan het te schrijven bestand niet openen. 8)7

Opslaan onder andere naam kan ook niet, krijg ik dezelfde melding.
Iemand nog een idee hoe ik het zou op kunnen slaan?
Uitlezen gaat goed, maar nu wil hij het weer niet opslaan 8)7
JanPedaal schreef op woensdag 22 april 2020 @ 13:29:
[...]
code:
1
SUBSYSTEM=="tty", ATTRS{idVendor}=="aaaa", ATTRS{idProduct}=="bbbb", ATTRS{serial}=="xxxxxxxx", SYMLINK+="ttyUSB0"
Afbeeldingslocatie: https://i.ibb.co/LnmznPH/Whats-App-Image-2020-04-23-at-20-18-30-1.jpg

Afbeeldingslocatie: https://i.ibb.co/8d2JFf5/thumbnail-image.png

ZB: 60HP op 2x250L Orientatie: WZW 68°; Douche-WTW; PV: 18x QCell 6390Wp Noord/Zuid, APS QS1+YC600; WP: Panasonic 7kW J-gen ; Gasloos sinds 07-2020


Acties:
  • 0 Henk 'm!

  • JanPedaal
  • Registratie: November 2003
  • Niet online

JanPedaal

Coureur extraordinaire

Je hebt veel meer in dat bestand staan dan ik. Zo te zien iets wat je voor je GPIO pinnen gebruikt?
Met welke editor probeer je het bestand te bewerken? Je moet root rechten gebruiken om het bestand op te kunnen slaan. Zelf gebruik ik nano via ssh (Putty):
code:
1
sudo nano /etc/udev/rules.d/99-usb-serial.rules

sudo staat er dus voor om root rechten te hebben.

Aanvulling:
Overigens gaat dit je alleen helpen om de naam van het USB device statisch te maken na opnieuw opstarten. Denk niet dat dit invloed zal hebben op het wel of niet ontvangen van de data.

[ Voor 21% gewijzigd door JanPedaal op 24-04-2020 11:49 ]

Release your inner hooligan - With great power comes great responsibility, with horsepower comes no responsibility


Acties:
  • +1 Henk 'm!

  • Helhond
  • Registratie: Februari 2008
  • Laatst online: 08-10 14:28

Helhond

Grunn

JanPedaal schreef op vrijdag 24 april 2020 @ 11:45:
Je hebt veel meer in dat bestand staan dan ik. Zo te zien iets wat je voor je GPIO pinnen gebruikt?
Met welke editor probeer je het bestand te bewerken? Je moet root rechten gebruiken om het bestand op te kunnen slaan. Zelf gebruik ik nano via ssh (Putty):
code:
1
sudo nano /etc/udev/rules.d/99-usb-serial.rules

sudo staat er dus voor om root rechten te hebben.

Aanvulling:
Overigens gaat dit je alleen helpen om de naam van het USB device statisch te maken na opnieuw opstarten. Denk niet dat dit invloed zal hebben op het wel of niet ontvangen van de data.
Ik heb niks aan het bestand gewijzigd, is allemaal default instellingen van mijn Raspberry Pi met Domoticz er op. Ik heb ook geen GPIO pinnen in gebruik o.i.d.

Ik probeerde het bestand als text file te openen en opslaan, maar dat zal als onwetende vast niet de bedoeling zijn geweest. :F
Ik zal proberen in de terminal via de code met sudo te proberen te openen/wijzigen/opslaan.

Ik verwacht er eerlijk gezegd ook niks meer van, gezien rechtstreeks met de laptop ik ook geen data uit gelezen krijg.


Update:
@JanPedaal
Ben er nu mee bezig, jij hebt het over een bestand:
/etc/udev/rules.d/99-usb-serial.rules

Ik heb echter alleen een bestand
/etc/udev/rules.d/99-com.rules (met al die extra info)

Dien ik een extra bestand /etc/udev/rules.d/99-usb-serial.rules aan te maken of dien ik de 99-com.rules aan te passen? :+

Update2:

Als ik domoticz.com/wiki/PersistentUSBDevices moet geloven, dan heb je gelijk. :+

Create a rules file, with the following example content:
sudo nano /etc/udev/rules.d/99-usb-serial.rules

Heb het geprobeerd, maar het werkt niet.

[ Voor 19% gewijzigd door Helhond op 24-04-2020 17:48 ]

ZB: 60HP op 2x250L Orientatie: WZW 68°; Douche-WTW; PV: 18x QCell 6390Wp Noord/Zuid, APS QS1+YC600; WP: Panasonic 7kW J-gen ; Gasloos sinds 07-2020


Acties:
  • 0 Henk 'm!

  • Arachnan
  • Registratie: Januari 2007
  • Laatst online: 08-10 17:30
Hallo allemaal,

Sinds kort draai ik op mijn Synology NAS een Docker container met Influxdb en Grafana. Al een langere tijd draai ik Domoticz op mijn NAS, maar momenteel push ik de data vanuit Domoticz door naar Influxdb. Ik heb de data liever direct vanuit de P1 kabel naar Influxdb, omdat ik Domoticz niet meer gebruik na de overstap naar Home Assistant.

Ik heb echter geen idee hoe ik dit voor elkaar kan krijgen.
Moet ik een los script draaien op mijn NAS die de data doorsluist naar Influxdb, of kan ik dat daar binnen configureren? Daar kon ik namelijk niet echt iets over vinden. Ik draai de Chronograf webGUI i.p.v. de Influxdb GUI, mocht dat iets uitmaken.

Kan iemand mij in de juiste (denk)richting sturen?
Thanks!

Acties:
  • 0 Henk 'm!

  • Johan.S
  • Registratie: Maart 2020
  • Laatst online: 10-10 08:50
Arachnan schreef op donderdag 30 april 2020 @ 13:44:
Hallo allemaal,

Sinds kort draai ik op mijn Synology NAS een Docker container met Influxdb en Grafana. Al een langere tijd draai ik Domoticz op mijn NAS, maar momenteel push ik de data vanuit Domoticz door naar Influxdb. Ik heb de data liever direct vanuit de P1 kabel naar Influxdb, omdat ik Domoticz niet meer gebruik na de overstap naar Home Assistant.

Ik heb echter geen idee hoe ik dit voor elkaar kan krijgen.
Moet ik een los script draaien op mijn NAS die de data doorsluist naar Influxdb, of kan ik dat daar binnen configureren? Daar kon ik namelijk niet echt iets over vinden. Ik draai de Chronograf webGUI i.p.v. de Influxdb GUI, mocht dat iets uitmaken.

Kan iemand mij in de juiste (denk)richting sturen?
Thanks!
Misschien via een 'Serial to LAN convertor' en die dan als TCP server gebruiken? Of via UDP?
Ik weet niet of Influxdb seriele data via LAN kan ontvangen? Domoticz wel, zo gebruik ik het ook.
Misschien kan je hier iets mee.

Suc6

Acties:
  • 0 Henk 'm!

  • Tsurany
  • Registratie: Juni 2006
  • Niet online

Tsurany

⭐⭐⭐⭐⭐

Arachnan schreef op donderdag 30 april 2020 @ 13:44:
Hallo allemaal,

Sinds kort draai ik op mijn Synology NAS een Docker container met Influxdb en Grafana. Al een langere tijd draai ik Domoticz op mijn NAS, maar momenteel push ik de data vanuit Domoticz door naar Influxdb. Ik heb de data liever direct vanuit de P1 kabel naar Influxdb, omdat ik Domoticz niet meer gebruik na de overstap naar Home Assistant.

Ik heb echter geen idee hoe ik dit voor elkaar kan krijgen.
Moet ik een los script draaien op mijn NAS die de data doorsluist naar Influxdb, of kan ik dat daar binnen configureren? Daar kon ik namelijk niet echt iets over vinden. Ik draai de Chronograf webGUI i.p.v. de Influxdb GUI, mocht dat iets uitmaken.

Kan iemand mij in de juiste (denk)richting sturen?
Thanks!
Ik zou zelf Node-RED aanraden, kan ook prima in een Docker container draaien. Dan heb je enkel nog de data vanuit je slimme meter nodig, dat zou met een ESP8266 kunnen via MQTT naar Node-RED.

Alternatief is een RaspberryPi waar je de slimme meter op aansluit en dan via script of Node-RED data naar InfluxDB pushed.

InfluxDB heeft een HTTP API dus in principe kan je vanaf elke scripttaal of device data er heen pushen. Je moet zelf even kijken wat je het fijnst vind om mee te werken.

SMA SB5.0 + 16x Jinko 310wp OWO + 10x Jinko 310wp WNW |--|--| Daikin 4MXM68N + 1x FTXA50AW + 3x FTXM20N


Acties:
  • 0 Henk 'm!

  • Arachnan
  • Registratie: Januari 2007
  • Laatst online: 08-10 17:30
Bedankt voor de tips, maar er zou toch eigenlijk geen extra hardware benodigd hoeven zijn?
De P1 kabel hangt nu ook aan mijn NAS en daar ziet Domoticz de data ook op binnenkomen.

Mijn verwachting was in ieder geval dat Influxdb de data net zo goed zou moeten kunnen ontvangen net zoals Domoticz dat kan. Worst case hou ik Domoticz actief puur alleen voor de data door te sturen.

Acties:
  • 0 Henk 'm!

  • Tsurany
  • Registratie: Juni 2006
  • Niet online

Tsurany

⭐⭐⭐⭐⭐

Arachnan schreef op donderdag 30 april 2020 @ 15:13:
Bedankt voor de tips, maar er zou toch eigenlijk geen extra hardware benodigd hoeven zijn?
De P1 kabel hangt nu ook aan mijn NAS en daar ziet Domoticz de data ook op binnenkomen.

Mijn verwachting was in ieder geval dat Influxdb de data net zo goed zou moeten kunnen ontvangen net zoals Domoticz dat kan. Worst case hou ik Domoticz actief puur alleen voor de data door te sturen.
Als de Synology ook met de P1 kabel verbonden kan worden kan je bijvoorbeeld ook Node-RED gebruiken.

InfluxDB is een database, je moet een applicatie hebben die de data van de P1 kabel kan ontvangen en vertalen naar een formaat dat InfluxDB begrijpt. Domoticz doet dat maar dat kan andere software ook.

SMA SB5.0 + 16x Jinko 310wp OWO + 10x Jinko 310wp WNW |--|--| Daikin 4MXM68N + 1x FTXA50AW + 3x FTXM20N


Acties:
  • 0 Henk 'm!

  • Arachnan
  • Registratie: Januari 2007
  • Laatst online: 08-10 17:30
Tsurany schreef op donderdag 30 april 2020 @ 15:15:
[...]

Als de Synology ook met de P1 kabel verbonden kan worden kan je bijvoorbeeld ook Node-RED gebruiken.

InfluxDB is een database, je moet een applicatie hebben die de data van de P1 kabel kan ontvangen en vertalen naar een formaat dat InfluxDB begrijpt. Domoticz doet dat maar dat kan andere software ook.
Helder, bedankt!
Ik had al eens met Node-Red gespeeld i.c.m. Home Assistant automation, dus ik ga mij daar wel verder in verdiepen.

Acties:
  • 0 Henk 'm!

  • Tsurany
  • Registratie: Juni 2006
  • Niet online

Tsurany

⭐⭐⭐⭐⭐

Arachnan schreef op donderdag 30 april 2020 @ 15:28:
[...]


Helder, bedankt!
Ik had al eens met Node-Red gespeeld i.c.m. Home Assistant automation, dus ik ga mij daar wel verder in verdiepen.
Als je zoekt op mijn naam in dit topic vind je wel een voorbeeld flow waar ik Node-RED gebruik icm een python script om de data uit te lezen. Moet in een Docker container ook wel mogelijk zijn.

SMA SB5.0 + 16x Jinko 310wp OWO + 10x Jinko 310wp WNW |--|--| Daikin 4MXM68N + 1x FTXA50AW + 3x FTXM20N


Acties:
  • 0 Henk 'm!

  • DRuw
  • Registratie: November 2009
  • Laatst online: 18-08 20:36

DRuw

Bacardi Bat on Ice:)

Gent ik heb een vraagje..
Ik heb een tijdje zitten spelen met mijn nodemcu om deze te koppelen met m'n homey voor het verbruik en daar is op GitHub een bijna kant en klaar scriptje voor.
Nu is het probleem dat deze voor de nieuwere meters is die werken op een andere baudrate en dergelijke. Mijne zit op 9600 (ISKRA ME382)...
Dit is dus niet simpel veranderen van de baudrate helaas.
Heeft iemand het scriptje (https://github.com/MCFurr...266/blob/master/README.md) toevallig al eens aangepast voor zijn meter?
Ben een enorme programmeer noob:(

Deze signature is om volstrekt onduidelijke redenen verwijderd. PVOutput


Acties:
  • 0 Henk 'm!

  • Proton_
  • Registratie: November 2011
  • Laatst online: 21:04

Proton_

Moderator Wonen & MobiliteitĀ 

Team Welles

Regel 74 stelt de baudrate in, die staat daar op 115200.
Mogelijk zit er ook wat verschil in het telegram.

Het ik-wil-een-warmtepomp FAQ topic- '23 MG5, douchen met wtw en Auer Edel Eau, verwarming met Vaillant Arotherm Plus.


Acties:
  • 0 Henk 'm!

  • DRuw
  • Registratie: November 2009
  • Laatst online: 18-08 20:36

DRuw

Bacardi Bat on Ice:)

Ja dat is dus het probleem (voor mij)..
Het is niet alleen de baudrate....

Deze signature is om volstrekt onduidelijke redenen verwijderd. PVOutput


Acties:
  • 0 Henk 'm!

  • jobr
  • Registratie: Januari 2009
  • Laatst online: 26-07 21:40
DRuw schreef op vrijdag 1 mei 2020 @ 19:33:
Ja dat is dus het probleem (voor mij)..
Het is niet alleen de baudrate....
Kan zijn dat je het signaal moet inverteren. Hangt van het type/merk P1 meter af.

Acties:
  • 0 Henk 'm!

  • DRuw
  • Registratie: November 2009
  • Laatst online: 18-08 20:36

DRuw

Bacardi Bat on Ice:)

Is ook gedaan (meet nu via kabel op domoticz maar wel naar homey met alles)

Deze signature is om volstrekt onduidelijke redenen verwijderd. PVOutput


Acties:
  • 0 Henk 'm!

  • ydderf
  • Registratie: December 2017
  • Laatst online: 21:14
DRuw schreef op vrijdag 1 mei 2020 @ 19:37:
Is ook gedaan (meet nu via kabel op domoticz maar wel naar homey met alles)
Wat werkt er nu al wel en wat niet?

De pinbezetting is hier te vinden http://domoticx.com/pinout-p1-poort-iskra-me-382-en-mt-382/
De seriƫle settings hier http://domoticx.com/p1-poort-slimme-meter-hardware/

Ik verwacht (met mijn beperkte kennis) dat je
code:
1
mySerial.begin(115200);.

Moet vervangen voor
code:
1
mySerial.begin(9600,SWSERIAL_7E1);

Maar ik heb zelf deze library nog nooit gebruikt... wat ik zo snel zie lijkt deze standaard op 8n1 te staan

Soms gaat het niet zoals het moet, maar moet het maar zoals het gaat


Acties:
  • 0 Henk 'm!

  • DRuw
  • Registratie: November 2009
  • Laatst online: 18-08 20:36

DRuw

Bacardi Bat on Ice:)

Met de standaard instellingen (ok de baud dus verkeerd) krijg ik dit:
Afbeeldingslocatie: https://tweakers.net/i/XDbT3KjSXwPjdzZhcGeF0g-maxs=/100x75/filters:strip_icc():strip_exif()/f/image/VqpkmezzCK0iAmhLLvapbrUN.jpg?f=fotoalbum_small
Zet ik vervolgens in de software overal overal de baud op 9600 krijg is behalve het booten en de ip niets meer aan data uit de serial monitor.
Het script klopt niet maar ik heb er niet genoeg sjogge van om het op te lossen vrees ik...

Deze signature is om volstrekt onduidelijke redenen verwijderd. PVOutput


Acties:
  • 0 Henk 'm!

  • ydderf
  • Registratie: December 2017
  • Laatst online: 21:14
Heb je niet toevallig ook de band voor de seriƫle monitoring aangepast?
Dan moet je rechtsonder bij je print screen deze ook op 9600 zetten

Soms gaat het niet zoals het moet, maar moet het maar zoals het gaat


Acties:
  • 0 Henk 'm!

  • DRuw
  • Registratie: November 2009
  • Laatst online: 18-08 20:36

DRuw

Bacardi Bat on Ice:)

Yup, het zit hem evt in het script wat anders is ben ik bang...

Deze signature is om volstrekt onduidelijke redenen verwijderd. PVOutput


Acties:
  • 0 Henk 'm!

  • vandermark
  • Registratie: Augustus 2005
  • Laatst online: 11-10 14:56
Ik lees de slimme meter uit in domoticz op RBpi4 met ook een influxdb en grafana service. Dit gaat prima.

Ik vraag me alleen of of ik het aantal metingen kan verkleinen: Nu gaat elke paar seconden een meting naar de Influxdb en zoveel is niet nodig. Kan ik in Domoticz bij hardware van de P1 slimme meter de 'Ontvangst limiet' op bijvoorbeeld 60 seconden zetten? Zorgt dat ervoor dat er ƩƩn meting per minuut wordt geregistreerd?

STRAVA | Panasonic 5kW J Monoblock


Acties:
  • 0 Henk 'm!

  • ydderf
  • Registratie: December 2017
  • Laatst online: 21:14
DRuw schreef op zaterdag 2 mei 2020 @ 10:39:
Yup, het zit hem evt in het script wat anders is ben ik bang...
Ik snap nog niet of de seriƫle communicatie tussen de ESP en je laptop mis gaat, of de seriƫle communicatie tussen de ESP en de Slimme meter.
De omgekeerde "????" geven vaak aan dat je een verkeerde baudrate hebt.

Voor de test zou je de code in de loop kunnen aanpassen. Je zou dan elke 10000 msec de tekst "Hello world" voorbij moeten zien komen. (of alleen maar Serial.println("HELLO WORLD"); in de loop toevoegen, maar dan krijg je heeeeel veel teksten achter elkaar)

code:
1
2
3
4
5
6
7
8
9
10
11
12
13
14
15
16
17
18
void loop() {
  unsigned long currentMillis ;
  static unsigned long previousMillis = 0;        // will store last time 
  const unsigned long interval = 10000;           // interval to execute (milliseconds)

  currentMillis = millis();
  if(currentMillis - previousMillis > interval) {
    previousMillis = currentMillis;   
    Serial.println("HELLO WORLD");
  }

  wifi();

  readTelegram();
  Homey.loop();

  ArduinoOTA.handle();
}


Edit: declaratie van currentmillis toegevoegd in code

[ Voor 3% gewijzigd door ydderf op 02-05-2020 22:30 ]

Soms gaat het niet zoals het moet, maar moet het maar zoals het gaat


Acties:
  • 0 Henk 'm!

  • DRuw
  • Registratie: November 2009
  • Laatst online: 18-08 20:36

DRuw

Bacardi Bat on Ice:)

Ik zal het er straks eens opzetten en testen.
Volgens jullie zou dus die code met alleen die andere baudrate kloppen?
115200 8N1 is de serial communicatie met de nieuwere meters maar mijne is 9600 7E1....
Dan is toch de gele code anders?

Hij kent de currentmillis niet....
P1Meter:335:3: error: 'currentMillis' was not declared in this scope
currentMillis = millis();
^

[ Voor 23% gewijzigd door DRuw op 02-05-2020 21:35 ]

Deze signature is om volstrekt onduidelijke redenen verwijderd. PVOutput


Acties:
  • 0 Henk 'm!

  • ydderf
  • Registratie: December 2017
  • Laatst online: 21:14
Sorry, hij mist daar de declaratie van. Deze moet bovenaan toegevoegd worden.
code:
1
2
3
4
 void loop() { 
Unsigned long currentMillis ;
static unsigned long previousMillis = 0; // will store last time 
const unsigned long interval = 10000; // interval to execute (milliseconds)

Soms gaat het niet zoals het moet, maar moet het maar zoals het gaat


Acties:
  • 0 Henk 'm!

  • DRuw
  • Registratie: November 2009
  • Laatst online: 18-08 20:36

DRuw

Bacardi Bat on Ice:)

Ok, ook dat werkte niet...
ik heb nu dit als output (ik zie overigens vierkantjes in de plot ipv de omgekeerde vraagtekens):

13:51:00.036 -> ⸮⸮S⸮5\⸮M⸮3⸮⸮-⸮00⸮⸮
13:51:00.036 -> āø®
13:51:00.070 -> 0-0:96.⸮.⸮(⸮B⸮⸮⸮⸮3⸮3030353⸮3⸮35363⸮35303⸮3⸮⸮⸮
13:51:00.138 -> āø®-0:āø®.āø®.āø®(⸮⸮09āø®.āø®āø®āø®āø®āø®āø®č©
13:51:00.172 -> āø®-0:āø®.āø®.āø®(⸮⸮⸮⸮⸮.āø®6āø®āø®āø®āø®č©
13:51:00.172 -> āø®-0:āø®.āø®.āø®(036⸮⸮.āø®9āø®āø®āø®āø®č©
13:51:00.206 -> āø®-0:āø®.āø®.āø®(090⸮⸮.350āø®āø®āø®č©
13:51:00.241 -> 0-0:96.⸮⸮.0(000⸮⸮⸮
13:51:00.241 -> ⸮-0:⸮.⸮.0(0000.00⸮⸮ש⸮
13:51:00.274 -> ⸮-0:⸮.⸮.0(000⸮.⸮⸮⸮⸮ש⸮
13:51:00.308 -> 0-0:⸮⸮.0.0(0999.00⸮⸮ש⸮
13:51:00.342 -> 0-0:96.3.⸮0(⸮⸮⸮
13:51:00.342 -> 0-0:96.⸮3.⸮(⸮⸮
13:51:00.375 -> 0-0:96.⸮3.0(⸮⸮
13:51:00.375 -> 0-⸮:⸮⸮.⸮.0(3⸮⸮
13:51:00.408 -> 0-⸮:96.⸮.0(3⸮3⸮303⸮3⸮30303⸮3⸮3⸮30303⸮3⸮333⸮3⸮⸮⸮
13:51:00.442 -> 0-⸮:⸮⸮.3.0(⸮00503⸮30000⸮(00⸮(60⸮(⸮⸮(0-⸮:⸮⸮.⸮.⸮⸮(⸮3⸮⸮
13:51:00.510 -> (06⸮96.⸮59⸮⸮
13:51:00.510 -> 0-⸮:⸮⸮.⸮.0(⸮⸮⸮
13:51:00.544 -> !āø®
13:51:00.544 ->
13:51:00.544 -> ===INVALID CRC FOUND!===

en dit is mijn programma:
code:
1
2
3
4
5
6
7
8
9
10
11
12
13
14
15
16
17
18
19
20
21
22
23
24
25
26
27
28
29
30
31
32
33
34
35
36
37
38
39
40
41
42
43
44
45
46
47
48
49
50
51
52
53
54
55
56
57
58
59
60
61
62
63
64
65
66
67
68
69
70
71
72
73
74
75
76
77
78
79
80
81
82
83
84
85
86
87
88
89
90
91
92
93
94
95
96
97
98
99
100
101
102
103
104
105
106
107
108
109
110
111
112
113
114
115
116
117
118
119
120
121
122
123
124
125
126
127
128
129
130
131
132
133
134
135
136
137
138
139
140
141
142
143
144
145
146
147
148
149
150
151
152
153
154
155
156
157
158
159
160
161
162
163
164
165
166
167
168
169
170
171
172
173
174
175
176
177
178
179
180
181
182
183
184
185
186
187
188
189
190
191
192
193
194
195
196
197
198
199
200
201
202
203
204
205
206
207
208
209
210
211
212
213
214
215
216
217
218
219
220
221
222
223
224
225
226
227
228
229
230
231
232
233
234
235
236
237
238
239
240
241
242
243
244
245
246
247
248
249
250
251
252
253
254
255
256
257
258
259
260
261
262
263
264
265
266
267
268
269
270
271
272
273
274
275
276
277
278
279
280
281
282
283
284
285
286
287
288
289
290
291
292
293
294
295
296
297
298
299
300
301
302
303
304
305
306
307
308
309
310
311
312
313
314
315
316
317
318
319
320
321
322
323
324
325
326
327
328
329
330
331
332
333
334
335
336
337
338
339
#include <ESP8266WiFi.h>
#include <ESP8266mDNS.h>
#include <ESP8266HTTPClient.h>
#include <SoftwareSerial.h>
#include <Homey.h>
#include <WiFiUdp.h>
#include <ArduinoOTA.h>
#include "CRC16.h"

#define LED 2

//===Change values from here===
const char* ssid = "XXXX";
const char* password = "XXXX";
const char* hostName = "ESPP1Meter";
const bool outputOnSerial = true;
//===Change values to here===

// Vars to store meter readings
long mEVLT = 0; //Meter reading Electrics - consumption low tariff
long mEVHT = 0; //Meter reading Electrics - consumption high tariff
long mEOLT = 0; //Meter reading Electrics - return low tariff
long mEOHT = 0; //Meter reading Electrics - return high tariff
long mEAV = 0;  //Meter reading Electrics - Actual consumption
long mEAT = 0;  //Meter reading Electrics - Actual return

long mVL1 = 0;  //Meter reading Electrics - Voltage L1
long mIL1 = 0;  //Meter reading Electrics - Current L1
long mVL2 = 0;  //Meter reading Electrics - Voltage L2
long mIL2 = 0;  //Meter reading Electrics - Current L2
long mVL3 = 0;  //Meter reading Electrics - Voltage L3
long mIL3 = 0;  //Meter reading Electrics - Current L3

long mGAS = 0;    //Meter reading Gas
long prevGAS = 0;

#define MAXLINELENGTH 128 // longest normal line is 47 char (+3 for \r\n\0)
char telegram[MAXLINELENGTH];

#define SERIAL_RX     D5  // pin for SoftwareSerial RX
SoftwareSerial mySerial(SERIAL_RX, -1, true, MAXLINELENGTH); // (RX, TX. inverted, buffer)

unsigned int currentCRC = 0;

void setup() {
  Homey.begin("P1 Smart Meter");
  Homey.setClass("other");
  Homey.addCapability("measure_power.consumed");
  Homey.addCapability("measure_power.produced");
  Homey.addCapability("meter_power.producedPeak");
  Homey.addCapability("meter_power.producedOffPeak");
  Homey.addCapability("meter_power.peak");
  Homey.addCapability("meter_power.offPeak");

  Homey.addCapability("measure_voltage.L1");
  Homey.addCapability("measure_current.L1");
  Homey.addCapability("measure_voltage.L2");
  Homey.addCapability("measure_current.L2");
  Homey.addCapability("measure_voltage.L3");
  Homey.addCapability("measure_current.L3");

  Homey.addCapability("meter_gas");

  Serial.begin(9600);
  Serial.println("Booting");
  WiFi.mode(WIFI_STA);
  WiFi.begin(ssid, password);

  while (WiFi.waitForConnectResult() != WL_CONNECTED) {
    Serial.println("Connection Failed! Rebooting...");
    delay(5000);
    ESP.restart();
  }
  mySerial.begin(9600);

  // Port defaults to 8266
  // ArduinoOTA.setPort(8266);

  // Hostname defaults to esp8266-[ChipID]
  ArduinoOTA.setHostname(hostName);

  // No authentication by default
  // ArduinoOTA.setPassword((const char *)"123");

  ArduinoOTA.onStart([]() {
    Serial.println("Start");
  });
  ArduinoOTA.onEnd([]() {
    Serial.println("\nEnd");
  });
  ArduinoOTA.onProgress([](unsigned int progress, unsigned int total) {
    Serial.printf("Progress: %u%%\r", (progress / (total / 100)));
  });
  ArduinoOTA.onError([](ota_error_t error) {
    Serial.printf("Error[%u]: ", error);
    if (error == OTA_AUTH_ERROR) Serial.println("Auth Failed");
    else if (error == OTA_BEGIN_ERROR) Serial.println("Begin Failed");
    else if (error == OTA_CONNECT_ERROR) Serial.println("Connect Failed");
    else if (error == OTA_RECEIVE_ERROR) Serial.println("Receive Failed");
    else if (error == OTA_END_ERROR) Serial.println("End Failed");
  });
  ArduinoOTA.begin();
  Serial.println("Ready");
  Serial.print("IP address: ");
  Serial.println(WiFi.localIP());
}

void UpdateGas()
{
  //sends over the gas setting to Homey
  if (prevGAS != mGAS)
  {
    Homey.setCapabilityValue("meter_gas", (float) (mGAS / 1000.0));
    prevGAS = mGAS;
  }
}

void UpdateElectricity()
{
  Homey.setCapabilityValue("measure_power.consumed", (float) (mEAV * 1.0));
  Homey.setCapabilityValue("measure_power.produced", (float) (mEAT * 1.0));
  Homey.setCapabilityValue("meter_power.producedPeak", (float) (mEOHT * 0.001));
  Homey.setCapabilityValue("meter_power.producedOffPeak", (float) (mEOLT * 0.001));
  Homey.setCapabilityValue("meter_power.peak", (float) (mEVHT * 0.001));
  Homey.setCapabilityValue("meter_power.offPeak", (float) (mEVLT * 0.001));

  Homey.setCapabilityValue("measure_voltage.L1", (float) (mVL1 * 0.001));
  Homey.setCapabilityValue("measure_current.L1", (float) (mIL1 * 0.001));
  Homey.setCapabilityValue("measure_voltage.L2", (float) (mVL2 * 0.001));
  Homey.setCapabilityValue("measure_current.L2", (float) (mIL2 * 0.001));
  Homey.setCapabilityValue("measure_voltage.L3", (float) (mVL3 * 0.001));
  Homey.setCapabilityValue("measure_current.L3", (float) (mIL3 * 0.001));
}

bool isNumber(char* res, int len) {
  for (int i = 0; i < len; i++) {
    if (((res[i] < '0') || (res[i] > '9'))  && (res[i] != '.' && res[i] != 0)) {
      return false;
    }
  }
  return true;
}

int FindCharInArrayRev(char array[], char c, int len) {
  for (int i = len - 1; i >= 0; i--) {
    if (array[i] == c) {
      return i;
    }
  }
  return -1;
}

long getValidVal(long valNew, long valOld, long maxDiffer)
{
  //check if the incoming value is valid
  if (valOld > 0 && ((valNew - valOld > maxDiffer) && (valOld - valNew > maxDiffer)))
    return valOld;
  return valNew;
}

long getValue(char* buffer, int maxlen) {
  int s = FindCharInArrayRev(buffer, '(', maxlen - 2);
  if (s < 8) return 0;
  if (s > 32) s = 32;
  int l = FindCharInArrayRev(buffer, '*', maxlen - 2) - s - 1;
  if (l < 3) return 0;
  if (l > 12) return 0;
  char res[16];
  memset(res, 0, sizeof(res));

  if (strncpy(res, buffer + s + 1, l)) {
    if (isNumber(res, l)) {
      return (1000 * atof(res));
    }
  }
  return 0;
}

bool decodeTelegram(int len) {
  //need to check for start
  int startChar = FindCharInArrayRev(telegram, '/', len);
  int endChar = FindCharInArrayRev(telegram, '!', len);
  bool validCRCFound = false;
  if (startChar >= 0)
  {
    //start found. Reset CRC calculation
    currentCRC = CRC16(0x0000, (unsigned char *) telegram + startChar, len - startChar);
    if (outputOnSerial)
    {
      for (int cnt = startChar; cnt < len - startChar; cnt++) {
        Serial.print(telegram[cnt]);
      }
    }

  }
  else if (endChar >= 0)
  {
    //add to crc calc
    currentCRC = CRC16(currentCRC, (unsigned char*)telegram + endChar, 1);
    char messageCRC[5];
    strncpy(messageCRC, telegram + endChar + 1, 4);
    messageCRC[4] = 0; //thanks to HarmOtten (issue 5)
    if (outputOnSerial)
    {
      for (int cnt = 0; cnt < len; cnt++)
        Serial.print(telegram[cnt]);
    }

    validCRCFound = (strtol(messageCRC, NULL, 16) == currentCRC);
    if (validCRCFound)
      Serial.println("\nVALID CRC FOUND!");
    else
      Serial.println("\n===INVALID CRC FOUND!===");
    currentCRC = 0;
  }
  else
  {
    currentCRC = CRC16(currentCRC, (unsigned char*)telegram, len);
    if (outputOnSerial)
    {
      for (int cnt = 0; cnt < len; cnt++)
        Serial.print(telegram[cnt]);
    }
  }

  long val = 0;
  long val2 = 0;
  // 1-0:1.8.1(000992.992*kWh)
  // 1-0:1.8.1 = Elektra verbruik laag tarief (DSMR v4.0)
  if (strncmp(telegram, "1-0:1.8.1", strlen("1-0:1.8.1")) == 0)
    mEVLT =  getValue(telegram, len);

  // 1-0:1.8.2(000560.157*kWh)
  // 1-0:1.8.2 = Elektra verbruik hoog tarief (DSMR v4.0)
  if (strncmp(telegram, "1-0:1.8.2", strlen("1-0:1.8.2")) == 0)
    mEVHT = getValue(telegram, len);

  // 1-0:2.8.1(000348.890*kWh)
  // 1-0:2.8.1 = Elektra opbrengst laag tarief (DSMR v4.0)
  if (strncmp(telegram, "1-0:2.8.1", strlen("1-0:2.8.1")) == 0)
    mEOLT = getValue(telegram, len);

  // 1-0:2.8.2(000859.885*kWh)
  // 1-0:2.8.2 = Elektra opbrengst hoog tarief (DSMR v4.0)
  if (strncmp(telegram, "1-0:2.8.2", strlen("1-0:2.8.2")) == 0)
    mEOHT = getValue(telegram, len);

  // 1-0:1.7.0(00.424*kW) Actueel verbruik
  // 1-0:2.7.0(00.000*kW) Actuele teruglevering
  // 1-0:1.7.x = Electricity consumption actual usage (DSMR v4.0)
  if (strncmp(telegram, "1-0:1.7.0", strlen("1-0:1.7.0")) == 0)
    mEAV = getValue(telegram, len);

  if (strncmp(telegram, "1-0:2.7.0", strlen("1-0:2.7.0")) == 0)
    mEAT = getValue(telegram, len);

  // 0-1:24.2.1(150531200000S)(00811.923*m3)
  // 0-1:24.2.1 = Gas (DSMR v4.0) on Kaifa MA105 meter
  if (strncmp(telegram, "0-1:24.2.1", strlen("0-1:24.2.1")) == 0)
    mGAS = getValue(telegram, len);

  // 1-0:32.7.0 (V)
  // 1-0:32.7.0 = Instantaan voltage L1 (DSMR v4.0)
  if (strncmp(telegram, "1-0:32.7.0", strlen("1-0:32.7.0")) == 0)
    mVL1 = getValue(telegram, len);

  // 1-0:52.7.0 (V)
  // 1-0:52.7.0 = Instantaan voltage L2 (DSMR v4.0)
  if (strncmp(telegram, "1-0:52.7.0", strlen("1-0:52.7.0")) == 0)
    mVL2 = getValue(telegram, len);

  // 1-0:72.7.0 (V)
  // 1-0:72.7.0 = Instantaan voltage L3 (DSMR v4.0)
  if (strncmp(telegram, "1-0:72.7.0", strlen("1-0:72.7.0")) == 0)
    mVL3 = getValue(telegram, len);

  // 1-0:31.7.0 (I)
  // 1-0:31.7.0 = Instantaan current L1 (DSMR v4.0)
  if (strncmp(telegram, "1-0:31.7.0", strlen("1-0:31.7.0")) == 0)
    mIL1 = getValue(telegram, len);

  // 1-0:51.7.0 (I)
  // 1-0:51.7.0 = Instantaan current L2 (DSMR v4.0)
  if (strncmp(telegram, "1-0:51.7.0", strlen("1-0:51.7.0")) == 0)
    mIL2 = getValue(telegram, len);

  // 1-0:71.7.0 (I)
  // 1-0:71.7.0 = Instantaan current L3 (DSMR v4.0)
  if (strncmp(telegram, "1-0:71.7.0", strlen("1-0:71.7.0")) == 0)
    mIL3 = getValue(telegram, len);

  return validCRCFound;
}

void readTelegram() {
  if (mySerial.available()) {
    memset(telegram, 0, sizeof(telegram));
    while (mySerial.available()) {
      int len = mySerial.readBytesUntil('\n', telegram, MAXLINELENGTH);
      telegram[len] = '\n';
      telegram[len + 1] = 0;
      yield();

      if (decodeTelegram(len + 1))
      {
        UpdateElectricity();
        UpdateGas();
      }
    }
  }
}

void wifi()
{
  if (WiFi.status() != WL_CONNECTED) {
    WiFi.begin(ssid, password);
    while (WiFi.status() != WL_CONNECTED) {
      delay(500);
      digitalWrite(LED, !digitalRead(LED));
      Serial.print(".");
    }
    if (WiFi.status() == WL_CONNECTED) {
      //Print IP address
      Serial.print("Connected to WiFi! (");
      Serial.print(WiFi.localIP());
      Serial.println(")");
    }
  }
  digitalWrite(LED, 1);
}

void loop() {
  wifi();

  readTelegram();
  Homey.loop();

  ArduinoOTA.handle();
}

Deze signature is om volstrekt onduidelijke redenen verwijderd. PVOutput


Acties:
  • 0 Henk 'm!

  • ydderf
  • Registratie: December 2017
  • Laatst online: 21:14
Ik zie in iedergeval ā€œ===INVALID CRC FOUND!===ā€ voorbij komen, dus het monitoren van de esp zal wel goed gaan. Alleen het uitlezen van de p1 gaat niet goed. Daardoor gaat de crc check niet goed.
Stap 1 is nu te zorgen dat de seriƫle communicatie werkt met de p1. Eerst dubbelcheck of het hardwarematige klopt. Er lijkt wel wat data binnen te komen, dus je bent al op de goede weg. Had je bijv. De verkeerde pin aangesloten dan kreeg je niks binnen.
Daarna kijken of je softwarematig het seriƫle deel goed staat.

Wanneer je goede data binnenkrijgt, wordt de volgende stap om te kijken dat de crc check goed gaat en de data in je Homey applicatie terecht komt.

P.s. Wanneer je je code, tussen code tags plaatst is het wat leesbaarder

[ Voor 5% gewijzigd door ydderf op 03-05-2020 16:23 ]

Soms gaat het niet zoals het moet, maar moet het maar zoals het gaat


Acties:
  • 0 Henk 'm!

  • DRuw
  • Registratie: November 2009
  • Laatst online: 18-08 20:36

DRuw

Bacardi Bat on Ice:)

Het zit hem in het seriƫle deel.
Het script is oorspronkelijk gemaakt voor de nieuwere meters op 115200 8N1 is de serial communicatie maar mijne is 9600 7E1....
Die 8N om 7E is de misser denk ik maar hoe verander ik die????

Deze signature is om volstrekt onduidelijke redenen verwijderd. PVOutput


Acties:
  • 0 Henk 'm!

  • ydderf
  • Registratie: December 2017
  • Laatst online: 21:14
Je zult moeten kijken of de softserial een optie heeft om de 7e1 mee te geven. Als ik zo snel ff zoek, dan twijfel ik of dat mogelijk is. Maar ik heb deze librarie nog nooit gebruikt .
Kijk je naar bijv. de standaard Serial, dan heb je de optie wel.
https://www.arduino.cc/re...rom=Reference.BeginSerial

Soms gaat het niet zoals het moet, maar moet het maar zoals het gaat


Acties:
  • 0 Henk 'm!

  • DRuw
  • Registratie: November 2009
  • Laatst online: 18-08 20:36

DRuw

Bacardi Bat on Ice:)

hier komt de NOOB weer even hoor maar kan ik die dan niet simpelweg vervangen door de standaard serial?

Deze signature is om volstrekt onduidelijke redenen verwijderd. PVOutput


Acties:
  • 0 Henk 'm!

  • ydderf
  • Registratie: December 2017
  • Laatst online: 21:14
Of je de standaard serial kunt gebruiken ligt er aan of je ESP een extra seriele poort heeft.
Ik heb deze: https://www.reichelt.nl/e...219897.html?&trstct=pos_0.

Die van mij heeft dat wel, dus ik gebruik de standaard serial.
Voorbeeld: https://github.com/ydderfBackwards/TweakersForum
Regel 276 geeft de setup functie weer.
Vanaf regel 1123 wordt de seriele poort uitgelezen.

Helaas schrijf ik met mijn script de data weg naar een SQL DB via PHP, dus je kunt hem niet ƩƩn op ƩƩn toepassen in jou situatie. Maar de basis qua serieel uitlezen komt volgens mij wel overeen, dus daar kun je wel wat knippen en plakken.

Soms gaat het niet zoals het moet, maar moet het maar zoals het gaat


Acties:
  • 0 Henk 'm!

  • The Executer
  • Registratie: Juli 2005
  • Laatst online: 01:08

The Executer

Lekker belangrijk!

Afgelopen maandag heb ik de nieuwe meter geinstalleerd gekregen! Het is de Landis+Gyr E360 geworden. Nu heb de seriƫle kabel erbij gepakt, deze lijkt bruikbaar te zijn. De meter heeft een RJ12 aansluiting, stekker is 3-aderig aangesloten op pin 2, 3 en 5.

Afbeeldingslocatie: https://tweakers.net/i/YRd_rbHBa6SRR-Qx25LUmcmBlx0=/234x176/filters:strip_icc():strip_exif()/f/image/6xGYygDWpolQPQRq0vcgTcX0.jpg?f=fotoalbum_medium

De andere kant heeft een D-sub 9 connector. Ik heb de thinclient met wat graven ook teruggevonden, en mijn vermoeden is bevestigd: Deze heeft nog een COM-poort. Ik ga eens kijken hoever ik kom met Damn Small Linux (Ding is maar 400Mhz, 256MB RAM).

"We don't make mistakes; we just have happy accidents" - Bob Ross


Acties:
  • +1 Henk 'm!

  • Johan.S
  • Registratie: Maart 2020
  • Laatst online: 10-10 08:50
The Executer schreef op woensdag 6 mei 2020 @ 13:03:
Afgelopen maandag heb ik de nieuwe meter geinstalleerd gekregen! Het is de Landis+Gyr E360 geworden. Nu heb de seriƫle kabel erbij gepakt, deze lijkt bruikbaar te zijn. De meter heeft een RJ12 aansluiting, stekker is 3-aderig aangesloten op pin 2, 3 en 5.

[Afbeelding]

De andere kant heeft een D-sub 9 connector. Ik heb de thinclient met wat graven ook teruggevonden, en mijn vermoeden is bevestigd: Deze heeft nog een COM-poort. Ik ga eens kijken hoever ik kom met Damn Small Linux (Ding is maar 400Mhz, 256MB RAM).
Mogelijk moet je nog een 2 kOhm weerstand plaatsen, Bij de E350 tenminste wel.

Afbeeldingslocatie: https://tweakers.net/i/AfzriZ6VXj34uPQlUS5jne4P-wc=/full-fit-in/4920x3264/filters:max_bytes(3145728):no_upscale():strip_icc():fill(white):strip_exif()/f/image/1RHk4SFCtA69igQfQSyYSN3O.jpg?f=user_large

Afbeeldingslocatie: https://tweakers.net/i/AnVBN72LYhlv0_cM-i9jCJoRrNc=/800x/filters:strip_icc():strip_exif()/f/image/aYEEcFXOcrbCDHvf7JeheULt.jpg?f=fotoalbum_large

Acties:
  • 0 Henk 'm!

  • The Executer
  • Registratie: Juli 2005
  • Laatst online: 01:08

The Executer

Lekker belangrijk!

Helaas, mijn kabel is onbruikbaar. Heb hem zojuist doorgemeten (Voordat ik überhaupt iets heb aangesloten) en kom tot de volgende conclusie:

Rj11 - D-sub
Pin 2 - pin 5
Pin 3 - pin 4
Pin 5 - pin 1

Helaas is de D-sub aangegoten + het is 3 aderig, dus dat wordt een andere kabel scoren. Eigenlijk toch best verleidelijk gewoon een Youless LS120 te halen :P. Qua kosten zal het elkaar niet veel ontlopen, tenzij ik de kabel via Ali haal. (Heb verder nog geen hardware, thin cliƫnt gaat hem niet worden vrees ik, net even te oud)

[ Voor 24% gewijzigd door The Executer op 06-05-2020 20:14 ]

"We don't make mistakes; we just have happy accidents" - Bob Ross


Acties:
  • 0 Henk 'm!

  • Johan.S
  • Registratie: Maart 2020
  • Laatst online: 10-10 08:50
The Executer schreef op woensdag 6 mei 2020 @ 20:12:
Helaas, mijn kabel is onbruikbaar. Heb hem zojuist doorgemeten (Voordat ik überhaupt iets heb aangesloten) en kom tot de volgende conclusie:

Rj11 - D-sub
Pin 2 - pin 5
Pin 3 - pin 4
Pin 5 - pin 1

Helaas is de D-sub aangegoten + het is 3 aderig, dus dat wordt een andere kabel scoren. Eigenlijk toch best verleidelijk gewoon een Youless LS120 te halen :P. Qua kosten zal het elkaar niet veel ontlopen, tenzij ik de kabel via Ali haal. (Heb verder nog geen hardware, thin cliƫnt gaat hem niet worden vrees ik, net even te oud)
Mijn kosten vielen ook wel mee hoor,
• RJ11 kabel 2,-
• DB9 connector 9 Pin Breakout terminals 2,-
• 2kOhm weerstand 0,15
• 'Serial to LAN conv.' 17,-

Totaal dus nog geen 22 Euro!
Geen soldeerbout nodig en de P1 output beschikbaar over heel je LAN dus voor meerdere gebruikers.

Acties:
  • 0 Henk 'm!

  • Krisp
  • Registratie: Oktober 2004
  • Niet online

Krisp

like.no.other

Is er wel eens iemand bezig geweest met het inzetten van Tasmota voor het uitlezen van de slimme meter? Ik zag hier een tutorial, en was benieuwd of dit gelukt is.

Life is what happens to you, while you're busy making other plans (John Lennon)


Acties:
  • 0 Henk 'm!

  • vso
  • Registratie: Augustus 2001
  • Niet online

vso

tja...

Krisp schreef op donderdag 7 mei 2020 @ 08:54:
Is er wel eens iemand bezig geweest met het inzetten van Tasmota voor het uitlezen van de slimme meter? Ik zag hier een tutorial, en was benieuwd of dit gelukt is.
Slimme meter 450mhz RTL_SDR (zonder p1 connectie) uitlezen dit zou toch ook mogelijk moeten zijn (start post only)

Geen gezeur meer met kabels .. maar ja is het 450.3Mhz ? of 450.9 of 451.23 oid .. als de juiste frequentie gevonden en bericht(en) ontdekt moet je wel je eigen meter er tussenuit vissen ..

Tja vanalles


Acties:
  • 0 Henk 'm!

  • Krisp
  • Registratie: Oktober 2004
  • Niet online

Krisp

like.no.other

vso schreef op donderdag 7 mei 2020 @ 09:05:
[...]

Slimme meter 450mhz RTL_SDR (zonder p1 connectie) uitlezen dit zou toch ook mogelijk moeten zijn (start post only)

Geen gezeur meer met kabels .. maar ja is het 450.3Mhz ? of 450.9 of 451.23 oid .. als de juiste frequentie gevonden en bericht(en) ontdekt moet je wel je eigen meter er tussenuit vissen ..
Waarom zou je dat doen? :? Elke meter die nu geleverd wordt, heeft een P1 poort.

Wat ik uiteindelijk wil bereiken, is dat ik een ESP direct op MQTT kan laten posten. Ik heb nog geen oplossing gezien die dat zonder iets tussenliggends (bijvoorbeeld Node-red) doet. :)

Life is what happens to you, while you're busy making other plans (John Lennon)


Acties:
  • 0 Henk 'm!

  • Sabbi
  • Registratie: December 2000
  • Laatst online: 04:34

Sabbi

je denkt aan mij.

vso schreef op donderdag 7 mei 2020 @ 09:05:
[...]

Slimme meter 450mhz RTL_SDR (zonder p1 connectie) uitlezen dit zou toch ook mogelijk moeten zijn (start post only)

Geen gezeur meer met kabels .. maar ja is het 450.3Mhz ? of 450.9 of 451.23 oid .. als de juiste frequentie gevonden en bericht(en) ontdekt moet je wel je eigen meter er tussenuit vissen ..
Slimme meters communiceren op dezelfde manier als amerikaanse GSM, CDMA op 450 Mhz, dat ga je nooit kunnen afluisteren zonder FBI-level decryption tools :)

Acties:
  • 0 Henk 'm!

  • vso
  • Registratie: Augustus 2001
  • Niet online

vso

tja...

@Sabbi je wilt niet weten hoeveel je kan ontvangen met een RTL-sdr stick en de juiste software/hardware
Maar encryptie/versleuteling word vaak niet toegepast , 99% kans dat als je meer uitdaging hebt het juiste kanaal te vinden, en het signaal weet te demoduleren ..

@Krisp waarom ? Geen pc/rpi/espc in de meterkast nodig ? of allerlei kabels .. je zou met een usb stick van 20,- ergens in huis al klaar kunnen zijn. kortom minder afhankelijkheden / tussen liggende componenten

Tja vanalles


Acties:
  • 0 Henk 'm!

  • Krisp
  • Registratie: Oktober 2004
  • Niet online

Krisp

like.no.other

vso schreef op donderdag 7 mei 2020 @ 10:02:
@Krisp waarom ? Geen pc/rpi/espc in de meterkast nodig ? of allerlei kabels .. je zou met een usb stick van 20,- ergens in huis al klaar kunnen zijn. kortom minder afhankelijkheden / tussen liggende componenten
Ik wil zo veel als mogelijk logica decentraal hebben. :) Er zit weinig toegevoegde waarde in een centrale eenheid (Pi/server/etc) ten opzichte van een simpele ESP-module die precies doet wat ik wil. Sterker: die heb ik nu al hangen. Wat ik deze ESP-module extra zou willen laten doen, is dat deze het ook direct post op MQTT. Op die manier heb ik nog minder logica op mijn NAS draaien.

Life is what happens to you, while you're busy making other plans (John Lennon)


Acties:
  • 0 Henk 'm!

  • Sabbi
  • Registratie: December 2000
  • Laatst online: 04:34

Sabbi

je denkt aan mij.

Krisp schreef op donderdag 7 mei 2020 @ 09:27:
[...]

Waarom zou je dat doen? :? Elke meter die nu geleverd wordt, heeft een P1 poort.

Wat ik uiteindelijk wil bereiken, is dat ik een ESP direct op MQTT kan laten posten. Ik heb nog geen oplossing gezien die dat zonder iets tussenliggends (bijvoorbeeld Node-red) doet. :)
Mijn ESP post direct op MQTT :)

Acties:
  • 0 Henk 'm!

  • Just_A_User
  • Registratie: December 2009
  • Laatst online: 19:10
Is dit het juiste topic om vragen te stellen over de Plugwise P1? Ik heb die namelijk net aangesloten en ingesteld etc, incl de kale hoog/laag tarief prijzen van Essent, maar ik loop tegen een aantal issues aan.

1. Het verbruik wat hij heeft opgehaald, hoe moet ik dat lezen? Op de hoofdemeter heb ik een verbruik van 13.xxx kWh, en dat lijkt me extreem hoog, tenzij het een cumulatief iets is?
2. De Plugwise Home app wil niet verbinden met de P1?
3. Wat voor app is er voor Windows (10) om de data te bekijken? Ik gebruik nu de standaard pagina die je kunt benaderen, maar daar kun je niet echt iets op zien. Ja, de summiere data, maar hoe kan ik die grafieken etc zien op Windows?
4. De Plugwise Mobile app gaat direct door naar de Plugwise Home app in de Android App Store, maar die kan dus niet verbinden. Is er voor Android een alternatief voor die Plugwise Home app?
5. Het verbruik qua gas staat op 4.927 m3. Ik heb net mijn jaarafrekeningen bekeken, en mijn jaarverbruik komt niet eens in de buurt. Ik verbruik heel grofweg rond de 1.300 m3 per jaar, dus dit moet wel van een aantal jaren samen zijn, of er gaat iets grandioos mis. Iemand die dit toevallig kan verklaren? :)

[ Voor 14% gewijzigd door Just_A_User op 07-05-2020 15:10 ]

Och ja, je moet toch wat he.


Acties:
  • 0 Henk 'm!

  • badkuip
  • Registratie: December 2002
  • Laatst online: 21:18
Radiance schreef op zondag 29 maart 2020 @ 18:42:
[...]

Het is een huurwoning waar we eigenlijk zsm weg willen. Het virus zal allicht wat roet in het eten gaan gooien maar ik ga niets meer in dit huis investeren. :)

Edit: Ik heb toch de NodeMCU maar even gepakt en hierop ESPEasy geĆÆnstalleerd omdat de P1 poort niet genoeg stroom levert voor de Pi maar wel voor de NodeMCU.

Ik heb hierop ESPEasy geflashed en de P1 plugin geactiveerd.
Vervolgens kwam ik via Google een script van @ThinkPad tegen op de GitHub van DSMR Reader.
Dat python script heb ik als service geĆÆnstalleerd op de VM waarop DSMR Reader ook draait en alles werkt nu naar behoren! :)

Morgen maar weer verder om de data ook naar Home Assistant te krijgen via MQTT.
Ik probeer DSMR reader werkend te krijgen met een Espeasy, NodeMCU en met het script van Thinkpad.
Bij mij werkt het nog niet lekker: wanneer ik het script laat draaien, gaat het bij twee telegrammen goed daarna krijg ik API-errors:
Afbeeldingslocatie: https://tweakers.net/i/HpPnLb13F_FRPAgSU0QicSidfSw=/full-fit-in/4920x3264/filters:max_bytes(3145728):no_upscale():strip_icc():fill(white):strip_exif()/f/image/O05p5Vr2PR2t46rsJIwh6uuT.jpg?f=user_large

Ik kan eigenlijk niet vinden hoe Thinkpad het bedacht heeft hoe de telegrammen aangeleverd moeten worden. Mijn espeasy heb ik als volgt geconfigureerd.

Oorzaak van dit probleem: Domoticz en Thinkpad zijn script tegelijk laten draaien, dat vind de ESP niet zo leuk. Domoticz stoppen heeft bij mij het probleem verholpen.

[ Voor 29% gewijzigd door badkuip op 12-05-2020 18:40 . Reden: spuit elf ]


Acties:
  • 0 Henk 'm!

  • Ankh
  • Registratie: Mei 2001
  • Laatst online: 20:55

Ankh

|true

Momenteel gebruik ik de DSMR reader in een docker en heb een Raspberry pi in de meterkast hangen.
Enkel wil ik eigenlijk via een Arduino achtige oplossing, zodat ik de raspberry pi voor andere zaken kan inzetten. Nu kwam ik dit tegen: https://github.com/KevinXL/P1-Meter-ESP8266-DSMR

Nog andere tips? Ik ben helaas nog niet helemaal bekend met alle mogelijkheden van Arduino, mijn pa is hier wel bekend mee.. dus heb hem ook al om hulp gevraagd ;-)

-Ankh- Camera Gear: Nikon D7000 | Nikon AF-S DX 16-85mm f3.5-5.6 AF-S DX VR & Tokina AT-X 116 Pro DX AF 11-16mm f2,8


Acties:
  • 0 Henk 'm!

  • DRuw
  • Registratie: November 2009
  • Laatst online: 18-08 20:36

DRuw

Bacardi Bat on Ice:)

Kijk wel ff welke meter je hebt want mijn oudere slimme meter werkt het script niet...

Deze signature is om volstrekt onduidelijke redenen verwijderd. PVOutput


Acties:
  • 0 Henk 'm!

  • The Executer
  • Registratie: Juli 2005
  • Laatst online: 01:08

The Executer

Lekker belangrijk!

Ik heb weer een gelukje... Ik heb van een collega een HP ProDesk 400 gekregen, met daarop... Een seriele poort! Deze machine heeft een i5 4590S, dus snel zat 8) . Nu zat ik te denken, als ik een Cisco consolekabel pak, deze heeft ook D-sub 9 connector en de juiste aders van de connector beschikbaar. Alleen een nieuw stekkertje eraan met de aders op de juiste plek (wat overigens ook wel eens een uitdaging zou kunnen zijn :X )

Door alle informatie raak ik inmiddels een beetje in de war: Ik lees op diverse plekken ook over 5 volt (o.a. in Johan.S in "Slimme meter uitlezen via P1-poort"). Heb ik die sowieso nodig? Wat ik begrijp wel, om dus de meter het signaal te geven om te gaan verzenden, maar op andere plekken lees ik dat met serieel er verder niets nodig zou zijn. Meeste is allemaal gebaseerd op P1 - USB, maar ik wil dus (puur vanwege gemak en kosten) spul gebruiken wat ik heb liggen, en in dit geval is serieel voor mij het meest voor de hand liggend.

"We don't make mistakes; we just have happy accidents" - Bob Ross


Acties:
  • +2 Henk 'm!

  • rvk
  • Registratie: Mei 2011
  • Laatst online: 21:39

rvk

The Executer schreef op woensdag 13 mei 2020 @ 22:12:
Ik heb weer een gelukje... Ik heb van een collega een HP ProDesk 400 gekregen, met daarop... Een seriele poort! Deze machine heeft een i5 4590S, dus snel zat 8) .
En die heb je dan 24/7 aanstaan? Dan zou ik toch even opmeten hoeveel dat ding verbruikt want volgens mij zit je dan binnen een jaar al aan de kosten van een raspberry pi inclusief p1 usb kabel (en alles erna kost je extra).

Acties:
  • 0 Henk 'm!

  • Tortelli
  • Registratie: Juli 2004
  • Laatst online: 23:30

Tortelli

mixing gas and haulin ass

Heb een poosje zitten lezen in dit topic als voorbereiding voor de installatie van mijn broer (nieuwbouw).
ISKRA AM550, SOLAX Power inverter zijn beide recent geinstalleerd, hij krijgt met een paar weken de sleutel.

De ISKRA kun je met de P1 kabel aansluiten op een Pi (die er toch al is om Domoticz te kunnen draaien). Echter is Domoticz qua dashboarding wel erg beperkt doordat ze een erg grote resolutie aan data opslaat. Wat is daar een fraaiere optie voor?

Ztatz oogt fraai maar ik zou liever iets op de Pi ernaast draaien als dat kan?
Heb ervaring met youless in mijn eigen woning (en de grafische tool)

Met een P1 kabel kun je de slimmer meter uitlezen,maar een werkelijk beeld van je zonnepanelen opbrengt heb je daarmee niet denk ik? Aangezien alles wat je zelf verbruik op dat moment niet meegenomen wordt?

[ Voor 28% gewijzigd door Tortelli op 14-05-2020 16:31 ]


Acties:
  • 0 Henk 'm!

  • badkuip
  • Registratie: December 2002
  • Laatst online: 21:18
Ankh schreef op woensdag 13 mei 2020 @ 11:33:
Momenteel gebruik ik de DSMR reader in een docker en heb een Raspberry pi in de meterkast hangen.
Enkel wil ik eigenlijk via een Arduino achtige oplossing, zodat ik de raspberry pi voor andere zaken kan inzetten. Nu kwam ik dit tegen: https://github.com/KevinXL/P1-Meter-ESP8266-DSMR

Nog andere tips? Ik ben helaas nog niet helemaal bekend met alle mogelijkheden van Arduino, mijn pa is hier wel bekend mee.. dus heb hem ook al om hulp gevraagd ;-)
Kan je doen, maar dit Github-project gaat ervanuit dat een Arduino de meter uitleest en dat doorstuurt naar DSMR reader ergens anders in je netwerk. DSMR reader kan dus op een servertje staan, in docker of waar dan ook. Dus je Pi kan misschien niet meteen voor iets anders ingezet gaan worden.

Als je er toch nog aan moet beginnen en je moet nog hardware kopen, denk dan eens aan een NodeMCU v3.
Is ook een microcontroller met WiFi on board.kan je mooi Espeasy op flashen. Dat is kant en klaar en hoef je niet te compileren. Dat moet wel met het Github project, dat gaat ervan uit dat je zelf iets compileert in de Arduino IDE.
Compileren in de Arduino IDE is an sich niet zo moeilijk, maar als je een beginner bent op dit gebied, je wil tijd besparen en als je moet toch nog hardware kopen, dan zou ik voor de route gaan zoals ik hier beschreven heb.

Acties:
  • 0 Henk 'm!

  • Ankh
  • Registratie: Mei 2001
  • Laatst online: 20:55

Ankh

|true

badkuip schreef op donderdag 14 mei 2020 @ 17:50:
[...]


Kan je doen, maar dit Github-project gaat ervandoor dat een Arduino de meter uitleest en dat doorstuurt naar DSMR reader ergens anders in je netwerk. DSMR reader kan dus op een servertje staan, in docker of waar dan ook. Dus je Pi kan misschien niet meteen voor iets anders ingezet gaan worden.

Als je er toch nog aan moet beginnen en je moet nog hardware kopen, denk dan eens aan een NodeMCU v3.
Is ook een microcontroller met WiFi on board.kan je mooi Espeasy op flashen. Dat is kant en klaar en hoef je niet te compileren. Dat moet wel met het Github project, dat gaat ervan uit dat je zelf iets compileert in de Arduino IDE.
Compileren in de Arduino IDE is an sich niet zo moeilijk, maar als je een beginner bent op dit gebied, je wil tijd besparen en als je moet toch nog hardware kopen, dan zou ik voor de route gaan zoals ik hier beschreven heb.
De DSMR reader draait al in een docker op mijn NAS, dus nu gebruikt ik de Pi alleen als doorgeefluik. An sich niet erg, maar heb al een paar gehad dat de SD kaart corrupt raakt door bad sectors... Vandaar de behoefte voor een simpelere oplossing :-)

-Ankh- Camera Gear: Nikon D7000 | Nikon AF-S DX 16-85mm f3.5-5.6 AF-S DX VR & Tokina AT-X 116 Pro DX AF 11-16mm f2,8


Acties:
  • 0 Henk 'm!

  • vso
  • Registratie: Augustus 2001
  • Niet online

vso

tja...

ik krijg binnenkort PV, en omdat ik 100,- niet wil schuiven richting eneco heb ik de Toon opgezegd.
- liander slimme meter

Hopenlijk krijg ik een in + uit value (2 verschillende waardes ???) die ik uit de slimme meter kan halen ?

Of heb ik een andere uitdaging .. ?

PS als ik de toon root (ander topic om het te doen weet ik) .. kan ik dit dan eventueel ook uitlezen ? mocht het aanwezig zijn ??

in principe ben ik al blij met JA/JA ;) .. en bij een nee/nee ga ik oplossingen zoeken (advies is dan welkom)

Tja vanalles


Acties:
  • 0 Henk 'm!

Verwijderd

Helhond schreef op woensdag 22 april 2020 @ 07:56:
Ik heb problemen met Domoticz i.c.m. de aansluiting van mijn P1 kabel en het uitlezen van mijn Slimme meter (Sagemcom T210-D ESMR5) (Enexis)

Ik sluit de P1 kabel op de P1 poort van de slimme meter en de USB op sluit ik aan op een Raspberry Pi 3b met daarop Domoticz draaiende.

In Domoticz voeg ik nieuwe Hardware toe van het type "P1 smart meter USB", er zou dan nieuwe "Devices" aangemaakt moeten worden, maar dat wordt helaas niet gedaan.

Enige dat in de log wordt vermeldt is:
2020-04-21 23:06:43.969 Status: P1 Smart Meter: Using serial port: /dev/serial/by-id/usb-FTDI_P1_Converter_Cable_V3_P14R0PEA-if00-port0
2020-04-21 23:06:43.973 Status: P1 Smart Meter: Worker started...


Ik heb verschillende opties geprobeerd:
- Baudrate: 115200 en 9600

- Bij het aansluiten van de P1 kabel komen er twee nieuwe seriƫle poorten te voorschijn:
/dev/ttyUSB0
/dev/serial/by-id/usb-FTDI_P1_Converter_Cable_V3_P14R0PEA-if00-port0

Ook dit werkt niet, ik heb ook het tijdelijk toestaan van nieuwe hardware aangevinkt, al staat dit vinkje altijd aan.

Daarna nog wat rond gezocht op internet en nog dingen geprobeerd:
cu geĆÆnstalleerd en daarna volgende commando's geprobeerd:
cu -l /dev/ttyUSB0 -s 115200 --parity=none
en
cu -l /dev/serial/by-id/usb-FTDI_P1_Converter_Cable_V3_P14R0PEA-if00-port0
-s 115200 --parity=none

Hierbij komt er echter alleen "Connected" te staan, maar krijg ik geen data/blokken uitgelezen.

Ben nu eigenlijk door mijn ideeƫn heen, heeft iemand hier hetzelfde probleem gehad en opgelost? Ik hoor het graag.
Heb jij hier ooit een oplossing voor gevonden? Ik heb dit al een jaar en heb het al een poos opgegeven. |:(

Acties:
  • 0 Henk 'm!

  • Helhond
  • Registratie: Februari 2008
  • Laatst online: 08-10 14:28

Helhond

Grunn

Verwijderd schreef op vrijdag 15 mei 2020 @ 14:07:
[...]


Heb jij hier ooit een oplossing voor gevonden? Ik heb dit al een jaar en heb het al een poos opgegeven. |:(
Heb jij ook een Sagemcom T210-D ESMR5 (Enexis), en waar heb jij je kabel weg?

Ik heb inmiddels een tweede kabel ontvangen en ook deze werk niet op mijn bovengenoemde meter.
Uiteindelijk beide kabels kunnen testen op een andere type slimme meter en daar werkte het wel. Heb helaas niet iemand die ook dezelfde slimme meter heeft waar ik mijn kabels zou kunnen testen.
Vermoeden was eerst dat de kabels defect waren. Ook direct uitlezen van de poort werkt hier niet.

Nu denken we dat de P1 poort van mijn slimme meter defect is. Laatst was er hier ook een hoofdsmeltzekering (van L2) doorgeslagen, en toen hadden ze ook al problemen met het uitlezen op afstand. En toen ze het eenmaal konden zagen ze wel dat er gewoon spanning op L2 stond, ook al liep mijn spanningszoeker iets anders zien. De slimme meter is dus niet helemaal joffel heb ik het idee.

[ Voor 4% gewijzigd door Helhond op 15-05-2020 15:56 ]

ZB: 60HP op 2x250L Orientatie: WZW 68°; Douche-WTW; PV: 18x QCell 6390Wp Noord/Zuid, APS QS1+YC600; WP: Panasonic 7kW J-gen ; Gasloos sinds 07-2020


Acties:
  • +1 Henk 'm!

  • jobr
  • Registratie: Januari 2009
  • Laatst online: 26-07 21:40
vso schreef op donderdag 14 mei 2020 @ 19:36:
ik krijg binnenkort PV, en omdat ik 100,- niet wil schuiven richting eneco heb ik de Toon opgezegd.
- liander slimme meter

Hopenlijk krijg ik een in + uit value (2 verschillende waardes ???) die ik uit de slimme meter kan halen ?

Of heb ik een andere uitdaging .. ?

PS als ik de toon root (ander topic om het te doen weet ik) .. kan ik dit dan eventueel ook uitlezen ? mocht het aanwezig zijn ??

in principe ben ik al blij met JA/JA ;) .. en bij een nee/nee ga ik oplossingen zoeken (advies is dan welkom)
Ja hoor, je kunt de slimme meter ook uitlezen met Toon. Wel kan het zijn dat je de juiste meter adapter moet hebben want de oude werkt niet op alle slimme meters. Die wel altijd werkt is die met 2 rode vlammetjes.

Als je zelf via een P1 kabel de slimme meter gaat uitlezen kun je van alles uitlezen. DSMR-reader is wel leuk. Je kan in en uit uitlezen inderdaad. Voor hoog en laag tarief. Dus 4 tellers.

Acties:
  • 0 Henk 'm!

Verwijderd

Helhond schreef op vrijdag 15 mei 2020 @ 15:37:
[...]


Heb jij ook een Sagemcom T210-D ESMR5 (Enexis), en waar heb jij je kabel weg?

Ik heb inmiddels een tweede kabel ontvangen en ook deze werk niet op mijn bovengenoemde meter.
Uiteindelijk beide kabels kunnen testen op een andere type slimme meter en daar werkte het wel. Heb helaas niet iemand die ook dezelfde slimme meter heeft waar ik mijn kabels zou kunnen testen.
Vermoeden was eerst dat de kabels defect waren. Ook direct uitlezen van de poort werkt hier niet.

Nu denken we dat de P1 poort van mijn slimme meter defect is. Laatst was er hier ook een hoofdsmeltzekering (van L2) doorgeslagen, en toen hadden ze ook al problemen met het uitlezen op afstand. En toen ze het eenmaal konden zagen ze wel dat er gewoon spanning op L2 stond, ook al liep mijn spanningszoeker iets anders zien. De slimme meter is dus niet helemaal joffel heb ik het idee.
Ik heb precies dezelfde meter, Maar toon en een ESP8266 (Wel te veel data voor de esp) kunnen hem wel uitlezen. Ik heb twee kabels van RobbShop.

Acties:
  • 0 Henk 'm!

  • klump4u
  • Registratie: Februari 2008
  • Niet online

klump4u

Full electric in Zuid-Limburg

@Helhond @Verwijderd ik heb ook de Sagemcom T210-D ESMR5 3-fase ik lees hem in Domoticz uit en met het DAL programma op een Pi met Windows10 iot, gaat goed met een kant en klare kabel die al 5 jaar oud is en met diverse P1 schema's van internet.

18950WpšŸŒž, Atlantic 270V3šŸ’§, Pana 5JšŸ”„. Zendure 2400AC 11,5kWhšŸ”‹,Hyundai Kona 64kWh šŸš—, Peblar Home ⛽


Acties:
  • 0 Henk 'm!

Verwijderd

klump4u schreef op zaterdag 16 mei 2020 @ 20:36:
@Helhond @Verwijderd ik heb ook de Sagemcom T210-D ESMR5 3-fase ik lees hem in Domoticz uit en met het DAL programma op een Pi met Windows10 iot, gaat goed met een kant en klare kabel die al 5 jaar oud is en met diverse P1 schema's van internet.
Waar heb je deze kabel weg?

Acties:
  • +1 Henk 'm!

  • klump4u
  • Registratie: Februari 2008
  • Niet online

klump4u

Full electric in Zuid-Limburg

Verwijderd schreef op zaterdag 16 mei 2020 @ 20:53:
[...]


Waar heb je deze kabel weg?
Vijf jaar geleden gekocht van een particulier op marktplaats. Toen was er net DSMR4.0 volgens mij.
Edit, lees dit eens:https://gathering.tweaker...message/60955330#60955330

[ Voor 16% gewijzigd door klump4u op 16-05-2020 21:01 ]

18950WpšŸŒž, Atlantic 270V3šŸ’§, Pana 5JšŸ”„. Zendure 2400AC 11,5kWhšŸ”‹,Hyundai Kona 64kWh šŸš—, Peblar Home ⛽


Acties:
  • 0 Henk 'm!

  • schumi2004
  • Registratie: Februari 2004
  • Laatst online: 11-10 17:03
Collega van me is een verwoede poging aan het doen de P1 uit te lezen van een T210-D ESMR5 (Enexis).
Hij heb hiervoor een NodeMCU v3 (ESP8266) bordje en na drie dagen vragen we ons af of dit überhaupt gaat werken en zoja hoe en waarmee dan?

Al verschillende versies gecompiled/geflashed maar het is meestal niets dan iets.

Acties:
  • 0 Henk 'm!

  • jobr
  • Registratie: Januari 2009
  • Laatst online: 26-07 21:40
schumi2004 schreef op zondag 17 mei 2020 @ 17:01:
Collega van me is een verwoede poging aan het doen de P1 uit te lezen van een T210-D ESMR5 (Enexis).
Hij heb hiervoor een NodeMCU v3 (ESP8266) bordje en na drie dagen vragen we ons af of dit überhaupt gaat werken en zoja hoe en waarmee dan?

Al verschillende versies gecompiled/geflashed maar het is meestal niets dan iets.
Ken de meter niet maar op zich moet het wel werken. Heb je wel de juiste aansluitingen gemaakt.
En niet vergeten de P1 data request pin aan te zetten. Bekijk dit ook even. Daar staat die meter ook bij.

Acties:
  • 0 Henk 'm!

  • Hiechel
  • Registratie: Oktober 2011
  • Laatst online: 20-11-2020
jobr schreef op zondag 17 mei 2020 @ 19:03:
[...]


Ken de meter niet maar op zich moet het wel werken. Heb je wel de juiste aansluitingen gemaakt.
En niet vergeten de P1 data request pin aan te zetten. Bekijk dit ook even. Daar staat die meter ook bij.
Hier die collega ;), heb een Landis + Gyr E36, de volgende setup gebruikt:
Arduino ESP8266 NodeMCU bordje
- data op D7
- 3v en GND apart
- 1k ohm weerstand tussen 3v en D7
- Geen RJ12 maar RJ11 met 4 contacten.

Via Arduino dit script geprobeert te flashen al liep ik tegen een fout aan (oplossing moest een ouder board kiezen ipv 2.7.1):
Natuurlijk het script wel aangepast dat hij D7 ipv D2 gebruikt.

Met USB -> RJ12 (vanaf laptop) zie ik inderdaad ouput komen vanuit de meter.

Acties:
  • +1 Henk 'm!

  • klump4u
  • Registratie: Februari 2008
  • Niet online

klump4u

Full electric in Zuid-Limburg

Hiechel schreef op zondag 17 mei 2020 @ 19:46:
[...]


Hier die collega ;), heb een Landis + Gyr E36, de volgende setup gebruikt:
Arduino ESP8266 NodeMCU bordje
- data op D7
- 3v en GND apart
- 1k ohm weerstand tussen 3v en D7
- Geen RJ12 maar RJ11 met 4 contacten.

Via Arduino dit script geprobeert te flashen al liep ik tegen een fout aan (oplossing moest een ouder board kiezen ipv 2.7.1):
Natuurlijk het script wel aangepast dat hij D7 ipv D2 gebruikt.

Met USB -> RJ12 (vanaf laptop) zie ik inderdaad ouput komen vanuit de meter.
Ik denk dat je 5v op de meter moet zetten om data te krijgen.

18950WpšŸŒž, Atlantic 270V3šŸ’§, Pana 5JšŸ”„. Zendure 2400AC 11,5kWhšŸ”‹,Hyundai Kona 64kWh šŸš—, Peblar Home ⛽


Acties:
  • +8 Henk 'm!

  • iMars
  • Registratie: Augustus 2001
  • Laatst online: 23:22

iMars

Full time prutser

Vandaag kwam mijn printplaatje(s) binnen (18x20mm) om mijn P1 meter via ethernet aan te sluiten O+
Afbeeldingslocatie: https://tweakers.net/i/XGZlZWImYPd6TxcguTcIcMyDiSQ=/800x/filters:strip_icc():strip_exif()/f/image/cDYiKTcitufKncZr2Vg5lFFU.jpg?f=fotoalbum_large
Dit kan op een USR-TCP232-T2 geplaatst worden en zo wordt de data geïnverteerd én wordt het gevoed vanuit de P1 poort :9~
Afbeeldingslocatie: https://tweakers.net/i/eYhVpmfaJ3y53pFZEgUBDWQXazQ=/232x232/filters:strip_icc():strip_exif()/f/image/okRZB43md9kZiDmsQZbY7lXn.jpg?f=fotoalbum_tileAfbeeldingslocatie: https://tweakers.net/i/gxnpak7rIMETnH7ZPxwp-wHJMXc=/232x232/filters:strip_icc():strip_exif()/f/image/6F2eEWB8MXRYAo2wF8ATOprx.jpg?f=fotoalbum_tile


Heb er een klein blogje over geschreven ;)

edit:
Dit is wat een telnet sessie geeft, data wordt goed ingelezen en correct uitgespuugd over telnet:
Afbeeldingslocatie: https://tweakers.net/i/fTpRaJYPp0q8P9dCvaUAtkRP-I4=/800x/filters:strip_exif()/f/image/XKLZqhmIHn3hr7fU4bQ8c7uy.png?f=fotoalbum_large

[ Voor 12% gewijzigd door iMars op 19-05-2020 17:09 ]

Koop hier mijn P1 reader :)


Acties:
  • 0 Henk 'm!

  • Hiechel
  • Registratie: Oktober 2011
  • Laatst online: 20-11-2020
klump4u schreef op zondag 17 mei 2020 @ 19:57:
[...]

Ik denk dat je 5v op de meter moet zetten om data te krijgen.
Het was niet de 5v die nodig was. Ik moest uiteindelijk gebruik maken van de hardware serial ipv software serial. Lijkt erop alsof software serial de berichten vloed niet aan kan of iets dergelijks. Uiteindelijk bleek dit script te werken.

[ Voor 4% gewijzigd door Hiechel op 19-05-2020 23:17 ]


Acties:
  • 0 Henk 'm!

  • martijn.niji
  • Registratie: November 2012
  • Laatst online: 23-09 15:57
iMars schreef op dinsdag 19 mei 2020 @ 17:04:
Vandaag kwam mijn printplaatje(s) binnen (18x20mm) om mijn P1 meter via ethernet aan te sluiten O+
[Afbeelding]
Dit kan op een USR-TCP232-T2 geplaatst worden en zo wordt de data geïnverteerd én wordt het gevoed vanuit de P1 poort :9~
[Afbeelding][Afbeelding]


Heb er een klein blogje over geschreven ;)

edit:
Dit is wat een telnet sessie geeft, data wordt goed ingelezen en correct uitgespuugd over telnet:
[Afbeelding]
Hoi! Ziet er zeer interressant uit en was net aan het kijken naar opties om via netwerk kabel te werken. Ik heb je blog post ook gelezen. Enig kans op een nadere toelichting mbt de gebruikte software en hardware? Ik zou dit zelf ook wel willen nabouwen namelijk. :)

Acties:
  • 0 Henk 'm!

  • iMars
  • Registratie: Augustus 2001
  • Laatst online: 23:22

iMars

Full time prutser

martijn.niji schreef op woensdag 20 mei 2020 @ 01:04:
[...]


Hoi! Ziet er zeer interressant uit en was net aan het kijken naar opties om via netwerk kabel te werken. Ik heb je blog post ook gelezen. Enig kans op een nadere toelichting mbt de gebruikte software en hardware? Ik zou dit zelf ook wel willen nabouwen namelijk. :)
Ik heb nog 29 plaatjes over voor als je interesse hebt :o

Maar het is heel simpel. Op de USR-TCP232 zit al software, een telnet servertje. Ik draai dsmr-reader in een Docker. De server (Linux) waar dat op draait maakt een virtuele device aan met behulp van socat. Deze virtuele serial device geef je door aan de container.

Koop hier mijn P1 reader :)


Acties:
  • 0 Henk 'm!

  • vso
  • Registratie: Augustus 2001
  • Niet online

vso

tja...

Wie kan me vertellen of ik via de toon adapter de p1 volledig uit kan lezen . ik krijg het idee dat de toon(rooted) adapter alleen maar beperkt doorstuurt ..

http://<ip toon>/hdrv_zwave?action=getDevices.json is niet
JSON:
1
2
3
4
5
6
7
8
9
10
11
12
13
14
15
16
17
18
19
20
21
22
23
24
25
26
27
28
29
30
31
32
33
34
35
36
37
38
39
40
41
42
43
44
45
46
47
48
49
50
51
52
53
54
55
56
57
58
59
60
61
62
63
64
65
66
67
68
69
70
71
72
73
74
75
76
77
78
79
80
81
82
83
84
85
86
87
{"dev_settings_device": {
"uuid": "46c2bbf9-b6f7-4c4f-8abd-9893c5f1f116", 
"name": "settings_device", 
"internalAddress": 
"settings_device", "type": "settings_device"}, 
"dev_3": {"uuid": "e42ff449-99c8-445d-858c-af2e0644ebb4", 
"name": "HAE_METER_v3"
, "internalAddress": "3",
 "type": "HAE_METER_v3",
 "supportsCrc": "1", 
"ccList": "5e 86 72 32 56 5a 59 85 73 7a 60 8e 22 70 8b 3c 3d 3e", 
"supportedCC": "5e 86 72 32 56 5a 59 85 73 7a 60 8e 22 70 8b 3c 3d 3e", 
"nodeFlags": [],
 "IsConnected": "1", 
"DeviceName": "HAE_METER_v3", 
"HealthValue": "10", 
"CurrentSensorStatus": "UNKNOWN"}, 
"dev_3.1": {"uuid": "17f68ff1-682a-4b76-8e4e-b24c8044b841",
 "name": "HAE_METER_v3_1", 
"internalAddress": "3.1", 
"type": "gas", 
"supportsCrc": "0", 
"nodeFlags": [], 
"CurrentGasFlow": "11.00", 
"CurrentGasQuantity": "5188728.00", 
"DeviceName": "HAE_METER_v3_1"},
 "dev_3.2": {"uuid": "65b7d0c9-be88-493b-92f0-399a1cada283", 
"name": "HAE_METER_v3_2", 
"internalAddress": "3.2", 
"type": "elec", 
"supportsCrc": "0", 
"nodeFlags": [], 
"CurrentElectricityFlow": "NaN", 
"CurrentElectricityQuantity": "NaN", 
"DeviceName": "HAE_METER_v3_2"}, 
"dev_3.3": {"uuid": "0f369c1c-bd83-43d8-bc44-20460ee62dd4", 
"name": "HAE_METER_v3_3", "internalAddress": "3.3", 
"type": "elec_solar", 
"supportsCrc": "0", 
"nodeFlags": [],
 "CurrentElectricityFlow": "NaN", 
"CurrentElectricityQuantity": "NaN", 
"DeviceName": "HAE_METER_v3_3"}, 
"dev_3.4": {"uuid": "e0b1c66b-7914-41f8-a61e-a59249508b44", 
"name": "HAE_METER_v3_4", 
"internalAddress": "3.4", 
"type": "elec_delivered_nt", 
"supportsCrc": "0", 
"nodeFlags": [], 
"CurrentElectricityFlow": "0.00", 
"CurrentElectricityQuantity": "8933831.00", 
"DeviceName": "HAE_METER_v3_4"}, 
"dev_3.5": {"uuid": "543f8db1-616d-41dd-be14-bbdd8fb2d609", 
"name": "HAE_METER_v3_5", 
"internalAddress": "3.5", 
"type": "elec_received_nt", 
"supportsCrc": "0", 
"nodeFlags": [], 
"CurrentElectricityFlow": "2005.00", 
"CurrentElectricityQuantity": "7114.00", 
"DeviceName": "HAE_METER_v3_5"}, 
"dev_3.6": {"uuid": "43774ffe-9ff7-4bc6-8191-8d6a9c0df838", 
"name": "HAE_METER_v3_6", 
"internalAddress": "3.6", 
"type": "elec_delivered_lt", 
"supportsCrc": "0", 
"nodeFlags": [], 
"CurrentElectricityFlow": "0.00", 
"CurrentElectricityQuantity": "12212493.00", 
"DeviceName": "HAE_METER_v3_6"}, 
"dev_3.7": {"uuid": "688288c4-0552-4bb3-815c-733d6d4ee611", 
"name": "HAE_METER_v3_7", 
"internalAddress": "3.7", 
"type": "elec_received_lt", 
"supportsCrc": "0", 
"nodeFlags": [], 
"CurrentElectricityFlow": "0.00", 
"CurrentElectricityQuantity": "0.00", 
"DeviceName": "HAE_METER_v3_7"}, 
"dev_3.8": {"uuid": "0bf24736-fc9c-45c7-b9fb-52b6b2fa3cf2", 
"name": "HAE_METER_v3_8", 
"internalAddress": "3.8", 
"type": "heat", 
"supportsCrc": "0", 
"nodeFlags": [], 
"CurrentHeatQuantity": "NaN", 
"DeviceName": "HAE_METER_v3_8"}}


http://www.quassi.nl/2015...dis-gyr-e350-smart-meter/

code:
1
2
3
4
5
6
7
8
9
10
11
12
13
14
15
16
17
18
19
20
21
22
23
24
25
26
27
28
/XMX5LGBBFFB123456789
1-3:0.2.8(40)
0-0:1.0.0(141227180323W)
0-0:96.1.1(4530303034303031353535383123456789)
1-0:1.8.1(000687.138*kWh) = opgenomen energie tarief 1
1-0:2.8.1(000000.000*kWh) = teruggeleverde energie tarief 1
1-0:1.8.2(000523.849*kWh) = opgenomen energie tarief 2
1-0:2.8.2(000000.000*kWh) = teruggeleverde tarief 2
0-0:96.14.0(0001)         = huidige tarief nr
1-0:1.7.0(00.428*kW)      = huidige opgenomen vermogen
1-0:2.7.0(00.000*kW)      = huidige teruggeleverde vermogen
0-0:17.0.0(999.9*kW)
0-0:96.3.10(1)
0-0:96.7.21(00002)
0-0:96.7.9(00000)
1-0:99.97.0(0)(0-0:96.7.19)
1-0:32.32.0(00000)
1-0:32.36.0(00000)
0-0:96.13.1()
0-0:96.13.0()
1-0:31.7.0(002*A)
1-0:21.7.0(00.428*kW)
1-0:22.7.0(00.000*kW)
0-1:24.1.0(003)
0-1:96.1.0(4730303032333430313436343123456789)
0-1:24.2.1(141227170000W)(00435.247*m3) = verbruikte gas
0-1:24.4.0(1)
!0C97


anders moet ik een ander oplossing in dit topic gaan vinden, ik weet alleen nog niet hoe ik een inverter doe met een esp oid .. goed staat vast wel hier ergens :) zag al een post van thinkpad

[ Voor 58% gewijzigd door ThinkPad op 20-05-2020 11:45 . Reden: code=json voor betere leesbaarheid :) ]

Tja vanalles


Acties:
  • 0 Henk 'm!

  • Sircuri
  • Registratie: Oktober 2001
  • Niet online

Sircuri

Volledig Appelig

@vso je kan toch de output van Toon naast de documentatie leggen van een DSMR 4 meter. Dan heb je direct antwoord op je vraag of je iets mist. Of begrijp ik je vraag niet helemaal?

Signature van nature


Acties:
  • 0 Henk 'm!

  • martijn.niji
  • Registratie: November 2012
  • Laatst online: 23-09 15:57
iMars schreef op woensdag 20 mei 2020 @ 07:42:
[...]

Ik heb nog 29 plaatjes over voor als je interesse hebt :o

Maar het is heel simpel. Op de USR-TCP232 zit al software, een telnet servertje. Ik draai dsmr-reader in een Docker. De server (Linux) waar dat op draait maakt een virtuele device aan met behulp van socat. Deze virtuele serial device geef je door aan de container.
Klinkt simpel genoeg. Ik heb zeker interesse in een of twee plaatjes. (niet zo heel zeker van mijn soldeer kunsten :-p )

Zelf probeer ik ook zoveel mogelijk op bekabelde verbindingen te krijgen dus dit past precies in mijn straatje. Onderdeel van mijn plan om van het CV hokje een semi-server ruimte te maken. :-D

Acties:
  • 0 Henk 'm!

  • iMars
  • Registratie: Augustus 2001
  • Laatst online: 23:22

iMars

Full time prutser

martijn.niji schreef op woensdag 20 mei 2020 @ 11:11:
[...]


Klinkt simpel genoeg. Ik heb zeker interesse in een of twee plaatjes. (niet zo heel zeker van mijn soldeer kunsten :-p )

Zelf probeer ik ook zoveel mogelijk op bekabelde verbindingen te krijgen dus dit past precies in mijn straatje. Onderdeel van mijn plan om van het CV hokje een semi-server ruimte te maken. :-D
Nou er zitten een paar smd componenten op, waaronder 1 SOT-23 mosfet. Die is erg klein kan ik je verzekeren :+ (~2,9 x 1,3 mm)
Afbeeldingslocatie: https://toshiba.semicon-storage.com/shared/pkgimage/SOT23_pkgdim.gif
Afbeeldingslocatie: https://tweakers.net/i/PrC9gcdpFa3G5SRNgXd0N8DkX3o=/232x232/filters:strip_icc():strip_exif()/f/image/nZeoppMezcyQbUvCnuMLhK76.jpg?f=fotoalbum_tileAfbeeldingslocatie: https://tweakers.net/i/8_UeX40bJpufXeJln5REA4lTmx8=/232x232/filters:strip_icc():strip_exif()/f/image/hvrZUEBlMRD7ZzTKCoVavy9l.jpg?f=fotoalbum_tile

Maar ik heb alle onderdelen al liggen, zelfs een spare USR-TCP232-T2, dus als je wil kan ik deze kant en klaar voor je maken ;) (misschien verder even via DM babbelen omdat het anders te offtopic wordt hier)

Koop hier mijn P1 reader :)


Acties:
  • 0 Henk 'm!

  • vso
  • Registratie: Augustus 2001
  • Niet online

vso

tja...

Sircuri schreef op woensdag 20 mei 2020 @ 11:10:
@vso je kan toch de output van Toon naast de documentatie leggen van een DSMR 4 meter. Dan heb je direct antwoord op je vraag of je iets mist. Of begrijp ik je vraag niet helemaal?
ik heb de post geupdate met output v.d toon .. ter verduidelijking (was er mee bezig)

@ThinkPad thx wist niet dat het kon :)

[ Voor 5% gewijzigd door vso op 20-05-2020 12:18 ]

Tja vanalles


Acties:
  • 0 Henk 'm!

  • vso
  • Registratie: Augustus 2001
  • Niet online

vso

tja...

volgens mij ben ik gewoon "op zoek' naar -->

code:
1
2
3
4
5
6
7
8
9
10
dev_3.5: object
uuid: "543f8db1-616d-41dd-be14-bbdd8fb2d609"
name: "HAE_METER_v3_5"
internalAddress: "3.5"
type: "elec_received_nt"
supportsCrc: "0"
nodeFlags: array[0]
CurrentElectricityFlow: "1502.00"
CurrentElectricityQuantity: "9904.00"
DeviceName: "HAE_METER_v3_5"
van de eerder genoemde json

Tja vanalles


Acties:
  • 0 Henk 'm!

  • vso
  • Registratie: Augustus 2001
  • Niet online

vso

tja...

yeah :) info is toch blijkbaar aanwezig

Afbeeldingslocatie: https://github.com/mr4hughz/Toon-Rooted-Node-Red-Zwave/blob/master/example.JPG?raw=true

voor hoe en wat --> Node-RED - grafisch 'programmeren' (bijv. voor domotica)


hmm ik "mis" nu nog de elektra die ik verbruik ..

ik wek bv 1600watt op, verbruik "iets" en lever 12kw (per dag)

dus ik krijg er momenteel niet uit wat ik verbruik .. :(

[ Voor 26% gewijzigd door vso op 20-05-2020 17:34 ]

Tja vanalles


Acties:
  • 0 Henk 'm!

  • Muerte.Diablo
  • Registratie: April 2008
  • Laatst online: 04-10 15:57
Goedenmiddag allemaal,

Recent ben ik ook begonnen met een projectje om mijn slimme meter uit te lezen.
Als hardware heb ik een Raspberry pi 4. Zwaar overkill maar heb die nog liggen en over op dit moment. Een p1 kabel uit china.
Mijn slimme meter is een ISKRA AM550.

Mijn plan was om de Pi via een poe hat te voeden in de meterkast. En dan de data uitlezen en doorsturen naar de influxdatabase op mijn server. Voor het uitlezen wou ik smeterd gebruiken. Nu loop ik alleen tegen het issue aan dat deze mijn meter niet wil uitlezen en continu blijft hangen en ik deze handmatig moet stoppen.

Als ik mijn de seriele aansluiting handmatig uitlees via cu of minicom krijg ik (volgens mij) gewoon goede data terug.
Afbeeldingslocatie: https://tweakers.net/i/0VTpq3U7O-MFfHgb3bnApJm3a14=/234x176/filters:strip_exif()/f/image/cPZfkh0wRIWYLEH8GbiWsluO.png?f=fotoalbum_medium

Ik dacht eerst dat het misschien aan de poe hat lag. Dat deze voor ruis zou kunnen zorgen (kwam op stackoverflow voorbij) Maar die is er nu tussen uit en nog steeds hetzelfde probleem. Dus ik denk niet dat het daar aan ligt.

Hebben jullie misschien een idee hoe ik dit wel werkend kan krijgen? Gebruik ik het verkeerde script? Moet ik instellingen aanpassen? Ik heb zelf geen idee meer...

Acties:
  • 0 Henk 'm!

  • Kuusj
  • Registratie: April 2012
  • Laatst online: 10-10 20:51

Kuusj

Ofwel varken in 't Limburgs

Hier ook gekozen om eens aan de slag te gaan met de P1 poort van onze XS210 meter van Enexis.
Domoticz in een Docker container gemept, serial drivers voor mijn Xpenology (DSM 6.2) geĆÆnstalleerd (http://www.jadahl.com/drivers_6.2/?fulllist=true) omdat er eerst geen USB devices zichtbaar waren.

Dat is nu wel het geval, maar ik krijg de volgende foutmelding in de logs, wat ik ook probeer:
Afbeeldingslocatie: https://tweakers.net/i/STBMt98fGQr1LGwTfWYODd9nBxU=/full-fit-in/4000x4000/filters:no_upscale():fill(white):strip_exif()/f/image/9xlOUmqpIWOgzbN4hBXGM87Q.png?f=user_large

In Docker heb ik de Domoticz container al admin-rechten gegeven, ik heb het USB apparaat ge-chmod 777't, andere USB poorten geprobeerd. Ik heb ook ingevuld dat de data rate max 15 seconden mag zijn, maar ik heb het idee dat hij dit niet opslaat als ik het invoer. Als ik de wijziging opsla en ik klik weer op de entry staat er bij rate limit weer 0. Boudrate staat op 115200.

Heeft iemand een idee in welke hoek ik het kan zoeken? Kabel komt van SOS-solutions.

9800X3D - RX 6900XT - Volvo S40 T5 '10 - Kever '74


Acties:
  • 0 Henk 'm!

  • Sircuri
  • Registratie: Oktober 2001
  • Niet online

Sircuri

Volledig Appelig

CHMOD 777 van een device heeft niet zo heel veel zin volgens mij. De user heeft gewoon geen rechten op het device zelf. De log is zeer beperkt en verteld niets over wat er aan de hand is. Je kan proberen om de user, waaronder alle software draait, toe te voegen aan de DIALOUT user group.

Ik zou eerst proberen om alles aan de praten te krijgen buiten alle software om. Dus eerst basis connectiviteit krijgen met een tool als "cu". Als dat werkt, kun je Domoticz inrichten.

Signature van nature


Acties:
  • 0 Henk 'm!

  • Sircuri
  • Registratie: Oktober 2001
  • Niet online

Sircuri

Volledig Appelig

Muerte.Diablo schreef op vrijdag 22 mei 2020 @ 13:36:
Mijn slimme meter is een ISKRA AM550.

Mijn plan was om de Pi via een poe hat te voeden in de meterkast. En dan de data uitlezen en doorsturen naar de influxdatabase op mijn server. Voor het uitlezen wou ik smeterd gebruiken. Nu loop ik alleen tegen het issue aan dat deze mijn meter niet wil uitlezen en continu blijft hangen en ik deze handmatig moet stoppen.

Ik dacht eerst dat het misschien aan de poe hat lag. Dat deze voor ruis zou kunnen zorgen (kwam op stackoverflow voorbij) Maar die is er nu tussen uit en nog steeds hetzelfde probleem. Dus ik denk niet dat het daar aan ligt.

Hebben jullie misschien een idee hoe ik dit wel werkend kan krijgen? Gebruik ik het verkeerde script? Moet ik instellingen aanpassen? Ik heb zelf geen idee meer...
Het is me niet helemaal duidelijk wat nu precies je opstelling is. Je gebruik een PI 4 om je P1 meter uit te lezen? Je wil de PI voeden via een POE HAT, maar die heb je nu verwijderd? Hoe start je SMETERD?

Signature van nature


Acties:
  • 0 Henk 'm!

  • Muerte.Diablo
  • Registratie: April 2008
  • Laatst online: 04-10 15:57
Sircuri schreef op vrijdag 22 mei 2020 @ 15:38:
[...]


Het is me niet helemaal duidelijk wat nu precies je opstelling is. Je gebruik een PI 4 om je P1 meter uit te lezen? Je wil de PI voeden via een POE HAT, maar die heb je nu verwijderd? Hoe start je SMETERD?
De pi 4 hangt in de meterkast. Die is gevoed via PoE (dus daarlangs ook ethernet). Daaraan zit ook de P1 kabel die in de meter zit.
Starten van smeterd doe ik nu gewoon via bash. Via smeterd read-meter --serial-baudrate 115200
Nu tijdelijk gestart met smeterd -vvv read-meter --serial-baudrate 115200 om de debug output te zien.

Alleen gebeurt er niks. Hij start een connectie naar /dev/ttyUSB0 en daarna krijg ik alleen nog maar DEBUG >> meldingen te zien. Verder gebeurd er niks.

Acties:
  • +1 Henk 'm!

  • Sircuri
  • Registratie: Oktober 2001
  • Niet online

Sircuri

Volledig Appelig

Ik heb zelf ook altijd problemen gehad met al die libraries. Bij mij werkten ze ook nooit. Ik lees nu dus zelf de raw data uit en parse het. Heb wel gebruik gemaakt van de kennis in die libraries, maar wel gevangen in een eigen python script.
Er zal dus iets in de tools zitten wat er voor zorgt dat je geen data krijgt. Handmatig lukt het wel, dus je kabel is goed.
Mocht me iets te binnen schieten dan hoor je het....

[ Voor 6% gewijzigd door Sircuri op 22-05-2020 16:09 ]

Signature van nature


Acties:
  • +1 Henk 'm!

  • Kuusj
  • Registratie: April 2012
  • Laatst online: 10-10 20:51

Kuusj

Ofwel varken in 't Limburgs

Sircuri schreef op vrijdag 22 mei 2020 @ 15:34:
CHMOD 777 van een device heeft niet zo heel veel zin volgens mij. De user heeft gewoon geen rechten op het device zelf. De log is zeer beperkt en verteld niets over wat er aan de hand is. Je kan proberen om de user, waaronder alle software draait, toe te voegen aan de DIALOUT user group.

Ik zou eerst proberen om alles aan de praten te krijgen buiten alle software om. Dus eerst basis connectiviteit krijgen met een tool als "cu". Als dat werkt, kun je Domoticz inrichten.
Bedankt, ik ga het proberen. Heb net even met een laptop en Putty geprobeerd en daar krijg ik direct netjes alle data binnen. De kabel werkt dus, en nu weet ik dat het ergens in mijn softwareconfiguratie zit. Serieel uitlezen via SSH op een Synology is niet zo simpel helaas, je hebt geen apt bijvoorbeeld. Zelfs Nano zit er niet in.

Edit: 'sudo chown %user% /dev/ttyUSB0' heeft het probleem opgelost :)
Nu nog zien hoe ik data te zien krijg in Domoticz.

Edit2: Nou dat werkt nu ook ;) Dacht alleen wel dat de kabel een beetje absurde waarden eruit aan het pompen was, schommelen tussen 3.000W en 9000W... Blijkt dat ook gewoon echt zo te zijn 8)7 Waren 3 kookplaten, de airfryer en het strijkijzer tegelijk aan.. Morgen maar eens kijken wat nog meer mogelijk is met Domoticz, ik zag al dat ik de SolarEdge API kan invoeren bijvoorbeeld.

[ Voor 21% gewijzigd door Kuusj op 22-05-2020 17:59 ]

9800X3D - RX 6900XT - Volvo S40 T5 '10 - Kever '74


Acties:
  • 0 Henk 'm!

  • Sircuri
  • Registratie: Oktober 2001
  • Niet online

Sircuri

Volledig Appelig

Kuusj schreef op vrijdag 22 mei 2020 @ 17:37:
[...]Edit2: Nou dat werkt nu ook ;) Dacht alleen wel dat de kabel een beetje absurde waarden eruit aan het pompen was, schommelen tussen 3.000W en 9000W... Blijkt dat ook gewoon echt zo te zijn 8)7 Waren 3 kookplaten, de airfryer en het strijkijzer tegelijk aan.. Morgen maar eens kijken wat nog meer mogelijk is met Domoticz, ik zag al dat ik de SolarEdge API kan invoeren bijvoorbeeld.
Wie is er dan zo enorm aan het multitasken bij jou in huis??? :+

Signature van nature


Acties:
  • +1 Henk 'm!

  • cville
  • Registratie: Juni 2012
  • Laatst online: 10-10 20:33
Muerte.Diablo schreef op vrijdag 22 mei 2020 @ 15:53:
[...]


De pi 4 hangt in de meterkast. Die is gevoed via PoE (dus daarlangs ook ethernet). Daaraan zit ook de P1 kabel die in de meter zit.
Starten van smeterd doe ik nu gewoon via bash. Via smeterd read-meter --serial-baudrate 115200
Nu tijdelijk gestart met smeterd -vvv read-meter --serial-baudrate 115200 om de debug output te zien.

Alleen gebeurt er niks. Hij start een connectie naar /dev/ttyUSB0 en daarna krijg ik alleen nog maar DEBUG >> meldingen te zien. Verder gebeurd er niks.
Ik ben zelf na problemen met smeterd overgestapt op dsmr_parser. Bevalt prima.

12.090kWp → 40 panelen → oost/zuid/west | Tibber | EV


Acties:
  • 0 Henk 'm!

  • Muerte.Diablo
  • Registratie: April 2008
  • Laatst online: 04-10 15:57
cville schreef op zaterdag 23 mei 2020 @ 20:29:
[...]


Ik ben zelf na problemen met smeterd overgestapt op dsmr_parser. Bevalt prima.
Aah. Die was ik nog niet tegen gekomen zelf. Zal hem eens bekijken. Ziet er zo vlug goed uit met ook recente updates :) Bedankt!

Acties:
  • 0 Henk 'm!

  • Jelle710
  • Registratie: Maart 2018
  • Laatst online: 21-01-2024
Hiechel schreef op dinsdag 19 mei 2020 @ 23:16:
[...]

Het was niet de 5v die nodig was. Ik moest uiteindelijk gebruik maken van de hardware serial ipv software serial. Lijkt erop alsof software serial de berichten vloed niet aan kan of iets dergelijks. Uiteindelijk bleek dit script te werken.
Hi @Hiechel, ik heb hetzelfde probleem, maar dan op de ISKRA AM550. Ik heb zowel een Wemos D1 Mini als een Nodemcu gebruikt om het aan de praat te krijgen, maar ik krijg na een paar juiste regels onzin door (zie hier wat ik bedoel).

De link die jij hier noemt is mij ook bekend, alleen ik krijg het nog steeds niet werkend. Ik lees in de
code:
1
 #define P1_SERIAL_RX D2

(settings.h), moet dit niet RX zijn i.p.v. D2? En heb je nog meer veranderd aan de hardware zijde, bijv. een ander circuit om het signaal te inverteren of zoiets? Denk heel graag mee, want zou dit graag voor elkaar krijgen en heb het hele internet inmiddels al afgestruind... 8)7

Acties:
  • 0 Henk 'm!

  • Jelle710
  • Registratie: Maart 2018
  • Laatst online: 21-01-2024
Jelle710 schreef op zondag 24 mei 2020 @ 21:37:
[...]


Hi @Hiechel, ik heb hetzelfde probleem, maar dan op de ISKRA AM550. Ik heb zowel een Wemos D1 Mini als een Nodemcu gebruikt om het aan de praat te krijgen, maar ik krijg na een paar juiste regels onzin door (zie hier wat ik bedoel).

De link die jij hier noemt is mij ook bekend, alleen ik krijg het nog steeds niet werkend. Ik lees in de
code:
1
 #define P1_SERIAL_RX D2

(settings.h), moet dit niet RX zijn i.p.v. D2? En heb je nog meer veranderd aan de hardware zijde, bijv. een ander circuit om het signaal te inverteren of zoiets? Denk heel graag mee, want zou dit graag voor elkaar krijgen en heb het hele internet inmiddels al afgestruind... 8)7
Om antwoord op mijzelf te geven: Toevallig heeft de repository eigenaar een paar uur geleden de hardware specs ook geüpdatet. Verder zag ik dat ik wat fout had aan mijn eigen scriptje. De scripts zoals in de repo hierboven, heb ik niet exact gebruikt maar een geminimaliseerde versie. Ik zal nog een update geven als ik alle aanpassingen heb gedaan zoals ik ze wil, was van plan het op Github te gooien. Ik lijk nu in ieder geval eindelijk data binnen te krijgen via MQTT! :*)

Acties:
  • 0 Henk 'm!

  • NBK
  • Registratie: Oktober 2002
  • Laatst online: 30-09 01:24

NBK

Weercam-Avatar

Ik had een Iskra MT 382 slimme meter uit 2012 en die werkte perfect met mijn TTL RS-232 naar ethernet converter en een SN7404.

Maar omdat ze destijds de gasmeter waren vergeten heb ik nu een nieuwe slimme meter gekregen van het type Landis + Gyr E360.

En nu krijg ik de boel niet meer werkend.

Ik heb de instellingen van de com-poort al veranderd naar 115200 8N1.

edit:
Ik heb al geprobeerd met een 10K weerstand tussen CTS en de RTS op de meter. Ik heb de RTS met 10K aan de VCC gehangen. Ik zie wel 30mA stroom gaan lopen.
Ik zat scheef te kijken op m'n meter denk. Met VCC direct aan de RTS loopt er 7mA dus met die 10k ertussen zal het eerder 0,03mA geweest zijn :X

Maar ik zie (nog steeds) geen telegram. Zowel met mijn 7404 er nog tussen als zonder de 7404 maar met RxD met een 1k weerstand naar de VCC.
Wat is in godsnaam het juiste schema voor die klote E360... Ik ben inmiddels in staat om m'n netbeheerder op te bellen en m'n oude meter weer terug te vragen...
Waarom moet die standaard nou weer gewijzigd... alsof die 9600 baud niet genoeg was voor een telegram met 100 karakters. En waarom heb ik dit gekut altijd...

edit:
Op m'n oude scope zie ik wel wat digitale rommel op de lijn dus er lijkt wel wat data verstuurd te worden. Maar moet dit dan nog geinverteerd of juist niet?

edit:
Inmiddels wel ontdekt dat de digitale ruis na de 7404 weg is dus die ruis is niet sterk genoeg om doorgelaten te worden als data. En ik snap niet dat de request volgens de specs 5V als signaal moet hebben maar eigenlijk maximaal 30mA kan hebben. Met een 10K weerstand blijf ik netjes onder die 30mA (28) maar heb ik een spanningsval van 3,8V..

edit:
OK, 10K tussen VCC en TxD en 1k tussen vcc en RTS geeft wel een signaal na de 7404 maar totaal onbegrijpelijke output op telnet... toch niet inverteren dus?

edit:
Ook niet, zonder inverteren ook alleen maar onbegrijpelijke tekst. Is die 7404 niet geschikt voor 115k2?

edit:
Blijkbaar moet de SN7404 70Mbit aan kunnen dus dat is het ook niet :'(
Kan het kloppen dat het er op lijkt dat de nieuwe meter iedere seconde een telegram stuurt?

Inverter er maar weer tussen gezet. Nog steeds onverstaanbare tekst. In rust in de ingang van mijn TTL naar ethernet nu 5 volt en data trekt hem naar 0V. Dat zou moeten kloppen toch?

[ Voor 45% gewijzigd door NBK op 25-05-2020 19:20 ]

PC's; Home; Met 8619 units als 72e geƫindigd bij DPC @ SETI-classic


Acties:
  • 0 Henk 'm!

  • Laagheim
  • Registratie: December 2016
  • Laatst online: 11-10 11:55
@NBK Ligt het dan niet aan je rj11 kabeltje? Als ik me goed herinner zit de 5v en gnd op een andere pin bij die nieuwe meters. (al weer een tijd geleden dat ik er naar gekeken heb)
Pagina: 1 ... 22 ... 39 Laatste