Ook nietBen(V) schreef op dinsdag 17 maart 2026 @ 16:30:
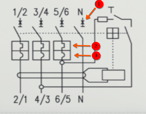
Klopt had de verkeerde geplaatst., moet deze zijn:
[Afbeelding]
Het symbooltje dat jij als tweede postte is denk ik een voor-ijlende normally closed, maar ik heb die combinatie nog niet eerder gezien.
Kan het wel. Zelfs hoger, als het maar kort genoeg duurt.Ook zou ik persoonlijk er niet op vertrouwen dat apparatuur een kortstondige spanning piek van 400 V aankunnen.
Dat is inderdaad zeer onwenselijk.Verder begon het verhaal met een foto van vier automaten die niet fysiek gekoppeld waren om als drie fasen automaat te dienen.
Daar moet je dus nooit aan beginnen want dan kun je door alleen de nul uit te schakelen alles op 400V zetten.
:strip_exif()/f/image/U3mJWtCDZ6s5DclFRxhlk2PG.png?f=user_large)
/f/image/E90aCWtp672cZomD5wdIEYqC.png?f=fotoalbum_large)
:strip_exif()/f/image/aAGCU82vcSVYRQMCd2jJq7SL.png?f=user_large)