C is nergens voor nodig, dat heeft met de kortsluitstroom te maken en die moet je zo laag mogelijk houden. B20 dus. Doe dan wel 4mm2 draad als de laadpaal niet naast de voordeur/groepenkast zit.ThinkPad schreef op zaterdag 10 januari 2026 @ 19:45:
Ga een vriend helpen met het installeren van een Peblar Home laadpaal (11kw, 3F). Idee is om laadpaal via een 3-fase aardlekautomaat op de hoofdschakelaar aan te sluiten. Maar welke aardlekautomaat hebben we nodig?
Ik dacht een B16 30mA, maar las ook dat je ivm. langdurige belasting (en dus warmteonwikkeling) beter iets zwaarder kan pakken. Dan kom ik op een C20 uit. Maar is 30mA dan handig, of 300mA?
Het moet een Eaton worden, gezien de rest van de kast dat ook is.
Die lijkt Eaton niet te voerenjadjong schreef op zaterdag 10 januari 2026 @ 19:49:
[...]
C is nergens voor nodig, dat heeft met de kortsluitstroom te maken en die moet je zo laag mogelijk houden. B20 dus. Doe dan wel 4mm2 draad als de laadpaal niet naast de voordeur/groepenkast zit.
Bekabeling was idd plan om met 4mm2 te doen.
Edit: ABB wel zie ik (DS203NC) en Hager (ADM420G).
[ Voor 18% gewijzigd door ThinkPad op 10-01-2026 20:20 ]
Corrected that for youjadjong schreef op zaterdag 10 januari 2026 @ 19:49:
[...]
C is nergens voor nodig, dat heeft met de kortsluitstroom aanloopstroom te maken en die moet je zo laag mogelijk houden. B20 dus. Doe dan wel 4mm2 draad als de laadpaal niet naast de voordeur/groepenkast zit.
Vake beej te bange! Maar soms beej oek te dapper! ;)
Zonder de agrariër ook geen eten voor de vegetariër!
Waarom niet? Je mag niet meerdere groepen met vd-draad in een leiding verwerken omdat je dan bij onderhoud denkt dat je de juiste groep uit zet, maar er blijkt er nog eentje door de leiding te lopen. Hier heb jij geen last van als je netjes aan het begin een 3PN automaat plaatst. Alle drie de groepen gaan dan tegelijk aan of uit. Daarnaast moet je zorgen dat een installatie veilig en overzichtelijk is. Dat laatste doe je door de aanvoer in een centraaldoos uit te laten komen en die daarna naar drie WCD af te takken met behulp van de juiste materialen. Stikkertje op de lasdoos met K1, net als in de groepenkast, en op ieder wcd een sticker met L1/2/3. Doe je dit op de muur binnen een vierkante meter van elkaar snapt elke idioot wat je gedaan hebt.Beekforel schreef op zaterdag 10 januari 2026 @ 18:50:
[...]
Mag dat? Dat zou wel de meest simpele uitvoering zijn inderdaad.
Veiligheid is wel iets waar je nat kan gaan, maar dat geldt net zo goed wanneer je er een onderverdeler tussen plaatst. Het mooie van 3-fase krachtstroom is dat de verschillende fases wisselstroom onderling 120 graden verschoven zijn van elkaar, trek je 3x16A door een 5-aderige kabel dan is de stroom door de N afgerond nul ampère. In plaats van optellen dooft het elkaar uit door de 120 graden verschuiving ten opzichte van elkaar.
Alleen jij gaat hier drie accu's plaatsen en die zijn bi-directioneel, dan heb je nog steeds dat de stroom op de N niet optelt wanneer alle drie de accu's tegelijk laden of ontladen, maar dat geldt wel wanneer er twee laden en eentje ontladen. Dan gaat er 2x16A heen over de kabel en 1x16A terug van de derde accu, bij elkaar opgeteld is dat 26A op de N.
Zorg dat je hierom een 4P automaat plaatst als je aan het einde van een 3fase kabel gaat goochelen met accu's. Een 4P automaat meet ook de stroom op de N, een 3P+N variant meet alleen de drie fases en schakelt de N mee uit als eentje van die drie fases over de lijn gaat, niet als die zelf over de lijn gaat.
Correctie: dat is 32A door de nul!jadjong schreef op zaterdag 10 januari 2026 @ 20:18:
[...]
Waarom niet? Je mag niet meerdere groepen met vd-draad in een leiding verwerken omdat je dan bij onderhoud denkt dat je de juiste groep uit zet, maar er blijkt er nog eentje door de leiding te lopen. Hier heb jij geen last van als je netjes aan het begin een 3PN automaat plaatst. Alle drie de groepen gaan dan tegelijk aan of uit. Daarnaast moet je zorgen dat een installatie veilig en overzichtelijk is. Dat laatste doe je door de aanvoer in een centraaldoos uit te laten komen en die daarna naar drie WCD af te takken met behulp van de juiste materialen. Stikkertje op de lasdoos met K1, net als in de groepenkast, en op ieder wcd een sticker met L1/2/3. Doe je dit op de muur binnen een vierkante meter van elkaar snapt elke idioot wat je gedaan hebt.
Veiligheid is wel iets waar je nat kan gaan, maar dat geldt net zo goed wanneer je er een onderverdeler tussen plaatst. Het mooie van 3-fase krachtstroom is dat de verschillende fases wisselstroom onderling 120 graden verschoven zijn van elkaar, trek je 3x16A door een 5-aderige kabel dan is de stroom door de N afgerond nul ampère. In plaats van optellen dooft het elkaar uit door de 120 graden verschuiving ten opzichte van elkaar.
Alleen jij gaat hier drie accu's plaatsen en die zijn bi-directioneel, dan heb je nog steeds dat de stroom op de N niet optelt wanneer alle drie de accu's tegelijk laden of ontladen, maar dat geldt wel wanneer er twee laden en eentje ontladen. Dan gaat er 2x16A heen over de kabel en 1x16A terug van de derde accu, bij elkaar opgeteld is dat 26A op de N.
Zorg dat je hierom een 4P automaat plaatst als je aan het einde van een 3fase kabel gaat goochelen met accu's. Een 4P automaat meet ook de stroom op de N, een 3P+N variant meet alleen de drie fases en schakelt de N mee uit als eentje van die drie fases over de lijn gaat, niet als die zelf over de lijn gaat.
Nope. 2 fases 16A belast geeft 16A door de nul.jadjong schreef op zaterdag 10 januari 2026 @ 20:26:
[...]
Nee, want je hebt nog wel 120 graden fase-verschuiving waar je rekening mee moet houden.
Meest eenvoudige argument: als je de derde fase ook met 16A belast is de stroom door de nul 0A. Wet van Kirchhoff…
Je kunt ook even de vectoren uittekenen en optellen.
En goniometrisch: cos(60gr)+cos(-60gr)=1
[ Voor 4% gewijzigd door pvg op 10-01-2026 20:50 ]
Nog een andere vraag over dezelfde groepenkast (voor de laadpaal gaan we de ABB B20 30mA aardlekautomaat gebruiken), voor de twee PV omvormers zijn er twee B16 automaten rechtstreeks op de hoofdschakelaar geprakt. De panelen en omvormer zijn wel geaard, maar ja geen aardlekschakelaar aanwezig dus. Lijkt mij onwenselijk, maar draait al zo’n 10j op die manier en komt nu dus aan het licht.
In de datasheet van de omvormer (SolarRiver 3000TL) staat wel 'aardlekbewaking' en 'aardlekbewaking op alle polen'. Is er dan een aardlekschakelaar nodig?
En zo ja, wat voor aardlekschakelaar is dan handig om de twee B16 achter te hangen? Met twee omvormers is 30mA mogelijk te triggerhappy. Eaton 40A 300mA?
In de datasheet van de omvormer (SolarRiver 3000TL) staat wel 'aardlekbewaking' en 'aardlekbewaking op alle polen'. Is er dan een aardlekschakelaar nodig?
En zo ja, wat voor aardlekschakelaar is dan handig om de twee B16 achter te hangen? Met twee omvormers is 30mA mogelijk te triggerhappy. Eaton 40A 300mA?
[ Voor 8% gewijzigd door ThinkPad op 10-01-2026 21:52 ]
Klopt, maar de kortsluitstromen van B & C karakteristiek zijn nagenoeg gelijk, het verschil in die 2 in gebruik zijn voor normaal gebruik de aanloopstromen met inschakeling van een machine, een C karakteristiek kan dan een iets hogere piekstroom hebben dan een B.jadjong schreef op zaterdag 10 januari 2026 @ 20:20:
[...]
Dat hoeft niet. Kortsluitstroom is waar de automaat op afschakelt, als de aanloopstroom van een apparaat groter is dan de kortsluitstroom schakelt de automaat af.
Een zware slijptol zonder soft-start zoals vaak gebruikt in de metaalbewerking o.a. knalt er in een B karakteristiek wel uit maar met een C karakteristiek niet, bij gelijk amperage zullen ze er bij langere overbelasting of kortsluiting gelijktijdig uit moeten gaan.
Vake beej te bange! Maar soms beej oek te dapper! ;)
Zonder de agrariër ook geen eten voor de vegetariër!
Edit* spraakverwarring.ThinkPad schreef op zaterdag 10 januari 2026 @ 19:45:
Ga een vriend helpen met het installeren van een Peblar Home laadpaal (11kw, 3F). Idee is om laadpaal via een 3-fase aardlekautomaat op de hoofdschakelaar aan te sluiten. Maar welke aardlekautomaat hebben we nodig?
Ik dacht een B16, maar las ook dat je ivm. langdurige belasting (en dus warmteonwikkeling) beter iets zwaarder kan pakken. Dan kom ik op een C20 uit. En is 30mA dan handig, of pak je bij een laadpaal 300mA? Edit: In de installatiehandleiding geven ze zelf al aan dat het een 30mA moet zijn (pag. 5).
Het moet een Eaton worden, gezien de rest van de kast dat ook is.
B16 is wat gevoeliger. C kar misschien weer meer risico voor je hoofdschakelaar?
Zie dat men meestal b16 neemt.
Maar C kan ook deze zijn; Eaton mRB6-16/3N/C/003-A
[ Voor 13% gewijzigd door pentaw1nz op 10-01-2026 22:43 ]
PV: 13 x LG Solar 320N1K-A5 - NeON2 / WP: Adlar Aurora II 6kw / WPB: Atlantic Explorer 200l / jaren 70 woning gasloos sinds 10-2024 / Peblar business laadpaal / 25kw plugin hybride
Mijns inziens pure onzin, tenzij je b.v. meerdere groepen voor buiten gaat toepassen en dat op 1 aardlekschakelaar gaat plaatsen, maar daar heb je die DS301C al voor.pentaw1nz schreef op zaterdag 10 januari 2026 @ 19:01:
[...]
Dank voor je suggestie. Ook wen optie om het zo te doen idd.
4 aardlek is puur omdat ik deze nog had, en geeft ruimte voor uitbreiding. Al zal ik dat in deze woning waarschijnlijk nooit nodig hebben...
En je kunt met 3 aardlekschakelaars alsnog met 3 groepen uitbreiden als je wenst aangezien je nu 9 groepen in gebruik hebt.
Juist als dit (voorlopig) de laatste wijziging is zou ik de boel willen aanpassen en netjes maken, juist ook voor de netheid en het overzicht.Ik ga even overwegen of herindelen de moeite waard is.
Aan de andere kant is deze 3p+n voor de laadpaal waarschijnlijk de laatste wijziging. Om daar dan nu allea voor op de kop te gooien...
De enige extra overweging is mogelijk nog om de PV groep bij in de rij met aardlekschakelaars te plaatsen in de rechter kast als je de door mij voorgestelde oplossing pakt.
En als je zoveel mogelijk met kamrails werkt wordt je overzicht ook wat duidelijker.
Vake beej te bange! Maar soms beej oek te dapper! ;)
Zonder de agrariër ook geen eten voor de vegetariër!
U heeft gelijk, zat met 16/-16/0 in mijn hoofd, dus een onbelaste fase.pvg schreef op zaterdag 10 januari 2026 @ 20:43:
[...]
Nope. 2 fases 16A belast geeft 16A door de nul.
Meest eenvoudige argument: als je de derde fase ook met 16A belast is de stroom door de nul 0A. Wet van Kirchhoff…
Je kunt ook even de vectoren uittekenen en optellen.
En goniometrisch: cos(60gr)+cos(-60gr)=1
Waarom een A kar? Zaptec zegt zelf in de beschrijving dat het een B kar moet zijn? Ik heb een Zaptec (1ste versie)pentaw1nz schreef op zaterdag 10 januari 2026 @ 08:56:
Hi,
Ik wil een laadpaal installeren op mijn 3fasen installatie, specifiek neig ik naar de Zaptec go 2 welke zelf 6ma dc detecteert.
Wil daarom een 3P+N alamat (a kar) installeren en heb daar een vraag over. Hij moet links naast Q1 komen.
Voor zover ik heb kunnen lezen zegt de NEN niet specifiek iets over hoeveel draden je uitgaand uit je hoofdschakelaar mag hebben, maar wel iets over deugdelijke verbindingen.
Wat is de meest gangbare manier om een 3p+n te installeren in een redelijk volle kast?
De eerste 3p+n voor het koken zit met een kamrail direct naast de hoofdschakelaar. Deze voor de laadpaal komt in de linker kast.
Meest praktisch; ik heb nog overal een plekje vrij op verdeel blok links onder. Daar direct de nieuwe alamat op zetten?
Blokje voor de N zit dan wel vol. Is dat lastig richting de toekomst en moet ik nog een andere manier overwegen? Of is dit de way to go.
[Afbeelding]
Hele Kast;
[Afbeelding]
[Afbeelding]
:strip_exif()/f/image/UOyuVzp5Q7RlUt41sPJrBBqs.jpg?f=fotoalbum_small)
En heb een B-Kar 16 003A, hij zit hierboven helemaal rechts in de 2de kast.
Omdat ik begreep dat je net een goedkopere A kar uit kon als de laadpaal zelf 6ma dc detecteert. Zoals de zaptec go 2 doet en de peblar ook.loewie1984 schreef op zaterdag 10 januari 2026 @ 22:23:
[...]
Waarom een A kar? Zaptec zegt zelf in de beschrijving dat het een B kar moet zijn? Ik heb een Zaptec (1ste versie)
[Afbeelding]
En heb een B-Kar 16 003A
Waar lees jij dat het de duurdere b kar moet zijn?
[ Voor 25% gewijzigd door pentaw1nz op 10-01-2026 22:26 ]
PV: 13 x LG Solar 320N1K-A5 - NeON2 / WP: Adlar Aurora II 6kw / WPB: Atlantic Explorer 200l / jaren 70 woning gasloos sinds 10-2024 / Peblar business laadpaal / 25kw plugin hybride
Ik zie bij Elektramat geen A-Kar alamat's alleen B en C Kar: https://www.elektramat.nl...VIdAosahMx2VkS69HHx3wjFxGpentaw1nz schreef op zaterdag 10 januari 2026 @ 22:24:
[...]
Omdat ik begreep dat je net een goedkopere A kar uit kon als de laadpaal zelf 6ma dc detecteert. Zoals de zaptec go 2 doet en de peblar ook.
Excuus, volgens mij halen we 'type' en 'karakteristiek' door elkaar.loewie1984 schreef op zaterdag 10 januari 2026 @ 22:26:
[...]
Ik zie bij Elektramat geen A-Kar alamat's alleen B en C Kar: https://www.elektramat.nl...VIdAosahMx2VkS69HHx3wjFxG
Het mag een type A zijn, beschermt tegen nominale wisselstroomlekken.
Geen duurdere type B die ook beschermd tegen dc.
Het moet wel een B karakteristiek zijn
Eaton mRB6-16/3N/B/003-A
PV: 13 x LG Solar 320N1K-A5 - NeON2 / WP: Adlar Aurora II 6kw / WPB: Atlantic Explorer 200l / jaren 70 woning gasloos sinds 10-2024 / Peblar business laadpaal / 25kw plugin hybride
Bij de zaptec installateurshandleiding: https://help.zaptec.com/h...ttachments/40169647805713pentaw1nz schreef op zaterdag 10 januari 2026 @ 22:24:
[...]
Omdat ik begreep dat je net een goedkopere A kar uit kon als de laadpaal zelf 6ma dc detecteert. Zoals de zaptec go 2 doet en de peblar ook.
Waar lees jij dat het de duurdere b kar moet zijn?
[Afbeelding]
De Zaptec Go 2 moet worden geïnstalleerd achter een zekering (40A max, C-karakteristiek aanbevolen) en
aardlekschakelaar type A (30mA).
C kar dus zelfs.
Eaton mRB6-16/3N/C/003-A
Die kan ik dan niet helemaal volgen
Eaton mRB6-16/3N/C/003-A
Die kan ik dan niet helemaal volgen
PV: 13 x LG Solar 320N1K-A5 - NeON2 / WP: Adlar Aurora II 6kw / WPB: Atlantic Explorer 200l / jaren 70 woning gasloos sinds 10-2024 / Peblar business laadpaal / 25kw plugin hybride
Een laadpaal is uiteindelijk een fancy contactdoos. De elektronica van de laadpaal zelf doet het waarschijnlijk ook prima op een B2 automaat.
De daadwerkelijke lader zit in de auto, en er bestaan auto's met laders die zo'n grote inschakelstroom hebben dat de magnetische beveiliging in een B16 of B20 zou trippen. Die auto's zijn zeldzaam, want de meeste starten juist voorzichtig en voeren de stroom behoorlijk langzaam op. De fabrikant van de laadpaal heeft echter geen zin in storingsmeldingen en schrijft daarom een C-automaat voor.
Overigens kom je vanwege de 125%-regel (ook bekend als 80%-regel) bij 11 kW uit op een automaat van 20 A, niet 16 A. Dat is niet selectief; als je wel selectiviteit wilt, kun je in plaats daarvan ook de laadsnelheid lager instellen.
De daadwerkelijke lader zit in de auto, en er bestaan auto's met laders die zo'n grote inschakelstroom hebben dat de magnetische beveiliging in een B16 of B20 zou trippen. Die auto's zijn zeldzaam, want de meeste starten juist voorzichtig en voeren de stroom behoorlijk langzaam op. De fabrikant van de laadpaal heeft echter geen zin in storingsmeldingen en schrijft daarom een C-automaat voor.
Overigens kom je vanwege de 125%-regel (ook bekend als 80%-regel) bij 11 kW uit op een automaat van 20 A, niet 16 A. Dat is niet selectief; als je wel selectiviteit wilt, kun je in plaats daarvan ook de laadsnelheid lager instellen.
Wie kan me vertellen of ik ook 2 Eaton Medusa kasten onder elkaar kan plaatsen?
Alles zit nu vol in de breedte en ik heb extra ruimte nodig. Ik kan dit alleen nergens vinden. Volgens mij zou het moeten kunnen?
Alles zit nu vol in de breedte en ik heb extra ruimte nodig. Ik kan dit alleen nergens vinden. Volgens mij zou het moeten kunnen?
@de Peer Ja dat kan, heb ik ook (zit zelfs nog een ander ABB kastje tussen). Foto van al even terug, tijdens de opbouw:
PV: 49 kWp | ZB: 8kWp | WPs: 3x Pana 7J + Pana 5J + Nibe Savent + Vaillant aroSTOR + Samsung DVM S (L/L) | ESS: 90kWh/24kW + 30kWh/12kW
super. dit is precies wat ik ook wil gaan doen. Fijn om even een voorbeeld te zien! thanksRimco schreef op zondag 11 januari 2026 @ 14:53:
@de Peer Ja dat kan, heb ik ook (zit zelfs nog een ander ABB kastje tussen). Foto van al even terug, tijdens de opbouw:
[Afbeelding]
Liever geen 16A automaat voor een 16A laadpaal; die kan urenlang op maximumvermogen belast worden en daar zijn automaten eigenlijk niet voor gemaakt. Dan worden ze simpelweg te warm in een afgesloten kast. Je kan beter een 20A of zelfs 25A pakken ivm de warmte. Een C-kar voegt wmb ook niet veel toe, maar is mogelijk makkelijker aan te komen (en net zo veilig). Het boekje zegt (blijkbaar) maximum voorbeveiliging 40A, waarschijnlijk voor 32A laden, dus 20A is dan prima als je 'm voor 16A (11KW) max gebruikt.pentaw1nz schreef op zaterdag 10 januari 2026 @ 22:35:
C kar dus zelfs.
Eaton mRB6-16/3N/C/003-A
Die kan ik dan niet helemaal volgen
Of je moet de maximum laadstroom beperken tot 14a of zo.
En nee, da's niet selectief maar dat maakt ook geen reet uit. Een 16A automaat is ook al niet selectief tov een 25A hoofdautomaat (maar net wel ten opzichte van een traag smeltpatroon). Voor de veiligheid maakt dat niks uit, selectiviteit kan hinder verminderen maar voegt geen veiligheid toe.
In geval van een 20a of 25a houd je de begrenzing op de laadpaal softwarematig wel gewoon op 16a?Steyn_E schreef op zondag 11 januari 2026 @ 15:22:
[...]
Liever geen 16A automaat voor een 16A laadpaal; die kan urenlang op maximumvermogen belast worden en daar zijn automaten eigenlijk niet voor gemaakt. Dan worden ze simpelweg te warm in een afgesloten kast. Je kan beter een 20A of zelfs 25A pakken ivm de warmte. Een C-kar voegt wmb ook niet veel toe, maar is mogelijk makkelijker aan te komen (en net zo veilig). Het boekje zegt (blijkbaar) maximum voorbeveiliging 40A, waarschijnlijk voor 32A laden, dus 20A is dan prima als je 'm voor 16A (11KW) max gebruikt.
Of je moet de maximum laadstroom beperken tot 14a of zo.
En nee, da's niet selectief maar dat maakt ook geen reet uit. Een 16A automaat is ook al niet selectief tov een 25A hoofdautomaat (maar net wel ten opzichte van een traag smeltpatroon). Voor de veiligheid maakt dat niks uit, selectiviteit kan hinder verminderen maar voegt geen veiligheid toe.
Is er nog meerwaarde voor het kiezen voor 25a?
PV: 13 x LG Solar 320N1K-A5 - NeON2 / WP: Adlar Aurora II 6kw / WPB: Atlantic Explorer 200l / jaren 70 woning gasloos sinds 10-2024 / Peblar business laadpaal / 25kw plugin hybride
Juist, je begrenst 'm op 16A, waardoor de B/C20 niet zo warm wordt.pentaw1nz schreef op zondag 11 januari 2026 @ 15:54:
[...]
In geval van een 20a of 25a houd je de begrenzing op de laadpaal softwarematig wel gewoon op 16a?
Is er nog meerwaarde voor het kiezen voor 25a?
Kiezen tussen 20 of 25A hangt vooral af van de gebruikte kabel; de 25A automaten zijn makkelijker aan te komen van de verschillende merken (ziet er netter uit) maar mag je absoluut niet zomaar op een 5x2,5mm2 aansluiten, dan zeker een 20A pakken. Desnoods van een ander merk. Bij 5x4mm2 (tot redelijke afstand) of dikker zou je ook een 25A kunnen pakken en nog steeds de laadpaal zelf beperken, dan wordt de automaat helemaal niet meer warm én kan je 'm mogelijk ineens wel van hetzelfde merk als de rest van de spulletjes in de groepenkast kopen.
Echter weet zeker dat de kabel dan dik genoeg is, bij twijfel (of als je zeker weet dat het 2,5mm2 is) gewoon een 20A automaat plaatsen. Dan maar een 'rommeltje' met een Hager in je Schneider kast oid.
Wat te zeggen van een 20 A (automaat) zekering in de meterkast, circa 25 meter 5x2,5mm2 bedrading en in het souterrain een extra 16 A (automaat)?
1 fase meterkast.
Bedoeling is hier in de toekomst een EV te laden met de nieuwe Solar Edge ONE EV lader.
Maar voorlopig met een Voldt "granny" met een CEE wandcontactdoos. Heb zowel de HWZ
P1 meter met daarnaast al een SE inline meter, dus zou je zeggen dat de loadbalancing al aanwezig is?
Opzet is de 4800 Wp zon energie zoveel mogelijk in te zetten voor de komende Inster Sky Cross
Lijkt mij in orde?
Dit door een elektricien zo gelegd na wat doorgesproken te hebben.
1 fase meterkast.
Bedoeling is hier in de toekomst een EV te laden met de nieuwe Solar Edge ONE EV lader.
Maar voorlopig met een Voldt "granny" met een CEE wandcontactdoos. Heb zowel de HWZ
P1 meter met daarnaast al een SE inline meter, dus zou je zeggen dat de loadbalancing al aanwezig is?
Opzet is de 4800 Wp zon energie zoveel mogelijk in te zetten voor de komende Inster Sky Cross
Lijkt mij in orde?
Dit door een elektricien zo gelegd na wat doorgesproken te hebben.
[ Voor 29% gewijzigd door dinandus op 11-01-2026 16:47 . Reden: Zonne energie en betreffende EV toegevoegd ]
5x2,5 voldoet voor een 20A automaat prima op die afstand. Snap alleen niet wat het idee van die extra 16A automaat zou zijn; is dat verplicht voor het type lader dat je wil gebruiken? Zo ja, dan inderdaad liever aan het einde van die kabel in een apart kastje en niet in de groepenkast ivm warmte.dinandus schreef op zondag 11 januari 2026 @ 16:15:
Wat te zeggen van een 20 A (automaat) zekering in de meterkast, circa 25 meter 5x2,5mm2 bedrading en in het souterrain een extra 16 A (automaat)?
1 fase meterkast.
Bedoeling is hier in de toekomst een EV te laden met de nieuwe Solar Edge ONE EV lader.
Maar voorlopig met een Voldt "granny" met een CEE wandcontactdoos. Heb zowel de HWZ
P1 meter met daarnaast al een SE inline meter, dus zou je zeggen dat de loadbalancing al aanwezig is?
Opzet is de 4800 Wp zon energie zoveel mogelijk in te zetten voor de komende Inster Sky Cross
Lijkt mij in orde?
Dit door een elektricien zo gelegd na wat doorgesproken te hebben.
En met die 5 aderige kabel ben je in ieder geval voorbereid op die 3-fase lader op een later moment.
@Steyn_E Die 20A zit in de hoofd meter kast, op de 2e woon etage. :strip_exif()/f/image/x4fISfV8UMktU0j0bkQzYbhm.jpg?f=fotoalbum_large)
De 16 A zit in het soutterain waar mijn garagebox zit, zie bijgaande foto van de binnenkomende kabel in het soutterain. Misschien maakt dit het duidelijker.
Of zou die van 16 ook naar 20 A kunnen voor de komende EV One box, dan kan er ipv 3,6 kWh naar 7,4 kWh laden?
:strip_exif()/f/image/x4fISfV8UMktU0j0bkQzYbhm.jpg?f=fotoalbum_large)
De 16 A zit in het soutterain waar mijn garagebox zit, zie bijgaande foto van de binnenkomende kabel in het soutterain. Misschien maakt dit het duidelijker.
Of zou die van 16 ook naar 20 A kunnen voor de komende EV One box, dan kan er ipv 3,6 kWh naar 7,4 kWh laden?
Welke auto is dat dan met hoge inschakelstroom? Ik heb dat echt nog nooit gehoord/mee gemaakt en heb er heel wat geplaatst.Juerd schreef op zaterdag 10 januari 2026 @ 22:47:
Een laadpaal is uiteindelijk een fancy contactdoos. De elektronica van de laadpaal zelf doet het waarschijnlijk ook prima op een B2 automaat.
De daadwerkelijke lader zit in de auto, en er bestaan auto's met laders die zo'n grote inschakelstroom hebben dat de magnetische beveiliging in een B16 of B20 zou trippen. Die auto's zijn zeldzaam, want de meeste starten juist voorzichtig en voeren de stroom behoorlijk langzaam op. De fabrikant van de laadpaal heeft echter geen zin in storingsmeldingen en schrijft daarom een C-automaat voor.
Overigens kom je vanwege de 125%-regel (ook bekend als 80%-regel) bij 11 kW uit op een automaat van 20 A, niet 16 A. Dat is niet selectief; als je wel selectiviteit wilt, kun je in plaats daarvan ook de laadsnelheid lager instellen.
C kar voor een laadpaal is imo echt onzin, kan altijd gewoon met b.
13480 Wp solar | 2x Panasonic 7j met 1x 300l sww | (Laadpaal) installateur, pb voor een offerte
Hm dat betekent dat het niet verstandig is? Ik acht de kans klein dat het gebeurt, de huidige accu's zijn zelfs maar max 6A dus daar zal het prima mee gaan.jadjong schreef op zaterdag 10 januari 2026 @ 22:19:
[...]
U heeft gelijk, zat met 16/-16/0 in mijn hoofd, dus een onbelaste fase.
Heb nog een andere uitdaging, ik heb geen plek meer voor een 3f alamat van 4 posities breed. Heb nog een plekje voor 3, of ik moet een smaller Hager verdeelblok vinden want die neemt er 5.
@Beekforel Je kan een 3fase automaat nemen die ook de nul meet of drie losse kabels vanaf de groepenkast trekken die ieder een eigen automaat hebben. Dan heb je alleen nog die onbalans in de groepenkast zelf, daar zit meestal wel wat dikker draad en is de afstand kort.
Als de accu sowieso niet verder dan 6A komt valt het allemaal wel mee.
Als de accu sowieso niet verder dan 6A komt valt het allemaal wel mee.
Die b20 is nergens te krijgen van eaton. Of voor 160 euro.Steyn_E schreef op zondag 11 januari 2026 @ 16:04:
[...]
Juist, je begrenst 'm op 16A, waardoor de B/C20 niet zo warm wordt.
Kiezen tussen 20 of 25A hangt vooral af van de gebruikte kabel; de 25A automaten zijn makkelijker aan te komen van de verschillende merken (ziet er netter uit) maar mag je absoluut niet zomaar op een 5x2,5mm2 aansluiten, dan zeker een 20A pakken. Desnoods van een ander merk. Bij 5x4mm2 (tot redelijke afstand) of dikker zou je ook een 25A kunnen pakken en nog steeds de laadpaal zelf beperken, dan wordt de automaat helemaal niet meer warm én kan je 'm mogelijk ineens wel van hetzelfde merk als de rest van de spulletjes in de groepenkast kopen.
Echter weet zeker dat de kabel dan dik genoeg is, bij twijfel (of als je zeker weet dat het 2,5mm2 is) gewoon een 20A automaat plaatsen. Dan maar een 'rommeltje' met een Hager in je Schneider kast oid.
25a vind ik toch wat riskant. Dan misschien uitwijken naar een c kar
PV: 13 x LG Solar 320N1K-A5 - NeON2 / WP: Adlar Aurora II 6kw / WPB: Atlantic Explorer 200l / jaren 70 woning gasloos sinds 10-2024 / Peblar business laadpaal / 25kw plugin hybride
Daarvoor geldt een maximumlengte van 48m op 2,5mm2 met een C20, of 78m bij gebruik van een B25 (ja, dan mag de kabel inderdaad zelfs langer zijn). Voldoet dus prima, zou ik de goedkoopste kiezen. Zie ook: https://www.wezelbv.nl/wp...-lengte-van-leidingen.pdfpentaw1nz schreef op zondag 11 januari 2026 @ 20:37:
[...]
Die b20 is nergens te krijgen van eaton. Of voor 160 euro.
25a vind ik toch wat riskant. Dan misschien uitwijken naar een c kar
Ik lees hier momenteel met interesse mee.
Ik wil n.l. op zolder een onderverdeler plaatsen waar de zonnepanelen en accu's op komen te zitten.
Mijn idee is:
-Beneden in de hoofdgroepenkast een 3-fase B20 automaat
-Onderverdeler zolder: - hoofdschakelaar - 3-fase B16 alamat voor de zonnepanelen én 3-fase B16 alamat voor de 2x HomeWizard accu's, welke max 800w per fase kunnen laden/ontladen.
De bekabeling ligt er al, en is 5x4mm2 (20 meter lang).
Nu vraag ik mij af m.b.t. de stroom door de nul;
moet ik in de hoofdgroepenkast een 4p automaat nemen, ipv een 3p+N?
Het prijsverschil is namelijk aanzienlijk (35 euro - 140 euro)
Ik weet trouwens dat ik niet 1,6 selectief ben t.o.v. de hoofdzekering.
Ik wil n.l. op zolder een onderverdeler plaatsen waar de zonnepanelen en accu's op komen te zitten.
Mijn idee is:
-Beneden in de hoofdgroepenkast een 3-fase B20 automaat
-Onderverdeler zolder: - hoofdschakelaar - 3-fase B16 alamat voor de zonnepanelen én 3-fase B16 alamat voor de 2x HomeWizard accu's, welke max 800w per fase kunnen laden/ontladen.
De bekabeling ligt er al, en is 5x4mm2 (20 meter lang).
Nu vraag ik mij af m.b.t. de stroom door de nul;
moet ik in de hoofdgroepenkast een 4p automaat nemen, ipv een 3p+N?
Het prijsverschil is namelijk aanzienlijk (35 euro - 140 euro)
Ik weet trouwens dat ik niet 1,6 selectief ben t.o.v. de hoofdzekering.
🚗 Tesla M3H - 2024 | 🏍️ Yamaha Tracer 900 - 2017 | ☀️ 3900Wp O/W + 1620Wp O/W | 🚿 D-wtw: QB1-16 | ❄️ MHI SCM40ZS-W + SRK25 + SRK20 |🔋2x HomeWizard PiB 2,7kWh
Geen idee welke precies; ik hou me niet zo met auto's bezig behalve die van mezelfMakrolon schreef op zondag 11 januari 2026 @ 19:00:
[...]
Welke auto is dat dan met hoge inschakelstroom? Ik heb dat echt nog nooit gehoord/mee gemaakt en heb er heel wat geplaatst.
Ik neem aan dat 't met alle nieuwe auto's probleemloos met B kan.C kar voor een laadpaal is imo echt onzin, kan altijd gewoon met b.
Weet iemand trouwens of dit mag / op een bepaalde wijze voorgeschreven is.
Nieuwe woning komt de aarde de groepenkast onderin binnen en loopt dan als ongeïsoleerde aardedraad naar het aarde verdeelblok in de ABB kast.
Huidige woning is dit buiten om de kast en komt dan via het aarde verdeelblok zelf pas de kast in (c.q. aardedraad gaat überhaupt de kast niet in).
Wat is toegestaan en wat is wenselijk?
Nieuwe woning komt de aarde de groepenkast onderin binnen en loopt dan als ongeïsoleerde aardedraad naar het aarde verdeelblok in de ABB kast.
Huidige woning is dit buiten om de kast en komt dan via het aarde verdeelblok zelf pas de kast in (c.q. aardedraad gaat überhaupt de kast niet in).
Wat is toegestaan en wat is wenselijk?
11*310 WP (3410) op ZO (~140°) @ ~41° hoek , Growatt 3000 MTL-S
En ook met oude hahaJuerd schreef op zondag 11 januari 2026 @ 21:25:
[...]
Geen idee welke precies; ik hou me niet zo met auto's bezig behalve die van mezelf
[...]
Ik neem aan dat 't met alle nieuwe auto's probleemloos met B kan.
13480 Wp solar | 2x Panasonic 7j met 1x 300l sww | (Laadpaal) installateur, pb voor een offerte
Heb je de zonnepanelen en accu's al liggen? Zo niet dan zou ik kijken naar een oplossing met 1 gecombineerde omvormer voor de panelen en de accu's.henkNL schreef op zondag 11 januari 2026 @ 20:54:
Ik lees hier momenteel met interesse mee.
Ik wil n.l. op zolder een onderverdeler plaatsen waar de zonnepanelen en accu's op komen te zitten.
Mijn idee is:
-Beneden in de hoofdgroepenkast een 3-fase B20 automaat
-Onderverdeler zolder: - hoofdschakelaar - 3-fase B16 alamat voor de zonnepanelen én 3-fase B16 alamat voor de 2x HomeWizard accu's, welke max 800w per fase kunnen laden/ontladen.
Dat is efficienter: minder verlies door conversie
Je hebt dan geen onderverdeler nodig.
Indien je de juiste omvormer kiest kan je je zonnepanelen ook gebruiken als stroombron bij stroomuitval.
Spel en typfouten voorbehouden
Bij TT zal de beschermingsgeleider in principe dubbelgeïsoleerd moeten zijn ten opzichte van fase(n) en nul die vóór de aardlekschakelaar zitten, wat in de groepenkast met enkelgeïsoleerde geleiders neerkomt op dat alle draden geïsoleerd moeten zijn als er een beschermingsgeleider bij zit. Bij TN zal het technisch gezien ongeïsoleerd mogen in de groepenkast, maar ik zou niet weten waarom je het risico in hemelsnaam zou nemen.Freakie1NL schreef op zondag 11 januari 2026 @ 21:32:
Nieuwe woning komt de aarde de groepenkast onderin binnen en loopt dan als ongeïsoleerde aardedraad naar het aarde verdeelblok in de ABB kast.
Ik zou 'm vervangen door een geïsoleerde. Als je niet bij de aansluiting kan (bijv. omdat ie uit het meterbord komt (maar dat zou ik echt heel raar vinden met een blote draad)), kun je overwegen 'm zoveel mogelijk alsnog te isoleren met groengele krimpkous. Vergeet niet om eerst de hoofdschakelaar uit te zetten voordat je de aarding van je hele huis loshaalt.
Je bent de eerste die ik dat zie beweren, maar al meerdere mensen hebben het tegenovergestelde beweerd.Makrolon schreef op zondag 11 januari 2026 @ 21:38:
[...]
En ook met oude hahaer is geen auto die een b kar er uit laat klappen.
Waarom denk jij dat de fabrikanten van laadpalen vaak willen dat je hun laadpaal achter een automaat met C-karakteristiek aansluit?
Ja, al jaren zonnepanelen en sinds april de accuFredvZ schreef op zondag 11 januari 2026 @ 21:39:
[...]
Heb je de zonnepanelen en accu's al liggen? Zo niet dan zou ik kijken naar een oplossing met 1 gecombineerde omvormer voor de panelen en de accu's.
Dat is efficienter: minder verlies door conversie
Je hebt dan geen onderverdeler nodig.
Indien je de juiste omvormer kiest kan je je zonnepanelen ook gebruiken als stroombron bij stroomuitval.
🚗 Tesla M3H - 2024 | 🏍️ Yamaha Tracer 900 - 2017 | ☀️ 3900Wp O/W + 1620Wp O/W | 🚿 D-wtw: QB1-16 | ❄️ MHI SCM40ZS-W + SRK25 + SRK20 |🔋2x HomeWizard PiB 2,7kWh
Geen idee wat de beweegreden is van laadpaal fabrikanten.Juerd schreef op zondag 11 januari 2026 @ 21:49:
[...]
Je bent de eerste die ik dat zie beweren, maar al meerdere mensen hebben het tegenovergestelde beweerd.
Waarom denk jij dat de fabrikanten van laadpalen vaak willen dat je hun laadpaal achter een automaat met C-karakteristiek aansluit?
Ik denk dat ik inmiddels voor elk model auto wel eens een laadpaal heb geplaatst. Ik ben dit echt nog nooit tegen gekomen.
Als het klopt wat jij zegt, dan zou een 16 ampère auto dus ook eerst voorbij de 16a moeten schieten om daarna terug naar 16 te vallen toch? Want door snel naar de 16 te schieten schakelt een b16 niet uit.
13480 Wp solar | 2x Panasonic 7j met 1x 300l sww | (Laadpaal) installateur, pb voor een offerte
Het zou betekenen dat de aanloopstroom minstens 48 A is, ja. Het gaat hier over een fractie van een seconde. Dat is overigens niet heel ongebruikelijk. Met 2 goedkope laptopvoedingen kan dat al gebeuren als je pech hebt (eigen ervaring).Makrolon schreef op zondag 11 januari 2026 @ 21:53:
Als het klopt wat jij zegt, dan zou een 16 ampère auto dus ook eerst voorbij de 16a moeten schieten om daarna terug naar 16 te vallen toch? Want door snel naar de 16 te schieten schakelt een b16 niet uit.
Dat klopt ka, dan zou er iets van elcos in moeten zitten in de electronica van een auto die zichzelf snel opladen.Juerd schreef op zondag 11 januari 2026 @ 21:56:
[...]
Het zou betekenen dat de aanloopstroom minstens 48 A is, ja. Het gaat hier over een fractie van een seconde. Dat is overigens niet heel ongebruikelijk. Met 2 goedkope laptopvoedingen kan dat al gebeuren als je pech hebt (eigen ervaring).
Ik ben het in ieder geval nog nooit tegen gekomen, en zeker alles af met b karakteristiek.
13480 Wp solar | 2x Panasonic 7j met 1x 300l sww | (Laadpaal) installateur, pb voor een offerte
@Makrolon Er zitten sowieso veel en grote elco's in, maar waarschijnlijk bijna altijd met maatregelen om te zorgen dat die niet in één klap opladen.
Dank, maar dan laat ik hem toch gewoon buitenom lopen. Heb nieuwe 6mm2 aardedraad besteld omdat hij 4mm2 is dus makkelijk buitenom om te voeren. Huidige woning ook buitenom de kast. Nieuwe woning dus in de kast maar denk dat dit na oplevering door de vorige bewoners (c.q. de gene die in de groepenkast heeft gewerkt) is aangepast.Juerd schreef op zondag 11 januari 2026 @ 21:45:
[...]
Bij TT zal de beschermingsgeleider in principe dubbelgeïsoleerd moeten zijn ten opzichte van fase(n) en nul die vóór de aardlekschakelaar zitten, wat in de groepenkast met enkelgeïsoleerde geleiders neerkomt op dat alle draden geïsoleerd moeten zijn als er een beschermingsgeleider bij zit. Bij TN zal het technisch gezien ongeïsoleerd mogen in de groepenkast, maar ik zou niet weten waarom je het risico in hemelsnaam zou nemen.
Ik zou 'm vervangen door een geïsoleerde. Als je niet bij de aansluiting kan (bijv. omdat ie uit het meterbord komt (maar dat zou ik echt heel raar vinden met een blote draad)), kun je overwegen 'm zoveel mogelijk alsnog te isoleren met groengele krimpkous. Vergeet niet om eerst de hoofdschakelaar uit te zetten voordat je de aarding van je hele huis loshaalt.
11*310 WP (3410) op ZO (~140°) @ ~41° hoek , Growatt 3000 MTL-S
@Freakie1NL Als ie buitenom kan, vraag ik me af waarom ie überhaupt binnen de kast zat... Maar dat zullen we wellicht nooit weten.
Ik denk omdat beunhaas BV ingeschakeld is. Ik heb ook ontdekt dat er ergens 2 montagekabel zonder twinhuls onder 1 klem gepropt is. En vanuit de bouw was het 1 kast. Daarna is er blijkbaar een Attema aan de linker kant bijgekomen en een HLD 22 aan de rechterkant. Aan de rechterkant zal de aarde hebben gelopen en dan is dit wel zo makkelijk toch, anders moet je nieuwe draad gaan gebruiken...Juerd schreef op zondag 11 januari 2026 @ 23:12:
@Freakie1NL Als ie buitenom kan, vraag ik me af waarom ie überhaupt binnen de kast zat... Maar dat zullen we wellicht nooit weten.
11*310 WP (3410) op ZO (~140°) @ ~41° hoek , Growatt 3000 MTL-S
@Freakie1NL Inmiddels ben ik nieuwsgierig naar 'n foto van het knutselwerkje
Juerd schreef op zondag 11 januari 2026 @ 23:40:
@Freakie1NL Inmiddels ben ik nieuwsgierig naar 'n foto van het knutselwerkje
Members only:
Op dit moment nog bezig met herinrichting, opnieuw indelen. Heb nu een HLD 33 (eigenlijk vanwege prijs de AEG variant gekocht), naast de al bestaande HLD 33 geplaatst. De al aanwezige HLD 22 naar beneden onder de nieuwe 33 geplaatst. Bekijk nog of ik dat Attema kastje ga houden of dit anders oplos.
Alleen zichtbaar voor ingelogde gebruikers.
Inloggen
11*310 WP (3410) op ZO (~140°) @ ~41° hoek , Growatt 3000 MTL-S
Twee aarde draden zitten er ook niet goed in?Freakie1NL schreef op maandag 12 januari 2026 @ 07:01:
[...]
***members only***
Op dit moment nog bezig met herinrichting, opnieuw indelen. Heb nu een HLD 33 (eigenlijk vanwege prijs de AEG variant gekocht), naast de al bestaande HLD 33 geplaatst. De al aanwezige HLD 22 naar beneden onder de nieuwe 33 geplaatst. Bekijk nog of ik dat Attema kastje ga houden of dit anders oplos.
Klopt, is hersteld zie Freakie1NL in "Het grote kookplaat aansluiten topic"bjusterbaarlik schreef op maandag 12 januari 2026 @ 08:15:
[...]
Twee aarde draden zitten er ook niet goed in?
11*310 WP (3410) op ZO (~140°) @ ~41° hoek , Growatt 3000 MTL-S
@Freakie1NL Ik zie op een gewone automaat achter een aardlek "zon" staan. Die groep hoort achter een eigen alamat te zitten...
I Bought Myself A Politician - MonaLisa Twins 2013: 7panelen(195Wp), maand later, 17. 3 jaar later 28 en gasloos. 5.5kWp O-W op 4.2kVA omvormer. 2018 'verhuisd'.
Daar zit een Gacia PV verdeler op aangesloten op zolder.onetime schreef op maandag 12 januari 2026 @ 09:19:
@Freakie1NL Ik zie op een gewone automaat achter een aardlek "zon" staan. Die groep hoort achter een eigen alamat te zitten...
Members only:
Alleen zichtbaar voor ingelogde gebruikers.
Inloggen
11*310 WP (3410) op ZO (~140°) @ ~41° hoek , Growatt 3000 MTL-S
Niet als het ten tijde van de bouw niet verplicht was.onetime schreef op maandag 12 januari 2026 @ 09:19:
@Freakie1NL Ik zie op een gewone automaat achter een aardlek "zon" staan. Die groep hoort achter een eigen alamat te zitten...
Of het is een trafo-omvormer, zoals ik zelf nog heb hangen.
I Bought Myself A Politician - MonaLisa Twins 2013: 7panelen(195Wp), maand later, 17. 3 jaar later 28 en gasloos. 5.5kWp O-W op 4.2kVA omvormer. 2018 'verhuisd'.
Ook geen fan van Gacia?onetime schreef op maandag 12 januari 2026 @ 10:30:
@leonbong Ja ok, dat klopt.
@Freakie1NL Goed dat die Gacia onderverdeler met ABB is voorbeveiligd.
Het betreft een huis van 2016 waar gek genoeg vanuit de bouw 0,0 zonnepanelen zijn geplaatst. Dit is door de eerste bewoners aangebracht.
11*310 WP (3410) op ZO (~140°) @ ~41° hoek , Growatt 3000 MTL-S
Hallo,
Mijn schoonzus krijgt een nieuwe keuken. (vaatwasser, oven, inductie kookplaat en quooker) Ze heeft een 1 fase 35A aansluiting en meterkastje met 3 groepen. Nu ligt er maar een loze leiding 19mm naar de plek waar de nieuwe keuken moet komen.
Wat ik wil doen om alles goed te kunnen laten werken en volgens de normen is de meterkast verzwaren naar 3x25A. Dus nieuwe meterkast 3 fase installeren. Voor de nieuwe keuken wil ik een aparte verdeler maken in de nieuwe keuken omdat leiding bij maken lastig gaat. Nu was mijn idee om vanuit de meterkast met C20 3 fase naar de nieuwe keuken te gaan en op een B16 en dan nog groepen voor de keuken apparaten.
Is deze aanpak volgens de normen of waar zou ik anders kunnen doen?
Wel of geen aardlekautomaten gebruiken en waar? Dat is ook een van de vragen die ik heb
Mijn schoonzus krijgt een nieuwe keuken. (vaatwasser, oven, inductie kookplaat en quooker) Ze heeft een 1 fase 35A aansluiting en meterkastje met 3 groepen. Nu ligt er maar een loze leiding 19mm naar de plek waar de nieuwe keuken moet komen.
Wat ik wil doen om alles goed te kunnen laten werken en volgens de normen is de meterkast verzwaren naar 3x25A. Dus nieuwe meterkast 3 fase installeren. Voor de nieuwe keuken wil ik een aparte verdeler maken in de nieuwe keuken omdat leiding bij maken lastig gaat. Nu was mijn idee om vanuit de meterkast met C20 3 fase naar de nieuwe keuken te gaan en op een B16 en dan nog groepen voor de keuken apparaten.
Is deze aanpak volgens de normen of waar zou ik anders kunnen doen?
Wel of geen aardlekautomaten gebruiken en waar? Dat is ook een van de vragen die ik heb
Geen selectiviteit dus niet toegestaan. Hoe is het traject naar de keuken zelf?
11*310 WP (3410) op ZO (~140°) @ ~41° hoek , Growatt 3000 MTL-S
Selectiviteit niet echt mogelijk en dus geen probleem. Kabel voldoende beveiligd. De 16A groepen zijn wel zover mogelijk selectief tov de hoofdzekeringen. (niet volledig)
I Bought Myself A Politician - MonaLisa Twins 2013: 7panelen(195Wp), maand later, 17. 3 jaar later 28 en gasloos. 5.5kWp O-W op 4.2kVA omvormer. 2018 'verhuisd'.
@schellie112 @Freakie1NL
Je gebruikt de C20 als distributie-groep dus dat kan inderdaad wel, mits je daarachter inderdaad de B16's zet.
Zou zelfs overwegen om een C25 te nemen voor de distributie, gebeurt er dan iets met je B16 vliegt deze er minder snel uit dan een C20, aangezien C20 en B16 absoluut verre van selectief zijn t.o.v. elkaar.
Je gebruikt de C20 als distributie-groep dus dat kan inderdaad wel, mits je daarachter inderdaad de B16's zet.
Zou zelfs overwegen om een C25 te nemen voor de distributie, gebeurt er dan iets met je B16 vliegt deze er minder snel uit dan een C20, aangezien C20 en B16 absoluut verre van selectief zijn t.o.v. elkaar.
Vake beej te bange! Maar soms beej oek te dapper! ;)
Zonder de agrariër ook geen eten voor de vegetariër!
Wil je alleen daarvoor 3 fase? Hoe vaak staan al die dingen tegelijk op vol vermogen aan? kijk even naar de gelijktijdigheidsfactor en als je het wat over de groepen verdeelt kan het zo primaschellie112 schreef op maandag 12 januari 2026 @ 13:26:
Hallo,
Mijn schoonzus krijgt een nieuwe keuken. (vaatwasser, oven, inductie kookplaat en quooker) Ze heeft een 1 fase 35A aansluiting en meterkastje met 3 groepen. Nu ligt er maar een loze leiding 19mm naar de plek waar de nieuwe keuken moet komen.
Wat ik wil doen om alles goed te kunnen laten werken en volgens de normen is de meterkast verzwaren naar 3x25A. Dus nieuwe meterkast 3 fase installeren. Voor de nieuwe keuken wil ik een aparte verdeler maken in de nieuwe keuken omdat leiding bij maken lastig gaat. Nu was mijn idee om vanuit de meterkast met C20 3 fase naar de nieuwe keuken te gaan en op een B16 en dan nog groepen voor de keuken apparaten.
Is deze aanpak volgens de normen of waar zou ik anders kunnen doen?
Wel of geen aardlekautomaten gebruiken en waar? Dat is ook een van de vragen die ik heb
@Annuk
In mijn ontwerp bij elektramat had ik een C25 maar had het hier verkeerd gezegd. Moet er bij deze groep ook een aardlekschakelaar zitten want hier lees ik verschillende dingen over. Hoe kijk je naar het gebruik van aardlekautomaten? Zie in de foto's mijn ontwerpen
:strip_exif()/f/image/ZuPWZVihwOTVm5c3RBVsoXbG.png?f=user_large)
In mijn ontwerp bij elektramat had ik een C25 maar had het hier verkeerd gezegd. Moet er bij deze groep ook een aardlekschakelaar zitten want hier lees ik verschillende dingen over. Hoe kijk je naar het gebruik van aardlekautomaten? Zie in de foto's mijn ontwerpen
:strip_exif()/f/image/ZuPWZVihwOTVm5c3RBVsoXbG.png?f=user_large)
Nee, een onderverdeler hoeft niet achter een aardlekschakelaar te zitten, en een C25 als kabelbeveiliging mag gewoon ook al is dat niet selectief. Sterker nog, als je al een aardlekschakelaar in de hoofdverdeler gebruikt zou het een selectieve aardlekschakelaar moeten zijn. Dat betekent in het geval van een ALS dat 'ie in tijd vertraagd uitschakelt zodat de aardlekschakelaar in de onderverdeler eerder uitschakelt.schellie112 schreef op maandag 12 januari 2026 @ 16:17:
@Annuk
In mijn ontwerp bij elektramat had ik een C25 maar had het hier verkeerd gezegd. Moet er bij deze groep ook een aardlekschakelaar zitten want hier lees ik verschillende dingen over. Hoe kijk je naar het gebruik van aardlekautomaten? Zie in de foto's mijn ontwerpen
[Afbeelding]
[Afbeelding]
Aardlekautomaten (in de onderverdeler dus) werkt erg mooi want dan valt niet meteen alles in de keuken uit, maar is ook kostbaar. Of je dat moet willen hangt met name van je portemonnee af (en daar kan ik niet in kijken).
Schema zou dan zijn:
Hoofdverdeler. Onderverdeler
[hoofdschakelaar][C25 3f zekeringautomaat] ---kabel---> [hoofdschakelaar][aardlekschakelaar][B16 x 4]
Edit: Opmaak valt weg... Zucht
[ Voor 4% gewijzigd door Steyn_E op 12-01-2026 16:36 ]
@schellie112 Gezien het aantal automaten en aardlekschakelaars zou ik voor alles alamat gaan.
Dan kan je ook in je onderverdeler simpel over de fases spreiden.
Dan kan je ook in je onderverdeler simpel over de fases spreiden.
I Bought Myself A Politician - MonaLisa Twins 2013: 7panelen(195Wp), maand later, 17. 3 jaar later 28 en gasloos. 5.5kWp O-W op 4.2kVA omvormer. 2018 'verhuisd'.
Ik nog een tip voor iedereen die een kracht-aardlekautomaat (tijdelijk) wil gebruiken als kookgroep. Ik kan me niet herinneren dat ik het hier tegen ben gekomen.
Aanleiding: stel: je hebt al een elektrische kookplaat op een 1-fasige aansluiting. Waarschijnlijk heb je dan de welbekende kookgroep, 2 x 16 A. Als je over wil naar een 3-fase aansluiting, moet je éérst de groepenkast vervangen. Het mooiste is dan om een krachtstroomgroep maken, geen kookgroep. Op die manier kan je in de toekomst eventueel een 3-fasige kookplaat aansluiten. In de tijdelijke situatie moet je dan de kookplaat voeden met 2 x 1 fase via de nieuwe kracht-aardlek(automaat).
Nu de eigenlijke tip:
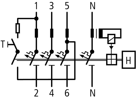
De testknop van een kracht-aardlekautomaat werkt vaak met een weerstand tussen de twee "fases." Bijvoorbeeld de Eaton mRB6-16/3N/B/003-A:
:strip_exif()/f/image/Eper89CnJXG76VnvKzodGb6p.png?f=user_large)
Als je deze in volgorde "L1 N1 L2 N2" aansluit, heb je geen spanning tussen pool 2 en 6. Dan werkt de testknop dus niet
Als je wil dat de testknop werkt, moet je zo'n automaat bijvoorbeeld "L1 L2 N1 N2" aansluiten. De voorwaarden zijn in ieder geval:
Aanleiding: stel: je hebt al een elektrische kookplaat op een 1-fasige aansluiting. Waarschijnlijk heb je dan de welbekende kookgroep, 2 x 16 A. Als je over wil naar een 3-fase aansluiting, moet je éérst de groepenkast vervangen. Het mooiste is dan om een krachtstroomgroep maken, geen kookgroep. Op die manier kan je in de toekomst eventueel een 3-fasige kookplaat aansluiten. In de tijdelijke situatie moet je dan de kookplaat voeden met 2 x 1 fase via de nieuwe kracht-aardlek(automaat).
Nu de eigenlijke tip:
De testknop van een kracht-aardlekautomaat werkt vaak met een weerstand tussen de twee "fases." Bijvoorbeeld de Eaton mRB6-16/3N/B/003-A:
:strip_exif()/f/image/Eper89CnJXG76VnvKzodGb6p.png?f=user_large)
Als je deze in volgorde "L1 N1 L2 N2" aansluit, heb je geen spanning tussen pool 2 en 6. Dan werkt de testknop dus niet
- Op pool N mag je uiteraard alleen een N aansluiten, want die pool is niet gezekerd.
- Bij deze Eaton-aardlekautomaat moet tussen pool 2 en 6 moet spanning staan. De plaatsing van de weerstand zal waarschijnlijk verschillen per type aardlekschakelaar.
[ Voor 4% gewijzigd door marcop23 op 12-01-2026 21:48 ]
Zelfs 20 A is door een bestaande buis (OP schreef over een 19 mm loze leiding) tricky voor een situatie waarvan we de details verder niet kennen. Dat kan al niet met normale 2,5 mm² installatiedraden als de buis door thermische isolatie gaat (installatiemethode A1). Met hittebestendige installatiedraad (H07V2-U of voor meer gemak H07V2-K) gaat 20 A wel, maar 25 A onder die omstandigheid niet. En dat is nog los van eventuele warmtebronnen zoals verwarmingsleidingen in de buurt, waar je een correctiefactor voor zou moeten toepassen.Annuk schreef op maandag 12 januari 2026 @ 15:34:
@schellie112 @Freakie1NL
Je gebruikt de C20 als distributie-groep dus dat kan inderdaad wel, mits je daarachter inderdaad de B16's zet.
Zou zelfs overwegen om een C25 te nemen voor de distributie, gebeurt er dan iets met je B16 vliegt deze er minder snel uit dan een C20, aangezien C20 en B16 absoluut verre van selectief zijn t.o.v. elkaar.
Zou 5× 4 mm² goed te doen zijn? Op zich blijft dat net binnen de vulfactor van 33% bij een buis van 19 mm. Met flexibel draad (toch weel H07V2-K) en kabelglijmiddel vergroot je de kans. En dan mag er 31 A doorheen bij installatiemethode A1, waardoor je bij afzekering op 25 A nog wat marge hebt voor een eventuele correctiefactor door warmte.
[ Voor 3% gewijzigd door Juerd op 13-01-2026 00:29 ]
Dat is niet altijd waar. Alleen in bepaalde omstandigheden mag je een aardlekschakelaar weglaten.Steyn_E schreef op maandag 12 januari 2026 @ 16:35:
[...]
Nee, een onderverdeler hoeft niet achter een aardlekschakelaar te zitten
/f/image/f5R0on5SyMujx9NcYpOFGMaA.png?f=fotoalbum_large)
Maar of 25 A een goed idee is, ligt sterk aan welk soort draad er gebruikt wordt, en waar die draad precies loopt. Aangezien @schellie112 het over een loze leiding had, zou het wel eens kunnen dat die zonder verdere aanwijzingen aan de slag gaat met 2,5 mm² en dat zou erg karig zijn voor die stroom.en een C25 als kabelbeveiliging mag gewoon ook al is dat niet selectief.
Selectieve aardlekschakelaars zijn niet verplicht. Het is gebruikelijk om voor een distributiegroep 300 mA te gebruiken. Dat geeft een beetje selectiviteit bij normale lekstroom; bij volle foutstroom gaan ze natuurlijk allebei.Sterker nog, als je al een aardlekschakelaar in de hoofdverdeler gebruikt zou het een selectieve aardlekschakelaar moeten zijn.
Freakie1NL schreef op maandag 12 januari 2026 @ 07:01:
***members only***
Members only:
Alleen zichtbaar voor ingelogde gebruikers.
Inloggen
Compleet correct hoor!Juerd schreef op dinsdag 13 januari 2026 @ 00:28:
[...]
Zelfs 20 A is door een bestaande buis (OP schreef over een 19 mm loze leiding) tricky voor een situatie waarvan we de details verder niet kennen. Dat kan al niet met normale 2,5 mm² installatiedraden als de buis door thermische isolatie gaat (installatiemethode A1). Met hittebestendige installatiedraad (H07V2-U of voor meer gemak H07V2-K) gaat 20 A wel, maar 25 A onder die omstandigheid niet. En dat is nog los van eventuele warmtebronnen zoals verwarmingsleidingen in de buurt, waar je een correctiefactor voor zou moeten toepassen.
Zou 5× 4 mm² goed te doen zijn? Op zich blijft dat net binnen de vulfactor van 33% bij een buis van 19 mm. Met flexibel draad (toch weel H07V2-K) en kabelglijmiddel vergroot je de kans. En dan mag er 31 A doorheen bij installatiemethode A1, waardoor je bij afzekering op 25 A nog wat marge hebt voor een eventuele correctiefactor door warmte.
Reageerde met m'n bericht eigenlijk alleen op @Freakie1NL over het selectief zijn opmerking
Maar dit hoort er zeker bij!
Vake beej te bange! Maar soms beej oek te dapper! ;)
Zonder de agrariër ook geen eten voor de vegetariër!
Mag je in 1 afdek raam verschillende groepen schakelen? Dus wel met een afzondelijke dozen en leidingen, schotje er in etc. maar 1 afdekraam waardoor je zou kunnen denken dat alles in dat afdekraam spanningsloos is na het uitzetten van een groep.
Ik wil de buitenverlichting graag netjes naast de andere schakelaars hebben maar die gaat dus wel over een andere groep. Alleen schakelaars, geen WCD's.
In principe blijft dus alles gescheiden en voldoe ik aan NEN1010. Maar die heeft het ook over rekbare begrippen als overzichtelijkheid van de isntallatie etc.
Elders (ook in andere GoT topics) kom ik verschillende antwoorden met zowel volmondig ja als nee.
Ik wil de buitenverlichting graag netjes naast de andere schakelaars hebben maar die gaat dus wel over een andere groep. Alleen schakelaars, geen WCD's.
In principe blijft dus alles gescheiden en voldoe ik aan NEN1010. Maar die heeft het ook over rekbare begrippen als overzichtelijkheid van de isntallatie etc.
Elders (ook in andere GoT topics) kom ik verschillende antwoorden met zowel volmondig ja als nee.
droogworst - rookworst - leverworst - salamiworst - knakworst - bokworst - boterhammenworst
Waarom zou dat niet mogen? Het is fysiek gescheiden.Wuursj schreef op dinsdag 13 januari 2026 @ 10:23:
Mag je in 1 afdek raam verschillende groepen schakelen? Dus wel met een afzondelijke dozen en leidingen, schotje er in etc. maar 1 afdekraam waardoor je zou kunnen denken dat alles in dat afdekraam spanningsloos is na het uitzetten van een groep.
Ik wil de buitenverlichting graag netjes naast de andere schakelaars hebben maar die gaat dus wel over een andere groep. Alleen schakelaars, geen WCD's.
In principe blijft dus alles gescheiden en voldoe ik aan NEN1010. Maar die heeft het ook over rekbare begrippen als overzichtelijkheid van de isntallatie etc.
Elders (ook in andere GoT topics) kom ik verschillende antwoorden met zowel volmondig ja als nee.
'Overzichtelijkheid van de installatie', een toekomstige klusser zou er vanuit kunnen gaan dat de hele rij spanningsvrij is als alleen de binnen-groep uit staat?tlpeter schreef op dinsdag 13 januari 2026 @ 10:37:
[...]
Waarom zou dat niet mogen? Het is fysiek gescheiden.
Ik denk aan een sticker aan de binnen kant / achter de wipper om dat te voorkomen.
[ Voor 11% gewijzigd door Wuursj op 13-01-2026 10:45 ]
droogworst - rookworst - leverworst - salamiworst - knakworst - bokworst - boterhammenworst
Je zou het groepnummer met een stift op de schakelaar/WCD kunnen schrijven (achter de afdekramen)
Je moet altijd meten of iets spanningsvrij is.
Je moet altijd meten of iets spanningsvrij is.
Yep. Maar of iedereen alle 5 de schakelaars af gaat...tlpeter schreef op dinsdag 13 januari 2026 @ 10:50:
Je moet altijd meten of iets spanningsvrij is.
Een noitite is inderdaad het idee.
droogworst - rookworst - leverworst - salamiworst - knakworst - bokworst - boterhammenworst
Waar sluit ik de "massa"/PE verbinding van mijn aggregaat nu op aan?
Het gaat om een aggregaat om een aantal in huis geplaatste apparaten (met randaarde) van spanning te voorzien.
:strip_exif()/f/image/zsHryutHJDHauwJqnFCDdewt.png?f=user_large)
In de tekst staat dat een aardlekschakelaar nodig is voor stroom meer dan 30A, bij lagere stromen/vermogens zou het volgens de fabrikant dus niet nodig zijn. Maar als er wel een aardlekschakelaar tussenzit zou dat IMHO een optionele extra (niet verplichte) veiligheidsmaatregel zijn.
Het gaat om een aggregaat om een aantal in huis geplaatste apparaten (met randaarde) van spanning te voorzien.
:strip_exif()/f/image/zsHryutHJDHauwJqnFCDdewt.png?f=user_large)
- Aparte te maken aardpen?
- aan de PE aansluiting van de huisinstallatie (die ook via een aarpen-achtige constructie de fundering ingaat. (TT stelsel)?
In de tekst staat dat een aardlekschakelaar nodig is voor stroom meer dan 30A, bij lagere stromen/vermogens zou het volgens de fabrikant dus niet nodig zijn. Maar als er wel een aardlekschakelaar tussenzit zou dat IMHO een optionele extra (niet verplichte) veiligheidsmaatregel zijn.
[ Voor 24% gewijzigd door SniperGuy op 13-01-2026 11:49 ]
Anders dan de naam doet vermoeden staan aardlek en PE los van elkaar.SniperGuy schreef op dinsdag 13 januari 2026 @ 11:01:
Die 30ma aardlekschakelaar zal qua aardlek niets doen zonder goede verbinding naar aarde: er is immers ,anders dan via L en N zonder PE, geen stroomkring mogelijk...
Spel en typfouten voorbehouden
Uiteraard, ik ben bekend met de terminologie.FredvZ schreef op dinsdag 13 januari 2026 @ 11:08:
[...]
Anders dan de naam doet vermoeden staan aardlek en PE los van elkaar.
Met een generator natuurlijk wel. Als die niet geaard is, is er geen stroomkring met de aarde en zal een "lek" naar de aarde dus ook geen foutstroom opleveren.FredvZ schreef op dinsdag 13 januari 2026 @ 11:08:
[...]
Anders dan de naam doet vermoeden staan aardlek en PE los van elkaar.
Als de generator niet geaard is, dan zweeft de uitgaande spanning t.o.v. de werkelijke aarde. Er zal bij een lek naar de werkelijke aarde geen stroom gaan lopen en de aardlekschakelaar doet niets. Maar de andere pool heeft nu wel een spanning t.o.v. de werkelijke aarde. En dan zal bij een tweede aardlek de aardlekschakelaar ingrijpen.
Is de nul van de generator doorverbonden met de aardaansluiting?
Is de nul van de generator doorverbonden met de aardaansluiting?
[ Voor 9% gewijzigd door devriesjande op 13-01-2026 11:57 ]
Voor mijn hutje far-far-away heb ik een elktrciien gevonden die de meterkast kan vernieuwen. Ondanks dat het een klein hutje is, is er drie fasen aanwezig, zij het met 3 maal 16A netbeheerzekering. Dat is meer dan ik verwachtte eigenlijk.
In mijn gesprek met de elektricien gaf die aan dat selectiviteit geen probleem was daar. Je mag dus een 16A stoppenkast zekering achter een 16A netbeheerzekering zetten. Dat heeft me wel verbaast. Je kunt ook gewoon aan de netbeheerzekering komen, deze zitten in een kast aan de buitenkant van het huisje en deze kast is niet afgesloten.
Wat wel zo is, is dat een normale wandkontaktdoos maximaal met 14 ampere mag worden belast. Hoe dat moet worden voorkomen als de automaten 16A hebben is mij nog een raadsel maar dat ga ik nog vragen. Waar ik in Nederland overal 2,5mm^2 VDL draad in buis heb zijn daar de richtlijnen anders. In houten hutjes kan je ook niet zo makkelijk infrezen in de muur dus alles loopt over de muur. Daarvoor gebruikt men installatiekabel. Dit is wel massief koper maar overal maximaal 1,5mm^2. Gezien de korte afstanden is dit ook voldoende. Gelukkig hebben ze dat spul daar wel in wit want in Nederland heb ik het alleen in grijs gevonden.
Ik heb nu 12 groepen in een stoppenkast uit het jaar kruik. Die zijn ook allemaal in gebnruik maar sommige zijn niet zwaar belast. 12 groepen lijkt veel voor een houten hut maar alles gaat elektrisch van verwarmen tot warmwater tot koken.Op dit moment geen aardlekschakelaars dus de nieuwe stoppenkast gaat er snel komen. Ik zit me wel af te vragen of ik niet gelijk voor toekomstige uitbreiding moet ontwerpen. Enerzijds lijkt het me genoeg maar mogelijk in de toekomst moet er ook nog een beetje stroom naar een (nog te bouwen) schuurtje.
Op dit moment is er 1 apparaat welke op 3 fasen werkt en wel een oven met 2 kookplaten (perilex aansluiting). Is hier een krachtgroep voor nodig of is dit gewoon op 3 fasen aangesloten? In de huidge stoppenkast kan ik geen speciale krachtgroep ontdekken.
In mijn gesprek met de elektricien gaf die aan dat selectiviteit geen probleem was daar. Je mag dus een 16A stoppenkast zekering achter een 16A netbeheerzekering zetten. Dat heeft me wel verbaast. Je kunt ook gewoon aan de netbeheerzekering komen, deze zitten in een kast aan de buitenkant van het huisje en deze kast is niet afgesloten.
Wat wel zo is, is dat een normale wandkontaktdoos maximaal met 14 ampere mag worden belast. Hoe dat moet worden voorkomen als de automaten 16A hebben is mij nog een raadsel maar dat ga ik nog vragen. Waar ik in Nederland overal 2,5mm^2 VDL draad in buis heb zijn daar de richtlijnen anders. In houten hutjes kan je ook niet zo makkelijk infrezen in de muur dus alles loopt over de muur. Daarvoor gebruikt men installatiekabel. Dit is wel massief koper maar overal maximaal 1,5mm^2. Gezien de korte afstanden is dit ook voldoende. Gelukkig hebben ze dat spul daar wel in wit want in Nederland heb ik het alleen in grijs gevonden.
Ik heb nu 12 groepen in een stoppenkast uit het jaar kruik. Die zijn ook allemaal in gebnruik maar sommige zijn niet zwaar belast. 12 groepen lijkt veel voor een houten hut maar alles gaat elektrisch van verwarmen tot warmwater tot koken.Op dit moment geen aardlekschakelaars dus de nieuwe stoppenkast gaat er snel komen. Ik zit me wel af te vragen of ik niet gelijk voor toekomstige uitbreiding moet ontwerpen. Enerzijds lijkt het me genoeg maar mogelijk in de toekomst moet er ook nog een beetje stroom naar een (nog te bouwen) schuurtje.
Op dit moment is er 1 apparaat welke op 3 fasen werkt en wel een oven met 2 kookplaten (perilex aansluiting). Is hier een krachtgroep voor nodig of is dit gewoon op 3 fasen aangesloten? In de huidge stoppenkast kan ik geen speciale krachtgroep ontdekken.
Dat is afhankelijk van de lokale regelgeving. Niet te zeggen dus zonder te weten over welk land het gaat.Indoubt schreef op dinsdag 13 januari 2026 @ 12:20:
Op dit moment is er 1 apparaat welke op 3 fasen werkt en wel een oven met 2 kookplaten (perilex aansluiting). Is hier een krachtgroep voor nodig of is dit gewoon op 3 fasen aangesloten? In de huidge stoppenkast kan ik geen speciale krachtgroep ontdekken.
Ik zie dergelijke opmerkingen best vaak langskomen hier en op andere fora.Freakie1NL schreef op maandag 12 januari 2026 @ 15:11:
Geen selectiviteit dus niet toegestaan. Hoe is het traject naar de keuken zelf?
Dit is gewoon niet waar.
Een klant van een elektricien kan selectiviteit eisen (en mogelijk is dat verstandig) maar de normen doen dat niet.
Selectiviteit voorkomt dat er meer uitvalt dan nodig en soms is dat belangrijk; soms maakt het vrij weinig uit. Een keuken is een mooi voorbeeld waarbij selectiviteit weinig belangrijk is.
Later toegevoegd:
Onderstaand bericht van @Juerd is inderdaad waar.Grappig genoeg is het vrij eenvoudig om deze regel uit de netcode:
Uit te leggen als: je moet selectief zijn ten opzichte van het voedende net. En dat ben je al snel (dankzij de zekering van de netbeheerder).De beveiliging van elektrische installaties (en onderdelen daarvan) is selectief ten opzichte van de beveiliging die de netbeheerder in de aansluiting van de elektrische installatie of in het voedende net toepast.
Blijft overeind dat binnen je eigen installatie gewoon kunt kiezen voor selectiviteit of niet. Als alle kabels in iedergeval maar netjes afgezekerd zijn met een juiste zekering.
[ Voor 37% gewijzigd door spork op 13-01-2026 13:27 ]
De norm vereist het niet, maar de Netcode elektriciteit wel.spork schreef op dinsdag 13 januari 2026 @ 12:53:
[...]
Ik zie dergelijke opmerkingen best vaak langskomen hier en op andere fora.
Dit is gewoon niet waar.
Een klant van een elektricien kan selectiviteit eisen (en mogelijk is dat verstandig) maar de normen doen dat niet.
Dat volledige selectiviteit in de praktijk niet altijd haalbaar is, maakt dat deze regel makkelijk genegeerd wordt.
Zweden.arievz schreef op dinsdag 13 januari 2026 @ 12:38:
[...]
Dat is afhankelijk van de lokale regelgeving. Niet te zeggen dus zonder te weten over welk land het gaat.
Voor NL weet ik dat soort dingen wel maar er zijn daar toch weer net kleine verschillen met NL.
Dat is tricky business: volgens NeN1010 zou dat al niet mogen in een huisinstallatie.devriesjande schreef op dinsdag 13 januari 2026 @ 11:55:
Als de generator niet geaard is, dan zweeft de uitgaande spanning t.o.v. de werkelijke aarde. Er zal bij een lek naar de werkelijke aarde geen stroom gaan lopen en de aardlekschakelaar doet niets. Maar de andere pool heeft nu wel een spanning t.o.v. de werkelijke aarde. En dan zal bij een tweede aardlek de aardlekschakelaar ingrijpen.
Is de nul van de generator doorverbonden met de aardaansluiting?
En geen enkele consumenten (kleinere) generator fabrikant zie ik dit in de documentatie adviseren. Hooguit het slaan van een aardpen bij gebruik voor het voeden van een huisinstallatie met een TT stelsel.
:strip_exif()/f/image/IaEdzrPO57zzDwbaS9eZUVOt.png?f=user_large)
(ander voorbeeld)
Je moet de generator ook niet aansluiten op je huisaansluiting. Voor aarding mag je wel de huisaarde gebruiken, kan bv met een snoer met 2 stekkers waarin alleen de aarddraad is verbonden. (fase en nul dus niet doorverbonden)
Hmm, ik ben dus wat kennis aan het opdoen rond een drie fase groepenkast, verzwaringen, etc.
Kom ik tegen dat je dus niet meer mag aarden via de waterleiding sinds 1980.
Laat nu mijn aarde via de hoofdwaterleiding gaan...
Kom ik tegen dat je dus niet meer mag aarden via de waterleiding sinds 1980.
Laat nu mijn aarde via de hoofdwaterleiding gaan...
@Schway Probeer eens met een waterkoker die je voor de gelegenheid aansluit op fase en aarde (niet achter een (werkende) aardlek) welke spanning er nog voor je waterkoker overblijft. Dus zowel onbelast als belast meten. Dat geeft een goed idee of je echt meteen een aardpen moet laten slaan.
Dit stel ik dus alleen voor omdat je zelf je groepenkast lijkt te willen gaan doen en je dus genoeg weet hiervoor.
Dit stel ik dus alleen voor omdat je zelf je groepenkast lijkt te willen gaan doen en je dus genoeg weet hiervoor.
I Bought Myself A Politician - MonaLisa Twins 2013: 7panelen(195Wp), maand later, 17. 3 jaar later 28 en gasloos. 5.5kWp O-W op 4.2kVA omvormer. 2018 'verhuisd'.
Ook maar beperkt: alleen als de eerste fout een verbinding van de nul met aarde is, en de tweede fout van fase naar aarde, en níet achter dezelfde aardlekschakelaar.devriesjande schreef op dinsdag 13 januari 2026 @ 11:55:
Als de generator niet geaard is, dan zweeft de uitgaande spanning t.o.v. de werkelijke aarde. Er zal bij een lek naar de werkelijke aarde geen stroom gaan lopen en de aardlekschakelaar doet niets. Maar de andere pool heeft nu wel een spanning t.o.v. de werkelijke aarde. En dan zal bij een tweede aardlek de aardlekschakelaar ingrijpen.
Als je wil dat aardlekschakelaars werken zoals normaal, moet de nul (of het sterpunt) van een generator (of transformator) geaard worden. Dat kan gewoon aan de PE-verbinding van het huis.
@Schway ach, hier was het huis via de waterleiding geaard toen ik het kocht. Alleen was de waterleiding vervangen door kunststof en was het hele huis eigenlijk ongeaard. Ik kwam er achter door aardfoutmelding in de PV omvormer.
droogworst - rookworst - leverworst - salamiworst - knakworst - bokworst - boterhammenworst
Technisch kan het en ook de fabrikant van de generator staat dit gewoon toe. Die truuk met 2 Schuko stekker verlengkabel de aarde van de generator aan de huisinstallatie te verbinden vind ik toch wel een nogo: trek de stekker eruit en weg is je verbinding naar aarde.uaT schreef op dinsdag 13 januari 2026 @ 15:04:
Je moet de generator ook niet aansluiten op je huisaansluiting. Voor aarding mag je wel de huisaarde gebruiken, kan bv met een snoer met 2 stekkers waarin alleen de aarddraad is verbonden. (fase en nul dus niet doorverbonden)
Oei, daar had ik even overheen gelezen; ik ging uit van een YMVK (vandaar --kabel-->) en dan mag je zonder ALS aansluiten (alles dubbel geïsoleerd). Met losse aders mag dat niet zomaar; al zou dat met een TN aansluiting ook moeten kunnen.Juerd schreef op dinsdag 13 januari 2026 @ 00:28:
[...]
Dat is niet altijd waar. Alleen in bepaalde omstandigheden mag je een aardlekschakelaar weglaten.
[...]
Maar of 25 A een goed idee is, ligt sterk aan welk soort draad er gebruikt wordt, en waar die draad precies loopt. Aangezien @schellie112 het over een loze leiding had, zou het wel eens kunnen dat die zonder verdere aanwijzingen aan de slag gaat met 2,5 mm² en dat zou erg karig zijn voor die stroom.
[...]
Selectieve aardlekschakelaars zijn niet verplicht. Het is gebruikelijk om voor een distributiegroep 300 mA te gebruiken. Dat geeft een beetje selectiviteit bij normale lekstroom; bij volle foutstroom gaan ze natuurlijk allebei.
Bij TT zou je de aardverspreidingsweerstand moeten meten inderdaad om zeker te weten dat de automaat tript bij een volle sluiting, al zou je dat eigenlijk ook moeten doen wil je 300ma plaatsen. Immers is voor de bouw uitgegaan van alleen 30ma ALS'en en dan mag die weerstand ff uit m'n hoofd ruim 160 ohm zijn. Voor een 300mA ALS dus maximaal ~16 ohm. En dat is bepaald geen gegeven in elke grondsoort; had in het zand bij mij bijna 10m nodig om onder de 10 ohm uit te komen (je wil immers een beetje marge). Ik heb zelf overigens destijds YMVK-as gebruikt en dus sowieso een ALS geplaatst
Wanneer je 'gewoon' YMVK kunt gebruiken speelt dat niet en hoeft er geen ALS voor.
En nee, selectieve aardlekschakelaars zijn niet verplicht, maar wel de mooiste oplossing. Tikje aan de prijzige kant helaas, maar heb ik destijds wel gedaan. Een 300ma in de hoofdverdeler zou ik wel aanraden inderdaad, maar als de aardverspreidingsweerstand te hoog is kan dat dus ook niet.
nevermind
[ Voor 173% gewijzigd door uaT op 13-01-2026 17:24 ]
Goede kans, maar check alles. Een metalen waterleiding die van buiten komt moet worden vereffend, en dus ook verbonden met de veiligheidsaarding, wat betekent dat je ook in nieuwere installaties een klem en een aardedraad hebt op je waterleiding. Een andere draad gaat dan naar de elektrode (TT) of aarding van de netbeheerder (TN).Schway schreef op dinsdag 13 januari 2026 @ 15:07:
Hmm, ik ben dus wat kennis aan het opdoen rond een drie fase groepenkast, verzwaringen, etc.
Kom ik tegen dat je dus niet meer mag aarden via de waterleiding sinds 1980.
Laat nu mijn aarde via de hoofdwaterleiding gaan...
De kabel is niet alles. Ook de verdeler moet klasse II zijn, en hoewel die bestaan, zijn ze dat lang niet allemaal. (Bij verdelers heet het "volledig geïsoleerd", maar hetzelfde symbooltje wordt gebruikt (vierkant in vierkant) en het valt ook binnen klasse II.)Steyn_E schreef op dinsdag 13 januari 2026 @ 16:32:
[...]
Oei, daar had ik even overheen gelezen; ik ging uit van een YMVK (vandaar --kabel-->) en dan mag je zonder ALS aansluiten (alles dubbel geïsoleerd).
In een isolerende buis wel (412.2.4.1), en ik mag toch hopen dat mensen eventuele installatiedraden netjes in buizen doenMet losse aders mag dat niet zomaar;
De waarde van 166 Ω correspondeert met 300 mA; zie de berekening in het voorlaatste blauwe blokje van het stroomdiagram.Bij TT zou je de aardverspreidingsweerstand moeten meten inderdaad om zeker te weten dat de automaat tript bij een volle sluiting, al zou je dat eigenlijk ook moeten doen wil je 300ma plaatsen. Immers is voor de bouw uitgegaan van alleen 30ma ALS'en en dan mag die weerstand ff uit m'n hoofd ruim 160 ohm zijn.
Als de weerstand te hoog is voor een 300 mA aardlekschakelaar, voldoet de installatie dus überhaupt niet aan de norm.Een 300ma in de hoofdverdeler zou ik wel aanraden inderdaad, maar als de aardverspreidingsweerstand te hoog is kan dat dus ook niet.
Had 't inmiddels even opgezocht ja. Voor zowel 30ma als 300ma wordt 166 ohm geëist.Juerd schreef op dinsdag 13 januari 2026 @ 17:14:
[...]
De kabel is niet alles. Ook de verdeler moet klasse II zijn, en hoewel die bestaan, zijn ze dat lang niet allemaal. (Bij verdelers heet het "volledig geïsoleerd", maar hetzelfde symbooltje wordt gebruikt (vierkant in vierkant) en het valt ook binnen klasse II.)
[...]
In een isolerende buis wel (412.2.4.1), en ik mag toch hopen dat mensen eventuele installatiedraden netjes in buizen doen. De standaard goedkope gele buis voldoet al.
[...]
De waarde van 166 Ω correspondeert met 300 mA; zie de berekening in het voorlaatste blauwe blokje van het stroomdiagram.
[...]
Als de weerstand te hoog is voor een 300 mA aardlekschakelaar, voldoet de installatie dus überhaupt niet aan de norm.
Wat mij verbaast is dat een normale kast niet als dubbel geïsoleerd telt; je zou verwachten dat geisoleerde draad in een kunststof kast samen als dubbel geïsoleerd telt. Maar er moet dan ook een deurtje voor? Ten minste, da's het enige verschil dat ik kon vinden tussen een standaard systeem 55 kast en de keukenverdeler die precies om de reden van die aardlekschakelaar wél klasse II (dubbel geïsoleerd) is.
Op een 35A hoofdaansluiting is 25A best wel selectief.Steyn_E schreef op maandag 12 januari 2026 @ 16:35:
[...]
Nee, een onderverdeler hoeft niet achter een aardlekschakelaar te zitten, en een C25 als kabelbeveiliging mag gewoon ook al is dat niet selectief. Sterker nog, als je al een aardlekschakelaar in de hoofdverdeler gebruikt zou het een selectieve aardlekschakelaar moeten zijn. Dat betekent in het geval van een ALS dat 'ie in tijd vertraagd uitschakelt zodat de aardlekschakelaar in de onderverdeler eerder uitschakelt.
Aardlekautomaten (in de onderverdeler dus) werkt erg mooi want dan valt niet meteen alles in de keuken uit, maar is ook kostbaar. Of je dat moet willen hangt met name van je portemonnee af (en daar kan ik niet in kijken).
Schema zou dan zijn:
Hoofdverdeler. Onderverdeler
[hoofdschakelaar][C25 3f zekeringautomaat] ---kabel---> [hoofdschakelaar][aardlekschakelaar][B16 x 4]
Edit: Opmaak valt weg... Zucht
Een onderverdeler binnen huis zou ik ook niet met aardlek doen, maar in de schuur door de tuin heen, ingegraven zeker wel. Maar dat is persoonlijk. Ik heb mijn onderverdeler in de hoofd meterkast achter een HS + 25A automaat zitten. Ik twijfelde over 32A maar dacht, dit is goed zo en ik zie nooit meer dan 22A er overheen gaan.
☀️ 8 x 430wp op zuid | ☀️ Huawei SUN2000-3KTL-L1 | 🔋 2 x Marstek Venus-E BMS: 155, EMS: 216 | 📱 Home Assistant | 🚗 Kia EV6-LR 2024 |🔌 Delta 8/8