A'dam PVOutput
werkt dit echt?? zit denk ik meer dan 60cm in blauwe klei over 20m niet in een mantelbuisericplan schreef op zondag 2 april 2023 @ 21:30:
[...]
Nieuwe kabel aan de oude vastmaken en dan met gepaste kracht de nieuwe kabel gewoon onder je straatje door trekken.
Eenvoudig + Goedkoop Mitsubishi Warmtepomp uitlezen/besturen met een ESP32
Dit werkt echt. Althans hier hebben ze het zo met een kraantje gedaan. 2 gaten maken. Nieuwe kabel aan de oude en dan de oude eruit trekken met het kraantje.xoror schreef op zondag 2 april 2023 @ 21:40:
[...]
werkt dit echt?? zit denk ik meer dan 60cm in blauwe klei over 20m niet in een mantelbuis
Tibber; 3-fase Victron ESS, 38,4 kWh opslag; gasloos sinds 2013; Nibe F1245-10PC; SAP; HomeSeer4; Proxmox 8
Dit is juist 10x beter dan bij de andere draden in dezelfde klem zetten. Meestal zie ik t slechter van zonnepaneelboeren.Lollercopter schreef op zondag 2 april 2023 @ 00:25:
Zonnepaneel prutsers zijn langs geweest, en hebben de superdeluxe SEP alamat voor de panelen op deze manier van voeding voorzien vanaf mijn bestaande hoofdschakelaar. Mag dit uberhaupt wel, die kabels zeg maar zo erbij prikken ? De nieuwe kabels zijn die met de gele schoenen. Is er geen risico dat nu 1 van de 2 los zit ? Ik kan geen handleiding of datasheet vinden van die Eaton automaat.
Ik ga die SEP meuk vervangen voor eaton, dus ik wil het even dubbelchecken.
[Afbeelding]
Edit: dit is dezelfde plek als waar die kam rails ook gemonteerd zijn zeker ? Dan moet dit wel kunnen lijkt me.
Maar trek er eens aan, dan merk je of t vast zit toch
13480 Wp solar | 2x Panasonic 7j met 1x 300l sww | (Laadpaal) installateur, pb voor een offerte
Hebben ze nou de nul ook via de Carlo gavazzi energiemeter laten lopen?? Daar zijn die contacten helemaal niet voor bedoeld.. ik denk dat je die contacten er uit fikt als je er wat stroom door heen stuurt.. en dan krijg je een zwevende nul en heb je meer schade.. dat zou ik effe checken als ik jou was. Dat contact is alleen om de meter van een nul te voorzien.Phyth0n schreef op zaterdag 1 april 2023 @ 20:40:
Begin januari zijn bij ons zonnepanelen en een laadpaal geplaatst, hierbij is onze meterkast er niet op vooruit gegaan. Naast de aanwezige groepenkast zijn 3 kleine Hager doosjes geplaatst met ruwweg onderstaande indeling(boven naar beneden):
1. Ct spoelen(3x) vanaf de zonnepanelen
[Afbeelding]
2. 3-fase Qrelais en Chint 3P+N Alamat (B16 30 mA) voor de Zonnepanelen
3. Chint 3P+N Alamat (B16 30 mA) voor de laadpaal en een Carlo Gavazzi EM340 welke het huisverbruik meet voor de load-balancing van de laadpaal
[Afbeelding]
Verder zijn er in de bestaande groepenkast tussen de hoofdschakelaar en de aansluitblokken de 3 fasen afgetapt richting de zonnepaneel alamat en de power meter voor het loadbalancen. Hierbij zijn er ook 3 Ct klemmen om deze fasen gezet voor het zonnepaneel systeem. Dit is echt in de bestaande kast gepropt gezien deze al best vol zat en de Ct klemmen best groot zijn.
Situatie van voor de aanpassing(aansluitblokken rechts onder):
[Afbeelding]
Het elektrawerk is door dezelfde partij gedaan, wel door twee aparte elektriciens. De eerste sloot de zonnepanelen aan en werkte nog redelijk. De tweede heeft grappen uitgehaald met fases lukraak wisselen toen de laadpaal fouten gaf(i.v.m. loadbalancing moet de aangesloten fase wel kloppen bij de gemeten fase). De gebruikte kabel naar de laadpaal(30 m, 6 mm^2) heeft 5 aders(bruin, 2x zwart, grijs, blauw) en een mantel, omdat de bruine draad iets te kort uitkwam gebruikte hij maar 2x zwart + grijs. Dit is nadat ik dit aankaartte opgelost(de laadpaal werkte ook maar op 2 fases), de extra zwarte ader is in de losse zwarte WAGO klem geëindigd. Ik kreeg al snel door dat ik het beter zelf achteraf netjes kon maken dan er bij deze partij op te blijven aandringen.
Ik zie zelf niet direct iets onveiligs, maar desondanks zou ik het e.e.a. netter willen afwerken:
1. Nieuwe (grote) kast voor de spullen die nu in de losse doosjes zitten. Waarschijnlijk kan een uitbreiding van de Attema groepenkast net niet omdat de kabel naar de laadpaal te kort is om deze alamat voldoende omhoog te krijgen.
2. Ct-klemmen netjes maken, zowel van de zonnepanelen als degene die nu in de originele meterkast zijn gepropt. Hiervoor zal ik wel een langere draad tussen de hoofdschakelaar en de aansluitblokken moeten plaatsen.
3. draden netjes laten lopen, 19mm buis om de kabel vanaf de zonnepanelen, Enphase envoy verplaatsen(waarschijnlijk op een DIN-rail in de kast)
2 vragen:
- Mag ik zomaar een langer ~100 cm 6 mm^2 draad tussen de hoofdschakelaar en de aansluitblokken plaatsen om de Ct-klemmen op een nette plek te kunnen wegwerken (op dit moment is er 50 cm tussen geplaatst).
- Zien jullie iets dat onveilig is en veranderd zou moeten worden?
13480 Wp solar | 2x Panasonic 7j met 1x 300l sww | (Laadpaal) installateur, pb voor een offerte
Tja dat is een keuze.xoror schreef op zondag 2 april 2023 @ 21:25:
[...]
Moet ik heel veel straatwerk openbreken, dat is ook niet handig
Ik houd niet van reparaties in kabels onder de grond.
En ja dat kan best wel goed werken maar ik heb al iets te vaak na een aantal jaren geklier gezien met gietmoffen en dat soort toestanden.
Vaak niet goed aangebracht of een stuk verder de kabel ook nog beschadigd etc.
Daarom kies ik dan liever voor nieuw als de prijs niet te gek word.
En straten en graven kun je zelf dus dat kost alleen tijd en leverd wat lichaamsbeweging op ook nog.
Maar nogmaals dat is een keuze die je zelf moet maken.
Solar 15040wp 12x425 ZZW schuin dak 8x260 N schuin dak16x zzw platdak, 6x430 terras oost, wp Sprsun10Kw, wpb arostor 150l, 3x Marstek 5,12kwh.
Ik houd er rekening mee zodat dat mogelijk is als ik het nodig heb in de toekomst.
Niet zo heel veel, 13 a 14 meter, maar aangezien al mijn verbruik dan door die kabel gaat, en het verbruik uit het net (half november tot maart schat ik) 2 x die afstand moet afleggen, wil ik wel minimale kabel verliezen.
Om te 6mm2 1 fase YMVK kabel zit een dikke stugge mantel, die was al bijna niet haaks de hoek om te krijgen de 3 fase variant past wel in de goot, maar kan niet haaks de hoek om, de 10mm2 3 fase YMVK is te dik en past (net) niet in de goot (Ik zag trouwens dat daar geen vaste kern in zit maar ook flexibel).Ethirty schreef op zaterdag 1 april 2023 @ 22:20:
[...]
En waarom denk je dat als 6mm2 al krap is, je met 10mm2 flexibel wel genoeg ruimte hebt?
Die 10mm2 draad (VD of Flexibel) heeft geen extra en stugge mantel en is dus veel makkelijker haaks de hoek om te krijgen en beter in de goot te krijgen.
Dit is de meest vervelende bocht:
3200 Wp OZO+10000 Wp ZZW+3200 Wp WNW - Daikin 4MXM68N + 3 x FTXM20M2V1B + FTXA50A2V1BT - Vaillant AroTherm 125/5 & Boiler VIH RW 300/3 MR
Begrijp ik goed dat de zonnepanelen zijn afgetakt vóór de Wallbox meter? Dat is niet de bedoeling, de gehele huisinstallatie inclusief zonnepanelen moet achter die meter zitten. Stel dat je 3x16A gebruikt in huis kun je misschien ook nog prima tegelijkertijd met 3x16A laden zonder de 3x25A hoofdaansluiting te overbelasten, mits de zonnepanelen maar tenminste 3x7A produceren. Als je de zonnepanelen voor de meter aansluit heeft deze geen weet van het laatste.Phyth0n schreef op zaterdag 1 april 2023 @ 20:40:
Verder zijn er in de bestaande groepenkast tussen de hoofdschakelaar en de aansluitblokken de 3 fasen afgetapt richting de zonnepaneel alamat en de power meter voor het loadbalancen.
En erna?Situatie van voor de aanpassing(aansluitblokken rechts onder):
[Afbeelding]
Daar kun je natuurlijk een kabeldoos tussen zetten.1. Nieuwe (grote) kast voor de spullen die nu in de losse doosjes zitten. Waarschijnlijk kan een uitbreiding van de Attema groepenkast net niet omdat de kabel naar de laadpaal te kort is om deze alamat voldoende omhoog te krijgen.
Ja hoor. Hoeveel kabel van de netbeheerder denk je dat er naar jouw huis toe ligt? Die extra 50cm gaat het verschil niet maken.- Mag ik zomaar een langer ~100 cm 6 mm^2 draad tussen de hoofdschakelaar en de aansluitblokken plaatsen om de Ct-klemmen op een nette plek te kunnen wegwerken (op dit moment is er 50 cm tussen geplaatst).
Goeie, dat zou ik zeker even nakijken.Makrolon schreef op zondag 2 april 2023 @ 21:50:
[...]
Hebben ze nou de nul ook via de Carlo gavazzi energiemeter laten lopen?? Daar zijn die contacten helemaal niet voor bedoeld.. ik denk dat je die contacten er uit fikt als je er wat stroom door heen stuurt.. en dan krijg je een zwevende nul en heb je meer schade.. dat zou ik effe checken als ik jou was. Dat contact is alleen om de meter van een nul te voorzien.
Het oogt ook wel erg dun, 2,5mm²? Volgens specs gaat er in deze klemmen maar 1,5mm².
/f/image/U4GajblD3aynWXL8nfq0ajRI.png?f=fotoalbum_large)
Als je daar de hele installatie op aansluit ben je toch niet al te snugger bezig.
@Makrolon Heb jij trouwens momentgereedschap en wel eens getracht om contacten van zo'n Carlo Gavazzi meter op 2,8Nm aan te draaien? Ik laatst toevallig wel en kreeg met heel veel moeite op 4 van de 6 schroeven genoeg grip om überhaupt de 2,8Nm te halen?
PC specs!---Pulse mee voor GoT!
[22:49:37] <@Remy> ik wil een opblaasbare dSLR :+
Ja ik ook..habbekrats schreef op zondag 2 april 2023 @ 22:25:
@xoror @Ronald.42 gietmoffen zijn wat van vroeger.
Ik zal eens kijken naar die krimpmoffen.
Of überhaupt wat er tegenwoordig voor is.
Ik ben afgehaakt op de ellende in ondergrondse reparaties die ik heb gezien.
En dan blijft dat ook zo een beetje hangen.
Nooit te oud om te leren...
Solar 15040wp 12x425 ZZW schuin dak 8x260 N schuin dak16x zzw platdak, 6x430 terras oost, wp Sprsun10Kw, wpb arostor 150l, 3x Marstek 5,12kwh.
Je kan altijd nog overwegen om een stuk kabel te strippen van de mantel. Is waarschijnlijk makkelijker vinden dan VD draadPentaClover schreef op zondag 2 april 2023 @ 22:22:
[...]
Ik houd er rekening mee zodat dat mogelijk is als ik het nodig heb in de toekomst.
[...]
Niet zo heel veel, 13 a 14 meter, maar aangezien al mijn verbruik dan door die kabel gaat, en het verbruik uit het net (half november tot maart schat ik) 2 x die afstand moet afleggen, wil ik wel minimale kabel verliezen.
[...]
Om te 6mm2 1 fase YMVK kabel zit een dikke stugge mantel, die was al bijna niet haaks de hoek om te krijgen de 3 fase variant past wel in de goot, maar kan niet haaks de hoek om, de 10mm2 3 fase YMVK is te dik en past (net) niet in de goot (Ik zag trouwens dat daar geen vaste kern in zit maar ook flexibel).
Die 10mm2 draad (VD of Flexibel) heeft geen extra en stugge mantel en is dus veel makkelijker haaks de hoek om te krijgen en beter in de goot te krijgen.
Dit is de meest vervelende bocht:
[Afbeelding]
#team_UTC+1
An investment in knowledge always pays the best interest - Benjamin Franklin
You can call me McOverloper Mini '12 i7/16/256 Air '13 i5/8/256 iPad mini 5 64GB iPhone SE 128GB
moet ik eerst de breuk vinden. kan evt ook bovengronds repairen en daar gelijk mooie wcd oid plaatsen. Als ik niet kan vinden dan zit er niets op dan straatwerk openbreken.habbekrats schreef op zondag 2 april 2023 @ 22:25:
@xoror @Ronald.42 Een krimpmof kun je beter gebruiken, gietmoffen zijn wat van vroeger,
Nieuwe aan de oude maken valt met dunne kabels nogal tegen, maar is te proberen.
Eenvoudig + Goedkoop Mitsubishi Warmtepomp uitlezen/besturen met een ESP32
Mag ik jouw kraantje ff lenen? Ik weet zo niet waar ik de mijne gelaten heb tijdens de verhuizing...John245 schreef op zondag 2 april 2023 @ 21:44:
Nieuwe kabel aan de oude en dan de oude eruit trekken met het kraantje.
Ik heb het wel eens geprobeerd, maar ik ben niet sterk genoeg om het op handkracht te doen
"Your life is yours alone. Rise up and live it." - Richard Rahl
Rhàshan - Aditu Sunlock
Nee er is gelukkig niet afgetakt voor de Wallbox meter, er lopen na de meter draden terug richting de aansluitblokken en vandaar weer een draad richting de Chint Alamat voor de zonnepanelen welke ook word aafgetakt richting de Chint alamat van de laadpaal.Xander schreef op zondag 2 april 2023 @ 22:25:
[...]
Begrijp ik goed dat de zonnepanelen zijn afgetakt vóór de Wallbox meter? Dat is niet de bedoeling, de gehele huisinstallatie inclusief zonnepanelen moet achter die meter zitten. Stel dat je 3x16A gebruikt in huis kun je misschien ook nog prima tegelijkertijd met 3x16A laden zonder de 3x25A hoofdaansluiting te overbelasten, mits de zonnepanelen maar tenminste 3x7A produceren. Als je de zonnepanelen voor de meter aansluit heeft deze geen weet van het laatste.
[...]
En erna?
[...]
Daar kun je natuurlijk een kabeldoos tussen zetten.
[...]
De kabeldoos onder de Attema groepenkast uitbreiding is een goede, dan kan ik een van de Hager doosjes hiervoor hergebruiken.
Ik zie ook niet direct een technisch probleem om de de draden te verlengen voor de Ct-klemmen, maar ze zouden wel een forse lus maken door de gehele groepenkast omdat er nabij de hoofdschakelaar geen ruimte is.
De Carlo Gavazzi is alleen aangesloten op de nul zodat deze een nul heeft, volgens mij kwam de meter al voorbedraad met nul uit de doos.
Op de fotos en nu ook in het echt lijkt de Chint alamat van de laadpaal licht bruin verkleurd, als de auto geladen word dan is de alamat ook wel warm(net te warm om fijn aan te raken). Dat klinkt mij niet helemaal fris, of is zowel de verkleuring als de warmte normaal voor een Alamat welke vol(11kw) belast word tijdens het laden van de auto?
Ik ga van het weekend eens een plannetje maken wat ik wil aanpakken.
Dat is de gebruikelijke reden om een nul aan te sluiten, maar waarom zitten er dan twee draden op?Phyth0n schreef op maandag 3 april 2023 @ 12:12:
De Carlo Gavazzi is alleen aangesloten op de nul zodat deze een nul heeft, volgens mij kwam de meter al voorbedraad met nul uit de doos.
Tja meningen over merken als Chint vind je al genoeg in dit topic denk ik.Op de fotos en nu ook in het echt lijkt de Chint alamat van de laadpaal licht bruin verkleurd, als de auto geladen word dan is de alamat ook wel warm(net te warm om fijn aan te raken). Dat klinkt mij niet helemaal fris, of is zowel de verkleuring als de warmte normaal voor een Alamat welke vol(11kw) belast word tijdens het laden van de auto?
Maar dat het warm wordt hoeft niet direct een probleem te zijn, dat doen A-merken ook. Dermate warm dat het verkleurt is niet echt de bedoeling (maar wordt het dan te warm of is het kunststof gewoon slecht?
PC specs!---Pulse mee voor GoT!
[22:49:37] <@Remy> ik wil een opblaasbare dSLR :+
Straks is er een SAP waarop de PV installatie gaat leveren.
Op de PAP komen de volgende onderverdelers
1) garage (alleen gebruik)
2) Sessy thuisbatterij (leveren en laden)
3) woning (alleen gebruik)
Is het verstandig de installatieautomaten zo aan te sluiten. Of is het verstandig deze te beveiligen? En zoja, hoe?
Extra info. In de garage staat een grond gebonden warmtepomp, maar dit is beveiligd met behulp van spoelen. De Thuisbatterij is ook beveiligd (haalt info van P1 poort)
Alle individuele groepen zijn met alamats beveiligd.
Er bevinden zich ook nog 6 groepen in de meterkast, echter hier zitten geen grootverbruikers op.
Tibber; 3-fase Victron ESS, 38,4 kWh opslag; gasloos sinds 2013; Nibe F1245-10PC; SAP; HomeSeer4; Proxmox 8
Als je iets gaat aanpassen, misschien onderin ook die lasklem weghalen of in een houder op de DIN-rail stoppen. En die aardedraad die samen met de zwarte draad in het blauwe klemblokje gaan zou ik ook anders oplossen denk ik....Phyth0n schreef op zaterdag 1 april 2023 @ 20:40:
3. Chint 3P+N Alamat (B16 30 mA) voor de laadpaal en een Carlo Gavazzi EM340 welke het huisverbruik meet voor de load-balancing van de laadpaal
[Afbeelding]
Audi Q4 e-tron 45 Quattro, 10.600 Wp PV, water-water warmtepomp, gasloos, dynamisch energiecontract, 32 kWh thuisaccu
De huidige meterkast is niet heel netjes en up to date, en met wat componenten die we hier op werk hebben liggen en wat nieuwe componenten wil ik een nieuwe kast bedraden.
Onderstaand is de huidige situatie:
:strip_exif()/f/image/vhN94FN2FMui1DvmDwAtILXH.jpg?f=fotoalbum_large)
De 300mA aardlek is denk ik bijgeplaatst voor de zonnepanelen. Ook van de C16 groep verwacht ik dat hij aan de zonnepanelen zit.
Er is geen elektrische kookplaat aanwezig, dus waarom er een kookgroep is is me een raadsel. De huidige eigenaar denkt dat dar nu de ovens en koelkast aan vast zitten.
Een beetje knutselen op Elektramat geeft me het volgende:
:no_upscale():strip_icc():fill(white):strip_exif()/f/image/QfUf0b6AYbwFeiMP5cm82s7D.jpg?f=user_large)
Daarbij heb ik de C16 groep (PV?) in zijn eentje geplaatst, de kookgroep laat ik voorlopig zitten totdat ik weet wat er aan zit en er is een voorbereiding voor 3-fase.
Alles met een groen vinkje heb ik al of komt uit de oude kast, dus die hoef ik niet meer bij te kopen. Dat zorgt er wel voor dat ik alles zelf moet gaan bedraden en geen voorgemaakte kast kan kopen.
De exacte plaatsing ben ik nog even mee aan het puzzelen, dus let daar vooral niet op.
Krachtgroep op de 'alamat' is voor machines in de garage. De rode krachtgroep is voor de keuken (als daar een perilex aanwezig is) of anders voor een toekomstige warmtepomp/laadpaal/whatever. Ik twijfel nog of ik ook een overspanningsbeveiliging ga plaatsen.
Alle bestaande groepen (6 + kookgroep) heb ik geplaatst achter 3-fase aardlekschakelaars.
Initieel zal ik deze (met kam doorverbonden) op één fase aansluiten, en dan mag de netbeheerder langskomen om er 3 fase van te maken.
Heeft er iemand anders nog opmerkingen over de indeling? (afgezien van de locatie van de componenten)
Truth is like a language with no native speakers left.
Its poetry is speechless and it can’t be caught in human being’s breath.
Je hebt nu dus 1-fase, heb je hiervoor een schroefzekering of is dit een bereikbare automaat vanuit de netbeheerder? Ik weet waar mijn grenzen liggen, ik ga niet met elektra aan de gang wat ik niet kan afschakelen bijv. een nieuwe hoofdschakelaar plaatsen doe ik dus niet omdat ik de schroefzekering van de netbeheerder niet kan bereiken.dragonhaertt schreef op maandag 3 april 2023 @ 16:26:
In november krijgen we de sleutel van een nieuw huis, dus daar kan een beetje geklust worden.
De huidige meterkast is niet heel netjes en up to date, en met wat componenten die we hier op werk hebben liggen en wat nieuwe componenten wil ik een nieuwe kast bedraden.
Onderstaand is de huidige situatie:
[Afbeelding]
De 300mA aardlek is denk ik bijgeplaatst voor de zonnepanelen. Ook van de C16 groep verwacht ik dat hij aan de zonnepanelen zit.
Er is geen elektrische kookplaat aanwezig, dus waarom er een kookgroep is is me een raadsel. De huidige eigenaar denkt dat dar nu de ovens en koelkast aan vast zitten.
Een beetje knutselen op Elektramat geeft me het volgende:
[Afbeelding]
Daarbij heb ik de C16 groep (PV?) in zijn eentje geplaatst, de kookgroep laat ik voorlopig zitten totdat ik weet wat er aan zit en er is een voorbereiding voor 3-fase.
Alles met een groen vinkje heb ik al of komt uit de oude kast, dus die hoef ik niet meer bij te kopen. Dat zorgt er wel voor dat ik alles zelf moet gaan bedraden en geen voorgemaakte kast kan kopen.
De exacte plaatsing ben ik nog even mee aan het puzzelen, dus let daar vooral niet op.
Krachtgroep op de 'alamat' is voor machines in de garage. De rode krachtgroep is voor de keuken (als daar een perilex aanwezig is) of anders voor een toekomstige warmtepomp/laadpaal/whatever. Ik twijfel nog of ik ook een overspanningsbeveiliging ga plaatsen.
Alle bestaande groepen (6 + kookgroep) heb ik geplaatst achter 3-fase aardlekschakelaars.
Initieel zal ik deze (met kam doorverbonden) op één fase aansluiten, en dan mag de netbeheerder langskomen om er 3 fase van te maken.
Heeft er iemand anders nog opmerkingen over de indeling? (afgezien van de locatie van de componenten)
Inhoudelijk kan ik je niet van feedback voorzien, maar dit is een praktisch puntje wat in mij op kwam.
VW ID.7 Tourer Pro S | 5670 Wp JA Solar - 14x405 33° op Zuid | Twente
Goed punt en dat mag altijd benoemd worden.True schreef op maandag 3 april 2023 @ 17:30:
[...]
Je hebt nu dus 1-fase, heb je hiervoor een schroefzekering of is dit een bereikbare automaat vanuit de netbeheerder? Ik weet waar mijn grenzen liggen, ik ga niet met elektra aan de gang wat ik niet kan afschakelen bijv. een nieuwe hoofdschakelaar plaatsen doe ik dus niet omdat ik de schroefzekering van de netbeheerder niet kan bereiken.
Inhoudelijk kan ik je niet van feedback voorzien, maar dit is een praktisch puntje wat in mij op kwam.
Er zit een afgedekte en verzegelde schroefzekering onder.
Ik ga óf zelf onder spanning werken, of ik laat een familielid (installateur) langskomen hiervoor.
Niet een leuk klusje maar met goede voorbereiding en gereedschap wel veilig te doen. (Disclaimer!, ik ben vanuit mijn werkveld bevoegd om met laagspanning te werken, en heb aan middenspanning machines gewerkt)
Truth is like a language with no native speakers left.
Its poetry is speechless and it can’t be caught in human being’s breath.
@dragonhaertt Ik zou geen 3fase aardlek gebruiken voor 1fase groepen. Is "even" verboden geweest, maar nu officieel afgeraden. Lekstromen zouden tegen elkaar weg kunnen vallen. Ik ben zelf groot voorstander van alleen maar alamats. En een overspanningsbeveiliging.
Kookgroep "moet" in een 3fase systeem natuurlijk een krachtgroep worden.
Gebruik je al losse aardleks, dan zou ik die direct naast 4 plaatsen op de rail zetten, zodat je weet welke aardlek die groepen beveiligt. Anderhalve dinrail lengte in een 12 units brede kast.
I Bought Myself A Politician - MonaLisa Twins 2013: 7panelen(195Wp), maand later, 17. 3 jaar later 28 en gasloos. 5.5kWp O-W op 4.2kVA omvormer. 2018 'verhuisd'.
Onderste rij: HS en 2x B16 (kookgroep en de andere die je hebt staan) aardlekautomaat
Bovenste rij: 2x ALS en 2x4x B16 groepen
En in de andere kast ook nog een ALS met 4x eindgroepen. Dan heb je nog zat ruimte voor de andere componenten. Eventueel kun je een kast met 18 units breed (ABB Mistral, Hager Vega, etc.) aanschaffen.
3F ALS voor 1 fase groepen is echt zo onhandig en neemt te veel ruimte in beslag.
[ Voor 12% gewijzigd door timovd op 03-04-2023 19:55 ]
Gasloos huis 9kW Panasonic WH-MDC09J3E5 | Atlantic Explorer V4 270L | 8715Wp @ SMA Tripower 6.0-3AV-40 (4150Wp NO, 4565Wp ZW)
Is dat echt een groot probleem? Mijn Eastron SDM120 meter heeft ook een gebrugde nul klem en vond filmpjes om het ook zo aan te sluiten. Scheelt weer een aftakking van de nul in de kast.Xander schreef op maandag 3 april 2023 @ 12:18:
[...]
Dat is de gebruikelijke reden om een nul aan te sluiten, maar waarom zitten er dan twee draden op?
Andere meters moet je weer juist met nul aan de boven en onderkant aansluiten. Dat maakt de logica van wel of niet de nul aansluiten/doorlussen ver te zoeken?
#team_UTC+1
An investment in knowledge always pays the best interest - Benjamin Franklin
You can call me McOverloper Mini '12 i7/16/256 Air '13 i5/8/256 iPad mini 5 64GB iPhone SE 128GB
Wel als je de hele installatie er op aansluit en die klem niet geschikt is voor de stroom die er kan lopen.Ethirty schreef op maandag 3 april 2023 @ 20:03:
[...]
Is dat echt een groot probleem? Mijn Eastron SDM120 meter heeft ook een gebrugde nul klem en vond filmpjes om het ook zo aan te sluiten.
Dat is volgens @pyth0n niet het geval, maar waarom dan die 2e draad?
Het is me eerlijk gezegd een raadsel waarom de meter überhaupt 2 klemmen heeft.
PC specs!---Pulse mee voor GoT!
[22:49:37] <@Remy> ik wil een opblaasbare dSLR :+
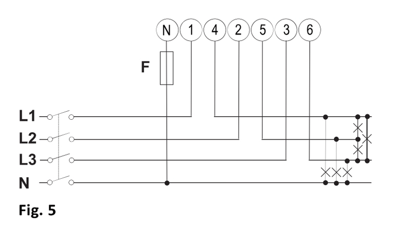
@Ethirty Aansluitschema in handleiding:Xander schreef op maandag 3 april 2023 @ 20:09:
[...]
Wel als je de hele installatie er op aansluit en die klem niet geschikt is voor de stroom die er kan lopen.
Dat is volgens @pyth0n niet het geval, maar waarom dan die 2e draad?Dan zou ik er maar één verwachten.
Het is me eerlijk gezegd een raadsel waarom de meter überhaupt 2 klemmen heeft.
[Afbeelding]
Tibber; 3-fase Victron ESS, 38,4 kWh opslag; gasloos sinds 2013; Nibe F1245-10PC; SAP; HomeSeer4; Proxmox 8
De reactie die @Ethirty citeerde ging over een Carlo Gavazzi EM340 meter, dus mijn plaatje komt uit die handleiding.
PC specs!---Pulse mee voor GoT!
[22:49:37] <@Remy> ik wil een opblaasbare dSLR :+
Klopt, maar @Ethirty geeft ook aan:Xander schreef op maandag 3 april 2023 @ 20:14:
[...]
De reactie die @Ethirty citeerde ging over een Carlo Gavazzi EM340 meter, dus mijn plaatje komt uit die handleiding.
"Is dat echt een groot probleem? Mijn Eastron SDM120 meter heeft ook een gebrugde nul klem en vond filmpjes om het ook zo aan te sluiten. Scheelt weer een aftakking van de nul in de kast."
Hopelijk gaat hij het toch volgens de handleiding aansluiten.
Tibber; 3-fase Victron ESS, 38,4 kWh opslag; gasloos sinds 2013; Nibe F1245-10PC; SAP; HomeSeer4; Proxmox 8
Er komt 3.6kW aan PV op dus het moet wel veilig zijn uiteraard. Vandaar het dubbelchecken.
De vraag was dan ook deels specifiek op mijn situatie gericht en deels op het concept van energie meters en de verschillende (verwarrende) manieren van aansluiten.
#team_UTC+1
An investment in knowledge always pays the best interest - Benjamin Franklin
You can call me McOverloper Mini '12 i7/16/256 Air '13 i5/8/256 iPad mini 5 64GB iPhone SE 128GB
:strip_exif()/f/image/ETmpWMJzJth8UyGCsTSAR8D0.jpg?f=fotoalbum_large)
Hoi, ik hoop dat dit de juiste plek is voor mijn vraag.
Bijgevoegd een afbeelding van mijn meterkast.
Momenteel een 1x35A aansluiting.
Ik zie 2x een aardlekschakelaar van 40A. Bij een zie ik 2 maal een 16A groep en 1 maal een 20A groep (tbv zonnepanelen).
Op de andere zie ik 4 maal een 16a groep.
Nu ben ik me aan het kijken naar een warmtepomp. Deze geeft onderstaande details in de spec.
Stroom 1 A 17
Stroom 2 A 13
Aanbevolen zekering binnen A 30 / 15
Aanbevolen kabelmaat, levering 1 mm² 3 x 2,5
Aanbevolen kabelmaat, levering 2 mm² 3 x 1,5
Nu geven de meeste mensen aan om dit aan te sluiten op 2x 16A groepen (koelen kost volgens mij ook meer stroom dan verwarmen, mijn doel is verwarmen).
Nu mogen er blijkbaar niet meer dan 4 groepen op een aardlekschakelaar.
Een suggestie die ik van een persoon kreeg is een 3x25 aansluiting gaan aanvragen. Is dit het beste om te doen?
Ik vraag me af hoe dat dat zit met de huidige groep voor mijn zonnepanelen?
Is dat je hele kast? Vind het vrij weinig groepen voor iemand die richting een all-electric huis aan het bewegen is.martijn1981 schreef op maandag 3 april 2023 @ 20:25:
[Afbeelding]
Hoi, ik hoop dat dit de juiste plek is voor mijn vraag.
Bijgevoegd een afbeelding van mijn meterkast.
Momenteel een 1x35A aansluiting.
Ik zie 2x een aardlekschakelaar van 40A. Bij een zie ik 2 maal een 16A groep en 1 maal een 20A groep (tbv zonnepanelen).
Op de andere zie ik 4 maal een 16a groep.
Nu ben ik me aan het kijken naar een warmtepomp. Deze geeft onderstaande details in de spec.
Stroom 1 A 17
Stroom 2 A 13
Aanbevolen zekering binnen A 30 / 15
Aanbevolen kabelmaat, levering 1 mm² 3 x 2,5
Aanbevolen kabelmaat, levering 2 mm² 3 x 1,5
Nu geven de meeste mensen aan om dit aan te sluiten op 2x 16A groepen (koelen kost volgens mij ook meer stroom dan verwarmen, mijn doel is verwarmen).
Nu mogen er blijkbaar niet meer dan 4 groepen op een aardlekschakelaar.
Een suggestie die ik van een persoon kreeg is een 3x25 aansluiting gaan aanvragen. Is dit het beste om te doen?
Ik vraag me af hoe dat dat zit met de huidige groep voor mijn zonnepanelen?
Sowieso is met warmtepomp, zonnepanelen en andere (grote) verbruikers een upgrade naar 3 fase aan te raden. Reken maar na wat er over blijft als je warmtepomp hartje winter vol aan de bak is.
#team_UTC+1
An investment in knowledge always pays the best interest - Benjamin Franklin
You can call me McOverloper Mini '12 i7/16/256 Air '13 i5/8/256 iPad mini 5 64GB iPhone SE 128GB
2 groepen zouden nog op de bovenste ALS er bij kunnen.
Maar ga je ook elektrisch koken?
Warmtepomp volgas in de winter, en tegelijkertijd koken en dergelijke kan krap zijn. Zelf heb ik de gok genomen, want de warmtepomp pakt zelden echt hoge vermogens, alleen in de winter met legionella preventie kan het hard gaan omdat er dan een elektrisch element naverwarmd.
Maar op voorhand heb ik wel een groepenkast opgebouwd met 3 aardlekschakelaars, mocht ik naar 3 fase gaan is het een kwestie van een andere hoofdschakelaar en de kookgroep aanpassen.
[ Voor 7% gewijzigd door _ferry_ op 03-04-2023 20:44 ]
Een paar paginas terug vroeg ik ook "waarom 3fase aardlek?" En toen kwamen er vooral voordelen naar boven (afgezien van de ruimte)timovd schreef op maandag 3 april 2023 @ 19:54:
@dragonhaertt waarom niet:
Onderste rij: HS en 2x B16 (kookgroep en de andere die je hebt staan) aardlekautomaat
Bovenste rij: 2x ALS en 2x4x B16 groepen
En in de andere kast ook nog een ALS met 4x eindgroepen. Dan heb je nog zat ruimte voor de andere componenten. Eventueel kun je een kast met 18 units breed (ABB Mistral, Hager Vega, etc.) aanschaffen.
3F ALS voor 1 fase groepen is echt zo onhandig en neemt te veel ruimte in beslag.
In ieder geval heb ik die aardleks goedkoop mee kunnen krijgen, dus dan ga ik niet een paar honderd euro meer uitgeven om een paar slots te besparen.
Truth is like a language with no native speakers left.
Its poetry is speechless and it can’t be caught in human being’s breath.
Dat gaat om deze post: dragonhaertt in "Het grote topic voor Elektra huisinstallaties - Deel 2" ?dragonhaertt schreef op maandag 3 april 2023 @ 21:18:
[...]
Een paar paginas terug vroeg ik ook "waarom 3fase aardlek?" En toen kwamen er vooral voordelen naar boven (afgezien van de ruimte)
In ieder geval heb ik die aardleks goedkoop mee kunnen krijgen, dus dan ga ik niet een paar honderd euro meer uitgeven om een paar slots te besparen.
Het enige voordeel dat daar benoemd wordt is een eventuele scheve belasting, maar dat is bij jou niet aan de orde.
Zorg er in ieder geval voor dat je goed de groepen aangeeft op de ALS (of andere duidelijke manier), zodat een andere installateur het ook nog snapt.
Gasloos huis 9kW Panasonic WH-MDC09J3E5 | Atlantic Explorer V4 270L | 8715Wp @ SMA Tripower 6.0-3AV-40 (4150Wp NO, 4565Wp ZW)
Gasloos huis 9kW Panasonic WH-MDC09J3E5 | Atlantic Explorer V4 270L | 8715Wp @ SMA Tripower 6.0-3AV-40 (4150Wp NO, 4565Wp ZW)
Dus in feite kunnen ze gewoon een “lege” kast plaatsen en zo verder? Dus de gehele installatie hoeft niet vervangen te worden?timovd schreef op maandag 3 april 2023 @ 21:31:
@the-hyrax de lamp en kabeldozen opschuiven en een zelfde kast er naast plaatsen. Moet gemakkelijk passen zo te zien.
Ja dit is allesEthirty schreef op maandag 3 april 2023 @ 20:32:
[...]
Is dat je hele kast? Vind het vrij weinig groepen voor iemand die richting een all-electric huis aan het bewegen is.
Sowieso is met warmtepomp, zonnepanelen en andere (grote) verbruikers een upgrade naar 3 fase aan te raden. Reken maar na wat er over blijft als je warmtepomp hartje winter vol aan de bak is.
Voor nu zit ik te denken aan een monobloc van 7kw welke ik voor nu alleen wil gan gebruiken voor verwarmen.
Voor mij gaat het bewegen naar all-electric in kleine stapjes. Koken en DHW zal ik eerst nog doen met mijn CV ketel. En uiteindelijk zal mijn meterkast een keer een upgrade nodig gaan hebben en idd wellicht ook van 1x 35A naar 3x25A.
Het hoeft echter niet allemaal tegelijk.
Indien ik naar 3x25A zou gaan. Hoe zit het dan met de huidige 20A groep voor de zonnepanelen? Moet ik dan niet over naar een 3 fase omvormer (huidige zit er net een paar maand)?
Als ik op de bovenste ALS er twee groepen bij doe dan zit ik daar in totaal op 5 groepen. Mag dat wel?_ferry_ schreef op maandag 3 april 2023 @ 20:42:
Je mag 12 groepen hebben op een 1 fase groepenkast. Dus wat dat betreft heb je nog zat ruimte.
2 groepen zouden nog op de bovenste ALS er bij kunnen.
Maar ga je ook elektrisch koken?
Warmtepomp volgas in de winter, en tegelijkertijd koken en dergelijke kan krap zijn. Zelf heb ik de gok genomen, want de warmtepomp pakt zelden echt hoge vermogens, alleen in de winter met legionella preventie kan het hard gaan omdat er dan een elektrisch element naverwarmd.
Maar op voorhand heb ik wel een groepenkast opgebouwd met 3 aardlekschakelaars, mocht ik naar 3 fase gaan is het een kwestie van een andere hoofdschakelaar en de kookgroep aanpassen.
Koken tzt wel wat alleen daarvoor nog gas gebruiken is een beetje jammer. Maar dat zal allemaal nog wel even duren.
Je kunt met een punttang toch een oog maken met je vd draad. Kabelschoenen voor kleine vd diameters zijn niet gebruikelijk.wouter.N schreef op maandag 3 april 2023 @ 22:00:
Vraagje zijn er ook ring kabelschoenen voor VD-draad? Het kunnen buigen van de draad zou wel handig zijn voor de aarde draad van mijn PV installatie.
@the-hyrax nieuwe plank rechts ernaast kan ook , red je het dan nog op 1 fase?
http://www.pvoutput.org/list.jsp?id=46229&sid=42168
Ja dat mag, want die automaat van de zonnepanelen is een aardlekautomaat, dus een combinatie van aardlek en automaat in 1. Die zit dus niet achter 1 van de andere 2 ALS. Vandaar dat je achter de 2 ALS totaal 8 groepen kwijt kunt. Plek zat wat dat betreftmartijn1981 schreef op maandag 3 april 2023 @ 21:34:
[...]
Ja dit is alles![]()
Voor nu zit ik te denken aan een monobloc van 7kw welke ik voor nu alleen wil gan gebruiken voor verwarmen.
Voor mij gaat het bewegen naar all-electric in kleine stapjes. Koken en DHW zal ik eerst nog doen met mijn CV ketel. En uiteindelijk zal mijn meterkast een keer een upgrade nodig gaan hebben en idd wellicht ook van 1x 35A naar 3x25A.
Het hoeft echter niet allemaal tegelijk.
Indien ik naar 3x25A zou gaan. Hoe zit het dan met de huidige 20A groep voor de zonnepanelen? Moet ik dan niet over naar een 3 fase omvormer (huidige zit er net een paar maand)?
[...]
[...]
Als ik op de bovenste ALS er twee groepen bij doe dan zit ik daar in totaal op 5 groepen. Mag dat wel?
Koken tzt wel wat alleen daarvoor nog gas gebruiken is een beetje jammer. Maar dat zal allemaal nog wel even duren.
Ik zie net dat de ALS en 4 groepen van het ABB bussysteem zijn, ik weet niet hoe die holec groepjes en de aardlekautomaat van de zonnepanelen vervolgens zijn bedraad. Want die werken niet met dat bussysteem, iets om even na te gaan en een keuze in te maken als je gaat uitbreiden of vervangen.
Als hij het goed doet, dan is de aardedraad 4mm2, net zo dik als de aders van het PV systeem. Waar flexibele draad overigens meer gangbaar is.habbekrats schreef op maandag 3 april 2023 @ 22:19:
[...]
Je kunt met een punttang toch een oog maken met je vd draad. Kabelschoenen voor kleine vd diameters zijn niet gebruikelijk.
@the-hyrax nieuwe plank rechts ernaast kan ook , red je het dan nog op 1 fase?
Hoe dan ook, voor goed contact zou ik dan eerder een AMP ringstekker gebruiken, eventueel 1 waar je de VD draad dubbelgevouwen in kan steken. En dan met kartelring onder een bout oid vastzetten.
[ Voor 14% gewijzigd door _ferry_ op 04-04-2023 07:49 ]
Oogje maken zou kunnen, maar vind ik er niet zo netjes uitzien.habbekrats schreef op maandag 3 april 2023 @ 22:19:
[...]
Je kunt met een punttang toch een oog maken met je vd draad. Kabelschoenen voor kleine vd diameters zijn niet gebruikelijk.
@the-hyrax nieuwe plank rechts ernaast kan ook , red je het dan nog op 1 fase?
Een indeling met 1-fase aardlekschakelaars geeft mij hier (als ik de fases wil balanceren) maar twee slots meer.timovd schreef op maandag 3 april 2023 @ 21:26:
[...]
Dat gaat om deze post: dragonhaertt in "Het grote topic voor Elektra huisinstallaties - Deel 2" ?
Het enige voordeel dat daar benoemd wordt is een eventuele scheve belasting, maar dat is bij jou niet aan de orde.
:fill(white):strip_exif()/f/image/ckuRFL2KfdnIuPei4y8adhSM.png?f=user_large)
Het enige voordeel dat dat me bied, is het feit dat ik zou kunnen uitbreiden naar 12 groepen, in plaats van naar 8 groepen, zonder extra kasten te hoeven plaatsen.
Dan zou ik wel 3x 1p+n aardlekschakelaar bij moeten kopen.
Ik denk dat mijn eindindeling er ongeveer zo uit komt te zien, als ik de kookgroep vervang en uitbereid naar 8 groepen + 2 krachtstroom groepen + 1 industriele krachtstroom groep.
Ook heb ik besloten om een overspanningsbeveiliging bij te plaatsen.
:no_upscale():strip_icc():fill(white):strip_exif()/f/image/47OCv4J08vVtRTUsgW6EcsUD.jpg?f=user_large)
(Ik zie trouwens dat ik L1 misschien beter zwaarder kan belasten t.o.v L2 en L3, omdat daar ook de PV aan hangt)
Ik ben zelf van mening dat goed labelen belangrijker is dan een 'logische' indeling. Wat voor de één logisch is hoeft voor de ander niet logisch te zijn.Zorg er in ieder geval voor dat je goed de groepen aangeeft op de ALS (of andere duidelijke manier), zodat een andere installateur het ook nog snapt.
Netjes labelen zal dus zowel in als buiten de kast plaatsvinden!
Ik zal na het paasweekend eens een foto plaatsen van hoe goed het gelukt is
[ Voor 3% gewijzigd door dragonhaertt op 04-04-2023 09:51 ]
Truth is like a language with no native speakers left.
Its poetry is speechless and it can’t be caught in human being’s breath.
extra uitbreiding die er zit is een ramp (...) verschillende merken & ik twijfel of ik moet upgraden naar 63A
Huidige situatie
:strip_exif()/f/image/2juXSEFM1mFEep5PTV7Mxazw.jpg?f=fotoalbum_large)
Ontwerp nieuw: (Oh die 63A HS moet 40A zijn in mijn ontwerp)
:fill(white):strip_exif()/f/image/Qk42ciPyOK10ExqvOiSjiKxr.png?f=user_large)
De C20 aftakking is voor de garage, waarachter weer een 3-fase onderverdeler hangt
Achter die verdeler hangt weer een 3-fase 10kW omvormer (16A) + tuinverlichting & garage stopcontacten
Hoofdaansluiting is 3x25A
Tevens komt er nog een uitbreiding van SolarEdge in de nieuwe kast tussen de hoofdschakelaar& 40A aardlek, direct na de hoofdschakelaar en de rest aangesloten.
Vraag:
ik twijfel ik nu de boel moet ombouwen naar 63A; daar 25A+16A = 41A zal dat de maximale stroom kunnen zijn.
Het verschil is namelijk (4x aardlek 1P + aardlek 4P) 660 excl BTW. (1450 vs. 790)
en als het niet hoeft ... ;-)
verder nog tips?
12,85kWp - ZB 7,5m2/400l - 5kW Pana H WP (CV&SWW) - 13,8kWh accu
Ik zou standaardiseren op Schneider, ben je snel klaar, en als je toch alles wilt vervangen geen aardlekschakelaars meer maar alamats. Dan heb je ook geen noodzaak meer om om te bouwen naar 63A en geen noodzaak om duurdere aardlekschakelaars te kopen. Alle 1fase alamats op de bovenste rij en de rest op de onderste rij.Crazy- schreef op dinsdag 4 april 2023 @ 12:16:
t.z.t wil ik m'n meterkats ombouwen, huidige kast is te klein
extra uitbreiding die er zit is een ramp (...) verschillende merken & ik twijfel of ik moet upgraden naar 63A
Huidige situatie [...]
Ontwerp nieuw: (Oh die 63A HS moet 40A zijn in mijn ontwerp) [...]
De C20 aftakking is voor de garage, waarachter weer een 3-fase onderverdeler hangt
Achter die verdeler hangt weer een 3-fase 10kW omvormer (16A) + tuinverlichting & garage stopcontacten
Hoofdaansluiting is 3x25A
Tevens komt er nog een uitbreiding van SolarEdge in de nieuwe kast tussen de hoofdschakelaar& 40A aardlek, direct na de hoofdschakelaar en de rest aangesloten.
Vraag: ik twijfel ik nu de boel moet ombouwen naar 63A; daar 25A+16A = 41A zal dat de maximale stroom kunnen zijn.
Het verschil is namelijk (4x aardlek 1P + aardlek 4P) 660 excl BTW. (1450 vs. 790) en als het niet hoeft ... ;-)
verder nog tips?
Je automaat / alamat naar de schuur kan ook met 16A, als dat voornamelijk voor je omvormer is.
En direct na de hoofdschakelaar een 40A 30mA aardlek? Weg ermee! Veel te groot risico om je hele huis in 1 keer zonder stroom te zetten. Mag niet. Daarom maximaal 4 groepen achter 1 aardlek en minimaal 2 aardleks voor het hele huis. Of alamats natuurlijk.
I Bought Myself A Politician - MonaLisa Twins 2013: 7panelen(195Wp), maand later, 17. 3 jaar later 28 en gasloos. 5.5kWp O-W op 4.2kVA omvormer. 2018 'verhuisd'.
Ik neem aan dat die aardlek alleen voor de krachtgroepen is en gewoon parallel staat.onetime schreef op dinsdag 4 april 2023 @ 13:01:
[...]
En direct na de hoofdschakelaar een 40A 30mA aardlek? Weg ermee! Veel te groot risico om je hele huis in 1 keer zonder stroom te zetten. Mag niet. Daarom maximaal 4 groepen achter 1 aardlek en minimaal 2 aardleks voor het hele huis. Of alamats natuurlijk.
Truth is like a language with no native speakers left.
Its poetry is speechless and it can’t be caught in human being’s breath.
Ik hoop het, bovenstaande liet mij anders denken.tussen de hoofdschakelaar& 40A aardlek, direct na de hoofdschakelaar en de rest aangesloten.
I Bought Myself A Politician - MonaLisa Twins 2013: 7panelen(195Wp), maand later, 17. 3 jaar later 28 en gasloos. 5.5kWp O-W op 4.2kVA omvormer. 2018 'verhuisd'.
- De aardlekschakelaars zijn per 4 groepen verdeeldonetime schreef op dinsdag 4 april 2023 @ 13:01:
[...]
Ik zou standaardiseren op Schneider, ben je snel klaar, en als je toch alles wilt vervangen geen aardlekschakelaars meer maar alamats. Dan heb je ook geen noodzaak meer om om te bouwen naar 63A en geen noodzaak om duurdere aardlekschakelaars te kopen. Alle 1fase alamats op de bovenste rij en de rest op de onderste rij.
Je automaat / alamat naar de schuur kan ook met 16A, als dat voornamelijk voor je omvormer is.
En direct na de hoofdschakelaar een 40A 30mA aardlek? Weg ermee! Veel te groot risico om je hele huis in 1 keer zonder stroom te zetten. Mag niet. Daarom maximaal 4 groepen achter 1 aardlek en minimaal 2 aardleks voor het hele huis. Of alamats natuurlijk.
- die 4 aardlekschakelaars zijn weer verdeeld over de 3-fases
- De 3-fase aardlek is inderdaad alleen voor de 2 3-fase groepen rechts in de kast (Garage & kookplaat)
Hiermee zijn dus alle groepen in setjes van 4 en/of per 3-fase onafhankelijk qua aardlek.
Per stuk een aardlek vind ik wat overdreven voor slaapkamers etc (+ maakt het een stuk duurder weer)
enige wat ik nog overweg is 5 aardlekautomten te doen ipv 5 automaten voor de oven, quooker, vaatwasser, wasmachine & droger
12,85kWp - ZB 7,5m2/400l - 5kW Pana H WP (CV&SWW) - 13,8kWh accu
Correctdragonhaertt schreef op dinsdag 4 april 2023 @ 13:11:
[...]
Ik neem aan dat die aardlek alleen voor de krachtgroepen is en gewoon parallel staat.
12,85kWp - ZB 7,5m2/400l - 5kW Pana H WP (CV&SWW) - 13,8kWh accu
Waarom niet voor beide een 3-fase alamat? Dat levert je weer 4 vrije posities op.Crazy- schreef op dinsdag 4 april 2023 @ 13:57:
[...]
- De 3-fase aardlek is inderdaad alleen voor de 2 3-fase groepen rechts in de kast (Garage & kookplaat)
Pixilated NetphreaX
Dronkenschap is Meesterschap
DragonFly
Dat is een goede, twijfelde even maar het is om het evenTGEN schreef op dinsdag 4 april 2023 @ 14:00:
[...]
Waarom niet voor beide een 3-fase alamat? Dat levert je weer 4 vrije posities op.
12,85kWp - ZB 7,5m2/400l - 5kW Pana H WP (CV&SWW) - 13,8kWh accu
Het scheelt nu 4 posities, maar als je wilt uitbreiden kost het je extra geld.Crazy- schreef op dinsdag 4 april 2023 @ 14:11:
[...]
Dat is een goede, twijfelde even maar het is om het even
Truth is like a language with no native speakers left.
Its poetry is speechless and it can’t be caught in human being’s breath.
het is inderdaad beetje om het even, enkelvoudige 40A aardlek is wellicht net zo handig en daarachter 1x 16 (kook) & 1x 20 (garage)dragonhaertt schreef op dinsdag 4 april 2023 @ 15:41:
[...]
Het scheelt nu 4 posities, maar als je wilt uitbreiden kost het je extra geld.
maakt in wezen niet veel uit; er is nog ruimte voor 1 3-fase automaat
eventueel kan ik alle enkele B16 met 3x aardlekautomaat (4 per groep) doen; 55 euro voordeliger en die extra aardlek bied niet extreem veel waarde - tenzij ik de wasmachine & droger op een aparte zet
Hager (duurder) of Schneider scheelt 90 euro (& Schneider is snel leverbaar)
[ Voor 6% gewijzigd door Crazy- op 04-04-2023 16:25 ]
12,85kWp - ZB 7,5m2/400l - 5kW Pana H WP (CV&SWW) - 13,8kWh accu
Waarom zou je? Ten eerste zal het het op die laatste 1A niet aankomen (daarmee gaat een aardlek die maar 40A mag hebben echt niet in rook op).Crazy- schreef op dinsdag 4 april 2023 @ 12:16:
Vraag:
ik twijfel ik nu de boel moet ombouwen naar 63A; daar 25A+16A = 41A zal dat de maximale stroom kunnen zijn.
En ten tweede kan die 10 kW omvormer nooit 16 A leveren. Reken maar op max 10.000/3/240 = 13.9 A. Geen enkel probleem dus. Die 63A is echt niet nodig.
Mocht je toch willen beveiligen, dan is een enkele 40A automaat naar je afnemende groepen veel goedkoper dan het vervangen van alle aardleks.
WP: ME PUHZ-SW75YAA + ERSD-VM2D + EV-WP-TWS-1W 300; AC: ME MXZ-2F42VF + 2x MSZ-LN25VGV; PV: 14.08 kWp O/W + SMA STP 8.0; Vent: Zehnder Q600 ERV + Ubbink AirExcellent.
Daarom zei ik ook: twijfel.Andrehj schreef op dinsdag 4 april 2023 @ 17:31:
[...]
Waarom zou je? Ten eerste zal het het op die laatste 1A niet aankomen (daarmee gaat een aardlek die maar 40A mag hebben echt niet in rook op).
En ten tweede kan die 10 kW omvormer nooit 16 A leveren. Reken maar op max 10.000/3/240 = 13.9 A. Geen enkel probleem dus. Die 63A is echt niet nodig.
Mocht je toch willen beveiligen, dan is een enkele 40A automaat naar je afnemende groepen veel goedkoper dan het vervangen van alle aardleks.
Omvormer kan wel 16A leveren (betreft de SE10k-RW0) en heeft een limiet van 16A/fase. Het gaat niet erom dat ie het haalt, maar technisch mogelijk is en alles goed in verhouding is. (Evenzo dient de omvormer op 20A gezekerd te zijn conform Scope12 maar is een richtlijn en geen verplichting)
Maar inderdaad ik kom op Max 41A dus prima
De reden dat ik alles vervang:
- huidige linker kast is brak (goedkoop ding)
- conform de nieuwe NEN wel moet voldoen en dus losse aardleks per fase ipv per 3-fase
- ombouwen me meer tijd kost dan kant en klare kast bestellen 😄 oude kast hergebruik ik in de schuur weer (daar hangt Chinese zooi….)
12,85kWp - ZB 7,5m2/400l - 5kW Pana H WP (CV&SWW) - 13,8kWh accu
@_ferry_ ah dank je voor deze info, wist niet dat het een aparte aardlekautomaat was._ferry_ schreef op dinsdag 4 april 2023 @ 07:44:
[...]
Ja dat mag, want die automaat van de zonnepanelen is een aardlekautomaat, dus een combinatie van aardlek en automaat in 1. Die zit dus niet achter 1 van de andere 2 ALS. Vandaar dat je achter de 2 ALS totaal 8 groepen kwijt kunt. Plek zat wat dat betreft![]()
Ik zie net dat de ALS en 4 groepen van het ABB bussysteem zijn, ik weet niet hoe die holec groepjes en de aardlekautomaat van de zonnepanelen vervolgens zijn bedraad. Want die werken niet met dat bussysteem, iets om even na te gaan en een keuze in te maken als je gaat uitbreiden of vervangen.
Het is me duidelijk dat ik daarom dus nog 2 groepen op de bovenste ALS kan aansluiten. Maar eerst moet wel even duidelijk zijn hoe een en ander aan elkaar geknoopt is.
Dit betekent volgens mij dan ook dat, indien ik toch wil upgraden naar 3x25A, deze 20A automaat tbv de zonnepanelen ook gewoon as is overgeheveld / gebruikt kan worden in de nieuwe 3x25A setup. Klopt dat?
Of ik moet upgraden naar 3x25A ben ik nog niet uit. Ik snap dat 8KW (max. voor 1x35A) niet extreem veel is.
Echter extreem stroom zullen we ook met een warmtepomp niet gaan gebruiken met alleen een extra warmptepomp.
Echter er moet toch iemand aan de slag in de meterkast (dat ben ik niet zelf), dan kan evt. zo'n upgrade ook direct meegenomen worden. Uiteindelijk zal het in de toekomst een keer noodzakelijk zijn.
Op zolder bij mij zit ook nog een aparte groep voor de wasmachine en ook eentje voor de droger.
Heeft het zin om de omvormers te verdelen over deze groepen en de kabel die er al loopt? Of heeft het alleen zin als ik een drie fasen aansluiting zou hebben?
Heb je een wandcontactdoos in je meterkast? Om te weten of 't wel of geen zin heeft zou je de spanning moeten meten in/vlak bij de meterkast. Als de spanning in of vlakbij de meterkast significant lager ligt dan die 253V dan kan 't zin hebben, er is dan veel spanningsval in je bekabeling naar de meterkast. Als die echter ook zo ongeveer 250 of hoger is heeft 't geen of nauwelijks zin, dan zit 't probleem voor jou meterkast.Polyphemus schreef op dinsdag 4 april 2023 @ 22:42:
Ik heb drie omvormers samen op één eigen kabel die naar de meterkast gaat. Nu de zon schijnt beginnen ze nu al af en toe af te schakelen, omdat de spanning boven de 252V uitkomt op de piektijden.
Op zolder bij mij zit ook nog een aparte groep voor de wasmachine en ook eentje voor de droger.
Heeft het zin om de omvormers te verdelen over deze groepen en de kabel die er al loopt? Of heeft het alleen zin als ik een drie fasen aansluiting zou hebben?
Panasonic J 7kW WP, boiler & HeishaMon, 6022 Wp PV, Enphase+ST GW, SOLAX SK-SU3000E 13kWh BESS, ITHO Qualityflow WTW, Elvi Smart Charging+ laadpunt, Kia EV6 84kWh EA MY25, gasloos '23
Waarom hebben die plafond centraaldozen altijd maar 2 posities met schroefdraad tbv bevestiging van het kapje en niet 4? Er zijn altijd wel 4 ronde gaten namelijk. Ik heb nog niet gezien dat die gebruikt worden om de doos zelf op te hangen of zijn die daar ook voor ?
4 schroeven is weer 5 cent duurder. Doe dat maal een miljoenmiljard centraaldozen en je hebt je antwoord.Waypoint schreef op woensdag 5 april 2023 @ 04:18:
Ik heb geen dringende maar wel een nieuwsgierige vraag.
Waarom hebben die plafond centraaldozen altijd maar 2 posities met schroefdraad tbv bevestiging van het kapje en niet 4?
It's time to play the music, it's time to light the lights
Waarom zou je dan niet de spanning van je slimme meter aflezen (indien afwezig)?blb4 schreef op woensdag 5 april 2023 @ 01:35:
[...]
Heb je een wandcontactdoos in je meterkast? Om te weten of 't wel of geen zin heeft zou je de spanning moeten meten in/vlak bij de meterkast. Als de spanning in of vlakbij de meterkast significant lager ligt dan die 253V dan kan 't zin hebben, er is dan veel spanningsval in je bekabeling naar de meterkast. Als die echter ook zo ongeveer 250 of hoger is heeft 't geen of nauwelijks zin, dan zit 't probleem voor jou meterkast.
Tibber; 3-fase Victron ESS, 38,4 kWh opslag; gasloos sinds 2013; Nibe F1245-10PC; SAP; HomeSeer4; Proxmox 8
Die rapporteren niet allemaal de spanning. Volgens mij komt het ook voor dat ze het wel over de P1-poort rapporteren, maar niet op het display.John245 schreef op woensdag 5 april 2023 @ 07:16:
[...]
Waarom zou je dan niet de spanning van je slimme meter aflezen (indien afwezig)?
Als het goed is red ik het nog wel op een fase! Grootste impact zijn de airco's en de kookplaathabbekrats schreef op maandag 3 april 2023 @ 22:19:
[...]
Je kunt met een punttang toch een oog maken met je vd draad. Kabelschoenen voor kleine vd diameters zijn niet gebruikelijk.
@the-hyrax nieuwe plank rechts ernaast kan ook , red je het dan nog op 1 fase?
[ Voor 5% gewijzigd door the-hyrax op 05-04-2023 09:34 ]
onetime schreef op maandag 3 april 2023 @ 19:31:
@John245 Lijkt me een mooie onderverdeling. Lekker overzichtelijk en allemaal alamats.
@dragonhaertt Ik zou geen 3fase aardlek gebruiken voor 1fase groepen. Is "even" verboden geweest, maar nu officieel afgeraden. Lekstromen zouden tegen elkaar weg kunnen vallen. Ik ben zelf groot voorstander van alleen maar alamats. En een overspanningsbeveiliging.
Kookgroep "moet" in een 3fase systeem natuurlijk een krachtgroep worden.
Gebruik je al losse aardleks, dan zou ik die direct naast 4 plaatsen op de rail zetten, zodat je weet welke aardlek die groepen beveiligt. Anderhalve dinrail lengte in een 12 units brede kast.
Ik heb toch nog even zitten twijfelen door deze reacties.timovd schreef op maandag 3 april 2023 @ 19:54:
@dragonhaertt waarom niet:
Onderste rij: HS en 2x B16 (kookgroep en de andere die je hebt staan) aardlekautomaat
Bovenste rij: 2x ALS en 2x4x B16 groepen
En in de andere kast ook nog een ALS met 4x eindgroepen. Dan heb je nog zat ruimte voor de andere componenten. Eventueel kun je een kast met 18 units breed (ABB Mistral, Hager Vega, etc.) aanschaffen.
3F ALS voor 1 fase groepen is echt zo onhandig en neemt te veel ruimte in beslag.
Onderstaand is de eerste versie die ik had bedacht, en een versie met éénfase aardlek schakelaars.
Ik ben benieuwd wat andere mensen vinden van deze overweging? Welke versie zou voorkeur hebben?
(even los van de volgorde en exacte indeling)
![]() | ![]() |
Kast 1 heeft max 8 groepen en 3 krachtstroom groepen, met 2 3-fase aardlekschakelaars.
Kast 2 heeft max 12 groepen en 3 krachtstroom groepen, met 3 1-fase aardlekschakelaars.
Het huis heeft nu 7 groepen (waarvan één kookgroep).
Truth is like a language with no native speakers left.
Its poetry is speechless and it can’t be caught in human being’s breath.
Ik moet eerlijk zeggen dat ik huisinstallaties nooit op moment zet...Xander schreef op zondag 2 april 2023 @ 22:25:
[...]
Begrijp ik goed dat de zonnepanelen zijn afgetakt vóór de Wallbox meter? Dat is niet de bedoeling, de gehele huisinstallatie inclusief zonnepanelen moet achter die meter zitten. Stel dat je 3x16A gebruikt in huis kun je misschien ook nog prima tegelijkertijd met 3x16A laden zonder de 3x25A hoofdaansluiting te overbelasten, mits de zonnepanelen maar tenminste 3x7A produceren. Als je de zonnepanelen voor de meter aansluit heeft deze geen weet van het laatste.
[...]
En erna?
[...]
Daar kun je natuurlijk een kabeldoos tussen zetten.
[...]
Ja hoor. Hoeveel kabel van de netbeheerder denk je dat er naar jouw huis toe ligt? Die extra 50cm gaat het verschil niet maken.
[...]
Goeie, dat zou ik zeker even nakijken.
Het oogt ook wel erg dun, 2,5mm²? Volgens specs gaat er in deze klemmen maar 1,5mm².
[Afbeelding]
Als je daar de hele installatie op aansluit ben je toch niet al te snugger bezig.
@Makrolon Heb jij trouwens momentgereedschap en wel eens getracht om contacten van zo'n Carlo Gavazzi meter op 2,8Nm aan te draaien? Ik laatst toevallig wel en kreeg met heel veel moeite op 4 van de 6 schroeven genoeg grip om überhaupt de 2,8Nm te halen?De laatste 2 schroeven liep het bitje er uit, terwijl ik toch echt de juiste bit had (SL/PZ2, PZ2 en zelfs nog SL6.5 geprobeerd). Daar heb ik op ABB componenten met hetzelfde aandraaimoment nooit moeite mee gehad, dat voelt dan toch net wat degelijker...
Maar doe ze altijd wel goed vast en het is mij nooit opgevallen eigenlijk dat die schroeven zo slecht zijn. Zal er de volgende keer eens op letten
13480 Wp solar | 2x Panasonic 7j met 1x 300l sww | (Laadpaal) installateur, pb voor een offerte
Dat soort mogelijkheden zit niet in mijn systeem, heb ferrarismeter.John245 schreef op woensdag 5 april 2023 @ 07:16:
[...]
Waarom zou je dan niet de spanning van je slimme meter aflezen (indien afwezig)?
Panasonic J 7kW WP, boiler & HeishaMon, 6022 Wp PV, Enphase+ST GW, SOLAX SK-SU3000E 13kWh BESS, ITHO Qualityflow WTW, Elvi Smart Charging+ laadpunt, Kia EV6 84kWh EA MY25, gasloos '23
"Gewoon goed vast" zal het wel zitten, denk dat ik het tot 2,0 a 2,4Nm aangedraaid kreeg en ik kan me verder ook niet zo druk maken over dergelijke zaken.Makrolon schreef op woensdag 5 april 2023 @ 10:40:
[...]
Ik moet eerlijk zeggen dat ik huisinstallaties nooit op moment zet...
Maar doe ze altijd wel goed vast en het is mij nooit opgevallen eigenlijk dat die schroeven zo slecht zijn. Zal er de volgende keer eens op letten
Maar wel suf dat ze een aandraaimoment specificeren en dat ik dit vervolgens niet eens voor elkaar krijg...
PC specs!---Pulse mee voor GoT!
[22:49:37] <@Remy> ik wil een opblaasbare dSLR :+
Yes, dank voor de tip. In de meterkast meet ik 244V, terwijl de omvormers op zolder 251V meten. Dan moet ik denk ik maar op zolder 3 PV-verdelers installerenblb4 schreef op woensdag 5 april 2023 @ 01:35:
[...]
Heb je een wandcontactdoos in je meterkast? Om te weten of 't wel of geen zin heeft zou je de spanning moeten meten in/vlak bij de meterkast. Als de spanning in of vlakbij de meterkast significant lager ligt dan die 253V dan kan 't zin hebben, er is dan veel spanningsval in je bekabeling naar de meterkast. Als die echter ook zo ongeveer 250 of hoger is heeft 't geen of nauwelijks zin, dan zit 't probleem voor jou meterkast.
Ja, je moet ook niet teveel wallboxen in je handen willen hebben.Xander schreef op woensdag 5 april 2023 @ 13:37:
[...]
"Gewoon goed vast" zal het wel zitten, denk dat ik het tot 2,0 a 2,4Nm aangedraaid kreeg en ik kan me verder ook niet zo druk maken over dergelijke zaken.
Maar wel suf dat ze een aandraaimoment specificeren en dat ik dit vervolgens niet eens voor elkaar krijg...Het was de eerste en waarschijnlijk laatste keer dat ik een Wallbox in mijn handen had, dus misschien was het exemplarisch.
13480 Wp solar | 2x Panasonic 7j met 1x 300l sww | (Laadpaal) installateur, pb voor een offerte
Canon EOS 5Dm3 + 5D + 7D + 300D + 1000FN + EF 17-40 4L + EF 35 1.4L + EF 50 1.8 + EF 80-200 2.8L + 550EX
3x 2,5mm2 zo te zien. Ik ben alleen bang dat ik hem met geen mogelijkheid vervangen kan, omdat ie door de vorige bewoner in onder andere de kruipruimte is aangelegd, om die kruipruimte vervolgens met isolatiechips tot de rand toe te vullen. Daar kom ik nooit meer bijGizz schreef op woensdag 5 april 2023 @ 15:03:
@Polyphemus hoe dik is je huidige kabel? Misschien valt daar nog winst te behalen.
En wat zou dat doen voor je spanning op zolderPolyphemus schreef op woensdag 5 april 2023 @ 14:58:
[...]
Yes, dank voor de tip. In de meterkast meet ik 244V, terwijl de omvormers op zolder 251V meten. Dan moet ik denk ik maar op zolder 3 PV-verdelers installeren![]()
Iedere omvormer op zijn eigen groep...
- dikkere kabels
- 3 fase omvormer
of ik mis de grap?
Nevermind, het staat 1 bericht boven mij. Iets met lange dag
[ Voor 6% gewijzigd door Ethirty op 05-04-2023 16:19 ]
#team_UTC+1
An investment in knowledge always pays the best interest - Benjamin Franklin
You can call me McOverloper Mini '12 i7/16/256 Air '13 i5/8/256 iPad mini 5 64GB iPhone SE 128GB
Geen idee. Ik probeer me een beeld te vormen. Ik maak geen grap, anders stel ik de vraag niet. Ik krijg namelijk de indruk dat als de kabel te dun zou zijn, de spanningsval hoger wordt. Ik heb de beschikking over drie aparte groepen op zolder waar de omvormers hangen. Ik dacht daarmee de (dan blijkbaar te dunne) kabel, die ik niet vervangen kan, te ‘splitsen’ door elke omvormer op zijn eigen kabel naar de meterkast aan te sluiten.Ethirty schreef op woensdag 5 april 2023 @ 16:08:
[...]
En wat zou dat doen voor je spanning op zolder
- dikkere kabels
- 3 fase omvormer
of ik mis de grap?
Ik heb geen drie fase huisaansluiting.
/edit: @Ethirty, sorry, ik zag je edit te laat
[ Voor 3% gewijzigd door Polyphemus op 05-04-2023 16:23 ]
Had inmiddels al ge-edit. Ik reageerde te snel.Polyphemus schreef op woensdag 5 april 2023 @ 16:19:
[...]
Geen idee. Ik probeer me een beeld te vormen. Ik maak geen grap, anders stel ik de vraag niet. Ik krijg namelijk de indruk dat als de kabel te dun zou zijn, de spanningsval hoger wordt. Ik heb de beschikking over drie aparte groepen op zolder waar de omvormers hangen. Ik dacht daarmee de (dan blijkbaar te dunne) kabel, die ik niet vervangen kan, te splitsen door elke omvormer op zijn eigen kabel naar de meterkast aan te sluiten.
Ik heb geen drie fase huisaansluiting.
Die 3 aparte groepen delen nog steeds dezelfde kabel, dus 1 grote omvormer of 3 kleine maakt niets uit.
Spanningsverlies kan je beperken door een dikkere kabel. Het huidige verval van 7V is al behoorlijk.
Het is niet ideaal, maar die chips kan je uit de kruipruimte krijgen, kabel vervangen en dan die zooi weer terugplaatsen. Wel heel veel zakken vol met isolatie-chips die je ergens kwijt moet kunnen.
Maar je lijkt te insinueren dat je wel nieuwe kabels kan trekken, maar niet de bestaande vervangen? Dan is er op zich ook geen probleem
#team_UTC+1
An investment in knowledge always pays the best interest - Benjamin Franklin
You can call me McOverloper Mini '12 i7/16/256 Air '13 i5/8/256 iPad mini 5 64GB iPhone SE 128GB
Over welke kabel heb je het? Van zolder naar de meterkast heeft iedere groep (hoop ik) een eigen kabel.Ethirty schreef op woensdag 5 april 2023 @ 16:25:
Die 3 aparte groepen delen nog steeds dezelfde kabel
Die 7V is van zolder naar meterkast, dus als je daar van 1x2.5mm2 naar 3x2.5mm2 gaat wordt de spanningsval een stuk kleiner.
"Your life is yours alone. Rise up and live it." - Richard Rahl
Rhàshan - Aditu Sunlock
3x 2.5mm2 is normaal gesproken L/N/PE toch?Paul schreef op woensdag 5 april 2023 @ 16:54:
[...]
Over welke kabel heb je het? Van zolder naar de meterkast heeft iedere groep (hoop ik) een eigen kabel.
Die 7V is van zolder naar meterkast, dus als je daar van 1x2.5mm2 naar 3x2.5mm2 gaat wordt de spanningsval een stuk kleiner.
#team_UTC+1
An investment in knowledge always pays the best interest - Benjamin Franklin
You can call me McOverloper Mini '12 i7/16/256 Air '13 i5/8/256 iPad mini 5 64GB iPhone SE 128GB
Hoe kom je daarbij? Hij heeft toch gewoon 3 aparte kabels van de verdeelkast naar zolder?Ethirty schreef op woensdag 5 april 2023 @ 16:25:
Die 3 aparte groepen delen nog steeds dezelfde kabel, dus 1 grote omvormer of 3 kleine maakt niets uit.
De omvormers daar over verdelen, in plaats van alle 3 op dezelfde kabel aansluiten, kan zeker wel zinvol zijn.
En ja als je op die groepen ook nog verbruikers wilt aansluiten dan heb je 3x PV-verdelers nodig.
Maar hij heeft 3x 3x2,5mm².
[ Voor 15% gewijzigd door Xander op 05-04-2023 17:25 ]
PC specs!---Pulse mee voor GoT!
[22:49:37] <@Remy> ik wil een opblaasbare dSLR :+
Ah, nu heb ik hem. Beetje zand in mijn ogen vanmiddag.Xander schreef op woensdag 5 april 2023 @ 17:24:
[...]
Hoe kom je daarbij? Hij heeft toch gewoon 3 aparte kabels van de verdeelkast naar zolder?
De omvormers daar over verdelen, in plaats van alle 3 op dezelfde kabel aansluiten, kan zeker wel zinvol zijn.
En ja als je op die groepen ook nog verbruikers wilt aansluiten dan heb je 3x PV-verdelers nodig.
[...]
Maar hij heeft 3x 3x2,5mm².
Carry on
#team_UTC+1
An investment in knowledge always pays the best interest - Benjamin Franklin
You can call me McOverloper Mini '12 i7/16/256 Air '13 i5/8/256 iPad mini 5 64GB iPhone SE 128GB
Aanvullende vraag als het magXander schreef op woensdag 5 april 2023 @ 17:24:
[...]
Hoe kom je daarbij? Hij heeft toch gewoon 3 aparte kabels van de verdeelkast naar zolder?
De omvormers daar over verdelen, in plaats van alle 3 op dezelfde kabel aansluiten, kan zeker wel zinvol zijn.
En ja als je op die groepen ook nog verbruikers wilt aansluiten dan heb je 3x PV-verdelers nodig.
[...]
Maar hij heeft 3x 3x2,5mm².
Nu voer ik direct in op de hoofdschakelaar. Als ik nu een wasmachinegroep ga gebruiken met een PV-verdeler, dan zit ik in de meterkast op een B16-automaat en op een aardlekschakelaar voordat ik op de hoofdschakelaar zit. Moet ik deze groep dan ombouwen zodat ik de aardlekschakelaar oversla en de groep rechtstreeks op de hoofdschakelaar zetten? Ik heb op de PV-verdeler toch al een aardlekschakelaar voor de wasmachine.
Afhankelijk van de kwaliteit van de aarding moet ook de omvormer achter een aardlekschakelaar.Polyphemus schreef op woensdag 5 april 2023 @ 19:49:
[...]
Aanvullende vraag als het mag.
Nu voer ik direct in op de hoofdschakelaar. Als ik nu een wasmachinegroep ga gebruiken met een PV-verdeler, dan zit ik in de meterkast op een B16-automaat en op een aardlekschakelaar voordat ik op de hoofdschakelaar zit. Moet ik deze groep dan ombouwen zodat ik de aardlekschakelaar oversla en de groep rechtstreeks op de hoofdschakelaar zetten? Ik heb op de PV-verdeler toch al een aardlekschakelaar voor de wasmachine.
Je kunt het in de hoofdverdeler inderdaad zonder aardlekbeveiliging aansluiten, maar dan moet je dus misschien in de PV-verdeler aardlekbeveiliging voor beide groepen plaatsen.
PC specs!---Pulse mee voor GoT!
[22:49:37] <@Remy> ik wil een opblaasbare dSLR :+
Beetje late reactie, maar dit is idd wel een heel groot verschil. Je moet dus idd hier wat aan doen.Polyphemus schreef op woensdag 5 april 2023 @ 14:58:
[...]
Yes, dank voor de tip. In de meterkast meet ik 244V, terwijl de omvormers op zolder 251V meten. Dan moet ik denk ik maar op zolder 3 PV-verdelers installeren![]()
Iedere omvormer op zijn eigen groep...
Panasonic J 7kW WP, boiler & HeishaMon, 6022 Wp PV, Enphase+ST GW, SOLAX SK-SU3000E 13kWh BESS, ITHO Qualityflow WTW, Elvi Smart Charging+ laadpunt, Kia EV6 84kWh EA MY25, gasloos '23
De binnenwanden zijn gemaakt met van die witte blokken, en afgestuct uiteraard. Ik weet niet hoe dik de wanden zijn, wat is daarin normaal bij hedendaagse woningen? 10 cm?
Stel dat ik nu een dubbele wcd op een inbouwdoos van 5 cm diepte wil boren/plaatsen, kan ik die dan 'gewoon' achter een andere (dus aan de andere kant van de wand in een andere kamer) plaatsen? Of moet ik dan echt een sleuf frezen vanaf een andere wcd-aansluiting aan de 'goede' kant? Of moet vanwege de diepte verspringen, maar mag het wel vlakbij?
Ik zie nu dat je met een sleuventrekker kunt werken in die witte blokken. Klopt dat? Het zou mijn voorkeur hebben vanwege de kosten en het feit dat je minder stof hebt op die manier.
2 inbouwdozen van 5cm achter elkaar gaat hem in beide gevallen niet worden. Dit moet je ook niet willen, dat gaat namelijk een geluidslek geven. Misschien niet zo interessant tussen de hal en de bijkeuken ofzo, maar tussen 2 slaapkamers zou ik er niet aan beginnen.
In gipsblokken kun je zo ongeveer met ieder gereedschap werken.
PC specs!---Pulse mee voor GoT!
[22:49:37] <@Remy> ik wil een opblaasbare dSLR :+
Okido, zet ik ze vlakbij elkaar, maar dan wel elk aan de andere kant van de wand.Xander schreef op donderdag 6 april 2023 @ 15:27:
@koelkast Binnenwanden van 10cm komen voor (zeker als er bijvoorbeeld keukenkasten aan moeten hangen), maar ook 7cm komt nog veel voor.
2 inbouwdozen van 5cm achter elkaar gaat hem in beide gevallen niet worden. Dit moet je ook niet willen, dat gaat namelijk een geluidslek geven. Misschien niet zo interessant tussen de hal en de bijkeuken ofzo, maar tussen 2 slaapkamers zou ik er niet aan beginnen.
In gipsblokken kun je zo ongeveer met ieder gereedschap werken.
Aan beide zijden een sleufje maken voor de flexpijp, gat boren zodat ik 'm naar de andere kant kan brengen, met gatenboor ruimte maken en een inbouwdoosje erin. Of zijn er handiger methoden om zoiets voor elkaar te krijgen?
koelkast schreef op donderdag 6 april 2023 @ 16:31:
[...]
Okido, zet ik ze vlakbij elkaar, maar dan wel elk aan de andere kant van de wand.
Aan beide zijden een sleufje maken voor de flexpijp, gat boren zodat ik 'm naar de andere kant kan brengen, met gatenboor ruimte maken en een inbouwdoosje erin. Of zijn er handiger methoden om zoiets voor elkaar te krijgen?
Het meerwerklijstje invullen.
VW ID.7 Tourer Pro S | 5670 Wp JA Solar - 14x405 33° op Zuid | Twente
Waar vind ik zoiets?
Wil twee wissel-wisselschakelaars aan elkaar koppelen en laten werken
Positie A:
1x fasedraad
4x schakeldraad
1x lampdraad
Positie B
1x fasedraad
4x schakeldraad
1x lampdraad
Te benoemen is dat positie A en B op twee verschillende groepen en aardlekschakelaars zitten, mogelijk zelfs verschillende fases.
Als ik ze op de juiste manier aan elkaar koppel (ik kan hem als demo situatie laten werken) vliegt er telkens aan beide zijden de aardlek eruit.
Wat doe ik fout, of heb ik fout gedaan? En heeft hier de verschillende groepen/aardlekschakelaars nog wat mee te maken? Bekabelingstechnisch zou het moeten kloppen dacht ik zo..
Dank vast voor het meedenken!
Geen idee wat je met zoveel schakeldraden wilt, maar twee groepen met schakelaars aan elkaar hangen is niet voor niets verboden!ErgoStijn schreef op donderdag 6 april 2023 @ 19:55:
Ik zit even met een vreemde situatie (voor mij)
Wil twee wissel-wisselschakelaars aan elkaar koppelen en laten werken
Positie A:
1x fasedraad
4x schakeldraad
1x lampdraad
Positie B
1x fasedraad
4x schakeldraad
1x lampdraad
Te benoemen is dat positie A en B op twee verschillende groepen en aardlekschakelaars zitten, mogelijk zelfs verschillende fases.
Als ik ze op de juiste manier aan elkaar koppel (ik kan hem als demo situatie laten werken) vliegt er telkens aan beide zijden de aardlek eruit.
Wat doe ik fout, of heb ik fout gedaan? En heeft hier de verschillende groepen/aardlekschakelaars nog wat mee te maken? Bekabelingstechnisch zou het moeten kloppen dacht ik zo..
Dank vast voor het meedenken!
Advies: huur een elektricien in. Uit je verhaal blijkt dat dat nodig is.
[ Voor 3% gewijzigd door Andrehj op 06-04-2023 20:03 ]
WP: ME PUHZ-SW75YAA + ERSD-VM2D + EV-WP-TWS-1W 300; AC: ME MXZ-2F42VF + 2x MSZ-LN25VGV; PV: 14.08 kWp O/W + SMA STP 8.0; Vent: Zehnder Q600 ERV + Ubbink AirExcellent.
Wil je het laten werken zal je moeten kijken of je een van de twee punten op de andere groep kunt krijgen. Maar dus niet kruisen of twee groepen in dezelfde buis/doos/whatever.
En als dat echt onmogelijk is, tijd voor een smart lamp/module?
Twee groepen (van verschillende aardlekschakelaars) combineren mag en kan niet.ErgoStijn schreef op donderdag 6 april 2023 @ 19:55:
Ik zit even met een vreemde situatie (voor mij)
Wil twee wissel-wisselschakelaars aan elkaar koppelen en laten werken
Positie A:
1x fasedraad
4x schakeldraad
1x lampdraad
Positie B
1x fasedraad
4x schakeldraad
1x lampdraad
Te benoemen is dat positie A en B op twee verschillende groepen en aardlekschakelaars zitten, mogelijk zelfs verschillende fases.
Als ik ze op de juiste manier aan elkaar koppel (ik kan hem als demo situatie laten werken) vliegt er telkens aan beide zijden de aardlek eruit.
Wat doe ik fout, of heb ik fout gedaan? En heeft hier de verschillende groepen/aardlekschakelaars nog wat mee te maken? Bekabelingstechnisch zou het moeten kloppen dacht ik zo..
Dank vast voor het meedenken!
Je hebt twee opties:
-alles 1 groep maken.
-Klikaan Klikuit (of vergelijkbare) modules gebruiken om de lampen te schakelen/koppelen.
Mijn setup: Omvormer 1: 12x330wp 3960wp ZO + 6x330wp 1980WP NW - Omvormer 2: 6x370wp 2220wp ZW Totaal 8160wp Locatie Zuid-Limburg Bunde
Ter verduidelijking voor iemand briljante ideeën krijgt...DeHollander schreef op donderdag 6 april 2023 @ 21:01:
[...]
Twee groepen van verschillende aardlekschakelaars combineren mag niet.
Heb het eff aangepast.Septillion schreef op donderdag 6 april 2023 @ 21:05:
[...]
Ter verduidelijking voor iemand briljante ideeën krijgt...
Denk dat het de wisselschakelaars in het midden van de woonkamer zijn. Ik kom dit vaker tegen in oude huizen.
Voorst deel van de woonkamer is dan een andere groep als het achterste deel.
Storing komt dan vaak boven water na het vervangen van de meterkast.
Hebben ze de schakelaars vervangen en de bedrading niet goed terug aangesloten. Of een serie wissel
geplaatst en een wcd er naast gezet. Zijn leuke storingen om te zoeken
Mijn setup: Omvormer 1: 12x330wp 3960wp ZO + 6x330wp 1980WP NW - Omvormer 2: 6x370wp 2220wp ZW Totaal 8160wp Locatie Zuid-Limburg Bunde
Nu was ik echter bij een familielid die volgende maand zonnepanelen op zijn schuurdak krijgt.
Hij heeft daar een 2-aderige YMVK-AS kabel waar ik vandaag een onderverdeler achter geplaatst heb met een hoofdschakelaar (Hoofdschakelaar 2P 40A) met een 10A 1P+N Bkar aardlekautomaat . Hierachter komt volgende maand een 1-fase omvormer met totaal 2100Wp.
Volgens mij is dit allemaal in orde.
Omdat hij in de veronderstelling is/was dat deze buitenkabel op een eigen automaat zou zitten in zijn meterkast heb ik die toch even opengehaald.
Hier blijkt hij dus wel op een eigen 16A groep te zitten, maar helaas wel met 2 andere groepen op dezelfde automaat. Dit is volgens mij nu niet toegestaan toch?
Ook zit de kast redelijk vol en ben ik dus beperkt. Ik vraag mij af wat ik nu het beste kan doen?
:strip_exif()/f/image/toQUuBPp7umYSLCW8yS6okyv.jpg?f=fotoalbum_medium)
De automaat die uit staat zit dus de 2-aderige YMVK-AS op.
Daarnaast viel mij op dat alle groepen C-kar zijn en geen B-kar .
De hoofdschakelaar kabels lijken ook niet lekker gestript bijvoorbeeld etc.
Beltrafo is nog in gebruik ook.
Maar C-kar is wel een rare ja...
[ Voor 11% gewijzigd door Septillion op 06-04-2023 22:31 ]
Dat lijkt de enige plek maar ik heb even snel gekeken en de aders lijken niet lang genoeg en de kabel staat al strak. Ik moet dus de kast flink overhoop halen ben ik bang?Septillion schreef op donderdag 6 april 2023 @ 22:30:
@GeeMoney Nee, dat moet een eigen groep zijn in de meterkast. Maar prima ruimte voor een aardlekautomaatje naast de hoofdschakelaar toch?
Maar C-kar is wel een rare ja...
En die extra aardlekautomaat kan ik gewoon doorbruggen vanaf een andere aardlekautomaat qua fase en nul ?
Op de plek die jij ook in gedachten hebt zie je nul aders in een klem geschroefd zitten, daar kan ik ook de nul vandaan pakken eventueel ?
[ Voor 10% gewijzigd door GeeMoney op 06-04-2023 22:36 ]
Anders de beltrafo naar beneden en alamat bovenin?
Van die strip kan je inderdaad de N pakken. Voor de L zal je even moeten kijken of die componenten een tweede kooi hebben of twee draden mogen hebben. Of een van de fases ook via een verdeelblokje laten lopen, lijkt er nog één vrij? Ook even bepalen op welke fase het handig is de te plaatsen.
[ Voor 54% gewijzigd door Septillion op 06-04-2023 22:39 ]
Je kan de beltrafo naast de hoofdschakelaar zetten en da aardlekautomaat op de plek van de travo.GeeMoney schreef op donderdag 6 april 2023 @ 22:32:
[...]
Dat lijkt de enige plek maar ik heb even snel gekeken en de aders lijken niet lang genoeg en de kabel staat al strak. Ik moet dus de kast flink overhoop halen ben ik bang?
En die extra aardlekautomaat kan ik gewoon doorbruggen vanaf een andere aardlekautomaat qua fase en nul ?
Op de plek die jij ook in gedachten hebt zie je nul aders in een klem geschroefd zitten, daar kan ik ook de 0 vandaan pakken eventueel ?
Eventueel kan je de automaten nog wat schuiven en zet je de aardlekautomaat in het midden.
Ik zou z`n pv automaat netjes voeden vanaf de hoofdschakelaar. Even wat vds6mm2 en wat hulsjes (enkel en twin)
Die aansluiting van L2 op de hoofdschakelaar ziet er ook niet echt lekker uit, die zou ik maar eens controleren (middelste bruine draad aan de bovenkant)
[ Voor 8% gewijzigd door DeHollander op 06-04-2023 22:40 ]
Mijn setup: Omvormer 1: 12x330wp 3960wp ZO + 6x330wp 1980WP NW - Omvormer 2: 6x370wp 2220wp ZW Totaal 8160wp Locatie Zuid-Limburg Bunde
Die bedoel ik ook inderdaad, die ziet er niet lekker uit.DeHollander schreef op donderdag 6 april 2023 @ 22:37:
[...]
Je kan de beltrafo naast de hoofdschakelaar zetten en da aardlekautomaat op de plek van de travo.
Eventueel kan je de automaten nog wat schuiven en zet je de aardlekautomaat in het midden.
Ik zou z`n pv automaat netjes voeden vanaf de hoofdschakelaar. Even wat vds6mm2 en wat hulsjes (enkel en twin)
Die aansluiting van L2 op de hoofdschakelaar ziet er ook niet echt lekker uit, die zou ik maar eens controleren (middelste bruine draad aan de bovenkant)
En direct voeden vanaf de hoofdschakelaar is een goed idee maar die is nu toch al vol/bezet ?
Dan zou ik dus 1 van de bestaande automaten moeten doorlussen vanaf mijn nieuwe automaat die dan rechtstreeks op de hoofdschakelaar gaat ?
En welke aardlekautomaat raden jullie dan aan ?
Vergeten te melden maar de groep die uit staat op de foto is natuurlijk de 2 aderige YMVK-AS.
[ Voor 7% gewijzigd door GeeMoney op 06-04-2023 22:56 ]
En rest is Hager dus zou ik zelf daar eerst kijken.
Dan lijkt mij een 16A B-kar de juiste keuze toch? (ADA916G) .Septillion schreef op donderdag 6 april 2023 @ 22:48:
@GeeMoney Mja, waar je doorlust is niet heel belangrijk zolang het qua aansluiting daar dubbel mag.
En rest is Hager dus zou ik zelf daar eerst kijken.
Dan dus nog even wat 6mm2 VD-draad en hulsjes scoren.
Met een twinhuls (dubbele draad) vertrekken van je hoofdschakelaar.GeeMoney schreef op donderdag 6 april 2023 @ 22:42:
[...]
Die bedoel ik ook inderdaad, die ziet er niet lekker uit.
En direct voeden vanaf de hoofdschakelaar is een goed idee maar die is nu toch al vol/bezet ?
Dan zou ik dus 1 van de bestaande automaten moeten doorlussen vanaf mijn nieuwe automaat die dan rechtstreeks op de hoofdschakelaar gaat ?
En welke aardlekautomaat raden jullie dan aan ?
Vergeten te melden maar de automaat die uit staat op de foto is natuurlijk de 2 aderige YMVK-AS.
Ik zou de fase pakken met de laagste spanning (even meten op een zonnige dag)
En kijk even welke groepen er nog meer op die fase zitten, een beetje netjes verdelen is wel lekker.
Heb hier de zwaarste omvormer net omgezet naar de zelfde fase als de airco, zodat de grafiekjes platter worden. Had op de fase waar hij op zat te weinig constant verbruik zitten. Op de nieuwe fase zit ook nog het meeste sluip verbruik.
Verwacht een vlakkere grafiek dan hier onder te zien is (minder salderen in/door de meter)
Mijn setup: Omvormer 1: 12x330wp 3960wp ZO + 6x330wp 1980WP NW - Omvormer 2: 6x370wp 2220wp ZW Totaal 8160wp Locatie Zuid-Limburg Bunde
Dit topic is gesloten.
![]()
Dit topic gaat over huisinstallaties. Denk daarbij aan groepenkasten, wandcontactdozen en bekabeling.
Alles waarbij een stekker aan te pas komt is dus offtopic.
Zaken zoals elektriciteitsmeters, zonnepanelen, omvormers, domotica en overige apparaten horen hier dus niet thuis.
:strip_exif()/f/image/QfUf0b6AYbwFeiMP5cm82s7D.jpg?f=fotoalbum_tile)
/f/image/Aurh1Q8r0FmXiPKhTqny792H.png?f=fotoalbum_tile)