Pana 12 KW J serie TCAP, Auer Edel Eau 270L, 10250 WP solar Enphase
Ik ben ook een 12 kw t-cap aan het voorbereiden, wat ik terug gevonden had op dit forum, en dus van plan was is gewoon 2x een b16 alamat in de meterkast te plaatsen.Daffy1982 schreef op maandag 26 juni 2023 @ 20:11:
Inmiddels ben ik weer wat verder met de installatie van mijn 12kw t-cap.
Ik ben benieuwd of andere t-cap gebruikers de wp en backup heater hebben afgezekerd met een installatieautomaat of krachtgroep met een B of een C karakteristiek?
Daarnaast ben ik benieuwd of jullie op beide groepen kwh meters geplaatst? Of is het gebruik van de backup heater op een tcap dermate laag dat dit wellicht overkill is?
In de wp wilde ik dan 2x een (3 fase) kwh meter plaatsen met s0 uitgang die ik dan aansluit op heishamon
Panasonic 12J T-CAP | Atlantic Explorer 270L | 4 x MHI SRK24ZS-WF + SRF35ZS-W | 12.000 Wp Enphase | Home Assistant, Heishamon, Mhi-ctrl | Alfa Romeo Giulia Veloce
Hier een 12tcap op 2 keer een B16 3fase alamat. Beide met een stroommeter op de heishamon. Ik heb de stroommeter voor de backup heater wel eens gebruikt om te kijken of mijn legionella programma draait, voor de rest komt er weinig verbruik overheenDaffy1982 schreef op maandag 26 juni 2023 @ 20:11:
Inmiddels ben ik weer wat verder met de installatie van mijn 12kw t-cap.
Ik ben benieuwd of andere t-cap gebruikers de wp en backup heater hebben afgezekerd met een installatieautomaat of krachtgroep met een B of een C karakteristiek?
Daarnaast ben ik benieuwd of jullie op beide groepen kwh meters geplaatst? Of is het gebruik van de backup heater op een tcap dermate laag dat dit wellicht overkill is?
enphase 8300wp (3460 ZO, 2740 ZW, 2100 NO), 2x20 vacuümbuizen op 300l SWW, Panasonic WH-MXC12J9E8, gasloos sinds Juni 2022 Stromer st3 voor woon-werk
Als ik voor deze twee keuzes zou staan zou ik buitenom gaan. Dikke sleuven frezen in de dekvloer is ook zoiets, en dat ga je na aanleg nooit meer veranderen. Zo'n dikke goot buitenom zou ik flexibeler vinden, daar kun je nog es wat aan veranderen. Wel zorgen dat je zo weinig mogelijk verlies hebt (er zal altijd iets verlies zijn).ConQuestador schreef op maandag 26 juni 2023 @ 16:29:
Ik ben de eerstvolgende in de rij voor mijn T-CAP komt (aldus leverancier), dus ik ben begonnen dingen voor te bereiden.
Het plan is dat direct achter de warmtepomp een T-stuk komt: 1 deel gaat naar de 1e verdieping (4meter omhoog in leidinggoot), en 1 deel gaat de woonkamer in waar ik een VVW verdeler ga plaatsen.
Ik twijfel alleen hoe ik het zal doen:
[Afbeelding]
Optie 1 (rode lijn): Ik ga direct bij de warmtepomp de muur door,en moet dan precies in de dekvloer uit komen. Vervolgens moet ik 2 sleuven in de dekvloer frezen om hier de 2x32 uponor in de dekvloer te leggen. (Ter info: er is geen kruipruimte)
Optie 2 (paarse lijn): Ik leg de leiding buitenom in een 140mm leidinggoot, waarbij ik de leiding in 20mm dikke isolatiebuis doe (heb ik reeds liggen van heima24). Dit zou dan gaan om 2m extra buitenom.
Mijn voorkeur gaat uit naar optie 2 omdat dit een stuk eenvoudiger is, nadeel is dat ik wel 2m extra buiten ben, maar ik vraag me af of die 2 meter echt een wezenlijk verschil gaat maken.
Derde keuze: je kunt natuurlijk ook direct de muur door gaan en dan BOVEN de dekvloer uitkomen en hebt dan een leiding langs de binnenmuur naar de VVW verdeler. Wellicht minder esthetisch maar is dan wel flexibel (= kun je nog es aanpassen) en deze leiding draagt ook bij aan de binnenwarmte (net als die buis die je in de dekvloer zou leggen). Aangezien ik met 28mm koperbuis werk zou ik het ook netjes naast de muur kunnen leggen (met mooie bochtjes), met uponor 32mm o.i.d. is dat lastig (buigen). Is wel WAF gevoeliger denk ik
Gasloos sinds feb23, WP: Pana Mono 9j, WPB: Auer Air 200l, PV: 14x290 Wp
Goede input, maar zoals je zelf al stelt is optie 3 geen echte optie vanwege de WAF 😉dof schreef op maandag 26 juni 2023 @ 21:00:
[...]
Als ik voor deze twee keuzes zou staan zou ik buitenom gaan. Dikke sleuven frezen in de dekvloer is ook zoiets, en dat ga je na aanleg nooit meer veranderen. Zo'n dikke goot buitenom zou ik flexibeler vinden, daar kun je nog es wat aan veranderen. Wel zorgen dat je zo weinig mogelijk verlies hebt (er zal altijd iets verlies zijn).
Derde keuze: je kunt natuurlijk ook direct de muur door gaan en dan BOVEN de dekvloer uitkomen en hebt dan een leiding langs de binnenmuur naar de VVW verdeler. Wellicht minder esthetisch maar is dan wel flexibel (= kun je nog es aanpassen) en deze leiding draagt ook bij aan de binnenwarmte (net als die buis die je in de dekvloer zou leggen). Aangezien ik met 28mm koperbuis werk zou ik het ook netjes naast de muur kunnen leggen (met mooie bochtjes), met uponor 32mm o.i.d. is dat lastig (buigen). Is wel WAF gevoeliger denk ik
Ik neig zelf ook meer en meer naar buitenom
dat kleine stukje verlies neem ik wel voor lief
Panasonic 12J T-CAP | Atlantic Explorer 270L | 4 x MHI SRK24ZS-WF + SRF35ZS-W | 12.000 Wp Enphase | Home Assistant, Heishamon, Mhi-ctrl | Alfa Romeo Giulia Veloce
Toch grappig om in de mail van groene-energiewinkel hun stelling over buffervaten te lezen:
Het is dat ik hier op tweakers al oneindig vaak gelezen heb dat een buffervat niet nodig is als je 200m2 vloerverwarming hebt, maar anders zou je toch gaan twijfelen met zo'n tekstWel of geen buffervat?
Het antwoord hierop van Panasonic en van ons is simpel en eenvoudig. Hoewel er op allerlei internet forums (![]()
![]()
) wordt beweerd dat het ook zonder buffervat kan zijn wij het daar absoluut niet mee eens want we hebben al teveel gevallen met tegenvallende resultaten gehad.
Zeker in een bestaand verwarmingssysteem dient u altijd een buffervat te installeren. Wanneer u toch besluit om geen buffervat te installeren en naderhand klachten heeft over het hoge energieverbruik en om een servicebezoek vraagt moet u er rekening mee houden dat de kosten van dat bezoek volledig aan u zullen worden doorberekend wanneer blijkt dat het ontbreken van dat buffervat bijdraagt aan het hoge verbruik.
Bij grotere buffervaten is het vaak ook mogelijk om een extra elektrisch verwarmingselement te plaatsen. In principe is dat natuurlijk niet nodig want in de warmtepomp zelf zit er ook al een maar bij een storing in de warmtepomp heeft u zo in geval van nood toch nog wat verwarming in huis.
Hoe groot moet zo’n buffervat dan zijn?
Ideaal zou zijn wanneer het buffervat zo groot is dat de warmtepomp alleen overdag hoeft te draaien en
’s-avonds en ’s-nachts helemaal niet. Als vuistregel kun je dan aanhouden dat je per m2 vloerverwarming (van de meestal verwarmde ruimtes) Lucht-waterwarmtepompen, belangrijke weetjes voordat u er aan begint. ongeveer 10L buffervolume moet aanhouden. Bij een woning met 50m2 vloerverwarming op de begane grond waarbij de kamers boven meestal niet of maar incidenteel worden verwarmd kom je dan al uit op een buffervolume van 500L.
Wanneer eenmaal is gekozen om een buffervat te installeren maakt het voor de prijs niet zo heel veel uit of dat nu 200, 300, 50, 800 of 1000L is maar wel voor de ruimte die het inneemt en of het door alle (deur)openingen kan en voor de belasting van de vloer waarop hij komt te staan. Op een begane grond zal die belasting meestal geen probleem zijn maar op een verdieping wel en of je hem daar kunt krijgen over een trap is ook iets wat vooraf goed moet worden bekeken. Vaak kan het gewenste volume niet kan worden geplaatst en dan moet worden gekeken wat maximaal haalbaar is. Wanneer een serieus buffervat helemaal niet kan dan adviseren wij in ieder geval een klein buffervaatje van minimaal 50L bij een 5kW of 7kW warmtepomp en van minimaal 100L bij grotere vermogens zodat de warmtepomp in ieder geval de benodigde minimale flow kan halen, een voldoende lange run kan maken en effectief kan helpen bij de defrost.
Panasonic 12J T-CAP | Atlantic Explorer 270L | 4 x MHI SRK24ZS-WF + SRF35ZS-W | 12.000 Wp Enphase | Home Assistant, Heishamon, Mhi-ctrl | Alfa Romeo Giulia Veloce
En dan nog een hoog COP behalen. Die mensen weten echt precies wat ze doen he?Ideaal zou zijn wanneer het buffervat zo groot is dat de warmtepomp alleen overdag hoeft te draaien en
’s-avonds en ’s-nachts helemaal niet.
Wat voor vat heb je, hoe groot is de spiraal waar het warme water door stroomt ? Dit klopt voor geen meter, je heb bijna een delta T van 16C tussen je spiraal en dat water in het vat. Het lijkt alsof de warmteoverdracht dus bar slecht is, en dan stopt de warmtepomp na X-minuten (is instelbaar) SWW run.Wouter2403 schreef op vrijdag 23 juni 2023 @ 17:05:
Vandaag de laatste hand gelegd om de DHW tank aan te sluiten en zojuist de eerste douche genomen. Wat mij betreft kan het gaskraantje dicht :-).
Nog wel een vraagje: ik heb een setpoint voor DHW van 52 graden, maar de tank haalt dit niet, die wordt zo'n 46 graden. Ik zie wel dat de compressor afslaat als de uitlaat temperatuur van de warmtepomp 58 graden en de inlaat 52 graden is. Kijkt het setpoint naar de inlaat in plaats van de tank temperatuur?
Zijn er nog methodes om de tank iets hoger in temperatuur te krijgen?
Daaropvolgend:denneappel schreef op dinsdag 27 juni 2023 @ 10:16:
[...]
En dan nog een hoog COP behalen. Die mensen weten echt precies wat ze doen he?
Ik vraag me vooral af wat ze doen als het omgekeerd is. Als het buffervat de reden is voor het hoge verbruik.Wanneer u toch besluit om geen buffervat te installeren en naderhand klachten heeft over het hoge energieverbruik en om een servicebezoek vraagt moet u er rekening mee houden dat de kosten van dat bezoek volledig aan u zullen worden doorberekend wanneer blijkt dat het ontbreken van dat buffervat bijdraagt aan het hoge verbruik.
Wie gaat dit even met een energetische berekening doorprikken? Bijv. hoe warm moet dat buffervat dan wel niet zijn als je er tenminste 8 uur mee wil kunnen overbruggen bij een thermische vraag van zeg 5kW.
[ Voor 13% gewijzigd door CurlyMo op 27-06-2023 10:40 ]
Sinds de 2 dagen regel reageer ik hier niet meer
Nooit te beroerd voor:CurlyMo schreef op dinsdag 27 juni 2023 @ 10:37:
[...]
Wie gaat dit even met een energetische berekening doorprikken? Bijv. hoe warm moet dat buffervat dan wel niet zijn als je er tenminste 8 uur mee wil kunnen overbruggen bij een thermische vraag van zeg 5kW.
5 kW *8 uur = 40 kWh = 144 MJ
Soortelijke warmte water is 4.2 kJ/kg.K
Bij een dT van 10 graden afkoeling van de buffer gedurende de nacht, heb je een 3500 liter buffer nodig. Of een dT van 100 bij een vat van 350 liter.
Als je zo je systeem dimensioneert, heb je overigens ook een grotere WP nodig. Overdag moet deze nogal wat extra leveren.
Win-win voor de verkoper dus.
Hier delen ze overigens het liever-geen-buffervat standpunt: https://www.haustechnikdialog.de/Forum/30/Waermepumpen
Of zou de inlaat en uitlaat van het cv-water omgewisseld kunnen zijn? Normaal moet het water boven het vat in, en onder er weer uit. Precies tegengesteld aan de drinkwaterleidingen dus.Lollercopter schreef op dinsdag 27 juni 2023 @ 10:32:
[...]
Wat voor vat heb je, hoe groot is de spiraal waar het warme water door stroomt ? Dit klopt voor geen meter, je heb bijna een delta T van 16C tussen je spiraal en dat water in het vat. Het lijkt alsof de warmteoverdracht dus bar slecht is, en dan stopt de warmtepomp na X-minuten (is instelbaar) SWW run.
Deze link is naar het overzicht waar het topic zo te zien niet op staat. Misschien is een directe link naar het topic handiger?Thorsd schreef op dinsdag 27 juni 2023 @ 11:36:
[...]
Hier delen ze overigens het liever-geen-buffervat standpunt: https://www.haustechnikdialog.de/Forum/30/Waermepumpen
Ja, ik doelde meer op de algemene tendens. De concensus in de verschillende topics daar betreffende wel of geen buffervat lijkt overeen te komen met de meningen hier.Tranquility schreef op dinsdag 27 juni 2023 @ 14:56:
[...]
Deze link is naar het overzicht waar het topic zo te zien niet op staat. Misschien is een directe link naar het topic handiger?
500L buffer voor 50m2 vloerverwarming. Wie gaat die energierekening betalen?ConQuestador schreef op dinsdag 27 juni 2023 @ 09:04:
Toch grappig: Het moment dat ik besluit echt te gaan beginnen met voorbereiden, krijg ik een mail dat mijn warmtepomp geleverd gaat worden.
Toch grappig om in de mail van groene-energiewinkel hun stelling over buffervaten te lezen:
[...]
Het is dat ik hier op tweakers al oneindig vaak gelezen heb dat een buffervat niet nodig is als je 200m2 vloerverwarming hebt, maar anders zou je toch gaan twijfelen met zo'n tekst
#team_UTC+1
An investment in knowledge always pays the best interest - Benjamin Franklin
You can call me McOverloper Mini '12 i7/16/256 Air '13 i5/8/256 iPad mini 5 64GB iPhone SE 128GB
Ja dat... Of 1000 liter voor 100m2. Waar laat je het dingEthirty schreef op dinsdag 27 juni 2023 @ 15:38:
[...]
500L buffer voor 50m2 vloerverwarming. Wie gaat die energierekening betalen?
uitgaande van hoh 10, is dat 500 meter leiding.Tranquility schreef op dinsdag 27 juni 2023 @ 15:52:
Volgens mij is 50m2 vloerverwarming al een buffer op zich. Hoeveel liter zou dat ongeveer zijn?
Met een binnendiameter van 14mm, is dat 77 liter
bron
[ Voor 16% gewijzigd door ConQuestador op 27-06-2023 15:58 ]
Panasonic 12J T-CAP | Atlantic Explorer 270L | 4 x MHI SRK24ZS-WF + SRF35ZS-W | 12.000 Wp Enphase | Home Assistant, Heishamon, Mhi-ctrl | Alfa Romeo Giulia Veloce
Mijn fundering is niet zwaar genoeg voor een vat van 1600L denk ikMikeyMan schreef op dinsdag 27 juni 2023 @ 15:40:
[...]
Ja dat... Of 1000 liter voor 100m2. Waar laat je het ding
Maar mijn installateur staat erop dat die 50L buffer noodzakelijk is (op ~250L systeem inhoud). Dan ben ik allang blij dat hij het bij 50L houdt
#team_UTC+1
An investment in knowledge always pays the best interest - Benjamin Franklin
You can call me McOverloper Mini '12 i7/16/256 Air '13 i5/8/256 iPad mini 5 64GB iPhone SE 128GB
Een Panasonic 300 liter vat. Overigens is de delta T zo’n 12 graden. Ik denk dat ik de oorzaak al gevonden heb, de temperatuursensor zit vrij laag bij dit Panasonic vat.Lollercopter schreef op dinsdag 27 juni 2023 @ 10:32:
Volgens mij kunnen ze bij de groene energie winkel beter de crackpijp maar laten staan.
[...]
Wat voor vat heb je, hoe groot is de spiraal waar het warme water door stroomt ? Dit klopt voor geen meter, je heb bijna een delta T van 16C tussen je spiraal en dat water in het vat. Het lijkt alsof de warmteoverdracht dus bar slecht is, en dan stopt de warmtepomp na X-minuten (is instelbaar) SWW run.
De run van vandaag komt de temperatuur wel iets hoger, maar de warmtepomp gaat staan pendelen om de laatste graadjes erin te krijgen. Ik heb het setpoint al wat lager staan om dit te voorkomen, maar heb toch vier compressorstarts voor 1 DHW-run.
4850Wp West, 4050Wp Oost, 9kW J-series Pana geïnstalleerd juni 2023
Warm gaat boven de spiraal in en koud beneden uit.marcop23 schreef op dinsdag 27 juni 2023 @ 12:19:
[...]
Of zou de inlaat en uitlaat van het cv-water omgewisseld kunnen zijn? Normaal moet het water boven het vat in, en onder er weer uit. Precies tegengesteld aan de drinkwaterleidingen dus.
4850Wp West, 4050Wp Oost, 9kW J-series Pana geïnstalleerd juni 2023
Tja, en dan ook dit nog :Ethirty schreef op dinsdag 27 juni 2023 @ 15:38:
[...]
500L buffer voor 50m2 vloerverwarming. Wie gaat die energierekening betalen?
Bij grotere buffervaten is het vaak ook mogelijk om een extra elektrisch verwarmingselement te plaatsen. In principe is dat natuurlijk niet nodig want in de warmtepomp zelf zit er ook al een maar bij een storing in de warmtepomp heeft u zo in geval van nood toch nog wat verwarming in huis.
En dat allemaal voor:
Vraag me toch af hoe groen die winkel isWanneer u toch besluit om geen buffervat te installeren en naderhand klachten heeft over het hoge energieverbruik en om een servicebezoek vraagt moet u er rekening mee houden dat de kosten van dat bezoek volledig aan u zullen worden doorberekend wanneer blijkt dat het ontbreken van dat buffervat bijdraagt aan het hoge verbruik.
Gasloos sinds feb23, WP: Pana Mono 9j, WPB: Auer Air 200l, PV: 14x290 Wp
@ConQuestador Het gaat natuurlijk niet alleen om het water in die slang, maar ook om de vloer er omheen.Tranquility schreef op dinsdag 27 juni 2023 @ 15:52:
Volgens mij is 50m2 vloerverwarming al een buffer op zich. Hoeveel liter zou dat ongeveer zijn?
Een vloer van beton/zand-cement van 10cm dik en een oppervlakte van 50m2 heeft een inhoud van 5000L en weegt ongeveer 12000kg. Bij een soortelijke warmte van 850J/kgK is de warmte-inhoud dus 10,2MJ/K. Dat komt overeen met een volume aan water van 10,2E6/4,2E3 = 2430 Liter.
Waarbij natuurlijk wel geldt dat het "trage" warmte is. Warmte uit het cv-water (bv buffervat) kan je binnen een paar minuten uit het systeem trekken als je wil, maar warmte in/uit de vloer krijgen duurt uren.FransvWoerkom schreef op woensdag 28 juni 2023 @ 00:16:
[...]
@ConQuestador Het gaat natuurlijk niet alleen om het water in die slang, maar ook om de vloer er omheen.
Een vloer van beton/zand-cement van 10cm dik en een oppervlakte van 50m2 heeft een inhoud van 5000L en weegt ongeveer 12000kg. Bij een soortelijke warmte van 850J/kgK is de warmte-inhoud dus 10,2MJ/K. Dat komt overeen met een volume aan water van 10,2E6/4,2E3 = 2430 Liter.
Maar je punt blijft wel staan hoor, beton voegt een hoop buffer toe.
[ Voor 4% gewijzigd door John lamers op 28-06-2023 19:38 ]
Even een vraag, dit is nogal lastig te achterhalen in de documentatie.
Bij Daikin split wp, al dan niet met ingebouwde of losse sww tank, is het euvel dat de BUH aan gaat als het buiten warmer is dan 25 graden en de sww tank boven de 45 graden moet worden opgewarmd.
Uitermate vervelend en belangelijk (ronduit kl*ote vind ik dan persoonlijk), lijkt op een software issue/limiet/fout. Of Daikin het wil/gaat fixen is niet bekend.
Ergens gelezen dat dit vanwege technische beperking was. Kan mij niet indenken...
Iemand ervaring hiermee met andere merken dan Daikin? Is dit vaker zo?
Logisch is dat de BUH cop1 is en je dit kosten wat kost wilt vermijden. Ofja, voor cop1 koop ik geen wp...
[ Voor 9% gewijzigd door PCJR op 28-06-2023 09:19 ]
|| Solar 7.4kwp oostwest + 850wp zuid + Deye 12K-SG04LP3-EU + 50kWh LiFePo4 || EHVX08S23EJ9W + ERGA06EAV3H ||
Net even voor je gekeken, en de Pana 9J hier loopt bij Tb van 30C gewoon door op de compressor met een Ta van 58C voor de SWW run met een COP van ~3.75.PCJR schreef op woensdag 28 juni 2023 @ 09:17:
Mensen,
Even een vraag, dit is nogal lastig te achterhalen in de documentatie.
Bij Daikin split wp, al dan niet met ingebouwde of losse sww tank, is het euvel dat de BUH aan gaat als het buiten warmer is dan 25 graden en de sww tank boven de 45 graden moet worden opgewarmd.
Uitermate vervelend en belangelijk (ronduit kl*ote vind ik dan persoonlijk), lijkt op een software issue/limiet/fout. Of Daikin het wil/gaat fixen is niet bekend.
Ergens gelezen dat dit vanwege technische beperking was. Kan mij niet indenken...
Iemand ervaring hiermee met andere merken dan Daikin? Is dit vaker zo?
Logisch is dat de BUH cop1 is en je dit kosten wat kost wilt vermijden. Ofja, voor cop1 koop ik geen wp...
:strip_exif()/f/image/MOozsgjwZHnBQDciPfXTqZr5.jpg?f=fotoalbum_large)
kan het kwaad voor de warmtepomp als deze niet meer rechtop staat? ik weet het antwoord denk ik wel maar wilde het even navragen.
[ Voor 5% gewijzigd door Fr33z op 28-06-2023 17:34 ]
Dat is zeker niet de bedoeling! Vermelden op de vrachtbrief en op schade controleren. Hoort rechtop op een pallet te staan waardoor de palletwagen hem kan verplaatsen zonder schade. Volgens mij omgevallen??Fr33z schreef op woensdag 28 juni 2023 @ 17:29:
vraagje qua vervoer van de wp. ik kreeg dit plaatje [Afbeelding]
kan het kwaad voor de warmtepomp als deze niet meer rechtop staat? ik weet het antwoord denk ik wel maar wilde het even navragen.
[ Voor 8% gewijzigd door Carboy54 op 28-06-2023 17:37 ]
Weheat Sparrow + WH-MDC09J3E5 + ITHO AMBER 9.5. 26x245 WP Panelen. WP boiler 200L EV I3. Adviseur Warmtepomponline..
Panasonic problemen met leveringen in Europa
Weheat Sparrow + WH-MDC09J3E5 + ITHO AMBER 9.5. 26x245 WP Panelen. WP boiler 200L EV I3. Adviseur Warmtepomponline..
Als hij omgevallen is weigeren. Hoort niet en mag niet. En er kan en mag ook geen palletwagen onder de zijkant geplaatst worden. Transporteur is hiervoor nu verantwoordelijk. Waar vandaan??Fr33z schreef op woensdag 28 juni 2023 @ 17:37:
sure, maar op externe schade na, kan er intern iets niet goed meer zijn? ik kan de machine namelijk rustig een week rechtop zetten zodat de olie weer netjes naar de goede plek loopt enzo.
[ Voor 8% gewijzigd door Carboy54 op 28-06-2023 18:01 ]
Weheat Sparrow + WH-MDC09J3E5 + ITHO AMBER 9.5. 26x245 WP Panelen. WP boiler 200L EV I3. Adviseur Warmtepomponline..
Retour afzender dus.
Sinds de 2 dagen regel reageer ik hier niet meer
Ik heb net een legionellarun getriggerd om eens te kijken wat er gebeurt. De compressor is nu 5 keer gestart, temperatuur in de tank is 51 graden, externe heater staat al 75 minuten aan en de pomp blijft draaien. Ik heb et idee dat ik de warmte van de heater in de tank een beetje naar buiten aan het transporteren ben zo...Wouter2403 schreef op dinsdag 27 juni 2023 @ 22:58:
[...]
Een Panasonic 300 liter vat. Overigens is de delta T zo’n 12 graden. Ik denk dat ik de oorzaak al gevonden heb, de temperatuursensor zit vrij laag bij dit Panasonic vat.
De run van vandaag komt de temperatuur wel iets hoger, maar de warmtepomp gaat staan pendelen om de laatste graadjes erin te krijgen. Ik heb het setpoint al wat lager staan om dit te voorkomen, maar heb toch vier compressorstarts voor 1 DHW-run.
Hoe lang duurt een legionellarun van een 300 liter vat normaliter? Het verwarmingselement is 1,5kW.
[ Voor 16% gewijzigd door Wouter2403 op 28-06-2023 22:05 ]
4850Wp West, 4050Wp Oost, 9kW J-series Pana geïnstalleerd juni 2023
als je de heater van de tank zelf gebruikt zou de pomp moeten stoppen of in elk geval verder moeten gaan met de verwarming.Wouter2403 schreef op woensdag 28 juni 2023 @ 21:58:
[...]
Ik heb net een legionellarun getriggerd om eens te kijken wat er gebeurt. De compressor is nu 5 keer gestart, temperatuur in de tank is 51 graden, externe heater staat al 75 minuten aan en de pomp blijft draaien. Ik heb et idee dat ik de warmte van de heater in de tank een beetje naar buiten aan het transporteren ben zo...
Hoe lang duurt een legionellarun van een 300 liter vat normaliter? Het verwarmingselement is 1,5kW.
[Afbeelding]
wat een geheim agent toch allemaal niet moet doen om incognito op zijn werk te verschijnen
Ik heb de Pana even open geschroefd en de kWh meter bekeken voor het verwarmingselement, die staat nog op 0kWhflippy schreef op woensdag 28 juni 2023 @ 22:17:
[...]
als je de heater van de tank zelf gebruikt zou de pomp moeten stoppen of in elk geval verder moeten gaan met de verwarming.
4850Wp West, 4050Wp Oost, 9kW J-series Pana geïnstalleerd juni 2023
kijk ook naar de thermostaat die op het element zit, die kan nog wel eens te laag staan.Wouter2403 schreef op woensdag 28 juni 2023 @ 22:24:
[...]
Ik heb de Pana even open geschroefd en de kWh meter bekeken voor het verwarmingselement, die staat nog op 0kWh. Ik ga van de week eens storing zoeken in dat circuit.
vind het zorgwekkender dat de machine steeds afslaat omdat die zijn warmte niet kwijtkan door te weinig flow....
[ Voor 13% gewijzigd door flippy op 28-06-2023 22:33 ]
wat een geheim agent toch allemaal niet moet doen om incognito op zijn werk te verschijnen
Bedankt voor die tip, ga ik bekijken.flippy schreef op woensdag 28 juni 2023 @ 22:31:
[...]
kijk ook naar de thermostaat die op het element zit, die kan nog wel eens te laag staan.
vind het zorgwekkender dat de machine steeds afslaat omdat die zijn warmte niet kwijtkan door te weinig flow....
Vwb de flow, die is 26l/min, dat zou voldoende zijn denk ik?
Uitgaande temp van de Pana is 57 en tank is 51, dT is dan vrij laag waardoor ie z’n vermogen niet kwijt kan wellicht?
De spiraal zit ook hoger dan de temperatuursensor. Panasonic heeft die sensor ook wel erg laag in het vat gepositioneerd vind ik. Die zit op dezelfde hoogte als het verwarmingselement:
[ Voor 27% gewijzigd door Wouter2403 op 28-06-2023 23:34 ]
4850Wp West, 4050Wp Oost, 9kW J-series Pana geïnstalleerd juni 2023
de dT terug de panasonic in is vrij hoog dus je hebt nog marge met meer flow.Wouter2403 schreef op woensdag 28 juni 2023 @ 23:26:
[...]
Bedankt voor die tip, ga ik bekijken.
Vwb de flow, die is 26l/min, dat zou voldoende zijn denk ik?
Uitgaande temp van de Pana is 57 en tank is 51, dT is dan vrij laag waardoor ie z’n vermogen niet kwijt kan wellicht?
wat een geheim agent toch allemaal niet moet doen om incognito op zijn werk te verschijnen
Het is me uit je grafiek niet duidelijk wat en hoe je meet. Zijn deze temperaturen via een heishamon uit de warmtepomp zelf afkomstig? En kloppen die metingen met wat je in het display van de remote ziet?Wouter2403 schreef op woensdag 28 juni 2023 @ 21:58:
[...]
Ik heb net een legionellarun getriggerd om eens te kijken wat er gebeurt. De compressor is nu 5 keer gestart, temperatuur in de tank is 51 graden, externe heater staat al 75 minuten aan en de pomp blijft draaien. Ik heb et idee dat ik de warmte van de heater in de tank een beetje naar buiten aan het transporteren ben zo...
Hoe lang duurt een legionellarun van een 300 liter vat normaliter? Het verwarmingselement is 1,5kW.
[Afbeelding]
Je zegt dat je een legionella-run triggert. Hoe doe je dat? Het lijkt of hij alleen met de warmtepomp de tank opwarmt tot 52°.
Opvallend is het grote verschil tussen tank- en retourtemperatuur. Het lijkt of het retourwater ergens anders vandaan komt dan uit de spiraal in de tank. Zit de driewegklep wel goed gemonteerd of gaat er ook water door het ruimteverwarmingscircuit?
Heb je gekeken naar flow van de circulatiepomp en in- en uitgaande vermogens van de warmtepomp? Mijn MXC12H warmt de 300L tank in 40 minuten op van 45 tot 53° met 9kW maximaal.
Hierbij de opwarming in twee stappen van 45 naar 53 en van 53 naar 65° van de 300L tank met sensor in het midden. Het stookelement in de tank is 4,5kW en zit onderin.
Ik zal eens kijken of ik er meer flow doorheen krijg. Maar de kabouters komen hier op uit.flippy schreef op woensdag 28 juni 2023 @ 23:59:
[...]
de dT terug de panasonic in is vrij hoog dus je hebt nog marge met meer flow.
4850Wp West, 4050Wp Oost, 9kW J-series Pana geïnstalleerd juni 2023
De temperaturen zijn inderdaad uit de Heishamon afkomstig en hetzelfde als in de remote.FransvWoerkom schreef op donderdag 29 juni 2023 @ 00:55:
[...]
Het is me uit je grafiek niet duidelijk wat en hoe je meet. Zijn deze temperaturen via een heishamon uit de warmtepomp zelf afkomstig? En kloppen die metingen met wat je in het display van de remote ziet?
Je zegt dat je een legionella-run triggert. Hoe doe je dat? Het lijkt of hij alleen met de warmtepomp de tank opwarmt tot 52°.
Opvallend is het grote verschil tussen tank- en retourtemperatuur. Het lijkt of het retourwater ergens anders vandaan komt dan uit de spiraal in de tank. Zit de driewegklep wel goed gemonteerd of gaat er ook water door het ruimteverwarmingscircuit?
Heb je gekeken naar flow van de circulatiepomp en in- en uitgaande vermogens van de warmtepomp? Mijn MXC12H warmt de 300L tank in 40 minuten op van 45 tot 53° met 9kW maximaal.
Hierbij de opwarming in twee stappen van 45 naar 53 en van 53 naar 65° van de 300L tank met sensor in het midden. Het stookelement in de tank is 4,5kW en zit onderin.
[Afbeelding]
Met de Heishamon trigger ik ook de legionellarun en zie ik dat de status Sterilization_State verandert naar 1. Het verwarmingselement wordt ook ingeschakeld, maar verbruikt dus geen kilowatturen.
De driewegklep ga ik ook nog eens controleren, goede suggestie.
Vwb de flow en vermogens, de warmtepomp trekt wel behoorlijk vermogen, het element in de tank dus niet. De flow is zo’n 26l/min maximaal.
4850Wp West, 4050Wp Oost, 9kW J-series Pana geïnstalleerd juni 2023
27 l/m is ook de flow die ik zie bij SWW run, ook 9J. Sterilisatie met interne heater van 300 l vat van 53 naar 60 duurt hier ongeveer een uur (3.5kWh). Sensor zit op 1/3 van beneden.Wouter2403 schreef op donderdag 29 juni 2023 @ 06:53:
[...]
Ik zal eens kijken of ik er meer flow doorheen krijg. Maar de kabouters komen hier op uit.
Zitten de aansluitingen op de spiraal goed om? Warm/aanvoer boven, koud/retour beneden.
[ Voor 15% gewijzigd door Thorsd op 29-06-2023 07:30 ]
Ah, sensor zit ongeveer zelfde hoogte en flow is gelijk. 53 graden zou ik wellicht ook met veel pijn en moeite halen. Bij de Panasonic tank zit de sensor eigenlijk tegen de buitenkant van de tank. Steekt bij jou de sensor in de tank?Thorsd schreef op donderdag 29 juni 2023 @ 07:27:
[...]
27 l/m is ook de flow die ik zie bij SWW run, ook 9J. Sterilisatie met interne heater van 300 l vat van 53 naar 60 duurt hier ongeveer een uur (3.5kWh). Sensor zit op 1/3 van beneden.
Zitten de aansluitingen op de spiraal goed om? Warm/aanvoer boven, koud/retour beneden.
4850Wp West, 4050Wp Oost, 9kW J-series Pana geïnstalleerd juni 2023
Er zit een dompelbuisje in de isolatie, maar volgensmij zit die ook gewoon aan de buitenkant tegen het vat.Wouter2403 schreef op donderdag 29 juni 2023 @ 07:56:
[...]
Ah, sensor zit ongeveer zelfde hoogte en flow is gelijk. 53 graden zou ik wellicht ook met veel pijn en moeite halen. Bij de Panasonic tank zit de sensor eigenlijk tegen de buitenkant van de tank. Steekt bij jou de sensor in de tank?
Normaal warm ik op tot 48, dan is het bovenin 50+.
Wel is de wisselaar oppervlakte bij mij (oeg) wat groter. Totaal 3.6 m2, tegen 1.8 voor de Panasonic. Maar ik zou verwachten dat dat ook genoeg moet zijn.
Wellicht iemand met eenzelfde vat/WP combi?
Panasonic J 7kW WP, boiler & HeishaMon, 6022 Wp PV, Enphase+ST GW, SOLAX SK-SU3000E 13kWh BESS, ITHO Qualityflow WTW, Elvi Smart Charging+ laadpunt, Kia EV6 84kWh EA MY25, gasloos '23
Dit zou kunnen suggereren dat de wisselaar van het Pana vat zo gedimensioneerd is dat deze verwacht dat de heater ook gebruikt wordt om het laatste stukje tot 53 te halen (?). Misschien eerst kijken wat er gebeurd als je de externe heater gebruikt.
Kun je toevallig het verbruik uitlezen? Ik heb hier ook een 1,5 kWh extern element maar bij gebruik zit ie rond de 3000 watt (waar ik 1500 watt zou verwachten)blb4 schreef op donderdag 29 juni 2023 @ 14:58:
Ik heb 't 200l exemplaar (PAW-TD20C1E5) en herken dit gedrag niet. Bij mij zet de WP de aanvoertemperatuur bij DHW run op 57 graden en als die temperatuur eenmaal bereikt is neemt 't externe element van 1,5 kWh in de tank 't over tot de ingestelde 63 graden bereikt is. Vanaf 45 graden naar 63 graden duurde bij mij gisteren 75 minuten waarbij de compressor niet boven de 35 Hz uitkomt.
Keurig 1,5 kW:buzzlightyear schreef op donderdag 29 juni 2023 @ 17:34:
[...]
Kun je toevallig het verbruik uitlezen? Ik heb hier ook een 1,5 kWh extern element maar bij gebruik zit ie rond de 3000 watt (waar ik 1500 watt zou verwachten)
[ Voor 13% gewijzigd door blb4 op 29-06-2023 17:47 ]
Panasonic J 7kW WP, boiler & HeishaMon, 6022 Wp PV, Enphase+ST GW, SOLAX SK-SU3000E 13kWh BESS, ITHO Qualityflow WTW, Elvi Smart Charging+ laadpunt, Kia EV6 84kWh EA MY25, gasloos '23
Iemand enig idee waar dit door veroorzaakt kan worden?
hoe meet je het vermogen?buzzlightyear schreef op donderdag 29 juni 2023 @ 18:40:
Dank u. Begrijp er niets van waarom hier dan 3.000 watt wordt verbruikt. Op het moment dat het externe element aan gaat is de warmtepomp uit en zie ik geen verbruik wat kan duiden op bijv. het meedraaien van het interne element.
Iemand enig idee waar dit door veroorzaakt kan worden?
wat een geheim agent toch allemaal niet moet doen om incognito op zijn werk te verschijnen
Terechte vraagFransvWoerkom schreef op donderdag 29 juni 2023 @ 17:09:
@Wouter2403 Ik durf het bijna niet te vragen, maar het draadbrugje op CN6-1,2 zit er toch wel op?
Goed, net maar eens gaan meten met de multimeter. Spanning op de alamat in de warmtepomp, check. Spanning op de printplaat naar het verwarmingselement, check. Spanning op de aansluiting van het verwarmingselement, check. Loopt de KWh-meter van het verwarmingselement op, nee!
Ik heb de instelling verandert naar interne heater, nu loopt de KWh-meter wel op.
Het lijkt er dus op dat het verwarmingselement in de tank kapot is. Als de legionellarun (die toch wel een keer nodig is na een weekje) klaar is, dan ga ik de weerstand op het element eens meten.
Overigens, de leiding richting het verwarmingscircuit wordt minimaal warm, maar dat is een beetje een eigenschap van de gebruikte driewegklep denk ik.
[ Voor 8% gewijzigd door Wouter2403 op 29-06-2023 19:54 ]
4850Wp West, 4050Wp Oost, 9kW J-series Pana geïnstalleerd juni 2023
Je weet zeker dat je het tankelement gebruikt? Ik heb net overgeschakeld naar ‘intern’ (in de warmtepomp dus) en die verbruikt 3kW.buzzlightyear schreef op donderdag 29 juni 2023 @ 18:52:
Er zit een geijkte kWh meter tussen
4850Wp West, 4050Wp Oost, 9kW J-series Pana geïnstalleerd juni 2023
dan zou ik eerst eens kijken of je wel hebt ingesteld dat je het externe element moet gebruiken. de panasonic tanks zijn 1.5kw en de interne backup heater in de pana zelf is 3kw.buzzlightyear schreef op donderdag 29 juni 2023 @ 18:52:
Er zit een geijkte kWh meter tussen
wat een geheim agent toch allemaal niet moet doen om incognito op zijn werk te verschijnen
Het verbruik van backup heater en tank heater wordt niet gemeten, maar door de software verondersteld. Hij neemt aan dat het 3kW per element is (en voor de grotere 3-fase wp's 3, 6 of 9kW). Mijn tankheater is 4,5kW 3-fase en wordt gestuurd door een relais op de tank heater aansluiting. Dat relais heeft een verbruik van 5W en wordt als 3kW gerekend.buzzlightyear schreef op donderdag 29 juni 2023 @ 18:40:
Dank u. Begrijp er niets van waarom hier dan 3.000 watt wordt verbruikt. Op het moment dat het externe element aan gaat is de warmtepomp uit en zie ik geen verbruik wat kan duiden op bijv. het meedraaien van het interne element.
Iemand enig idee waar dit door veroorzaakt kan worden?
Ik heb gezocht naar die paw-td30c1e5 tank en ik vind verschillende foto's en tekeningen. Op sommige lijkt in die aansluitdoos in het midden ook een droogkookbeveiliging/thermostaat te zitten. Staat die niet uit? Ik neem aan dat die doos open kan om hem aan te sluiten.Wouter2403 schreef op donderdag 29 juni 2023 @ 19:52:
[...]
Terechte vraag. Maar die zit erin inderdaad.
Goed, net maar eens gaan meten met de multimeter. Spanning op de alamat in de warmtepomp, check. Spanning op de printplaat naar het verwarmingselement, check. Spanning op de aansluiting van het verwarmingselement, check. Loopt de KWh-meter van het verwarmingselement op, nee!
Ik heb de instelling verandert naar interne heater, nu loopt de KWh-meter wel op.
Het lijkt er dus op dat het verwarmingselement in de tank kapot is. Als de legionellarun (die toch wel een keer nodig is na een weekje) klaar is, dan ga ik de weerstand op het element eens meten.
Overigens, de leiding richting het verwarmingscircuit wordt minimaal warm, maar dat is een beetje een eigenschap van de gebruikte driewegklep denk ik.
Ga ik dan nogmaals controleren, dank.flippy schreef op donderdag 29 juni 2023 @ 20:11:
[...]
dan zou ik eerst eens kijken of je wel hebt ingesteld dat je het externe element moet gebruiken. de panasonic tanks zijn 1.5kw en de interne backup heater in de pana zelf is 3kw.
Ter verifiëring:
External = element in SWW vat toch?
Internal = element in warmtepomp?
Dat kloptbuzzlightyear schreef op vrijdag 30 juni 2023 @ 07:53:
[...]
Ga ik dan nogmaals controleren, dank.
Ter verifiëring:
External = element in SWW vat toch?
Internal = element in warmtepomp?
Gasloos, Panasonic mono 7J; 11 x Jinko 420 Wp op ZZW + 12 x Jinko 420Wp NNO op Solis 8k; E-max lithium 45km/u scooter ; Douche wtw; waterontharder
Dat klopt inderdaad, als ik er aan draai dan hoor ik die ook klikken. Nu heb ik die helemaal naar rechts gedraaid in de veronderstelling dat dat maximaal is. Ik zit nu op de foto te kijken, dit blijkt verkeerdomFransvWoerkom schreef op donderdag 29 juni 2023 @ 23:54:
[...]
Ik heb gezocht naar die paw-td30c1e5 tank en ik vind verschillende foto's en tekeningen. Op sommige lijkt in die aansluitdoos in het midden ook een droogkookbeveiliging/thermostaat te zitten. Staat die niet uit? Ik neem aan dat die doos open kan om hem aan te sluiten.
4850Wp West, 4050Wp Oost, 9kW J-series Pana geïnstalleerd juni 2023
Als je dan meteen een ohmmeter over de aansluiting zet, dan zie je of het helpt. Zoals je het had, was het oneindig/open; zoals het hoort is het 35 ohm.Wouter2403 schreef op vrijdag 30 juni 2023 @ 13:19:
[...]
Dat klopt inderdaad, als ik er aan draai dan hoor ik die ook klikken. Nu heb ik die helemaal naar rechts gedraaid in de veronderstelling dat dat maximaal is. Ik zit nu op de foto te kijken, dit blijkt verkeerdom. Ik ga er morgen nog eens een slinger aan geven.
Ik heb het element al doorgemeten toen (thermostaat kan eraf), die was goed. Laatste verdachte was dus de thermostaat en dat was inderdaad de oorzaak. Zojuist de thermostaat naar links gedraaid en legionellarun gestart: 1500 watt verbruik op de meter.FransvWoerkom schreef op vrijdag 30 juni 2023 @ 22:40:
[...]
Als je dan meteen een ohmmeter over de aansluiting zet, dan zie je of het helpt. Zoals je het had, was het oneindig/open; zoals het hoort is het 35 ohm.
Allen bedankt voor de hulp zover
4850Wp West, 4050Wp Oost, 9kW J-series Pana geïnstalleerd juni 2023
Mijn eerste gedachte was: Wat een rare plek voor de kogelkranen.Herw76 schreef op zaterdag 1 juli 2023 @ 14:29:
Zo vanmorgen weer even onder de vloer aan het klussen geweest .
Hier het resultaat.
[Afbeelding]
[Afbeelding]
[Afbeelding]
[Afbeelding]
Wie gaat onder de vloer kruipen om ze open en dicht te doen
Gewoon extra kranen als er wat met de warmtepomp is .nokiaan958GB schreef op zaterdag 1 juli 2023 @ 22:25:
[...]
Mijn eerste gedachte was: Wat een rare plek voor de kogelkranen.
Wie gaat onder de vloer kruipen om ze open en dicht te doen![]()
Of in de winter lange tijd stroomuitval .
Kan ik ze dicht zetten en de aftappers open zetten .
Ik heb hetzelfde gedaan, leidingen vanaf de warmtepomp komen door de fundering naar binnen dus daar is het laagste bereikbare punt. Ik ga ze hopelijk nooit gebruiken, maar als het zover komt ben ik er blij mee denk ikHerw76 schreef op zaterdag 1 juli 2023 @ 23:43:
[...]
Gewoon extra kranen als er wat met de warmtepomp is .
Of in de winter lange tijd stroomuitval .
Kan ik ze dicht zetten en de aftappers open zetten .
4850Wp West, 4050Wp Oost, 9kW J-series Pana geïnstalleerd juni 2023
Nu de boel weer even op druk brengen en ontluchtingsprogramma draaien.
[ Voor 5% gewijzigd door Beekforel op 05-07-2023 14:50 ]
Welke maat Armaflex moet ik dan hebben, want ik snap niet zo goed hoe dat zit met hun maten.
eerst 2 letter zijn type (dus AF en XG bijvoorbeeld). dan krijg je de dikte van de isolatie en vervolgens de binnendiameter.Rzaan schreef op woensdag 5 juli 2023 @ 17:01:
Ik ben bezig met Armaflex te kopen ter isolatie van mijn meerlaagsbuis 32 x 3.
Welke maat Armaflex moet ik dan hebben, want ik snap niet zo goed hoe dat zit met hun maten.
dan heb je nog wat letters voor de variant. dus met plakrand, zonder of dicht of rol of plaat.
https://local.armacell.co...Flex_XG_EN_26.06.2023.pdf
[ Voor 21% gewijzigd door flippy op 05-07-2023 19:00 ]
wat een geheim agent toch allemaal niet moet doen om incognito op zijn werk te verschijnen
Die buis is nu 75 mm maar met een hoop gedoe kan ik misschien de openingen in de van aluminium plaatmateraal gemaakte 'schoorsteen' (zie foto hieronder) wat optrompen en er een iets ruimere buis in krijgen.
Maar welke isolatie gebruik ik daarvoor?
Het gaat om een klein stukje van minder dan een meter; om de diameter zo klein mogelijk te houden dacht ik aan zo'n stuk buisisolatie waar zowel de aanvoer als retour in gaan.
Hoe heet dat spul en welke diameter(s) heeft dat?
Of heeft iemand hier toevallig nog een heel klein reststukje liggen?
Ja, als de CV weg is komt er zowel een aanvoer- als retourkanaal beschikbaar, maar een van die twee is al voor de aircoleidingen van de split WPB gereserveerd.
.
XG-19X032 past er met 70mm buitendiameter net doorheen als voor 1 buis. op de plek waar het door de betonlaag gaat gewoon dichtpurren.ASW1 schreef op woensdag 5 juli 2023 @ 21:20:
Ik wil mijn pana op het platte dak zetten, en er moet dan 2x 32mm door een bestaand ventilatiekanaal (van de CV) gefrot worden.
Die buis is nu 75 mm maar met een hoop gedoe kan ik misschien de openingen in de van aluminium plaatmateraal gemaakte 'schoorsteen' (zie foto hieronder) wat optrompen en er een iets ruimere buis in krijgen.
Maar welke isolatie gebruik ik daarvoor?
Het gaat om een klein stukje van minder dan een meter; om de diameter zo klein mogelijk te houden dacht ik aan zo'n stuk buisisolatie waar zowel de aanvoer als retour in gaan.
Hoe heet dat spul en welke diameter(s) heeft dat?
Of heeft iemand hier toevallig nog een heel klein reststukje liggen?
Ja, als de CV weg is komt er zowel een aanvoer- als retourkanaal beschikbaar, maar een van die twee is al voor de aircoleidingen van de split WPB gereserveerd.
[Afbeelding].
al ou ik die hele schoorsteen van het dak af knikkeren en een reguliere aircodoorlaat monteren als dakdoorlaat.
voorbeeld: https://www.wasco.nl/artikel/99WS1011
[ Voor 7% gewijzigd door flippy op 05-07-2023 23:13 ]
wat een geheim agent toch allemaal niet moet doen om incognito op zijn werk te verschijnen
Vond de buizen Armaflex erg/te duur dus heb onderstaande methode gebruikt uit de Armaflex Montagehandboek en een grote rol Armaflex AF en pot bijbehorende lijm op Amazon gekocht (kwam van een duits isolatiebedrijf).Rzaan schreef op woensdag 5 juli 2023 @ 17:01:
Ik ben bezig met Armaflex te kopen ter isolatie van mijn meerlaagsbuis 32 x 3.
Welke maat Armaflex moet ik dan hebben, want ik snap niet zo goed hoe dat zit met hun maten.
/f/image/bHgLjd8qT3OBU9obM1GKtLUl.png?f=fotoalbum_large)
Hieronder wat huisvlijt hoe dat inpakken en lijmen in de praktijk gaat. Ik snap dat een professionelle Armaflex inpakker dit veel mooier kan, maar het werkte wel, en kreeg het goed dicht en daarna dus met PVC tape omzwachteld en de koppelingen apart gedaan.
/f/image/MWCRtQ5vdTQlRlotX1CMSs4k.png?f=fotoalbum_large)
Maar goed, 't is wat huisvlijt. Kant en klare buizen werkt natuurlijk wat sneller en makkelijker.
Het voordeel van zulke platen Armaflex is dat je ook alle koppelingen - die veel breder zijn - passend kunt inpakken.
Armaflex is erg zacht rubberachtig schuim, totaal niet te vergelijken met de harde buisisolatie uit je lokale bouwmarkt (en ong. 10x beter isolerend vlgs specs).
Gasloos sinds feb23, WP: Pana Mono 9j, WPB: Auer Air 200l, PV: 14x290 Wp
Die 19X32 is een enkele buis, ik moet een dubbele hebben, ook wel duobuis genaamd.flippy schreef op woensdag 5 juli 2023 @ 23:09:
[...]
XG-19X032 past er met 70mm buitendiameter net doorheen als voor 1 buis. op de plek waar het door de betonlaag gaat gewoon dichtpurren.
al ou ik die hele schoorsteen van het dak af knikkeren en een reguliere aircodoorlaat monteren als dakdoorlaat.
voorbeeld: https://www.wasco.nl/artikel/99WS1011
Ik zie dat microflex een type 32mm duobuis heeft met een buitendiameter van 125mm, ik zou eens moeten kijken of dat passend te maken is.
De kast op de foto hierboven is overigens een gecombineerde doorvoer geplaatst over een huidig gat van 25x50 cm in de betonplaat .
Daar zou doorheen moeten:
-rioolontluchting
-afvoer mechanische ventilatie
-geisoleerde aircoleidingen tbv split WPB
-2x 32mm buis geïsoleerd tbv pana mono
Denk niet dat dat allemaal gaat passen door zo'n aircodoorvoer. Ik hoop de bestaande kast op een of andere manier te modificeren maar dan moet ik dus eerst alle diameters op een rijtje hebben.
Ik had de hoop dat iemand hier misschien nog een reststukje overhad van zo'n soort duobuis.
Deze kun je wel verwijderen, maar dan moet je wel rekening houden met de mechanische afzuiging en rioolbeluchting.
Je kan hem ook gewoon netjes opbouwen en eventueel opnieuw in de verf zetten.
[ Voor 17% gewijzigd door DutchWing op 06-07-2023 10:47 ]
WP: Mitsubishi Ecodan PUHZ-SW75YAA + EHST20D-VM2D / PV: 2150Wp Z/O 132° en 2580Wp N/W 312° Ik wil een warmtepomp.nu
Dat is een plan ja, eerst demonteren en dan in de horizontaal liggende platen grotere gaten maken als dat zou passen. Dan weer in elkaar potnagelen.DutchWing schreef op donderdag 6 juli 2023 @ 10:46:
@ASW1
Je kan hem ook gewoon netjes opbouwen en eventueel opnieuw in de verf zetten.
Andere optie zou zijn de CV aan en afvoerbuis apart te gebruiken voor elk een geisoleerde 32mm buis.
Alleen is er dan geen plek meer voor de aircoleidingen van de split WPB.
Nou zou ik de buitenunit daarvan ipv op het platte dak ook op het terras kunnen zetten maar dat vind ik eigenlijk best zonde omdat er gewoon plek is op het platte dak, daar staat hij niet in de weg en geen last van geluid.
Dus ik wil er best wat werk en gepruts in steken om het passend te gaan maken.
Je schrijft dat je 25 x 50 cm ruimte door de betonplaat hebt. Waarom moet het dan allemaal persé door dat nauwe kokertje? En is je volgende vraag of je je warmtepomp op een tafeltje mag zetten omdat je buizen ongelukkig een halve meter boven het dak uitkomen?ASW1 schreef op donderdag 6 juli 2023 @ 11:03:
[...]
Dat is een plan ja, eerst demonteren en dan in de horizontaal liggende platen grotere gaten maken als dat zou passen. Dan weer in elkaar potnagelen.
Andere optie zou zijn de CV aan en afvoerbuis apart te gebruiken voor elk een geisoleerde 32mm buis.
Alleen is er dan geen plek meer voor de aircoleidingen van de split WPB.
Nou zou ik de buitenunit daarvan ipv op het platte dak ook op het terras kunnen zetten maar dat vind ik eigenlijk best zonde omdat er gewoon plek is op het platte dak, daar staat hij niet in de weg en geen last van geluid.
Dus ik wil er best wat werk en gepruts in steken om het passend te gaan maken.
Ik begrijp je vraag niet. Er is inderdaad een gat van 25x50 cm met een opstand, waarover die combischoorsteen of hoe je die zwarte kast ook wilt noemen geplaatst is.FransvWoerkom schreef op donderdag 6 juli 2023 @ 16:02:
[...]
Je schrijft dat je 25 x 50 cm ruimte door de betonplaat hebt. Waarom moet het dan allemaal persé door dat nauwe kokertje? En is je volgende vraag of je je warmtepomp op een tafeltje mag zetten omdat je buizen ongelukkig een halve meter boven het dak uitkomen?
De bedoeling van die kast is uiteraard de verschillende doorvoeren op een waterdichte manier te voorzien.
Het gaat in elk geval om 1x mechanische ventilatie, die moet blijven.
Ook 1x rioolontluchting, die moet blijven.
1x CV afvoer, die wordt hergebruikt voor de aircoleidingen van de WPB.
en 1x CV aanvoer, die wil ik proberen te vergroten tot 125mm als dat kan zodat het CV circuit erdoor kan.
Die komen dan met een bocht uit de zijkant van die zwarte schoorsteen ongeveer op dezelfde hoogte als de aansluitingen op de pana.
Je concrete advies of suggesties zijn welkom.
Weet je het zeker? Als je echt geen andere plek hebt, dan is het niet anders. Maar het lijkt op het dak van 1ste verdieping te zijn, best hoog. Het ding is groot en zwaar. Je hebt een bouwlift of kraan nodig om hem daar te krijgen, of misschien in twee etappes met een materiaallift. Dan heb je ook nog het geluid. Als het dak niet van beton is, heb je best veel lawaai binnen. Het is niet aan te raden boven een slaap of studeerkamer.ASW1 schreef op woensdag 5 juli 2023 @ 21:20:
Ik wil mijn pana op het platte dak zetten, en er moet dan 2x 32mm door een bestaand ventilatiekanaal (van de CV) gefrot worden.
Die buis is nu 75 mm maar met een hoop gedoe kan ik misschien de openingen in de van aluminium plaatmateraal gemaakte 'schoorsteen' (zie foto hieronder) wat optrompen en er een iets ruimere buis in krijgen.
Maar welke isolatie gebruik ik daarvoor?
Het gaat om een klein stukje van minder dan een meter; om de diameter zo klein mogelijk te houden dacht ik aan zo'n stuk buisisolatie waar zowel de aanvoer als retour in gaan.
Hoe heet dat spul en welke diameter(s) heeft dat?
Of heeft iemand hier toevallig nog een heel klein reststukje liggen?
Ja, als de CV weg is komt er zowel een aanvoer- als retourkanaal beschikbaar, maar een van die twee is al voor de aircoleidingen van de split WPB gereserveerd.
[Afbeelding].
Ik denk dat @FransvWoerkom bedoelt waarom je niet gewoon in het onderste gedeelte (dus vlak boven de dakbedekking) de ruimte maakt die je nodig hebt. Je bent niet gebonden om de pijpen die er doorheen lopen te gebruiken. Als je de boel er gewoon uitslijpt heb je alle ruimte en kom je op de juiste hoogte uit zodat de aansluiting ook niet weer naar beneden hoeft. Zoals het er op de foto uitziet kom je flink hoger uit dan de aansluiten van de Pana.
Dank voor je reaktie, hij staat al op het dak (2e verdieping) maar moet nog aangesloten worden.Thorsd schreef op vrijdag 7 juli 2023 @ 12:51:
[...]
Weet je het zeker? Als je echt geen andere plek hebt, dan is het niet anders. Maar het lijkt op het dak van 1ste verdieping te zijn, best hoog. Het ding is groot en zwaar. Je hebt een bouwlift of kraan nodig om hem daar te krijgen, of misschien in twee etappes met een materiaallift. Dan heb je ook nog het geluid. Als het dak niet van beton is, heb je best veel lawaai binnen. Het is niet aan te raden boven een slaap of studeerkamer.
En het dak is van beton ja dus qua geluid is het volgens mij juist prima om hem daar te hebben.
Ik zal de hele kast er eens afhalen ja en nog eens bestuderen wat de mogelijkheden zijn. Het is niet moeilijk om wat gaten in dat ding te maken en de boel door te voeren, maar wel om dat op een manier te doen waarbij de boel waterdicht blijft.Ik denk dat @FransvWoerkom bedoelt waarom je niet gewoon in het onderste gedeelte (dus vlak boven de dakbedekking) de ruimte maakt die je nodig hebt. Je bent niet gebonden om de pijpen die er doorheen lopen te gebruiken. Als je de boel er gewoon uitslijpt heb je alle ruimte en kom je op de juiste hoogte uit zodat de aansluiting ook niet weer naar beneden hoeft. Zoals het er op de foto uitziet kom je flink hoger uit dan de aansluiten van de Pana.
Om te zorgen dat er geen water de kast in loopt zullen de RVS slangen ook wat door moeten hangen zodat het water daar afdruipt realiseer ik me. Dan is het wellicht ook nodig om ontluchters bovenop het hoogste eind van de verticale pijpen te zetten?
Als het een klein stukje is, is dat niet direct nodig. De flow is hoog genoeg dat die bellen er wel uitgaan. Ik heb zelf zonder problemen een platdak doorvoer waar de leidingen ongeveer 20cm in omhoog lopen (160mm PVC, 1x 90 1x 45 graden).ASW1 schreef op vrijdag 7 juli 2023 @ 13:09:
[...]
Om te zorgen dat er geen water de kast in loopt zullen de RVS slangen ook wat door moeten hangen zodat het water daar afdruipt realiseer ik me. Dan is het wellicht ook nodig om ontluchters bovenop het hoogste eind van de verticale pijpen te zetten?
[ Voor 27% gewijzigd door Thorsd op 07-07-2023 13:28 ]
Welke dikte platen had je gekocht?dof schreef op woensdag 5 juli 2023 @ 23:55:
Vond de buizen Armaflex erg/te duur dus heb onderstaande methode gebruikt uit de Armaflex Montagehandboek en een grote rol Armaflex AF en pot bijbehorende lijm op Amazon gekocht (kwam van een duits isolatiebedrijf).
Deze van 19 mm.
En een ltr Armaflex 520 lijm
Kun je evt nog een keer een laag omheen doen, want met 6 mtr x 1 mtr kom je een heel eind.
Maar 1 laag leek mij wel voldoende.
Gasloos sinds feb23, WP: Pana Mono 9j, WPB: Auer Air 200l, PV: 14x290 Wp
Toen ik de eerste keer de koeling aanzette, ging het water naar een watertemperatuur van 12 graden, wat volgens mij veel te laag is aangezien je rond de 18 a 20 graden wil blijven ivm risico op condensatie. Kan iemand mij een richting geven hoe ik dit goed in kan stellen? Delta T retour-aanvoer staat op 5 graden, ik heb nog niet iets veranderd aan de stooklijn. Alvast hartelijk dank :-)
koelen heeft zijn eigen stooklijn. die kan je zien als je koelen vrij hebt geschakeld. met de cloud interface is het wel stuk makkelijker. je kan hem ook vastzetten op 1 temperatuur wat denk ik beter is voor je.acidd91 schreef op zaterdag 8 juli 2023 @ 09:55:
Ik heb al een tijdje een Panasonic warmtepomp (WH-ACD0309J3E5C icm WH-UD07EJ5), met de wens om de vloerkoeling ook te gebruiken. Hiervoor hadden we een aanpassing nodig op het Watts systeem (koelingsmodule), die geinstalleerd is door een installateur. Helaas had de installateur bar weinig verstand van instellingen op de warmtepomp zelf (terwijl hij dat wel zou moeten hebben), dus daar ben ik nu zelf een beetje mee aan het prutsen, maar ik kom er nog niet uit.
Toen ik de eerste keer de koeling aanzette, ging het water naar een watertemperatuur van 12 graden, wat volgens mij veel te laag is aangezien je rond de 18 a 20 graden wil blijven ivm risico op condensatie. Kan iemand mij een richting geven hoe ik dit goed in kan stellen? Delta T retour-aanvoer staat op 5 graden, ik heb nog niet iets veranderd aan de stooklijn. Alvast hartelijk dank :-)
[ Voor 3% gewijzigd door flippy op 08-07-2023 10:01 ]
wat een geheim agent toch allemaal niet moet doen om incognito op zijn werk te verschijnen
Blijkt dat de linker aardlekschakelaar in de WP er steeds uit vliegt. Ik hoor iets klikken en een seconde later vliegt ie er weer uit.
Ik zie nergens water of iets dergelijks. Wat zou de reden kunnen zijn?
Binnen zit ie met andere groepen ook op een aardlekschakelaar maar die staat gewoon aan.
De WP is met 12 meter 2,5mm2 installatiekabel rechtstreeks aangesloten in de meterkast.
Heb net de rechter uitgedaan en daarna de linker weer aan en de rechter waar aan, nu koelt ie alweer aan half uur.
[ Voor 37% gewijzigd door Aziona op 08-07-2023 19:58 ]
WP: WH-MDC05J3E5,WH-MDC07J3E5, WPB: Atlantic Explore v4, PV: Solaredge (6,8kW) en SMA (4,3kW), 2 x Heishamon OT v3.1, Rpi v5, Rpi v4, 2 x Rpi v3, ESP32, Domoticz, EV: Nissan Leaf, ESS: Deye 6K-SG03LP1, 2xLuyuan, 32kWh
In de cloud interface kan ik het volgens mij niet instellen (of ik zie het niet goed), hoe kan ik de stooklijn het beste instellen? Of zou je dan bijvoorbeeld standaard op 18 graden zetten?flippy schreef op zaterdag 8 juli 2023 @ 10:01:
[...]
koelen heeft zijn eigen stooklijn. die kan je zien als je koelen vrij hebt geschakeld. met de cloud interface is het wel stuk makkelijker. je kan hem ook vastzetten op 1 temperatuur wat denk ik beter is voor je.
Zitten er aan de hoofdprint een extra pomp of 2-weg of 3-wegklep aangesloten? Dan zou daar ook aardlek kunnen zijn. Binnen de behuizing van de wp zitten de paar dingen die niet galvanisch gescheiden zijn van het net in het linker compartiment, waar niet de hoofdprint zit. De compressor, ventilator en 4-wegklep. Condens is natuurlijk de eerste verdachte. Zit er extra isolatie in die nat kan worden? Gaat de aardlek er ook uit als je verwarmt?Aziona schreef op zaterdag 8 juli 2023 @ 19:29:
Vanochtend mijn MDC05J3E gevuld en aangesloten. Hij heeft netjes een aantal uren de vloer gekoeld en heb m daarna uitgezet met de bijgeleverde bekabelde remote. Wilde m zojuist weer aan doen maar merkte dat ie uit stond.
Blijkt dat de linker aardlekschakelaar in de WP er steeds uit vliegt. Ik hoor iets klikken en een seconde later vliegt ie er weer uit.
Ik zie nergens water of iets dergelijks. Wat zou de reden kunnen zijn?
Binnen zit ie met andere groepen ook op een aardlekschakelaar maar die staat gewoon aan.
De WP is met 12 meter 2,5mm2 installatiekabel rechtstreeks aangesloten in de meterkast.
Heb net de rechter uitgedaan en daarna de linker weer aan en de rechter waar aan, nu koelt ie alweer aan half uur.
Er zit niets anders op aangesloten, ook geen extra isolatie aangebracht. Condensprobleem lijkt mij ook waarschijnlijk maar waar?FransvWoerkom schreef op zondag 9 juli 2023 @ 01:15:
[...]
Zitten er aan de hoofdprint een extra pomp of 2-weg of 3-wegklep aangesloten? Dan zou daar ook aardlek kunnen zijn. Binnen de behuizing van de wp zitten de paar dingen die niet galvanisch gescheiden zijn van het net in het linker compartiment, waar niet de hoofdprint zit. De compressor, ventilator en 4-wegklep. Condens is natuurlijk de eerste verdachte. Zit er extra isolatie in die nat kan worden? Gaat de aardlek er ook uit als je verwarmt?
WP: WH-MDC05J3E5,WH-MDC07J3E5, WPB: Atlantic Explore v4, PV: Solaredge (6,8kW) en SMA (4,3kW), 2 x Heishamon OT v3.1, Rpi v5, Rpi v4, 2 x Rpi v3, ESP32, Domoticz, EV: Nissan Leaf, ESS: Deye 6K-SG03LP1, 2xLuyuan, 32kWh
je kan het gewoon instellen bij operation setup.acidd91 schreef op zaterdag 8 juli 2023 @ 21:34:
[...]
In de cloud interface kan ik het volgens mij niet instellen (of ik zie het niet goed), hoe kan ik de stooklijn het beste instellen? Of zou je dan bijvoorbeeld standaard op 18 graden zetten?
wat een geheim agent toch allemaal niet moet doen om incognito op zijn werk te verschijnen
Met welk aansluitschema en extra kranen kan ik hem zijn zin geven en straks zelf besluiten het vat uit te schakelen? Ik zie opties voor parallel en in serie?
#team_UTC+1
An investment in knowledge always pays the best interest - Benjamin Franklin
You can call me McOverloper Mini '12 i7/16/256 Air '13 i5/8/256 iPad mini 5 64GB iPhone SE 128GB
Ik neem aan dat hij voor een parallelbuffer wil gaan?Ethirty schreef op zondag 9 juli 2023 @ 18:32:
Mijn installateur wil straks per se de 50L buffer plaatsen, op iets van 250L systeem inhoud. We gaan misschien 2 kamers naregelen, maar de bulk staat altijd open.
Met welk aansluitschema en extra kranen kan ik hem zijn zin geven en straks zelf besluiten het vat uit te schakelen? Ik zie opties voor parallel en in serie?
Panasonic J 7kW WP, boiler & HeishaMon, 6022 Wp PV, Enphase+ST GW, SOLAX SK-SU3000E 13kWh BESS, ITHO Qualityflow WTW, Elvi Smart Charging+ laadpunt, Kia EV6 84kWh EA MY25, gasloos '23
Je moet eerst instellen dat je 'koelen vrijgeeft ', dan pas kun je de stooklijn voor koelen instellen.acidd91 schreef op zaterdag 8 juli 2023 @ 21:34:
[...]
In de cloud interface kan ik het volgens mij niet instellen (of ik zie het niet goed), hoe kan ik de stooklijn het beste instellen? Of zou je dan bijvoorbeeld standaard op 18 graden zetten?
Daarna/daarbij moet je OOK de 'verwarmingsregeling' naar WAR only of directe watertemperatuur zetten, niet naar thermostaat. Als je dat namelijk op thermostaat (of war plus thermostaat) laat staan, lijkt de Panasonic zich weinig van de koel stooklijn aan te trekken en giert ie inderdaad naar bij mij 13 graden in plaats van de ingestelde 18...
Wat de installateur precies wil, blijft al een tijdje onduidelijk. Het is van huis uit meer een CV man. Alleen zitten we er aan vast via de aannemer.blb4 schreef op zondag 9 juli 2023 @ 20:32:
[...]
Ik neem aan dat hij voor een parallelbuffer wil gaan?
We praten over zo'n 150m2 vvw (10cm hoh) in zandcement met een geïsoleerde betonnen ondervloer. Misschien dat we 30m2 gaan naregelen. Genoeg buffer daar lijkt me.
Als parallel het beste is, dan vraag ik hem dat. 2 extra kraantjes lijken me dan de simpelste manier om te kunnen experimenteren zonder buffer. In serie vereist wat meer leidingwerk voor een bypass.
(Ik heb wel alle Pana docu, maar wat moeite met de wiskunde om alles voor hem voor te rekenen).
[ Voor 6% gewijzigd door Ethirty op 09-07-2023 21:28 ]
#team_UTC+1
An investment in knowledge always pays the best interest - Benjamin Franklin
You can call me McOverloper Mini '12 i7/16/256 Air '13 i5/8/256 iPad mini 5 64GB iPhone SE 128GB
't simpelste is een seriebuffer, als je 'm dat kan laten aanleggen ben je zo klaar. Met een parallelbuffer komt er ook een extra pomp, buffervatsensor en extra instellingen.Ethirty schreef op zondag 9 juli 2023 @ 21:25:
[...]
Wat de installateur precies wil, blijft al een tijdje onduidelijk. Het is van huis uit meer een CV man. Alleen zitten we er aan vast via de aannemer.
We praten over zo'n 150m2 vvw (10cm hoh) in zandcement met een geïsoleerde betonnen ondervloer. Misschien dat we 30m2 gaan naregelen. Genoeg buffer daar lijkt me.
Als parallel het beste is, dan vraag ik hem dat. 2 extra kraantjes lijken me dan de simpelste manier om te kunnen experimenteren zonder buffer. In serie vereist wat meer leidingwerk voor een bypass.
(Ik heb wel alle Pana docu, maar wat moeite met de wiskunde om alles voor hem voor te rekenen).
Bij een seriebuffer (in de retour) is de instelling van de WP exact gelijk aan een systeem zonder zo'n buffer, dat maakt 't een stuk makkelijker om te switchen.
De simpelste/voordeligste oplossing om dit te laten bouwen:
1
2
3
| .--------kogelkraan----------------. retour WP | | --------------------+----[buffervat]----kogelkraan ----+------- retour vanaf installatie |
Seriebuffer is een van de standaard configuraties die Panasonic beschrijft maar wordt door installateurs nauwelijks toegepast.
update: zo ziet zo'n schema er uit:
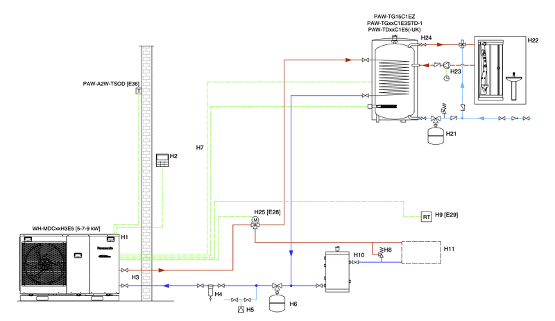
/f/image/L4dSioHC5zlm0HHadkcuXtfT.png?f=fotoalbum_large)
Met parallelbuffer ziet 't er zo uit:
[ Voor 24% gewijzigd door blb4 op 09-07-2023 23:29 ]
Panasonic J 7kW WP, boiler & HeishaMon, 6022 Wp PV, Enphase+ST GW, SOLAX SK-SU3000E 13kWh BESS, ITHO Qualityflow WTW, Elvi Smart Charging+ laadpunt, Kia EV6 84kWh EA MY25, gasloos '23
En als hij nog een extra kraantje bij de uitgang van de buffer plaatst, kan ik het vat ook nog verwijderen zonder het hele systeem leeg te laten lopen.
#team_UTC+1
An investment in knowledge always pays the best interest - Benjamin Franklin
You can call me McOverloper Mini '12 i7/16/256 Air '13 i5/8/256 iPad mini 5 64GB iPhone SE 128GB
Ik kwam deze parallel optie ook tegen, vandaar dat het erg simpel leek.blb4 schreef op zondag 9 juli 2023 @ 22:38:
[...]
't simpelste is een seriebuffer, als je 'm dat kan laten aanleggen ben je zo klaar. Met een parallelbuffer komt er ook een extra pomp, buffervatsensor en extra instellingen.
Bij een seriebuffer (in de retour) is de instelling van de WP exact gelijk aan een systeem zonder zo'n buffer, dat maakt 't een stuk makkelijker om te switchen.
De simpelste/voordeligste oplossing om dit te laten bouwen:
code:
1 2 3 .--------kogelkraan----------------. retour WP | | --------------------+----[buffervat]----kogelkraan ----+------- retour vanaf installatie
Seriebuffer is een van de standaard configuraties die Panasonic beschrijft maar wordt door installateurs nauwelijks toegepast.
update: zo ziet zo'n schema er uit:
[Afbeelding]
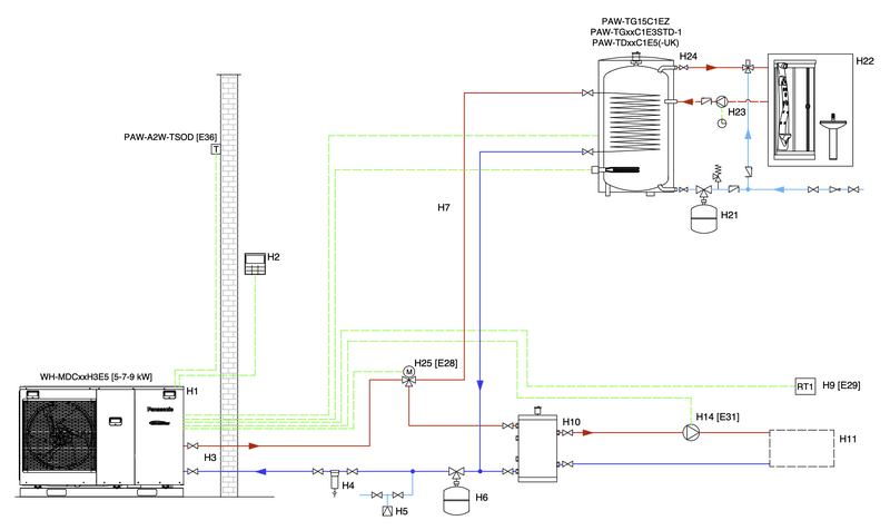
Met parallelbuffer ziet 't er zo uit:
[Afbeelding]

Dus met 2 ipv 4 aansluitingen.
Maar ik ga hem je schema onder zijn neus schuiven
#team_UTC+1
An investment in knowledge always pays the best interest - Benjamin Franklin
You can call me McOverloper Mini '12 i7/16/256 Air '13 i5/8/256 iPad mini 5 64GB iPhone SE 128GB
Met zoveel vloeroppervlak is een buffer compleet en totaal overbodig. Hele discussie gewoon afkappen. Zoals je zegt is het een cv man, geen wp man.Ethirty schreef op zondag 9 juli 2023 @ 21:25:
[...]
Wat de installateur precies wil, blijft al een tijdje onduidelijk. Het is van huis uit meer een CV man. Alleen zitten we er aan vast via de aannemer.
We praten over zo'n 150m2 vvw (10cm hoh) in zandcement met een geïsoleerde betonnen ondervloer. Misschien dat we 30m2 gaan naregelen. Genoeg buffer daar lijkt me.
Als parallel het beste is, dan vraag ik hem dat. 2 extra kraantjes lijken me dan de simpelste manier om te kunnen experimenteren zonder buffer. In serie vereist wat meer leidingwerk voor een bypass.
(Ik heb wel alle Pana docu, maar wat moeite met de wiskunde om alles voor hem voor te rekenen).
wat een geheim agent toch allemaal niet moet doen om incognito op zijn werk te verschijnen
Panasonic J 7kW WP, boiler & HeishaMon, 6022 Wp PV, Enphase+ST GW, SOLAX SK-SU3000E 13kWh BESS, ITHO Qualityflow WTW, Elvi Smart Charging+ laadpunt, Kia EV6 84kWh EA MY25, gasloos '23
Weet ik, maar het buffervat is al geleverd en we zijn ergens heel blij dat de warmtepomp ook in zijn loods staat ipv nog een jaar wachten op levering.flippy schreef op maandag 10 juli 2023 @ 11:00:
[...]
Met zoveel vloeroppervlak is een buffer compleet en totaal overbodig. Hele discussie gewoon afkappen. Zoals je zegt is het een cv man, geen wp man.
Ik heb al zoveel gezeik met de verbouwing dat ik op dit moment het wegwuiven van de garantie op een warm huis me niet kan permitteren.
#team_UTC+1
An investment in knowledge always pays the best interest - Benjamin Franklin
You can call me McOverloper Mini '12 i7/16/256 Air '13 i5/8/256 iPad mini 5 64GB iPhone SE 128GB
:strip_exif()/f/image/s9mxylDUpSIo2xwV0TqEhodl.jpg?f=fotoalbum_large)
:strip_exif()/f/image/ph3nrNXwXCMC28Ri68mW4Kmp.jpg?f=fotoalbum_large)
:strip_exif()/f/image/Uaa3I15y8tPl4VmaBTEoaSJz.jpg?f=fotoalbum_large)
:strip_exif()/f/image/CEQpnaWtjyMb2qNov7BLa3S8.jpg?f=fotoalbum_large)