LG HM091MR.U44 - OEG 300liter 516005190 warmte wisselaar boiler - Solaredge / Growatt 4800 kWh
Mijn advies is om morgen een installateur te bellen om hiernaar te kijken, want je installatie klopt van geen kanten.wrapper83 schreef op dinsdag 7 februari 2023 @ 22:30:
Klopt, ik had wat issues met overdruk rond 3bar, en heb toen deze met een stuk 16mm naar mijn sifon doorgeleid ivm lekkage anders…
Maar welke waarde moet hier dan komen qua bar? En expansie moet er dus toch af?
Boven (deze boiler staat op de begane grond) zit er nog een expansie op de cv leiding .
Hoor graag jullie advies
In het meest gunstige geval heb je alleen een verkeerde "kleur" expansievat. Rood is voor CV, en mag niet voor sanitair water gebruikt worden.
In het ernstigste geval heb je je sanitair water op je CV-systeem aangesloten, met alle risico's van dien.
ga naar de lokale sanitairgoeroe (iets met warmte) en zeg dat je een 8 bar veiligheidsgroep moet hebben voor een boiler.wrapper83 schreef op dinsdag 7 februari 2023 @ 22:30:
Klopt, ik had wat issues met overdruk rond 3bar, en heb toen deze met een stuk 16mm naar mijn sifon doorgeleid ivm lekkage anders…
Maar welke waarde moet hier dan komen qua bar? En expansie moet er dus toch af?
Boven (deze boiler staat op de begane grond) zit er nog een expansie op de cv leiding .
Hoor graag jullie advies
en weg met alles wat rood is. heeft NIKS te zoeken in dit systeem. koud water de veilgheidsgroep in en de uitlaat daarvan de tank in en de aflaat het riool in. klaar.
[ Voor 9% gewijzigd door flippy op 07-02-2023 22:40 ]
wat een geheim agent toch allemaal niet moet doen om incognito op zijn werk te verschijnen
Bedankt voor jullie hulp🙏
LG HM091MR.U44 - OEG 300liter 516005190 warmte wisselaar boiler - Solaredge / Growatt 4800 kWh
wat een geheim agent toch allemaal niet moet doen om incognito op zijn werk te verschijnen
LG HM091MR.U44 - OEG 300liter 516005190 warmte wisselaar boiler - Solaredge / Growatt 4800 kWh
Hmm helaas heb ik nu hier al een microbellen ontluchter van 20mm liggen. Even kijken of ik die nog kan ruilen of ergens anders slijten.Dashlane schreef op dinsdag 7 februari 2023 @ 19:05:
[...]
Mooie aanvulling, de reden dat een micro bellen ontluchter daar geplaatst moet worden is omdat bij het verwarmen van water de microbellen vrijkomen.
@Evanrvb
Ik zou de microbellenontluchter bij je wp plaatsen en dan een aparte automatische ontluchter in het hoogste punt van je systeem.
Voor de kenners, kan een cv drukvat zorgen voor lucht in je sww water?
Niet zozeer een kenner hier @Grolsch, maar dat vat is 1 grote luchtbel. Normaliter ontlucht je die bovenop zoals iemand al eens noemde. Hier zit een manometer gemonteerd in plaats van een ontluchter. Elke keer als er dus wat drukval is zal het vat dus lucht het systeem in duwen. Dat zou op een gegeven moment wel moeten ophouden natuurlijk..Grolsch schreef op woensdag 8 februari 2023 @ 06:44:
@wrapper83 Dat noemen ze een inlaatcombinatie, hoeveel bar je nodig hebt is afhankelijk van je boiler vat. De documentatie geeft een max. Werkdruk aan. In NL is dat normaal 8bar, maar die van mij (joules vat uit Polen) is max 6 bar bijvoorbeeld.
Voor de kenners, kan een cv drukvat zorgen voor lucht in je sww water?
PVOutput Youless - 9600Wp OZO+WNW | 38° | Goodwe GW6K-DT | Mitsubishi PUHZ-SW75YAA + ERSD-VM2D | Zonneplan Nexus | Gasloos
Begrijp ik het goed? Heb je je aanvoer van koud water via een expansievat en een overdrukbeveiliging op de boiler aangesloten?wrapper83 schreef op dinsdag 7 februari 2023 @ 21:44:
Beste @Blihi , @Lollercopter en @hesselbeertje .
Hier bij een foto en een filmpje van wat ik bedoel als de boiler is opgewarmd en ik de kraan openzet:
[Afbeelding]
[Afbeelding]
[Afbeelding]
Filmpje:
Tbd
Hoe voeg je hier überhaupt een filmpje in?[list]


In de koudwaterleiding hoort helemaal geen expansievat (dat heeft ook helemaal geen zin, want wat zou er dan moeten uitzetten en waarom?) En aangezien je dit vat niet kunt ontluchten zal daar je lucht wel vandaan komen.
De boiler moet gevoed worden met koud water over een inlaatcombinatie. Daarin zit een terguslagklep (water kan er wel van koud naar warm doorheen, maar niet van warm naar koud) en een beveiliging die bij 7 of 8 bar opent en dan het warme water wat onder druk staat loost op het riool.
Eventueel kun je ook nog een sanitair expansievat plaatsen, maar die inlaatcombinatie moet altijd om het vat te beschermen.
WP: Toshiba Estia 8kW split HWT-801H(R)W-E + HWT-1101 binnenunit met 300 liter SWW tank. PV: 4 strings, totaal 12590 Wp
Let op: Er zijn ook SWW-vaten die een 6 bar inlaatcombinatie vereisen! Je kunt niet zomaar blind op elk vat een 8-bar versie schroeven.wrapper83 schreef op dinsdag 7 februari 2023 @ 22:43:
Thx ga morgen het expansie vat er tussenuit halen en 3 naar 8bar ombouwen.
Bedankt voor jullie hulp🙏
Check hiervoor goed de specificaties van je SWW-vat!
Ook zou ik bij gebruik van een WP altijd een 22mm (3/4") inlaatcombinatie willen, omdat die een hogere doorlaat heeft, waardoor je een eventueel bad sneller kunt vullen (je bent immers, zoals bij een gas-cv, voor de vulsnelheid niet meer beperkt door het verwarmingsvermogen, maar enkel nog door de leidingcapaciteit).
En inderdaad, zoals al gezegd, dat CV-expansievat heeft in een warmwatercircuit niks te zoeken.
En, zoals ook al gezegd, op dat hoogste punt boven zo'n vat moet uiteraard een ontluchtingsmogelijkheid zitten.
Wat zijn er toch een hoop "installateurs" die de basisprincipes van hun vak niet verstaan...

WP: ME PUHZ-SW75YAA + ERSD-VM2D + EV-WP-TWS-1W 300; AC: ME MXZ-2F42VF + 2x MSZ-LN25VGV; PV: 14.08 kWp O/W + SMA STP 8.0; Vent: Zehnder Q600 ERV + Ubbink AirExcellent.
Nee, tenzij het membraan erin lek is. Maar dan ook maar totdat alle stikstof eruit verdwenen is.Grolsch schreef op woensdag 8 februari 2023 @ 06:44:
@wrapper83 Dat noemen ze een inlaatcombinatie, hoeveel bar je nodig hebt is afhankelijk van je boiler vat. De documentatie geeft een max. Werkdruk aan. In NL is dat normaal 8bar, maar die van mij (joules vat uit Polen) is max 6 bar bijvoorbeeld.
Voor de kenners, kan een cv drukvat zorgen voor lucht in je sww water?
Belangrijkste is dat je zo'n vat niet in je SWW-circuit wilt omdat het niet doorstroomt. Er zit dan dood water in.
WP: ME PUHZ-SW75YAA + ERSD-VM2D + EV-WP-TWS-1W 300; AC: ME MXZ-2F42VF + 2x MSZ-LN25VGV; PV: 14.08 kWp O/W + SMA STP 8.0; Vent: Zehnder Q600 ERV + Ubbink AirExcellent.
Wordt bij de Atlantic Explorer wel aangegeven.Blihi schreef op woensdag 8 februari 2023 @ 07:42:
[...]
In de koudwaterleiding hoort helemaal geen expansievat (dat heeft ook helemaal geen zin, want wat zou er dan moeten uitzetten en waarom?) En aangezien je dit vat niet kunt ontluchten zal daar je lucht wel vandaan komen.
:no_upscale():strip_icc():fill(white):strip_exif()/f/image/gnYDVabJn2dXzwQc9CdZYOrU.jpg?f=user_large)
PV 3520Wp - WP Itho Amber 95 - WPB Atlantic Explorer V4 200L - gasloos sinds aug 2023
Dit is echt onzin. Verdiep je er even in hoe een sanitair expansievat werkt. Er zijn namelijk inlaatcombinaties te krijgen waarin een sanitair expansievat is geïntegreerd. Je moet dan uiteraard geen CV-expansievat gebruiken.Blihi schreef op woensdag 8 februari 2023 @ 07:42:
In de koudwaterleiding hoort helemaal geen expansievat (dat heeft ook helemaal geen zin, want wat zou er dan moeten uitzetten en waarom?)
Ik heb ook zo'n uitgebreide inlaatcombinatie met sanitair expansievat. Voordeel is dat de druk in je SWW-vat veel minder fluctueert en je inlaatcombinatie normaliter bij het opwarmen niet druppelt.
WP: ME PUHZ-SW75YAA + ERSD-VM2D + EV-WP-TWS-1W 300; AC: ME MXZ-2F42VF + 2x MSZ-LN25VGV; PV: 14.08 kWp O/W + SMA STP 8.0; Vent: Zehnder Q600 ERV + Ubbink AirExcellent.
[ Voor 99% gewijzigd door Ronald.42 op 27-02-2023 17:35 ]
Solar 15040wp 12x425 ZZW schuin dak 8x260 N schuin dak16x zzw platdak, 6x430 terras oost, wp Sprsun10Kw, wpb arostor 150l, 3x Marstek 5,12kwh.
There, I fixed it.Andrehj schreef op woensdag 8 februari 2023 @ 09:15:
[...]
Dit is groteske onzin. Verdiep je er even in hoe een sanitair expansievat werkt. Volgens mij vergis je je. Er zijn namelijk inlaatcombinaties te krijgen waarin een sanitair expansievat is geïntegreerd. Je moet dan uiteraard geen CV-expansievat gebruiken.
Ik heb ook zo'n uitgebreide inlaatcombinatie met sanitair expansievat. Voordeel is dat de druk in je SWW-vat veel minder fluctueert en je inlaatcombinatie normaliter bij het opwarmen niet druppelt.
WP: Toshiba Estia 8kW split HWT-801H(R)W-E + HWT-1101 binnenunit met 300 liter SWW tank. PV: 4 strings, totaal 12590 Wp
Hier staat da Atlantic Explorer v4 ook klaar voor gebruik. Ik ga zelf ook geen expansievat gebruiken. Het document waar het plaatje uit komt is van Belgische oorsprong. Mogelijk dat het daar wel standaard wordt toegepast.Ronald.42 schreef op woensdag 8 februari 2023 @ 09:17:
[...]
Dat klopt zo ook.
Tussen de inlaatcombinatie en het vat.
Als het water uitzet zal de terugslagklep in je inlaatcombinatie dicht drukken en kan de druk richting expansievat.
Loopt de druk dan alsnog te hoog op dan loos je aan de koude kant van het vat.
Ik heb helemaal geen expansievat in het sww dus dan loos je iets meer relatief "koud" water door de inlaatcombinatie.
Van wat zo'n vat kost kun je duizenden liters water kopen plus dat dat ding ook nu en dan eens vervangen zal moeten worden.
PV 3520Wp - WP Itho Amber 95 - WPB Atlantic Explorer V4 200L - gasloos sinds aug 2023
Weer wat geleerd. Maar inderdaad. het vat moet dan wel een SWW expansievat zijn en na de inlaatcombinatie geplaatst worden.Ronald.42 schreef op woensdag 8 februari 2023 @ 09:17:
[...]
Dat klopt zo ook.
Tussen de inlaatcombinatie en het vat.
Als het water uitzet zal de terugslagklep in je inlaatcombinatie dicht drukken en kan de druk richting expansievat.
Loopt de druk dan alsnog te hoog op dan loos je aan de koude kant van het vat.
Ik heb helemaal geen expansievat in het sww dus dan loos je iets meer relatief "koud" water door de inlaatcombinatie.
Van wat zo'n vat kost kun je duizenden liters water kopen plus dat dat ding ook nu en dan eens vervangen zal moeten worden.
WP: Toshiba Estia 8kW split HWT-801H(R)W-E + HWT-1101 binnenunit met 300 liter SWW tank. PV: 4 strings, totaal 12590 Wp
[ Voor 107% gewijzigd door Ronald.42 op 27-02-2023 17:36 ]
Solar 15040wp 12x425 ZZW schuin dak 8x260 N schuin dak16x zzw platdak, 6x430 terras oost, wp Sprsun10Kw, wpb arostor 150l, 3x Marstek 5,12kwh.
OK, goed om te weten.Ronald.42 schreef op woensdag 8 februari 2023 @ 09:22:
[...]
Het voordeel kan zijn dat je warm water druk wat lager en stabieler blijft.
Ik merk bij mij vooral na een legio run dat de heetwater kraan bij het open zetten even een enthousiaste straal geeft, dat zou met een juist gedimensioneerd expansievat niet zo of in ieder geval minder zijn.
Maar dat is gewoon even zo'n pssst alsof je een frisdrank fles losdraait zeg maar...
PV 3520Wp - WP Itho Amber 95 - WPB Atlantic Explorer V4 200L - gasloos sinds aug 2023
[ Voor 99% gewijzigd door Ronald.42 op 27-02-2023 17:36 ]
Solar 15040wp 12x425 ZZW schuin dak 8x260 N schuin dak16x zzw platdak, 6x430 terras oost, wp Sprsun10Kw, wpb arostor 150l, 3x Marstek 5,12kwh.
Sterker nog, het moet een doorstroom-SWW-expansievat zijn. Een niet-doorstroom-SWW-expansievat mag bv in brandblusinstallaties gebruikt worden, maar niet in drinkwaterinstallaties.Blihi schreef op woensdag 8 februari 2023 @ 09:19:
[...]
Weer wat geleerd. Maar inderdaad. het vat moet dan wel een SWW expansievat zijn en na de inlaatcombinatie geplaatst worden.
Verschil tussen SWW en niet-SWW is de zuurstofdichtheid van SWW-rated-materiaal.
Een doorstroomvat is dusdanig ontworpen dat de bel water in het vat continu wordt ververst ivm legionella.
Hier een filmpje met uitleg:
YouTube: Sanitaire expansievaten
In BE moet het vat blijkbaar aan de warmwaterkant geplaatst worden, zodat de legionella ook continu (of regelmatig) door hoge temperatuur gedood wordt. Voor een laag-temperatuur-boiler lijkt mij de koudwaterkant veiliger, aangezien die sowieso nooit legionella-savvy temperaturen krijgt, en de warmwaterkant lang zo rond de 40 graden blijft.
Doorstroomvaten van Reflex zijn groen, van Flamco wit als ik het goed heb. Blauwe vaten van Reflex zijn wel SWW, maar niet doorstroom. Rood is altijd voor CV, dus zowel het vat als die beugel moet weg.
@wrapper83, lees je mee?
WP: Toshiba Estia 8kW split HWT-801H(R)W-E + HWT-1101 binnenunit met 300 liter SWW tank. PV: 4 strings, totaal 12590 Wp
Eergisteren ging het over de geluidproductie bij een WP en dat Vaillant mooi dik bitumen in de WP heeft. Nu ben ik het een en andere aan het bestellen voor mijn installatie en kwam ik aan bij zelfklevend Armaflex 19mm. Heeft iemand dit wel eens in zijn WP geplakt om extra geluidsisolatie aan te brengen?ds23man schreef op maandag 6 februari 2023 @ 14:10:
[...]
En wat heel belangrijk is dat de Vaillants ook nog een zware bitumen bekleding hebben op de panelen. Hoe zwaarder iets is des te minder het geluid kan doorgeven. Denk dat de verhouding kg/kW wel eens maatgevend kan zijn. Heb recentelijk van de 55 het bovenpaneel en zijpaneel losgehaald. Die dingen zijn serieus zwaar.
Geen idee of het nodig is voor mijn WP (geluidsniveau van 47dB(A) (wat volgens mij de verkeerde meetwaarde is)) en of dat überhaupt nog past aan de binnenkant. Armaflex is natuurlijk ook niet zwaar zoals de bovenplaat bij de Vaillant, maar het heeft wel geluidsisolerende werking.
Ik ben benieuwd of iemand dit al eens uitgeprobeerd heeft. Ik heb geprobeerd een beetje te zoeken in het topic maar ik kon er niets over vinden.
Ik heb een Full Electric Remeha Eria tower 4,5KW. Ik had hem een tijdje uitstaan (nieuwbouwwoning) en nu krijg ik hem niet aan de praat;
- Als ik hem aanzet gaat alles goed voor ongeveer 10 minuten, dan dan stopt hij ermee.
- Hij gaat dan over op het elektrisch element maar dat werkt om de een of andere reden nog niet (volgens mij is alles goed aangesloten maar weet niet waarom hij het niet doet)
- Kan het zijn dat het water nog te koud is en dat eerst het elektrisch element eerst aan moet en dat hij daardoor niet verder komt?
- Zo ja, is dit op een of andere manier te omzeilen door iets aan de instellingen te veranderen?
- SWW opwarmen gaat goed. 50 graden SWW lukt met de WP. Alleen als ik bijv 60 graden instel loopt ie vast omdat hij daarvoor het elektrisch element nodig heeft.
Alvast bedankt voor het meedenken
Ja je kan best wel wat, maar als iets niet goed is zou ik daar eerst naar verwijzen.
30x SF175 NW - STP6000 Live PVoutput Nibe F2120-16 warmtepomp
Hoe koud is de woning nu?neymar schreef op woensdag 8 februari 2023 @ 15:31:
Dag allen,
Ik heb een Full Electric Remeha Eria tower 4,5KW. Ik had hem een tijdje uitstaan (nieuwbouwwoning) en nu krijg ik hem niet aan de praat;
- Als ik hem aanzet gaat alles goed voor ongeveer 10 minuten, dan dan stopt hij ermee.
- Hij gaat dan over op het elektrisch element maar dat werkt om de een of andere reden nog niet (volgens mij is alles goed aangesloten maar weet niet waarom hij het niet doet)
- Kan het zijn dat het water nog te koud is en dat eerst het elektrisch element eerst aan moet en dat hij daardoor niet verder komt?
- Zo ja, is dit op een of andere manier te omzeilen door iets aan de instellingen te veranderen?
- SWW opwarmen gaat goed. 50 graden SWW lukt met de WP. Alleen als ik bijv 60 graden instel loopt ie vast omdat hij daarvoor het elektrisch element nodig heeft.
Alvast bedankt voor het meedenken
WP: ME PUHZ-SW75YAA + ERSD-VM2D + EV-WP-TWS-1W 300; AC: ME MXZ-2F42VF + 2x MSZ-LN25VGV; PV: 14.08 kWp O/W + SMA STP 8.0; Vent: Zehnder Q600 ERV + Ubbink AirExcellent.
Kun je gewoon even duidelijke overzicht foto’s maken.wrapper83 schreef op dinsdag 7 februari 2023 @ 22:43:
Thx ga morgen het expansie vat er tussenuit halen en 3 naar 8bar ombouwen.
Bedankt voor jullie hulp🙏
Er wordt nu allerlei goed bedoelde advies gegeven op halve informatie…
WP: Mitsubishi Ecodan PUHZ-SW75YAA + EHST20D-VM2D / PV: 2150Wp Z/O 132° en 2580Wp N/W 312° Ik wil een warmtepomp.nu
installateur bellen.neymar schreef op woensdag 8 februari 2023 @ 15:31:
Dag allen,
Ik heb een Full Electric Remeha Eria tower 4,5KW. Ik had hem een tijdje uitstaan (nieuwbouwwoning) en nu krijg ik hem niet aan de praat;
- Als ik hem aanzet gaat alles goed voor ongeveer 10 minuten, dan dan stopt hij ermee.
- Hij gaat dan over op het elektrisch element maar dat werkt om de een of andere reden nog niet (volgens mij is alles goed aangesloten maar weet niet waarom hij het niet doet)
- Kan het zijn dat het water nog te koud is en dat eerst het elektrisch element eerst aan moet en dat hij daardoor niet verder komt?
- Zo ja, is dit op een of andere manier te omzeilen door iets aan de instellingen te veranderen?
- SWW opwarmen gaat goed. 50 graden SWW lukt met de WP. Alleen als ik bijv 60 graden instel loopt ie vast omdat hij daarvoor het elektrisch element nodig heeft.
Alvast bedankt voor het meedenken
wat een geheim agent toch allemaal niet moet doen om incognito op zijn werk te verschijnen
De woning is nu 15 graden. Wat er exact gebeurt als ik de wp opstart is dat deze ongeveer drie kwartier werkt. De remeha etwist app geeft aan dat de systeemtemperatuur 24 graden haalt. Daarna schakelt hij op electrisch element aan wat helaas niet werkt.
Als ik er niet uitkom ga ik nog op zoek naar een installateur, maar als ik het zelf kan oplossen hoeft dat niet.
"een" installateur of "de" installateur?neymar schreef op woensdag 8 februari 2023 @ 19:23:
Als ik er niet uitkom ga ik nog op zoek naar een installateur, maar als ik het zelf kan oplossen hoeft dat niet.
wat een geheim agent toch allemaal niet moet doen om incognito op zijn werk te verschijnen
Bij een centraal ketelhuis met compressor gestuurde expansievaten kan dit gebeuren in het verwarming/radiator circuit (constant moeten ontluchten) als het membraam lek is.Grolsch schreef op woensdag 8 februari 2023 @ 06:44:
Voor de kenners, kan een cv drukvat zorgen voor lucht in je sww water?
Bij woninginstallaties zie ik dit niet snel gebeuren, zo’n expansievat heeft ook maar een beperkte gas (stikstof) gevulde inhoud.
WP: Mitsubishi Ecodan PUHZ-SW75YAA + EHST20D-VM2D / PV: 2150Wp Z/O 132° en 2580Wp N/W 312° Ik wil een warmtepomp.nu
Helaas is er geen "de" installateur. De wp is indertijd zelf aangeschaft en door een handig iemand aangesloten. Had het liever ook anders gewild maar vanwege de wachttijd en prijzen was dat geen optie.
Probeer maar een deel van de VVW-lussen open te zetten, en de rest dicht. Slechts zoveel open dat de WP zijn flow haalt. En dan zodra dat deel op temperatuur is er steeds een lus bijschakelen.neymar schreef op woensdag 8 februari 2023 @ 19:23:
[...]
De woning is nu 15 graden. Wat er exact gebeurt als ik de wp opstart is dat deze ongeveer drie kwartier werkt. De remeha etwist app geeft aan dat de systeemtemperatuur 24 graden haalt. Daarna schakelt hij op electrisch element aan wat helaas niet werkt.
Als ik er niet uitkom ga ik nog op zoek naar een installateur, maar als ik het zelf kan oplossen hoeft dat niet.
WP: ME PUHZ-SW75YAA + ERSD-VM2D + EV-WP-TWS-1W 300; AC: ME MXZ-2F42VF + 2x MSZ-LN25VGV; PV: 14.08 kWp O/W + SMA STP 8.0; Vent: Zehnder Q600 ERV + Ubbink AirExcellent.
[ Voor 99% gewijzigd door Ronald.42 op 27-02-2023 17:37 ]
Solar 15040wp 12x425 ZZW schuin dak 8x260 N schuin dak16x zzw platdak, 6x430 terras oost, wp Sprsun10Kw, wpb arostor 150l, 3x Marstek 5,12kwh.
SMA STP10000TL20 met 10440 Wp 35°Zuid, Intergas Xtreme36 met Remeha Elga Ace 6kW
Hele goeie, ga ik morgen proberen, dank je.Andrehj schreef op woensdag 8 februari 2023 @ 19:31:
[...]
Probeer maar een deel van de VVW-lussen open te zetten, en de rest dicht. Slechts zoveel open dat de WP zijn flow haalt. En dan zodra dat deel op temperatuur is er steeds een lus bijschakelen.
De wp is een fase aangesloten rechtsreeks op een groep. Heb jij misschien een vermoeden waarom deze toch niet werkt?
De kennis in de klimaattechniek loopt hard achteruit helaas…Andrehj schreef op woensdag 8 februari 2023 @ 09:02:
Wat zijn er toch een hoop "installateurs" die de basisprincipes van hun vak niet verstaan...
- Weinig mensen welke nog met hun handen willen werken.
- Opleidingen welke steeds minder worden of compleet worden geschrapt omdat er onvoldoende aanmeldingen zijn / animo is.
- Niet meer mogen meelopen met iemand om het vak te leren.
- Hoge werkdruk waardoor sommige gemakzuchtig worden of alleen maar denken aan op tijd thuis zijn.
- Veel mensen hebben tegenwoordig een slechte werkethos.
- Monteurs welke gewoon stront eigenwijs zijn, je kan beter tegen een muur praten.
WP: Mitsubishi Ecodan PUHZ-SW75YAA + EHST20D-VM2D / PV: 2150Wp Z/O 132° en 2580Wp N/W 312° Ik wil een warmtepomp.nu
[ Voor 99% gewijzigd door Ronald.42 op 27-02-2023 17:37 ]
Solar 15040wp 12x425 ZZW schuin dak 8x260 N schuin dak16x zzw platdak, 6x430 terras oost, wp Sprsun10Kw, wpb arostor 150l, 3x Marstek 5,12kwh.
Ik begrijp niet eens wat je probeert te vragen....neymar schreef op woensdag 8 februari 2023 @ 19:33:
De wp is een fase aangesloten rechtsreeks op een groep. Heb jij misschien een vermoeden waarom deze toch niet werkt?
Tip: lees je post even door voordat je op "verstuur" drukt.
[ Voor 10% gewijzigd door Andrehj op 08-02-2023 19:52 ]
WP: ME PUHZ-SW75YAA + ERSD-VM2D + EV-WP-TWS-1W 300; AC: ME MXZ-2F42VF + 2x MSZ-LN25VGV; PV: 14.08 kWp O/W + SMA STP 8.0; Vent: Zehnder Q600 ERV + Ubbink AirExcellent.
Blz 105 service/installateurs handleiding - test bedrijf.neymar schreef op woensdag 8 februari 2023 @ 19:33:
[...]
Hele goeie, ga ik morgen proberen, dank je.
De wp is een fase aangesloten rechtsreeks op een groep. Heb jij misschien een vermoeden waarom deze toch niet werkt?
https://tools.remeha.nl//...leiding-Eria-Tower-03.pdf
Misschien heb je hier iets aan?
[ Voor 3% gewijzigd door DutchWing op 08-02-2023 19:55 ]
WP: Mitsubishi Ecodan PUHZ-SW75YAA + EHST20D-VM2D / PV: 2150Wp Z/O 132° en 2580Wp N/W 312° Ik wil een warmtepomp.nu
Het leek zo duidelijk toen ik het typteAndrehj schreef op woensdag 8 februari 2023 @ 19:52:
[...]
Ik begrijp niet eens wat je probeert te vragen....
Tip: lees je post even door voordat je op "verstuur" drukt.
ik bedoelde de wp is eenfasig aangesloten op een groep in de meterkast (3 fase aansluiting kan namelijk ook, maar dat hoeft niet voor de 4,5 KW). ik vroeg me af of je een idee had waar het aan kan liggen dat het electrisch element toch niet werkt (instelling? )
[ Voor 10% gewijzigd door neymar op 08-02-2023 20:15 ]
Dank voor de tip. Ik heb die handleiding al vaak doorgenomen maar nog niet geprobeerd wat op pagina 105 staat. Ga ik morgen ook even uittesten.DutchWing schreef op woensdag 8 februari 2023 @ 19:53:
[...]
Blz 105 service/installateurs handleiding - test bedrijf.
https://tools.remeha.nl//...leiding-Eria-Tower-03.pdf
Misschien heb je hier iets aan?
Zoiets zou kunnen, ik heb begrepen dat er 3 fase WP's zijn waarbij je dan kan instellen wat 't vermogen is, bv 3/6/9 kW. Dat zou zomaar kunnen betekenen 3 verschillende elementen van 3 kW op 3 fasen. Kan me voorstellen dat er iets niet werkt als de instelling dan op 9 kW staat en er maar 1 fase is aangesloten.neymar schreef op woensdag 8 februari 2023 @ 20:14:
[...]
Het leek zo duidelijk toen ik het typte![]()
ik bedoelde de wp is eenfasig aangesloten op een groep in de meterkast (3 fase aansluiting kan namelijk ook, maar dat hoeft niet voor de 4,5 KW). ik vroeg me af of je een idee had waar het aan kan liggen dat het electrisch element toch niet werkt (instelling? )
Probeer ook maar mee te denken....
Panasonic J 7kW WP, boiler & HeishaMon, 6022 Wp PV, Enphase+ST GW, SOLAX SK-SU3000E 13kWh BESS, ITHO Qualityflow WTW, Elvi Smart Charging+ laadpunt, Kia EV6 84kWh EA MY25, gasloos '23
Ik snap dit echt niet: je zit in de kou, want slechts 15 graden in huis, en je schrijft nu voor de 2e maal, dat je dat MORGEN even gaat testen.neymar schreef op woensdag 8 februari 2023 @ 20:16:
[...]
Dank voor de tip. Ik heb die handleiding al vaak doorgenomen maar nog niet geprobeerd wat op pagina 105 staat. Ga ik morgen ook even uittesten.
De urgentie lijkt niet erg groot.
Trouwens, heb je wel een spanningszoeker (of beter, natuurlijk) om te kijken of je wel spanning in je wp hebt, waar dat het geval zou moeten zijn, vanwege die aansluiting in de meterkast.
14kW ZubadanPUHZ-SHW140YHA+ERSC-VM2C, 200L boiler , 200L buffer, sinds 8/2018, gasloos
We hebben een klushuis dat echt volledig is gestript en geïsoleerd.
Hij rekende 2500€ voor een nieuwe cv installeren en nu €17k voor WP. Beide ex btw dus bijna 21k voor installeren en materiaal.
Type: Alpha Innotec lwd 50, met 120l cv boiler vat en 300l (type wws 302) voor warm water.
De plaatsing zou nog deze maand moeten gebeuren maar ik twijfel enorm of ik deze extra investering het waar vind.
Context
- vvw beneden (56m2) en boven (40m2)
- vloer en dal goed geïsoleerd.
- glas wordt HR++ of trippel (pui uitbouw)
- zou eventueel 3500€ subsidie van gemeente kunnen vangen en ook 4000 van ISDE ongeveer.
Is dit een realistische prijs?
Neymar is misschien niet thuis of is er een andere reden. Omstandigheden kennen we niet.Naalroc schreef op woensdag 8 februari 2023 @ 20:44:
[...]
Ik snap dit echt niet: je zit in de kou, want slechts 15 graden in huis, en je schrijft nu voor de 2e maal, dat je dat MORGEN even gaat testen.
koop gewoon een monoblok en doe het lekker zelf. pomploze verdelers op de vloeren en losse explorer v4 op de zolder en je bent voor een kwart van dat bedrag klaar. 7k aan subsidie schiet je bar weinig mee op als het je 13k meer kost.jassie256 schreef op woensdag 8 februari 2023 @ 21:26:
Mijn aannemer heeft eindelijk een prijs gegeven voor de installatie van een WP.
We hebben een klushuis dat echt volledig is gestript en geïsoleerd.
Hij rekende 2500€ voor een nieuwe cv installeren en nu €17k voor WP. Beide ex btw dus bijna 21k voor installeren en materiaal.
Type: Alpha Innotec lwd 50, met 120l cv boiler vat en 300l (type wws 302) voor warm water.
De plaatsing zou nog deze maand moeten gebeuren maar ik twijfel enorm of ik deze extra investering het waar vind.
Context
- vvw beneden (56m2) en boven (40m2)
- vloer en dal goed geïsoleerd.
- glas wordt HR++ of trippel (pui uitbouw)
- zou eventueel 3500€ subsidie van gemeente kunnen vangen en ook 4000 van ISDE ongeveer.
Is dit een realistische prijs?
als je klushuis hebt gekocht kan je ook een warmtepomp installeren.
[ Voor 6% gewijzigd door flippy op 08-02-2023 21:45 ]
wat een geheim agent toch allemaal niet moet doen om incognito op zijn werk te verschijnen
Hoeveel ligt er al? Is heel het CV-circuit al klaar en hoef je de facto alleen maar de WP op het circuit aan te sluiten?jassie256 schreef op woensdag 8 februari 2023 @ 21:26:
Mijn aannemer heeft eindelijk een prijs gegeven voor de installatie van een WP.
We hebben een klushuis dat echt volledig is gestript en geïsoleerd.
Hij rekende 2500€ voor een nieuwe cv installeren en nu €17k voor WP. Beide ex btw dus bijna 21k voor installeren en materiaal.
Type: Alpha Innotec lwd 50, met 120l cv boiler vat en 300l (type wws 302) voor warm water.
De plaatsing zou nog deze maand moeten gebeuren maar ik twijfel enorm of ik deze extra investering het waar vind.
Context
- vvw beneden (56m2) en boven (40m2)
- vloer en dal goed geïsoleerd.
- glas wordt HR++ of trippel (pui uitbouw)
- zou eventueel 3500€ subsidie van gemeente kunnen vangen en ook 4000 van ISDE ongeveer.
Is dit een realistische prijs?
Of moeten er nog verdelers geplaatst en aangesloten worden, technische ruimte gebouwd, etc?
Zo nee (en dat heb je goeddeels zelf in de hand met zo'n renovatie), dan vind ik het persoonlijk behoorlijk aan de prijs. Tenzij je WP achterin de tuin gezet moet worden of zo.
Deze snap ik overigens niet. Heb je nou een 120l of 300l boiler? Of een 120l buffervat? Buffervat heb je niet nodig.Type: Alpha Innotec lwd 50, met 120l cv boiler vat en 300l (type wws 302) voor warm water.
Als je een beetje handig bent, kun je zelf een monobloc aansluiten.
Alleen voor Nibe het topmodel zou je rond de 18-20K kwijt Incl btw / excl subsidie.jassie256 schreef op woensdag 8 februari 2023 @ 21:26:
Is dit een realistische prijs?
Ik zou meer offertes opvragen of zoals @flippy aangeeft: indien je het zelf kan, dan zelf doen.
Als je een hele scherpe offerte weet te krijgen is die subsidie van ongeveer €7500,- niet verkeerd!
[ Voor 13% gewijzigd door DutchWing op 08-02-2023 22:54 ]
WP: Mitsubishi Ecodan PUHZ-SW75YAA + EHST20D-VM2D / PV: 2150Wp Z/O 132° en 2580Wp N/W 312° Ik wil een warmtepomp.nu
Zou de aannemer zeggen, dat zilveren leidingen en ook de gouden kranen geen nut hebben.jassie256 schreef op woensdag 8 februari 2023 @ 21:26:
Mijn aannemer heeft eindelijk een prijs gegeven voor de installatie van een WP.
We hebben een klushuis dat echt volledig is gestript en geïsoleerd.
Hij rekende 2500€ voor een nieuwe cv installeren en nu €17k voor WP. Beide ex btw dus bijna 21k voor installeren en materiaal.
Type: Alpha Innotec lwd 50, met 120l cv boiler vat en 300l (type wws 302) voor warm water.
De plaatsing zou nog deze maand moeten gebeuren maar ik twijfel enorm of ik deze extra investering het waar vind.
Context
- vvw beneden (56m2) en boven (40m2)
- vloer en dal goed geïsoleerd.
- glas wordt HR++ of trippel (pui uitbouw)
- zou eventueel 3500€ subsidie van gemeente kunnen vangen en ook 4000 van ISDE ongeveer.
Is dit een realistische prijs?
De stellig inbegrepen 25 jaar 90% garantie op onderdelen en arbeidsloon kun je wel accepteren.
Volg een kleine cursus, dan word je een afgestudeerde beun, en stroop daarna je mouwen op.
Maak een plan, stel de boodschappenlijst samen, vraag hier het e.e.a. aan de echte experts en ga aan de slag. Je laten uitkleden op klaarlichte dag kun je altijd nog wel laten doen.
Ik zit vast aan een bepaald type split unit vanwege vergunning, f-gassen is dus nodig en daarnaast ben ik zelf niet in staat om verdere aanleg zelf te doen van de buitenunit naar binnen en is een installateur dus nodig. De aankoop van een groot genoeg SSW vat inclusief de extra installatie-kosten die dit vast met zich meebrengen lijkt het mij een optie om die voorlopig nog even uit te stellen, zou zou zomaar een paar duizend kunnen schelen op de offerte.
Nu is alleen mijn vraag: is dit 1 een goed idee en 2 kan ik zelf later makkelijk SSW toevoegen? Mijn simpele brein met een beetje klus-ervaring zegt dat het simpelweg een SSW vat en wat leiding-werk plaatsen is in het geval van een split-unit?
Ik heb een mooie partij op de kop kunnen tikken op ebayflippy schreef op maandag 23 januari 2023 @ 19:23:
[...]
voor de meeste is het niet de extra knaken waard. de delen buiten gewoon 2 lagen dik kruislings intapen en/of anderzijds beschermen.
AF moet je ook intapen want als de volgels het eenmaal hebben gezien nemen ze het mee om nesten van te maken.
Welk merk/type praten we over?mnugter schreef op donderdag 9 februari 2023 @ 15:09:
Gezien de torenhoge prijzen van alle offertes zit ik nu te denken aan het volgende. Ik wil uiteindelijk naar een volledig elektrische oplossing toe voor verwarming en SSW.
Ik zit vast aan een bepaald type split unit vanwege vergunning, f-gassen is dus nodig en daarnaast ben ik zelf niet in staat om verdere aanleg zelf te doen van de buitenunit naar binnen en is een installateur dus nodig. De aankoop van een groot genoeg SSW vat inclusief de extra installatie-kosten die dit vast met zich meebrengen lijkt het mij een optie om die voorlopig nog even uit te stellen, zou zou zomaar een paar duizend kunnen schelen op de offerte.
Nu is alleen mijn vraag: is dit 1 een goed idee en 2 kan ik zelf later makkelijk SSW toevoegen? Mijn simpele brein met een beetje klus-ervaring zegt dat het simpelweg een SSW vat en wat leiding-werk plaatsen is in het geval van een split-unit?
Je kan altijd hybride aansluiten en later full electric.
Een boiler vat met driewegklep erbij plaatsen is niet moeilijk.
WP: Mitsubishi Ecodan PUHZ-SW75YAA + EHST20D-VM2D / PV: 2150Wp Z/O 132° en 2580Wp N/W 312° Ik wil een warmtepomp.nu
En hij installeert ook wel eens warmtepompen voor zwembaden.
Hij gebruikt dan warmtelint om de leidingen.
Heeft een eigen thermostaat en gaat onder de 5 graden aan (dacht ik).
Top, bedankt voor je antwoord. Dat geeft al wat vertrouwen om het zo te proberen.DutchWing schreef op donderdag 9 februari 2023 @ 16:08:
[...]
Welk merk/type praten we over?
Je kan altijd hybride aansluiten en later full electric.
Een boiler vat met driewegklep erbij plaatsen is niet moeilijk.
Het moet een Daikin Altherma ERGA08EV worden voor de buiten-unit. Binnen-unit is weer vrij gezien dat binnen is maar zal waarschijnlijk deze EHBH08E9W (9kw backup) of deze EHBH08E6V (2kw backup) worden.
Waarom zou je een warmtelint om de leidingen doen? Om welke leidingen dan?Rzaan schreef op donderdag 9 februari 2023 @ 16:32:
Er is hier iemand airco aan het sluiten.
En hij installeert ook wel eens warmtepompen voor zwembaden.
Hij gebruikt dan warmtelint om de leidingen.
Heeft een eigen thermostaat en gaat onder de 5 graden aan (dacht ik).
Zo'n lint kan hooguit handig zijn voor de condensafvoer als je geen grindput hebt, maar je bij een defrost het water af moet voeren door PVC. Maar je gaat toch geen warmtelint om je CV-leidingen of koelleidingen doen?
WP: Toshiba Estia 8kW split HWT-801H(R)W-E + HWT-1101 binnenunit met 300 liter SWW tank. PV: 4 strings, totaal 12590 Wp
Zoals ik het begrijp zitten er bij een WP zoals een Panansonic Monobloc toch een ingaande en een uitgaande waterleiding die bijvoorbeeld naar je VV gaat?Blihi schreef op donderdag 9 februari 2023 @ 17:10:
[...]
Waarom zou je een warmtelint om de leidingen doen? Om welke leidingen dan?
Zo'n lint kan hooguit handig zijn voor de condensafvoer als je geen grindput hebt, maar je bij een defrost het water af moet voeren door PVC. Maar je gaat toch geen warmtelint om je CV-leidingen of koelleidingen doen?
Als je dan de waterleidingen die buiten zitten, omwikkelt met warmtelint, kunnen ze niet bevriezen. Ook als de pomp stil staat.
dat is niet nodig want de panasonic start de pomp gewoon eventjes als het water te koud word. al komst dat niet echt voor omdat je toch 24/7 vraag hebt als het koud is buiten.Rzaan schreef op donderdag 9 februari 2023 @ 17:31:
[...]
Zoals ik het begrijp zitten er bij een WP zoals een Panansonic Monobloc toch een ingaande en een uitgaande waterleiding die bijvoorbeeld naar je VV gaat?
Als je dan de waterleidingen die buiten zitten, omwikkelt met warmtelint, kunnen ze niet bevriezen. Ook als de pomp stil staat.
het word pas een issue als je meerdere uren geen stroom hebt en non stop vriest en ook nog eens niet thuis bent, maar dan gaat dat warmtelint ook ook weinig doen.
[ Voor 6% gewijzigd door flippy op 09-02-2023 17:39 ]
wat een geheim agent toch allemaal niet moet doen om incognito op zijn werk te verschijnen
En, hoe is het afgelopen?wrapper83 schreef op dinsdag 7 februari 2023 @ 23:08:
Heb er nog eentje liggen die er tussen kan:
[Afbeelding]
Nu geen last meer van lucht na het verwarmen?
LG-HM071MR-U44 / SWW Hewalex PCWU 3.0 / PV SMA + Jinko 14 kWp / Kia e-Niro
Wat gaat er eigenlijk meestal stuk in zo'n Pana Monobloc (J type) als het vriest EN de stroom ligt er langere tijd af?flippy schreef op donderdag 9 februari 2023 @ 17:38:
[...]
dat is niet nodig want de panasonic start de pomp gewoon eventjes als het water te koud word. al komst dat niet echt voor omdat je toch 24/7 vraag hebt als het koud is buiten.
het word pas een issue als je meerdere uren geen stroom hebt en non stop vriest en ook nog eens niet thuis bent, maar dan gaat dat warmtelint ook ook weinig doen.
Is dat een hele serie dingen of beperkt het zich tot enkele dingen?
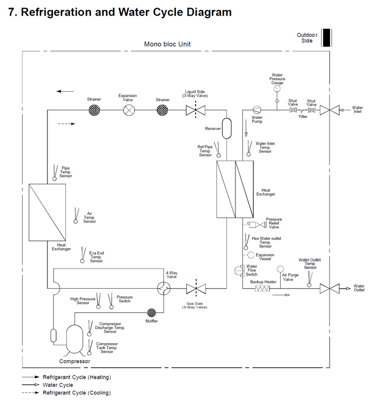
Als ik naar het blokschema kijk dan kan ik me wel een paar dingen voorstellen...
/f/image/MXQm6IBmAtXsj2XpnWSz2G7I.png?f=fotoalbum_large)
Doet me er overigens aan denken (staat er ook als waarschuwing) dat ik een goed aftappunt moet maken die lager zit dan de retour ingang... ('k heb wel kogelkraan aftapkraantjes in de kruipruimte, maar is wellicht wat karig)
Gasloos sinds feb23, WP: Pana Mono 9j, WPB: Auer Air 200l, PV: 14x290 Wp
wat stuk gaat in het ergste geval is de wisselaar. dan is het eigenlijk einde machine tenzij je aircoman kan vinden met een cat 1 papiertje en ook op dat nivo werkt. cat 2 installateurs (de lokale gasketelboer die splitjes doet in de zomer) hebben echt niet genoeg kaas gegeten van die werkzaamheden en kunnen doen op het nivo dat het ook goed gebeurt.dof schreef op donderdag 9 februari 2023 @ 22:24:
[...]
Wat gaat er eigenlijk meestal stuk in zo'n Pana Monobloc (J type) als het vriest EN de stroom ligt er langere tijd af?
Is dat een hele serie dingen of beperkt het zich tot enkele dingen?
Als ik naar het blokschema kijk dan kan ik me wel een paar dingen voorstellen...
[Afbeelding]
Doet me er overigens aan denken (staat er ook als waarschuwing) dat ik een goed aftappunt moet maken die lager zit dan de retour ingang... ('k heb wel kogelkraan aftapkraantjes in de kruipruimte, maar is wellicht wat karig)
meeste andere dingen zoals de flowmeter en pomp zijn plastic en gaan als eerste.
beste is als het vriest en er is een langdurige stroomuitval is om even naar buiten te lopen, paneeltje losmaken (die je toch braaf elk jaar openmaakt om filter te reinigen

1 stap verder is een hybride omvormer met EPS uitgang (en een accu) kopen voor de zonnepanelen en de warmtepomp op de EPS uitgang zetten zodat die kan doorlopen op de accu bij stroomuitval....

iets meer budgetvriendelijke oplossing is een server UPS op de top tikken voor weinig (zie vraag en aanbod) en die thermostaatsignaal laten onderbreken. dan kan de WP door blijven draaien op de UPS zonder te verwarmen maar blijft de unit wel af en toe de pomp starten.
(ik ben zelf alles aan het voorbereiden voor de EPS versie
[ Voor 13% gewijzigd door flippy op 09-02-2023 22:55 ]
wat een geheim agent toch allemaal niet moet doen om incognito op zijn werk te verschijnen
LG HM091MR.U44 - OEG 300liter 516005190 warmte wisselaar boiler - Solaredge / Growatt 4800 kWh
Mooi! Nu dus die 8 bar inlaatcombinatie in de koudwaterleiding naar de boiler? Zat dat expansievat nou in de koudwaterleiding of de warmwaterleiding?wrapper83 schreef op donderdag 9 februari 2023 @ 22:44:
@Jojan265 , thanks for asking! Nope geen issues meer! Allemaal hartelijk bedankt voor meedenken en aandragen van het weghalen van het expansie vat!
Panasonic J 7kW WP, boiler & HeishaMon, 6022 Wp PV, Enphase+ST GW, SOLAX SK-SU3000E 13kWh BESS, ITHO Qualityflow WTW, Elvi Smart Charging+ laadpunt, Kia EV6 84kWh EA MY25, gasloos '23
LG HM091MR.U44 - OEG 300liter 516005190 warmte wisselaar boiler - Solaredge / Growatt 4800 kWh
Dank voor de info!flippy schreef op donderdag 9 februari 2023 @ 22:36:
[...]
wat stuk gaat in het ergste geval is de wisselaar. dan is het eigenlijk einde machine tenzij je aircoman kan vinden met een cat 1 papiertje en ook op dat nivo werkt. cat 2 installateurs (de lokale gasketelboer die splitjes doet in de zomer) hebben echt niet genoeg kaas gegeten van die werkzaamheden en kunnen doen op het nivo dat het ook goed gebeurt.
meeste andere dingen zoals de flowmeter en pomp zijn plastic en gaan als eerste.
beste is als het vriest en er is een langdurige stroomuitval is om even naar buiten te lopen, paneeltje losmaken (die je toch braaf elk jaar openmaakt om filter te reinigen) en gewoon filter eruit trekken en systeem leeg laten lopen daar en werkschakelaar uitzetten tot de stroom trugkomt. als die tergukomt installatie weer vullen (niet vergeten filter weer erin te doen). ding aanzetten en 30 min wachten zodat carterverwarming zijn werk kan doen voor je de thermostaat aanzet en vraag geeft.
1 stap verder is een hybride omvormer met EPS uitgang (en een accu) kopen voor de zonnepanelen en de warmtepomp op de EPS uitgang zetten zodat die kan doorlopen op de accu bij stroomuitval....
iets meer budgetvriendelijke oplossing is een server UPS op de top tikken voor weinig (zie vraag en aanbod) en die thermostaatsignaal laten onderbreken. dan kan de WP door blijven draaien op de UPS zonder te verwarmen maar blijft de unit wel af en toe de pomp starten.
(ik ben zelf alles aan het voorbereiden voor de EPS versie)
Ik wil inderdaad wel een soort wat-te-doen noodplan klaar leggen voor als zoiets zich voordoet. Ben niet altijd aanwezig, en ook als je b.v. in de winter op vakantie bent is zo'n noodplan voor anderen wel handig.
Het kan natuurlijk ook met van die Caleffi Vorstbeveiligingskleppen, maar die zijn behoorlijk duur, ook al omdat je dan twee moet hebben. En hoe houden die dingen zich na een paar jaar passieve dienst...?
Een noodstroom oplossing is natuurlijk helemaal mooi (een UPS) of wat je schetst met PV omvormer en accu, maar dat is me nu nog teveel toekomstmuziek
Gasloos sinds feb23, WP: Pana Mono 9j, WPB: Auer Air 200l, PV: 14x290 Wp
Daar zijn ook gewoon instructies voor, over het "algemeen" 3/4 slag. Sinds ik knelkoppelingen gebruik, was in het begin een dis belever alles solderen, altijd volgens voorschrift aangetrokken en feitelijk altijd dicht.Gary199 schreef op zondag 5 februari 2023 @ 21:42:
[...]
En om te beginnen: wat knelverbindingen maken als proefstuk om aantrekkoppel te ervaren en te herkennen.
24x170SF, oost (105 graden), 25 graden, Steca3600/ 5D, 17-40, 24-105, 70-200/ WH-MDC05F3E5, 50L E-boiler, Gasloos per27-01-2017
Die vorstkleppen zijn drama. Altijd probleemgevallen.dof schreef op donderdag 9 februari 2023 @ 23:22:
[...]
Dank voor de info!
Ik wil inderdaad wel een soort wat-te-doen noodplan klaar leggen voor als zoiets zich voordoet. Ben niet altijd aanwezig, en ook als je b.v. in de winter op vakantie bent is zo'n noodplan voor anderen wel handig.
Het kan natuurlijk ook met van die Caleffi Vorstbeveiligingskleppen, maar die zijn behoorlijk duur, ook al omdat je dan twee moet hebben. En hoe houden die dingen zich na een paar jaar passieve dienst...?
Een noodstroom oplossing is natuurlijk helemaal mooi (een UPS) of wat je schetst met PV omvormer en accu, maar dat is me nu nog teveel toekomstmuziekEn een kleine dieselgenerater voor noodstroom voor de warmtepomp is natuurlijk helemaal een gotspe
wat een geheim agent toch allemaal niet moet doen om incognito op zijn werk te verschijnen
prima toch ?hrt schreef op donderdag 9 februari 2023 @ 23:24:
[...]
Daar zijn ook gewoon instructies voor, over het "algemeen" 3/4 slag. Sinds ik knelkoppelingen gebruik, was in het begin een dis belever alles solderen, altijd volgens voorschrift aangetrokken en feitelijk altijd dicht.
maar heb je weinig aan als iets los is geweest.
Je moeder... Koevlaas2 heeft net weer € 1200,- neergelegd voor een electrisch buigapparaat, wel een handig trouwens.
13,1 kWp, Ecodan R32 7,5 , WTW ventilatie, Daikin FTXM35M(R) (5x), Doorstroomverwarmer, Douche WTW, Emco Novette Twin met LFP accu 51.2V 40Ah, Opel Vivaro DC L3H1 75kW (12-2022).
Dacht ik toch dat bij jou in de buurt de spreuk is:koevlaas2 schreef op donderdag 9 februari 2023 @ 23:39:
[...]
Je moeder... Koevlaas2 heeft net weer € 1200,- neergelegd voor een electrisch buigapparaat, wel een handig trouwens.
"een sterke meid is op het buigen voorbereid "
niksMisterB schreef op donderdag 9 februari 2023 @ 23:52:
gents wat mag een onderhouds contract op een wp installatie (split unit / sww boiler) ongeveer (orde grootte) per jaar kosten ?
geloof wat je wilt, wat wil je uberhaupt onderhouden ?
De verdamper reinigen, vuilfilter, zeefje, bodem/bemanteling buitenunit.Gary199 schreef op vrijdag 10 februari 2023 @ 00:01:
[...]
geloof wat je wilt, wat wil je uberhaupt onderhouden ?
Stromen meten, flow meten.
Temperaturen meten van primair en secundair circuit.
Algehele visuele controle printplaten.
Veiligheidsventielen op lekkage.
Expansievat op voordruk.
Instellingen nalopen.
Controle op lekkage/dichtheid.
Algeheel functioneren van de warmtepomp.
Eventueel niet nader genoemde punten, sommige punten zijn afhankelijk van constatering etc.
WP: Mitsubishi Ecodan PUHZ-SW75YAA + EHST20D-VM2D / PV: 2150Wp Z/O 132° en 2580Wp N/W 312° Ik wil een warmtepomp.nu
Ik doe dan met de hand aandraaien en 1/3 slag aantrekken.Gary199 schreef op donderdag 9 februari 2023 @ 23:36:
[...]
prima toch ?
maar heb je weinig aan als iets los is geweest.

24x170SF, oost (105 graden), 25 graden, Steca3600/ 5D, 17-40, 24-105, 70-200/ WH-MDC05F3E5, 50L E-boiler, Gasloos per27-01-2017
Buigen is ook een vak; dit vond ik bij het afstrippen van stukje isolatie (had de cv installateur maar even over z'n miskleun met 28mm buis geschoven...)koevlaas2 schreef op donderdag 9 februari 2023 @ 23:39:
[...]
Je moeder... Koevlaas2 heeft net weer € 1200,- neergelegd voor een electrisch buigapparaat, wel een handig trouwens.

Enfin, dit ga ik er ook maar even afzagen...
/f/image/k5gqSQczcyaLQZTjIr5KMZGK.png?f=fotoalbum_large)
Gasloos sinds feb23, WP: Pana Mono 9j, WPB: Auer Air 200l, PV: 14x290 Wp
Wat heeft dat met buigen te maken? Ah! over de knie natuurlijk!dof schreef op vrijdag 10 februari 2023 @ 00:11:
[...]
Buigen is ook een vak; dit vond ik bij het afstrippen van stukje isolatie (had de cv installateur maar even over z'n miskleun met 28mm buis geschoven...)![]()
Enfin, dit ga ik er ook maar even afzagen...
[Afbeelding]
24x170SF, oost (105 graden), 25 graden, Steca3600/ 5D, 17-40, 24-105, 70-200/ WH-MDC05F3E5, 50L E-boiler, Gasloos per27-01-2017
Ja, hij had een flauwe bocht willen buigenhrt schreef op vrijdag 10 februari 2023 @ 00:14:
[...]
Wat heeft dat met buigen te maken? Ah! over de knie natuurlijk!
Gasloos sinds feb23, WP: Pana Mono 9j, WPB: Auer Air 200l, PV: 14x290 Wp
geweldig, vooral dat nalopen. expansievat even tegen aan tikken.DutchWing schreef op vrijdag 10 februari 2023 @ 00:09:
[...]
De verdamper reinigen, vuilfilter, zeefje, bodem/bemanteling buitenunit.
Stromen meten, flow meten.
Temperaturen meten van primair en secundair circuit.
Algehele visuele controle printplaten.
Veiligheidsventielen op lekkage.
Expansievat op voordruk.
Instellingen nalopen.
Controle op lekkage/dichtheid.
Algeheel functioneren van de warmtepomp.
Eventueel niet nader genoemde punten, sommige punten zijn afhankelijk van constatering etc.
visuele controle printplaten, en vooral de haarscheurtjes ?
Ik heb dezelfde vraag gesteld aan een WP-installateur. Het antwoord was: niks
en wat moet dat kosten is de vraag
beetje veel he die 1/3 hier. een kwart is al teveel.hrt schreef op vrijdag 10 ft is al teveel.ebruari 2023 @ 00:11:
[...]
Ik doe dan met de hand aandraaien en 1/3 slag aantrekken.
Ik ben ook nog wel benieuwd of iemand een antwoord heeft op deze vraag eigenlijk...Evanrvb schreef op woensdag 8 februari 2023 @ 14:47:
[...]
Eergisteren ging het over de geluidproductie bij een WP en dat Vaillant mooi dik bitumen in de WP heeft. Nu ben ik het een en andere aan het bestellen voor mijn installatie en kwam ik aan bij zelfklevend Armaflex 19mm. Heeft iemand dit wel eens in zijn WP geplakt om extra geluidsisolatie aan te brengen?
Geen idee of het nodig is voor mijn WP (geluidsniveau van 47dB(A) (wat volgens mij de verkeerde meetwaarde is)) en of dat überhaupt nog past aan de binnenkant. Armaflex is natuurlijk ook niet zwaar zoals de bovenplaat bij de Vaillant, maar het heeft wel geluidsisolerende werking.
Ik ben benieuwd of iemand dit al eens uitgeprobeerd heeft. Ik heb geprobeerd een beetje te zoeken in het topic maar ik kon er niets over vinden.
Al zijn er voor geluidsisolatie ws betere middelen dan Armaflex?
Denk niet dat je veel zal winnen. De dominante factor is de ventilator en die is ook behoorlijk stil. Wat je wel hoort is dat als hij tegen een defrost aanloopt meer herrie maakt. Maar dat komt door de stromingsweerstand die het ijs veroorzaakt.RulazZ schreef op vrijdag 10 februari 2023 @ 08:09:
[...]
Ik ben ook nog wel benieuwd of iemand een antwoord heeft op deze vraag eigenlijk...
Al zijn er voor geluidsisolatie ws betere middelen dan Armaflex?
17,5 kWp zuid Vaillant Arotherm plus 55/6, 75/6 en 125/6
Hmmm, compressor hoor ik toch ook echt wel. Vooral als 'ie er hard aan moet trekken. Ik ga m'n geluk beproeven met Noico 2 mm zelfklevende ontdreuningsmat op de grotere plaatdelen. Resultaten volgen later. Werkt 't niet (genoeg) dan zoek ik verder.ds23man schreef op vrijdag 10 februari 2023 @ 08:17:
[...]
Denk niet dat je veel zal winnen. De dominante factor is de ventilator en die is ook behoorlijk stil. Wat je wel hoort is dat als hij tegen een defrost aanloopt meer herrie maakt. Maar dat komt door de stromingsweerstand die het ijs veroorzaakt.
Ik bedoel dat je bij Vaillant niet veel meer kan verbeteren.Jaap19 schreef op vrijdag 10 februari 2023 @ 08:24:
[...]
Hmmm, compressor hoor ik toch ook echt wel. Vooral als 'ie er hard aan moet trekken. Ik ga m'n geluk beproeven met Noico 2 mm zelfklevende ontdreuningsmat op de grotere plaatdelen. Resultaten volgen later. Werkt 't niet (genoeg) dan zoek ik verder.
17,5 kWp zuid Vaillant Arotherm plus 55/6, 75/6 en 125/6
Vaillant lijkt het inderdaad goed voor elkaar te hebben. Volgens mij ging het er in de vraagstelling door @Evanrvb ook om om het bijna net zo goed te krijgen als bij de Vaillantds23man schreef op vrijdag 10 februari 2023 @ 08:25:
[...]
Ik bedoel dat je bij Vaillant niet veel meer kan verbeteren.
Die ontdreuningsmatten klinken in elk geval wel interessant @Jaap19 , ik houd me aanbevolen voor de onderzoeksresultaten
[ Voor 14% gewijzigd door RulazZ op 10-02-2023 08:46 ]
Knappe jongen die 28 mm koper over de knie buigt hoorhrt schreef op vrijdag 10 februari 2023 @ 00:14:
[...]
Wat heeft dat met buigen te maken? Ah! over de knie natuurlijk!
Het ging inderdaad juist om een andere WP dan Vaillant. Ik zal vandaag eens kijken wat er qua ruimte zit in de kast zelf. Ontdreuningsmatten klinkt ook als een goede optie, maar dit lijkt wel hard materiaal te zijn?RulazZ schreef op vrijdag 10 februari 2023 @ 08:45:
[...]
Vaillant lijkt het inderdaad goed voor elkaar te hebben. Volgens mij ging het er in de vraagstelling door @Evanrvb ook om om het bijna net zo goed te krijgen als bij de Vaillant
Die ontdreuningsmatten klinken in elk geval wel interessant @Jaap19 , ik houd me aanbevolen voor de onderzoeksresultaten
Het hangt natuurlijk van de oorzaak van het geluid af. Komt dit door trillingen in het metaal of vanuit de brom van de compressor? Want als de compressor het meeste geluid maakt dan verwacht ik dat zacht isolatie materiaal meer effect heeft.
Aan de andere kant.. ontdreuningsmatten worden ook o.a. gemaakt van bitumen, als dat dus de truc is van Vaillant dan zou het wel moeten werken. Ik ben ook benieuwd @Jaap19
Wat zou je willen onderhouden aan die installatie?MisterB schreef op donderdag 9 februari 2023 @ 23:52:
gents wat mag een onderhouds contract op een wp installatie (split unit / sww boiler) ongeveer (orde grootte) per jaar kosten ?
Een keer per jaar de filters in je CV leidingen schoon maken (als je die er in hebt zitten) en een keer de stofzuiger door de binnenunit. Verder valt er toch helemaal niets aan te onderhouden.
Bij een airco (L/L WP) heb je nog filters in de binnenunit die je even moet schoonmaken en de condensafvoer die een keer doorgespoeld kan worden, maar ook daar heb je verder geen onderhoud aan de buitenunit.
WP: Toshiba Estia 8kW split HWT-801H(R)W-E + HWT-1101 binnenunit met 300 liter SWW tank. PV: 4 strings, totaal 12590 Wp
De ventilator hoor je bij een Midea WP in normale stand eigenlijk ook gewoon niet inderdaad. Ja als je met je oor tegen de kast aan gaat, maar het is dan vooral de luchtstroom. Ik heb hem nog niet gehoord bij defrost dus ik ben benieuwd.ds23man schreef op vrijdag 10 februari 2023 @ 08:17:
[...]
Denk niet dat je veel zal winnen. De dominante factor is de ventilator en die is ook behoorlijk stil. Wat je wel hoort is dat als hij tegen een defrost aanloopt meer herrie maakt. Maar dat komt door de stromingsweerstand die het ijs veroorzaakt.
Je auto zit ook vol met ontdreuningsmatten. Maar eerst een grondige analyse is wel handig.Evanrvb schreef op vrijdag 10 februari 2023 @ 08:55:
[...]
Het ging inderdaad juist om een andere WP dan Vaillant. Ik zal vandaag eens kijken wat er qua ruimte zit in de kast zelf. Ontdreuningsmatten klinkt ook als een goede optie, maar dit lijkt wel hard materiaal te zijn?
Het hangt natuurlijk van de oorzaak van het geluid af. Komt dit door trillingen in het metaal of vanuit de brom van de compressor? Want als de compressor het meeste geluid maakt dan verwacht ik dat zacht isolatie materiaal meer effect heeft.
Aan de andere kant.. ontdreuningsmatten worden ook o.a. gemaakt van bitumen, als dat dus de truc is van Vaillant dan zou het wel moeten werken. Ik ben ook benieuwd @Jaap19
17,5 kWp zuid Vaillant Arotherm plus 55/6, 75/6 en 125/6
Een keer met de tuinslang? Het hangt er een beetje vanaf waar het ding staat, maar meer dan een keer afspuiten met een tuinslang is niet nodig.DutchWing schreef op vrijdag 10 februari 2023 @ 00:09:
[...]
De verdamper reinigen, vuilfilter, zeefje, bodem/bemanteling buitenunit.
Dat doet de monitoring hier vanzelf.Stromen meten, flow meten.
Temperaturen meten van primair en secundair circuit.
Naar een printplaat kijken? Serieus? Doe je dat met al je apparaten?Algehele visuele controle printplaten.
Voor een leek iets minder eenvoudig misschien, maar zeker niet iets waar je een onderhoudscontract voor nodig hebt.Veiligheidsventielen op lekkage.
Expansievat op voordruk.
Want? Die veranderen niet uit zichzelf hoor.Instellingen nalopen.
ook hiervoor is echt geen onderhoudscontract nodig. Als je al twijfelt aan de dichtheid van het koelmiddel gedeelte zou ik gewoon eens in de zoveel jaar iemand laten komen om dat even te controleren. En lekkage CV zijdig kom je hopelijk wel snel genoeg zelf achter.Controle op lekkage/dichtheid.
Algeheel functioneren van de warmtepomp.
Eventueel niet nader genoemde punten, sommige punten zijn afhankelijk van constatering etc.
WP: Toshiba Estia 8kW split HWT-801H(R)W-E + HWT-1101 binnenunit met 300 liter SWW tank. PV: 4 strings, totaal 12590 Wp
Klopt en die maakt toch heel wat andere bewegingen dan een warmtepomp, waardoor er meer metaal trillingen voorkomen. Als het goed isds23man schreef op vrijdag 10 februari 2023 @ 09:01:
[...]
Je auto zit ook vol met ontdreuningsmatten. Maar eerst een grondige analyse is wel handig.
Hier vindt je een hoop informatie en producten:Evanrvb schreef op vrijdag 10 februari 2023 @ 09:04:
[...]
Klopt en die maakt toch heel wat andere bewegingen dan een warmtepomp, waardoor er meer metaal trillingen voorkomen. Als het goed isGrondige analyse is altijd goed, ik ben benieuwd hoeveel ik erover al kan vinden. En anders gaan we het proefsgewijs ondervinden
https://www.akoestiekwink...3BeAq_EAAYASAAEgK-T_D_BwE
17,5 kWp zuid Vaillant Arotherm plus 55/6, 75/6 en 125/6
Hoe is het mogelijk dat er zulke prijzen voor warmtepompen gevraagd worden?jassie256 schreef op woensdag 8 februari 2023 @ 21:26:
Hij rekende 2500€ voor een nieuwe cv installeren en nu €17k voor WP. Beide ex btw dus bijna 21k voor installeren en materiaal.
Type: Alpha Innotec lwd 50, met 120l cv boiler vat en 300l (type wws 302) voor warm water.
Voor de LWD 50 kan ik zo snel geen prijs vinden, maar een LWD 70 moet € 6.348,43 kosten.
Het is toch niet meer dan een veredelde koelkast? Wat zit er allemaal in een warmtepomp dat dat zo duur moet zijn?
Ik snap het echt niet.
Signatures zijn voor boomers.
Ik heb een profi machine gehuurd. Werkt geweldig voor € 17,- per dag. Ook bij 28mm geen insnoering.koevlaas2 schreef op donderdag 9 februari 2023 @ 23:39:
[...]
Je moeder... Koevlaas2 heeft net weer € 1200,- neergelegd voor een electrisch buigapparaat, wel een handig trouwens.
https://www.apreco.nl/bui...buigmachine-curvo-50.html.
Ik heb meteen alle reststukjes ook gebogen in 45 en 90 graden bochten voor als ik ze nog eens nodig heb. Dan hoef ik als dhz-er alleen rechte koppelingen te gebruiken.
SMA STP10000TL20 met 10440 Wp 35°Zuid, Intergas Xtreme36 met Remeha Elga Ace 6kW
Ja die rare prijzen houden mij ook af om een warmtepomp te nemen. Ik lees vaker €17K voor een 7kw warmtepomp... Dan vervang ik toch liever nog even snel m'n gas CVMaasluip schreef op vrijdag 10 februari 2023 @ 09:21:
[...]
Hoe is het mogelijk dat er zulke prijzen voor warmtepompen gevraagd worden?
Voor de LWD 50 kan ik zo snel geen prijs vinden, maar een LWD 70 moet € 6.348,43 kosten.
Het is toch niet meer dan een veredelde koelkast? Wat zit er allemaal in een warmtepomp dat dat zo duur moet zijn?
Ik snap het echt niet.
Dit topic is gesloten.