Panasonic Warmtepomp 101: Installatie en Optimalisatie #2 Vorige deel Overzicht

Pagina: 1 ... 70 ... 89 Laatste
Acties:

Acties:
  • 0 Henk 'm!

  • ErikVers
  • Registratie: April 2020
  • Laatst online: 23:06

ErikVers

e-Duurzaam

Trent schreef op vrijdag 18 oktober 2024 @ 13:53:
Pana tank verwarmen doet wat raar vind ik. Ik vraag 53 °C en de tank heater zou inkomen na 40 minuten maar doet dat niet (mag wellicht wel een stuk hoger). Zodra de outlet water temp. naar 61 °C gaat, slaat de compressor af. Om 10 minuten later weer te starten voor 10 minuten.

Is dat pendelen wel normaal?

[Afbeelding]
Ik zie dit wel eens vaker terug bij klanten, met name met hoge buitentemperaturen en al vrij warm water in het vat. En dit bij de niet HI versie. Mijn conclusie is dat het standaard spiraal aan de kleine kant is (uit mijn hoofd maar 1.8m2…) en met vrij warme omgeving (het DHW) rond het spiraal vrij weinig afgifte kan plaatsvinden en daarmee het vermogen van je warmtepomp te hoog is bij warmer weer.

Ok tot zo ver de ellende, (voor wie nog gaat aanschaffen pak de HI versie 😜👍✅)

Wat je kan proberen is je hysterese groter/hoger instellen zodat je vat meer mag afkoelen voordat aanslaat en accepteren dat met warmer weer je soms deze overshoot hebt.
Dus setpoint bijvoorbeeld aanpassen +2 en je hysterese (delta) aanpassen +2tot4 afhankelijk het comfortabel blijft waarbij +4 tov huidige hysterese mooier is om mee te testen.

Dus bijvoorbeeld:
Setpoint: 53/55
Delta: 8/10

[ Voor 6% gewijzigd door ErikVers op 18-10-2024 22:55 ]

WP Pana 5H - Solar 6m2 icm 300liter - PV 8970Wp: 27stuks Solar - Home Assistant - VW ID3 First 20” |


Acties:
  • 0 Henk 'm!

  • Trent
  • Registratie: Maart 2011
  • Laatst online: 13-06 15:54
Pejdref schreef op vrijdag 18 oktober 2024 @ 22:26:
[...]

Het gaat om de PAW-TD30C1E5.
Ik heb dezelfde. Dus de originele houder is niet zo goed. Morgen eens wat tweaken dan

Acties:
  • 0 Henk 'm!

  • Trent
  • Registratie: Maart 2011
  • Laatst online: 13-06 15:54
@ErikVers interessante info. ik had de delta toevallig net verlaagd van 8 naar 6 graden 😅. Heb je ooit geprobeerd het pompdebiet te verlagen? In theorie zou dat kunnen helpen. Alleen zijn die settings nogal cryptisch. Ook zou je het dan moeten automatiseren want dan zal het voor vvw ook gelden? En dat lijkt me wat riskant voor niet technische klanten

Acties:
  • 0 Henk 'm!

  • ErikVers
  • Registratie: April 2020
  • Laatst online: 23:06

ErikVers

e-Duurzaam

Trent schreef op vrijdag 18 oktober 2024 @ 23:31:
@ErikVers interessante info. ik had de delta toevallig net verlaagd van 8 naar 6 graden 😅. Heb je ooit geprobeerd het pompdebiet te verlagen? In theorie zou dat kunnen helpen. Alleen zijn die settings nogal cryptisch. Ook zou je het dan moeten automatiseren want dan zal het voor vvw ook gelden? En dat lijkt me wat riskant voor niet technische klanten
Wat betreft pompsnelheid geef je zelf ook al de antwoorden 😜 je bent gebonden aan de voorgeschreven snelheid om in te stellen want anders kun je het maximale vermogen niet door je vvw krijgen.

Wat je nog zou kunnen proberen is een weerstand in je tapwater leiding te genereren waardoor daardoor debiet lager wordt tijdens dhw run. Wellicht heb je een kraan op je dhw gedeelte om mee te knijpen? Maar let op; onder de 7 l/min kans op storing in standaard bedrijf en tijdens een defrost ook met hogere debieten kans dat in foutcode gaat. Zou voor mij geen oplossing zijn.

Zou eerst met mijn andere twee genoemde waarde spelen om te kijken of dit het op een acceptabel niveau brengt.

WP Pana 5H - Solar 6m2 icm 300liter - PV 8970Wp: 27stuks Solar - Home Assistant - VW ID3 First 20” |


Acties:
  • 0 Henk 'm!

  • dicespark
  • Registratie: Augustus 2011
  • Niet online
Mede-tweaker(t)s,

Ik heb even een zetje in de goede richting nodig. Ik heb sinds mei een Pana J 9kW draaien en het werkt, dus is het nu tijd voor optimalisatie.
Ik draai nu op WAR + Pana-controller. Hierbij loop ik ook aan tegen het bekende euvel van de 'schakelbreedte' van slechts één graad. Daarnaast zou ik via Home Assistant (ik heb een Heishamon) 'iets slims' willen doen, zodat ik optimaal gebruik kan maken van dynamische tarieven. Nu doe ik dat om op de goedkoopste momenten 's nachts de doeltemperatuur één graad te verhogen (indien nodig).

Kortom, mijn wensen:
  • Fijnmazigere afstelling dan één graad
  • WAR als basis
  • Inspelen op dynamische tarieven via Heishamon + HA.
Maar waar moet ik nou precies beginnen?

Acties:
  • +1 Henk 'm!

  • bbbrumbrum
  • Registratie: November 2003
  • Niet online
dicespark schreef op zaterdag 19 oktober 2024 @ 11:36:
Mede-tweaker(t)s,

Ik heb even een zetje in de goede richting nodig. Ik heb sinds mei een Pana J 9kW draaien en het werkt, dus is het nu tijd voor optimalisatie.
Ik draai nu op WAR + Pana-controller. Hierbij loop ik ook aan tegen het bekende euvel van de 'schakelbreedte' van slechts één graad. Daarnaast zou ik via Home Assistant (ik heb een Heishamon) 'iets slims' willen doen, zodat ik optimaal gebruik kan maken van dynamische tarieven. Nu doe ik dat om op de goedkoopste momenten 's nachts de doeltemperatuur één graad te verhogen (indien nodig).

Kortom, mijn wensen:
  • Fijnmazigere afstelling dan één graad
  • WAR als basis
  • Inspelen op dynamische tarieven via Heishamon + HA.
Maar waar moet ik nou precies beginnen?
Maar ‘s nachts draaien is toch dubbel slecht: lagere COP en je draait (deels) op fossiel als het niet goed waait. Alhoewel je de CO2 uitstoot per kWh gewoon kan meenemen als voorwaarde in je automation.

Acties:
  • +1 Henk 'm!

  • dicespark
  • Registratie: Augustus 2011
  • Niet online
bbbrumbrum schreef op zaterdag 19 oktober 2024 @ 12:50:
[...]

Maar ‘s nachts draaien is toch dubbel slecht: lagere COP en je draait (deels) op fossiel als het niet goed waait. Alhoewel je de CO2 inhoud per kWh gewoon kan meenemen als voorwaarde in je automation.
Oh ja. Al was dat niet mijn vraag, toch wat geleerd.

Acties:
  • 0 Henk 'm!

  • Trent
  • Registratie: Maart 2011
  • Laatst online: 13-06 15:54
@Pejdref @ErikVers eerst wat met het pennetje spelen. Heb nu dat gat ontdaan van (PIR?) isolatierestjes waar de sensor zit en dan opgekuist met isopropylalcohol. Volgende stap is de sensor ertegen klemmen met isolatie. Zover ik kan zien zit hij er best goed tegen. Mss dat de ruimte rond de sensor opvullen idd meer effect heeft

en edit: sensor recht gehouden en met rotswol het gat half gevuld en dan de Panasonic sensorhouder (dat ding uit isolatieschuim) er tegenaan om het geheel te klemmen. Tanktemperatuur op een minuut of 4 van 50 naar 53 ° C en dat terwijl de WP aan 50 ° C gestopt is wegens te hoge inlet (of outlet) temp.

Hoe zouden jullie vaststellen of een sensor correct meet? IR-thermometer in het gat mikken? Heb de indruk dat hij wat calibratie kan gebruiken:-) Kraan opendraaien en daar de watertemp. meten zal niet zo nauwkeurig zijn vermoed ik

[ Voor 44% gewijzigd door Trent op 19-10-2024 16:41 ]


Acties:
  • 0 Henk 'm!

  • bbbrumbrum
  • Registratie: November 2003
  • Niet online
Heb je er ook wat koelpasta of massieve TIM tussen gedaan? Maar uiteindelijk blijft een dompelbuis zoals een paar dagen terug besproken de beste optie.

Acties:
  • 0 Henk 'm!

  • Trent
  • Registratie: Maart 2011
  • Laatst online: 13-06 15:54
@bbbrumbrum nee ik heb wel de originele houder wat geklemd met een plastieken spie zodat de rotswol hem niet naar achteren kan duwen. Meer voor de zekerheid dan noodzaak. Heb nog overwogen hem met een dotje silicone vast te plakken maar lijkt me niet nodig:-)

Acties:
  • 0 Henk 'm!

  • Pejdref
  • Registratie: November 2012
  • Laatst online: 20:43
Trent schreef op zaterdag 19 oktober 2024 @ 20:19:
@bbbrumbrum nee ik heb wel de originele houder wat geklemd met een plastieken spie zodat de rotswol hem niet naar achteren kan duwen. Meer voor de zekerheid dan noodzaak. Heb nog overwogen hem met een dotje silicone vast te plakken maar lijkt me niet nodig:-)
Heb je de sensor laag of hoog geplaatst?

Je zou een eerste test kunnen doen door de sensor een tijdje los in de ruimte te leggen en er een andere thermometer naastleggen (wel je DHW mode ff uitzetten he).

Acties:
  • +2 Henk 'm!

  • Pejdref
  • Registratie: November 2012
  • Laatst online: 20:43
dicespark schreef op zaterdag 19 oktober 2024 @ 11:36:
Mede-tweaker(t)s,

Ik heb even een zetje in de goede richting nodig. Ik heb sinds mei een Pana J 9kW draaien en het werkt, dus is het nu tijd voor optimalisatie.
Ik draai nu op WAR + Pana-controller. Hierbij loop ik ook aan tegen het bekende euvel van de 'schakelbreedte' van slechts één graad. Daarnaast zou ik via Home Assistant (ik heb een Heishamon) 'iets slims' willen doen, zodat ik optimaal gebruik kan maken van dynamische tarieven. Nu doe ik dat om op de goedkoopste momenten 's nachts de doeltemperatuur één graad te verhogen (indien nodig).

Kortom, mijn wensen:
  • Fijnmazigere afstelling dan één graad
  • WAR als basis
  • Inspelen op dynamische tarieven via Heishamon + HA.
Maar waar moet ik nou precies beginnen?
@bbbrumbrum heeft wel een goed punt, zeker in het voor- en najaar zijn er vaker dagen met grote temperatuursverschillen in dag en nacht en daarme je COP. Ik heb laatst de COP waardes van de 7kW J-series gecombineerd met NordPool integratie + de weerintegratie om zo de goedkoopste uren te bepalen voor het verwarmen (simpel gezegd: verwachte COP x kWh prijs).
Pejdref in "Home Assistant: Open source Python3 home automation - deel 5"

Verder staat mijn WP op directe temperatuur en zit mijn WAR logica in Home Assistant, daarmee verander ik de target temperatuur. Dat gaat nog steeds in stappen van 1, je kunt echter wel exactere en eventueel meer inputwaarden (bijvoorbeeld zoninstraling) gebruiken om je stooklijn te bepalen.

Je kunt het zo ingewikkeld maken als je wil. Het eenvoudigste is om je WAR op de Pana zelf te laten staan en deze te shiften afhankelijk van de kWh prijzen.

Acties:
  • 0 Henk 'm!

  • Trent
  • Registratie: Maart 2011
  • Laatst online: 13-06 15:54
@Pejdref hoog of laag? Zo erg veel overschot heeft die opening niet t.o.v. lengte pennetje. zo goed als in het midden zou ik zeggen

Acties:
  • 0 Henk 'm!

  • Pejdref
  • Registratie: November 2012
  • Laatst online: 20:43
@Trent Ik bedoel de positie op de tank, bij zit die naast de aansluiting van de tankheater op ongeveer 1/3 tankhoogte van beneden. Dat is bij mijn tank de enige mogelijkheid maar ik had begrepen dat sommige tanks nog een mogelijkheid hebben die hoger zit.

Als die hoger zit zou het nog vreemder zijn want daar verwacht je dat de tanktemperatuur sneller stijgt.

Acties:
  • +1 Henk 'm!

  • Ethirty
  • Registratie: September 2007
  • Laatst online: 22:20

Ethirty

Who...me?

dicespark schreef op zaterdag 19 oktober 2024 @ 11:36:
Mede-tweaker(t)s,

Ik heb even een zetje in de goede richting nodig. Ik heb sinds mei een Pana J 9kW draaien en het werkt, dus is het nu tijd voor optimalisatie.
Ik draai nu op WAR + Pana-controller. Hierbij loop ik ook aan tegen het bekende euvel van de 'schakelbreedte' van slechts één graad. Daarnaast zou ik via Home Assistant (ik heb een Heishamon) 'iets slims' willen doen, zodat ik optimaal gebruik kan maken van dynamische tarieven. Nu doe ik dat om op de goedkoopste momenten 's nachts de doeltemperatuur één graad te verhogen (indien nodig).

Kortom, mijn wensen:
  • Fijnmazigere afstelling dan één graad
  • WAR als basis
  • Inspelen op dynamische tarieven via Heishamon + HA.
Maar waar moet ik nou precies beginnen?
Ik zou dynamische tarieven eerder inzetten voor SWW. Althans, dat is mijn (toekomstige) plan.

Die 3-4u dat je stroom goedkoop is ga je volgens mijn weinig thermische buffer aanleggen, zeker als je achter de komma wil werken ipv per hele graad.

Maar misschien mis ik iets :)

#team_UTC+1

An investment in knowledge always pays the best interest - Benjamin Franklin
You can call me McOverloper  Mini '12 i7/16/256  Air '13 i5/8/256  iPad mini 5 64GB  iPhone SE 128GB


Acties:
  • 0 Henk 'm!

  • Trent
  • Registratie: Maart 2011
  • Laatst online: 13-06 15:54
@Pejdref Een nogal groot plaatje, we hebben dezelfde tank dacht ik dus hij zit lager dan het midden van de tank.
Afbeeldingslocatie: https://tweakers.net/i/cAUjq3Fj8sfWuCPvazcqTnn2oYw=/x800/filters:strip_icc():strip_exif()/f/image/7sy1qEkg77mySkAcEesYvBBl.jpg?f=fotoalbum_small

Acties:
  • 0 Henk 'm!

  • Pejdref
  • Registratie: November 2012
  • Laatst online: 20:43
@Trent Er zijn kleine verschillen tussen productieseries. Bij jou zit die iets hoger dan bij mij.
Enige andere oorzaken die ik nu zo snel kan verzinnen is dat je meting niet goed is (ofwel van de tank, ofwel van Tinlet) of dat je ergens kortsluiting tussen aanvoer en retour hebt.

Acties:
  • +1 Henk 'm!

  • Pejdref
  • Registratie: November 2012
  • Laatst online: 20:43
Ethirty schreef op zaterdag 19 oktober 2024 @ 21:46:
[...]

Ik zou dynamische tarieven eerder inzetten voor SWW. Althans, dat is mijn (toekomstige) plan.

Die 3-4u dat je stroom goedkoop is ga je volgens mijn weinig thermische buffer aanleggen, zeker als je achter de komma wil werken ipv per hele graad.

Maar misschien mis ik iets :)
SWW op het goedkoopste moment in de middag en verwarmen voorkomen/verlagen op de duurste momenten (de piekprijzen zijn meestal maar 2 of 3 uur aaneengesloten) brengt het meeste op denk ik.
Ligt ook een beetje aan het seizoen en je installatie/isolatie en gewenst comfort. Ik heb vandaag van 17u tot 18.30u verwarmd tot 21 graden en nu is het nog 20.5 graden.

Acties:
  • 0 Henk 'm!

  • Thorsd
  • Registratie: Oktober 2022
  • Laatst online: 20:53
Trent schreef op zaterdag 19 oktober 2024 @ 20:19:
@bbbrumbrum nee ik heb wel de originele houder wat geklemd met een plastieken spie zodat de rotswol hem niet naar achteren kan duwen. Meer voor de zekerheid dan noodzaak. Heb nog overwogen hem met een dotje silicone vast te plakken maar lijkt me niet nodig:-)
Ik weet niet precies hoe het er uit ziet, maar een goed thermisch contact tussen de sensor en het vat is het belangrijkst. Als het contactoppervlak klein is, of als er geen contact is, wordt de temperatuur niet goed gemeten.
Een makkelijke en snelle oplossing om het contactoppervlak groter te maken is een heel stevig aangedrukt propje aluminiumfolie. Die kun je vormen naar de ronding van de sensor en het andere oppervlak.

Acties:
  • 0 Henk 'm!

  • cerebrum
  • Registratie: Maart 2004
  • Laatst online: 22:14
Thorsd schreef op zaterdag 19 oktober 2024 @ 23:37:
[...]


Ik weet niet precies hoe het er uit ziet, maar een goed thermisch contact tussen de sensor en het vat is het belangrijkst. Als het contactoppervlak klein is, of als er geen contact is, wordt de temperatuur niet goed gemeten.
Een makkelijke en snelle oplossing om het contactoppervlak groter te maken is een heel stevig aangedrukt propje aluminiumfolie. Die kun je vormen naar de ronding van de sensor en het andere oppervlak.
Let op dat je aluminium niet zomaar tegen alle metalen kunt aanleggen (bijv. RVS).

WP Pana 7J mono | AC Toshiba 3.5+4.6kW | PV 3200WP ZZO | Gasloos Nov23


Acties:
  • 0 Henk 'm!

  • Thorsd
  • Registratie: Oktober 2022
  • Laatst online: 20:53
cerebrum schreef op zondag 20 oktober 2024 @ 09:13:
[...]


Let op dat je aluminium niet zomaar tegen alle metalen kunt aanleggen (bijv. RVS).
In deze toepassing zie ik geen probleem.

Galvanische corrosie treedt alleen op bij contact tussen de metalen en de aanwezigheid van een electrolyt. Dus als het bv nat wordt (met water met opgeloste zouten).

Mocht het een keer nat worden, dan zal het minst edele metaal (alu in dit geval) geofferd worden. Maar dat gaat ook niet zo heel snel. Buiten kom je de combinatie vaak zonder al te veel problemen tegen. Bij toepassing onder water is er wel een minder edele offeranode nodig.

Hier nog een uitgebreide beschrijving.

[ Voor 12% gewijzigd door Thorsd op 20-10-2024 10:30 ]


Acties:
  • 0 Henk 'm!

  • dicespark
  • Registratie: Augustus 2011
  • Niet online
Pejdref schreef op zaterdag 19 oktober 2024 @ 21:09:

Verder staat mijn WP op directe temperatuur en zit mijn WAR logica in Home Assistant, daarmee verander ik de target temperatuur. Dat gaat nog steeds in stappen van 1, je kunt echter wel exactere en eventueel meer inputwaarden (bijvoorbeeld zoninstraling) gebruiken om je stooklijn te bepalen.

Je kunt het zo ingewikkeld maken als je wil. Het eenvoudigste is om je WAR op de Pana zelf te laten staan en deze te shiften afhankelijk van de kWh prijzen.
Mooi zeg die Home Assistant combi tussen COP + elektriciteitsprijs. Kan ik ook ergens je 'WAR-logica' zien? Je zegt hierbij te shiften in Home Assistant... welke parameter shift je dan? Target temperatuur

Acties:
  • +2 Henk 'm!

  • Pejdref
  • Registratie: November 2012
  • Laatst online: 20:43
@dicespark Hoe je moet shiften via de Heishamon als je WAR op de Panasonic zelf draait weet ik niet, mijn WAR logica draait in Home Assistant dus een shift is gewoon een wijziging in target temperatuur.

Verdere vragen daarover kun je het beste stellen in de Heishamon en Home Assistant topics.

Acties:
  • +1 Henk 'm!

  • FransvWoerkom
  • Registratie: Maart 2018
  • Laatst online: 06-10 23:51
Pejdref schreef op zondag 20 oktober 2024 @ 13:15:
@dicespark Hoe je moet shiften via de Heishamon als je WAR op de Panasonic zelf draait weet ik niet, mijn WAR logica draait in Home Assistant dus een shift is gewoon een wijziging in target temperatuur.

Verdere vragen daarover kun je het beste stellen in de Heishamon en Home Assistant topics.
Inderdaad gaan details veel te ver hier. Maar de meeste aansturingen van de pana gaan óf over controller of cloud óf over MQTT en Heishamon. De interface vind je hier; de gevraagde parameters zijn TOP27 en TOP34:
https://github.com/Egyras...lob/master/MQTT-Topics.md

Acties:
  • 0 Henk 'm!

  • FransvWoerkom
  • Registratie: Maart 2018
  • Laatst online: 06-10 23:51
tomton schreef op vrijdag 18 oktober 2024 @ 20:03:
[...]

Goed punt:

Het gaat om een woonhuis 1938, in 2003 volledig geïsoleerd. Gasverbruik laatste jaren 1300m3 voor verwarming. Tussen dit woonhuis zit een portaal met wasruimte en een CV ketel (kapot, dus perfect moment voor een warmtepomp!) voor de seniorenwoning (nieuw gebouwd in 2003), die laatstelijk als garage, repetitieruimte en opslag wordt gebruikt.

Zone 1, woonhuis begane grond: 90m3, met 4 groepen VVW = 7500W en 3 radiatoren 5500W
Zone 1, eerste verdieping met 4 slaapkamers en badkamer (bad + douche), 1 groep vvw = 500W en 6 radiatoren 6500W
Zone 1, gang en portaal: 2 radiatoren 2000W. Radiator op de zolder, maar staat altijd dicht.

Zone 2, 3 radiatoren 5000W, 60m2 5000W. 1 gootsteen en een douche, zelden gebruikt. Daar wil ik SWW met een doorstromer (voor de zekerheid 18kW) voor gebruiken.

Totaal zone 1 22.000W en zone 2 10.000W.
CV ketel van 2003 op zolder behouden voor SWW badkamer.
OK,

Meestal gebruiken we "Zone" voor een samenhangend veld verwarmingslichamen aan een warmtepomp die met dezelfde watertemperatuur worden aangestuurd. Ik gebruik verder Huis1938 en Huis2003.

Hoe is de onderlinge relatie tussen de huizen, behalve dat ze een washok delen en dat jij nu in Huis1938 woont en Huis2003 gebruikt als garage, berging, oefenruimte. Heeft Huis2003 eigen aansluitingen op riool, drinkwater, gas en elektra, of is het een bijgebouw waar eventueel zelfstandig gewoond kan worden met gebruikmaking van de netaansluitingen van Huis1938. Lopen er ook warmteleidingen tussen de twee woningen?

Er is sprake van twee cv-ketels. Een goede, ik neem aan die in Huis1938 hangt, en daar in de toekomst het SWW moet verzorgen. En een defecte in Huis2003 die daar vervangen moet worden door een nieuwe SWW voorziening. Heeft de 1300m3 jaarverbruik uitsluitend betrekking op Huis1938 of is daar het historisch verbruik van de nu defecte ketel meegerekend?

Laat de genoemde kilowatts maar buiten beschouwing. Die van de radiatoren hebben betrekking op aanvoertemperaturen van 70 of 90° en zijn vaak zo gekozen om een oud ongeïsoleerd tochtig huis in een paar uurtjes van 12 op 18° te krijgen. Met een warmtepomp zijn ze ook bruikbaar, maar worden dan gebruikt om een fatsoenlijk geïsoleerd huis met een warmtepomp en water van 30-40°, die halve of hele dagen achter elkaar loopt op temperatuur te houden.
De genoemde 18kW doorstroomverwarmer in Huis2003 is gigantische overkill en kan niet. Als je die aansluit aan een normale meterkast, kun je alle verdere gebruikers afschakelen om te voorkomen dat hoofdzekeringen er uit gaan.

Wat ik verder in de situatie mis, is een inschatting van het gebruik van de radiatoren in verhouding tot dat van de vloerverwarming. In beide huizen is op de BG sprake van VVW en Radiatoren. Is de VVW of zijn de radiatoren bijverwarming? Die op de bovenverdieping zijn daar natuurlijk hoofdverwarming. Dit is van belang om in te schatten of VVW en radiatoren op dezelfde watertemperatuur kunnen werken. Dat geeft een aanzienlijke vereenvoudiging.

Eerste keus moet zijn: wordt Huis2003 helemaal zelfstandig qua verwarming of (waarschijnlijk) net als water, gas en licht afhankelijk van Huis1938.
In het eerste geval zou ik in Huis2003 een kleine warmtepomp met een kleine sww tank (100-150L) neerzetten en (eventueel later) in Huis1938 en grotere warmtepomp van zo'n 9kW met een sww tank van 200-300L.
In het tweede geval kun je kiezen voor volledige integratie: Nu een 9 of 12kW warmtepomp met 300L tank in Huis1938 met zodra dat werkt de goede ketel naar Huis2003 en later eventueel warmteleidingen door of onder het washok.

Zeker gezien de isolatie uit 2003 zou ik gaan voor gasloos. En liefst zo simpel mogelijk: geen buffervaten, zo min mogelijk mengverdelers en warmtepompzones.

Acties:
  • 0 Henk 'm!

  • mister_muller
  • Registratie: Januari 2010
  • Laatst online: 21:42
mister_muller schreef op vrijdag 18 oktober 2024 @ 16:11:
[...]

Stroom eraf heb ik al geprobeerd, helaas zonder succes.
Utp kabel is doorgetest en is goed.
Cztaw1 is ook juist aangesloten.

Dus ben beetje radeloos nu de andere ledjes maar niet gaan branden..

Nog andere tips/tricks?

Edit: kabel tussen wp en cztaw1 ook doorgemeten en is goed.
Iemand die nog een suggestie heeft wat ik zou kunnen proberen voordat ik een nieuwe cz-taw1 module aanschaf?

Acties:
  • 0 Henk 'm!

  • tomton
  • Registratie: Januari 2024
  • Laatst online: 03-10 19:51
FransvWoerkom schreef op zondag 20 oktober 2024 @ 14:48:
[...]

OK,

Meestal gebruiken we "Zone" voor een samenhangend veld verwarmingslichamen aan een warmtepomp die met dezelfde watertemperatuur worden aangestuurd. Ik gebruik verder Huis1938 en Huis2003.

Hoe is de onderlinge relatie tussen de huizen, behalve dat ze een washok delen en dat jij nu in Huis1938 woont en Huis2003 gebruikt als garage, berging, oefenruimte. Heeft Huis2003 eigen aansluitingen op riool, drinkwater, gas en elektra, of is het een bijgebouw waar eventueel zelfstandig gewoond kan worden met gebruikmaking van de netaansluitingen van Huis1938. Lopen er ook warmteleidingen tussen de twee woningen?

Er is sprake van twee cv-ketels. Een goede, ik neem aan die in Huis1938 hangt, en daar in de toekomst het SWW moet verzorgen. En een defecte in Huis2003 die daar vervangen moet worden door een nieuwe SWW voorziening. Heeft de 1300m3 jaarverbruik uitsluitend betrekking op Huis1938 of is daar het historisch verbruik van de nu defecte ketel meegerekend?

Laat de genoemde kilowatts maar buiten beschouwing. Die van de radiatoren hebben betrekking op aanvoertemperaturen van 70 of 90° en zijn vaak zo gekozen om een oud ongeïsoleerd tochtig huis in een paar uurtjes van 12 op 18° te krijgen. Met een warmtepomp zijn ze ook bruikbaar, maar worden dan gebruikt om een fatsoenlijk geïsoleerd huis met een warmtepomp en water van 30-40°, die halve of hele dagen achter elkaar loopt op temperatuur te houden.
De genoemde 18kW doorstroomverwarmer in Huis2003 is gigantische overkill en kan niet. Als je die aansluit aan een normale meterkast, kun je alle verdere gebruikers afschakelen om te voorkomen dat hoofdzekeringen er uit gaan.

Wat ik verder in de situatie mis, is een inschatting van het gebruik van de radiatoren in verhouding tot dat van de vloerverwarming. In beide huizen is op de BG sprake van VVW en Radiatoren. Is de VVW of zijn de radiatoren bijverwarming? Die op de bovenverdieping zijn daar natuurlijk hoofdverwarming. Dit is van belang om in te schatten of VVW en radiatoren op dezelfde watertemperatuur kunnen werken. Dat geeft een aanzienlijke vereenvoudiging.

Eerste keus moet zijn: wordt Huis2003 helemaal zelfstandig qua verwarming of (waarschijnlijk) net als water, gas en licht afhankelijk van Huis1938.
In het eerste geval zou ik in Huis2003 een kleine warmtepomp met een kleine sww tank (100-150L) neerzetten en (eventueel later) in Huis1938 en grotere warmtepomp van zo'n 9kW met een sww tank van 200-300L.
In het tweede geval kun je kiezen voor volledige integratie: Nu een 9 of 12kW warmtepomp met 300L tank in Huis1938 met zodra dat werkt de goede ketel naar Huis2003 en later eventueel warmteleidingen door of onder het washok.

Zeker gezien de isolatie uit 2003 zou ik gaan voor gasloos. En liefst zo simpel mogelijk: geen buffervaten, zo min mogelijk mengverdelers en warmtepompzones.
Ik voeg een plattegrond toe, dat maakt het hopelijk inzichtelijker.

Afbeeldingslocatie: https://tweakers.net/i/6Ll8p0xKWb_65dNa2tmbVVg6kr8=/fit-in/4920x3264/filters:max_bytes(3145728):no_upscale():strip_icc():fill(white):strip_exif()/f/image/eSChzLipqeZKhH0gJ7DKmlnh.jpg?f=user_large
Links van de groene lijn "Huis2003" en rechts "Huis1938".

Ook een foto van de installatie in het washok, met een X door de kapotte CV ketel.
Afbeeldingslocatie: https://tweakers.net/i/_e-3ijAjLQrp6rD8Uwr4yTLcHGE=/800x/filters:strip_icc():strip_exif()/f/image/Bn6p7qAgWWXpjgQZMdLxXKOY.jpg?f=fotoalbum_large

Huis2003 is een bijgebouw waar eventueel zelfstandig gewoond kan worden met gebruikmaking van de netaansluitingen van Huis1938. Er open zoals op de foto warmte leidingen tussen de twee woningen.

Inderdaad is 18kW niet goed voor SWW in Huis2003, maar er ligt 3-fase, dus 13.5kW lijkt een goede doorstromer te kunnen zijn.
De ketel op zolder van Huis1938 wil ik nu uitsluitend voor SWW op de badkamer Huis1938 gebruiken (in de toekomst misschien warmtepompboiler).
Jaarverbruik 1300m3 is voor totale situatie (excl. SWW), maar in Huis2003 wordt nauwelijks gestookt (soms met de CV ketel van Huis1938 en de twee hendels in de wasruimte open gezet).
De VVW is in Huis1938 en Huis2003 hoofdverwarming. De CV ketel heb ik trouwens al jaren op 55 graden max staan.

Welke eenvoudige gasloze oplossing zou ik het beste kunnen kiezen? (zie ook de huidige 2 pompen voor VVW in het washok (de pomp voor Huis2003 VVW is wat lastig te zien op de foto))

Acties:
  • 0 Henk 'm!

  • Ethirty
  • Registratie: September 2007
  • Laatst online: 22:20

Ethirty

Who...me?

mister_muller schreef op zondag 20 oktober 2024 @ 15:26:
[...]


Iemand die nog een suggestie heeft wat ik zou kunnen proberen voordat ik een nieuwe cz-taw1 module aanschaf?
Geen idee. Maar voor je een nieuwe aanschaft, zou ik wel goed nadenken over de waarom. Het is niet de meest handige of gebruiksvriendelijke uitbreiding van je warmtepomp. Het enige waar het ding nog enig nut heeft is de datalogging.

#team_UTC+1

An investment in knowledge always pays the best interest - Benjamin Franklin
You can call me McOverloper  Mini '12 i7/16/256  Air '13 i5/8/256  iPad mini 5 64GB  iPhone SE 128GB


Acties:
  • 0 Henk 'm!

  • FransvWoerkom
  • Registratie: Maart 2018
  • Laatst online: 06-10 23:51
Ethirty schreef op zondag 20 oktober 2024 @ 19:41:
[...]

Geen idee. Maar voor je een nieuwe aanschaft, zou ik wel goed nadenken over de waarom. Het is niet de meest handige of gebruiksvriendelijke uitbreiding van je warmtepomp. Het enige waar het ding nog enig nut heeft is de datalogging.
Ja, en doordat de logging door de Service Cloud hier meer of minder bekend is, zijn grafieken hier ook makkelijk te delen en te bediscussiëren. We zijn zelfs geneigd aanwijzingen te geven zodat een onervaren Service Cloud gebruiker begrijpelijker en meerzeggende grafieken kan maken. Uiteraard met als doel problemen zo snel mogelijk op te lossen of een installatie zo snel mogelijk te optimaliseren en optimaal en begrijpelijk te houden voor toekomstige gebruikers van die installatie en voor hulpvaardige lieden hier.

Ik heb nog geen algemeen aanvaarde bedienings- en logging interface gezien, gebaseerd op de Heishamon en Home Automations. Discussies ontaarden hier vaak in misverstanden over hoe variabelen en parameters genoemd worden, over welke temperaturen nu precies hoe gemeten worden en hoe metingen over tijd gemiddeld worden. Om maar te zwijgen over de verschillende versies van de gebruikte software.

Acties:
  • +2 Henk 'm!

  • FransvWoerkom
  • Registratie: Maart 2018
  • Laatst online: 06-10 23:51
tomton schreef op zondag 20 oktober 2024 @ 16:56:
[...]

Ik voeg een plattegrond toe, dat maakt het hopelijk inzichtelijker.

[Afbeelding]
Links van de groene lijn "Huis2003" en rechts "Huis1938".

Ook een foto van de installatie in het washok, met een X door de kapotte CV ketel.
[Afbeelding]

Huis2003 is een bijgebouw waar eventueel zelfstandig gewoond kan worden met gebruikmaking van de netaansluitingen van Huis1938. Er open zoals op de foto warmte leidingen tussen de twee woningen.

Inderdaad is 18kW niet goed voor SWW in Huis2003, maar er ligt 3-fase, dus 13.5kW lijkt een goede doorstromer te kunnen zijn.
De ketel op zolder van Huis1938 wil ik nu uitsluitend voor SWW op de badkamer Huis1938 gebruiken (in de toekomst misschien warmtepompboiler).
Jaarverbruik 1300m3 is voor totale situatie (excl. SWW), maar in Huis2003 wordt nauwelijks gestookt (soms met de CV ketel van Huis1938 en de twee hendels in de wasruimte open gezet).
De VVW is in Huis1938 en Huis2003 hoofdverwarming. De CV ketel heb ik trouwens al jaren op 55 graden max staan.

Welke eenvoudige gasloze oplossing zou ik het beste kunnen kiezen? (zie ook de huidige 2 pompen voor VVW in het washok (de pomp voor Huis2003 VVW is wat lastig te zien op de foto))
Het lijkt niet moeilijk om niet alleen de twee leidingen voor CV-water voor de radiatoren met elkaar te verbinden, maar ook de warme kanten van de twee oranje vvw verdelers en de sww leidingen van beide gebouwen. Dan vervallen een circulatiepomp, een defecte cv-ketel en de kennelijk gevoelde noodzaak voor een doorstroomverwarmer voor sww in Huis2003. Eventueel kan dan in plaats van die verwarmer een kleine hot-fill boiler zorgen voor niet te lange wachttijden voor sww.

De simpelste oplossing voor zo'n installatie is de Simple 2-zone solution van Panasonic waar @Thorsd het over had. Een beschrijving vind je in een post van Thorsd van 12 mei vorig jaar:

"Er zijn meerdere oplossingen, ter inspiratie:

Hier een beschrijving van de simple 2-zone setup die Frans zelf beschrijft:
FransvWoerkom in "Panasonic Warmtepomp 101: Installatie en Optimalisatie"

Zelf heb ik een ruimtenaregeling met Evohome TRVs, bypass en seriebuffer. Bijna gelijk zoals hier beschreven: blb4 in "Panasonic WH-MDC07J3E5 warmtepomp installatie" Ik ben er tevreden over.

Als je een thermostaat met aan-uit klep gebruikt, moet je wel voldoende flow overhouden als deze dicht is. Ook kan dan je circuit misschien veel afkoelen. Hang er ook vanaf of deze zone vvw of radiatoren is.
"

Dan heb je naast een Pana monobloc van 9-12kW een uitbreidingskaart en een mengklep met 3-punts motor nodig. Dan krijgen in principe alle radiatoren in de twee huizen water aangevoerd uit de wp van middelhoge temperatuur, zeg 35° en alle vloerverwarmingslussen een door de mengklep ingestelde lage temperatuur water van zeg 24°. Dat zijn dan de twee primaire zones die door de pana onafhankelijk geregeld worden. Regeling kan dan op basis van buitentemperatuur e/of thermostaat en kalendergestuurd. Verfijning in regeling kan op Huis- of verdeler- of vloerlus- of radiator- niveau met de hand of met commerciële naregeling.

Gasloos ben je pas als je het sww laat opwarmen door de pana. Het lijkt me dat je een tank van minimaal 300L nodig hebt, maar dat hangt van gebruik af. Opwarmen van de tank kost je een fractie van de 13,5 of 18kW die je in gedachte had. Het opwarmen van mijn 300L tank kost 3kW elektrisch en dat een uur per dag. Voordeel van een tank boven een doorstromer is dat afzonderlijke tappunten minder last van elkaar hebben.

Ik zou kiezen voor de 9 of 12kW pana omdat deze op 3-fase worden aangesloten. De 3-fase meterkast wordt hier niet zwaar door belast (bij normaal gebruik hooguit 5kW van de 18), wat ruimte geeft voor een inductiefornuis en kookplaat. Zelfs een laadpunt voor EV blijft mogelijk.

Acties:
  • +2 Henk 'm!

  • Thorsd
  • Registratie: Oktober 2022
  • Laatst online: 20:53
tomton schreef op zondag 20 oktober 2024 @ 16:56:
[...]

Ik voeg een plattegrond toe, dat maakt het hopelijk inzichtelijker.

[Afbeelding]
Links van de groene lijn "Huis2003" en rechts "Huis1938".

Ook een foto van de installatie in het washok, met een X door de kapotte CV ketel.
[Afbeelding]

Huis2003 is een bijgebouw waar eventueel zelfstandig gewoond kan worden met gebruikmaking van de netaansluitingen van Huis1938. Er open zoals op de foto warmte leidingen tussen de twee woningen.

Inderdaad is 18kW niet goed voor SWW in Huis2003, maar er ligt 3-fase, dus 13.5kW lijkt een goede doorstromer te kunnen zijn.
De ketel op zolder van Huis1938 wil ik nu uitsluitend voor SWW op de badkamer Huis1938 gebruiken (in de toekomst misschien warmtepompboiler).
Jaarverbruik 1300m3 is voor totale situatie (excl. SWW), maar in Huis2003 wordt nauwelijks gestookt (soms met de CV ketel van Huis1938 en de twee hendels in de wasruimte open gezet).
De VVW is in Huis1938 en Huis2003 hoofdverwarming. De CV ketel heb ik trouwens al jaren op 55 graden max staan.

Welke eenvoudige gasloze oplossing zou ik het beste kunnen kiezen? (zie ook de huidige 2 pompen voor VVW in het washok (de pomp voor Huis2003 VVW is wat lastig te zien op de foto))
Ik denk dat de grootste uitdaging de watertemperatuur is. Die moet zo laag mogelijk zijn, voor een redelijke efficiëntie is 55 (te) hoog. Bij een combinatie van radiatoren (als hoofdverwarming!) en VVW op 1 WP, stook je op radiatortemperatuur en dan kan je naar beneden mengen voor de VVW. Dat kan bv met een verdeler met pomp, of zone op de Pana die een regelklep stuurt. Uiteraard wil je de radiatortemperatuur zo laag mogelijk, met Ta ~40 bij Tb 0 zit je aardig goed. Als je de ketel op 40 kunt zetten, kan je het testen.

Voor de ruimte/zone-naregeling heb je meerdere opties zoals ook hierboven genoemd (zones met de Pana; naregeling met zonekleppen; evohome; netatmo; etc - al dan niet met buffervat in serie of parallel afhankelijk van het systeem).

Het "makkelijkst" is een parallelbuffer en een naregeling naar keuze. Dit is ook hoe veel installateurs het plaatsen.

Acties:
  • 0 Henk 'm!

  • Beekforel
  • Registratie: November 2001
  • Laatst online: 21:45

Beekforel

Is eigenlijk geen vis

Is er hier ook iemand die gebruik maakt van SmartGrid via de optionele pcb of Heishamon?

Acties:
  • 0 Henk 'm!

  • wouter_tw
  • Registratie: Mei 2010
  • Laatst online: 07-10 16:27
.

[ Voor 100% gewijzigd door wouter_tw op 21-10-2024 18:59 ]


Acties:
  • 0 Henk 'm!

  • Ethirty
  • Registratie: September 2007
  • Laatst online: 22:20

Ethirty

Who...me?

Beekforel schreef op maandag 21 oktober 2024 @ 18:56:
Is er hier ook iemand die gebruik maakt van SmartGrid via de optionele pcb of Heishamon?
Geen ervaring, wel de wens. Een keer gevraagd of de Heishamon die functie kan emuleren, maar of nooit beantwoord of compleet gemist.

#team_UTC+1

An investment in knowledge always pays the best interest - Benjamin Franklin
You can call me McOverloper  Mini '12 i7/16/256  Air '13 i5/8/256  iPad mini 5 64GB  iPhone SE 128GB


Acties:
  • 0 Henk 'm!

  • Beekforel
  • Registratie: November 2001
  • Laatst online: 21:45

Beekforel

Is eigenlijk geen vis

Ethirty schreef op maandag 21 oktober 2024 @ 19:58:
[...]

Geen ervaring, wel de wens. Een keer gevraagd of de Heishamon die functie kan emuleren, maar of nooit beantwoord of compleet gemist.
Dat kan schijnbaar, https://github.com/Egyras...lob/master/OptionalPCB.md

In het Heishamon topic zie ik ook wel wat mensen die rules gemaakt hebben hiervoor.

Ik zat mij af te vragen of ik ermee het verbruik wat kan temperen. Ik doe dit nu deels handmatig, hij gaat via HA aan als het te koud is in huis óf als er in de ochtend voldoende zonopwek is en ik zet hem in de middag uit als er geen behoefte aan meer warmte is. Maar ik dacht, wellicht kan dit slimmer.

Acties:
  • +1 Henk 'm!

  • FransvWoerkom
  • Registratie: Maart 2018
  • Laatst online: 06-10 23:51
Beekforel schreef op maandag 21 oktober 2024 @ 20:01:
[...]

Dat kan schijnbaar, https://github.com/Egyras...lob/master/OptionalPCB.md

In het Heishamon topic zie ik ook wel wat mensen die rules gemaakt hebben hiervoor.

Ik zat mij af te vragen of ik ermee het verbruik wat kan temperen. Ik doe dit nu deels handmatig, hij gaat via HA aan als het te koud is in huis óf als er in de ochtend voldoende zonopwek is en ik zet hem in de middag uit als er geen behoefte aan meer warmte is. Maar ik dacht, wellicht kan dit slimmer.
Ik heb geen ervaring en geen pana die dat ondersteunt. In de SM van de nieuwste pana's wordt beschreven hoe je die SG ingangen kan programmeren en gebruiken.

Acties:
  • +1 Henk 'm!

  • TomN87
  • Registratie: Mei 2015
  • Laatst online: 05-10 15:19
Voor degene die het verschil tussen knieën en bochten willen zien adviseer ik deze video.
YouTube: Gobsmacking Truth About Plumbing Elbows

Acties:
  • +1 Henk 'm!

  • Ethirty
  • Registratie: September 2007
  • Laatst online: 22:20

Ethirty

Who...me?

Beekforel schreef op maandag 21 oktober 2024 @ 20:01:
[...]

Dat kan schijnbaar, https://github.com/Egyras...lob/master/OptionalPCB.md

In het Heishamon topic zie ik ook wel wat mensen die rules gemaakt hebben hiervoor.

Ik zat mij af te vragen of ik ermee het verbruik wat kan temperen. Ik doe dit nu deels handmatig, hij gaat via HA aan als het te koud is in huis óf als er in de ochtend voldoende zonopwek is en ik zet hem in de middag uit als er geen behoefte aan meer warmte is. Maar ik dacht, wellicht kan dit slimmer.
Volgens mij moet je het ook meer zien als een ‘aan’ knop als je voldoende groene energie opwekt. Dus bijv start sww run bij pv-overschot.

Althans, dat is hoe ik hoop dat het zou moeten werken :P

Helaas is het hele concept van slim energie beheer nogal slecht verspreid onder fabrikanten en versplinterd over meerdere technieken en ideeën :/

#team_UTC+1

An investment in knowledge always pays the best interest - Benjamin Franklin
You can call me McOverloper  Mini '12 i7/16/256  Air '13 i5/8/256  iPad mini 5 64GB  iPhone SE 128GB


Acties:
  • +1 Henk 'm!

  • Thorsd
  • Registratie: Oktober 2022
  • Laatst online: 20:53
Beekforel schreef op maandag 21 oktober 2024 @ 20:01:
[...]

Dat kan schijnbaar, https://github.com/Egyras...lob/master/OptionalPCB.md

In het Heishamon topic zie ik ook wel wat mensen die rules gemaakt hebben hiervoor.

Ik zat mij af te vragen of ik ermee het verbruik wat kan temperen. Ik doe dit nu deels handmatig, hij gaat via HA aan als het te koud is in huis óf als er in de ochtend voldoende zonopwek is en ik zet hem in de middag uit als er geen behoefte aan meer warmte is. Maar ik dacht, wellicht kan dit slimmer.
Ik heb er wel eens naar gekeken, maar het is redelijk simplistisch. Niets wat je niet via heishamon kunt doen.
Je hebt uit, normaal en twee extra capacity instellingen, waarmee je de setpoints van SWW en verwarming verschuift.

Acties:
  • 0 Henk 'm!

  • Beekforel
  • Registratie: November 2001
  • Laatst online: 21:45

Beekforel

Is eigenlijk geen vis

Thorsd schreef op dinsdag 22 oktober 2024 @ 11:05:
[...]


Ik heb er wel eens naar gekeken, maar het is redelijk simplistisch. Niets wat je niet via heishamon kunt doen.
Je hebt uit, normaal en twee extra capacity instellingen, waarmee je de setpoints van SWW en verwarming verschuift.
Misschien kan ik dan beter kijken of ik mijn huidige (simpele) automation in HA wat kan uitbreiden.

Ik gebruik sinds kort het Node Red dashboard van hier maar ik weet nog niet of ik daar heel veel extra aan heb.

Ik zou het prima vinden om in de periodes dat het kan overdag wat meer vermogen de vloer in te sturen obv zonnestroom zodat ik in de nacht niet hoef te draaien. Gevolg dat je misschien wat te warm heb in huis begin van de avond maar dat kan ik wel accepteren als ik op die manier mijn zelfconsumptie omhoog kan halen.

Acties:
  • +4 Henk 'm!

  • Trent
  • Registratie: Maart 2011
  • Laatst online: 13-06 15:54
@Tinkerer84 @Pejdref @ErikVers
Issue solved dus door het pennetje netjes te klemmen met rotswol tegen de tankwand. inlet water temp en tank temp blijven nu tot op 2 - 3 graden in elkaars buurt. Bedankt heren, dat had de installateur niet gevonden:-)

Acties:
  • 0 Henk 'm!

  • Thorsd
  • Registratie: Oktober 2022
  • Laatst online: 20:53
Beekforel schreef op dinsdag 22 oktober 2024 @ 11:50:
[...]

Misschien kan ik dan beter kijken of ik mijn huidige (simpele) automation in HA wat kan uitbreiden.

Ik gebruik sinds kort het Node Red dashboard van hier maar ik weet nog niet of ik daar heel veel extra aan heb.

Ik zou het prima vinden om in de periodes dat het kan overdag wat meer vermogen de vloer in te sturen obv zonnestroom zodat ik in de nacht niet hoef te draaien. Gevolg dat je misschien wat te warm heb in huis begin van de avond maar dat kan ik wel accepteren als ik op die manier mijn zelfconsumptie omhoog kan halen.
Ja, ik zit daar ook aan te denken, alleen ik vroeg me af wat de mogelijke besparing zou zijn:

Het hangt natuurlijk veel af van je PV opbrengst en WP gebruik, maar voor hier: Vorig seizoen (nov. tm feb.) hebben de panelen hier 650 kWh opgebracht, waarvan 550 eigen gebruik. Dus daar valt maar max 100 extra te behalen, dat is niet zoveel op op 3300 voor WP totaal in die periode maar alles helpt.

Blijft over het tussen seizoen (okt, mrt, apr), daarin heeft de WP totaal 1100 kWh gebruikt. Schatting 30% direct via PV, zou je dat naar 70% kunnen krijgen, dan pak je 440 kWh. Om het precies te krijgen zou ik exact moeten bepalen hoeveel de WP nu in die maanden op directe PV draait. Op zich heb ik die gegevens wel...

Maar op het eerste gezicht lijkt het dus inderdaad wel de moeite te zijn.

Aanvulling: Met een query per uur op WP gebruik en PV opwek, kom ik per maand in okt, maart, en april tussen de 27% en 30% verbruik dat de WP direct op PV draait. Dit is zonder al te veel optimalisatie, gewoon constante binnentemperatuur en dagelijkse SWW run rond het middaguur.

[ Voor 8% gewijzigd door Thorsd op 23-10-2024 10:23 ]


Acties:
  • +1 Henk 'm!

  • tomton
  • Registratie: Januari 2024
  • Laatst online: 03-10 19:51
FransvWoerkom schreef op maandag 21 oktober 2024 @ 14:07:
[...]

Het lijkt niet moeilijk om niet alleen de twee leidingen voor CV-water voor de radiatoren met elkaar te verbinden, maar ook de warme kanten van de twee oranje vvw verdelers en de sww leidingen van beide gebouwen. Dan vervallen een circulatiepomp, een defecte cv-ketel en de kennelijk gevoelde noodzaak voor een doorstroomverwarmer voor sww in Huis2003. Eventueel kan dan in plaats van die verwarmer een kleine hot-fill boiler zorgen voor niet te lange wachttijden voor sww.

De simpelste oplossing voor zo'n installatie is de Simple 2-zone solution van Panasonic waar @Thorsd het over had. Een beschrijving vind je in een post van Thorsd van 12 mei vorig jaar:

"Er zijn meerdere oplossingen, ter inspiratie:

Hier een beschrijving van de simple 2-zone setup die Frans zelf beschrijft:
FransvWoerkom in "Panasonic Warmtepomp 101: Installatie en Optimalisatie"

Zelf heb ik een ruimtenaregeling met Evohome TRVs, bypass en seriebuffer. Bijna gelijk zoals hier beschreven: blb4 in "Panasonic WH-MDC07J3E5 warmtepomp installatie" Ik ben er tevreden over.

Als je een thermostaat met aan-uit klep gebruikt, moet je wel voldoende flow overhouden als deze dicht is. Ook kan dan je circuit misschien veel afkoelen. Hang er ook vanaf of deze zone vvw of radiatoren is.
"

Dan heb je naast een Pana monobloc van 9-12kW een uitbreidingskaart en een mengklep met 3-punts motor nodig. Dan krijgen in principe alle radiatoren in de twee huizen water aangevoerd uit de wp van middelhoge temperatuur, zeg 35° en alle vloerverwarmingslussen een door de mengklep ingestelde lage temperatuur water van zeg 24°. Dat zijn dan de twee primaire zones die door de pana onafhankelijk geregeld worden. Regeling kan dan op basis van buitentemperatuur e/of thermostaat en kalendergestuurd. Verfijning in regeling kan op Huis- of verdeler- of vloerlus- of radiator- niveau met de hand of met commerciële naregeling.

Gasloos ben je pas als je het sww laat opwarmen door de pana. Het lijkt me dat je een tank van minimaal 300L nodig hebt, maar dat hangt van gebruik af. Opwarmen van de tank kost je een fractie van de 13,5 of 18kW die je in gedachte had. Het opwarmen van mijn 300L tank kost 3kW elektrisch en dat een uur per dag. Voordeel van een tank boven een doorstromer is dat afzonderlijke tappunten minder last van elkaar hebben.

Ik zou kiezen voor de 9 of 12kW pana omdat deze op 3-fase worden aangesloten. De 3-fase meterkast wordt hier niet zwaar door belast (bij normaal gebruik hooguit 5kW van de 18), wat ruimte geeft voor een inductiefornuis en kookplaat. Zelfs een laadpunt voor EV blijft mogelijk.
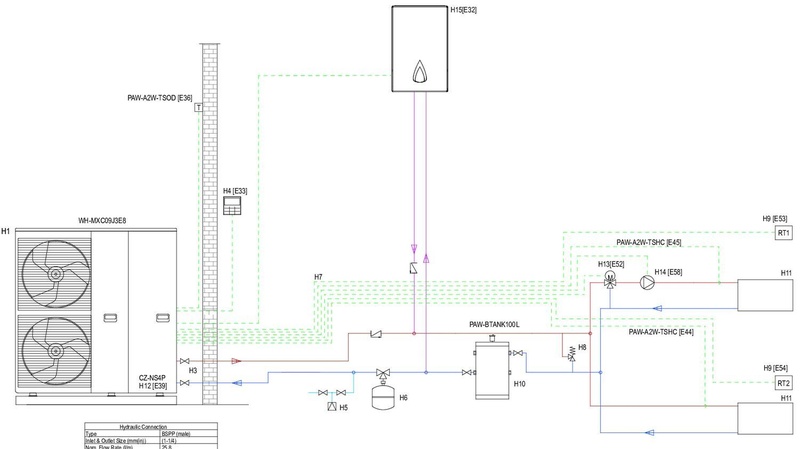
Er ligt geen SWW leiding tussen Huis2003 en Huis1938, helaas, anders was een SWW vat van 300l inderdaad de beste optie geweest, maar dan had zich ook een plaatsgebrek probleem voor gedaan. Kleine (hotfill) boiler is misschien toech handiger dan een doorstroom verwarmer.

Ik heb toegang tot Panasonic design; het zou zo'n oplossing worden:

Afbeeldingslocatie: https://tweakers.net/i/3G5TNFHo8Bisq6KNSpHbvSQAuic=/800x/filters:strip_icc():strip_exif()/f/image/0gsha8Gwcr4HWt3bT7kOlYbI.jpg?f=fotoalbum_large

Acties:
  • 0 Henk 'm!

  • tomton
  • Registratie: Januari 2024
  • Laatst online: 03-10 19:51
Thorsd schreef op maandag 21 oktober 2024 @ 16:12:
[...]


Ik denk dat de grootste uitdaging de watertemperatuur is. Die moet zo laag mogelijk zijn, voor een redelijke efficiëntie is 55 (te) hoog. Bij een combinatie van radiatoren (als hoofdverwarming!) en VVW op 1 WP, stook je op radiatortemperatuur en dan kan je naar beneden mengen voor de VVW. Dat kan bv met een verdeler met pomp, of zone op de Pana die een regelklep stuurt. Uiteraard wil je de radiatortemperatuur zo laag mogelijk, met Ta ~40 bij Tb 0 zit je aardig goed. Als je de ketel op 40 kunt zetten, kan je het testen.

Voor de ruimte/zone-naregeling heb je meerdere opties zoals ook hierboven genoemd (zones met de Pana; naregeling met zonekleppen; evohome; netatmo; etc - al dan niet met buffervat in serie of parallel afhankelijk van het systeem).

Het "makkelijkst" is een parallelbuffer en een naregeling naar keuze. Dit is ook hoe veel installateurs het plaatsen.
Het tool lijkt geen parallel, maar een serie buffer toe te passen. Deze misschien maar weglaten?

Afbeeldingslocatie: https://tweakers.net/i/BuW-qo6bCrYca03ftGBcQv-QXnw=/800x/filters:strip_icc():strip_exif()/f/image/ybB6soHCKTCT1bJjrjvg5LkR.jpg?f=fotoalbum_large

Acties:
  • 0 Henk 'm!

  • Beekforel
  • Registratie: November 2001
  • Laatst online: 21:45

Beekforel

Is eigenlijk geen vis

Thorsd schreef op dinsdag 22 oktober 2024 @ 13:20:
[...]


Ja, ik zit daar ook aan te denken, alleen ik vroeg me af wat de mogelijke besparing zou zijn:

Het hangt natuurlijk veel af van je PV opbrengst en WP gebruik, maar voor hier: Vorig seizoen (nov. tm feb.) hebben de panelen hier 650 kWh opgebracht, waarvan 550 eigen gebruik. Dus daar valt maar max 100 extra te behalen, dat is niet zoveel op op 3300 voor WP totaal in die periode maar alles helpt.

Blijft over het tussen seizoen (okt, mrt, apr), daarin heeft de WP totaal 1100 kWh gebruikt. Schatting 30% direct via PV, zou je dat naar 70% kunnen krijgen, dan pak je 440 kWh. Om het precies te krijgen zou ik exact moeten bepalen hoeveel de WP nu in die maanden op directe PV draait. Op zich heb ik die gegevens wel...

Maar op het eerste gezicht lijkt het dus inderdaad wel de moeite te zijn.
Wat de winst zal zijn is inderdaad lastig. Ik heb over een heel jaar 25% direct zelf gebruikt van mijn bijna 10 MWh opwek, ik zou dat wel hoger willen hebben. Heb helaas niet genoeg gebruikscijfers van de warmtepomp.

Acties:
  • +1 Henk 'm!

  • Thorsd
  • Registratie: Oktober 2022
  • Laatst online: 20:53
Beekforel schreef op dinsdag 22 oktober 2024 @ 13:39:
[...]

Wat de winst zal zijn is inderdaad lastig. Ik heb over een heel jaar 25% direct zelf gebruikt van mijn bijna 10 kWh opwek, ik zou dat wel hoger willen hebben. Heb helaas niet genoeg gebruikscijfers van de warmtepomp.
Hier hetzelfde (ik neem aan dat je MWh bedoelt), ik zal eens een export per uur maken met WP gebruik en PV opwek.

Acties:
  • +2 Henk 'm!

  • Cubico
  • Registratie: Januari 2023
  • Laatst online: 23:00
Beekforel schreef op dinsdag 22 oktober 2024 @ 11:50:
[...]

Ik zou het prima vinden om in de periodes dat het kan overdag wat meer vermogen de vloer in te sturen obv zonnestroom zodat ik in de nacht niet hoef te draaien. Gevolg dat je misschien wat te warm heb in huis begin van de avond maar dat kan ik wel accepteren als ik op die manier mijn zelfconsumptie omhoog kan halen.
Ik probeer ook wat meer eigen stroom te gebruiken. Hiervoor heb ik een tiny thermostaat (XH-W1209) sensor in de beton vloer gestoken zodat de vloer op temperatuur blijft. Als het echt te warm word in de kamer door de zon of soms de pellet kachel, grijpt de gewone kamer thermostaat in en schakelt de WP alsnog uit. Beide thermostaten staan in serie.

Panasonic 7kW J-Series, Solar 5040Wp


Acties:
  • 0 Henk 'm!

  • Bra-Jo
  • Registratie: Mei 2002
  • Niet online

Bra-Jo

DILLIGAF

Ik heb na veel experimenteren en hulp hier nu een virtuele thermostaat (gemiddelde van 3 sensoren) waarmee een Shelly de WP aan- en uitschakelt via HA. Werkt prima, maar het nadeel is dat er geen lange runs komen (lijkt me inherent aan de setup, de thermostaat schakelt uit wanneer het 20 graden is, punt).

Ik vraag me af of er manieren zijn om toch wat langere runs te laten maken. Zou het schelen als ik met de hysterese van de thermostaat zou gaan spelen? Staat nu op -0,2 en +0,3. Ik ben een beetje bang voor te grote schommelingen binnen, omdat mijn vloer en muren relatief weinig massa hebben.

Nomen nescio


Acties:
  • 0 Henk 'm!

  • Wouter2403
  • Registratie: April 2020
  • Laatst online: 00:03
Bra-Jo schreef op woensdag 23 oktober 2024 @ 10:06:
Ik heb na veel experimenteren en hulp hier nu een virtuele thermostaat (gemiddelde van 3 sensoren) waarmee een Shelly de WP aan- en uitschakelt via HA. Werkt prima, maar het nadeel is dat er geen lange runs komen (lijkt me inherent aan de setup, de thermostaat schakelt uit wanneer het 20 graden is, punt).

Ik vraag me af of er manieren zijn om toch wat langere runs te laten maken. Zou het schelen als ik met de hysterese van de thermostaat zou gaan spelen? Staat nu op -0,2 en +0,3. Ik ben een beetje bang voor te grote schommelingen binnen, omdat mijn vloer en muren relatief weinig massa hebben.
Ik zou de watertemperatuur wat lager zetten dan. Dan doet ie er wat langer over om tussen je hysterese op te warmen van -0,2 naar +0,3.

4850Wp West, 4050Wp Oost, 9kW J-series Pana geïnstalleerd juni 2023


Acties:
  • +1 Henk 'm!

  • FransvWoerkom
  • Registratie: Maart 2018
  • Laatst online: 06-10 23:51
Bra-Jo schreef op woensdag 23 oktober 2024 @ 10:06:
Ik heb na veel experimenteren en hulp hier nu een virtuele thermostaat (gemiddelde van 3 sensoren) waarmee een Shelly de WP aan- en uitschakelt via HA. Werkt prima, maar het nadeel is dat er geen lange runs komen (lijkt me inherent aan de setup, de thermostaat schakelt uit wanneer het 20 graden is, punt).

Ik vraag me af of er manieren zijn om toch wat langere runs te laten maken. Zou het schelen als ik met de hysterese van de thermostaat zou gaan spelen? Staat nu op -0,2 en +0,3. Ik ben een beetje bang voor te grote schommelingen binnen, omdat mijn vloer en muren relatief weinig massa hebben.
Een zelfgemaakte thermostaat is natuurlijk het leukst, maar heb je de thermostaat van de pana al geprobeerd? Dat wil zeggen de thermistor in de controller, samen met de software in de pana en het moduleren van de compressor. Een lagere Ta geeft over het algemeen langere runs en minder overshoot maar de Ta moet natuurlijk niet zo laag worden dat de doel kamertemperatuur niet gehaald wordt. De software in de pana probeert zelf een compromis te vinden. De +/- 1° resolutie van het display en van het setpoint wordt door sommigen als bezwaar gezien, maar intern werkt de pana met een resolutie van 0,5° en de Integrerende werking van de thermostaat zorgt dat een afwijking niet te lang duurt.

Die drie sensors in de kamer lijken me interessant. Hoeveel verschillen de temperaturen bij jou? Algemeen wordt aangenomen dat temperatuurverschillen in een verwarmde ruimte in de orde van 1° liggen.

Acties:
  • 0 Henk 'm!

  • Bra-Jo
  • Registratie: Mei 2002
  • Niet online

Bra-Jo

DILLIGAF

FransvWoerkom schreef op woensdag 23 oktober 2024 @ 16:00:
[...]

Een zelfgemaakte thermostaat is natuurlijk het leukst, maar heb je de thermostaat van de pana al geprobeerd? Dat wil zeggen de thermistor in de controller, samen met de software in de pana en het moduleren van de compressor. Een lagere Ta geeft over het algemeen langere runs en minder overshoot maar de Ta moet natuurlijk niet zo laag worden dat de doel kamertemperatuur niet gehaald wordt. De software in de pana probeert zelf een compromis te vinden. De +/- 1° resolutie van het display en van het setpoint wordt door sommigen als bezwaar gezien, maar intern werkt de pana met een resolutie van 0,5° en de Integrerende werking van de thermostaat zorgt dat een afwijking niet te lang duurt.

Die drie sensors in de kamer lijken me interessant. Hoeveel verschillen de temperaturen bij jou? Algemeen wordt aangenomen dat temperatuurverschillen in een verwarmde ruimte in de orde van 1° liggen.
Tnx voor je reactie. Ik heb de thermostaat (controller) in de meterkast, helaas geen WAF om hem in de woonkamer te hangen. :/ Maar spelen met de Ta lijkt inderdaad logischer dan met de hysterese. Ik zou dan wel onder de algemeen geaccepteerde 26 graden moeten gaan, maar het is het proberen waard.

Onze woonkamer-keuken is L-vormig. Ik heb de woonkamerthermostaat gebaseerd op gemiddelde van een Awair in de woonkamer-poot, een Tado Airco-controller in de hoek en een Hue bewegingssensor in de keuken-poot. Er zit wel iets meer in dan 1 graad, omdat de keuken aan de "koude kant" zit: 21,4 (woonkamer), 20,7 (hoek), 19,9 (keuken). Ik heb 'm aan de lage kant afgeregeld, kan 'm nog wel een halve graad hoger zetten maar nog meer dan wordt het in de woonkamer te warm.

Nomen nescio


Acties:
  • +2 Henk 'm!

  • The_Woesh
  • Registratie: Augustus 2001
  • Laatst online: 20:54
Na maanden wachten en klussen eindelijk de pana aangesloten en werkend. Na het grote Eureka moment (het water wordt warm) nu toch wel het besef dat we erg nog niet zijn en ik moet het instellen nog doen.

Ik heb een heishamon gekocht, die is nog niet geïnstalleerd. Ga ik nog doen maar ik wilde eerst kijken of de Pana het gewoon doet zoals die moet doen. Even kat uit te boom kijken dus, wellicht heb ik nog garantie nodig. Monteur komt over 2 weken nog eens langs om een airco te fixen en dan doen we dat denk ik samen.

Situatie is nu dus dat ik een 7KW J serie heb, +/- 60m2 vloerverwarming en 6 gewone radiatoren. De pana moet de basis minimum warmte afgeven. De airco (die nu toevallige kapot is) is dan meer voor het comfort. Kortom gezin komt niet aan de pana.

Ik wil hem op minimum vermogen laten draaien. Het is even puzzelen met de controller omdat ik maar erg weinig functies heb. Ik heb de stooklijn maar op -5 gezet en ik zie dat het water schommelt tussen de 25 en 33 graden, ik had het constanter verwacht. Ook snap ik het symbool naast het zonnetje nog niet helemaal. misschien iemand wat snelle tips? De manual van panasonic in erg uitgebreid maar ik mis een beetje de basis dingen.


Afbeeldingslocatie: https://tweakers.net/i/0hQidFG22wgtghYwz-jV7dAoUT8=/800x/filters:strip_icc():strip_exif()/f/image/djnw1TgANoRvwCXA0eS73UxJ.jpg?f=fotoalbum_large

Acties:
  • 0 Henk 'm!

  • Draakje5
  • Registratie: November 2011
  • Laatst online: 21:36
Vraagje.. het verbruik (geschat) in de App probeer ik zo af en toe te volgen. Ook of de warmtepomp (verwarming vv) aan gaat en wat hij verbruikt.

Nu stond de app (comfort cloud) op UTC+01 en kwam ik er achter dat Nederland in UTC +02 zit tijdens de zomertijd.

Maar klopt het dat de app in de toekomst kijkt? Ik zie om 19:45 een verbruik al om 21:00 staan. :?

Afbeeldingslocatie: https://tweakers.net/i/GnHENc9Ple0UYtV1Xs6o7CKFDJw=/x800/filters:strip_icc():strip_exif()/f/image/zEZanR1YmJQCFaEf74ZR9rDK.jpg?f=fotoalbum_large

Acties:
  • +2 Henk 'm!

  • Ethirty
  • Registratie: September 2007
  • Laatst online: 22:20

Ethirty

Who...me?

Ik laat hem gewoon op UTC+1 staan en je warmtepomp zelf kent geen tijdzones of synchronisatie. Dus als je een afwijking van niet-hele uren ziet, zou ik die klok eerst checken.

#team_UTC+1

An investment in knowledge always pays the best interest - Benjamin Franklin
You can call me McOverloper  Mini '12 i7/16/256  Air '13 i5/8/256  iPad mini 5 64GB  iPhone SE 128GB


Acties:
  • +2 Henk 'm!

  • ErikVers
  • Registratie: April 2020
  • Laatst online: 23:06

ErikVers

e-Duurzaam

The_Woesh schreef op woensdag 23 oktober 2024 @ 19:45:
Na maanden wachten en klussen eindelijk de pana aangesloten en werkend. Na het grote Eureka moment (het water wordt warm) nu toch wel het besef dat we erg nog niet zijn en ik moet het instellen nog doen.

Ik heb een heishamon gekocht, die is nog niet geïnstalleerd. Ga ik nog doen maar ik wilde eerst kijken of de Pana het gewoon doet zoals die moet doen. Even kat uit te boom kijken dus, wellicht heb ik nog garantie nodig. Monteur komt over 2 weken nog eens langs om een airco te fixen en dan doen we dat denk ik samen.

Situatie is nu dus dat ik een 7KW J serie heb, +/- 60m2 vloerverwarming en 6 gewone radiatoren. De pana moet de basis minimum warmte afgeven. De airco (die nu toevallige kapot is) is dan meer voor het comfort. Kortom gezin komt niet aan de pana.

Ik wil hem op minimum vermogen laten draaien. Het is even puzzelen met de controller omdat ik maar erg weinig functies heb. Ik heb de stooklijn maar op -5 gezet en ik zie dat het water schommelt tussen de 25 en 33 graden, ik had het constanter verwacht. Ook snap ik het symbool naast het zonnetje nog niet helemaal. misschien iemand wat snelle tips? De manual van panasonic in erg uitgebreid maar ik mis een beetje de basis dingen.


[Afbeelding]
Tja ik zou zeggen spit die paar honderd pagina’s lekker door, dommer wordt je er niet van! 😜

Dat symbooltje staat al voorin de manual en betekend dat “in bedrijf” is op die modus. Dan loopt iig de waterpomp en komt de compressor er ook bij als aan de juiste parameters voldoet. Zie voor die parameters verderop in dat mooie boek bij heat modus.

Je water temperaturen; wat heb je ingesteld bij inst instellingen verwarmen voor je stooklijn?

WP Pana 5H - Solar 6m2 icm 300liter - PV 8970Wp: 27stuks Solar - Home Assistant - VW ID3 First 20” |


Acties:
  • 0 Henk 'm!

  • nokiaan958GB
  • Registratie: Augustus 2008
  • Niet online
The_Woesh schreef op woensdag 23 oktober 2024 @ 19:45:
Na maanden wachten en klussen eindelijk de pana aangesloten en werkend. Na het grote Eureka moment (het water wordt warm) nu toch wel het besef dat we erg nog niet zijn en ik moet het instellen nog doen.

Ik heb een heishamon gekocht, die is nog niet geïnstalleerd. Ga ik nog doen maar ik wilde eerst kijken of de Pana het gewoon doet zoals die moet doen. Even kat uit te boom kijken dus, wellicht heb ik nog garantie nodig. Monteur komt over 2 weken nog eens langs om een airco te fixen en dan doen we dat denk ik samen.

Situatie is nu dus dat ik een 7KW J serie heb, +/- 60m2 vloerverwarming en 6 gewone radiatoren. De pana moet de basis minimum warmte afgeven. De airco (die nu toevallige kapot is) is dan meer voor het comfort. Kortom gezin komt niet aan de pana.

Ik wil hem op minimum vermogen laten draaien. Het is even puzzelen met de controller omdat ik maar erg weinig functies heb. Ik heb de stooklijn maar op -5 gezet en ik zie dat het water schommelt tussen de 25 en 33 graden, ik had het constanter verwacht. Ook snap ik het symbool naast het zonnetje nog niet helemaal. misschien iemand wat snelle tips? De manual van panasonic in erg uitgebreid maar ik mis een beetje de basis dingen.


[Afbeelding]
Volgens mij begrijp je de werking van de stooklijn niet. Je geeft bij 2 buitentemperaturen aan hoe warm de aanvoertemperatuur van het water moet zijn.
Om te zien wat er gebeurt gaat er niets boven in de Service Cloud te volgen wat effecten van je instellingen zijn.
Als je op een minimaal vermogen wel draaien dan kun je er voor kiezen een horizontale stooklijn in te stellen. Bijvoorbeeld 25 graden bij -5 en 25 graden bij +15.
Nadeel van dit zuinige stoken is wel dat bij deze aanvoertemperaturen jouw radiatoren nauwelijks warmteafgifte hebben.

Acties:
  • +1 Henk 'm!

  • Ethirty
  • Registratie: September 2007
  • Laatst online: 22:20

Ethirty

Who...me?

De -5 waar hij over spreekt is de afwijking van de stooklijn. Als hij dan alsnog 33 ziet bij deze temperaturen staat deze in de basis sowieso al vrij hoog, wat gezien de radiatoren waarschijnlijk bewust is gedaan.

Ik snap sowieso niet helemaal waarom je een 7J op de beschreven manier wil inzetten. Leuk dat je met airco kan (bij)verwarmen, maar vloerverwarming is een veel comfortabeler soort warmte dan warme lucht. En wat is basiswarmte, 15 graden of 18? Hoeveel moet je dan opwarmen met 1 of meerdere airco’s?

Mijn gevoel zegt dat die 7J het alleen waarschijnlijk ook wel redt.

[ Voor 9% gewijzigd door Ethirty op 23-10-2024 21:57 ]

#team_UTC+1

An investment in knowledge always pays the best interest - Benjamin Franklin
You can call me McOverloper  Mini '12 i7/16/256  Air '13 i5/8/256  iPad mini 5 64GB  iPhone SE 128GB


Acties:
  • 0 Henk 'm!

  • The_Woesh
  • Registratie: Augustus 2001
  • Laatst online: 20:54
@ErikKo : bedankt, symbolen gevonden en ook gelijk de manual voor de controller. Staat inderdaad voorin. Ik wad gelijk naar "operations & control" gegaan. En zag daar heel nuttig info maar nergens hoe het in te stellen.

@nokiaan958GB en @ErikVers : ik heb nog niks ingesteld voor de stooklijn. Dus staat op default. Ik begrijp het wel vanuit de opening post en andere dingen die ik gelezen had, maar omdat ik nog niet begreep waar ik het kon instellen was ik eerst dat aan het zoeken. Ik zie nu dat de stooklijn 'compensation curve' is. Ik ga maar eens kijken hoe dat nu staat.

Acties:
  • 0 Henk 'm!

  • The_Woesh
  • Registratie: Augustus 2001
  • Laatst online: 20:54
Ethirty schreef op woensdag 23 oktober 2024 @ 21:55:
De -5 waar hij over spreekt is de afwijking van de stooklijn. Als hij dan alsnog 33 ziet bij deze temperaturen staat deze in de basis sowieso al vrij hoog, wat gezien de radiatoren waarschijnlijk bewust is gedaan.

Ik snap sowieso niet helemaal waarom je een 7J op de beschreven manier wil inzetten. Leuk dat je met airco kan (bij)verwarmen, maar vloerverwarming is een veel comfortabeler soort warmte dan warme lucht. En wat is basiswarmte, 15 graden of 18? Hoeveel moet je dan opwarmen met 1 of meerdere airco’s?

Mijn gevoel zegt dat die 7J het alleen waarschijnlijk ook wel redt.
Er is niks gedaan aan de instellingen. De monteur had nog nooit een pana geïnstalleerd, alleen de aansluiting gedaan op de cv, rest zelf nu uitzoeken. De airco's heb ik al twee jaar en de cv verwarmde mee. En warme lucht is best pretig. Nu dat hij stuk is voelt 18 graden in huis kouder aan. Ik denk dat de pana het wel alleen aankan hoor. Alleen nog even uitzoeken wat wij de prettigstt vinden. Als het huis op 18 staat en oma komt langs dan heeft de airco het binnen 15 min op 21 graden 😜.

Anyway nog even puzzelen dus.

Acties:
  • +1 Henk 'm!

  • Ethirty
  • Registratie: September 2007
  • Laatst online: 22:20

Ethirty

Who...me?

The_Woesh schreef op woensdag 23 oktober 2024 @ 22:09:
[...]


Er is niks gedaan aan de instellingen. De monteur had nog nooit een pana geïnstalleerd, alleen de aansluiting gedaan op de cv, rest zelf nu uitzoeken. De airco's heb ik al twee jaar en de cv verwarmde mee. En warme lucht is best pretig. Nu dat hij stuk is voelt 18 graden in huis kouder aan. Ik denk dat de pana het wel alleen aankan hoor. Alleen nog even uitzoeken wat wij de prettigstt vinden. Als het huis op 18 staat en oma komt langs dan heeft de airco het binnen 15 min op 21 graden 😜.

Anyway nog even puzzelen dus.
Volgens mij gaat de default stooklijn tot ver over de 50 graden. Niet alleen erg onzuinig, maar ook enorm oncomfortabel voor je voetjes. Ik zou snel even in het installateurs menu duiken en de compensation curve bekijken. Desnoods post je hier wat er staat voor wat gerichter advies.

Je zal die curve de komende maanden nog wel een paar keer bij willen stellen op basis van je persoonlijke ervaringen in huis. Pas als het echt koud wordt kan je het systeem pas goed testen.

#team_UTC+1

An investment in knowledge always pays the best interest - Benjamin Franklin
You can call me McOverloper  Mini '12 i7/16/256  Air '13 i5/8/256  iPad mini 5 64GB  iPhone SE 128GB


Acties:
  • +1 Henk 'm!

  • The_Woesh
  • Registratie: Augustus 2001
  • Laatst online: 20:54
@Ethirty : klopt, ik heb het net gevonden. 55 graden!

Ik heb snel dit ingesteld, en op stille modus gezet voor de nacht. Morgen maar verder kijken.
Iedereen bedankt, een paar tips helpt al snel als alles nieuw is en je met 200 pagina aan handleiding zit.

Afbeeldingslocatie: https://tweakers.net/i/axVFtye4_OxT_cgphFMH63j5j4Q=/800x/filters:strip_icc():strip_exif()/f/image/BDZUki1kMfWWjoRFP44At36V.jpg?f=fotoalbum_large

[ Voor 9% gewijzigd door The_Woesh op 23-10-2024 22:20 ]


Acties:
  • 0 Henk 'm!

  • ErikVers
  • Registratie: April 2020
  • Laatst online: 23:06

ErikVers

e-Duurzaam

The_Woesh schreef op woensdag 23 oktober 2024 @ 22:18:
@Ethirty : klopt, ik heb het net gevonden. 55 graden!

Ik heb snel dit ingesteld, en op stille modus gezet voor de nacht. Morgen maar verder kijken.
Iedereen bedankt, een paar tips helpt al snel als alles nieuw is en je met 200 pagina aan handleiding zit.

[Afbeelding]
Mooi dat gelukt is, wellicht is 40 nog wat hoog dit is natuurlijk afhankelijk in welke verhouding je genoemde combi tussen vvw en radiatoren is. Je stooklijn is nu vrij stijl en dat zorgt ervoor dat als het wat kouder wordt hij ook fors gaat optoeren. Een vlakker lijn is rustiger, maar moet natuurlijk wel haalbaar zijn, en daar kom je achter door te testen.

Zet hem bijvoorbeeld eens op 26 en 35 dan staat hij al een stuk vlakker.

WP Pana 5H - Solar 6m2 icm 300liter - PV 8970Wp: 27stuks Solar - Home Assistant - VW ID3 First 20” |


Acties:
  • 0 Henk 'm!

  • The_Woesh
  • Registratie: Augustus 2001
  • Laatst online: 20:54
Vanochtend was het 19,5 in huis. Ik heb advies opgevolgd en de stooklijn op 35-26 gezet.

Verder valt het mij op dat ik redelijk wat stroming geluid hoor. Vooral bij de verdeler vloerverwarming.

Ik zag dat de pomp op moduleren stond maar niet helemaal duidelijk of je de max stroom snelheid iets naar beneden kan zetten.

Ook ingesteld dat bij 18 buiten hij uit gaat. Stond default op 25?!

Acties:
  • 0 Henk 'm!

  • ErikKo
  • Registratie: Mei 2009
  • Laatst online: 07-10 16:55

ErikKo

Rippie

The_Woesh schreef op donderdag 24 oktober 2024 @ 09:11:
Vanochtend was het 19,5 in huis. Ik heb advies opgevolgd en de stooklijn op 35-26 gezet.

Verder valt het mij op dat ik redelijk wat stroming geluid hoor. Vooral bij de verdeler vloerverwarming.

Ik zag dat de pomp op moduleren stond maar niet helemaal duidelijk of je de max stroom snelheid iets naar beneden kan zetten.

Ook ingesteld dat bij 18 buiten hij uit gaat. Stond default op 25?!
Heb je een foto van de vvw verdeler?

Acties:
  • 0 Henk 'm!

  • Bra-Jo
  • Registratie: Mei 2002
  • Niet online

Bra-Jo

DILLIGAF

FransvWoerkom schreef op woensdag 23 oktober 2024 @ 16:00:
[...]
Een lagere Ta geeft over het algemeen langere runs en minder overshoot
Nogmaals bedankt Frans :) Verlaging van de Ta van 26 naar 23 graden leverde vannacht een mooie lange run op van bijna 6 uur op 20Hz, ipv drie korte van een uur de nacht ervoor. Dikke prima. Nu nog even kijken wat die 23 doet met pendelen en op temperatuur houden van het huis, maar ik weet nu in ieder geval waar de speelruimte zit. d:)b

Nomen nescio


Acties:
  • 0 Henk 'm!

  • Ethirty
  • Registratie: September 2007
  • Laatst online: 22:20

Ethirty

Who...me?

The_Woesh schreef op donderdag 24 oktober 2024 @ 09:11:

Verder valt het mij op dat ik redelijk wat stroming geluid hoor. Vooral bij de verdeler vloerverwarming.
Zou simpelweg lucht kunnen zijn. Weet niet of er al goed ontlucht is? Duurt meestal wel eventjes voor alles er helemaal uit is.

#team_UTC+1

An investment in knowledge always pays the best interest - Benjamin Franklin
You can call me McOverloper  Mini '12 i7/16/256  Air '13 i5/8/256  iPad mini 5 64GB  iPhone SE 128GB


Acties:
  • 0 Henk 'm!

  • tijmeng
  • Registratie: December 2004
  • Laatst online: 20:54

tijmeng

Panasonic 7J

Vanochtend voor de 2e keer wat kouder in huis. Gisteravond was de woonkamer 20,5 graad. over de nacht helemaal afgekoeld naar 19 graden.

Afbeeldingslocatie: https://tweakers.net/i/_OrBzR-hChGTinQXlDkHsT3mENQ=/800x/filters:strip_icc():strip_exif()/f/image/8ca6jn6PS4pgqYInq6AnApT9.jpg?f=fotoalbum_large

Ik draai WAR met een 7J. Het korte piekje van gisteravond om 1945 kan ik niet plaatsen, maar zorgt er voor dat voor een lange tijd de warmtepomp dus niet aanschiet, pas om 3 uur gaat hij ene lange run maken (tot uur of 8 ). Doordat de machine zo lang uit staat koelt het toch wel af in huis. Andere vergelijkbare nachten maakt de 7J met tussenpauzes runs van 2 uur per stuk. Dat piekje om 1945 lijkt roet in het eten te gooien met de aansturing.

Iemand ervaring hiermee? Wat is dat piekje? En hoe kan ik dit voorkomen (en wel WAR blijven draaien)?

Ik heb het al 2x eerder meegemaakt en ook een keer kunnen afvangen. Als ik dan bv de warmtepomp even kort uit en aanzet op de controller, gaat deze meteen een run maken.

Acties:
  • +1 Henk 'm!

  • Pejdref
  • Registratie: November 2012
  • Laatst online: 20:43
tijmeng schreef op donderdag 24 oktober 2024 @ 10:56:
Vanochtend voor de 2e keer wat kouder in huis. Gisteravond was de woonkamer 20,5 graad. over de nacht helemaal afgekoeld naar 19 graden.

[Afbeelding]

Ik draai WAR met een 7J. Het korte piekje van gisteravond om 1945 kan ik niet plaatsen, maar zorgt er voor dat voor een lange tijd de warmtepomp dus niet aanschiet, pas om 3 uur gaat hij ene lange run maken (tot uur of 8 ). Doordat de machine zo lang uit staat koelt het toch wel af in huis. Andere vergelijkbare nachten maakt de 7J met tussenpauzes runs van 2 uur per stuk. Dat piekje om 1945 lijkt roet in het eten te gooien met de aansturing.

Iemand ervaring hiermee? Wat is dat piekje? En hoe kan ik dit voorkomen (en wel WAR blijven draaien)?

Ik heb het al 2x eerder meegemaakt en ook een keer kunnen afvangen. Als ik dan bv de warmtepomp even kort uit en aanzet op de controller, gaat deze meteen een run maken.
Je kunt even rondom deze post lezen, daar is iemand met hetzelfde gedrag: Pejdref in "Panasonic monoblock warmtepompen topic deel 3"

Het piekje is het resultaat van een matige regeling van de Panasonic in sommige situaties. De Panasonic start met te veel vermogen waardoor de temperatuur zo snel oploopt dat die weer uitschakelt.

Dat krijg je er alleen uit door slim na te regelen met bijvoorbeeld de Heishamon. Je kunt de kans wel verkleinen door met instellingen te spelen maar daar heb ik geen ervaring mee. WAR+thermostaat regeling is ook nog een optie (en dan de stooklijn in het pendelgebied wat hoger zetten).

Acties:
  • 0 Henk 'm!

  • The_Woesh
  • Registratie: Augustus 2001
  • Laatst online: 20:54
ErikKo schreef op donderdag 24 oktober 2024 @ 09:21:
[...]

Heb je een foto van de vvw verdeler?
Het is nog de oude verdeler met pomp. Ik wilde hem vervangen zonder pomp, monteur gaf aan kijk het even aan, kan ik altijd nog later doen. Ik heb nu geen foto maar het is zo'n ding:

Afbeeldingslocatie: https://tweakers.net/i/CimKnDM1Fsyf-Qd0mdQNSVNYTPw=/fit-in/4920x3264/filters:max_bytes(3145728):no_upscale():strip_icc():fill(white):strip_exif()/f/image/D3UPJLz23LO06C9jkfRm9Uyh.jpg?f=user_large

Acties:
  • 0 Henk 'm!

  • The_Woesh
  • Registratie: Augustus 2001
  • Laatst online: 20:54
Ethirty schreef op donderdag 24 oktober 2024 @ 10:47:
[...]

Zou simpelweg lucht kunnen zijn. Weet niet of er al goed ontlucht is? Duurt meestal wel eventjes voor alles er helemaal uit is.
Het zou kunnen, maar lucht hoor je denk ik altijd wel borrelen, dit was echt stromen. Maar goed om eerst even aan te kijken.

Acties:
  • +2 Henk 'm!

  • ErikKo
  • Registratie: Mei 2009
  • Laatst online: 07-10 16:55

ErikKo

Rippie

The_Woesh schreef op donderdag 24 oktober 2024 @ 12:09:
[...]

Het is nog de oude verdeler met pomp. Ik wilde hem vervangen zonder pomp, monteur gaf aan kijk het even aan, kan ik altijd nog later doen. Ik heb nu geen foto maar het is zo'n ding:

[Afbeelding]
Een warmtepomp werkt met een hoge flow (debiet) en lage temperatuur water. Dit ten opzichte van een CV ketel die werkt met een lage flow en hoge temperatuur water.

Bovenop je vvw verdeler zit een thermostaatkraan en voetventiel met hele kleine doorlaat. Als je daar met hoge druk veel water doorheen perst gaat dat suizen.

Ik had ook last van veel gesuis, en heb mijn verdeler omgebouwd naar een pomploze verdeler zonder thermostaatkraan / voetventiel. Nu kan ik niet eens meer horen of hij aan staat of niet.

Acties:
  • 0 Henk 'm!

  • FransvWoerkom
  • Registratie: Maart 2018
  • Laatst online: 06-10 23:51
tijmeng schreef op donderdag 24 oktober 2024 @ 10:56:
Vanochtend voor de 2e keer wat kouder in huis. Gisteravond was de woonkamer 20,5 graad. over de nacht helemaal afgekoeld naar 19 graden.

[Afbeelding]

Ik draai WAR met een 7J. Het korte piekje van gisteravond om 1945 kan ik niet plaatsen, maar zorgt er voor dat voor een lange tijd de warmtepomp dus niet aanschiet, pas om 3 uur gaat hij ene lange run maken (tot uur of 8 ). Doordat de machine zo lang uit staat koelt het toch wel af in huis. Andere vergelijkbare nachten maakt de 7J met tussenpauzes runs van 2 uur per stuk. Dat piekje om 1945 lijkt roet in het eten te gooien met de aansturing.

Iemand ervaring hiermee? Wat is dat piekje? En hoe kan ik dit voorkomen (en wel WAR blijven draaien)?

Ik heb het al 2x eerder meegemaakt en ook een keer kunnen afvangen. Als ik dan bv de warmtepomp even kort uit en aanzet op de controller, gaat deze meteen een run maken.
Ik meen dat de war logica na een paar uur een herberekening maakt. Resultaat kan zijn dat dan even de compressor aan- of uitgaat. Het lijkt me trouwens zonde dat de compressor in de loop van de avond stopt en dan tegen het eind van de nacht aan gaat als het buiten het koudst is. Dat kun je misschien vermijden door de wp tot 24 uur door te laten lopen en met de timer van 24 tot 8 uur uit te zetten. Dan loopt ook de circulatiepomp niet en sleept ook geen warmte naar buiten.

Het dalen van de temperatuur in je kamer is sterk afhankelijk van de warmtecapaciteit van vloer, plafond en muren en de isolatie daarvan. Bij mij scheelt het enorm als ik bij zonsondergang de aluminium lamellen voor de zwarte gaten laat zakken.

Acties:
  • 0 Henk 'm!

  • Thorsd
  • Registratie: Oktober 2022
  • Laatst online: 20:53
tijmeng schreef op donderdag 24 oktober 2024 @ 10:56:
Vanochtend voor de 2e keer wat kouder in huis. Gisteravond was de woonkamer 20,5 graad. over de nacht helemaal afgekoeld naar 19 graden.

[Afbeelding]

Ik draai WAR met een 7J. Het korte piekje van gisteravond om 1945 kan ik niet plaatsen, maar zorgt er voor dat voor een lange tijd de warmtepomp dus niet aanschiet, pas om 3 uur gaat hij ene lange run maken (tot uur of 8 ). Doordat de machine zo lang uit staat koelt het toch wel af in huis. Andere vergelijkbare nachten maakt de 7J met tussenpauzes runs van 2 uur per stuk. Dat piekje om 1945 lijkt roet in het eten te gooien met de aansturing.

Iemand ervaring hiermee? Wat is dat piekje? En hoe kan ik dit voorkomen (en wel WAR blijven draaien)?

Ik heb het al 2x eerder meegemaakt en ook een keer kunnen afvangen. Als ik dan bv de warmtepomp even kort uit en aanzet op de controller, gaat deze meteen een run maken.
Ja, dat is een misfire/valse start. Dit komt waarschijnlijk doordat de regeling de flow van de waterpomp soms niet snel genoeg omhoog zet. Wat er dan gebeurt is dat de temperatuur 2x 3 graden moet zakken voordat de WP weer aan gaat.

Zoals al gezegd, kan het helpen de stooklijn wat omhoog te doen. Ik zie het dan ook nog wel gebeuren, maar dan is de 2x 3 graden wat minder laag en gaat de WP sneller aan. Als ik de waterpomp op max flow ipv dT zet, gebeurt het helemaal niet meer (maar dat is ook niet ideaal).

Acties:
  • 0 Henk 'm!

  • Knopsje
  • Registratie: November 2006
  • Laatst online: 23:40
De eerste winter sinds de installatie van mijn 5J dus druk bezig met afstellen. Het circuit van de bovenverdiepingen met radiatoren is nog niet af, dus hij draait voorlopig alleen op ongeveer 50m2 vloerverwarming van de benedenverdieping, en een kleine groep vloerverwarming van de badkamer. Merk de afgelopen 2 dagen dat hij met deze buitentemperaturen pendelt:
Afbeeldingslocatie: https://tweakers.net/i/drm6OSlqFA6DcxVa48WufkSIJZE=/800x/filters:strip_exif()/f/image/bU66VBYy5IPhYcQ3tItafbxj.png?f=fotoalbum_large
Log van de Service Cloud ziet er als volgt uit:
Afbeeldingslocatie: https://tweakers.net/i/MnC0KBeV5O2KXY92gYyAdxOFQfk=/800x/filters:strip_exif()/f/image/qFIp45YjebUpSevycfxt7NHL.png?f=fotoalbum_large

Ik draai WAR met de controller als thermostaat. Stooklijn is 27/35 bij 15/-10. Is het gewoon een kwestie van de stooklijn nog wat omlaag of interpreteer ik de data verkeerd?

Acties:
  • +1 Henk 'm!

  • Sjouke Jacobsen
  • Registratie: Februari 2024
  • Laatst online: 06-10 14:55
Knopsje schreef op donderdag 24 oktober 2024 @ 21:49:
De eerste winter sinds de installatie van mijn 5J dus druk bezig met afstellen. Het circuit van de bovenverdiepingen met radiatoren is nog niet af, dus hij draait voorlopig alleen op ongeveer 50m2 vloerverwarming van de benedenverdieping, en een kleine groep vloerverwarming van de badkamer. Merk de afgelopen 2 dagen dat hij met deze buitentemperaturen pendelt:
[Afbeelding]
Log van de Service Cloud ziet er als volgt uit:
[Afbeelding]

Ik draai WAR met de controller als thermostaat. Stooklijn is 27/35 bij 15/-10. Is het gewoon een kwestie van de stooklijn nog wat omlaag of interpreteer ik de data verkeerd?
Die 27 kun je gerust naar 25 brengen.

Acties:
  • +1 Henk 'm!

  • tonny147
  • Registratie: April 2009
  • Laatst online: 17:33
Knopsje schreef op donderdag 24 oktober 2024 @ 21:49:
De eerste winter sinds de installatie van mijn 5J dus druk bezig met afstellen. Het circuit van de bovenverdiepingen met radiatoren is nog niet af, dus hij draait voorlopig alleen op ongeveer 50m2 vloerverwarming van de benedenverdieping, en een kleine groep vloerverwarming van de badkamer. Merk de afgelopen 2 dagen dat hij met deze buitentemperaturen pendelt:
[Afbeelding]
Log van de Service Cloud ziet er als volgt uit:
[Afbeelding]

Ik draai WAR met de controller als thermostaat. Stooklijn is 27/35 bij 15/-10. Is het gewoon een kwestie van de stooklijn nog wat omlaag of interpreteer ik de data verkeerd?
ik heb ongeveer dezelfde hoeveelheid vloerverwarming, in het voor en najaar draait de 7j op vaste watertemperatuur van 33 graden, icm een externe thermostaat.
zodra de buitentemperatuur onder de 7 graden komt schakel ik over na WAR. dit voorkomt het pendelen bij mij
hij maakt nu runs van 2 uur of langer, zodra het buiten kouder is worden de runs aanzienlijk langer.

Wh-mdc07j3e5


Acties:
  • +1 Henk 'm!

  • Thorsd
  • Registratie: Oktober 2022
  • Laatst online: 20:53
Knopsje schreef op donderdag 24 oktober 2024 @ 21:49:
De eerste winter sinds de installatie van mijn 5J dus druk bezig met afstellen. Het circuit van de bovenverdiepingen met radiatoren is nog niet af, dus hij draait voorlopig alleen op ongeveer 50m2 vloerverwarming van de benedenverdieping, en een kleine groep vloerverwarming van de badkamer. Merk de afgelopen 2 dagen dat hij met deze buitentemperaturen pendelt:
[Afbeelding]
Log van de Service Cloud ziet er als volgt uit:
[Afbeelding]

Ik draai WAR met de controller als thermostaat. Stooklijn is 27/35 bij 15/-10. Is het gewoon een kwestie van de stooklijn nog wat omlaag of interpreteer ik de data verkeerd?
Ik vind het wel op zich wel meevallen, het zijn maar 5 starts per dag. Als het er 5 per uur zijn, zou ik er wel wat aan doen. Als het buiten kouder wordt, worden de runs vanzelf langer. Er is altijd een punt dat er wat aan- en uitgeschakeld wordt.

Als je de stooklijn naar beneden brengt, heb je kans op meer starts (zie ook Thorsd in "Panasonic Warmtepomp 101: Installatie en Optimalisatie #2"), maar je kunt gewoon experimenteren wat wel en niet goed werkt voor je installatie. Aan het eind van het seizoen heb je vast een goede stooklijn.

Acties:
  • +2 Henk 'm!

  • FransvWoerkom
  • Registratie: Maart 2018
  • Laatst online: 06-10 23:51
Knopsje schreef op donderdag 24 oktober 2024 @ 21:49:
De eerste winter sinds de installatie van mijn 5J dus druk bezig met afstellen. Het circuit van de bovenverdiepingen met radiatoren is nog niet af, dus hij draait voorlopig alleen op ongeveer 50m2 vloerverwarming van de benedenverdieping, en een kleine groep vloerverwarming van de badkamer. Merk de afgelopen 2 dagen dat hij met deze buitentemperaturen pendelt:
[Afbeelding]
Log van de Service Cloud ziet er als volgt uit:
[Afbeelding]

Ik draai WAR met de controller als thermostaat. Stooklijn is 27/35 bij 15/-10. Is het gewoon een kwestie van de stooklijn nog wat omlaag of interpreteer ik de data verkeerd?
Je ziet aan de target Ta dat de PI logic de stooklijn al omlaag zet. De kamertemperatuur blijft keurig 21° en de target Ta gaat na 18:00 uur nog verder omlaag terwijl de buitentemperatuur zakt. Ziet er keurig uit. Ik zou pas aan de WAR gaan schuiven als de buitentemperatuur stabiel lager is dan nu. Hopelijk pas over een maand ofzo :)

P.S. Als je in plaats van de "RC1... " de "Zone1: Actual (water outlet/room/pool) temperature [°C]" in je grafiek zet, zie je de door de controller gemeten en door de thermostaat geregelde kamertemperatuur in 0,5° resolutie. De Rc1... is de temperatuuraanwijzing op het display. Die is op hele graden naar beneden afgerond.

[ Voor 10% gewijzigd door FransvWoerkom op 25-10-2024 12:33 ]


Acties:
  • 0 Henk 'm!

  • Sjouke Jacobsen
  • Registratie: Februari 2024
  • Laatst online: 06-10 14:55
tonny147 schreef op vrijdag 25 oktober 2024 @ 08:13:
[...]


ik heb ongeveer dezelfde hoeveelheid vloerverwarming, in het voor en najaar draait de 7j op vaste watertemperatuur van 33 graden, icm een externe thermostaat.
zodra de buitentemperatuur onder de 7 graden komt schakel ik over na WAR. dit voorkomt het pendelen bij mij
hij maakt nu runs van 2 uur of langer, zodra het buiten kouder is worden de runs aanzienlijk langer.
Als je direct een relatief hoge aanvoertemp vraagt, krijg je dan niet dat de wp snel op wil stoken en hoog piekt om vervolgens al snel de doeltemp te halen en weer uit te gaan?
Ik begin bij 25 graden watertemp bij 15 graden met een j9. Heb 80 m2 vloer. Toch weinig last van gependel en merk dat wp snel terugmoduleert naar minimum vermogen.

Acties:
  • 0 Henk 'm!

  • BarryH
  • Registratie: Maart 2011
  • Laatst online: 21:02
@Sjouke Jacobsen En welk minimum vermogen heb je dan (in de OP staat 2500watt, maar dat zal je bij deze instelling niet in 80m2 vloer kwijtraken)?

5670PV op OzOOO, 5640PV op WnWWW, 3150PV op muur op ZZZW, vloerisolatie, HR++,dakisolatie, PANA 9Jmonoblock WP, Ioniq EV 2017


Acties:
  • +1 Henk 'm!

  • ErikVers
  • Registratie: April 2020
  • Laatst online: 23:06

ErikVers

e-Duurzaam

Sjouke Jacobsen schreef op vrijdag 25 oktober 2024 @ 18:16:
[...]


Als je direct een relatief hoge aanvoertemp vraagt, krijg je dan niet dat de wp snel op wil stoken en hoog piekt om vervolgens al snel de doeltemp te halen en weer uit te gaan?
Ik begin bij 25 graden watertemp bij 15 graden met een j9. Heb 80 m2 vloer. Toch weinig last van gependel en merk dat wp snel terugmoduleert naar minimum vermogen.
Omdat je 80m2 hebt kan dat prima. Ik kan met soortgelijke m2 (90) een 3500w afgeven 26ta.
Dan blijf je ruim uit de buurt van t minimale vermogen.

Met kleinere afgifte m2 ontkom je soms niet aan t verhogen van je target; dat vergrootte je afgifte capaciteit. Hij piekt maar kort en heeft normaal genoeg tijd om dan terug te toeren. Als hij maar een realistische target mag maken die past bij minimale afgifte capaciteit.

Je afgifte capaciteit is vrij eenvoudig terug te zien op een tabel van afgifte vvw rekening houdend met welke water temp (is dus je gemiddelde water temp en dat is ta+tr/2) je draait per m2.

Of accepteren dat hij in deze lauwe dagen dit gedrag vertoond.

@tonny147
@Knopsje

https://www.albrand.nl/up...Warmteafgifte_16x2_LR.pdfAfbeeldingslocatie: https://tweakers.net/i/wTg6TUwzz-X8fmxPLKd2yfP2BEo=/x800/filters:strip_icc():strip_exif()/f/image/f1msPZKwNfvcrESd86oUYGXv.jpg?f=fotoalbum_large

[ Voor 41% gewijzigd door ErikVers op 25-10-2024 19:32 ]

WP Pana 5H - Solar 6m2 icm 300liter - PV 8970Wp: 27stuks Solar - Home Assistant - VW ID3 First 20” |


Acties:
  • +1 Henk 'm!

  • ErikVers
  • Registratie: April 2020
  • Laatst online: 23:06

ErikVers

e-Duurzaam

(geen) Buffervat

Mooi bericht dat ook een van de grotere producenten in Nederland van cv producten een genuanceerd advies (afraden, mits voldoen aan de juiste voorwaarden) durven uit te spreken. Grappig dat de installateurs en adviseurs over elkaar heen struikelen om te roepen het wel nodig is (zonder ondersteunende data)

Iets wat we hier al jaren als uitgangspunt hebben.
Al is om mee te tweaken een buffervat ook wel weer leuk icm diverse warmtebronnen ed. Uiteraard is in de basis met een niet master-master zoneregeling de strekking, doe het niet. Uitgaande van voldoende flow en inhoud.

Daarnaast geven ze aan minder op war en meer thermostaat gerichte aanpak te prefereren.

https://www.bouweninstall...-kan-1000-euro-goedkoper/

Zie Whitepaper voor hun onderzoeks data;
https://www.intergas-verw...-Buffervat-Whitepaper.pdf

[ Voor 40% gewijzigd door ErikVers op 25-10-2024 21:56 ]

WP Pana 5H - Solar 6m2 icm 300liter - PV 8970Wp: 27stuks Solar - Home Assistant - VW ID3 First 20” |


Acties:
  • 0 Henk 'm!

  • ErikVers
  • Registratie: April 2020
  • Laatst online: 23:06

ErikVers

e-Duurzaam

.

[ Voor 97% gewijzigd door ErikVers op 25-10-2024 20:38 ]

WP Pana 5H - Solar 6m2 icm 300liter - PV 8970Wp: 27stuks Solar - Home Assistant - VW ID3 First 20” |


Acties:
  • +1 Henk 'm!

  • lbreman
  • Registratie: November 2018
  • Niet online
The_Woesh schreef op donderdag 24 oktober 2024 @ 12:09:
[...]

Het is nog de oude verdeler met pomp. Ik wilde hem vervangen zonder pomp, monteur gaf aan kijk het even aan, kan ik altijd nog later doen. Ik heb nu geen foto maar het is zo'n ding:

[Afbeelding]
Het beste kun je die verdeler vervangen door een pomploos exemplaar (RVS of composiet). Bijv. de huismerk RVS van Heima.de heeft 1" aansluitingen en biedt een prima prijs/kwaliteit verhouding (nee, ik heb geen belang bij Heima). Wanneer je huidige verdeler nog modern is kun je die via Marktplaats waarschijnljik nog goed verkopen en ben je met een beetje geluk per saldo ca. 100 euro kwijt. Huidige Euroconus koppelingen kunnen meestal blijven zitten.

www.opnaargasloos.nl: 9900Wp, 2x30HP 500l buffer, Atlantic WPB, Ravelli Alfa S, Panasonic monobloc J-series 5kW, Model 3 LR


Acties:
  • 0 Henk 'm!

  • Ethirty
  • Registratie: September 2007
  • Laatst online: 22:20

Ethirty

Who...me?

ErikVers schreef op vrijdag 25 oktober 2024 @ 20:35:
(geen) Buffervat

Mooi bericht dat ook een van de grotere producenten in Nederland van cv producten een genuanceerd advies (afraden, mits voldoen aan de juiste voorwaarden) durven uit te spreken. Grappig dat de installateurs en adviseurs over elkaar heen struikelen om te roepen het wel nodig is (zonder ondersteunende data)

Daarnaast geven ze aan minder op war en meer thermostaat gerichte aanpak te prefereren.

https://www.bouweninstall...-kan-1000-euro-goedkoper/

Zie Whitepaper voor hun onderzoeks data;
https://www.intergas-verw...-Buffervat-Whitepaper.pdf
Gelukkig wisten wij dat hier al ;)

Wel bijzonder om te lezen dat ze dus ook de minimale compressor snelheid willen terugschroeven.

Geen idee hoe efficiënt dat is, maar heb me altijd afgevraagd waarom de minima van een warmtepomp altijd relatief hoog liggen.

#team_UTC+1

An investment in knowledge always pays the best interest - Benjamin Franklin
You can call me McOverloper  Mini '12 i7/16/256  Air '13 i5/8/256  iPad mini 5 64GB  iPhone SE 128GB


Acties:
  • 0 Henk 'm!

  • FransvWoerkom
  • Registratie: Maart 2018
  • Laatst online: 06-10 23:51
ErikVers schreef op vrijdag 25 oktober 2024 @ 19:23:
[...]


Je afgifte capaciteit is vrij eenvoudig terug te zien op een tabel van afgifte vvw rekening houdend met welke water temp (is dus je gemiddelde water temp en dat is ta+tr/2) je draait per m2.

[...]
https://www.albrand.nl/up...Warmteafgifte_16x2_LR.pdf[Afbeelding]
Net als de meeste tabellen, formules en nomogrammen is deze tabel bedoeld voor capaciteitsberekeningen. Niet om te bepalen wat er in een specifiek geval gebeurt. Dan moet je rekening houden met vloerbedekking en meubilair, oppervlaktetemperatuur van wanden en plafond, zoninstraling, Als ik naar de aanvangstemperatuur van 30° van de tabel kijk, gaat het hier duidelijk niet over voor- of najaar. In deze tijd van het jaar kom ik ook niet verder dan 25° net als Sjouke en het minimum vermogen van 4kW op 110m2 van mijn 12H haal ik alleen 's ochtends als de wp uit heeft gestaan en de vloertemperatuur is gezakt tot 21°.

In deze tijd van het jaar is het echt pendelen of nachtverlaging.

Acties:
  • 0 Henk 'm!

  • FransvWoerkom
  • Registratie: Maart 2018
  • Laatst online: 06-10 23:51
Ethirty schreef op vrijdag 25 oktober 2024 @ 20:56:
[...]

Gelukkig wisten wij dat hier al ;)

Wel bijzonder om te lezen dat ze dus ook de minimale compressor snelheid willen terugschroeven.

Geen idee hoe efficiënt dat is, maar heb me altijd afgevraagd waarom de minima van een warmtepomp altijd relatief hoog liggen.
Over in en uitgang van de compressor staat het grootste temperatuurverschil, dus een flink constant warmtelek. Ze moeten er voor zorgen dat het opgewekte vermogen duidelijk groter is dan dat lek.

Acties:
  • +2 Henk 'm!

  • ErikVers
  • Registratie: April 2020
  • Laatst online: 23:06

ErikVers

e-Duurzaam

FransvWoerkom schreef op zaterdag 26 oktober 2024 @ 12:22:
[...]

Net als de meeste tabellen, formules en nomogrammen is deze tabel bedoeld voor capaciteitsberekeningen. Niet om te bepalen wat er in een specifiek geval gebeurt. Dan moet je rekening houden met vloerbedekking en meubilair, oppervlaktetemperatuur van wanden en plafond, zoninstraling, Als ik naar de aanvangstemperatuur van 30° van de tabel kijk, gaat het hier duidelijk niet over voor- of najaar. In deze tijd van het jaar kom ik ook niet verder dan 25° net als Sjouke en het minimum vermogen van 4kW op 110m2 van mijn 12H haal ik alleen 's ochtends als de wp uit heeft gestaan en de vloertemperatuur is gezakt tot 21°.

In deze tijd van het jaar is het echt pendelen of nachtverlaging.
Uiteraard, gelukkig geeft deze tabel wel een indicatie wat je afgifte op welke temperatuur kan. Je dekvloer en afwerking ed hebben helaas inderdaad een remmende werking.

Wellicht overbodige opmerking; de tabel heeft het over de gemiddelde water temperatuur en niet over een aanvangstemperatuur. 30 in de tabel is dus een 32-28 (ta-tr) globaal.

En je weet wel wat ik kies; nachtverlaging (lees uitschakeling tussen 00:00/10:00) al zou mijn 5H het uren vol kunnen houden ook met +20 die warmtevraag is er natuurlijk helemaal niet. Pendelen zul je daar niet zijn met een 1500W minimaal thermisch vermogen.

Daarover gesproken een leuk weetje, ik las op het duitse leisha jeisha forum dat de 5L verder terug kan moduleren en wel naar 16hz en daarmee stukje verder terug kan moduleren dan de 7L en 9L. Wellicht interessante info voor aspirant kopers met kleine warmtevraag en afgifte.

In het voorbeeld rond de 20gr buiten
Thermisch 2066W
Opgenomen vermogen 314W

Dat is toch weer een 500-700W thermisch lager dan de J

Bron;
https://www.photovoltaikf...ostID=3964227#post3964227

[ Voor 24% gewijzigd door ErikVers op 26-10-2024 14:43 ]

WP Pana 5H - Solar 6m2 icm 300liter - PV 8970Wp: 27stuks Solar - Home Assistant - VW ID3 First 20” |


Acties:
  • 0 Henk 'm!

  • nokiaan958GB
  • Registratie: Augustus 2008
  • Niet online
Er is hier wel eens geopperd dat een te lage frequentie een slechtere cop betekent. Het zou mooi zijn als uit de documentatie de relatie tussen frequentie en cop blijkt

Acties:
  • +1 Henk 'm!

  • bbbrumbrum
  • Registratie: November 2003
  • Niet online
nokiaan958GB schreef op zaterdag 26 oktober 2024 @ 20:40:
Er is hier wel eens geopperd dat een te lage frequentie een slechtere cop betekent. Het zou mooi zijn als uit de documentatie de relatie tussen frequentie en cop blijkt
Voor de compressor an sich wellicht niet, maar alle overhead (electronica, waterpomp, fan) drukt dan wel steeds harder op het geheel. Maar wat COP kost levert wel comfort op als je over een breder spectrum van de seizoenen 24/7 kan verwarmen.

Acties:
  • +1 Henk 'm!

  • FransvWoerkom
  • Registratie: Maart 2018
  • Laatst online: 06-10 23:51
nokiaan958GB schreef op zaterdag 26 oktober 2024 @ 20:40:
Er is hier wel eens geopperd dat een te lage frequentie een slechtere cop betekent. Het zou mooi zijn als uit de documentatie de relatie tussen frequentie en cop blijkt
Er is natuurlijk geen simpele relatie tussen frequentie en COP. Buitentemperatuur, ventilatorfrequentie, stand van de smoorklep, Tr, Ta en flow en dan is de wp natuurlijk steeds aan't optimaliseren. Ik denk dat er bij de meeste combinaties van temperaturen een maximale COP ergens in het midden (van het vermogensbereik) ligt. Hoe dat dan over een heel stookseizoen uitpakt is weer een ander verhaal.

Acties:
  • 0 Henk 'm!

  • tomton
  • Registratie: Januari 2024
  • Laatst online: 03-10 19:51
bbbrumbrum schreef op dinsdag 15 oktober 2024 @ 14:40:
[...]

Je wilt dit indirect gestookte boilervat als buffervat en close-in boiler gebruiken?
Nog even een vraag over de indirect gestookte boiler; ik heb namelijk plaats gemaakt voor een horizontale boiler en kan er eentje plaatsen van zo'n 50cm doorsnede. Een inhoud van 80 liter is meer dan voldoende voor een 1-persoons huishouden met douche, dus dat zou moeten gaan.

De vraag is: aan welke eisen moet de boiler voldoen, om geïntegreerd te worden met het Panasonic J of L-serie systeem?

Afbeeldingslocatie: https://tweakers.net/i/hMT0-FTOM0uOjZ1hiHuYXsEsw_8=/fit-in/4920x3264/filters:max_bytes(3145728):no_upscale():strip_icc():strip_exif()/f/image/7kAWf0w6tRv2oBNKVVAY0s3C.jpg?f=user_large

Voorbeeld:
https://www.boilergarant....rect-gestookt-1-wisselaar

Acties:
  • +1 Henk 'm!

  • bbbrumbrum
  • Registratie: November 2003
  • Niet online
tomton schreef op maandag 28 oktober 2024 @ 14:52:
[...]


Nog even een vraag over de indirect gestookte boiler; ik heb namelijk plaats gemaakt voor een horizontale boiler en kan er eentje plaatsen van zo'n 50cm doorsnede. Een inhoud van 80 liter is meer dan voldoende voor een 1-persoons huishouden met douche, dus dat zou moeten gaan.

De vraag is: aan welke eisen moet de boiler voldoen, om geïntegreerd te worden met het Panasonic J of L-serie systeem?

[Afbeelding]

Voorbeeld:
https://www.boilergarant....rect-gestookt-1-wisselaar
Dat is een e-boiler.

Je spiraal moet groot genoeg zijn om het vermogen van de WP over te dragen.
Dat lijkt in dit geval dus een dubbele no-go.

Over welk vermogen WP hebben we het?

Acties:
  • +1 Henk 'm!

  • Ethirty
  • Registratie: September 2007
  • Laatst online: 22:20

Ethirty

Who...me?

tomton schreef op maandag 28 oktober 2024 @ 14:52:
[...]


Nog even een vraag over de indirect gestookte boiler; ik heb namelijk plaats gemaakt voor een horizontale boiler en kan er eentje plaatsen van zo'n 50cm doorsnede. Een inhoud van 80 liter is meer dan voldoende voor een 1-persoons huishouden met douche, dus dat zou moeten gaan.

De vraag is: aan welke eisen moet de boiler voldoen, om geïntegreerd te worden met het Panasonic J of L-serie systeem?

[Afbeelding]

Voorbeeld:
https://www.boilergarant....rect-gestookt-1-wisselaar
Ik meen dat een horizontale boiler rmaar ongeveer de helft vd capaciteit heeft van een staande ivm gelaagdheid van water.

Maar er is vast iemand slimmers die dat goed kan uitleggen :D

#team_UTC+1

An investment in knowledge always pays the best interest - Benjamin Franklin
You can call me McOverloper  Mini '12 i7/16/256  Air '13 i5/8/256  iPad mini 5 64GB  iPhone SE 128GB


Acties:
  • +2 Henk 'm!

  • FransvWoerkom
  • Registratie: Maart 2018
  • Laatst online: 06-10 23:51
tomton schreef op maandag 28 oktober 2024 @ 14:52:
[...]


Nog even een vraag over de indirect gestookte boiler; ik heb namelijk plaats gemaakt voor een horizontale boiler en kan er eentje plaatsen van zo'n 50cm doorsnede. Een inhoud van 80 liter is meer dan voldoende voor een 1-persoons huishouden met douche, dus dat zou moeten gaan.

De vraag is: aan welke eisen moet de boiler voldoen, om geïntegreerd te worden met het Panasonic J of L-serie systeem?

[Afbeelding]

Voorbeeld:
https://www.boilergarant....rect-gestookt-1-wisselaar
Het zal een pana moeite kosten om met deze kleine stookspiraal (0,8m2 oppervlak) de boiler op 52° te krijgen. Maar uiteindelijk zal het wel lukken. Je moet alleen niet denken dat je er dan ook 80L van 52° uit krijgt. Tijdens het douchen stroomt onderin vers leidingwater van 12°. Daardoor zal al snel het uitstromende douchewater onder de 40° duiken. Ik denk dat @Ethirty dat bedoelt. Een verticale boiler is wat dat betreft beter. Panasonic levert ook warmtepompen met in het binnendeel ingebouwde boilers.

Ik begrijp dat je nog steeds probeert Huis2003 (de kangoeroewoning) van sww te voorzien. Een half-doorstroomboiler met elektrisch stookelement van 2kW en een inhoud van 30L lijkt me dan simpeler. En spaart ook een warmtepomp en doortrekken van warmwaterleiding uit huis1938 uit. Bijvoorbeeld:
https://www.groenehoedduurzaam.nl/30l-weseneco.html

Acties:
  • 0 Henk 'm!

  • Dewim1
  • Registratie: Januari 2020
  • Laatst online: 06-10 13:15
Heb de HI versie boiler besteld.
ben erg benieuwd hoe de sensor pocket eruit ziet na die mindere verhalen hier.
Heeft iemand hier een foto van?

Op hoeveel plaatsen is er nog plaats voor een dompelhuls?

Acties:
  • 0 Henk 'm!

  • FransvWoerkom
  • Registratie: Maart 2018
  • Laatst online: 06-10 23:51
Dewim1 schreef op maandag 28 oktober 2024 @ 21:14:
Heb de HI versie boiler besteld.
ben erg benieuwd hoe de sensor pocket eruit ziet na die mindere verhalen hier.
Heeft iemand hier een foto van?

Op hoeveel plaatsen is er nog plaats voor een dompelhuls?
Dat zou ik de leverancier vragen. Wij weten niet welke HI versie van welke boiler van wie je krijgt. Met een beetje geluk zit er een aansluiting voor een recirculatieleiding waar je een dompelbuis in kunt schroeven.

Acties:
  • 0 Henk 'm!

  • HomegrownBGP
  • Registratie: September 2005
  • Niet online
Ik ga mijn badkamer verbouwen, en de checklist voor WAF compliancy bevat vloerverwarming. Dat moet dan dus maar. Het komt neer op één groep vloerverwarming, die ik vanwege ruimtegebrek in de kast waar de verdeler voor de begane grond hangt, op zolder wil laten uitkomen. Ik ben een beetje zoekende naar een fatsoenlijke oplossing: ik breng sowieso 32mm standleidingen naar de zolder. Hier zou ik een ééngroeps verdeler op kunnen aansluiten om de vloerverwarming te voeden (dan kijk je zo alweer naar 160-200 euro aan verdeler), maar ik zou ook de 32mm af kunnen takken naar 16mm en er een klep of iets dergelijks tussen zetten om de flow te beperken voor de vloerverwarming. Wat zouden jullie doen?

Acties:
  • 0 Henk 'm!

  • nMad
  • Registratie: Augustus 2004
  • Laatst online: 07-10 14:37
FransvWoerkom schreef op dinsdag 29 oktober 2024 @ 09:43:
[...]

Dat zou ik de leverancier vragen. Wij weten niet welke HI versie van welke boiler van wie je krijgt. Met een beetje geluk zit er een aansluiting voor een recirculatieleiding waar je een dompelbuis in kunt schroeven.
Hi Frans, heb jij een linkje naar een dompelbuis die hier in zou passen? En past de Panasonic temp sensor dan weer in zo'n dompelbuis, of moet je daar nog iets voor maken?

PV: 10,4 kWp | EV: Tesla M3 LR ‘19 | L/W WP: Panasonic WH-MDC07J3E5 + PAW-TD20C1E5 | L/L WP: Daikin FVXM35A/RXM35R + Daikin FTXM25R/RXM25R + MHI 2x SRK25ZS-WF/SCM40ZS-W


Acties:
  • +1 Henk 'm!

  • tomton
  • Registratie: Januari 2024
  • Laatst online: 03-10 19:51
FransvWoerkom schreef op maandag 28 oktober 2024 @ 16:49:
[...]

Het zal een pana moeite kosten om met deze kleine stookspiraal (0,8m2 oppervlak) de boiler op 52° te krijgen. Maar uiteindelijk zal het wel lukken. Je moet alleen niet denken dat je er dan ook 80L van 52° uit krijgt. Tijdens het douchen stroomt onderin vers leidingwater van 12°. Daardoor zal al snel het uitstromende douchewater onder de 40° duiken. Ik denk dat @Ethirty dat bedoelt. Een verticale boiler is wat dat betreft beter. Panasonic levert ook warmtepompen met in het binnendeel ingebouwde boilers.

Ik begrijp dat je nog steeds probeert Huis2003 (de kangoeroewoning) van sww te voorzien. Een half-doorstroomboiler met elektrisch stookelement van 2kW en een inhoud van 30L lijkt me dan simpeler. En spaart ook een warmtepomp en doortrekken van warmwaterleiding uit huis1938 uit. Bijvoorbeeld:
https://www.groenehoedduurzaam.nl/30l-weseneco.html
Bedankt! We gaan idd gewoon voor deze simpele oplossing. Ik was te moeilijk aan het denken. Heel mooi voorbeeld, trouwens! De 50L gaat zelfs passen.
Pagina: 1 ... 70 ... 89 Laatste