WP Pana 5H - Solar 6m2 icm 300liter - PV 8970Wp: 27stuks Solar - Home Assistant - VW ID3 First 20” |
Ik heb hier een 9J met 26mm MLB naar het SWW vat over een afstand van 10 meter. Dat gaat prima, zeker met variable DHW capacity aan haal je volgens mij nooit 9kW vermogen.ErikVers schreef op maandag 2 september 2024 @ 20:16:
[...]
Tot en met 7 kW kan 26mm MLB (20mm inwendig) prima.
Heb je een 9 kW warmtepomp dan zou ik lekker de 32mm MLB ook naar je boiler doorzetten. Als het een kort stuk is zou minder groot kunnen maar levert weinig voordeel op dan om te vernauwen toch? Of je moet een lastige route of doorvoer hebben dan kun je het overwegen.
En de voornaamste reden dat ik geen 32mm heb gebruikt is inderdaad dat ik weinig zin had om dat met veel moeite door de kruipruimte te vouwen.
[ Voor 10% gewijzigd door Tinkerer84 op 02-09-2024 20:41 ]
Het kan ook best alleen boven de 7kW zal de stroming snelheid met 20mm inwendig boven de voorgestelde normen (uit mijn hoofd 1.5m/s) uitkomen. En zou je ruis kunnen gaan waarnemen. Allemaal niet spannend maar wel een antwoord op de gestelde vraag 👍Tinkerer84 schreef op maandag 2 september 2024 @ 20:39:
[...]
Ik heb hier een 9J met 26mm MLB naar het SWW vat over een afstand van 10 meter. Dat gaat prima, zeker met variable DHW capacity aan haal je volgens mij nooit 9kW vermogen.
En de voornaamste reden dat ik geen 32mm heb gebruikt is inderdaad dat ik weinig zin had om dat met veel moeite door de kruipruimte te vouwen.
[ Voor 6% gewijzigd door ErikVers op 02-09-2024 22:28 ]
WP Pana 5H - Solar 6m2 icm 300liter - PV 8970Wp: 27stuks Solar - Home Assistant - VW ID3 First 20” |
Ik heb ook geen idee.sjimmie schreef op maandag 26 augustus 2024 @ 12:49:
[...]
Dat is dan wel vreemd in combinatie met wat je zei, want als laatste legde je uit dat hij niet ratelde als alleen de ventilator nog draaide.
Hoe bepaalt de warmtepomp precies hoeveel kracht/capaciteit hij gebruikt?
Wanneer gaat deze op 100% capaciteit en wanneer lager? Dit schijnt dan nogal uit te maken voor het geluid.
De app lijkt ook wat flaws te hebben. Geeft aan dat ie verwarmt terwijl er helemaal geen vraag is. Thermostaat geeft ook niks aan ( alleen de app ).
:strip_exif()/f/image/agqliJBha3L8lcrsg5YUyHDi.jpg?f=fotoalbum_large)
:strip_exif()/f/image/rB2VOC9iBtx5SRjeZm8hCOdO.jpg?f=fotoalbum_large)
[ Voor 48% gewijzigd door Draakje5 op 03-09-2024 09:02 ]
Nee. Hij staat niet op verwarmen, maar op de verwarmings- en tank-modus. In dat linkerscherm zie je dat zonnetje zonder pijl en kraan zonder pijl. Als een thermostaat het nodig vindt, kan hij gaan verwarmen. Als de tanktemperatuur onder de 53 - ingestelde delta komt, zal hij de tank gaan verwarmen. Dan verschijnt er in het display een pijl naar het zonnetje of kraantje.Draakje5 schreef op dinsdag 3 september 2024 @ 09:01:
[...]
Ik heb ook geen idee.
Hoe bepaalt de warmtepomp precies hoeveel kracht/capaciteit hij gebruikt?
Wanneer gaat deze op 100% capaciteit en wanneer lager? Dit schijnt dan nogal uit te maken voor het geluid.
De app lijkt ook wat flaws te hebben. Geeft aan dat ie verwarmt terwijl er helemaal geen vraag is. Thermostaat geeft ook niks aan ( alleen de app ).
[Afbeelding]
[Afbeelding]
Krijgen jullie die handige boekjes Quick Menu Guide en Operating Instructions in 18 talen er niet meer bij?
Dat begrijp ik - maar in mijn app staat er wel een pijl naar het zonnetje (zie 2e screenshot), terwijl in mijn display op de muur er geen staat. Op hetzelfde moment. Vreemd toch?FransvWoerkom schreef op dinsdag 3 september 2024 @ 13:51:
[...]
Nee. Hij staat niet op verwarmen, maar op de verwarmings- en tank-modus. In dat linkerscherm zie je dat zonnetje zonder pijl en kraan zonder pijl. Als een thermostaat het nodig vindt, kan hij gaan verwarmen. Als de tanktemperatuur onder de 53 - ingestelde delta komt, zal hij de tank gaan verwarmen. Dan verschijnt er in het display een pijl naar het zonnetje of kraantje.
Krijgen jullie die handige boekjes Quick Menu Guide en Operating Instructions in 18 talen er niet meer bij?
18 talen vertaald uit het Japans door een Japanner? Eerlijk is eerlijk, echt begrijpelijk is het niet altijd.FransvWoerkom schreef op dinsdag 3 september 2024 @ 13:51:
[...]
Nee. Hij staat niet op verwarmen, maar op de verwarmings- en tank-modus. In dat linkerscherm zie je dat zonnetje zonder pijl en kraan zonder pijl. Als een thermostaat het nodig vindt, kan hij gaan verwarmen. Als de tanktemperatuur onder de 53 - ingestelde delta komt, zal hij de tank gaan verwarmen. Dan verschijnt er in het display een pijl naar het zonnetje of kraantje.
Krijgen jullie die handige boekjes Quick Menu Guide en Operating Instructions in 18 talen er niet meer bij?
En hoe je iets kan of moet gebruiken staat er vaak ook niet bij. Dat leer je vooral door hier mee te lezen
#team_UTC+1
An investment in knowledge always pays the best interest - Benjamin Franklin
You can call me McOverloper Mini '12 i7/16/256 Air '13 i5/8/256 iPad mini 5 64GB iPhone SE 128GB
Ik heb net geprobeerd de user manual van de smart cloud app te ontcijferen. Geen touw aan vast te knopen. Misschien helpt het als je die app voor je neus hebt en je kunt proberen. Daar begin ik niet aan. Mijn wp doet het uitstekend zonder app en met service cloud en desktop computer met twee beeldschermen waarvan één voor service manuals.Ethirty schreef op dinsdag 3 september 2024 @ 15:20:
[...]
18 talen vertaald uit het Japans door een Japanner? Eerlijk is eerlijk, echt begrijpelijk is het niet altijd.
En hoe je iets kan of moet gebruiken staat er vaak ook niet bij. Dat leer je vooral door hier mee te lezen
https://www.library.airco...User%20Manual_v1.0-en.pdf
[ Voor 7% gewijzigd door FransvWoerkom op 03-09-2024 17:01 ]
WP Pana 5H - Solar 6m2 icm 300liter - PV 8970Wp: 27stuks Solar - Home Assistant - VW ID3 First 20” |
:no_upscale():strip_icc():fill(white):strip_exif()/f/image/AVAKiAh2sZkC1dDN53QpqRAW.jpg?f=user_large)
Begane grond: 50m2 vloerverwarming
1e verdieping: 3 vertrekken met Panasonic fancoils
Zolder: de nieuwe leidingen kunnen hier nog op verschillende manieren aan elkaar geknoopt en de aanvoer leidingen zouden hier binnen komen vanaf de WP op het dak van de schuur, naast de zolder.
Voor het kiezen van een WP liggen in principe alle opties nog open, maar neigen naar een monoblock van Panasonic. Voor de aansluiting heb ik grote delen van dit topic en zijn voorganger doorgespit, maar twijfel toch nog over een paar dingen:
Zones: 2 of 1?
De fancoils werken natuurlijk het beste met Ta van 35 graden. De vloerverwarming staat idealiter lager.
We zitten in min of meer dezelfde situatie die hier eerder is gepost door @Pejdref (ik ben heel benieuwd hoe het nu bij jou uiteindelijk is geinstalleerd?).
Is de extra printplaat van Panasonic met de juiste 3-weg kleppen voldoende om hier 2 aparte zones van te maken zodat de fancoils met iets hogere temperatuur kunnen werken, of zie ik hierin toch iets over het hoofd?
Of is het voldoende om de fancoils in hetzelfde circuit mee te laten draaien, zoals ook eerder gepost hier?
SWW
Ik zie in de handleidingen van Panasonic genoeg voorbeelden van een aansluitschema met boiler erin opgenomen. Gek genoeg lijkt dit bij installateurs zelden aanbevolen te worden en kiezen die bij een monoblock altijd voor een losse WBP.
We zouden i.v.m. minimaliseren van geluid binnen, liever hebben dat de WP buiten ook het SWW maakt... tenzij we het hiermee natuurlijk onnodig moeilijk maken
In feite draait natuurlijk in de meeste huizen de verdieping gewoon mee op de verwarming beneden dus de fancoils hoeven waarschijnlijk niet veel warmte te produceren. Afhankelijk natuurlijk van de isolatie.SolidD schreef op woensdag 4 september 2024 @ 19:27:
Na een krappe week klussen (duurde helaas een stuk langer dan de eenvoud van het plaatje doet vermoeden) waarbij we nieuwe leidingen naar de vloerverwarming hebben gelegd en drie fancoils opgehangen en aangesloten hebben, zijn wij nu op de volgende situatie uitgekomen:
[Afbeelding]
Begane grond: 50m2 vloerverwarming
1e verdieping: 3 vertrekken met Panasonic fancoils
Zolder: de nieuwe leidingen kunnen hier nog op verschillende manieren aan elkaar geknoopt en de aanvoer leidingen zouden hier binnen komen vanaf de WP op het dak van de schuur, naast de zolder.
Voor het kiezen van een WP liggen in principe alle opties nog open, maar neigen naar een monoblock van Panasonic. Voor de aansluiting heb ik grote delen van dit topic en zijn voorganger doorgespit, maar twijfel toch nog over een paar dingen:
Zones: 2 of 1?
De fancoils werken natuurlijk het beste met Ta van 35 graden. De vloerverwarming staat idealiter lager.
We zitten in min of meer dezelfde situatie die hier eerder is gepost door @Pejdref (ik ben heel benieuwd hoe het nu bij jou uiteindelijk is geinstalleerd?).
Is de extra printplaat van Panasonic met de juiste 3-weg kleppen voldoende om hier 2 aparte zones van te maken zodat de fancoils met iets hogere temperatuur kunnen werken, of zie ik hierin toch iets over het hoofd?
Of is het voldoende om de fancoils in hetzelfde circuit mee te laten draaien, zoals ook eerder gepost hier?
SWW
Ik zie in de handleidingen van Panasonic genoeg voorbeelden van een aansluitschema met boiler erin opgenomen. Gek genoeg lijkt dit bij installateurs zelden aanbevolen te worden en kiezen die bij een monoblock altijd voor een losse WBP.
We zouden i.v.m. minimaliseren van geluid binnen, liever hebben dat de WP buiten ook het SWW maakt... tenzij we het hiermee natuurlijk onnodig moeilijk maken.
Je kunt natuurlijk ook in plaats van fancoils parallel aan de vloerverwarming, de fancoils in serie met de vloerverwarming zetten. Daarbij moet je er natuurlijk voor zorgen dat er geen thermostatische afsluiters voor de fancoils zitten, maar bij regeling van de fancoils dat met een bypass gebeurt. Hoe je dat dan allemaal gaat regelen, met een ruimtethermostaat beneden die de wp bedient en evt thermostaten boven voor de fancoils, moet je dan later uitzoeken als je weet hoe het in jullie geval uitpakt.
Met een wp ter hoogte van je verdieping heb je sowieso twee leidingen tussen de verdiepingen en kun je de keuze voor serie of parallel later nog wijzigen. Een eventuele mengunit die de watertemperatuur van de vloerverwarming verlaagt ten opzichte van de aanvoertemperatuur van de fancoils kan ook boven. En met alle techniek boven ligt een sww tank daar ook voor de hand.
Het vermogen van de warmtepomp kun je inschatten met de koevlaas formule: gasverbruik per jaar x 10 gedeeld door 1650uur. Of maximaal dagverbruik x 10 gedeeld door 24 uur. Maar ga voor het verwarmen van je sww tank niet onder de 5kW, afhankelijk van je gezinssamenstelling en douchegebruik liever 7kW.
Mocht je kiezen voor een panasonic wp: In de meeste service- en installatie manuals staat de Simple 2-Zone oplossing waarbij de fancoil- of convector zone het warme aanvoerwater rechtstreeks van de wp krijgt en het aanvoerwater voor de vvw in temperatuur naar beneden geregeld wordt. Beide zones kunnen een eigen weersafhankelijke regeling en eigen thermostaat krijgen. Deze oplossing vereist geen buffervat, maar wel een uitbreidingsprintkaart, een circulatiepomp, een gemotoriseerde mengklep en twee extra sensors. Omdat mijn huis een onverwarmde zolder boven het woongedeelte van de beganegrond heeft en mijn werkkamers en logeerkamer nu juist aan de noordkant boven het matig verwarmde voorhuis liggen, heb ik hiervoor gekozen. In het stookseizoen varieert de aanvoertemperatuur van de vloerverwarming tussen de 20 en 26° en van de jaga's boven tussen de 28 en 34°.
Bijna een jaar later gaat er dan toch wat gebeurenFransvWoerkom schreef op dinsdag 12 september 2023 @ 12:55:
Als de cv-ketel alleen nog voor sww is, zou ik de aanvoerleiding op zolder afsluiten en de retourleiding laten zitten. Voor sww heb je wel druk op het water in de ketel nodig. Als je de retourleidingen van warmtepomp en ketel aan elkaar laat, hoef je op zolder de waterdruk in de ketel niet meer in de gaten te houden.
Maar nog een vraag op bovenstaande @FransvWoerkom.
De Nefit TrendLine HRC25 II heeft iig druk op de CV leiding nodig voor SWW, maar loost schijnbaar ook zijn warmte na SWW op de aanvoerleiding.
Nu lijkt het er niet op dat de pomp dan ook aanslaat aangezien alleen de eerste 20cm buis vanuit de ketel echt warm word.
Met dit in het achterhoofd, is het dan nog wel handig om de aanvoer af te sluiten of om dit iig op ruime afstand van de ketel te doen?
Of alleen een keer/terugslagklep op de retour en klaar is kees?
Sarcasm is my superpower! What's yours?
Als alleen de eerste 20cm warm wordt en de pomp niet loopt, stroomt er geen water en kan de afsluiter dicht. Je kunt het ook even proberen met een metalen of rubber/plastic plaatje in de koppeling. Bijvoorbeeld uit een alu flessendop of kroonkurk.Nnoitra schreef op donderdag 5 september 2024 @ 10:34:
[...]
Bijna een jaar later gaat er dan toch wat gebeuren![]()
Maar nog een vraag op bovenstaande @FransvWoerkom.
De Nefit TrendLine HRC25 II heeft iig druk op de CV leiding nodig voor SWW, maar loost schijnbaar ook zijn warmte na SWW op de aanvoerleiding.
Nu lijkt het er niet op dat de pomp dan ook aanslaat aangezien alleen de eerste 20cm buis vanuit de ketel echt warm word.
Met dit in het achterhoofd, is het dan nog wel handig om de aanvoer af te sluiten of om dit iig op ruime afstand van de ketel te doen?
Of alleen een keer/terugslagklep op de retour en klaar is kees?
De flow in aanvoer- en retourleiding is hetzelfde. Is er geen stroming, dan is er ook geen terugslagklep nodig.
Dank!FransvWoerkom schreef op donderdag 5 september 2024 @ 14:28:
[...]
Als alleen de eerste 20cm warm wordt en de pomp niet loopt, stroomt er geen water en kan de afsluiter dicht. Je kunt het ook even proberen met een metalen of rubber/plastic plaatje in de koppeling. Bijvoorbeeld uit een alu flessendop of kroonkurk.
De flow in aanvoer- en retourleiding is hetzelfde. Is er geen stroming, dan is er ook geen terugslagklep nodig.
En excuus, ik was niet geheel volledig in mijn post.
Een terugslagklep zou evt een optie kunnen zijn om de CVketel niet als bypass te laten fungeren als de aanvoer niet afgesloten zou kunnen worden.
Sarcasm is my superpower! What's yours?
Nnoitra schreef op donderdag 5 september 2024 @ 15:08:
[...]
Dank!
En excuus, ik was niet geheel volledig in mijn post.
Een terugslagklep zou evt een optie kunnen zijn om de CVketel niet als bypass te laten fungeren als de aanvoer niet afgesloten zou kunnen worden.
Yup.louwerens schreef op donderdag 5 september 2024 @ 16:02:
Zit ik er in de ketel , in de retour een 3-wegklep?
[...]
pagina 6, #9
Maar als ik de aanvoer ga afsluiten, is een terugslagklep niet meer nodig
[ Voor 12% gewijzigd door Nnoitra op 05-09-2024 16:16 ]
Sarcasm is my superpower! What's yours?
De aansluiting van het koudwater is erg laag op de grond en in mijn geval komt de inlaatcombinatie iets verder hoger op de muur. Ik dub er over om in de leiding vlak bij het aansluitpunt van de boiler een aftap kraantje te maken voor het geval dat de boiler leeg moet. Maar dit kraantje komt dan ook weer zo dicht op de grond dat hij ook niet erg praktisch zal zijn. Hoe doen jullie dat?
Omdat foto’s meer zeggen dan woorden.
Het is work in progress. De wasmachine stond alweer op zijn plek aan het einde van de dag, maar ik hoop dat het duidelijk is.
:strip_exif()/f/image/AgTkfTFpZQqVaa8dbQ70qw5I.jpg?f=fotoalbum_large)
:strip_exif()/f/image/IAREg6BW66bsS4U1KqfaZOZl.jpg?f=fotoalbum_large)
Aftapkraantje op koud water aansluiting gaat prima hoor. Zie onderstaande foto (destijds WIP). Ik kan hier een tuinslang op aansluiten en deze in een afvoer op een verdieping lager hangen.BlupWoofer schreef op zondag 8 september 2024 @ 19:47:
Mijn 7j draait nu al bijna een jaar prima met verwarmen en koelen. Het is nu tijd om de boiler aan te sluiten voor sww. Ik heb een vraag over het aansluiten van de koud water leiding op de boiler. Ik ben de PAW-TD30C1E5 aan het aansluiten.
De aansluiting van het koudwater is erg laag op de grond en in mijn geval komt de inlaatcombinatie iets verder hoger op de muur. Ik dub er over om in de leiding vlak bij het aansluitpunt van de boiler een aftap kraantje te maken voor het geval dat de boiler leeg moet. Maar dit kraantje komt dan ook weer zo dicht op de grond dat hij ook niet erg praktisch zal zijn. Hoe doen jullie dat?
Omdat foto’s meer zeggen dan woorden.
Het is work in progress. De wasmachine stond alweer op zijn plek aan het einde van de dag, maar ik hoop dat het duidelijk is.
[Afbeelding]
[Afbeelding]
Bij mij zit de inlaatcombinatie ook wat hoger omdat afvoer hoger moest zitten.
Waarom gebruik je knietjes op je warmtewisselaar aansluitingen? Liever niet als het even kan ivm extra weerstand en stromingsgeluiden.
:strip_exif()/f/image/khaWL4oT8m5sxv1WQTLsAw3m.jpg?f=fotoalbum_large)
[ Voor 4% gewijzigd door nMad op 08-09-2024 21:11 ]
PV: 10,4 kWp | EV: Tesla M3 LR ‘19 | L/W WP: Panasonic WH-MDC07J3E5 + PAW-TD20C1E5 | L/L WP: Daikin FVXM35A/RXM35R + Daikin FTXM25R/RXM25R + MHI 2x SRK25ZS-WF/SCM40ZS-W
Een aftapkraantje is makkelijk als je riool onder de vloer zit. Anders met perslucht (lage druk!) via de ontluchtingsafsluiter bovenop de tank of de warmwateraansluiting.BlupWoofer schreef op zondag 8 september 2024 @ 19:47:
Mijn 7j draait nu al bijna een jaar prima met verwarmen en koelen. Het is nu tijd om de boiler aan te sluiten voor sww. Ik heb een vraag over het aansluiten van de koud water leiding op de boiler. Ik ben de PAW-TD30C1E5 aan het aansluiten.
De aansluiting van het koudwater is erg laag op de grond en in mijn geval komt de inlaatcombinatie iets verder hoger op de muur. Ik dub er over om in de leiding vlak bij het aansluitpunt van de boiler een aftap kraantje te maken voor het geval dat de boiler leeg moet. Maar dit kraantje komt dan ook weer zo dicht op de grond dat hij ook niet erg praktisch zal zijn. Hoe doen jullie dat?
Omdat foto’s meer zeggen dan woorden.
Het is work in progress. De wasmachine stond alweer op zijn plek aan het einde van de dag, maar ik hoop dat het duidelijk is.
[Afbeelding]
[Afbeelding]
Ah top, thanks! Goed om te zien zo. Knietjes zijn omdat ik zo strak mogelijk langs het vat wil. En met 32 mm krijg ik dat zonder de knieën niet voor elkaar.nMad schreef op zondag 8 september 2024 @ 21:01:
[...]
Aftapkraantje op koud water aansluiting gaat prima hoor. Zie onderstaande foto (destijds WIP). Ik kan hier een tuinslang op aansluiten en deze in een afvoer op een verdieping lager hangen.
Bij mij zit de inlaatcombinatie ook wat hoger omdat afvoer hoger moest zitten.
Waarom gebruik je knietjes op je warmtewisselaar aansluitingen? Liever niet als het even kan ivm extra weerstand en stromingsgeluiden.
[Afbeelding]
Het vat staat vlak naast de zijdeur naar buiten en daar zit niet ver vandaan een put. Zo moet ik er wel komen als het nodig is. Perslucht heb ik niet tot mijn beschikking. Ik ga voor een kraantje, bedankt!FransvWoerkom schreef op zondag 8 september 2024 @ 21:05:
[...]
Een aftapkraantje is makkelijk als je riool onder de vloer zit. Anders met perslucht (lage druk!) via de ontluchtingsafsluiter bovenop de tank of de warmwateraansluiting.
Controller
Ik was van plan om deze of in de meterkast te hangen, of aan de buitenkant ervan - in de hal.
Als ik WAR wil draaien, moet dan volgens mij kunnen. Logica mbt stooklijnen e.d. gaan via Heishamon en HomeAssistant.
De controller hoeft niet in de woonkamer, correct?
Tevens kwam ik er (te laat) achter dat een UTP kabel korter was dan besteld.
Oftewel: ik kom een wat lengte te kort om 'm bovenin de WH-MDC07J3E5 in te voeren.
Hoe veilig is het onderste compartiment (waar ook de pomp zit)?
Als ik daar een kleine switch (flex mini) kan plaatsen is het probleem ook opgelost.
Andere optie is de kabel verlengen.
Sarcasm is my superpower! What's yours?
Er beweegt onderin niets maar je kan boven de bodemplaat blijven voor als daar water komt te staan.
Mijn controller hangt naast de kamerthermostaat (OT), misschien niet zo mooi maar je ziet wel snel of er iets aan de hand is met de wp.
Mijn ervaring met domotica is dat het soms niet duidelijk is of wat je ziet ook echt actueel is tenzij je een handeling verricht om details te bekijken.
PVoutput 2x Toshiba Daiseikai 8 3,5kW, SWW Atlantic Explorer V3 200l. Gasloos aug 2016, 8620Wp, Monoblock Panasonic J 7kW
Correct, hier hangt de controller in de bijkeuken. Zolang je de controller niet als ruimtethermostaat gebruikt kun je hem elders hangen.Nnoitra schreef op maandag 9 september 2024 @ 10:47:
I haz questions
Controller
Ik was van plan om deze of in de meterkast te hangen, of aan de buitenkant ervan - in de hal.
Als ik WAR wil draaien, moet dan volgens mij kunnen. Logica mbt stooklijnen e.d. gaan via Heishamon en HomeAssistant.
De controller hoeft niet in de woonkamer, correct?
Waar is de UTP kabel voor? Als je hem voor de controller gebruikt zal een kroonsteentje zal ook wel werken, een ethernet switch werkt dan niet omdat het protocol niet ethernet is.Tevens kwam ik er (te laat) achter dat een UTP kabel korter was dan besteld.
Oftewel: ik kom een wat lengte te kort om 'm bovenin de WH-MDC07J3E5 in te voeren.
Hoe veilig is het onderste compartiment (waar ook de pomp zit)?
Als ik daar een kleine switch (flex mini) kan plaatsen is het probleem ook opgelost.
Andere optie is de kabel verlengen.
Als het voor de cloud module is, kun je de kabel ook met een UTP verlengblokje verlengen. Ik zou het wel in een klein verbindingsdoosje maken om het een beetje te beschermen.
Heishamon & CZ-TAW1.
Verlengen met een CAT6 koppelstuk is een optie, maar als het niet hoeft scheelt het weer een handeling.
Sarcasm is my superpower! What's yours?
Ik zou die niet los onderin leggen, ook een switch niet. Als je het filter opentrekt kan het daar wel wat nat worden.Nnoitra schreef op maandag 9 september 2024 @ 12:54:
[...]
Heishamon & CZ-TAW1.
Verlengen met een CAT6 koppelstuk is een optie, maar als het niet hoeft scheelt het weer een handeling.
Het plan is om er een mantelbuis naar toe te leiden, om de kabels zoveel mogelijk tegen de elementen te beschermen.
Bij neopreen zag ik expliciet staan dat dit niet voor vochtige ruimtes was, YMvK leek me met een stugge kern en vrij dikke diameter weer een beetje overdone?
Ben zelf voor type h07rn-f kabel met soepele kern gegaan. UV- en regenbestendig en is bedoeld voor permanent buiten gebruik. AC-kabel van PV micro-omvormers is van hetzelfde type.Hiliick schreef op maandag 9 september 2024 @ 19:13:
Iemand nog tips met betrekking tot het gebruik van een specifieke kabel soort o.a. voor de: 3 weg klep, ssw sensor, thermostaat en control unit? De locatie zorgt er voor dat ik ca. 3m buiten moet overbruggen van gevel naar WP.
Het plan is om er een mantelbuis naar toe te leiden, om de kabels zoveel mogelijk tegen de elementen te beschermen.
Bij neopreen zag ik expliciet staan dat dit niet voor vochtige ruimtes was, YMvK leek me met een stugge kern en vrij dikke diameter weer een beetje overdone?
Elektramat heeft deze kabel in verschillende dikte en aantal aders te koop.
Foto:
:strip_exif()/f/image/ZmXP6h3G8hhTr5dsJInqvjGA.jpg?f=fotoalbum_large)
[ Voor 18% gewijzigd door nMad op 09-09-2024 19:25 ]
PV: 10,4 kWp | EV: Tesla M3 LR ‘19 | L/W WP: Panasonic WH-MDC07J3E5 + PAW-TD20C1E5 | L/L WP: Daikin FVXM35A/RXM35R + Daikin FTXM25R/RXM25R + MHI 2x SRK25ZS-WF/SCM40ZS-W
Door het instellen van de stooklijn op een bepaalde manier, kan het zo zijn dat de warmtepomp geen warmte afgeeft aan het systeem van de vloerverwarming?
Het geval:
Het is buiten 17 graden. Het is binnen 23-24 graden.
Ik wil via de kamerthermostaat die ik op 27 graden zet de vloerverwarming aanzwengelen zodat er warm(er) water door mijn leidingen gaat. (laat ik even de reden hiervoor achterwege laten, is niet zo relevant).
De display geeft aan dat er warmtevraag is dmv het icoontje bij het zonnetje.
Echter, de vloerverwarmings verdeler blijft 'koud' en doet niets. Zie ook geen verbruik in de app van Panasonic.
Als de oorzaak dus de stooklijn is, ben ik tevreden. Dan kijk ik daar een keer naar (of niet, want ik hoef niet standaard naar 27 graden te verwarmen).
Er is wel een setting boven welke temperatuur het verwarmen sowieso moet stoppen, die moet dan wel hoog genoeg zijn.
Maar het is een beetje een vreemde use-case bij die temperaturen.
het antwoord is niet gebaseerd op ervaring met een ‘educated guess’
#team_UTC+1
An investment in knowledge always pays the best interest - Benjamin Franklin
You can call me McOverloper Mini '12 i7/16/256 Air '13 i5/8/256 iPad mini 5 64GB iPhone SE 128GB
Misschien heb je de instelling aanstaan dat hij boven de 15 graden buitentemperatuur niks mag doenDraakje5 schreef op dinsdag 10 september 2024 @ 19:13:
Ik heb mijn best gedaan de TS te lezen omtrent stooklijnen. Maar zoek eigenlijk bevestiging van het volgende, waar ik niet helemaal uit kom:
Door het instellen van de stooklijn op een bepaalde manier, kan het zo zijn dat de warmtepomp geen warmte afgeeft aan het systeem van de vloerverwarming?
Het geval:
Het is buiten 17 graden. Het is binnen 23-24 graden.
Ik wil via de kamerthermostaat die ik op 27 graden zet de vloerverwarming aanzwengelen zodat er warm(er) water door mijn leidingen gaat. (laat ik even de reden hiervoor achterwege laten, is niet zo relevant).
De display geeft aan dat er warmtevraag is dmv het icoontje bij het zonnetje.
Echter, de vloerverwarmings verdeler blijft 'koud' en doet niets. Zie ook geen verbruik in de app van Panasonic.
Als de oorzaak dus de stooklijn is, ben ik tevreden. Dan kijk ik daar een keer naar (of niet, want ik hoef niet standaard naar 27 graden te verwarmen).
18950Wp🌞, Atlantic 270V3💧, Pana 5J🔥. Zendure 2400AC 11,5kWh🔋,Hyundai Kona 64kWh 🚗, Peblar Home ⛽
Kan, als je huis, vloer en water in het systeem 23 graden is en je stooklijn zo staat ingesteld dat bij een buitentemperatuur van 17 graden de water temperatuur 23 graden of lager is dan wordt het water alleen rondgepompt totdat het verder afgekoeld is.Draakje5 schreef op dinsdag 10 september 2024 @ 19:13:
Ik heb mijn best gedaan de TS te lezen omtrent stooklijnen. Maar zoek eigenlijk bevestiging van het volgende, waar ik niet helemaal uit kom:
Door het instellen van de stooklijn op een bepaalde manier, kan het zo zijn dat de warmtepomp geen warmte afgeeft aan het systeem van de vloerverwarming?
Het geval:
Het is buiten 17 graden. Het is binnen 23-24 graden.
Ik wil via de kamerthermostaat die ik op 27 graden zet de vloerverwarming aanzwengelen zodat er warm(er) water door mijn leidingen gaat. (laat ik even de reden hiervoor achterwege laten, is niet zo relevant).
De display geeft aan dat er warmtevraag is dmv het icoontje bij het zonnetje.
Echter, de vloerverwarmings verdeler blijft 'koud' en doet niets. Zie ook geen verbruik in de app van Panasonic.
Als de oorzaak dus de stooklijn is, ben ik tevreden. Dan kijk ik daar een keer naar (of niet, want ik hoef niet standaard naar 27 graden te verwarmen).
Als het goed is niet:klump4u schreef op dinsdag 10 september 2024 @ 19:35:
[...]
Misschien heb je de instelling aanstaan dat hij boven de 15 graden buitentemperatuur niks mag doen
:strip_exif()/f/image/sEtvbjEgmSGl2Fz6ueGMIQsB.jpg?f=fotoalbum_large)
:strip_exif()/f/image/zZWXu4b5YN4Ra4cwJXfMmfTs.jpg?f=fotoalbum_large)
:strip_exif()/f/image/9gAey54SdTgISkfLKlh3CEjk.jpg?f=fotoalbum_large)
:strip_exif()/f/image/lMVODfCz6hwegYajGawa0xgF.jpg?f=fotoalbum_large)
Het is nu overigens 14gr buiten.
Bedankt, daar moet ik me dan even verder in inlezen.Tinkerer84 schreef op dinsdag 10 september 2024 @ 20:23:
[...]
Kan, als je huis, vloer en water in het systeem 23 graden is en je stooklijn zo staat ingesteld dat bij een buitentemperatuur van 17 graden de water temperatuur 23 graden of lager is dan wordt het water alleen rondgepompt totdat het verder afgekoeld is.
Dit is de huidige stooklijn:
:strip_exif()/f/image/E6Quk8Vt9KjCN5ZFslQIdDxh.jpg?f=fotoalbum_large)
#team_UTC+1
An investment in knowledge always pays the best interest - Benjamin Franklin
You can call me McOverloper Mini '12 i7/16/256 Air '13 i5/8/256 iPad mini 5 64GB iPhone SE 128GB
Panasonic 7kW J-Series Split + 190 liter SWW, 2750+2100Wp Oost-West
Nee. Er is een verschil tussen de mode waarin de wp staat en wat hij doet. Als je een auto in z'n achteruit zet, gaat hij niet achteruit rijden. Pas als je gas geeft en de koppeling laat opkomen. Om de wp daadwerkelijk te laten verwarmen, moet er aan meer voorwaarden zijn voldaan, bijvoorbeeld de thermostaat aan en de Ta laag.Ethirty schreef op dinsdag 10 september 2024 @ 21:59:
Dus als het buiten >15 is gaat je warmtepomp koelen, al is het binnen maar 18.
Als je de wp in de mode Auto hebt staan, bepaalt de buitentemperatuur of hij MAG gaan verwarmen of koelen.
Dat snap ik maar als de modus naar koelen gaat kan ik me niet voorstellen dat er dan ineens warm water door de vloer gaat omdat Ta te laag is.FransvWoerkom schreef op woensdag 11 september 2024 @ 09:25:
[...]
Nee. Er is een verschil tussen de mode waarin de wp staat en wat hij doet. Als je een auto in z'n achteruit zet, gaat hij niet achteruit rijden. Pas als je gas geeft en de koppeling laat opkomen. Om de wp daadwerkelijk te laten verwarmen, moet er aan meer voorwaarden zijn voldaan, bijvoorbeeld de thermostaat aan en de Ta laag.
Als je de wp in de mode Auto hebt staan, bepaalt de buitentemperatuur of hij MAG gaan verwarmen of koelen.
#team_UTC+1
An investment in knowledge always pays the best interest - Benjamin Franklin
You can call me McOverloper Mini '12 i7/16/256 Air '13 i5/8/256 iPad mini 5 64GB iPhone SE 128GB
@Tinkerer84 3: als je water 3 onder target is gaat hij aan.sjimmie schreef op woensdag 11 september 2024 @ 09:12:
@Tinkerer84 systeem/water termperatuur zeg je is al 23 graden, stooklijn zegt 25, verschil is kleiner dan de dT van 5 en dus gaat ie dat niet goed vinden.
(En als hij al een run had gemaakt is het regelgedrag nog weer anders; dan gaat hij aan bij aanvoer >3 van je retour op het moment van afschakelen)
Voor de korte eenvoudige eerste stap;
Ik zou je stooklijn die waarde 25, verhogen naar 26.
En voor nu om te testen kun je hem eens 1 of 2 nog hoger zetten. Je zal zien dat de compressor aangaat 👍
[ Voor 16% gewijzigd door ErikVers op 11-09-2024 19:51 ]
WP Pana 5H - Solar 6m2 icm 300liter - PV 8970Wp: 27stuks Solar - Home Assistant - VW ID3 First 20” |
Ik merk dat , nu het iets kouder wordt, de vloerverwarming inderdaad iets gaat doen. De temperatuur van de verdeler gaat nu naar 23gr terwijl die, toen de WP uitstond 21 was. Echter zo gaat het natuurlijk nooit de '27' graden worden waarop ik mijn thermostaat heb gezet.
Moet het daarvoor nog kouder worden buiten? Of moet ik mijn stooklijn aanpassen?
:strip_exif()/f/image/q7BTkKSNLUokjZ2x5xQzSN7I.jpg?f=fotoalbum_large)
:strip_exif()/f/image/DZtjGyn24j5SEFNrzHEFy3a3.jpg?f=fotoalbum_large)
[ Voor 47% gewijzigd door Draakje5 op 11-09-2024 20:25 ]
Dan moet je je stooklijn denk ik wel 10 graden omhoog gooien met waarschijnlijk rond de 30 als ondergrens. Niet echt prettig aan de voetjes.
#team_UTC+1
An investment in knowledge always pays the best interest - Benjamin Franklin
You can call me McOverloper Mini '12 i7/16/256 Air '13 i5/8/256 iPad mini 5 64GB iPhone SE 128GB
Wat je ziet op je foto is dat je WP 29 graden water je huis in stuurt. Nadat het cirkeltje rond is komt er 25 graden retour. Een keurige delta van 4 dus bij deze lage aanvoertemperatuur.Draakje5 schreef op woensdag 11 september 2024 @ 20:24:
Wat een vreemd principe, rekening houden met buitentemperatuur.
Ik merk dat , nu het iets kouder wordt, de vloerverwarming inderdaad iets gaat doen. De temperatuur van de verdeler gaat nu naar 23gr terwijl die, toen de WP uitstond 21 was. Echter zo gaat het natuurlijk nooit de '27' graden worden waarop ik mijn thermostaat heb gezet.
Moet het daarvoor nog kouder worden buiten? Of moet ik mijn stooklijn aanpassen?
[Afbeelding]
[Afbeelding]
Het kan zijn dat je meter op je vvw niet goed geijkt is, het kan zijn dat die 29 graden al afgekoeld is doordat er een radiator eerder op warmt dan je vloer enzovoort.
De hoofdvraag is of je het al warmer krijgt binnen. En zo nee, dat moet je waarschijnlijk gewoon even wat langer wachten, 2-3 dagen soms wel.
Als je het dan niet warm krijgt dan zou je je stooklijn omhoog moeten zetten of je systeem beter waterzijdig inregelen. Het wordt ook 19 graden dit weekend dus reken er maar op dat je het niet deze week klaar krijgt
ID.4 1st | 2320 Wp NO | 3200 Wp ZW | Climarad Sensa V2X | Pana WH-MDC07J3E5
Het is mij niet helemaal duidelijk wat je precies wil en waarom. Je wilt het binnen 27 graden hebben? Als je dit snel wilt dan zal de stooklijn fors omhoog moeten. Als je dit langzaam wilt dan volstaat wellicht een kleinere verhoging van de stooklijn.Draakje5 schreef op woensdag 11 september 2024 @ 20:24:
Wat een vreemd principe, rekening houden met buitentemperatuur.
Ik merk dat , nu het iets kouder wordt, de vloerverwarming inderdaad iets gaat doen. De temperatuur van de verdeler gaat nu naar 23gr terwijl die, toen de WP uitstond 21 was. Echter zo gaat het natuurlijk nooit de '27' graden worden waarop ik mijn thermostaat heb gezet.
Moet het daarvoor nog kouder worden buiten? Of moet ik mijn stooklijn aanpassen?
[Afbeelding]
[Afbeelding]
Het is geen gasketel waar je even een slinger aan geeft om het in een paar uur 10 graden warmer te krijgen.
[ Voor 4% gewijzigd door Tinkerer84 op 11-09-2024 20:59 ]
Het begon met: lekkage, natte vloer. Dus ik wilde de vloer drogen. Vloerverwarming ging echter niet aan, installateur langsgeweest en die heeft stooklijn verhoogd en toen geconstateerd dat vloerverwarming aanging. Echter vond ik het zo vreemd dat het normaal niet werkte.Tinkerer84 schreef op woensdag 11 september 2024 @ 20:57:
[...]
Het is mij niet helemaal duidelijk wat je precies wil en waarom. Je wilt het binnen 27 graden hebben? Als je dit snel wilt dan zal de stooklijn fors omhoog moeten. Als je dit langzaam wilt dan volstaat wellicht een kleinere verhoging van de stooklijn.
Het is geen gasketel waar je even een slinger aan geeft om het in een paar uur 10 graden warmer te krijgen.
Ik ben stadswarmte gewend met vloerverwarming, wellicht moet ik dat loslaten. Maar daar was het heel makkelijk: inkomende temperatuur inregelen via knop en retour temperatuur via knop en that's it.
Nu heb ik een stooklijn en nog 100 andere settings.
Ik constateer nu dat , alhoewel de unit aangeeft dat aanvoer 29 graden is, de verdelers (zowel zolder als BG) beide 23 graden aangeven. En daarmee concludeer ik (maar wellicht dan te snel) dat ik het niet warmer kan krijgen dan 23 graden met de vloerverwarming.
Wellicht zoals @wheli aangeeft is de verdeler niet goed geijkt... 23 graden tov 29 vind ik echter wel een flink verschil. Dan zou je zeggen als ie uit staat dat de thermometer ook moet zakken naar een graad of 15 als het 21 in de woning is.
Heb je iets om dat zelf na te meten? Een IR thermometer of iets anders.
Je stooklijn was afgestemd op een comfortabel huis. Net genoeg om het max 22 te krijgen. Want een warmtepomp doet low en slow. Daarom moet de stooklijn aangepast worden om een hogere temperatuur te halen.
Uiteraard moeten diverse andere parameters dan ook goed zijn wil het ding werken. Te warm buiten is er eentje van die ervoor zorgt dat de verwarming niet aan slaat.
#team_UTC+1
An investment in knowledge always pays the best interest - Benjamin Franklin
You can call me McOverloper Mini '12 i7/16/256 Air '13 i5/8/256 iPad mini 5 64GB iPhone SE 128GB
Er even vanuit gaande dat je geen bypass ergens hebt zitten en extra pompen of een buffer? Dan zou ik me nog niet te druk maken. Wel in de gaten houden want 6graden verschil in weergave tussen de warmtepomp en je verdeler vind ik te fors om volledig te negeren, in de gaten houden dus de komende dagen 👍Draakje5 schreef op woensdag 11 september 2024 @ 21:08:
[...]
Het begon met: lekkage, natte vloer. Dus ik wilde de vloer drogen. Vloerverwarming ging echter niet aan, installateur langsgeweest en die heeft stooklijn verhoogd en toen geconstateerd dat vloerverwarming aanging. Echter vond ik het zo vreemd dat het normaal niet werkte.
Ik ben stadswarmte gewend met vloerverwarming, wellicht moet ik dat loslaten. Maar daar was het heel makkelijk: inkomende temperatuur inregelen via knop en retour temperatuur via knop en that's it.
Nu heb ik een stooklijn en nog 100 andere settings.
Ik constateer nu dat , alhoewel de unit aangeeft dat aanvoer 29 graden is, de verdelers (zowel zolder als BG) beide 23 graden aangeven. En daarmee concludeer ik (maar wellicht dan te snel) dat ik het niet warmer kan krijgen dan 23 graden met de vloerverwarming.
Wellicht zoals @wheli aangeeft is de verdeler niet goed geijkt... 23 graden tov 29 vind ik echter wel een flink verschil. Dan zou je zeggen als ie uit staat dat de thermometer ook moet zakken naar een graad of 15 als het 21 in de woning is.
WP Pana 5H - Solar 6m2 icm 300liter - PV 8970Wp: 27stuks Solar - Home Assistant - VW ID3 First 20” |
Wat je tijdelijk kan doen is een vaste watertemperatuur ("direct") instellen in plaats van een stooklijn.Draakje5 schreef op woensdag 11 september 2024 @ 21:08:
[...]
Het begon met: lekkage, natte vloer. Dus ik wilde de vloer drogen. Vloerverwarming ging echter niet aan, installateur langsgeweest en die heeft stooklijn verhoogd en toen geconstateerd dat vloerverwarming aanging. Echter vond ik het zo vreemd dat het normaal niet werkte.
Ik ben stadswarmte gewend met vloerverwarming, wellicht moet ik dat loslaten. Maar daar was het heel makkelijk: inkomende temperatuur inregelen via knop en retour temperatuur via knop en that's it.
Nu heb ik een stooklijn en nog 100 andere settings.
Ik constateer nu dat , alhoewel de unit aangeeft dat aanvoer 29 graden is, de verdelers (zowel zolder als BG) beide 23 graden aangeven. En daarmee concludeer ik (maar wellicht dan te snel) dat ik het niet warmer kan krijgen dan 23 graden met de vloerverwarming.
Wellicht zoals @wheli aangeeft is de verdeler niet goed geijkt... 23 graden tov 29 vind ik echter wel een flink verschil. Dan zou je zeggen als ie uit staat dat de thermometer ook moet zakken naar een graad of 15 als het 21 in de woning is.
Op de foto is boven die meter met het rode neem ik aan je aanvoer? Die geeft al 25gr aan. Mocht het toch de retour zijn, zelfs exact de waarde die je warmtepomp ook weergeeft.Draakje5 schreef op woensdag 11 september 2024 @ 20:24:
Wat een vreemd principe, rekening houden met buitentemperatuur.
Ik merk dat , nu het iets kouder wordt, de vloerverwarming inderdaad iets gaat doen. De temperatuur van de verdeler gaat nu naar 23gr terwijl die, toen de WP uitstond 21 was. Echter zo gaat het natuurlijk nooit de '27' graden worden waarop ik mijn thermostaat heb gezet.
Moet het daarvoor nog kouder worden buiten? Of moet ik mijn stooklijn aanpassen?
[Afbeelding]
[Afbeelding]
Ander puntje; je systeem staat al op bijna 3bar, al staat waarschijnlijk je pomp aan wat iets drukverhoging geeft; ik zou hem met zulk koud water en zonder pomp aan, vullen naar rond de 2bar. Dit is vrij hoog.
WP Pana 5H - Solar 6m2 icm 300liter - PV 8970Wp: 27stuks Solar - Home Assistant - VW ID3 First 20” |
Wel een buffervat, bedoel je dat? Dat ding aan de muur is van de vloerverwarming.ErikVers schreef op woensdag 11 september 2024 @ 21:29:
[...]
Er even vanuit gaande dat je geen bypass ergens hebt zitten en extra pompen of een buffer? Dan zou ik me nog niet te druk maken. Wel in de gaten houden want 6graden verschil in weergave tussen de warmtepomp en je verdeler vind ik te fors om volledig te negeren, in de gaten houden dus de komende dagen 👍
1 pomp. Bypass zegt me zo niks, lijkt me niet.
:no_upscale():strip_icc():fill(white):strip_exif()/f/image/dIFbMEiXmFA0kQ7prJ3FGoDa.jpg?f=user_large)
Nu ik het apparaat maar weer uitgezet heb zakt de meter op de verdeler naar 20gr. Vind ik vrij snel, voor een geisoleerde vloer en woning waar het 23gr is. Wijkt dus zeker wel een graad of 3 af. Betonvloer lijkt me ook gewoon 23gr.
De aanvoer meter kwam bij verwarmen niet boven de 23.5gr ( @ErikVers geen 25 ). Tel ik er die afwijking bij op dan kom ik mogelijk wel aan de 26.5gr.
Tja. Moet ik er nu iets mee, of moet ik maar lekker laten en afwachten of ik het straks in de winter en herfst ook goed op 22gr in de woning kan houden?
Met welke thermostaat probeer je het 27° in de kamer te krijgen? Je beklaagt je er over dat de buitentemperatuur een rol speelt, maar met een externe thermostaat weet de wp niet eens hoe warm het in de kamer is, alleen dat het kennelijk te koud is.
En heb je er rekening mee gehouden dat je om de kamer op 27° te krijgen niet alleen de vloer aan de oppervlakte tegen de 30 moet krijgen, maar ook het plafond en de muren tegen de 27° ? Vloerverwarming werkt met straling. Dat opwarmen kan dagen duren; het afkoelen later ook trouwens.
Maak je geen zorgen voor de winter. Als je huis op een comfortabele temperatuur is, dan hoeft je wp je huis daar alleen maar op te houden. En krijg je nog eens een lekkage, dan helpt dweilen en ventileren meestal beter.
Kijk nog eens goed naar je eigen foto 😜🙈Draakje5 schreef op woensdag 11 september 2024 @ 23:42:
[...]
Wel een buffervat, bedoel je dat? Dat ding aan de muur is van de vloerverwarming.
1 pomp. Bypass zegt me zo niks, lijkt me niet.
[Afbeelding]
Nu ik het apparaat maar weer uitgezet heb zakt de meter op de verdeler naar 20gr. Vind ik vrij snel, voor een geisoleerde vloer en woning waar het 23gr is. Wijkt dus zeker wel een graad of 3 af. Betonvloer lijkt me ook gewoon 23gr.
De aanvoer meter kwam bij verwarmen niet boven de 23.5gr ( @ErikVers geen 25 ). Tel ik er die afwijking bij op dan kom ik mogelijk wel aan de 26.5gr.
Tja. Moet ik er nu iets mee, of moet ik maar lekker laten en afwachten of ik het straks in de winter en herfst ook goed op 22gr in de woning kan houden?
Die schaal verdeling is anders die gaat van 20 naar 40 en elk streepje na de 20 betreft dan ook 2graden en kom ik op 25. Hij staat namelijk ook nog eens halverwege tussen 20 en 30. (De 30 staat er niet en is dat grotere tussenstreepje) sorry kan niks anders van maken dan dat bovenste meter 25gr aangeeft.
Wat betreft je buffer; goed om even uit te zoeken of deze in serie of parallel is aangesloten. Het makkelijkste kun je dat zien door te checken of er een circulatiepomp aanwezig is of niet.
[ Voor 13% gewijzigd door ErikVers op 12-09-2024 08:30 ]
WP Pana 5H - Solar 6m2 icm 300liter - PV 8970Wp: 27stuks Solar - Home Assistant - VW ID3 First 20” |
#team_UTC+1
An investment in knowledge always pays the best interest - Benjamin Franklin
You can call me McOverloper Mini '12 i7/16/256 Air '13 i5/8/256 iPad mini 5 64GB iPhone SE 128GB
@FransvWoerkom Met de woonkamer / hoofd thermostaat.
@ErikVers Ik heb toch geen pomp bij nader inzien geloof ik, wel een zoneventiel.
:strip_exif()/f/image/FJMi4k90gVNyfOkRuq23638w.jpg?f=fotoalbum_large)
[ Voor 37% gewijzigd door Draakje5 op 12-09-2024 09:52 ]
Gisteren eindelijk aan toegekomen om dit in te richten, bedankt nog voor je info.cerebrum schreef op zondag 7 juli 2024 @ 19:26:
[...]
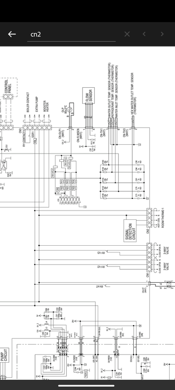
Ik heb hiervoor een Shelly Plus 1 gebruikt (potentiaalvrij contact) en CN2 op de WP
De L en N terminal op de thermostaat aansluiting van de WP gaan naar L en N van de Shelly.
L van de WP gaat ook naar I van het contact.
O van het contact gaat terug naar H (heat) terminal op de WP
Ik gebruik de temperatuur van de mijn Awair Element in de woonkamer en een HA Generic Thermostat om de maximale temperatuur in te stellen.
Ik ben er zeer tevreden over. Het werkt makkelijk. Hysterese is zelf te bepalen. Met een schedule erbij kun je verschillende temperaturen automatisch instellen etc.
Helaas doet ie nog precies hetzelfde als toen ik het spul met een relais had aangesloten ipv Shelly: wanneer ik de schakeling aanzet (dus wanneer de kamertemperatuur bereikt is), gaat de wp uit met melding op de controller, Uitgeschakeld door extern contact. Probleem is dat hij vervolgens gewoon niet meer aan gaat, al wordt het 10 graden in de woonkamer... De temperatuur op de controller stond vanmorgen op 9 graden, dus royaal onder de stooklijn(23 ondergrens). Ik snap er geen zak van, heb vast een instelling gemist op de controller, maar waar?
Ik heb ook geprobeerd om de instelling op Externe Kamerthermostaat te zetten bij Zone & Sensor, dan gaat ie helemaal niet meer aan, wat ik ook doe met de thermostaat (Shelly).
Misschien is mijn denkpatroon wel verkeerd, en moet ik terug naar CN4 met m'n simpele kamerthermostaatje.

Nomen nescio
Bij mij van boven naar beneden,Bra-Jo schreef op zaterdag 14 september 2024 @ 10:19:
[...]
Gisteren eindelijk aan toegekomen om dit in te richten, bedankt nog voor je info.
Helaas doet ie nog precies hetzelfde als toen ik het spul met een relais had aangesloten ipv Shelly: wanneer ik de schakeling aanzet (dus wanneer de kamertemperatuur bereikt is), gaat de wp uit met melding op de controller, Uitgeschakeld door extern contact. Probleem is dat hij vervolgens gewoon niet meer aan gaat, al wordt het 10 graden in de woonkamer... De temperatuur op de controller stond vanmorgen op 9 graden, dus royaal onder de stooklijn(23 ondergrens). Ik snap er geen zak van, heb vast een instelling gemist op de controller, maar waar?
Ik heb ook geprobeerd om de instelling op Externe Kamerthermostaat te zetten bij Zone & Sensor, dan gaat ie helemaal niet meer aan, wat ik ook doe met de thermostaat (Shelly).
Misschien is mijn denkpatroon wel verkeerd, en moet ik terug naar CN4 met m'n simpele kamerthermostaatje.
Zwart naar H van cn2
Rood naar L van cn2
Rood naar NO van thermostaat
Dunne blauw en dikke bruin naar 220 stopcontact
Dikke blauw naar stopcontact
Extern gevoed dus.
Via Domoticz schakelt de shelly onder de 19,9 en boven de 20,3 graden
:strip_exif()/f/image/M3O7UYvBnXEqiD1VKdebQ6eb.jpg?f=fotoalbum_medium)
18950Wp🌞, Atlantic 270V3💧, Pana 5J🔥. Zendure 2400AC 11,5kWh🔋,Hyundai Kona 64kWh 🚗, Peblar Home ⛽
Dan zit hij denk ik toch niet op de thermostaat aansluiting (CN2).Bra-Jo schreef op zaterdag 14 september 2024 @ 10:19:
[...]
Gisteren eindelijk aan toegekomen om dit in te richten, bedankt nog voor je info.
Helaas doet ie nog precies hetzelfde als toen ik het spul met een relais had aangesloten ipv Shelly: wanneer ik de schakeling aanzet (dus wanneer de kamertemperatuur bereikt is), gaat de wp uit met melding op de controller, Uitgeschakeld door extern contact. Probleem is dat hij vervolgens gewoon niet meer aan gaat, al wordt het 10 graden in de woonkamer... De temperatuur op de controller stond vanmorgen op 9 graden, dus royaal onder de stooklijn(23 ondergrens). Ik snap er geen zak van, heb vast een instelling gemist op de controller, maar waar?
Ik heb ook geprobeerd om de instelling op Externe Kamerthermostaat te zetten bij Zone & Sensor, dan gaat ie helemaal niet meer aan, wat ik ook doe met de thermostaat (Shelly).
Misschien is mijn denkpatroon wel verkeerd, en moet ik terug naar CN4 met m'n simpele kamerthermostaatje.
Bij CN2 moet je het contact tussen L en H maken op het moment dat je wil verwarmen. Hij wordt dus verbroken als het warm genoeg is.
Zone en Sensor moet op Externe thermostaat zijn om dit te laten werken.
WP Pana 7J mono | AC Toshiba 3.5+4.6kW | PV 3200WP ZZO | Gasloos Nov23
/f/image/6GKeUe2iNda1tpqpaDNT2J7Z.png?f=fotoalbum_large)
17hz op een H serie.
Volgens heisamon is de COP 9
Heb hem ook al eens op 165W gezien maar toen was het warmer en stond de pomp minder hard.
Moet eens die regels van de heisamon uit gaan zoeken maar das nog niet zo makkelijk.
[ Voor 18% gewijzigd door flippy op 14-09-2024 11:07 ]
wat een geheim agent toch allemaal niet moet doen om incognito op zijn werk te verschijnen
Als hij zegt dat hij uitgeschakeld is door extern contact, zit er kennelijk iets aan het externe contact, CN4. Als je de thermostaat aansluit op CN2, de normale externe thermostaat, moet je natuurlijk het gebruik van het externe contact uit zetten. Install. > Systeem > Externe Schak. > Nee.Bra-Jo schreef op zaterdag 14 september 2024 @ 10:19:
[...]
Gisteren eindelijk aan toegekomen om dit in te richten, bedankt nog voor je info.
Helaas doet ie nog precies hetzelfde als toen ik het spul met een relais had aangesloten ipv Shelly: wanneer ik de schakeling aanzet (dus wanneer de kamertemperatuur bereikt is), gaat de wp uit met melding op de controller, Uitgeschakeld door extern contact. Probleem is dat hij vervolgens gewoon niet meer aan gaat, al wordt het 10 graden in de woonkamer... De temperatuur op de controller stond vanmorgen op 9 graden, dus royaal onder de stooklijn(23 ondergrens). Ik snap er geen zak van, heb vast een instelling gemist op de controller, maar waar?
Ik heb ook geprobeerd om de instelling op Externe Kamerthermostaat te zetten bij Zone & Sensor, dan gaat ie helemaal niet meer aan, wat ik ook doe met de thermostaat (Shelly).
Misschien is mijn denkpatroon wel verkeerd, en moet ik terug naar CN4 met m'n simpele kamerthermostaatje.
Nog even het spul opengeschroefd net. Het zit zo te zien toch allemaal goed, zoals in @cerebrum zijn post. Ik denk dat mijn denkfout zat in de combinatie Externe controller aanzetten (wat dus blijkbaar alleen voor de CN4 geldt, @FransvWoerkom?) en de externe thermostaat bij Zone/Sensor. Ik zou verwachten dat die laatste op water zou moeten blijven staan om zo WAR in stand te houden, maar da's dus niet zo?
In ieder geval gaat ie nu aan en uit bij het schakelen van de Shelly.
Nomen nescio
Doordat een paar mensen CN4 als thermostaat aansluiting gebruiken, is kennelijk het idee ontstaan dat CN4 gewoon een thermostaataansluiting is. De CN4 aansluiting is niet voor een Externe Controller, maar voor een External Switch of Externe Schakelaar. Deze aansluiting is bedoeld voor elektriciteitsnetten waar de stroom op rantsoen kan worden geschakeld door de netbeheerder om overbelasting te voorkomen. In Nederland is zo'n signaal met kastje met schakelaar niet beschikbaar en zou ook niet werken omdat ieder zou denken dat zijn buurman zijn laadpaal en wasmachine wel uit zet.Bra-Jo schreef op zaterdag 14 september 2024 @ 14:44:
@klump4u @cerebrum @FransvWoerkom Tnx allemaal!
Nog even het spul opengeschroefd net. Het zit zo te zien toch allemaal goed, zoals in @cerebrum zijn post. Ik denk dat mijn denkfout zat in de combinatie Externe controller aanzetten (wat dus blijkbaar alleen voor de CN4 geldt, @FransvWoerkom?) en de externe thermostaat bij Zone/Sensor. Ik zou verwachten dat die laatste op water zou moeten blijven staan om zo WAR in stand te houden, maar da's dus niet zo?
In ieder geval gaat ie nu aan en uit bij het schakelen van de Shelly.Nu nog hopen dat deze setup in combinatie met de stooklijn een beetje op orde blijft, maar dat gaan we de komende maanden meemaken.
Dat aanzetten van External Switch moet je alleen doen als je de aansluiting CN4 ergens voor gebruikt. Om bijvoorbeeld je warmtepomp uit te zetten als je auto oplaadt als de zon niet schijnt en je een kleine hoofdzekering hebt.
[ Voor 7% gewijzigd door FransvWoerkom op 15-09-2024 00:00 ]
Dank voor je uitleg, maakt duidelijk waar mijn denkfout zat. Het lijkt nu goed te werken allemaal.FransvWoerkom schreef op zaterdag 14 september 2024 @ 23:56:
[...]
Doordat een paar mensen CN4 als thermostaat aansluiting gebruiken, is kennelijk het idee ontstaan dat CN4 gewoon een thermostaataansluiting is. De CN4 aansluiting is niet voor een Externe Controller, maar voor een External Switch of Externe Schakelaar. Deze aansluiting is bedoeld voor elektriciteitsnetten waar de stroom op rantsoen kan worden geschakeld door de netbeheerder om overbelasting te voorkomen. In Nederland is zo'n signaal met kastje met schakelaar niet beschikbaar en zou ook niet werken omdat ieder zou denken dat zijn buurman zijn laadpaal en wasmachine wel uit zet.
Dat aanzetten van External Switch moet je alleen doen als je de aansluiting CN4 ergens voor gebruikt. Om bijvoorbeeld je warmtepomp uit te zetten als je auto oplaadt als de zon niet schijnt en je een kleine hoofdzekering hebt.
Nomen nescio
Misschien dat eens in de openingspost veranderen danFransvWoerkom schreef op zaterdag 14 september 2024 @ 23:56:
[...]
Doordat een paar mensen CN4 als thermostaat aansluiting gebruiken, is kennelijk het idee ontstaan dat CN4 gewoon een thermostaataansluiting is. De CN4 aansluiting is niet voor een Externe Controller, maar voor een External Switch of Externe Schakelaar. Deze aansluiting is bedoeld voor elektriciteitsnetten waar de stroom op rantsoen kan worden geschakeld door de netbeheerder om overbelasting te voorkomen. In Nederland is zo'n signaal met kastje met schakelaar niet beschikbaar en zou ook niet werken omdat ieder zou denken dat zijn buurman zijn laadpaal en wasmachine wel uit zet.
Dat aanzetten van External Switch moet je alleen doen als je de aansluiting CN4 ergens voor gebruikt. Om bijvoorbeeld je warmtepomp uit te zetten als je auto oplaadt als de zon niet schijnt en je een kleine hoofdzekering hebt.
18950Wp🌞, Atlantic 270V3💧, Pana 5J🔥. Zendure 2400AC 11,5kWh🔋,Hyundai Kona 64kWh 🚗, Peblar Home ⛽
Boel weer op 2 bar druk gebracht en ontluchting gedraaid.
Op naar weer een efficiënt en comfortabel stookseizoen!
De wp weer gestart en het draait weer... bijna helemaal goed.
Probleempje waar ik nu mee zit is dat ik de leidingen naar de badkamer (met vvw) op 1ste verdieping heb vervangen van oud 15mm Fe naar 22mm Cu (ook wat weggewerkt vanwege keuken verbouwing beneden).
Maar ik zie nu wel druk op vvw druk meter, maar er stroomt geen water.... Ik heb het gevuld vanuit de badkamer maar t water stroomt niet door.
Ik zit zelf te denken dat er toch lucht in de toevoer leiding zit want de vvw in badkamer heb ik inmiddels (ter controle) doorgespoeld en is in orde.
Wellicht ga ik dit segment weer afkoppelen (k heb veel kogelkranen in m'n systeem) en opnieuw vullen.
Zijn er nog andere tips om lucht uit het systeem te krijgen?
(Ontluchters heb ik wel maar verhelpen dit niet).
Gasloos sinds feb23, WP: Pana Mono 9j, WPB: Auer Air 200l, PV: 14x290 Wp
:strip_exif()/f/image/0O4viMVEWMTCHjSKUS77ak08.jpg?f=fotoalbum_large)
Nou de machine staat en draait! (dank @Carboy54 ) 7Kw J serie gekozen. Via 32mm grondleiding naar 26mm alupex op 40m2 vloerverwarming (hoh 100mm in nieuwe gietvloer) en boven 3 jagas (T11 van 280x35cm, T16 van 70x90cm, T10 van 70x50cm). Binnenkort de fans op de jagas bouwen.
Ben nu een beetje aan het spelen met de stooklijn, -10/35 15/25 lijkt te warm te zijn, runs waren vannacht steeds iets van 1,5 uur en na 30min pauze weer aan. Delta T was 5 gr, staat nu op 4. QM2, heerlijk rustig. Rond 35hz hoor je weinig, bij 19hz iets meer een brom. Zal nog eens kijken of een dikke lap bitumen aan de binnenzijde soelaas biedt.
Ik ga lekker verder tweaken en instellen. Als de stooklijn een beetje gaat dan wil ik 'm nog een beetje sturen op dynamische prijzen. In HA de plugin priceanalyzer, daarmee de temperatuur -1+1 bijsturen op dure en goedkope momenten.
Bijna jammer dat het de komende weken warm weer wordt......
[ Voor 8% gewijzigd door tijmeng op 15-09-2024 16:20 ]
Een van de fancoils die wil niet meer met de wifi verbinden maar dat is denk ik een gevalletje garantie (of iets voor het fancoil topic).
Ik zal van de week nog een paar fotos posten.
:strip_exif()/f/image/EW7Fhug6rjrwpdYLIw0XS0pK.jpg?f=fotoalbum_large)
Edit: ik heb nog een vraag, de fancoils hebben allemaal een aan/uit thermostaat die ik als backup graag zou gebruiken. Ik heb de kabels hier al voor getrokken. Hiervoor gebruiken ze 4 terminals 2 voor Verwarmen en 2 voor koelen en die verbinden ze als er verwarmd of gekoeld mag/moet worden. Ik zie geen mogelijkheid om dit aan te sluiten op de pana behalve het dry contact op de pcb maar dan kan ik geen onderscheid maken tussen warm of koud. Alleen aangeven dat er vraag is. Klopt dit?
CN2 VS CN4 eigenlijk geloof ik, en dan heeft degene die niet de hele pomp uitzet de voorkeur dan kan ik een sww run starten als de pomp uitstaat zonder tussenkomst van home assistant.
Ik zit nu zelf aan CN2 te denken en dan twee kabels op de L (als voeding), 1 kabel op de H voor warmtevraag en 1 kabel op de C voor koelen.
[ Voor 32% gewijzigd door Update94 op 16-09-2024 08:37 ]
De rest dichtzetten, en de WP op ontluchten zetten? Als de lucht niet al te ver naar beneden moet, lukt dat vaak wel. En anders komt de lucht dan misschien op een plek die je wel kunt ontluchten.dof schreef op zondag 15 september 2024 @ 15:38:
Hier ook aanpassingen gedaan voor de winter ; leidingen vervangen en weer aangesloten en vuil filter van de 9j schoongemaakt. Zat eigenlijk weinig rommel in.
De wp weer gestart en het draait weer... bijna helemaal goed.
Probleempje waar ik nu mee zit is dat ik de leidingen naar de badkamer (met vvw) op 1ste verdieping heb vervangen van oud 15mm Fe naar 22mm Cu (ook wat weggewerkt vanwege keuken verbouwing beneden).
Maar ik zie nu wel druk op vvw druk meter, maar er stroomt geen water.... Ik heb het gevuld vanuit de badkamer maar t water stroomt niet door.
Ik zit zelf te denken dat er toch lucht in de toevoer leiding zit want de vvw in badkamer heb ik inmiddels (ter controle) doorgespoeld en is in orde.
Wellicht ga ik dit segment weer afkoppelen (k heb veel kogelkranen in m'n systeem) en opnieuw vullen.
Zijn er nog andere tips om lucht uit het systeem te krijgen?
(Ontluchters heb ik wel maar verhelpen dit niet).
Ah, goede tip want ik ben helemaal gefocust op de leidingen zelf, maar had nog niet aan de pana gedacht. Thanks, ga ik proberen.Thorsd schreef op maandag 16 september 2024 @ 09:34:
[...]
De rest dichtzetten, en de WP op ontluchten zetten? Als de lucht niet al te ver naar beneden moet, lukt dat vaak wel. En anders komt de lucht dan misschien op een plek die je wel kunt ontluchten.
Wat doet de wp eigenlijk in ontluchtingsmodus, veel flow genereren?
Gasloos sinds feb23, WP: Pana Mono 9j, WPB: Auer Air 200l, PV: 14x290 Wp
Afwisselend veel flow en geen flow zodat belletjes de tijd hebben om op te stijgen naar het hoogste punt waar ze een ontluchter hopen aan te treffen.dof schreef op maandag 16 september 2024 @ 14:50:
[...]
Ah, goede tip want ik ben helemaal gefocust op de leidingen zelf, maar had nog niet aan de pana gedacht. Thanks, ga ik proberen.
Wat doet de wp eigenlijk in ontluchtingsmodus, veel flow genereren?
Inmiddels is het probleem gelukkig verholpen. ‘t Was toch lucht in de leiding. ‘k Heb eerst de VVW dichtgezet en doorgespoeld. Daarna de toevoerleidingen van 1ste verdieping tot kruipruimte leeggemaakt (meteen even twee aftapkraantjes gemonteerd omdat het daar ook laagste punt in het cv systeem is) en opnieuw gevuld van bovenaf tot ook alle lucht eruit was. Gelukkig veel kogelkranen bij installatie gemonteerd waardoor een deel ontkoppelen en aftappen mekkelijk is.dof schreef op zondag 15 september 2024 @ 15:38:
Hier ook aanpassingen gedaan voor de winter ; leidingen vervangen en weer aangesloten en vuil filter van de 9j schoongemaakt. Zat eigenlijk weinig rommel in.
De wp weer gestart en het draait weer... bijna helemaal goed.
Probleempje waar ik nu mee zit is dat ik de leidingen naar de badkamer (met vvw) op 1ste verdieping heb vervangen van oud 15mm Fe naar 22mm Cu (ook wat weggewerkt vanwege keuken verbouwing beneden).
Maar ik zie nu wel druk op vvw druk meter, maar er stroomt geen water.... Ik heb het gevuld vanuit de badkamer maar t water stroomt niet door.
Ik zit zelf te denken dat er toch lucht in de toevoer leiding zit want de vvw in badkamer heb ik inmiddels (ter controle) doorgespoeld en is in orde.
Wellicht ga ik dit segment weer afkoppelen (k heb veel kogelkranen in m'n systeem) en opnieuw vullen.
Zijn er nog andere tips om lucht uit het systeem te krijgen?
(Ontluchters heb ik wel maar verhelpen dit niet).
Daarna de tip van @Thorsd gebruikt en ontluchtings programma een half uurtje gedraaid en zag (in een stuk vrij liggende vvw buis) nog best veel luchtbellen langskomen.
Zoals @FransvWoerkom al vertelde is het ontluchtingprogramma een kwestie van kwart minuut op max snelheid pompen (~38 ltr/min bij m’n 9 j) en dan weer een aantal sec op 0 ltr/min etc. Ontluchters hoor je werken en na afloop was de druk totaal 0,2 bar gezakt dus nuttig.
‘k’ Had dit programma eigenlijk nog nooit gebruikt, ook niet bij installatie (k’heb vlak bij de wp een Spirovent ontluchter er tussenzitten), maar bij dit euvel heeft het prima geholpen. Thanks voor de tip @Thorsd
Gasloos sinds feb23, WP: Pana Mono 9j, WPB: Auer Air 200l, PV: 14x290 Wp
Hou het in de gaten als je gaat verwarmen. Met al dat schone water is er ook weer veel opgeloste lucht in je systeem gekomen. Dat ontsnapt als belletjes als het water wordt verwarmd.dof schreef op maandag 16 september 2024 @ 19:28:
[...]
Inmiddels is het probleem gelukkig verholpen. ‘t Was toch lucht in de leiding. ‘k Heb eerst de VVW dichtgezet en doorgespoeld. Daarna de toevoerleidingen van 1ste verdieping tot kruipruimte leeggemaakt (meteen even twee aftapkraantjes gemonteerd omdat het daar ook laagste punt in het cv systeem is) en opnieuw gevuld van bovenaf tot ook alle lucht eruit was. Gelukkig veel kogelkranen bij installatie gemonteerd waardoor een deel ontkoppelen en aftappen mekkelijk is.
Daarna de tip van @Thorsd gebruikt en ontluchtings programma een half uurtje gedraaid en zag (in een stuk vrij liggende vvw buis) nog best veel luchtbellen langskomen.
Zoals @FransvWoerkom al vertelde is het ontluchtingprogramma een kwestie van kwart minuut op max snelheid pompen (~38 ltr/min bij m’n 9 j) en dan weer een aantal sec op 0 ltr/min etc. Ontluchters hoor je werken en na afloop was de druk totaal 0,2 bar gezakt dus nuttig.
‘k’ Had dit programma eigenlijk nog nooit gebruikt, ook niet bij installatie (k’heb vlak bij de wp een Spirovent ontluchter er tussenzitten), maar bij dit euvel heeft het prima geholpen. Thanks voor de tip @Thorsd
heb de Panasonic WH-MDC05J3E5, vorig jaar probleemloos gedraait.
deze lente een bolier aangesloten, werkt ook.
Nu wil ik de weektimer weer instellen voor verwarmen, echter kan de temp op de kamertermostaat niet lager dan 20 graden zetten.
Ik had van de zomer ook coolen aangezet maar staat nu weer uit, iemand een idee waar ik mogelijk een fout heb gemaakt?
hoenlijk kan iemand mij helpen
Jan A te U
Panasonic WH-MDC05J3E5 | 5120Wp @ WZW | 3645Wp @ ONO | NoM met woning uit 1926
thanx voor de tip had de sensor op watertemperatuur staan ipv ruimtethermostaat.
nu werkt het weer zoals ik verwacht had.
Jan A te U
In het display staan kleine pictogrammen onder die temperatuur. Huisje met thermometer is interne ruimtethermostaat, druppel met thermometer is watertemperatuur direct, kastje met knoppen is externe thermostaat en grafiekje is war. Zie boekje Operating Instructions.draaideur schreef op dinsdag 17 september 2024 @ 17:33:
Hoi @Cr3ator
thanx voor de tip had de sensor op watertemperatuur staan ipv ruimtethermostaat.
nu werkt het weer zoals ik verwacht had.
Dan zou ik dus van mijn thermostaat maar 2 draden nodig hebben 1 voor warmtevraag en 1 voor koude vraag.
Ik kan je alleen vertellen dat ik eens een foutje rondom CN2 maakte en ik daarna op zoek kon naar een vervangende zekering op het PCB van de WP zelf (en de hele WP het toen niet meer deed tot ik de zekering had vervangen).Update94 schreef op woensdag 18 september 2024 @ 18:34:
Weet iemand of ik voor cn2 ook gewoon een fase kan gebruiken die ik toevallig bij mijn thermostaat heb (dus 230v wisselstroomuit het stopcontact) ik kan dit nergens echt duidelijk vinden.
Dan zou ik dus van mijn thermostaat maar 2 draden nodig hebben 1 voor warmtevraag en 1 voor koude vraag.
Panasonic 7kW J-Series Split + 190 liter SWW, 2750+2100Wp Oost-West
Het is me niet helemaal duidelijk wat je precies wil maar je zal voor zover ik weet toch echt de L en H contacten op CN2 moeten verbinden om hem te laten verwarmen.Update94 schreef op woensdag 18 september 2024 @ 18:34:
Weet iemand of ik voor cn2 ook gewoon een fase kan gebruiken die ik toevallig bij mijn thermostaat heb (dus 230v wisselstroomuit het stopcontact) ik kan dit nergens echt duidelijk vinden.
Dan zou ik dus van mijn thermostaat maar 2 draden nodig hebben 1 voor warmtevraag en 1 voor koude vraag.
Ik begrijp de achterliggende gedachte ook niet helemaal. Wat is er op tegen om gewoon een 4 aderige thermostaat kabel er heen te trekken?
Daarom besloot ik het eerst hier te dubbelcheckensjimmie schreef op woensdag 18 september 2024 @ 19:41:
[...]
Ik kan je alleen vertellen dat ik eens een foutje rondom CN2 maakte en ik daarna op zoek kon naar een vervangende zekering op het PCB van de WP zelf (en de hele WP het toen niet meer deed tot ik de zekering had vervangen).
Het gaat om een EWF644II thermostaat in mijn fancoils die hebben ingebouwde relais voor koelen en verwarmen, als ik die relais kan voeden met de 230v die al bij de fancoils en een bestaande extra kabel te gebruiken die er al als back-up is, dan scheelt mij dat het trekken van 6x nieuwe kabels dus het was een vraagje waard.Tinkerer84 schreef op woensdag 18 september 2024 @ 19:50:
[...]
Het is me niet helemaal duidelijk wat je precies wil maar je zal voor zover ik weet toch echt de L en H contacten op CN2 moeten verbinden om hem te laten verwarmen.
Ik begrijp de achterliggende gedachte ook niet helemaal. Wat is er op tegen om gewoon een 4 aderige thermostaat kabel er heen te trekken?
/f/image/CUju6KflJAlD40FYdERlc3xT.png?f=fotoalbum_large)
Als de conclusie is dat het niet kan of beter is om de L direct met de H en C te verbinden dan doe ik dat gewoon.
[ Voor 16% gewijzigd door Update94 op 18-09-2024 20:24 ]
Zou ik niet doen. Je kunt zo verschillende groepen aan elkaar knopen. Denk je de WP spanningsvrij gemaakt te hebben, staat er toch nog spanning op. Als het verschillende fasen zijn, belooft het nog minder goeds.Update94 schreef op woensdag 18 september 2024 @ 18:34:
Weet iemand of ik voor cn2 ook gewoon een fase kan gebruiken die ik toevallig bij mijn thermostaat heb (dus 230v wisselstroomuit het stopcontact) ik kan dit nergens echt duidelijk vinden.
Dan zou ik dus van mijn thermostaat maar 2 draden nodig hebben 1 voor warmtevraag en 1 voor koude vraag.
[ Voor 5% gewijzigd door Thorsd op 18-09-2024 20:31 ]
Daar had ik nog niet aan gedacht, bedanktThorsd schreef op woensdag 18 september 2024 @ 20:29:
[...]
Zou ik niet doen. Je kunt zo verschillende groepen aan elkaar knopen. Denk je de WP spanningsvrij gemaakt te hebben, staat er toch nog spanning op. Als het verschillende fasen zijn, belooft het nog minder goeds.
Nee. Dan gaat er minstens één aardlekschakelaar uit. Niet aan aardlek, maar doordat er dan een verschil zit tussen de heen en terugstroom (nul en fase).Update94 schreef op woensdag 18 september 2024 @ 18:34:
Weet iemand of ik voor cn2 ook gewoon een fase kan gebruiken die ik toevallig bij mijn thermostaat heb (dus 230v wisselstroomuit het stopcontact) ik kan dit nergens echt duidelijk vinden.
Dan zou ik dus van mijn thermostaat maar 2 draden nodig hebben 1 voor warmtevraag en 1 voor koude vraag.
Je kunt met twee relais en een paar diodes wel via twee draden. Dan kun je nul, plus of min spanning over de leiding sturen.
[ Voor 11% gewijzigd door FransvWoerkom op 18-09-2024 21:46 ]
Die oplossing had ik hier inderdaad gelezen, en de Shelly oplossing ook, maar dan hou ik het toch liever (relatief) simpel en trek ik wel een kabel erbij (ik heb de kabels net al besteld). Bedankt voor het adviesFransvWoerkom schreef op woensdag 18 september 2024 @ 21:36:
Nee. Dan gaat er minstens één aardlekschakelaar uit. Niet aan aardlek, maar doordat er dan een verschil zit tussen de heen en terugstroom (nul en fase).
Je kunt met twee relais en een paar diodes wel via twee draden. Dan kun je nul, plus of min spanning over de leiding sturen.
Panasonic 7kW J-Series Split + 190 liter SWW, 2750+2100Wp Oost-West
Thermostaat heeft 2 relais en kan ook koelen:), zie de afbeelding hierboven.sjimmie schreef op donderdag 19 september 2024 @ 07:22:
@Update94 verwarmen netjes via je thermostaat en die paar dagen per jaar dat je zou willen koelen daarvoor een wifi of zigbee switch gebruiken. Of 1 van de 2 relais op de nieuwe heishamon.
Edit: ik heb nog een vraag waar ik niet helemaal een duidelijk antwoord op kan vinden, wat doet de warmtepomp als er zowel koude vraag als warmtevraag is. Theoretisch zou dit kunnen met 2 thermostaten parallel.
[ Voor 21% gewijzigd door Update94 op 19-09-2024 08:38 ]
- Kan ik de MLB buis het beste aansluiten aan de binnen- en buitenunit met zo'n koppeling? https://www.heima24.de/ro...rbundrohr-32-x-30-mm.html
- Qua grindbak was ik van plan om zo'n 30cm af te graven, daarin een laag grof grind storten, 2 15x15cm stapelblokken erin, de rest opvullen met fijn siergrind en dan op de stapelblokken de rubberen bigfoots. Zie ik nog wat over het hoofd?
A niksUpdate94 schreef op donderdag 19 september 2024 @ 08:00:
[...]
Thermostaat heeft 2 relais en kan ook koelen:), zie de afbeelding hierboven.
Edit: ik heb nog een vraag waar ik niet helemaal een duidelijk antwoord op kan vinden, wat doet de warmtepomp als er zowel koude vraag als warmtevraag is. Theoretisch zou dit kunnen met 2 thermostaten parallel.
B wisselen tussen warm en koud
Allebei tegelijk kan niet
#team_UTC+1
An investment in knowledge always pays the best interest - Benjamin Franklin
You can call me McOverloper Mini '12 i7/16/256 Air '13 i5/8/256 iPad mini 5 64GB iPhone SE 128GB
Het simpelst is een derde thermostaat en een schakeling daarachter die de meerderheid laat beslissenUpdate94 schreef op donderdag 19 september 2024 @ 08:00:
[...]
Thermostaat heeft 2 relais en kan ook koelen:), zie de afbeelding hierboven.
Edit: ik heb nog een vraag waar ik niet helemaal een duidelijk antwoord op kan vinden, wat doet de warmtepomp als er zowel koude vraag als warmtevraag is. Theoretisch zou dit kunnen met 2 thermostaten parallel.
TheJVH schreef op donderdag 19 september 2024 @ 11:36:
Aankomend weekend ga ik wat voorbereidingen treffen voor het plaatsen van een Panasonic L-serie warmtepomp. Ik heb twee vraagjes:
- Kan ik de MLB buis het beste aansluiten aan de binnen- en buitenunit met zo'n koppeling? https://www.heima24.de/ro...rbundrohr-32-x-30-mm.html
- Qua grindbak was ik van plan om zo'n 30cm af te graven, daarin een laag grof grind storten, 2 15x15cm stapelblokken erin, de rest opvullen met fijn siergrind en dan op de stapelblokken de rubberen bigfoots. Zie ik nog wat over het hoofd?
:strip_exif()/f/image/ixrj4tb8f7jxVarBiFGUJwvc.jpg?f=fotoalbum_large)
Ik heb er nog een RVS flex slang tussen gedaan om trillingen te voorkomen en daar dan zo'n verbinding opgezet die je hierboven aangeeft. (zie linksonder op de foto hieronder)
:strip_exif()/f/image/0UGL6IwvnEWVw6kxcI1ccBHp.jpg?f=fotoalbum_large)
Die slang moet wel luchtdicht zijn, of je moet geen stalen componenten in je setup hebben. Ik heb 'm hier gekocht https://www.ebay.nl/str/derschlauchfritze omdat deze store vaker hier voorbij is gekomen.
Wat voor thermostaat zou dit bijvoorbeeld kunnen, of hoe heet zo'n thermostaat?FransvWoerkom schreef op donderdag 19 september 2024 @ 11:48:
[...]
Het simpelst is een derde thermostaat en een schakeling daarachter die de meerderheid laat beslissen

Ik snap dat beide tegelijk niet kan, maar stel het gebeurd toch, maak ik dan iets kapot of zal dat meevallen.
[ Voor 14% gewijzigd door Update94 op 19-09-2024 11:58 ]
Ja er komt direct aan de buitenunit nog een vorstklep en een stuk RVS slang, en dan verbind ik hem buiten in de MLB die door de kruipruimte naar de trapkast gaat. Ik heb alleen koper en MLB in het systeem zitten dus dat scheeltUpdate94 schreef op donderdag 19 september 2024 @ 11:51:
[...]
[Afbeelding]
Ik heb er nog een RVS flex slang tussen gedaan om trillingen te voorkomen en daar dan zo'n verbinding opgezet die je hierboven aangeeft. (zie linksonder op de foto hieronder)
[Afbeelding]
Die slang moet wel luchtdicht zijn, of je moet geen stalen componenten in je setup hebben. Ik heb 'm hier gekocht https://www.ebay.nl/str/derschlauchfritze omdat deze store vaker hier voorbij is gekomen.
Ja dus? Je moet ze niet allebei gebruiken.Update94 schreef op donderdag 19 september 2024 @ 08:00:
[...]
Thermostaat heeft 2 relais en kan ook koelen:), zie de afbeelding hierboven.
Je kan toch gewoon 1 daarvan gebruiken om te verwarmen en die paar keer per jaar koelen met een simpele wifi/bt/zigbee/heisha relais regelen? Koelen en verwarmen over 2 draden is waarschijnlijk lastiger, vandaar dat ik je een simpel alternatief "aanbied".
Je kan zelfs voor koelen gewoon de WP AAN forceren, dan heb je niks nodig (moet je hem alleen niet vergeten ook weer zelf uit te zetten).
Panasonic 7kW J-Series Split + 190 liter SWW, 2750+2100Wp Oost-West
@FransvWoerkom zou je mij kunnen verwijzen naar waar je hebt gevonden dat H en C niet tegelijkertijd mogen? Ik probeer uit te zoeken hoeveel en of dit nu kwaad kan stel dat het toch voor een paar seconden plaats zou vinden..FransvWoerkom schreef op donderdag 13 juli 2023 @ 13:43:
[...]
Je mag volgens de manual niet H en C tegelijk aansturen.
Een omschakelaar bij de muurdoorvoer kan wel, maar lijkt me niet elegant.
Er zijn hier eerder ( @thehog , @CurlyMo ) schakelingen met diodes, relais enz langs gekomen om een drietallig signaal (H-0-C) te versturen via een 2-aderige kabel.
Ik zou een andere plek zoeken voor de thermostaat en daar een fatsoenlijke 16mm buis heen leggen.
Koelen in de winter of verwarmen in de zomer gaat heel goed met een ventilator.
/f/image/iLBERkydRzyu8Y3Y4ytgbxB8.png?f=fotoalbum_large)
/f/image/Q11cM6kuHoq9QOz4mYSGKOeD.png?f=fotoalbum_large)
Uit de pcb documentatie haal ik geen kortsluiting in elk geval het kan hooguit dat de software er niet mee om kan gaan.
Dan zou ik het moeten opzoeken, en daar heb ik geen trek in. Als jij zo nodig twee thermostaten wilt aansluiten omdat je die nu eenmaal hebt gekocht, mag je ook zelf uitzoeken hoe je die moet aansluiten en welke instellingen je daar voor nodig hebt. Laat ons vooral weten wat het resultaat is.Update94 schreef op donderdag 19 september 2024 @ 23:14:
[...]
@FransvWoerkom zou je mij kunnen verwijzen naar waar je hebt gevonden dat H en C niet tegelijkertijd mogen? Ik probeer uit te zoeken hoeveel en of dit nu kwaad kan stel dat het toch voor een paar seconden plaats zou vinden..
[...]
Uit de pcb documentatie haal ik geen kortsluiting in elk geval het kan hooguit dat de software er niet mee om kan gaan.
Het lijkt mij dat het tegelijk aansturen van H en C hoogstens zal leiden tot het tegelijkertijd hoog zijn van 2 ingangen van de microcontroller, wat mogelijk "ongedefinieerd gedrag" veroorzaakt. Dit is iets dat in de praktijk waarschijnlijk vaak mis gaat bij het aansluiten, en kan me niet voorstellen dat er dan iets stuk gaat. Maar goed, ik weet het niet zeker en heb het niet geprobeerd.Update94 schreef op donderdag 19 september 2024 @ 23:14:
[...]
@FransvWoerkom zou je mij kunnen verwijzen naar waar je hebt gevonden dat H en C niet tegelijkertijd mogen? Ik probeer uit te zoeken hoeveel en of dit nu kwaad kan stel dat het toch voor een paar seconden plaats zou vinden..
[Afbeelding]
[Afbeelding]
Uit de pcb documentatie haal ik geen kortsluiting in elk geval het kan hooguit dat de software er niet mee om kan gaan.
Als je het zelf wilt bepalen met een extra thermostaat op buitentemperatuur kun je bijvoorbeeld een "Geya GRW8-01" gebruiken, kost een paar tientjes. Voor het correct schakelen van de H en C heb je dan nog wel een extra relais nodig. Ik heb zelf een soortgelijke die het al een paar jaar goed doet (op 24V).
Dankjewel, dit is precies wat ik zocht! Ik ben nog steeds wel in de verleiding om te proberen wat de pomp doet als ik toch "per ongeluk" beide ingangen aan zet. Mocht ik het proberen zal ik het uiteraard hier laten weten.Thorsd schreef op vrijdag 20 september 2024 @ 11:53:
[...]
Het lijkt mij dat het tegelijk aansturen van H en C hoogstens zal leiden tot het tegelijkertijd hoog zijn van 2 ingangen van de microcontroller, wat mogelijk "ongedefinieerd gedrag" veroorzaakt. Dit is iets dat in de praktijk waarschijnlijk vaak mis gaat bij het aansluiten, en kan me niet voorstellen dat er dan iets stuk gaat. Maar goed, ik weet het niet zeker en heb het niet geprobeerd.
Als je het zelf wilt bepalen met een extra thermostaat op buitentemperatuur kun je bijvoorbeeld een "Geya GRW8-01" gebruiken, kost een paar tientjes. Voor het correct schakelen van de H en C heb je dan nog wel een extra relais nodig. Ik heb zelf een soortgelijke die het al een paar jaar goed doet (op 24V).
:strip_exif()/f/image/tgSr6AlIowWQIC51uDLEQIyA.jpg?f=fotoalbum_large)
En kan ik die rubberen bigfoots los op de bielzen zetten, of is het aan te raden om hem met draadstangen te fixeren? Hij staat op het oosten en zitten in regio Utrecht, dus ik verwacht geen windkrachten die hem zomaar omver blazen...
'k Heb zelf het gat dieper gegraven omdat Pana dat aangaf in de instructies (bij de 9j was aangeraden iets van 60 of 80 cm meen ik) en een pvc buis van 4cm in het midden aangebracht. PVC buis tot nu niet gebruikt omdat ik het defrost water los laat lopen (daarvoor maak je de grindbak). Kun je m.i. dus weglaten. Het water smelt van de lamellen (bij defrosts), en loopt dus op allerlei plekken uit de WP in de grindbak.TheJVH schreef op zaterdag 21 september 2024 @ 16:50:
Ik heb een gat gegraven van 30cm diep en 120x100cm, heeft het nog zin om er een PVC buis in te boren of doet dat bij de Panasonic niets (itt de Vaillant).
[Afbeelding]
En kan ik die rubberen bigfoots los op de bielzen zetten, of is het aan te raden om hem met draadstangen te fixeren? Hij staat op het oosten en zitten in regio Utrecht, dus ik verwacht geen windkrachten die hem zomaar omver blazen...
Wat dieper graven zou ik wel doen want dan wordt de massa (met grind) wat groter en zal het niet snel scheefzakken (30 cm lijkt me wat krap, na aantal vorstdagen zit vorst al snel op 20 cm diepte volgens experts, afhankelijk van de natheid). Je kunt er ook wat tegels op de bodem leggen voor stabiliteit.
Ik heb in de grindbak zwarte betonbielzen van Hornbach gebruikt en daarop Bigfoots. En er draadstangen doorheen gedaan... niet omdat ik bang was dat die machine van ~100kg zou omwaaien, maar wel om te voorkomen dat een grapjas het zou omduwen en ook tegen een beetje tegen inbraak (WP jatten).
Gasloos sinds feb23, WP: Pana Mono 9j, WPB: Auer Air 200l, PV: 14x290 Wp
De stabiliteit ben ik niet zo bang voor, de grond is hier heel stabiel en keihard met de vette dichte klei (en toch loopt water hier makkelijk weg). Dat maakt het dieper graven ook wel een enorme uitdaging.dof schreef op zaterdag 21 september 2024 @ 18:08:
[...]
'k Heb zelf het gat dieper gegraven omdat Pana dat aangaf in de instructies (bij de 9j was aangeraden iets van 60 of 80 cm meen ik) en een pvc buis van 4cm in het midden aangebracht. PVC buis tot nu niet gebruikt omdat ik het defrost water los laat lopen (daarvoor maak je de grindbak). Kun je m.i. dus weglaten. Het water smelt van de lamellen (bij defrosts), en loopt dus op allerlei plekken uit de WP in de grindbak.
Wat dieper graven zou ik wel doen want dan wordt de massa (met grind) wat groter en zal het niet snel scheefzakken (30 cm lijkt me wat krap, na aantal vorstdagen zit vorst al snel op 20 cm diepte volgens experts, afhankelijk van de natheid). Je kunt er ook wat tegels op de bodem leggen voor stabiliteit.
Ik heb in de grindbak zwarte betonbielzen van Hornbach gebruikt en daarop Bigfoots. En er draadstangen doorheen gedaan... niet omdat ik bang was dat die machine van ~100kg zou omwaaien, maar wel om te voorkomen dat een grapjas het zou omduwen en ook tegen een beetje tegen inbraak (WP jatten).
Dat vastzetten ivm inbraak zal ik wel over nadenken, maar er staat ook een bewakingscamera op dus ik verwacht dat het wel los zal lopen. Die betonbielzen heb ik inderdaad ook gehaald, twee van 15x12cm naast elkaar, dan past de Bigfoot van 18cm breed er mooi op.
Mocht ik last krijgen van ijsvorming op het pad, dan is dat niet heel erg gezien we eigenlijk nooit op dat pad lopen 's winters.