NIBE L/W warmtepomp optimalisatie

Pagina: 1 ... 8 ... 95 Laatste
Acties:

Onderwerpen


Acties:
  • +4 Henk 'm!

  • DIY
  • Registratie: September 2022
  • Laatst online: 03-10 08:45

DIY

Naast het goed instellen van je stooklijn (vorige pagina) vielen een paar van je instellingen op:

-Stop bijverwarming is op 19°C veel te hoog ingesteld. De fabrieksinstelling 5°C lijkt logischer en wellicht kan hij nog veel lager afhankelijk van jou setup. Je wil niet dat het elektrische element bijspringt tot 19°C zoals nu gebeurt.
- stop verwarming kan op 17 of 18°C. Boven die buitentemperatuur wil je niet dat de wp aanslaat.

[ Voor 18% gewijzigd door DIY op 30-10-2022 19:58 ]


Acties:
  • +2 Henk 'm!

  • Knowbody
  • Registratie: December 2016
  • Laatst online: 03-10 19:43
Die temperatuur stop verwarming 19 en bij-verwarming kun je verlagen.

Bij-verwarming op 5

Stop verwarming kun je mee spelen maar als je vind dat de verwarming uit kan als het buiten 15 is zet je hem daar op.

Het kan zijn dat bij een lage stooklijn, die instelling op ongeveer 17 kan blijven staan, omdat de graadminuten toch niet in het negatieve raken als de temperatuur in het circuit boven de berekende temperatuur (stooklijn) ligt.

Dat vinkje bij 1.9.4 moet uit in het geval van vloerverwarming. Werk je met radiatoren dan kan het aangevinkt blijven.


Betreft de stooklijn: 20 hoort altijd bij 20.

[ Voor 6% gewijzigd door Knowbody op 30-10-2022 20:21 ]

0599 BJ 2022, Nibe Split 12 kW, SMO S40. Getuned naar 56 Hz max, 20 lpm debiet verwarming en koeling, stille mode altijd aan.Hier verdwijnt de legionella aangroei dagelijks in het riool. 9000 Wp plat dak 10xNO, 10xZW, 5xZO


Acties:
  • 0 Henk 'm!

  • Henri2500
  • Registratie: Mei 2022
  • Laatst online: 03-09 21:56
Dankjewel @DIY en @Knowbody . Ik zal de meewerking van de kamerthermostaat uitschakelen (ja ik heb idd vloerverwarming op de benedenverdieping). Daarnaast de bijverwarming/verwarming terugschroeven.

Ik had al met de handleiding op basis van de beschrijvingen met de stooklijn lopen spelen; maar mogelijk dus zonder veel effect omdat de kamerthermostaat de boel verstoort.

20 hoort altijd bij 20? Wat is daar de redenatie achter?

Acties:
  • 0 Henk 'm!

  • HiBe
  • Registratie: December 2014
  • Laatst online: 02-10 20:43
ik ben benieuwd of iemand meer details over het algoritme wat Nibe gebruikt voor smart price adaption. MEt name hoe het omgaat met te verwachten prijzen, temperaturen en GraadMinuten.

Acties:
  • 0 Henk 'm!

  • Andrehj
  • Registratie: Juni 2002
  • Laatst online: 03-10 19:46
Knowbody schreef op zondag 30 oktober 2022 @ 20:16:
Die temperatuur stop verwarming 19 en bij-verwarming kun je verlagen.
Bij-verwarming op 5
Waarom zet je bijverwarming niet op -10? Verwarmen op de compressor is toch veel efficiënter?

WP: ME PUHZ-SW75YAA + ERSD-VM2D + EV-WP-TWS-1W 300; AC: ME MXZ-2F42VF + 2x MSZ-LN25VGV; PV: 14.08 kWp O/W + SMA STP 8.0; Vent: Zehnder Q600 ERV + Ubbink AirExcellent.


Acties:
  • +1 Henk 'm!

  • format5
  • Registratie: December 2005
  • Laatst online: 01-10 22:00
Andrehj schreef op maandag 31 oktober 2022 @ 17:23:
[...]

Waarom zet je bijverwarming niet op -10? Verwarmen op de compressor is toch veel efficiënter?
Bijverwarming op 5 wil niet zeggen dat de bijverwarming ook gebruikt wordt.
Dat wil alleen zeggen dat boven de 5 graden de bijverwarming geblokkeerd is en zeker niet in kan schakelen.
Het is dus meer een voorzorgsmaatregel mocht de WP verkeerd gekozen zijn.

30x SF175 NW - STP6000 Live PVoutput Nibe F2120-16 warmtepomp


Acties:
  • 0 Henk 'm!

  • Andrehj
  • Registratie: Juni 2002
  • Laatst online: 03-10 19:46
format5 schreef op maandag 31 oktober 2022 @ 18:20:
Bijverwarming op 5 wil niet zeggen dat de bijverwarming ook gebruikt wordt.
Dat wil alleen zeggen dat boven de 5 graden de bijverwarming geblokkeerd is en zeker niet in kan schakelen.
Het is dus meer een voorzorgsmaatregel mocht de WP verkeerd gekozen zijn.
Dan heeft het toch geen zin om die bij +5 toe te staan? De meest efficiënte truc is dan toch om die temperatuur lekker laag te kiezen om onnodig energieverbruik door het element te voorkomen? Mocht je huis bij strenge vorst ooit eens een keer niet meer warm worden kun je die waarde altijd nog wel wat verhogen. Maar als je bij +5 al bijverwarming nodig hebt, had je een 2x zo grote WP moeten kopen.

WP: ME PUHZ-SW75YAA + ERSD-VM2D + EV-WP-TWS-1W 300; AC: ME MXZ-2F42VF + 2x MSZ-LN25VGV; PV: 14.08 kWp O/W + SMA STP 8.0; Vent: Zehnder Q600 ERV + Ubbink AirExcellent.


Acties:
  • +1 Henk 'm!

  • Knowbody
  • Registratie: December 2016
  • Laatst online: 03-10 19:43
Andrehj schreef op maandag 31 oktober 2022 @ 19:18:
[...]

Dan heeft het toch geen zin om die bij +5 toe te staan? De meest efficiënte truc is dan toch om die temperatuur lekker laag te kiezen om onnodig energieverbruik door het element te voorkomen? Mocht je huis bij strenge vorst ooit eens een keer niet meer warm worden kun je die waarde altijd nog wel wat verhogen. Maar als je bij +5 al bijverwarming nodig hebt, had je een 2x zo grote WP moeten kopen.
Een te grote warmtepomp is geschikter voor lage buitentemperaturen. Een te kleine warmtepomp doet het heel efficiënt bij minder winter-achtige temperaturen. Doorgaans heeft het stookseizoen in NL meer gematigde dagen dan echt hele koude.
Er bestaat wat dat betreft geen ideale warmtepomp.

Die bij-verwarming kan handig zijn. Als de sturing het nodig vindt is het mooi dat de sturing ook toestemming heeft.
Bijvoorbeeld kortstondig als hulpje na een defrost.

0599 BJ 2022, Nibe Split 12 kW, SMO S40. Getuned naar 56 Hz max, 20 lpm debiet verwarming en koeling, stille mode altijd aan.Hier verdwijnt de legionella aangroei dagelijks in het riool. 9000 Wp plat dak 10xNO, 10xZW, 5xZO


Acties:
  • +1 Henk 'm!

  • DIY
  • Registratie: September 2022
  • Laatst online: 03-10 08:45

DIY

Nibe geeft als fabrieksinstelling 5°C mee, dus zal niet voor niets zijn. Wellicht heeft het te maken met voldoende warmte kunnen genereren om een defrost te doen als er nog niet genoeg warmte in de woning voor handen is?

Weet iemand hoe de smo bepaalt wanneer de bijverwarming ingeschakeld moet worden?

Aanvulling: Knowbody was me voor 😄

[ Voor 10% gewijzigd door DIY op 01-11-2022 02:43 ]


Acties:
  • 0 Henk 'm!

  • Knowbody
  • Registratie: December 2016
  • Laatst online: 03-10 19:43
Andrehj schreef op maandag 31 oktober 2022 @ 17:23:
[...]

Waarom zet je bijverwarming niet op -10? Verwarmen op de compressor is toch veel efficiënter?
Laat de regeling maar bepalen! Het heeft bijvoorbeeld ook te maken met overmatige slijtage vd compressor.

0599 BJ 2022, Nibe Split 12 kW, SMO S40. Getuned naar 56 Hz max, 20 lpm debiet verwarming en koeling, stille mode altijd aan.Hier verdwijnt de legionella aangroei dagelijks in het riool. 9000 Wp plat dak 10xNO, 10xZW, 5xZO


Acties:
  • +1 Henk 'm!

  • Zilvermeeuw
  • Registratie: Juni 2005
  • Laatst online: 30-06 11:14
DIY schreef op maandag 31 oktober 2022 @ 21:40:

Weet iemand hoe de smo bepaalt wanneer de bijverwarming ingeschakeld moet worden?
De bijverwarming wordt ingeschakeld, wanneer de graadminuten een bepaalde tijd onder een bepaalde (lage) waarde staat.

Acties:
  • 0 Henk 'm!

  • Andrehj
  • Registratie: Juni 2002
  • Laatst online: 03-10 19:46
Zilvermeeuw schreef op dinsdag 1 november 2022 @ 07:46:
De bijverwarming wordt ingeschakeld, wanneer de graadminuten een bepaalde tijd onder een bepaalde (lage) waarde staat.
Kijk. En precies dát wil je nou net voorkomen bij buitentemperaturen waarbij je warmtepomp het verwarmen van je huis makkelijk alleen af kan. Dus hup, naar beneden met die waarde. Dat scheelt kosten, en ook veel stress bij de netbeheerder.
Mijn Mitsubishi kan het ook prima af zonder elektrische bijverwarming. Het zou een beetje gek zijn als een veel duurdere Nibe dat dan niet kan.

WP: ME PUHZ-SW75YAA + ERSD-VM2D + EV-WP-TWS-1W 300; AC: ME MXZ-2F42VF + 2x MSZ-LN25VGV; PV: 14.08 kWp O/W + SMA STP 8.0; Vent: Zehnder Q600 ERV + Ubbink AirExcellent.


Acties:
  • 0 Henk 'm!

  • Andrehj
  • Registratie: Juni 2002
  • Laatst online: 03-10 19:46
Knowbody schreef op dinsdag 1 november 2022 @ 06:39:
Laat de regeling maar bepalen! Het heeft bijvoorbeeld ook te maken met overmatige slijtage vd compressor.
Een compressor van een warmtepomp is gemaakt om vermogen te leveren. Als je al bij +5 elektrische bijverwarming nodig hebt is er iets goed mis in je configuratie. Dan kun je beter het probleem op lossen in plaats van een pleister plakken.

WP: ME PUHZ-SW75YAA + ERSD-VM2D + EV-WP-TWS-1W 300; AC: ME MXZ-2F42VF + 2x MSZ-LN25VGV; PV: 14.08 kWp O/W + SMA STP 8.0; Vent: Zehnder Q600 ERV + Ubbink AirExcellent.


Acties:
  • 0 Henk 'm!

  • Zilvermeeuw
  • Registratie: Juni 2005
  • Laatst online: 30-06 11:14
Andrehj schreef op dinsdag 1 november 2022 @ 07:54:
[...]

Kijk. En precies dát wil je nou net voorkomen bij buitentemperaturen waarbij je warmtepomp het verwarmen van je huis makkelijk alleen af kan. Dus hup, naar beneden met die waarde. Dat scheelt kosten, en ook veel stress bij de netbeheerder.
Mijn Mitsubishi kan het ook prima af zonder elektrische bijverwarming. Het zou een beetje gek zijn als een veel duurdere Nibe dat dan niet kan.
Boven de standaard +5 zal de bijverwarming niet inschakelen. Onder de +5 alleen als de WP dat nodig vindt. Mijn ervaring is, dat tussen 0 en +3 graden en erg vochtig weer (mist), de WP regelmatig een ontdooislag moet doen. Dan heeft hij net te weinig capaciteit om het huis nog lekker warm te houden en heeft dus een beetje bijverwarming nodig.

Dus, de bijverwarming wordt alleen ingeschakeld, wanneer het nodig is en de WP het niet alleen aan kan.

Acties:
  • +1 Henk 'm!

  • Andrehj
  • Registratie: Juni 2002
  • Laatst online: 03-10 19:46
Knowbody schreef op maandag 31 oktober 2022 @ 21:38:
Een te grote warmtepomp is geschikter voor lage buitentemperaturen. Een te kleine warmtepomp doet het heel efficiënt bij minder winter-achtige temperaturen. Doorgaans heeft het stookseizoen in NL meer gematigde dagen dan echt hele koude.
Er bestaat wat dat betreft geen ideale warmtepomp.
Het kan zijn dat je warmtepomp is afgestemd op -7, terwijl het een keer -10 wordt. Dan kan ik me zoiets voorstellen. Niet bij +5, want dan is je warmtepomp (meer dan) een factor 2 te klein.
Dat heeft niks met "ideaal" te maken, maar dan is je WP gewoon verkeerd gedimensioneerd.
Die bij-verwarming kan handig zijn. Als de sturing het nodig vindt is het mooi dat de sturing ook toestemming heeft.
Bijvoorbeeld kortstondig als hulpje na een defrost.
Met welk doel? Alleen maar om het water een paar minuten eerder weer op temperatuur te krijgen? Ik dacht dat we met z'n alleen energie wilden besparen? Dat doe je niet met COP=1 hulpelementen!

WP: ME PUHZ-SW75YAA + ERSD-VM2D + EV-WP-TWS-1W 300; AC: ME MXZ-2F42VF + 2x MSZ-LN25VGV; PV: 14.08 kWp O/W + SMA STP 8.0; Vent: Zehnder Q600 ERV + Ubbink AirExcellent.


Acties:
  • 0 Henk 'm!

  • format5
  • Registratie: December 2005
  • Laatst online: 01-10 22:00
Andrehj schreef op maandag 31 oktober 2022 @ 19:18:
[...]

Dan heeft het toch geen zin om die bij +5 toe te staan? De meest efficiënte truc is dan toch om die temperatuur lekker laag te kiezen om onnodig energieverbruik door het element te voorkomen? Mocht je huis bij strenge vorst ooit eens een keer niet meer warm worden kun je die waarde altijd nog wel wat verhogen. Maar als je bij +5 al bijverwarming nodig hebt, had je een 2x zo grote WP moeten kopen.
Klopt, maar zoals ik al zei is het puur een failsafe.
Dus je hebt hem niet nodig (zoals ik) en je laat hem aan staan voor het geval dat.
Of je zet hem "uit" (zeer lage temp), waarna je hem in kan schakelen wanneer nodig.

Het is meer een ingebouwde zekerheid, welke fijn kan zijn indien je een te laag vermogen pomp hebt gekocht (aangesmeerd gekregen??).

30x SF175 NW - STP6000 Live PVoutput Nibe F2120-16 warmtepomp


Acties:
  • +1 Henk 'm!

  • Andrehj
  • Registratie: Juni 2002
  • Laatst online: 03-10 19:46
Zilvermeeuw schreef op dinsdag 1 november 2022 @ 07:57:
[...]

Boven de standaard +5 zal de bijverwarming niet inschakelen. Onder de +5 alleen als de WP dat nodig vindt. Mijn ervaring is, dat tussen 0 en +3 graden en erg vochtig weer (mist), de WP regelmatig een ontdooislag moet doen. Dan heeft hij net te weinig capaciteit om het huis nog lekker warm te houden en heeft dus een beetje bijverwarming nodig.

Dus, de bijverwarming wordt alleen ingeschakeld, wanneer het nodig is en de WP het niet alleen aan kan.
Maar reken dan eens!
Bij -10 heeft je huis ongeveer twee keer zo veel warmteverlies als bij +5. Een defrost levert je netto ongeveer 10% verlies van verwarmingscapaciteit op (tenminste, bij mijn Mitsubishi, maar ik kan me niet voorstellen dat een veel duurdere Nibe dat veel slechter doet).
Bij een correct gekozen WP kan het dus nooit zo zijn dat je al al bij temperaturen rond het vriespunt last krijgt van defrosts en dat je daardoor te weinig verwarmingscapaciteit over houdt. Als dat wel zo is, dan is je WP gewoon te klein voor je huis.

[ Voor 3% gewijzigd door Andrehj op 01-11-2022 08:03 ]

WP: ME PUHZ-SW75YAA + ERSD-VM2D + EV-WP-TWS-1W 300; AC: ME MXZ-2F42VF + 2x MSZ-LN25VGV; PV: 14.08 kWp O/W + SMA STP 8.0; Vent: Zehnder Q600 ERV + Ubbink AirExcellent.


Acties:
  • +1 Henk 'm!

  • format5
  • Registratie: December 2005
  • Laatst online: 01-10 22:00
DIY schreef op maandag 31 oktober 2022 @ 21:40:
Nibe geeft als fabrieksinstelling 5°C mee, dus zal niet voor niets zijn. Wellicht heeft het te maken met voldoende warmte kunnen genereren om een defrost te doen als er nog niet genoeg warmte in de woning voor handen is?

Weet iemand hoe de smo bepaalt wanneer de bijverwarming ingeschakeld moet worden?

Aanvulling: Knowbody was me voor 😄
De SMO schakeled deze bij adhv de graadminuten (GM).
Je kan zelf instellen bij hoeveel GM de bijverwarming in moet schakelen, indien deze dat mag adhv de buiten temp.

30x SF175 NW - STP6000 Live PVoutput Nibe F2120-16 warmtepomp


Acties:
  • +1 Henk 'm!

  • Zilvermeeuw
  • Registratie: Juni 2005
  • Laatst online: 30-06 11:14
Andrehj schreef op dinsdag 1 november 2022 @ 08:02:
[...]

Maar reken dan eens!
Bij -10 heeft je huis ongeveer twee keer zo veel warmteverlies als bij +5. Een defrost levert je netto ongeveer 10% verlies van verwarmingscapaciteit op (tenminste, bij mijn Mitsubishi, maar ik kan me niet voorstellen dat een veel duurdere Nibe dat veel slechter doet).
Als je dus al bij temperaturen rond het vriespunt last krijgt van defrosts en dat je daardoor te weinig verwarmingscapaciteit over houdt, dan is je WP gewoon te klein voor je huis.
Bij -5 heeft mijn WP minder te doen dan bij +2 en veel defrosts.
Even rekenen: Om 1 liter ijs te ontdooien is het zoveel energie nodig als 1 liter water van 0 graden naar 80 graden te brengen.
Een defrost kost dus veel energie.

Acties:
  • 0 Henk 'm!

  • format5
  • Registratie: December 2005
  • Laatst online: 01-10 22:00
Knowbody schreef op dinsdag 1 november 2022 @ 06:39:
[...]

Laat de regeling maar bepalen! Het heeft bijvoorbeeld ook te maken met overmatige slijtage vd compressor.
Wat heeft dit te maken met de slijtage van de compressor?

30x SF175 NW - STP6000 Live PVoutput Nibe F2120-16 warmtepomp


Acties:
  • 0 Henk 'm!

  • Zilvermeeuw
  • Registratie: Juni 2005
  • Laatst online: 30-06 11:14
format5 schreef op dinsdag 1 november 2022 @ 08:04:
[...]

Wat heeft dit te maken met de slijtage van de compressor?
<lol mode>Als je alleen bijverwarming gebruikt, slijt je compressor niet</lol mode>

Acties:
  • +2 Henk 'm!

  • format5
  • Registratie: December 2005
  • Laatst online: 01-10 22:00
Zilvermeeuw schreef op dinsdag 1 november 2022 @ 07:57:
[...]

Boven de standaard +5 zal de bijverwarming niet inschakelen. Onder de +5 alleen als de WP dat nodig vindt. Mijn ervaring is, dat tussen 0 en +3 graden en erg vochtig weer (mist), de WP regelmatig een ontdooislag moet doen. Dan heeft hij net te weinig capaciteit om het huis nog lekker warm te houden en heeft dus een beetje bijverwarming nodig.

Dus, de bijverwarming wordt alleen ingeschakeld, wanneer het nodig is en de WP het niet alleen aan kan.
Als in dat bereik de bijverwarming nodig is zal het bij -5 of lager nog harder nodig zijn verwacht ik.

Ik heb de bijverwarming nu 2 keer nodig gehad.
1x bij een storing waarbij door verkeerd getimede situaties de lamellen dicht waren gevroren, en 1 keer in de ochtend toen het -9,4 was meteen na een SWW run omdat het voorraadvat leeg was.

30x SF175 NW - STP6000 Live PVoutput Nibe F2120-16 warmtepomp


Acties:
  • +1 Henk 'm!

  • format5
  • Registratie: December 2005
  • Laatst online: 01-10 22:00
Zilvermeeuw schreef op dinsdag 1 november 2022 @ 08:05:
[...]

<lol mode>Als je alleen bijverwarming gebruikt, slijt je compressor niet</lol mode>
Maar je bijverwarming aan laten springen omdat je WP teweinig vermogen kan leveren geeft toch ook geen levensduur verlengen of minder slijtage op je compressor?

De starts leveren de meeste slijtage. Een compressor welke netjes loopt slijt bijna niet.
Wat maakt het dan voor de levensduur echt uit dat je element bijschakeld?

30x SF175 NW - STP6000 Live PVoutput Nibe F2120-16 warmtepomp


Acties:
  • 0 Henk 'm!

  • Zilvermeeuw
  • Registratie: Juni 2005
  • Laatst online: 30-06 11:14
format5 schreef op dinsdag 1 november 2022 @ 08:08:
[...]


Als in dat bereik de bijverwarming nodig is zal het bij -5 of lager nog harder nodig zijn verwacht ik.
Nee, dat hoeft niet. Bij -5 en een heldere dag kan de WP het makkelijker aan en hoeft niet te ontdooien. Bij +3 en dikke mist moet hij regelmatig ontdooien.

Acties:
  • +1 Henk 'm!

  • Zilvermeeuw
  • Registratie: Juni 2005
  • Laatst online: 30-06 11:14
format5 schreef op dinsdag 1 november 2022 @ 08:11:
[...]
De starts leveren de meeste slijtage. Een compressor welke netjes loopt slijt bijna niet.
Wat maakt het dan voor de levensduur echt uit dat je element bijschakeld?
Het is een combinatie van de starts en de draaiuren. Ik denk ook, dat de starts de meeste slijtage geeft.

Mijn <lol mode> was bedoeld grap.

Als je de compressor uitzet. Dan is daar geen slijtage. De bijverwarming verwarmt dan het huis, maar die slijt niet.

Toch proef ik wel een nadeel van het verwarmen met alleen de bijverwarming........ ;-)

Acties:
  • 0 Henk 'm!

  • Knowbody
  • Registratie: December 2016
  • Laatst online: 03-10 19:43
Andrehj schreef op dinsdag 1 november 2022 @ 07:54:
[...]

Kijk. En precies dát wil je nou net voorkomen bij buitentemperaturen waarbij je warmtepomp het verwarmen van je huis makkelijk alleen af kan. Dus hup, naar beneden met die waarde. Dat scheelt kosten, en ook veel stress bij de netbeheerder.
Mijn Mitsubishi kan het ook prima af zonder elektrische bijverwarming. Het zou een beetje gek zijn als een veel duurdere Nibe dat dan niet kan.
Kijk, je snapt het denk ik niet helemaal. Als de graadminuten bij -60 de compressor doen starten en de aanvoertemperatuur komt niet boven de berekende temperatuur, dan worden de graadminuten nog negatiever. Dat betekent dat aan de voorwaarde vanuit de stooklijn niet kan worden voldaan. Een mogelijkheid is te grote nachtverlaging, waardoor de retourtemperatuur te laag is geworden en de aanvoertemperatuur daardoor niet kan "groeien" (ivm dT van 5K).
Een warmtepomp is geen gasketel, want die heeft power zat, dus de aanvoertemperatuur gaat pas verder omhoog als de Tr begint in te lopen.
Die GM lopen dus nog verder van de 0 weg, dus op een gegeven moment gaat die bij-verwarming in en dat moet je gewoon toestaan ( -400 GM dacht ik).

0599 BJ 2022, Nibe Split 12 kW, SMO S40. Getuned naar 56 Hz max, 20 lpm debiet verwarming en koeling, stille mode altijd aan.Hier verdwijnt de legionella aangroei dagelijks in het riool. 9000 Wp plat dak 10xNO, 10xZW, 5xZO


Acties:
  • 0 Henk 'm!

  • Knowbody
  • Registratie: December 2016
  • Laatst online: 03-10 19:43
Andrehj schreef op dinsdag 1 november 2022 @ 07:58:
[...]

Het kan zijn dat je warmtepomp is afgestemd op -7, terwijl het een keer -10 wordt. Dan kan ik me zoiets voorstellen. Niet bij +5, want dan is je warmtepomp (meer dan) een factor 2 te klein.
Dat heeft niks met "ideaal" te maken, maar dan is je WP gewoon verkeerd gedimensioneerd.

[...]

Met welk doel? Alleen maar om het water een paar minuten eerder weer op temperatuur te krijgen? Ik dacht dat we met z'n alleen energie wilden besparen? Dat doe je niet met COP=1 hulpelementen!
-1

Oneens

0599 BJ 2022, Nibe Split 12 kW, SMO S40. Getuned naar 56 Hz max, 20 lpm debiet verwarming en koeling, stille mode altijd aan.Hier verdwijnt de legionella aangroei dagelijks in het riool. 9000 Wp plat dak 10xNO, 10xZW, 5xZO


Acties:
  • +1 Henk 'm!

  • Andrehj
  • Registratie: Juni 2002
  • Laatst online: 03-10 19:46
Knowbody schreef op dinsdag 1 november 2022 @ 18:51:
[...]

Kijk, je snapt het denk ik niet helemaal. Als de graadminuten bij -60 de compressor doen starten en de aanvoertemperatuur komt niet boven de berekende temperatuur, dan worden de graadminuten nog negatiever. Dat betekent dat aan de voorwaarde vanuit de stooklijn niet kan worden voldaan. Een mogelijkheid is te grote nachtverlaging, waardoor de retourtemperatuur te laag is geworden en de aanvoertemperatuur daardoor niet kan "groeien" (ivm dT van 5K).
Een warmtepomp is geen gasketel, want die heeft power zat, dus de aanvoertemperatuur gaat pas verder omhoog als de Tr begint in te lopen.
Die GM lopen dus nog verder van de 0 weg, dus op een gegeven moment gaat die bij-verwarming in en dat moet je gewoon toestaan ( -400 GM dacht ik).
Ik blijf het een vreemde redenering vinden. Als je WP het niet aankan (wegens te klein gekozen, te hoge stooklijn, of te veel nachtverlaging) dat moet je dat probleem oplossen. Niet maar dom met COP=1 bij gaan stoken.

WP: ME PUHZ-SW75YAA + ERSD-VM2D + EV-WP-TWS-1W 300; AC: ME MXZ-2F42VF + 2x MSZ-LN25VGV; PV: 14.08 kWp O/W + SMA STP 8.0; Vent: Zehnder Q600 ERV + Ubbink AirExcellent.


Acties:
  • +2 Henk 'm!

  • LangeFries
  • Registratie: Februari 2018
  • Laatst online: 03-10 20:07
Het interesseert helemaal niet hoe negatief de graadminuten worden. De compressor gaat vanzelf harder werken. Zolang de WP niet veel te klein is, wordt het alleen maar warmer in huis, ook wanneer de graadminuten zinken. Omdat dat bij mij beneden de -7 niet altijd het geval zou hoeven zijn, staat de limiet bij mij op -7. Hoger heeft geen enkel nut.

Nibe F2120-12,VVM320, 4440Wp LG NeonR 1425Wp Solarwatt ZZO


Acties:
  • 0 Henk 'm!

  • Knowbody
  • Registratie: December 2016
  • Laatst online: 03-10 19:43
Andrehj schreef op dinsdag 1 november 2022 @ 19:04:
[...]

Ik blijf het een vreemde redenering vinden. Als je WP het niet aankan (wegens te klein gekozen, te hoge stooklijn, of te veel nachtverlaging) dat moet je dat probleem oplossen. Niet maar dom met COP=1 bij gaan stoken.
Jij hebt niet eens een Nibe 😝. Jij denkt in COP als een echte Tweaker. Ik denk in GM en verder niets. Af en toe een korte tijd COP 1 ertussendoor zal me echt roesten. Dat gebeurt ook bij een legionella run. Jammer dan. R410A gaat tot een uitstroom van 115 graden ongeveer, waterzijdig rond de 58 graden (max). Bij die maximale temperatuur slijt de compressor het hardst. Daarom is het prima dat een element dat laatste stukje doet bij SWW.

Die fabrieksinstelling voor verwarming, die 5 graden dus, is niet voor niets zo gekozen, niet iedereen is immers een techneut. Het getal is puur een vrijgave. Goed gedimensioneerd zal het zelden voorkomen dat het element meehelpt bij 5 graden of 4 of 3 of whatever.

Als na stroomuitval in een koude winter (of gewoon een weekje weg met Kerst) de WP niet op gang wil komen omdat er gespeeld is met allerlei waarden dan ben je mooi klaar. Je kunt het mijn inziens beter op de 5 laten staan maar goed, je mag het volledig zelf weten.

0599 BJ 2022, Nibe Split 12 kW, SMO S40. Getuned naar 56 Hz max, 20 lpm debiet verwarming en koeling, stille mode altijd aan.Hier verdwijnt de legionella aangroei dagelijks in het riool. 9000 Wp plat dak 10xNO, 10xZW, 5xZO


Acties:
  • +1 Henk 'm!

  • DIY
  • Registratie: September 2022
  • Laatst online: 03-10 08:45

DIY

Mooi zo'n verhitte discussie tussen de heren puristen 🤣

@Andrehj wellicht dat de dip van sommige Nibe's bij erg krap bemeten units net teveel is. Zeker in het scenario dat er ook nog eens sww gemaakt moet worden. Afbeeldingslocatie: https://tweakers.net/i/r-ZNAhJV6DgvqgtpjDWcVAZYoIc=/800x/filters:strip_icc():strip_exif()/f/image/M1Klxf3vAHOSOBjC6E5FWUxJ.jpg?f=fotoalbum_large
Neemt niet weg dat ik hem ook lager zou instellen dan 5°C

Acties:
  • 0 Henk 'm!

  • format5
  • Registratie: December 2005
  • Laatst online: 01-10 22:00
Ach, een geluk in het totaal.
Als de WP goed gekozen is, en als de instellingen goed zijn, de afgifte goed is, zak het niks uit gaan maken of er nu 5 of -5 is gekozen ;)

En voor degene waar iets verkeerd is, tja, die merken het vanzelf wel aan het hoge verbruik, en die komen dan vanzelf wel hier of elders verhaal halen.

@DIY in de manual van de F2120-8/12/16/20 staat die dip in geen enkele grafiek.
Toch lijkt mij dat deze er fysisch wel hoor te zijn, kan iemand daar nog iets zinnigs over zeggen?

30x SF175 NW - STP6000 Live PVoutput Nibe F2120-16 warmtepomp


Acties:
  • 0 Henk 'm!

  • Andrehj
  • Registratie: Juni 2002
  • Laatst online: 03-10 19:46
format5 schreef op woensdag 2 november 2022 @ 08:13:
En voor degene waar iets verkeerd is, tja, die merken het vanzelf wel aan het hoge verbruik, en die komen dan vanzelf wel hier of elders verhaal halen.
Dat is nou net het probleem. Alleen Tweakers zoeken zoiets echt uit. 99% van de bevolking vertrouwt op de installateur, en gaat hooguit bij de buren of in de voetbalkantine klagen dat "warmtepompen zoveel stroom verbruiken".
Daarom is het zo belangrijk dat warmtepompen (af fabriek of door de installateur) voorzien worden van veel optimalere instellingen dan nu vaak het geval is.

@DIY : Interessante grafiek. Zulke gekke dips net rond het vriespunt ben ik bij andere fabrikanten nog niet tegengekomen. Meestal loopt de grafiek min of meer constant op (of af, afhankelijk vanaf welke kant je kijkt). Kan het zijn dat de defrostverliezen die je vaak rond het vriespunt hebt hierin al zijn meegenomen, en dit dus het netto vermogen betreft?

WP: ME PUHZ-SW75YAA + ERSD-VM2D + EV-WP-TWS-1W 300; AC: ME MXZ-2F42VF + 2x MSZ-LN25VGV; PV: 14.08 kWp O/W + SMA STP 8.0; Vent: Zehnder Q600 ERV + Ubbink AirExcellent.


Acties:
  • 0 Henk 'm!

  • Henri2500
  • Registratie: Mei 2022
  • Laatst online: 03-09 21:56
Knowbody schreef op zondag 30 oktober 2022 @ 20:16:
Betreft de stooklijn: 20 hoort altijd bij 20.
Dit kan dus gewoon niet met een NIBE? Standaard lijkt wel 25/20?

Afbeeldingslocatie: https://tweakers.net/i/OvxPcwjfFN-pQIoy8uMSFwwfTOI=/x800/filters:strip_icc():strip_exif()/f/image/LVcFrAKvMb1Wmk5TyjviymW5.jpg?f=fotoalbum_large

Acties:
  • 0 Henk 'm!

  • Knowbody
  • Registratie: December 2016
  • Laatst online: 03-10 19:43
Andrehj schreef op woensdag 2 november 2022 @ 08:49:
[...]

@DIY : Kan het zijn dat de defrostverliezen die je vaak rond het vriespunt hebt hierin al zijn meegenomen, en dit dus het netto vermogen betreft?
Dat dacht ik ook

0599 BJ 2022, Nibe Split 12 kW, SMO S40. Getuned naar 56 Hz max, 20 lpm debiet verwarming en koeling, stille mode altijd aan.Hier verdwijnt de legionella aangroei dagelijks in het riool. 9000 Wp plat dak 10xNO, 10xZW, 5xZO


Acties:
  • 0 Henk 'm!

  • Knowbody
  • Registratie: December 2016
  • Laatst online: 03-10 19:43
Henri2500 schreef op woensdag 2 november 2022 @ 11:30:
[...]


Dit kan dus gewoon niet met een NIBE? Standaard lijkt wel 25/20?

[Afbeelding]
Nog niet echt naar gekeken. Het idee is bij 20 graden design ruimtetemperatuur en 20 graden buitentemperatuur is het water ook 20 graden.

20 vind ik zelf wat te koud in geval van LTV.

0599 BJ 2022, Nibe Split 12 kW, SMO S40. Getuned naar 56 Hz max, 20 lpm debiet verwarming en koeling, stille mode altijd aan.Hier verdwijnt de legionella aangroei dagelijks in het riool. 9000 Wp plat dak 10xNO, 10xZW, 5xZO


Acties:
  • 0 Henk 'm!

  • Knowbody
  • Registratie: December 2016
  • Laatst online: 03-10 19:43
Henri2500 schreef op woensdag 2 november 2022 @ 11:30:
[...]


Dit kan dus gewoon niet met een NIBE? Standaard lijkt wel 25/20?

[Afbeelding]
Ik zie een stukje vlakke lijn. Staat jouw minimale aanvoertemperatuur niet op 20 ?

0599 BJ 2022, Nibe Split 12 kW, SMO S40. Getuned naar 56 Hz max, 20 lpm debiet verwarming en koeling, stille mode altijd aan.Hier verdwijnt de legionella aangroei dagelijks in het riool. 9000 Wp plat dak 10xNO, 10xZW, 5xZO


Acties:
  • 0 Henk 'm!

  • Henri2500
  • Registratie: Mei 2022
  • Laatst online: 03-09 21:56
Knowbody schreef op woensdag 2 november 2022 @ 11:37:
[...]

Ik zie een stukje vlakke lijn. Staat jouw minimale aanvoertemperatuur niet op 20 ?
Blijkbaar niet; dat zal dan een instelling elders in de warmtepomp zijn neem ik aan? Ik zoek verder 8)

Acties:
  • +1 Henk 'm!

  • format5
  • Registratie: December 2005
  • Laatst online: 01-10 22:00
Toch heb ik hier wel 20/20

Ik weet zo niet welke setting er bij hoort, maar een setting in het (ik dacht) service menu veranderd deze waarde.

30x SF175 NW - STP6000 Live PVoutput Nibe F2120-16 warmtepomp


Acties:
  • 0 Henk 'm!

  • format5
  • Registratie: December 2005
  • Laatst online: 01-10 22:00
Henri2500 schreef op woensdag 2 november 2022 @ 11:37:
[...]


Blijkbaar niet; dat zal dan een instelling elders in de warmtepomp zijn neem ik aan? Ik zoek verder 8)
Ik denk inderdaad wat @Henri2500 zegt.

De minimale temp staat op 25, daardoor verhoogd de horizontale lijn.

30x SF175 NW - STP6000 Live PVoutput Nibe F2120-16 warmtepomp


Acties:
  • 0 Henk 'm!

  • Knowbody
  • Registratie: December 2016
  • Laatst online: 03-10 19:43
format5 schreef op woensdag 2 november 2022 @ 12:07:
[...]

Ik denk inderdaad wat @Henri2500 zegt.

De minimale temp staat op 25, daardoor verhoogd de horizontale lijn.
Ja dat is het.

Per situatie verschillend. Ik hoop aan 25 a 26 genoeg te hebben als het rond de 0 graden is buiten. 😉

0599 BJ 2022, Nibe Split 12 kW, SMO S40. Getuned naar 56 Hz max, 20 lpm debiet verwarming en koeling, stille mode altijd aan.Hier verdwijnt de legionella aangroei dagelijks in het riool. 9000 Wp plat dak 10xNO, 10xZW, 5xZO


Acties:
  • +2 Henk 'm!

  • DIY
  • Registratie: September 2022
  • Laatst online: 03-10 08:45

DIY

Andrehj schreef op woensdag 2 november 2022 @ 08:49:
[...]
@DIY : Interessante grafiek. Zulke gekke dips net rond het vriespunt ben ik bij andere fabrikanten nog niet tegengekomen. Meestal loopt de grafiek min of meer constant op (of af, afhankelijk vanaf welke kant je kijkt). Kan het zijn dat de defrostverliezen die je vaak rond het vriespunt hebt hierin al zijn meegenomen, en dit dus het netto vermogen betreft?
@format5 @Knowbody @Andrehj
De grafieken komen uit de handleiding van de Nibe f serie. De F2040 heeft bij de 8 en 12 kw zulke dips. De defrost verliezen zijn inderdaad hierin verwerkt (netto vermogen).
Mijn 6 kw heeft ook wel een vlak stuk, maar niet zo'n extreme dip.
Ging mij vooral om een extreem voorbeeld, al kan ik me voorstellen dat bv een LG monoblock uit de U43 serie een nog forsere dip heeft als je die grafiek zou maken 😬

[ Voor 6% gewijzigd door DIY op 02-11-2022 14:50 ]


Acties:
  • +2 Henk 'm!

  • format5
  • Registratie: December 2005
  • Laatst online: 01-10 22:00
Knowbody schreef op woensdag 2 november 2022 @ 13:37:
[...]

Ja dat is het.

Per situatie verschillend. Ik hoop aan 25 a 26 genoeg te hebben als het rond de 0 graden is buiten. 😉
Maar dat is je minimum temp.
Kan @Henri2500 die niet beter lager zetten?
Bij 20 graden zal 25 graden immers tehoog zijn.
Ik heb hier de minimum temp op 20 graden staan.
Dat staat los van de temp bij 0 graden, die wordt dan in verhouding met de buiten temp berekend adhv je stooklijn.

30x SF175 NW - STP6000 Live PVoutput Nibe F2120-16 warmtepomp


Acties:
  • +2 Henk 'm!

  • Knowbody
  • Registratie: December 2016
  • Laatst online: 03-10 19:43
format5 schreef op woensdag 2 november 2022 @ 16:09:
[...]

Maar dat is je minimum temp.
Kan @Henri2500 die niet beter lager zetten?
Bij 20 graden zal 25 graden immers tehoog zijn.
Ik heb hier de minimum temp op 20 graden staan.
Dat staat los van de temp bij 0 graden, die wordt dan in verhouding met de buiten temp berekend adhv je stooklijn.
We bedoelen hetzelfde.

Die 25 moet naar 20, en dan kun je altijd nog met de curve vd stooklijn spelen.


25 is zo hoog, dan zweet ik hier de tent uit, nu.
Ik hoop 25 pas nodig te zijn als het vriest.

0599 BJ 2022, Nibe Split 12 kW, SMO S40. Getuned naar 56 Hz max, 20 lpm debiet verwarming en koeling, stille mode altijd aan.Hier verdwijnt de legionella aangroei dagelijks in het riool. 9000 Wp plat dak 10xNO, 10xZW, 5xZO


Acties:
  • 0 Henk 'm!

  • DIY
  • Registratie: September 2022
  • Laatst online: 03-10 08:45

DIY

Had het al keer gepost, maar aangezien de stooklijn van Henri nog zo hoog staat en de setting blijkvaar moeilijk gevonden word:

"Indien het buiten warm is en de kamertemperatuur te hoog is, verlaagt u de waarde in menu 1.1.1 met één stap".

In dit geval mag het wel gelijk met een paar stappen hoor 🤣

@Henri2500 heb je de bijverwarming en stop verwarming wel aangepast?

[ Voor 20% gewijzigd door DIY op 02-11-2022 19:16 ]


Acties:
  • 0 Henk 'm!

  • Dane86
  • Registratie: Mei 2009
  • Laatst online: 24-03-2024
Vraagje, ik heb een nibe f2040-6 met de smo40 regelunit en ben nog een beetje zoekende naar de invloed van de rmu s40 ruimtesensor. Hij staat ingesteld als beinvloeder van de verwarming en ik verwacht eigenlijk dat als ik de beoogde temperatuur verhoog of verlaag dat er dan iets gebeurt met de berekende aanvoer.

Echter zie ik geen enkele verschuiving in stooklijn of verandering van berekende aanvoertemperatuur als ik de temperatuur met 1 of 2 graden verlaag. Ook lijkt hij gewoon door te gaan met de graadminuut berekening als de temperatuur in de ruimte hoger is dan gewenst. Mis ik iets of doet die sensor gewoon niet zoveel...

Acties:
  • +2 Henk 'm!

  • Henri2500
  • Registratie: Mei 2022
  • Laatst online: 03-09 21:56
DIY schreef op woensdag 2 november 2022 @ 19:11:
Had het al keer gepost, maar aangezien de stooklijn van Henri nog zo hoog staat en de setting blijkvaar moeilijk gevonden word:

"Indien het buiten warm is en de kamertemperatuur te hoog is, verlaagt u de waarde in menu 1.1.1 met één stap".

In dit geval mag het wel gelijk met een paar stappen hoor 🤣

@Henri2500 heb je de bijverwarming en stop verwarming wel aangepast?
Ik heb de bijverwarming/verwarming al aangepast. Ik moet vandaag even zoeken naar de minimale aanvoertemperatuur (die mag idd wel naar 20). Dan even laten stabiliseren en kijken wat de temperatuur in huis doet. Dank voor de hulp/advies so far mensen!

Acties:
  • +1 Henk 'm!

  • format5
  • Registratie: December 2005
  • Laatst online: 01-10 22:00
Knowbody schreef op woensdag 2 november 2022 @ 17:39:
[...]

We bedoelen hetzelfde.

Die 25 moet naar 20, en dan kun je altijd nog meer de curve vd stooklijn spelen.


25 is zo hoog, dan zweet ik hier de tent uit, nu.
Ik hoop 25 pas nodig te zijn als het vriest.
Als het vriest zou ik ook wel willen, helaas heb ik op het vriespunt al meer nodig :'(

30x SF175 NW - STP6000 Live PVoutput Nibe F2120-16 warmtepomp


Acties:
  • 0 Henk 'm!

  • format5
  • Registratie: December 2005
  • Laatst online: 01-10 22:00
Dane86 schreef op woensdag 2 november 2022 @ 22:30:
Vraagje, ik heb een nibe f2040-6 met de smo40 regelunit en ben nog een beetje zoekende naar de invloed van de rmu s40 ruimtesensor. Hij staat ingesteld als beinvloeder van de verwarming en ik verwacht eigenlijk dat als ik de beoogde temperatuur verhoog of verlaag dat er dan iets gebeurt met de berekende aanvoer.

Echter zie ik geen enkele verschuiving in stooklijn of verandering van berekende aanvoertemperatuur als ik de temperatuur met 1 of 2 graden verlaag. Ook lijkt hij gewoon door te gaan met de graadminuut berekening als de temperatuur in de ruimte hoger is dan gewenst. Mis ik iets of doet die sensor gewoon niet zoveel...
De invloed van de rmu is programmeerbaar.
Bij mij heeft deze bijvoorbeeld helemaal geen invloed, en hangt deze maar een beetje dom aan de muur in de technische ruimte

30x SF175 NW - STP6000 Live PVoutput Nibe F2120-16 warmtepomp


Acties:
  • 0 Henk 'm!

  • magnetx3
  • Registratie: Januari 2015
  • Laatst online: 03-10 08:42
Dag allen,

N.a.v. de eerdergenoemde verhitte discussie ben ik nog eens in onze tekeningen gedoken van ons nieuwbouwhuis, gebouwd met EPC 0,4. De conclusie die ik hieruit getrokken heb:

De vergunning is aangevraagd met een Nibe AMS-10-12 buiten unit, de installateur heeft uiteindelijk een F2040-6 geplaatst. Deze twee verschillen nogal van capaciteit, namelijk:
- De AMS-10-12 heeft een capaciteit van 9kW (-7/35)
- De F2040-6 heeft een capaciteit van 4,6kW (-7/35)

Dit is bijna twee keer zo weinig aan verwarmingscapaciteit. Dit is mij nooit eerder opgevallen, ik wist dat ze een nieuwe warmtepomp geplaatst hadden maar ik heb nooit getwijfeld aan het feit dat deze misschien niet vergelijkbaar was.

Nu is mijn vraag aan jullie: Hebben jullie enig idee of dit een groot probleem gaat zijn in de winter? Of dit iets is waar de aannemer dan wel installateur iets mee moet is denk ik een vraag voor een ander topic.

Ik heb via de tabel van warmtepomp-weetjes berekend dat wij in theorie ongeveer (45+3)W*163m2 = 7,8kW nodig hebben. De AMS-10-12 past dan ook veel beter in dit plaatje. We hebben hier afgelopen winter ook al gewoond, maar de woning was toen vochtig, dus eigenlijk niet stilgestaan bij het hoge verbruik. Wij hebben in de koudste periode wel veel elektra verbruikt (2700kWh in de periode 16-11 tot 1-1), dus mijn theorie is dat de WP de warmtevraag niet aan kon en relatief snel de weerstandsverwarming inschakelde wat dus funest is geweest voor onze COP.

Als kers op de taart is de bouwvergunning door de aannemer aangevraagd met de AMS-10-12 op papier, ik gok dus dat de EPC berekening die hierin staat geen stand houdt met de huidige WP.

Nibe BA-SVM10-200/6 + AMS10-6


Acties:
  • 0 Henk 'm!

  • Dane86
  • Registratie: Mei 2009
  • Laatst online: 24-03-2024
format5 schreef op donderdag 3 november 2022 @ 09:07:
[...]


De invloed van de rmu is programmeerbaar.
Bij mij heeft deze bijvoorbeeld helemaal geen invloed, en hangt deze maar een beetje dom aan de muur in de technische ruimte
Wat bedoel je met programmeerbaar? Ik heb in de SMU40 ingesteld dat hij de ruimte mag beinvloeden voor verwarming, koeling en luchtvochtigheid. Toch lijkt dit niet te gebeuren. Hij hangt nu net als bij jou, dom aan de muur :)

Ik weet dat je hem kan instellen als ruimtesensor in een menu, maar dan moet je daar een vaste temperatuur instellen in de SMU40. Maar dan kan je hem dus nog steeds niet gebruiken om iets aan te passen, alleen om de temperatuur weer te geven... Of mis ik iets?

Acties:
  • 0 Henk 'm!

  • Knowbody
  • Registratie: December 2016
  • Laatst online: 03-10 19:43
magnetx3 schreef op donderdag 3 november 2022 @ 12:31:
Dag allen,

N.a.v. de eerdergenoemde verhitte discussie ben ik nog eens in onze tekeningen gedoken van ons nieuwbouwhuis, gebouwd met EPC 0,4. De conclusie die ik hieruit getrokken heb:

De vergunning is aangevraagd met een Nibe AMS-10-12 buiten unit, de installateur heeft uiteindelijk een F2040-6 geplaatst. Deze twee verschillen nogal van capaciteit, namelijk:
- De AMS-10-12 heeft een capaciteit van 9kW (-7/35)
- De F2040-6 heeft een capaciteit van 4,6kW (-7/35)

Dit is bijna twee keer zo weinig aan verwarmingscapaciteit. Dit is mij nooit eerder opgevallen, ik wist dat ze een nieuwe warmtepomp geplaatst hadden maar ik heb nooit getwijfeld aan het feit dat deze misschien niet vergelijkbaar was.

Nu is mijn vraag aan jullie: Hebben jullie enig idee of dit een groot probleem gaat zijn in de winter? Of dit iets is waar de aannemer dan wel installateur iets mee moet is denk ik een vraag voor een ander topic.

Ik heb via de tabel van warmtepomp-weetjes berekend dat wij in theorie ongeveer (45+3)W*163m2 = 7,8kW nodig hebben. De AMS-10-12 past dan ook veel beter in dit plaatje. We hebben hier afgelopen winter ook al gewoond, maar de woning was toen vochtig, dus eigenlijk niet stilgestaan bij het hoge verbruik. Wij hebben in de koudste periode wel veel elektra verbruikt (2700kWh in de periode 16-11 tot 1-1), dus mijn theorie is dat de WP de warmtevraag niet aan kon en relatief snel de weerstandsverwarming inschakelde wat dus funest is geweest voor onze COP.

Als kers op de taart is de bouwvergunning door de aannemer aangevraagd met de AMS-10-12 op papier, ik gok dus dat de EPC berekening die hierin staat geen stand houdt met de huidige WP.
Ik zou me geen zorgen maken, om een aantal redenen.
-Het wordt steeds minder winter
-Als het koud wordt zorg je dat de warmte er reeds in zit, desnoods beetje extra
-is het vermogen te laag als het flink vriest, zal de woning langzaam koeler worden. Maar voordat het te koud is dan praat je over een potentiële Elfstedentocht-winter.

Hier ook epc 0.4 met 12 kW uit de warmteverlies-berekening.
Het huis is echter veel beter gebouwd dan op papier. Extra's t.o.v epc 0.4 zijn WTW, triple glas, gesloten spouw (plat dak) en dakisolatie ook beter dan op papier vanwege afschotisolatie. Ik vermoed dat het ongeveer een epc 0.0 a 0.2 is geworden.

Ik draai nu met een AMS 10-06, de 12 kW komt nog maar ik laat die vervallen. Ik kies de 10-08.
(en dat is alleen omdat de 06 eigenlijk niet hoort te werken op een hbs 05-12 binnenunit maar stiekum doet ie het toch)

Kleine warmtepompen zijn zuiniger bij gematigde temperaturen dan grote en grotere warmtepompen zijn wat zuiniger bij koudere temperaturen in vergelijking met kleinere.

0599 BJ 2022, Nibe Split 12 kW, SMO S40. Getuned naar 56 Hz max, 20 lpm debiet verwarming en koeling, stille mode altijd aan.Hier verdwijnt de legionella aangroei dagelijks in het riool. 9000 Wp plat dak 10xNO, 10xZW, 5xZO


Acties:
  • 0 Henk 'm!

  • format5
  • Registratie: December 2005
  • Laatst online: 01-10 22:00
Dane86 schreef op donderdag 3 november 2022 @ 20:00:
[...]


Wat bedoel je met programmeerbaar? Ik heb in de SMU40 ingesteld dat hij de ruimte mag beinvloeden voor verwarming, koeling en luchtvochtigheid. Toch lijkt dit niet te gebeuren. Hij hangt nu net als bij jou, dom aan de muur :)

Ik weet dat je hem kan instellen als ruimtesensor in een menu, maar dan moet je daar een vaste temperatuur instellen in de SMU40. Maar dan kan je hem dus nog steeds niet gebruiken om iets aan te passen, alleen om de temperatuur weer te geven... Of mis ik iets?
De RMU40 is de ruimtethermostaat.
Deze kan ingesteld worden om geen invloed te hebben op de stooklijn of juist wel.
Indien ingesteld is dat de RMU alleen maar een dom kastje (externe bediening voor de SMO) is kan je:
Deze gebruiken voor aanpassingen van het SSW (tijdelijk luxe bijvoorbeeld).
Deze gebruiken om de stooklijn een offset mee te geven (+ of - op de stooklijn).

Indien de SMO ingesteld is op sturing via de RMU (de SMO staat dan niet op WAR) kan je:
Deze gebruiken voor aanpassingen van het SSW (tijdelijk luxe bijvoorbeeld).
Deze de ruimte temperatuur regelen via de RMU

Zie de verkorte handleiding van de RMU (hierbij is het voor een deel wel afhankelijk van hoe je SMO in is gesteld).

https://www.nibe.eu/asset...nstructie%202019%20v2.pdf

Indien je op de RMU dus -10 tot +10 op kan geven staat je SMO in WAR stand, je kan dan alleen de stooklijn + of -
Indien je op de RMU een temperatuur op kan geven staat je SMO op ruimte temperatuur sturing.

[ Voor 3% gewijzigd door format5 op 04-11-2022 08:14 ]

30x SF175 NW - STP6000 Live PVoutput Nibe F2120-16 warmtepomp


Acties:
  • 0 Henk 'm!

  • format5
  • Registratie: December 2005
  • Laatst online: 01-10 22:00
Knowbody schreef op donderdag 3 november 2022 @ 22:38:
[...]

Ik zou me geen zorgen maken, om een aantal redenen.
-Het wordt steeds minder winter
-Als het koud wordt zorg je dat de warmte er reeds in zit, desnoods beetje extra
-is het vermogen te laag als het flink vriest, zal de woning langzaam koeler worden. Maar voordat het te koud is dan praat je over een potentiële Elfstedentocht-winter.

Hier ook epc 0.4 met 12 kW uit de warmteverlies-berekening.
Het huis is echter veel beter gebouwd dan op papier. Extra's t.o.v epc 0.4 zijn WTW, triple glas, gesloten spouw (plat dak) en dakisolatie ook beter dan op papier vanwege afschotisolatie. Ik vermoed dat het ongeveer een epc 0.0 a 0.2 is geworden.

Ik draai nu met een AMS 10-06, de 12 kW komt nog maar ik laat die vervallen. Ik kies de 10-08.
(en dat is alleen omdat de 06 eigenlijk niet hoort te werken op een hbs 05-12 binnenunit maar stiekum doet ie het toch)

Kleine warmtepompen zijn zuiniger bij gematigde temperaturen dan grote en grotere warmtepompen zijn wat zuiniger bij koudere temperaturen in vergelijking met kleinere.
Wel even kijken of de grotere modellen niet stiekem dezelfde zijn maar met een minder grote beperking.
Zo zijn bijvoorbeelde DF2120-16 en 20 (dacht ik) dezelfde. Alleen heeft de F2120 een softwarematige frequentie beperking op de compressor, en geeft hierdoor minder vermogen.
Daarbij zou het dan alleen een financieel (zekerheid) besluit zijn om voor de 20 of 16 te gaan, aangezien het eerste deel van het bereik ze hetzelfde zijn.

30x SF175 NW - STP6000 Live PVoutput Nibe F2120-16 warmtepomp


Acties:
  • 0 Henk 'm!

  • Knowbody
  • Registratie: December 2016
  • Laatst online: 03-10 19:43
format5 schreef op vrijdag 4 november 2022 @ 08:18:
[...]


Wel even kijken of de grotere modellen niet stiekem dezelfde zijn maar met een minder grote beperking.
Zo zijn bijvoorbeelde DF2120-16 en 20 (dacht ik) dezelfde. Alleen heeft de F2120 een softwarematige frequentie beperking op de compressor, en geeft hierdoor minder vermogen.
Daarbij zou het dan alleen een financieel (zekerheid) besluit zijn om voor de 20 of 16 te gaan, aangezien het eerste deel van het bereik ze hetzelfde zijn.
Als je googled over de AMS (Nibe Split) kom je vaak verkeerde afbeeldingen tegen bij het model dat je zoekt (en in het echt zien ze er beter uit dan op afbeeldingen 🥱)
De AMS-10 lijn heeft 4 modellen en ze hebben alle 4 een ander uiterlijk.

Deze AMS lijn bestaat al sinds 2009 en je komt ze tegen onder minstens 4 merknamen. De units worden gemaakt door MHI.

(AMS 20 bestaat ook, deze heeft koelgas R32)

[ Voor 5% gewijzigd door Knowbody op 04-11-2022 18:55 ]

0599 BJ 2022, Nibe Split 12 kW, SMO S40. Getuned naar 56 Hz max, 20 lpm debiet verwarming en koeling, stille mode altijd aan.Hier verdwijnt de legionella aangroei dagelijks in het riool. 9000 Wp plat dak 10xNO, 10xZW, 5xZO


Acties:
  • 0 Henk 'm!

  • format5
  • Registratie: December 2005
  • Laatst online: 01-10 22:00
Knowbody schreef op vrijdag 4 november 2022 @ 08:30:
[...]

Als je googled over de AMS (Nibe Split) kom je vaak verkeerde afbeeldingen tegen bij het model dat je zoekt (en in het echt zien ze er beter uit dan op afbeeldingen 🥱)
De AMS lijn heeft 4 modellen en ze hebben alle 4 een ander uiterlijk.

Deze AMS lijn bestaat al sinds 2009 en ik ken 4 merken waaronder deze wordt gevoerd. De units worden gemaakt door MHI.
Duidelijk verhaal, maar dat neemt toch nog steeds niet helemaal weg of onderhuids 2 modellen misschien stiekem wel hetzelfde zijn?
Tenzij dat natuurlijk al uitgezocht is.
Zoals ik al zei, bij de F2120 zijn meerdere modellen "hetzelfde"

30x SF175 NW - STP6000 Live PVoutput Nibe F2120-16 warmtepomp


Acties:
  • 0 Henk 'm!

  • Knowbody
  • Registratie: December 2016
  • Laatst online: 03-10 19:43
format5 schreef op vrijdag 4 november 2022 @ 09:00:
[...]

Duidelijk verhaal, maar dat neemt toch nog steeds niet helemaal weg of onderhuids 2 modellen misschien stiekem wel hetzelfde zijn?
Tenzij dat natuurlijk al uitgezocht is.
Zoals ik al zei, bij de F2120 zijn meerdere modellen "hetzelfde"
Ok, chiptuning 🥴

Ik vind die F2120 en ook de S-serie een mooie lijn, maar gewoon te duur. Deze AMS voldoet voor mijn hele lage stooklijn gewoon prima in zowel rendement als geluid en is nog enigzins betaalbaar. Ik ben blij dat deze al jaren meedoet. Gelukkig gaat de modellenwiseling in warmtepompland niet zo snel. Dat is ook gewoon niet nodig.

0599 BJ 2022, Nibe Split 12 kW, SMO S40. Getuned naar 56 Hz max, 20 lpm debiet verwarming en koeling, stille mode altijd aan.Hier verdwijnt de legionella aangroei dagelijks in het riool. 9000 Wp plat dak 10xNO, 10xZW, 5xZO


Acties:
  • +1 Henk 'm!

  • magnetx3
  • Registratie: Januari 2015
  • Laatst online: 03-10 08:42
Knowbody schreef op donderdag 3 november 2022 @ 22:38:
[...]

Ik zou me geen zorgen maken, om een aantal redenen.
-Het wordt steeds minder winter
-Als het koud wordt zorg je dat de warmte er reeds in zit, desnoods beetje extra
-is het vermogen te laag als het flink vriest, zal de woning langzaam koeler worden. Maar voordat het te koud is dan praat je over een potentiële Elfstedentocht-winter.

Hier ook epc 0.4 met 12 kW uit de warmteverlies-berekening.
Het huis is echter veel beter gebouwd dan op papier. Extra's t.o.v epc 0.4 zijn WTW, triple glas, gesloten spouw (plat dak) en dakisolatie ook beter dan op papier vanwege afschotisolatie. Ik vermoed dat het ongeveer een epc 0.0 a 0.2 is geworden.

Ik draai nu met een AMS 10-06, de 12 kW komt nog maar ik laat die vervallen. Ik kies de 10-08.
(en dat is alleen omdat de 06 eigenlijk niet hoort te werken op een hbs 05-12 binnenunit maar stiekum doet ie het toch)

Kleine warmtepompen zijn zuiniger bij gematigde temperaturen dan grote en grotere warmtepompen zijn wat zuiniger bij koudere temperaturen in vergelijking met kleinere.
Ik denk dat een 8 kW beter bij ons past dan een 6, onze woning is niet op dezelfde manier "veel beter gebouwd dan op papier". HR++ glas, geen WTW, de rest van de punten die jij aangeeft weet ik niet precies. Wel goed om te horen dat het waarschijnlijk niet zo'n storm zal lopen met afkoelen, dus dan is wachten op een vervangende WP van 8kW goed te doen. Voor nu heeft de aannemer dit serieus genomen en de installateur gevraagd om de warmteverlies-berekening (aannemer wist ook van niks). Vanuit die berekening maar weer verder kijken. Ondertussen monitoring toegepast op de weerstandsverwarming om bij te houden hoelang deze in totaal draait.

Nibe BA-SVM10-200/6 + AMS10-6


Acties:
  • 0 Henk 'm!

  • Knowbody
  • Registratie: December 2016
  • Laatst online: 03-10 19:43
magnetx3 schreef op vrijdag 4 november 2022 @ 09:35:
[...]

Ik denk dat een 8 kW beter bij ons past dan een 6, onze woning is niet op dezelfde manier "veel beter gebouwd dan op papier". HR++ glas, geen WTW, de rest van de punten die jij aangeeft weet ik niet precies. Wel goed om te horen dat het waarschijnlijk niet zo'n storm zal lopen met afkoelen, dus dan is wachten op een vervangende WP van 8kW goed te doen. Voor nu heeft de aannemer dit serieus genomen en de installateur gevraagd om de warmteverlies-berekening (aannemer wist ook van niks). Vanuit die berekening maar weer verder kijken. Ondertussen monitoring toegepast op de weerstandsverwarming om bij te houden hoelang deze in totaal draait.
Bij mij is de WTW nog niet geleverd. Enorme achterstand met leveringen zoals bekend.
Triple maakt uit bij veel glasoppervlak. Heb je dat niet, geen punt. HR++ 1.0 is meer dan prima. Misschien stelt dit wat gerust?

Vorig jaar was de winter wederom een lange herfst. Het hoge verbruik is normaal voor het eerste jaar bij nieuwbouw en kan ook komen doordat de boel niet goed is geprogrammeerd.

Is je warmtepomp continue bezig ? Doorgaans is een Nibe een uurtje bezig, uurtje pauze, uurtje bezig. Oftewel heeft voldoende vermogen over in dat geval...10 a 12 draaiuren per etmaal. Wordt het echt veel kouder, dan verdwijnen de pauzes vanzelf.

PS nachtverlaging zou ik niet doen, ook niet mbv een -1 correctie op de curve

0599 BJ 2022, Nibe Split 12 kW, SMO S40. Getuned naar 56 Hz max, 20 lpm debiet verwarming en koeling, stille mode altijd aan.Hier verdwijnt de legionella aangroei dagelijks in het riool. 9000 Wp plat dak 10xNO, 10xZW, 5xZO


Acties:
  • 0 Henk 'm!

  • magnetx3
  • Registratie: Januari 2015
  • Laatst online: 03-10 08:42
Knowbody schreef op vrijdag 4 november 2022 @ 13:35:
[...]


Bij mij is de WTW nog niet geleverd. Enorme achterstand met leveringen zoals bekend.
Triple maakt uit bij veel glasoppervlak. Heb je dat niet, geen punt. HR++ 1.0 is meer dan prima. Misschien stelt dit wat gerust?

Vorig jaar was de winter wederom een lange herfst. Het hoge verbruik is normaal voor het eerste jaar bij nieuwbouw en kan ook komen doordat de boel niet goed is geprogrammeerd.

Is je warmtepomp continue bezig ? Doorgaans is een Nibe een uurtje bezig, uurtje pauze, uurtje bezig. Oftewel heeft voldoende vermogen over in dat geval...10 a 12 draaiuren per etmaal. Wordt het echt veel kouder, dan verdwijnen de pauzes vanzelf.

PS nachtverlaging zou ik niet doen, ook niet mbv een -1 correctie op de curve
Momenteel pendelt de warmtepomp nu ‘s nachts 2 uur bezig, uurtje pauze. Maar dat komt ook door mijn instelling start verwarmen van -120DM denk ik.

[ Voor 14% gewijzigd door magnetx3 op 05-11-2022 08:22 ]

Nibe BA-SVM10-200/6 + AMS10-6


Acties:
  • 0 Henk 'm!

  • magnetx3
  • Registratie: Januari 2015
  • Laatst online: 03-10 08:42
N.a.v. vorige berichten heb ik de invloed van de ruimtesensor (RMU40) ook maar uitgezet (vloerverwarming), nu merk ik (logischerwijs) op zonnige dagen een grote verhoging van de kamertemp. Hoe doen jullie dit? Mijn gevoel is dat de kamersensor dat nog enigzins compenseert, maar het kan ook zijn omdat ik er extra op let ivm nieuwe curve.

Nibe BA-SVM10-200/6 + AMS10-6


Acties:
  • 0 Henk 'm!

  • ph4nt0m
  • Registratie: Juni 2005
  • Laatst online: 03-10 12:09
magnetx3 schreef op zaterdag 5 november 2022 @ 08:22:
N.a.v. vorige berichten heb ik de invloed van de ruimtesensor (RMU40) ook maar uitgezet (vloerverwarming), nu merk ik (logischerwijs) op zonnige dagen een grote verhoging van de kamertemp. Hoe doen jullie dit? Mijn gevoel is dat de kamersensor dat nog enigzins compenseert, maar het kan ook zijn omdat ik er extra op let ivm nieuwe curve.
Normaliter heb jij een buitensenson er binnensensor, en op basis van beidde sensoren(mits ze aanstaan), word de temperatuur gestuurd. Dus als jouw buitensensor op een plek hangt (gewoonlijk het noorden voor beste effect en niet in de zon). Dan zal de buitensensor aangeven dat het koud is en de boel moet verwarmen, terwijl je binnensensor dus niks doorgeeft en daarom warmt de boel in je huis meer op ;-)

Acties:
  • 0 Henk 'm!

  • Knowbody
  • Registratie: December 2016
  • Laatst online: 03-10 19:43
magnetx3 schreef op zaterdag 5 november 2022 @ 08:22:
N.a.v. vorige berichten heb ik de invloed van de ruimtesensor (RMU40) ook maar uitgezet (vloerverwarming), nu merk ik (logischerwijs) op zonnige dagen een grote verhoging van de kamertemp. Hoe doen jullie dit? Mijn gevoel is dat de kamersensor dat nog enigzins compenseert, maar het kan ook zijn omdat ik er extra op let ivm nieuwe curve.
Staat bij mij uit om de juiste curve te vinden, daarvoor heb ik ook enige tijd nodig met verschillende buitentemperaturen. Staat de curve ongeveer goed, dan laat ik de invloed van de RT weer meedoen. Alleen de invloed, want een traag afgiftesysteem regelen op temperatuur wil niet.

0599 BJ 2022, Nibe Split 12 kW, SMO S40. Getuned naar 56 Hz max, 20 lpm debiet verwarming en koeling, stille mode altijd aan.Hier verdwijnt de legionella aangroei dagelijks in het riool. 9000 Wp plat dak 10xNO, 10xZW, 5xZO


Acties:
  • 0 Henk 'm!

  • Knowbody
  • Registratie: December 2016
  • Laatst online: 03-10 19:43
magnetx3 schreef op zaterdag 5 november 2022 @ 08:21:
[...]


Momenteel pendelt de warmtepomp nu ‘s nachts 2 uur bezig, uurtje pauze. Maar dat komt ook door mijn instelling start verwarmen van -120DM denk ik.
Een gedrag van uurtje draaien uurtje pauze valt niet onder pendelen. De compressor kan dit makkelijk aan. Nibe wil het zo.

Nadeel van die lagere GM ( -120 ipv -60) is schommelingen maar ook harder moeten werken voor de WP waardoor je misschien eerder met defrosts te maken krijgt. Het is volgens mij zo dat de retourtemperatuur sowieso wat verder daalt en de aanvoertemperatuur wat verder omhoog moet om toch gemiddeld op de temperatuur vd stooklijn te komen. Die hogere dT tussen die twee waarden betekent dat de WP meer vermogen moet leveren. Vanwege defrosts is dat niet efficiënt.

Daarom laat ik het op -60 GM staan en geen nachtverlaging. Eea ook omdat de warmtepomp al een aantal keren per dag bezig gaat met de SWW run.

0599 BJ 2022, Nibe Split 12 kW, SMO S40. Getuned naar 56 Hz max, 20 lpm debiet verwarming en koeling, stille mode altijd aan.Hier verdwijnt de legionella aangroei dagelijks in het riool. 9000 Wp plat dak 10xNO, 10xZW, 5xZO


Acties:
  • 0 Henk 'm!

  • Dane86
  • Registratie: Mei 2009
  • Laatst online: 24-03-2024
format5 schreef op vrijdag 4 november 2022 @ 08:12:
[...]

De RMU40 is de ruimtethermostaat.
Deze kan ingesteld worden om geen invloed te hebben op de stooklijn of juist wel.
Indien ingesteld is dat de RMU alleen maar een dom kastje (externe bediening voor de SMO) is kan je:
Deze gebruiken voor aanpassingen van het SSW (tijdelijk luxe bijvoorbeeld).
Deze gebruiken om de stooklijn een offset mee te geven (+ of - op de stooklijn).

Indien de SMO ingesteld is op sturing via de RMU (de SMO staat dan niet op WAR) kan je:
Deze gebruiken voor aanpassingen van het SSW (tijdelijk luxe bijvoorbeeld).
Deze de ruimte temperatuur regelen via de RMU

Zie de verkorte handleiding van de RMU (hierbij is het voor een deel wel afhankelijk van hoe je SMO in is gesteld).

https://www.nibe.eu/asset...nstructie%202019%20v2.pdf

Indien je op de RMU dus -10 tot +10 op kan geven staat je SMO in WAR stand, je kan dan alleen de stooklijn + of -
Indien je op de RMU een temperatuur op kan geven staat je SMO op ruimte temperatuur sturing.
Ik zie temperatuur staan op de rmu s40 dus dan kan ik er vanuit gaan dat de smo wel iets doet met de ruimte temperatuur die is ingesteld als ik het zo lees

Acties:
  • 0 Henk 'm!

  • Knowbody
  • Registratie: December 2016
  • Laatst online: 03-10 19:43
Dane86 schreef op zaterdag 5 november 2022 @ 11:08:
[...]


Ik zie temperatuur staan op de rmu s40 dus dan kan ik er vanuit gaan dat de smo wel iets doet met de ruimte temperatuur die is ingesteld als ik het zo lees
Daar kun je niet van uit gaan. De actuele temperatuur wordt weergegeven.

0599 BJ 2022, Nibe Split 12 kW, SMO S40. Getuned naar 56 Hz max, 20 lpm debiet verwarming en koeling, stille mode altijd aan.Hier verdwijnt de legionella aangroei dagelijks in het riool. 9000 Wp plat dak 10xNO, 10xZW, 5xZO


Acties:
  • 0 Henk 'm!

  • format5
  • Registratie: December 2005
  • Laatst online: 01-10 22:00
Dane86 schreef op zaterdag 5 november 2022 @ 11:08:
[...]


Ik zie temperatuur staan op de rmu s40 dus dan kan ik er vanuit gaan dat de smo wel iets doet met de ruimte temperatuur die is ingesteld als ik het zo lees
Als je de temperatuur ziet staan bij het aanpassen van de temperatuur kan je er al iets van uit gaan.
Dan is alleen de factor nog de vraag.
Als de SMO op ruimteregeling staat, maar de factor van de thermostaat is 0 (kan dat trouwens?) doet deze nog steeds niks.

30x SF175 NW - STP6000 Live PVoutput Nibe F2120-16 warmtepomp


Acties:
  • +1 Henk 'm!

  • ReLight
  • Registratie: Augustus 2001
  • Laatst online: 29-09 12:39

ReLight

echo("What Now ? !")

format5 schreef op zondag 6 november 2022 @ 09:00:
[...]

Als je de temperatuur ziet staan bij het aanpassen van de temperatuur kan je er al iets van uit gaan.
Dan is alleen de factor nog de vraag.
Als de SMO op ruimteregeling staat, maar de factor van de thermostaat is 0 (kan dat trouwens?) doet deze nog steeds niks.
Als de RMU gekoppeld is voor ruimte dan zie je een temperatuur bij het bijstellen/instellen Ongekoppeld zie je een verschuiving optie.

Nibe informeerde mij dat er nog eea niet goed was met de RMU s40 & ruimteregeling. Wat met een Sw update gefixt zou worden.
Draai hier dus ook enkel op de curve, maar hij draait nagenoeg continue..

Ben nog een beetje lost te begrijpen wanneer de wp nu uit zichzelf zou stoppen.

Afbeeldingslocatie: https://tweakers.net/i/O5muctDTNmWYUfCjIa0yb43AUPQ=/x800/filters:strip_icc():strip_exif()/f/image/LZF0vh9Kx4ExdIQrbdDBdJpT.jpg?f=fotoalbum_large

Mijn zoon & dochter zijn de toekomst, de rest is tijdsvermaak. Home assistant & & Nibe S2125-12/SMO-S40, RMU-s40 & Tado - Volvo C40 ER, SE


Acties:
  • +1 Henk 'm!

  • -jann
  • Registratie: Maart 2014
  • Laatst online: 02-10 13:48
Vandaag dan eindelijk mijn S2125-12 + SMO S40 in bedrijf genomen!

Helaas een foutje in het installatiewerk, tijdens het tapwater programma is er vermenging tussen retour tapwater en de retour CV vanuit GP10 waardoor het buffervat opwarmt met retourwater (net verkeerd om aangesloten maar kan redelijk eenvoudig worden opgelost). Momenteel zorg ik dat de zonekleppen allemaal dicht zijn. Tijdens het tapwater programma.

Ik heb een vraag over vorst, wellicht lees ik er overheen in de handleiding.

Als er geen warmtevraag is, dan stopt GP12. Hoe zorg je er nu voor dat het stukje leiding buiten van +- 1 meter niet bevriest als er geen flow is? Of start deze pomp als de temperatuur onder een bepaalde waarde daalt?

Alvast bedankt voor jullie terugkoppeling.

Acties:
  • 0 Henk 'm!

  • Henielma
  • Registratie: September 2021
  • Laatst online: 08:15
-jann schreef op zondag 6 november 2022 @ 18:44:
Vandaag dan eindelijk mijn S2125-12 + SMO S40 in bedrijf genomen!

Helaas een foutje in het installatiewerk, tijdens het tapwater programma is er vermenging tussen retour tapwater en de retour CV vanuit GP10 waardoor het buffervat opwarmt met retourwater (net verkeerd om aangesloten maar kan redelijk eenvoudig worden opgelost). Momenteel zorg ik dat de zonekleppen allemaal dicht zijn. Tijdens het tapwater programma.

Ik heb een vraag over vorst, wellicht lees ik er overheen in de handleiding.

Als er geen warmtevraag is, dan stopt GP12. Hoe zorg je er nu voor dat het stukje leiding buiten van +- 1 meter niet bevriest als er geen flow is? Of start deze pomp als de temperatuur onder een bepaalde waarde daalt?

Alvast bedankt voor jullie terugkoppeling.
Voorkomen dat het water in de buitenleidingen of de warmtepomp bevriest regelt je SMO voor jou, maak je geen zorgen. Onder een paar graden Celsius blijft de pomp draaien.

Gasloos: Nibe F2040-6; Valliant VWLB200/5, Marstek Venus E V2, Domoticz


Acties:
  • +1 Henk 'm!

  • Knowbody
  • Registratie: December 2016
  • Laatst online: 03-10 19:43
-jann schreef op zondag 6 november 2022 @ 18:44:
Vandaag dan eindelijk mijn S2125-12 + SMO S40 in bedrijf genomen!

Helaas een foutje in het installatiewerk, tijdens het tapwater programma is er vermenging tussen retour tapwater en de retour CV vanuit GP10 waardoor het buffervat opwarmt met retourwater (net verkeerd om aangesloten maar kan redelijk eenvoudig worden opgelost). Momenteel zorg ik dat de zonekleppen allemaal dicht zijn. Tijdens het tapwater programma.

Ik heb een vraag over vorst, wellicht lees ik er overheen in de handleiding.

Als er geen warmtevraag is, dan stopt GP12. Hoe zorg je er nu voor dat het stukje leiding buiten van +- 1 meter niet bevriest als er geen flow is? Of start deze pomp als de temperatuur onder een bepaalde waarde daalt?

Alvast bedankt voor jullie terugkoppeling.
Je dient wel de pomp op auto te zetten, niet op intermitterend!

De pomp draait dan (omwille van graadminuten berekenen) zodra de buitentemperatuur in het gebied komt dat je verwarming aan mag ( standaard op de SMO S40 staat dat op 17 graden)

Dus bij vorst draait die pomp sowieso, mits in de AUTO stand 🙂 !

0599 BJ 2022, Nibe Split 12 kW, SMO S40. Getuned naar 56 Hz max, 20 lpm debiet verwarming en koeling, stille mode altijd aan.Hier verdwijnt de legionella aangroei dagelijks in het riool. 9000 Wp plat dak 10xNO, 10xZW, 5xZO


Acties:
  • 0 Henk 'm!

  • Knowbody
  • Registratie: December 2016
  • Laatst online: 03-10 19:43
Ik vind de Nibe ook een prachtig "project".
Wie herkent dit:

De GM zijn op -60 aangekomen en de warmtepomp begint. Echter hij denkt het rustig aan te kunnen doen en tokkelt rustig op 1,0 of 1,3A. Omdat die op die stand soms de GM niet weg kan werken gaan de graadminuten de -120 voorbij richting -180.

Op een bepaald moment vind de regeling het tijd worden voor wat meer arbeid, de compressor gaat van 25 naar 35 Hz oid en de stroom naar 1,9A tot 3A. De inhaalslag is begonnen, de graadminuten nemen af.
Maar omdat ie te laat is vertrokken komt ie nu de defrosts tegen (condensor temperatuur wordt < 0), en dat was niet zo geweest als de regeling vanaf het begin wat meer vermogen had gevraagd.

Iemand een idee hoe dat zit ?

Ik kan bedenken dat de regeling met van alles rekening houdt, om bijvoorbeeld niet in de de defrosts te belanden als dat niet nodig is. Ook kijkt de regeling naar het weer via de uplink verbinding, maar de ruimtethermostaat laat ik niet meedoen, dus die kan niet van invloed zijn op al die slimmigheid die er in de SMO S40 zit.


Nog een ander vreemd fenomeen: tijdens verwarmen waarbij er wordt omgeschakeld naar een SWW run, vertikt de regeling het om de GM te bevriezen.

Doordat de BT25 toch een beetje oploopt (moet nog buisisolatie om !) tellen de graadminuten af. Ik vind dit vreemd, immers de regeling weet dat hij niet aan het verwarmen is, er loopt ook geen flow door de vloer.


Ik heb geen buffervat, gewoon 1 laadpomp en twee verdelers; eentje dichtbij en eentje op de etage.

0599 BJ 2022, Nibe Split 12 kW, SMO S40. Getuned naar 56 Hz max, 20 lpm debiet verwarming en koeling, stille mode altijd aan.Hier verdwijnt de legionella aangroei dagelijks in het riool. 9000 Wp plat dak 10xNO, 10xZW, 5xZO


Acties:
  • +1 Henk 'm!

  • format5
  • Registratie: December 2005
  • Laatst online: 01-10 22:00
Knowbody schreef op zondag 6 november 2022 @ 19:54:


Nog een ander vreemd fenomeen: tijdens verwarmen waarbij er wordt omgeschakeld naar een SWW run, vertikt de regeling het om de GM te bevriezen.

Doordat de BT25 toch een beetje oploopt (moet nog buisisolatie om !) tellen de graadminuten af. Ik vind dit vreemd, immers de regeling weet dat hij niet aan het verwarmen is, er loopt ook geen flow door de vloer.


Ik heb geen buffervat, gewoon 1 laadpomp en twee verdelers; eentje dichtbij en eentje op de etage.
De reden hiervoor is volgens mij dat de WP niet weet dat je geen buffer en secundaire pomp hebt.
Ik zelf ben bijvoorbeeld blij dat de regeling op deze mnaier werkt.

Tijdens een SSW run wordt bij mij een beetje warmte uit het buffervat gehaald, maar het totale verlies blijft doorlopen. Juist omdat de GM dan verder negatief worden wordt de compensatie correct uitgevoerd.

Eigenlijk zouden ze de regeling wat slimmer moeten maken dat er ingesteld kan worden of er wel of geen secundaire pomp is. Indien die er niet is kloppen de GM nooit tijdens een SSW run.

30x SF175 NW - STP6000 Live PVoutput Nibe F2120-16 warmtepomp


Acties:
  • 0 Henk 'm!

  • -jann
  • Registratie: Maart 2014
  • Laatst online: 02-10 13:48
-jann schreef op zondag 6 november 2022 @ 18:44:
Vandaag dan eindelijk mijn S2125-12 + SMO S40 in bedrijf genomen!

Helaas een foutje in het installatiewerk, tijdens het tapwater programma is er vermenging tussen retour tapwater en de retour CV vanuit GP10 waardoor het buffervat opwarmt met retourwater (net verkeerd om aangesloten maar kan redelijk eenvoudig worden opgelost). Momenteel zorg ik dat de zonekleppen allemaal dicht zijn. Tijdens het tapwater programma.

Ik heb een vraag over vorst, wellicht lees ik er overheen in de handleiding.

Als er geen warmtevraag is, dan stopt GP12. Hoe zorg je er nu voor dat het stukje leiding buiten van +- 1 meter niet bevriest als er geen flow is? Of start deze pomp als de temperatuur onder een bepaalde waarde daalt?

Alvast bedankt voor jullie terugkoppeling.
Eigenlijk zou willen ik dat GP10 stopt als er tapwater vraag is, dat scheelt een lastige leidingklus wat tevens esthetisch ook een minder mooi aanzicht gaat geven.

Ik kan dit eenvoudig oplossen door een relais te laten schakelen zodra de 3-wegklep open gaat. Over dit relais laat ik dan via N/C GP10 lopen.

Liever zou ik dit via de SMO kunnen schakelen, weet iemand of het mogelijk is op GP10 te laten stoppen tijdens het tapwater programma?

Acties:
  • 0 Henk 'm!

  • format5
  • Registratie: December 2005
  • Laatst online: 01-10 22:00
-jann schreef op maandag 7 november 2022 @ 09:36:
[...]


Eigenlijk zou willen ik dat GP10 stopt als er tapwater vraag is, dat scheelt een lastige leidingklus wat tevens esthetisch ook een minder mooi aanzicht gaat geven.

Ik kan dit eenvoudig oplossen door een relais te laten schakelen zodra de 3-wegklep open gaat. Over dit relais laat ik dan via N/C GP10 lopen.

Liever zou ik dit via de SMO kunnen schakelen, weet iemand of het mogelijk is op GP10 te laten stoppen tijdens het tapwater programma?
Maar waarom zou je dat willen?
Je warmteverlies blijft toch gewoon door gaan? juist door de circulatie in stand te houden blijft de berekening om de verliezen te compenseren kloppen. Als je de circulatie stopt, klot de berekening ook niet meer bij je verliezen, immers worden de GM dan niet meer correct bepaald.

Buiten dit, als je de GP10 uit wil hebben tijdens een SSW run vraag ik me af of de GP10 wel nodig is.
De GP12 voor de 3-weg klep is dan toch voldoende? Ja je buffervat indien je hebt moet hier correct voor aangesloten zijn. Maar als je GP10 uit wil tijdens een SSW run heb je deze denk ik helemaal niet nodig en kan GP12 alles afvangen.
PS, zonder GP10 en met alleen GP12 en een serie buffer was het bij mij in het begin. Dit is echter vrij snel aangepast naar met GP10 en een parallelbuffer (hydraulische scheiding).

30x SF175 NW - STP6000 Live PVoutput Nibe F2120-16 warmtepomp


Acties:
  • 0 Henk 'm!

  • -jann
  • Registratie: Maart 2014
  • Laatst online: 02-10 13:48
format5 schreef op maandag 7 november 2022 @ 10:17:
[...]

Maar waarom zou je dat willen?
Je warmteverlies blijft toch gewoon door gaan? juist door de circulatie in stand te houden blijft de berekening om de verliezen te compenseren kloppen. Als je de circulatie stopt, klot de berekening ook niet meer bij je verliezen, immers worden de GM dan niet meer correct bepaald.

Buiten dit, als je de GP10 uit wil hebben tijdens een SSW run vraag ik me af of de GP10 wel nodig is.
De GP12 voor de 3-weg klep is dan toch voldoende? Ja je buffervat indien je hebt moet hier correct voor aangesloten zijn. Maar als je GP10 uit wil tijdens een SSW run heb je deze denk ik helemaal niet nodig en kan GP12 alles afvangen.
PS, zonder GP10 en met alleen GP12 en een serie buffer was het bij mij in het begin. Dit is echter vrij snel aangepast naar met GP10 en een parallelbuffer (hydraulische scheiding).
Omdat er een installatiefout zit waardoor retour tapwater wordt vermengd met retour vanuit GP10. Hierdoor laad ik het buffervat indirect met retourwater vanuit tapwater.

En het installatiewerk is dermate compact, dat ik het probleem liever regeltechnisch oplos. Ik kan gedurende tapwaterbereiding prima gp10 stil zetten aangezien ik toch geen warmteaanvoer heb

Acties:
  • 0 Henk 'm!

  • format5
  • Registratie: December 2005
  • Laatst online: 01-10 22:00
-jann schreef op maandag 7 november 2022 @ 10:38:
[...]


Omdat er een installatiefout zit waardoor retour tapwater wordt vermengd met retour vanuit GP10. Hierdoor laad ik het buffervat indirect met retourwater vanuit tapwater.

En het installatiewerk is dermate compact, dat ik het probleem liever regeltechnisch oplos. Ik kan gedurende tapwaterbereiding prima gp10 stil zetten aangezien ik toch geen warmteaanvoer heb
Mijn voorkeur zou zijn de installatie correct te maken.

Indien dat niet kan om wat voor reden dan ook ben ik bang dat je het alleen icm een relais op kan lossen.
3-weg klep naar SSW = GP10 uit.
Voor zo ver ik weet kan dit (nog) niet in de software van nibe.

30x SF175 NW - STP6000 Live PVoutput Nibe F2120-16 warmtepomp


Acties:
  • 0 Henk 'm!

  • -jann
  • Registratie: Maart 2014
  • Laatst online: 02-10 13:48
format5 schreef op maandag 7 november 2022 @ 10:54:
[...]

Mijn voorkeur zou zijn de installatie correct te maken.

Indien dat niet kan om wat voor reden dan ook ben ik bang dat je het alleen icm een relais op kan lossen.
3-weg klep naar SSW = GP10 uit.
Voor zo ver ik weet kan dit (nog) niet in de software van nibe.
Dan wordt het een relais denk ik.
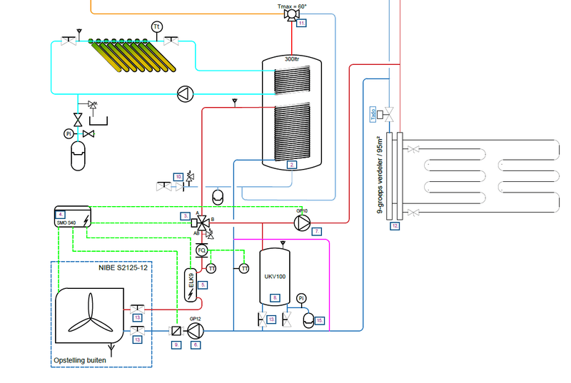
Ik heb mijn schema even toegevoegd, hij was wel goed getekend (blauw lijn retour tapwater), en hoe ik hem daadwerkelijk heb geïnstalleerd (paarse lijn voor het buffervat)

GP10 is in deze opstelling sowieso nodig. Afbeeldingslocatie: https://tweakers.net/i/S1aNa1qZ0jeRjXnZz0ZYKA7GA-Q=/800x/filters:strip_exif()/f/image/5WdXX5PwmRNyFbcItIZxGQVe.png?f=fotoalbum_large

Acties:
  • 0 Henk 'm!

  • Knowbody
  • Registratie: December 2016
  • Laatst online: 03-10 19:43
-jann schreef op maandag 7 november 2022 @ 09:36:
[...]


Eigenlijk zou willen ik dat GP10 stopt als er tapwater vraag is, dat scheelt een lastige leidingklus wat tevens esthetisch ook een minder mooi aanzicht gaat geven.

Ik kan dit eenvoudig oplossen door een relais te laten schakelen zodra de 3-wegklep open gaat. Over dit relais laat ik dan via N/C GP10 lopen.

Liever zou ik dit via de SMO kunnen schakelen, weet iemand of het mogelijk is op GP10 te laten stoppen tijdens het tapwater programma?
Bij de SMO S40 is het relais K2 die GP10 schakelt, maar die lijkt niet programmeerbaar. Jammer.

0599 BJ 2022, Nibe Split 12 kW, SMO S40. Getuned naar 56 Hz max, 20 lpm debiet verwarming en koeling, stille mode altijd aan.Hier verdwijnt de legionella aangroei dagelijks in het riool. 9000 Wp plat dak 10xNO, 10xZW, 5xZO


Acties:
  • 0 Henk 'm!

  • Ludovic_
  • Registratie: Mei 2020
  • Laatst online: 19-12-2024
Bij mijn Nibe F2120 wordt de VVW ingeschakeld en gemoduleerd puur op basis van de buitentemperatuur (BT1). Sinds kort zie ik op de SMO40 echter dat de temperatuur fout is, nl. zo'n 10°C warmer dan het werkelijk is. Waardoor de VVW natuurlijk niet correct kan functioneren :)

Ik kwam een post tegen (http://www.threeorbs.co.uk/?p=239) die aangeeft dat de sensor snel kapot kan gaan. Ben dus even gaan controleren, er was een hoop vuil op de sensor (spinrag, etc.), maar na kuisen met contact cleaner en de contacten te checken op oxidatie werkt de sensor helaas niet beter. Verder zie ik niet direct iets mis:
Afbeeldingslocatie: https://tweakers.net/i/OGlnPQrUFs458GVMjdota0gWVOQ=/800x/filters:strip_icc():strip_exif()/f/image/XV1b1G657Hla4PbIfOukGIDV.jpg?f=fotoalbum_large

De hele "buitensensor" vervangen kost zo'n €70, voor een plastiek doosje + een wago + die sensor... Zou dus liever een tiental van die sensors kopen, gezien die waarschijnlijk nog vaak zullen breken.

Weet iemand waar ik zo'n sensors zou kunnen bestellen? Lijkt mij een heel goedkoop onderdeel, alleen heb ik geen idee hoe deze te vinden. (Threeorbs heb ik gemaild om ze te bestellen, maar krijg geen antwoord.)

Acties:
  • +3 Henk 'm!

  • DIY
  • Registratie: September 2022
  • Laatst online: 03-10 08:45

DIY

Het is een ntc en uitgaande van de tabel in de smo handleiding gaat het om een 10kΩ NTC met dezelfde karakteristiek als Tho-A.

Met wat googlen vind je ze voor minder dan een euro 😎

TDK B57164K103J NTC-thermistor K164 10 kΩ

Afbeeldingslocatie: https://tweakers.net/i/lxJ3bwJLe9fBxWfI7z8ew8N6y8U=/x800/filters:strip_icc():strip_exif()/f/image/SNw1e7HMfsTWdfFC33xaRfuE.jpg?f=fotoalbum_large

[ Voor 19% gewijzigd door DIY op 07-11-2022 22:17 ]


Acties:
  • +1 Henk 'm!

  • format5
  • Registratie: December 2005
  • Laatst online: 01-10 22:00
Aan de hand van die tabel kom ik uit op een 10K NTC met een beta van 3900
Voor zo ver ik weet bestaan die niet, wel 3892, maar misschien dat iemand anders op een andere NTC uit komt.

Om het verschil aan te geven
-10 -> 56,190
0 -> 32,697
10 -> 19,768
20 -> 12,368
30 -> 7,982
100 -> 0,718

30x SF175 NW - STP6000 Live PVoutput Nibe F2120-16 warmtepomp


Acties:
  • 0 Henk 'm!

  • -jann
  • Registratie: Maart 2014
  • Laatst online: 02-10 13:48
Weet iemand wat het nut is van het inplannen van warm water productie?
Ik heb deze gepland tussen 20:00 en 22:00, echter vanochtend ging het systeem warm water maken om 7:00.

Ik zou toch willen dat hij zich aan het schema houdt, mede door het feit dat ik een zonnecollector op de boiler heb zitten die ik overdag de kans wil geven het systeem te laten opwarmen.

Acties:
  • +2 Henk 'm!

  • mvrooij
  • Registratie: Januari 2009
  • Laatst online: 07:52
Aziraphale schreef op zondag 23 oktober 2022 @ 20:26:
[...]


You lucky bastard. ;) Wanneer had je ze besteld en via welke groothandel komen ze?
Nou vandaag is hij eindelijk geleverd, alles is binnen! 23 en 24 November zal hij volledig worden geïnstalleerd en dan kan het fine tunen beginnen. Dan draait hij toch nog voor de echte wintermaanden, erg blij mee moet ik zeggen!

Wat is de status bij jou?

WP: NIBE S2125-12 - SMO-S40 / PV: SolarEdge 7200WP / Zeekr 7x AWD Privilege / Home Assistant / Easee Home / Gardena Smart


Acties:
  • +1 Henk 'm!

  • Aziraphale
  • Registratie: September 2013
  • Laatst online: 23:38
mvrooij schreef op dinsdag 8 november 2022 @ 10:17:
[...]


Nou vandaag is hij eindelijk geleverd, alles is binnen! 23 en 24 November zal hij volledig worden geïnstalleerd en dan kan het fine tunen beginnen. Dan draait hij toch nog voor de echte wintermaanden, erg blij mee moet ik zeggen!

Wat is de status bij jou?
Goed om te horen!! Ik weet nog steeds niets... De 24e komt de installateur wel bij me om wat andere dingen alvast te doen, dus dan wou ik hem Nibe laten bellen, maar er gaat nu direct een appje heen.

3120WP Solax, 4825WP SolarEdge, Nibe S2125-8 met een VVMS320, 11,52 kWh Zendure 2400AC


Acties:
  • 0 Henk 'm!

  • format5
  • Registratie: December 2005
  • Laatst online: 01-10 22:00
-jann schreef op dinsdag 8 november 2022 @ 09:34:
Weet iemand wat het nut is van het inplannen van warm water productie?
Ik heb deze gepland tussen 20:00 en 22:00, echter vanochtend ging het systeem warm water maken om 7:00.

Ik zou toch willen dat hij zich aan het schema houdt, mede door het feit dat ik een zonnecollector op de boiler heb zitten die ik overdag de kans wil geven het systeem te laten opwarmen.
Je kan diverse zaken plannen.

Standaard is het bij nibe zo dat deze de hele dag het vat tussen de onder en boven waarde probeert te houden.
Dus soçhtends vat teveel afgekoeld is opwarmen.


Dit kan je op diverse manier beinvloeden.
Hoe ik het hier heb (wil zeker geen koude douche want dan slaap ik op de bank).
Heel de dag moet het vat opgewarmd worden zodra deze op 38 graden komt, en weer stoppen op 42 graden.
Iedere dag om 12 tot 14:00 komt de luxe stand. Daarbij mag het vat gaan opwarmen indien deze beneden 40 zit en dan verwarmen naar 46
En om de 14 dagen even legionella preventie, maar dat laat ik nu buiten beschouwing.

Op die manier is het vat nooit "leeg" en verwarmen je op een warmer deel van de dag met vaak ook nog zon.

30x SF175 NW - STP6000 Live PVoutput Nibe F2120-16 warmtepomp


Acties:
  • 0 Henk 'm!

  • Ludovic_
  • Registratie: Mei 2020
  • Laatst online: 19-12-2024
DIY schreef op maandag 7 november 2022 @ 21:54:
Het is een ntc en uitgaande van de tabel in de smo handleiding gaat het om een 10kΩ NTC met dezelfde karakteristiek als Tho-A.

Met wat googlen vind je ze voor minder dan een euro 😎

TDK B57164K103J NTC-thermistor K164 10 kΩ

[Afbeelding]
Super, bedankt!

Op Conrad bvb vind ik deze idd (https://www.conrad.be/nl/...10-k-1-stuk-s-500622.html voor moest iemand anders dit nodig hebben).

Ben ook best onder de indruk dat iemand dit zomaar weet :|

Acties:
  • 0 Henk 'm!

  • Ludovic_
  • Registratie: Mei 2020
  • Laatst online: 19-12-2024
format5 schreef op dinsdag 8 november 2022 @ 08:26:
Aan de hand van die tabel kom ik uit op een 10K NTC met een beta van 3900
Voor zo ver ik weet bestaan die niet, wel 3892, maar misschien dat iemand anders op een andere NTC uit komt.

Om het verschil aan te geven
-10 -> 56,190
0 -> 32,697
10 -> 19,768
20 -> 12,368
30 -> 7,982
100 -> 0,718
Ik heb geen idee wat een beta betekent in deze context...

Bedoel je dat die "TDK B57164K103J NTC-thermistor K164 10 kΩ" niet zou werken?

Indien de thermostaat er ~2°C naast zit is dat op zich geen probleem, zo'n buitenvoeler is toch nooit volledig accuraat.

Of verwacht je dat het verschil meer dan dat zou zijn?

Acties:
  • 0 Henk 'm!

  • format5
  • Registratie: December 2005
  • Laatst online: 01-10 22:00
Ludovic_ schreef op dinsdag 8 november 2022 @ 11:34:
[...]


Ik heb geen idee wat een beta betekent in deze context...

Bedoel je dat die "TDK B57164K103J NTC-thermistor K164 10 kΩ" niet zou werken?

Indien de thermostaat er ~2°C naast zit is dat op zich geen probleem, zo'n buitenvoeler is toch nooit volledig accuraat.

Of verwacht je dat het verschil meer dan dat zou zijn?
Dat het een NTC is zie je vrijwel meteen aan de tebel, hij reageert negatief dus een N ipv P
Hij is temp afhankelijk en ze werken met weerstanden dus dan kan het zo goed als alleen maar een NTC zijn.

De Beta bepaald wat de verandering van de weerstand adhv de temperatuur.
zie Wikipedia: NTC-weerstand

Die jij linkt heeft een beta van 4300
dan kom je voor een paar temperaturen op onderstaande uit
Om het verschil aan te geven (werkelijk temp -> R bij die temp (K) -> waarde volgens SMO
-10 -> 61,653 -> -12,X
0 -> 34,852 -> -2
10 -> 20,512 -> 8
20 -> 12,516 18,x
30 -> 7,891 -> 29,x
100 -> 0,624 -> 103,x

Ik heb even niet op decimalen doorgerekend
Dan zie je wel dat de afwijking rond het vriespunt redelijk is, precies waar de temp voor de sturing belangrijk wordt.
Ik zelf zou deze dan ook echt niet willen toepassen als vervanging.

30x SF175 NW - STP6000 Live PVoutput Nibe F2120-16 warmtepomp


Acties:
  • 0 Henk 'm!

  • Knowbody
  • Registratie: December 2016
  • Laatst online: 03-10 19:43
-jann schreef op dinsdag 8 november 2022 @ 09:34:
Weet iemand wat het nut is van het inplannen van warm water productie?
Ik heb deze gepland tussen 20:00 en 22:00, echter vanochtend ging het systeem warm water maken om 7:00.

Ik zou toch willen dat hij zich aan het schema houdt, mede door het feit dat ik een zonnecollector op de boiler heb zitten die ik overdag de kans wil geven het systeem te laten opwarmen.
Je moet expliciet blokken als je wilt dat op bepaalde momenten geen SWW run uitgevoerd mag worden.

Het gunstigste moment voor lucht water is tussen 1430 en 1700, dan is de temperatuur het hoogst. Programmeer daar bijvoorbeeld een "gemiddelde" run en de rest van de dag een "kleine" en blokkeer tussen 00.00 en 08.00u

Ik had eerst ook een run om 12:30u ivm afvlakken van de zonnestroom spanning maar dat heeft weinig zin. Zoveel stroom trekt de WP niet ten opzichte van het overschot!

0599 BJ 2022, Nibe Split 12 kW, SMO S40. Getuned naar 56 Hz max, 20 lpm debiet verwarming en koeling, stille mode altijd aan.Hier verdwijnt de legionella aangroei dagelijks in het riool. 9000 Wp plat dak 10xNO, 10xZW, 5xZO


Acties:
  • 0 Henk 'm!

  • -jann
  • Registratie: Maart 2014
  • Laatst online: 02-10 13:48
Knowbody schreef op dinsdag 8 november 2022 @ 11:49:
[...]

Je moet expliciet blokken als je wilt dat op bepaalde momenten geen SWW run uitgevoerd mag worden.

Het gunstigste moment voor lucht water is tussen 1430 en 1700, dan is de temperatuur het hoogst. Programmeer daar bijvoorbeeld een "gemiddelde" run en de rest van de dag een "kleine" en blokkeer tussen 00.00 en 08.00u

Ik had eerst ook een run om 12:30u ivm afvlakken van de zonnestroom spanning maar dat heeft weinig zin. Zoveel stroom trekt de WP niet ten opzichte van het overschot!
Dat heb ik gedaan in het programmeer menu, echter gaat hij toch zijn eigen gang.
wellicht komt dit omdat de boiler op +- 37 stond vanmorgen.

Acties:
  • 0 Henk 'm!

  • Knowbody
  • Registratie: December 2016
  • Laatst online: 03-10 19:43
-jann schreef op dinsdag 8 november 2022 @ 12:34:
[...]


Dat heb ik gedaan in het programmeer menu, echter gaat hij toch zijn eigen gang.
wellicht komt dit omdat de boiler op +- 37 stond vanmorgen.
Als je blokt gaat ie niet beginnen. Bij de SMO S40 is dat een programma maken, een naam geven bijv 'SWW uit' met als instelling warmwater UIT (opties heten: uit, klein, gemiddeld, groot) en dat programma in de planner zetten.

0599 BJ 2022, Nibe Split 12 kW, SMO S40. Getuned naar 56 Hz max, 20 lpm debiet verwarming en koeling, stille mode altijd aan.Hier verdwijnt de legionella aangroei dagelijks in het riool. 9000 Wp plat dak 10xNO, 10xZW, 5xZO


Acties:
  • +1 Henk 'm!

  • -jann
  • Registratie: Maart 2014
  • Laatst online: 02-10 13:48
Knowbody schreef op dinsdag 8 november 2022 @ 13:00:
[...]

Als je blokt gaat ie niet beginnen. Bij de SMO S40 is dat een programma maken, een naam geven bijv 'SWW uit' met als instelling warmwater UIT (opties heten: uit, klein, gemiddeld, groot) en dat programma in de planner zetten.
Ahh ik zie het! Thanks

Acties:
  • 0 Henk 'm!

  • Ludovic_
  • Registratie: Mei 2020
  • Laatst online: 19-12-2024
format5 schreef op dinsdag 8 november 2022 @ 11:46:
[...]

Dat het een NTC is zie je vrijwel meteen aan de tebel, hij reageert negatief dus een N ipv P
Hij is temp afhankelijk en ze werken met weerstanden dus dan kan het zo goed als alleen maar een NTC zijn.

De Beta bepaald wat de verandering van de weerstand adhv de temperatuur.
zie Wikipedia: NTC-weerstand

Die jij linkt heeft een beta van 4300
dan kom je voor een paar temperaturen op onderstaande uit
Om het verschil aan te geven (werkelijk temp -> R bij die temp (K) -> waarde volgens SMO
-10 -> 61,653 -> -12,X
0 -> 34,852 -> -2
10 -> 20,512 -> 8
20 -> 12,516 18,x
30 -> 7,891 -> 29,x
100 -> 0,624 -> 103,x

Ik heb even niet op decimalen doorgerekend
Dan zie je wel dat de afwijking rond het vriespunt redelijk is, precies waar de temp voor de sturing belangrijk wordt.
Ik zelf zou deze dan ook echt niet willen toepassen als vervanging.
Bedankt voor de uitleg! Helpt het helderder te maken.

Ik heb (met mijn beperkte kennis :)) gezocht naar een NTC met een beta van 3900, maar die vond ik idd niet in 25°=10KOhm.
Of eerder, degene die ik tegenkwam waren SMDs: Afbeeldingslocatie: https://tweakers.net/i/lpWXD7Qg6YVjVs1fS-UrUGqdyiM=/full-fit-in/4920x3264/filters:max_bytes(3145728):no_upscale():strip_icc():fill(white):strip_exif()/f/image/C6RqdtQhFFgqPSx9npbVlLyW.jpg?f=user_large

Een NTC met een beta van 3892 zou dan veel dichter in de buurt komen dan die TDK met een beta 4300 (ook al zou die ook niet spot on zijn). Van zo'n NTCs ben ik er een aantal tegengekomen, maar telkens niet leverbaar aan particuliers / naar België.

Weet jij misschien een plaats waar ik er zo'n kan bestellen?

Acties:
  • 0 Henk 'm!

  • DIY
  • Registratie: September 2022
  • Laatst online: 03-10 08:45

DIY

Thermistor, NTC, 10 kohm, NTCLG series, 3977 K

NTCLG100E2103JB


Volgens mij is dit hem!

https://nl.farnell.com/vi...c-10k-5-sod-27/dp/1164822

En

https://www.distrelec.nl/...tclg100e2103jb/p/30153878

Minimale bestel hoeveelheid 3.

[ Voor 63% gewijzigd door DIY op 08-11-2022 20:39 ]


Acties:
  • +1 Henk 'm!

  • Ludovic_
  • Registratie: Mei 2020
  • Laatst online: 19-12-2024
Super! Bedankt!

Farnell levert enkel aan bedrijven en distrelec enkel in Nederland, maar via sinuss.be / sinuss.nl valt deze wel te bestellen: https://sinuss.be/product...ntc-10k-5-sod-27-vishay-1

Ik ga er direct een 10-tal bestellen, en dan hopen dat mijn probleem aan de NTC ligt :)

Acties:
  • +1 Henk 'm!

  • Dane86
  • Registratie: Mei 2009
  • Laatst online: 24-03-2024
ReLight schreef op zondag 6 november 2022 @ 09:34:
[...]


Als de RMU gekoppeld is voor ruimte dan zie je een temperatuur bij het bijstellen/instellen Ongekoppeld zie je een verschuiving optie.

Nibe informeerde mij dat er nog eea niet goed was met de RMU s40 & ruimteregeling. Wat met een Sw update gefixt zou worden.
Draai hier dus ook enkel op de curve, maar hij draait nagenoeg continue..

Ben nog een beetje lost te begrijpen wanneer de wp nu uit zichzelf zou stoppen.

[Afbeelding]
Heb het nu een tijdje in Home Assistant bekeken en het lijkt wel alsof de Berekende Toevoer Verwarming hoger wordt op het moment dat de kamertemperatuur lager ligt dan het setpoint bij een gelijkblijvende buiten temperatuur. Als de binnentemperatuur boven de ingestelde temperatuur komt wordt die berekende temperatuur extra verlaagt.

Dit kan wel rare situaties opleveren als je snachts die ingestelde temperatuur tijdelijk verlaagt. Van de week ging de Berekende Temperatuur ineens naar 26 (bij 10 graden buiten), dat is 3-4 graden hoger dan de curve. Waarschijnlijk omdat het verschil tussen gemeten binnentemperatuur en setpoint snachts groot was geworden en het te lang duurde om dit weer omhoog te krijgen. Systeem leek toen redelijk in de war.

Acties:
  • 0 Henk 'm!

  • Knowbody
  • Registratie: December 2016
  • Laatst online: 03-10 19:43
Wat waren daarbij de graadminuten?

0599 BJ 2022, Nibe Split 12 kW, SMO S40. Getuned naar 56 Hz max, 20 lpm debiet verwarming en koeling, stille mode altijd aan.Hier verdwijnt de legionella aangroei dagelijks in het riool. 9000 Wp plat dak 10xNO, 10xZW, 5xZO


Acties:
  • +1 Henk 'm!

  • Dane86
  • Registratie: Mei 2009
  • Laatst online: 24-03-2024
Afbeeldingslocatie: https://tweakers.net/i/D8WFp7IHcxuQSCUmkLFRv5ZQXAM=/x800/filters:strip_icc():strip_exif()/f/image/V4RVXuY7CbDyxNCox4rBii8d.jpg?f=fotoalbum_large

Dit plaatje laat het wel goed zien, overigens geen nachtverlaging gedaan vannacht. Volgens mij zou normale Berekende Toevoer bij de huidige buitentemperatuur ongeveer 22 moeten zijn. Maar Rmu s40 registreert de hele nacht een te lage temperatuur. En de regeling gaat dan gedurende de nacht de temperatuur verhogen zodat de ruimte weer naar 21 gaat. Die is nu 20.8.

Conclusie kan dus ook zijn dat mijn stooklijn te laag staat, maar eigenlijk is dat raar want zo koud is het niet snachts.

Als ik nu de rmu s40 verander van 21 naar 20.5 dan zullen de graadminuten bij gaan trekken waarschijnlijk en zal BT lager worden.

Dit plaatje laat ook wel zien waarom de graadminuten zo sterk dalen want de compressor blijft heel lang doordraaien op 25hz:

Afbeeldingslocatie: https://tweakers.net/i/kImsBwzTP4l3cHTDTMrmdwl6dgk=/x800/filters:strip_icc():strip_exif()/f/image/2bXLnSOwRLUAa1UtSWBjjBeP.jpg?f=fotoalbum_large

[ Voor 28% gewijzigd door Dane86 op 09-11-2022 08:29 ]


Acties:
  • +2 Henk 'm!

  • Knowbody
  • Registratie: December 2016
  • Laatst online: 03-10 19:43
Als je nog zoekende bent naar de juiste instellingen zou ik invloed van RMU achterwege laten, zodat je het effect van een gekozen stooklijn, minimale pompsnelheid en dergelijke kunt bepalen.

Nachtverlaging is ook zoiets. Een graad op de stooklijn kan al teveel zijn waardoor je overdag een inhaalslag moet maken waarbij de defrost zone bereikt wordt die zonder nachtverlaging niet zou worden bereikt, of minder vaak. Dat soort zaken spelen allemaal een rol.

Wordt er tussendoor een warmwater vat verwarmd gaat dat ook weer effect hebben op de GM.

Belangrijk ook is dat de sensoren op de leidingen, als je een setup hebt uit samengestelde componenten, op de juiste fysieke plaatsen gemonteerd zijn, afgeschermd en geïsoleerd. Allemaal voor een zuiverder berekening van de GM!

Als die graadminuten verder in het negatief komen zal de Ta op een moment een hogere waarde dan de stooklijn (sowieso een hogere waarde, anders geraakt de GM nooit op 0) moeten krijgen om de GM weer weg te werken naar 0.

Voor mijzelf is dit ook het eerste seizoen met de Nibe, en ben ik ook onderzoekende en ervarende hoe het werkt, hoe het ding denkt etc. Leuk! Dit stookseizoen wordt de 7e waarbij ik ervaring opdoe met het fenomeen warmtepomp, dat scheelt. En ik lees me suf in de manuals etc.

Het mooie aan Nibe vind ik de regeling. Eigenlijk maakt het niet uit als je een te zware warmtepomp hebt, dankzij de regeling met graadminuten. Een Nibe regeling lijkt duidelijk gemaakt voor het bereiken van een zo hoog mogelijk rendement. Continue pruttelen op de laagste waarde is niet het efficiëntst. De regeling heeft liever een dT van 2 bij de laagste mogelijke compressor stroom (bij mij 1,0A) dan een dT van 1 bij dezelfde stroom. Het levert dan immers het dubbele warmtevermogen (bij gelijke pompsnelheid)

0599 BJ 2022, Nibe Split 12 kW, SMO S40. Getuned naar 56 Hz max, 20 lpm debiet verwarming en koeling, stille mode altijd aan.Hier verdwijnt de legionella aangroei dagelijks in het riool. 9000 Wp plat dak 10xNO, 10xZW, 5xZO

Pagina: 1 ... 8 ... 95 Laatste