F2040-6 | SMO-S40 | Hygiene boiler 200 L | Alleen radiatoren | HoekHuis BJ 1952 | Buffervat 25 L | Wilo Yonos PICO circulatiepomp | NIBE RTS 40
vlgs mij telt de f2040-6 zijn ontdooisyclus ook mee als start/stop en dat doet de s2125 niet omdat deze blijft draaien als de 4-weg klep wordt omgezet.warsame schreef op maandag 5 januari 2026 @ 10:38:
Sinds 5 december heb ik 316 compressor start/stops gehad. Dat lijkt mij nogal hoog. Hoe zit dat bij jullie?[Afbeelding]
Biobased insulation @ rd=5,5 - 23 kWp PV - 30kWh ESS - Huawei Charger - Nibe S2125-12 (mijn 11e WP @home) - 36 HP icm 300 ltr ZB- Zehnder Q450 ERV - Ochsner mini IWP - 7x MHI L/L Wp - Skoda Enyaq 85 kWh - Snoek stofzuigsysteem - gasloos 2017
Ah zo, dat zou het kunnen verklaren, want in december hebben wij allemaal meer defrosts gehad dan de maand ervoor.zwollie schreef op maandag 5 januari 2026 @ 12:06:
[...]
vlgs mij telt de f2040-6 zijn ontdooisyclus ook mee als start/stop en dat doet de s2125 niet omdat deze blijft draaien als de 4-weg klep wordt omgezet.
F2040-6 | SMO-S40 | Hygiene boiler 200 L | Alleen radiatoren | HoekHuis BJ 1952 | Buffervat 25 L | Wilo Yonos PICO circulatiepomp | NIBE RTS 40
Volgens mij zijn er meerdere aanpakken;
- Home Assistant: PV overschot -> thermostaat verhogen en de Nibe regelt het maar,
- Home Assistant: PV overschot -> water aanvoer verhogen (modbus vereist),
- Meer native -> Nibe EME 20. Communicatie tussen PV en WP.
- Zijn er nog meer manieren om dit te doen?
"Improvement. It is the goal of life search" - Carl "Reaper" Shepards
@warsame , denk dat ik het niet goed gezegd heb, de F2120 met SMO40 schakelt niet uit tijdens een defrost, die telt dan niet mee als compressor start. Mijn defrost aantal schommelt rond de 9 per dag laatste dagen, kijk even naar de scherpe pieken in de BT16 grafiek, heb nog geen goede andere manier gevonden ( geen prio voor mij ).
:strip_exif()/f/image/Ib9leZ4ManCACgTw1BlXwGgd.jpg?f=fotoalbum_large)
Die 9 + 5 komen in de buurt van jouw compressor starts ..
NIBE SMO40 F2120-20, SE 9000 Wp, Victron 9,2 kWh
Top. Dank je wel voor de extra toevoegingMarcKeulers schreef op maandag 5 januari 2026 @ 12:52:
[...]
@warsame , denk dat ik het niet goed gezegd heb, de F2120 met SMO40 schakelt niet uit tijdens een defrost, die telt dan niet mee als compressor start. Mijn defrost aantal schommelt rond de 9 per dag laatste dagen, kijk even naar de scherpe pieken in de BT16 grafiek, heb nog geen goede andere manier gevonden ( geen prio voor mij ).
[Afbeelding]
Die 9 komen in de buurt van jouw compressor starts ..
F2040-6 | SMO-S40 | Hygiene boiler 200 L | Alleen radiatoren | HoekHuis BJ 1952 | Buffervat 25 L | Wilo Yonos PICO circulatiepomp | NIBE RTS 40
@Reaper.JA2 , de warmtepomp reageert heel traag en je PV panelen kunnen door de bewolking snel van overschot naar te weinig gaan … de methoden hierboven nemen dan een gemiddeld overschot en zetten dat om in warmte … geen garantie dat er geen teruglevering is of geen netstroom gebruikt wordt. Als dat ok is voor je, is er nog de mogelijkheid de graadminuten vast te zetten zolang de zon schijnt, op -60 of -180 voor de tijd dat de zon overvloed geeft … nodig: nibeuplink + node-red bv, wellicht ook mogelijk met HA, maar daar werk ik niet mee … met een buffer zorg je voor een warmtebuffer of je buffert de warmte in de vloer …Reaper.JA2 schreef op maandag 5 januari 2026 @ 12:36:
Is er hier een consensus over de beste aanpak om PV overschot in de vloerverwarming te gieten? Het warme water wordt al gestuurd, maart wil nog een stapje verder gaan door de vloer ook mee te nemen. Het gaat om een VVM320.
Volgens mij zijn er meerdere aanpakken;
- Home Assistant: PV overschot -> thermostaat verhogen en de Nibe regelt het maar,
- Home Assistant: PV overschot -> water aanvoer verhogen (modbus vereist),
- Meer native -> Nibe EME 20. Communicatie tussen PV en WP.
- Zijn er nog meer manieren om dit te doen?
Twee andere methoden zijn 1) thuisbatterij om de zonne-energie te slaan en dan dmv temp verhoging te gebruiken voor de verwarming. 2) een elektrisch element in de verwarmings cyclus opnemen (kan een ELK zijn) en deze aan te sturen met het overschot van elektrische energie bv My-PV ACThor (Ac Thor is een 0 - 3 kW lineair geregelde fotovoltaïsche vermogensmanager voor warm water, elektrische warmtebronnen en optionele ruimteverwarming, kan ook 0-9 kWh).
Hoop dat helpt, weet niet of er een consensus methode kan bestaan daar er veel afhangt van het systeem dat je hebt en ieder een andere kijk heeft …
NIBE SMO40 F2120-20, SE 9000 Wp, Victron 9,2 kWh
[ Voor 8% gewijzigd door thijsbov op 05-01-2026 13:11 ]
Hier van Maandag tot Maandag 150 Start stops = 21,4 per dagthijsbov schreef op maandag 5 januari 2026 @ 13:11:
Zit hier de afgelopen week rond de 20 compressorstarts per dag. 16 graden binnen (wonen er nog niet) en gebruik SRC. Is dit te hoog of kan het ermee door? Heb een F2050-10 met SMO S40
F2040-6 | SMO-S40 | Hygiene boiler 200 L | Alleen radiatoren | HoekHuis BJ 1952 | Buffervat 25 L | Wilo Yonos PICO circulatiepomp | NIBE RTS 40
Hier heeft de F2050-6 vanaf 4 december tot en met vandaag 301 compressor starts gemaakt. Deze waarde wordt aangegeven vanuit de app. Dus dat komt nagenoeg geheel overeen.warsame schreef op maandag 5 januari 2026 @ 10:38:
Sinds 5 december heb ik 316 compressor start/stops gehad. Dat lijkt mij nogal hoog. Hoe zit dat bij jullie?[Afbeelding]
Per dag gemiddeld 12 defrosts van plm.5min
Temp in huis id nacht 19.5, overdag 20-20.5 gr, avond 20.5-21 gr, vinden wij comfortabel
:strip_exif()/f/image/ScFl8mXq1eL7LGHEfs2K7xrZ.jpg?f=fotoalbum_large)
Sfeerplaatje
Vandaag voor het eerst sinds een jaar ELK bijgesprongen bij grm -560 gedurende 25min stap 1 van 3mogelijk
[ Voor 105% gewijzigd door AnJaJoRe op 05-01-2026 15:28 ]
F2120-16 SMO-S40 ELK9 RMU-S40 boiler RSV300X buffer-serieel UKV100 Alleen Radiatoren (8 beg.grond,5 op etage) PV9200Wp Oppervlak 2x100m2 600m3 Vrijstaand bouwjaar 1992 sinds 2023 gasloos Energielabel A++
zo, die bt16 schiet aardig ver door bij jouMarcKeulers schreef op maandag 5 januari 2026 @ 12:52:
[...]
@warsame , denk dat ik het niet goed gezegd heb, de F2120 met SMO40 schakelt niet uit tijdens een defrost, die telt dan niet mee als compressor start. Mijn defrost aantal schommelt rond de 9 per dag laatste dagen, kijk even naar de scherpe pieken in de BT16 grafiek, heb nog geen goede andere manier gevonden ( geen prio voor mij ).
[Afbeelding]
Die 9 + 5 komen in de buurt van jouw compressor starts ..
Biobased insulation @ rd=5,5 - 23 kWp PV - 30kWh ESS - Huawei Charger - Nibe S2125-12 (mijn 11e WP @home) - 36 HP icm 300 ltr ZB- Zehnder Q450 ERV - Ochsner mini IWP - 7x MHI L/L Wp - Skoda Enyaq 85 kWh - Snoek stofzuigsysteem - gasloos 2017
@zwollie , of hij doorschiet weet ik niet, ik log met 5 minuten interval, dus zou een defrost eens wat vaker moeten loggen, maar daar ik totaal geen problemen heb met de defrost … hierbij mijn F2120 plaatje … de temperaturen …zwollie schreef op maandag 5 januari 2026 @ 14:04:
[...]
zo, die bt16 schiet aardig ver door bij jou
:strip_exif()/f/image/59AkSCdbkfJokZf2gqSk4ITN.jpg?f=fotoalbum_large)
Plaatje van vandaag …
NIBE SMO40 F2120-20, SE 9000 Wp, Victron 9,2 kWh
In HomeWizard afgelezen produceerde ik in 2025 plm.7400Kwh gebruikte bruto plm.9200Kwh, 2000Kwh werd gewoon thuisgebruikt, door saldering (nog vast contract tot eind dit jaar met géén terugleverkosten) dus 7200 van het net minus 5400 teruglevering, netto plm.1800Kwh verbruik, plm.€ 600 totaal
Nu mijn vraag… jij hebt een (bijna) 10 Kwh thuisaccu, kun je iets zeggen over de efficiëntie in het verbruik?
Daarben ik natuurlijk wat nieuwsgierig naar in de voorbereiding naar de beeindiging van de saldering.
Ruwweg geschat zouden mijn kosten in de huidige situatie verdrie-of-vier-voudigen (overigens altijd nog goedkoper dan voorheen met gas 🤓)
F2120-16 SMO-S40 ELK9 RMU-S40 boiler RSV300X buffer-serieel UKV100 Alleen Radiatoren (8 beg.grond,5 op etage) PV9200Wp Oppervlak 2x100m2 600m3 Vrijstaand bouwjaar 1992 sinds 2023 gasloos Energielabel A++
Prachtig plaatje. Zie ik het goed dat jouw warmtepomp in de voortuin staat, of kijk ik verkeerd? Ik had dat vroeger ook overwogen, maar bij mij was de afstand naar zolder te groot.AnJaJoRe schreef op maandag 5 januari 2026 @ 13:48:
Bij mij sinds 1 december 270 starts, sinds 1 januari 0.00u 20 starts
Per dag gemiddeld 12 defrosts van plm.5min
Temp in huis id nacht 19.5, overdag 20-20.5 gr, avond 20.5-21 gr, vinden wij comfortabel
[Afbeelding]
Sfeerplaatje
Vandaag voor het eerst sinds een jaar ELK bijgesprongen bij grm -560 gedurende 25min stap 1 van 3mogelijk
F2040-6 | SMO-S40 | Hygiene boiler 200 L | Alleen radiatoren | HoekHuis BJ 1952 | Buffervat 25 L | Wilo Yonos PICO circulatiepomp | NIBE RTS 40
Zijkant van het huis, staat aan de zuidkant, leidingen onder het huis zo het gemakkelijkst naar 1e etage waar de voormalige gasketel zat en daar aangesloten op de radiatoren-circulatie, plm.11mtr leiding door kruipruimte en dan omhoogwarsame schreef op maandag 5 januari 2026 @ 17:31:
[...]
Prachtig plaatje. Zie ik het goed dat jouw warmtepomp in de voortuin staat, of kijk ik verkeerd? Ik had dat vroeger ook overwogen, maar bij mij was de afstand naar zolder te groot.
[ Voor 24% gewijzigd door AnJaJoRe op 05-01-2026 18:18 ]
F2120-16 SMO-S40 ELK9 RMU-S40 boiler RSV300X buffer-serieel UKV100 Alleen Radiatoren (8 beg.grond,5 op etage) PV9200Wp Oppervlak 2x100m2 600m3 Vrijstaand bouwjaar 1992 sinds 2023 gasloos Energielabel A++
@AnJaJoRe , ik stuur je een privé bericht om de rest van de tweakers niet te vermoeien met grafieken en tabellen ;-) … ok?AnJaJoRe schreef op maandag 5 januari 2026 @ 16:33:
@MarcKeulers … jouw WP en de mijne zijn enigszins overeenkomend, daarnaast soortgelijk Zonnepanelen
In HomeWizard afgelezen produceerde ik in 2025 plm.7400Kwh gebruikte bruto plm.9200Kwh, 2000Kwh werd gewoon thuisgebruikt, door saldering (nog vast contract tot eind dit jaar met géén terugleverkosten) dus 7200 van het net minus 5400 teruglevering, netto plm.1800Kwh verbruik, plm.€ 600 totaal
Nu mijn vraag… jij hebt een (bijna) 10 Kwh thuisaccu, kun je iets zeggen over de efficiëntie in het verbruik?
Daarben ik natuurlijk wat nieuwsgierig naar in de voorbereiding naar de beeindiging van de saldering.
Ruwweg geschat zouden mijn kosten in de huidige situatie verdrie-of-vier-voudigen (overigens altijd nog goedkoper dan voorheen met gas 🤓)
NIBE SMO40 F2120-20, SE 9000 Wp, Victron 9,2 kWh
Lijkt op een kleine fix, omdat oude update 4.7.5 was. Andere keren veranderen ze ook van 2de cijfer. Hopelijk een fix voor de SWW gebruikers waarbij het fout gaat.
[ Voor 153% gewijzigd door MvRtje op 05-01-2026 20:29 ]
WP: NIBE S2125-12 - SMO-S40 / PV: SolarEdge 7200WP / SigenStor 17kW + 36kWh / Zeekr 7x AWD Privilege / Home Assistant / 2x Easee EV / Gardena Smart / Navimow H3000E-VF / Dreame X40 Ultra
Bij ons staat de warmtepomp achter de slaapkamer (achter de dakplaten), daarnaast zit een raam. De ventilator, als die op maximale stand staat, bromt erg hard. In de SMO is een ventilatorsnelheid te zien, bij stap 6 gaat het erg hard en veel lawaai, weet iemand of zoiets te programmeren / regelen is?
Waar zie je dat er een update is? My Uplink laat hier nog niets zien.MvRtje schreef op maandag 5 januari 2026 @ 20:24:
Firmware 4.7.6 is uit. Krijg de release notes nog niet gevonden.
Lijkt op een kleine fix, omdat oude update 4.7.5 was. Andere keren veranderen ze ook van 2de cijfer. Hopelijk een fix voor de SWW gebruikers waarbij het fout gaat.
Interessant, kan ook geen release notes vinden.MvRtje schreef op maandag 5 januari 2026 @ 20:24:
Firmware 4.7.6 is uit. Krijg de release notes nog niet gevonden.
Lijkt op een kleine fix, omdat oude update 4.7.5 was. Andere keren veranderen ze ook van 2de cijfer. Hopelijk een fix voor de SWW gebruikers waarbij het fout gaat.
Doel je op de 'bug' dat de defrost over het SWW gaat?
Ja dit zag ik hier veel voorbij komen toch?thijsbov schreef op maandag 5 januari 2026 @ 20:45:
[...]
Interessant, kan ook geen release notes vinden.
Doel je op de 'bug' dat de defrost over het SWW gaat?
Ik zelf heb geen sww via mijn s2125-12 dus heb verder ook geen problemen maar dacht meer voor de andere hier!
WP: NIBE S2125-12 - SMO-S40 / PV: SolarEdge 7200WP / SigenStor 17kW + 36kWh / Zeekr 7x AWD Privilege / Home Assistant / 2x Easee EV / Gardena Smart / Navimow H3000E-VF / Dreame X40 Ultra
Ik krijg dan een mail plus via je laptop zie je op MyUplink die versie om los te downloaden. Nog niet beschikbaar als automatische update. Enkel dus mogelijk met usb stick.ik222 schreef op maandag 5 januari 2026 @ 20:34:
[...]
Waar zie je dat er een update is? My Uplink laat hier nog niets zien.
WP: NIBE S2125-12 - SMO-S40 / PV: SolarEdge 7200WP / SigenStor 17kW + 36kWh / Zeekr 7x AWD Privilege / Home Assistant / 2x Easee EV / Gardena Smart / Navimow H3000E-VF / Dreame X40 Ultra
Aangezien we nog niet in het nieuwe huis wonen, heb ik tot begin december de binnentemperatuur niet veel hoger dan 17 à 18 graden laten worden. Sinds een paar weken probeer ik de binnentemperatuur richting de 22 graden te krijgen. Ik heb hiervoor de stooklijn op 5+3 gezet om een hogere aanvoertemperatuur te bewerkstelligen.
Het verhogen van de binnentemperatuur van 18 naar 22 graden heeft ongeveer 3 dagen geduurd. Het is hierin wel belangrijk om te melden dat de betonvloer van de begane grond waarin de slangen van de vloerverwarming liggen ongeveer 30 cm dik is. Deze 'warmtebuffer' verklaart dus het zeer trage opstookgedrag. Hoewel de retourtemperatuur (sensor BT71) in dit tijdsbestek ook met een paar graden is toegenomen, blijft deze ver (!) onder de aanvoertemperatuur (BT25) (zie grafiek van de afgelopen 24 uur).
/f/image/CB3An94NWc9r9eXMrCSM7yDv.png?f=fotoalbum_large)
/f/image/G4vCQCdP02lolI4MOnryYUJc.png?f=fotoalbum_large)
/f/image/NlmlAxXOsfhCaCqwbkihrSQA.png?f=fotoalbum_large)
En het bijbehorende elektrische verbruik:
/f/image/onrRbLDrwL9PaS7hEc0gfo1h.png?f=fotoalbum_large)
Het achterblijven van de retourtemperatuur is in mijn ogen een indicatie dat er dus (ergens) een relatief grote warmteafgifte blijft plaatsvinden. De retourtemperaturen van de individuele groepen laten (gevoelsmatig, niet gemeten) echter geen noemenswaardig verschil zien. Hoewel langzaam, blijft de retourtemperatuur echter nog steeds stijgen wat betekent dat het huis toch langzaamaan op temperatuur begint te komen.
Maar wat ik eigenlijk het meest opmerkelijk vind is dat de aanvoertemperatuur (gemeten door sensor BT25) over de gehele linie ver boven de (al redelijk hoge) gewenste aanvoertemperatuur S1 blijft. Ik begrijp dat de Nibe regeling hiermee probeert de graadminuten 'weg te werken' maar ik begrijp niet dat dit met zoveel 'geweld' (>80Hz) gebeurt. Het gevolg is dus een zeer hoge aanvoertemperatuur (>45 graden) waardoor de graadminuten snel teruglopen tot 0. Belangrijk om te melden is dat de circulatiepomp GP12 hierbij vrijwel continue op 100% wordt aangestuurd! Op het moment dat de compressor stopt, lopen de graadminuten weer snel af waardoor het riedeltje weer van voor af aan begint. Een negatief gevolg is ook dat de warmtepomp vaker dan nodig moet ontdooien.
Mijn eerste vermoeden was dat het moment waarop ik van 18 naar 22 graden ben gegaan door het ophogen van de stooklijn ongunstig gekozen is. Om de 'achterstand' in te halen moet het systeem natuurlijk extra hard werken, zeker bij dit soort condities (koud, sneeuw, hoge luchtvochtigheid). Echter zou ik verwachten dat dit na een week hard werken wel weer glad getrokken zou moeten zijn.
Ik zou natuurlijk de stooklijn weer wat terug kunnen zetten om hiermee de aanvoertemperatuur te drukken maar ik wil eerst begrijpen waarom de compressor zover boven de gevraagde temperatuur blijft stoken. Ik heb het idee dat ik ergens een instelling over het hoofd zie of een ander belangrijk begrip mis. Ik hoop dat jullie hier in mee kunnen denken en een logische verklaring van bovenstaande gedrag kunnen geven, waaronder dus ook de zeer hoog blijvende dT. Is mijn warmtepomp onderbemeten? Is mijn pomp onderbemeten? Of kan er iets anders aan de hand zijn? Ik wil mijn installateur dezelfde vragen gaan stellen maar ik wil graag eerst van jullie kennis en expertise gebruik maken
Hieronder een overzicht om een compleet beeld van de situatie te krijgen:
- Nibe F2040-12 monoblock lucht/water full-electric
- SMO40 aansturing
- 100 liter buffervat in serie (in retour)
- 3 open verdelers met in totaal 28 groepen van +/- 80 m¹
- -> begane grond: 12 groepen (volledig geopend)
- -> garage: 7 groepen (allen gesloten)
- ->1e verdieping: 9 groepen (volledig geopend)
- totaal verwarmd vloeroppervlak: +/- 200 m², +/- 650 m³
- boilervat Nibe BA-ST 9050-2FE (niet van belang in deze casus, SWW uitgeschakeld)
- volledig WAR-gestuurd
- graadminuten instelling:
- -> compressor aan: -300 GM
- -> bijverwarming aan: 400 GM
Stooklijn staat op 5, met verschuiving van +1.
Op een of andere manier gaat de retourtemperatuur nooit boven de 26 graden, daar waar mijn aanvoer (op basis van stooklijn) wel regelmatig toeneemt. Als aanvoer op 35 staat, zou ik toch verwachten dat retour toch enigzins richting 28-29 gaat, niet? Graadminuten blijven ook steeds zéér negatief. Iemand raad?
:strip_exif()/f/image/r0C1krREuVRhcmlQ6St6VoUM.jpg?f=fotoalbum_large)
:strip_exif()/f/image/GuzRH5Dv22BnVgG2WiOIrcA6.jpg?f=fotoalbum_large)
:strip_exif()/f/image/dBeFPu8Y0lomGPVVDYjVi7j2.jpg?f=fotoalbum_large)
EDIT: ik zie parallelen met de voorgaande post van J.oost
@J.oost , wat ik begrijp is dat je de compressor pas aanzet bij -300 graadminuten ? Dan kunnen je graadminuten nog 100 zakken voordat je max gaat draaien, wat je unit ook doet (wat betreft het energieverbruik). Als je het begin van de compressor eens op -60 zet en kijkt hoe je systeem reageert ? Waarschijnlijk begint de compressor dan wat kalmer …J.oost schreef op maandag 5 januari 2026 @ 20:54:
Sinds 2 jaar ben ik in bezit van een Nibe F2040-12 lucht/water warmtepomp aangestuurd door SMO40 regelunit. Doordat de afgelopen jaren de prioriteit vooral heeft gelegen bij de afbouw van mijn woning, heb ik pas sinds kort de tijd gevonden om me wat meer te gaan verdiepen in de werking van mijn warmtepomp installatie.
Aangezien we nog niet in het nieuwe huis wonen, heb ik tot begin december de binnentemperatuur niet veel hoger dan 17 à 18 graden laten worden. Sinds een paar weken probeer ik de binnentemperatuur richting de 22 graden te krijgen. Ik heb hiervoor de stooklijn op 5+3 gezet om een hogere aanvoertemperatuur te bewerkstelligen.
Het verhogen van de binnentemperatuur van 18 naar 22 graden heeft ongeveer 3 dagen geduurd. Het is hierin wel belangrijk om te melden dat de betonvloer van de begane grond waarin de slangen van de vloerverwarming liggen ongeveer 30 cm dik is. Deze 'warmtebuffer' verklaart dus het zeer trage opstookgedrag. Hoewel de retourtemperatuur (sensor BT71) in dit tijdsbestek ook met een paar graden is toegenomen, blijft deze ver (!) onder de aanvoertemperatuur (BT25) (zie grafiek van de afgelopen 24 uur).
[Afbeelding]
[Afbeelding]
[Afbeelding]
En het bijbehorende elektrische verbruik:
[Afbeelding]
Het achterblijven van de retourtemperatuur is in mijn ogen een indicatie dat er dus (ergens) een relatief grote warmteafgifte blijft plaatsvinden. De retourtemperaturen van de individuele groepen laten (gevoelsmatig, niet gemeten) echter geen noemenswaardig verschil zien. Hoewel langzaam, blijft de retourtemperatuur echter nog steeds stijgen wat betekent dat het huis toch langzaamaan op temperatuur begint te komen.
Maar wat ik eigenlijk het meest opmerkelijk vind is dat de aanvoertemperatuur (gemeten door sensor BT25) over de gehele linie ver boven de (al redelijk hoge) gewenste aanvoertemperatuur S1 blijft. Ik begrijp dat de Nibe regeling hiermee probeert de graadminuten 'weg te werken' maar ik begrijp niet dat dit met zoveel 'geweld' (>80Hz) gebeurt. Het gevolg is dus een zeer hoge aanvoertemperatuur (>45 graden) waardoor de graadminuten snel teruglopen tot 0. Belangrijk om te melden is dat de circulatiepomp GP12 hierbij vrijwel continue op 100% wordt aangestuurd! Op het moment dat de compressor stopt, lopen de graadminuten weer snel af waardoor het riedeltje weer van voor af aan begint. Een negatief gevolg is ook dat de warmtepomp vaker dan nodig moet ontdooien.
Mijn eerste vermoeden was dat het moment waarop ik van 18 naar 22 graden ben gegaan door het ophogen van de stooklijn ongunstig gekozen is. Om de 'achterstand' in te halen moet het systeem natuurlijk extra hard werken, zeker bij dit soort condities (koud, sneeuw, hoge luchtvochtigheid). Echter zou ik verwachten dat dit na een week hard werken wel weer glad getrokken zou moeten zijn.
Ik zou natuurlijk de stooklijn weer wat terug kunnen zetten om hiermee de aanvoertemperatuur te drukken maar ik wil eerst begrijpen waarom de compressor zover boven de gevraagde temperatuur blijft stoken. Ik heb het idee dat ik ergens een instelling over het hoofd zie of een ander belangrijk begrip mis. Ik hoop dat jullie hier in mee kunnen denken en een logische verklaring van bovenstaande gedrag kunnen geven, waaronder dus ook de zeer hoog blijvende dT. Is mijn warmtepomp onderbemeten? Is mijn pomp onderbemeten? Of kan er iets anders aan de hand zijn? Ik wil mijn installateur dezelfde vragen gaan stellen maar ik wil graag eerst van jullie kennis en expertise gebruik maken![]()
Hieronder een overzicht om een compleet beeld van de situatie te krijgen:Mocht er informatie ontbreken om een oordeel te kunnen geven dan hoor ik dat ook graag.
- Nibe F2040-12 monoblock lucht/water full-electric
- SMO40 aansturing
- 100 liter buffervat in serie (in retour)
- 3 open verdelers met in totaal 28 groepen van +/- 80 m¹
- -> begane grond: 12 groepen (volledig geopend)
- -> garage: 7 groepen (allen gesloten)
- ->1e verdieping: 9 groepen (volledig geopend)
- totaal verwarmd vloeroppervlak: +/- 200 m², +/- 650 m³
- boilervat Nibe BA-ST 9050-2FE (niet van belang in deze casus, SWW uitgeschakeld)
- volledig WAR-gestuurd
- graadminuten instelling:
- -> compressor aan: 300 GM
- -> bijverwarming aan: 400 GM
Je curve instellen op 5, 2 zal ook helpen, zie de namiddag vandaag waar je systeem lekker draait na elke defrost het weer oppikt..
Hoop dit helpt.
NIBE SMO40 F2120-20, SE 9000 Wp, Victron 9,2 kWh
Je kunt stille stand programmeren bij Binnenklimaat. Maar dat betreft vooral de compressor. Bij mijn weten is de ventilatorsnelheid niet apart te regelen.thijsbov schreef op maandag 5 januari 2026 @ 20:32:
Is iemand bekend met de nachtstand van Nibe / SMO S40?
Bij ons staat de warmtepomp achter de slaapkamer (achter de dakplaten), daarnaast zit een raam. De ventilator, als die op maximale stand staat, bromt erg hard. In de SMO is een ventilatorsnelheid te zien, bij stap 6 gaat het erg hard en veel lawaai, weet iemand of zoiets te programmeren / regelen is?
Nibe F2120-16/SMO40/300L / Home Assistant / Peblar EV lader / 8000Wp Enphase
En inderdaad, compressor starten bij -300 is best laat.
Nibe F2120-16/SMO40/300L / Home Assistant / Peblar EV lader / 8000Wp Enphase
Je graadminuten gaan wel erg aan/uit. Het lijkt er op dat je systeem ergens tegen een harde temperatuurlimiet aanloopt. Hoe zien je Bt12, bt3, bt25 er uit?Spyronamic schreef op maandag 5 januari 2026 @ 21:03:
Ik heb een Nibe S2125-8, met SMOS40 en 80L buffervat. Bouwjaar woning 2025 en ongeveer 200m² aan vloeverwarming.
Stooklijn staat op 5, met verschuiving van +1.
Op een of andere manier gaat de retourtemperatuur nooit boven de 26 graden, daar waar mijn aanvoer (op basis van stooklijn) wel regelmatig toeneemt. Als aanvoer op 35 staat, zou ik toch verwachten dat retour toch enigzins richting 28-29 gaat, niet? Graadminuten blijven ook steeds zéér negatief. Iemand raad?
[Afbeelding]
[Afbeelding]
[Afbeelding]
EDIT: ik zie parallelen met de voorgaande post van J.oost
Nibe F2120-16/SMO40/300L / Home Assistant / Peblar EV lader / 8000Wp Enphase
moet jij niet naar BT12 en BT3 kijken voor aanvoer en retour? dat zijn bij mij de sensoren die ik meet daarvoor. DeltaT zit ik meestal rond de 4C nu.J.oost schreef op maandag 5 januari 2026 @ 20:54:
Sinds 2 jaar ben ik in bezit van een Nibe F2040-12 lucht/water warmtepomp aangestuurd door SMO40 regelunit. Doordat de afgelopen jaren de prioriteit vooral heeft gelegen bij de afbouw van mijn woning, heb ik pas sinds kort de tijd gevonden om me wat meer te gaan verdiepen in de werking van mijn warmtepomp installatie.
Aangezien we nog niet in het nieuwe huis wonen, heb ik tot begin december de binnentemperatuur niet veel hoger dan 17 à 18 graden laten worden. Sinds een paar weken probeer ik de binnentemperatuur richting de 22 graden te krijgen. Ik heb hiervoor de stooklijn op 5+3 gezet om een hogere aanvoertemperatuur te bewerkstelligen.
Het verhogen van de binnentemperatuur van 18 naar 22 graden heeft ongeveer 3 dagen geduurd. Het is hierin wel belangrijk om te melden dat de betonvloer van de begane grond waarin de slangen van de vloerverwarming liggen ongeveer 30 cm dik is. Deze 'warmtebuffer' verklaart dus het zeer trage opstookgedrag. Hoewel de retourtemperatuur (sensor BT71) in dit tijdsbestek ook met een paar graden is toegenomen, blijft deze ver (!) onder de aanvoertemperatuur (BT25) (zie grafiek van de afgelopen 24 uur).
[Afbeelding]
[Afbeelding]
[Afbeelding]
En het bijbehorende elektrische verbruik:
[Afbeelding]
Het achterblijven van de retourtemperatuur is in mijn ogen een indicatie dat er dus (ergens) een relatief grote warmteafgifte blijft plaatsvinden. De retourtemperaturen van de individuele groepen laten (gevoelsmatig, niet gemeten) echter geen noemenswaardig verschil zien. Hoewel langzaam, blijft de retourtemperatuur echter nog steeds stijgen wat betekent dat het huis toch langzaamaan op temperatuur begint te komen.
Maar wat ik eigenlijk het meest opmerkelijk vind is dat de aanvoertemperatuur (gemeten door sensor BT25) over de gehele linie ver boven de (al redelijk hoge) gewenste aanvoertemperatuur S1 blijft. Ik begrijp dat de Nibe regeling hiermee probeert de graadminuten 'weg te werken' maar ik begrijp niet dat dit met zoveel 'geweld' (>80Hz) gebeurt. Het gevolg is dus een zeer hoge aanvoertemperatuur (>45 graden) waardoor de graadminuten snel teruglopen tot 0. Belangrijk om te melden is dat de circulatiepomp GP12 hierbij vrijwel continue op 100% wordt aangestuurd! Op het moment dat de compressor stopt, lopen de graadminuten weer snel af waardoor het riedeltje weer van voor af aan begint. Een negatief gevolg is ook dat de warmtepomp vaker dan nodig moet ontdooien.
Mijn eerste vermoeden was dat het moment waarop ik van 18 naar 22 graden ben gegaan door het ophogen van de stooklijn ongunstig gekozen is. Om de 'achterstand' in te halen moet het systeem natuurlijk extra hard werken, zeker bij dit soort condities (koud, sneeuw, hoge luchtvochtigheid). Echter zou ik verwachten dat dit na een week hard werken wel weer glad getrokken zou moeten zijn.
Ik zou natuurlijk de stooklijn weer wat terug kunnen zetten om hiermee de aanvoertemperatuur te drukken maar ik wil eerst begrijpen waarom de compressor zover boven de gevraagde temperatuur blijft stoken. Ik heb het idee dat ik ergens een instelling over het hoofd zie of een ander belangrijk begrip mis. Ik hoop dat jullie hier in mee kunnen denken en een logische verklaring van bovenstaande gedrag kunnen geven, waaronder dus ook de zeer hoog blijvende dT. Is mijn warmtepomp onderbemeten? Is mijn pomp onderbemeten? Of kan er iets anders aan de hand zijn? Ik wil mijn installateur dezelfde vragen gaan stellen maar ik wil graag eerst van jullie kennis en expertise gebruik maken![]()
Hieronder een overzicht om een compleet beeld van de situatie te krijgen:Mocht er informatie ontbreken om een oordeel te kunnen geven dan hoor ik dat ook graag.
- Nibe F2040-12 monoblock lucht/water full-electric
- SMO40 aansturing
- 100 liter buffervat in serie (in retour)
- 3 open verdelers met in totaal 28 groepen van +/- 80 m¹
- -> begane grond: 12 groepen (volledig geopend)
- -> garage: 7 groepen (allen gesloten)
- ->1e verdieping: 9 groepen (volledig geopend)
- totaal verwarmd vloeroppervlak: +/- 200 m², +/- 650 m³
- boilervat Nibe BA-ST 9050-2FE (niet van belang in deze casus, SWW uitgeschakeld)
- volledig WAR-gestuurd
- graadminuten instelling:
- -> compressor aan: 300 GM
- -> bijverwarming aan: 400 GM
F2040-6 | SMO-S40 | Hygiene boiler 200 L | Alleen radiatoren | HoekHuis BJ 1952 | Buffervat 25 L | Wilo Yonos PICO circulatiepomp | NIBE RTS 40
Stuurt de nibe daarmee het stookgedrag van de buitenunit of beperkt hij alleen het gedrag van de naverwarmer bij een (dreigende) overschreiding van de hoofdzekering ?
@MarcKeulers Bedankt voor het meedenken! Probleem wat ik heb bij een lagere start-compressor waarde (bijvoorbeeld -60 GM) is dat bij het omschakelen naar SWW, de bijbehorende stijging ook BT25 beïnvloedt waardoor de graadminuten bij iedere SWW-run naar 0 schiet. Dit is een ander probleem, ik moet hiervoor waarschijnlijk BT25 verder van de 3-weg mengklep gaan plaatsen, of de graadminuten 'buitenom' (via een extern stukje software) 'bevriezen' tijdens een SWW-run. Maar aangezien dit los staat van het hier geschetste probleem wilde ik dit even buiten beschouwing latenMarcKeulers schreef op maandag 5 januari 2026 @ 21:19:
[...]
@J.oost , wat ik begrijp is dat je de compressor pas aanzet bij -300 graadminuten ? Dan kunnen je graadminuten nog 100 zakken voordat je max gaat draaien, wat je unit ook doet (wat betreft het energieverbruik). Als je het begin van de compressor eens op -60 zet en kijkt hoe je systeem reageert ? Waarschijnlijk begint de compressor dan wat kalmer …
Je curve instellen op 5, 2 zal ook helpen, zie de namiddag vandaag waar je systeem lekker draait na elke defrost het weer oppikt..
Hoop dit helpt.
Wat ik van de Graadminuten-logica heb begrepen, is dat hoe 'trager' het afgifte-syteem is, hoe meer de graadminuten 'mogen' variëren waarbij de aanvoertemperatuur dus verder om de gevraagde stooklijntemperatuur heen mag bewegen. Mijn begrip hiervan is dat dit juist ten goede komt aan het 'vrij laten' van de warmtepomp zodat deze (binnen de grenzen van de ingestelde graadminuten-limieten) zijn eigen werkpunt kan kiezen. Ik kan me voorstellen dat bij het aantikken van de grens voor het inschakelen van de bijverwarmer (in mijn geval dus bij -400 GM), de warmtepomp maximaal gaat draaien (deze gaat immers 'uit alle macht' proberen om niet met COP=1 te hoeven verwarmen). Maar zolang deze de -400 niet aantikt zou de compressor dus vrij zijn werkpunt moeten kiezen. Wat je echter in mijn grafiekjes ziet is dat de compressor ook bij GM < 400 al voluit gaat (en dus ver boven de S1 temperatuur gaat zitten).
Maar correct me if I'm wrong wat betreft mijn begrip over de graadminuten
DOT en deltaT bij DOT heb ik voor zover ik weet op de default waardes laten staan. Maar dat zegt misschien niet zoveel, ik ben op dit moment echter niet in de buurt van de unit dus die waardes moet ik je even schuldig blijven. Kom ik op terug. Maar zoals ook hierboven beschreven: is -300 echt zo laag? Als ik zie hoe snel die graadminuten in mijn situatie aftellen, in die tijd is mijn vloer nog geen 0,1 graad afgekoeldwickydude schreef op maandag 5 januari 2026 @ 21:33:
@J.oost waar staat je DOT en deltaT bij DOT op?
En inderdaad, compressor starten bij -300 is best laat.
Goede vraagwarsame schreef op maandag 5 januari 2026 @ 21:39:
[...]
moet jij niet naar BT12 en BT3 kijken voor aanvoer en retour? dat zijn bij mij de sensoren die ik meet daarvoor. DeltaT zit ik meestal rond de 4C nu.
Ik lees de waardes uit de SMO40 uit via Modbus met een PLC dus ik zal bovenstaande waardes morgen in ieder geval toevoegen zodat ik een wat completer beeld kan geven van de situatie.
[ Voor 32% gewijzigd door J.oost op 05-01-2026 22:05 ]
Zien er als volgt uit:wickydude schreef op maandag 5 januari 2026 @ 21:36:
[...]
Je graadminuten gaan wel erg aan/uit. Het lijkt er op dat je systeem ergens tegen een harde temperatuurlimiet aanloopt. Hoe zien je Bt12, bt3, bt25 er uit?
:strip_exif()/f/image/pDiAxTSCI0SSrpPNJEXdB8Cg.jpg?f=fotoalbum_large)
:strip_exif()/f/image/nujU8l0MQWPx80pHvflbAGUO.jpg?f=fotoalbum_large)
Ja BT25 moet ver van de 3weg klep.
Heb je mogelijk een handige handmatige compressor curve, dat zou het gedrag kunnen verklaren.
[ Voor 6% gewijzigd door Knowbody op 06-01-2026 13:47 ]
BJ 2022, Nibe F2050-6 (vh AMS 10-12), SMO S40. PV 9000 Wp plat dak 10xNO, 10xZW, 5xZO. Tesla MY SR 2026. Peblar Recharge label
Laten we het SWW probleem later oplossen … je graadminuten. Zoals je kunt nalezen op dit forum is er een soort NIBE logica die wat je graadminuten je compressor op laat toeren. Bij -60 en -400 is dat in vier stappen, -60 tot -160, dan tot -260 en dan tot -360 en laatste -460. Verder kijkt je compressor naar de buiten temperatuur, hoe lager hoe harder ie draait. Dat stel je in met de DOT en dT .J.oost schreef op maandag 5 januari 2026 @ 21:51:
[...]
@MarcKeulers Bedankt voor het meedenken! Probleem wat ik heb bij een lagere start-compressor waarde (bijvoorbeeld -60 GM) is dat bij het omschakelen naar SWW, de bijbehorende stijging ook BT25 beïnvloedt waardoor de graadminuten bij iedere SWW-run naar 0 schiet. Dit is een ander probleem, ik moet hiervoor waarschijnlijk BT25 verder van de 3-weg mengklep gaan plaatsen, of de graadminuten 'buitenom' (via een extern stukje software) 'bevriezen' tijdens een SWW-run. Maar aangezien dit los staat van het hier geschetste probleem wilde ik dit even buiten beschouwing laten![]()
Wat ik van de Graadminuten-logica heb begrepen, is dat hoe 'trager' het afgifte-syteem is, hoe meer de graadminuten 'mogen' variëren waarbij de aanvoertemperatuur dus verder om de gevraagde stooklijntemperatuur heen mag bewegen. Mijn begrip hiervan is dat dit juist ten goede komt aan het 'vrij laten' van de warmtepomp zodat deze (binnen de grenzen van de ingestelde graadminuten-limieten) zijn eigen werkpunt kan kiezen. Ik kan me voorstellen dat bij het aantikken van de grens voor het inschakelen van de bijverwarmer (in mijn geval dus bij -400 GM), de warmtepomp maximaal gaat draaien (deze gaat immers 'uit alle macht' proberen om niet met COP=1 te hoeven verwarmen). Maar zolang deze de -400 niet aantikt zou de compressor dus vrij zijn werkpunt moeten kiezen. Wat je echter in mijn grafiekjes ziet is dat de compressor ook bij GM < 400 al voluit gaat (en dus ver boven de S1 temperatuur gaat zitten).
Maar correct me if I'm wrong wat betreft mijn begrip over de graadminuten
Je warmtepomp is niet vrij bij een SMO40, wel bij een SMOS40, een klein S verschil. Wellicht heb je daar overheen gelezen, of je hebt wel een SMOS40, dan excuses. Wellicht zit hier het verschil tussen verwachting en gedrag van de wp?
Hoop dit helpt.
PS ik heb een F2120 en SMO40 en laat de compressor starten bij -30, om er zeker van te zijn dat ik de laagste stand heb bij het begin… afhankelijk van de buiten temperatuur natuurlijk … lage stand is minder defrost :-).
NIBE SMO40 F2120-20, SE 9000 Wp, Victron 9,2 kWh
Ik begrijp niet helemaal wat je bedoelt met dat je een utp kabel hebt liggen? Dat je nu en internetverbinding met je warmtepomp hebt?helm71 schreef op maandag 5 januari 2026 @ 21:44:
Mijn f2040-12 met smo 40 heeft geen aangesloten regeling om het gebruikt aantal amperes in de gaten te houden. Ik heb sinds kort utp kabel van de meterkast naar de warmtepomp.
Stuurt de nibe daarmee het stookgedrag van de buitenunit of beperkt hij alleen het gedrag van de naverwarmer bij een (dreigende) overschreiding van de hoofdzekering ?
Nibe F2120-16/SMO40/300L / Home Assistant / Peblar EV lader / 8000Wp Enphase
bt12 is de temperatuur van het water bij je wp uitgang, die moet nog weer iets hoger liggen tijdens bedrijf.dat lijkt wel zo te zijn.
Wat is je setting voor maximum aanvoertemperatuur?
Je gm lijken heel lang op -460 te zitten en dan ineens naar 0 te schieten? Dat kan een teken zijn dat er ergens tegen een harde grenswaarde aangetikt wordt.
Wellicht is het allemaal wat beter te zien hoe de temperaturen zich verhouden als je 1 dag in de grafiek zet.
Nibe F2120-16/SMO40/300L / Home Assistant / Peblar EV lader / 8000Wp Enphase
Zou je een plaatje van een dag met of bt71 of bt12 kunnen tonen? Kom ik morgen dan op terug …Spyronamic schreef op maandag 5 januari 2026 @ 21:59:
[...]
Zien er als volgt uit:
[Afbeelding]
[Afbeelding]
[Afbeelding]
NIBE SMO40 F2120-20, SE 9000 Wp, Victron 9,2 kWh
Ik denk dat dit wel meevalt. Deze warmtepomp levert bij -10 vrijwel evenveel vermogen als mijn S2125-12 welke all electric functioneert. Mijn warmtepomp verbruikt nu dagelijks evenveel als bij zwollie exclusief ELK9. 35m3 gas is 350kWh verwarmingsvermogen, 50kWh per dag ofwel 2kW continue. Daarnaast heb ik mijn ELK9 nodig om onder beroerde omstandigheden mijn warmtepomp operationeel te houden. Natuurlijk zal het na isoleren van muren en het vervangen van dubbel glas door hr++ een stuk schelen, maar een nieuwbouw woning gaat het nooit worden. Mijn woning (1966) heeft hr++ en is na geïsoleerd.zwollie schreef op maandag 5 januari 2026 @ 08:19:
[...]
het nadeel is alleen dat je warmtepomp veel te groot is, mocht je later beslissen om deze voorzieningen uiteindelijk toch uit te gaan voeren.
Nibe S2125-12, SMO S40, ELK9, Vloerverwarming+radiatoren Enphase 7560Wp, ABB SCU200
Hmm, dat stukje informatie over de graadminuten-logica bij een SMO40 (inderdaad zonder S) heb ik inderdaad gemistMarcKeulers schreef op maandag 5 januari 2026 @ 22:05:
[...]
Laten we het SWW probleem later oplossen … je graadminuten. Zoals je kunt nalezen op dit forum is er een soort NIBE logica die wat je graadminuten je compressor op laat toeren. Bij -60 en -400 is dat in vier stappen, -60 tot -160, dan tot -260 en dan tot -360 en laatste -460. Verder kijkt je compressor naar de buiten temperatuur, hoe lager hoe harder ie draait. Dat stel je in met de DOT en dT .
Je warmtepomp is niet vrij bij een SMO40, wel bij een SMOS40, een klein S verschil. Wellicht heb je daar overheen gelezen, of je hebt wel een SMOS40, dan excuses. Wellicht zit hier het verschil tussen verwachting en gedrag van de wp?
Hoop dit helpt.
PS ik heb een F2120 en SMO40 en laat de compressor starten bij -30, om er zeker van te zijn dat ik de laagste stand heb bij het begin… afhankelijk van de buiten temperatuur natuurlijk … lage stand is minder defrost :-).
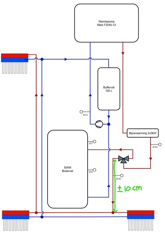
Klopt, maar ook vóór de eerste aftakking naar de vloerverwarming en laat die op 10 cm van de 3-weg klep zittenKnowbody schreef op maandag 5 januari 2026 @ 22:00:
@J.oost
Ja BT25 moet ver van de 3weg klep.
Heb je mogelijk een handige compressor curve, dat zou het gedrag kunnen verklaren.
Wat bedoel je precies met een 'handige compressor curve'?
Je kan deze waardes toch ook zelf veranderen (bij mij 4.9.3.)?MarcKeulers schreef op maandag 5 januari 2026 @ 22:05:
[...]
Zoals je kunt nalezen op dit forum is er een soort NIBE logica die wat je graadminuten je compressor op laat toeren. Bij -60 en -400 is dat in vier stappen, -60 tot -160, dan tot -260 en dan tot -360 en laatste -460.
Zelf merk ik weinig verandering als ik dit wijzig. Vind de pomp de DOT/dT belangrijker omVerder kijkt je compressor naar de buiten temperatuur, hoe lager hoe harder ie draait. Dat stel je in met de DOT en dT .
aan te houden dan de compressorcurve of hoe moet je dit zien? En welke waardes voor VVW raden jullie aan?
Ik ben nog steeds bezig met het fine tunen van mijn warmtepomp (F2050-6 + MHB05 in een hybride opstelling). Ik vraag me af of er een mogelijk is om de aanvoer temperatuur vanaf de warmtepomp een offset te geven zodat die net iets meer warmte levert. De warmtepomp draait op sommige moment lekker rustig echter levert die dan net niet genoeg warmte waardoor de graadminuten langzaam oploopt. Met als gevolg dat in mijn systeem de gasketel aangaat, terwijl de warmtepomp het op dat moment gemakkelijk aan kan. Op dat moment toert de warmtepomp op echter te laat.
Zo instelling zou ik ook kunnen verwachten om mogelijke leidingverliezen te compenseren, of heeft Nibe daar een andere regeling daarvoor.
De -60 is waarschijnlijk de startwaarde voor de compressor start en -400 de relatieve drempel voor de start (-460) van de eerste bijverwarming trap. Deze bijverwarming lijkt niet aanwezig of is geblokkeerd. Dit was bij mij het geval tot eergisteren. Dat hij vervolgens vrijwel stijl omhoog loopt lijkt er op te duiden dat de warmtevraag (vloerverwarming of grote radiatoren) plotseling wordt afgekapt waardoor de achterstand in no time is ingelopen en de warmtepomp afslaat.wickydude schreef op maandag 5 januari 2026 @ 22:20:
@Spyronamic
Wat is je setting voor maximum aanvoertemperatuur?
Je gm lijken heel lang op -460 te zitten en dan ineens naar 0 te schieten? Dat kan een teken zijn dat er ergens tegen een harde grenswaarde aangetikt wordt.
Ik kan middels afsluiters mijn installatie loskoppelen van de warmtepomp en de boel kortsluiten over het buffervat, dan heb ik hetzelfde effect.
Het lijkt erop dat er een naregeling (thermostaat) actief is welke een klep afsluit waardoor de warmtepomp zijn vermogen opeens niet kwijt kan. Het zou mij ook niet verbazen indien dat gepaard gaat met een foutmelding van de warmtepomp (overdruk) in de compressor, de warmtepomp vind dit in ieder geval niet leuk (levensduur).
Zijn er buiten de NIBE SMO thermostaten aanwezig? Of een bypass ventiel wat opeens opengaat en daarmee de aanvoer en retour kortsluit, dan heb je het zelfde effect. De aanvoer loopt meteen terug naar de warmtepomp.
Je moet het in ieder geval verhelpen want dit is niet gezond.
Nibe S2125-12, SMO S40, ELK9, Vloerverwarming+radiatoren Enphase 7560Wp, ABB SCU200
Ik heb niet meegekregen of je gebruik maakt van een buffervat, maar zo ja dan dient hij tussen de installatie (vloer) en de buffer te zitten. Het doel van bt25 is het meten van de installatie temperatuur, vooral bij gebruik van een buffervat is dat belangrijk om het temperatuurverschil tussen voor en na de buffer zo laag mogelijk te houden. Zonder buffer compenseert bt25 alleen het temperatuurverlies over de aanvoerleiding tussen installatie en warmtepomp. Indien bt25 dicht bij de 3weg klep zit, zal hij een rimpel geven indien de boiler wordt verwarmd. Ik heb iets dergelijks met de retour (bt71) welke (te) dicht zit bij de retour van mijn boiler. Ik heb mij dat ook te laat gerealiseerd, maar bij mij geen functioneel probleem.J.oost schreef op maandag 5 januari 2026 @ 22:37:
[...]
Klopt, maar ook vóór de eerste aftakking naar de vloerverwarming en laat die op 10 cm van de 3-weg klep zittenDaar heb ik dus nog wel een uitdaging (suggesties zijn welkom
)
Wat bedoel je precies met een 'handige compressor curve'?
Nibe S2125-12, SMO S40, ELK9, Vloerverwarming+radiatoren Enphase 7560Wp, ABB SCU200
Ja het systeem is ook voorzien van een buffervat, maar die zit in serie op de retour. Zie onderstaand schematisch overzicht van mijn systeem:RedGolf schreef op maandag 5 januari 2026 @ 23:12:
[...]
Ik heb niet meegekregen of je gebruik maakt van een buffervat, maar zo ja dan dient hij tussen de installatie (vloer) en de buffer te zitten. Het doel van bt25 is het meten van de installatie temperatuur, vooral bij gebruik van een buffervat is dat belangrijk om het temperatuurverschil tussen voor en na de buffer zo laag mogelijk te houden. Zonder buffer compenseert bt25 alleen het temperatuurverlies over de aanvoerleiding tussen installatie en warmtepomp. Indien bt25 dicht bij de 3weg klep zit, zal hij een rimpel geven indien de boiler wordt verwarmd. Ik heb iets dergelijks met de retour (bt71) welke (te) dicht zit bij de retour van mijn boiler. Ik heb mij dat ook te laat gerealiseerd, maar bij mij geen functioneel probleem.
:strip_exif()/f/image/GlbIBYIQh2ZCdTTRusqNK39c.jpg?f=fotoalbum_large)
Probleem is dus het korte stukje van +/- 10 cm tot de aftakking naar de eerste vloerverwarming-verdeler. Waar zou jij BT25 plaatsen in mijn situatie? De 2 linker verdelers bevinden zich trouwens niet in de buurt van de warmtepomp installatie, de aftakkingen wel.
Indien je dit proces in de gaten houdt door er zelf bij te gaan zitten, moet je dit kunnen waarnemen. Je kunt bt25 ook na de eerste vloerverwarming plaatsen. In principe is de temperatuur voor en na de eerste verdeler gelijk (zolang je hem niet op de retour zet😇).
Indien er geen naregeling geïnstalleerd is, begrijp ik eigenlijk niet waarom er nog een buffer geplaatst is. Je zou verwachten dat 3 vloerverwarmingen meer dan voldoende systeemvolume hebben voor een vlotte ontdooiing. Omdat hij helemaal aan het einde van het systeem zit is de temperatuur van het vat erg laag (immers retour water) en voegt hij niet zoveel toe, kwaad kan het overigens niet.
Zo te zien hebben de vloerverwarmingen géén thermostaat die kan dichtlopen? Als dat wel zo is, zou ik een bypass ventiel verwachten in het CV circuit na de drieweg klep (aanvoer) en in de retour na de laatste vloerverwarming en vóór de UKV buffer. Indien alle thermostaten (indien aanwezig) dicht zouden lopen, zou de bypass open worden gedrukt, het buffervat komt dan parallel te staan, warmt snel op, maar zorgt voor een gedempte stop van je warmtepomp. Daarmee zouden drukfouten op de warmtepomp worden voorkomen. Het zou de warmtepomp tijd geven netjes naar nul te moduleren.
Ik zou een keer bij de installatie gaan zitten tijdens een SWW run en dan even goed opletten wat er gebeurt indien de drieweg klep terug schakelt naar CV verwarmen. Blijft deze lang te warm, kan dit het snel oplopen van de graadminuten veroorzaken, maar eigenlijk verwacht ik dat die klep snel de CV temperatuur aanneemt. Maar bij GM waarden dicht bij nul zou dit kunnen.
Stel dat bt25 als gevolg van de SWW run 60 graden geworden is (omdat hij verkeerd geplaatst is) en hij blijft dat 1 minuut, terwijl het CV setpoint bv 30 graden is telt hij in 1 minuut (60-30) = 30gm terug.
…ik heb mijn installatie zelf geïnstalleerd en daarmee heel wat uren op zolder gezeten om het systeem in te regelen.
Nibe S2125-12, SMO S40, ELK9, Vloerverwarming+radiatoren Enphase 7560Wp, ABB SCU200
Nee, dat er een loze utp kabel ligt en dat ik verwacht die aderparen te kunnen gebruiken om te koppelen aan de meetmomenten (die er nu niet zijn) van Nibe in de meterkast).wickydude schreef op maandag 5 januari 2026 @ 22:06:
[...]
Ik begrijp niet helemaal wat je bedoelt met dat je een utp kabel hebt liggen? Dat je nu en internetverbinding met je warmtepomp hebt?
Ok, dank voor de toelichting.helm71 schreef op dinsdag 6 januari 2026 @ 07:19:
[...]
Nee, dat er een loze utp kabel ligt en dat ik verwacht die aderparen te kunnen gebruiken om te koppelen aan de meetmomenten (die er nu niet zijn) van Nibe in de meterkast).
Volgens de Nibe handleiding moeten de aders eigenlijk wat dikker zijn, maar ik denk dat het wel werkt ja.
Nibe F2120-16/SMO40/300L / Home Assistant / Peblar EV lader / 8000Wp Enphase
Over de nacht heen 6 defrost (geen issue mee) en BT6 van 50 naar onder de 30 (zeer groot issue mee!).
Temp in de woonkamer ook gedaald naar 19.
Vraag me echt af hoe een installatie met over capaciteit/te groot/te zwaar dusdanig niet kan leveren wat er nodig is.
Daar ik eerst tevreden was is dit nu opgeslagen. Belachelijk.
En andere kleine irritatie. Software vrijgeven zonder bijgewerkte release notes! Zal wel een rush job zijn (van een stagiair !kuch!).
En ja, ik weigeren m’n ELK9 in te moeten zetten als een systeem overbemeten is aangezien dit backup is voor uitval, niet omdat het systeem het niet kan bolwerken. Bizar.
NIBE: S2125-12 | SMO S40 | RSV-300X | UKV100 | ELK9 | PV: 4000kWh/pj | GASLOOS | VLOERVERWARMING 60m2 + 6 RADIATOREN | HUISBJ: 2004
Ja, dat had @J.oost dan ook gedaanlps schreef op maandag 5 januari 2026 @ 22:41:
[...]
Je kan deze waardes toch ook zelf veranderen (bij mij 4.9.3.)?
[...]
Zelf merk ik weinig verandering als ik dit wijzig. Vind de pomp de DOT/dT belangrijker om
aan te houden dan de compressorcurve of hoe moet je dit zien? En welke waardes voor VVW raden jullie aan?
Met DOT/dT geef je aan bij welke temperatuur de wp voluit moet draaien en welke dt hij dan moet leveren. De wp past daarop dus de compressor curve aan. Ik heb hem op -15/7 staan, die 7 is de standaard instelling als je daar alleen vvw selecteert. Vvw+rad is 10g, rad only is 15g.
Als je een handmatige compressorcurve hebt ingesteld, zal hij de dot/dt negeren.
Nibe F2120-16/SMO40/300L / Home Assistant / Peblar EV lader / 8000Wp Enphase
Nibe F2120-16/SMO40/300L / Home Assistant / Peblar EV lader / 8000Wp Enphase
Dat begrijp. Echter als een systeem overgemeten is, waarom zou deze dan nodig moeten zijn. Op papier zou een S2125-8 voldoende moeten zijn. Er staat een S2125-12.wickydude schreef op dinsdag 6 januari 2026 @ 07:51:
@martius een ELK wordt ook wel BIJverwarming genoemd, juist om BIJ te verwarmen als de wp het niet trekt. Echt niet alleen als backup voor uitval.
Het zal wel een van geval PEBKAC zijn. Ik duik de instellingen wel weer eens in.
NIBE: S2125-12 | SMO S40 | RSV-300X | UKV100 | ELK9 | PV: 4000kWh/pj | GASLOOS | VLOERVERWARMING 60m2 + 6 RADIATOREN | HUISBJ: 2004
Begrijp me niet verkeerd, ik denk ook dat ie niet steeds de defrost uit je sww moet halen.
[ Voor 42% gewijzigd door wickydude op 06-01-2026 08:14 ]
Nibe F2120-16/SMO40/300L / Home Assistant / Peblar EV lader / 8000Wp Enphase
Ik heb een vraag over een SMO20 deze stond gisteren op zwart, geen spanning.
Tijdens het ontdooien is er een fout in mijn melding gekomen in de mail. Storing ontdooien. Maar mijn SMO20 was uit geen spanning meer. Alles na gemeten blijkt dat een glaszekering stuk was van 4A. (F1). Als deze zekering stuk is is dan de gehele SMO20 uit. Ik zie alleen in de schema's 3wegklep,chargepump en Ext.circ pump op de klemmen zitten. Na de 2de keer een glaszekering vervangen werkt de boel weer. Wat zou dit kunnen zijn en is het normaal dat als de glaszekering stuks is ook de SMO20 geen spanning meer heeft. Alvast bedankt
Mijn installateur gaf ook aan dat de ELK9 er tussen MOET op advies van Nibe en enkel nodig is bij nood. Hij heeft hem in zijn installatie net als bij mij ook uitstaan. Ik heb hem ook niet nodig maar doe ook geen SWW.martius schreef op dinsdag 6 januari 2026 @ 07:45:
Waardeloos apparaat/installatie/instellingen.
Over de nacht heen 6 defrost (geen issue mee) en BT6 van 50 naar onder de 30 (zeer groot issue mee!).
Temp in de woonkamer ook gedaald naar 19.
Vraag me echt af hoe een installatie met over capaciteit/te groot/te zwaar dusdanig niet kan leveren wat er nodig is.
Daar ik eerst tevreden was is dit nu opgeslagen. Belachelijk.
En andere kleine irritatie. Software vrijgeven zonder bijgewerkte release notes! Zal wel een rush job zijn (van een stagiair !kuch!).
En ja, ik weigeren m’n ELK9 in te moeten zetten als een systeem overbemeten is aangezien dit backup is voor uitval, niet omdat het systeem het niet kan bolwerken. Bizar.
Zou je de nieuwe update niet eens kunnen proberen? Wie weet zit daar wel de "fix" in voor dit probleem omdat dit vorig jaar nooit was plus het ook een soort "hotfix" lijkt door het gebruikte versienummer en (nog?) geen release notes.
WP: NIBE S2125-12 - SMO-S40 / PV: SolarEdge 7200WP / SigenStor 17kW + 36kWh / Zeekr 7x AWD Privilege / Home Assistant / 2x Easee EV / Gardena Smart / Navimow H3000E-VF / Dreame X40 Ultra
Denk ik ook, maar de vraag is wat die functionaliteit werkelijk doet, stuurt die de warmtepomp met buitenunit of alleen de elektrische bijverwarmer.wickydude schreef op dinsdag 6 januari 2026 @ 07:39:
[...]
Ok, dank voor de toelichting.
Volgens de Nibe handleiding moeten de aders eigenlijk wat dikker zijn, maar ik denk dat het wel werkt ja.
Als je zekering eruit ligt en je smo20 zit op die fase, ja dan klopt het dat de smo20 niet meer werkt. Hoe het komt dat je zekering eruit ligt kun je alleen ter plaatse begrijpen … hoeft niet met de wp te maken te hebben, maar kan wel. Blijft gissen aan deze kant zonder elektrische schema’s met aansluitingen etc …Vuurvliegje01 schreef op dinsdag 6 januari 2026 @ 08:13:
Goededag,
Ik heb een vraag over een SMO20 deze stond gisteren op zwart, geen spanning.
Tijdens het ontdooien is er een fout in mijn melding gekomen in de mail. Storing ontdooien. Maar mijn SMO20 was uit geen spanning meer. Alles na gemeten blijkt dat een glaszekering stuk was van 4A. (F1). Als deze zekering stuk is is dan de gehele SMO20 uit. Ik zie alleen in de schema's 3wegklep,chargepump en Ext.circ pump op de klemmen zitten. Na de 2de keer een glaszekering vervangen werkt de boel weer. Wat zou dit kunnen zijn en is het normaal dat als de glaszekering stuks is ook de SMO20 geen spanning meer heeft. Alvast bedankt
NIBE SMO40 F2120-20, SE 9000 Wp, Victron 9,2 kWh
Gebaseerd op de ervaring van velen in dit forum … als je de informatie leest kom je het zelf tegen … berg te lezen hoor :-)J.oost schreef op maandag 5 januari 2026 @ 22:34:
[...]
Hmm, dat stukje informatie over de graadminuten-logica bij een SMO40 (inderdaad zonder S) heb ik inderdaad gemistDat verandert mijn kijk op de zaak inderdaad behoorlijk, interessant! Ik ga in ieder geval even teruglezen wat daar indertijd over is geschreven. Is deze informatie trouwens gebaseerd op een officieel Nibe document of is dit op basis van (jouw) ervaring met de SMO40?
NIBE SMO40 F2120-20, SE 9000 Wp, Victron 9,2 kWh
@J.oost , hoe lang zijn de leidingen van je buitenunit naar de drieweg klep? Wat is de minimale stand van je gp12?J.oost schreef op maandag 5 januari 2026 @ 23:41:
[...]
Ja het systeem is ook voorzien van een buffervat, maar die zit in serie op de retour. Zie onderstaand schematisch overzicht van mijn systeem:
[Afbeelding]
Probleem is dus het korte stukje van +/- 10 cm tot de aftakking naar de eerste vloerverwarming-verdeler. Waar zou jij BT25 plaatsen in mijn situatie? De 2 linker verdelers bevinden zich trouwens niet in de buurt van de warmtepomp installatie, de aftakkingen wel.
De driewegklep heeft bij mij ongeveer 30 seconden nodig om te veranderen, mijn gp12 staat dan op 1%, maar mijn leidingen zijn 23 meter lang en gevuld met 50-60 graden water van de SWW run, die wordt daarna het systeem ingepompt, maakt niet uit waar mijn BT25 zit …geeft af en toe een compressor start, het zij zo.
NIBE SMO40 F2120-20, SE 9000 Wp, Victron 9,2 kWh
helm71 schreef op dinsdag 6 januari 2026 @ 08:25:
[...]
Denk ik ook, maar de vraag is wat die functionaliteit werkelijk doet, stuurt die de warmtepomp met buitenunit of alleen de elektrische bijverwarmer.
Nibe F2120-16/SMO40/300L / Home Assistant / Peblar EV lader / 8000Wp Enphase
@Cobbuh , je offset van je curve een hoger zetten, of de graadminuten waarbij je ketel bijspringt verlagen van bv -400 naar -600. Ik persoonlijk prefereer het laatste, maar is aan jou. Je schrijft dat de wp net niet genoeg warmte levert omdat de gm oplopen … hoe is de binnenhuis temperatuur? Als die ok is zou ik zeker wat meer speling in de graadminuten zoeken …neem je tijd om te tweaken .. laat alles een week werken, deze systemen zijn traaaaaaag …Cobbuh schreef op maandag 5 januari 2026 @ 22:53:
Hoi allemaal,
Ik ben nog steeds bezig met het fine tunen van mijn warmtepomp (F2050-6 + MHB05 in een hybride opstelling). Ik vraag me af of er een mogelijk is om de aanvoer temperatuur vanaf de warmtepomp een offset te geven zodat die net iets meer warmte levert. De warmtepomp draait op sommige moment lekker rustig echter levert die dan net niet genoeg warmte waardoor de graadminuten langzaam oploopt. Met als gevolg dat in mijn systeem de gasketel aangaat, terwijl de warmtepomp het op dat moment gemakkelijk aan kan. Op dat moment toert de warmtepomp op echter te laat.
Zo instelling zou ik ook kunnen verwachten om mogelijke leidingverliezen te compenseren, of heeft Nibe daar een andere regeling daarvoor.
NIBE SMO40 F2120-20, SE 9000 Wp, Victron 9,2 kWh
Het klopt dat de voorstelling van zaken mbt vermogen erg rooskleurig is, ik heb dezelfde S2125-12. Ik heb een tijd gedacht dat de -12 versie misschien aan de grote kant was omdat bij herhaling wordt geroepen dat warmtepompen vaak te groot worden geselecteerd. Mijn ELK9 zit er eigenlijk ook alleen in voor extreme omstandigheden, maar in de afgelopen weken bleek hij nodig om uit herhaalde defrosts te komen, ik kreeg zelfs een defrost foutmelding (te veel). De ELK9 moet ik wel inzetten om een neergaande spiraal te doorbreken van defrosts en laden van de boiler en het vervolgens inhalen van de graadminuten.martius schreef op dinsdag 6 januari 2026 @ 07:45:
Waardeloos apparaat/installatie/instellingen.
Over de nacht heen 6 defrost (geen issue mee) en BT6 van 50 naar onder de 30 (zeer groot issue mee!).
Temp in de woonkamer ook gedaald naar 19.
Vraag me echt af hoe een installatie met over capaciteit/te groot/te zwaar dusdanig niet kan leveren wat er nodig is.
Daar ik eerst tevreden was is dit nu opgeslagen. Belachelijk.
En andere kleine irritatie. Software vrijgeven zonder bijgewerkte release notes! Zal wel een rush job zijn (van een stagiair !kuch!).
En ja, ik weigeren m’n ELK9 in te moeten zetten als een systeem overbemeten is aangezien dit backup is voor uitval, niet omdat het systeem het niet kan bolwerken. Bizar.
Ik heb het echter nog nooit meegemaakt dat SWW gebruik wordt voor ontdooien, zou raar zijn met vloerverwarming en 200l buffer.
Wel herkenbaar is de extreme temperatuur daling van mijn boiler. De reden daarvan lijkt de Smart Control instelling onder boiler comfort. Gevolg daarvan is dat de ELK9 ingeschakeld moet worden om en de boiler op temperatuur te krijgen (Comfort) en om de daarbij opgelopen graadminuten (lager dan -700) weer in te lopen.
Ik heb vanochtend de Smart Control ongedaan gemaakt omdat de gehele temperatuur handhaving van de boiler zoek is met alle gevolgen van dien.
Ik blijf het bijzonder vinden hier te lezen dat sommigen last hebben dat SWW wordt ingezet voor defrosts…heb het nooit gezien of in docu gelezen.
Nibe S2125-12, SMO S40, ELK9, Vloerverwarming+radiatoren Enphase 7560Wp, ABB SCU200
MarcKeulers schreef op maandag 5 januari 2026 @ 22:23:
[...]
Zou je een plaatje van een dag met of bt71 of bt12 kunnen tonen? Kom ik morgen dan op terug …
Plaatjes van BT71 & BT12 24u:RedGolf schreef op maandag 5 januari 2026 @ 22:59:
[...]
De -60 is waarschijnlijk de startwaarde voor de compressor start en -400 de relatieve drempel voor de start (-460) van de eerste bijverwarming trap. Deze bijverwarming lijkt niet aanwezig of is geblokkeerd. Dit was bij mij het geval tot eergisteren. Dat hij vervolgens vrijwel stijl omhoog loopt lijkt er op te duiden dat de warmtevraag (vloerverwarming of grote radiatoren) plotseling wordt afgekapt waardoor de achterstand in no time is ingelopen en de warmtepomp afslaat.
Ik kan middels afsluiters mijn installatie loskoppelen van de warmtepomp en de boel kortsluiten over het buffervat, dan heb ik hetzelfde effect.
Het lijkt erop dat er een naregeling (thermostaat) actief is welke een klep afsluit waardoor de warmtepomp zijn vermogen opeens niet kwijt kan. Het zou mij ook niet verbazen indien dat gepaard gaat met een foutmelding van de warmtepomp (overdruk) in de compressor, de warmtepomp vind dit in ieder geval niet leuk (levensduur).
Zijn er buiten de NIBE SMO thermostaten aanwezig? Of een bypass ventiel wat opeens opengaat en daarmee de aanvoer en retour kortsluit, dan heb je het zelfde effect. De aanvoer loopt meteen terug naar de warmtepomp.
Je moet het in ieder geval verhelpen want dit is niet gezond.
:strip_exif()/f/image/EvlqZmXxniI4Qm00JrnCYrtF.jpg?f=fotoalbum_large)
:strip_exif()/f/image/gcnR4TaNec6j5cXAd0BvlAA1.jpg?f=fotoalbum_large)
Belangrijke details: elektrisch bijverwarmen staat idd permanent af, en ik heb naregeling met Loxone. Als in: per verdiep is er één thermostaat die de warmtevraag bepaalt (telkens 20 graden van 9u-22u, 19,5 graden van 22u-9u), en de vloerverwarmingcollector per verdiep wordt globaal aangestuurt (geen zones/ventielen).
ja, de -12 versie heeft maar 9,8kW thermisch vermogen bij +7 buiten en 8,5 kW bij -4 buiten. Dus geen 12 kW zoals het typenummer weergeeft.RedGolf schreef op dinsdag 6 januari 2026 @ 09:27:
[...]
Het klopt dat de voorstelling van zaken mbt vermogen erg rooskleurig is, ik heb dezelfde S2125-12. Ik heb een tijd gedacht dat de -12 versie misschien aan de grote kant was omdat bij herhaling wordt geroepen dat warmtepompen vaak te groot worden geselecteerd. Mijn ELK9 zit er eigenlijk ook alleen in voor extreme omstandigheden, maar in de afgelopen weken bleek hij nodig om uit herhaalde defrosts te komen, ik kreeg zelfs een defrost foutmelding (te veel). De ELK9 moet ik wel inzetten om een neergaande spiraal te doorbreken van defrosts en laden van de boiler en het vervolgens inhalen van de graadminuten.
Ik heb het echter nog nooit meegemaakt dat SWW gebruik wordt voor ontdooien, zou raar zijn met vloerverwarming en 200l buffer.
Wel herkenbaar is de extreme temperatuur daling van mijn boiler. De reden daarvan lijkt de Smart Control instelling onder boiler comfort. Gevolg daarvan is dat de ELK9 ingeschakeld moet worden om en de boiler op temperatuur te krijgen (Comfort) en om de daarbij opgelopen graadminuten (lager dan -700) weer in te lopen.
Ik heb vanochtend de Smart Control ongedaan gemaakt omdat de gehele temperatuur handhaving van de boiler zoek is met alle gevolgen van dien.
Ik blijf het bijzonder vinden hier te lezen dat sommigen last hebben dat SWW wordt ingezet voor defrosts…heb het nooit gezien of in docu gelezen.
Biobased insulation @ rd=5,5 - 23 kWp PV - 30kWh ESS - Huawei Charger - Nibe S2125-12 (mijn 11e WP @home) - 36 HP icm 300 ltr ZB- Zehnder Q450 ERV - Ochsner mini IWP - 7x MHI L/L Wp - Skoda Enyaq 85 kWh - Snoek stofzuigsysteem - gasloos 2017
Hardop denkend. De ML is vrijgegeven in maart 2025 en in de basis is ML afhankelijk van opgevoeding(instructies) en de kwaliteit van de beschikbare data waarmee dat gedaan wordt. Ik kan me voorstellen dat met de data van de afgelopen 1,5-2 maanden deze accurater is geworden en daarmee ML beter gaat functioneren.
Ik wacht nog even totdat de release notes er zijn alvorens ik de laatste versie toe pas.
NIBE: S2125-12 | SMO S40 | RSV-300X | UKV100 | ELK9 | PV: 4000kWh/pj | GASLOOS | VLOERVERWARMING 60m2 + 6 RADIATOREN | HUISBJ: 2004
Ik vraag me af of ze wel gaan komen, zoals ik al aangaf is het een "kleine" fix lijkt wel. Door het gebruikte versienummer. Zie deze verhoging van versie nummersin de release notes nooit gebeuren namelijk.martius schreef op dinsdag 6 januari 2026 @ 09:57:
Goed, bij het uitblijven van een release note de firmware bestanden naast elkaar gelegd. Er zijn op meerdere locaties in de firmware wijzigingen aangebracht ten aanzien van defrosts. Het is gissen wat deze exact zijn.
Hardop denkend. De ML is vrijgegeven in maart 2025 en in de basis is ML afhankelijk van opgevoeding(instructies) en de kwaliteit van de beschikbare data waarmee dat gedaan wordt. Ik kan me voorstellen dat met de data van de afgelopen 1,5-2 maanden deze accurater is geworden en daarmee ML beter gaat functioneren.
Ik wacht nog even totdat de release notes er zijn alvorens ik de laatste versie toe pas.
Maar ik ben het er wel mee eens dat ze dit wel moeten doen, nu weet je niet wat veranderd is en of het problemen kan fixen die bij mensen spelen. Normaal zijn de release notes direct online met de update.
[ Voor 9% gewijzigd door MvRtje op 06-01-2026 10:03 ]
WP: NIBE S2125-12 - SMO-S40 / PV: SolarEdge 7200WP / SigenStor 17kW + 36kWh / Zeekr 7x AWD Privilege / Home Assistant / 2x Easee EV / Gardena Smart / Navimow H3000E-VF / Dreame X40 Ultra
Het zou ze sieren als ze dat wel gaan doen. Ben het met je eens dat alleen major updates benoemd worden en dit idd alles wegheeft van een hotfix/minor update.MvRtje schreef op dinsdag 6 januari 2026 @ 10:02:
[...]
Ik vraag me af of ze wel gaan komen, zoals ik al aangaf is het een "kleine" fix lijkt wel. Door het gebruikte versienummer. Zie deze verhoging van versie nummersin de release notes nooit gebeuren namelijk.
NIBE: S2125-12 | SMO S40 | RSV-300X | UKV100 | ELK9 | PV: 4000kWh/pj | GASLOOS | VLOERVERWARMING 60m2 + 6 RADIATOREN | HUISBJ: 2004
Dank voor het plaatje, duidelijk wat betreft de aanvoer en de twee SWW runs per dag. Je stelt dat je naregeling hebt met loxone, en de vvw globaal … heb je dus een mix van vvw en radiatoren ? Zijn die allemaal waterzijdig ingeregeld ?Spyronamic schreef op dinsdag 6 januari 2026 @ 09:37:
[...]
[...]
Plaatjes van BT71 & BT12 24u:
[Afbeelding]
[Afbeelding]
Belangrijke details: elektrisch bijverwarmen staat idd permanent af, en ik heb naregeling met Loxone. Als in: per verdiep is er één thermostaat die de warmtevraag bepaalt (telkens 20 graden van 9u-22u, 19,5 graden van 22u-9u), en de vloerverwarmingcollector per verdiep wordt globaal aangestuurt (geen zones/ventielen).
Het lijkt dat je wp vol aanstaat ( zouden we kunnen zien aan de hand van de compressor frequentie ) … dat kan komen door een niet goed waterzijdig ingeregeld systeem … maar dat is maar een van de mogelijkheden …
Het “oscilleren “ van je BT71 tussen 25 en 26 kan komen doordat de sensor niet goed bevestigd is …
[ Voor 3% gewijzigd door MarcKeulers op 06-01-2026 10:23 ]
NIBE SMO40 F2120-20, SE 9000 Wp, Victron 9,2 kWh
- Ta komt niet boven Tberekend waardoor de gm niet omhoog komen.
- Tr zit gewoon goed onder Ta en volgt de Ta (@MarcKeulers lijkt me geen oscilleren, Ta gaat ook omhoog en omlaag)
- Graadminuten blijven op de minimumwaarde -460 hangen, bijverwarming is waarschijnlijk geblokkeerd
Je warmtepomp doet wat ie kan, maar lijkt onvoldoende warmte het huis in te krijgen, ik zou verwachten dat je de gewenste ruimtetemperatuur niet altijd haalt. Hij is waarschijnlijk onderbemeten/heeft veel last van defrosts waardoor hij de gm niet bij kan benen.
Zie je ook waarschuwingen in de display op de SMO?
Nibe F2120-16/SMO40/300L / Home Assistant / Peblar EV lader / 8000Wp Enphase
:strip_exif()/f/image/n8LYR1Yu09xSJt9njojxpvU1.png?f=user_large)
:strip_exif()/f/image/2IWM6mO6fBG7JqtFZZi8WtIT.png?f=user_large)
Lijkt wel een spontane reboot oid? Iemand eerder meegemaakt.
NIBE: S2125-12 | SMO S40 | RSV-300X | UKV100 | ELK9 | PV: 4000kWh/pj | GASLOOS | VLOERVERWARMING 60m2 + 6 RADIATOREN | HUISBJ: 2004
Yep, als ik mijn houtkachel aanzet dan is er na een uur een “reset” van de graadminuten … soms van -300 naar +40 bij een verschil tussen de aanvoer bt25 en setpoint van 5 graden ongeveer, zelfde soms bij het overschakelen van een legionella run en normaal verwarmen … alleen de graadminuten overigens.martius schreef op dinsdag 6 januari 2026 @ 11:11:
Did I piss them off? Watskeburt?
[Afbeelding]
[Afbeelding]
Lijkt wel een spontane reboot oid? Iemand eerder meegemaakt.
NIBE SMO40 F2120-20, SE 9000 Wp, Victron 9,2 kWh
En hoe "fix"" jij dat?MarcKeulers schreef op dinsdag 6 januari 2026 @ 11:15:
[...]
Yep, als ik mijn houtkachel aanzet dan is er na een uur een “reset” van de graadminuten … soms van -300 naar +40 bij een verschil tussen de aanvoer bt25 en setpoint van 5 graden ongeveer, zelfde soms bij het overschakelen van een legionella run en normaal verwarmen … alleen de graadminuten overigens.
NIBE: S2125-12 | SMO S40 | RSV-300X | UKV100 | ELK9 | PV: 4000kWh/pj | GASLOOS | VLOERVERWARMING 60m2 + 6 RADIATOREN | HUISBJ: 2004
Ik had een vergelijkbaar probleem toen mijn BT25 door de installateur te dicht bij de 3-weg klep zat. De BT25 liep op door geleiding door de koperen leiding tijdens de SWW run. Ik had echter genoeg ruimte om hem verderop te plaatsen.J.oost schreef op maandag 5 januari 2026 @ 23:41:
[...]
Ja het systeem is ook voorzien van een buffervat, maar die zit in serie op de retour. Zie onderstaand schematisch overzicht van mijn systeem:
....
Probleem is dus het korte stukje van +/- 10 cm tot de aftakking naar de eerste vloerverwarming-verdeler. Waar zou jij BT25 plaatsen in mijn situatie? De 2 linker verdelers bevinden zich trouwens niet in de buurt van de warmtepomp installatie, de aftakkingen wel.
Mits er altijd doorstroming is (dus geen naregeling waardoor er in bepaalde gevallen geen flow meer door die aftakking gaat), lijkt het me ook geen probleem om de BT25 op 1 van de aftakkingen na de 1e T-splitsing te plaatsen. Als er genoeg doorstroming is, dan zal die temperatuur nauwelijks afwijken van voor de T-splitsing tijdens normaal bedrijf.
Nibe S2125-12, SMO S40, vrijstaande woning 190 m2 vloerverwarming (1973, gerenoveerd 2023), Zehnder Q450, 28 zonnepanelen O/W met veel schaduw, Enphase IQ8/IQ8+ micro-omvormers
@MarcKeulers dank je voor je reactie.MarcKeulers schreef op dinsdag 6 januari 2026 @ 08:53:
[...]
@Cobbuh , je offset van je curve een hoger zetten, of de graadminuten waarbij je ketel bijspringt verlagen van bv -400 naar -600. Ik persoonlijk prefereer het laatste, maar is aan jou. Je schrijft dat de wp net niet genoeg warmte levert omdat de gm oplopen … hoe is de binnenhuis temperatuur? Als die ok is zou ik zeker wat meer speling in de graadminuten zoeken …neem je tijd om te tweaken .. laat alles een week werken, deze systemen zijn traaaaaaag …
De temperatuur binnen is op moment goed, hij schommelt wel een beetje maar dat komt door de vele ontdooi runs die de warmtepomp maakt met het huidige weer.
Ik zou eens kunnen testen op het verschil maakt om de grenswaarde aan te passen wanneer de ketel bijspringt. Maar ergens heb ik het vermoeden dat de warmtepomp zich zelf limiteerd aangezien zowel de stooklijn als de compressor frequentie afhankelijk is van de buitentemperatuur. Deze is denk ik nu ongunsitg waardoor de warmtepomp de graadminutenen ook niet kan wegwerken, hij blijft dus met een hoog graadminuten getal zitten.
Nibe F2120-16/SMO40/300L / Home Assistant / Peblar EV lader / 8000Wp Enphase
Bij de kachel doe ik niets daar het gedrag is dat ik ok vindt, voor de legionella run doe ik ook niets, een compressor start meer op een week ben ik ok mee. Wellicht dat ik in de toekomst eens ga uitvogelen hoe ik het kan beïnvloeden, maar momenteel hindert het de werking niet. Sorry wellicht niet wat je wilde lezen …
NIBE SMO40 F2120-20, SE 9000 Wp, Victron 9,2 kWh
no worries ... kan er alleen niet bij in mijn hoofd aangezien de woonkamer temp 19,4 is (ingesteld op 21,5), de achterkant van de S2125 toe is aan een defrost en BT25 een meter vanaf de driewegklep zit gemonteerd.MarcKeulers schreef op dinsdag 6 januari 2026 @ 11:35:
[...]
Bij de kachel doe ik niets daar het gedrag is dat ik ok vindt, voor de legionella run doe ik ook niets, een compressor start meer op een week ben ik ok mee. Wellicht dat ik in de toekomst eens ga uitvogelen hoe ik het kan beïnvloeden, maar momenteel hindert het de werking niet. Sorry wellicht niet wat je wilde lezen …
Ik laat het systeem maar ff lekker rustig nadenken. Gelukkig schijnt de zon nu de woonkamer in voor gratis warmte.
NIBE: S2125-12 | SMO S40 | RSV-300X | UKV100 | ELK9 | PV: 4000kWh/pj | GASLOOS | VLOERVERWARMING 60m2 + 6 RADIATOREN | HUISBJ: 2004
En dat zijn de maximale vermogens zonder rekening te houden met defrosts, in de praktijk dus ca 75% daarvan indien het systeem naar behoren werkt. Na een defrost draait hij niet meteen op vol vermogen, maar hij bouwt op vanaf ca 2,5kW. Ik heb een energiemeter in serie staan😇zwollie schreef op dinsdag 6 januari 2026 @ 09:43:
[...]
ja, de -12 versie heeft maar 9,8kW thermisch vermogen bij +7 buiten en 8,5 kW bij -4 buiten. Dus geen 12 kW zoals het typenummer weergeeft.
Nibe S2125-12, SMO S40, ELK9, Vloerverwarming+radiatoren Enphase 7560Wp, ABB SCU200
Als ze netjes de Semver conventie volgen is het een patch:martius schreef op dinsdag 6 januari 2026 @ 10:04:
[...]
Het zou ze sieren als ze dat wel gaan doen. Ben het met je eens dat alleen major updates benoemd worden en dit idd alles wegheeft van een hotfix/minor update.
Given a version number MAJOR.MINOR.PATCH, increment the:
MAJOR version when you make incompatible API changes
MINOR version when you add functionality in a backward compatible manner
PATCH version when you make backward compatible bug fixes
Any errors in spelling, tact, or fact are transmission errors.
Ik begrijp deze even niet, er is per verdieping een loxone thermostaat maar geen zones? Waar grijpt de verdiepingsthermostaat dan in? Per VVW groep middels thermomotoren?Spyronamic schreef op dinsdag 6 januari 2026 @ 09:37:
[...]
[...]
Belangrijke details: elektrisch bijverwarmen staat idd permanent af, en ik heb naregeling met Loxone. Als in: per verdiep is er één thermostaat die de warmtevraag bepaalt (telkens 20 graden van 9u-22u, 19,5 graden van 22u-9u), en de vloerverwarmingcollector per verdiep wordt globaal aangestuurt (geen zones/ventielen).
Ik zelf heb mijn thermostaten in principe helemaal open en de stooklijn daarop afgestemd. Vervolgens heb ik de radiatoren en vooral vloerverwarming per circuit ingeregeld op temperatuur. Pas wanneer ik de stooklijn omhoog verschuif gaan sommige thermostaten ingrijpen om overtemperatuur te voorkomen. Sommige ruimten met radiatoren warmen moeilijk op. Zo is het warmtepomp vermogen nooit te hoog en de CV temperatuur zo laag mogelijk. Daarnaast voorkomen je pendelen omdat het apparaat altijd zijn vermogen kwijt kan (behalve wanneer het zacht is).
Nibe S2125-12, SMO S40, ELK9, Vloerverwarming+radiatoren Enphase 7560Wp, ABB SCU200
Handmatige.J.oost schreef op maandag 5 januari 2026 @ 22:37:
[...]
Klopt, maar ook vóór de eerste aftakking naar de vloerverwarming en laat die op 10 cm van de 3-weg klep zittenDaar heb ik dus nog wel een uitdaging (suggesties zijn welkom
)
Wat bedoel je precies met een 'handige compressor curve'?
Als de leiding na de aftakeling ook afgevers heeft die altijd open staan kun je BT25 wel na de aftakking zetten.
In beide afsplitsingen heerst dezelfde temperatuur, mits er tegelijkertijd doorstroming is.
BJ 2022, Nibe F2050-6 (vh AMS 10-12), SMO S40. PV 9000 Wp plat dak 10xNO, 10xZW, 5xZO. Tesla MY SR 2026. Peblar Recharge label
Iemand al geprobeerd via usb?
Ik wacht eerst even de releasenotes af....(nog niet online).
Huis BJ 2007 320m2: Nibe S2125-12 (verwarming en actieve koeling), SMO S40, Remeha Ace 35c (SWW+Hybride), Niko domotica integratie, Jaga Briza fancoils; SolarEdge 3500 Wp zuid + 3500 Wp West; 11 kW Alfen laadpaal
Als je terug leest is het hier al over gegaan. Die gaan waarschijnlijk ook niet komen, kleine patch.aandegrift schreef op dinsdag 6 januari 2026 @ 14:24:
Firmware 4.7.6 voor SMO S40:
Ik wacht eerst even de releasenotes af....(nog niet online).
Hierboven bevestigd zoals ik zelf al dacht, puur oplossing voor het SWW.
WP: NIBE S2125-12 - SMO-S40 / PV: SolarEdge 7200WP / SigenStor 17kW + 36kWh / Zeekr 7x AWD Privilege / Home Assistant / 2x Easee EV / Gardena Smart / Navimow H3000E-VF / Dreame X40 Ultra
Ik verlies zomaar 20 graden in het interne SWW vat van mijn Nibe gedurende een nacht.
Vrijstaand 1914 | Extra vloer en muurisolatie | Triple glas | WTW: in aanmaak | WP: Nibe F2120-16 + VVM310 met SMO40 + RMU40 | CV wonen: vloerverwarming, slapen: Jaga Strada DHB Hybrid | Solar: Fronius west 7.0kVA | Accu 2x HomeWizard PiB
Dank. Ook de compressor wordt dus teruggemanaged.
Nibe F2120-16/SMO40/300L / Home Assistant / Peblar EV lader / 8000Wp Enphase
Draait GP12 wel lekker door ?martius schreef op dinsdag 6 januari 2026 @ 11:52:
[...]
no worries ... kan er alleen niet bij in mijn hoofd aangezien de woonkamer temp 19,4 is (ingesteld op 21,5), de achterkant van de S2125 toe is aan een defrost en BT25 een meter vanaf de driewegklep zit gemonteerd.
Ik laat het systeem maar ff lekker rustig nadenken. Gelukkig schijnt de zon nu de woonkamer in voor gratis warmte.
BJ 2022, Nibe F2050-6 (vh AMS 10-12), SMO S40. PV 9000 Wp plat dak 10xNO, 10xZW, 5xZO. Tesla MY SR 2026. Peblar Recharge label
Jep, draait gewoon tussen de 30-100%
Ik heb natuurlijk om die reden aan weer te veel variabelen tegelijk gezet, zeker na de spontane jump van -230 naar 0 GM. Gevolg is dat de WP nu af en toe zelf uit gaat.
Compressor freq. 25-120Hz
GM default -60/400
Vermogen DOT: 10Kw
Even laten draaien met deze settings in de hoop dat er weer wat langere runs worden gemaakt. Zijn nu korter dan 50min. Hiervoor runs van 3-6uur.
Overige zoveel mogelijk standaard of dicht erbij.
NIBE: S2125-12 | SMO S40 | RSV-300X | UKV100 | ELK9 | PV: 4000kWh/pj | GASLOOS | VLOERVERWARMING 60m2 + 6 RADIATOREN | HUISBJ: 2004
RedGolf schreef op dinsdag 6 januari 2026 @ 13:13:
[...]
Ik begrijp deze even niet, er is per verdieping een loxone thermostaat maar geen zones? Waar grijpt de verdiepingsthermostaat dan in? Per VVW groep middels thermomotoren?
Ik zelf heb mijn thermostaten in principe helemaal open en de stooklijn daarop afgestemd. Vervolgens heb ik de radiatoren en vooral vloerverwarming per circuit ingeregeld op temperatuur. Pas wanneer ik de stooklijn omhoog verschuif gaan sommige thermostaten ingrijpen om overtemperatuur te voorkomen. Sommige ruimten met radiatoren warmen moeilijk op. Zo is het warmtepomp vermogen nooit te hoog en de CV temperatuur zo laag mogelijk. Daarnaast voorkomen je pendelen omdat het apparaat altijd zijn vermogen kwijt kan (behalve wanneer het zacht is).
Sorry, was misschien niet duidelijk genoeg. Heb alleen vloerverwarming, met aansturing van collector gelijkvloers en collector verdieping apart (hoe dit precies gebeurt weet ik eigenlijk niet). Elke ruimte heeft een Loxone Touch tree (en dus thermostaat), maar voor aansturing bovenverdieping wordt gemiddelde van thermostaat badkamer en slaapkamer genomen, benedenverdiep die in de inkomhal.MarcKeulers schreef op dinsdag 6 januari 2026 @ 10:21:
[...]
Dank voor het plaatje, duidelijk wat betreft de aanvoer en de twee SWW runs per dag. Je stelt dat je naregeling hebt met loxone, en de vvw globaal … heb je dus een mix van vvw en radiatoren ? Zijn die allemaal waterzijdig ingeregeld ?
Het lijkt dat je wp vol aanstaat ( zouden we kunnen zien aan de hand van de compressor frequentie ) … dat kan komen door een niet goed waterzijdig ingeregeld systeem … maar dat is maar een van de mogelijkheden …
Het “oscilleren “ van je BT71 tussen 25 en 26 kan komen doordat de sensor niet goed bevestigd is …
Wat bedoel je precies met waterzijdige inregeling? Compressorfrequentie zit al heel de week steevast tussen 40hz en 80hz
Hmmm dus BT12 zou eigenlijk altijd heel dicht bij Berekende aanvoer moeten komen? Ik haal idd amper de gewenste ruimtetemperatuur (20 graden), alleen als de zon schijnt. Met onderbemeten bedoel je niet correcte dimensionering?wickydude schreef op dinsdag 6 januari 2026 @ 10:34:
@Spyronamic Als ik het zo bekijk zou ik zeggen:
- Ta komt niet boven Tberekend waardoor de gm niet omhoog komen.
- Tr zit gewoon goed onder Ta en volgt de Ta (@MarcKeulers lijkt me geen oscilleren, Ta gaat ook omhoog en omlaag)
- Graadminuten blijven op de minimumwaarde -460 hangen, bijverwarming is waarschijnlijk geblokkeerd
Je warmtepomp doet wat ie kan, maar lijkt onvoldoende warmte het huis in te krijgen, ik zou verwachten dat je de gewenste ruimtetemperatuur niet altijd haalt. Hij is waarschijnlijk onderbemeten/heeft veel last van defrosts waardoor hij de gm niet bij kan benen.
Zie je ook waarschuwingen in de display op de SMO?
De hoeveelheid warmte die afgegeven wordt aan een vloerverwarming of radiatoren is afhankelijk van de hoeveelheid water welke er doorheen stroomt en de delta T. Waterzijdig inregelen wil zeggen dat je de flow door een vloer of radiator zo afstelt dat deze bij de ontwerp temperatuur voldoende warm wordt, maar ook niet meer. Zo zorg je ervoor dat de beschikbare warmte goed wordt verdeeld in huis.Spyronamic schreef op dinsdag 6 januari 2026 @ 18:58:
Wat bedoel je precies met waterzijdige inregeling? Compressorfrequentie zit al heel de week steevast tussen 40hz en 80hz
In theorie zijn dan geen thermostaten nodig. In de praktijk wel omdat het soms te warm kan worden bijvoorbeeld wanneer de zon schijnt. De stooklijn van de warmtepomp zorgt voor de juiste warmte.
De SMO regelt in principe op BT25 de aanvoer temperatuur van de installatie. Deze wordt gemeten na 3 weg klep en eventueel buffervat. BT12 is de temperatuur van het water wat de warmtepomp verlaat en deze is meestal hoger om verliezen aanvoer leidingen en buffervat te overbruggen.Spyronamic schreef op dinsdag 6 januari 2026 @ 18:58:
Hmmm dus BT12 zou eigenlijk altijd heel dicht bij Berekende aanvoer moeten komen? Ik haal idd amper de gewenste ruimtetemperatuur (20 graden), alleen als de zon schijnt. Met onderbemeten bedoel je niet correcte dimensionering?
Nibe S2125-12, SMO S40, ELK9, Vloerverwarming+radiatoren Enphase 7560Wp, ABB SCU200
Dat is fijn om te zien en een compliment aan allen, maar met name aan de meest actieve contributors (zonder anderen tekort te doen en in willekeurige volgorde: @Knowbody, @Aziraphale, @G-addict, @LangeFries, @format5, @DIY, @helm71, @Srednier, @magnetx3, @Piper, @Gerbenvl )
Als topicstarter overweeg ik daarom een Deel 2 te starten met een samenvatting van Deel 1 + index/FAQ zodat nieuwe lezers sneller kunnen instappen en we minder herhaling krijgen.
Ik zoek 2–4 mensen die willen helpen als “mede-auteur” (inhoudelijk, geen echte moderatie):
1) OP/structuur (kopjes, korte updates)
2) Index/ankerposts (linkjes naar de beste posts per onderwerp)
3) FAQ (veelgestelde vragen + korte antwoorden met link)
4) Meetdata/seizoen (defrost/COP/logging/instellingen per winter)
Tijdsinvestering: klein (incidenteel bijwerken).
Lijkt het je wat? Reageer even of stuur me een DM met waar je aan wilt bijdragen.
Nee, BT12 zou zoals @RedGolf al aangaf hoger moeten zijn dan BT25, die op zijn beurt weer hoger moet zijn dan de berekende Ta. De graadminuten worden berekend uit het verschil tussen berekende Ta en BT25. Negatieve graadminuten als BT25 onder berekend zit, positief als BT25 er boven zit, dan gaan de gm weer naar nul.Spyronamic schreef op dinsdag 6 januari 2026 @ 18:58:
[...]
Hmmm dus BT12 zou eigenlijk altijd heel dicht bij Berekende aanvoer moeten komen? Ik haal idd amper de gewenste ruimtetemperatuur (20 graden), alleen als de zon schijnt. Met onderbemeten bedoel je niet correcte dimensionering?
Met onderbemeten bedoel ik dat mogelijk je WP met de huidige omstandigheden onvoldoende capaciteit heeft om je huis warm te krijgen. Te kleine WP dan. Maar als je compressor tussen 40 en 80 Hz zit dan is dat nog niet zo. Max is meestal 120Hz.
Misschien eens een installateur laten kijken.
Nibe F2120-16/SMO40/300L / Home Assistant / Peblar EV lader / 8000Wp Enphase
NIBE: S2125-12 | SMO S40 | RSV-300X | UKV100 | ELK9 | PV: 4000kWh/pj | GASLOOS | VLOERVERWARMING 60m2 + 6 RADIATOREN | HUISBJ: 2004
Bij mij was de grootste factor van invloed de DOT naar -15 met een deltaT van 7 zetten. Daarmee geef je aan dat je bij die ontwerptemperatuur een deltaT van 7 wilt. Over het hele compressorbereik gaat dan verhoudingsgewijs de deltaT omlaag.
Nibe F2120-16/SMO40/300L / Home Assistant / Peblar EV lader / 8000Wp Enphase
:strip_exif()/f/image/flpEiGPKglIpaXSYTY7JVCWN.jpg?f=fotoalbum_large)