Noord-Oost-Zuid-West 11640Wp Totaal Live, Netduino advanced pv logging
Vriendelijk verzoek om de 'Wijzig' knop wat vaker te hanteren om je laatste bericht aan te passen als je iets toe te voegen hebt. Met dubbelposten is het topic wel erg snel vol
ha lekker #achterdekommageneuzel.
of seksueel mieren mishandelen (Mierenneuken), mmmmmmm
ik zie hier veel defrost's voorbijkomen, heftig.
ik heb er de afgelopen 2 weken precies 0 gehad.
7x245Wp(15 graden) + 7x245Wp(45 graden) op oost en 10x300Wp(45 graden) op west. (4kW omvormer)
Dat wordt nog eens dichtkitten binnenkort. Normaal valt dat daar niet zo op, maar nu met dit weer wél.
Handig
Zo'n infrarood thermometer is wel superhandig. Meten = weten. Al voel je zoiets ook wel natuurlijk.
8.960 Wp - 16 kW Daikin L/W - 2 x MHI L/L - gasloos sinds 2017 - Loxone - SAP/IS-U/ABAP - rijdt nog LPG ;-)
Maar jouw "buitendeel" staat dan ook niet buiten.migjes schreef op donderdag 1 maart 2018 @ 15:51:
@Rol-Co
ha lekker #achterdekommageneuzel.
of seksueel mieren mishandelen (Mierenneuken), mmmmmmm
ik zie hier veel defrost's voorbijkomen, heftig.
ik heb er de afgelopen 2 weken precies 0 gehad.
Noord-Oost-Zuid-West 11640Wp Totaal Live, Netduino advanced pv logging
Genoemd zijn de waarden bij 5kGrolsch schreef op maandag 26 februari 2018 @ 20:06:
[...]
Is niet per definitie 2 graden, verdubbeling vd flow betekent halvering vd Dt om hetzelfde afgegeven vermogen te bereiken.
Zelf berekend dus moet kloppen 😁
0599 BJ 2022, Nibe Split 12 kW, SMO S40. Getuned naar 56 Hz max, 20 lpm debiet verwarming en koeling, stille mode altijd aan.Hier verdwijnt de legionella aangroei dagelijks in het riool. 9000 Wp plat dak 10xNO, 10xZW, 5xZO
De PUHZ-SHW80VAA 230 V/8kW.
Met name tijdens de defrost periode komen er WAF klachten, omdat de woonkamer temperatuur merkbaar even dipt. Ook een goede reden is dat er 3 ruimtes in huis zijn waar we weinig komen en die toch terugzakken naar een graad of 11. Mijn oude radiatoren systeem is redelijk overbemeten, en dan kan ik die ruimtes een beetje bijstoken, dat kan nu alleen met E kachels. Vanwege thermo koppen op de radiatoren is een buffervat een must en een aparte CV pomp. Zit nog even te dubben over hoe het buffervat aan te sluiten, methode A, B of C uit www.warmtepompweetjes. Tips welkom.
Ik denk dat ik op een graad of 35 a 40 ww met name de woonkamer goed warm kan houden
Wel hier 35 A een fase, en natuurlijk E koken, maar met de 3 L/L vol in bedrijf ging dit al 3 jaar prima. Die gaan dan alleen in hoogzomer draaien voor ontvochtiging (lees echte koeling
Een deel van de installatie doe ik zelf, het name het E deel, de buiten en binnenunit en stek de installateur. En ik help een beetje mee natuurlijk. De buiten unit komt op een meter of 7 van het huis af, de gas en vloeistof leiding wil ik aanleggen in een dichtgepurde hemelwaterafvoer rond 80 of rond 100.
Voeding een ABB B 20 automaat direct vanaf de verdeler. Kabel 3x2,5 mm2
Zie ik nog iets over het hoofd? Mijn installateur komt binnenkort langs om e.e.a. door te nemen en er een prijs voor in te schieten.
Als je nergens aan begint zijn de gevolgen niet te overzien. PVoutput Officieel gasloos sinds 04-2016. 8kW VAA Zubadan (met 92L buffervat/hydraulische scheiding) voor de CV met 9 radiatoren.
Hoe zou een lw wp het doen bij een Ta van 25 of 26jerh schreef op dinsdag 27 februari 2018 @ 22:12:
verbruik wordt ongeveer gelijk aan dat van januari. Cop hier met w/w wp zal boven de 5 zitten. Bron wel iets gedaald door meer draaiuren, zit nu op 9 graden, Ta ook iets hoger, net boven de 25 graden.
Lekker warm binnen, 21.5 graden en de zonneinstraling begint steeds meer op te leveren.
Iets slechter maar hoeveel is die iets. Jij hebt denk ik geluk met je bron die ruime capaciteit heeft!
0599 BJ 2022, Nibe Split 12 kW, SMO S40. Getuned naar 56 Hz max, 20 lpm debiet verwarming en koeling, stille mode altijd aan.Hier verdwijnt de legionella aangroei dagelijks in het riool. 9000 Wp plat dak 10xNO, 10xZW, 5xZO
Daar ben ik ook benieuwd naar.Gasschuif schreef op donderdag 1 maart 2018 @ 16:44:][]Vanwege thermo koppen op de radiatoren is een buffervat een must en een aparte CV pomp. Zit nog even te dubben over hoe het buffervat aan te sluiten, methode A, B of C uit www.warmtepompweetjes. Tips welkom.
[].
Mitsubishi is daar heel duidelijk in, maar wijkt af van wp weeetjes.
[ Voor 8% gewijzigd door Naalroc op 01-03-2018 17:06 ]
14kW ZubadanPUHZ-SHW140YHA+ERSC-VM2C, 200L boiler , 200L buffer, sinds 8/2018, gasloos
Even heel kort door de bocht, ja, want het geeft geen enkele verbetering na de defrost.Verwijderd schreef op donderdag 1 maart 2018 @ 15:28:
@Oxellaar Is de conclusie dat het behalve bij te weinig koudemiddel een 'onzinnige' actie is ?
Maar het liefst zou ik het systeem op druk en temperatuur loggen, om te zien wat de defrost nu echt laat starten.
@godfriedd Ja, zou heel goed kunnen. Je Ta is ook bijzonder laag.
Er zijn ook maar heel weinig mensen tevreden met 20 graden, zeker bij dit weer wil men juist een graadje extra. Ik ken alleen een mijn ijzige schoonmoeder die daar van houdt
Zelfs een woning met een Rc van 9 (op papier) heeft vandaag en gister niet genoeg aan een aanvoer van minder dan 35.
Deze week werd naast de 17kW van de warmtepomp (W/W) en de 6kW E backup, de ketel bij geschakeld.
Was nog nooit voorgekomen in 4 jaar tijd.
Ligt eraan in welke stand hij vast staat. Helemaal open zal geen drukopbouw geven, dus veel te lage temperatuur (druk) aan de HD zijde en vloeistof aan lage druk zijde.drdnl schreef op donderdag 1 maart 2018 @ 15:30:
Heeft iemand hier wel eens ervaring gehad met een defect/verstopt expansieventiel (in de buitenunit)?
Zo ja, wat waren de symptomen?
Verstopt of helemaal dicht geeft het tegenovergestelde en soms zelfs HD storing.
Maar in beide gevallen presteert het systeem voor geen meter.
Samsung A3050/AR7000 - Elga 3.0 - ME WSH-LN25I Diamond
Ben hier wel tevreden mee...Gasschuif schreef op donderdag 1 maart 2018 @ 16:44:
Met 9,5 kW L/L WP's overweeg ik toch om een Mitsubishi Zubadan (new generation) erbij te zetten.
De PUHZ-SHW80VAA 230 V/8kW.
Met name tijdens de defrost periode komen er WAF klachten, omdat de woonkamer temperatuur merkbaar even dipt. Ook een goede reden is dat er 3 ruimtes in huis zijn waar we weinig komen en die toch terugzakken naar een graad of 11. Mijn oude radiatoren systeem is redelijk overbemeten, en dan kan ik die ruimtes een beetje bijstoken, dat kan nu alleen met E kachels. Vanwege thermo koppen op de radiatoren is een buffervat een must en een aparte CV pomp. Zit nog even te dubben over hoe het buffervat aan te sluiten, methode A, B of C uit www.warmtepompweetjes. Tips welkom.
Ik denk dat ik op een graad of 35 a 40 ww met name de woonkamer goed warm kan houden
Wel hier 35 A een fase, en natuurlijk E koken, maar met de 3 L/L vol in bedrijf ging dit al 3 jaar prima. Die gaan dan alleen in hoogzomer draaien voor ontvochtiging (lees echte koeling) of voor snel aanwarmen kan ik ze ook even inzetten.
Een deel van de installatie doe ik zelf, het name het E deel, de buiten en binnenunit en stek de installateur. En ik help een beetje mee natuurlijk. De buiten unit komt op een meter of 7 van het huis af, de gas en vloeistof leiding wil ik aanleggen in een dichtgepurde hemelwaterafvoer rond 80 of rond 100.
Voeding een ABB B 20 automaat direct vanaf de verdeler. Kabel 3x2,5 mm2
Zie ik nog iets over het hoofd? Mijn installateur komt binnenkort langs om e.e.a. door te nemen en er een prijs voor in te schieten.
Wel even naar 3-fase overstappen voor de doorstroomverwarmer (na de hygienespiraal)
En als salderen over is, stop je de PV zonnestroom warmte in het vat...
Edit: pellet cv kachel gaat er denk ik niet meer komen... (fijnstof gaat het volgende milieumisdrijf worden na dieselgate)
[ Voor 3% gewijzigd door AUijtdehaag op 01-03-2018 17:14 ]
Welke methode zegt Mitsubishi dan? Ik zeg methode ANaalroc schreef op donderdag 1 maart 2018 @ 17:04:
[...]
Daar ben ik ook benieuwd naar.
Mitsubishi is daar heel duidelijk in, maar wijkt af van wp weeetjes.
1 PVoutput . Dongen NB
En die lucht is vrijwel constant 20 graden+Verwijderd schreef op donderdag 1 maart 2018 @ 13:57:
Een woning xxx-ton wordt naar mijn idee niet even opgewarmd door zon of afgekoeld door wind, daar is de massa gewoon veel te groot voor, kijk naar de opwarming van de grond op 50cm beneden maaiveld door de seizoenen heen, dat dat niet geldt voor de lucht waar de thermometer hangt in de kamer is een ander verhaal.
Dan zal het beton binnen de schil dat ook wel zijn...!
0599 BJ 2022, Nibe Split 12 kW, SMO S40. Getuned naar 56 Hz max, 20 lpm debiet verwarming en koeling, stille mode altijd aan.Hier verdwijnt de legionella aangroei dagelijks in het riool. 9000 Wp plat dak 10xNO, 10xZW, 5xZO
Haha, ja hoor jou methode is ook prima. Zelfs die backup pellet kachel, hij is nog steeds gratis hè.
1 PVoutput . Dongen NB
Alleen Panasonic wijkt af volgens mij. Die zetten 50l in aanvoer of retour... net welk afgiftesysteem je hebt.reneeke1970 schreef op donderdag 1 maart 2018 @ 17:19:
[...]
Welke methode zegt Mitsubishi dan? Ik zeg methode A
Mitsubishi doet gewoon a een open verdeler.
Zoals @Grolsch het heeft zitten. Bedoeling is een verbindingen tussen aanvoer en retour water en een x hoeveelheid beschikbaar water.
Nefit...mitsu...pana volgens mij moet je gewoon simpel blijven denken, @Gasschuif En die verdeler gewoon als open ertussen zetten. Flow van je wp is onafhankelijk. En je afgiftesysteem kan eigen flow gebruiken. En je kan delen van systeem dicht laten lopen.
En je hebt wat water beschikbaar voor defrosts... benieuwd wie er na deze kou toch een buffertankje gaat plaatsen???!!
Zonnestroom maakt veel goed
0599 BJ 2022, Nibe Split 12 kW, SMO S40. Getuned naar 56 Hz max, 20 lpm debiet verwarming en koeling, stille mode altijd aan.Hier verdwijnt de legionella aangroei dagelijks in het riool. 9000 Wp plat dak 10xNO, 10xZW, 5xZO
Hier Rc 5 en aanvoer temp van 28 a 29 gradenOxellaar schreef op donderdag 1 maart 2018 @ 17:09:
Zelfs een woning met een Rc van 9 (op papier) heeft vandaag en gister niet genoeg aan een aanvoer van minder dan 35.
Ampera-e (60kWh) -> (66kWh)
Milieumisdrijf, mooi verwoord. Ik was ook van plan houtkachel of pelletkachel te nemen, maar na genoeg gelezen te hebben over fijnstof, burenruzies, rvs filterkasten op je dak... zie ik er toch vanaf. En zo ben ik ook weer een beetje hier terecht gekomen... je moet toch iets hebben om je bezig te houden dus die wp is mooiAUijtdehaag schreef op donderdag 1 maart 2018 @ 17:12:
[...]
Ben hier wel tevreden mee...![]()
Wel even naar 3-fase overstappen voor de doorstroomverwarmer (na de hygienespiraal)
En als salderen over is, stop je de PV zonnestroom warmte in het vat...
Edit: pellet cv kachel gaat er denk ik niet meer komen... (fijnstof gaat het volgende milieumisdrijf worden na dieselgate)
Zie ook weer op veel plaatsen de zon schijnen en mensen er alles aan doen om die warmte niet binnen te laten komen... wanneer wordt dat een milieumisdrijf?
Verwijderd
Volgens mij werkt het net andersom, een streep 27 en 30 met tussenstopsRol-Co schreef op donderdag 1 maart 2018 @ 15:46:
[...]
#achterdekommageneuzel zou @migjes zeggen
Met een beetje formaat wp kan het misschien wel beter zijn om op 30 graden 1 streep te trekken dan op 27 met spike's. Opstarten is verloren energie.
Dus zomaar zeggen dat lager altijd beter is.....
Mitsubishi zegt ook methode "A", waarvan warmtepompweetjes stelt dat dit het slechtste is.reneeke1970 schreef op donderdag 1 maart 2018 @ 17:19:
[...]
Welke methode zegt Mitsubishi dan? Ik zeg methode A
14kW ZubadanPUHZ-SHW140YHA+ERSC-VM2C, 200L boiler , 200L buffer, sinds 8/2018, gasloos
Verwijderd
Misschien eens met een IR-thermometer rond gaan, werkt waarschijnlijk verhelderend.Knowbody schreef op donderdag 1 maart 2018 @ 17:27:
[...]
En die lucht is vrijwel constant 20 graden+
Dan zal het beton binnen de schil dat ook wel zijn...!
Oxellaar schreef op donderdag 1 maart 2018 @ 17:09:
Zelfs een woning met een Rc van 9 (op papier) heeft vandaag en gister niet genoeg aan een aanvoer van minder dan 35.
Ik heb best wel matige isolatie op zich (~Rc 3,5, want monument) maar gewoon heel veel verwarmend oppervlak ten opzichte van woonoppervlak (160 vs 100) waardoor bijna alle vlakken waar energie verloren gaat naar buiten ook worden verwarmd door vloer en wandverwarming. Dan heb je dus aan een hele lage Ta genoeg blijkt hier. Hij is afgelopen dagen niet boven de 27 graden geweest. Bij wijze van experiment om te kijken of het een oplossing is tegen droge defrosts heb ik hem nu even op 31 gezet. Niet dat ik er last van heb maar ben gewoon benieuwd...
klopt helemaal, maar als je midden in een buurt woont met stevige stokers om je heen en je daarom niet normaal kan ventileren vanwege de stank is het een ander verhaal.Rol-Co schreef op zondag 25 februari 2018 @ 23:07:
[...]
Ja maar het is zo lekker om een vuuurtje te hebben toch, er zijn wel ergere dingen die slechter voor je zijn.
Je zal bij een vulkaan wonen bijv, dan heb je het niet eens meer over fijnstof.
Verwijderd
Net met Dennis gesproken.Die gaat dit uitproberen, gebruik makend van de overcapaciteit vd buiten unit.mkleinman schreef op maandag 11 december 2017 @ 15:48:
Ik kreeg trouwens nog een suggestie via de e-mail om een tweede ELGA toe tevoegen aan mijn systeem en dan in cascade of duobedrijf met beide het huis verwarmen.
Klinkt dit als idioot of zou het echt kunnen werken?
Nou uit ervaring zeg ik ook A, met als aanpassing de warme leiding van wp niet bovenin maar in het midden om de wervelingen onderin te houden. Het warmste water gaat dan altijd naar afgifte.Naalroc schreef op donderdag 1 maart 2018 @ 17:51:
[...]
Mitsubishi zegt ook methode "A", waarvan warmtepompweetjes stelt dat dit het slechtste is.
1 PVoutput . Dongen NB
Tja, als ik met deze dagen een raam op een kier zet op mijn noordkant ruik ik ook een openhaard, en dat is er maar 1. Ik vind het wel lekker ruiken eigenlijk.amarkest schreef op donderdag 1 maart 2018 @ 18:00:
[...]
klopt helemaal, maar als je midden in een buurt woont met stevige stokers om je heen en je daarom niet normaal kan ventileren vanwege de stank is het een ander verhaal.
Als ik een halve meter (vorig jaar) van de zij uitlaat van mijn pelletkachel sta ruik ik niks.
Maar zegt weinig over fijnstof natuurlijk.
Noord-Oost-Zuid-West 11640Wp Totaal Live, Netduino advanced pv logging
Omdat?Verwijderd schreef op donderdag 1 maart 2018 @ 17:49:
[...]
Volgens mij werkt het net andersom, een streep 27 en 30 met tussenstops
Als ik hem op 27 zet gaat hij pendelen, met 30 niet en een mooie streep.
Noord-Oost-Zuid-West 11640Wp Totaal Live, Netduino advanced pv logging
Verwijderd
Als je een te grote WP-capaciteit wel, maar als alles passend / volgens sommigen onderbemeten is heb je dat probleem niet.Rol-Co schreef op donderdag 1 maart 2018 @ 18:23:
[...]
Omdat?
Als ik hem op 27 zet gaat hij pendelen, met 30 niet en een mooie streep.
Vrouwtje roept net, ik ga in het achter kamertje zitten hoor!Rol-Co schreef op donderdag 1 maart 2018 @ 18:22:
[...]
Tja, als ik met deze dagen een raam op een kier zet op mijn noordkant ruik ik ook een openhaard, en dat is er maar 1. Ik vind het wel lekker ruiken eigenlijk.
Als ik een halve meter (vorig jaar) van de zij uitlaat van mijn pelletkachel sta ruik ik niks.
Maar zegt weinig over fijnstof natuurlijk.
Ik zeg hoezo?
Nou daar is het lekker warm en ruikt zo lekker!!
Daar hangt radiator die het nu iets beter doet met veertig graden.....
En het geurtje is hard hout wat ligt te smeulen...... Heerlijk
1 PVoutput . Dongen NB
Verwijderd
Balans. Nogmaals, je moet het niet te bont maken, maar met deze temperaturen kom ik niet eens in de buurt van het minimum vermogen van de warmtepomp, ook niet met 28 graden aanvoer. Dat wordt pas een "issue" als het buiten aanzienlijk warmer is en de gevraagde aanvoertemperatuur daalt. Hetzelfde geldt qua maximumvermogen, daar kom de LG nu ook bij lange na niet bij in de buurt, behoudens als het systeem koud is en hij even moet gassen om de watertemperatuur op te hogen. Het schommelt een beetje tussen de 30 en 60% over de dag heen, afhankelijk van de buitentemperatuur.Verwijderd schreef op donderdag 1 maart 2018 @ 18:25:
[...]
Als je een te grote WP-capaciteit wel, maar als alles passend / volgens sommigen onderbemeten is heb je dat probleem niet.
De LG is overigens in te stellen dat hij niet meteen bij een kleine overschrijding uitgaat. Marge is instelbaar van 2-6 graden, dus als het echt warmer buiten is zal de aanvoer wat boven het setpoint uitlopen ondanks minimum vermogen. Dan is de warmtevraag echter zo beperkt dat allemaal niet zo interessant is. Pendelen wordt daardoor een non-issue zolang het systeem en het minimum vermogen van de warmtepomp enigszins op elkaar zijn afgestemd.
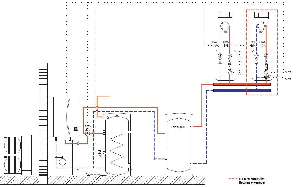
Zie hier, zomaar een van de voorbeelden van de Mitsubishi manual:reneeke1970 schreef op donderdag 1 maart 2018 @ 18:05:
[...]
Nou uit ervaring zeg ik ook A, met als aanpassing de warme leiding van wp niet bovenin maar in het midden om de wervelingen onderin te houden. Het warmste water gaat dan altijd naar afgifte.

14kW ZubadanPUHZ-SHW140YHA+ERSC-VM2C, 200L boiler , 200L buffer, sinds 8/2018, gasloos
Het gaat hier over passief bouw HJ. Daar heb je geen snars verstand van! 😎Verwijderd schreef op donderdag 1 maart 2018 @ 17:55:
[...]
Misschien eens met een IR-thermometer rond gaan, werkt waarschijnlijk verhelderend.
0599 BJ 2022, Nibe Split 12 kW, SMO S40. Getuned naar 56 Hz max, 20 lpm debiet verwarming en koeling, stille mode altijd aan.Hier verdwijnt de legionella aangroei dagelijks in het riool. 9000 Wp plat dak 10xNO, 10xZW, 5xZO
Had laatst een HD storing (na het bijvullen met koudemiddel). En systeem presteert inderdaad voor geen meter. Is een symptoom veel defrosts/ijsvorming? Daar waar koudemiddel de condensator (denk ik, achterkant buitenunit) als eerste er in gaat?Oxellaar schreef op donderdag 1 maart 2018 @ 17:09:
[...]
Ligt eraan in welke stand hij vast staat. Helemaal open zal geen drukopbouw geven, dus veel te lage temperatuur (druk) aan de HD zijde en vloeistof aan lage druk zijde.
Verstopt of helemaal dicht geeft het tegenovergestelde en soms zelfs HD storing.
Maar in beide gevallen presteert het systeem voor geen meter.
Zat vocht in de leiding, compressor en leidingen zijn al vervangen. Stel expansieventiel is ook kapot en wordt vervangen (begint hoog op mijn lijst te komen). Waar zou de slechte prestatie van een buitenunit verder aan kunnen liggen?
Bedankt sowieso, helpt enorm
Nou klopt helemaal. Ben best verrast dat jij dit zomaar tevoorschijn tovert. Meeste hier proberen te verkondigen dat het onzin is....Naalroc schreef op donderdag 1 maart 2018 @ 18:52:
[...]
Zie hier, zomaar een van de voorbeelden van de Mitsubishi manual:
[afbeelding]
1 PVoutput . Dongen NB
Verwijderd
Ik was me niet bewust van het feit dat je in een passief bouw huis woonde, gezien je energie-behoefte, maar dat heb ik dan kennelijk verkeerd ingeschat. SorryKnowbody schreef op donderdag 1 maart 2018 @ 18:55:
[...]
Het gaat hier over passief bouw HJ. Daar heb je geen snars verstand van! 😎
Het ging niet over mij huis. Ook sorryVerwijderd schreef op donderdag 1 maart 2018 @ 18:57:
[...]
Ik was me niet bewust van het feit dat je in een passief bouw huis woonde, gezien je energie-behoefte, maar dat heb ik dan kennelijk verkeerd ingeschat. Sorry
0599 BJ 2022, Nibe Split 12 kW, SMO S40. Getuned naar 56 Hz max, 20 lpm debiet verwarming en koeling, stille mode altijd aan.Hier verdwijnt de legionella aangroei dagelijks in het riool. 9000 Wp plat dak 10xNO, 10xZW, 5xZO
Ik probeer gewoon mijn huiswerk te doen, opinies te verzamelen van (ervarings) deskundigen, en dan te filterenreneeke1970 schreef op donderdag 1 maart 2018 @ 18:56:
[...]
Nou klopt helemaal. Ben best verrast dat jij dit zomaar tevoorschijn tovert. Meeste hier proberen te verkondigen dat het onzin is....
14kW ZubadanPUHZ-SHW140YHA+ERSC-VM2C, 200L boiler , 200L buffer, sinds 8/2018, gasloos
Niet te groot, gewoon voldoende. Met min 9 stond hij netjes te moduleren @ half speed, en zo zie ik het graag.Verwijderd schreef op donderdag 1 maart 2018 @ 18:25:
[...]
Als je een te grote WP-capaciteit wel, maar als alles passend / volgens sommigen onderbemeten is heb je dat probleem niet.
Vandaag al de hele dag op 31 graden en ook dan loopt het mooi, maar iets te warm in huis, ach de kids hebben vakantie dus who cares, lekker toch?
Streep of niet ?

Noord-Oost-Zuid-West 11640Wp Totaal Live, Netduino advanced pv logging
Fijn om te lezen! Inderdaad, hout en houtpellet en biomassa stook wordt, hoewel erg gezellig en leuk in je huiskamer, het nieuwe asbest cq dieselgate vanwege de milieuvervuiling en gezondheidsschade. Binnenkort krijgt de overheid ook het advies om per direct te stoppen met de pellet subsidie want ze geven een dubbel signaal af, en het enige juiste signaal is dat hout en houtpelletstook moet worden ontmoedigd en ingeperkt/verboden (hoe jammer ook voor enkele hobbyisten).Guido87 schreef op donderdag 1 maart 2018 @ 17:49:
[...]
Milieumisdrijf, mooi verwoord. Ik was ook van plan houtkachel of pelletkachel te nemen, maar na genoeg gelezen te hebben over fijnstof, burenruzies, rvs filterkasten op je dak... zie ik er toch vanaf. En zo ben ik ook weer een beetje hier terecht gekomen... je moet toch iets hebben om je bezig te houden dus die wp is mooi, en het geld van die kachel investeer ik wel in een zehnder wtw met enthalpiewisselaar.
Overigens heeft de Gezondheidsraad eind januari dat signaal ook al afgegeven naar het ministerie dat het Luchtkwaliteitsplan maakt, en daar komt binnenkort nog een advies bij van het Platform Houtrook en Gezondheid, wat ook van de overheid uitgaan.
In hout en houtpellet stook kun je beter niet meer investeren.
Verwijderd
Same here, vannacht de boel redelijk op temperatuur gehouden omdat ik vandaag vanaf huis aan het werk was, dus geen tijd om aan te warmen gedurende de dag. Nacht 18, ochtend 18,5, tegen 11u de kachel op 19 gezet. Zon veroorzaakte even een twee extra starts door aanvoer van warmte:Rol-Co schreef op donderdag 1 maart 2018 @ 19:20:
[...]
Niet te groot, gewoon voldoende. Met min 9 stond hij netjes te moduleren @ half speed, en zo zie ik het graag.
Vandaag al de hele dag op 31 graden en ook dan loopt het mooi, maar iets te warm in huis, ach de kids hebben vakantie dus who cares, lekker toch?
Streep of niet ?![]()
[afbeelding]
Max vermogen ligt schijnbaar op 3600w, normaal komt 'ie met geen mogelijkheid verder dan 3000w. Dus 't is een beetje 30-60% draaien, kalm aan, aanvoer zo'n 31-34 graden (overdag/avond). In de nacht in de silent mode is 'ie op zo'n 1500w gemaximeerd.
Verwijderd
Bij -9C op half speed, waar is dan de capaciteit op berekend ?Rol-Co schreef op donderdag 1 maart 2018 @ 19:20:
[...]
Niet te groot, gewoon voldoende. Met min 9 stond hij netjes te moduleren @ half speed, en zo zie ik het graag.
Vandaag al de hele dag op 31 graden en ook dan loopt het mooi, maar iets te warm in huis, ach de kids hebben vakantie dus who cares, lekker toch?
Streep of niet ?![]()
[afbeelding]
Die stop start stop tussen 17:00-18:00 ? , doet je thermostaat dat? En die stop om 4:00h ook ?Verwijderd schreef op donderdag 1 maart 2018 @ 19:24:
[...]
Same here, vannacht de boel redelijk op temperatuur gehouden omdat ik vandaag vanaf huis aan het werk was, dus geen tijd om aan te warmen gedurende de dag. Nacht 18, ochtend 18,5, tegen 11u de kachel op 19 gezet. Zon veroorzaakte even een twee extra starts door aanvoer van warmte:
[afbeelding]
Max vermogen ligt schijnbaar op 3600w, normaal komt 'ie met geen mogelijkheid verder dan 3000w. Dus 't is een beetje 30-60% draaien, kalm aan, aanvoer zo'n 31-34 graden (overdag/avond). In de nacht in de silent mode is 'ie op zo'n 1500w gemaximeerd.
Noord-Oost-Zuid-West 11640Wp Totaal Live, Netduino advanced pv logging
Op de aanschafprijs zonder subsidie van 400,-Verwijderd schreef op donderdag 1 maart 2018 @ 19:28:
[...]
Bij -9C op half speed, waar is dan de capaciteit op berekend ?
Noord-Oost-Zuid-West 11640Wp Totaal Live, Netduino advanced pv logging
600 KWH dan heeft je ELGA de hele maand volgas gedraaid en is deze eigenlijk ondergedimensioneerd.Tunda schreef op donderdag 1 maart 2018 @ 14:21:
Sinds vandaag draait de Elga precies 1 maand.
Deze eerste maand, meteen een goede proef(temperaturen tot -11 gehad) ongeveer 600kwh verbruikt met de Elga.
Draait meestal met 1047Watt en tijdens defrosts met 1126Watt.
We verwarmen de woning continue 24/7 tot 21graden, tot nu toe 2 keer 's nachts gehad dat de woning 20.5graad werd tijdens de koude nachten.
De CV heeft minimaal bijgestookt sinds plaatsing, intotaal 36m3, waarvan 21m3 ongeveer voor SWW zal zijn geweest.
Binnenkort wat meer temperatuur sensoren bij plaatsen icm. een raspberry voor makkelijker uitlezen van dingen.
We hebben nu bij de vloerverwarming pomp een bijna continue aanvoer van 35graden.
13,1 kWp, Ecodan R32 7,5 , WTW ventilatie, Daikin FTXM35M(R) (5x), Doorstroomverwarmer, Douche WTW, Emco Novette Twin met LFP accu 51.2V 40Ah, Opel Vivaro DC L3H1 75kW (12-2022).
Verwijderd
Verwijderd in "Lucht/Water warmtepomp om mee te verwarmen en koelen #5"Rol-Co schreef op donderdag 1 maart 2018 @ 19:29:
[...]
Op de aanschafprijs zonder subsidie van 400,-![]()
Bovenal geen koude voetjes voor die 350 euro extra boven het 5kw-model, ook niet met -15 en oostenwind zonder praktische nadelen. Op dit soort bedragen kan ik niet anders dan m'n schouders ophalen. Het bespaart al zo'n bak aan geld en energie, categorie peanuts, penny wise pound foolish, etc.Zuiniger, meer draaiuren in deellast
Meer draaiuren in deellast, langere levensduur
Meer draaiuren in deellast, minder lawaai, fijn voor de buren
Meer draaiuren in deellast, minder defrosts
Reservecapaciteit indien nodig als het écht koud is
Nachtverlaging toe kunnen passen, nu mogelijk iets voordeliger, maar zeker voordeliger als we straks geen salderingsregeling meer hebben. Voeg je een Powerwall toe geldt dit minder, maar dan scheelt het alsnog slijtage aan de accu door minder cycles.
Tapwaterbereiding duurt korter en hakt minder in op de verwarmingscapaciteit
380kwh verbruikt over februari met een 9kw unit, mooiste is nog: panelen brachten meer kwh's op

[ Voor 8% gewijzigd door Verwijderd op 01-03-2018 19:36 ]
Ik douche hier al een paar jaar met een COP1 30L boiler van 600 W op 70 graden, bevalt prima. Hier 1000 kWh "over" op jaarbasis vandaar de L/W WP in de planning. Ook nog 2 stuks 400 W plintboilers voor SWWAUijtdehaag schreef op donderdag 1 maart 2018 @ 17:12:
[...]
Ben hier wel tevreden mee...![]()
Wel even naar 3-fase overstappen voor de doorstroomverwarmer (na de hygienespiraal)
En als salderen over is, stop je de PV zonnestroom warmte in het vat...
Edit: pellet cv kachel gaat er denk ik niet meer komen... (fijnstof gaat het volgende milieumisdrijf worden na dieselgate)
Als je nergens aan begint zijn de gevolgen niet te overzien. PVoutput Officieel gasloos sinds 04-2016. 8kW VAA Zubadan (met 92L buffervat/hydraulische scheiding) voor de CV met 9 radiatoren.
Verwijderd
Hier 636kWh, en heeft gedaan waar hij voor gemaakt is. 0 CO2 productie, 0 bijverwarming, precies op maat ook de koudste dagen/nachten geen probleem.koevlaas2 schreef op donderdag 1 maart 2018 @ 19:32:
[...]
600 KWH dan heeft je ELGA de hele maand volgas gedraaid en is deze eigenlijk ondergedimensioneerd.
Welnee joh in 28 dagen kun je bij 1060 watt 712kw kwijt.koevlaas2 schreef op donderdag 1 maart 2018 @ 19:32:
[...]
600 KWH dan heeft je ELGA de hele maand volgas gedraaid en is deze eigenlijk ondergedimensioneerd.
Dus ruimte over
Hier 298,61 KW door de elga heen gegooid in Feb
[ Voor 8% gewijzigd door Daannn1987 op 01-03-2018 19:41 ]
21xDMEGC 440wp (9240) ||| Pana 9j
Defrostverlies meegerekendDaannn1987 schreef op donderdag 1 maart 2018 @ 19:41:
[...]
Welnee joh in 28 dagen kun je bij 1060 watt 712kw kwijt.
Dus ruimte over
Hier 298,61 KW door de elga heen gegooid in Feb
13,1 kWp, Ecodan R32 7,5 , WTW ventilatie, Daikin FTXM35M(R) (5x), Doorstroomverwarmer, Douche WTW, Emco Novette Twin met LFP accu 51.2V 40Ah, Opel Vivaro DC L3H1 75kW (12-2022).
Klopt, je kan zelfs het vermogen van de booster instellen zodat de telling juist verloopt.godfriedd schreef op donderdag 1 maart 2018 @ 14:38:
[...]
Ik weet niet hoe het bij jou zit @mgroen81 maar bij mij telt de Ecodan wel zelf het verbruik van het boosterelement bij zijn elektrisch verbruik op, hoewel het wel een andere groep is. Aangezien hij weet dat het een 2kW-element (in mijn geval) is en hij precies weet hoe lang hij aan staat rekent hij dat gewoon extra bij zijn zelf gemeten verbruik. Bij een legionella-run zie ik dat ook duidelijk terug in de cijfers...
Uitzetten van deze 'meting' kan ook dus wellicht bij @mgroen81 het probleem.
13,1 kWp, Ecodan R32 7,5 , WTW ventilatie, Daikin FTXM35M(R) (5x), Doorstroomverwarmer, Douche WTW, Emco Novette Twin met LFP accu 51.2V 40Ah, Opel Vivaro DC L3H1 75kW (12-2022).
Om de boel hier voldoende warm te houden zou ik een WP nodig hebben van 6.5kw.
Er staat nog wat na isolatie op de planning in de zomer en een andere vloer(plavuizen IPV. Huidige laminaat).
Eens kijken wat dat nog erbij doet.
koevlaas2 schreef op donderdag 1 maart 2018 @ 19:32:
[...]
600 KWH dan heeft je ELGA de hele maand volgas gedraaid en is deze eigenlijk ondergedimensioneerd.
Panasonic MDC05J3E5 * Hewalex PCWU 3.0 KW + 200L
Belangrijkste is redde je het gisteren en vandaag met de ELGA only ?Tunda schreef op donderdag 1 maart 2018 @ 19:51:
Scheelt ongeveer 100kwh.
Om de boel hier voldoende warm te houden zou ik een WP nodig hebben van 6.5kw.
Er staat nog wat na isolatie op de planning in de zomer en een andere vloer(plavuizen IPV. Huidige laminaat).
Eens kijken wat dat nog erbij doet.
[...]
13,1 kWp, Ecodan R32 7,5 , WTW ventilatie, Daikin FTXM35M(R) (5x), Doorstroomverwarmer, Douche WTW, Emco Novette Twin met LFP accu 51.2V 40Ah, Opel Vivaro DC L3H1 75kW (12-2022).
Zag een paar weken geleden op markplaats een pallet cv kachel, kreeg je 200 euro bij zelfsreneeke1970 schreef op donderdag 1 maart 2018 @ 17:39:
[...]
Haha, ja hoor jou methode is ook prima. Zelfs die backup pellet kachel, hij is nog steeds gratis hè.
Ik heb in de woonkamer een mooie hoek vrij, zat er voor de "sfeer" aan te denken een pallet kachel te kopen
PUHZ-SW75YAA + ERSD-VM2D, Atlantic Explorer V4 270L, WH-MDC09J + PAW-TD30C1E5-HI
Je zit met de rookgasafvoer... wil niet zon lelijke pijp door mn wand naar 2 hoog... toch geen potjeMaikie18 schreef op donderdag 1 maart 2018 @ 19:59:
[...]
Zag een paar weken geleden op markplaats een pallet cv kachel, kreeg je 200 euro bij zelfs
Ik heb in de woonkamer een mooie hoek vrij, zat er voor de "sfeer" aan te denken een pallet kachel te kopen

21xDMEGC 440wp (9240) ||| Pana 9j
Is hier al voorzien, zat vroeger een haard in de woonkamer, alles is nog in tact t/m de schoorteen met pet op het dakDaannn1987 schreef op donderdag 1 maart 2018 @ 20:03:
[...]
Je zit met de rookgasafvoer... wil niet zon lelijke pijp door mn wand naar 2 hoog... toch geen potje
Edit: maar ik kan ook gewoon rechtstreeks naar buiten?
[ Voor 7% gewijzigd door Maikie18 op 01-03-2018 20:07 ]
PUHZ-SW75YAA + ERSD-VM2D, Atlantic Explorer V4 270L, WH-MDC09J + PAW-TD30C1E5-HI
Elga kan s nachts op vol vermogen de kamer niet op 21 graden houden s ochtends staat thermostaat op 20.5 en hersteld zich rond 10/11 uur naar 21 graden. Gisteren temperaturen van -10 gehad, en momenteel -6 en loopt nog licht op.koevlaas2 schreef op donderdag 1 maart 2018 @ 19:54:
[...]
Belangrijkste is redde je het gisteren en vandaag met de ELGA only ?
Wat mij betreft is de ELGA in staat om de CV over te nemen.
Panasonic MDC05J3E5 * Hewalex PCWU 3.0 KW + 200L
Even geduld, ik wacht nog op c.a 15 deelnemers
Dan vind ik het heel bizar dat je 600kw verbruikt heb... ? Hoe dan?Tunda schreef op donderdag 1 maart 2018 @ 20:07:
[...]
Elga kan s nachts op vol vermogen de kamer niet op 21 graden houden s ochtends staat thermostaat op 20.5 en hersteld zich rond 10/11 uur naar 21 graden. Gisteren temperaturen van -10 gehad, en momenteel -6 en loopt nog licht op.
Wat mij betreft is de ELGA in staat om de CV over te nemen.
Ik heb de helft verbruikt en stook dezelfde temperaturen maar heb vanacht ook een zakkertje gehad naar 20.5
21xDMEGC 440wp (9240) ||| Pana 9j
Nou gewoon doen nu het nog kan. Altijd handig als backup of als stroom te duur word. Ik heb hem ook op de buffer staan dus ik switch zo om indien nodig.Maikie18 schreef op donderdag 1 maart 2018 @ 19:59:
[...]
Zag een paar weken geleden op markplaats een pallet cv kachel, kreeg je 200 euro bij zelfs
Ik heb in de woonkamer een mooie hoek vrij, zat er voor de "sfeer" aan te denken een pallet kachel te kopen
1 PVoutput . Dongen NB
En dat zonder CV? Enkel verwarmen met ELGA?Daannn1987 schreef op donderdag 1 maart 2018 @ 20:11:
[...]
Dan vind ik het heel bizar dat je 600kw verbruikt heb... ? Hoe dan?
Ik heb de helft verbruikt en stook dezelfde temperaturen maar heb vanacht ook een zakkertje gehad naar 20.5
Hier een woning uit 1991, met 110m3 oppervlakte, 2 onder 1 kap
Panasonic MDC05J3E5 * Hewalex PCWU 3.0 KW + 200L
Ja enkel met de ELGATunda schreef op donderdag 1 maart 2018 @ 20:16:
[...]
En dat zonder CV? Enkel verwarmen met ELGA?
Hier een woning uit 1991, met 110m3 oppervlakte, 2 onder 1 kap
Woning uit 2002, 140m2 oppervlakte 2 onder 1 kap.
Wel WTW-d ventilatie
21xDMEGC 440wp (9240) ||| Pana 9j
Ik heb hem achter de pelletkachel op 80 cm hoog door de muur en klaar.Daannn1987 schreef op donderdag 1 maart 2018 @ 20:03:
[...]
Je zit met de rookgasafvoer... wil niet zon lelijke pijp door mn wand naar 2 hoog... toch geen potje
Geen lange pijpen dus.
Noord-Oost-Zuid-West 11640Wp Totaal Live, Netduino advanced pv logging
Isolatie zal verschillen, hier alleen mechanische ventilatie type C.Daannn1987 schreef op donderdag 1 maart 2018 @ 20:17:
[...]
Ja enkel met de ELGA
Woning uit 2002, 140m2 oppervlakte 2 onder 1 kap.
Wel WTW-d ventilatie
Meeste isolatie hier is zoals vanuit de bouw.
Behalve dat alle kozijnen kunststof zijn en overal HR++.
En een laminaatvloer voor wat dat uitmaakt.
[ Voor 5% gewijzigd door Tunda op 01-03-2018 20:26 ]
Panasonic MDC05J3E5 * Hewalex PCWU 3.0 KW + 200L
Ja HR++ dat wil ik ook nog een keer... Veel baat bij?Tunda schreef op donderdag 1 maart 2018 @ 20:25:
[...]
Isolatie zal verschillen, hier alleen mechanische ventilatie type C.
Meeste isolatie hier is zoals vanuit de bouw.
Behalve dat alle kozijnen kunststof zijn en overal HR++.
Grote kans dat hij 't dan helemaal met 2 vingers in de neus af kan..
hier is alles nog vanaf de bouw houten kozijnen maar heb net alles laten schilderen 1,5 jaar terug
21xDMEGC 440wp (9240) ||| Pana 9j
Je kan alleen je glas vervangen voor hr++?Daannn1987 schreef op donderdag 1 maart 2018 @ 20:26:
[...]
Ja HR++ dat wil ik ook nog een keer... Veel baat bij?
Grote kans dat hij 't dan helemaal met 2 vingers in de neus af kan..
hier is alles nog vanaf de bouw houten kozijnen maar heb net alles laten schilderen 1,5 jaar terug
Zat ik ook aan te denken, om deze op het buffervat aan te sluiten maar ik weet niet of je die pallet kachel dan wel kan gebruiken als buffer al op temperatuur is bijvoorbeeld. Ik kan vanuit de woonkamer door de muur naar de keuken en via de keuken naar de garage waar ik het buffervat kan plaatsen (ja staat nog steeds ongebruikt in de garage)reneeke1970 schreef op donderdag 1 maart 2018 @ 20:16:
[...]
Nou gewoon doen nu het nog kan. Altijd handig als backup of als stroom te duur word. Ik heb hem ook op de buffer staan dus ik switch zo om indien nodig.
PUHZ-SW75YAA + ERSD-VM2D, Atlantic Explorer V4 270L, WH-MDC09J + PAW-TD30C1E5-HI
Daarnaast lukt het niet om de aanvoertemperatuur boven de 32 graden te krijgen, terwijl nu een Ta van 37 graden wordt gevraagd. De installateur weet het ook niet. Heeft iemand van jullie een idee waardoor de vele defrosts worden veroorzaakt en waarom de aanvoertemperatuur achter blijft? Bij -10 moet de unit nog fluitend 10.8 kw vermogen kunnen leveren.
Het hele probleem van methode C is dat de keikoude retour rechtstreeks in de retour van de WP gaat, dat is vragen om problemen,
Die website warmtepompweetjes is niet helemaal actueel.
@Ayous heb je iets van logging, gebruik je een buffervat, wat is je afgiftesysteem
Verwijderd
Wat is je deltaT/Tr ?Ayous schreef op donderdag 1 maart 2018 @ 20:40:
Ik kijk wat jaloers naar jullie lage verbruiken.Heb zelf sinds december een Fujitsu Waterstage WH11 HT draaien die zelfs nu met lage luchtvochtigheid om de 30 minuten een defrost heeft. Alle groepen staan open en staan 'warmtevragend', dus daar kan het niet aanliggen.
Daarnaast lukt het niet om de aanvoertemperatuur boven de 32 graden te krijgen, terwijl nu een Ta van 37 graden wordt gevraagd. De installateur weet het ook niet. Heeft iemand van jullie een idee waardoor de vele defrosts worden veroorzaakt en waarom de aanvoertemperatuur achter blijft? Bij -10 moet de unit nog fluitend 10.8 kw vermogen kunnen leveren.
Ik gebruik geen buffervat, heb ook geen logging. Het verbruik is erg hoog. 75 kWh over het afgelopen etmaal.Grolsch schreef op donderdag 1 maart 2018 @ 20:41:
M.b.t. buffervat heb ik ook methode A, net zoals Mitsubishi aangeeft, en zoals de ervaringsdeskundigen hier aangeven, en zoals iemand aangaf de aanvoer vanuit WP onder aanvoer richting afgifte.
Het hele probleem van methode C is dat de keikoude retour rechtstreeks in de retour van de WP gaat, dat is vragen om problemen,
Die website warmtepompweetjes is niet helemaal actueel.
@Ayous heb je iets van logging, gebruik je een buffervat, wat is je afgiftesysteemEen beetje info graag gewenst
Hoeveel vermogen trekt de WP
Beneden VV, boven en op zolder LT convectoren. Heb nu alles open, maar zoals gezegd blijft de aanvoertemperatuur achter om het boven ook gerieflijk te houden.
Gebruik je een thermostaat?Ayous schreef op donderdag 1 maart 2018 @ 20:47:
[...]
Ik gebruik geen buffervat, heb ook geen logging. Het verbruik is erg hoog. 75 kWh over het afgelopen etmaal.
Beneden VV, boven en op zolder LT convectoren. Heb nu alles open, maar zoals gezegd blijft de aanvoertemperatuur achter om het boven ook gerieflijk te houden.
En stuur je op ruimte temperatuur in de woonkamer?
Verwijderd
Het suggereert naar mijn idee, ondanks dat je zegt dat alles openstaat, op een flow probleem. In het begin bij mezelf een verkeerd om aangesloten verdeler gehad. Is het aantal l/h af te lezen ?
Ja, gebruik het Domuz systeem voor de naregeking. Heb de WAR nu helemaal uitgeschakeld en de besturing op 100% ruimteafhankelijk gesteld.Ramon_1984 schreef op donderdag 1 maart 2018 @ 20:48:
[...]
Gebruik je een thermostaat?
En stuur je op ruimte temperatuur in de woonkamer?
Boven heeft elke kamer een eigen thermostaat.
Mijn geschat verbruik is zo'n 1500 kWh over februari, vraag me af of ik hier de topscore te pakken heb.
Het is wel heel erg moeilijk meten als je geen dedicated kWh meters hebt zoals ik. Nog veel werk dit jaar in ieder geval.
8.960 Wp - 16 kW Daikin L/W - 2 x MHI L/L - gasloos sinds 2017 - Loxone - SAP/IS-U/ABAP - rijdt nog LPG ;-)
Ja, er zitten van die draaiknoppen op waarmee je de flow kan finetunen. Die staan op ongeveer 2 liter afgesteld.Verwijderd schreef op donderdag 1 maart 2018 @ 20:51:
[...]
Het suggereert naar mijn idee, ondanks dat je zegt dat alles openstaat, op een flow probleem. In het begin bij mezelf een verkeerd om aangesloten verdeler gehad. Is het aantal l/h af te lezen ?
Hier bij aankoop van de woning alles meteen gedaan. Dus het verschil durf ik niet te zeggen.Daannn1987 schreef op donderdag 1 maart 2018 @ 20:26:
[...]
Ja HR++ dat wil ik ook nog een keer... Veel baat bij?
Grote kans dat hij 't dan helemaal met 2 vingers in de neus af kan..
hier is alles nog vanaf de bouw houten kozijnen maar heb net alles laten schilderen 1,5 jaar terug
Als ik hier naar de buren kijk en met hun praat is er wel een wereld van verschil. Die woningen hebben gehele bovenverdieping nog enkel glas. Ijspegels staan daar aan de binnenkant van kozijn.
Wat ligt er bij jullie op de vloer? Hier laminaat(kleine gedeeltes plavuizen) en voor mijn gevoel maakt dat een
Wereld van verschil
Panasonic MDC05J3E5 * Hewalex PCWU 3.0 KW + 200L
Ja, stuur nu idd volledig op thermostaat.
Verwijderd
Hoeveel groepen * 2l =Ayous schreef op donderdag 1 maart 2018 @ 20:53:
[...]
Ja, er zitten van die draaiknoppen op waarmee je de flow kan finetunen. Die staan op ongeveer 2 liter afgesteld.
Verwijderd
Hij stopt niet uit zichzelf en pendelen doet het hier niet, dus yeah dat is de nest. Ik voer meer warmte in dan er verbruikt wordt, dan ook niet anders, anders had ik 24x7 door moeten stoken en kan ik geen nachtverlaging toepassen. Dit leidt dus onherroepelijk tot wat extra start en stopsRol-Co schreef op donderdag 1 maart 2018 @ 19:29:
[...]
Die stop start stop tussen 17:00-18:00 ? , doet je thermostaat dat? En die stop om 4:00h ook ?
Klopt, maar dat gaat niet zonder te schilderen neem ik aan ?Ramon_1984 schreef op donderdag 1 maart 2018 @ 20:32:
[...]
Je kan alleen je glas vervangen voor hr++?
Ah top goeie actieTunda schreef op donderdag 1 maart 2018 @ 20:53:
[...]
Hier bij aankoop van de woning alles meteen gedaan. Dus het verschil durf ik niet te zeggen.
Als ik hier naar de buren kijk en met hun praat is er wel een wereld van verschil. Die woningen hebben gehele bovenverdieping nog enkel glas. Ijspegels staan daar aan de binnenkant van kozijn.
Wat ligt er bij jullie op de vloer? Hier laminaat(kleine gedeeltes plavuizen) en voor mijn gevoel maakt dat een
Wereld van verschil
Nu ben ik een freak..
Hier is de VVW ingefreesd en er ligt plak pvc bovenop.
Ingefreesd heeft voordelen en nadelen, geeft snel warmte af maar buffert wat minder dan dat het gestort is in de deklaag.. Ik vind het eigenlijk wel prima.. de warmte ebt nooit lang door
[ Voor 8% gewijzigd door Daannn1987 op 01-03-2018 20:56 ]
21xDMEGC 440wp (9240) ||| Pana 9j
[...]
Klopt, maar dat gaat niet zonder te schilderen neem ik aan ?
[...]
Alleen je glas latten, meer niet.
En als je dan je glas latten in de lijn olie verf zet, dan hoef je dat de komende 10 jaar niet meer te schilderen.
Verwijderd
Die deltaT van 5 is een gemiddelde naar ik aanneem. Als je met IR thermometer de individuele groepen meet, zijn de Tr waardes dan ongeveer gelijk ?
Bij mij is het ook zo dat als de kamertemperatuur gelijk is aan de ingestelde temperatuur, hij er helemaal meer stopt. Als het geforceerd wordt door met wat ijs op de thermostaat, de kamertemperatuur gelijk te brengen aan de ingestelde temp, gaat de elga stoppen. Wanneer het 0,2 graden kouder is begint hij weer (op vol vermogen). Zijn er andere elga gebruikers die dit ook zo kunnen forceren, door de thermostaat even te koelen zodat het gelijk word aan de ingestelde temperatuur?
Ik zit nu in datzelfde stadium en ben me op een verwarmingssysteem aan het oriënteren. Jouw installatie lijkt regeltechnisch helemaal niet verkeerd. Is er ergens een post waarin jouw systeem beschreven staat? En dan ben ik vooral geïnteresseerd in je type WP, wel/geen buffervat, en de ruimteregelingen. Hoe wordt er geregeld en waar/hoe heb je temperatuuropnemers geplaatst?Grolsch schreef op donderdag 1 maart 2018 @ 08:05:
[...]
Warmteverlies is warmteverliesDat gehobbel in mijn grafiek dat is de naregeling die constant open en dicht gaat voor in totaal 9 verschillende ruimtes met als gevolg dat elke ruimte exact op de temperatuur is die wij willen en comfortabel vinden
Ik ben toch blij dat ik me voor aanschaf van de WP me er goed in verdiept heb en mede door jullie advies (![]()
![]()
) heeft dit ervoor gezorgd dat het exact werkt zoals bedacht zonder problemen
WP: ME PUHZ-SW75YAA + ERSD-VM2D + EV-WP-TWS-1W 300; AC: ME MXZ-2F42VF + 2x MSZ-LN25VGV; PV: 14.08 kWp O/W + SMA STP 8.0; Vent: Zehnder Q600 ERV + Ubbink AirExcellent.
Goed te weten.. bedankt voor extra hersenspinselsRamon_1984 schreef op donderdag 1 maart 2018 @ 20:58:
[quote]Daannn1987 schreef op donderdag 1 maart 2018 @ 20:55:
[...]
Klopt, maar dat gaat niet zonder te schilderen neem ik aan ?![]()
[...]
Alleen je glas latten, meer niet.
En als je dan je glas latten in de lijn olie verf zet, dan hoef je dat de komende 10 jaar niet meer te schilderen.
Eerst dit jaar even trouwen (voor die bedragen kun je je woning energieneutraal maken).
Dan hoop ik dit jaar nog aan de zonnepanelen te kunnen... en dan kijken we wel weer verder.
21xDMEGC 440wp (9240) ||| Pana 9j
Zo'n IR meter heb ik niet. Dit is wat ik aflees vd display vd binnenunit.Verwijderd schreef op donderdag 1 maart 2018 @ 20:58:
[...]
Die deltaT van 5 is een gemiddelde naar ik aanneem. Als je met IR thermometer de individuele groepen meet, zijn de Tr waardes dan ongeveer gelijk ?
EDIT: ik kan wel gewoon in de meterkast het element uitschakelen, maar ben bang dat hij dan in storing schiet terwijl ik lig te slapen en bevriest... Leuk, zo'n mono!
[ Voor 12% gewijzigd door blauwemac op 01-03-2018 21:05 ]
Pana WH-MDC05f3e5 / 2700Wp / Nefit gasketel 2000 voor SWW / Vermont Castings Encore
Verwijderd
Misschien morgen in de bouwmarkt voor 10-15 zo'n ding aanschaffen om te checken of er geen 'grote' onbalans in die temperaturen zit. Neem dan ook een rolletje PVC-tape mee om op de leidingen te plakken anders zijn de meetwaardes van die leidingen erg onbetrouwbaar.Ayous schreef op donderdag 1 maart 2018 @ 21:00:
[...]
Zo'n IR meter heb ik niet. Dit is wat ik aflees vd display vd binnenunit.
Het is eerder andersom. Mijne kan niet lager dan 50 graden en word in buffer gemengd naar 40 met 33 retour ongeveer.Maikie18 schreef op donderdag 1 maart 2018 @ 20:39:
[...]
Zat ik ook aan te denken, om deze op het buffervat aan te sluiten maar ik weet niet of je die pallet kachel dan wel kan gebruiken als buffer al op temperatuur is bijvoorbeeld. Ik kan vanuit de woonkamer door de muur naar de keuken en via de keuken naar de garage waar ik het buffervat kan plaatsen (ja staat nog steeds ongebruikt in de garage)
1 PVoutput . Dongen NB
Zal ik doen, moet ik dan meten op de buizen onder de verdeler?Verwijderd schreef op donderdag 1 maart 2018 @ 21:03:
[...]
Misschien morgen in de bouwmarkt voor 10-15 zo'n ding aanschaffen om te checken of er geen 'grote' onbalans in die temperaturen zit. Neem dan ook een rolletje PVC-tape mee om op de leidingen te plakken anders zijn de meetwaardes van die leidingen erg onbetrouwbaar.
En wat zeggen die meetwaardes dan?
Verwijderd
Als de onderzijde de retour is ja, niet elke verdeler is qua boven- onderzijde gelijk.Ayous schreef op donderdag 1 maart 2018 @ 21:06:
[...]
Zal ik doen, moet ik dan meten op de buizen onder de verdeler?
En wat zeggen die meetwaardes dan?
Radiatoren geven hun warmte veel sneller af dan je vv. Je dient de Tr van alle afgifte-onderdelen bij volledig geopende thermostaten identiek te hebben, dan krijgt de WP de 'werkelijkheid' van de situatie te zien. En ieder onderdeel krijgt de hoeveelheid water, niet standaard 2l, die bij de eigenschappen van dat onderdeel passen.
[ Voor 7% gewijzigd door Verwijderd op 01-03-2018 21:12 ]
Als element in komt pakt ie 4000 watt hoor. En hij bevriest niet want water blijft altijd circuleren.blauwemac schreef op donderdag 1 maart 2018 @ 21:02:
Net even mijn getallen bekeken voor het maandoverzicht. Tot mijn schrik heeft het element in twee dagen 15 KWh gebruikt. Dat was dus wat er gebeurde toen mijn youless ineens van bijna 1500 naar bijna 1800 watt versprong. Kennelijk is er onder een bepaalde buitentemperatuur, bij -7, ineens voldaan aan het vereiste om met COP 1 mee te mogen bakken, waarschijnlijk in combinatie met het vereiste dat de gevraagde Ta bij lange niet gehaald werd. Op zich scheelt het op mijn maandCOP niet zo veel die gaat hierdoor van 3,2 naar 3,1. Eens kijken of ik dat ergens in een instelling kan onderdrukken!
EDIT: ik kan wel gewoon in de meterkast het element uitschakelen, maar ben bang dat hij dan in storing schiet terwijl ik lig te slapen en bevriest... Leuk, zo'n mono!
1 PVoutput . Dongen NB
Lijkt me dan handig dat ik dit met de installateur opmeet.Verwijderd schreef op donderdag 1 maart 2018 @ 21:10:
[...]
Als de onderzijde de retour is ja, niet elke verdeler is qua boven- onderzijde gelijk.
Radiatoren geven hun warmte veel sneller af dan je vv. Je dient de Tr van alle afgifte-onderdelen bij volledig geopende thermostaten identiek te hebben, dan krijgt de WP de 'werkelijkheid' van de situatie te zien. En ieder onderdeel krijgt de hoeveelheid water, niet standaard 2l, die bij de eigenschappen van dat onderdeel passen.
Kunnen 'slechte flows' de problemen met vele defrosts en achterblijvende Ta verklaren?
Pana WH-MDC05f3e5 / 2700Wp / Nefit gasketel 2000 voor SWW / Vermont Castings Encore
Dit topic is gesloten.
Geen houtstook / pelletkachels gereutel in dit topic.