Eilandbedrijf met netondersteuning , all-electric || Deye 12KSG04LP3 met 580Ah-LFP 51,2V (Seplos 3x48100-10C +48200-10E) || hulp-Deye 12k SG04LP3 met 280Ah-LFP 51,2V || 19.4 kWp PV || Zonneplan EPEX-klant
ook met 10kw model krijg ik hetzelfde advies op de tweede stringDomba schreef op donderdag 20 maart 2025 @ 10:10:
[...]
als die zelfde advies geeft voor 10kw model, je PV is met 25 panelen ook 350Wp meer dan max van de SUN-8K-SG04LP3-EU.
ik tel 430kwp * 25 = 10750 terwijl de 8k versie 12000kw aankan, dus dan zit ik er toch ruim onder?
De vraag is haal je met de orientatie en helling van de panelen ook daadwerkelijk de max 13A in de praktijk voor MPPT2
Eilandbedrijf met netondersteuning , all-electric || Deye 12KSG04LP3 met 580Ah-LFP 51,2V (Seplos 3x48100-10C +48200-10E) || hulp-Deye 12k SG04LP3 met 280Ah-LFP 51,2V || 19.4 kWp PV || Zonneplan EPEX-klant
https://www.deyeinverter....n5-6-8-10-12ksg04lp3.html
de panelen liggen op plat dak met 1 string oost en 1 string west. In welke gevallen wordt die maximum stroom behaald?
Die van mij komt van deze sitepricewatcherke schreef op donderdag 20 maart 2025 @ 10:49:
jouw datasheet bevat andere cijfers dan wat ik hier zie
https://www.deyeinverter....n5-6-8-10-12ksg04lp3.html
zien er vergelijkbaar uit, alleen kan niet zien welke de nieuwere is
Max haal je op ZOZ tot ZWZ met helling van 30-40 graden.en in voorjaar bij koude lucht temperatuur, maar dat is voor vermogen, daar voltage een sterkere negatieve coefficient heeft dan de positieve van ampere.de panelen liggen op plat dak met 1 string oost en 1 string west. In welke gevallen wordt die maximum stroom behaald?
met lage hoek oost-west haal je volgens mij geen 1000W/m2 op enig moment als plots zon op koude nog niet opwerk temperatuur paneel zou komen in Nederland
Eilandbedrijf met netondersteuning , all-electric || Deye 12KSG04LP3 met 580Ah-LFP 51,2V (Seplos 3x48100-10C +48200-10E) || hulp-Deye 12k SG04LP3 met 280Ah-LFP 51,2V || 19.4 kWp PV || Zonneplan EPEX-klant
Ik wil hem tot 25 amp terug laten leveren aan het net (samen met andere omvormer ),en als hij die grens bereikt het overige PV vermogen naar de accu .
Kan hij dit?
1 PVoutput . Dongen NB
Het is OF laden, OF ontladen.
Komt er meer stroom uit PV binnen, dan je verbruikt, dan wordt de accu geladen. Genereer je minder stroom uit PV dan je verbruikers nodig hebben, dan kan je in de software de keuze maken, ontladen uit accu of van grid afnemen.
Als je PV op de MPPT's hebt kan je prioriteit aangeven eerst de accu of load/verbruikers of export.
Het is afhankelijk van je setup, waar je externe PV met eigen omvormer hebt zitten, aan gridzijde, op microinverter poort, max 4kW/fase of load, die is namelijk al AC en die kan je beter de verbruikers mee voorzien en de PV op de Deye MPPT's als 1st de accu laten laden, zodat de accu aanvult. Heb je aan gridzijde zou je als 1st load/verbruikers met de PV op de Deye kunnen voorzien, het scheelt iets in effcientie, 6% verlies voor terugleveren uit accu vs 3-4% vanuit PV op de MPPT's van Deye naar load. Je wilt voorkomen dat externe PV die al AC is nog omgezet wordt naar DC vanwege je keuze/setup.
Eilandbedrijf met netondersteuning , all-electric || Deye 12KSG04LP3 met 580Ah-LFP 51,2V (Seplos 3x48100-10C +48200-10E) || hulp-Deye 12k SG04LP3 met 280Ah-LFP 51,2V || 19.4 kWp PV || Zonneplan EPEX-klant
Volgens mij is het meer dat ze maar geschikt zijn om 1 kant (goed) stroom af te schakelen.BenSKIP schreef op woensdag 19 maart 2025 @ 10:25:
[...]
Een GROOT nadeel, want als ze trippen kan er vanuit de andere kant alsnog stroom gaan lopen.
Heeft meestal te maken met de opbouw van de kamer om de vlamboog te doven.
Kans bestaat als hij een kortsluiting moet afschakelen en de stroom loopt de "verkeerde" kant op dat de vlamboog gewoon blijft staan.
Waarom zet je GBB dan niet op solarman met Deyecloud als backup?marc0_ schreef op woensdag 19 maart 2025 @ 23:48:
Een vraagje over de aansturing van de batterij. Op dit moment gebruik ik GBB hiervoor. Echter krijg regelmatig foutmelding communicatie via Deyecloud. Waardoor de batterij niet optimaal handelt omdat hij soms te laat start met het ontladen of te laden (omdat geen verbinding).
Nu dacht ik aangezien Bliq inmiddels aansturing ondersteunt van Deye en je dan via Frank energie toegang krijgt tot de (passieve) onbalansmarkt dat dit wellicht interessant kan zijn en vooral die onbalans veel extra waarde op zou moeten leveren. Tijdelijk dat wel, want je leest steeds vaker dat ze handel met thuisbatterijen aan banden willen leggen. Helaas offerte inmiddels binnen en het plaatsen van alleen de communicatie module gaat al €975 kosten (los van de abonnementskosten van €12/mnd). Is toch wel veel geld voor ook nog eens een partij die zich eerst moet bewijzen óf ze wel zo goed zijn in het handelen (en al eens failliet is gegaan).
Iemand met nog andere toegankelijke alternatieven?
Wat is het verschil met een powerbox pro?Seeyah schreef op donderdag 20 maart 2025 @ 18:23:
Heeft er iemand al succes gehad met de Dyness Powerbox G2 te koppelen met de Deye omvormer? Ik krijg de communicatie maar niet op gang. Icoon van de accu blijft geel knipperen tenzij ik de Lithium mode op 02 zet. Dan knippert het icoon half groen maar de communicatie klopt nog steeds niet.
Deye battery setting op 00 en com kabel op com in (CAN) met dipswitch op 0010, slaves 0000
Edit groen knipperen is dat bij Dyness niet standby en nog een knop moet drukken om accu op te starten?
[ Voor 9% gewijzigd door Domba op 20-03-2025 19:24 ]
Eilandbedrijf met netondersteuning , all-electric || Deye 12KSG04LP3 met 580Ah-LFP 51,2V (Seplos 3x48100-10C +48200-10E) || hulp-Deye 12k SG04LP3 met 280Ah-LFP 51,2V || 19.4 kWp PV || Zonneplan EPEX-klant
Even geprobeerd met Dip op 0010, dan geeft hij geen geel knipperend maar de gegevens van batterij en omvormer komen niet overeen.
Domba schreef op donderdag 20 maart 2025 @ 19:05:
[...]
Wat is het verschil met een powerbox pro?
Deye battery setting op 00 en com kabel op com in (CAN) met dipswitch op 0010, slaves 0000
Edit groen knipperen is dat bij Dyness niet standby en nog een knop moet drukken om accu op te starten?
Load en grid zitten met een paar relais aan elkaar vast, daar valt grid-connected weinig in te variëren.sailor_dg schreef op woensdag 19 maart 2025 @ 19:01:
Mooi dat de eerdere verwarring op het forum ook nu weer terugkomt op deze vraag. Domba gaf volgens mij eerder aan dat pass through alleen werkt wanneer de unit uitstaat. Maar dat de load uitgang wel meer kan dan het omvormer vermogen.
Je hebt communicatie in CAN ziiten en zat erbij de Dyness communicatiekabel met labels?Seeyah schreef op donderdag 20 maart 2025 @ 19:36:
Volgens de manual moet de DIP op 0000 staan voor Deye. Hij knippert op een half logo wat wil zeggen dat de SoC 50% is. Volgens de omvormer is de SoC 100% met een temperatuur van -100°.
Even geprobeerd met Dip op 0010, dan geeft hij geen geel knipperend maar de gegevens van batterij en omvormer komen niet overeen.
[...]
Ik heb nog geen G2 gezien, bij de B4850, powerbox F/Pro en BX51100 is het met 0010 dipswitch setting en 00 protocol in Deye menu.
Er zijn ook grappen met die dyness zoals B4850 dat de kabel goed om moet zitten en je meegeleverde moet gebruiken omdat aan Deye zijde 2 kortgesloten zijn naast de twee die je voor de CAN benodigd.
Eilandbedrijf met netondersteuning , all-electric || Deye 12KSG04LP3 met 580Ah-LFP 51,2V (Seplos 3x48100-10C +48200-10E) || hulp-Deye 12k SG04LP3 met 280Ah-LFP 51,2V || 19.4 kWp PV || Zonneplan EPEX-klant
Jij maakt er altijd zon moeilijk verhaal van haha.Domba schreef op donderdag 20 maart 2025 @ 18:08:
@reneeke1970 Dat kan, je regelt wat het net opgaat met max sell power en dat kan tot 15kW in oudere firmware en in nieuwere tot 24kW als externe PV met eigen omvormer niet gridzijdig is
Als je PV op de MPPT's hebt kan je prioriteit aangeven eerst de accu of load/verbruikers of export.
Het is afhankelijk van je setup, waar je externe PV met eigen omvormer hebt zitten, aan gridzijde, op microinverter poort, max 4kW/fase of load, die is namelijk al AC en die kan je beter de verbruikers mee voorzien en de PV op de Deye MPPT's als 1st de accu laten laden, zodat de accu aanvult. Heb je aan gridzijde zou je als 1st load/verbruikers met de PV op de Deye kunnen voorzien, het scheelt iets in effcientie, 6% verlies voor terugleveren uit accu vs 3-4% vanuit PV op de MPPT's van Deye naar load. Je wilt voorkomen dat externe PV die al AC is nog omgezet wordt naar DC vanwege je keuze/setup.
Externe PV mag de accu niet in. De deye moet met zijn clamp's meten hoeveel amp er per fase terug geleverd word. Is dit bv 20 amp, dan mag hij het aanvullen tot 25 amp, en als hij dan nog meer vermogen over heeft vanaf zijn eigen mppt ,dan mag dat de accu in.
Of ben ik dan misschien verplicht de externe omvormers op de deye aan te sluiten?
1 PVoutput . Dongen NB
De externe PV als die niet al te groot is mag ook nog op 2 verschillende ingangen achter de Deye zitten, zodat ze ook beschikbaar zijn in eiland/off-grid mode.reneeke1970 schreef op donderdag 20 maart 2025 @ 19:52:
[...]
Jij maakt er altijd zon moeilijk verhaal van haha.
Externe PV mag de accu niet in. De deye moet met zijn clamp's meten hoeveel amp er per fase terug geleverd word. Is dit bv 20 amp, dan mag hij het aanvullen tot 25 amp, en als hij dan nog meer vermogen over heeft vanaf zijn eigen mppt ,dan mag dat de accu in.
Of ben ik dan misschien verplicht de externe omvormers op de deye aan te sluiten?
Het kan ook gewoon parallel met Deye aan de netaansluiting, alleen is die in eiland/off-grid niet beschikbaar of kan de Deye de externe PV opwek niet regelen (alleen off-grid heb je frequentiesturing)
Eilandbedrijf met netondersteuning , all-electric || Deye 12KSG04LP3 met 580Ah-LFP 51,2V (Seplos 3x48100-10C +48200-10E) || hulp-Deye 12k SG04LP3 met 280Ah-LFP 51,2V || 19.4 kWp PV || Zonneplan EPEX-klant
Ik laat die gewoon parallel staan, 20 kW erop vind deye waarschijnlijk niet zo fijn.Domba schreef op donderdag 20 maart 2025 @ 20:05:
[...]
De externe PV als die niet al te groot is mag ook nog op 2 verschillende ingangen achter de Deye zitten, zodat ze ook beschikbaar zijn in eiland/off-grid mode.
Het kan ook gewoon parallel met Deye aan de netaansluiting, alleen is die in eiland/off-grid niet beschikbaar of kan de Deye de externe PV opwek niet regelen (alleen off-grid heb je frequentiesturing)
Maar het overige vraagstuk kan hij dus wel?
1 PVoutput . Dongen NB
Volgens mij kan het wel, maar met nieuwere firmware heb je dan geloof ik een 2e meter nodig., al heb ik zelf niet op die wijze er ervaring mee, vanwege eiland setup .
Eens kijken of ik het morgen in avondpiek kan testen, ik heb fysiek de setup (gebruik het alleen anders) en firmware F150 op Deye die moet aanvullen. (edit of het enkel met meegeleverde CT-klemmen gaat)
Of iemand hier heeft al werkelijk ervaring ermee met allways parallel ongrid mode.
[ Voor 5% gewijzigd door Domba op 20-03-2025 20:41 ]
Eilandbedrijf met netondersteuning , all-electric || Deye 12KSG04LP3 met 580Ah-LFP 51,2V (Seplos 3x48100-10C +48200-10E) || hulp-Deye 12k SG04LP3 met 280Ah-LFP 51,2V || 19.4 kWp PV || Zonneplan EPEX-klant
bedankt voor de tip!
Domba schreef op donderdag 20 maart 2025 @ 19:46:
[...]
Je hebt communicatie in CAN ziiten en zat erbij de Dyness communicatiekabel met labels?
Ik heb nog geen G2 gezien, bij de B4850, powerbox F/Pro en BX51100 is het met 0010 dipswitch setting en 00 protocol in Deye menu.
Er zijn ook grappen met die dyness zoals B4850 dat de kabel goed om moet zitten en je meegeleverde moet gebruiken omdat aan Deye zijde 2 kortgesloten zijn naast de twee die je voor de CAN benodigd.
Dat bedoelde ik inderdaad.ybos schreef op donderdag 20 maart 2025 @ 18:27:
[...]
Volgens mij is het meer dat ze maar geschikt zijn om 1 kant (goed) stroom af te schakelen.
Heeft meestal te maken met de opbouw van de kamer om de vlamboog te doven.
Kans bestaat als hij een kortsluiting moet afschakelen en de stroom loopt de "verkeerde" kant op dat de vlamboog gewoon blijft staan.
Ik ga dat eens proberen of dat verbetering geeft. Had ik al eens gedaan maar had niet gezien dat je in de instellingen verder naar beneden ook de inlog van Deyecloud in moest voeren. Op zich wel logisch natuurlijk.rvdgaag schreef op donderdag 20 maart 2025 @ 07:59:
[...]
Je kan naar Solarman overschakelen met Deye Cloud als backup, dat werkt in de praktijk toch wel iets betrouwbaarder vindt ik. Verbindingsproblemen moet je vaak zoeken in netwerk problemen.
Je kan in de log sectie bij GBB precies zien waar het fout gaat.
De verbinding errors in de log zijn telkens "DeyeCloud error: timeout" of "ERROR: Solarman timeout!"
Wel zorgen dat je omvormer in beide cloud systemen aangemeld is!marc0_ schreef op vrijdag 21 maart 2025 @ 08:18:
[...]
Ik ga dat eens proberen of dat verbetering geeft. Had ik al eens gedaan maar had niet gezien dat je in de instellingen verder naar beneden ook de inlog van Deyecloud in moest voeren. Op zich wel logisch natuurlijk.
De verbinding errors in de log zijn telkens "DeyeCloud error: timeout" of "ERROR: Solarman timeout!"
Deye 12kW Hybrid, 8,77 kW peak solar, 62,4 kWH Seplos batteries, Panasonic K-series 5kW all-electric heatpump
Ik heb een deye sun 12k hangen sinds deze week, ik probeer nu alles te finetunen, maar iets wat mij dwars zit in de reis op het internet is de berichtgeving dat DEYE niet vies is van het op afstand uitschakelen. Mochten de Chinezen ooit Taiwan aanvallen zie ik ze er voor aan dat ze het nog ooit uitzetten ook. En ik vertrouw mijn gegevens liever niet toe aan de Chinese overheid.
Nu wil ik eigenlijk de logger liever op een lokaal netwerk uitlezen, ik kan op de pagina van de dongle komen, maar dan kan ik alleen de wifi instellen.
Zijn er al mensen bezig geweest met dit buiten de solarman cloud om uit te kunnen lezen?
7.650Wp ZZW | 1.600Wp O | DEYE SUN12K-SG04LP3-EU | 16.1kWh Accu - Yixiang v2 + 16 EVE MB31 | Kona MY2026 64,8kWh
Volgens mij kan je Solarman home assistant gebruiken voor lokaal uitlezen via je netwerk. Dan zal je wel er voor moeten zorgen dat je de Deye zelf via een firewall blokkeerd anders hebben de chinezen alsnog een ingang. En anders lokaal via RS 485 en modbus het apparaat uitlezen en aansturen zonder gebruik van het netwerk.
RS485 poort pakken en uitlezen met Home Assistant. Ethernet converter van Waveshare er tussen is voldoende.zalkc schreef op vrijdag 21 maart 2025 @ 14:52:
Nu wil ik eigenlijk de logger liever op een lokaal netwerk uitlezen, ik kan op de pagina van de dongle komen, maar dan kan ik alleen de wifi instellen.
Zijn er al mensen bezig geweest met dit buiten de solarman cloud om uit te kunnen lezen?
Maar die wifi hoeft niet met internet verbonden te zijn, je kan 2.4Ghz voor lokaal reserveren en 5Ghz voor internetzalkc schreef op vrijdag 21 maart 2025 @ 14:52:
Ik zit in dit topic te zoeken, maar kan het niet zo snel vinden.
Ik heb een deye sun 12k hangen sinds deze week, ik probeer nu alles te finetunen, maar iets wat mij dwars zit in de reis op het internet is de berichtgeving dat DEYE niet vies is van het op afstand uitschakelen. Mochten de Chinezen ooit Taiwan aanvallen zie ik ze er voor aan dat ze het nog ooit uitzetten ook. En ik vertrouw mijn gegevens liever niet toe aan de Chinese overheid.
Nu wil ik eigenlijk de logger liever op een lokaal netwerk uitlezen, ik kan op de pagina van de dongle komen, maar dan kan ik alleen de wifi instellen.
Zijn er al mensen bezig geweest met dit buiten de solarman cloud om uit te kunnen lezen?
Ik heb een apart wifi-net voor lokaal met access points, slimme stekkers, esp's etc.
Ik gebruik modbus aansturing en ik heb enkel de dongle erin als ik firmware wil wisselen.
Voor HA gebruik ik een Beelink EQ12 met proxmox 8 die ook de lokale DCHP verzorgt vanwege de 2 x Gbit lan plus wifi.
Het kan natuurlijk ook anders, dat je internet exclusief alleen met VPN gebruikt en HA toegang geeft bijv via een PFsense firewall die ook lokale DCHP kan verzorgen met access points en ook als aparte virtuele server op proxmox kan draaien.
Bij iets als Solar Assistant die kreeg ik niet zonder internet langdurig werkend en moest apart aan internet, waardoor ik die niet standaard beschikbaar had, daarvoor moest ik steeds schakelen.
Verder heb ik nog een tablet welke het meeste in zit-keuken staat alleen voor het huis, voor algemeen gebruik, zodat niet altijd smartphone of laptop erbij hoeft te pakken, voor een kamertemperatuur te veranderen, verlichting of andere deel van tuin bewatering (eigen watervoorziening met hydrofoor/minidrip voor gebruik als meeste PV-opwek is)
Eilandbedrijf met netondersteuning , all-electric || Deye 12KSG04LP3 met 580Ah-LFP 51,2V (Seplos 3x48100-10C +48200-10E) || hulp-Deye 12k SG04LP3 met 280Ah-LFP 51,2V || 19.4 kWp PV || Zonneplan EPEX-klant
Ik hoopte eigenlijk op een simpele api die lokaal te benaderen is.Domba schreef op vrijdag 21 maart 2025 @ 15:31:
[...]
Maar die wifi hoeft niet met internet verbonden te zijn, je kan 2.4Ghz voor lokaal reserveren en 5Ghz voor internet
Ik heb een apart wifi-net voor lokaal met access points, slimme stekkers, esp's etc.
Ik gebruik modbus aansturing en ik heb enkel de dongle erin als ik firmware wil wisselen.
Voor HA gebruik ik een Beelink EQ12 met proxmox 8 die ook de lokale DCHP verzorgt vanwege de 2 x Gbit lan plus wifi.
Het kan natuurlijk ook anders, dat je internet exclusief alleen met VPN gebruikt en HA toegang geeft bijv via een PFsense firewall die ook lokale DCHP kan verzorgen met access points en ook als aparte virtuele server op proxmox kan draaien.
Bij iets als Solar Assistant die kreeg ik niet zonder internet langdurig werkend en moest apart aan internet, waardoor ik die niet standaard beschikbaar had, daarvoor moest ik steeds schakelen.
Verder heb ik nog een tablet welke het meeste in zit-keuken staat alleen voor het huis, voor algemeen gebruik, zodat niet altijd smartphone of laptop erbij hoeft te pakken, voor een kamertemperatuur te veranderen, verlichting of andere deel van tuin bewatering (eigen watervoorziening met hydrofoor/minidrip voor gebruik als meeste PV-opwek is)
Maar hier moet ik even dieper induiken.
7.650Wp ZZW | 1.600Wp O | DEYE SUN12K-SG04LP3-EU | 16.1kWh Accu - Yixiang v2 + 16 EVE MB31 | Kona MY2026 64,8kWh
Ik heb een RS485 convertor verbonden met een ESP32 die ik via ESPhome heb verbonden. ESP32 leest de relevante modbus adressen uit, en kan ook zaken wegschrijven.zalkc schreef op vrijdag 21 maart 2025 @ 14:52:
Nu wil ik eigenlijk de logger liever op een lokaal netwerk uitlezen, ik kan op de pagina van de dongle komen, maar dan kan ik alleen de wifi instellen.
Voordelen: helemaal in eigen beheer, 100% lokaal
Nadelen: wat soldeerwerk nodig
Er is een custom integratie op HA mogelijk om de solarman wifidongle lokaal uit te lezen, maar die kan niets van parameters wegschrijven.
Dat is inderdaad de mooiste optie. Ik gebruik doe dit ook voor mijn omvormers.RailHenk87 schreef op vrijdag 21 maart 2025 @ 15:48:
[...]
Ik heb een RS485 convertor verbonden met een ESP32 die ik via ESPhome heb verbonden. ESP32 leest de relevante modbus adressen uit, en kan ook zaken wegschrijven.
Voordelen: helemaal in eigen beheer, 100% lokaal
Nadelen: wat soldeerwerk nodig
Daar kun je tegenwoordig overigens kant en klare bordjes voor krijgen, van bijvoorbeeld M5Stack (i.c.m. een ESP32).
De externe CT's zien het wel, maar met CT's gebruikt de Deye met FW F150 voor "max sell solar power" de interne CT's (dat het toch ongeveer 17kW is, is door BATT max discharge setting, wilde in stappen limiteren tot 10kW)
:strip_exif()/f/image/e1cfdwQfe3lvsC4WVTyUqjas.png?f=user_large)
Ik kan nog een upgrade doen naar FW 1151 voor de aanvullende Deye.
Misschien dat iemand met EASTRON SDM630-Modbus V2 ipv CT's, die opwek aan gridzijdeheeft, kan testen.
De andere mogelijkheid is in 1 van 3 Duitse forums (https://dy-support.org/ , https://www.akkudoktor.net/ , https://www.photovoltaikforum.com/ ) de vraagstellen of iemand het werkend heeft met welke sensors.
Eilandbedrijf met netondersteuning , all-electric || Deye 12KSG04LP3 met 580Ah-LFP 51,2V (Seplos 3x48100-10C +48200-10E) || hulp-Deye 12k SG04LP3 met 280Ah-LFP 51,2V || 19.4 kWp PV || Zonneplan EPEX-klant
Een reactie op mijn er boven post?BenSKIP schreef op vrijdag 21 maart 2025 @ 20:23:
Hier zijn al meerdere tools voor op de markt.
Solar-Assistant, Solar-Integrations, GBBoptimizer, app op Homey, Apps via Home-Assistant, etc etc.
Solar-assistant "max sell power" is geen stuurparameter, maar een inverter instelling, vanuit HA kan wel elke 5 seconden die aanpassen als info van P1 gebruikt.
Met HA, ESP home kan het nog wel, maar update frequentie is te traag (test maar eens met stopwatch, als je vermogen verandering stuurt, is die wel < 2seconden uitgevoerd, maar feedback via modbus kan makkelijk pas 10 sec later komen)
Geen idee voor de andere, als deze de info via cloud ontvangen, dan is update 1 minuut (moet je apart aanvragen, default is 5 minuten), veel succes als er een kleine wolk even voor de zon langs schuift
Eilandbedrijf met netondersteuning , all-electric || Deye 12KSG04LP3 met 580Ah-LFP 51,2V (Seplos 3x48100-10C +48200-10E) || hulp-Deye 12k SG04LP3 met 280Ah-LFP 51,2V || 19.4 kWp PV || Zonneplan EPEX-klant
Sorry, mijn excuus. heb dat gemist.
Eilandbedrijf met netondersteuning , all-electric || Deye 12KSG04LP3 met 580Ah-LFP 51,2V (Seplos 3x48100-10C +48200-10E) || hulp-Deye 12k SG04LP3 met 280Ah-LFP 51,2V || 19.4 kWp PV || Zonneplan EPEX-klant
Ik heb de 12 vandaag opgepikt voor die 135€ meer toch wat ruimer gaan zitten tov de 10.rvdgaag schreef op woensdag 19 maart 2025 @ 17:55:
[...]
[Afbeelding]
Ik zou de 12K nemen, die koop je in NL voor 1633 netto, bij E2C solar in Rotterdam, en die kan 12K aan met een piek van 13.2K
All-electric | Deye 12KSG04LP3 met 2x Yixiang V2, 32x MB31 314 Ah | Panasonic Aquarea J 5kW | Tesla MY, SmartEVSE | 8,8 kWp PV | Proxmox met HomeAssistant, Docker host, PfSense, TrueNas & Mailcow
GBB en homey app niet. Dat werkt nog steeds via solarman/Deye Cloud.BenSKIP schreef op vrijdag 21 maart 2025 @ 20:23:
@Dogooder Hier zijn al meerdere tools voor op de markt.
Solar-Assistant, Solar-Integrations, GBBoptimizer, app op Homey, Apps via Home-Assistant, etc etc.
Als je home assistant draait kun je vrij eenvoudig zonder de cloud te gebruiken de omvormer compleet uitllezen en besturen met een ESP32 oplossing:zalkc schreef op vrijdag 21 maart 2025 @ 14:52:
Ik zit in dit topic te zoeken, maar kan het niet zo snel vinden.
Zijn er al mensen bezig geweest met dit buiten de solarman cloud om uit te kunnen lezen?
https://github.com/klatremis/esphome-for-deye
Deye 12kW Hybrid, 8,77 kW peak solar, 62,4 kWH Seplos batteries, Panasonic K-series 5kW all-electric heatpump
Dank voor de test, dat is wel jammer, wilde zo mijn overschot (hoger dan3×25) de accu in laden, om zo meer kWh per dag te genereren.Domba schreef op vrijdag 21 maart 2025 @ 18:35:
@reneeke1970 Teruglevering limiteren en aanvullen met firware F150 met CT's werkt niet.
De externe CT's zien het wel, maar met CT's gebruikt de Deye met FW F150 voor "max sell solar power" de interne CT's (dat het toch ongeveer 17kW is, is door BATT max discharge setting, wilde in stappen limiteren tot 10kW)
[Afbeelding]
Ik kan nog een upgrade doen naar FW 1151 voor de aanvullende Deye.
Misschien dat iemand met EASTRON SDM630-Modbus V2 ipv CT's, die opwek aan gridzijdeheeft, kan testen.
De andere mogelijkheid is in 1 van 3 Duitse forums (https://dy-support.org/ , https://www.akkudoktor.net/ , https://www.photovoltaikforum.com/ ) de vraagstellen of iemand het werkend heeft met welke sensors.
Dan ga ik eens proberen te ontdekken of de solis het wel kan, alleen daar is niet veel info over te vinden.....
En anders worden het losse mppt rechtstreeks op accu
1 PVoutput . Dongen NB
Het aansturen is 1, maar een goed algoritme om te bepalen wanneer te laden/ontladen enz is nog een dingetje.rvdgaag schreef op zaterdag 22 maart 2025 @ 10:58:
[...]
Als je home assistant draait kun je vrij eenvoudig zonder de cloud te gebruiken de omvormer compleet uitllezen en besturen met een ESP32 oplossing:
https://github.com/klatremis/esphome-for-deye
Of zijn daar ook al standaard oplossingen voor?
Ja, kijk op https://gridgenie.nl/nl/home-nl/ybos schreef op zaterdag 22 maart 2025 @ 11:24:
[...]
Het aansturen is 1, maar een goed algoritme om te bepalen wanneer te laden/ontladen enz is nog een dingetje.
Of zijn daar ook al standaard oplossingen voor?
Deye 12kW Hybrid, 8,77 kW peak solar, 62,4 kWH Seplos batteries, Panasonic K-series 5kW all-electric heatpump
De setup die jij wilt is een grote wens bij veel Duitsers en ik weet dat Christoph Weidner dy-support forum er mee bezig was. (ik volg de on-grid opties minder intensief, of dat het al volledig werkt met eastron/chint meters of pas bij volgende versie als Christoph weer paar weken in China is geweest)reneeke1970 schreef op zaterdag 22 maart 2025 @ 10:59:
[...]
Dank voor de test, dat is wel jammer, wilde zo mijn overschot (hoger dan3×25) de accu in laden, om zo meer kWh per dag te genereren.
Dan ga ik eens proberen te ontdekken of de solis het wel kan, alleen daar is niet veel info over te vinden.....
En anders worden het losse mppt rechtstreeks op accu
Eilandbedrijf met netondersteuning , all-electric || Deye 12KSG04LP3 met 580Ah-LFP 51,2V (Seplos 3x48100-10C +48200-10E) || hulp-Deye 12k SG04LP3 met 280Ah-LFP 51,2V || 19.4 kWp PV || Zonneplan EPEX-klant
Ik merk echt dat ik me veel dieper moet gaan inlezen. Ik heb een eastron op de 485 port zitten. Dus dat is een dingetje, mischien iets dieper kijken naar de module op de rs-232 of ik die kan gaan inzettenrvdgaag schreef op zaterdag 22 maart 2025 @ 10:58:
[...]
Als je home assistant draait kun je vrij eenvoudig zonder de cloud te gebruiken de omvormer compleet uitllezen en besturen met een ESP32 oplossing:
https://github.com/klatremis/esphome-for-deye
7.650Wp ZZW | 1.600Wp O | DEYE SUN12K-SG04LP3-EU | 16.1kWh Accu - Yixiang v2 + 16 EVE MB31 | Kona MY2026 64,8kWh
De meter heeft een eigen RS485. RS232 kan ook, maar je kan (als het goed is) 1 RS485 2x gebruiken.
pin 1, 2, 3 RS485.
pin 4, 5 CAN
pin 6, 7, 8 RS485
Ja dat snap ik, zo kun je de terug levering spreiden zonder over de hoofd aansluiting heen te gaan.Domba schreef op zaterdag 22 maart 2025 @ 12:24:
[...]
De setup die jij wilt is een grote wens bij veel Duitsers en ik weet dat Christoph Weidner dy-support forum er mee bezig was. (ik volg de on-grid opties minder intensief, of dat het al volledig werkt met eastron/chint meters of pas bij volgende versie als Christoph weer paar weken in China is geweest)
Nu kan alleen Victron dit denk ik, maarja dan kost het een stukje duurder, en veel meer verlies. En als accu vol zit is het ineens poef weg hoofd zekeringen
1 PVoutput . Dongen NB
Als je met klatremis code of een variant ervan, voor recentere firmware dan FW 1140 even de time of use switch uit de code halen. Die is nog voor RTU protocol V104, latere firmware gebruikt RTU protocol V105.2 een uitbreiding op V104zalkc schreef op zaterdag 22 maart 2025 @ 13:00:
[...]
Ik merk echt dat ik me veel dieper moet gaan inlezen. Ik heb een eastron op de 485 port zitten. Dus dat is een dingetje, mischien iets dieper kijken naar de module op de rs-232 of ik die kan gaan inzetten
Eilandbedrijf met netondersteuning , all-electric || Deye 12KSG04LP3 met 580Ah-LFP 51,2V (Seplos 3x48100-10C +48200-10E) || hulp-Deye 12k SG04LP3 met 280Ah-LFP 51,2V || 19.4 kWp PV || Zonneplan EPEX-klant
Mijn Deye heeft 2 modbus aansluitingen, je kan ook als je er maar 1 hebt een goede kwaliteit ethermet splitter kopen kopen en 2 kabels maken waarbij je voor de ene inderdaad pin 1 en 2 gebruikt en voor de 2e pin 7 en 8.BenSKIP schreef op zaterdag 22 maart 2025 @ 13:19:
Afhankelijk van welke Deye je hebt, moet je meerdere RS485 mogelijkheden hebben.
De meter heeft een eigen RS485. RS232 kan ook, maar je kan (als het goed is) 1 RS485 2x gebruiken.
pin 1, 2, 3 RS485.
pin 4, 5 CAN
pin 6, 7, 8 RS485
Deye 12kW Hybrid, 8,77 kW peak solar, 62,4 kWH Seplos batteries, Panasonic K-series 5kW all-electric heatpump
wat zou er gebeuren moesten de panelen toch over de 13 ampere gaan? is mn omvormer dan stuk of valt ie gewoon even uit?Domba schreef op donderdag 20 maart 2025 @ 11:48:
[...]
Die van mij komt van deze site
zien er vergelijkbaar uit, alleen kan niet zien welke de nieuwere is
[...]
Max haal je op ZOZ tot ZWZ met helling van 30-40 graden.en in voorjaar bij koude lucht temperatuur, maar dat is voor vermogen, daar voltage een sterkere negatieve coefficient heeft dan de positieve van ampere.
met lage hoek oost-west haal je volgens mij geen 1000W/m2 op enig moment als plots zon op koude nog niet opwerk temperatuur paneel zou komen in Nederland
niet 100% zeker maar schade is niet ondenkbaar. Zag laatst in een facebookgroep ook een plaatje met een te hoge DC vanaf de zonnepanelen:pricewatcherke schreef op zondag 23 maart 2025 @ 16:49:
[...]
wat zou er gebeuren moesten de panelen toch over de 13 ampere gaan? is mn omvormer dan stuk of valt ie gewoon even uit?
Foutmelding -> PV DC voltage too high (oid), maar bleef wel werken. Was maar 10-20V oid dus misschien zit er nog wat marge in. Maar geen idee wat de Deye doet als het voltage echt veel te hoog is, afschakelen of doorgaan tot t stuk is.
De stroom wordt bepaald door de omvormer. Die neemt gewoon niet meer af dan hij kan hebben.pricewatcherke schreef op zondag 23 maart 2025 @ 16:49:
[...]
wat zou er gebeuren moesten de panelen toch over de 13 ampere gaan? is mn omvormer dan stuk of valt ie gewoon even uit?
Onbekend bij mij. Mogelijk een rebrand van 'een' fabrikant.Lord Anubis schreef op zaterdag 22 maart 2025 @ 22:52:
Kent iemand deze cellen - Totion Lifepo4 Cel 314ah? Zijn deze vergelijkbaar met de EVE mb31?
Zou hier terughoudend bij zijn.
samengevat:FransvWoerkom schreef op maandag 24 maart 2025 @ 00:46:
[...]
De stroom wordt bepaald door de omvormer. Die neemt gewoon niet meer af dan hij kan hebben.
de panelen specs vermelden 13,4 amp stroom en de omvormer kan max 13amp aan.
https://austa.be/downloads/austa-au-108mhb.pdf
wat geeft dat tezamen in de praktijk dan?
Kan ik die panelen aansluiten of zijn panelen en omvormer gewoon niet compatibel?
Kan ik ergens contact nemen met deye om dat te vragen?
No battery mode wordt getriggerd door het zetten van register address 111
Iemand een idee wat dat kan zijn ?
Deye 12kW Hybrid, 8,77 kW peak solar, 62,4 kWH Seplos batteries, Panasonic K-series 5kW all-electric heatpump
Mijn panelen doen 13.25 normaal, met een Short circuit van 14.14. Zelfs in hartje zomer/winter geen last van gehad wanneer de panelen 580+watt per stuk gaven ipv 560w.pricewatcherke schreef op maandag 24 maart 2025 @ 10:55:
[...]
samengevat:
de panelen specs vermelden 13,4 amp stroom en de omvormer kan max 13amp aan.
https://austa.be/downloads/austa-au-108mhb.pdf
wat geeft dat tezamen in de praktijk dan?
Kan ik die panelen aansluiten of zijn panelen en omvormer gewoon niet compatibel?
Kan ik ergens contact nemen met deye om dat te vragen?
Mijn panelen (JKM435N-54HL4R-B) doen volgens de datasheet ook 13.72A (STC). Nooit errors/problemen gehad. Als ik de current bekijk in m'n grafieken lijken de waarden dichter bij de NOCT specs van mijn panelen te zitten, namelijk 11.08A.pricewatcherke schreef op maandag 24 maart 2025 @ 10:55:
[...]
samengevat:
de panelen specs vermelden 13,4 amp stroom en de omvormer kan max 13amp aan.
https://austa.be/downloads/austa-au-108mhb.pdf
wat geeft dat tezamen in de praktijk dan?
Kan ik die panelen aansluiten of zijn panelen en omvormer gewoon niet compatibel?
Kan ik ergens contact nemen met deye om dat te vragen?
/f/image/MqYCgKuHZYkMzTfvAhNXfccE.png?f=fotoalbum_large)
Full Electric | 2x Deye 12KSG04LP3 met 1.680Ah LFP 51,2V (4x Seplos Mason 280, 2x Seplos vertical 280) | 23,3 kWp PV
In de Deye 12kw Hybrid staat dat er een externe zero-ground bound moet worden aangebracht. Op zicht simpel en het geld niet, want daar is een relais voor. Maar nu las ik ook dat de Deye die Zero-ground-bound al maakt zodra grid wegvalt. Waarom geeft de handleiding het toepassen van de relais dan aan?
En.... voor de Deye zou een automaat geplaatst moeten worden. Moet daar dan ook een aardlek bij (of kan er een aardlek automaat, dus de combi, automaat + aardlek) of.... is alleen de automaat voldoende?
Jouw netvoeding via de netbheerder is 1x40A of 3x25A. Een bureaulamp met 100W gloeilamp is 0.5A. De gloeilamp in dit verhaal is de PV omvormer.pricewatcherke schreef op maandag 24 maart 2025 @ 10:55:
[...]
samengevat:
de panelen specs vermelden 13,4 amp stroom en de omvormer kan max 13amp aan.
https://austa.be/downloads/austa-au-108mhb.pdf
wat geeft dat tezamen in de praktijk dan?
Kan ik die panelen aansluiten of zijn panelen en omvormer gewoon niet compatibel?
Kan ik ergens contact nemen met deye om dat te vragen?
Alleen bij een interne kortsluiting in de omvormer zal die 13.4A door de draden lopen, in alle andere gevallen is het de omvormer die een bepaalde hoeveelheid A af neemt. En in geval van kortsluiting valt die 0.4A verschil weg in de marge....
Hebben die een actieve website? Ik zie alleen https://e2c-solar.nl/ maar die werkt niet.rvdgaag schreef op woensdag 19 maart 2025 @ 17:55:
[...]
Ik zou de 12K nemen, die koop je in NL voor 1633 netto, bij E2C solar in Rotterdam, en die kan 12K aan met een piek van 13.2K
Niet direct een idee, maar 111 is in elk geval wel goed, die werkt bij mij ook als ik No batt mode trigger via de ESPHome integratie.rvdgaag schreef op maandag 24 maart 2025 @ 11:39:
Wanneer ik mijn Deye op No Battery mode zet in de nacht om het standby gebruik van de Deye te minimaliseren gaat de aardlekmaat uit om voor mij onbekende reden.
No battery mode wordt getriggerd door het zetten van register address 111
Iemand een idee wat dat kan zijn ?
Enige elektrische verschil wat ik me kan voorstellen is dat de Deye dan niet meer gevoed wordt door de accu, maar door het net.
Zowel in battery als Deye
Anders aardlek vervangen voor zwaarder exemplaar
Goed idee, Deye is goed geaard zowel via de aanvoerkabel als via een externe aansluiting. De 3 batterijen hebben geen aarde aansluiting maar die kan ik wel vrij eenvoudig zelf erop maken.BenSKIP schreef op dinsdag 25 maart 2025 @ 04:06:
aarding doormeten.
Zowel in battery als Deye
Anders aardlek vervangen voor zwaarder exemplaar
De aardlek is al een 32A C klasse dus zwaarder is geen optie, met de 25A B klasse gebeurde het ook al.
[ Voor 11% gewijzigd door rvdgaag op 25-03-2025 08:04 ]
Deye 12kW Hybrid, 8,77 kW peak solar, 62,4 kWH Seplos batteries, Panasonic K-series 5kW all-electric heatpump
Battery box ook even aarden.
Deze spoel zou je dan los kunnen solderen hier krimpkous overheen en dan weer terug solderen.
Ben benieuwd wat je waar meten zal. Misschien ook even voor de Deye meten, want misschien komt het wel uit je huis.
Dus Deye stroomloos maken.
Die is down. Ik heb afgelopen vrijdag mijn deye hier gekocht, geen geoliede ervaring, maar uiteindelijk wel een deye voor een prima prijs. Ik communiceerde via MP.powercoaster schreef op maandag 24 maart 2025 @ 20:36:
[...]
Hebben die een actieve website? Ik zie alleen https://e2c-solar.nl/ maar die werkt niet.
All-electric | Deye 12KSG04LP3 met 2x Yixiang V2, 32x MB31 314 Ah | Panasonic Aquarea J 5kW | Tesla MY, SmartEVSE | 8,8 kWp PV | Proxmox met HomeAssistant, Docker host, PfSense, TrueNas & Mailcow
Precies, dat je panelen 13A+ kunnen leveren wil niet zeggen dat je omvormer dat gaat gebruiken.jadjong schreef op maandag 24 maart 2025 @ 17:49:
[...]
Jouw netvoeding via de netbheerder is 1x40A of 3x25A. Een bureaulamp met 100W gloeilamp is 0.5A. De gloeilamp in dit verhaal is de PV omvormer.
Alleen bij een interne kortsluiting in de omvormer zal die 13.4A door de draden lopen, in alle andere gevallen is het de omvormer die een bepaalde hoeveelheid A af neemt. En in geval van kortsluiting valt die 0.4A verschil weg in de marge....
Wat wel van belang is het voltage, hier moet je onder de limiet blijven.
Deye 8K-SG04LP3 (16x230Ah + JBD-BMS + Proxmox HA-ESP32) 4.5kWp (Deye SUN1600G3 + Enphase iq7a)
Geen idee, ze adverteren veel op marktplaats, reageren snel, zijn een stel chinezen, enorme voorraad daar.powercoaster schreef op maandag 24 maart 2025 @ 20:36:
[...]
Hebben die een actieve website? Ik zie alleen https://e2c-solar.nl/ maar die werkt niet.
Deye 12kW Hybrid, 8,77 kW peak solar, 62,4 kWH Seplos batteries, Panasonic K-series 5kW all-electric heatpump
Ik heb 3 batterij units, Seplos Mason 280L, die zijn voorzien van een Seplos V2 BMS. De behuizing heeft zelf geen aarde aansluiting, de nieuwe varianten die ze op de markt gebracht hebben wel. Ik ga gewoon zelf aardkabels erop aansluiten was ik toch al van plan voor de veiligheid.BenSKIP schreef op dinsdag 25 maart 2025 @ 08:55:
Geen idee welke BMS je hebt, maar enkele JKbms's zouden naar de wand lekken, omdat de spoel contact zou maken. Bij no batt zou er dus alsnog wat kunnen weglekken.
Battery box ook even aarden.
Deze spoel zou je dan los kunnen solderen hier krimpkous overheen en dan weer terug solderen.
Ben benieuwd wat je waar meten zal. Misschien ook even voor de Deye meten, want misschien komt het wel uit je huis.
Dus Deye stroomloos maken.
Het komt op zeker niet uit de woning.
Deye 12kW Hybrid, 8,77 kW peak solar, 62,4 kWH Seplos batteries, Panasonic K-series 5kW all-electric heatpump
Kreeg je een factuur t.b.v garantie?sailor_dg schreef op dinsdag 25 maart 2025 @ 09:32:
[...]
Die is down. Ik heb afgelopen vrijdag mijn deye hier gekocht, geen geoliede ervaring, maar uiteindelijk wel een deye voor een prima prijs. Ik communiceerde via MP.
Ja uiteindelijk allemaal prima en legit, maar volgens mij is hun focus niet volledig op consumenten. Kreeg een CMR en de factuur voor 0% BTW moest vanuit China komen. Wel gewoon e2c als facturerende partij.
All-electric | Deye 12KSG04LP3 met 2x Yixiang V2, 32x MB31 314 Ah | Panasonic Aquarea J 5kW | Tesla MY, SmartEVSE | 8,8 kWp PV | Proxmox met HomeAssistant, Docker host, PfSense, TrueNas & Mailcow
De Deye gaat offgrid, dmv de blauwe knop resetten is heel even online en daarna weer ofline.
We hebben even video gebeld en wat valt mij op:
Gridspanning is rond de 211V
Deye spanning is 230V (gehele huis achter de Deye, dus accu leeg is geen spanning meer en deze persoon heeft geen omschakelaar).
In het display heb je normaal in het midden het rondje staan met "on", dan is er niets aan de hand. Bij hem staat er in het display "on(V)".
Ik kan hier zo snel online niets over vinden maar mijn vermoeden is dat het verschil tussen de gridspanning en de Deye spanning te groot is om te kunnen koppelen, al ligt het ruimschoots tussen de normale waardes.
Nu heb ik hem via grid settings de spanning kunnen laten verlagen van 230/400V naar 220/380V en dan zagen we ook dat de spanning van de Deye aangepast werd naar 220V.
Echt er worden wel koppelpogingen gedaan maar gaat niet goed. Iemand enig idee?
Dit probleem heeft hij nu enkele dagen. Gelukkig is er redelijk wat zon geweest en verbruikt hij niet teveel energie, zn accu zit nog op 73% maar zonder enige mogelijkheid om te laden is hij wat zenuwachtig wat ik goed begrijp. Iemand enig idee
Als die koppelpoging ervoor zorgt dat de spanning onder 207V komt hoort die los te koppelen. De maximale afwijking is 10%ybos schreef op dinsdag 25 maart 2025 @ 20:25:
Heren, even een hulpvraag. Ik ben net benaderd door iemand die thuis problemen heeft met zijn Deye.
De Deye gaat offgrid, dmv de blauwe knop resetten is heel even online en daarna weer ofline.
We hebben even video gebeld en wat valt mij op:
Gridspanning is rond de 211V
Deye spanning is 230V (gehele huis achter de Deye, dus accu leeg is geen spanning meer en deze persoon heeft geen omschakelaar).
In het display heb je normaal in het midden het rondje staan met "on", dan is er niets aan de hand. Bij hem staat er in het display "on(V)".
Ik kan hier zo snel online niets over vinden maar mijn vermoeden is dat het verschil tussen de gridspanning en de Deye spanning te groot is om te kunnen koppelen, al ligt het ruimschoots tussen de normale waardes.
Nu heb ik hem via grid settings de spanning kunnen laten verlagen van 230/400V naar 220/380V en dan zagen we ook dat de spanning van de Deye aangepast werd naar 220V.
Echt er worden wel koppelpogingen gedaan maar gaat niet goed. Iemand enig idee?
Dit probleem heeft hij nu enkele dagen. Gelukkig is er redelijk wat zon geweest en verbruikt hij niet teveel energie, zn accu zit nog op 73% maar zonder enige mogelijkheid om te laden is hij wat zenuwachtig wat ik goed begrijp. Iemand enig idee
Wat geeft de energie meter aan? Is de spanning daar ook zo laag?
oud huis ergens in t centrum, dus kan best wat ouder net zijn met lage spanning. Hij heeft configuratie laten zien, afstand is relatief klein en koppeling deye - MK is 10mm2 dus daar zit het probleem niet vermoed ik.Ricko1 schreef op dinsdag 25 maart 2025 @ 20:31:
[...]
Als die koppelpoging ervoor zorgt dat de spanning onder 207V komt hoort die los te koppelen. De maximale afwijking is 10%
Wat geeft de energie meter aan? Is de spanning daar ook zo laag?
Maar minimum spanning staat op iets van 187V, zou hij hem dan toch al bij 207V losgooien?
[ Voor 8% gewijzigd door ybos op 25-03-2025 20:37 ]
Zijn alle 3 fase het zelfde, een Deye 3 fase hybride gaat ook off-grid als er tussen fase >10 volt verschil is en diiverse firmware versies zelfs >8-10V er geen reconnect meer lukt
Eilandbedrijf met netondersteuning , all-electric || Deye 12KSG04LP3 met 580Ah-LFP 51,2V (Seplos 3x48100-10C +48200-10E) || hulp-Deye 12k SG04LP3 met 280Ah-LFP 51,2V || 19.4 kWp PV || Zonneplan EPEX-klant
Het is niet zo'n techneutDomba schreef op dinsdag 25 maart 2025 @ 20:55:
@ybos Heeft die ook P1 uitlezing, 211V is bijna buiten 10% marge en dan is het contact opnemen met netwerkbeheerder
Zijn alle 3 fase het zelfde, een Deye 3 fase hybride gaat ook off-grid als er tussen fase >10 volt verschil is en diiverse firmware versies zelfs >8-10V er geen reconnect meer lukt
211 valt opzich nog wel mee, ik meen dat 197V de ondergrens is.
De drie fasen zijn wel hetzelfde, 211/210/208 oid.
Is er niet een truc om dit te manipuleren? Al is het maar om te testen?
Lastig met zo'n laag voltage is ook de vraag of er niet al te grote faseverschuivingen zijn en de spanningsval zuiver ohmse weerstand is van gebruikers eerder op de kabel.ybos schreef op dinsdag 25 maart 2025 @ 21:10:
[...]
Is er niet een truc om dit te manipuleren? Al is het maar om te testen?
Nog afgezien van de firmware, 1140 t/m 1147 is Deye aan het stoeien geweest met Oostenrijkse toezichthouder ( die firmware versies zonder de aparte pagina voor windmolen) zitten diverse net toleranties in de firmware.
Eilandbedrijf met netondersteuning , all-electric || Deye 12KSG04LP3 met 580Ah-LFP 51,2V (Seplos 3x48100-10C +48200-10E) || hulp-Deye 12k SG04LP3 met 280Ah-LFP 51,2V || 19.4 kWp PV || Zonneplan EPEX-klant
Eens.Domba schreef op dinsdag 25 maart 2025 @ 21:37:
[...]
Lastig met zo'n laag voltage is ook de vraag of er niet al te grote faseverschuivingen zijn en de spanningsval zuiver ohmse weerstand is van gebruikers eerder op de kabel.
Nog afgezien van de firmware, 1140 t/m 1147 is Deye aan het stoeien geweest met Oostenrijkse toezichthouder ( die firmware versies zonder de aparte pagina voor windmolen) zitten diverse net toleranties in de firmware.
Ik heb m geadviseerd om morgen wanneer de zon schijnt nog eens te kijken. Hopelijk dan een wat hogere spanning dat de Deye wel wil koppelen. En dan gekoppeld blijft.
Fase rotatie staat wel juist? Geen idee of Deye daar gevoelig voor is. (Zal niet, masr je weet maar nooit.)
Ik heb geen HA of iets dergelijks, dus een plug and play kastje klinkt ideaal. Ik heb de GridGenie al voorbij horen komen, maar €850,- vind ik best veel, ook al heb je dan geen maandelijkse kosten.
Ik wil graag dat de EMS rekening houdt met actuele stroom prijzen en uiteraard wat er in het huis gebeurd qua stroom gebruik (auto / warmtepomp) en opwek van de zonnepanelen.
[ Voor 23% gewijzigd door powercoaster op 26-03-2025 15:33 ]
ik denk dat een nucje of rpi5 met HA + jouw leercurve een snellere route is. Zo'n kant en klaar oplossing werkt nooit exact zoals je wil.powercoaster schreef op woensdag 26 maart 2025 @ 15:31:
Kan er iemand een kant en klare EMS aanbevelen die samenwerkt met de SUN-12K-SG04LP3-EU?
Ik heb geen HA of iets dergelijks, dus een plug and play kastje klinkt ideaal. Ik heb de GridGenie al voorbij horen komen, maar €850,- vind ik best veel, ook al heb je dan geen maandelijkse kosten.
Ik wil graag dat de EMS rekening houdt met actuele stroom prijzen en uiteraard wat er in het huis gebeurd qua stroom gebruik (auto / warmtepomp) en opwek van de zonnepanelen.
All-electric | Deye 12KSG04LP3 met 2x Yixiang V2, 32x MB31 314 Ah | Panasonic Aquarea J 5kW | Tesla MY, SmartEVSE | 8,8 kWp PV | Proxmox met HomeAssistant, Docker host, PfSense, TrueNas & Mailcow
Uiteindelijk is dat ook wel het doel, maar wil daar rustig mijn tijd voor nemen. Dus daarom nu een voorkeur voor een voordelige plug en play optie (als dat bestaat).sailor_dg schreef op woensdag 26 maart 2025 @ 15:47:
[...]
ik denk dat een nucje of rpi5 met HA + jouw leercurve een snellere route is. Zo'n kant en klaar oplossing werkt nooit exact zoals je wil.
/f/image/lH3qoWgwuL1SF0nuQvgoOXir.png?f=fotoalbum_large)
Kan dit op dezelfde manier bij de Deye via de LOAD uitgang? De back-up hoofdschakelaar wordt dan aangesloten op de LOAD-poort, de ATS en de back-up groepen daarachter.
Stel dat de omvormer normaal op Zero Export to CT staat of Selling First, en de netspanning valt weg; Schakelt de Deye dan automatisch over naar het leveren aan de groepen achter de LOAD-poort? Of moet er hiervoor nog wel iets anders ingesteld worden (zoals Signal Island Mode aanvinken)?
Wordt bij het uitvallen van de netspanning dan de ToU genegeerd en de batterij altijd gebruikt voor de LOAD, ook als het SoC% dan hoger staat dan de actuele SoC%?
De drie omvormers zijn omdat ik 6 verschillende strings met verschillende dakhellingen heb. Draait nu op 6 kleine omvormers van 2500W per omvormer.
De wens om ze alle drie aan 1 accu te hangen is dat niet alle strings dezelfde opwek hebben en ik met drie accu's moeilijk kan berekenen hoe groot die accu's dan idealiter moeten zijn per omvormer.
Ja, dat kan, ik heb het al >2 jaarMoney schreef op woensdag 26 maart 2025 @ 16:18:
Ik zie dat bliq het volgende schema voor back-up stroom laat zien (via: https://bliq.energy/nl/ha...AkSBh2h2DyHeusv7mauBv3L18)
[Afbeelding]
Kan dit op dezelfde manier bij de Deye via de LOAD uitgang? De back-up hoofdschakelaar wordt dan aangesloten op de LOAD-poort, de ATS en de back-up groepen daarachter.
Alleen met verschil dat ik het gescheiden heb in verschillende groepenkasten en voor eindgebruiker groepen alamats gebruik.
Deye schakelt automatisch over, hooguit dat je het soms ziet aan licht.Stel dat de omvormer normaal op Zero Export to CT staat of Selling First, en de netspanning valt weg; Schakelt de Deye dan automatisch over naar het leveren aan de groepen achter de LOAD-poort? Of moet er hiervoor nog wel iets anders ingesteld worden (zoals Signal Island Mode aanvinken)?
Ook time of Use tabel wordt niet langer gebruikt, je moet je basis settings op orde hebben.
-Signal Island, relais die neutraal aan aarde legt is afhankelijk van wat voor aansluiting je van de netbeheerder hebt, of TNCS-stelsel (aarde van de netbeheerder) of TT-stelsel een eigen aardpen
Het doel is dat maar op tenminste 1 plek en niet meer en voor de beveiligingen neutraal aan aarde ligt
ToU wordt genegeerd, de batterij instellingen in Deye voor Shutdown, Low batt en Restart worden gebruikt en zorg dat voor beide besturings mogelijkheden ingesteld staan en je 3% interval er tussen gebruikt, dus ook voor voltage (als CAN bus niet snelgenoeg is of een hick up heeft, kan er even terugval naar voltage-sturing zijn, default is voor 16-cel LFP accu, als je 15-cel (bijv Pylontech) gebruikt voltages aanpassenWordt bij het uitvallen van de netspanning dan de ToU genegeerd en de batterij altijd gebruikt voor de LOAD, ook als het SoC% dan hoger staat dan de actuele SoC%?
Edit: Als ook dat je moet zorgen dat in de bekabeling neutraal van Grid niet verbonden is met neutraal van load ergens anders, anders klapt de aardlek eruit
[ Voor 3% gewijzigd door Domba op 27-03-2025 00:01 ]
Eilandbedrijf met netondersteuning , all-electric || Deye 12KSG04LP3 met 580Ah-LFP 51,2V (Seplos 3x48100-10C +48200-10E) || hulp-Deye 12k SG04LP3 met 280Ah-LFP 51,2V || 19.4 kWp PV || Zonneplan EPEX-klant
Gridgenie stuurt naar mijn weten niet alles aan.powercoaster schreef op woensdag 26 maart 2025 @ 15:31:
Kan er iemand een kant en klare EMS aanbevelen die samenwerkt met de SUN-12K-SG04LP3-EU?
Ik heb geen HA of iets dergelijks, dus een plug and play kastje klinkt ideaal. Ik heb de GridGenie al voorbij horen komen, maar €850,- vind ik best veel, ook al heb je dan geen maandelijkse kosten.
Ik wil graag dat de EMS rekening houdt met actuele stroom prijzen en uiteraard wat er in het huis gebeurd qua stroom gebruik (auto / warmtepomp) en opwek van de zonnepanelen.
Homey kost de helft en kan, na installeren van apps, meer.
Solarassistant (specifieke HA) stuurt het laden ontladen van de accu.
Tibber, Jedlix doet dit op de auto (of laadpaal)
In Australië doen ze dit op de DRM poort. (aan-uit) Pin 5-6 open - closed.sailor_dg schreef op woensdag 26 maart 2025 @ 15:47:
[...]
ik denk dat een nucje of rpi5 met HA + jouw leercurve een snellere route is. Zo'n kant en klaar oplossing werkt nooit exact zoals je wil.
De groene nerds (DoeDuurzaam) hebben "Buurman Bas" op bezoek gehad, daar is een printje geïntroduceerd die dit via RS485 doet. Dat printje praat met de slimme meter. "Elke omvormer slim aan of UITZETTEN met deze magische oplossing." op Youtube.
Kan op basis van HA de EPEX ontvangen en daarop sturen.
Heb verder helaas geen details.
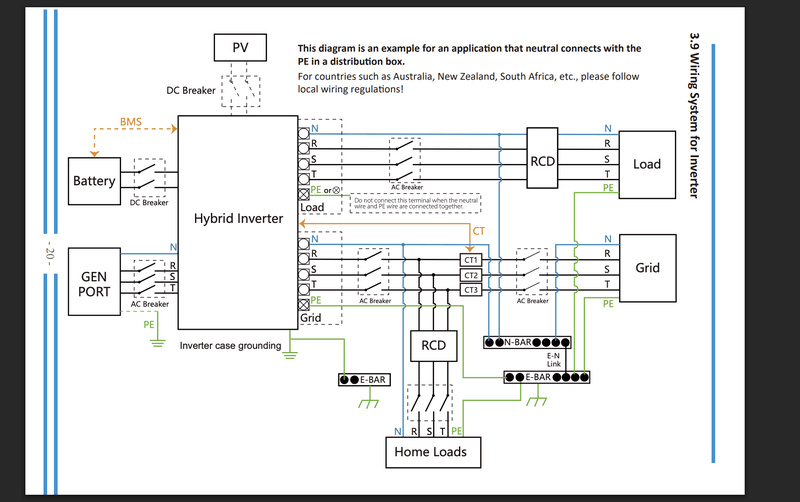
Alles boven het stuk van de signal island mode is duidelijk, bedankt daarvoor. Over het signa island mode gedeelte:Domba schreef op woensdag 26 maart 2025 @ 23:50:
[...]
-Signal Island, relais die neutraal aan aarde legt is afhankelijk van wat voor aansluiting je van de netbeheerder hebt, of TNCS-stelsel (aarde van de netbeheerder) of TT-stelsel een eigen aardpen
Het doel is dat maar op tenminste 1 plek en niet meer en voor de beveiligingen neutraal aan aarde ligt
[...]
Edit: Als ook dat je moet zorgen dat in de bekabeling neutraal van Grid niet verbonden is met neutraal van load ergens anders, anders klapt de aardlek eruit
Als ik het goed begrijp is de aansluiting onderstaand TT
/f/image/1rf3tKW8vZRZenrGeuhOyh3L.png?f=fotoalbum_large)
En dit is TNCS
/f/image/E5qtKMf0G9Xkblz4JcyLerJQ.png?f=fotoalbum_large)
Of klopt dit niet?
Is de aansluiting van de omvormer naar de meterkast voor biede hetzelfde en vink je alleen Signal Island mode aan bij TNCS? Moet je dit altijd aan hebben staan of alleen op het moment dat er geen grid is?
[ Voor 13% gewijzigd door Domba op 27-03-2025 11:49 ]
Eilandbedrijf met netondersteuning , all-electric || Deye 12KSG04LP3 met 580Ah-LFP 51,2V (Seplos 3x48100-10C +48200-10E) || hulp-Deye 12k SG04LP3 met 280Ah-LFP 51,2V || 19.4 kWp PV || Zonneplan EPEX-klant
Dus aansluiting is exact hetzelfde voor de Deye LOAD naar de meterkast, dus gewoon L1, L2, L3 en N naar hoofdschakelaar back-up en L1, L2, L3 en N naar ATS en dan naar Essential load groepen, ongeacht het stelsel (TNCS of TT). PE naar E-bar en E-bar naar aardpen bij TT en naar grid bij TNCS.
Bij TNCS moet Signal Island mode aangevinkt worden, bij TT hoeft dit niet.
Begrijp ik het zo goed?
Vergeten te zeggen dat ik gebruik zou maken van een Geya ATS, die automatisch switcht als grid weg valt, moet je dan nog steeds Signal Island mode gebruiken? (Want die functie zorgt ervoor dat er een seintje wordt gegeven aan ATS, maar dat is hier niet nodig toch?)
Bij TNCS systeem ligt neutraal aan aarde (de aarde wordt van de PEN afgeplitst, maar bij kabel breuk heb je geen vereffingsaarde) als je neutraal onderbreekt naar Deye onderbreekt, dient neutraal aan aarde gelegt te worden in de Deye. (signal mode on)
Bij TT heb je alleen een aardpen en moet je zelf ergens neutraal aan aarde leggen en dient je sterpunt van Deye aan aarde te liggen bij geen netvoeding, dat kan je met bekabeling bij Deye doen bij volledige eiland setup.
Maar nu komt de moeilijkheid, zoals in met Bliq schema met een ATS erin, wanneer schakelt die?
Op gridspanning of accu leeg als ook dat die nog anders kan schakelen (manueel en/of wifi) (het plaatje is te onduidelijk welk model).
Dan kies je voor de netgebonden aardlekschakelaars, want die moeten ook functioneren los van de schakelstand van de ATS en ook eiland signal on, maar je moet dan wel meten en via de stopcontact testen of alle aardleks functioneren (niet enkel de testknop) of de bekabeling klopt (in praktijk valt soms tegen)en aanraakbare delen ook vereffingsaarde hebben. In die schema's is functionele aarde en vereffingsaarde gescheiden (2x E-bar)
Ik heb voorbeelden gezien met aarde aan neutraal op de ATS. (bij aarde van netwerkbeheerder is een hulp aardpen in NEN alleen advies voor zover ik weet, in UK is een (hulp)aardelectrode verplicht)
Geya ATS, een W2R of een G2R?
Eilandbedrijf met netondersteuning , all-electric || Deye 12KSG04LP3 met 580Ah-LFP 51,2V (Seplos 3x48100-10C +48200-10E) || hulp-Deye 12k SG04LP3 met 280Ah-LFP 51,2V || 19.4 kWp PV || Zonneplan EPEX-klant
Alleen noodstroom, niet voor regelmatig gebruik
Default A , normaal net aansluiting (maar hier zit die in load en daarmee omgekeerde tot accu leeg is)
B stand-by bijv accu (normaal).
Goed op letten hoe Bliq die werkelijk aansluit.
Ken deze verder niet, daar het een PC class is met onder en overvoltage, wel heel benieuwd hoe dat werkt op load uitgang, mocht je last hebben van 253V op je netaansluiting, vanwege recovery voltage 240 +/-5V
Waarschijnlijk zit er ook een delay op A, van A naar B zal snel zijn en als die naar B geschakelt is en spanning op A terug is dat het dan enige seconden tot paar minuten kan duren voor die terugschakelt (rekening mee houden als je test)
Eilandbedrijf met netondersteuning , all-electric || Deye 12KSG04LP3 met 580Ah-LFP 51,2V (Seplos 3x48100-10C +48200-10E) || hulp-Deye 12k SG04LP3 met 280Ah-LFP 51,2V || 19.4 kWp PV || Zonneplan EPEX-klant
Mijn idee was ook om dit te gebruiken voor noodstroom, niet om volledig off-grid te gaan (en soms net te gebruiken bij te weinig PV). Ik zou altijd 20% in batterij houden om tijdens stroomuitval wat handige groepen van stroom te kunnen voorzien.
De ATS zou dan alleen bij stroomuitval automatisch moeten omschakelen zodat de Deye de nood groepen voorziet van stroom vanuit PV of Accu.
Maar ik moet op de LOAD-poort van de Deye dus L1, L2, L3, N & PE aansluiten, L1, L2, L3 en N scheiden met een aardlekautomaat en de PE verbinden met de aardrail.
Wanneer zou ik dan Signal Island Mode on moeten zetten en hoe verschilt dit per stelsel?
Keith (SunSynk) toont dit echter slechts met de één phase SunSynks. Hij gebruikt hiervoor een Normal Open.
Als je dan een aardlekautomaat van Deye naar Load hebt, zou deze dan ook niet omslaan?
Een beetje omslachtig of ik snap het niet.Money schreef op donderdag 27 maart 2025 @ 16:54:
@Domba
Mijn idee was ook om dit te gebruiken voor noodstroom, niet om volledig off-grid te gaan (en soms net te gebruiken bij te weinig PV). Ik zou altijd 20% in batterij houden om tijdens stroomuitval wat handige groepen van stroom te kunnen voorzien.
De ATS zou dan alleen bij stroomuitval automatisch moeten omschakelen zodat de Deye de nood groepen voorziet van stroom vanuit PV of Accu.
Maar ik moet op de LOAD-poort van de Deye dus L1, L2, L3, N & PE aansluiten, L1, L2, L3 en N scheiden met een aardlekautomaat en de PE verbinden met de aardrail.
Wanneer zou ik dan Signal Island Mode on moeten zetten en hoe verschilt dit per stelsel?
Je wilt de load uitgang van Deye als back up gebruiken en de groepen worden normaal gevoed door netaansluiting?
Met CT's voor hoofdschakelaar en met workmode "zero export to CT" ondersteun je met PV of accu het verbruik op die groepen als het net er is?
Dat kan veel eenvoudiger zonder ATS, door gewoon meer lading in de accu te houden in time of use.
Bij wegvallen van spanning op de gridaansluiting wordt time of use settings niet meer gebruikt , maar wordt de accu benut tot de shutdown waarde in battery settings.
Een ATS op de load uitgang gebruik je voor storing van de Deye of onderhoudt.
De Bliq setup streeft waarschijnlijk niet iets na.als maximaal eigen verbruik en zekerheid van geen teruglevering, dan is de vraag voor welke omvormer is dit schema.
Maar in Duitsland is deze setup gebruikelijk door gridzijde van Deye gewoon niet aan te sluiten om geen enkele PV opwek terug te leveren en nadat ook de accu leeg is, over te schakelen op netvoeding en wordt weer terug geschakeld als accu lading weer boven restart waarde in batterij settings komt door spanning op de load uitgang te zetten.
Eilandbedrijf met netondersteuning , all-electric || Deye 12KSG04LP3 met 580Ah-LFP 51,2V (Seplos 3x48100-10C +48200-10E) || hulp-Deye 12k SG04LP3 met 280Ah-LFP 51,2V || 19.4 kWp PV || Zonneplan EPEX-klant
Of is er ook een kWh meter voor, liefst via ethernet?
1 PVoutput . Dongen NB