Speedsmile schreef op maandag 15 november 2021 @ 21:58:
[...]
Bij het aansluiten van mijn warmtepomp heb ik precies dezeflde twijfel even gehad, na het bestuderen van de schema's kwam ik inderdaad tot de conslusie dat het gescheiden circuits betreft (zie onder). Ik heb dus ook compressor en backup heater op 2 aparte fases aangesloten.
Het zou goed zijn voor de discussie hierboven even te verhelderen welke verwisseling tussen draden er bedoelt wordt (twee fase draden in 1 aardlek automaat) want die kans is natuurlijk aanwezig als je even een slecht moment hebt. Of bedoelen we ook nog het omwisselen van de nul en de fasedraad op 1 dezelfde aardlek (lijkt me sterk).
Er lopen dan dus wel 2 fases over het board, de vraag is of het daar voor ontworpen is

, iemand dat bekeken?
Deze info zou ook even zonder mogelijke verwarring in de startpost moeten staan, dus wat wel, en vooral wat NIET te doen

.
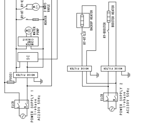
Zie ook dit schema onder uit de service manual (p41-p42, en ook p43).
[
Afbeelding]
Je hoeft het schema niet te raadplegen om te weten dat die circuits gescheiden zijn. De aardlekschakelaar meet het verschil tussen de twee stromen die er door lopen (bij een 3-fase a.l.s. vier). Als er een lek is, naar aarde of naar iets anders gaat de a.l.s. uit.
Die scheiding moet je ook bij de randapparatuur handhaven. Naar de sww tank verwarming en naar de 3-wegklep lopen van de hoofdprint verbindingen. Je mag die verbindingen niet in dezelfde kabel stoppen en je mag de nulleiders ook niet samenvoegen.
Ik zou niet weten wat er kapot zou gaan als je het verkeerd aansluit. Als je draden verwisselt, gaat de aardlek of een automaat eruit.
Edit: O ja, als je fase en nul verwisselt, staat er ook 230V op sensors en afstandsbediening. Als je de nul verwisselt met een andere fase staat er 400V op de voeding. Waarschijnlijk gaat er dan een varistor in geleiding en een automaat in de groepenkast er uit. Bij aansluiting van een 3-fase warmtepomp en bij aansluiting van een 1-fase wp aan een enkele 5-aderige kabel is het aantal mogelijkheden om het fout te doen nog groter. Ik denk dat het te ver gaat om dat allemaal in de TS op te nemen. De tekeningen in de Installatie- en Service Manual zijn duidelijk.
[
Voor 13% gewijzigd door
FransvWoerkom op 16-11-2021 11:46
]