Op welke aanvoertemperaturen denk je dat de radiatoren boven en de vloerverwarming beneden gaan draaien?rube schreef op zondag 16 mei 2021 @ 18:53:
Afgelopen vrijdag heb ik de panasonic WH-MDC07J3E5 besteld bij rjtec. Nu e.e.a. aan het voorbereiden.
We zijn nu bezig om de opdracht te verstrekken voor het aanleggen van de nieuwe vloerverwarming. De omschrijving van de installateur is nogal summier mbt de vloerverdeler: vloerverdeler voor een warmtepomp, 9 groepen. Het gaat om vloerverwarming voor 60m2, buis 16x2mm met 10 cm h.o.h.
Ik begrijp dat dit een gesloten verdeler moet zijn zonder pomp. Waar moet ik verder op letten bij de vloerverdeler? En is er nog iets specifieks van toepassing voor de Panasonic of is dit voor alle WP's wel zo'n beetje gelijk?
Koelen Bij sommige modellen expliciet staan dat deze geschikt zijn voor koelen, maar wanneer is een vloerverdeler niet geschikt voor koelen?
Flowmeters Flowmeters zitten zo te zien niet op elke vloerverdeler, zijn deze essentieel/zeer aan te raden?
Bypass Een WP installateur had het erover dat er een bypass op moest zitten, maar als ik geen naregeling heb kan de WP de warmte toch gewoon kwijt in de 60m2 vloer bij een gesloten verdeler, onafhankelijk of alle de radiatoren op de 1ste verdieping dicht staan?
Afsluitkranen/kogelkraan Ik denk dat het verstandig is om 2 afsluitkranen voor de vloerverdeler te monteren voor het geval dat? (en deze niet al bij de verdeler inzitten)
Zoiets https://www.pumpendiscoun...OVENTROP-Kugelhahn-1.html
of eventueel met thermometer https://www.pumpendiscoun...OVENTROP-Kugelhahn-1.html
Ontluchters Sommige modellen hebben ontluchters ingebouwd, maar dit kan eventueel ook los in de leiding/bij de aanlsluiting?
Thermometer Is dit nog handig, betrouwbaar bij LTV?
Andere zaken om op te letten?
Een aantal pompen die ik gevonden heb op prijs van laag naar hoog (voor 9 groepen):
OVENTROP verdeler RVS 204 euro https://www.pumpendiscoun...OVENTROP-Verteiler-E.html
Pomploze RVS Verdeler 235 euro https://www.radiatorendis...-voor-verwarmen-en-koelen
Kunststof verdeler 360 euro https://www.vloerverwarmi...tof-verdeler-zonder-pomp/
Robot verdeler 403 euro https://4heat.nl/nl/robot...pen/561-aansluiting-links
Klemsets lijken overal nog bijbesteld te moeten worden.
Is er een specifieke reden voor de een danwel de ander te kiezen? En dus niet de RVS verdeler van 235 euro? (die er voor mij als leek lekker stevig en duidelijk uitziet en gunstig geprijsd).
Verwijderd
Wat @koevlaas2 linkt is geen buffervat. En daar zit dus het probleem. Ik hoor teveel termen door elkaar waardoor ik dus niet begrijp en weet wat ik moet aanschaffen.frisianstar schreef op zondag 16 mei 2021 @ 19:32:
[...]
Als Koevlaas het adviseert zou ik het bestellen...
Dat buffervat zal dus wel nodig zijn, is er overwogen voor een warmtepomp boiler? krijg je soms subsidie op, op dat buffervat helemaal niets
Simpel gezegd wil ik: vloerverwarming warmen met een Pana monoblock. Ik wil kunnen douchen en in bad en er moet warm en koud water uit de kraan komen.
Volgens de documentatie is het een 300 liter vat met één grote spiraal... waarvoor/ waarom dit vat bij jou nodig is kan ik beter in het andere topic te weet komen waar jij de vraag stelde en niet hier; dit is tenslotte het Panasonic Mono WP topic.Verwijderd schreef op zondag 16 mei 2021 @ 19:37:
[...]
Wat @koevlaas2 linkt is geen buffervat. En daar zit dus het probleem. Ik hoor teveel termen door elkaar waardoor ik dus niet begrijp en weet wat ik moet aanschaffen.
Simpel gezegd wil ik: vloerverwarming warmen met een Pana monoblock. Ik wil kunnen douchen en in bad en er moet warm en koud water uit de kraan komen.
(zelf heb ik voor warm sanitair water een aparte WP boiler én nog een elektrische boiler als back-up mocht de wpb in storing zijn)
20x JA Solar 6.9KW; Fronius Symo 7.0; Panasonic J Mono 7KW; Atlantic Explorer V3
Verwijderd
Begrijpelijk maar aangezien het wel i.c.m. een Pana monoblock gaat stelde ik ook hier de vraag.frisianstar schreef op zondag 16 mei 2021 @ 20:05:
[...]
Volgens de documentatie is het een 300 liter vat met één grote spiraal... waarvoor/ waarom dit vat bij jou nodig is kan ik beter in het andere topic te weet komen waar jij de vraag stelde en niet hier; dit is tenslotte het Panasonic Mono WP topic.
(zelf heb ik voor warm sanitair water een aparte WP boiler én nog een elektrische boiler als back-up mocht de wpb in storing zijn)
Hoe gebruik je een reservegroep voor koeling op een ventilatiesysteem?frisianstar schreef op zondag 16 mei 2021 @ 19:08:
@rube
Mijn verdeler is van Therminon van kunstof,zonder pomp, met kogelafsluiters, thermometers en beugels.
Bij Warmteservice nog geen 400 Euro (9 groepen)
Doe altijd 1 of beter 2 groepen reserve, 4 maanden na de oplevering van mijn woning heb ik de enige reserve groep al nodig voor koeling op het ventilatie systeem.
Zo laag mogelijk. Waarschijnlijk is dat voor een korte periode in het jaar te laag voor de radiatoren boven. Maar dan vervang ik die waar nodig door LTV radiatoren of ik plaats een electrische kachel/infrarood paneel voor de (korte) momenten dat het nodig is.FransvWoerkom schreef op zondag 16 mei 2021 @ 19:34:
[...]
Op welke aanvoertemperaturen denk je dat de radiatoren boven en de vloerverwarming beneden gaan draaien?
Buffervat = een CV inhoud vergroter.Verwijderd schreef op zondag 16 mei 2021 @ 19:37:
[...]
Wat @koevlaas2 linkt is geen buffervat. En daar zit dus het probleem. Ik hoor teveel termen door elkaar waardoor ik dus niet begrijp en weet wat ik moet aanschaffen.
Simpel gezegd wil ik: vloerverwarming warmen met een Pana monoblock. Ik wil kunnen douchen en in bad en er moet warm en koud water uit de kraan komen.
Boiler = vat met warm sanitair water.
13,1 kWp, Ecodan R32 7,5 , WTW ventilatie, Daikin FTXM35M(R) (5x), Doorstroomverwarmer, Douche WTW, Emco Novette Twin met LFP accu 51.2V 40Ah, Opel Vivaro DC L3H1 75kW (12-2022).
Met een kanaalkoeler/ fancoil unit in de toevoer van het ventilatie systeem: https://www.bengshop.nl/I...0ewALREAkYCCABEgJknPD_BwErube schreef op zondag 16 mei 2021 @ 20:16:
[...]
Hoe gebruik je een reservegroep voor koeling op een ventilatiesysteem?
Deze is duur, tweedehands ook aangeboden, word vaak in grotere kantoren toegepast; middels gekoeld water verzorgd dit de koeling van de vertrekken (en tevens voor de verwarming middels een drieweg klep en warmwater toevoer)
20x JA Solar 6.9KW; Fronius Symo 7.0; Panasonic J Mono 7KW; Atlantic Explorer V3
Duidelijk; de spiraal wordt via een drieweg klep op de wp aangesloten; hoe zit het dan met de legionella run? is er een extra elektrisch element in dit vat om dat uit te voeren?koevlaas2 schreef op zondag 16 mei 2021 @ 20:21:
[...]
Buffervat = een CV inhoud vergroter.
Boiler = vat met warm sanitair water.
20x JA Solar 6.9KW; Fronius Symo 7.0; Panasonic J Mono 7KW; Atlantic Explorer V3
Inderdaad kun je het gefaseerd doen. Dat doe ik ook, maar dan omgekeerd. Mijn verdeler met menging en pomp uit het cv-tijdperk zit er nog, net als de grote radiatoren boven. Toen het afgelopen maanden onder nul was, stookte ik de radiatoren tot 40° en de vloerverwarming beneden tot 28°. Op mijn werkkamer boven werd het net 18° en beneden 22°. Binnenkort komen er grote convectoren boven, misschien met ventilatoren. De verdeler laat ik nog even zoals die is.rube schreef op zondag 16 mei 2021 @ 20:18:
[...]
Zo laag mogelijk. Waarschijnlijk is dat voor een korte periode in het jaar te laag voor de radiatoren boven. Maar dan vervang ik die waar nodig door LTV radiatoren of ik plaats een electrische kachel/infrarood paneel voor de (korte) momenten dat het nodig is.
Misschien is het handig naast de verdeler ruimte te laten voor een pomp en regelventiel. Dan kun je later nog wisselen naar 2-zone bedrijf.
Gewoon dat koelen met de wp vergeten als je geen fancoils hebt. Je kunt ook kiezen voor een multisplit airco als aanvulling op je wp. Dan kan je echt koelen en indien gewenst ook verwarmen. Geen LTV en IR nodig en ook geen aanpassingen tegen condensatie meer nodig. Koelen van je radiatoren gaat sowieso niet werken en met de vloer geeft het hoogstens 2 graden verlaging van de kamertemperatuur ten opzichte van buiten. Nu met de koude meimaand staat mijn wp uit en warm ik bij met de airco. Gaat perfect, die Daikin moduleert enorm terug (draait nu tussen de 0 en de 0,5 kWh!) en de ruimte is binnen 15 minuten op de gewenste temperatuur. Zou nu met de wp uren duren omdat de buffer uit de vloer is, het “probleem” van de wp in voorjaar en najaar. In de badkamer heb ik nog een IR hangen, heb daar geen binnenunit.rube schreef op zondag 16 mei 2021 @ 20:18:
[...]
Zo laag mogelijk. Waarschijnlijk is dat voor een korte periode in het jaar te laag voor de radiatoren boven. Maar dan vervang ik die waar nodig door LTV radiatoren of ik plaats een electrische kachel/infrarood paneel voor de (korte) momenten dat het nodig is.
WH-MDC05H3E5, 5600 Wp zonnepanelen, 2 infrarood bad- en werkkamer, SWW Auer Edel water 100L, Daikin 2MXM50M9 airco met FTXM35N en FTXM20N
Ok het onderzoek is gestart nu bij mijn heel bizarre situatie :FransvWoerkom schreef op zondag 16 mei 2021 @ 16:52:
[...]
Precies. Ik vermoed dat daar boven die muur een naad zit in de onderkant van de vloer. Dat het water dus door een sparing ergens daarboven komt. Het hoeft geen regenwater te zijn en ook geen lek in de vloerverwarming. Het kan ook gemorst water bij het vullen van het verwarmingssysteem of expansiewater uit de sww tank zijn. Ik zie op een eerdere foto een inlaatcombinatie/veiligheidsgroep aan kennelijk het riool. Dat riool werkt toch goed?
Laat eerst het veiligheidsventiel van de warmtepomp repareren. Eén druppel in de paar seconden kan best 0,2 bar drukverlies geven. Als het drukverlies aan het veiligheidsventiel lag, hoeven we niet meer naar lekken in het verwarmingssysteem te zoeken.
Dit was zaterdag ochtend 8:00
:strip_exif()/f/image/nV4nnzbBnNC4ZXL5jo5QEiJa.jpg?f=fotoalbum_large)
En dit was maandag ochtend om 08:30
:strip_exif()/f/image/RhiXemqbJdyLpBvbwjVRbmUt.jpg?f=fotoalbum_large)
Dus spreken we over dit verlies na 48uren.
Het rare van de situatie is :
dus de eerste week na het vullen van de vloerverwarming zakte de luchtdruk direct van 2bar naar 0bar
in 2dagen maximum.
Dan na 10dagen elke 2dagen te vullen , begon het te dalen van 2bar naar 1.5bar bijvoorbeeld in 1dag.
Dus elke dag 0.5bar verlies.
Dan na 14dagen kreeg ik 0.2bar verlies per dag
en nu krijg ik dus zoals je ziet 0.2bar verlies per 48uren. Dus vermoedelijk 0.1bar verlies per 24uren.
Het systeem zelf was al volledig gekoppeld en aangesloten voor ze de chape erover hebben gedaan
dus werd geen luchtdruk test gedaan , ook werd er niet echt traditioneel ontlucht groep per groep.
Water werd gewoon gevuld via de verdeler in het systeem.
Kan er na 14-20dagen nog altijd zijn dat er lucht is in het systeem en dat dit zorgt voor het verlies ?
Ik ging om 11uur terug gaan controleren vandaag en was terug 0.05 bar gedaald ,
dus er is echt nog altijd daling.
+ ik kan nu al zeker zeggen dat dit opgelost is qua veiligheidsventiel lekkage
er komen geen druppeltjes meer uit , na aantal keer trekken & duwen aan deze hendel.
Dus dit verklaart waarschijnlijk waarom er 2bar verlies was na 2dagen in de 1ste week.
Dus nu is het veiligheidsventiel probleem opgelost.
Nu wat kan mij nog altijd voor een verlies van 0.2bar zorgen per 48uren en kan dit na 2-3weken vullen ?
Ik heb nu de volgende stappen gedaan :
Heb 4 groepen op het 1ste verdiep gesloten (toegedraaid) , dus nu staan er nog 2 groepen open op het 1ste verdiep en alle groepen beneden.
En heb gevuld terug tot 1.7bar,
ben benieuwd nu naar het resultaat morgen of in de avond.
Dat ziet er goed uit.jens1211 schreef op maandag 17 mei 2021 @ 12:49:
[...]
Ok het onderzoek is gestart nu bij mijn heel bizarre situatie :
Dit was zaterdag ochtend 8:00
[Afbeelding]
En dit was maandag ochtend om 08:30
[Afbeelding]
Dus spreken we over dit verlies na 48uren.
Het rare van de situatie is :
dus de eerste week na het vullen van de vloerverwarming zakte de luchtdruk direct van 2bar naar 0bar
in 2dagen maximum.
Dan na 10dagen elke 2dagen te vullen , begon het te dalen van 2bar naar 1.5bar bijvoorbeeld in 1dag.
Dus elke dag 0.5bar verlies.
Dan na 14dagen kreeg ik 0.2bar verlies per dag
en nu krijg ik dus zoals je ziet 0.2bar verlies per 48uren. Dus vermoedelijk 0.1bar verlies per 24uren.
Het systeem zelf was al volledig gekoppeld en aangesloten voor ze de chape erover hebben gedaan
dus werd geen luchtdruk test gedaan , ook werd er niet echt traditioneel ontlucht groep per groep.
Water werd gewoon gevuld via de verdeler in het systeem.
Kan er na 14-20dagen nog altijd zijn dat er lucht is in het systeem en dat dit zorgt voor het verlies ?
Ik ging om 11uur terug gaan controleren vandaag en was terug 0.05 bar gedaald ,
dus er is echt nog altijd daling.
+ ik kan nu al zeker zeggen dat dit opgelost is qua veiligheidsventiel lekkage
er komen geen druppeltjes meer uit , na aantal keer trekken & duwen aan deze hendel.
Dus dit verklaart waarschijnlijk waarom er 2bar verlies was na 2dagen in de 1ste week.
Dus nu is het veiligheidsventiel probleem opgelost.
Nu wat kan mij nog altijd voor een verlies van 0.2bar zorgen per 48uren en kan dit na 2-3weken vullen ?
Ik heb nu de volgende stappen gedaan :
Heb 4 groepen op het 1ste verdiep gesloten (toegedraaid) , dus nu staan er nog 2 groepen open op het 1ste verdiep en alle groepen beneden.
En heb gevuld terug tot 1.7bar,
ben benieuwd nu naar het resultaat morgen of in de avond.
Er is misschien nog lucht opgelost in het water. Bij opwarmen en bij lokale drukverlagingen in appendages kan dit nog uit het water komen en door één van de ontluchters ontsnappen en voor een beetje drukverlies zorgen. Als er geen druppels meer uit het veiligheidsventiel komen, lijkt het probleem dus opgelost.
Hoe doet de warmtepomp het verder? Is het aangenaam in huis? Ventileer je nog wel? Er komt altijd nog veel waterdamp uit beton en chape. Is de sww tank in gebruik en werkt dat automatisch opwarmen? Hoe staat het met het geluid van de warmtepomp? Hoor of voel je dat binnen?
Van het geluid van de warmtepomp ben ik meer dan tevreden. Hier hoor je zeker niks van als ik in huis ben,FransvWoerkom schreef op maandag 17 mei 2021 @ 13:08:
[...]
Dat ziet er goed uit.
Er is misschien nog lucht opgelost in het water. Bij opwarmen en bij lokale drukverlagingen in appendages kan dit nog uit het water komen en door één van de ontluchters ontsnappen en voor een beetje drukverlies zorgen. Als er geen druppels meer uit het veiligheidsventiel komen, lijkt het probleem dus opgelost.
Hoe doet de warmtepomp het verder? Is het aangenaam in huis? Ventileer je nog wel? Er komt altijd nog veel waterdamp uit beton en chape. Is de sww tank in gebruik en werkt dat automatisch opwarmen? Hoe staat het met het geluid van de warmtepomp? Hoor of voel je dat binnen?
dat zeker
Ik voel goed de warmte bij een 30-25 retour/aanvoer warmte temperatuur.
SWW tank is voorlopig nog niet in gebruik , @koevlaas2 zal de 3-wegklep in werking stellen & boiler vullen
normaal deze week en kunnen we nog eens extra controleren wat er voor verlies zou kunnen zorgen van luchtdruk.
En momenteel ventileer ik nog niet , omdat ook deze nog moet worden geinstalleerd door koevlaas.
Maar ik laat altijd alle ramen open voor verluchting & droging.
Misschien nog een tip nu je nog in de ruwbouw zit. Bij ons heeft er circa 2 weken lang een bouwdroger gestaan toen de vloeren en muren waren afgewerkt (zandcement en ruwe stucwerk). Alle ramen en deuren gesloten, enkel een slang naar buiten toe om het water af te voeren. Heb nooit echt een merkwaardige hoger gasverbruik gehad het eerste jaar na oplevering,
Inventum Modul AIR ALL-E, METRO Microbooster V 190, Misubishi PUHZ-W50VHAR2
Niet standaard. De legionella run kan de wp zelf met behulp van een element in de wp of je moet een inschoef element in het vat plaatsen en die kan je dan ofwel los ofwel door de wp aansturen.frisianstar schreef op zondag 16 mei 2021 @ 21:32:
[...]
Duidelijk; de spiraal wordt via een drieweg klep op de wp aangesloten; hoe zit het dan met de legionella run? is er een extra elektrisch element in dit vat om dat uit te voeren?
[ Voor 3% gewijzigd door twain4me op 17-05-2021 14:38 ]
Heel tof topic moet ik zeggen, ik ben nu bezig met verbouwen van onze nieuwe woning:
2 onder 1 kap
Bouwjaar 2004
Alles RC 3.0 (daken, vloeren, wanden)
150 m2 vloeroppervlak
Geschat gas verbruik oude bewoners ... 2000 m3 ?
Joekel van een speksteen kachel als backup voor -20C
Overal vloerverwarming in laten frezen, gehele huis is gewapend beton min of meer.
Nu wil ik een 9 kW panasonic monoblock (WH-MDC09J3E5) gaan halen bij RJtec, dat ziet er echt goed uit, inclusief voetsteunen en die 3 weg klep. Ik twijfel alleen nog over het buffervat voor het SWW. https://shop.rjtec.eu/de/TWL-SWP-300.html Dit is wel een echt scherpe prijs, maar ik twijfel toch een beetje of ik niet beter in NL een RVS vat zal halen met daarin nog een extra spiraal (altijd handig voor toekomstige warmte bronnen ?)
Ik vraag me ook af of ik niet nog beter een buffervat voor het CV systeem erbij moet zetten, al mijn 150 m2 vloerverwarming is ingefreesd dus niet echt diep in de vloer, dus het bufferende vermogen is beperkt ?
2 onder 1 kap
Bouwjaar 2004
Alles RC 3.0 (daken, vloeren, wanden)
150 m2 vloeroppervlak
Geschat gas verbruik oude bewoners ... 2000 m3 ?
Joekel van een speksteen kachel als backup voor -20C
Overal vloerverwarming in laten frezen, gehele huis is gewapend beton min of meer.
Nu wil ik een 9 kW panasonic monoblock (WH-MDC09J3E5) gaan halen bij RJtec, dat ziet er echt goed uit, inclusief voetsteunen en die 3 weg klep. Ik twijfel alleen nog over het buffervat voor het SWW. https://shop.rjtec.eu/de/TWL-SWP-300.html Dit is wel een echt scherpe prijs, maar ik twijfel toch een beetje of ik niet beter in NL een RVS vat zal halen met daarin nog een extra spiraal (altijd handig voor toekomstige warmte bronnen ?)
Ik vraag me ook af of ik niet nog beter een buffervat voor het CV systeem erbij moet zetten, al mijn 150 m2 vloerverwarming is ingefreesd dus niet echt diep in de vloer, dus het bufferende vermogen is beperkt ?
@Lollercopter heb je wel een gesloten (LTV-)verdeler voor je vloerverwarming? Dat scheelt echt een hoop gedoe omdat je dan een betere flow hebt.
Een buffer heb je al in je vloer zitten nu, dus een apart vat zal niet nodig zijn.
Overigens vind ik 2000m³ gas veel voor 150m² GO en bouwjaar 2004. Of heb je hele hoge plafonds?
Een buffer heb je al in je vloer zitten nu, dus een apart vat zal niet nodig zijn.
Overigens vind ik 2000m³ gas veel voor 150m² GO en bouwjaar 2004. Of heb je hele hoge plafonds?
[ Voor 18% gewijzigd door timovd op 19-05-2021 22:23 ]
Gasloos huis 9kW Panasonic WH-MDC09J3E5 | Atlantic Explorer V4 270L | 8715Wp @ SMA Tripower 6.0-3AV-40 (4150Wp NO, 4565Wp ZW)
@Lollercopter je zou ook eens kunnen kijken bij SHWT voor een voordelige boiler.
https://shwt-warmwassersp...etauscher-inkl-Isolierung
https://shwt-warmwassersp...etauscher-inkl-Isolierung
Ik heb die swp-300 en die doet het goed. De maten van die goedkopere van shwt zijn vrijwel gelijk, dus die zal het ook wel doen. Neem liever geen tank met extra spiraal; dan wordt de spiraal voor de warmtepomp kleiner. Bovendien, welke toekomstige warmtebron verwacht je? Bij een kachel moet je weer oppassen voor oververhitting en in plaats van een zonneboiler kun je beter zonnepanelen nemen.Lollercopter schreef op woensdag 19 mei 2021 @ 22:06:
Heel tof topic moet ik zeggen, ik ben nu bezig met verbouwen van onze nieuwe woning:
2 onder 1 kap
Bouwjaar 2004
Alles RC 3.0 (daken, vloeren, wanden)
150 m2 vloeroppervlak
Geschat gas verbruik oude bewoners ... 2000 m3 ?
Joekel van een speksteen kachel als backup voor -20C
Overal vloerverwarming in laten frezen, gehele huis is gewapend beton min of meer.
Nu wil ik een 9 kW panasonic monoblock (WH-MDC09J3E5) gaan halen bij RJtec, dat ziet er echt goed uit, inclusief voetsteunen en die 3 weg klep. Ik twijfel alleen nog over het buffervat voor het SWW. https://shop.rjtec.eu/de/TWL-SWP-300.html Dit is wel een echt scherpe prijs, maar ik twijfel toch een beetje of ik niet beter in NL een RVS vat zal halen met daarin nog een extra spiraal (altijd handig voor toekomstige warmte bronnen ?)
Ik vraag me ook af of ik niet nog beter een buffervat voor het CV systeem erbij moet zetten, al mijn 150 m2 vloerverwarming is ingefreesd dus niet echt diep in de vloer, dus het bufferende vermogen is beperkt ?
Denk ook aan een verwarmingselement voor de tank ter bestrijding van legionella en vergeet de speciale Panasonic sww-sensor bij RJTec niet.
Ga er maar van uit dat je hele vloer warm wordt, hoe ondiep je verwarming ook ligt. Anders dan radiatoren verwarm je je vloer vrijwel continu. Je warmt hem niet even snel op.
[ Voor 5% gewijzigd door FransvWoerkom op 20-05-2021 00:47 ]
Oké nu is er iets heel bizarFransvWoerkom schreef op maandag 17 mei 2021 @ 13:08:
[...]
Dat ziet er goed uit.
Er is misschien nog lucht opgelost in het water. Bij opwarmen en bij lokale drukverlagingen in appendages kan dit nog uit het water komen en door één van de ontluchters ontsnappen en voor een beetje drukverlies zorgen. Als er geen druppels meer uit het veiligheidsventiel komen, lijkt het probleem dus opgelost.
Hoe doet de warmtepomp het verder? Is het aangenaam in huis? Ventileer je nog wel? Er komt altijd nog veel waterdamp uit beton en chape. Is de sww tank in gebruik en werkt dat automatisch opwarmen? Hoe staat het met het geluid van de warmtepomp? Hoor of voel je dat binnen?
Ik was heel gelukkig want ik zag plots pas na 2dagen 0.05 bar daling.
Dus het bleef echt stabiel en dus de luchtdruk daling werd minder en minder wat dus leek op
dat er nog lucht zit in het vloerverwarmingsysteem.
Dus wat heb ik gedaan? Ik heb het vloerverwarmingsysteem afgezet en dus de thermostaat OFF.
En wat is er nu gebeurd ? Nu daalt de luchtdruk echt met 0.2 bar in 6-7uren tijd
wat dus 0.8bar -1bar per dag zal zijn.
Hoe kan dit , wat kan de oorzaak zijn ? Elke week daalde mijn luchtdruk minder en minder
tot op een punt dat die maar 0.05bar daalde in 48uren tijd.
Nu laat ik de warmtepomp uitschakelen en boem een heel erg verlies qua luchtdruk ....
Als je de warmtepomp uit zet, gaat ook de circulatiepomp uit. Als je de warmtepomp uit zet, koelt het water af. Beide zullen zorgen voor drukverlaging. Dat de druk zakt met 0,2 bar in 6-7 uur wil niet zeggen dat de druk zal zakken met 0,8 bar in een dag.jens1211 schreef op donderdag 20 mei 2021 @ 21:16:
[...]
Oké nu is er iets heel bizar
Ik was heel gelukkig want ik zag plots pas na 2dagen 0.05 bar daling.
Dus het bleef echt stabiel en dus de luchtdruk daling werd minder en minder wat dus leek op
dat er nog lucht zit in het vloerverwarmingsysteem.
Dus wat heb ik gedaan? Ik heb het vloerverwarmingsysteem afgezet en dus de thermostaat OFF.
En wat is er nu gebeurd ? Nu daalt de luchtdruk echt met 0.2 bar in 6-7uren tijd
wat dus 0.8bar -1bar per dag zal zijn.
Hoe kan dit , wat kan de oorzaak zijn ? Elke week daalde mijn luchtdruk minder en minder
tot op een punt dat die maar 0.05bar daalde in 48uren tijd.
Nu laat ik de warmtepomp uitschakelen en boem een heel erg verlies qua luchtdruk ....
P.S. We zijn er inmiddels aan gewend dat je waterdruk luchtdruk noemt, maar mensen die nieuw in je verhaal komen, kunnen daardoor behoorlijk in verwarring raken.
Je oorspronkelijke plan is prima hoor; vloer met gesloten erdeler op je pana, en een 300liter boiler vat (icm solar= subsidie trekken) met een drieweg klep op je pana.Verwijderd schreef op zondag 16 mei 2021 @ 20:28:
Goed. De Pana monoblock van 5kW met een warmtepompboiler.
Ik kan uit eigen ervaring zeggen dat mooi en simpel werkt met top rendement. Enige voordeel van losse warmtepompboiler kan zijn dat je verwarming vloer niet wordt onderbrokken, maar dat lijkt mij niet echt een probleem?
Bestel naast je pana: 3wegklep en temp sensor. Dit alles kan op een standaard printplaat. Wil je toch een buffervat of iets erbij zetten dat ontkom je denk ik niet aan die optionele pcb.
Succes met alles, zelf ben ik goed geslaagd bij rjtec en bij heima24. Vooral die laatste is echt top
Heat Geek Certified | WP Pana 5H - Solar 6m2 icm 300liter - PV 8970Wp: 27stuks Solar - Home Assistant - Cupra Tavascan |
Verwijderd
@ErikVers
Ik had wat mailcontact gehad met rjtec. Die reageren snel en hadden ook datgene geadviseerd wat jij zegt. Ik moet nog even kijken welk vat precies. Hij zegt het volgende:
Ik had wat mailcontact gehad met rjtec. Die reageren snel en hadden ook datgene geadviseerd wat jij zegt. Ik moet nog even kijken welk vat precies. Hij zegt het volgende:
Für Warmwasser benötigen Sie:
- Boiler, zB. SWP300 oder Hygienespeicher KE800
- 3 Wege Ventil AZV643
- Boilerfühler: PAW-TS4
Yes gesloten verdelers ,1" aansluitingen. Recht toe, recht aan composiet units met flow meters op elke groep.timovd schreef op woensdag 19 mei 2021 @ 22:20:
@Lollercopter heb je wel een gesloten (LTV-)verdeler voor je vloerverwarming? Dat scheelt echt een hoop gedoe omdat je dan een betere flow hebt.
Een buffer heb je al in je vloer zitten nu, dus een apart vat zal niet nodig zijn.
Overigens vind ik 2000m³ gas veel voor 150m² GO en bouwjaar 2004. Of heb je hele hoge plafonds?
Die 2000 m3 is echt een wilde gok, ik weet eerlijk gezegd niet wat de vorige bewoners aan verbruik hadden maar hun voorschot was 135 euro de maand. Zijn wel hoge plafonds van 265 cm (gelukkig).
Thanks voor de tip, dat gaat hem geworden.lampy25 schreef op woensdag 19 mei 2021 @ 22:44:
@Lollercopter je zou ook eens kunnen kijken bij SHWT voor een voordelige boiler.
https://shwt-warmwassersp...etauscher-inkl-Isolierung
Yes heb ik erbij besteld, en ik heb ook de aanvullende panasonic print gedaan. Gaat goed komen, heb er zin. Volgende week komt het spul binnen, dan laat ik die rommel met een verhuislift naar boven zetten, loodgieter erbij voor het waterzijdig aansluiten en dan gaan met die banaanFransvWoerkom schreef op donderdag 20 mei 2021 @ 00:43:
[...]
Ik heb die swp-300 en die doet het goed. De maten van die goedkopere van shwt zijn vrijwel gelijk, dus die zal het ook wel doen. Neem liever geen tank met extra spiraal; dan wordt de spiraal voor de warmtepomp kleiner. Bovendien, welke toekomstige warmtebron verwacht je? Bij een kachel moet je weer oppassen voor oververhitting en in plaats van een zonneboiler kun je beter zonnepanelen nemen.
Denk ook aan een verwarmingselement voor de tank ter bestrijding van legionella en vergeet de speciale Panasonic sww-sensor bij RJTec niet.
Ga er maar van uit dat je hele vloer warm wordt, hoe ondiep je verwarming ook ligt. Anders dan radiatoren verwarm je je vloer vrijwel continu. Je warmt hem niet even snel op.
Hoi,
Ik zit wat te stoeien met het benodigde vermogen WP wat we nodig zouden hebben.
Even wat gegevens van de woning:
Verwarmd oppervlakte = 88m2 ongeveer
Gasverbruik = 1650 kuub (2 personen) en geschat 1400 kuub enkel voor verwarming
Verbruik per graaddag = 2 jaar gemiddelde = 0.52 kuub per graaddag.
Isolatie woning
Bouwjaar 1972
Op de bovenverdieping altijd 2 ramen open staan in verband met ontbreken echte ventilatie opties... wellicht is dit een van de redenen van het hoge gasverbruik (naar mijn mening althans)
Spouwmuren = nageisoleerd
CV buizen = geisoleerd met Buisisolatie 12 mm
Overal HR glas (soms HR++ en ook triple)
Kruipruimte vloer is bespoten met 13cm foam (geen pur maar dat andere)
Vloer kruipruimte liggen 10cm wokkels.
Dak isolatie (binnezijde maar slecht gedaan) en een laagje asbest platen dus laten we uitgaan van geen dakisolatie.
Wie warmtepomp weetjes methode (obv vloeroppervlakte) kom ik op 6.4 +0.8 (SWW) = 7.21
De andere methode van warmtepomp weetjes = 6.09+0.8=6.9
Vollast methode geeft 7.5+0.8= 8.27
Graaddagen methode 7.25+0.8= 8.08 kw.
Wie heeft een van bovenstaande methode gebruikt en aan de hand hiervan zijn systeem gekocht en in hoeverre zijn bovenstaande uitkomsten juist (het liefst een voorbeeld met Radiatore als ik het even zou mogen zeggen) :-)
Verder vraag ik me ook nog af of het vermogen op een of andere manier ook nog mede bepaald wordt door de temperatuur van het cv water? als ik bv 8kw verwarmingsvermogen nodig heb en ik het 8kw hangen (bij temp X aanvoer of retour) of ik heb de temperatuur van het cv water lager staan dit heeft toch nog wel een effect?
Ik heb ooit kort gesproken met de CV onderhoudsman en die meende toen dat we toch echt iets van 14kw nodig gingen hebben.
Wie o wie kan hier iets zinnigs op zeggen?
Ik zit wat te stoeien met het benodigde vermogen WP wat we nodig zouden hebben.
Even wat gegevens van de woning:
Verwarmd oppervlakte = 88m2 ongeveer
Gasverbruik = 1650 kuub (2 personen) en geschat 1400 kuub enkel voor verwarming
Verbruik per graaddag = 2 jaar gemiddelde = 0.52 kuub per graaddag.
Isolatie woning
Bouwjaar 1972
Op de bovenverdieping altijd 2 ramen open staan in verband met ontbreken echte ventilatie opties... wellicht is dit een van de redenen van het hoge gasverbruik (naar mijn mening althans)
Spouwmuren = nageisoleerd
CV buizen = geisoleerd met Buisisolatie 12 mm
Overal HR glas (soms HR++ en ook triple)
Kruipruimte vloer is bespoten met 13cm foam (geen pur maar dat andere)
Vloer kruipruimte liggen 10cm wokkels.
Dak isolatie (binnezijde maar slecht gedaan) en een laagje asbest platen dus laten we uitgaan van geen dakisolatie.
Wie warmtepomp weetjes methode (obv vloeroppervlakte) kom ik op 6.4 +0.8 (SWW) = 7.21
De andere methode van warmtepomp weetjes = 6.09+0.8=6.9
Vollast methode geeft 7.5+0.8= 8.27
Graaddagen methode 7.25+0.8= 8.08 kw.
Wie heeft een van bovenstaande methode gebruikt en aan de hand hiervan zijn systeem gekocht en in hoeverre zijn bovenstaande uitkomsten juist (het liefst een voorbeeld met Radiatore als ik het even zou mogen zeggen) :-)
Verder vraag ik me ook nog af of het vermogen op een of andere manier ook nog mede bepaald wordt door de temperatuur van het cv water? als ik bv 8kw verwarmingsvermogen nodig heb en ik het 8kw hangen (bij temp X aanvoer of retour) of ik heb de temperatuur van het cv water lager staan dit heeft toch nog wel een effect?
Ik heb ooit kort gesproken met de CV onderhoudsman en die meende toen dat we toch echt iets van 14kw nodig gingen hebben.
Wie o wie kan hier iets zinnigs op zeggen?
[ Voor 5% gewijzigd door Fantastic_fox op 31-05-2021 14:18 ]
APS QS1 en Y600 3*340w 38graden en 3*340w 20Graden alles naar het Oosten 92 graden. Zuid set sma sunnyboy 2100b 8*255w 38 graden 178graden zuid || Warmtepomp onder cnstructie Panasonic MDC 9kw j-series enkel radiatoren maar lage temperaturen
1400m3 voor 88m2 woning vind ik rijkelijk veel als ik zie hoeveel isolatie je al hebt.Fantastic_fox schreef op maandag 31 mei 2021 @ 14:03:
Hoi,
Ik zit wat te stoeien met het benodigde vermogen WP wat we nodig zouden hebben.
Even wat gegevens van de woning:
Verwarmd oppervlakte = 88m2 ongeveer
Gasverbruik = 1650 kuub (2 personen) en geschat 1400 kuub enkel voor verwarming
Verbruik per graaddag = 2 jaar gemiddelde = 0.52 kuub per graaddag.
Welke kamertemperatuur hanteer je en hoe is je verwarming opgebouwd? (radiatoren in ombouw? Gordijnen of meubels voor je radiator? Tochtende keukendeur?)
Hoi Wolly,
1400m2 de total woning is een stuk groter, woonoppervlakte is 150 of zo maar een aantal ruimtes zijn niet verwarmd. (bovenverdieping bv staat alleen de radiator op de badkamer open.
Ventilatie was ik nog vergeten.... 0,0 alleen boven normaal gesproken altijd 2 ramen open staan (behalve als het heel hard vriest natuurlijk).
Nu ik dit zo type en jouw reactie lees op het verbruik vraag ik me af of het probleem niet gewoon zit in de 2 ramen die altijd open staan (anders is er nl 0,0 ventilatie)....
Terugkomende op je vragen
Kamer temp als we thuis zijn 19,5-20 graden (20 is het grootste deel 19,5 alleen 's morgens voor we weg gaan). nachtverlaging 15 graden. Geen gordijnen of ombouwen in de weg zitten.
Buitendeuren zouden wel eens wat kunnen tochten maar hierin zitten strips (minimaal verlies dus) en ook in de afzuigkap zit een terugslag klep (Thermobox)
1400m2 de total woning is een stuk groter, woonoppervlakte is 150 of zo maar een aantal ruimtes zijn niet verwarmd. (bovenverdieping bv staat alleen de radiator op de badkamer open.
Ventilatie was ik nog vergeten.... 0,0 alleen boven normaal gesproken altijd 2 ramen open staan (behalve als het heel hard vriest natuurlijk).
Nu ik dit zo type en jouw reactie lees op het verbruik vraag ik me af of het probleem niet gewoon zit in de 2 ramen die altijd open staan (anders is er nl 0,0 ventilatie)....
Terugkomende op je vragen
Kamer temp als we thuis zijn 19,5-20 graden (20 is het grootste deel 19,5 alleen 's morgens voor we weg gaan). nachtverlaging 15 graden. Geen gordijnen of ombouwen in de weg zitten.
Buitendeuren zouden wel eens wat kunnen tochten maar hierin zitten strips (minimaal verlies dus) en ook in de afzuigkap zit een terugslag klep (Thermobox)
[ Voor 26% gewijzigd door Fantastic_fox op 31-05-2021 14:22 ]
APS QS1 en Y600 3*340w 38graden en 3*340w 20Graden alles naar het Oosten 92 graden. Zuid set sma sunnyboy 2100b 8*255w 38 graden 178graden zuid || Warmtepomp onder cnstructie Panasonic MDC 9kw j-series enkel radiatoren maar lage temperaturen
Open ramen zal niet het probleem zijn als je op erg koude dagen de deuren maar dicht houd. Wij zelf hebben boven op de slaapkamers de ramen ook altijd open staan en geen verwarming aan.Fantastic_fox schreef op maandag 31 mei 2021 @ 14:16:
Hoi Wolly,
1400m2 de total woning is een stuk groter, woonoppervlakte is 150 of zo maar een aantal ruimtes zijn niet verwarmd. (bovenverdieping bv staat alleen de radiator op de badkamer open.
Ventilatie was ik nog vergeten.... 0,0 alleen boven normaal gesproken altijd 2 ramen open staan (behalve als het heel hard vriest natuurlijk).
Nu ik dit zo type en jouw reactie lees op het verbruik vraag ik me af of het probleem niet gewoon zit in de 2 ramen die altijd open staan (anders is er nl 0,0 ventilatie)....
Terugkomende op je vragen
Kamer temp als we thuis zijn 19,5-20 graden (20 is het grootste deel 19,5 alleen 's morgens voor we weg gaan). nachtverlaging 15 graden. Geen gordijnen of ombouwen in de weg zitten.
Buitendeuren zouden wel eens wat kunnen tochten maar hierin zitten strips (minimaal verlies dus) en ook in de afzuigkap zit een terugslag klep (Thermobox)
Mijn verbruik was 1000m3 en ik heb een pana 5 kW h serie. Doet het prima en ook toen het hier -13 was de boel goed warm gekregen.
Kook jij op gas en hoe kom jij aan die 250 m3 gas voor niet verwarmen? Kijk anders even naar het gasverbruik van 1 juni tot eind juni of 15 juni. het verbruik is dan zeker zonder verwarming en kun je beter inschatten hoeveel het is.
14 kW is veel te veel wordt het 7 of 9 maar de 7 zou het wel eens makkelijk aan kunnen. Zeker als je aan de kust woont en niet zo als ik in het oosten.
Gasloos sinds 10-03-2019. Panasonic 5Kw monoblok. panelen:2760 Wp ZZO en 2650 Wp zuid.
Hoi @Me Albert
Ik heb even opgezocht wat je vraag (heb nl 2 jaar data op dag niveau van gasvebruik en graaddagen)
We koken inderdaad nog op gas.
Juni 2020 had ik in de hele maand 27 kuubs gasverbruik, bij 62 graaddagen maar dit zal inderdaad betekenen dat we geen verwarming aan hebben gehad. in de zomer staat deze nl altijd op 15 graden.
dus 12*27=324 kuubs voor Koken en warm water voorziening.
Dit vertekend het beeld wel een beetje maar niet giga =1650-324=1326kuub /2692= 0.49kuub per graaddag.
14 lijkt me ook serieus overkill aan de andere kant heb ik het ketel vermogen recentelijk terug gezet naar 14k maar ik kan hier nog niet echt iets over zeggen omdat dit recent is gebeurd en ik dus niet weet of ik hiermee in de winter kan uitkomen.
De woning heeft wel geen ramen op het zuiden, wat zeker een rol zal spelen ivm de opwarming overdag in voor en najaar.
5Kw wat is de staat van de isolatie? welke energielabel heb je (ik zit op
althans sinds vorig najaar (vloer isolatie laten aanbrengen.
Ik heb even opgezocht wat je vraag (heb nl 2 jaar data op dag niveau van gasvebruik en graaddagen)
We koken inderdaad nog op gas.
Juni 2020 had ik in de hele maand 27 kuubs gasverbruik, bij 62 graaddagen maar dit zal inderdaad betekenen dat we geen verwarming aan hebben gehad. in de zomer staat deze nl altijd op 15 graden.
dus 12*27=324 kuubs voor Koken en warm water voorziening.
Dit vertekend het beeld wel een beetje maar niet giga =1650-324=1326kuub /2692= 0.49kuub per graaddag.
14 lijkt me ook serieus overkill aan de andere kant heb ik het ketel vermogen recentelijk terug gezet naar 14k maar ik kan hier nog niet echt iets over zeggen omdat dit recent is gebeurd en ik dus niet weet of ik hiermee in de winter kan uitkomen.
De woning heeft wel geen ramen op het zuiden, wat zeker een rol zal spelen ivm de opwarming overdag in voor en najaar.
5Kw wat is de staat van de isolatie? welke energielabel heb je (ik zit op
APS QS1 en Y600 3*340w 38graden en 3*340w 20Graden alles naar het Oosten 92 graden. Zuid set sma sunnyboy 2100b 8*255w 38 graden 178graden zuid || Warmtepomp onder cnstructie Panasonic MDC 9kw j-series enkel radiatoren maar lage temperaturen
@Fantastic_fox ik kan je mijn praktijksituatie geven: ons gasverbruik was ongeveer 1650 kuub, waarvan ongeveer 150 kuub voor warm water (koken was al op inductie).
Dus zo'n 1500 kuub gas voor verwarming. Ik kwam ook uit op zo'n 8 kW benodigd verwarmingsvermogen. Ik heb een 7 kW J-serie Panasonic staan die het afgelopen winter in de praktijk prima trok, eventueel zit daar nog nog een 3 kW elektrisch element in die bij kan springen, maar dat is niet nodig geweest (nét niet).
Verwarming op maximaal 45 graden watertemperatuur bij -10 graden celcius. Verwarming wel 24/7 op 20 graden.
Dus zo'n 1500 kuub gas voor verwarming. Ik kwam ook uit op zo'n 8 kW benodigd verwarmingsvermogen. Ik heb een 7 kW J-serie Panasonic staan die het afgelopen winter in de praktijk prima trok, eventueel zit daar nog nog een 3 kW elektrisch element in die bij kan springen, maar dat is niet nodig geweest (nét niet).
Verwarming op maximaal 45 graden watertemperatuur bij -10 graden celcius. Verwarming wel 24/7 op 20 graden.
haal niet teveel info uit het (oude) energie label dat zegt echt te weinig om iets zinnigs uit te concluderen als het gaat om warmteverlies, mijn doortocht woning heeft ook A (enkel glas, geen na isolatie op de steens muren, of een andere vorm van noemenswaardige isolatie ) mijn zonnepanelen compenseren alles.Fantastic_fox schreef op maandag 31 mei 2021 @ 15:51:
Hoi @Me Albert
Ik heb even opgezocht wat je vraag (heb nl 2 jaar data op dag niveau van gasvebruik en graaddagen)
We koken inderdaad nog op gas.
Juni 2020 had ik in de hele maand 27 kuubs gasverbruik, bij 62 graaddagen maar dit zal inderdaad betekenen dat we geen verwarming aan hebben gehad. in de zomer staat deze nl altijd op 15 graden.
dus 12*27=324 kuubs voor Koken en warm water voorziening.
Dit vertekend het beeld wel een beetje maar niet giga =1650-324=1326kuub /2692= 0.49kuub per graaddag.
14 lijkt me ook serieus overkill aan de andere kant heb ik het ketel vermogen recentelijk terug gezet naar 14k maar ik kan hier nog niet echt iets over zeggen omdat dit recent is gebeurd en ik dus niet weet of ik hiermee in de winter kan uitkomen.
De woning heeft wel geen ramen op het zuiden, wat zeker een rol zal spelen ivm de opwarming overdag in voor en najaar.
5Kw wat is de staat van de isolatie? welke energielabel heb je (ik zit opalthans sinds vorig najaar (vloer isolatie laten aanbrengen.
@twain4me fairpoint taken je hebt daarin een punt zonnepanelen corrigeren in deze situatie alles en maakt het onbruikbaar voor enige analyse :-)
@Exigence Thanks, je gebruikt radiatoren of Vloerverwarming? wat heb je gedaan qua isolatie en over hoeveel verwarmd oppervlakte spreek je hier ongeveer?
Maakt het nog uit wat ik noemde het vermogen wat je kiest vs de temperatuur waar je nu mee stookt? of heeft dit geen verband ? sorry ik zoek vooral informatie en heb er niet veel op in te brengen qua kennis anders dan zaken die jullie waarschijnlijk al lang weten.
En interesse in het onderwerp wat waarschijnlijk het begin is van alles:_)
@Exigence Thanks, je gebruikt radiatoren of Vloerverwarming? wat heb je gedaan qua isolatie en over hoeveel verwarmd oppervlakte spreek je hier ongeveer?
Maakt het nog uit wat ik noemde het vermogen wat je kiest vs de temperatuur waar je nu mee stookt? of heeft dit geen verband ? sorry ik zoek vooral informatie en heb er niet veel op in te brengen qua kennis anders dan zaken die jullie waarschijnlijk al lang weten.
En interesse in het onderwerp wat waarschijnlijk het begin is van alles:_)
APS QS1 en Y600 3*340w 38graden en 3*340w 20Graden alles naar het Oosten 92 graden. Zuid set sma sunnyboy 2100b 8*255w 38 graden 178graden zuid || Warmtepomp onder cnstructie Panasonic MDC 9kw j-series enkel radiatoren maar lage temperaturen
Tcaps kunnen iets makkelijker hogere temp stoken. en zouden dan dus iets gunstiger kunnen zijn.Fantastic_fox schreef op maandag 31 mei 2021 @ 16:47:
@twain4me fairpoint taken je hebt daarin een punt zonnepanelen corrigeren in deze situatie alles en maakt het onbruikbaar voor enige analyse :-)
@Exigence Thanks, je gebruikt radiatoren of Vloerverwarming? wat heb je gedaan qua isolatie en over hoeveel verwarmd oppervlakte spreek je hier ongeveer?
Maakt het nog uit wat ik noemde het vermogen wat je kiest vs de temperatuur waar je nu mee stookt? of heeft dit geen verband ? sorry ik zoek vooral informatie en heb er niet veel op in te brengen qua kennis anders dan zaken die jullie waarschijnlijk al lang weten.
En interesse in het onderwerp wat waarschijnlijk het begin is van alles:_)
maar eigenlijk is het altijd zo dat het gootste deel van het jaar iedereen al een te grote wp heeft staan voor dat moment. dimensioneren doe je dus liever op het warmteverlies en de afgifte bepaald dan de stook temp.
(bij een hogere aanvoer temp heeft een radiator een hoger afgifte vermogen)
Echter wil een wp niet graag hoog stoken. maar gewoon rustig doorkabbelen. Dus de tactiek die wordt gebruikt is eigenlijk een zo groot mogelijk afgifte systeem en dan de daarbij passende aanvoer temp. maar dat staat dus in feiten los van het vermogen van de wp.
Je kan er wel wat mee smokkelen natuurlijk. Krijg je in de allerkoudste week een kamer niet warm kan je de aanvoer temp iets verhogen om zo de afgifte te vergroten en die kamer warm te krijgen.
@twain4me Maar in jouw beleving moeten de bepalingen aan de hand van vollast uren en/of graaddagen welk ongeveer de juiste zijn om het vermogen te bepalen?
Of wat is jouw ervaring met het selecteren van het juiste vermogen tov de uitkomste van inschattingen gebaseerd op vollast of graaddagen.
Ik weet een transmissie berekening is natuurlijk beter, maar ik denk dat ik hier thuis eerst even een basis case moet bepalen voordat we investeren in een onzichtbare installatie tov een zichtbare nieuwe keuken en of badkamer.... iets met tweede kamer overtuigen at home :-)
Of wat is jouw ervaring met het selecteren van het juiste vermogen tov de uitkomste van inschattingen gebaseerd op vollast of graaddagen.
Ik weet een transmissie berekening is natuurlijk beter, maar ik denk dat ik hier thuis eerst even een basis case moet bepalen voordat we investeren in een onzichtbare installatie tov een zichtbare nieuwe keuken en of badkamer.... iets met tweede kamer overtuigen at home :-)
APS QS1 en Y600 3*340w 38graden en 3*340w 20Graden alles naar het Oosten 92 graden. Zuid set sma sunnyboy 2100b 8*255w 38 graden 178graden zuid || Warmtepomp onder cnstructie Panasonic MDC 9kw j-series enkel radiatoren maar lage temperaturen
Warmte verlies berekening is voor mij maargevend, je gasverbruik op hele koude dagen is een manier om dat warmteverlies een waarde te geven, maar mijn voorkeur zit in de warmteverlies berekening omdat in veel gevallen de wp niet de enige verandering is die plaats vind in het huis. denk aan dubbelglas of een andere vorm van isolatie. dubbel of triple glas in een tussenwoning uit 75 is echt een enorm verschil op de warmte vraag, omdat die woningen in verhouding doorgaans erg veel glas hebben.Fantastic_fox schreef op maandag 31 mei 2021 @ 17:25:
@twain4me Maar in jouw beleving moeten de bepalingen aan de hand van vollast uren en/of graaddagen welk ongeveer de juiste zijn om het vermogen te bepalen?
Of wat is jouw ervaring met het selecteren van het juiste vermogen tov de uitkomste van inschattingen gebaseerd op vollast of graaddagen.
Ik weet een transmissie berekening is natuurlijk beter, maar ik denk dat ik hier thuis eerst even een basis case moet bepalen voordat we investeren in een onzichtbare installatie tov een zichtbare nieuwe keuken en of badkamer.... iets met tweede kamer overtuigen at home :-)
de "warmte weetjes" manier gebruik ik voor bierviltjes berekeningen dat is eigenlijk op basis van het bouwjaar en de dan geldende minimum isolatie regels de "warmteverliesberkening"
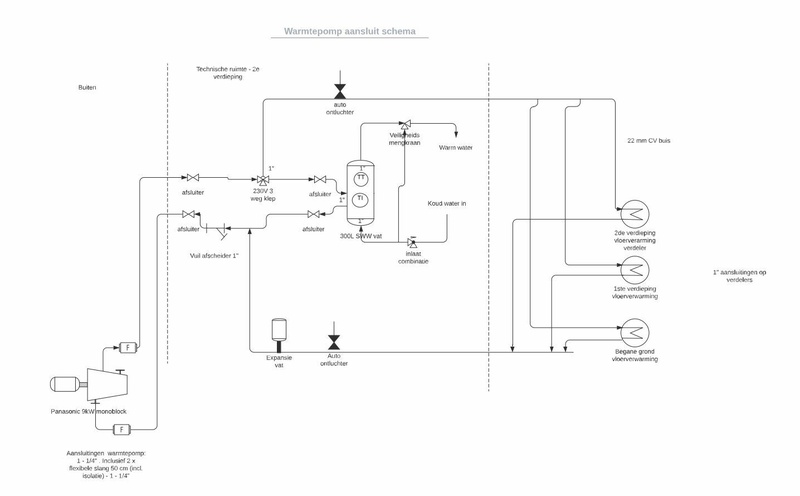
Zo bij deze nog een update, ik heb een schema gemaakt van mijn installatie. Vergeet ik nou nog hele domme dingen ?Lollercopter schreef op vrijdag 28 mei 2021 @ 13:07:
[...]
Yes gesloten verdelers ,1" aansluitingen. Recht toe, recht aan composiet units met flow meters op elke groep.
Die 2000 m3 is echt een wilde gok, ik weet eerlijk gezegd niet wat de vorige bewoners aan verbruik hadden maar hun voorschot was 135 euro de maand. Zijn wel hoge plafonds van 265 cm (gelukkig).
[...]
Thanks voor de tip, dat gaat hem geworden.![]()
[...]
Yes heb ik erbij besteld, en ik heb ook de aanvullende panasonic print gedaan. Gaat goed komen, heb er zin. Volgende week komt het spul binnen, dan laat ik die rommel met een verhuislift naar boven zetten, loodgieter erbij voor het waterzijdig aansluiten en dan gaan met die banaan
:strip_exif()/f/image/3uKzyHQCQYCDvpx0hw8eERFh.jpg?f=fotoalbum_large)
Ik kies er in eerste instantie voor om puur WAR te regelen, en geen aparte zones te hebben voor elke verdieping. Ik zou later wel graag toch nog een soort van na-regeling willen per zone, maar ik begreep dat evohome (mijn eerste idee) niet echt handig is
- Wat zouden jullie door voor leidingen, 32mm uponor ? Maar ik twijfel een beetje voor binnen met al die afsluiters is dat niet echt handig denk ik.
- Ik twijfel nog een beetje om nog hand afsluiters te plaatsen bij elke vloerverwarming groep zodat ik toch de verdiepingen zelf nog kan isoleren.
@twain4me Ik meen dat je schreef dat je het vermogen van je ketel al had teruggeschroefd? Dat is ongetwijfeld het vermogen wat gebruikt wordt voor je warme water of kan je hem tot 8kW zetten?
Heb je deze winter al geprobeerd om met 30-40c (40 is flink hoog voor een wp) te verwarmen? Het idee van 'lekker bij de kachel zitten' of 'even de kleren drogen op de radiator' kan je met die temperaturen wel vergeten en het zou jammer zijn als je je dat niet realiseert voor je aan de verbouwing begint.
Heb je deze winter al geprobeerd om met 30-40c (40 is flink hoog voor een wp) te verwarmen? Het idee van 'lekker bij de kachel zitten' of 'even de kleren drogen op de radiator' kan je met die temperaturen wel vergeten en het zou jammer zijn als je je dat niet realiseert voor je aan de verbouwing begint.
was het de bedoeling om mij te taggen?Wolly schreef op dinsdag 1 juni 2021 @ 10:16:
@twain4me Ik meen dat je schreef dat je het vermogen van je ketel al had teruggeschroefd? Dat is ongetwijfeld het vermogen wat gebruikt wordt voor je warme water of kan je hem tot 8kW zetten?
Heb je deze winter al geprobeerd om met 30-40c (40 is flink hoog voor een wp) te verwarmen? Het idee van 'lekker bij de kachel zitten' of 'even de kleren drogen op de radiator' kan je met die temperaturen wel vergeten en het zou jammer zijn als je je dat niet realiseert voor je aan de verbouwing begint.
@Wolly afgelopen winter niet, een week of wat geleden heb ik het cv vermogen terug gezet van 19.9 naar 15.6 Vermogen van het warme water kan ik niet regelen (is altijd max) bij een Nefit ecomline Excellent (tenmisnte voor zover ik heb kunnen lezen.
Nu is er natuurlijk op dit moment geen zinnig woord te zeggen wat het impact hiervan gaat zijn. het is nu simpelweg te warm.
Laagst mogelijke stand van de Nefit is 9.2 kw vermogen en cv water laagste temp is 40graden als ik de handleiding bekijk maar iets zegt me dat dit veel te weinig gaat zijn. Het kan zijn dat het de beleving zal zijn van een bulkende verwarming.
Van de andere kant doordat de ketel moduleert heb ik eigenlijk nog niet snel een aanvoer gezien van ver boven de 40 graden. Soms op momenten van (gesimuleerde grote warmte vraag wel eens 50-55 aanover (gemeten op de radiator).
Is het een goede test om de winter de CV op de laagste vermogen te zetten en dan bv 50 graden max cv temp? (ketel en thermostaat moduleren beide (nefit easy).
als de cv het haalt met 8kw en 50 graden dan zou dit dus voldoende zijn voor een 8kw WP (even alleen cv vermogen beschouwd dan natuurlijk).?
Nu is er natuurlijk op dit moment geen zinnig woord te zeggen wat het impact hiervan gaat zijn. het is nu simpelweg te warm.
Laagst mogelijke stand van de Nefit is 9.2 kw vermogen en cv water laagste temp is 40graden als ik de handleiding bekijk maar iets zegt me dat dit veel te weinig gaat zijn. Het kan zijn dat het de beleving zal zijn van een bulkende verwarming.
Van de andere kant doordat de ketel moduleert heb ik eigenlijk nog niet snel een aanvoer gezien van ver boven de 40 graden. Soms op momenten van (gesimuleerde grote warmte vraag wel eens 50-55 aanover (gemeten op de radiator).
Is het een goede test om de winter de CV op de laagste vermogen te zetten en dan bv 50 graden max cv temp? (ketel en thermostaat moduleren beide (nefit easy).
als de cv het haalt met 8kw en 50 graden dan zou dit dus voldoende zijn voor een 8kw WP (even alleen cv vermogen beschouwd dan natuurlijk).?
APS QS1 en Y600 3*340w 38graden en 3*340w 20Graden alles naar het Oosten 92 graden. Zuid set sma sunnyboy 2100b 8*255w 38 graden 178graden zuid || Warmtepomp onder cnstructie Panasonic MDC 9kw j-series enkel radiatoren maar lage temperaturen
Rond de sww tank:Lollercopter schreef op dinsdag 1 juni 2021 @ 10:05:
[...]
Zo bij deze nog een update, ik heb een schema gemaakt van mijn installatie. Vergeet ik nou nog hele domme dingen ? [Afbeelding]
Ik kies er in eerste instantie voor om puur WAR te regelen, en geen aparte zones te hebben voor elke verdieping. Ik zou later wel graag toch nog een soort van na-regeling willen per zone, maar ik begreep dat evohome (mijn eerste idee) niet echt handig is. Voorlopig zal er vooral gekoeld moeten worden, ik heb flowmeters en regelaars op elke vloerverwarming groep zitten dus ik kan wel groepen knijpen of uit zetten.
- Wat zouden jullie door voor leidingen, 32mm uponor ? Maar ik twijfel een beetje voor binnen met al die afsluiters is dat niet echt handig denk ik.
- Ik twijfel nog een beetje om nog hand afsluiters te plaatsen bij elke vloerverwarming groep zodat ik toch de verdiepingen zelf nog kan isoleren.
Wat is de bedoeling van die veiligheidsmengkraan achter de warmwateruitgang?
Zit er een elektrisch verwarmingselement in de tank? En zoja, dan moet er tussen de warmtewisselaar en de afsluiters ook een 8-bar veiligheidsventiel om te voorkomen dat iemand bij onderhoud de afsluiters dicht zet, de warmtepomp middels het element de tank (met spiraal!) opstookt tot 65° en de druk in de spiraal zo hoog wordt dat er lekkage optreedt.
Even een snelle vraag (hoop ik):
Als de buitentemperatuur oploopt tot boven de 20° opent de driewegklep richting sww tank. Als de buitentemperatuur onder de 21° komt, gaat hij weer gewoon naar de verwarmingsstand. Door temperatuurverschillen en misschien een beetje pompdebiet lekt er zo warmte uit de sww tank. Is dat normaal? Wat is de bedoeling daarvan?
Als de buitentemperatuur oploopt tot boven de 20° opent de driewegklep richting sww tank. Als de buitentemperatuur onder de 21° komt, gaat hij weer gewoon naar de verwarmingsstand. Door temperatuurverschillen en misschien een beetje pompdebiet lekt er zo warmte uit de sww tank. Is dat normaal? Wat is de bedoeling daarvan?
Ja ik heb een 3 kW elektrisch element voorzien die ik in dat vat stop, aangestuurd door de warmtepomp. Die mengkraan is zodat ik zeker weet dat er nooit meer dan 65 graden water richting de warm water verbruikers gaat.FransvWoerkom schreef op dinsdag 1 juni 2021 @ 11:57:
[...]
Rond de sww tank:
Wat is de bedoeling van die veiligheidsmengkraan achter de warmwateruitgang?
Zit er een elektrisch verwarmingselement in de tank? En zoja, dan moet er tussen de warmtewisselaar en de afsluiters ook een 8-bar veiligheidsventiel om te voorkomen dat iemand bij onderhoud de afsluiters dicht zet, de warmtepomp middels het element de tank (met spiraal!) opstookt tot 65° en de druk in de spiraal zo hoog wordt dat er lekkage optreedt.
Goed punt van die veiligheidsklep, kan ik er op zetten binnen de afsluiters inderdaad. Ook al ben ik diegene die het onderhoud doet natuurlijk en van het risico bewust ben.
[ Voor 6% gewijzigd door Lollercopter op 01-06-2021 12:06 ]
Energie label weet ik niet. Heb het huis in 2004 zelf gebouwd(500 m3)met vloerverwarming in kamer/keuken/badkamer. In Twente dus zonder fundering gelijk op het zand, Geen kruipruimte. Wanden geïsoleerd met 10 cm glaswol. Dak met dakplaten met 10 cm isolatie.Fantastic_fox schreef op maandag 31 mei 2021 @ 15:51:
Hoi @Me Albert
Ik heb even opgezocht wat je vraag (heb nl 2 jaar data op dag niveau van gasvebruik en graaddagen)
We koken inderdaad nog op gas.
Juni 2020 had ik in de hele maand 27 kuubs gasverbruik, bij 62 graaddagen maar dit zal inderdaad betekenen dat we geen verwarming aan hebben gehad. in de zomer staat deze nl altijd op 15 graden.
dus 12*27=324 kuubs voor Koken en warm water voorziening.
Dit vertekend het beeld wel een beetje maar niet giga =1650-324=1326kuub /2692= 0.49kuub per graaddag.
14 lijkt me ook serieus overkill aan de andere kant heb ik het ketel vermogen recentelijk terug gezet naar 14k maar ik kan hier nog niet echt iets over zeggen omdat dit recent is gebeurd en ik dus niet weet of ik hiermee in de winter kan uitkomen.
De woning heeft wel geen ramen op het zuiden, wat zeker een rol zal spelen ivm de opwarming overdag in voor en najaar.
5Kw wat is de staat van de isolatie? welke energielabel heb je (ik zit opalthans sinds vorig najaar (vloer isolatie laten aanbrengen.
Heb in de kamer een kleine houtkachel voor de lekkere warmte op kille avonden in voor en najaar. Had het niet nodig om tijdens de koude dagen de boel warm te houden. Heb de warmtepomp 24/7 aanstaan maar bij 15 graden stopt hij er al mee. Wel grote schuifpui van 4 meter op het zuiden.
Heb ca 8 kW aan zonnepanelen (vandaag 9 van 335 wp erbij) maar ook een elektrische auto.
zoals @Exigence al aangaf iedere WP heeft een Backupheater van 3 kW dus als het een paar dagen spannend wordt kun je daar ook nog mee behelpen. Als je nog verdere isolatieplannen hebt zou 5 wellicht ook nog kunnen.
Gasloos sinds 10-03-2019. Panasonic 5Kw monoblok. panelen:2760 Wp ZZO en 2650 Wp zuid.
Ik gebruik alleen radiatoren. Verder is er niets nageisoleerd aan mijn woning. Vanaf de bouw (1979) zit er 4 cm glaswol in de spouw, een paar (3?) cm piepschuim in de vloer en 5 cm stroplaat op het dak. Erg minimaal dus.Fantastic_fox schreef op maandag 31 mei 2021 @ 16:47:
@twain4me fairpoint taken je hebt daarin een punt zonnepanelen corrigeren in deze situatie alles en maakt het onbruikbaar voor enige analyse :-)
@Exigence Thanks, je gebruikt radiatoren of Vloerverwarming? wat heb je gedaan qua isolatie en over hoeveel verwarmd oppervlakte spreek je hier ongeveer?
Maakt het nog uit wat ik noemde het vermogen wat je kiest vs de temperatuur waar je nu mee stookt? of heeft dit geen verband ? sorry ik zoek vooral informatie en heb er niet veel op in te brengen qua kennis anders dan zaken die jullie waarschijnlijk al lang weten.
En interesse in het onderwerp wat waarschijnlijk het begin is van alles:_)
Iets van 100 m² verwarmd oppervlak denk ik ongeveer.
Vermogen versus temperatuur is wat complex. Ik heb deze temperatuur nodig om uberhaupt dat vermogen (7 kw) via mijn afgiftesysteem kwijt te kunnen bij -10 buiten. Nadeel is vaak wel dat warmtepompen een wat lagere thermisch vermogen krijgen naarmate de afgiftetemperatuur moet stijgen, dus dat werkt elkaar wat tegen.
@Exigence situatie van jouw en mij is redelijk vergelijkbaar qua oppervlakte en warmte afgifte systeem. Enkel zit er bij mij wat meer naisolatie wat dus eigenlijk zou moeten betekenen dat 7kw bij mij ook voldoende moet zijn. Hoe groot is die buiten en binnen unit van de j serie 7kw.
APS QS1 en Y600 3*340w 38graden en 3*340w 20Graden alles naar het Oosten 92 graden. Zuid set sma sunnyboy 2100b 8*255w 38 graden 178graden zuid || Warmtepomp onder cnstructie Panasonic MDC 9kw j-series enkel radiatoren maar lage temperaturen
Ter aanvulling:FransvWoerkom schreef op dinsdag 1 juni 2021 @ 12:04:
Even een snelle vraag (hoop ik):
Als de buitentemperatuur oploopt tot boven de 20° opent de driewegklep richting sww tank. Als de buitentemperatuur onder de 21° komt, gaat hij weer gewoon naar de verwarmingsstand. Door temperatuurverschillen en misschien een beetje pompdebiet lekt er zo warmte uit de sww tank. Is dat normaal? Wat is de bedoeling daarvan?
Dit merkwaardige gedrag heeft waarschijnlijk iets met koeling te maken. Ik ben niet van plan de wp voor koeling te gebruiken en dat heb ik ook niet ingesteld. Maar wel heb ik maanden geleden in dat Custom Menu Cool Mode op Enabled gezet. Ik heb het nu weer op Disabled gezet en prompt ging de 3-weg klep weer naar de verwarmen stand.
Hangt af van je (in heishmon termen) 'Heating_Off_Outdoor_Temp'. Die zal bij jou op 20 graden staan. De pana denkt, ok ik hoef niet meer te werken voor heating boven de 20 graden dus laat ik de logica vrij om zelf te bepalen waar de klep het beste heen kan en dat is in dat geval dus alvast naar DHW (omdat die nog wel gebruikt wordt). Dat het zonder cool stand niet meer gebeurd begrijp ik niet helemaal want die logica ontgaat mij dan weer.FransvWoerkom schreef op dinsdag 1 juni 2021 @ 22:42:
[...]
Ter aanvulling:
Dit merkwaardige gedrag heeft waarschijnlijk iets met koeling te maken. Ik ben niet van plan de wp voor koeling te gebruiken en dat heb ik ook niet ingesteld. Maar wel heb ik maanden geleden in dat Custom Menu Cool Mode op Enabled gezet. Ik heb het nu weer op Disabled gezet en prompt ging de 3-weg klep weer naar de verwarmen stand.
Maar als je dus die stand op max zet (35 graden) zal hij pas boven deze 35gr alsnog dat doen.
Hier blijft de 3-wegklep gewoon op Room staan.
Heating_Off_outdoor_Temp staat op 18
Heat_To_Cool 25
Dus als het 20 graden buiten is zit de pana daar tussen en zou dus niet mogen verwarmen en ook niet mogen koelen. De 3weg blijft gewoon op Room. Alleen om de SWW tank te verwarmen gaat hij even naar DHW, en weer terug naar Room als de tank is opgewarmd.
Heating_Off_outdoor_Temp staat op 18
Heat_To_Cool 25
Dus als het 20 graden buiten is zit de pana daar tussen en zou dus niet mogen verwarmen en ook niet mogen koelen. De 3weg blijft gewoon op Room. Alleen om de SWW tank te verwarmen gaat hij even naar DHW, en weer terug naar Room als de tank is opgewarmd.
Panasonic 7kW J-Series Split + 190 liter SWW, 2750+2100Wp Oost-West
Met cool modus aanstaan in service menu?sjimmie schreef op woensdag 2 juni 2021 @ 08:58:
Hier blijft de 3-wegklep gewoon op Room staan.
Heating_Off_outdoor_Temp staat op 18
Heat_To_Cool 25
Dus als het 20 graden buiten is zit de pana daar tussen en zou dus niet mogen verwarmen en ook niet mogen koelen. De 3weg blijft gewoon op Room. Alleen om de SWW tank te verwarmen gaat hij even naar DHW, en weer terug naar Room als de tank is opgewarmd.
Misschien omdat jouw heat_to_cool hoger is dan de heating off. Geen idee. Heat_to_cool is voor de auto switch daarvan als je modus in auto staat ipv heat of cool.
ja
Panasonic 7kW J-Series Split + 190 liter SWW, 2750+2100Wp Oost-West
Ik gebruik hier al 2 jaar de Monoblock om in de zomer de vloer te koelen.
Daarbij werk ik met een aanvoer temperatuur van 20graden, om condens op de vloer te voorkomen.
Werkt prima.
Nu wil ik 's nachts ook de bovenverdieping gaan koelen mbv een fancoil. (De VVW wordt dan uiteraard afgesloten)
Fancoil werkt beter met een lage aanvoertemperatuur, maar ik wil uiteraard geen condensproblemen in huis.
Heeft iemand hier ervaring mee?
In huis zijn alle leidingen uitgevoerd in Uponor (25 of 16mm) met overal 6mm isolatie + 9mm buisisolatie waar dat mogelijk is.
Op de plek waar de leidingen door muren/vloeren heen gaat zit er dus maar 6mm isolatie omheen.
Is dat genoeg om condens te voorkomen als ik met aanvoer van zeg 10 graden ga werken?
Daarbij werk ik met een aanvoer temperatuur van 20graden, om condens op de vloer te voorkomen.
Werkt prima.
Nu wil ik 's nachts ook de bovenverdieping gaan koelen mbv een fancoil. (De VVW wordt dan uiteraard afgesloten)
Fancoil werkt beter met een lage aanvoertemperatuur, maar ik wil uiteraard geen condensproblemen in huis.
Heeft iemand hier ervaring mee?
In huis zijn alle leidingen uitgevoerd in Uponor (25 of 16mm) met overal 6mm isolatie + 9mm buisisolatie waar dat mogelijk is.
Op de plek waar de leidingen door muren/vloeren heen gaat zit er dus maar 6mm isolatie omheen.
Is dat genoeg om condens te voorkomen als ik met aanvoer van zeg 10 graden ga werken?
All-Electric sinds 2018 | 7kW Panasonic Monoblock | 2x Marstek 5kWh thuisaccu | 11kWp PV
Nee, bij mij staat heating off op 15°. In paragraaf 12.1.11 van de SM staat iets over cool en 3-way valve:thehog schreef op woensdag 2 juni 2021 @ 07:36:
[...]
Hangt af van je (in heishmon termen) 'Heating_Off_Outdoor_Temp'. Die zal bij jou op 20 graden staan. De pana denkt, ok ik hoef niet meer te werken voor heating boven de 20 graden dus laat ik de logica vrij om zelf te bepalen waar de klep het beste heen kan en dat is in dat geval dus alvast naar DHW (omdat die nog wel gebruikt wordt). Dat het zonder cool stand niet meer gebeurd begrijp ik niet helemaal want die logica ontgaat mij dan weer.
Maar als je dus die stand op max zet (35 graden) zal hij pas boven deze 35gr alsnog dat doen.
12.1.11 Cool + Tank Mode Operation
1 3 ways valve control:
o 3 ways valve switch to room side during room cooling interval and switch to tank side during tank heat-up
interval. Both mode will switch alternately. Tank mode is the initial mode of cool + tank mode.
Die 20° grens is de grens waarboven de wp KAN koelen. Dus waarschijnlijk is hij zo geprogrammeerd dat als hij kan koelen, alvast de driewegklep op tank gaat. Het is overigens afhankelijk van de topografie van de installatie of de tank ook warmte verliest. Bij mij staat de tank in de kelder dus gaat de klep open, dan stijgt het warme water uit de spiraal tot de warmtepomp.
Overigens een heel gemeen menu dat Custom Menu. Ik was even vergeten dat bij gebruik het weekprogramma wordt gewist.
In plaats van het heel lui hier te vragen, heb ik het zelf maar even uitgezochtkaasmakert schreef op woensdag 2 juni 2021 @ 12:14:
Ik gebruik hier al 2 jaar de Monoblock om in de zomer de vloer te koelen.
Daarbij werk ik met een aanvoer temperatuur van 20graden, om condens op de vloer te voorkomen.
Werkt prima.
Nu wil ik 's nachts ook de bovenverdieping gaan koelen mbv een fancoil. (De VVW wordt dan uiteraard afgesloten)
Fancoil werkt beter met een lage aanvoertemperatuur, maar ik wil uiteraard geen condensproblemen in huis.
Heeft iemand hier ervaring mee?
In huis zijn alle leidingen uitgevoerd in Uponor (25 of 16mm) met overal 6mm isolatie + 9mm buisisolatie waar dat mogelijk is.
Op de plek waar de leidingen door muren/vloeren heen gaat zit er dus maar 6mm isolatie omheen.
Is dat genoeg om condens te voorkomen als ik met aanvoer van zeg 10 graden ga werken?
Hopelijk heeft iemand hier de komende zomer nog wat aan.
Je kunt de calculator van Armacell gebruiken om dit uit te rekenen.
Kies daar de " Condensation" berekening en de minimale dikte komt er zo uitrollen. (uiteraard afhankelijk van de omgevingstemperatuur en RH.)
In mijn geval is de 6mm isolatie in de muren krap aan, maar gaat net goed om met water van 10 graden te gaan koelen. Het voordeel is dat de binnenmuren nooit echt warm worden, ook al is het buiten bloedheet.
De stukken waar ik 6mm voorgeisoleerde Uponor heb + 9mm buisisolatie zijn geen enkel probleem.
All-Electric sinds 2018 | 7kW Panasonic Monoblock | 2x Marstek 5kWh thuisaccu | 11kWp PV
Hoi Lollercopter,Lollercopter schreef op dinsdag 1 juni 2021 @ 10:05:
[...]
Zo bij deze nog een update, ik heb een schema gemaakt van mijn installatie. Vergeet ik nou nog hele domme dingen ? [Afbeelding]
Ik kies er in eerste instantie voor om puur WAR te regelen, en geen aparte zones te hebben voor elke verdieping. Ik zou later wel graag toch nog een soort van na-regeling willen per zone, maar ik begreep dat evohome (mijn eerste idee) niet echt handig is. Voorlopig zal er vooral gekoeld moeten worden, ik heb flowmeters en regelaars op elke vloerverwarming groep zitten dus ik kan wel groepen knijpen of uit zetten.
- Wat zouden jullie door voor leidingen, 32mm uponor ? Maar ik twijfel een beetje voor binnen met al die afsluiters is dat niet echt handig denk ik.
- Ik twijfel nog een beetje om nog hand afsluiters te plaatsen bij elke vloerverwarming groep zodat ik toch de verdiepingen zelf nog kan isoleren.
Ik ga zelf een vrijwel vergelijkbare situatie maken (alleen geen SWW). Ik heb er zelf wel voor gekozen om een buffervat te plaatsen tussen de warmtepomp en de vloerverwarmingen, om ze te ontkoppelen. Mijn vloerverwarming heeft veel zones, en zonder buffervat zou het goed kunnen zijn dat ik de warmte niet kwijt kan. Hiermee kan ik tevens mijn CV ketel eventueel laten bijspringen als ene hybride opstelling.
Qua leidingen, ik heb gewoon staal + knel gekozen, zeker met alle kleppen, filters en weet ik wat nog meer vond ik dit toch de handigste keuze. Bij de juiste webshop is eea ook nog redelijk betaalbaar. Tussen buffervat en warmtepomp (split unit trouwens) 35mm. Leiding naar vloerverwarming = 28mm, vandaar 22mm naar de verschillende verdiepingen. Dat werkt hier al jaren prima.
Ik heb zelf wel afsluiters per verdieping, dat zijn op het geheel de kosten ook niet meer.
Groeten, Joost
Ik begrijp het niet, als je de warmte niet kwijt kan terwijl je veel zones hebt dan is dat toch positief? De delta T tussen vloerverwarming en kamertemperatuur is dan minimaal wat betekent dat je wp een tijdje uit mag schakelen.joostdejonge123 schreef op donderdag 3 juni 2021 @ 21:42:
[...]
Hoi Lollercopter,
Ik ga zelf een vrijwel vergelijkbare situatie maken (alleen geen SWW). Ik heb er zelf wel voor gekozen om een buffervat te plaatsen tussen de warmtepomp en de vloerverwarmingen, om ze te ontkoppelen. Mijn vloerverwarming heeft veel zones, en zonder buffervat zou het goed kunnen zijn dat ik de warmte niet kwijt kan. Hiermee kan ik tevens mijn CV ketel eventueel laten bijspringen als ene hybride opstelling.
Qua leidingen, ik heb gewoon staal + knel gekozen, zeker met alle kleppen, filters en weet ik wat nog meer vond ik dit toch de handigste keuze. Bij de juiste webshop is eea ook nog redelijk betaalbaar. Tussen buffervat en warmtepomp (split unit trouwens) 35mm. Leiding naar vloerverwarming = 28mm, vandaar 22mm naar de verschillende verdiepingen. Dat werkt hier al jaren prima.
Ik heb zelf wel afsluiters per verdieping, dat zijn op het geheel de kosten ook niet meer.
Groeten, Joost
Voor wie het interessant vindt: webinar inregelen vloerverwarming icm warmtepomp.
Nee ik heb geen contact met de betrokken bedrijven.
Nee ik heb geen contact met de betrokken bedrijven.
Pana 5j
Het gevaar is dat de warmtepomp de hele tijd aan/uit gaat (pendelen), dat heb je liever niet. (nb, het buffervat is bij mij ook nodig om hybride opbouw te kunnen maken)Wolly schreef op donderdag 3 juni 2021 @ 22:57:
[...]
Ik begrijp het niet, als je de warmte niet kwijt kan terwijl je veel zones hebt dan is dat toch positief? De delta T tussen vloerverwarming en kamertemperatuur is dan minimaal wat betekent dat je wp een tijdje uit mag schakelen.
Bij hybride werking is het inderdaad logisch om een buffervat te gebruiken om zo de ontkoppeling te krijgen. Ook zie je dat mensen met zoneregeling wel een buffervat gebruikenb, ij nalezing zie ik inderdaad dat je het over zones hebt gehad.joostdejonge123 schreef op vrijdag 4 juni 2021 @ 08:11:
[...]
Het gevaar is dat de warmtepomp de hele tijd aan/uit gaat (pendelen), dat heb je liever niet. (nb, het buffervat is bij mij ook nodig om hybride opbouw te kunnen maken)
Over het algemeen (dus zonder specifieke zones of hybride zaken) heb je vaak geen buffervat nodig met vloerverwarming. Het gevaar dat de warmtepomp de hele tijd aan/uit gaat wanneer deze direct is aangesloten is er dan niet. Vloerverwarming is een trage buffer, het duurt lang om de bouwmassa op te warmen én af te koelen. Een warmtepomp gaat dus echt niet om het uur aan/uit met voldoende verwarmde vloeroppervlakte, daar kunnen halve dagen tussen zitten afhankelijk van het warmteverlies van de ruimte.
Oke bedankt zoiets gaat het hier ook worden.joostdejonge123 schreef op donderdag 3 juni 2021 @ 21:42:
[...]
Hoi Lollercopter,
Qua leidingen, ik heb gewoon staal + knel gekozen, zeker met alle kleppen, filters en weet ik wat nog meer vond ik dit toch de handigste keuze. Bij de juiste webshop is eea ook nog redelijk betaalbaar. Tussen buffervat en warmtepomp (split unit trouwens) 35mm. Leiding naar vloerverwarming = 28mm, vandaar 22mm naar de verschillende verdiepingen. Dat werkt hier al jaren prima.
Ik heb zelf wel afsluiters per verdieping, dat zijn op het geheel de kosten ook niet meer.
Groeten, Joost
Ik zit nog een beetje met de geveldoorvoer, ik heb nu een 130 mm diameter gat geboord door mijn gewapend beton + baksteen gevel. Ik denk dat je de isolatie van de CV buizen naar de buitenunit zoveel mogelijk droog wil houden, dus hoe hebben andere mensen hier dat gedaan ?
125mm PVC buis ? Dat is niet echt mooi natuurlijk, het loopt helaas toch 3 meter recht naar beneden in het zicht langs de gevel van mijn huis. Er bestaat wel witte PVC buis in 125 mm maar dat zal vrij dun spul zijn ben ik bang.
https://www.ventilatiesho...B96oAoouQ9OsaAnoJEALw_wcB
Goedendag allemaal, Redwood hier en ik ga een Panasonic Monobloc installeren.
Momenteel beschik ik over een 9kW Ventus warmtepomp, mooi en simpel apparaat echter totaal niet ein te stellen qua stooklijn en niet voldoende capaciteit. En daar zit hem de crux.
De capaciteit van de 9kW heb ik berekend op basis van alle berekeningen die ik kon vinden. Isolatiewaarde, kengetal, betafactor etc. In alle gevallen gaan ze uit van vierkante meters.
Ik heb een in 2009 volledig gerenoveerde boerderij uit 1920. Het woonoppervlak wat met vloerverwarming wordt verwarmd is ongeveer 120m2. Op basis daarvan heb ik een berekening gevonden: 75watt x m2 = exact 9kw.
De huidige monobloc doet dus enkel het verwarmingwater. Hij zit direct op een 100 liter buffervat om vervolgens op de verdeler te komen. Met z-wave heb ik een thermostaat gekoppeld aan een pompschakelaar. Wanneer de kamer 20 graden is, gaat de pomp tussen buffervat en verdeler uit. Onder 20 gaat ie open.
Tijdens de extreem strenge winter van januari/februari met temperaturen tot -17 werd mijn huis steenkoud en kon de warmtepomp het niet aan. Ik heb het systeem zo gemaakt dat ik a-la-minute de ketel er bij aan kan zetten. Dit was ook echt noodzakelijk.
Ik heb spouwmuur en dak isolatie, overal dubbel of triple glas en de isolatie is voor een huis van 1920 extreem goed.
Het probleem zit hem volgens mij in de kubieke meters. De woonkamer van 70m2 heeft een hoogte van 5 meter. (De oude varkensstallen) en ik denk dat de ruimte een te grote inhoud heeft voor de 9kW warmtepomp.
Hoe dan ook, we gaan voor een Panasonic monobloc. Ik twijfel nu echter tussen een 12kw of een 16kw in combinatie met een grotere buffer. Er is mij ooit verteld dat een te grote warmtepomp slechter is dan een te kleine.
Als ik hier naar meer informatie op zoek kom ik er weinig van tegen en elke installateur welke ik gevraagd heb zegt dat ik een 9kW zou moeten nemen.
De prijs van de 12 of 16 boeit mij niet, maar ik wil het graag in één keer goed. Zouden er bepaalde nadelen zijn aan gelijk een 16kw neer te zetten?
Momenteel beschik ik over een 9kW Ventus warmtepomp, mooi en simpel apparaat echter totaal niet ein te stellen qua stooklijn en niet voldoende capaciteit. En daar zit hem de crux.
De capaciteit van de 9kW heb ik berekend op basis van alle berekeningen die ik kon vinden. Isolatiewaarde, kengetal, betafactor etc. In alle gevallen gaan ze uit van vierkante meters.
Ik heb een in 2009 volledig gerenoveerde boerderij uit 1920. Het woonoppervlak wat met vloerverwarming wordt verwarmd is ongeveer 120m2. Op basis daarvan heb ik een berekening gevonden: 75watt x m2 = exact 9kw.
De huidige monobloc doet dus enkel het verwarmingwater. Hij zit direct op een 100 liter buffervat om vervolgens op de verdeler te komen. Met z-wave heb ik een thermostaat gekoppeld aan een pompschakelaar. Wanneer de kamer 20 graden is, gaat de pomp tussen buffervat en verdeler uit. Onder 20 gaat ie open.
Tijdens de extreem strenge winter van januari/februari met temperaturen tot -17 werd mijn huis steenkoud en kon de warmtepomp het niet aan. Ik heb het systeem zo gemaakt dat ik a-la-minute de ketel er bij aan kan zetten. Dit was ook echt noodzakelijk.
Ik heb spouwmuur en dak isolatie, overal dubbel of triple glas en de isolatie is voor een huis van 1920 extreem goed.
Het probleem zit hem volgens mij in de kubieke meters. De woonkamer van 70m2 heeft een hoogte van 5 meter. (De oude varkensstallen) en ik denk dat de ruimte een te grote inhoud heeft voor de 9kW warmtepomp.
Hoe dan ook, we gaan voor een Panasonic monobloc. Ik twijfel nu echter tussen een 12kw of een 16kw in combinatie met een grotere buffer. Er is mij ooit verteld dat een te grote warmtepomp slechter is dan een te kleine.
Als ik hier naar meer informatie op zoek kom ik er weinig van tegen en elke installateur welke ik gevraagd heb zegt dat ik een 9kW zou moeten nemen.
De prijs van de 12 of 16 boeit mij niet, maar ik wil het graag in één keer goed. Zouden er bepaalde nadelen zijn aan gelijk een 16kw neer te zetten?
Walk without Rythm, and you won't attract the worm!
Op welke watertemperatuur moest je cv bij -17 dan bijstoken? Ik neem aan dat je daarvoor radiatoren inzette? Vraag is of het probleem de wp is of het afgiftesysteem.Redwood schreef op zaterdag 5 juni 2021 @ 11:03:
Goedendag allemaal, Redwood hier en ik ga een Panasonic Monobloc installeren.
Momenteel beschik ik over een 9kW Ventus warmtepomp, mooi en simpel apparaat echter totaal niet ein te stellen qua stooklijn en niet voldoende capaciteit. En daar zit hem de crux.
De capaciteit van de 9kW heb ik berekend op basis van alle berekeningen die ik kon vinden. Isolatiewaarde, kengetal, betafactor etc. In alle gevallen gaan ze uit van vierkante meters.
Ik heb een in 2009 volledig gerenoveerde boerderij uit 1920. Het woonoppervlak wat met vloerverwarming wordt verwarmd is ongeveer 120m2. Op basis daarvan heb ik een berekening gevonden: 75watt x m2 = exact 9kw.
De huidige monobloc doet dus enkel het verwarmingwater. Hij zit direct op een 100 liter buffervat om vervolgens op de verdeler te komen. Met z-wave heb ik een thermostaat gekoppeld aan een pompschakelaar. Wanneer de kamer 20 graden is, gaat de pomp tussen buffervat en verdeler uit. Onder 20 gaat ie open.
Tijdens de extreem strenge winter van januari/februari met temperaturen tot -17 werd mijn huis steenkoud en kon de warmtepomp het niet aan. Ik heb het systeem zo gemaakt dat ik a-la-minute de ketel er bij aan kan zetten. Dit was ook echt noodzakelijk.
Ik heb spouwmuur en dak isolatie, overal dubbel of triple glas en de isolatie is voor een huis van 1920 extreem goed.
Het probleem zit hem volgens mij in de kubieke meters. De woonkamer van 70m2 heeft een hoogte van 5 meter. (De oude varkensstallen) en ik denk dat de ruimte een te grote inhoud heeft voor de 9kW warmtepomp.
Hoe dan ook, we gaan voor een Panasonic monobloc. Ik twijfel nu echter tussen een 12kw of een 16kw in combinatie met een grotere buffer. Er is mij ooit verteld dat een te grote warmtepomp slechter is dan een te kleine.
Als ik hier naar meer informatie op zoek kom ik er weinig van tegen en elke installateur welke ik gevraagd heb zegt dat ik een 9kW zou moeten nemen.
De prijs van de 12 of 16 boeit mij niet, maar ik wil het graag in één keer goed. Zouden er bepaalde nadelen zijn aan gelijk een 16kw neer te zetten?
WH-MDC05H3E5, 5600 Wp zonnepanelen, 2 infrarood bad- en werkkamer, SWW Auer Edel water 100L, Daikin 2MXM50M9 airco met FTXM35N en FTXM20N
Voor die paar sporadische dagen.. een lekkere houtkachel installeren?Redwood schreef op zaterdag 5 juni 2021 @ 11:03:
Goedendag allemaal, Redwood hier en ik ga een Panasonic Monobloc installeren.
Momenteel beschik ik over een 9kW Ventus warmtepomp, mooi en simpel apparaat echter totaal niet ein te stellen qua stooklijn en niet voldoende capaciteit. En daar zit hem de crux.
De capaciteit van de 9kW heb ik berekend op basis van alle berekeningen die ik kon vinden. Isolatiewaarde, kengetal, betafactor etc. In alle gevallen gaan ze uit van vierkante meters.
Ik heb een in 2009 volledig gerenoveerde boerderij uit 1920. Het woonoppervlak wat met vloerverwarming wordt verwarmd is ongeveer 120m2. Op basis daarvan heb ik een berekening gevonden: 75watt x m2 = exact 9kw.
De huidige monobloc doet dus enkel het verwarmingwater. Hij zit direct op een 100 liter buffervat om vervolgens op de verdeler te komen. Met z-wave heb ik een thermostaat gekoppeld aan een pompschakelaar. Wanneer de kamer 20 graden is, gaat de pomp tussen buffervat en verdeler uit. Onder 20 gaat ie open.
Tijdens de extreem strenge winter van januari/februari met temperaturen tot -17 werd mijn huis steenkoud en kon de warmtepomp het niet aan. Ik heb het systeem zo gemaakt dat ik a-la-minute de ketel er bij aan kan zetten. Dit was ook echt noodzakelijk.
Ik heb spouwmuur en dak isolatie, overal dubbel of triple glas en de isolatie is voor een huis van 1920 extreem goed.
Het probleem zit hem volgens mij in de kubieke meters. De woonkamer van 70m2 heeft een hoogte van 5 meter. (De oude varkensstallen) en ik denk dat de ruimte een te grote inhoud heeft voor de 9kW warmtepomp.
Hoe dan ook, we gaan voor een Panasonic monobloc. Ik twijfel nu echter tussen een 12kw of een 16kw in combinatie met een grotere buffer. Er is mij ooit verteld dat een te grote warmtepomp slechter is dan een te kleine.
Als ik hier naar meer informatie op zoek kom ik er weinig van tegen en elke installateur welke ik gevraagd heb zegt dat ik een 9kW zou moeten nemen.
De prijs van de 12 of 16 boeit mij niet, maar ik wil het graag in één keer goed. Zouden er bepaalde nadelen zijn aan gelijk een 16kw neer te zetten?
16 kW. De crux zit hem in de hoogte inderdaad. Voor die 75 m2 heb je eigenlijk 6 kW nodig om de ruimte warm te houden (75 watt per m2 is waarschijnlijk gebaseerd op 2,6 meter plafond hoogte, deze gecorrigeerd voor 5 meter). 12 kW zou precies uit kunnen, maar ik vermoed dat je toch iets slechtere isolatie hebt op meerdere plekken om op die 75 watt per m2 uit te komen.
Inventum Modul AIR ALL-E, METRO Microbooster V 190, Misubishi PUHZ-W50VHAR2
Altijd fijn wanneer je loodgieterswerk in de vingers lijkt te hebben. Zojuist 4 voetventielen geplaatst in mijn woonkamer en hal en na het vullen van CV maar ééntje nog een klein tikje moeten geven. Bij de installatie van de boiler ging het in één keer goed.
Nog twee radiatoren te gaan.
Nog twee radiatoren te gaan.
[ Voor 5% gewijzigd door CurlyMo op 05-06-2021 16:07 ]
Sinds de 2 dagen regel reageer ik hier niet meer
@t.oswald
Nee. Ik heb geen radiatoren in huis. Echter werd de vloer gewoon niet warm. Het was natuurlijk mega-koud. Terwijl de warmtepomp op 55 stond, kwam er slechts zo’n 28 graden warmte uit. De cv erbij aan welke op Max 40 staat en het werd gelijk warm.
@jantje112 ivm een zwaar astmatische vrouw hebben we wel een gaskachel i.p.v. een houtkachel. Echter is het doel om van het gas af te gaan.
@beestemans
De isolatie is ook niet geweldig vergeleken met een huis van 2020. Het blijft een oude boerderij. Het oosten blijft een zwakke plek en laat er die koude winterweken ook nog een Oosterwind te hebben gestaan. Echter. Voor de oude remeha geen probleem. Ik wil het met de warmtepomp kunnen doen. Zelf neig ik dus ook naar de 16kw. Ik kan echter niet goed vinden of dat problemen gaat geven bij een milde winter ivm. minimaal vermogen. Ik heb 15000Wp aan panelen liggen, energieverbruik is voor mij niet belangrijk.
Voornaamste reden is dus dat ik ook denk dat 12kw net voldoende is echter icm met het 3kw element zou het ruim voldoende zijn. De 16kw heeft waarschijnlijk het element niet nodig.
Ik kan alleen maar voordelen bedenken bij een 16kw i.p.v. een 12 kw. Ik weet alleen niet of ik iets over het hoofd zie.
Nee. Ik heb geen radiatoren in huis. Echter werd de vloer gewoon niet warm. Het was natuurlijk mega-koud. Terwijl de warmtepomp op 55 stond, kwam er slechts zo’n 28 graden warmte uit. De cv erbij aan welke op Max 40 staat en het werd gelijk warm.
@jantje112 ivm een zwaar astmatische vrouw hebben we wel een gaskachel i.p.v. een houtkachel. Echter is het doel om van het gas af te gaan.
@beestemans
De isolatie is ook niet geweldig vergeleken met een huis van 2020. Het blijft een oude boerderij. Het oosten blijft een zwakke plek en laat er die koude winterweken ook nog een Oosterwind te hebben gestaan. Echter. Voor de oude remeha geen probleem. Ik wil het met de warmtepomp kunnen doen. Zelf neig ik dus ook naar de 16kw. Ik kan echter niet goed vinden of dat problemen gaat geven bij een milde winter ivm. minimaal vermogen. Ik heb 15000Wp aan panelen liggen, energieverbruik is voor mij niet belangrijk.
Voornaamste reden is dus dat ik ook denk dat 12kw net voldoende is echter icm met het 3kw element zou het ruim voldoende zijn. De 16kw heeft waarschijnlijk het element niet nodig.
Ik kan alleen maar voordelen bedenken bij een 16kw i.p.v. een 12 kw. Ik weet alleen niet of ik iets over het hoofd zie.
Walk without Rythm, and you won't attract the worm!
Wat was je stookregime? 24/7 verwarmen of had je nachtverlaging?Redwood schreef op zaterdag 5 juni 2021 @ 16:19:
@t.oswald
Nee. Ik heb geen radiatoren in huis. Echter werd de vloer gewoon niet warm. Het was natuurlijk mega-koud. Terwijl de warmtepomp op 55 stond, kwam er slechts zo’n 28 graden warmte uit. De cv erbij aan welke op Max 40 staat en het werd gelijk warm.
En is die vloer wel voldoende geisoleerd (of ligt hij direct op zand?) en zijn de slangen op 10-15cm afstand van elkaar gelegd?
@Redwood heeft al geschreven dat de Ta maar 28 graden werd op vol vermogen. Dan zit het probleem in ieder geval niet in het afgiftesysteem, maar kwam hij bij strenge vorst gewoon vermogen te kort.Wolly schreef op zaterdag 5 juni 2021 @ 16:23:
en zijn de slangen op 10-15cm afstand van elkaar gelegd?
Oplossing is dan de vermogensbehoefte verminderen (dus beter isoleren, genoegen nemen met een lagere temperatuur of WTW-ventilatie installeren) of het vermogen (bij -10°C) verhogen.
@Redwood : Je schrijft steeds dat je een 9 kW wp hebt, maar hoeveel vermogen levert die wp bij -10? (Je schreef trouwens -17, maar ik kan me niet heugen dat we de afgelopen winter ergens een gemiddelde dagtemperatuur van -17 hebben gehad...)
WP: ME PUHZ-SW75YAA + ERSD-VM2D + EV-WP-TWS-1W 300; AC: ME MXZ-2F42VF + 2x MSZ-LN25VGV; PV: 14.08 kWp O/W + SMA STP 8.0; Vent: Zehnder Q600 ERV + Ubbink AirExcellent.
@Andrehj rond 21 feb tikten we hier in het noorden de -17 aan. Het was een week of twee tussen de -8 en -17.
Geen idee hoeveel de warmtepomp deed, hij draaide in ieder geval maximaal. Ik heb een afbeelding met de specs toegevoegd.
Bij de Ventus zit geen leuk informatief overzicht. De enige instelling die je kunt instellen is de gewenste retourtemperatuur.
Ik heb nu in het toilet en badkamer mechanische afzuiging. Daar wil ik sowieso wat mee doen, maar zou WTW in dit geval zin hebben?
:strip_exif()/f/image/9JqIKuFed22bCcOi7zK1ws2H.jpg?f=fotoalbum_large)
@Wolly de vloer is geïsoleerd en vrij dik beton. De vloerverwarming is met upenor gedaan en de leidingen liggen allemaal rond de 10cm uit elkaar. De oorspronkelijke 1920 boerderij mocht niet gesloopt worden. De originele stenen muur bestaat nog in de nieuwe wanden. Deze zijn binnen en buiten opgebouwd met dubbel tempex en stucwerk. De wanden zijn zo’n 30cm dik en voelen nooit koud aan. Het dak is nieuw en geïsoleerd, echter kan hier op het platte land behoorlijk waaien. Sterk genoeg om een grote weber door de lucht te laten vliegen. Bij een noordooster wind tocht door elke naad en kier wat normaliter geen probleem is. In 2014 zijn alle kozijnen vervangen door kunststof met dubbel en triple glas. Dat tocht verder niet.
Geen idee hoeveel de warmtepomp deed, hij draaide in ieder geval maximaal. Ik heb een afbeelding met de specs toegevoegd.
Bij de Ventus zit geen leuk informatief overzicht. De enige instelling die je kunt instellen is de gewenste retourtemperatuur.
Ik heb nu in het toilet en badkamer mechanische afzuiging. Daar wil ik sowieso wat mee doen, maar zou WTW in dit geval zin hebben?
:strip_exif()/f/image/9JqIKuFed22bCcOi7zK1ws2H.jpg?f=fotoalbum_large)
@Wolly de vloer is geïsoleerd en vrij dik beton. De vloerverwarming is met upenor gedaan en de leidingen liggen allemaal rond de 10cm uit elkaar. De oorspronkelijke 1920 boerderij mocht niet gesloopt worden. De originele stenen muur bestaat nog in de nieuwe wanden. Deze zijn binnen en buiten opgebouwd met dubbel tempex en stucwerk. De wanden zijn zo’n 30cm dik en voelen nooit koud aan. Het dak is nieuw en geïsoleerd, echter kan hier op het platte land behoorlijk waaien. Sterk genoeg om een grote weber door de lucht te laten vliegen. Bij een noordooster wind tocht door elke naad en kier wat normaliter geen probleem is. In 2014 zijn alle kozijnen vervangen door kunststof met dubbel en triple glas. Dat tocht verder niet.
Walk without Rythm, and you won't attract the worm!
Het gaat om de gemiddelde dagtemperatuur. Niet om de minimumtemperatuur om 6 uur 's ochtends.Redwood schreef op zondag 6 juni 2021 @ 01:42:
@Andrehj rond 21 feb tikten we hier in het noorden de -17 aan. Het was een week of twee tussen de -8 en -17.
Die specs zeggen helemaal niets. Er zijn genoeg warmtepompen op de markt die nominaal misschien 9 kW hebben, maar waar daarvan bij -10 of -12 nog maar 5 kW over is. Je zult echt moeten zoeken (of navragen bij de fabrikant) wat het vermogen is bij lage temperaturen. Wellicht heb je aan echte 9 kW bij -10 wel genoeg.Geen idee hoeveel de warmtepomp deed, hij draaide in ieder geval maximaal. Ik heb een afbeelding met de specs toegevoegd.
Persoonlijk ken ik de Panasonics niet, maar de modellen van Mitsubishi Electric halen tot -10 (voor de gewone modellen) of -15 (voor de Zubadan modellen) nog hun nominale vermogen.
Als je voor vier personen voldoende ventileert (voor een gezond CO2 niveau), kan je dat wel 3 kW aan ventilatieverliezen opleveren. Die kun je (voor 95%) besparen met een WTW systeem. Aanleggen is wel een klusje, dus het best te combineren met nieuwbouw of grondige renovatie.Bij de Ventus zit geen leuk informatief overzicht. De enige instelling die je kunt instellen is de gewenste retourtemperatuur.
Ik heb nu in het toilet en badkamer mechanische afzuiging. Daar wil ik sowieso wat mee doen, maar zou WTW in dit geval zin hebben?
WP: ME PUHZ-SW75YAA + ERSD-VM2D + EV-WP-TWS-1W 300; AC: ME MXZ-2F42VF + 2x MSZ-LN25VGV; PV: 14.08 kWp O/W + SMA STP 8.0; Vent: Zehnder Q600 ERV + Ubbink AirExcellent.
Je hebt inderdaad grotendeels gelijk. Bij disablen van cool in het custom menu werd ook het weekprogramma gewist en daarmee de tank mode. De buitentemperatuur waarboven niet meer verwarmd hoeft te worden, stond bij mij op 18° en werd niet gewijzigd met het custom menu. Kennelijk zit er een marge. Verhoging van die instelling naar 35° heeft wel geholpen.thehog schreef op woensdag 2 juni 2021 @ 07:36:
[...]
Hangt af van je (in heishmon termen) 'Heating_Off_Outdoor_Temp'. Die zal bij jou op 20 graden staan. De pana denkt, ok ik hoef niet meer te werken voor heating boven de 20 graden dus laat ik de logica vrij om zelf te bepalen waar de klep het beste heen kan en dat is in dat geval dus alvast naar DHW (omdat die nog wel gebruikt wordt). Dat het zonder cool stand niet meer gebeurd begrijp ik niet helemaal want die logica ontgaat mij dan weer.
Maar als je dus die stand op max zet (35 graden) zal hij pas boven deze 35gr alsnog dat doen.
Hierbij een drietal grafieken van afgelopen week uit de aquarea service cloud. Op de eerste is te zien dat de driewegklep wordt geopend vóór de tank de minimumtemperatuur van 41° heeft bereikt. Daar wordt uit Ta en Tr duidelijk dat er warmte uit de spiraal naar de wp weglekt. Ta en Tr blijven na het opwarmen van de tank nog tot 20:00 uur boven de 40°. Om 20:00 zet de weektimer tankmode uit.
/f/image/gi5pq5G4SmJvfYDnkHJFIHDH.png?f=fotoalbum_large)
Op het tweede plaatje zie je dat de driewegklep pas open gaat als de tanktemperatuur gezakt is tot 41° hoewel de buitentemperatuur al lang boven de 20° is, maar blijft "hangen" na het opwarmen van de tank. Ook hier zakken Ta en Tr met de tank mee. Om 20:00 werd door de weektimer tank mode uitgeschakeld.
/f/image/wtrOb64ot5XFbehvNvS2HguA.png?f=fotoalbum_large)
Op het derde plaatje zie je het effect van 'buitentemperatuur voor verwarming uit' op 35°. De driewegklep gaat weer netjes open en dicht bij tankverwarming. Ta en Tr zakken na tankverwarming snel richting buitentemperatuur en de tanktemperatuur zakt minder snel dan op het tweede plaatje. Er lekt hier dus minder warmte weg via de open klep.
/f/image/73Yzvx68Dtz9rKu9sKeumLEh.png?f=fotoalbum_large)
Ik kan me ook niet anders voorstellen dan dat het makkelijker lijkt om de klep te laten staan in plaats van terug te zetten op verwarmen/koelen. Maar het verzetten naar 35° van die temperatuur lijkt me een noodoplossing. Treedt die warmtelek door temperatuur/dichtheidsverschil alleen op bij een tank onder de rest van de installatie? Bijvoorbeeld ook bij een tank op de BG met vloerverwarming/radiatoren boven? Zoe een terugslagklep in de leidingen naar de spiraal helpen?
Zijn er sowieso mensen hier die koelen met hun WP i.c.m. HTV radiatoren?
Sinds de 2 dagen regel reageer ik hier niet meer
De laagste minimumtemperatuur in Nieuw Beerta was op 13 februari -13°. De gemiddelde temperatuur was die dag -6,7°. Bij mij was het 20km verderop om 8:30uur -7°. Mijn MXC12H verbruikte die dag 65kWh en maakte daarmee 160kWh bij een Ta van 37-39° naar de radiatoren en 27° naar de vloerverwarming. Het maximale vermogen van de wp is die dag 8kW geweest. In mijn werkkamer op zolder was het 19 en in woonkamer en keuken 20°. Een MXC09H had het ook aangekund.Redwood schreef op zondag 6 juni 2021 @ 01:42:
@Andrehj rond 21 feb tikten we hier in het noorden de -17 aan. Het was een week of twee tussen de -8 en -17.
Geen idee hoeveel de warmtepomp deed, hij draaide in ieder geval maximaal. Ik heb een afbeelding met de specs toegevoegd.
Bij de Ventus zit geen leuk informatief overzicht. De enige instelling die je kunt instellen is de gewenste retourtemperatuur.
Ik heb nu in het toilet en badkamer mechanische afzuiging. Daar wil ik sowieso wat mee doen, maar zou WTW in dit geval zin hebben?
[Afbeelding]
@Wolly de vloer is geïsoleerd en vrij dik beton. De vloerverwarming is met upenor gedaan en de leidingen liggen allemaal rond de 10cm uit elkaar. De oorspronkelijke 1920 boerderij mocht niet gesloopt worden. De originele stenen muur bestaat nog in de nieuwe wanden. Deze zijn binnen en buiten opgebouwd met dubbel tempex en stucwerk. De wanden zijn zo’n 30cm dik en voelen nooit koud aan. Het dak is nieuw en geïsoleerd, echter kan hier op het platte land behoorlijk waaien. Sterk genoeg om een grote weber door de lucht te laten vliegen. Bij een noordooster wind tocht door elke naad en kier wat normaliter geen probleem is. In 2014 zijn alle kozijnen vervangen door kunststof met dubbel en triple glas. Dat tocht verder niet.
Voorgaande jaren geprobeerd, maar dat schiet niet op. Nu een paar fancoils geplaatst op de tweede verdieping (beneden vloerverwarming/-koeling) en ik merk dat runs heel veel lager zijn en ook dat het wel koeler wordt in huis. De afgifte is veel beter.CurlyMo schreef op zondag 6 juni 2021 @ 22:55:
Zijn er sowieso mensen hier die koelen met hun WP i.c.m. HTV radiatoren?
Gasloos huis 9kW Panasonic WH-MDC09J3E5 | Atlantic Explorer V4 270L | 8715Wp @ SMA Tripower 6.0-3AV-40 (4150Wp NO, 4565Wp ZW)
Waar liep het op spaak? Je afgifte? Had je ook de aanvoer / retour verwisseld?timovd schreef op zondag 6 juni 2021 @ 23:10:
[...]
Voorgaande jaren geprobeerd, maar dat schiet niet op.
Sinds de 2 dagen regel reageer ik hier niet meer
Op de oude radiatoren zat de aanvoer boven en retour er vlak onder, dus dat werkte niet lekker.CurlyMo schreef op zondag 6 juni 2021 @ 23:12:
[...]
Waar liep het op spaak? Je afgifte? Had je ook de aanvoer / retour verwisseld?
Gasloos huis 9kW Panasonic WH-MDC09J3E5 | Atlantic Explorer V4 270L | 8715Wp @ SMA Tripower 6.0-3AV-40 (4150Wp NO, 4565Wp ZW)
Zou dat op te lossen zijn door bij je aansluiting WP op je standleidingen een vierwegklep te monteren die aanvoer / retour omwisselt?timovd schreef op zondag 6 juni 2021 @ 23:13:
[...]
Op de oude radiatoren zat de aanvoer boven en retour er vlak onder, dus dat werkte niet lekker.
Sinds de 2 dagen regel reageer ik hier niet meer
Zal wel iets helpen, maar geen ervaring mee.CurlyMo schreef op zondag 6 juni 2021 @ 23:15:
[...]
Zou dat op te lossen zijn door bij je aansluiting WP op je standleidingen een vierwegklep te monteren die aanvoer / retour omwisselt?
Gasloos huis 9kW Panasonic WH-MDC09J3E5 | Atlantic Explorer V4 270L | 8715Wp @ SMA Tripower 6.0-3AV-40 (4150Wp NO, 4565Wp ZW)
De werking van gewone radiatoren berust op een luchtstroom langs de platen/convectoren. Die luchtstroom wordt aangedreven door het temperatuurverschil tussen radiator en omgeving. Bij koeling is dat temperatuurverschil veel kleiner dan bij verwarmen. Daardoor is ook de warmteoverdracht veel lager. Waarschijnlijk zouden ventilatortjes goed helpen, vooral bij type 22.CurlyMo schreef op zondag 6 juni 2021 @ 23:15:
[...]
Zou dat op te lossen zijn door bij je aansluiting WP op je standleidingen een vierwegklep te monteren die aanvoer / retour omwisselt?
Die zitten er al. Wat zeg je over het omdraaien van de aanvoer / retour?FransvWoerkom schreef op maandag 7 juni 2021 @ 00:24:
[...]
De werking van gewone radiatoren berust op een luchtstroom langs de platen/convectoren. Die luchtstroom wordt aangedreven door het temperatuurverschil tussen radiator en omgeving. Bij koeling is dat temperatuurverschil veel kleiner dan bij verwarmen. Daardoor is ook de warmteoverdracht veel lager. Waarschijnlijk zouden ventilatortjes goed helpen, vooral bij type 22.
Sinds de 2 dagen regel reageer ik hier niet meer
Ik wil ervaring opdoen met het koelen van de vloer. Heb alles goed staan en de WP aangezet op koelen. Cool mode --> direct temp --> 20 graden.
De pana 5J staat nu aan maar pompt alleen maar rond, compressor blijft uit. Water temp is na even rondpompen 23 graden. Is het verschil te klein om te starten?
:strip_exif()/f/image/zD7mrKZrwXdPN2jwA56Y5xeL.jpg?f=fotoalbum_large)
@thehog, daarnaast zie ik in domoticz alle waarden niet verschijnen vanuit Heishamon. Ook de flow van 15l/m verschijnt niet. Heishamon zelf ziet er goed uit en in de log van domoticz ziet eea er ook goed uit:
De pana 5J staat nu aan maar pompt alleen maar rond, compressor blijft uit. Water temp is na even rondpompen 23 graden. Is het verschil te klein om te starten?
:strip_exif()/f/image/zD7mrKZrwXdPN2jwA56Y5xeL.jpg?f=fotoalbum_large)
@thehog, daarnaast zie ik in domoticz alle waarden niet verschijnen vanuit Heishamon. Ook de flow van 15l/m verschijnt niet. Heishamon zelf ziet er goed uit en in de log van domoticz ziet eea er ook goed uit:
code:
1
2
3
4
5
6
7
8
9
10
11
12
13
14
15
16
17
18
19
| 2021-06-07 08:45:13.097 Pana WP: (Pana WP) Heartbeating... 2021-06-07 08:45:13.097 Pana WP: (Pana WP) MqttClient::ping 2021-06-07 08:45:23.065 Pana WP: (Pana WP) Heartbeating... 2021-06-07 08:45:23.065 Pana WP: (Pana WP) MqttClient::ping 2021-06-07 08:45:33.085 Pana WP: (Pana WP) Heartbeating... 2021-06-07 08:45:33.085 Pana WP: (Pana WP) MqttClient::ping 2021-06-07 08:45:43.053 Pana WP: (Pana WP) Heartbeating... 2021-06-07 08:45:43.053 Pana WP: (Pana WP) MqttClient::ping 2021-06-07 08:45:53.071 Pana WP: (Pana WP) Heartbeating... 2021-06-07 08:45:53.071 Pana WP: (Pana WP) MqttClient::ping 2021-06-07 08:46:03.097 Pana WP: (Pana WP) Heartbeating... 2021-06-07 08:46:03.097 Pana WP: (Pana WP) MqttClient::ping 2021-06-07 08:46:13.064 Pana WP: (Pana WP) Heartbeating... 2021-06-07 08:46:13.064 Pana WP: (Pana WP) MqttClient::ping 2021-06-07 08:46:23.082 Pana WP: (Pana WP) Heartbeating... 2021-06-07 08:46:23.082 Pana WP: (Pana WP) MqttClient::ping 2021-06-07 08:46:33.054 Pana WP: (Pana WP) Heartbeating... 2021-06-07 08:46:33.054 Pana WP: (Pana WP) MqttClient::ping 2021-06-07 08:46:43.072 Pana WP: (Pana WP) Heartbeating... |
STRAVA | Panasonic 5kW J Monoblock
@vandermark TOP79 (en TOP80) al gecontroleerd?
Panasonic 7kW J-Series Split + 190 liter SWW, 2750+2100Wp Oost-West
Hij doet het temp verschil was te klein. Na Tdoel op 18 te hebben gezet ging de compressor wel aan.
Blijft het gedoe dat de heishamon plugin in Domoticz niet meer werkt. Heishamon zelf laat alles wel goed zien. Irritant...
Blijft het gedoe dat de heishamon plugin in Domoticz niet meer werkt. Heishamon zelf laat alles wel goed zien. Irritant...
STRAVA | Panasonic 5kW J Monoblock
Ik gebruik die plugin zelf niet. Maar ik denk dat je even goed moet zoeken of je mqtt server het wel goed doet en of die mqtt berichten wel aankomen bij de plugin.vandermark schreef op maandag 7 juni 2021 @ 09:03:
Hij doet het temp verschil was te klein. Na Tdoel op 18 te hebben gezet ging de compressor wel aan.
Blijft het gedoe dat de heishamon plugin in Domoticz niet meer werkt. Heishamon zelf laat alles wel goed zien. Irritant...
Moeilijk op afstand mee debuggen.
Even MQTT Lens of MQTT Explorer loslaten op je broker?
(of iets als mosquitto_sub lokaal op je raspberry pi)
Even MQTT Lens of MQTT Explorer loslaten op je broker?
(of iets als mosquitto_sub lokaal op je raspberry pi)
Panasonic 7kW J-Series Split + 190 liter SWW, 2750+2100Wp Oost-West
Ja, daar zie ik dus hetzelfde: waardes niet aangepast, flow nog op 0 (0,13), ook hier ververst die dus niet? In heishamon zelf staat het wel goedsjimmie schreef op maandag 7 juni 2021 @ 09:25:
Moeilijk op afstand mee debuggen.
Even MQTT Lens of MQTT Explorer loslaten op je broker?
(of iets als mosquitto_sub lokaal op je raspberry pi)
:strip_exif()/f/image/TueDyY2qBevPNX4FJOSr3CEf.jpg?f=fotoalbum_large)
Het lijkt er dus op dat de MQTT server op de RaspPi4 het niet (meer) doet?
[ Voor 4% gewijzigd door vandermark op 07-06-2021 09:40 ]
STRAVA | Panasonic 5kW J Monoblock
Kijk in MQTT broker, onder jouw 192.168.178.150 eens onder $SYS naar zaken als Clients (active/connected/disconnected?), messages (moet oplopen)?
En onder de panasonic_heat_pump of bij LWT wel online staat, en of de stats wel telkens een update krijgt.
EDIT: Doe eens via mosquitto_pub of met MQTT explorer een bericht naar je broker sturen.
En onder de panasonic_heat_pump of bij LWT wel online staat, en of de stats wel telkens een update krijgt.
EDIT: Doe eens via mosquitto_pub of met MQTT explorer een bericht naar je broker sturen.
[ Voor 15% gewijzigd door sjimmie op 07-06-2021 10:10 ]
Panasonic 7kW J-Series Split + 190 liter SWW, 2750+2100Wp Oost-West
Zullen we hier niet periodiek een MQTT debug sessie gaan organiseren 
Daarvoor heeft @thehog een prachtige slack voor ingericht of anders kunnen we dat beter in het andere panasonic topic doen, waar dat eerder ook al is gebeurd. Dan houden we deze een beetje 'schoon'.
Daarvoor heeft @thehog een prachtige slack voor ingericht of anders kunnen we dat beter in het andere panasonic topic doen, waar dat eerder ook al is gebeurd. Dan houden we deze een beetje 'schoon'.
Sinds de 2 dagen regel reageer ik hier niet meer
Oh ja, laten we dan in de start post wel even een lijstje maken wat we hier wel en niet mogen bespreken over panasonic gerelateerde zaken. dus bv wel of geen bufferzaken, geluidsvragen, heishamon instellingen, instellingen voor koelen, split/mono, en zo nog een partijtje randzaken. want tsja, voor je het weet is het vervuiling.
Panasonic 7kW J-Series Split + 190 liter SWW, 2750+2100Wp Oost-West
Volgens mij draaf je een beetje door. Het heel specifiek debuggen van MQTT lijkt me toch echt van een andere orde.sjimmie schreef op maandag 7 juni 2021 @ 10:32:
Oh ja, laten we dan in de start post wel even een lijstje maken wat we hier wel en niet mogen bespreken over panasonic gerelateerde zaken. dus bv wel of geen bufferzaken, geluidsvragen, heishamon instellingen, instellingen voor koelen, split/mono, en zo nog een partijtje randzaken. want tsja, voor je het weet is het vervuiling.
@teacher wat vind jij?
Sinds de 2 dagen regel reageer ik hier niet meer
Ik wil jullie wel bedanken. LWT stond inderdaad offline. Ik heb de heishamon even gereboot:
--> LWT ging direct online en alle waarden komen in domoticz weer binnen
Dat is voor mij wel de les, als heishamon al maanden onafgebroken in de lucht is kan een reboot helpen.
--> LWT ging direct online en alle waarden komen in domoticz weer binnen
Dat is voor mij wel de les, als heishamon al maanden onafgebroken in de lucht is kan een reboot helpen.
STRAVA | Panasonic 5kW J Monoblock
Iemand die 2 pana gerelateerde vragen stelt even bij beide op weg helpen lijkt me ook geen punt.CurlyMo schreef op maandag 7 juni 2021 @ 10:35:
[...]
Volgens mij draaf je een beetje door. Het heel specifiek debuggen van MQTT lijkt me toch echt van een andere orde.
@teacher wat vind jij?
Panasonic 7kW J-Series Split + 190 liter SWW, 2750+2100Wp Oost-West
Dat is helaas een bekende bug. Bij 50 dagen online verliest hij mqtt. Beetje lastig te debuggenvandermark schreef op maandag 7 juni 2021 @ 10:38:
Ik wil jullie wel bedanken. LWT stond inderdaad offline. Ik heb de heishamon even gereboot:
--> LWT ging direct online en alle waarden komen in domoticz weer binnen
Dat is voor mij wel de les, als heishamon al maanden onafgebroken in de lucht is kan een reboot helpen.
* teacher zegt: in algemene "verzameltopics" staan algemene problemen en oplossingen. Voor specifieke issues kan je beter een specifiek topic openen.CurlyMo schreef op maandag 7 juni 2021 @ 10:35:
[...]
Volgens mij draaf je een beetje door. Het heel specifiek debuggen van MQTT lijkt me toch echt van een andere orde.
@teacher wat vind jij?
Wise enough to play the fool
Achteraf was het probleem dus wel degelijk bij de Heishamon en die hoort hier wel bij. Hopelijk helpt deze casus het collectief geheugen om die 50dagen bug voor ogen te houden zodat we bij vergelijkbare problemen direct daarop kunnen wijzen. De uptime van >60 dagen stond zelfs in mijn 1e screenshot van Heishamon.
STRAVA | Panasonic 5kW J Monoblock
I.h.k.v. die 50 dagen bug heb ik in HA een automation gemaakt die een Telegram bericht stuurt als de Heishamon meer dan 6 minuten geen levenssignaal gestuurd heeft. Automatische reboot zou natuurlijk ook kunnen.
Met Domoticz moet dat ook vast kunnen.
Met Domoticz moet dat ook vast kunnen.
Je kan ook naar LWT offline kijken in mqtt.Jesse- schreef op maandag 7 juni 2021 @ 10:47:
I.h.k.v. die 50 dagen bug heb ik in HA een automation gemaakt die een Telegram bericht stuurt als de Heishamon meer dan 6 minuten geen levenssignaal gestuurd heeft. Automatische reboot zou natuurlijk ook kunnen.
Met Domoticz moet dat ook vast kunnen.
Dit topic is gesloten.
![]()
:no_upscale():strip_icc():fill(white):strip_exif()/f/image/Qr5Jrv1ZFCSYHLcldxjcvg6z.jpg?f=user_large)
:no_upscale():strip_icc():fill(white):strip_exif()/f/image/7Ql1gI6DtcfELcvGxX7rNUFr.jpg?f=user_large)