Panasonic Warmtepomp 101: Installatie en Optimalisatie Overzicht Laatste deel

Dit topic is onderdeel van een reeks. Ga naar het meest recente topic in deze reeks.

Pagina: 1 ... 13 ... 134 Laatste
Acties:
  • 778.674 views

Acties:
  • 0 Henk 'm!

  • FransvWoerkom
  • Registratie: Maart 2018
  • Laatst online: 00:53
Nadat ik gisteren al uitschieters had gezien van 230 liter/minuut en aanvoertemperatuur van min 120 in de grafiek van mijn warmtepomp in de Service Cloud, zie ik vannacht weer een paar spookpieken en een ontbrekend stukje terwijl de wp gewoon aan stond. Is dit een fout in mijn warmtepomp of in de webserver van Panasonic?

Mijn Domoticz, slimme meter en router hebben niets bijzonders gezien.

Afbeeldingslocatie: https://tweakers.net/i/RPXDZsmDbR0SnOiSgm5lPSLCk80=/800x/filters:strip_exif()/f/image/c4mVmwtfn1j2zIZIl75jebGs.png?f=fotoalbum_large

[ Voor 8% gewijzigd door FransvWoerkom op 24-03-2021 13:03 ]


Acties:
  • 0 Henk 'm!

  • sjimmie
  • Registratie: November 2002
  • Laatst online: 29-09 16:50
FransvWoerkom schreef op woensdag 24 maart 2021 @ 12:10:
Nadat ik gisteren al uitschieters had gezien van 230 liter/minuut en aanvoertemperatuur van min 120 in de grafiek van mijn warmtepomp in de Service Cloud, zie ik vannacht weer een paar spookpieken en een ontbrekend stukje terwijl de wp gewoon aan stond. Is dit een fout in mijn warmtepomp of in de webserver van Panasonic?

Mijn Domoticz, slimme meter en router hebben niets bijzonders gezien.

[Afbeelding]
Lijkt me gewoon dat laatste.
Ik heb nu een poosje mijn service cloud account overgezet naar de leverancier, maar toen ik die nog zelf had zag ik ook weleens een dag ofzo vage cijfers terwijl alles normaal leek te werken.

Panasonic 7kW J-Series Split + 190 liter SWW, 2750+2100Wp Oost-West


Acties:
  • 0 Henk 'm!

  • FransvWoerkom
  • Registratie: Maart 2018
  • Laatst online: 00:53
sjimmie schreef op woensdag 24 maart 2021 @ 14:29:
[...]

Lijkt me gewoon dat laatste.
Ik heb nu een poosje mijn service cloud account overgezet naar de leverancier, maar toen ik die nog zelf had zag ik ook weleens een dag ofzo vage cijfers terwijl alles normaal leek te werken.
Anderhalve week geleden was de Service Cloud van vrijdagavond tot maandagochtend onbereikbaar. En op maandagochtend hingen ze daar een bordje op dat ze wegens onderhoud gesloten waren.

Acties:
  • 0 Henk 'm!

  • sjimmie
  • Registratie: November 2002
  • Laatst online: 29-09 16:50
FransvWoerkom schreef op woensdag 24 maart 2021 @ 16:34:
[...]


Anderhalve week geleden was de Service Cloud van vrijdagavond tot maandagochtend onbereikbaar. En op maandagochtend hingen ze daar een bordje op dat ze wegens onderhoud gesloten waren.
Och, toen ik mijn account wilde opheffen zodat ik de installateur eraan kon koppelen, kreeg ik alleen maar een vage Forbidden melding, gewoon al op de hoofdpagina (dus al voordat ik kon inloggen). Met de VPN via mijn werk open werkte het wel. Dus blijkbaar sta ik met mijn thuis ip adres ge-blacklist.

(en net gecontroleerd, ik ben nog steeds geblacklist blijkbaar)
Afbeeldingslocatie: https://tweakers.net/i/lGkAai0atDbFHZILssyve6WAe7E=/full-fit-in/4000x4000/filters:no_upscale():fill(white):strip_exif()/f/image/GrSauKo3F1rkdMR8h23W5J8S.png?f=user_large

[ Voor 12% gewijzigd door sjimmie op 24-03-2021 16:46 ]

Panasonic 7kW J-Series Split + 190 liter SWW, 2750+2100Wp Oost-West


Acties:
  • 0 Henk 'm!

  • Possible
  • Registratie: Mei 2002
  • Laatst online: 10-10 19:36
Heeft iemand hier wel eens met een db meter (op telefoon... kan dat ?) gemeten hoeveel geluid de pana maakt op 2 meter afstand?

Dit ivm:

https://www.rijksoverheid...0%99s-worden-aangescherpt

Gasloos sinds 2020 - 3240wp-Z Live 5100wp-W Live 8340wp-Merged Live Altantic Explorer 200 Live


Acties:
  • 0 Henk 'm!

  • pgeene
  • Registratie: December 2009
  • Laatst online: 08-09 11:04
Possible schreef op woensdag 24 maart 2021 @ 22:04:
Heeft iemand hier wel eens met een db meter (op telefoon... kan dat ?) gemeten hoeveel geluid de pana maakt op 2 meter afstand?

Dit ivm:

https://www.rijksoverheid...0%99s-worden-aangescherpt
Nee, maar zou voor mij niet uitmaken. Ik hoor naast mijn stadstuintje niets van de pana. In de tuin op 2 meter is situatie afhankelijk.
Bij mij staat de Pana tussen wat muren, dus is het geluid op dat stukje tuin "gevangen" en dus op max vermogen wel flink aanwezig.
Maar ja, daar hebben alleen wij last van.
Daarom zegt de spec sheet van de pana je ook niets en de 2 m afstand ook niets

Staat hij bij een heg, geluid gedempt. Staat hij naast een muur die geluid weerkaatst, meer geluid ervaren.

Daarom is de tool ontwikkeld. En zijn er gespecialiseerde bedrijven voor dit soort berekeningen. ;)

PV: Zuid 3.5kWp | Z-W 1.6kWp | Horizontaal (dunne film buis) 2kWp | totaal 7.15kWp | 5kW Panasonic H icm Heishamon | infrarood vloerverwarming | Label A in huis uit 1939


Acties:
  • 0 Henk 'm!

  • FransvWoerkom
  • Registratie: Maart 2018
  • Laatst online: 00:53
Possible schreef op woensdag 24 maart 2021 @ 22:04:
Heeft iemand hier wel eens met een db meter (op telefoon... kan dat ?) gemeten hoeveel geluid de pana maakt op 2 meter afstand?

Dit ivm:

https://www.rijksoverheid...0%99s-worden-aangescherpt
Ik heb onlangs nog gemeten op een zondagochtend, dus zonder verkeerslawaai. Mijn 12H produceerde bij een sww-run met de compressor op 40Hz, 3kW in, 5kW uit, omgevingstemperatuur 7°, Ta en Tr in de buurt van 50°, op 2m recht voor de machine een geluidsdrukniveau (SPL) van 47dBa. Hij staat op de grond en vlak voor een muur, dus in een kwart bol.

De erfgrens is op 3m en de Panasonic kan ook in Quiet mode (scheelt in de norm 5dB), dus ik zit net goed. Onze slaapkamer en die van de buren zit 8m verderop, daar is de SPL 35dB maximaal.

Overigens wel een overzichtelijke handleiding van de overheid. De rekentool heb ik nog niet geprobeerd.

https://www.rijksoverheid...warmte--en-koudeopwekking

Acties:
  • 0 Henk 'm!

  • FransvWoerkom
  • Registratie: Maart 2018
  • Laatst online: 00:53
pgeene schreef op woensdag 24 maart 2021 @ 22:17:
[...]

Staat hij bij een heg, geluid gedempt. Staat hij naast een muur die geluid weerkaatst, meer geluid ervaren.

Daarom is de tool ontwikkeld. En zijn er gespecialiseerde bedrijven voor dit soort berekeningen. ;)
Een heg helpt niet, een muurtje als isolatie wel. Dus bij een rijtjeswoning helpt een muur van een paar meter als erfscheiding in plaats van het gebruikelijke Gamma-vlechtscherm enorm. Zeker omdat je de SPL aan buurmans kant van die muur moet meten :)

Acties:
  • 0 Henk 'm!

  • pgeene
  • Registratie: December 2009
  • Laatst online: 08-09 11:04
FransvWoerkom schreef op donderdag 25 maart 2021 @ 00:30:
[...]


Een heg helpt niet, een muurtje als isolatie wel. Dus bij een rijtjeswoning helpt een muur van een paar meter als erfscheiding in plaats van het gebruikelijke Gamma-vlechtscherm enorm. Zeker omdat je de SPL aan buurmans kant van die muur moet meten :)
Klopt, maar aan JOUW kant, helpt een heg enorm. Vraag was op 2 meter afstand.
Als ik op 2 meter afstand ga staan met een muur naast me met zicht op de machine ;)

Isolatie is in deze meer vanaf welke kant je kijkt.
Dat is dus precies waarom een 2m afstand niets zegt en het situatie afhankelijk/specifiek is.

PV: Zuid 3.5kWp | Z-W 1.6kWp | Horizontaal (dunne film buis) 2kWp | totaal 7.15kWp | 5kW Panasonic H icm Heishamon | infrarood vloerverwarming | Label A in huis uit 1939


Acties:
  • +1 Henk 'm!

  • timovd
  • Registratie: Maart 2002
  • Laatst online: 05:46

timovd

Voorsprong door techniek

FransvWoerkom schreef op woensdag 24 maart 2021 @ 12:10:
Nadat ik gisteren al uitschieters had gezien van 230 liter/minuut en aanvoertemperatuur van min 120 in de grafiek van mijn warmtepomp in de Service Cloud, zie ik vannacht weer een paar spookpieken en een ontbrekend stukje terwijl de wp gewoon aan stond. Is dit een fout in mijn warmtepomp of in de webserver van Panasonic?

Mijn Domoticz, slimme meter en router hebben niets bijzonders gezien.

[Afbeelding]
Hier ook meerdere keren last van gehad afgelopen jaren. Er is niets aan de hand. Het grote nadeel is dat de y-as nu veel groter is, dus monitoring is slechter af te lezen. Het duurt een week voordat het weer hersteld is.
Edit: timovd in "Panasonic monoblock warmtepompen topic deel 1"

[ Voor 4% gewijzigd door timovd op 25-03-2021 09:22 ]

Gasloos huis 9kW Panasonic WH-MDC09J3E5 | Atlantic Explorer V4 270L | 8715Wp @ SMA Tripower 6.0-3AV-40 (4150Wp NO, 4565Wp ZW)


Acties:
  • 0 Henk 'm!

  • FransvWoerkom
  • Registratie: Maart 2018
  • Laatst online: 00:53
pgeene schreef op donderdag 25 maart 2021 @ 07:55:
[...]


Klopt, maar aan JOUW kant, helpt een heg enorm. Vraag was op 2 meter afstand.
Als ik op 2 meter afstand ga staan met een muur naast me met zicht op de machine ;)

Isolatie is in deze meer vanaf welke kant je kijkt.
Dat is dus precies waarom een 2m afstand niets zegt en het situatie afhankelijk/specifiek is.
Bij het meten van de geluidsdruk heb je altijd te maken met eventuele reflecties bij de ontvanger/microfoon. De 40dB uit de nieuwe norm geldt bij open ruimte op de erfgrens/bij de ontvanger. In de rekentool moet je de situatie bij je buurman ingeven en wordt ervoor gecorrigeerd.

We hebben het hier eerder gehad over geluidsisolatie door geluidsdempende materialen. Bijvoorbeeld een heg. Geluidsdempende materialen helpen alleen als ze tussen twee zware wanden zitten waar staande golven optreden. Dus bijvoorbeeld tussen zwevende plafonds of vloeren of dubbele niet-gekoppelde wanden. Bij die 40dB norm wordt gecorrigeerd voor de muur van de buurman alsof die er niet was.

Acties:
  • 0 Henk 'm!

  • RemySoeters
  • Registratie: Oktober 2017
  • Laatst online: 10-10 12:31
In de afgelopen maanden heb ik dit topic erg in de gaten gehouden. De behoefte om een wp te installeren begint steeds meer aan te wakkeren. Even een korte situatieschetst.

Vorig jaar mei ons huidige huis gekocht. Na ongeveer hier een jaar gewoond te hebben, komt ons gas gebruik uit op 1000 kuub gas. Dit is voor zowel sww en cv. Onze woning stamt uit ‘97 en is prima geisoleerd. Het glas, wat nu standaard dubbel glas is, ga ik op een later tijdstip zelf vervangen.

De woning heeft nu reguliere radiatoren. We krijgen het warm genoeg met een aanvoer temperatuur van 40 graden. (Tijdens de winter heb ik de aanvoer temperatuur wel iets hoger gehad ~50c). Volgend jaar gaan we ook de beneden verdieping verbouwen, waarbij de volledige begaande grond van vloerverwarming wordt voorzien.

Nu ben ik van plan zelf een panasonic wp te installeren. Op basis van de berekening van koevlaas2 kom ik op ~6kw uit. Ik heb echter nog een aantal praktische vragen. Ik heb namelijk geen idee of 5kw J series voldoende is of dat ik kan over dimensioneren naar een 7Kw. Wat adviseren jullie?

Ook wil ik de wp graag op het dak van onze garage plaatsen. Echter zie ik dat de wp meer dan 100kg weegt. Ik vraag mijzelf echer af of dit gewicht is wanneer de wp draait en vol water zit, of dat dit het “normale” gewicht is. Ik zie mijzelf de wp niet met een trappetje omhoog tillen. Hoe hebben jullie dit aangepakt? Tevens ben ik bang dat de trillingen hoorbaar gaan zijn in de woning als ik hem op de garage plaats. Iemand enige tips/input?

Acties:
  • 0 Henk 'm!

  • falconz
  • Registratie: September 2003
  • Laatst online: 24-09 22:28
RemySoeters schreef op vrijdag 26 maart 2021 @ 20:16:
In de afgelopen maanden heb ik dit topic erg in de gaten gehouden. De behoefte om een wp te installeren begint steeds meer aan te wakkeren. Even een korte situatieschetst.

Vorig jaar mei ons huidige huis gekocht. Na ongeveer hier een jaar gewoond te hebben, komt ons gas gebruik uit op 1000 kuub gas. Dit is voor zowel sww en cv. Onze woning stamt uit ‘97 en is prima geisoleerd. Het glas, wat nu standaard dubbel glas is, ga ik op een later tijdstip zelf vervangen.

De woning heeft nu reguliere radiatoren. We krijgen het warm genoeg met een aanvoer temperatuur van 40 graden. (Tijdens de winter heb ik de aanvoer temperatuur wel iets hoger gehad ~50c). Volgend jaar gaan we ook de beneden verdieping verbouwen, waarbij de volledige begaande grond van vloerverwarming wordt voorzien.

Nu ben ik van plan zelf een panasonic wp te installeren. Op basis van de berekening van koevlaas2 kom ik op ~6kw uit. Ik heb echter nog een aantal praktische vragen. Ik heb namelijk geen idee of 5kw J series voldoende is of dat ik kan over dimensioneren naar een 7Kw. Wat adviseren jullie?

Ook wil ik de wp graag op het dak van onze garage plaatsen. Echter zie ik dat de wp meer dan 100kg weegt. Ik vraag mijzelf echer af of dit gewicht is wanneer de wp draait en vol water zit, of dat dit het “normale” gewicht is. Ik zie mijzelf de wp niet met een trappetje omhoog tillen. Hoe hebben jullie dit aangepakt? Tevens ben ik bang dat de trillingen hoorbaar gaan zijn in de woning als ik hem op de garage plaats. Iemand enige tips/input?
Zeker na de overstap op vvw én betere isolatie zal de 5 het makkelijk kunnen doen. Moet 'ie ook sww gaan maken? Dat zou nog een reden kunnen zijn om toch voor een 7 te gaan.
Ervaringen met wp op plat dak zijn niet heel goed. Gewicht is bij een degelijk dak niet het probleem, geluid (trilling en bromtoon) wel.
Als er geleefd wordt onder de locatie van de WP zou ik er nog eens over nadenken. Op een garage heb je minder last.
De 100 kg is het leeg gewicht, maar er zitten geen 10tallen liters in de pomp, hooguit paar liter. En liften zou met een verhuislift kunnen of een heftruck van een bedrijf in de buurt...

Acties:
  • 0 Henk 'm!

  • Possible
  • Registratie: Mei 2002
  • Laatst online: 10-10 19:36
Ook ik heb niet echt een mogelijkheid dan het garage dak. De tuin is geen optie omdat vrouwlief dit absoluut niet wil (lelijk apparaat)

Dus ook ik moet zorgen dat hij zo weinig mogelijk geluid doorheeft aan het huis

Gasloos sinds 2020 - 3240wp-Z Live 5100wp-W Live 8340wp-Merged Live Altantic Explorer 200 Live


Acties:
  • 0 Henk 'm!

  • CurlyMo
  • Registratie: Februari 2011
  • Laatst online: 23:46
falconz schreef op vrijdag 26 maart 2021 @ 22:37:
[...]

Zeker na de overstap op vvw én betere isolatie zal de 5 het makkelijk kunnen doen. Moet 'ie ook sww gaan maken? Dat zou nog een reden kunnen zijn om toch voor een 7 te gaan.
De J 5kW is gewoon een softwarematig gelimiteerde 7kW. Alleen de prijs is dus een factor.

Sinds de 2 dagen regel reageer ik hier niet meer


Acties:
  • 0 Henk 'm!

  • FransvWoerkom
  • Registratie: Maart 2018
  • Laatst online: 00:53
Possible schreef op vrijdag 26 maart 2021 @ 23:11:
Ook ik heb niet echt een mogelijkheid dan het garage dak. De tuin is geen optie omdat vrouwlief dit absoluut niet wil (lelijk apparaat)

Dus ook ik moet zorgen dat hij zo weinig mogelijk geluid doorheeft aan het huis
Een garagedak ligt meestal op bouwmuren. Je kunt boven het dak balken van hout, beton of staal leggen op die muren en daar de warmtepomp op zetten. Als je dan nog de warmtepomp op trillingsdempers zet, gaan de weinige overgebleven trillingen via de muren naar de fundering en niet naar het dak.

Acties:
  • +1 Henk 'm!

  • RemySoeters
  • Registratie: Oktober 2017
  • Laatst online: 10-10 12:31
falconz schreef op vrijdag 26 maart 2021 @ 22:37:
[...]

Zeker na de overstap op vvw én betere isolatie zal de 5 het makkelijk kunnen doen. Moet 'ie ook sww gaan maken? Dat zou nog een reden kunnen zijn om toch voor een 7 te gaan.
Ervaringen met wp op plat dak zijn niet heel goed. Gewicht is bij een degelijk dak niet het probleem, geluid (trilling en bromtoon) wel.
Als er geleefd wordt onder de locatie van de WP zou ik er nog eens over nadenken. Op een garage heb je minder last.
De 100 kg is het leeg gewicht, maar er zitten geen 10tallen liters in de pomp, hooguit paar liter. En liften zou met een verhuislift kunnen of een heftruck van een bedrijf in de buurt...
Ik wil alles in fases uit gaan voeren. Concreet houdt dit in dat ik de wp(7kw) aankomend jaar wil aansluiten op de CV. De plofketel blijft ons dan gewoon voorzien van sww. Jaartje later wil ik een ventilatie wp of een boilervat à 200 liter installeren met driewegklep etc zodat we volledig van het gas af kunnen. Concreet betekent dit dat ik aankomend jaar nog ongeveer 200m3 aan gas zou verbruiken.

Ik had gelezen op het RVO dat installatie gedaan moest worden door een erkend bedrijf of is ‘in bedrijfstelling’ bewijs door een erkend bedrijf voldoende om subsidie te ontvangen? Heeft hier iemand ervaring mee? Scheelt namelijk erg veel geld.

Acties:
  • 0 Henk 'm!

  • RemySoeters
  • Registratie: Oktober 2017
  • Laatst online: 10-10 12:31
CurlyMo schreef op vrijdag 26 maart 2021 @ 23:23:
[...]

De J 5kW is gewoon een softwarematig gelimiteerde 7kW. Alleen de prijs is dus een factor.
Deze snap ik niet helemaal. De 5kw en de 7 kw schelen nogal in prijs. Is het dan verstandiger om voor een 5 kw of 7 kw te gaan in mijn geval? Beide gebruiken 2500 watt als minimum, dus ook daar win ik niets. 7kw lijkt me dan een betere keuze, of denk jij daar anders over?

Acties:
  • 0 Henk 'm!

  • CurlyMo
  • Registratie: Februari 2011
  • Laatst online: 23:46
RemySoeters schreef op zaterdag 27 maart 2021 @ 19:41:
[...]


Deze snap ik niet helemaal. De 5kw en de 7 kw schelen nogal in prijs. Is het dan verstandiger om voor een 5 kw of 7 kw te gaan in mijn geval?
Daar kan niemand je zekerheid op geven, alleen ideeën. Voor zekerheden zul je een warmte verlies berekening moeten laten maken.

Ik zou zelf beginnen met eerst het glas vervangen en daarna nog eens kijken hoe laag je je Ta kunt krijgen.

Sinds de 2 dagen regel reageer ik hier niet meer


Acties:
  • +1 Henk 'm!

  • twain4me
  • Registratie: December 2017
  • Laatst online: 03:15

twain4me

Moderator Wonen & Mobiliteit
Topicstarter
RemySoeters schreef op zaterdag 27 maart 2021 @ 07:44:
[...]

Ik wil alles in fases uit gaan voeren. Concreet houdt dit in dat ik de wp(7kw) aankomend jaar wil aansluiten op de CV. De plofketel blijft ons dan gewoon voorzien van sww. Jaartje later wil ik een ventilatie wp of een boilervat à 200 liter installeren met driewegklep etc zodat we volledig van het gas af kunnen. Concreet betekent dit dat ik aankomend jaar nog ongeveer 200m3 aan gas zou verbruiken.

Ik had gelezen op het RVO dat installatie gedaan moest worden door een erkend bedrijf of is ‘in bedrijfstelling’ bewijs door een erkend bedrijf voldoende om subsidie te ontvangen? Heeft hier iemand ervaring mee? Scheelt namelijk erg veel geld.
als ik mij niet vergis komt het goed als er op de factuur staat

"aangesloten en in bedrijf gesteld met de datum van ingebruikname" ofwel de fase en de nul niet aansluiten en dat de instalateur laten doen en hem vervolgens aan laten zetten. dan gaat het bij mijn weten volgens de regels.
Na wat zoeken is er wel iemand te vinden die dat wil doen.


Dit zijn de voorwaarden om in aanmerking te komen voor subsidie:
U bent eigenaar van de koopwoning en het is uw hoofdverblijf (of wordt uw hoofdverblijf direct na renovatie).
De warmtepomp is een nieuw product en is dus geen tweedehands / gebruikt product.
U laat de warmtepomp installeren in een woning waarvoor de omgevingsvergunning is aangevraagd voor of op 30 juni 2018.
De warmtepomp is geïnstalleerd voordat u een aanvraag gaat doen.
U heeft de warmtepomp na 30 juni 2020 laten installeren
De installatie is gedaan door een bouwinstallatiebedrijf. De installatie mag u niet zelf doen.
U bent in het bezit van een factuur en betaalbewijs van de aanschaf en installatie van uw warmtepomp.
U kunt tot maximaal 12 maanden na installatie van uw warmtepomp nog subsidie aanvragen indien uw aanvraag niet gepaard gaat met een aanvraag voor een isolatiemaatregel. Wanneer u uw aanvraag combineert met een isolatiemaatregel geldt dat u tot 12 maanden na het installeren of aanbrengen van de eerste maatregel subsidie aan kunt vragen.
U heeft geen recht op subsidie als u al eerder een andere subsidie voor de betreffende warmtepomp heeft ontvangen.

Acties:
  • +1 Henk 'm!

  • twain4me
  • Registratie: December 2017
  • Laatst online: 03:15

twain4me

Moderator Wonen & Mobiliteit
Topicstarter
RemySoeters schreef op vrijdag 26 maart 2021 @ 20:16:
In de afgelopen maanden heb ik dit topic erg in de gaten gehouden. De behoefte om een wp te installeren begint steeds meer aan te wakkeren. Even een korte situatieschetst.

Vorig jaar mei ons huidige huis gekocht. Na ongeveer hier een jaar gewoond te hebben, komt ons gas gebruik uit op 1000 kuub gas. Dit is voor zowel sww en cv. Onze woning stamt uit ‘97 en is prima geisoleerd. Het glas, wat nu standaard dubbel glas is, ga ik op een later tijdstip zelf vervangen.

De woning heeft nu reguliere radiatoren. We krijgen het warm genoeg met een aanvoer temperatuur van 40 graden. (Tijdens de winter heb ik de aanvoer temperatuur wel iets hoger gehad ~50c). Volgend jaar gaan we ook de beneden verdieping verbouwen, waarbij de volledige begaande grond van vloerverwarming wordt voorzien.

Nu ben ik van plan zelf een panasonic wp te installeren. Op basis van de berekening van koevlaas2 kom ik op ~6kw uit. Ik heb echter nog een aantal praktische vragen. Ik heb namelijk geen idee of 5kw J series voldoende is of dat ik kan over dimensioneren naar een 7Kw. Wat adviseren jullie?

Ook wil ik de wp graag op het dak van onze garage plaatsen. Echter zie ik dat de wp meer dan 100kg weegt. Ik vraag mijzelf echer af of dit gewicht is wanneer de wp draait en vol water zit, of dat dit het “normale” gewicht is. Ik zie mijzelf de wp niet met een trappetje omhoog tillen. Hoe hebben jullie dit aangepakt? Tevens ben ik bang dat de trillingen hoorbaar gaan zijn in de woning als ik hem op de garage plaats. Iemand enige tips/input?
voor de appel en ei verschil die er tussen zit zou ik de 7KW nemen, heb je ook sneller SWW qua moduleren etc is het toch gelijk aan de 5KW

Op een dak zou ik hem niet snel zetten. maakt de instalatie en onderhoud doorgaans alleen maar duurder (denk ook aan het vervangen van je dakbedekking) maar als ik hem erop zou zetten zou ik dat met een lift,kraan of trede voor trede op een steiger. (planken 1 voor 1 omhoog en steeds de wp van plank laten wisselen.) (die kosten horen dus ook bij die onderhouds kosten, dat ding moet hoe dan ook ooit ook weer naar beneden.)

Daarnaast moet je iets doen aan een vast gevroren fan of sneeuw scheppen, dan doe ik dat bij -6 een stuk liever gewoon met mijn voetjes op de grond.

Acties:
  • 0 Henk 'm!

  • Possible
  • Registratie: Mei 2002
  • Laatst online: 10-10 19:36
@koevlaas2 BIj RJtec kan je voor 150 euro de WP laten isoleren... Doen of niet doen?

Als ik Robert op zn blauwe ogen moet geloven:

Hi

I do not have a certificate for my noise reduction but can promise, that it is a major improvement in noise reduction.

Regards,
Robert

Gasloos sinds 2020 - 3240wp-Z Live 5100wp-W Live 8340wp-Merged Live Altantic Explorer 200 Live


Acties:
  • 0 Henk 'm!

  • twain4me
  • Registratie: December 2017
  • Laatst online: 03:15

twain4me

Moderator Wonen & Mobiliteit
Topicstarter
Possible schreef op zaterdag 27 maart 2021 @ 22:34:
@koevlaas2 BIj RJtec kan je voor 150 euro de WP laten isoleren... Doen of niet doen?

Als ik Robert op zn blauwe ogen moet geloven:

Hi

I do not have a certificate for my noise reduction but can promise, that it is a major improvement in noise reduction.

Regards,
Robert
je kan het ook zelf doen, je hebt nodig,
gemalen autobanden
gemalen oude kleding
en vijverfolie.

voor inspiratie de mooie post van @pgeene
pgeene in "Panasonic monoblock warmtepompen topic deel 1"

Acties:
  • 0 Henk 'm!

  • Possible
  • Registratie: Mei 2002
  • Laatst online: 10-10 19:36
@twain4me Thanks had hem gezien. Reden is ook dat hij bij mij op het dak komt.

Eigenlijk op een stuk van ons huis waar een meter uitbouw op zit

Dus:
Beton muur van huis -> Isolatie van bouw van huis -> Extra 80 mm PIR isolatie en nieuw dakleer -> Pana op rubberen bigfoots / veren en dus eventueel de extra isolatie in de binnenkant.

Gasloos sinds 2020 - 3240wp-Z Live 5100wp-W Live 8340wp-Merged Live Altantic Explorer 200 Live


Acties:
  • +1 Henk 'm!

  • twain4me
  • Registratie: December 2017
  • Laatst online: 03:15

twain4me

Moderator Wonen & Mobiliteit
Topicstarter
Possible schreef op zaterdag 27 maart 2021 @ 23:21:
@twain4me Thanks had hem gezien. Reden is ook dat hij bij mij op het dak komt.

Eigenlijk op een stuk van ons huis waar een meter uitbouw op zit

Dus:
Beton muur van huis -> Isolatie van bouw van huis -> Extra 80 mm PIR isolatie en nieuw dakleer -> Pana op rubberen bigfoots / veren en dus eventueel de extra isolatie in de binnenkant.
deze geluids isolatie heeft mijn inziens vooral te maken met het lucht geluid van de compressor het contact geluid zal het nagenoeg niets voor uitmaken.
veren en rubber bevriezen niet zelden op het moment dat het er toe gaat doen en heb je dus niet veel aan(hard werken van de wp bij - zoveel)

ik zou hem ook eerder op beton zetten dan op bigfoots.

Acties:
  • 0 Henk 'm!

  • pgeene
  • Registratie: December 2009
  • Laatst online: 08-09 11:04
Possible schreef op zaterdag 27 maart 2021 @ 23:21:
@twain4me Thanks had hem gezien. Reden is ook dat hij bij mij op het dak komt.

Eigenlijk op een stuk van ons huis waar een meter uitbouw op zit

Dus:
Beton muur van huis -> Isolatie van bouw van huis -> Extra 80 mm PIR isolatie en nieuw dakleer -> Pana op rubberen bigfoots / veren en dus eventueel de extra isolatie in de binnenkant.
Zoals @twain4me zegt, dit isolatie helpt o.a. tegen compressor geluid.
Dit is vrij hoog en wordt prima door een muur tegengehouden.
Dus klopt ook zijn statement om juist veel aandacht te besteden om het lage geluid door het dak tegen te gaan.

Als je hem toch op bigfoots zet, zet er dan dempers of veren tussen (tussen de bigfoots en de machine).
Daarmee voorkom je het effect van bevriezen van rubber, met de veren helemaal en met dempers gedeeltelijk.
Rubber dempers merk je er weinig van want die zijn veel zachter dan de bigfoots.
Dus ietsje harder door kou maakt niet zoveel uit.
Bij mij komt de trilling niet eens door de rubber dempers (hangt aan half steens muurtje van de bijkeuken)

PV: Zuid 3.5kWp | Z-W 1.6kWp | Horizontaal (dunne film buis) 2kWp | totaal 7.15kWp | 5kW Panasonic H icm Heishamon | infrarood vloerverwarming | Label A in huis uit 1939


Acties:
  • 0 Henk 'm!

  • Possible
  • Registratie: Mei 2002
  • Laatst online: 10-10 19:36
@twain4me ik vind het ook belangrijk dat ik geen gezeur krijg met de buren. Die heb ik wel eens gepeild en zijn nogal ehmm.... gevoelig voor geluid voor het slapen haha

Gasloos sinds 2020 - 3240wp-Z Live 5100wp-W Live 8340wp-Merged Live Altantic Explorer 200 Live


Acties:
  • +1 Henk 'm!

  • frisianstar
  • Registratie: Maart 2008
  • Laatst online: 24-04-2022
Possible schreef op zondag 28 maart 2021 @ 10:12:
@twain4me ik vind het ook belangrijk dat ik geen gezeur krijg met de buren. Die heb ik wel eens gepeild en zijn nogal ehmm.... gevoelig voor geluid voor het slapen haha
Bij mij staat de 7 KW mono achter huis, draait nu een paar weken op 'geluidsreductie' stand 2, de maximale capaciteit heb je dan niet tenzij de elektrische back-up heather van 3KW wordt ingesteld die de COP doet kelderen, maar de wp is echt fluisterzacht, wat zal het zijn op 2 meter 35 decibel?
Tijdens een defrost geeft dat het meeste aantal decibels maar die heb ik de afgelopen weken
ook nog niet gehoord.
(ik woon nog niet in het huis, ik ben druk bezig met afbouwen)

Overigens is de 7 kW 5 kilo zwaarder dan de 5 kW versie, grotere ventilator?

20x JA Solar 6.9KW; Fronius Symo 7.0; Panasonic J Mono 7KW; Atlantic Explorer V3


Acties:
  • 0 Henk 'm!

  • frisianstar
  • Registratie: Maart 2008
  • Laatst online: 24-04-2022
Possible schreef op zondag 28 maart 2021 @ 10:12:
@twain4me ik vind het ook belangrijk dat ik geen gezeur krijg met de buren. Die heb ik wel eens gepeild en zijn nogal ehmm.... gevoelig voor geluid voor het slapen haha
Je kan de Panasonic Mono WP extern in en uit schakelen, bij mij wordt via een externe (Emos) thermostaat de wp in of uit geschakeld e.e.a. afhankelijk van de instellingen op de remote.
Die remote kan dan ergens anders geplaatst worden.

Je zou ook via een schakelklok de wp rond-bed tijd even uit kunnen schakelen...

20x JA Solar 6.9KW; Fronius Symo 7.0; Panasonic J Mono 7KW; Atlantic Explorer V3


Acties:
  • 0 Henk 'm!

  • FransvWoerkom
  • Registratie: Maart 2018
  • Laatst online: 00:53
frisianstar schreef op maandag 29 maart 2021 @ 20:20:
[...]


...

Je zou ook via een schakelklok de wp rond-bed tijd even uit kunnen schakelen...
Of juist aanzetten om ongewenste geluiden te overstemmen ;)

Acties:
  • +1 Henk 'm!

  • sjimmie
  • Registratie: November 2002
  • Laatst online: 29-09 16:50
frisianstar schreef op maandag 29 maart 2021 @ 20:20:
[...]


Je kan de Panasonic Mono WP extern in en uit schakelen, bij mij wordt via een externe (Emos) thermostaat de wp in of uit geschakeld e.e.a. afhankelijk van de instellingen op de remote.
Die remote kan dan ergens anders geplaatst worden.

Je zou ook via een schakelklok de wp rond-bed tijd even uit kunnen schakelen...
Als het goed is loopt de voedingskabel vanaf de schakelautomaat in je meterkast rechtstreeks naar je WP. Ga daar vooral niet zo'n huis-tuin-en-keuken stopcontact-tijdschakelklok tussen frummelen...
Afbeeldingslocatie: https://tweakers.net/i/eiE_n1QsED1yLMJ81CtsOSbmF2I=/full-fit-in/4000x4000/filters:no_upscale():fill(white):strip_exif()/f/image/ECuG9H65ijCPEZBlkLDWmH9F.png?f=user_large

[ Voor 12% gewijzigd door sjimmie op 30-03-2021 09:57 ]

Panasonic 7kW J-Series Split + 190 liter SWW, 2750+2100Wp Oost-West


Acties:
  • 0 Henk 'm!

  • reneeke1970
  • Registratie: April 2015
  • Laatst online: 21:49
sjimmie schreef op dinsdag 30 maart 2021 @ 09:55:
[...]

Als het goed is loopt de voedingskabel vanaf de schakelautomaat in je meterkast rechtstreeks naar je WP. Ga daar vooral niet zo'n huis-tuin-en-keuken stopcontact-tijdschakelklok tussen frummelen...
[Afbeelding]
Is toch logisch als er nominaal 2 ampère op staat

1 PVoutput . Dongen NB


Acties:
  • 0 Henk 'm!

  • sjimmie
  • Registratie: November 2002
  • Laatst online: 29-09 16:50
reneeke1970 schreef op dinsdag 30 maart 2021 @ 12:17:
[...]

Is toch logisch als er nominaal 2 ampère op staat
Ja, maar dat maakt mijn waarschuwing niet minder belangrijk.

Panasonic 7kW J-Series Split + 190 liter SWW, 2750+2100Wp Oost-West


Acties:
  • 0 Henk 'm!

  • reneeke1970
  • Registratie: April 2015
  • Laatst online: 21:49
sjimmie schreef op dinsdag 30 maart 2021 @ 13:27:
[...]

Ja, maar dat maakt mijn waarschuwing niet minder belangrijk.
Maar misschien deugt je stopcontact wel niet?

1 PVoutput . Dongen NB


Acties:
  • 0 Henk 'm!

  • pgeene
  • Registratie: December 2009
  • Laatst online: 08-09 11:04
frisianstar schreef op maandag 29 maart 2021 @ 20:20:
[...]


Je kan de Panasonic Mono WP extern in en uit schakelen, bij mij wordt via een externe (Emos) thermostaat de wp in of uit geschakeld e.e.a. afhankelijk van de instellingen op de remote.
Die remote kan dan ergens anders geplaatst worden.

Je zou ook via een schakelklok de wp rond-bed tijd even uit kunnen schakelen...
Via een schakelklok schakelt de machine "hard" uit.
Compressor moet altijd even nalopen etc..
Dus via een schakelklok op de stroom uitzetten van de machine lijkt me niet bevorderlijk voor de levensduur van de Pana.

PV: Zuid 3.5kWp | Z-W 1.6kWp | Horizontaal (dunne film buis) 2kWp | totaal 7.15kWp | 5kW Panasonic H icm Heishamon | infrarood vloerverwarming | Label A in huis uit 1939


Acties:
  • 0 Henk 'm!

  • sjimmie
  • Registratie: November 2002
  • Laatst online: 29-09 16:50
reneeke1970 schreef op dinsdag 30 maart 2021 @ 13:59:
[...]

Maar misschien deugt je stopcontact wel niet?
daarom dus gewoon je WP niet met een stopcontact aansluiten.
dan kan je stopcontact niet niet deugen en kan je er ook niet per ongeluk een foute tijdschakelaar tussen frutsen.
mijn eerste zin was daarom ook: Als het goed is loopt de voedingskabel vanaf de schakelautomaat in je meterkast rechtstreeks naar je WP.

[ Voor 36% gewijzigd door sjimmie op 30-03-2021 16:30 ]

Panasonic 7kW J-Series Split + 190 liter SWW, 2750+2100Wp Oost-West


Acties:
  • 0 Henk 'm!

  • twain4me
  • Registratie: December 2017
  • Laatst online: 03:15

twain4me

Moderator Wonen & Mobiliteit
Topicstarter
sjimmie schreef op dinsdag 30 maart 2021 @ 16:28:
[...]
mijn eerste zin was daarom ook: Als het goed is loopt de voedingskabel vanaf de schakelautomaat in je meterkast rechtstreeks naar je WP.
bij mijn weten zegt nen (afhankelijk van het rechtens verkregen nivo) boven 3kW een eigen groep, dus zelfs het element mag gewoon in een groep met andere meuk zitten, en hoeft dus niet per definitie vanaf de meterkast direct gevoed te zijn.
Of dit verstandig is, en ik het zo zou doen, laat ik even in het midden.

Acties:
  • +2 Henk 'm!

  • frisianstar
  • Registratie: Maart 2008
  • Laatst online: 24-04-2022
pgeene schreef op dinsdag 30 maart 2021 @ 16:26:
[...]


Via een schakelklok schakelt de machine "hard" uit.
Compressor moet altijd even nalopen etc..
Dus via een schakelklok op de stroom uitzetten van de machine lijkt me niet bevorderlijk voor de levensduur van de Pana.
Ik bedoel extern aan en uit schakelen via de CN4 'external control' connector op het hoofd printplaat.
Panasonic geeft niet aan dat het gevaarlijk zou zijn voor de wp.

CN4 is laag voltage, andere aansluitingen zijn juist weer 230 volt dus goed uitkijken! en zorg voor de juiste kabel; dus geen utp op een 230 volt connector.

20x JA Solar 6.9KW; Fronius Symo 7.0; Panasonic J Mono 7KW; Atlantic Explorer V3


Acties:
  • 0 Henk 'm!

  • pgeene
  • Registratie: December 2009
  • Laatst online: 08-09 11:04
frisianstar schreef op dinsdag 30 maart 2021 @ 17:42:
[...]


Ik bedoel extern aan en uit schakelen via de CN4 'external control' connector op het hoofd printplaat.
Panasonic geeft niet aan dat het gevaarlijk zou zijn voor de wp.

CN4 is laag voltage, andere aansluitingen zijn juist weer 230 volt dus goed uitkijken! en zorg voor de juiste kabel; dus geen utp op een 230 volt connector.
Dat kan natuurlijk wel, maar dat is niet een standaard tijdschakelaar.
Dan heb je een tijdgeschakeld relais nodig.
Dan zou het kunnen werken.
Maar waarom dan niet gewoon het tijdschema uit het menu gebruiken?

PV: Zuid 3.5kWp | Z-W 1.6kWp | Horizontaal (dunne film buis) 2kWp | totaal 7.15kWp | 5kW Panasonic H icm Heishamon | infrarood vloerverwarming | Label A in huis uit 1939


Acties:
  • 0 Henk 'm!

  • thehog
  • Registratie: Oktober 2000
  • Laatst online: 06-10 13:21
twain4me schreef op dinsdag 30 maart 2021 @ 17:31:
[...]


bij mijn weten zegt nen (afhankelijk van het rechtens verkregen nivo) boven 3kW een eigen groep, dus zelfs het element mag gewoon in een groep met andere meuk zitten, en hoeft dus niet per definitie vanaf de meterkast direct gevoed te zijn.
Of dit verstandig is, en ik het zo zou doen, laat ik even in het midden.
Ik weet niet beter dan dat die grens op 2000w zit. Maar misschien is dat in een latere versie verhoogd?

Edit: even verder gezocht. 3000 was vroeger en nog langer geleden dan dat ik mij blijkbaar herinneren. Huidige grens is 2000

[ Voor 10% gewijzigd door thehog op 30-03-2021 18:53 ]


Acties:
  • 0 Henk 'm!

  • twain4me
  • Registratie: December 2017
  • Laatst online: 03:15

twain4me

Moderator Wonen & Mobiliteit
Topicstarter
thehog schreef op dinsdag 30 maart 2021 @ 18:49:
[...]


Ik weet niet beter dan dat die grens op 2000w zit. Maar misschien is dat in een latere versie verhoogd?
daarom rechtens verkregen nivo afhankelijk, elke huis heeft zijn eigen NEN 1010 om aan te voldoen. niet per definitie de laatste of die van het bouwjaar van de woning (dat is wel de ondergrens). En in nederland zijn er dus meer woningen die niet aan de nen1010 2017 hoeven te voldoen dan wel.

Acties:
  • 0 Henk 'm!

  • frisianstar
  • Registratie: Maart 2008
  • Laatst online: 24-04-2022
pgeene schreef op dinsdag 30 maart 2021 @ 18:04:
[...]


Dat kan natuurlijk wel, maar dat is niet een standaard tijdschakelaar.
Dan heb je een tijdgeschakeld relais nodig.
Dan zou het kunnen werken.
Maar waarom dan niet gewoon het tijdschema uit het menu gebruiken?
Mijn wp draait nu sinds begin dit jaar, al vrij snel heb ik de week klok in het menu ingesteld maar dat heeft nog nooit goed gewerkt; de wp bleef maar doordraaien ondanks dat de ingestelde temperatuur in het week-klok menu ruim was overschreden.
Op een dag had ik er genoeg van en heb ik een externe thermostaat besteld die -aangesloten op CN4- de wp uitschakelt als de binnentemperatuur is bereikt, maar inschakelen bij te lage temperatuur via de exterrne sturing (CN4) gebeurt nog zelden, de wp moet nog steeds het signaal krijgen dat er warmtevraag is.

20x JA Solar 6.9KW; Fronius Symo 7.0; Panasonic J Mono 7KW; Atlantic Explorer V3


Acties:
  • +2 Henk 'm!

  • t.oswald
  • Registratie: April 2003
  • Laatst online: 09-10 14:22
pgeene schreef op dinsdag 30 maart 2021 @ 18:04:
[...]


Dat kan natuurlijk wel, maar dat is niet een standaard tijdschakelaar.
Dan heb je een tijdgeschakeld relais nodig.
Dan zou het kunnen werken.
Maar waarom dan niet gewoon het tijdschema uit het menu gebruiken?
Omdat een tijdschema niet flexibel genoeg is. Ik schakel nu bijvoorbeeld via een lichtmeter het WiFi relais op CN4 uit als er zonlicht de kamer inkomt boven 10000 lux. Alles via Smart life. Als ik toch vind dat de Wp weer aan moet slaan, druk op de knop van mijn iPhone, ook op afstand
Mijn oude Tado thermostaat doet via IFTTT ook mee. Het WiFi relais werkt naast Smart life ook met IFTTT. En als het relais schakelt, gaat het weer verder met de stooklijn zoals ingesteld, overigens ook automatisch via de Tado shiften tussen -2 en 2

Heb nu overigens ook een thermostaat gevonden die in het systeem past en even precies werkt als de dure Tado
Afbeeldingslocatie: https://tweakers.net/i/-X5qIcb_PbCjZKjqBqby9K5bbrM=/x800/filters:strip_icc():strip_exif()/f/image/fKgWOoMUsu73wIO6CvBkB3jV.jpg?f=fotoalbum_large
Afbeeldingslocatie: https://tweakers.net/i/6xrEaUSkbFS9JyVPqYa9Qd7j4B0=/x800/filters:strip_icc():strip_exif()/f/image/XLQqleBUhr0xuhXVxrQxjILL.jpg?f=fotoalbum_large
Afbeeldingslocatie: https://tweakers.net/i/bkCi79wKT3hcvXI9AAyfIIrU-VQ=/x800/filters:strip_icc():strip_exif()/f/image/TMC49W5XjnzxI2xSNSeUivSn.jpg?f=fotoalbum_large

[ Voor 58% gewijzigd door t.oswald op 30-03-2021 20:01 ]

WH-MDC05H3E5, 5600 Wp zonnepanelen, 2 infrarood bad- en werkkamer, SWW Auer Edel water 100L, Daikin 2MXM50M9 airco met FTXM35N en FTXM20N


Acties:
  • 0 Henk 'm!

  • thehog
  • Registratie: Oktober 2000
  • Laatst online: 06-10 13:21
twain4me schreef op dinsdag 30 maart 2021 @ 19:00:
[...]


daarom rechtens verkregen nivo afhankelijk, elke huis heeft zijn eigen NEN 1010 om aan te voldoen. niet per definitie de laatste of die van het bouwjaar van de woning (dat is wel de ondergrens). En in nederland zijn er dus meer woningen die niet aan de nen1010 2017 hoeven te voldoen dan wel.
Wat ik hiervan weet is dat elke aanpassing aan de meterkast gelijk moet voldoen aan de nieuwe nen1010 norm. Hoe zit dat dan?
Los daarvan is het een norm en geen wet. Echter vereisen meeste brandverzekeraars dat dan weer wel.

Acties:
  • 0 Henk 'm!

  • twain4me
  • Registratie: December 2017
  • Laatst online: 03:15

twain4me

Moderator Wonen & Mobiliteit
Topicstarter
thehog schreef op dinsdag 30 maart 2021 @ 20:12:
[...]


Wat ik hiervan weet is dat elke aanpassing aan de meterkast gelijk moet voldoen aan de nieuwe nen1010 norm. Hoe zit dat dan?
Los daarvan is het een norm en geen wet. Echter vereisen meeste brandverzekeraars dat dan weer wel.
Ik doe dit uit mijn hoofd, ik heb helaas geen toegang meer tot de norm, maar als ik mij niet vergis staat er dat grote wijzigingen verlangt wordt dat die worden gedaan volgens de geldende norm (er was/is echter nogal wat discusie wat een grote wijziging is (naast bouwvergunnings plichtige aanpassingen van een huis.)
En om het nog onduidelijker te maken, het bouwbesluit is wel een wet en die verwijst dan weer wel naar de veiligheids aspecten in de nen :+ En dan is de nen idd alsnog optioneel, je bent bij afwijken dan wel weer verplicht om een gelijkwaardig veiligheids nivo aan te tonen.

Hier staat een leuke casus in voor zonnepanelen/laadpaal in een oude woning. (4-2)

klik pdf


nu weer over warmtepompen :+

Acties:
  • 0 Henk 'm!

  • vandermark
  • Registratie: Augustus 2005
  • Laatst online: 09-10 20:07
Balen, de heishamon is ineens niet meer verbonden met de wifi. Rare is dat vanochtend om 8.30 de Domoticz timer via de Heishamon de Pana nog wel aan heeft gezet zoals het hoort. De Pana draait nu dus ook maar de besturing is uit de lucht. In de router zie ik ook dat de Heishamon niet langer verbonden is.

Wat is nu handigste? Even de heishamon resetten door de stroom eraf te halen?

Ik heb dit nog niet eerder gehad. De wifi buiten is prima, er zit een UBiquiti outdoor point op 3 meter van de Pana vandaan.

Edit. En spontaan weer verbonden, raar hoor.

Edit 2, en weer verbinding kwijt :(

[ Voor 7% gewijzigd door vandermark op 03-04-2021 09:25 ]

STRAVA | Panasonic 5kW J Monoblock


Acties:
  • +1 Henk 'm!

  • thehog
  • Registratie: Oktober 2000
  • Laatst online: 06-10 13:21
vandermark schreef op zaterdag 3 april 2021 @ 09:08:
Balen, de heishamon is ineens niet meer verbonden met de wifi. Rare is dat vanochtend om 8.30 de Domoticz timer via de Heishamon de Pana nog wel aan heeft gezet zoals het hoort. De Pana draait nu dus ook maar de besturing is uit de lucht. In de router zie ik ook dat de Heishamon niet langer verbonden is.

Wat is nu handigste? Even de heishamon resetten door de stroom eraf te halen?

Ik heb dit nog niet eerder gehad. De wifi buiten is prima, er zit een UBiquiti outdoor point op 3 meter van de Pana vandaan.

Edit. En spontaan weer verbonden, raar hoor.
Wat is de uptime van heishamon?

Er zit wat simpele intelligentie in bij wifi of internet verlies. Hij zal dan rebooten en als er dan nog geen wifi is, voor 2 minuten weer een hotspot laten zien. Als die niet gebruikt wordt ga ie weer rebooten totdat er wel de oorsponkelijke wifi was. Dus hersteld zichzelf wel.
Vraag is nu wel alleen waarom heishamon de reboot nodig achte initieel. Misschien toch even wifi problemen of geen DHCP lease.

edit: en na je edit2: zie jij nu dan een hotspot?

Acties:
  • +1 Henk 'm!

  • vandermark
  • Registratie: Augustus 2005
  • Laatst online: 09-10 20:07
thehog schreef op zaterdag 3 april 2021 @ 09:26:
[...]


Wat is de uptime van heishamon?

Er zit wat simpele intelligentie in bij wifi of internet verlies. Hij zal dan rebooten en als er dan nog geen wifi is, voor 2 minuten weer een hotspot laten zien. Als die niet gebruikt wordt ga ie weer rebooten totdat er wel de oorsponkelijke wifi was. Dus hersteld zichzelf wel.
Vraag is nu wel alleen waarom heishamon de reboot nodig achte initieel. Misschien toch even wifi problemen of geen DHCP lease.

edit: en na je edit2: zie jij nu dan een hotspot?
Het wifi signaal was vrij slecht in de Heishamon status pagina (18%). Ik heb de antennes van de wifi accespoint beter gericht en nu is de wifi status 46%. Ik hoop dat dat gaat helpen.

De Heishamon is wel zelf weer verbonden met de wifi, hoefde niets te doen.

[ Voor 4% gewijzigd door vandermark op 03-04-2021 09:43 ]

STRAVA | Panasonic 5kW J Monoblock


Acties:
  • 0 Henk 'm!

  • FransvWoerkom
  • Registratie: Maart 2018
  • Laatst online: 00:53
vandermark schreef op zaterdag 3 april 2021 @ 09:42:
[...]


Het wifi signaal was vrij slecht in de Heishamon status pagina (18%). Ik heb de antennes van de wifi accespoint beter gericht en nu is de wifi status 46%. Ik hoop dat dat gaat helpen.

De Heishamon is wel zelf weer verbonden met de wifi, hoefde niets te doen.
Richten van je antennes is natuurlijk altijd goed, maar je moet ook bedenken dat een wifi verbinding voortdurend in concurrentie is met wifi van buren, passanten en mobieltjes. Kennelijk werkt de herstelfunctie van de Heishamon zelf goed.

Acties:
  • 0 Henk 'm!

  • vandermark
  • Registratie: Augustus 2005
  • Laatst online: 09-10 20:07
FransvWoerkom schreef op zaterdag 3 april 2021 @ 13:58:
[...]


Richten van je antennes is natuurlijk altijd goed, maar je moet ook bedenken dat een wifi verbinding voortdurend in concurrentie is met wifi van buren, passanten en mobieltjes. Kennelijk werkt de herstelfunctie van de Heishamon zelf goed.
Ja klopt. Ik heb in de Unifi controller de 2.4gHz band van de outdoor accespoint op maximaal gezet. Dat helpt flink, wifi ligt nu rond de 60% in Heishamon.

STRAVA | Panasonic 5kW J Monoblock


Acties:
  • 0 Henk 'm!

  • Possible
  • Registratie: Mei 2002
  • Laatst online: 10-10 19:36
Wie gebruikt hier de thermostaat functie van het bedieningspaneel van Panasonic zelf? Ik hoorde dat deze niet heel erg nauwkeurig is.

Gasloos sinds 2020 - 3240wp-Z Live 5100wp-W Live 8340wp-Merged Live Altantic Explorer 200 Live


Acties:
  • 0 Henk 'm!

  • CurlyMo
  • Registratie: Februari 2011
  • Laatst online: 23:46
Possible schreef op maandag 5 april 2021 @ 12:17:
Wie gebruikt hier de thermostaat functie van het bedieningspaneel van Panasonic zelf? Ik hoorde dat deze niet heel erg nauwkeurig is.
Nauwkeurig maakt niet uit. Je kan hem namelijk ijken. Enige probleem is de resolutie van 1 graad.

Sinds de 2 dagen regel reageer ik hier niet meer


Acties:
  • 0 Henk 'm!

  • Possible
  • Registratie: Mei 2002
  • Laatst online: 10-10 19:36
CurlyMo schreef op maandag 5 april 2021 @ 12:19:
[...]

Nauwkeurig maakt niet uit. Je kan hem namelijk ijken. Enige probleem is de resolutie van 1 graad.
Ai dat is jammer. Heb nu een ongebruikte tado die je met 0,1 graden kan instellen.

Gasloos sinds 2020 - 3240wp-Z Live 5100wp-W Live 8340wp-Merged Live Altantic Explorer 200 Live


Acties:
  • 0 Henk 'm!

  • t.oswald
  • Registratie: April 2003
  • Laatst online: 09-10 14:22
Possible schreef op maandag 5 april 2021 @ 12:21:
[...]


Ai dat is jammer. Heb nu een ongebruikte tado die je met 0,1 graden kan instellen.
En die Tado kan je helaas niet als thermostaat inzetten omdat die dan heel erg dom “slim” gaat doen.

WH-MDC05H3E5, 5600 Wp zonnepanelen, 2 infrarood bad- en werkkamer, SWW Auer Edel water 100L, Daikin 2MXM50M9 airco met FTXM35N en FTXM20N


Acties:
  • 0 Henk 'm!

  • Ep Woody
  • Registratie: September 2003
  • Laatst online: 26-09 15:28
Possible schreef op maandag 5 april 2021 @ 12:21:
[...]


Ai dat is jammer. Heb nu een ongebruikte tado die je met 0,1 graden kan instellen.
Of je moet via een omweg (IFTTT) de Tado uitlezen om vervolgens de warmtepomp daarmee in/uit te schakelen.

Acties:
  • 0 Henk 'm!

  • Possible
  • Registratie: Mei 2002
  • Laatst online: 10-10 19:36
Ep Woody schreef op maandag 5 april 2021 @ 12:43:
[...]


Of je moet via een omweg (IFTTT) de Tado uitlezen om vervolgens de warmtepomp daarmee in/uit te schakelen.
Dit heb jij ook gedaan?

Gasloos sinds 2020 - 3240wp-Z Live 5100wp-W Live 8340wp-Merged Live Altantic Explorer 200 Live


Acties:
  • 0 Henk 'm!

  • Ep Woody
  • Registratie: September 2003
  • Laatst online: 26-09 15:28
Ik niet, maar @t.oswald wel: t.oswald in "Panasonic Warmtepomp 101: Installatie en Optimalisatie"

Ik gebruik OpenHAB2 met een BME260 thermometer in de woonkamer achter een ESP8266 (samen met CO2).

Buitentemperatuur vraag ik op via Openweathermap.

Acties:
  • +1 Henk 'm!

  • t.oswald
  • Registratie: April 2003
  • Laatst online: 09-10 14:22
Heb je al eens eerder gevraagd.... t.oswald in "Panasonic Warmtepomp 101: Installatie en Optimalisatie"
Die W1209 meet net zo goed als de Tado. Kunt ze ook kopen met een kastje. Niet gelikt maar wel goed en goedkoop.
Of die temp meter uit het derde plaatje. Werkt ook heel nauwkeurig i.s.m het WiFi relais t.oswald in "Panasonic Warmtepomp 101: Installatie en Optimalisatie"
Afbeeldingslocatie: https://tweakers.net/i/SwK8b4gBYu3x4t4xcH4jGuF6t_I=/x800/filters:strip_exif()/f/image/qetLOtDqvuIjMZt73o8l8a9a.png?f=fotoalbum_large

[ Voor 11% gewijzigd door t.oswald op 05-04-2021 13:55 ]

WH-MDC05H3E5, 5600 Wp zonnepanelen, 2 infrarood bad- en werkkamer, SWW Auer Edel water 100L, Daikin 2MXM50M9 airco met FTXM35N en FTXM20N


Acties:
  • 0 Henk 'm!

  • t.oswald
  • Registratie: April 2003
  • Laatst online: 09-10 14:22
Vannacht heeft KPN werkzaamheden aan het netwerk verricht. Dan verlies ik de draadloze verbinding met de CZ-TAW1. Ben altijd verschrikkelijk aan het hannesen om die weer te herstellen. Met de summiere uitleg in de handleiding lukt dat niet via de knopjes op het bedieningspaneeltje. Ik herinnerde me plots dat de vorige keer het uiteindelijk wel lukte door het kabeltje even los te maken. En jawel, daarna start de CZ-TAW1 ook dit keer weer prima op. Als je niet bij het kastje kunt, zal stroomloos maken ook kunnen denk ik. Wellicht een tip voor anderen?

WH-MDC05H3E5, 5600 Wp zonnepanelen, 2 infrarood bad- en werkkamer, SWW Auer Edel water 100L, Daikin 2MXM50M9 airco met FTXM35N en FTXM20N


Acties:
  • 0 Henk 'm!

  • ErikVers
  • Registratie: April 2020
  • Laatst online: 21:02

ErikVers

e-Duurzaam

Ep Woody schreef op woensdag 3 maart 2021 @ 10:00:
Maar om je een beeld te geven, dit is mijn opbouw:

[Afbeelding]

Dit is in hoofdlijnen, er mist nog een warmtemeter, en wat kogelkraantjes links/rechts, maar in de basis is dit mijn verwarmings/warmwater systeem. Ook heb ik niet gekeken naar de stromingrichting (in/uitgang van de radiatoren/boiler).
Met de drieweg naar sww wel in de Ta (voor de warmteafgifte)? Of heb je nog genoeg restwarmte om sww dan in die positie door te verwarmen naar 50+?

WP Pana 5H - Solar 6m2 icm 300liter - PV 8970Wp: 27stuks Solar - Home Assistant - VW ID3 First 20” |


Acties:
  • 0 Henk 'm!

  • Ep Woody
  • Registratie: September 2003
  • Laatst online: 26-09 15:28
ErikVers schreef op zondag 11 april 2021 @ 12:31:
[...]


Met de drieweg naar sww wel in de Ta (voor de warmteafgifte)? Of heb je nog genoeg restwarmte om sww dan in die positie door te verwarmen naar 50+?
Nee, de driewegklep zit in de retour. Dat maakt niet sluit qua flow. Het t stuk in de aanvoer zit trouwens voor de radiatoren in plaats van erna. Maar dat maakt in mijn geval nauwelijks uit, dat verschil is 2 meter.

De locatie van de driewegklep maakt niet uit. Hij stopt de circulatie in een deel van het systeem.

Acties:
  • 0 Henk 'm!

  • ErikVers
  • Registratie: April 2020
  • Laatst online: 21:02

ErikVers

e-Duurzaam

Ep Woody schreef op zondag 11 april 2021 @ 13:21:
[...]


Nee, de driewegklep zit in de retour. Dat maakt niet sluit qua flow. Het t stuk in de aanvoer zit trouwens voor de radiatoren in plaats van erna. Maar dat maakt in mijn geval nauwelijks uit, dat verschil is 2 meter.

De locatie van de driewegklep maakt niet uit. Hij stopt de circulatie in een deel van het systeem.
In mijn geval (vloerverwarming LT) moet de drie weg natuurlijk wel ervoor net als in pana schema’s staat maar als je alles op HT zet zou het kunnen als je afgifte systeem (fancoil ed) af te sluiten is, anders is natuurlijk al afgekoeld voordat bij je sww is aangekomen 🙈

WP Pana 5H - Solar 6m2 icm 300liter - PV 8970Wp: 27stuks Solar - Home Assistant - VW ID3 First 20” |


Acties:
  • 0 Henk 'm!

  • twain4me
  • Registratie: December 2017
  • Laatst online: 03:15

twain4me

Moderator Wonen & Mobiliteit
Topicstarter
Ep Woody schreef op zondag 11 april 2021 @ 13:21:
[...]


Nee, de driewegklep zit in de retour. Dat maakt niet sluit qua flow. Het t stuk in de aanvoer zit trouwens voor de radiatoren in plaats van erna. Maar dat maakt in mijn geval nauwelijks uit, dat verschil is 2 meter.

De locatie van de driewegklep maakt niet uit. Hij stopt de circulatie in een deel van het systeem.
hoe zijn de ervaringen inmiddels met die klep? jij had er toch een chinees model inzitten?

Acties:
  • +1 Henk 'm!

  • Ep Woody
  • Registratie: September 2003
  • Laatst online: 26-09 15:28
twain4me schreef op zondag 11 april 2021 @ 13:36:
[...]


hoe zijn de ervaringen inmiddels met die klep? jij had er toch een chinees model inzitten?
Geen idee. Zegt genoeg lijkt me :9B

Acties:
  • 0 Henk 'm!

  • Ep Woody
  • Registratie: September 2003
  • Laatst online: 26-09 15:28
ErikVers schreef op zondag 11 april 2021 @ 13:34:
[...]


In mijn geval (vloerverwarming LT) moet de drie weg natuurlijk wel ervoor net als in pana schema’s staat maar als je alles op HT zet zou het kunnen als je afgifte systeem (fancoil ed) af te sluiten is, anders is natuurlijk al afgekoeld voordat bij je sww is aangekomen 🙈
Ervoor is een fractie beter, maar het verschil is volgens mij verwaarloosbaar. Er zit iets meer heet water in je aanvoer leidingen, maar er gaat in beide gevallen geen heet water over je vloeren omdat de kraan in de retourleiding dicht zit en zodra de klep weer aangaat koelt het water heel snel weer af.

Acties:
  • 0 Henk 'm!

  • clandmeter
  • Registratie: April 2007
  • Laatst online: 02-10 04:18
Ik heb sinds een paar dagen een MDC05J3E5 draaien op het "dry concrete" programma.
Nu ben ik hier klaar mee en wil ik graag de cool modus activeren zoals beschreven in de manual op pagina 153, maar ik kom in geen mogelijkheid in het "Custom Menu".
Pomp staat uit en daarna de drie knoppen voor 10s ingedrukt houden maar er gebeurd niets.
Mis ik iets waardoor dit bij mij niet werkt? Ik kan bijv wel in het maintenance menu komen. Heb ook al een keer de stroom er af gehad, maar ook geen resultaat.

Acties:
  • 0 Henk 'm!

  • Ep Woody
  • Registratie: September 2003
  • Laatst online: 26-09 15:28
clandmeter schreef op zondag 11 april 2021 @ 13:54:
Ik heb sinds een paar dagen een MDC05J3E5 draaien op het "dry concrete" programma.
Nu ben ik hier klaar mee en wil ik graag de cool modus activeren zoals beschreven in de manual op pagina 153, maar ik kom in geen mogelijkheid in het "Custom Menu".
Pomp staat uit en daarna de drie knoppen voor 10s ingedrukt houden maar er gebeurd niets.
Mis ik iets waardoor dit bij mij niet werkt? Ik kan bijv wel in het maintenance menu komen. Heb ook al een keer de stroom er af gehad, maar ook geen resultaat.
Even uit mijn hoofd, maar volgens mij moet je de unit uitzetten (op de controller) en dan ruim 10 seconden (of zelfs 20) de 3 knoppen vasthouden.

Acties:
  • 0 Henk 'm!

  • clandmeter
  • Registratie: April 2007
  • Laatst online: 02-10 04:18
Ep Woody schreef op zondag 11 april 2021 @ 14:59:
[...]


Even uit mijn hoofd, maar volgens mij moet je de unit uitzetten (op de controller) en dan ruim 10 seconden (of zelfs 20) de 3 knoppen vasthouden.
Ik krijg kramp van het vasthouden :).
In de ene tekst staat 5s en de andere 10s.
Denk dat ik tot 30s gegaan ben dus daar kan het niet aan liggen.

Acties:
  • 0 Henk 'm!

  • Ep Woody
  • Registratie: September 2003
  • Laatst online: 26-09 15:28
clandmeter schreef op zondag 11 april 2021 @ 15:52:
[...]


Ik krijg kramp van het vasthouden :).
In de ene tekst staat 5s en de andere 10s.
Denk dat ik tot 30s gegaan ben dus daar kan het niet aan liggen.
Als ik de 3 knoppen (rechtsboven, links midden en midden onder) vast hou voor ruim 10 seconden, terwijl de unit aan staat en ik laat de knoppen los, dan zegt hij voor Installateursinstellingen zet de unit uit. Groene lampje op de controller moet dan dus uit staan.

Op bladzijde 153 staat inderdaad 5 sec, op bladzijde 140 staan 10 seconden. Ga maar uit van het laatste. Ruim 10 seconden en dan loslaten.

Acties:
  • 0 Henk 'm!

  • clandmeter
  • Registratie: April 2007
  • Laatst online: 02-10 04:18
Ep Woody schreef op zondag 11 april 2021 @ 15:58:
[...]


Als ik de 3 knoppen (rechtsboven, links midden en midden onder) vast hou voor ruim 10 seconden, terwijl de unit aan staat en ik laat de knoppen los, dan zegt hij voor Installateursinstellingen zet de unit uit. Groene lampje op de controller moet dan dus uit staan.

Op bladzijde 153 staat inderdaad 5 sec, op bladzijde 140 staan 10 seconden. Ga maar uit van het laatste. Ruim 10 seconden en dan loslaten.
Ik ga het morgen vroeg nog een keer proberen voordat de PVC vloer er in gaat.
Als het niet lukt maak ik wel een video.

Thx!

Acties:
  • 0 Henk 'm!

  • lampy25
  • Registratie: Maart 2016
  • Laatst online: 22:53
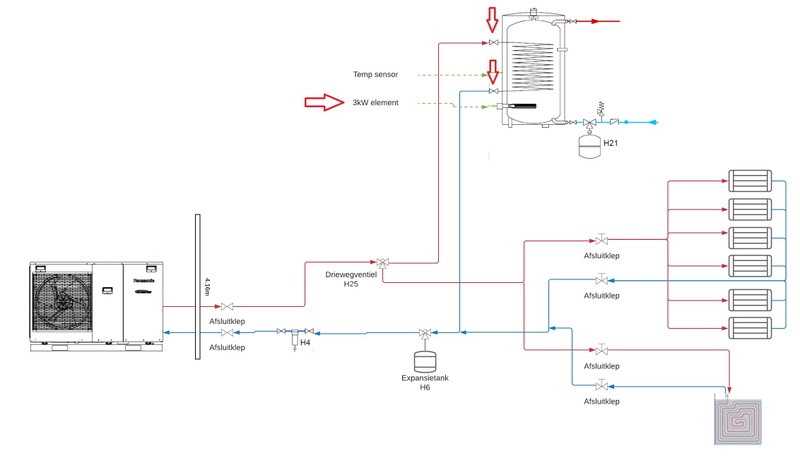
Druk in de voorbereidingen voor de installatie van de waterpomp en aangezien een goede voorbereiding het halve werk is wou ik jullie vragen om eens mee te denken.

Hieronder het schema:
Afbeeldingslocatie: https://tweakers.net/i/KNRAVM6IzUvQmeo6YEr2FwT85AA=/800x/filters:strip_exif()/f/image/61du9nk7ottFXVudZ2FeKZAJ.png?f=fotoalbum_large

Installatie bestaat straks uit:
  • Warmtepomp Panasonic monobloc. Opgehangen aan een buitenmuur, boven de schuur (met houten dakconstructie, vandaar aan de muur)
  • beneden ca 35m2 vloerverwarming verdeeld over 5 groepen (ong even lang). Verdeler is nu composiet LTV met pomp van Therminon, die ik wil ombouwen naar een gesloten verdeler Verder geen naregeling op hier, de vloer dient dan ook als buffer.
  • Boven: radiatoren en L/L warmtepomp. Even aanzien of de huidige radiatoren voldoende vermogen hebben, anders eventueel vervangen voor grotere. Enige ruimte die ik momenteel boven verwarm is m'n kantoor d.m.v. de L/L warmtepomp. Badkamer heeft een oversized vertikale radiator en elektrische vloerverwarming.
  • SWW boiler in de schuur, dmv driewegklep wordt deze opgewarmd. 3kW verwarmingselement voor legionella runs en evt back-up.
  • dakdoorvoer in plat dak schuur. WP aangesloten dmv geisoleerde RVS flexibele slangen.
  • waterfilter in de retour
  • externe expansietank in de schuur, in de pana zelf afgekoppeld.
  • Hoofdleidingen van de warmtepomp t/m vloerverwarmingverdeler 32mm kunststof slang. Rest van het huis heeft dikke gelaste stalen leidingen met relatief grote diameter.
Nu heb ik de volgende vragen:
  • Expansietank in de aanvoer van de SWW boiler. Is dit verstandig of niet? Expansietank zou de waterslag in de boiler verlagen en waterverspilling bij opwarmen boiler verminderen. Maar is wel weer meer onderdelen.
  • Thermostaat: Nu heb ik beneden een Plugwise Anna hangen, die kan eventueel voor de aan/uit thermostaat gaan spelen. Bedoeling is WAR+thermostaat te gaan draaien. De Anna kan ik evt. vervangen voor een ander. Nu had ik begrepen dat het panasonic bedieningspaneel een grote hysteresis heeft, dus wellicht beter deze niet gebruiken. Daarmee komt vanzelf het volgende punt:
  • Panasonic bedieningspaneel, wanneer hij niet in de woonkamer komt te hangen heb ik 2 opties. In huis in de gang (bij de vloerverwarmingverdeler in de buurt) of in de schuur. Laatste is het meest logisch qua installatie, maar qua bediening niet het meest praktisch bij vele aanpassingen. Gebruiken jullie het paneel vaak?
Andere goede tips/opmerkingen ook altijd welkom!

[ Voor 4% gewijzigd door lampy25 op 12-04-2021 20:56 . Reden: Schema geupdate ]


Acties:
  • 0 Henk 'm!

  • t.oswald
  • Registratie: April 2003
  • Laatst online: 09-10 14:22
lampy25 schreef op zondag 11 april 2021 @ 17:03:
Druk in de voorbereidingen voor de installatie van de waterpomp en aangezien een goede voorbereiding het halve werk is wou ik jullie vragen om eens mee te denken.

Hieronder het schema:
[Afbeelding]

Installatie bestaat straks uit:
  • Warmtepomp Panasonic monobloc. Opgehangen aan een buitenmuur, boven de schuur (met houten dakconstructie, vandaar aan de muur)
  • beneden ca 35m2 vloerverwarming verdeeld over 5 groepen (ong even lang). Verdeler is nu composiet LTV met pomp van Therminon, die ik wil ombouwen naar een gesloten verdeler Verder geen naregeling op hier, de vloer dient dan ook als buffer.
  • Boven: radiatoren en L/L warmtepomp. Even aanzien of de huidige radiatoren voldoende vermogen hebben, anders eventueel vervangen voor grotere. Enige ruimte die ik momenteel boven verwarm is m'n kantoor d.m.v. de L/L warmtepomp. Badkamer heeft een oversized vertikale radiator en elektrische vloerverwarming.
  • SWW boiler in de schuur, dmv driewegklep wordt deze opgewarmd. 3kW verwarmingselement voor legionella runs en evt back-up.
  • dakdoorvoer in plat dak schuur. WP aangesloten dmv geisoleerde RVS flexibele slangen.
  • waterfilter in de retour
  • externe expansietank in de schuur, in de pana zelf afgekoppeld.
  • Hoofdleidingen van de warmtepomp t/m vloerverwarmingverdeler 32mm kunststof slang. Rest van het huis heeft dikke gelaste stalen leidingen met relatief grote diameter.
Nu heb ik de volgende vragen:
  • Expansietank in de aanvoer van de SWW boiler. Is dit verstandig of niet? Expansietank zou de waterslag in de boiler verlagen en waterverspilling bij opwarmen boiler verminderen. Maar is wel weer meer onderdelen.
  • Thermostaat: Nu heb ik beneden een Plugwise Anna hangen, die kan eventueel voor de aan/uit thermostaat gaan spelen. Bedoeling is WAR+thermostaat te gaan draaien. De Anna kan ik evt. vervangen voor een ander. Nu had ik begrepen dat het panasonic bedieningspaneel een grote hysteresis heeft, dus wellicht beter deze niet gebruiken. Daarmee komt vanzelf het volgende punt:
  • Panasonic bedieningspaneel, wanneer hij niet in de woonkamer komt te hangen heb ik 2 opties. In huis in de gang (bij de vloerverwarmingverdeler in de buurt) of in de schuur. Laatste is het meest logisch qua installatie, maar qua bediening niet het meest praktisch bij vele aanpassingen. Gebruiken jullie het paneel vaak?
Andere goede tips/opmerkingen ook altijd welkom!
In het begin zal je regelmatig bezig zijn met je instellingen. Ook later wil je regelmatig shiften met de WAR of instellingen wijzigen. Je kunt niet alles altijd automatisch regelen vind ik, wellicht in tegenstelling tot de echte diehards. Je krijgt het vaak eerder warm of kil dan de stooklijn of thermostaat.... Ook zon in de kamer laat zich lastig pakken, al gaat het nu met een lichtmeter erbij via het WiFi relais op CN4 heel aardig, maar met SWW erbij valt CN4 af meen ik. De stooklijn in de winter kan ook in voor of najaar niet voldoen. Nu doe ik dat met de CZ-TAW1, anderen doen het met de Heishomon, en gebruik ik de controller niet zo vaak meer. Toch kijk ik er nog regelmatig op, hangt naast de wasbak in de keuken, bijvoorbeeld voor de Tb en je hebt niet altijd je computer of tablet aan. Wel met de CZ-TAW1 zelf de Service Cloud beheren, niet weggeven aan de installateur! De Smart Cloud is erg beperkt in de mogelijkheden.

WH-MDC05H3E5, 5600 Wp zonnepanelen, 2 infrarood bad- en werkkamer, SWW Auer Edel water 100L, Daikin 2MXM50M9 airco met FTXM35N en FTXM20N


Acties:
  • 0 Henk 'm!

  • twain4me
  • Registratie: December 2017
  • Laatst online: 03:15

twain4me

Moderator Wonen & Mobiliteit
Topicstarter
lampy25 schreef op zondag 11 april 2021 @ 17:03:

Andere goede tips/opmerkingen ook altijd welkom!
Door het element in het vat verwarm je ook de spiraal en dus het cv systeem formeel mag je hier geen afsluiters hebben totaan de overdruk beveiliging in de panna in dit geval. ik weet dat bijna iedereen ze heeft, maar het is gewoon een warmtebron en dan is overdruk beveiliging verplicht (of eigenlijk afsluiters verboden)

En waarom zitten je exansievaten gekoppeld met een 3weg klep? of is dat een tekenfoutje?

Afbeeldingslocatie: https://tweakers.net/i/t1lyYKR0VFm3TxO155q6YQW9iOc=/800x/filters:strip_icc():strip_exif()/f/image/b1yqTJJHsvVhbtEt7lGN8Q3p.jpg?f=fotoalbum_large

Acties:
  • 0 Henk 'm!

  • Andrehj
  • Registratie: Juni 2002
  • Laatst online: 10-10 18:27
lampy25 schreef op zondag 11 april 2021 @ 17:03:
Druk in de voorbereidingen voor de installatie van de waterpomp en aangezien een goede voorbereiding het halve werk is wou ik jullie vragen om eens mee te denken.

Hieronder het schema:
[Afbeelding]

Installatie bestaat straks uit:
  • Warmtepomp Panasonic monobloc. Opgehangen aan een buitenmuur, boven de schuur (met houten dakconstructie, vandaar aan de muur)
  • beneden ca 35m2 vloerverwarming verdeeld over 5 groepen (ong even lang). Verdeler is nu composiet LTV met pomp van Therminon, die ik wil ombouwen naar een gesloten verdeler Verder geen naregeling op hier, de vloer dient dan ook als buffer.
  • Boven: radiatoren en L/L warmtepomp. Even aanzien of de huidige radiatoren voldoende vermogen hebben, anders eventueel vervangen voor grotere. Enige ruimte die ik momenteel boven verwarm is m'n kantoor d.m.v. de L/L warmtepomp. Badkamer heeft een oversized vertikale radiator en elektrische vloerverwarming.
  • SWW boiler in de schuur, dmv driewegklep wordt deze opgewarmd. 3kW verwarmingselement voor legionella runs en evt back-up.
  • dakdoorvoer in plat dak schuur. WP aangesloten dmv geisoleerde RVS flexibele slangen.
  • waterfilter in de retour
  • externe expansietank in de schuur, in de pana zelf afgekoppeld.
  • Hoofdleidingen van de warmtepomp t/m vloerverwarmingverdeler 32mm kunststof slang. Rest van het huis heeft dikke gelaste stalen leidingen met relatief grote diameter.
Nu heb ik de volgende vragen:
  • Expansietank in de aanvoer van de SWW boiler. Is dit verstandig of niet? Expansietank zou de waterslag in de boiler verlagen en waterverspilling bij opwarmen boiler verminderen. Maar is wel weer meer onderdelen.
  • Thermostaat: Nu heb ik beneden een Plugwise Anna hangen, die kan eventueel voor de aan/uit thermostaat gaan spelen. Bedoeling is WAR+thermostaat te gaan draaien. De Anna kan ik evt. vervangen voor een ander. Nu had ik begrepen dat het panasonic bedieningspaneel een grote hysteresis heeft, dus wellicht beter deze niet gebruiken. Daarmee komt vanzelf het volgende punt:
  • Panasonic bedieningspaneel, wanneer hij niet in de woonkamer komt te hangen heb ik 2 opties. In huis in de gang (bij de vloerverwarmingverdeler in de buurt) of in de schuur. Laatste is het meest logisch qua installatie, maar qua bediening niet het meest praktisch bij vele aanpassingen. Gebruiken jullie het paneel vaak?
Andere goede tips/opmerkingen ook altijd welkom!
Paar opmerkingen:
  • Ik mis een microbellenfilter in de aanvoerleiding.
  • Ik zou de driewegklep anders aansluiten. Meestal verwarm je, dus daar wil je de minste weerstand. Dat wordt dus de "rechtdoor".
  • Een sanitair expansievat heeft ook als voordeel dat je SWW-vat minder aan drukschommelingen onderhevig is. Is goed voor de levensduur. Let wel op dat je een speciaal sanitair expansievat koopt! Die hebben een speciale constructie opdat ze altijd met schoon water worden doorgespoeld.

WP: ME PUHZ-SW75YAA + ERSD-VM2D + EV-WP-TWS-1W 300; AC: ME MXZ-2F42VF + 2x MSZ-LN25VGV; PV: 14.08 kWp O/W + SMA STP 8.0; Vent: Zehnder Q600 ERV + Ubbink AirExcellent.


Acties:
  • 0 Henk 'm!

  • lampy25
  • Registratie: Maart 2016
  • Laatst online: 22:53
Bedankt voor het meedenken! Het het schema in de originele post aangepast.
twain4me schreef op zondag 11 april 2021 @ 17:54:
[...]


Door het element in het vat verwarm je ook de spiraal en dus het cv systeem formeel mag je hier geen afsluiters hebben totaan de overdruk beveiliging in de panna in dit geval. ik weet dat bijna iedereen ze heeft, maar het is gewoon een warmtebron en dan is overdruk beveiliging verplicht (of eigenlijk afsluiters verboden)

En waarom zitten je exansievaten gekoppeld met een 3weg klep? of is dat een tekenfoutje?

[Afbeelding]
Goed punt, geen flauw idee waarom er afsluiters in zitten. Standaard in het schema van Panasonic, maar die zal wel uitgaan van het interne verwarmingselement. Kan me ook maar weinig situaties voorstellen dat het handig om deze afsluiters dicht te zetten, zelfs bij het drukloos maken van de SWW boiler kan de warmtewisselaar toch gevuld blijven?
3-weg klep naar het expansievat is idd een tekenfoutje, kon het juiste teken niet vinden in het programma dus had even deze gepakt. Nu aangepast.
Andrehj schreef op zondag 11 april 2021 @ 19:08:
[...]

Paar opmerkingen:
  • Ik mis een microbellenfilter in de aanvoerleiding.
  • Ik zou de driewegklep anders aansluiten. Meestal verwarm je, dus daar wil je de minste weerstand. Dat wordt dus de "rechtdoor".
  • Een sanitair expansievat heeft ook als voordeel dat je SWW-vat minder aan drukschommelingen onderhevig is. Is goed voor de levensduur. Let wel op dat je een speciaal sanitair expansievat koopt! Die hebben een speciale constructie opdat ze altijd met schoon water worden doorgespoeld.
Goed punt, microbellenfilter tijdens het maken van het schema niet meer aan gedacht, deze nu ook toegevoegd.
t.oswald schreef op zondag 11 april 2021 @ 17:42:
[...]

In het begin zal je regelmatig bezig zijn met je instellingen. Ook later wil je regelmatig shiften met de WAR of instellingen wijzigen. Je kunt niet alles altijd automatisch regelen vind ik, wellicht in tegenstelling tot de echte diehards. Je krijgt het vaak eerder warm of kil dan de stooklijn of thermostaat.... Ook zon in de kamer laat zich lastig pakken, al gaat het nu met een lichtmeter erbij via het WiFi relais op CN4 heel aardig, maar met SWW erbij valt CN4 af meen ik. De stooklijn in de winter kan ook in voor of najaar niet voldoen. Nu doe ik dat met de CZ-TAW1, anderen doen het met de Heishomon, en gebruik ik de controller niet zo vaak meer. Toch kijk ik er nog regelmatig op, hangt naast de wasbak in de keuken, bijvoorbeeld voor de Tb en je hebt niet altijd je computer of tablet aan. Wel met de CZ-TAW1 zelf de Service Cloud beheren, niet weggeven aan de installateur! De Smart Cloud is erg beperkt in de mogelijkheden.
Wil er ook de CZ-TAW1 aan hangen inderdaad, eventueel aangevuld met Heishamon als read-only voor monitoring en maken van de mooie plaatjes. Maar als ik het huis verkoop moet het ook werken voor de niet-tweakers.
Nog maar eens goed overwegen waar ik de controller zelf ga hangen dan, misschien toch maar wel ergens in huis. Kijk je er net even wat makkelijker op inderdaad.

Acties:
  • 0 Henk 'm!

  • twain4me
  • Registratie: December 2017
  • Laatst online: 03:15

twain4me

Moderator Wonen & Mobiliteit
Topicstarter
lampy25 schreef op zondag 11 april 2021 @ 22:34:
n van het schema niet meer aan gedacht, deze nu ook toegevoegd.
waar teken je in? en is dat toevallig freeware? (of trail)

M.a.w. is dat iets voor de TS? ziet er wel echt strak uit, ik heb hem helemaal uitgetekend in autocad en dat is nog best een pokke werk :+

[ Voor 26% gewijzigd door twain4me op 11-04-2021 22:43 ]


Acties:
  • 0 Henk 'm!

  • lampy25
  • Registratie: Maart 2016
  • Laatst online: 22:53
twain4me schreef op zondag 11 april 2021 @ 22:38:
[...]


waar teken je in? en is dat toevallig freeware? (of trail)

M.a.w. is dat iets voor de TS? ziet er wel echt strak uit, ik heb hem helemaal uitgetekend in autocad en dat is nog best een pokke werk :+
Heb dit getekend in Lucidcard, werkt best mooi inderdaad. Voor 1 persoon gratis te gebruiken.
Heeft helaas niet alle P&id symbolen, maar doordat je plaatjes kan invoegen kan je daar wel omheen werken.
Wil het bestand wel met je delen als je wilt? Bedoeling was om hem ook te gaan uitbreiden met het electrische schema in de komende week.

Acties:
  • +1 Henk 'm!

  • timovd
  • Registratie: Maart 2002
  • Laatst online: 05:46

timovd

Voorsprong door techniek

t.oswald schreef op woensdag 7 april 2021 @ 11:43:
Vannacht heeft KPN werkzaamheden aan het netwerk verricht. Dan verlies ik de draadloze verbinding met de CZ-TAW1. Ben altijd verschrikkelijk aan het hannesen om die weer te herstellen. Met de summiere uitleg in de handleiding lukt dat niet via de knopjes op het bedieningspaneeltje. Ik herinnerde me plots dat de vorige keer het uiteindelijk wel lukte door het kabeltje even los te maken. En jawel, daarna start de CZ-TAW1 ook dit keer weer prima op. Als je niet bij het kastje kunt, zal stroomloos maken ook kunnen denk ik. Wellicht een tip voor anderen?
Dit is ook hoe ik het steeds doe als ik dit (eigen) werkzaamheden de verbinding verlies. Even het klepje van de unit af en kabeltje er af en er in. Via de knoppen is mij nooit gelukt.

Gasloos huis 9kW Panasonic WH-MDC09J3E5 | Atlantic Explorer V4 270L | 8715Wp @ SMA Tripower 6.0-3AV-40 (4150Wp NO, 4565Wp ZW)


Acties:
  • 0 Henk 'm!

  • Zwerius
  • Registratie: Maart 2012
  • Laatst online: 07:25
lampy25 schreef op zondag 11 april 2021 @ 17:03:
Druk in de voorbereidingen voor de installatie van de waterpomp en aangezien een goede voorbereiding het halve werk is wou ik jullie vragen om eens mee te denken.


Andere goede tips/opmerkingen ook altijd welkom!
Ga eens een kWh-meter installeren voor je elektrische vloerverwarming in de badkamer.
Als dat de hoofdverwarming is van je badkamer, ga je steil achterover vallen van de benodigde kWh's .....

Zwerius Kriegsman


Acties:
  • 0 Henk 'm!

  • FransvWoerkom
  • Registratie: Maart 2018
  • Laatst online: 00:53
lampy25 schreef op zondag 11 april 2021 @ 22:34:
Bedankt voor het meedenken! Het het schema in de originele post aangepast.


[...]


Goed punt, geen flauw idee waarom er afsluiters in zitten. Standaard in het schema van Panasonic, maar die zal wel uitgaan van het interne verwarmingselement. Kan me ook maar weinig situaties voorstellen dat het handig om deze afsluiters dicht te zetten, zelfs bij het drukloos maken van de SWW boiler kan de warmtewisselaar toch gevuld blijven?
3-weg klep naar het expansievat is idd een tekenfoutje, kon het juiste teken niet vinden in het programma dus had even deze gepakt. Nu aangepast.

[...]
Inderdaad. Er moet dus een overdrukventiel direct aan de spiraal van je warmwatervat. Het volstaat niet de afsluiters weg te laten. Bij de pana zitten er ook en die kunnen ook dicht. En bij mij zitten er ook nog rond het filter. Ontzettend handig al die afsluiters voor als je iets wilt wijzigen of vervangen in huis zonder het hele systeem weer bij te hoeven vullen. Na het stookseizoen is dat extra ventiel één van de eerste :)

Acties:
  • 0 Henk 'm!

  • lampy25
  • Registratie: Maart 2016
  • Laatst online: 22:53
FransvWoerkom schreef op maandag 12 april 2021 @ 17:06:
[...]


Inderdaad. Er moet dus een overdrukventiel direct aan de spiraal van je warmwatervat. Het volstaat niet de afsluiters weg te laten. Bij de pana zitten er ook en die kunnen ook dicht. En bij mij zitten er ook nog rond het filter. Ontzettend handig al die afsluiters voor als je iets wilt wijzigen of vervangen in huis zonder het hele systeem weer bij te hoeven vullen. Na het stookseizoen is dat extra ventiel één van de eerste :)
Ok heb hem toegevoegd in het schema, zodat ook toekomstige mensen hem zien zitten in het schema :)
Zwerius schreef op maandag 12 april 2021 @ 08:41:
[...]


Ga eens een kWh-meter installeren voor je elektrische vloerverwarming in de badkamer.
Als dat de hoofdverwarming is van je badkamer, ga je steil achterover vallen van de benodigde kWh's .....
Gelukkig is het echt een comfort optie die praktisch nooit aanstaat. En met 400 watt vermogen ook weer geen gigantisch bedrag als die een uurtje aanstaat. Maar idd, dat wil je niet als hoofdverwarming gebruiken.
twain4me schreef op zondag 11 april 2021 @ 22:38:
[...]


waar teken je in? en is dat toevallig freeware? (of trail)

M.a.w. is dat iets voor de TS? ziet er wel echt strak uit, ik heb hem helemaal uitgetekend in autocad en dat is nog best een pokke werk :+
Heb hem uitgebreid met deels elektrisch schema. Volgens mij kan ik hem niet downloaden en delen, kan hem eventueel wel aanpassen naar je smaak voor de OP of delen binnen het Lucid platform.

Acties:
  • 0 Henk 'm!

  • twain4me
  • Registratie: December 2017
  • Laatst online: 03:15

twain4me

Moderator Wonen & Mobiliteit
Topicstarter
lampy25 schreef op maandag 12 april 2021 @ 20:56:

Heb hem uitgebreid met deels elektrisch schema. Volgens mij kan ik hem niet downloaden en delen, kan hem eventueel wel aanpassen naar je smaak voor de OP of delen binnen het Lucid platform.
lol , ik heb al moeite met lucid vinden :+

Acties:
  • 0 Henk 'm!

  • lampy25
  • Registratie: Maart 2016
  • Laatst online: 22:53
twain4me schreef op maandag 12 april 2021 @ 22:00:
[...]


lol , ik heb al moeite met lucid vinden :+
Haha als ik erop Google zonder chart vind ik ook niets. Zal het makkelijk maken ;)
https://www.lucidchart.com/pages/

Acties:
  • 0 Henk 'm!

  • Jesse-
  • Registratie: Oktober 2015
  • Laatst online: 10-10 17:29
Ik heb bij mijn Pana de heater voor zowel tank als kamer uitgezet in het gebruikersmenu. Toch zie ik dat hij vanochtend tijdens een verwarmingsrondje toch weer ongeveer 1 kWh verbruikt heeft bij het opstoken van de vloerverwarming.
De Heater_On_Outdoor_Temp is op -5 graden ingesteld en het is niet kouder dan 0 graden geweest volgens Pana. Waarom maakt hij dan toch gebruik van de backup heater?

Acties:
  • 0 Henk 'm!

  • KaDoos
  • Registratie: December 2020
  • Laatst online: 08-10 16:13
timovd schreef op maandag 12 april 2021 @ 07:58:
[...]

Dit is ook hoe ik het steeds doe als ik dit (eigen) werkzaamheden de verbinding verlies. Even het klepje van de unit af en kabeltje er af en er in. Via de knoppen is mij nooit gelukt.
@timovd
Als je het kabeltje eruit haalt en weer in, raad ik aan wel de pomp even uit te zetten anders kan hij stuk gaan. Is bij mij ook gebeurt en als je de handleiding goed leest staat het er in.

Acties:
  • +1 Henk 'm!

  • KaDoos
  • Registratie: December 2020
  • Laatst online: 08-10 16:13
Jesse- schreef op dinsdag 13 april 2021 @ 10:40:
Ik heb bij mijn Pana de heater voor zowel tank als kamer uitgezet in het gebruikersmenu. Toch zie ik dat hij vanochtend tijdens een verwarmingsrondje toch weer ongeveer 1 kWh verbruikt heeft bij het opstoken van de vloerverwarming.
De Heater_On_Outdoor_Temp is op -5 graden ingesteld en het is niet kouder dan 0 graden geweest volgens Pana. Waarom maakt hij dan toch gebruik van de backup heater?
Wellicht een defrost gehad?

Acties:
  • 0 Henk 'm!

  • Jesse-
  • Registratie: Oktober 2015
  • Laatst online: 10-10 17:29
KaDoos schreef op dinsdag 13 april 2021 @ 11:04:
[...]

Wellicht een defrost gehad?
Ah, dat is het geweest. Dank je!

Acties:
  • 0 Henk 'm!

  • clandmeter
  • Registratie: April 2007
  • Laatst online: 02-10 04:18
Ep Woody schreef op zondag 11 april 2021 @ 15:58:
[...]


Als ik de 3 knoppen (rechtsboven, links midden en midden onder) vast hou voor ruim 10 seconden, terwijl de unit aan staat en ik laat de knoppen los, dan zegt hij voor Installateursinstellingen zet de unit uit. Groene lampje op de controller moet dan dus uit staan.

Op bladzijde 153 staat inderdaad 5 sec, op bladzijde 140 staan 10 seconden. Ga maar uit van het laatste. Ruim 10 seconden en dan loslaten.
Ik lijkt er echt niet in te komen, lijkt wel of unit mij er niet in laat om een of andere reden, of ik snap het niet.

Hier heb ik een video waar ik wel in het maintenance kan komen maar niet in custom menu.

https://photos.app.goo.gl/YPsW2cH1D353zw6cA

Acties:
  • 0 Henk 'm!

  • timovd
  • Registratie: Maart 2002
  • Laatst online: 05:46

timovd

Voorsprong door techniek

KaDoos schreef op dinsdag 13 april 2021 @ 11:03:
[...]

@timovd
Als je het kabeltje eruit haalt en weer in, raad ik aan wel de pomp even uit te zetten anders kan hij stuk gaan. Is bij mij ook gebeurt en als je de handleiding goed leest staat het er in.
Maar toch niet als je het kabeltje van de CZ-TAW1 loshaalt? De WP blijft nog steeds draaien, alleen zonder netwerkbediening.

Gasloos huis 9kW Panasonic WH-MDC09J3E5 | Atlantic Explorer V4 270L | 8715Wp @ SMA Tripower 6.0-3AV-40 (4150Wp NO, 4565Wp ZW)


Acties:
  • 0 Henk 'm!

  • Ep Woody
  • Registratie: September 2003
  • Laatst online: 26-09 15:28
clandmeter schreef op dinsdag 13 april 2021 @ 14:51:
[...]


Ik lijkt er echt niet in te komen, lijkt wel of unit mij er niet in laat om een of andere reden, of ik snap het niet.

Hier heb ik een video waar ik wel in het maintenance kan komen maar niet in custom menu.

https://photos.app.goo.gl/YPsW2cH1D353zw6cA
Je moet ze echt alle 3 tegelijkertijd indrukken en dan een paar seconden vast houden, bij mij was 5 seconden genoeg als hij aan staat. Je moet inderdaad vrij stevig drukken.

Acties:
  • +1 Henk 'm!

  • clandmeter
  • Registratie: April 2007
  • Laatst online: 02-10 04:18
Ep Woody schreef op dinsdag 13 april 2021 @ 15:12:
[...]


Je moet ze echt alle 3 tegelijkertijd indrukken en dan een paar seconden vast houden, bij mij was 5 seconden genoeg als hij aan staat. Je moet inderdaad vrij stevig drukken.
Het is opgelost, het heeft niets met de knoppen te maken, ik stond nog in maintenance via de service cloud van de webinterface. Nadat ik die gesloten had kon ik er wel inkomen, of het moet heel toevallig zijn dat ik er nu wel in kwam...

Acties:
  • 0 Henk 'm!

  • frisianstar
  • Registratie: Maart 2008
  • Laatst online: 24-04-2022
Jesse- schreef op dinsdag 13 april 2021 @ 10:40:
Ik heb bij mijn Pana de heater voor zowel tank als kamer uitgezet in het gebruikersmenu. Toch zie ik dat hij vanochtend tijdens een verwarmingsrondje toch weer ongeveer 1 kWh verbruikt heeft bij het opstoken van de vloerverwarming.
De Heater_On_Outdoor_Temp is op -5 graden ingesteld en het is niet kouder dan 0 graden geweest volgens Pana. Waarom maakt hij dan toch gebruik van de backup heater?
Dat euvel had ik ook (ik vind het een euvel) in het menu dat je alleen met de 3 toetsen combinatie kan oproepen kun je de heater 100% uitzetten, heb ik ook gedaan.
Advies: bij vriezend weer weer inschakelen.

20x JA Solar 6.9KW; Fronius Symo 7.0; Panasonic J Mono 7KW; Atlantic Explorer V3


Acties:
  • +1 Henk 'm!

  • Jesse-
  • Registratie: Oktober 2015
  • Laatst online: 10-10 17:29
frisianstar schreef op dinsdag 13 april 2021 @ 16:55:
[...]


Dat euvel had ik ook (ik vind het een euvel) in het menu dat je alleen met de 3 toetsen combinatie kan oproepen kun je de heater 100% uitzetten, heb ik ook gedaan.
Advies: bij vriezend weer weer inschakelen.
Ik ben bang dat ik er dan op een vervelend moment achter kom dat ik vergeten ben de heater weer in te schakelen. Het verbruik van vanochtend is in ieder geval verklaard door de vorstbescherming.

Acties:
  • 0 Henk 'm!

  • Jesse-
  • Registratie: Oktober 2015
  • Laatst online: 10-10 17:29
Ik heb nu een tijdje de aanvoer, retour en thermostaat temperaturen van de Pana gelogd en overal een eigen dallas sensor naastgelegd/getapet.
Op basis van mijn eigen metingen kom ik tot de conclusie dat de sensoren van de Pana respectievelijk 2, 0,5 en 1 graad naar beneden bijgesteld moeten worden.
Zijn dit aanpassingen die met jullie ervaringen overeenkomen?

Acties:
  • 0 Henk 'm!

  • pleio65
  • Registratie: April 2015
  • Laatst online: 22:20
Jesse- schreef op woensdag 14 april 2021 @ 16:47:
Ik heb nu een tijdje de aanvoer, retour en thermostaat temperaturen van de Pana gelogd en overal een eigen dallas sensor naastgelegd/getapet.
Op basis van mijn eigen metingen kom ik tot de conclusie dat de sensoren van de Pana respectievelijk 2, 0,5 en 1 graad naar beneden bijgesteld moeten worden.
Zijn dit aanpassingen die met jullie ervaringen overeenkomen?
Heb voor de calibratie/ijking meerdere verschillende sensoren gebruikt en bij verschillende temperaturen gemeten en kom voor een 9H op: Ta+2 en Tr+0.5. Van de zomer gaan er originele Dallas sensoren op, maar ook deze hebben een foutmarge (0.5 graad).

Gasloos. Mitsubishi scr-m60v-200d-set. Zonnepanelen 5760wp. Marstek Venus E V2. 5,12 KWh


Acties:
  • 0 Henk 'm!

  • Jesse-
  • Registratie: Oktober 2015
  • Laatst online: 10-10 17:29
pleio65 schreef op woensdag 14 april 2021 @ 21:02:
[...]


Heb voor de calibratie/ijking meerdere verschillende sensoren gebruikt en bij verschillende temperaturen gemeten en kom voor een 9H op: Ta+2 en Tr+0.5. Van de zomer gaan er originele Dallas sensoren op, maar ook deze hebben een foutmarge (0.5 graad).
Mooi dat je op dezelfde afwijkingen komt, al is het bij mij bij de 9H. Ik heb mijn metingen ook bij verschillende temperaturen gedaan (18 - 28). Merk wel dat de afwijking bij hoge temperaturen groter wordt, maar dat kan ook komen omdat de dallas wat trager reageren bij een SSW piek.

Acties:
  • 0 Henk 'm!

  • Balans
  • Registratie: September 2000
  • Laatst online: 06-10 14:11
Mannen die riool pijp 160mm om die geisoleerde verwarmings buizen en andere kabels door heen te leggen. bv die in de openings post waar zijn die te verkrijgen liefst billig uiteraard evt via dm.

Plan A het plan van de voorgevel hebben we afgeschoten dus wij gaan graven en hij komt dus in de tuin.

Jij brand ik blus! 4.640kW no-zw WH-MDC05J3E5


Acties:
  • 0 Henk 'm!

  • Possible
  • Registratie: Mei 2002
  • Laatst online: 10-10 19:36
Afbeeldingslocatie: https://tweakers.net/i/CZ45z0K1bcLYCICQzktzYj549A8=/full-fit-in/4920x3264/filters:max_bytes(3145728):no_upscale():strip_icc():fill(white):strip_exif()/f/image/PnYIaSPA9UWi3L2zNmr8Wh05.jpg?f=user_large


Klopt het dat de thermostaat / bediengspaneel in de pana zelf zet? Zo op het eerste gezicht kon ik hem niet vinden namelijk.


O+ O+

[ Voor 21% gewijzigd door Possible op 16-04-2021 13:21 ]

Gasloos sinds 2020 - 3240wp-Z Live 5100wp-W Live 8340wp-Merged Live Altantic Explorer 200 Live


Acties:
  • 0 Henk 'm!

  • CurlyMo
  • Registratie: Februari 2011
  • Laatst online: 23:46
Possible schreef op vrijdag 16 april 2021 @ 12:50:
Klopt het dat de thermostaat / bediengspaneel in de pana zelf zet? Zo op het eerste gezicht kon ik hem niet vinden namelijk.
Ja, net als de boekjes.

Sinds de 2 dagen regel reageer ik hier niet meer


Acties:
  • 0 Henk 'm!

  • Possible
  • Registratie: Mei 2002
  • Laatst online: 10-10 19:36
Die zitten hier ''op'' de pana :


Afbeeldingslocatie: https://tweakers.net/i/ISSXJWWlu9bZ1y_TqUdy5QB84Kg=/full-fit-in/4920x3264/filters:max_bytes(3145728):no_upscale():strip_icc():fill(white):strip_exif()/f/image/Y9QKaRjiYxZvkeCYhg1uXjrq.jpg?f=user_large

Gasloos sinds 2020 - 3240wp-Z Live 5100wp-W Live 8340wp-Merged Live Altantic Explorer 200 Live

Pagina: 1 ... 13 ... 134 Laatste

Dit topic is gesloten.