5670PV op OzOOO, 5640PV op WnWWW, 3150PV op muur op ZZZW, vloerisolatie, HR++,dakisolatie, PANA 9Jmonoblock WP, Ioniq EV 2017
Hier draait de wp op watertemp, dus als je de retour verhoogt met de collectoren, stopt de wp vanzelf omdat de retour te hoog wordt. Hij blijft wel pompen totdat hij een stop signaal krijgt van de thermostaat.BarryH schreef op woensdag 23 maart 2022 @ 16:29:
@Helhond Hoe laat je de waterpomp van je WP draaien zonder de WP zelf de eigen compressor ook te laten aanzetten?
14.5 kWP op Zuid, 4x24 CPC heatpipes op Zuid, 1000L Hygienebuffervat met Panasonic WH-MDC09J3E5, Gasloos sinds 2018.
Ik stook met een WAR op basis van de watertemperatuur. (stooklijn)
Je stelt een stooklijn in, en dit resulteert afhankelijk van de buitentemperatuur in een gewenste "vraag" temperatuur.
Mijn Panasonic werkt zo dat bij 2 graden "overshoot" van de gevraagde temperatuur terugmoduleerd. (In afgegeven vermogen maar ook in pompsnelheid)
Dit doet hij net zolang totdat op eengegeven moment de compressor uit gaat.
De waterpomp blijft dan wel op minimale snelheid aan, anders zou hij ook niet weten wanneer de woning afgekoelt is en er op een gegeven moment dus vraag ontstaat.
Als de watertemperatuur 2 graden onder de gevraagde temperatuur komt zal de compressor weer op starten.
Echter omdat ik een tweede warmtebron (zonneboiler) in mijn systeem heb, zal er geen vraag ontstaan net zolang er nog voldoende warmte door de zonneboiler aan het systeem wordt toegevoegd, vanuit het buffervat.
Als je met WAR + stooklijn "stookt", draait je waterpomp altijd.(wordt wel gemoduleerd).
Ik moet de warmtepomp dus handmatig uitzetten, anders zou ik continu mijn huis blijven verwarmen met de zonneboiler, en heel veel warmer dan 22°C hoeft van mij niet.
ZB: 60HP op 2x250L Orientatie: WZW 68°; Douche-WTW; PV: 18x QCell 6390Wp Noord/Zuid, APS QS1+YC600; WP: Panasonic 7kW J-gen ; Gasloos sinds 07-2020
Daarom kun je juist beter naar 1 regeling voor alles! Daarnaast kun je de systemen door ook veel makkelijker samen laten werken ipv tegen elkaar.....Helhond schreef op woensdag 23 maart 2022 @ 14:49:
In die systemen is er dan gewoon meer opwekking dan vraag.
Bij mij was dat nog niet het geval mede doordat mijn collectors WZW georienteerd zijn. (Dit heeft zo zijn voor- als nadelen).
Ik wil juist alles zoveel mogelijk stand-alone houden om errors, complexiteit en fuck-ups te minimaliseren.
Ook dat is 'n instelling. Op 'n gegeven moment gaan ze die pomp wel pauzeren als er langere tijd geen vraag is.Helhond schreef op woensdag 23 maart 2022 @ 16:50:
Als je met WAR + stooklijn "stookt", draait je waterpomp altijd.(wordt wel gemoduleerd).
(Misschien heb je dat al uitgezet omdat er bij jou door de ZB dus wél vraag kan zijn, ondanks een warme retour.)
Graag zou ik jullie als ervaringsdeskundigen inschakelen voor wat advies mbt zonnesystemen.
Sinds we in onze woning (1992 140m2, vrijstaand, + verwarmde garage 100m2) zijn getrokken 2 jaar geleden hebben we de volgende aanpassingen gedaan.
- Hout CV installatie
- 32 zonnepanelen Solaredge (16 zuid, 16 west 2x 5kwp)
- Warmtepomp LG Therma V monoblock 16kw (Zonder buffer, deels radiatoren deels vloervervarming)
- Inductieplaat
- Airco's (woonkamer en slaapkamer)
Graag zou ik de volgende stap zetten met een zonneboiler om te kijken of het mogelijk is gasloos te gaan. Dit vooral omdat het subsidiebedrag bij sommige sets soms het aanschafbedrag overstijgt. Dat is dus gratis geld en goed voor de WAF. De CV ketel blijft hangen voor SWW totdat blijkt dat deze écht niet meer nodig is.
De zonneboiler sets die voornamelijk "gratis" zijn na aftrek van subsidie zijn allemaal als volgt:
- Zonnecollectoren vlakkeplaat
- Zonneboiler met 2 spiralen(onder/boven)
Wat ik vaak zie echter in de combinatie met Warmtepomp is:
- Zonnecollectoren vlakkeplaat
- Hygieneboiler (Tapwaterspiraal, + 2 normale spiralen) Voordeel geen legionella runs nodig.
Het vat wordt dan als het ware als warmtepomp CV buffervat gebruikt. Echter deze sets komen een euro'tje of 1500 aan subsidie tekort. En het lijkt me complex gezien de warmtepomp draait op CV water van 28-32 gr C en de opgevangen zonnewarmte dan het verwarmingscircuit in zal gaan in plaats van opslag voor sanitair warmwater. Ik wil echt het sanitair WW scheiden van de verwarming en het systeem zo simpel mogelijk houden. Ik geloof in less-is-more en daarbij is dat vaak financieel verantwoord.
Wat ik me afvraag is of het zou kunnen werken als ik de warmtepomp koppel aan de bovenste spiraal van een gewone zonneboiler zodat de warmtepomp bij kan springen als de watertemp te veel zakt. Dit zal ook gebeuren ivm 2 regendouches en een 500l whirlpool.
Met oog op stoppen salderen is het ook een stuk handiger omdat tijdens de zonnepanelen zon-uren het boilervat middels warmtepomp opgewarmd kan worden zonder dat het huis meeverwarmd moet worden.
Daarnaast kan de ketel het SWW ook verwarmen. Zie bijgevoegde schetsen.
Dit is het goedkoopst in aanschaf en mocht de cv-ketel weg gaan dan kan de warmtepomp de zonneboiler constant op temperatuur houden. Legionellabestrijding via elektrisch element.
Monitoring via Home Assistant natuurlijk
Graag jullie feedback/ervaringen met beide systemen.
Alvast bedankt!
Danny
/f/image/cGrVqy2LfMF8gFsKmHlsc37o.png?f=fotoalbum_large)
LG Therma V HM163M U33 / 5kWp Zuid - 7,2kWp West - 2,8kWp Oost / 48HP 300l / 3x Multiplus 2/5000, 40kWh LFP. BMW iX3 2022
Al veel huiswerk gedaan dat is mooi.sparkly schreef op woensdag 23 maart 2022 @ 17:45:
Hallo allemaal.
Graag zou ik jullie als ervaringsdeskundigen inschakelen voor wat advies mbt zonnesystemen.
Sinds we in onze woning (1992 140m2, vrijstaand, + verwarmde garage 100m2) zijn getrokken 2 jaar geleden hebben we de volgende aanpassingen gedaan.
- Hout CV installatie
- 32 zonnepanelen Solaredge (16 zuid, 16 west 2x 5kwp)
- Warmtepomp LG Therma V monoblock 16kw (Zonder buffer, deels radiatoren deels vloervervarming)
- Inductieplaat
- Airco's (woonkamer en slaapkamer)
Graag zou ik de volgende stap zetten met een zonneboiler om te kijken of het mogelijk is gasloos te gaan. Dit vooral omdat het subsidiebedrag bij sommige sets soms het aanschafbedrag overstijgt. Dat is dus gratis geld en goed voor de WAF. De CV ketel blijft hangen voor SWW totdat blijkt dat deze écht niet meer nodig is.
De zonneboiler sets die voornamelijk "gratis" zijn na aftrek van subsidie zijn allemaal als volgt:
- Zonnecollectoren vlakkeplaat
- Zonneboiler met 2 spiralen(onder/boven)
Wat ik vaak zie echter in de combinatie met Warmtepomp is:
- Zonnecollectoren vlakkeplaat
- Hygieneboiler (Tapwaterspiraal, + 2 normale spiralen) Voordeel geen legionella runs nodig.
Het vat wordt dan als het ware als warmtepomp CV buffervat gebruikt. Echter deze sets komen een euro'tje of 1500 aan subsidie tekort. En het lijkt me complex gezien de warmtepomp draait op CV water van 28-32 gr C en de opgevangen zonnewarmte dan het verwarmingscircuit in zal gaan in plaats van opslag voor sanitair warmwater. Ik wil echt het sanitair WW scheiden van de verwarming en het systeem zo simpel mogelijk houden. Ik geloof in less-is-more en daarbij is dat vaak financieel verantwoord.
Wat ik me afvraag is of het zou kunnen werken als ik de warmtepomp koppel aan de bovenste spiraal van een gewone zonneboiler zodat de warmtepomp bij kan springen als de watertemp te veel zakt. Dit zal ook gebeuren ivm 2 regendouches en een 500l whirlpool.
Met oog op stoppen salderen is het ook een stuk handiger omdat tijdens de zonnepanelen zon-uren het boilervat middels warmtepomp opgewarmd kan worden zonder dat het huis meeverwarmd moet worden.
Daarnaast kan de ketel het SWW ook verwarmen. Zie bijgevoegde schetsen.
Dit is het goedkoopst in aanschaf en mocht de cv-ketel weg gaan dan kan de warmtepomp de zonneboiler constant op temperatuur houden. Legionellabestrijding via elektrisch element.
Monitoring via Home Assistant natuurlijk
Graag jullie feedback/ervaringen met beide systemen.
Alvast bedankt!
Danny
[Afbeelding]
[Afbeelding]
Ik zou beginnen met hoeveel energie kost mijn huis per maand en wat brengen nu alle systemen per maand op. Als je dat ongeveer weet dan kun je voor het restant en of aanvulling naar een zonneboiler kijken. En deze dan op de juiste grootte berekenen.
Ik zou persoonlijk altijd gaan voor een centraal vat waar sww en verwarming op zitten met hygiëne spiraal en inderdaad twee spiralen voor booster verwarming. Dat werkt echt goed en dan van daaruit centraal aansturen.
De warmtepomp? Koppel (eerst) maar 'ns die Nordic Fire over die spiraal!sparkly schreef op woensdag 23 maart 2022 @ 17:45:
Wat ik me afvraag is of het zou kunnen werken als ik de warmtepomp koppel aan de bovenste spiraal van een gewone zonneboiler zodat de warmtepomp bij kan springen als de watertemp te veel zakt. Dit zal ook gebeuren ivm 2 regendouches en een 500l whirlpool.
ja ik heb precies dit.Helhond schreef op woensdag 23 maart 2022 @ 16:50:
Dat ligt aan je type warmtepomp en de instellingen.
Ik stook met een WAR op basis van de watertemperatuur. (stooklijn)
Je stelt een stooklijn in, en dit resulteert afhankelijk van de buitentemperatuur in een gewenste "vraag" temperatuur.
Mijn Panasonic werkt zo dat bij 2 graden "overshoot" van de gevraagde temperatuur terugmoduleerd. (In afgegeven vermogen maar ook in pompsnelheid)
Dit doet hij net zolang totdat op eengegeven moment de compressor uit gaat.
De waterpomp blijft dan wel op minimale snelheid aan, anders zou hij ook niet weten wanneer de woning afgekoelt is en er op een gegeven moment dus vraag ontstaat.
Als de watertemperatuur 2 graden onder de gevraagde temperatuur komt zal de compressor weer op starten.
Echter omdat ik een tweede warmtebron (zonneboiler) in mijn systeem heb, zal er geen vraag ontstaan net zolang er nog voldoende warmte door de zonneboiler aan het systeem wordt toegevoegd, vanuit het buffervat.
Als je met WAR + stooklijn "stookt", draait je waterpomp altijd.(wordt wel gemoduleerd).
Ik moet de warmtepomp dus handmatig uitzetten, anders zou ik continu mijn huis blijven verwarmen met de zonneboiler, en heel veel warmer dan 22°C hoeft van mij niet.
ik heb de thermostaat nog niet aangesloten. als je de niet-panasonic hebt, moet er een relais tussen. heb ik ook al liggen maar moet er nog tussen. nu doe ik het hetzelfde als jij, gewoon handmatig de wp uitzetten. gaat prima, zo vaak gebeurt dit ook weer niet...al is het makkelijker als het automatisch gaat natuurlijk
[ Voor 3% gewijzigd door Baapje327 op 23-03-2022 20:01 ]
14.5 kWP op Zuid, 4x24 CPC heatpipes op Zuid, 1000L Hygienebuffervat met Panasonic WH-MDC09J3E5, Gasloos sinds 2018.
Op het moment dat de hout-cv brandt dan hebben we alle warmte van de hout-cv nodig in het huis. Theoretisch geeft de kachel 10kw af aan het water.
In de praktijk halen we gemiddeld 2-6kW. Precies genoeg om het huis comfortabel te houden. De garage blijft dan wel wat frisser, maar dat is niet erg.
Daarnaast willen we niet afhankelijk zijn van houtstook voor warm water. De WP is altijd beschikbaar.
Gwaihir schreef op woensdag 23 maart 2022 @ 19:56:
[...]
De warmtepomp? Koppel (eerst) maar 'ns die Nordic Fire over die spiraal!
LG Therma V HM163M U33 / 5kWp Zuid - 7,2kWp West - 2,8kWp Oost / 48HP 300l / 3x Multiplus 2/5000, 40kWh LFP. BMW iX3 2022
Hoe groot is die spiraal in die boiler? Want je hebt de dikke wp staan en die gaat heel snel pendelen op een spiraal. Mij pana (12kw) deed dat iig wel. Als in, 6000* in 2 maanden. Op 't vat zelf gaat stuk beter😊sparkly schreef op woensdag 23 maart 2022 @ 20:06:
Daar kiezen we bewust niet voor.
Op het moment dat de hout-cv brandt dan hebben we alle warmte van de hout-cv nodig in het huis. Theoretisch geeft de kachel 10kw af aan het water.
In de praktijk halen we gemiddeld 2-6kW. Precies genoeg om het huis comfortabel te houden. De garage blijft dan wel wat frisser, maar dat is niet erg.
Daarnaast willen we niet afhankelijk zijn van houtstook voor warm water. De WP is altijd beschikbaar.
[...]
Het grote voordeel van een vat met hygienspiraal is dat je het vat zelf kunt gebruiken (incl gelaagdheid voor andere temperaturen) om al je bronnen en je verbuikers hun ideale temperatuur te laten leveren/afnemen.
Wel even goed nadenken over waar je wat aansluit, maar je kan er erg veel mee.
14.5 kWP op Zuid, 4x24 CPC heatpipes op Zuid, 1000L Hygienebuffervat met Panasonic WH-MDC09J3E5, Gasloos sinds 2018.
Ik ben heel benieuwd waarom jij dus wel voor een tapwaterspiraal zou gaan. Wat zie ik over het hoofd. Kun je mij eens proberen te overtuigen. Wat zijn de voor en nadelen.
Hoe voorkom je met zo'n vat dat de opgevangen zonne-warmte "verloren" gaat naar de verwarming van het huis, terwijl de WP hier helemaal geen ondersteuning voor nodig heeft?
Zijn hier mensen die zo'n systeem gebruiken?
Zo veel vragen
Ik verwacht juist dat ik alle zonne-energie nodig heb voor SWW. De WP heeft ruim voldoende capaciteit voor verwarming van het huis en werkt prima. (Na het vinden van de goede settings
Energie nodig voor sanitair water:
- Januari 2022 32m3 gas
- Februari 2022 34m3 gas
- Maart 2022 tot nu toe 42 m3 gas. (ingebruikname nieuwe badkamer met 2 regendouches en 500l bad
Energie voor verwarming mbv WP is nog niet helemaal duidelijk, er zijn wat storingen geweest met de meter waardoor hij aangaf soms 1400kwh per week te verbruiken. Maandelijkse data in Home Assistant is dus helaas vervuild. Toen we nog gas stookte is ook geen goede data van, gezien we ook vaak de hout-CV aan hadden.
Waarneming:
Januari februari zat ik tussen de 30-50 kwh elektrisch per dag.
Maart is nu tussen de 5-15kwh elektrisch per dag.
Ik heb een trendje (24h gemiddelden sinds begin metingen) gemaakt van het geleverde thermisch vermogen. Om te laten zien dat de 16kW monoblock wel ruimte heeft voor eventueel SWW.
Rood: Thermisch geleverd. Y-as links
Geel: Elektrisch ingenomen. Y-as rechts.
:strip_exif()/f/image/EwOmMtXb4Ulshk9xytB34Hpz.jpg?f=fotoalbum_large)
Bartolomus schreef op woensdag 23 maart 2022 @ 18:06:
[...]
Al veel huiswerk gedaan dat is mooi.
Ik zou beginnen met hoeveel energie kost mijn huis per maand en wat brengen nu alle systemen per maand op. Als je dat ongeveer weet dan kun je voor het restant en of aanvulling naar een zonneboiler kijken. En deze dan op de juiste grootte berekenen.
Ik zou persoonlijk altijd gaan voor een centraal vat waar sww en verwarming op zitten met hygiëne spiraal en inderdaad twee spiralen voor booster verwarming. Dat werkt echt goed en dan van daaruit centraal aansturen.
LG Therma V HM163M U33 / 5kWp Zuid - 7,2kWp West - 2,8kWp Oost / 48HP 300l / 3x Multiplus 2/5000, 40kWh LFP. BMW iX3 2022
Ah, pendelen, niet aan gedacht. Was hier in het begin op het CV-systeem ook even uitvogelen.Baapje327 schreef op woensdag 23 maart 2022 @ 20:59:
[...]
Hoe groot is die spiraal in die boiler? Want je hebt de dikke wp staan en die gaat heel snel pendelen op een spiraal. Mij pana (12kw) deed dat iig wel. Als in, 6000* in 2 maanden. Op 't vat zelf gaat stuk beter😊
Het grote voordeel van een vat met hygienspiraal is dat je het vat zelf kunt gebruiken (incl gelaagdheid voor andere temperaturen) om al je bronnen en je verbuikers hun ideale temperatuur te laten leveren/afnemen.
Wel even goed nadenken over waar je wat aansluit, maar je kan er erg veel mee.
Gelukkig helpt Home Assistant hierbij middels een start/stop automatisering. Tijdens opstart WP gaan alle radiatorknoppen gedurende 17minuten 100% open om de opstartpiek door te komen. Daarna alles in regeling. Werk perfect.
Gelaagdheid gebruiken, ook niet aan gedacht.
De WW van de 400l boiler die ik op het oog heb/had is 1.1m2 aan oppervlakte.
Ik zal eens verdiepen in het gebruiken van gelaagdheid, bedankt!
[ Voor 14% gewijzigd door sparkly op 23-03-2022 21:35 ]
LG Therma V HM163M U33 / 5kWp Zuid - 7,2kWp West - 2,8kWp Oost / 48HP 300l / 3x Multiplus 2/5000, 40kWh LFP. BMW iX3 2022
Isolatie kan dus enorm uitmaken, bij ons is de wp voor verwarming al vanaf 10 maart uit. Hij heeft nog een keer een SWW run gedaan, omdat mijn vrouw in bad ging. Ik sta daar nooit zo bij stil. Huis uit 2015 wat extra geisoleerd is bij de bouw.Helhond schreef op woensdag 23 maart 2022 @ 16:16:
[...]
Onze '72 woning is goed geisoleerd, maar niet geweldig. s'ochtends is het dan ergens tussen de 19-20°C.
Terwijl het normaal rond de 21°C wordt gehouden met de warmtepomp, dit neem ik maar voor lief, en zolang de WAF tevreden is met de ochtend temperatuur blijft de warmtepomp uit.
Door het invallend zonlicht is warmte de woonkamer al gauw in de ochtend op.
Ik zat te overwegen om koelen aan te gaan zetten.... De temperatuur van de massa komt inmiddels 's nachts niet meer onder de 21 graden en de luchttemperatuur (hoger meetpunt) heeft een minimum van 22 graden inmiddels. Orientatie op de zon is daarbij ook enorm belangrijk, zolang de screens niet gebruikt worden, komt er veel zonnewarmte binnen.
-Geen legionella issuessparkly schreef op woensdag 23 maart 2022 @ 21:15:
Dank voor je reactie.
Ik ben heel benieuwd waarom jij dus wel voor een tapwaterspiraal zou gaan. Wat zie ik over het hoofd. Kun je mij eens proberen te overtuigen. Wat zijn de voor en nadelen.
-geen periodieke kosten voor die magnesium sticks
-meerdere bronnen kunnen warmte leveren want die hoeven niet op een spiraal, kan op vat zelf
-je bent stuk flexibeler ivm gelaagdheid
-Je hoeft alleen 't bovenste stuk SWW warm te houden, als het onderste stuk 30-40 graden is, verwarmt dat al het grootste deel voor van je SWW, dus scheelt veel water op SWW temp houden en bijbehorend stilstand verlies.
-Collectoren kunnen meer bijdragen onderin 't vat, want daar is de temp lager.
-Volgens mij ook goedkoper, want niet je hele vat hoeft rvs te zijn, alleen 1 spiraal.
Ik zou wel voor een groot vat gaan, dus stuk groter dan je SWW behoefte. Gelaagdheid is allemaal stuk minder in een klein vat, je moet wel beetje volume hebben. De spiralen hebben ook stukken meer oppervlakte en dat scheelt wel in de warmteoverdracht.
Meerdere, collectoren op de bovenste spiraal en de onderste. Als de bovenste helft SWW warm is, schakelt ie met een 3 weg klep naar de onderste spiraal voor afgifte. Dan kan je de wp aanvoer via het vat laten lopen, maar wel onder de bovenste spiraal zodat ie de bovenste helft niet koud trekt.Hoe voorkom je met zo'n vat dat de opgevangen zonne-warmte "verloren" gaat naar de verwarming van het huis, terwijl de WP hier helemaal geen ondersteuning voor nodig heeft?
Zijn hier mensen die zo'n systeem gebruiken?
Warmte blijft boven want dat is lichter, kou zakt naar beneden.
Ik heb zelf de wp ook nog bovenin gekoppeld met 3 weg klep, zodat de wp ook SWW kan maken (of 't laatste stuk als de collectoren 't niet redden, einde van de middag doet ie dat).
Tja, ligt er beetje aan wat je wilt. Collectoren (zeker heatpipes) halen makkelijk 30 graden en kunnen dan dus meehelpen voor de verwarming. Maar in de winter haal je SWW temperaturen niet. Zonde als ze dan niks doen.Ik verwacht juist dat ik alle zonne-energie nodig heb voor SWW. De WP heeft ruim voldoende capaciteit voor verwarming van het huis en werkt prima.
Mijn WP heeft ook zat capaciteit, maar de Cop van collectoren is veeeel beter. Kost alleen maar pompstroom, verder niks. En zeker op dit soort dagen, Dr komt zo veel warmte uit, echt bizar!
Elke kwh die de wp niet opslurp, hoef je niet te betalen/kan je terugleveren.
Deze winter was amper winter te noemen, maar zo een WP kan behoorlijk slurpen en onder aan de streep kost dat gewoon geld.
14.5 kWP op Zuid, 4x24 CPC heatpipes op Zuid, 1000L Hygienebuffervat met Panasonic WH-MDC09J3E5, Gasloos sinds 2018.
Mijn wp zat op 3.0 m2. Ging dus niet goed. Al moet ik wel bekennen dat ik er toen nog niks aan getuned had. Maar toch, ik zou 't niemand aanraden met zo een grote wp.sparkly schreef op woensdag 23 maart 2022 @ 21:33:
[...]
De WW van de 400l boiler die ik op het oog heb/had is 1.1m2 aan oppervlakte.
Heb je plek voor 1000l oid? Als je zoveel SWW nodig hebt, is een dergelijk volume wel lekker.
14.5 kWP op Zuid, 4x24 CPC heatpipes op Zuid, 1000L Hygienebuffervat met Panasonic WH-MDC09J3E5, Gasloos sinds 2018.
Plaats is geen probleem, garage is groot genoeg. Echter ik wil ook het financiële aspect niet uit het oog verliezen.
Warmtepomp op de spiraal is inderdaad geen optie zie ik nu in dus er zit niets anders op dan een hygieneboiler.
Heb jij toevallig een schema van jouw situatie die je wil delen?
Baapje327 schreef op woensdag 23 maart 2022 @ 21:42:
[...]
-Geen legionella issues
-geen periodieke kosten voor die magnesium sticks
-meerdere bronnen kunnen warmte leveren want die hoeven niet op een spiraal, kan op vat zelf
-je bent stuk flexibeler ivm gelaagdheid
-Je hoeft alleen 't bovenste stuk SWW warm te houden, als het onderste stuk 30-40 graden is, verwarmt dat al het grootste deel voor van je SWW, dus scheelt veel water op SWW temp houden en bijbehorend stilstand verlies.
-Collectoren kunnen meer bijdragen onderin 't vat, want daar is de temp lager.
-Volgens mij ook goedkoper, want niet je hele vat hoeft rvs te zijn, alleen 1 spiraal.
Ik zou wel voor een groot vat gaan, dus stuk groter dan je SWW behoefte. Gelaagdheid is allemaal stuk minder in een klein vat, je moet wel beetje volume hebben. De spiralen hebben ook stukken meer oppervlakte en dat scheelt wel in de warmteoverdracht.
[...]
Meerdere, collectoren op de bovenste spiraal en de onderste. Als de bovenste helft SWW warm is, schakelt ie met een 3 weg klep naar de onderste spiraal voor afgifte. Dan kan je de wp aanvoer via het vat laten lopen, maar wel onder de bovenste spiraal zodat ie de bovenste helft niet koud trekt.
Warmte blijft boven want dat is lichter, kou zakt naar beneden.
Ik heb zelf de wp ook nog bovenin gekoppeld met 3 weg klep, zodat de wp ook SWW kan maken (of 't laatste stuk als de collectoren 't niet redden, einde van de middag doet ie dat).
[...]
Tja, ligt er beetje aan wat je wilt. Collectoren (zeker heatpipes) halen makkelijk 30 graden en kunnen dan dus meehelpen voor de verwarming. Maar in de winter haal je SWW temperaturen niet. Zonde als ze dan niks doen.
Mijn WP heeft ook zat capaciteit, maar de Cop van collectoren is veeeel beter. Kost alleen maar pompstroom, verder niks. En zeker op dit soort dagen, Dr komt zo veel warmte uit, echt bizar!
Elke kwh die de wp niet opslurp, hoef je niet te betalen/kan je terugleveren.
Deze winter was amper winter te noemen, maar zo een WP kan behoorlijk slurpen en onder aan de streep kost dat gewoon geld.
LG Therma V HM163M U33 / 5kWp Zuid - 7,2kWp West - 2,8kWp Oost / 48HP 300l / 3x Multiplus 2/5000, 40kWh LFP. BMW iX3 2022
Als je geen data van je verwarming hebt raad ik aan een energie berekening van je huis te maken. Anders weet je echt niet wat je moet bouwen.sparkly schreef op woensdag 23 maart 2022 @ 22:37:
Dank voor je zeer uitgebreide reactie. Ik zie nu de voordelen ook in van zo'n systeem!
Plaats is geen probleem, garage is groot genoeg. Echter ik wil ook het financiële aspect niet uit het oog verliezen.
Warmtepomp op de spiraal is inderdaad geen optie zie ik nu in dus er zit niets anders op dan een hygieneboiler.
Heb jij toevallig een schema van jouw situatie die je wil delen?
[...]
Hier link van mijn systeem met hygiene spiraal.
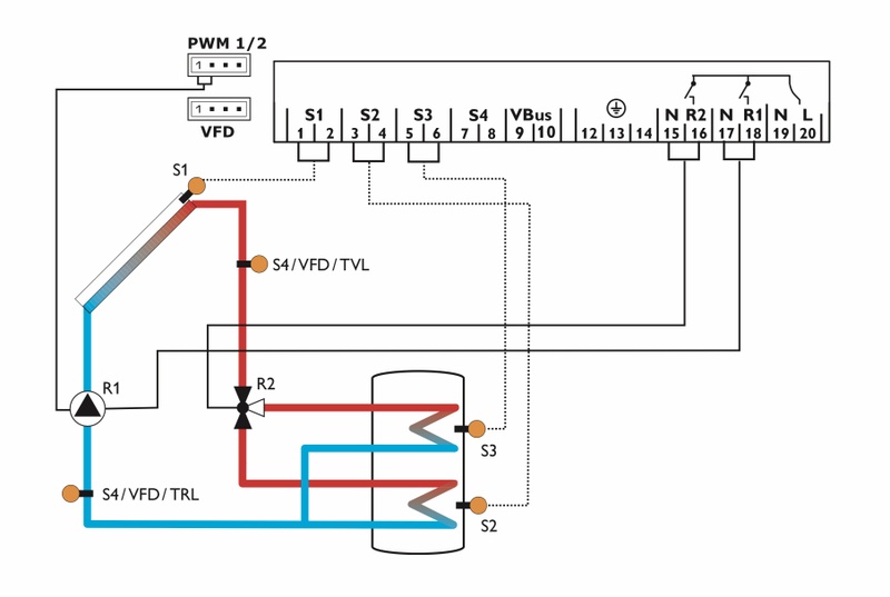
https://www.vbus.net/scheme/16bb90c128c21305a9a465d4d6da081f
Als je nou een boiler voor een warmtepomp aansluit op je monoblock en een drieweg klep ertussen kan je al van het gas af. En als je en warmtepomp / zonneboiler komt kan je daar ook nog collectoren op aansluiten voor ondersteuning. Dan blijft de warmtepomp ook uit zomers.sparkly schreef op woensdag 23 maart 2022 @ 17:45:
Hallo allemaal.
Graag zou ik jullie als ervaringsdeskundigen inschakelen voor wat advies mbt zonnesystemen.
Sinds we in onze woning (1992 140m2, vrijstaand, + verwarmde garage 100m2) zijn getrokken 2 jaar geleden hebben we de volgende aanpassingen gedaan.
- Hout CV installatie
- 32 zonnepanelen Solaredge (16 zuid, 16 west 2x 5kwp)
- Warmtepomp LG Therma V monoblock 16kw (Zonder buffer, deels radiatoren deels vloervervarming)
- Inductieplaat
- Airco's (woonkamer en slaapkamer)
Graag zou ik de volgende stap zetten met een zonneboiler om te kijken of het mogelijk is gasloos te gaan. Dit vooral omdat het subsidiebedrag bij sommige sets soms het aanschafbedrag overstijgt. Dat is dus gratis geld en goed voor de WAF. De CV ketel blijft hangen voor SWW totdat blijkt dat deze écht niet meer nodig is.
De zonneboiler sets die voornamelijk "gratis" zijn na aftrek van subsidie zijn allemaal als volgt:
- Zonnecollectoren vlakkeplaat
- Zonneboiler met 2 spiralen(onder/boven)
Wat ik vaak zie echter in de combinatie met Warmtepomp is:
- Zonnecollectoren vlakkeplaat
- Hygieneboiler (Tapwaterspiraal, + 2 normale spiralen) Voordeel geen legionella runs nodig.
Het vat wordt dan als het ware als warmtepomp CV buffervat gebruikt. Echter deze sets komen een euro'tje of 1500 aan subsidie tekort. En het lijkt me complex gezien de warmtepomp draait op CV water van 28-32 gr C en de opgevangen zonnewarmte dan het verwarmingscircuit in zal gaan in plaats van opslag voor sanitair warmwater. Ik wil echt het sanitair WW scheiden van de verwarming en het systeem zo simpel mogelijk houden. Ik geloof in less-is-more en daarbij is dat vaak financieel verantwoord.
Wat ik me afvraag is of het zou kunnen werken als ik de warmtepomp koppel aan de bovenste spiraal van een gewone zonneboiler zodat de warmtepomp bij kan springen als de watertemp te veel zakt. Dit zal ook gebeuren ivm 2 regendouches en een 500l whirlpool.
Met oog op stoppen salderen is het ook een stuk handiger omdat tijdens de zonnepanelen zon-uren het boilervat middels warmtepomp opgewarmd kan worden zonder dat het huis meeverwarmd moet worden.
Daarnaast kan de ketel het SWW ook verwarmen. Zie bijgevoegde schetsen.
Dit is het goedkoopst in aanschaf en mocht de cv-ketel weg gaan dan kan de warmtepomp de zonneboiler constant op temperatuur houden. Legionellabestrijding via elektrisch element.
Monitoring via Home Assistant natuurlijk
Graag jullie feedback/ervaringen met beide systemen.
Alvast bedankt!
Danny
[Afbeelding]
[Afbeelding]
Deze bv.
/f/image/lhiETxw9iVJ7KLM81VZABXBg.png?f=fotoalbum_large)
[ Voor 9% gewijzigd door Adriaan71 op 24-03-2022 07:12 ]
Het zou wat vreemd zijn de Nordic Fire te branden wanneer je de warmte niet kunt gebruiken..sparkly schreef op woensdag 23 maart 2022 @ 20:06:
Daar kiezen we bewust niet voor.
Op het moment dat de hout-cv brandt dan hebben we alle warmte van de hout-cv nodig in het huis. Theoretisch geeft de kachel 10kw af aan het water.
In de praktijk halen we gemiddeld 2-6kW. Precies genoeg om het huis comfortabel te houden. De garage blijft dan wel wat frisser, maar dat is niet erg.
Je kiest er dus voor om 4kW hoogwaardige warmte laagwaardig in te zetten en vervolgens met een apparaat dat uitblinkt in laagwaardige warmte die 4kW hoogwaardige warmte weer te gaan maken. D.w.z. je kiest er bewust voor die 4kW ca. 2x zo duur te maken.
Hoe kan je op watertemperatuur stoken als het water stilstaat? (dus zonder losse kamer thermostaat)Gwaihir schreef op woensdag 23 maart 2022 @ 17:23:
[...]
Ook dat is 'n instelling. Op 'n gegeven moment gaan ze die pomp wel pauzeren als er langere tijd geen vraag is.
(Misschien heb je dat al uitgezet omdat er bij jou door de ZB dus wél vraag kan zijn, ondanks een warme retour.)
Zover ik weet kan het niet, (maar laat me graag het tegen deel bewijzen) en lijkt het mij ook niet logisch.
Daar ben ik het niet helemaal mee eens, dat vereist vaak onnodig dure en complex installaties.Solar Masters schreef op woensdag 23 maart 2022 @ 17:08:
[...]
Daarom kun je juist beter naar 1 regeling voor alles! Daarnaast kun je de systemen door ook veel makkelijker samen laten werken ipv tegen elkaar.....
Bij mij werkt nu alles in "symbiose". Als het ene systeem uitvalt blijft het andere gewoon functioneren.
De minimale handeling die ik moet uitvoeren (1 a 2x in het voor- en najaar het systeem in/uitschakelen) is verwaarloosbaar.
We zijn beland op een punt dat onze tussenwoning uit '72 midden in de stad niet verder geisoleerd kan worden. Alles is nageisoleerd (in zover al mogelijk) Beglazing is HR++ (met kunststof spacers), triple kan kostentechnisch niet uit, althans niet met de meerprijs die destijds werd gerekend.jerh schreef op woensdag 23 maart 2022 @ 21:41:
[...]
Isolatie kan dus enorm uitmaken, bij ons is de wp voor verwarming al vanaf 10 maart uit. Hij heeft nog een keer een SWW run gedaan, omdat mijn vrouw in bad ging. Ik sta daar nooit zo bij stil. Huis uit 2015 wat extra geisoleerd is bij de bouw.
Ik zat te overwegen om koelen aan te gaan zetten.... De temperatuur van de massa komt inmiddels 's nachts niet meer onder de 21 graden en de luchttemperatuur (hoger meetpunt) heeft een minimum van 22 graden inmiddels. Orientatie op de zon is daarbij ook enorm belangrijk, zolang de screens niet gebruikt worden, komt er veel zonnewarmte binnen.
Enige waar ik nog naar mogelijkheden zoek is Ventilatie-WTW en die dan op de vrije spiraal van de zonneboiler te plaatsen.
Maar we mogen in onze handjes knijpen dat we gasloos zijn en (vrijwel) NOM. Buren om ons heen betalen zich blauw aan energie (200-400 euro p.m.). Ook heb ik alles zelf nog mogen installeren en de subsidie ervoor mogen ontvangen, de timing was elke keer perfect
ZB: 60HP op 2x250L Orientatie: WZW 68°; Douche-WTW; PV: 18x QCell 6390Wp Noord/Zuid, APS QS1+YC600; WP: Panasonic 7kW J-gen ; Gasloos sinds 07-2020
Ik snap de redenatie. Echter, als de Hout-CV brandt wordt álle warmte opgebruikt in de radiatoren en de vloer. Als de Nordic Fire brand wordt alle warmte dus al nuttig gebruikt. Daarnaast brandt deze niet meer zo vaak als voorheen sinds de plaatsing van de warmtepomp. Laatste keer branden was November.Gwaihir schreef op donderdag 24 maart 2022 @ 08:48:
[...]
Het zou wat vreemd zijn de Nordic Fire te branden wanneer je de warmte niet kunt gebruiken..
Je kiest er dus voor om 4kW hoogwaardige warmte laagwaardig in te zetten en vervolgens met een apparaat dat uitblinkt in laagwaardige warmte die 4kW hoogwaardige warmte weer te gaan maken. D.w.z. je kiest er bewust voor die 4kW ca. 2x zo duur te maken.
We hebben hem gekocht voor de gezelligheid en de CV-koppeling is meer een nuttige bijkomstigheid die de "warm-beneden-koud-boven" situatie voorkomt.
Ik ben overtuigd van de keuze voor een RVS tapwaterspiraal met een buffervat. Eerste offerte is binnen:Adriaan71 schreef op donderdag 24 maart 2022 @ 07:10:
[...]
Als je nou een boiler voor een warmtepomp aansluit op je monoblock en een drieweg klep ertussen kan je al van het gas af. En als je en warmtepomp / zonneboiler komt kan je daar ook nog collectoren op aansluiten voor ondersteuning. Dan blijft de warmtepomp ook uit zomers.
Deze bv.
[Afbeelding]
[Afbeelding]
4x vlakkeplaat collector
500 liter hygienebuffer/bufferboiler, 1 sanitair spiraal, 2 extra (boven+onder) spiralen.
€4856 - €3388 subsidie. Enkel de solar leiding niet inbegrepen.
Levertijd helaas 3+ maanden.
LG Therma V HM163M U33 / 5kWp Zuid - 7,2kWp West - 2,8kWp Oost / 48HP 300l / 3x Multiplus 2/5000, 40kWh LFP. BMW iX3 2022
Het is ook niet logisch een pomp zo maar te laten draaien om uur na uur hetzelfde te constateren: niets te doen. Da's verspilde energie.Helhond schreef op donderdag 24 maart 2022 @ 09:21:
Hoe kan je op watertemperatuur stoken als het water stilstaat? (dus zonder losse kamer thermostaat)
Zover ik weet kan het niet, (maar laat me graag het tegen deel bewijzen) en lijkt het mij ook niet logisch.
Ik heb 't maar vluchtig gelezen, want het is hier niet van toepassing, maar mijn WP heeft dus 'n instelling voor 'pauzes laten vallen ja/nee', die standaard aan staat. Ik begreep dat 't zoiets is van na twee uur voor noppes pompen het twee uurtjes later maar weer 'ns een aantal minuten proberen. Etc.
@Lennarthenk @BarryH ik heb een offerte voor een setje. Volgens mij is dit een tank die geschikt zou zijn?BarryH schreef op zondag 13 maart 2022 @ 17:31:
@Bensherman @Lennarthenk
Ja, zodra je boilervatwarmer is dan je VVW retour gaat het al helpen.
Verder hangt eea af van je setup.
Je kan b.v. kiezen voor
Vat gevuld met SWW, ZB warmt vat op via spiraal1. spiraal2 door vat (in het midden?) wat in je VVW circuit zit met een schakeling (erdoor als de boiler warmer dan VVW retour) en een derde spiraal bovenin waarmee de WP de top van de boiler naar 55 graden+ kan brengen als dat nodig is. Vervolgens de SWWrun van de WP b.v. vanaf 1900 uur doen (de ZB collector voert dan geen warmte toe.
Warmte bovenin het vat is dan gereserveerd voor SWW en warmte in het midden voor verwarmingsondersteuning.
Weet je dat zeker? Het is mijn beeld nl. dat het langs je heen gaat.sparkly schreef op donderdag 24 maart 2022 @ 09:22:
Ik snap de redenatie.
Er is niet meer zoiets als "de warmte". Dat komt uit de tijd dat we nogal lomp met de CV-ketel om gingen en is met de komst van zowel warmtecollectoren als WPs definitief voorbij: de ene temperatuur warmte is de andere niet. Zowel de WP als de warmtecollector leveren pakweg dubbel zoveel op als ze dat op VVW temperatuur mogen doen i.p.v. SWW temperatuur. Zo'n haard daarentegen, levert altijd 60 graden of meer.Echter, als de Hout-CV brandt wordt álle warmte opgebruikt in de radiatoren en de vloer. Als de Nordic Fire brand wordt alle warmte dus al nuttig gebruikt.
Ok, dat verandert de zaak nogal. Dan is het wel logisch, ja.Daarnaast brandt deze niet meer zo vaak als voorheen sinds de plaatsing van de warmtepomp. Laatste keer branden was November.
We hebben hem gekocht voor de gezelligheid en de CV-koppeling is meer een nuttige bijkomstigheid die de "warm-beneden-koud-boven" situatie voorkomt.
(Uit je opening ermee als "hout-CV" kreeg ik 'n andere indruk.)
[En ten aanzien van je andere vraag: lees maar 'ns een flink stuk. Er wordt volop verteld over de installaties die eenieder heeft
[ Voor 5% gewijzigd door Gwaihir op 24-03-2022 10:01 ]
5670PV op OzOOO, 5640PV op WnWWW, 3150PV op muur op ZZZW, vloerisolatie, HR++,dakisolatie, PANA 9Jmonoblock WP, Ioniq EV 2017
Hartelijk dank voor je input. Het wordt gewaardeerd.Gwaihir schreef op donderdag 24 maart 2022 @ 09:42:
[...]
Weet je dat zeker? Het is mijn beeld nl. dat het langs je heen gaat.
[...]
Er is niet meer zoiets als "de warmte". Dat komt uit de tijd dat we nogal lomp met de CV-ketel om gingen en is met de komst van zowel warmtecollectoren als WPs definitief voorbij: de ene temperatuur warmte is de andere niet. Zowel de WP als de warmtecollector leveren pakweg dubbel zoveel op als ze dat op VVW temperatuur mogen doen i.p.v. SWW temperatuur. Zo'n haard daarentegen, levert altijd 60 graden of meer.
[...]
Ok, dat verandert de zaak nogal. Dan is het wel logisch, ja.
(Uit je opening ermee als "hout-CV" kreeg ik 'n andere indruk.)
[En ten aanzien van je andere vraag: lees maar 'ns een flink stuk. Er wordt volop verteld over de installaties die eenieder heeft.]
Ik begrijp dat de cv-haard opereert op 60gr en de warmtepomp/zonnecollector in dat gebied een stuk minder efficiënt is.
Echter, de cv-haard willen we alleen stoken als we daar zin in hebben (en haardhout is het nieuwe goud, is ook niet meer gratis).
Als beide systemen 24/7 beschikbaar waren zou ik natuurlijk de houtkachel gebruiken voor hoog-temp sanitair warmwater en de warmtepomp voor laag-temp verwarming.
Het gaat mij er om dat er uiteindelijk een betrouwbaar systeem staat die altijd werkt. Ook bij uitval van 1 van de systemen. Daarnaast dient de investering zo dicht mogelijk bij het subsidiebedrag te liggen.
Ik zal eens goed naar de systemen van forumleden kijken.
Tot zover bedankt nogmaals.
LG Therma V HM163M U33 / 5kWp Zuid - 7,2kWp West - 2,8kWp Oost / 48HP 300l / 3x Multiplus 2/5000, 40kWh LFP. BMW iX3 2022
Dit vat is volgens mij niet geschikt om te vullen met SWW. Dit is de hygieneboiler die ik ook op het oog heb.Bensherman schreef op donderdag 24 maart 2022 @ 09:34:
[...]
@Lennarthenk @BarryH ik heb een offerte voor een setje. Volgens mij is dit een tank die geschikt zou zijn?[Afbeelding]
SWW gaat bij deze via de grote RVS spiraal.
LG Therma V HM163M U33 / 5kWp Zuid - 7,2kWp West - 2,8kWp Oost / 48HP 300l / 3x Multiplus 2/5000, 40kWh LFP. BMW iX3 2022
Dit begrijp ik niet zo goed en wellicht is er een logische uitleg; is het niet zo dat de pomp automatisch harder gaat werken (PWM) op het moment dat er teveel warmte in de heatpipes blijft hangen?Bartolomus schreef op woensdag 23 maart 2022 @ 10:40:
[...]
Mijn advies is voor iedereen met een ribbelbuis als leiding deze te vervangen voor een gladde koper buis. Uiteraard bij de dak doorvoer is een ribbelbuis wel handig daar zit bij mij ook 2 meter in. Scheelt erg veel in je doorzet.
Met andere woorden: als er een minder goede flow is, werkt de pomp harder? In dat geval zou dit pas een oplossing zijn als de pomp op 100% dit niet kan bijbenen?
Hygienische bufferboiler 500liter met dubbelle spiraal en rvs tapwaterspiraal.
Solar Pompgroep met A+ pomp.
Expansievat solar uitvoering.
Eerste klas controller MTDC van SOREL A+++ met 3 sensoren.
Antivries 20L Milieuvriendelijk hoge temperatuur bestendig.
Vulpomp om uw systeem te vullen (heel belangrijk)
Nog benodigd indien je besluit dit pakket aan te schaffen is het leidingwerk van het warme water tussen collectoren en de boiler en de cv ketel, alsmede de daarvoor benodigde knelfittingen.
Het koude water wat eerst de cv ketel inging sluit je aan op de boiler, het warme voorverwarmde water uit de boiler sluit U aan op de koudwater ingang van de cv ketel.
Dit is de tekst bij de offerte. Wat mist er dan?
Het water zou na de boiler naar de warmtepomp moeten gaan ipv de cv die er staat.
Resol is wel heel erg de standaard..Bensherman schreef op donderdag 24 maart 2022 @ 12:39:
Eerste klas controller MTDC van SOREL A+++ met 3 sensoren.
Huh? Een WP is geen doorstroomverwarmer.. je hebt 't dus over eentje met een vat erin.. waar je nu een vat naast wilt zetten? Dat klinkt niet onverdeeld logisch..Het water zou na de boiler naar de warmtepomp moeten gaan ipv de cv die er staat.
Klopt helemaal en dat is precies wat ik bedoel. Als je ipv ribbelbuis gladde buis neemt kun je met dezelfde pomp zeer veel meer m3 door je systeem draaien. Daardoor kun je veel meer en sneller opbrengst genereren.Hendrik85 schreef op donderdag 24 maart 2022 @ 11:24:
[...]
Dit begrijp ik niet zo goed en wellicht is er een logische uitleg; is het niet zo dat de pomp automatisch harder gaat werken (PWM) op het moment dat er teveel warmte in de heatpipes blijft hangen?
Met andere woorden: als er een minder goede flow is, werkt de pomp harder? In dat geval zou dit pas een oplossing zijn als de pomp op 100% dit niet kan bijbenen?
Begin steeds meer te snappen dat mensen opzien tegen ingewikkelde systemen. Je wilt het goed doen door ook de zon te gebruiken als verduurzaming, maar krijg zo meer en meer de neiging er “gewoon” een WP in te zetten met wat extra panelen en een simpele boiler.Gwaihir schreef op donderdag 24 maart 2022 @ 13:18:
[...]
Resol is wel heel erg de standaard..
[...]
Huh? Een WP is geen doorstroomverwarmer.. je hebt 't dus over eentje met een vat erin.. waar je nu een vat naast wilt zetten? Dat klinkt niet onverdeeld logisch..
ik heb wat moeite met het begrijpen wat jij schrijft. is dat stukje tekst van jou of staat dat in de offerte? wat was jouw wens toen je die offerte aanvroeg?Bensherman schreef op donderdag 24 maart 2022 @ 14:06:
[...]
Begin steeds meer te snappen dat mensen opzien tegen ingewikkelde systemen. Je wilt het goed doen door ook de zon te gebruiken als verduurzaming, maar krijg zo meer en meer de neiging er “gewoon” een WP in te zetten met wat extra panelen en een simpele boiler.
ik begrijp ook niet zo wat jij wilt.
een systeem kan zo simpel of ingewikkeld zijn als het maar duidelijk is wat je wensen zijn: mijn wensen waren toendertijd simpel: ik moest van het gas af, dus ik wil verwarmen met een warmtepomp, maar ik wil ook altijd warm water en niet werken met een boiler, dus kreeg ik een doorstroomverwarmer.
ik wil niet de hoofdprijs betalen voor warm water, dus de doorstroomverwarmer krijgt voorverwarmd water uit de hygieneboiler van de warmtepomp. omdat ik nog plek/subsidie hb, wordt die hygieneboiler ook bijverwarmd met de zonneboiler.
dit resulteerde in dit:
[ Voor 38% gewijzigd door kmf op 24-03-2022 14:27 ]
One thing's certain: the iPad seriously increases toilet time.. tibber uitnodigingscode: bqufpqmp
Dit is precies het systeem wat ik voor ogen heb. Maar het tapwater zit niet in het vat zelf, maar in de RVS spiraal in het vat.Bensherman schreef op donderdag 24 maart 2022 @ 12:39:
@sparkly
Hygienische bufferboiler 500liter met dubbelle spiraal en rvs tapwaterspiraal.
Solar Pompgroep met A+ pomp.
Expansievat solar uitvoering.
Eerste klas controller MTDC van SOREL A+++ met 3 sensoren.
Antivries 20L Milieuvriendelijk hoge temperatuur bestendig.
Vulpomp om uw systeem te vullen (heel belangrijk)
Nog benodigd indien je besluit dit pakket aan te schaffen is het leidingwerk van het warme water tussen collectoren en de boiler en de cv ketel, alsmede de daarvoor benodigde knelfittingen.
Het koude water wat eerst de cv ketel inging sluit je aan op de boiler, het warme voorverwarmde water uit de boiler sluit U aan op de koudwater ingang van de cv ketel.
Dit is de tekst bij de offerte. Wat mist er dan?
Het water zou na de boiler naar de warmtepomp moeten gaan ipv de cv die er staat.
Simpel gezegd, het vat is gevuld met CV-water welke wordt verwarmd middels zonnecollectoren (onderste spiraal) en de warmtepomp (direct op het vat)
Het TAP-water (in de tapwaterspiraal) wordt dan weer voorverwarmd door de warme inhoud (CV-water) van het vat.
Je tapwater sluit je zo aan:
- Spiraal in: koud water ingang
- Spiraal uit: uitgang warm/voorverwarmd water, naar de CV ketel toe.
LG Therma V HM163M U33 / 5kWp Zuid - 7,2kWp West - 2,8kWp Oost / 48HP 300l / 3x Multiplus 2/5000, 40kWh LFP. BMW iX3 2022
Wat ik wil is:kmf schreef op donderdag 24 maart 2022 @ 14:21:
[...]
ik heb wat moeite met het begrijpen wat jij schrijft. is dat stukje tekst van jou of staat dat in de offerte? wat was jouw wens toen je die offerte aanvroeg?
ik begrijp ook niet zo wat jij wilt.
een systeem kan zo simpel of ingewikkeld zijn als het maar duidelijk is wat je wensen zijn: mijn wensen waren toendertijd simpel: ik moest van het gas af, dus ik wil verwarmen met een warmtepomp, maar ik wil ook altijd warm water en niet werken met een boiler, dus kreeg ik een doorstroomverwarmer.
ik wil niet de hoofdprijs betalen voor warm water, dus de doorstroomverwarmer krijgt voorverwarmd water uit de hygieneboiler van de warmtepomp. omdat ik nog plek/subsidie hb, wordt die hygieneboiler ook bijverwarmd met de zonneboiler.
dit resulteerde in dit:
[Afbeelding]
De cv ketel, weg doen en vervangen voor een WP icm zonneboiler.
Ik heb vloerverwarming en er moet altijd genoeg warm tapwater voor douche enzo zijn voor 4p en er is een bad. Het idee is om met de ZB in de zomer het tapwater hiermee op te warmen en in de lente en herfst (en enkele winterse dag) de boiler te helpen door het vvw deels op te warmen zodat de WP het iets makkelijker heeft. Dit heb ik ook doorgeven.
Ook op dit forum krijg ik echter verschillende antwoorden of de offerte die ik heb voor mijn wensen geschikt zijn.
Dit lijkt wel op wat ik ook zoek, ik zal je site even doorlezen.kmf schreef op donderdag 24 maart 2022 @ 14:21:
[...]
ik heb wat moeite met het begrijpen wat jij schrijft. is dat stukje tekst van jou of staat dat in de offerte? wat was jouw wens toen je die offerte aanvroeg?
ik begrijp ook niet zo wat jij wilt.
dit resulteerde in dit:
[Afbeelding]
Dus als ik het goed zie zonneboiler verwarmt alleen onderkant en wp bovenkant?kmf schreef op donderdag 24 maart 2022 @ 14:21:
[...]
ik heb wat moeite met het begrijpen wat jij schrijft. is dat stukje tekst van jou of staat dat in de offerte? wat was jouw wens toen je die offerte aanvroeg?
ik begrijp ook niet zo wat jij wilt.
een systeem kan zo simpel of ingewikkeld zijn als het maar duidelijk is wat je wensen zijn: mijn wensen waren toendertijd simpel: ik moest van het gas af, dus ik wil verwarmen met een warmtepomp, maar ik wil ook altijd warm water en niet werken met een boiler, dus kreeg ik een doorstroomverwarmer.
ik wil niet de hoofdprijs betalen voor warm water, dus de doorstroomverwarmer krijgt voorverwarmd water uit de hygieneboiler van de warmtepomp. omdat ik nog plek/subsidie hb, wordt die hygieneboiler ook bijverwarmd met de zonneboiler.
dit resulteerde in dit:
[Afbeelding]
Dat zou ik al eens omdraaien. En gebruik een booster met juiste sturing. Wp kun je nog steeds ook aan de bovenkant zetten.
Doet wp bij -10 ook nog 45 graden halen?
warmtepomp gaat over hele vat. zb gaat door onderste hygiene-spiraal.Bartolomus schreef op donderdag 24 maart 2022 @ 15:36:
[...]
Dus als ik het goed zie zonneboiler verwarmt alleen onderkant en wp bovenkant?
Dat zou ik al eens omdraaien. En gebruik een booster met juiste sturing. Wp kun je nog steeds ook aan de bovenkant zetten.
Doet wp bij -10 ook nog 45 graden halen?
het vat bevat dus CV-water.
de wp doet bij -10 gewoon 30 graden.
de doorstroomverwarmer welke door de 2e spiraal gaat verwarmt de resterende 15 graden in realtime voor de douche.
[ Voor 7% gewijzigd door kmf op 24-03-2022 15:41 ]
One thing's certain: the iPad seriously increases toilet time.. tibber uitnodigingscode: bqufpqmp
Ik neem aan dat de tweede spiraal welke je bedoeld de hygiëne spiraal door het gehele vat is. Wat gaat er dan door de bovenste spiraal?kmf schreef op donderdag 24 maart 2022 @ 15:38:
[...]
warmtepomp gaat over hele vat. zb gaat door onderste hygiene-spiraal.
het vat bevat dus CV-water.
de wp doet bij -10 gewoon 30 graden.
de doorstroomverwarmer welke door de 2e spiraal gaat verwarmt de resterende 15 graden in realtime voor de douche.
swwBartolomus schreef op donderdag 24 maart 2022 @ 16:09:
[...]
Ik neem aan dat de tweede spiraal welke je bedoeld de hygiëne spiraal door het gehele vat is. Wat gaat er dan door de bovenste spiraal?
One thing's certain: the iPad seriously increases toilet time.. tibber uitnodigingscode: bqufpqmp
Heb je twee of drie spiralen? De tekening zegt drie.
2 spiralen.Bartolomus schreef op donderdag 24 maart 2022 @ 18:33:
[...]
Heb je twee of drie spiralen? De tekening zegt drie.
de tekening is schematisch, ik had geen geschikte tekening van mijn hygieneboiler gevonden.
One thing's certain: the iPad seriously increases toilet time.. tibber uitnodigingscode: bqufpqmp
Ja minder weerstand dan hoeft je pomp minder te werken, maar wek je daardoor meer op? Zolang je pomp niet de 100% aantikt en de collector dan steeds warmer wordt, (ergo, hij kan z'n warmte niet kwijt), lijkt me het enigste verlies dat je pomp meer stroom kost.Bartolomus schreef op donderdag 24 maart 2022 @ 13:51:
[...]
Klopt helemaal en dat is precies wat ik bedoel. Als je ipv ribbelbuis gladde buis neemt kun je met dezelfde pomp zeer veel meer m3 door je systeem draaien. Daardoor kun je veel meer en sneller opbrengst genereren.
Of mis ik iets?
14.5 kWP op Zuid, 4x24 CPC heatpipes op Zuid, 1000L Hygienebuffervat met Panasonic WH-MDC09J3E5, Gasloos sinds 2018.
Ja maar ziet er niet zo fancy uit.sparkly schreef op woensdag 23 maart 2022 @ 22:37:
Heb jij toevallig een schema van jouw situatie die je wil delen?
[...]
Die gele maantjes zijn warmtewisselaars.
Niet alle handmatige kleppen staan erop, want dat maakt het onoverzichtelijk. Weet niet waarmee iedereen die fancy tekeningen maakt, maar ik hou me aanbevolen 😁
WP regelt dus de vvw, collectoren stoppen 't vat vol, met prioregeling eerst de bovenkant, daarna onder.
[ Voor 0% gewijzigd door Baapje327 op 24-03-2022 20:30 . Reden: Typo ]
14.5 kWP op Zuid, 4x24 CPC heatpipes op Zuid, 1000L Hygienebuffervat met Panasonic WH-MDC09J3E5, Gasloos sinds 2018.
Draw.ioBaapje327 schreef op donderdag 24 maart 2022 @ 19:53:
[...]
Ja maar ziet er niet zo fancy uit.![]()
Die gele maantjes zijn warmtewisselaars.
Niet alle handmatige plekken staan erop, want dat maakt het onoverzichtelijk. Weet niet waarmee iedereen die fancy tekeningen maakt, maar ik hou me aanbevolen 😁
[Afbeelding]
enphase 8300wp (3460 ZO, 2740 ZW, 2100 NO), 2x20 vacuümbuizen op 300l SWW, Panasonic WH-MXC12J9E8, gasloos sinds Juni 2022 Stromer st3 voor woon-werk
14.5 kWP op Zuid, 4x24 CPC heatpipes op Zuid, 1000L Hygienebuffervat met Panasonic WH-MDC09J3E5, Gasloos sinds 2018.
enphase 8300wp (3460 ZO, 2740 ZW, 2100 NO), 2x20 vacuümbuizen op 300l SWW, Panasonic WH-MXC12J9E8, gasloos sinds Juni 2022 Stromer st3 voor woon-werk
Volgende uitdaging; waar laat ik dat spul? Kan het niet vinden in de KCA lijsten.
Klopt een pomp kost een stuk minder energie als die niet op vol vermogen moet draaien.Baapje327 schreef op donderdag 24 maart 2022 @ 19:46:
[...]
Ja minder weerstand dan hoeft je pomp minder te werken, maar wek je daardoor meer op? Zolang je pomp niet de 100% aantikt en de collector dan steeds warmer wordt, (ergo, hij kan z'n warmte niet kwijt), lijkt me het enigste verlies dat je pomp meer stroom kost.
Of mis ik iets?
Klopt en is chemisch afval voor de gemeente.MikeyMan schreef op donderdag 24 maart 2022 @ 20:50:
Vanmiddag m'n kapotte collectoren van het dak gehaald. Kwamen twee emmers roze vloeistof uit. Kan ik er vanuit gaan dat dit (ethyleen)glycol is?
Volgende uitdaging; waar laat ik dat spul? Kan het niet vinden in de KCA lijsten.
Kun je het niet hergebruiken?
Er gaan dagen voorbij dat ik geen glycol gebruik.Bartolomus schreef op donderdag 24 maart 2022 @ 21:12:
[...]
Klopt en is chemisch afval voor de gemeente.
Kun je het niet hergebruiken?
Moet denk ik even een jerrycan kopen om het aan te leveren dan
Tenzij iemand hier interesse heeft natuurlijk.
Je hebt maar 1 contact voor de aansturing maar mijn 3 weg klep heeft 2 draadjes voor de aansturing.
Moet ik dan een klep hebben die schakelt als er stroom op staat? (en dus altijd wat stroom vraagt als ie geschakeld staat?)
14.5 kWP op Zuid, 4x24 CPC heatpipes op Zuid, 1000L Hygienebuffervat met Panasonic WH-MDC09J3E5, Gasloos sinds 2018.
Baapje327 schreef op zondag 27 maart 2022 @ 20:02:
Iemand enig idee hoe de resol Cs plus een 3 weg klep aanstuurt?
Je hebt maar 1 contact voor de aansturing maar mijn 3 weg klep heeft 2 draadjes voor de aansturing.
Moet ik dan een klep hebben die schakelt als er stroom op staat? (en dus altijd wat stroom vraagt als ie geschakeld staat?)
:strip_exif()/f/image/C6PGacsWD2F8N1ITT0QdVAe8.jpg?f=fotoalbum_large)
Is dat niet hierop dan?
Is niet te hopen! Dan mag je blij zijn dat je nog leeft als dat er in zat. Een zonneboiler is normaal gevuld met een niet giftig Propyleenglycol!MikeyMan schreef op donderdag 24 maart 2022 @ 20:50:
Vanmiddag m'n kapotte collectoren van het dak gehaald. Kwamen twee emmers roze vloeistof uit. Kan ik er vanuit gaan dat dit (ethyleen)glycol is?
Volgende uitdaging; waar laat ik dat spul? Kan het niet vinden in de KCA lijsten.
Ja en dat is dan het "Ultieme" voorbeeld van wat er mis is in Nederland! Doen wat makkelijk is en iedereen doet en dan denken dat het duurzaam is..... PV panelen i.c.m. een WP betekend dat je draait op subsidie! Zogenaamd opbrengsten waar je niks mee kan in de zomer wegstrepen tegen een verbruik in de winter waarvoor gasturbines en kolencentrales draaien. Het feit dat een huis als dat beschouwd mag worden als een 0 op de meter huis is een schande!Bensherman schreef op donderdag 24 maart 2022 @ 14:06:
[...]
Begin steeds meer te snappen dat mensen opzien tegen ingewikkelde systemen. Je wilt het goed doen door ook de zon te gebruiken als verduurzaming, maar krijg zo meer en meer de neiging er “gewoon” een WP in te zetten met wat extra panelen en een simpele boiler.
Een zonneboiler voor verwarmingsondersteuning i.c.m. Hout, Pelletkachel, WP of gewoon nog een gasketel is in alle gevallen maatwerk! Het is de mooiste en schoonste vorm van energie op aarde en gelukkig is dan 70% van alle zonne-energie op aarde nog steeds Thermisch. In Nederland (maar ook in andere landen) hebben we nu helaas het probleem dat er geen goed opgeleid personeel meer is en we in een vervangingsmarkt terecht zijn gekomen. 2 kabeltjes van een PV paneel aansluiten of een Monobloc Wp met twee leidingen dat gaat nog net maar alles moeilijker dan dat word slecht gepraat of net gedaan of het niet bestaat.
Er zijn een handvol bedrijven in Nederland die een echt goede installatie kunnen maken maar vaak moet je die niet zoeken onder de installateurs maar in de koeltechniek. Die snappen wel het principe van verplaatsen van warmte en wisselaars. Zonnewarmte ligt veel meer in die hoek als je kijkt naar de techniek.
Dit is gewoon te maken en ook de varianten op dit schema met een WP is gewoon nog aan te sturen met de thermostaat en regeling.
:strip_exif()/f/image/NAfyIjH7yyzcLCzG17sqEU5R.jpg?f=fotoalbum_large)
Mooi voorbeeld van wat er mogelijk is! Deze installatie draait nu al 5 weken 100% op de zon. Weersafhankelijk geregelde aanvoertemp van de vloerverwarming voor meer gelaagdheid in het vat. Thermostaat met app. En alles simpel via 1 regeling en alles uitleesbaar via internet. Maar als standaard pakketje is zoiets natuurlijk niet te koop!
Haha ja geen idee. Roze meuk, stinkt wel.Solar Masters schreef op maandag 28 maart 2022 @ 17:48:
[...]
Is niet te hopen! Dan mag je blij zijn dat je nog leeft als dat er in zat. Een zonneboiler is normaal gevuld met een niet giftig Propyleenglycol!
Afvoer probleem blijft denk ik? Of kan dat de grootsteen in?
Baapje327 schreef op zondag 27 maart 2022 @ 20:02:
Iemand enig idee hoe de resol Cs plus een 3 weg klep aanstuurt?
Je hebt maar 1 contact voor de aansturing maar mijn 3 weg klep heeft 2 draadjes voor de aansturing.
Moet ik dan een klep hebben die schakelt als er stroom op staat? (en dus altijd wat stroom vraagt als ie geschakeld staat?)
:strip_exif()/f/image/npNcQQrSkPVaDfvgklYre22o.jpg?f=fotoalbum_large)
:strip_exif()/f/image/58gXkYlHNPJ0YDmDRyAgicyz.jpg?f=fotoalbum_large)
Dus Wago op en L van de voedingskabel van de regeling. Blauw op N en Zwart word dan je schakeldraad die je aansluit op het relais van de regelaar.
Dit is wel een mooie set ja, waarom zit er nog een doorstroomverwarmer in? Het lijkt alsof de boiler 2 spiralen heeft die de warmte kan opwekken als de collectoren of kachel niet warm genoeg worden? 1000l vat?Solar Masters schreef op maandag 28 maart 2022 @ 18:12:
[...]
Ja en dat is dan het "Ultieme" voorbeeld van wat er mis is in Nederland! Doen wat makkelijk is en iedereen doet en dan denken dat het duurzaam is..... PV panelen i.c.m. een WP betekend dat je draait op subsidie! Zogenaamd opbrengsten waar je niks mee kan in de zomer wegstrepen tegen een verbruik in de winter waarvoor gasturbines en kolencentrales draaien. Het feit dat een huis als dat beschouwd mag worden als een 0 op de meter huis is een schande!
Een zonneboiler voor verwarmingsondersteuning i.c.m. Hout, Pelletkachel, WP of gewoon nog een gasketel is in alle gevallen maatwerk! Het is de mooiste en schoonste vorm van energie op aarde en gelukkig is dan 70% van alle zonne-energie op aarde nog steeds Thermisch. In Nederland (maar ook in andere landen) hebben we nu helaas het probleem dat er geen goed opgeleid personeel meer is en we in een vervangingsmarkt terecht zijn gekomen. 2 kabeltjes van een PV paneel aansluiten of een Monobloc Wp met twee leidingen dat gaat nog net maar alles moeilijker dan dat word slecht gepraat of net gedaan of het niet bestaat.
Er zijn een handvol bedrijven in Nederland die een echt goede installatie kunnen maken maar vaak moet je die niet zoeken onder de installateurs maar in de koeltechniek. Die snappen wel het principe van verplaatsen van warmte en wisselaars. Zonnewarmte ligt veel meer in die hoek als je kijkt naar de techniek.
Dit is gewoon te maken en ook de varianten op dit schema met een WP is gewoon nog aan te sturen met de thermostaat en regeling.[Afbeelding]
Mooi voorbeeld van wat er mogelijk is! Deze installatie draait nu al 5 weken 100% op de zon. Weersafhankelijk geregelde aanvoertemp van de vloerverwarming voor meer gelaagdheid in het vat. Thermostaat met app. En alles simpel via 1 regeling en alles uitleesbaar via internet. Maar als standaard pakketje is zoiets natuurlijk niet te koop!
Ja 2 draadjes voor de aansturing en 1 voor de nul. 1 teveel dus voor wat betreft de aansturing 😉
14.5 kWP op Zuid, 4x24 CPC heatpipes op Zuid, 1000L Hygienebuffervat met Panasonic WH-MDC09J3E5, Gasloos sinds 2018.
Zie plaatje solar masters.Baapje327 schreef op maandag 28 maart 2022 @ 21:03:
[...]
Ja 2 draadjes voor de aansturing en 1 voor de nul. 1 teveel dus voor wat betreft de aansturing 😉
Ja ik zag hem, alleen ik snap hem nog niet helemaal.
Moet er ff over slapen misschien en dat ik 't morgen snap🤣
@Solar Masters thanks!
OK ik snap hem. Morgen ff proberen.
[ Voor 6% gewijzigd door Baapje327 op 28-03-2022 22:18 . Reden: Ik snap hem ]
14.5 kWP op Zuid, 4x24 CPC heatpipes op Zuid, 1000L Hygienebuffervat met Panasonic WH-MDC09J3E5, Gasloos sinds 2018.
is t nog mooi doorzichtig roze?MikeyMan schreef op maandag 28 maart 2022 @ 18:18:
[...]
Haha ja geen idee. Roze meuk, stinkt wel.
Afvoer probleem blijft denk ik? Of kan dat de grootsteen in?
dan is t nog goed en te verkopen, spul is behoorlijk duur namelijk...
14.5 kWP op Zuid, 4x24 CPC heatpipes op Zuid, 1000L Hygienebuffervat met Panasonic WH-MDC09J3E5, Gasloos sinds 2018.
Ja het is nog heel erg netjes. Mooi doorzichtig roze. Lijkt net een verse kan koelvloeistof.Baapje327 schreef op dinsdag 29 maart 2022 @ 09:09:
[...]
is t nog mooi doorzichtig roze?
dan is t nog goed en te verkopen, spul is behoorlijk duur namelijk...
Maarja, vind maar eens iemand met interesse.
is altijd Propyleenglycol toch?
14.5 kWP op Zuid, 4x24 CPC heatpipes op Zuid, 1000L Hygienebuffervat met Panasonic WH-MDC09J3E5, Gasloos sinds 2018.
Zeker niet!Baapje327 schreef op dinsdag 29 maart 2022 @ 10:18:
weet iemand of je verschillende merken glycol door elkaar kunt gebruiken?
is altijd Propyleenglycol toch?
Nooit verschillende merken mengen! Als je niet kan uitvinden wat er in zit spoelen met water tot alles eruit is en vullen met nieuwe.
Weet iemand of de HRSolar Advanced Controller (Resol DeltaSol SLL met custom firmware volgens mij, hij mist systeem 11) ook aan te sturen is met aan/uit en/of modulerend en/of met opentherm is aan te sturen om te weten of hij de hitte uit mijn vat moet vrijgeven? Of misschien niet via de controller, maar direct(er) op de pomp?
Binnenkort maar weer even bellen met de installateur, de temperatuur van het SWW loopt erg op (boven 80c) als de zonneboiler warm is (maar beperkt door het mengventiel, dus zou nooit warmer mogen worden dan 65c) en de CV ketel (Intergas kombi kompakt hre 36-30 RF2) aan staat op 55c. Ze hebben niet zoals in de handleiding van de CV ketel staat een koudwatersensor aangebracht voor mijn ketel en ook geen mengventiel na de CV ketel (hier kan ik mij van voorstellen dat deze niet nodig is als de CV ketel niet verwarmd is de invoer temperatuur nooit hoger dan 65c). Ze gaven aan dat de sensor in de CV ketel genoeg zou moeten zijn, dus een sensor ervoor is/was niet nodig.
Solarboiler: Top Senz 200 Nero-3 ⣿⣿ Photovoltaics: 9x LG 320N1K-A5, SE 3000H
Heel mooi overzichtelijk zo. Ik heb hier soortgelijk systeem met extra wp er bij. Enige wat ik niet snap is waarom haalt de vw de warmte boven uit het vat en niet middenin? Hoe groot is je buffervat?Solar Masters schreef op maandag 28 maart 2022 @ 18:12:
[...]
Ja en dat is dan het "Ultieme" voorbeeld van wat er mis is in Nederland! Doen wat makkelijk is en iedereen doet en dan denken dat het duurzaam is..... PV panelen i.c.m. een WP betekend dat je draait op subsidie! Zogenaamd opbrengsten waar je niks mee kan in de zomer wegstrepen tegen een verbruik in de winter waarvoor gasturbines en kolencentrales draaien. Het feit dat een huis als dat beschouwd mag worden als een 0 op de meter huis is een schande!
Een zonneboiler voor verwarmingsondersteuning i.c.m. Hout, Pelletkachel, WP of gewoon nog een gasketel is in alle gevallen maatwerk! Het is de mooiste en schoonste vorm van energie op aarde en gelukkig is dan 70% van alle zonne-energie op aarde nog steeds Thermisch. In Nederland (maar ook in andere landen) hebben we nu helaas het probleem dat er geen goed opgeleid personeel meer is en we in een vervangingsmarkt terecht zijn gekomen. 2 kabeltjes van een PV paneel aansluiten of een Monobloc Wp met twee leidingen dat gaat nog net maar alles moeilijker dan dat word slecht gepraat of net gedaan of het niet bestaat.
Er zijn een handvol bedrijven in Nederland die een echt goede installatie kunnen maken maar vaak moet je die niet zoeken onder de installateurs maar in de koeltechniek. Die snappen wel het principe van verplaatsen van warmte en wisselaars. Zonnewarmte ligt veel meer in die hoek als je kijkt naar de techniek.
Dit is gewoon te maken en ook de varianten op dit schema met een WP is gewoon nog aan te sturen met de thermostaat en regeling.[Afbeelding]
Mooi voorbeeld van wat er mogelijk is! Deze installatie draait nu al 5 weken 100% op de zon. Weersafhankelijk geregelde aanvoertemp van de vloerverwarming voor meer gelaagdheid in het vat. Thermostaat met app. En alles simpel via 1 regeling en alles uitleesbaar via internet. Maar als standaard pakketje is zoiets natuurlijk niet te koop!
Momenteel ben ik de (leegloop) zonneboiler aan het voorbereiden, als ligt al klaar alleen de installatie nog...
Bedoel je met (leegloop) boiler een drukloos, terugloop systeem met alleen maar water?
Ik heb namelijk een defekt Solesta systeem die ik wil reanimeren
[ Voor 1% gewijzigd door ricvee op 30-03-2022 08:23 . Reden: typfout ]
WP: PUD-SWM80YAA + EHSD-VM2D, ESP met HA
Ik heb het toevallig een paar weken geleden bij de gemeente gevraagd. Ik moest het inleveren en mocht het niet door de goot spoelen.MikeyMan schreef op maandag 28 maart 2022 @ 18:18:
[...]
Haha ja geen idee. Roze meuk, stinkt wel.
Afvoer probleem blijft denk ik? Of kan dat de grootsteen in?
When life gives you lemons, start a battery factory
late reactie, maar ik krijg het niet goed werkend.Solar Masters schreef op maandag 28 maart 2022 @ 18:25:
[...]
[Afbeelding]
[Afbeelding]
Dus Wago op en L van de voedingskabel van de regeling. Blauw op N en Zwart word dan je schakeldraad die je aansluit op het relais van de regelaar.
ik heb bovenstaande schema gevolgd, lijkt goed te gaan maar als je de klep schakelt (via het menu, MAN2 en dan op ON), dan krijgt ie een soort tikkend geluid, alsof ie 2 signalen krijgen en dus heen en weer gaat. de klep staat dan stil.
als ik blauw en zwart omwissel, dan krijg ik hetzelfde. alleen de startpositie wordt omgedraaid. (dus hij draait dan een kwartslag als ie stroom heeft op bruin, dit is de normale werking van de klep).
ik heb dezelfde klep op mn panasonic WP, en daar heb je een open en dicht contact. die werkt goed.
ik heb deze 3 weg klep ook daarop geprobeerd, en daarop werkt ie wel goed. de klep werkt dus opzich wel zoals het hoort mi.
ik ben lost.
moet ik op zoek naar een klep met 1 schakeldraad?
zoja, tips?
baal we, want dan moet het hele circuit weer leeg etc.
help enzo
14.5 kWP op Zuid, 4x24 CPC heatpipes op Zuid, 1000L Hygienebuffervat met Panasonic WH-MDC09J3E5, Gasloos sinds 2018.
Ik kan je nog niet helemaal volgen..Baapje327 schreef op maandag 4 april 2022 @ 09:45:
ik ben lost.
moet ik op zoek naar een klep met 1 schakeldraad?
zoja, tips?
Allereerst, die klep hoeft er vrijwel zeker niet uit (tenzij je dat graag zou willen). Ik denk dat je een wisselrelais erbij nodig hebt.
De Resol controller schakelt één contact: aan / uit. Wat heeft de klep nodig? Heb je dat helder en kun je dat beschrijven? (Dergelijke kleppen komen in diverse varianten.)
Begrijp ik dat je 'm op je WP aansluit met nul en twee schakeldraden? D.w.z. dat er of stroom staat op 'open' of op 'dicht'? Zo ja, dan gebruik je als extra een wisselrelais (voorbeeld).
Klopt. Tot 130 graden is, voor zover ik begrepen hebt, gebruikelijk om hiervoor aan te houden.[b]Candymirror in "Zonneboilers, dit is de plek - Deel 2"Ik weet dat uponor maar tot max 95 graden Celcius gaat, dat is zeker niet genoeg?
dank voor de reactie. zie onderstaande foto.Gwaihir schreef op maandag 4 april 2022 @ 10:53:
[...]
Ik kan je nog niet helemaal volgen..
Allereerst, die klep hoeft er vrijwel zeker niet uit (tenzij je dat graag zou willen). Ik denk dat je een wisselrelais erbij nodig hebt.
De Resol controller schakelt één contact: aan / uit. Wat heeft de klep nodig? Heb je dat helder en kun je dat beschrijven? (Dergelijke kleppen komen in diverse varianten.)
Begrijp ik dat je 'm op je WP aansluit met nul en twee schakeldraden? D.w.z. dat er of stroom staat op 'open' of op 'dicht'? Zo ja, dan gebruik je als extra een wisselrelais (voorbeeld).
de kleurcodering van de draden is niet kloppend (amazon staat er vol mee dat dit niet klopt en geen CE certificering zou mogen hebben etc) maar het zijn inderdaad 2 schakeldraden zoals ik het lees/begrijp. voor dicht en open beide 1 draad. (bruin en blauw qua kleur), de derde draad is de 0-draad (groen/geel). de kleurcodering moet zijn bruin=dicht, zwart = open, blauw is 0.
op die manier heb ik hem aangesloten op de WP inderdaad. die heeft een open, dicht en 0 contact (3 dus).
liefst blijft de klep erin, en als er een relais tussen moet, dan top! dat is even wat ik zocht qua hulp. hoe moet ik dit aansluiten?
14.5 kWP op Zuid, 4x24 CPC heatpipes op Zuid, 1000L Hygienebuffervat met Panasonic WH-MDC09J3E5, Gasloos sinds 2018.
Hmm, heb net naar Roodkoper gekeken, maar dat wordt niet veel beter want voor de knelfittingen geldt ook een maximale toelaatbare temperatuur van 90 graden.Gwaihir schreef op maandag 4 april 2022 @ 10:54:
[...]
Klopt. Tot 130 graden is, voor zover ik begrepen hebt, gebruikelijk om hiervoor aan te houden.
Yep, dat is duidelijk. Een wisselrelais, trouwens, d.w.z. eentje met een verbreekcontact.Baapje327 schreef op maandag 4 april 2022 @ 12:15:
liefst blijft de klep erin, en als er een relais tussen moet, dan top! dat is even wat ik zocht qua hulp.
Overigens: was je test met die WP als laatste, waarbij de klep dus nog werkte? Dit type klept houdt nl. meestal helemáál niet van stroom op beide draden - wat je dus wel gedaan hebt - en gaat dan snel kapot.
Dat ligt een beetje aan het specifieke relais dat je koopt..hoe moet ik dit aansluiten?
Je wilt dus dat wanneer je Resol controller spanning op de ene schakeldraad zet, de spanning juist van de andere schakeldraad af gaat. Dat doe je met zo'n verbrekend relais.
Het relais sluit je dus aan op de schakeldraad van de Resol controller en op L (fase). Heb je 'n relais zoals ik linkte, dan kun je vanaf dat relais met twee schakeldraden naar je klep. (N blijft zoals eerder aangegeven.)
Ja dat is wel weer een heel raar ding.....Baapje327 schreef op maandag 4 april 2022 @ 12:15:
[...]
dank voor de reactie. zie onderstaande foto.
de kleurcodering van de draden is niet kloppend (amazon staat er vol mee dat dit niet klopt en geen CE certificering zou mogen hebben etc) maar het zijn inderdaad 2 schakeldraden zoals ik het lees/begrijp. voor dicht en open beide 1 draad. (bruin en blauw qua kleur), de derde draad is de 0-draad (groen/geel). de kleurcodering moet zijn bruin=dicht, zwart = open, blauw is 0.
op die manier heb ik hem aangesloten op de WP inderdaad. die heeft een open, dicht en 0 contact (3 dus).
liefst blijft de klep erin, en als er een relais tussen moet, dan top! dat is even wat ik zocht qua hulp. hoe moet ik dit aansluiten?
[Afbeelding]
3 wegklep die word aangestuurd als een mengmotor. Maar schema op dat chinees ding is toch duidelijk? Je kan het niet met een normale regeling schakelen alleen. Goedkope Chinese regelingen hebben zowel NO als NC op het zelfde relais.
Zou zoizo zon nooit flexibele slang gebruiken als het in het zicht is! Absoluut geen Uponor, gegalvaniseerde buis of Wicu. Armacell HT isolatie gebruiken en 100% PTFE Draad of tape. Geen loktite 55 of simpele teflontape. Geen gewone solderingen (hart solderen mag wel). En als je verloopt van Ribbelslang met vlakdichtende koppelingen zorg dan ook dat je de vlakdichtende verkoopstukken hebt. Wat bij de bouwmarkt of technische groothandels in Nederland te koop is is niet geschikt voor vlakdichtend.Candymirror schreef op maandag 4 april 2022 @ 10:05:
Ik ben bezig met het plaatsen van vlakkeplaat colectoren op mijn garage dak. Helaas blijkt nu dat ik de bijgeleverde solarslang te kort heb gekozen. De meegeleverde solar slang is een flexibele en geisoleerde RVS ribbelslang. Hij is lang genoeg om tot binnen in mijn garage te komen, maar ik kom helaas niet in de buurt van de aansluitingen van het buffervat/boiler. Kan/mag ik deze verlengen met bijvoorbeeld een uponor unipipe of (flexibele) koper leiding? Ik weet dat uponor maar tot max 95 graden Celcius gaat, dat is zeker niet genoeg?
bedankt voor je reactie.Solar Masters schreef op maandag 4 april 2022 @ 12:59:
[...]
Zou zoizo zon nooit flexibele slang gebruiken als het in het zicht is! Absoluut geen Uponor, gegalvaniseerde buis of Wicu. Armacell HT isolatie gebruiken en 100% PTFE Draad of tape. Geen loktite 55 of simpele teflontape. Geen gewone solderingen (hart solderen mag wel). En als je verloopt van Ribbelslang met vlakdichtende koppelingen zorg dan ook dat je de vlakdichtende verkoopstukken hebt. Wat bij de bouwmarkt of technische groothandels in Nederland te koop is is niet geschikt voor vlakdichtend.
ik weet alleen nog niet hoe mijn boodschappenlijstje er uit moet komen te zien. Ik wil graag verder. Ik had gedacht dat gewoon roodkoper met knelfitting (puntstuk voor de overgang van Ribbelslang naar Koper) wel voldoende zou zijn, maar die lijken ook maar tot 90 graden te gaan. Hardsolderen, kan dat met zilverhardsoldeer en welk vloeimiddel kan ik dan gebruiken? ik heb wel eens waterleiding gesoldeerd, maar hardsolderen gebeurd dacht ik op hogere temperaturen. Haal ik dat wel met een gewone soldeer brander?
ok mooi.Gwaihir schreef op maandag 4 april 2022 @ 12:52:
[...]
Yep, dat is duidelijk. Een wisselrelais, trouwens, d.w.z. eentje met een verbreekcontact.
Overigens: was je test met die WP als laatste, waarbij de klep dus nog werkte? Dit type klept houdt nl. meestal helemáál niet van stroom op beide draden - wat je dus wel gedaan hebt - en gaat dan snel kapot.
[...]
Dat ligt een beetje aan het specifieke relais dat je koopt..
Je wilt dus dat wanneer je Resol controller spanning op de ene schakeldraad zet, de spanning juist van de andere schakeldraad af gaat. Dat doe je met zo'n verbrekend relais.
Het relais sluit je dus aan op de schakeldraad van de Resol controller en op L (fase). Heb je 'n relais zoals ik linkte, dan kun je vanaf dat relais met twee schakeldraden naar je klep. (N blijft zoals eerder aangegeven.)
die je stuurde, kan ik wel ff bestellen. kosten vallen mee.
ik heb hem nog werkend gehad na de stroom op beide draden. kan ie blijkbaar kortstondig iig tegen.
@Solar Masters ja raar ding idd, maar omdat ie goed werkte op de WP, had is gewoon dezelfde besteld. daarna kwam ik er pas achter dat de resol andere contacten heeft.
elektro is niet echt mijn kennisgebied, dus ben erg blij met jullie hulp! wederom dank.
14.5 kWP op Zuid, 4x24 CPC heatpipes op Zuid, 1000L Hygienebuffervat met Panasonic WH-MDC09J3E5, Gasloos sinds 2018.
Onlangs heb ik een offerte mogen ontvangen voor een hybride verwarmingssysteem. Gas icm vacuumbuiscollectoren.
Ik verbaasde me echter over de hoge prijs. De prijs voor het systeem is 12.500euro inc BTW. Dit is exclusief installatie. Toe te komen subsidies zijn dan meegerekend.
De informatie die mij rijkt is dat ik hiermee van maart tot oktober van het gas zou kunnen gaan volgens de dealer.
In deze maanden verbruik ik ca. 675m3 gas. Dit verbruik zit in zowel convectoren/vloerverwarming (bijverwarming) als warm water douchen/keuken etc.
Totaalverbruik gas per jaar is 1690m3.
Er is aangeboden:
- 1 stuks: 950liter lagenvoorraadvat (werkelijk volume 900liter)
- 1 stuks laadmodule controller gelijk uitgerust voor toekomstige warmtepomp
- 2 stuks vacuumbuiscollectoren aangeboden met een collectoroppervlak van 2,87m2 per stuk. Aangeboden inc. bevestigingsplaten
- 1 stuks verwarmingsstation (voor het aansluiten cv, zou vloerverwarmingspomp vervangen en is ook nodig indien ik in de toekomst naar warmtepomp ga).
FYI de laadmodule neemt 33,33% van de totale investering op zich.
Uitgaande van mijn contractprijs van 1,6euro per m3 is de terugverdientijd 12,5 jaar.
Mijn verwondering zat dan ook in de systeemprijs van 12.500euro.
Wat vinden jullie hiervan?
EV 82kWh; WP: ME PUZ-SWM120YAA + ERSF-VM2E + OSO boiler 300L RVS 3.1m2; PV: 13640 Wp O/W + SMA STP 10.0; AC: MTS2R-18HDI + MTS4R-28HDI-V2; Gasloos 08-2025
Dit is inclusief installatie van het systeem?BaBoK schreef op maandag 4 april 2022 @ 14:26:
Hallo,
Onlangs heb ik een offerte mogen ontvangen voor een hybride verwarmingssysteem. Gas icm vacuumbuiscollectoren.
Ik verbaasde me echter over de hoge prijs. De prijs voor het systeem was 12.500euro inc BTW. Toe te komen subsidies zijn dan meegerekend.
De informatie die mij rijkt is dat ik hiermee van maart tot oktober van het gas zou kunnen gaan volgens de dealer.
In deze maanden verbruik ik ca. 675m3 gas. Dit verbruik zit in zowel convectoren/vloerverwarming (bijverwarming) als warm water douchen/keuken etc.
Totaalverbruik gas per jaar is 1690m3.
Er is aangeboden:
- 1 stuks: 950liter lagenvoorraadvat (werkelijk volume 900liter)
- 1 stuks laadmodule controller gelijk uitgerust voor toekomstige warmtepomp
- 2 stuks vacuumbuiscollectoren aangeboden met een collectoroppervlak van 2,87m2 per stuk. Aangeboden inc. bevestigingsplaten
- 1 stuks verwarmingsstation (voor het aansluiten cv, zou vloerverwarmingspomp vervangen en is ook nodig indien ik in de toekomst naar warmtepomp ga).
FYI de laadmodule neemt 33,33% van de totale investering op zich.
Uitgaande van mijn contractprijs van 1,6euro per m3 is de terugverdientijd 12,5 jaar.
Mijn verwondering zat dan ook in de systeemprijs van 12.500euro.
Wat vinden jullie hiervan?
Never fall in love with your own design!
Exclusief installatie. Ik zal het aanpassen in de post.
EV 82kWh; WP: ME PUZ-SWM120YAA + ERSF-VM2E + OSO boiler 300L RVS 3.1m2; PV: 13640 Wp O/W + SMA STP 10.0; AC: MTS2R-18HDI + MTS4R-28HDI-V2; Gasloos 08-2025
ik vind het erg duur. feitelijk is het 2 rekken en een vat toch? en dus een gasketel.BaBoK schreef op maandag 4 april 2022 @ 14:40:
[...]
Exclusief installatie. Ik zal het aanpassen in de post.
ik zou voor die 2 rekken, een vat en een volledig elektrische warmtepomp gaan. de rekken zijn gratis ivm de subsidie, dus dan hoef je alleen een vat, warmtepomp en de installatie te betalen. zou minder moeten zijn dan de huidige offerte en ben je gelijk van t gas af.
dr zijn hier wel mensen die ook spullen/installatie leveren, dus wellicht kun je die eens vragen
14.5 kWP op Zuid, 4x24 CPC heatpipes op Zuid, 1000L Hygienebuffervat met Panasonic WH-MDC09J3E5, Gasloos sinds 2018.
Ja, dat klopt.Baapje327 schreef op maandag 4 april 2022 @ 14:42:
[...]
ik vind het erg duur. feitelijk is het 2 rekken en een vat toch? en dus een gasketel.
ik zou voor die 2 rekken, een vat en een volledig elektrische warmtepomp gaan. de rekken zijn gratis ivm de subsidie, dus dan hoef je alleen een vat, warmtepomp en de installatie te betalen. zou minder moeten zijn dan de huidige offerte en ben je gelijk van t gas af.
dr zijn hier wel mensen die ook spullen/installatie leveren, dus wellicht kun je die eens vragen
Met gasketel bedoel je laadmodule?
Dat component begrijp ik nog niet helemaal met het systeem omdat mijn huidige CV ketel wel benodigd blijft.
Dit zal dan de software en hiermee intelligentie en overige zaken bevatten.
EV 82kWh; WP: ME PUZ-SWM120YAA + ERSF-VM2E + OSO boiler 300L RVS 3.1m2; PV: 13640 Wp O/W + SMA STP 10.0; AC: MTS2R-18HDI + MTS4R-28HDI-V2; Gasloos 08-2025
Tikken is goed dan schakelt ie open of dicht. Even kijken hoe die reageert. Anders pool omdraaien en dan gaat ie goed.Baapje327 schreef op maandag 4 april 2022 @ 09:45:
[...]
late reactie, maar ik krijg het niet goed werkend.
ik heb bovenstaande schema gevolgd, lijkt goed te gaan maar als je de klep schakelt (via het menu, MAN2 en dan op ON), dan krijgt ie een soort tikkend geluid, alsof ie 2 signalen krijgen en dus heen en weer gaat. de klep staat dan stil.
als ik blauw en zwart omwissel, dan krijg ik hetzelfde. alleen de startpositie wordt omgedraaid. (dus hij draait dan een kwartslag als ie stroom heeft op bruin, dit is de normale werking van de klep).
ik heb dezelfde klep op mn panasonic WP, en daar heb je een open en dicht contact. die werkt goed.
ik heb deze 3 weg klep ook daarop geprobeerd, en daarop werkt ie wel goed. de klep werkt dus opzich wel zoals het hoort mi.
ik ben lost.
moet ik op zoek naar een klep met 1 schakeldraad?
zoja, tips?
baal we, want dan moet het hele circuit weer leeg etc.
help enzo
Heb ze hier van een - dacht ik - prima Brits merk, maar ook daar zijn de kleuren m.i niet logisch. (Blauw != N.)Baapje327 schreef op maandag 4 april 2022 @ 13:55:
@Solar Masters ja raar ding idd, maar omdat ie goed werkte op de WP, had is gewoon dezelfde besteld. daarna kwam ik er pas achter dat de resol andere contacten heeft.
Ik ben juist iets dergelijks gaan zoeken omdat ik niet (nog meer) van die kleppen wilde die in de 'actieve' stand doorlopend 5 à 6 Watt blijven verbruiken (werken dacht ik met 'n elektromagneet). Die lopen op een veer terug en hebben dus geen stroom nodig voor die andere richting.
Tja, als je twee kanten op actief wilt draaien, moet je met drie draden aansluiten. Lijkt me dat je dat ervoor over moeten hebben. Wel zijn ze er ook met 't wisselrelais ingebouwd (als het ware, of wellicht letterlijk). Daar sluit je L,N, en schakeldraad op aan.
Ech nie.. (lees ff tussenliggend stuk)Bartolomus schreef op maandag 4 april 2022 @ 15:01:
[...]
Tikken is goed dan schakelt ie open of dicht. Even kijken hoe die reageert. Anders pool omdraaien en dan gaat ie goed.
ik bedoelde eigenlijk het 'verwarmingsstation' ik dacht dat dit de gasketel was, maar je houdt je huidige gasketel dan dus...?.BaBoK schreef op maandag 4 april 2022 @ 14:58:
[...]
Ja, dat klopt.
Met gasketel bedoel je laadmodule?
Dat component begrijp ik nog niet helemaal met het systeem omdat mijn huidige CV ketel wel benodigd blijft.
Dit zal dan de software en hiermee intelligentie en overige zaken bevatten.
de laadmodule is de regeling denk ik?
een zonneboiler systeem heeft volgens mij een paar belangrijke componenten:
collectoren
vat
pompstation met regeling.
laadmodules of verwarmingsstation zeggen mij iig niks. ik heb ze niet hier en ik weet ook niet wat ik mis
14.5 kWP op Zuid, 4x24 CPC heatpipes op Zuid, 1000L Hygienebuffervat met Panasonic WH-MDC09J3E5, Gasloos sinds 2018.
als ie draait, dan bromt ie, je kan 't ook goed voelen als je je hand erop houdt.Bartolomus schreef op maandag 4 april 2022 @ 15:01:
[...]
Tikken is goed dan schakelt ie open of dicht. Even kijken hoe die reageert. Anders pool omdraaien en dan gaat ie goed.
hij tikt als ie dus op beide draden stroom krijgt, alsof ie open en dicht signaal krijgt, en dus heen en weer wilt. draait dan dus niet.
14.5 kWP op Zuid, 4x24 CPC heatpipes op Zuid, 1000L Hygienebuffervat met Panasonic WH-MDC09J3E5, Gasloos sinds 2018.
verbruiken deze altijd 6 watt? ik had gelezen bij de aanbieder dat ze alleen verbruiken als ze draaien. uiteraard vanuit de (chinese) aanbieder for what it's worth. ik zie geen verschil in verbruik van mijn WP, maar die heeft sowieso wel iets standby verbruik als ie snachts uitgaat.Gwaihir schreef op maandag 4 april 2022 @ 15:08:
[...]
Heb ze hier van een - dacht ik - prima Brits merk, maar ook daar zijn de kleuren m.i niet logisch. (Blauw != N.)
Ik ben juist iets dergelijks gaan zoeken omdat ik niet (nog meer) van die kleppen wilde die in de 'actieve' stand doorlopend 5 à 6 Watt blijven verbruiken (werken dacht ik met 'n elektromagneet). Die lopen op een veer terug en hebben dus geen stroom nodig voor die andere richting.
Tja, als je twee kanten op actief wilt draaien, moet je met drie draden aansluiten. Lijkt me dat je dat ervoor over moeten hebben. Wel zijn ze er ook met 't wisselrelais ingebouwd (als het ware, of wellicht letterlijk). Daar sluit je L,N, en schakeldraad op aan.
14.5 kWP op Zuid, 4x24 CPC heatpipes op Zuid, 1000L Hygienebuffervat met Panasonic WH-MDC09J3E5, Gasloos sinds 2018.
Nee, deze doen dat: Gwaihir in "Zonneboilers, dit is de plek - Deel 2" .Baapje327 schreef op maandag 4 april 2022 @ 15:31:
[...]
verbruiken deze altijd 6 watt? ik had gelezen bij de aanbieder dat ze alleen verbruiken als ze draaien. uiteraard vanuit de (chinese) aanbieder for what it's worth.
En daarom ben ik kleppen zoals de jouwe gaan zoeken voor wat er verder nog moest / moet gebeuren. Maar dan onder garantie van een NL leverancier.
helder. nou kijk eens op amazonGwaihir schreef op maandag 4 april 2022 @ 15:39:
[...]
Nee, deze doen dat: Gwaihir in "Zonneboilers, dit is de plek - Deel 2" .
En daarom ben ik kleppen zoals de jouwe gaan zoeken voor wat er verder nog moest / moet gebeuren. Maar dan onder garantie van een NL leverancier.
14.5 kWP op Zuid, 4x24 CPC heatpipes op Zuid, 1000L Hygienebuffervat met Panasonic WH-MDC09J3E5, Gasloos sinds 2018.
van de tempratuur sensoren keurig netjes de data in Domoticz
Moest er nog wel een kleine schakeling voor bouwen nog.
[ Voor 18% gewijzigd door TheWalrus op 04-04-2022 16:25 ]
Oost Friesland [Growatt MOD 6000 7,9 kWp 12*Oost(4680wp) 10*West(3200wp)] [ARK 10kWh Thuisbatterij] PV Output | [Intergas Xource 7kW]
Dat klinkt goedkoper dan de resol USB interface die ik heb gekocht, hoe heb je dit gemaakt?TheWalrus schreef op maandag 4 april 2022 @ 16:24:
Yeah gelukt om met een arduino de VBUS uit te lezen van mijn HRSolar(Resol) pomp..
van de tempratuur sensoren keurig netjes de data in Domoticz
Moest er nog wel een kleine schakeling voor bouwen nog.
enphase 8300wp (3460 ZO, 2740 ZW, 2100 NO), 2x20 vacuümbuizen op 300l SWW, Panasonic WH-MXC12J9E8, gasloos sinds Juni 2022 Stromer st3 voor woon-werk