2 elco's aansluiten is heel makkelijk, allebei parallel;) ik heb er nu ook twee, op mn ta2024, gewoon erondergeschroefd.J_V_D_L schreef op vrijdag 21 augustus 2009 @ 22:35:
[...]
@technicum, das dus mijn vraag ook hoe/of ik er 2 aan moet sluiten.
Wel moet ik zeggen dat je niet heel veel verschil merkt met zon elco ertussen.
Over welk bordje heb je het? Ik kan je wel helpen, heb zelf al vaker versterkertjes gemod.Verwijderd schreef op vrijdag 21 augustus 2009 @ 21:52:
Ik las ergens over modden van een TA2024, nou heb ik de link van moatiej gevonden.
Maar ik snap het niet helemaal? Wat moet ik precies waarmee vervangen, want ik snap de balle er niet van
Kan iemand mij dat even uitleggen?
Mvg,
Sinrulez
LINK: http://www.aplomb.nl/skn/moatiej.html
Maar kort samengevat:
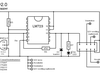
Je vervangt twee weerstanden die nu nog heel erg groot zijn. bijvoorbeeld 20.000 Ohm door een veel lagere weerstand, hier volgens mij 3300 Ohm. Deze weerstanden zitten tussen de Rechter-input en Linker-input, en de chip. Wanneer je deze weerstanden verlaagt krijg je een wat betere ingangsgevoeligheid. Zoals hij hier zegt is dat 6x beter.
Wanneer je het eerste bordje hebt is het te doen zonder soldeer-skills. Maar bij het tweede bordje, volgens mij uit de samenkoop-actie, is het een waar priegelwerk. Je kunt het proberen, maar dan heb je goeie soldeer-skills nodig, een goeie soldeerbout(dun!) en een vaste hand. Zoals je ziet zijn die weerstandjes superklein, en wanneer je de tin op een verkeerde ple laat druppelen ontstaat er een soort van kortsluiting waardoor er allerlei gekke dingen kunnen gaan gebeuren.
Dus denk twee keer na voordat je dt wilt gaan doen!
[ Voor 64% gewijzigd door Verwijderd op 21-08-2009 23:12 ]


















