Je kan de pinnen in een connector zoals draadoppervlakte van een draad doorrekenen.
Beginnend met de oude situatie:
Molex MINI-FIT PCI EXPRESS datasheet met de typenummers dat je kan doorklikken voor als je zelf de kabels wilt maken.
Dan kom je bij de algemene MINI-FIT JR connectoren en pinnen. Nog wat doorklikken en ik krijg een CAD-tekening met de pin dikte.
https://www.molex.com/con...556/5569/039300040_sd.pdf
1,07 mm * 1,07 mm = 1,15 mm²
In een 8 pin connector worden 3 pinnen voor +12V gebruikt en dat is 3 * 1,15 mm² = 3,45 mm². 150 W / 12 V = 12,5 A en 12,5 A / 3,45mm² = 3,62 A per mm².
Als 1 pin onderbroken is, dan gaat 12,5 A / 2,3mm² = 5,44 A per mm².
Volgens het
AREI mag je 2,5 mm² koperdraad in een huishoudelijke installatie met 20A automaat afzekeren en 20A / 2,5mm² = 8A per mm². Meestal zijn de pinnen van een stekker (mannelijke connector) en de contacten van een stopcontact (vrouwelijke connector) veel groter/dikker dan de koperdraden om zeker te zijn dat het goed contact maakt en voldoende lage contactweerstand heeft.
De normen/regels voor de huishoudelijke elektrische installatie zijn vereenvoudigde no-brainers om te voorkomen dat elektrotechniekers voor elke kabellengte de draadoppervlakte moet uitrekenen. Naast spanningsval over de draad, opwarming van de draden,... moet de kortsluitstroom groot genoeg zijn om de
kortsluitbeveiliging te activeren.
Als je bij Molex het zwakste spul bestelt, dan gaat 12,5 A gemakkelijk door 3 keren 6A per pin.
https://www.molex.com/con...S-5556-001-001.pdf?inline
18A * 12V = 216W
Als je goed spul bestelt om de limieten op te zoeken, dan mag 10A per pin erdoor.
https://www.molex.com/con...-45750-001-001.pdf?inline
30A * 12V = 360W
20+ jaren geleden was het gebruik van high current wire terminals verplicht:
ATX12V 2.2Also released in March 2005[5] it includes corrections and specifies High Current Series wire terminals for 24-pin ATX motherboard and 4-pin +12 V power connectors.
Wikipedia: ATX
Er kan in ATX-versie update een verbod op zwak spul gezet worden.
150W door een 8 pin connector is heel conservatief gekozen en de fabrikanten van kabels, voedingen,... kunnen weinig verkeerd doen.
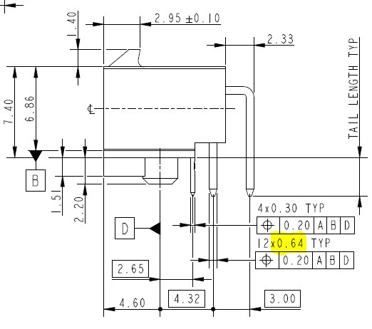
Ik heb naar een technische tekening van de nieuwste revisie, 12V-2x6, gezocht:
https://cdn.amphenol-cs.c...iles/drawing/10163894.pdf
0,64 mm * 0,64 mm = 0,41 mm².
600W / 12V = 50A en 6 * 0,41 mm² = 2,46 mm², dan delen we 50A door 2,46 mm² is 20,3A per mm².
6 pinnen is de nieuwe connector is in draadoppervlakte even veel waard als 2 pinnen in de oude connector. What could possibly go wrong?
We gingen van 3,62 A per mm² en als een pin onderbroken was dan steeg het naar 5,44 A per mm². Nu is het YOLO met 20,3A per mm². Amphenol belooft
9,5A per pin, 9,5A / 0,41 mm² = 23,2A per mm².
Van 600W naar 300W deraten is 10,15A per mm² en nog altijd veel meer dan de oude connector. 12VHPWR aan een Sapphire RX 9070 XT Nitro+ smelt even goed op 330W. 330W / 12V = 27,5A en 27,5A / 2,46 m² = 11,2A per mm².
We hadden even goed 300W of 25A door 4 +12V pinnen in een EPS12V connector gejaagd en dat is 5,44A per mm².
Dat werd door Nvidia ook gedaan:
:strip_exif()/f/image/B5b8eZo6iS63zsFf0h77ndlv.png?f=user_large)
Prior generation NVIDIA Quadro RTX and GeForce 20 series graphics boards utilize the PCI Express style 6-pin and 8-pin connections to supply auxiliary power. On the NVIDIA RTX A6000 graphics board, NVIDIA transitioned to the EPS-12V 8-pin connector commonly found on rackmount server systems. For desktop users, this style of connector usually plugs directly into the motherboard to supply auxiliary power for the CPU.
The EPS-12V 8-pin connection utilizes additional 12V connections to the power supply relative to the PCI Express style 8-pin and 6-pin connections. Consequently, an EPS-12V 8-pin connection is able to provide more power to the graphics board with a single connector.
PNY understands that not every customer has the EPS-12V 8-pin connector needed to power the NVIDIA RTX A6000 graphics board, so we include a dual PCIe 8-pin to EPS-12V 8-pin adapter with all RTX A6000 products.
https://blog.pny.com/blogpnycom/protip23_eps
Met 2 EPS12V connectors aan een grafische kaart kunnen we gemakkelijk richting 600W gaan, maar dat was te gemakkelijk voor het management? We hebben last van iemand die 600W door 1 te klein ontworpen connector wilt jagen.
Doet mij denken aan: