• tonwes99
  • Registratie: Januari 2016
  • Laatst online: 09-05 22:20
Carboy54 schreef op donderdag 21 maart 2024 @ 19:16:
[...]


Simpel Ali ding doet het prima hier voor 13 euro
[Afbeelding]

[Afbeelding]
Ik kwam deze nog tegen, eur10,50 met verzenden. (de 2P versie is ook aardlek, maar dat vertrouw ik minder van een chinees, de 1P-versie zit op de P en heeft een N-draadje). Ik ga hem proberen, maar heb wel zorgen over wifi icm de stalen deur van mijn meterkast...

https://nl.aliexpress.com/item/1005006296137793.html Afbeeldingslocatie: https://tweakers.net/i/LlFMQ9_WX6SE8EGAf7OKDu3ZN7s=/800x/filters:strip_icc():strip_exif()/f/image/PBolFrqtNxo32H2Tupnqajb4.jpg?f=fotoalbum_large

  • Impossibl3
  • Registratie: November 2012
  • Laatst online: 13:29
@tonwes99 ik zou dit niet in je meterkast klikken. Voor dit soort vitale dingen zou ik iets nemen wat tenminste via bekende winkels in de EU verkocht worden met de bijbehorende keurmerken. Voor je het weet is je huis afgefikt als er 3000+ watt doorheen gaat.

Dan zou ik eerder die ct ringen van @Carboy54 pakken. Die grijpen niet in op de functie van de meterkast.

PV 5.590 Wp Enphase, 2.700 Wp Growatt - Easee laadpaal - Itho Amber 95 WP


  • tonwes99
  • Registratie: Januari 2016
  • Laatst online: 09-05 22:20
Snap je gedachten

  • bommer
  • Registratie: Februari 2006
  • Laatst online: 04-05 22:56
Impossibl3 schreef op vrijdag 22 maart 2024 @ 07:11:
@tonwes99 ik zou dit niet in je meterkast klikken. Voor dit soort vitale dingen zou ik iets nemen wat tenminste via bekende winkels in de EU verkocht worden met de bijbehorende keurmerken. Voor je het weet is je huis afgefikt als er 3000+ watt doorheen gaat.

Dan zou ik eerder die ct ringen van @Carboy54 pakken. Die grijpen niet in op de functie van de meterkast.
Eastron is ook Chinees, maar inmiddels gerenomeerd merk. Die goedkope ali rommel, zkr direct in line vertrouw ik niet.
Koop ook geen voedingen van ali. En ik weet wel zal het zelfde spul zijn, maar met een keurmerk er op worden er toch extra kwaliteits controles uitgevoerd.

Solar Edge 9800WP O/W - Itho Amber 95 | Systeem integrator meet en regeltechniek & KNX | projecterings deskundige CCTV & Inbraaksignalering systemen | Meet- en regeltechniek in de klimaatbeheersing (MRK-A)


  • Whiskey48
  • Registratie: December 2004
  • Laatst online: 10:31
bommer schreef op vrijdag 22 maart 2024 @ 17:55:
[...]

Eastron is ook Chinees, maar inmiddels gerenomeerd merk. Die goedkope ali rommel, zkr direct in line vertrouw ik niet.
Koop ook geen voedingen van ali. En ik weet wel zal het zelfde spul zijn, maar met een keurmerk er op worden er toch extra kwaliteits controles uitgevoerd.
YouTube: test brandveiligheid installatieautomaat


Afbeeldingslocatie: https://tweakers.net/i/U54VvEZTdg9JZ4efKX-EzothBnk=/800x/filters:strip_icc():strip_exif()/f/image/aRitxLjJa9rl5ZVLy9SDBGUq.jpg?f=fotoalbum_large
Huub

Afbeeldingslocatie: https://tweakers.net/i/iQskE1yWFgRNAG3-j4_G8OUVfcE=/800x/filters:strip_icc():strip_exif()/f/image/2Du9EWCJn1d7TPHCTJWGUtC0.jpg?f=fotoalbum_large
Barbatruc!

[ Voor 44% gewijzigd door Whiskey48 op 22-03-2024 19:08 ]


  • Museon
  • Registratie: December 2023
  • Laatst online: 02-01-2025
Is deze muurbeugel geschikt voor een Amber 95?

https://aircomagazijntwen...telling/wandbeugel-200kg/

  • bommer
  • Registratie: Februari 2006
  • Laatst online: 04-05 22:56
Precies daarom, scheelt je misschien 200 euro op een hele meterkast. Maar brand is erger.
[Afbeelding]
Huub

[Afbeelding]
Barbatruc!
Mooi opgelost!

Solar Edge 9800WP O/W - Itho Amber 95 | Systeem integrator meet en regeltechniek & KNX | projecterings deskundige CCTV & Inbraaksignalering systemen | Meet- en regeltechniek in de klimaatbeheersing (MRK-A)


  • Carboy54
  • Registratie: Januari 2017
  • Laatst online: 10:41
Nee te smalle bovenrail

Weheat Sparrow + WH-MDC09J3E5 + ITHO AMBER 9.5. 26x245 WP Panelen. WP boiler 200L Adviseur Warmtepomponline&Fancoilonline


  • Carboy54
  • Registratie: Januari 2017
  • Laatst online: 10:41

Weheat Sparrow + WH-MDC09J3E5 + ITHO AMBER 9.5. 26x245 WP Panelen. WP boiler 200L Adviseur Warmtepomponline&Fancoilonline


  • Museon
  • Registratie: December 2023
  • Laatst online: 02-01-2025
Bedankt, gelukkig niet besteld 😅.

Welke zou jij adviseren? Amber is best een zware buitenunit.

Edit: dit met chemische verankering?

https://www.amazon.nl/MKK...tomer-reviews_feature_div

[ Voor 46% gewijzigd door Museon op 22-03-2024 20:02 ]


  • joenex1
  • Registratie: Oktober 2012
  • Laatst online: 08-05 18:12
Vandaag was het dan eindelijk zover, de Amber 6.5 is aangekoppeld en we hebben het systeem omgezet. Alles is goed gegaan, op wat lekkende koppelingen na. Tapwater al netjes op temperatuur.

Twee vragen / problemen echter.

1: Ik heb last van de bug dat Tc en Tw waardes gelijk zijn bij in bedrijf. Als pomp uitschakelt zie ik ze even omspringen. Software is opnieuw geinstalleerd, ik meen 2.29 maar dat brengt me bij het volgende probleem.
2: Ik dacht de laatste versie te hebben, maar in de txt file staat HeatStarV2.26. Heeft iemand voor mij de juiste V2.29 nogmaals? WeTransfer link van Carboy werkt niet meer helaas.

Afbeeldingslocatie: https://tweakers.net/i/QkAUAaSuyGYKSVP4ptAMNgniMv8=/full-fit-in/4000x4000/filters:no_upscale():fill(white):strip_exif()/f/image/i3PBfqSYHt4FLKyzZ8Ysw0Nd.png?f=user_large

Bedankt voor alle info en tips hier in ieder geval!

  • Carboy54
  • Registratie: Januari 2017
  • Laatst online: 10:41
joenex1 schreef op vrijdag 22 maart 2024 @ 20:04:
Vandaag was het dan eindelijk zover, de Amber 6.5 is aangekoppeld en we hebben het systeem omgezet. Alles is goed gegaan, op wat lekkende koppelingen na. Tapwater al netjes op temperatuur.

Twee vragen / problemen echter.

1: Ik heb last van de bug dat Tc en Tw waardes gelijk zijn bij in bedrijf. Als pomp uitschakelt zie ik ze even omspringen. Software is opnieuw geinstalleerd, ik meen 2.29 maar dat brengt me bij het volgende probleem.
2: Ik dacht de laatste versie te hebben, maar in de txt file staat HeatStarV2.26. Heeft iemand voor mij de juiste V2.29 nogmaals? WeTransfer link van Carboy werkt niet meer helaas.

[Afbeelding]

Bedankt voor alle info en tips hier in ieder geval!
In jouw mailbox :-) en doe de volledige installatie niet de update.

Weheat Sparrow + WH-MDC09J3E5 + ITHO AMBER 9.5. 26x245 WP Panelen. WP boiler 200L Adviseur Warmtepomponline&Fancoilonline


  • Carboy54
  • Registratie: Januari 2017
  • Laatst online: 10:41
Museon schreef op vrijdag 22 maart 2024 @ 19:55:
[...]


Bedankt, gelukkig niet besteld 😅.

Welke zou jij adviseren? Amber is best een zware buitenunit.

Edit: dit met chemische verankering?

https://www.amazon.nl/MKK...tomer-reviews_feature_div
Fischer 600 past prima gebruik niet de te kleine trillingdempers maar grotere: https://www.technirub.nl/...0x20-mm-type-a-m8x23.html

[ Voor 4% gewijzigd door Carboy54 op 22-03-2024 20:48 ]

Weheat Sparrow + WH-MDC09J3E5 + ITHO AMBER 9.5. 26x245 WP Panelen. WP boiler 200L Adviseur Warmtepomponline&Fancoilonline


  • Museon
  • Registratie: December 2023
  • Laatst online: 02-01-2025
Carboy54 schreef op vrijdag 22 maart 2024 @ 20:30:
[...]


Fischer 600 past prima gebruik niet de te kleine trillingdempers maar grotere.
Top, bedankt voor suggestie en tip.

  • joenex1
  • Registratie: Oktober 2012
  • Laatst online: 08-05 18:12
Carboy54 schreef op vrijdag 22 maart 2024 @ 20:25:
[...]


In jouw mailbox :-) en doe de volledige installatie niet de update.
Probleem opgelost! Was tevens een foute instelling. Nu gaan finetunen _/-\o_

  • ZenMonkey
  • Registratie: Augustus 2009
  • Laatst online: 11:46
Hi allen, ik probeer te bepalen of mijn cv geschikt is voor de amber 65 in all electric opstelling. Het gaat dan met name om de minimale systeeminhoud van 65 liter en dat het een flow van 1200 l/h aan moet kunnen.

Ik heb:
- beneden 44 m2 vloerverwarming, 4 groepen, h-o-h afstand onbekend. Kwam er gisteren achter dat de buisdiameter slechts 14 mm is, eigenlijk de kleinst gangbare buis voor vvw.
- boven 2 radiatoren (komt nog een derde bij).

Op zolder niets, daar hangt een airco.

Met name omdat de vvw maar 4 groepen heeft en ook nog met buisdiameter van 14 maak ik me zorgen om de flow. Heeft iemand hier iets zinnigs over te zeggen?

  • bommer
  • Registratie: Februari 2006
  • Laatst online: 04-05 22:56
Museon schreef op vrijdag 22 maart 2024 @ 20:35:
[...]


Top, bedankt voor suggestie en tip.
Ik heb de beugel via @Carboy54 met chemische ankers 3 per beugel.
En boven genoemde trilling dempers. Staat al steady sinds eind September 23.
Slaapkamer aan de andere kant van de wand, hoor helemaal niets van de Amber.

Solar Edge 9800WP O/W - Itho Amber 95 | Systeem integrator meet en regeltechniek & KNX | projecterings deskundige CCTV & Inbraaksignalering systemen | Meet- en regeltechniek in de klimaatbeheersing (MRK-A)


  • Japio2
  • Registratie: Januari 2021
  • Laatst online: 18-04-2025
Impossibl3 schreef op vrijdag 22 maart 2024 @ 07:11:
@tonwes99 ik zou dit niet in je meterkast klikken. Voor dit soort vitale dingen zou ik iets nemen wat tenminste via bekende winkels in de EU verkocht worden met de bijbehorende keurmerken. Voor je het weet is je huis afgefikt als er 3000+ watt doorheen gaat.

Dan zou ik eerder die ct ringen van @Carboy54 pakken. Die grijpen niet in op de functie van de meterkast.
Afbeeldingslocatie: https://tweakers.net/i/QqfSDiGFB4G2EWqJmyuGa_SKzl4=/800x/filters:strip_icc():strip_exif()/f/image/Ht4BZuEq8iuEQC5k1Jsy1JnB.jpg?f=fotoalbum_large

Ik doe thuis alles via het KISS principe en dat werkt prima!

  • Carboy54
  • Registratie: Januari 2017
  • Laatst online: 10:41
ZenMonkey schreef op zaterdag 23 maart 2024 @ 12:39:
Hi allen, ik probeer te bepalen of mijn cv geschikt is voor de amber 65 in all electric opstelling. Het gaat dan met name om de minimale systeeminhoud van 65 liter en dat het een flow van 1200 l/h aan moet kunnen.

Ik heb:
- beneden 44 m2 vloerverwarming, 4 groepen, h-o-h afstand onbekend. Kwam er gisteren achter dat de buisdiameter slechts 14 mm is, eigenlijk de kleinst gangbare buis voor vvw.
- boven 2 radiatoren (komt nog een derde bij).

Op zolder niets, daar hangt een airco.

Met name omdat de vvw maar 4 groepen heeft en ook nog met buisdiameter van 14 maak ik me zorgen om de flow. Heeft iemand hier iets zinnigs over te zeggen?
Jazeker:
Afbeeldingslocatie: https://tweakers.net/i/dkfzP58tuC9STptHqsxLHW70iOk=/800x/filters:strip_icc():strip_exif()/f/image/ghKWosBJH3fvpKS3qYxTsbVS.jpg?f=fotoalbum_large

Weheat Sparrow + WH-MDC09J3E5 + ITHO AMBER 9.5. 26x245 WP Panelen. WP boiler 200L Adviseur Warmtepomponline&Fancoilonline


  • natural colour
  • Registratie: April 2022
  • Laatst online: 11:42
ZenMonkey schreef op zaterdag 23 maart 2024 @ 12:39:
Hi allen, ik probeer te bepalen of mijn cv geschikt is voor de amber 65 in all electric opstelling. Het gaat dan met name om de minimale systeeminhoud van 65 liter en dat het een flow van 1200 l/h aan moet kunnen.

Ik heb:
- beneden 44 m2 vloerverwarming, 4 groepen, h-o-h afstand onbekend. Kwam er gisteren achter dat de buisdiameter slechts 14 mm is, eigenlijk de kleinst gangbare buis voor vvw.
- boven 2 radiatoren (komt nog een derde bij).

Op zolder niets, daar hangt een airco.

Met name omdat de vvw maar 4 groepen heeft en ook nog met buisdiameter van 14 maak ik me zorgen om de flow. Heeft iemand hier iets zinnigs over te zeggen?
Is de buitendiameter van de vv buizen in de vloer maar 14mm? dat is inwendig 11mm oid.. komt in Carboy overzicht niet eens voor...

20x JA Solar 6.9KW; Fronius Symo 7.0; Panasonic 7H Mono; Atlantic Explorer V4; https://www.astrobin.com/users/naturalcolor/


  • ZenMonkey
  • Registratie: Augustus 2009
  • Laatst online: 11:46
natural colour schreef op zaterdag 23 maart 2024 @ 13:47:
[...]

Is de buitendiameter van de vv buizen in de vloer maar 14mm? dat is inwendig 11mm oid.. komt in Carboy overzicht niet eens voor...
Ja 14x2 staat erop, dus denk inwendig 12mm.... Dus 4 groepen vvw van 12 mm en 2 groepen radiatoren.

  • ZenMonkey
  • Registratie: Augustus 2009
  • Laatst online: 11:46
Oke dus als ik dit met de natte vinger even extrapoleer naar mijn situatie:

4 vvw groepen van 12mm inwendig: 4x 200-300 l/h max flow, zeg 900
2 radiator groepen (1x 1 radiator en 1x 2 in serie): diameter onbekend, uitgaande van kleine buis: 2x 200-300 l/h zeg 400

Totaal 1300 l/h, dus genoeg flow, correct?

Voor de inhoud kan ik dan evt een klein buffervat toevoegen, want kom denk ik net niet aan 65 liter. Alleen snap ik niet helemaal waar die minimale inhoud voor nodig is, zolang je afgifte maar goed is zou ik denken. Of heeft dat te maken met dat hij traag moduleert en je met de weinig inhoud dan te heet water krijgt bij te langzaam terug moduleren?

  • natural colour
  • Registratie: April 2022
  • Laatst online: 11:42
ZenMonkey schreef op zaterdag 23 maart 2024 @ 14:07:
[...]


Ja 14x2 staat erop, dus denk inwendig 12mm.... Dus 4 groepen vvw van 12 mm en 2 groepen radiatoren.
Wand dikte = 2mm ; inwendig dus 10mm.

20x JA Solar 6.9KW; Fronius Symo 7.0; Panasonic 7H Mono; Atlantic Explorer V4; https://www.astrobin.com/users/naturalcolor/


  • Carboy54
  • Registratie: Januari 2017
  • Laatst online: 10:41
ZenMonkey schreef op zaterdag 23 maart 2024 @ 14:16:
[...]


Oke dus als ik dit met de natte vinger even extrapoleer naar mijn situatie:

4 vvw groepen van 12mm inwendig: 4x 200-300 l/h max flow, zeg 900
2 radiator groepen (1x 1 radiator en 1x 2 in serie): diameter onbekend, uitgaande van kleine buis: 2x 200-300 l/h zeg 400

Totaal 1300 l/h, dus genoeg flow, correct?

Voor de inhoud kan ik dan evt een klein buffervat toevoegen, want kom denk ik net niet aan 65 liter. Alleen snap ik niet helemaal waar die minimale inhoud voor nodig is, zolang je afgifte maar goed is zou ik denken. Of heeft dat te maken met dat hij traag moduleert en je met de weinig inhoud dan te heet water krijgt bij te langzaam terug moduleren?
Stabiliteit zonder buffer en defrosts zijn de voorwaarden.

Weheat Sparrow + WH-MDC09J3E5 + ITHO AMBER 9.5. 26x245 WP Panelen. WP boiler 200L Adviseur Warmtepomponline&Fancoilonline


  • ZenMonkey
  • Registratie: Augustus 2009
  • Laatst online: 11:46
Carboy54 schreef op zaterdag 23 maart 2024 @ 14:44:
[...]


Stabiliteit zonder buffer en defrosts zijn de voorwaarden.
Stabiliteit van wat en voorwaarden van wat?

  • Carboy54
  • Registratie: Januari 2017
  • Laatst online: 10:41
ZenMonkey schreef op zaterdag 23 maart 2024 @ 15:04:
[...]


Stabiliteit van wat en voorwaarden van wat?
Om het pendelen te voorkomen en voldoende warmte in het systeem te hebben voor een volledige defrost. Inhoud wel afhankelijk van afgiftesysteem. Vloerverwarming is minder kritisch dan radiatoren. Een seriebuffer kan dat oplossen.

[ Voor 4% gewijzigd door Carboy54 op 23-03-2024 15:12 ]

Weheat Sparrow + WH-MDC09J3E5 + ITHO AMBER 9.5. 26x245 WP Panelen. WP boiler 200L Adviseur Warmtepomponline&Fancoilonline


  • ZenMonkey
  • Registratie: Augustus 2009
  • Laatst online: 11:46
Carboy54 schreef op zaterdag 23 maart 2024 @ 15:11:
[...]


Om het pendelen te voorkomen en voldoende warmte in het systeem te hebben voor een volledige defrost. Inhoud wel afhankelijk van afgiftesysteem. Vloerverwarming is minder kritisch dan radiatoren. Een seriebuffer kan dat oplossen.
Ah nu snap ik m. Ja logisch in de vloer zit natuurlijk ook thermische massa die kan helpen bij de defrosts.

Terug naar die flow: gaat het om 1200 l/h minimaal, of is dat de aangeraden flow? Ik kan me voorstellen dat als je bijv slechts 800 l/h haalt je gewoon de delta t wat hoger kan zetten.

  • Museon
  • Registratie: December 2023
  • Laatst online: 02-01-2025
bommer schreef op zaterdag 23 maart 2024 @ 13:11:
[...]

Ik heb de beugel via @Carboy54 met chemische ankers 3 per beugel.
En boven genoemde trilling dempers. Staat al steady sinds eind September 23.
Slaapkamer aan de andere kant van de wand, hoor helemaal niets van de Amber.
Goed om te horen en voor de tip om 3 ankers te gebruiken.

  • bommer
  • Registratie: Februari 2006
  • Laatst online: 04-05 22:56
ZenMonkey schreef op zaterdag 23 maart 2024 @ 15:18:
[...]


Ah nu snap ik m. Ja logisch in de vloer zit natuurlijk ook thermische massa die kan helpen bij de defrosts.

Terug naar die flow: gaat het om 1200 l/h minimaal, of is dat de aangeraden flow? Ik kan me voorstellen dat als je bijv slechts 800 l/h haalt je gewoon de delta t wat hoger kan zetten.
Je geeft een stooklijn op, of een vaste gewenste aanvoertemperatuur. daarop gaat de Amber regelen.
Het is niet mogelijk een gewenste delta-t op te geven.
Het debiet zou je kunnen beïnvloeden door de pomp snelheid aan te passen, maar bijna iedereen hier de laag setting probeert heeft daarna een flow storing.

Solar Edge 9800WP O/W - Itho Amber 95 | Systeem integrator meet en regeltechniek & KNX | projecterings deskundige CCTV & Inbraaksignalering systemen | Meet- en regeltechniek in de klimaatbeheersing (MRK-A)


  • ZenMonkey
  • Registratie: Augustus 2009
  • Laatst online: 11:46
bommer schreef op zaterdag 23 maart 2024 @ 19:04:
[...]

Je geeft een stooklijn op, of een vaste gewenste aanvoertemperatuur. daarop gaat de Amber regelen.
Het is niet mogelijk een gewenste delta-t op te geven.
Het debiet zou je kunnen beïnvloeden door de pomp snelheid aan te passen, maar bijna iedereen hier de laag setting probeert heeft daarna een flow storing.
Excuus ik bedoelde eigenlijk aanvoer temperatuur.

Stel het systeem kan maar 800 l/h verwerken bij de druk die de pomp genereert, kun je dat niet compenseren met een hogere aanvoer temperatuur? Dus een hogere stooklijn

  • bommer
  • Registratie: Februari 2006
  • Laatst online: 04-05 22:56
ZenMonkey schreef op zaterdag 23 maart 2024 @ 19:19:
[...]


Excuus ik bedoelde eigenlijk aanvoer temperatuur.

Stel het systeem kan maar 800 l/h verwerken bij de druk die de pomp genereert, kun je dat niet compenseren met een hogere aanvoer temperatuur? Dus een hogere stooklijn
Op dit moment kent de pomp van de Amber 3 standen en draait hij altijd op een van deze 3 standen.
hoewel de modbus een terug melding geeft in % en aangeduid wordt als PWM speed.
vermoedelijk voor aanpassingen in de toekomst.

Ik heb de laagste stand geprobeerd, (+- 900 L/h) en dat geeft ondank mijn best korte afstand tot de vloerverdeler en buffer van 200L toch flow storingen. Bij mij staat hij op MID en dat is ongeveer 1500 a 1600 L/h houd daar maar rekening mee.

Afbeeldingslocatie: https://tweakers.net/i/r35H-lgoThCKDEzu5xTq9nkUvjo=/800x/filters:strip_exif()/f/image/PBfskINZN63q8FpREYycaPqX.png?f=fotoalbum_large

Voorbeeld van de run van daarnet, de flow blijft de hele run constant, de TC (aanvoer) temperatuur loopt langzaam op. Aan het einde zie je nog de interval van de pomp (er is nog (thermostaat) vraag) maar de compressor is uit. mijn CV pomp trekt nu nog rest warmte uit mijn buffer. dit was voldoende voor nu en daarna vervalt ook de vraag.

Dit bij een buitentemperatuur van 7 graden en een COP van 5,5

Als jou afgifte systeem niet meer dan 800L per uur aankan, is de Amber niet geschikt.
Maar ik denk geen enkele warmte pomp.
Laag temperatuur verwarming heeft een grote flow nodig.

[ Voor 5% gewijzigd door bommer op 23-03-2024 22:40 ]

Solar Edge 9800WP O/W - Itho Amber 95 | Systeem integrator meet en regeltechniek & KNX | projecterings deskundige CCTV & Inbraaksignalering systemen | Meet- en regeltechniek in de klimaatbeheersing (MRK-A)


  • bommer
  • Registratie: Februari 2006
  • Laatst online: 04-05 22:56
Ik snap wat je zegt, je wilt met een hogere temperatuur en een lagere flow. dezelfde afgifte bereiken als met een lagere temperatuur en grotere flow.
Dat laatste is wel het meest efficiënt

Ik denk dat je er eerst voor moet zorgen dat jouw afgifte systeem die 1200-1600L aan kan.

Solar Edge 9800WP O/W - Itho Amber 95 | Systeem integrator meet en regeltechniek & KNX | projecterings deskundige CCTV & Inbraaksignalering systemen | Meet- en regeltechniek in de klimaatbeheersing (MRK-A)


  • ZenMonkey
  • Registratie: Augustus 2009
  • Laatst online: 11:46
Bedankt @bommer !

Wat betekent een flow storing eigenlijk? Flow te laag om het minimale vermogen kwijt te kunnen?

Ik heb gisteren nog even zitten rekenen wat die kleine buizen en weinig groepen theoretisch betekenen.Door elke groep met 10 mm binnendiameter kan alsnog 282 l/h met een stroomsnelheid van 0.5 m/s.

Dus dan kom ik al op 1130 l/h met 4 groepen en komen daar de radiatoren van boven bij. Ik denk dat het voor mijn systeem dus goed zou moeten komen.

Ik heb 4 kW nodig bij -7, dan kom ik bij een delta T van 5 op slechts 685 l/h. Stel dat in de lente of begin herfst de deltaT slechts anderhalve graad is en de amber draait op het minimale vermogen van 2 kW, zelfs dan is de benodigde flow slechts 1143 l/h.

Edit: wat nog wel eens een bottleneck zou kunnen zijn is de verdeler. Het is nog maar de vraag of ik een verdeler kan vinden die ook 282 l/h per groep kan geven. Als ik zo de specificaties lees dan zitten ze doorgaans op max 150 l/h per groep. Dus dan is het aantal groepen mogelijk toch weer wel een probleem.

[ Voor 17% gewijzigd door ZenMonkey op 24-03-2024 10:12 ]


  • dunklefaser
  • Registratie: Oktober 2012
  • Laatst online: 12:13

dunklefaser

Point Of KnowReturn

@ZenMonkey Als je de bijdragen van @Carboy54 nog een keer doorleest
zie je dat m.n. de aansluiting/plaatsing van de warmtepompinvoeding in het bestaande circuit
cruciaal is/kan zijn. De aparte flows van de vvw etc. bij elkaar optellen is niet (alleen) maatgevend voor de flow
over de wp.

Nobody is perfeckt - But who wants to be Nobody? - Vrijwillig Energycoach Fiat LUXus! - Some Insights


  • JoramQ
  • Registratie: December 2007
  • Laatst online: 09:52
Ik heb sinds begin deze maand een amber 9 en eigenlijk nog niet zo veel gebruikt omdat we nog een pelletkachel hebben en wat pellets die op moeten.
Ik had er eerst mijn eigen relais tussen die ik ook voor de cv gebruikte en dat werkte prima. Twee weken geleden de print van leejow er aan zitten waarbij ik ook het koelcontact en sga en sgb heb aangesloten. Met het schermpje heb ik de smart grid functie aangezet. Sindsdien werkt het verwarmen echter niet meer. Relais schakeld, ik zie dat uitgelezen wordt dat de heating switch aan is. Dat komt uit de modbus dus de aansluiting klopt. Echter gebeurd er verder niks en ook geen foutmelding. Ik heb de smart grid al eens uitgezet maar dat maakt geen verschil.
Tapwater verwarmen werkt prima en met sgb werkt dit ook prima dat ik dit tijdens zon uren extra doe.

Kan ik zelf iets fout gedaan hebben? Anders moet de installateur maar langs komen.

  • Carboy54
  • Registratie: Januari 2017
  • Laatst online: 10:41
JoramQ schreef op zondag 24 maart 2024 @ 16:19:
Ik heb sinds begin deze maand een amber 9 en eigenlijk nog niet zo veel gebruikt omdat we nog een pelletkachel hebben en wat pellets die op moeten.
Ik had er eerst mijn eigen relais tussen die ik ook voor de cv gebruikte en dat werkte prima. Twee weken geleden de print van leejow er aan zitten waarbij ik ook het koelcontact en sga en sgb heb aangesloten. Met het schermpje heb ik de smart grid functie aangezet. Sindsdien werkt het verwarmen echter niet meer. Relais schakeld, ik zie dat uitgelezen wordt dat de heating switch aan is. Dat komt uit de modbus dus de aansluiting klopt. Echter gebeurd er verder niks en ook geen foutmelding. Ik heb de smart grid al eens uitgezet maar dat maakt geen verschil.
Tapwater verwarmen werkt prima en met sgb werkt dit ook prima dat ik dit tijdens zon uren extra doe.

Kan ik zelf iets fout gedaan hebben? Anders moet de installateur maar langs komen.
Begin om alles wat niet standaard is er af te halen. Helpt dat niet plaats je opnieuw de software bij voorkeur V9.xx

Weheat Sparrow + WH-MDC09J3E5 + ITHO AMBER 9.5. 26x245 WP Panelen. WP boiler 200L Adviseur Warmtepomponline&Fancoilonline


  • tonwes99
  • Registratie: Januari 2016
  • Laatst online: 09-05 22:20
... en dan kiezen voor opnieuw installeren in plaats van "upgrade", dan worden ook al je instellingen op fabriek gezet...

  • Impossibl3
  • Registratie: November 2012
  • Laatst online: 13:29
Over software gesproken. Is er al meer bekend over de update van maart nu de maand bijna voorbij is? 😬

PV 5.590 Wp Enphase, 2.700 Wp Growatt - Easee laadpaal - Itho Amber 95 WP


  • Carboy54
  • Registratie: Januari 2017
  • Laatst online: 10:41
Impossibl3 schreef op zondag 24 maart 2024 @ 17:54:
Over software gesproken. Is er al meer bekend over de update van maart nu de maand bijna voorbij is? 😬
Dat is een update inzake het bodem verwarmingslint. De testen voor het logaritme van de defrosts lopen nog. Op beide verbeteringen zitten wij nu niet meer echt te wachten met de lente in aantocht. Laten ze het maar in 1 keer goed doen.

Weheat Sparrow + WH-MDC09J3E5 + ITHO AMBER 9.5. 26x245 WP Panelen. WP boiler 200L Adviseur Warmtepomponline&Fancoilonline


  • Cpt00kirk
  • Registratie: April 2005
  • Laatst online: 09-05 22:16
ik zit nog even met een vraag over de aansluiting retour van het boilervat. nu heb ik het aangesloten met een 28mm T-stuk in de retour van verdeler naar warmtepomp. Is het nog nodig om een terugslagklep rechts ertussen te hebben zodat het water alleen (links) naar de wp kan en niet (rechts) naar de vloer verdeler (open verdeler)?

  • bommer
  • Registratie: Februari 2006
  • Laatst online: 04-05 22:56
JoramQ schreef op zondag 24 maart 2024 @ 16:19:
Ik heb sinds begin deze maand een amber 9 en eigenlijk nog niet zo veel gebruikt omdat we nog een pelletkachel hebben en wat pellets die op moeten.
Ik had er eerst mijn eigen relais tussen die ik ook voor de cv gebruikte en dat werkte prima. Twee weken geleden de print van leejow er aan zitten waarbij ik ook het koelcontact en sga en sgb heb aangesloten. Met het schermpje heb ik de smart grid functie aangezet. Sindsdien werkt het verwarmen echter niet meer. Relais schakeld, ik zie dat uitgelezen wordt dat de heating switch aan is. Dat komt uit de modbus dus de aansluiting klopt. Echter gebeurd er verder niks en ook geen foutmelding. Ik heb de smart grid al eens uitgezet maar dat maakt geen verschil.
Tapwater verwarmen werkt prima en met sgb werkt dit ook prima dat ik dit tijdens zon uren extra doe.

Kan ik zelf iets fout gedaan hebben? Anders moet de installateur maar langs komen.
Ik zou om te beginnen het verwarm contact HS signaal even met de hand doorverbinden, werkt het verwarmen dan gewoon. Dan komt het dus uit je aansturing.
zoniet dan gaan we verder zoeken.

Solar Edge 9800WP O/W - Itho Amber 95 | Systeem integrator meet en regeltechniek & KNX | projecterings deskundige CCTV & Inbraaksignalering systemen | Meet- en regeltechniek in de klimaatbeheersing (MRK-A)


  • Imadwarmtepomp
  • Registratie: Maart 2024
  • Laatst online: 26-03-2025
Hallo Allemaal,

Ik heb zojuist de Itho Amber 9.5 aangeschaft.
Ik ben zelf redelijk handig met een handleiding maar er zijn een aantal dingen mij onduidelijk.
Ik kijk er erg naar uit dit projectje zelf te doen naar ik Quatt en De warmte AO zojuist heb afgeslagen!
Zou iemand mij een beetje wegwijs willen maken?
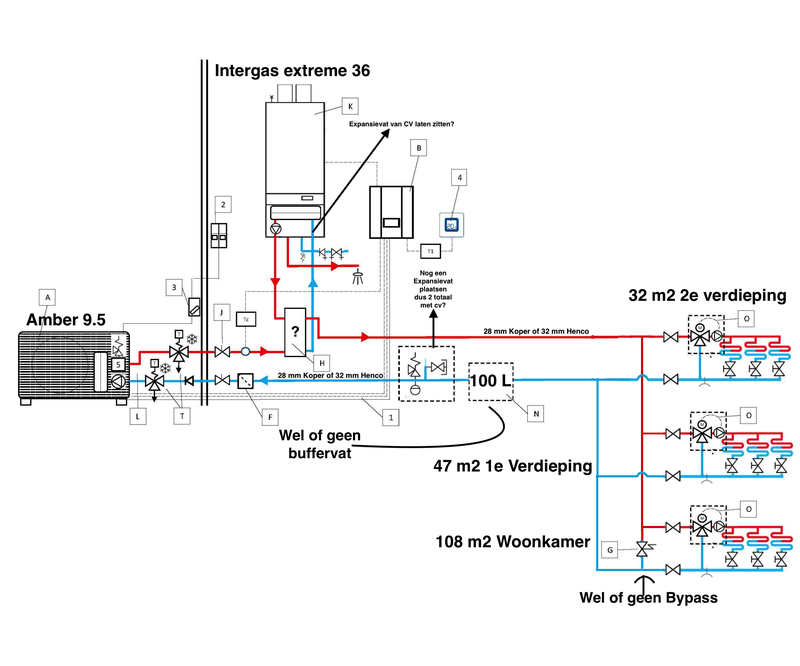
Afbeeldingslocatie: https://tweakers.net/i/iBvhysblX5p3u2GQybCTy_lt2to=/800x/filters:strip_exif()/f/image/TCApx1caGf59G6cOvd7dAHm3.png?f=fotoalbum_large

Woning : ongeveer 187 m2 met 3 verdiepingen overal vloerverwarming 20 mm buizen in de vloer gefreesd. Hybride opstelling Itho Amber 9.5 Koelen en verwarmen. Vorige eigenaren hebben een nieuwe intergas Xtreme 36 geplaatst.
Koper 28mm met 19 mm isolatie of henco 32 mm met 20 mm isolatie

Vraag 1: Is een bypass nodig en zit hij volgens de tekening op de juiste plek?
Vraag 2 :Open verdeler bij de CV(Klopt de aansluiting zo en welke heb ik nodig? ) Pentec? hoeveel KW? Keuze is reuze? evt een link?
Vraag 3 : ik wil alle 3 de verdiepingen apart kunnen regelen. of in ieder geval woonkamer apart van 1e en 2e verdieping ( 1e en 2e verdieping zouden dus evt samengevoegd kunnen worden en 2e verdieping sluit ik dan handmatig af omdat de verwarming daar niet direct gebruikt hoeft te worden) Is dit mogelijk met mijn hydraulische opstelling met bijvoorbeeld een Tado thermostaat op de 3 verdelers of raden jullie een ander systeem aan?
Vraag 4 : Klopt het dat ik beter een pomploze verdeler kan nemen en de CV temperatuur gewoon zo laag mogelijk zetten ( 40 graden ofz.) Hybride opstelling.
Vraag 5 : Heb ik 2 expansievaten nodig omdat retour van de Warmtepomp en die van de CV gescheiden zijn? of klopt mijn hydraulische tekening niet?
Vraag 6 : heb ik een buffervat nodig van 100 liter of is dat niet nodig in deze opstelling?
Vraag 7; Welke verdeler Raden jullie een aan zonder pomp Voor Koelen en verwarmen?
Vraag 8 : in geval van koperen 28 mm buis raden jullie dan aan isolatie te kopen die er strak omheen zit dus 28 mm of mag het ook 30/32 mm zijn zodat de koppelingen beter er in passen.
Vraag 9: Moet ik ook nog een terugslag klep plaatsen bij de CV?

Mijn dank is groot!!

  • silverball
  • Registratie: September 2013
  • Laatst online: 13:41

silverball

De wagen voor moderne mensen

Carboy54 schreef op vrijdag 22 maart 2024 @ 20:25:
[...]


In jouw mailbox :-) en doe de volledige installatie niet de update.
Is er een manier om als niet installateur aan die updates te komen, of zijn we hiervoor als DIY'ers afhankelijk van behulpzame vakmensen als @Carboy54 ?

3640 Wp ZO pvoutput | FOSS | aroTHERM plus | Trabant 601 (kubel + kombi) | Simson s53e | Ford nugget '89


  • Carboy54
  • Registratie: Januari 2017
  • Laatst online: 10:41
silverball schreef op maandag 25 maart 2024 @ 17:45:
[...]

Is er een manier om als niet installateur aan die updates te komen, of zijn we hiervoor als DIY'ers afhankelijk van behulpzame vakmensen als @Carboy54 ?
Dat is nu het verschil tussen dozen schuivers als de warmteservice en ondergetekende. Wij adviseren, testen en ondersteunen Itho in updates en steken daar veel tijd in voor onze klanten die deze achteraf als upgrades van ons krijgen. Deze updates worden na goedkeuring vervolgens geplaatst op de nieuwste uitleveringen van ons en Itho.

[ Voor 27% gewijzigd door Carboy54 op 25-03-2024 19:26 ]

Weheat Sparrow + WH-MDC09J3E5 + ITHO AMBER 9.5. 26x245 WP Panelen. WP boiler 200L Adviseur Warmtepomponline&Fancoilonline


  • Technician-
  • Registratie: November 2017
  • Laatst online: 13:01
Carboy54 schreef op maandag 25 maart 2024 @ 19:13:
[...]


Dat is nu het verschil tussen dozen schuivers als de warmteservice en ondergetekende. Wij adviseren, testen en ondersteunen Itho in updates en steken daar veel tijd in voor onze klanten die deze achteraf als upgrades van ons krijgen. Deze updates worden na goedkeuring vervolgens geplaatst op de nieuwste uitleveringen van ons en Itho.
Warmteservice zit weer veel te goedkoop met de prijs omdat ze inkopen als “ installateur”
Krijg van de groothandels hogere prijzen dan waar warmteservice ze voor “weggeeft”.

  • mused
  • Registratie: Augustus 2010
  • Laatst online: 09-05 09:12
Is de Amber uit te lezen/benaderen vanuit de Service-app van Itho? Wij updaten de HRU400 wtw-units op deze manier, ik was benieuwd of dit ook voor de Amber geldt of dat het alleen via USB mogelijk is.

  • Carboy54
  • Registratie: Januari 2017
  • Laatst online: 10:41
mused schreef op maandag 25 maart 2024 @ 21:07:
Is de Amber uit te lezen/benaderen vanuit de Service-app van Itho? Wij updaten de HRU400 wtw-units op deze manier, ik was benieuwd of dit ook voor de Amber geldt of dat het alleen via USB mogelijk is.
Nee niet mogelijk via service app.

Weheat Sparrow + WH-MDC09J3E5 + ITHO AMBER 9.5. 26x245 WP Panelen. WP boiler 200L Adviseur Warmtepomponline&Fancoilonline


  • Imadwarmtepomp
  • Registratie: Maart 2024
  • Laatst online: 26-03-2025
Dat klinkt redelijk zorgwekkend voor iemand die net deze warmtepomp heeft aangeschaft. :? Ik had op zijn minst gehoopt/verwacht dat de updates voor iedereen toegankelijk zouden moeten zijn. Ook voor DiY'ers. Moet ik hem dan toch maar terugsturen en opzoek gaan naar een installateur ;w

  • JoramQ
  • Registratie: December 2007
  • Laatst online: 09:52
JoramQ schreef op zondag 24 maart 2024 @ 16:19:
Ik heb sinds begin deze maand een amber 9 en eigenlijk nog niet zo veel gebruikt omdat we nog een pelletkachel hebben en wat pellets die op moeten.
Ik had er eerst mijn eigen relais tussen die ik ook voor de cv gebruikte en dat werkte prima. Twee weken geleden de print van leejow er aan zitten waarbij ik ook het koelcontact en sga en sgb heb aangesloten. Met het schermpje heb ik de smart grid functie aangezet. Sindsdien werkt het verwarmen echter niet meer. Relais schakeld, ik zie dat uitgelezen wordt dat de heating switch aan is. Dat komt uit de modbus dus de aansluiting klopt. Echter gebeurd er verder niks en ook geen foutmelding. Ik heb de smart grid al eens uitgezet maar dat maakt geen verschil.
Tapwater verwarmen werkt prima en met sgb werkt dit ook prima dat ik dit tijdens zon uren extra doe.

Kan ik zelf iets fout gedaan hebben? Anders moet de installateur maar langs komen.
Ik heb het zelf al gevonden… :F

Ik heb een keer per ongeluk denk ik de modus veranderd. Op het hoofd scherm staat auto en dat was veranderd naar alleen tapwater.

  • Carboy54
  • Registratie: Januari 2017
  • Laatst online: 10:41
Imadwarmtepomp schreef op maandag 25 maart 2024 @ 23:35:
Dat klinkt redelijk zorgwekkend voor iemand die net deze warmtepomp heeft aangeschaft. :? Ik had op zijn minst gehoopt/verwacht dat de updates voor iedereen toegankelijk zouden moeten zijn. Ook voor DiY'ers. Moet ik hem dan toch maar terugsturen en opzoek gaan naar een installateur ;w
Je koopt als installateur bij de groothandel. Op zich al vreemd dat ze dat toestaan als particulier. De baliemedewerkers hebben weinig verstand van warmtepompen, verlenen geen advies en/ of ondersteuning. Updates? daar hebben ze nog nooit van gehoord. En wie gaat er straks diagnose stellen als er de komende jaren een probleem op treedt en een melding hiervoor gaat maken bij Itho? Ook ten aanzien van de aanvullende garantieaanvraag tot 5 jaar welke installateur ga je dan registreren? Warmteservice komt daar niet in voor. Daarnaast zijn fabrikanten en leveranciers als Itho niet enthousiast om hulp te verlenen bij d.h.z. werkzaamheden. Wij hebben in combinatie met fysieke in bedrijf stellingen daar speciale afspraken over kunnen maken om dat soort problemen te voorkomen.

Weheat Sparrow + WH-MDC09J3E5 + ITHO AMBER 9.5. 26x245 WP Panelen. WP boiler 200L Adviseur Warmtepomponline&Fancoilonline


  • Impossibl3
  • Registratie: November 2012
  • Laatst online: 13:29
Carboy54 schreef op dinsdag 26 maart 2024 @ 09:46:
[...]

Ook ten aanzien van de aanvullende garantieaanvraag tot 5 jaar welke installateur ga je dan registreren? Warmteservice komt daar niet in voor.
Dit is niet helemaal waar. Je kan gewoon die 5 jaar garantie krijgen. Op de site van Itho staat het volgende:
Belangrijk: Er wordt ook gevraagd om de installateur te koppelen aan uw registratie. Staat uw installateur er niet tussen of heeft u hem zelf geïnstalleerd? Kies dan voor "Itho Daalderop" als installateur.
https://www.ithodaalderop...ment/garantie-registreren

PV 5.590 Wp Enphase, 2.700 Wp Growatt - Easee laadpaal - Itho Amber 95 WP


  • timpel_800
  • Registratie: Maart 2022
  • Laatst online: 10:37
Ik snap het wel maar waarom verkoopt Itho ze dan in eerste instantie aan warmte service?

Amber 65. Atlantic Explorer. 20.000Wp zonnepanelen. 48kWh/20kW Sigenergy thuisbatterij Kia Niro EV. Zappi Laadpaal. Bakkerij aan huis -> 40kW deckoven


  • Impossibl3
  • Registratie: November 2012
  • Laatst online: 13:29
@timpel_800 misschien massa = kassa?

PV 5.590 Wp Enphase, 2.700 Wp Growatt - Easee laadpaal - Itho Amber 95 WP


  • Carboy54
  • Registratie: Januari 2017
  • Laatst online: 10:41
Impossibl3 schreef op dinsdag 26 maart 2024 @ 16:07:
[...]


Dit is niet helemaal waar. Je kan gewoon die 5 jaar garantie krijgen. Op de site van Itho staat het volgende:


[...]

https://www.ithodaalderop...ment/garantie-registreren
Dan volgt bij een garantie aanvraag ongetwijfeld de vraag welke installateur dan wel de installatie heeft geplaatst en welke installateur de diagnose heeft gesteld.

Weheat Sparrow + WH-MDC09J3E5 + ITHO AMBER 9.5. 26x245 WP Panelen. WP boiler 200L Adviseur Warmtepomponline&Fancoilonline


  • Carboy54
  • Registratie: Januari 2017
  • Laatst online: 10:41
timpel_800 schreef op dinsdag 26 maart 2024 @ 16:07:
Ik snap het wel maar waarom verkoopt Itho ze dan in eerste instantie aan warmte service?
Daar is het laatste woord nog niet over gesproken😵

Weheat Sparrow + WH-MDC09J3E5 + ITHO AMBER 9.5. 26x245 WP Panelen. WP boiler 200L Adviseur Warmtepomponline&Fancoilonline


  • silverball
  • Registratie: September 2013
  • Laatst online: 13:41

silverball

De wagen voor moderne mensen

Is dit een normale gang van zaken in de warmtepompwereld? Of kan ik bij een ander merk wel gewoon firmware-updates en normale garantieafhandeling krijgen als particulier ? Bij CV ketels is dat ook nooit zo'n probleem geweest pre- huidige wetgeving.

3640 Wp ZO pvoutput | FOSS | aroTHERM plus | Trabant 601 (kubel + kombi) | Simson s53e | Ford nugget '89


  • Carboy54
  • Registratie: Januari 2017
  • Laatst online: 10:41
silverball schreef op dinsdag 26 maart 2024 @ 17:07:
Is dit een normale gang van zaken in de warmtepompwereld? Of kan ik bij een ander merk wel gewoon firmware-updates en normale garantieafhandeling krijgen als particulier ? Bij CV ketels is dat ook nooit zo'n probleem geweest pre- huidige wetgeving.
Alle merken geven een normale garantie afhandeling via de leverancier / installateur. Die is daar wettelijk voor verantwoordelijk niet de producent. Firmware updates via Windows kennen maar enkele merken. De meeste werken überhaupt niet met Windows of updaten helemaal niet na aankoop. Panasonic kent geen updates op dit gebied en vereist installatie door een installateur volgens de garantievoorwaarden. Dat Itho werkt aan verbeteringen via updates komt doordat wij specifieke eisen stellen en dat de product manager hiervoor tot op zekere hoogte open staat. Ook zij streven naar een maximaal resultaat net als tweakers. Dat is al bijzonder op zich in warmtepompenland. Bij Panasonic bepalen de Japannertjes het zelf en verder niets.

Realiseer je dat tweakers een heel speciale doelgroep is waar Itho door mij op is geattendeerd bij de introductie in maart 2023. Ik mocht zelfs een tweakers open dag organiseren in Tiel! ( welk merk nog meer ?? )

Alles valt en staat dus met de op deze onderwerpen gemaakte afspraken tussen leverancier en in dit geval Itho.

[ Voor 3% gewijzigd door Carboy54 op 26-03-2024 17:30 ]

Weheat Sparrow + WH-MDC09J3E5 + ITHO AMBER 9.5. 26x245 WP Panelen. WP boiler 200L Adviseur Warmtepomponline&Fancoilonline


  • silverball
  • Registratie: September 2013
  • Laatst online: 13:41

silverball

De wagen voor moderne mensen

@Carboy54 Helder, overigens zijn mijn vragen niet als aanval op jou bedoeld o.i.d, top topic dit verder.

Maar dat is dan wel een beetje vervelend voor mij als particulier die een Amber overweegt. Dat er dus blijkbaar dingen zijn met de defrost-logica en het warmtelint die nog opgelost gaan worden (of inmiddels al zijn); maar ik nooit aanspraak kan gaan maken op die fixes.
evertmulder schreef op dinsdag 26 maart 2024 @ 17:29:
[...]
Dit is de reden dat ik voor de Amber heb gekozen. Het komt zeer klantgericht over.
Moet je die fixes wel krijgen natuurlijk

[ Voor 24% gewijzigd door silverball op 26-03-2024 17:30 ]

3640 Wp ZO pvoutput | FOSS | aroTHERM plus | Trabant 601 (kubel + kombi) | Simson s53e | Ford nugget '89


  • evertmulder
  • Registratie: Juli 2007
  • Laatst online: 10:33
Carboy54 schreef op dinsdag 26 maart 2024 @ 17:24:
[...]


Alle merken geven een normale garantie afhandeling via de leverancier / installateur. Die is daar wettelijk voor verantwoordelijk niet de producent. Firmware updates via Windows kennen maar weinig merken. De meeste werken überhaupt niet met Windows of updaten helemaal niet na aankoop. Panasonic kent geen updates op dit gebied en vereist installatie door een installateur volgens de garantievoorwaarden. Dat Itho werkt aan verbeteringen via updates komt doordat wij specifieke eisen stellen en dat de product manager hiervoor tot op zekere hoogte open staat. Ook zij streven naar een maximaal resultaat net als tweakers. Dat is al bijzonder op zich in warmtepompenland. Bij Panasonic bepalen de Japannertjes het zelf en verder niets.

Realiseer je dat tweakers een heel speciale doelgroep is waar Itho door mij op geattendeerd is bij de introductie. Ik mocht zelfs een tweakers open dag organiseren in Tiel.

Alles valt en staat dus met de op dit gebied gemaakte afspraken.
Dat Itho werkt aan verbeteringen via updates komt doordat wij specifieke eisen stellen en dat de product manager hiervoor tot op zekere hoogte open staat. Ook zij streven naar een maximaal resultaat net als tweakers. Dat is al bijzonder op zich in warmtepompenland.
Dit is de reden dat ik voor de Amber heb gekozen. Het komt zeer klantgericht over.

  • Carboy54
  • Registratie: Januari 2017
  • Laatst online: 10:41
silverball schreef op dinsdag 26 maart 2024 @ 17:29:
@Carboy54 Helder, overigens zijn mijn vragen niet als aanval op jou bedoeld o.i.d, top topic dit verder.

Maar dat is dan wel een beetje vervelend voor mij als particulier die een Amber overweegt. Dat er dus blijkbaar dingen zijn met de defrost-logica en het warmtelint die nog opgelost gaan worden (of inmiddels al zijn); maar ik nooit aanspraak kan gaan maken op die fixes.


[...]

Moet je die fixes wel krijgen natuurlijk
Helder. Voor die fixes is jouw installateur / leverancier verantwoordelijk. Van dozenschuivers tegen een minimumprijs ( warmteservice / marktplaats aanbieders etc. ) mag je een dergelijke inzet niet verwachten.

[ Voor 5% gewijzigd door Carboy54 op 26-03-2024 17:35 ]

Weheat Sparrow + WH-MDC09J3E5 + ITHO AMBER 9.5. 26x245 WP Panelen. WP boiler 200L Adviseur Warmtepomponline&Fancoilonline


  • silverball
  • Registratie: September 2013
  • Laatst online: 13:41

silverball

De wagen voor moderne mensen

Toch vind ik dat het itho best zou sieren als ze de updates gewoon ergens neerzetten met een changelog erbij. Eventueel na registratie van de unit.

Ik sta immers ook niet met mijn laptop elk half jaar bij azerty voor de deur voor Windows updates.

3640 Wp ZO pvoutput | FOSS | aroTHERM plus | Trabant 601 (kubel + kombi) | Simson s53e | Ford nugget '89


  • Carboy54
  • Registratie: Januari 2017
  • Laatst online: 10:41
silverball schreef op dinsdag 26 maart 2024 @ 17:54:
Toch vind ik dat het itho best zou sieren als ze de updates gewoon ergens neerzetten met een changelog erbij. Eventueel na registratie van de unit.

Ik sta immers ook niet met mijn laptop elk half jaar bij azerty voor de deur voor Windows updates.
Windows CE wordt überhaupt niet geüpdate. Er komen ook geen automatische updates. Het gaat hier om een aantal specifieke updates van hard en software om de Amber nog verder te verbeteren. Updates zijn (nog) geen gemeengoed in warmtepompland.

Weheat Sparrow + WH-MDC09J3E5 + ITHO AMBER 9.5. 26x245 WP Panelen. WP boiler 200L Adviseur Warmtepomponline&Fancoilonline


  • Imadwarmtepomp
  • Registratie: Maart 2024
  • Laatst online: 26-03-2025
Carboy54 schreef op dinsdag 26 maart 2024 @ 09:46:
[...]


Je koopt als installateur bij de groothandel. Op zich al vreemd dat ze dat toestaan als particulier. De baliemedewerkers hebben weinig verstand van warmtepompen, verlenen geen advies en/ of ondersteuning. Updates? daar hebben ze nog nooit van gehoord. En wie gaat er straks diagnose stellen als er de komende jaren een probleem op treedt en een melding hiervoor gaat maken bij Itho? Ook ten aanzien van de aanvullende garantieaanvraag tot 5 jaar welke installateur ga je dan registreren? Warmteservice komt daar niet in voor. Daarnaast zijn fabrikanten en leveranciers als Itho niet enthousiast om hulp te verlenen bij d.h.z. werkzaamheden. Wij hebben in combinatie met fysieke in bedrijf stellingen daar speciale afspraken over kunnen maken om dat soort problemen te voorkomen.
@Carboy54 bedankt voor je reactie, Ik overweeg hem nu terug te sturen. En toch voor een warmtepomp te kiezen die op afstand uitgelezen kan worden/ geüpdatet en al uit ontwikkeld is. Dit scheelt een hoop hoofdpijn in de toekomst. In het verleden heb ik meermaals een CV geplaatst en gewoon ondersteuning kunnen krijgen vanuit de leveranciers. Ik dacht dat Itho dat ook wel zou doen / andere service verleners omdat je wat ik ook had gelezen gewoon aanspraak kan doen op garantie als je hem zelf hebt geïnstalleerd. Ook voor CV service bezoeken kon ik gewoon terecht bij zo goed als alle firma’s die service contracten hebben. Ik begrijp dat ik daar wel naar kan fluiten voor de Itho Amber. Jammer. Ik keek er naar uit om dit product te installeren met hulp van onze mede tweakers en ik had de stille hoop voor een klein budget toch mee te gaan met de energy transitie en een mooie warmtepomp te installeren.

  • Jan2023
  • Registratie: Februari 2023
  • Laatst online: 09-05 10:04

Jan2023

KISS

silverball schreef op dinsdag 26 maart 2024 @ 17:54:
Toch vind ik dat het itho best zou sieren als ze de updates gewoon ergens neerzetten met een changelog erbij. Eventueel na registratie van de unit.
Maar als jij dan als DHZ de update doet en er gaat iets fout trek je bij itho aan de bel voor support.
En ik denk dat ze daar niet op zitten te wachten.

In het het geval van klant van @Carboy54 kan je daar op terug vallen voor support.

Amber 95 sinds 10 / 2023 en 9 x 365 Wp glas / glas solarwatt


  • silverball
  • Registratie: September 2013
  • Laatst online: 13:41

silverball

De wagen voor moderne mensen

Jan2023 schreef op dinsdag 26 maart 2024 @ 18:20:
[...]


Maar als jij dan als DHZ de update doet en er gaat iets fout trek je bij itho aan de bel voor support.
En ik denk dat ze daar niet op zitten te wachten.

In het het geval van klant van @Carboy54 kan je daar op terug vallen voor support.
Inderdaad. Als de update iets stuk maakt dan wel ja; net zoals de installateur dat zou doen.

Ik ben er niet principieel op tegen een installateur in de hand nemen, maar ik heb geen zin om meer dan 2x de aanschafprijs van de warmtepomp te spenderen aan installatie terwijl ik zelf het leidingwerk installeer en voorwerk heb gedaan. Sowieso willen installateurs in de buurt echt alleen hybride doen maar dat terzij.

Ik ben voor full electric geen offerte gehad van onder de 20k voor een warmtepomp van 5kw zonder tapwatervoorziening, en dan moest het afgiftesysteem al klaar zijn. Dan doe ik het wel zelf.

Het is niet zo'n ramp als ik geen updates krijg; mits het een redelijk uitontwikkeld product is. Voor de Amber staan er, zoals ik zie, nog bugs open. Dat maakt het wel een onveilige aankoop als DIY'er.

@Imadwarmtepomp Ik zit in hetzelfde schuitje, Nefit heeft ons in het verleden ook zonder problemen geholpen in de garantie met het opsturen van een nieuwe driewegklep toen ik zelf gediagnosticeerd had dat de oude defect was. Ik hoop zulke, mijns inziens, normale service ook met een warmtepomp te hebben.

[ Voor 41% gewijzigd door silverball op 26-03-2024 18:50 ]

3640 Wp ZO pvoutput | FOSS | aroTHERM plus | Trabant 601 (kubel + kombi) | Simson s53e | Ford nugget '89


  • Imadwarmtepomp
  • Registratie: Maart 2024
  • Laatst online: 26-03-2025
silverball schreef op dinsdag 26 maart 2024 @ 18:24:
[...]

Inderdaad. Als de update iets stuk maakt dan wel ja; net zoals de installateur dat zou doen.

Ik ben er niet principieel op tegen een installateur in de hand nemen, maar ik heb geen zin om meer dan 2x de aanschafprijs van de warmtepomp te spenderen aan installatie terwijl ik zelf het leidingwerk installeer en voorwerk heb gedaan. Sowieso willen installateurs in de buurt echt alleen hybride doen maar dat terzij.

Ik ben voor full electric geen offerte gehad van onder de 20k voor een warmtepomp van 5kw zonder tapwatervoorziening, en dan moest het afgiftesysteem al klaar zijn. Dan doe ik het wel zelf.

Het is niet zo'n ramp als ik geen updates krijg; mits het een redelijk uitontwikkeld product is. Voor de Amber staan er, zoals ik zie, nog bugs open. Dat maakt het wel een onveilige aankoop als DIY'er.

@Imadwarmtepomp Ik zit in hetzelfde schuitje, Nefit heeft ons in het verleden ook zonder problemen geholpen in de garantie met het opsturen van een nieuwe driewegklep toen ik zelf gediagnosticeerd had dat de oude defect was. Ik hoop zulke, mijns inziens, normale service ook met een warmtepomp te hebben.
@silverball Ik ben ook van mening dat een evt software update voor iedereen beschikbaar zou moeten zijn. Zoals bij ieder ander product.
Maargoed, we zijn nu aan het speculeren dat Itho het ook daadwerkelijk niet beschikbaar maakt voor particulieren. Ik zal ze eens mailen en vragen hoe ze hier over denken. Het voelt in ieder geval niet heel klantvriendelijk op dit moment als dit echt het uitgangspunt van Itho is.

  • Jan2023
  • Registratie: Februari 2023
  • Laatst online: 09-05 10:04

Jan2023

KISS

Ik ben voor full electric geen offerte gehad van onder de 20k voor een warmtepomp van 5kw zonder tapwatervoorziening, en dan moest het afgiftesysteem al klaar zijn. Dan doe ik het wel zelf.
Even informeren bij @Carboy54 of je binnen hun werkgebied valt, dan gaat die installatie zonder sww je echt geen 20 K kosten als je zelf een deel van de installatie doet.
Heb zelf ook het nodige voorwerk gedaan om de kosten te drukken.

Amber 95 sinds 10 / 2023 en 9 x 365 Wp glas / glas solarwatt


  • Whiskey48
  • Registratie: December 2004
  • Laatst online: 10:31
Grappig, sinds donderdag de Amber95 met ren 240L horizontaal buffervat.

Eerst had ik ingesteld dat hij het watervat enkel tussen 12:00 en 16:00 ging opwarmen ... maar niet eerst in bad en daarna lekker lang douchen zit nog niet bij m'n kinderen in hun systeem (ga ik wel nog even opvoeden).

Daarom even ingesteld dat hij het water als hij het vat de 42 graden bereikt gaat opwarmen (tot 50 graden). Nu valt me op dat de Amber (bij 10 graden buiten) het vat sneller opwarmt dan je met de douche het vat leegtrekt! (61hz) Dus je kan gewoon blijven douchen, het vat raakt niet koud (zonder BackUp Heater).

Als douche heb ik een Grohe regendouche met waterbespaaenippel die dan 5L/min doet.

... Leuke meevaller, maar nu toch maar even de kids opvoeden :p

[ Voor 11% gewijzigd door Whiskey48 op 26-03-2024 20:19 ]


  • isalenedean
  • Registratie: November 2022
  • Laatst online: 15-02 16:16
Carboy54 schreef op dinsdag 26 maart 2024 @ 09:46:
[...]


Je koopt als installateur bij de groothandel. Op zich al vreemd dat ze dat toestaan als particulier. De baliemedewerkers hebben weinig verstand van warmtepompen, verlenen geen advies en/ of ondersteuning. Updates? daar hebben ze nog nooit van gehoord. En wie gaat er straks diagnose stellen als er de komende jaren een probleem op treedt en een melding hiervoor gaat maken bij Itho? Ook ten aanzien van de aanvullende garantieaanvraag tot 5 jaar welke installateur ga je dan registreren? Warmteservice komt daar niet in voor. Daarnaast zijn fabrikanten en leveranciers als Itho niet enthousiast om hulp te verlenen bij d.h.z. werkzaamheden. Wij hebben in combinatie met fysieke in bedrijf stellingen daar speciale afspraken over kunnen maken om dat soort problemen te voorkomen.
@Carboy54 okee, dan gaan we een stapje verder, wat als mijn leveracier/ installateur stopt om wat voor reden dan ook…. Hoe ga je dan als eindgebruiker bij itho om hulp vragen?

10x325wp zuid 33°, 9x415wp zuid 10°, easee lader met equalizer, Amber 95 all electric met Itho vooraadvat I-wpv 3G-270L, huis bj 1973 volledig nageisoleerd 48m2 vvw, EV Mercedes EQE 350.


  • bommer
  • Registratie: Februari 2006
  • Laatst online: 04-05 22:56
Imadwarmtepomp schreef op dinsdag 26 maart 2024 @ 18:18:
[...]


@Carboy54 bedankt voor je reactie, Ik overweeg hem nu terug te sturen. En toch voor een warmtepomp te kiezen die op afstand uitgelezen kan worden/ geüpdatet en al uit ontwikkeld is. Dit scheelt een hoop hoofdpijn in de toekomst. In het verleden heb ik meermaals een CV geplaatst en gewoon ondersteuning kunnen krijgen vanuit de leveranciers. Ik dacht dat Itho dat ook wel zou doen / andere service verleners omdat je wat ik ook had gelezen gewoon aanspraak kan doen op garantie als je hem zelf hebt geïnstalleerd. Ook voor CV service bezoeken kon ik gewoon terecht bij zo goed als alle firma’s die service contracten hebben. Ik begrijp dat ik daar wel naar kan fluiten voor de Itho Amber. Jammer. Ik keek er naar uit om dit product te installeren met hulp van onze mede tweakers en ik had de stille hoop voor een klein budget toch mee te gaan met de energy transitie en een mooie warmtepomp te installeren.
Dat uitlezen komt er aan, er wordt door Itho aangewerkt. Hoe dat er precies uitgaat zien weten we nog niet.

Daarnaast heeft tweaker @leejoow een module ontwikkeld welke de interne communicatie snift en daarmee gegevens zichtbaar maakt.

Ik ben zelf druk bezig met een Home Assistant integratie, graag nog geduld. Er zijn zoiezo niet veel HA integraties met modbus die ook schijven naar een apparaat. Dit levert wat specifieke uitdagingen op. En dit oplossen kost veel tijd.

Ik hoop met enkele maanden zover te zijn dat enkel mede tweakers zouden kunnen testen.

Wat betreft de updates, dit wil je toch niet online!
En ik snap Itho heelgoed dat het via de installateurs moet.
Sommige zijn zo careless en als er iets fout gaat, kunnen ze een service monteur langs sturen.
En als de service organisatie daar niet op ingericht is.

Solar Edge 9800WP O/W - Itho Amber 95 | Systeem integrator meet en regeltechniek & KNX | projecterings deskundige CCTV & Inbraaksignalering systemen | Meet- en regeltechniek in de klimaatbeheersing (MRK-A)


  • Carboy54
  • Registratie: Januari 2017
  • Laatst online: 10:41
Imadwarmtepomp schreef op dinsdag 26 maart 2024 @ 19:14:
[...]


@silverball Ik ben ook van mening dat een evt software update voor iedereen beschikbaar zou moeten zijn. Zoals bij ieder ander product.
Maargoed, we zijn nu aan het speculeren dat Itho het ook daadwerkelijk niet beschikbaar maakt voor particulieren. Ik zal ze eens mailen en vragen hoe ze hier over denken. Het voelt in ieder geval niet heel klantvriendelijk op dit moment als dit echt het uitgangspunt van Itho is.
@isalenedean @Imadwarmtepomp Itho is net als Panasonic en vele andere fabrikanten geen Business to Consumer organisatie. Alle service wordt over gelaten aan de leveranciers van de betreffende units net als de importeur van jouw auto. Dus ook updates. Daarnaast is een warmtepomp geen CV unit waar iedere gasmonteur wel wat mee kan. Die moeten overigens sinds 2023 aan de gaswet voldoen dus ook daar verandert er veel. Je koos voor de Amber vanuit jouw eerste interesse in AO de warmte en de Quatt. Bij die merken kan je vaak niet eens de instellingen zelf aan passen. Leuk als een dergelijke startup op de fles gaat. Bij Itho kan je altijd terug vallen op een grote dealerorganisatie die bij calamiteiten de landelijke servicedienst van Itho in kunnen schakelen. Veel merken hebben een dergelijke landelijke servicedienst niet eens. ( zelfs Panasonic NL niet )

Weheat Sparrow + WH-MDC09J3E5 + ITHO AMBER 9.5. 26x245 WP Panelen. WP boiler 200L Adviseur Warmtepomponline&Fancoilonline


  • bommer
  • Registratie: Februari 2006
  • Laatst online: 04-05 22:56
Wil jullie graag even een sneak preview geven van de vorderingen van de Itho Amber 65/95/120
Home Assistant integratie.
Op dit moment kunnen er schakelaars aan/uit gezet worden. In principe kunnen alle settings en realtime data uitgelezen worden.
Met de schakelaars heb ik nog een rare flipflop die ik graag wil elimineren. En het schrijven van waardes (setpoints) moet nog uitgezocht worden.
Helaas is niet alles te schrijven, o.a. de stook & -koellijn setpoints en klokken niet! Dit is niet geïmplementeerd, ik heb uiteraard wel het verzoek bij Itho neer gelegd.

Enkele screenshots:
Afbeeldingslocatie: https://tweakers.net/i/ZJrNi7aYp29GNQ2b4NHYozegNI4=/full-fit-in/4000x4000/filters:no_upscale():fill(white):strip_exif()/f/image/I1Uf3pnaJBwXee7WMiipIfrT.png?f=user_large

Afbeeldingslocatie: https://tweakers.net/i/3mqwtahtxuq-AtuYQg94vSNM0do=/800x/filters:strip_exif()/f/image/kt56nSjlkqasBvveH36dIJ5e.png?f=fotoalbum_large

Afbeeldingslocatie: https://tweakers.net/i/-5LIphmp_jO4q0g8Y3vea9QftuI=/800x/filters:strip_exif()/f/image/6nBxAfnLplb6XzwWub51E8wD.png?f=fotoalbum_large

Solar Edge 9800WP O/W - Itho Amber 95 | Systeem integrator meet en regeltechniek & KNX | projecterings deskundige CCTV & Inbraaksignalering systemen | Meet- en regeltechniek in de klimaatbeheersing (MRK-A)


  • Carboy54
  • Registratie: Januari 2017
  • Laatst online: 10:41
bommer schreef op dinsdag 26 maart 2024 @ 21:19:
Wil jullie graag even een sneak preview geven van de vorderingen van de Itho Amber 65/95/120
Home Assistant integratie.
Op dit moment kunnen er schakelaars aan/uit gezet worden. In principe kunnen alle settings en realtime data uitgelezen worden.
Met de schakelaars heb ik nog een rare flipflop die ik graag wil elimineren. En het schrijven van waardes (setpoints) moet nog uitgezocht worden.
Helaas is niet alles te schrijven, o.a. de stook & -koellijn setpoints en klokken niet! Dit is niet geïmplementeerd, ik heb uiteraard wel het verzoek bij Itho neer gelegd.

Enkele screenshots:
[Afbeelding]

[Afbeelding]

[Afbeelding]
Topper!

Weheat Sparrow + WH-MDC09J3E5 + ITHO AMBER 9.5. 26x245 WP Panelen. WP boiler 200L Adviseur Warmtepomponline&Fancoilonline


  • Get!em
  • Registratie: Maart 2004
  • Niet online

Get!em

Oh die ja!

bommer schreef op dinsdag 26 maart 2024 @ 21:19:
Wil jullie graag even een sneak preview geven van de vorderingen van de Itho Amber 65/95/120
Home Assistant integratie.
Op dit moment kunnen er schakelaars aan/uit gezet worden. In principe kunnen alle settings en realtime data uitgelezen worden.
Met de schakelaars heb ik nog een rare flipflop die ik graag wil elimineren. En het schrijven van waardes (setpoints) moet nog uitgezocht worden.
Helaas is niet alles te schrijven, o.a. de stook & -koellijn setpoints en klokken niet! Dit is niet geïmplementeerd, ik heb uiteraard wel het verzoek bij Itho neer gelegd.

Enkele screenshots:
[Afbeelding]

[Afbeelding]

[Afbeelding]
Is dat op basis van de module van Leejow of op basis van direct modbus integratie op een eigen manier.

  • bommer
  • Registratie: Februari 2006
  • Laatst online: 04-05 22:56
Get!em schreef op dinsdag 26 maart 2024 @ 21:44:
[...]


Is dat op basis van de module van @leejoow of op basis van direct modbus integratie op een eigen manier.
De @leejoow module luistert de interne modbus communicatie uit, daar kan en mag je NIET op schrijven!

Er is nog een modbus poort aanwezig, deze wordt gebruikt. Deze moet eerst met een gateway Modbus RTU naar Modbus TCP omgezet worden. Deze zijn goed verkrijgbaar in de handel.
Zal er binnenkort een aanschaffen om met te testen.

Op dit moment heb ik de omzetting via een Raspberry PI met een RS485 naar TTL omzetter.
voordeel van deze gateways is dat je bijv. ook je modbus energy meter, Kamstrup op modbus er bij kunt voegen. Deze kan je via de geïntegreerde HA modbus integratie uitlezen.
Misschien maak ik later dit jaar voor de Eastron SDM630 modbus (energie meter) ook een HA integratie, kamstrup heb ik niet op modbus.

Je kunt de @leejoow module er gewoon naast blijven gebruiken, dat doe ik nu ook.
De contacten HS, CS & HD zijn zoiezo niet aan te sturen via modbus. dat zou je prima via de @leejoow module kunnen doen.
Wellicht dat we onze krachten nog bundelen en je straks ook mijn integratie kan gebruiken via een vernieuwde @leejoow module versie.

Solar Edge 9800WP O/W - Itho Amber 95 | Systeem integrator meet en regeltechniek & KNX | projecterings deskundige CCTV & Inbraaksignalering systemen | Meet- en regeltechniek in de klimaatbeheersing (MRK-A)


  • fsfikke
  • Registratie: Maart 2003
  • Niet online

fsfikke

* * * *

bommer schreef op dinsdag 26 maart 2024 @ 21:57:
[...]
Er is nog een modbus poort aanwezig, deze wordt gebruikt. Deze moet eerst met een gateway Modbus RTU naar Modbus TCP omgezet worden. Deze zijn goed verkrijgbaar in de handel.
Zal er binnenkort een aanschaffen om met te testen.
Moet niet, je kan ook gewoon Modbus RTU gebruiken, ook in HA. Maar TCP is natuurlijk wel handig. Ik gebruik zelf deze om twee SDM630’s uit te lezen in HA:

Waveshare RS232/485/422 to RJ45 Ethernet Module, TCP/IP to Serial, with POE Function, Bi-directional Transparent Transmission, Suitable for Data Acquisition, Intelligent Instrument Monitoring, etc https://amzn.eu/d/gCqJARu

Zijn spaties in de aanbieding ofzo? www.spatiegebruik.nl


  • bommer
  • Registratie: Februari 2006
  • Laatst online: 04-05 22:56
fsfikke schreef op dinsdag 26 maart 2024 @ 22:08:
[...]

Moet niet, je kan ook gewoon Modbus RTU gebruiken, ook in HA. Maar TCP is natuurlijk wel handig. Ik gebruik zelf deze om twee SDM630’s uit te lezen in HA:
Het hangt er natuurlijk vanaf waar je HA op draait, een PI zou rechtreeks kunnen met een RS485 naar TTL omzetter. Op een ander systeem bijv. een NUC of mini pc (vaak met proxmox) wordt dat al weer lastiger.
RS485 naar USB kan ook. Tevens staat mijn NUC niet naast de Amber.

Ik wil het graag simpel houden en voor iedereen. 2 draadjes op een Waveshare aansluiten, integratie installeren en klaar.
Waveshare RS232/485/422 to RJ45 Ethernet Module, TCP/IP to Serial, with POE Function, Bi-directional Transparent Transmission, Suitable for Data Acquisition, Intelligent Instrument Monitoring, etc https://amzn.eu/d/gCqJARu
Deze zou mooi nog in de deur passen van de binnen unit.

Solar Edge 9800WP O/W - Itho Amber 95 | Systeem integrator meet en regeltechniek & KNX | projecterings deskundige CCTV & Inbraaksignalering systemen | Meet- en regeltechniek in de klimaatbeheersing (MRK-A)


  • bommer
  • Registratie: Februari 2006
  • Laatst online: 04-05 22:56
Moet niet, je kan ook gewoon Modbus RTU gebruiken, ook in HA. Maar TCP is natuurlijk wel handig. Ik gebruik zelf deze om twee SDM630’s uit te lezen in HA:
Goeie, als ik een intergratie voor maak, dat je er meerdere op 1 bus kan uitlezen.

Solar Edge 9800WP O/W - Itho Amber 95 | Systeem integrator meet en regeltechniek & KNX | projecterings deskundige CCTV & Inbraaksignalering systemen | Meet- en regeltechniek in de klimaatbeheersing (MRK-A)


  • Imadwarmtepomp
  • Registratie: Maart 2024
  • Laatst online: 26-03-2025
Carboy54 schreef op dinsdag 26 maart 2024 @ 20:56:
[...]


@isalenedean Itho is net als Panasonic en vele andere fabrikanten geen Business to Consumer organisatie. Alle service wordt over gelaten aan de leveranciers van de betreffende units net als de importeur van jouw auto. Dus ook updates. Daarnaast is een warmtepomp geen CV unit waar iedere gasmonteur wel wat mee kan. Die moeten overigens sinds 2023 aan de gaswet voldoen dus ook daar verandert er veel. Je koos voor de Amber vanuit jouw eerste interesse in AO de warmte en de Quatt. Bij die merken kan je vaak niet eens de instellingen zelf aan passen. Leuk als een dergelijke startup op de fles gaat. Bij Itho kan je altijd terug vallen op een grote dealerorganisatie die bij calamiteiten de landelijke servicedienst van Itho in kunnen schakelen. Veel merken hebben een dergelijke landelijke servicedienst niet eens. ( zelfs Panasonic NL niet )
@Carboy54 je haalt 2 personen door elkaar. Ik was geïnteresseerd in de Quatt en de warmte AO niet @isalenedean . Een van de reden is natuurlijk de aanschafprijs en simplicity. Ik wil gewoon een goed functionerende warmtepomp zoals de gemiddelde consument waar ik niet te veel aan de instellingen hoef te zitten..
Goed om te weten dat er een landelijke service is. @Carboy54 in ieder geval bedankt voor alle informatie die je hier gedeeld hebt, ik ga gewoon aan de slag en kijk gaande weg tegen welke problemen ik aanloop.

  • leejoow
  • Registratie: Juni 2007
  • Niet online

leejoow

Dat ben ik!

bommer schreef op dinsdag 26 maart 2024 @ 21:57:
[...]


De Leejow module luistert de interne modbus communicatie uit, daar kan en mag je NIET op schrijven!

Er is nog een modbus poort aanwezig, deze wordt gebruikt. Deze moet eerst met een gateway Modbus RTU naar Modbus TCP omgezet worden. Deze zijn goed verkrijgbaar in de handel.
Zal er binnenkort een aanschaffen om met te testen.

Op dit moment heb ik de omzetting via een Raspberry PI met een RS485 naar TTL omzetter.
voordeel van deze gateways is dat je bijv. ook je modbus energy meter, Kamstrup op modbus er bij kunt voegen. Deze kan je via de geïntegreerde HA modbus integratie uitlezen.
Misschien maak ik later dit jaar voor de Eastron SDM630 modbus (energie meter) ook een HA integratie, kamstrup heb ik niet op modbus.

Je kunt de Leejow module er gewoon naast blijven gebruiken, dat doe ik nu ook.
De contacten HS, CS & HD zijn zoiezo niet aan te sturen via modbus. dat zou je prima via de Leejow module kunnen doen.
Wellicht dat we onze krachten nog bundelen en je straks ook mijn integratie kan gebruiken via een vernieuwde Leejow module versie.
Allereerst: het is met dubbel o: Leejoow ;)

Vervolgens, de mensen die een bordje hebben met USB-C hebben qua hardware de mogelijkheid om te schrijven naar modbus. Hebben we nog niet kunnen testen of dit ook daadwerkelijk werkt, maar de hardward zou het moeten ondersteunen. Zelf heb ik hier geen Amber en mijn HP-S is de modbus niet van opengeschakeld, dus het is lastig ontwikkelen voor me. Door de module dan op de vrije aansluiting van de stuurcomputer aan te sluiten zou twee weg communicatie mogelijk moeten kunnen zijn (let wel op, niet alle sensoren worden over de externe modbus gestuurd).

Daar moet uiteraard wel nog een hele ESPHome configuratie voor geschreven worden, maar zoals gezegd, dat gaat even lastig. Als hier tweakers zijn die hier aan mee willen werken, slide even in mijn DM

Ontwikkelaar van de Heatpump Listener en Itho Daalderop warmtepomp control module


  • bommer
  • Registratie: Februari 2006
  • Laatst online: 04-05 22:56
leejoow schreef op woensdag 27 maart 2024 @ 06:49:
[...]


Allereerst: het is met dubbel o: Leejoow ;)

Vervolgens, de mensen die een bordje hebben met USB-C hebben qua hardware de mogelijkheid om te schrijven naar modbus. Hebben we nog niet kunnen testen of dit ook daadwerkelijk werkt, maar de hardward zou het moeten ondersteunen. Zelf heb ik hier geen Amber en mijn HP-S is de modbus niet van opengeschakeld, dus het is lastig ontwikkelen voor me. Door de module dan op de vrije aansluiting van de stuurcomputer aan te sluiten zou twee weg communicatie mogelijk moeten kunnen zijn (let wel op, niet alle sensoren worden over de externe modbus gestuurd).

Daar moet uiteraard wel nog een hele ESPHome configuratie voor geschreven worden, maar zoals gezegd, dat gaat even lastig. Als hier tweakers zijn die hier aan mee willen werken, slide even in mijn DM
Aangepast :)

In de GBS modbus aansluiting zit idd niet de setpoint voor de compressor en fan.
Heb je die perse nodig, dan kan je dus ook beide gebruiken.

Solar Edge 9800WP O/W - Itho Amber 95 | Systeem integrator meet en regeltechniek & KNX | projecterings deskundige CCTV & Inbraaksignalering systemen | Meet- en regeltechniek in de klimaatbeheersing (MRK-A)


  • Carboy54
  • Registratie: Januari 2017
  • Laatst online: 10:41
Whiskey48 schreef op dinsdag 26 maart 2024 @ 20:03:
Grappig, sinds donderdag de Amber95 met ren 240L horizontaal buffervat.

Eerst had ik ingesteld dat hij het watervat enkel tussen 12:00 en 16:00 ging opwarmen ... maar niet eerst in bad en daarna lekker lang douchen zit nog niet bij m'n kinderen in hun systeem (ga ik wel nog even opvoeden).

Daarom even ingesteld dat hij het water als hij het vat de 42 graden bereikt gaat opwarmen (tot 50 graden). Nu valt me op dat de Amber (bij 10 graden buiten) het vat sneller opwarmt dan je met de douche het vat leegtrekt! (61hz) Dus je kan gewoon blijven douchen, het vat raakt niet koud (zonder BackUp Heater).

Als douche heb ik een Grohe regendouche met waterbespaaenippel die dan 5L/min doet.

... Leuke meevaller, maar nu toch maar even de kids opvoeden :p
Best bijzonder voor een horizontaal vat. Het kan dus gewoon goed werken ondanks vaak commentaar over horizontale vaten in de markt 😃

Weheat Sparrow + WH-MDC09J3E5 + ITHO AMBER 9.5. 26x245 WP Panelen. WP boiler 200L Adviseur Warmtepomponline&Fancoilonline


  • Stoker
  • Registratie: Januari 2024
  • Laatst online: 09-05 22:26

Stoker

Warmtepomponline

Topicstarter
Whiskey48 schreef op dinsdag 26 maart 2024 @ 20:03:
Grappig, sinds donderdag de Amber95 met ren 240L horizontaal buffervat.

Eerst had ik ingesteld dat hij het watervat enkel tussen 12:00 en 16:00 ging opwarmen ... maar niet eerst in bad en daarna lekker lang douchen zit nog niet bij m'n kinderen in hun systeem (ga ik wel nog even opvoeden).

Daarom even ingesteld dat hij het water als hij het vat de 42 graden bereikt gaat opwarmen (tot 50 graden). Nu valt me op dat de Amber (bij 10 graden buiten) het vat sneller opwarmt dan je met de douche het vat leegtrekt! (61hz) Dus je kan gewoon blijven douchen, het vat raakt niet koud (zonder BackUp Heater).

Als douche heb ik een Grohe regendouche met waterbespaaenippel die dan 5L/min doet.

... Leuke meevaller, maar nu toch maar even de kids opvoeden :p
Vind ik leuk!!

Warmtepomponline.com & Fancoilonline.com Amber 65, F-gassen II


  • Cpt00kirk
  • Registratie: April 2005
  • Laatst online: 09-05 22:16
Sinds gisteren de Amber 6.5 actief met een standaard aanvoer temperatuur voor het water om de nieuwe vloer van de vloerverwarming middels het opstook protocol te testen. na deze periode gaan we met de instelling spelen en de isolatie aanbrengen op de leidingen. Bedankt voor alle dingen die hier besproken zijn, heeft erg goed geholpen bij het aanleggen!

  • tonwes99
  • Registratie: Januari 2016
  • Laatst online: 09-05 22:20
@Whiskey48 ook vanuit warmteberekening klopt het precies:

Vanuit soortelijke warmte is de benodigde energie om water op te warmen:
4,17kJ/kg/oC, dit is 1,15W/kg/oC
5L/minuut is 300L/h, dit moet worden opgewarmd van 15 naar 40oC
Benodigde energie in kWh is 0,00115*(40-15)*300=8625 kWh
Dus benodigd vermogen gedurende een uur is 8.6kW
Dus bij de juiste buitentemperatuur redt een Amber 95 het precies

  • Whiskey48
  • Registratie: December 2004
  • Laatst online: 10:31
Carboy54 schreef op woensdag 27 maart 2024 @ 11:48:
[...]


Best bijzonder voor een horizontaal vat. Het kan dus gewoon goed werken ondanks vaak commentaar over horizontale vaten in de markt 😃
Bij de VSK gaf iemand van Itho aan dat ik het 240L horizontaal vat kon vergelijken met een 200L staand vat (tenzij hij niet te lang geleden is opgewarmd uiteraard)

Voor mij is dit irrelevant, de 240L paste perfect bij het knieschot op een stuk loze ruimte. Waar de CV nu eerst stond op zolder hebben we nu net voldoende ruimte om daar een logeer-/studeerkamer te maken. Die 40L langdurige stilstand water verschil maakt me niks uit.

Daarnaast vind ik het top dat als je een waterbespaarnippel gebruikt, De R290 Amber95 zelfs tijdens het douchen voldoende vermogen heeft om het vat op te warmen als eerder het bad was gevuld, hij warmt sneller op dan ik kan douchen.
(Heb een Grohe grote regendouche met dan nog prima voldoende water wat er uit komt)

  • Whiskey48
  • Registratie: December 2004
  • Laatst online: 10:31
tonwes99 schreef op woensdag 27 maart 2024 @ 13:30:
[...]

@Whiskey48 ook vanuit warmteberekening klopt het precies:

Vanuit soortelijke warmte is de benodigde energie om water op te warmen:
4,17kJ/kg/oC, dit is 1,15W/kg/oC
5L/minuut is 300L/h, dit moet worden opgewarmd van 15 naar 40oC
Benodigde energie in kWh is 0,00115*(40-15)*300=8625 kWh
Dus benodigd vermogen gedurende een uur is 8.6kW
Dus bij de juiste buitentemperatuur redt een Amber 95 het precies
Afbeeldingslocatie: https://tweakers.net/i/hbvkIiGWyJ02JShRjIX_C1IpKrw=/800x/filters:strip_icc():strip_exif()/f/image/ghO8LWAtEMc5PVBe9sCfkAnM.jpg?f=fotoalbum_large

Haha ik ervaar het ook :p. Ik schommel tussen de 4L/min en 5L/min overigens volgens de P1 meter.

De Amber95 was eerst eigenlijk te groot voor het afgiftevermogen van m'n woning, maar mbv wat ventilatoren icm heatboosters en T11 te vervangen voor T22 heb ik nu zonder buffervat met een iets te krap systeeminhoud, nul last van pendelen (in mei komt een uitbouw, dan krijg ik 30L vloerverwarming erbij).

Ik vind het ook fijn dat hij vierkant is, ik gebruik hem nu als kast :9 (plankje nog even bijzagen en wit te schilderen een keer)

[ Voor 46% gewijzigd door Whiskey48 op 27-03-2024 15:03 ]


  • silverball
  • Registratie: September 2013
  • Laatst online: 13:41

silverball

De wagen voor moderne mensen

Sowieso echt mega gaaf die horizontale vaten, zou echt perfect voor hier zijn. Als ik de mogelijkheid had om een nieuwe leiding vanaf een potentiële warmtepomp te trekken naar de vliering had ik zeker zo'n set-up genomen. Voor nu zit ik vast aan mijn cop=1 boiler, wel een Itho dus ietwat ontopic :P, of eventueel een lawaaiige grote warmtepompboiler.

3640 Wp ZO pvoutput | FOSS | aroTHERM plus | Trabant 601 (kubel + kombi) | Simson s53e | Ford nugget '89


  • Stoker
  • Registratie: Januari 2024
  • Laatst online: 09-05 22:26

Stoker

Warmtepomponline

Topicstarter
silverball schreef op woensdag 27 maart 2024 @ 14:19:
Sowieso echt mega gaaf die horizontale vaten, zou echt perfect voor hier zijn. Als ik de mogelijkheid had om een nieuwe leiding vanaf een potentiële warmtepomp te trekken naar de vliering had ik zeker zo'n set-up genomen. Voor nu zit ik vast aan mijn cop=1 boiler, wel een Itho dus ietwat ontopic :P, of eventueel een lawaaiige grote warmtepompboiler.
Een warmtepompboiler een alternatief?

Warmtepomponline.com & Fancoilonline.com Amber 65, F-gassen II


  • silverball
  • Registratie: September 2013
  • Laatst online: 13:41

silverball

De wagen voor moderne mensen

Stoker schreef op woensdag 27 maart 2024 @ 14:31:
[...]


Een warmtepompboiler een alternatief?
Jawel, maar ik maak mij een beetje zorgen om het lawaai (en formaat, het moet door een vlizoluikje omhoog).

Ik moet eerst maar eens zorgen dat ik een WP uitkies voor verwarming en installeer (Amber 95 of aroTHERM 55), vanaf daar verder. Dan kan ik ook meteen de vloerverwarming in gebruik nemen.

[ Voor 6% gewijzigd door silverball op 27-03-2024 14:40 ]

3640 Wp ZO pvoutput | FOSS | aroTHERM plus | Trabant 601 (kubel + kombi) | Simson s53e | Ford nugget '89


  • Stoker
  • Registratie: Januari 2024
  • Laatst online: 09-05 22:26

Stoker

Warmtepomponline

Topicstarter
En gewicht. Maargoed, gewicht heb je natuurlijk ook met alleen een tapvat.

Kan je niet via de buurman naar boven? 8)7 Heb jij die rommel niet!

Warmtepomponline.com & Fancoilonline.com Amber 65, F-gassen II


  • ErikVers
  • Registratie: April 2020
  • Laatst online: 13:36

ErikVers

e-Duurzaam

Topicstarter
Whiskey48 schreef op dinsdag 26 maart 2024 @ 20:03:
Grappig, sinds donderdag de Amber95 met ren 240L horizontaal buffervat.

Eerst had ik ingesteld dat hij het watervat enkel tussen 12:00 en 16:00 ging opwarmen ... maar niet eerst in bad en daarna lekker lang douchen zit nog niet bij m'n kinderen in hun systeem (ga ik wel nog even opvoeden).

Daarom even ingesteld dat hij het water als hij het vat de 42 graden bereikt gaat opwarmen (tot 50 graden). Nu valt me op dat de Amber (bij 10 graden buiten) het vat sneller opwarmt dan je met de douche het vat leegtrekt! (61hz) Dus je kan gewoon blijven douchen, het vat raakt niet koud (zonder BackUp Heater).

Als douche heb ik een Grohe regendouche met waterbespaaenippel die dan 5L/min doet.

... Leuke meevaller, maar nu toch maar even de kids opvoeden :p
Mooi vat, en nog mooier is dat je inderdaad met 9kW je tapwater kan bijhouden. Wat @tonwes99 ook deelde.

Dit schept ook mogelijkheden voor de toekomst voor de warmtepomp om het tapwater anders aan te pakken dan hoe we het nu dimensioneren met 200L + vaten.

Je zou kunnen denken aan een veel kleiner vat en een warmtepomp die ondersteund wordt kort met een backup heater en snel op temperatuur komt en je dus minder ruimte en stilstandverlies krijgt.

Wie weet toekomst voor de warmtepomp doorstromer; gat in de markt 👍🫡✅

Bijvoorbeeld de tapwaterrun direct aan zodra je douche of bad kraan open gaat voor meer dan 30s ipv het wachten op de ingestelde hysterese; tweak voer dit 👍✅🔥

Nb
Tapwater is vaak wel onder de 10c dan wordt rekensom iets spannenender 10-12kW is beetje de capaciteit wanneer dit veilig 6l/min kan generen.

[ Voor 4% gewijzigd door ErikVers op 27-03-2024 16:11 ]

Heat Geek Getraind | WP Pana 5H - Solar 6m2 PVT icm 300liter - PV 8970WP: 27stuks - Home Assistant |


  • Whiskey48
  • Registratie: December 2004
  • Laatst online: 10:31
ErikVers schreef op woensdag 27 maart 2024 @ 16:04:
[...]


Mooi vat, en nog mooier is dat je inderdaad met 9kW je tapwater kan bijhouden. Wat @tonwes99 ook deelde.

Dit schept ook mogelijkheden voor de toekomst voor de warmtepomp om het tapwater anders aan te pakken dan hoe we het nu dimensioneren met 200L + vaten.

Je zou kunnen denken aan een veel kleiner vat en een warmtepomp die ondersteund wordt kort met een backup heater en snel op temperatuur komt en je dus minder ruimte en stilstandverlies krijgt.

Wie weet toekomst voor de warmtepomp doorstromer; gat in de markt 👍🫡✅

Bijvoorbeeld de tapwaterrun direct aan zodra je douche of bad kraan open gaat voor meer dan 30s ipv het wachten op de ingestelde hysterese; tweak voer dit 👍✅🔥

Nb
Tapwater is vaak wel onder de 10c dan wordt rekensom iets spannenender 10-12kW is beetje de capaciteit wanneer dit veilig 6l/min kan generen.
Ja bij mij staat of valt het bij de doorstroombegrenzer (van een paar euro) die ik op m'n douche heb gemonteerd.
Ik heb een grote Grohe regendouche, de waterkracht is niet zoals in een luxe hotel, maar zeker helemaal prima! (de (warm)waterdruk in ons vorige huis uit 1901 was minder).

Geen idee hoe dit werkt bij andere warmtepompen. Het liefste zou ik zien dat hij dagelijks om 14:00 even opwarmt tot 55 graden ... maar alsmede gaat bijwarmen (tot 50 graden) als hij onder de 40 graden zakt.
(ik moet de handleiding van de Amber nog doornemen, maar moet nu volgens mij het een of het ander kiezen.)

[ Voor 11% gewijzigd door Whiskey48 op 27-03-2024 16:49 ]


  • isalenedean
  • Registratie: November 2022
  • Laatst online: 15-02 16:16
Carboy54 schreef op dinsdag 26 maart 2024 @ 20:56:
[...]


@isalenedean @Imadwarmtepomp Itho is net als Panasonic en vele andere fabrikanten geen Business to Consumer organisatie. Alle service wordt over gelaten aan de leveranciers van de betreffende units net als de importeur van jouw auto. Dus ook updates. Daarnaast is een warmtepomp geen CV unit waar iedere gasmonteur wel wat mee kan. Die moeten overigens sinds 2023 aan de gaswet voldoen dus ook daar verandert er veel. Je koos voor de Amber vanuit jouw eerste interesse in AO de warmte en de Quatt. Bij die merken kan je vaak niet eens de instellingen zelf aan passen. Leuk als een dergelijke startup op de fles gaat. Bij Itho kan je altijd terug vallen op een grote dealerorganisatie die bij calamiteiten de landelijke servicedienst van Itho in kunnen schakelen. Veel merken hebben een dergelijke landelijke servicedienst niet eens. ( zelfs Panasonic NL niet )
@Carboy54 Jan dat snap ik, maar ik koop bij jou, stel jij stopt morgen om wat voor reden dan ook, waar haal ik dan mijn garantie?

10x325wp zuid 33°, 9x415wp zuid 10°, easee lader met equalizer, Amber 95 all electric met Itho vooraadvat I-wpv 3G-270L, huis bj 1973 volledig nageisoleerd 48m2 vvw, EV Mercedes EQE 350.


  • silverball
  • Registratie: September 2013
  • Laatst online: 13:41

silverball

De wagen voor moderne mensen

Stoker schreef op woensdag 27 maart 2024 @ 15:47:
En gewicht. Maargoed, gewicht heb je natuurlijk ook met alleen een tapvat.

Kan je niet via de buurman naar boven? 8)7 Heb jij die rommel niet!
:+
Gewicht is niet zo'n enorm issue, het is gewoon een volledige verdiepingsvloer, kanaalplaten. Het is vooral vrij laag en ik heb er mijn werkplek dus geluidsgevoelig.

Maar goed de cop=1 boiler functioneert en is met z'n tweeën nog wel te doen betreft gebruik (salderen!). Ik moet eerst maar een warmtepomp gaan kopen zodat ik (niet cop=1) kan stoken en de vloerverwarming in gebruik kan nemen.

Al maak ik mij door de berichten hier (geen updates als particulier terwijl er toch echt openstaande issues zijn, geen normale garantie) wel wat zorgen.

3640 Wp ZO pvoutput | FOSS | aroTHERM plus | Trabant 601 (kubel + kombi) | Simson s53e | Ford nugget '89


  • Carboy54
  • Registratie: Januari 2017
  • Laatst online: 10:41
isalenedean schreef op woensdag 27 maart 2024 @ 16:43:
[...]

@Carboy54 Jan dat snap ik, maar ik koop bij jou, stel jij stopt morgen om wat voor reden dan ook, waar haal ik dan mijn garantie?
Opvolging is door mij geregeld in de nabije toekomst. ( Lennard en Joris ) Is ook niet zo gek want ik werk met mijn 69 jaar ongeveer 6 dagen in de week :-) momenteel en als hobby begonnen 8)7

Weheat Sparrow + WH-MDC09J3E5 + ITHO AMBER 9.5. 26x245 WP Panelen. WP boiler 200L Adviseur Warmtepomponline&Fancoilonline


  • Carboy54
  • Registratie: Januari 2017
  • Laatst online: 10:41
silverball schreef op woensdag 27 maart 2024 @ 16:53:
[...]

:+
Gewicht is niet zo'n enorm issue, het is gewoon een volledige verdiepingsvloer, kanaalplaten. Het is vooral vrij laag en ik heb er mijn werkplek dus geluidsgevoelig.

Maar goed de cop=1 boiler functioneert en is met z'n tweeën nog wel te doen betreft gebruik (salderen!). Ik moet eerst maar een warmtepomp gaan kopen zodat ik (niet cop=1) kan stoken en de vloerverwarming in gebruik kan nemen.

Al maak ik mij door de berichten hier (geen updates als particulier terwijl er toch echt openstaande issues zijn, geen normale garantie) wel wat zorgen.
Wat jij openstaande issues noemt zijn gewoon product verbeteringen die er altijd zullen zijn bij alle merken en de garantie is gewoon wettelijk geregeld zowel de 2 jaar alsook de 3 jaar extended. Dat wordt door jouw leverancier geregeld. Dus kies voor een betrouwbare partner en niet een marktplaats aanbieder dan is er niets waar jij je zorgen om hoeft te maken. Itho is een van de grootste aanbieders en marktleider in grond gebonden warmtepompen.

Weheat Sparrow + WH-MDC09J3E5 + ITHO AMBER 9.5. 26x245 WP Panelen. WP boiler 200L Adviseur Warmtepomponline&Fancoilonline


  • silverball
  • Registratie: September 2013
  • Laatst online: 13:41

silverball

De wagen voor moderne mensen

Carboy54 schreef op woensdag 27 maart 2024 @ 17:10:
[...]


Wat jij openstaande issues noemt zijn gewoon product verbeteringen die er altijd zullen zijn bij alle merken en de garantie is gewoon wettelijk geregeld zowel de 2 jaar alsook de 3 jaar extended. Dat wordt door jouw leverancier geregeld. Dus kies voor een betrouwbare partner en niet een marktplaats aanbieder dan is er niets waar jij je zorgen om hoeft te maken. Itho is een van de grootste aanbieders en marktleider in grond gebonden warmtepompen.
Ik maak mij een beetje druk om niets merk ik. Dank je. :)

3640 Wp ZO pvoutput | FOSS | aroTHERM plus | Trabant 601 (kubel + kombi) | Simson s53e | Ford nugget '89


  • harry59
  • Registratie: Juli 2022
  • Laatst online: 22-04 17:13
bommer schreef op dinsdag 26 maart 2024 @ 21:19:
Wil jullie graag even een sneak preview geven van de vorderingen van de Itho Amber 65/95/120
Home Assistant integratie.
Ziet er goed uit! Twee vragen:

- doe je dit met een standaard pcb? Is het met dat bordje ook mogelijk om kWh pulsgever aan te sluiten en binnen te halen op het HA dashboard? En/of een flow pulsgever? Dan kun je ook een realtime CoP berekening laten uitvoeren.

- Is het met datzelfde bordje dan ook mogelijk om, tegelijkertijd met CoP berekening, vanaf het dashbord een thermostaat functie uit te voeren?

  • bommer
  • Registratie: Februari 2006
  • Laatst online: 04-05 22:56
harry59 schreef op woensdag 27 maart 2024 @ 17:29:
[...]


Ziet er goed uit! Twee vragen:

- doe je dit met een standaard pcb? Is het met dat bordje ook mogelijk om kWh pulsgever aan te sluiten en binnen te halen op het HA dashboard? En/of een flow pulsgever? Dan kun je ook een realtime CoP berekening laten uitvoeren.

- Is het met datzelfde bordje dan ook mogelijk om, tegelijkertijd met CoP berekening, vanaf het dashbord een thermostaat functie uit te voeren?
Ik maak met deze intergratie geen gebruik van de leejoow pcb, dat is een ESPhome bordje met extra relais en temperatuur sensoren.
De versie met usb-c aansluiting kan ook schrijven en wellicht dat daar voor ook aangepaste software komt.

Mijn integratie maakt gebruik van de officieele modbus aansluiting en kan ook schrijven. Enkele sensoren zijn alleen niet beschikbaar op deze bus. o.a. de setpoints van de compressor en fan. uiteraard wel de huidige waardes van deze sensoren.
De vertaling naar een netwerkkabel gaat met in goed in de handel verkrijgbare Gateway, daar kan je alleen modbus apparaten op aansluiten en geen extra sensoren.
Een DHZ optie met een raspberry PI werkt ook.

Ik maak de COP berekeing in HA zelf, ik vraag mij ook af of een ESP32 dat allemaal aankan.
Complete modbus lijst van 400 adressen uitlezen. met overeenkomstig zoveel sensoren.
en dan nog extra sensoren, puls tellers voor energie en flow en dan ook nog realtime berekenen.
ben bang dat de ESP32 op zijn knieen gaat.

Solar Edge 9800WP O/W - Itho Amber 95 | Systeem integrator meet en regeltechniek & KNX | projecterings deskundige CCTV & Inbraaksignalering systemen | Meet- en regeltechniek in de klimaatbeheersing (MRK-A)

Pagina: 1 ... 61 ... 147 Laatste