PV 5.590 Wp Enphase, 2.700 Wp Growatt - Easee laadpaal - Itho Amber 95 WP
hehe, ik heb er foto's van gemaakt ... ooit ... tussen alle fotos
maargoed, beter even zoeken idd
En wat waren de instellingen?!Whiskey48 schreef op zaterdag 13 september 2025 @ 22:20:
[...]
hehe, ik heb er foto's van gemaakt ... ooit ... tussen alle fotos
maargoed, beter even zoeken idd
PV 5.590 Wp Enphase, 2.700 Wp Growatt - Easee laadpaal - Itho Amber 95 WP
:strip_exif()/f/image/4jqQ7VMmlSAxsrM4TMI5H5bP.jpg?f=fotoalbum_large)
/f/image/LgKh28V7x7LyGCRSLmFtD9mz.png?f=fotoalbum_large)
/f/image/KddcGf6njxgErVxPMM11HUAm.png?f=fotoalbum_large)
Het duurde even maar mijn Aquaro is binnen. Ziet er top ontwikkeld uit!
Heb hem op de buis naar m'n watervat gezet.
Anders bel je even. volgens mij heb ik m aan het begin er voor je erin gezet;)Whiskey48 schreef op zondag 14 september 2025 @ 09:26:
[...]
[Afbeelding]
Nog niet teruggevonden, nu deze even zo gezet.
Nu eerst bezig met nieuwe slaapkamers voor de kids, als het kouder wordt ga ik weer kijken.
Warmtepomponline.com & Fancoilonline.com Amber 65, F-gassen II
Als ik dan in de logs van HA kijk bij de updates van de warmtepomp zie ik tot mijn verbazing dat de Amber doodleuk het externe koelsignaal als ON meet en even later weer OFF. En dit herhaalt zich...
De aansturing verloopt als volgt; Plugwise Adam met koelfunctie, aangesloten op een tweeweg relais die o.b.v. een shelly wisselt tussen het koelcontact en het verwarmingscontact. In praktijk; shelly ziet dat Plugwise in koelbedrijf staat en zet daarmee de relais om naar het koelcontact. Zodra de adam zijn relais sluit om werkelijk te gaan koelen is de kring rond en gaat de Amber koelen.
Als ik de logging bekijk van de Shelly en van de Adam zie ik geen status wisselingen... Zelfs als ik de Adam van de stroom heb hoor ik nog relais schakelen in de controledoos van de Amber.
Weet zelf nu niet zo goed waar ik het kan zoeken behalve alles maar even uit elkaar beunen en stuk voor stuk uitsluiten waar het vandaan komt. Hebben jullie ideeën?
Je hebt het over relais , bij mijn weten heb ik die nog niet gezien in de control module van de Amber.
Heb je het soms over een leejow module ?
Als je het spoor bijster ben wellicht opnieuw beginnen met alle toevoegingen er aan te knopen.
Voorlopig vriest het nog niet.
🤣
Lijkt dat je in een loop zit met dat on/off schakelgedrag.
Programmeer foutje ?
[ Voor 9% gewijzigd door Jan2023 op 18-09-2025 18:00 ]
Amber 95 sinds 10 / 2023 en 9 x 365 Wp glas / glas solarwatt
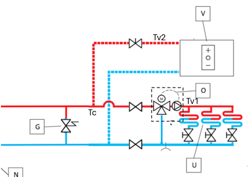
Ik had een klein vraagje:
Op idee van jullie wil ik toch mijn systeem updaten naar een 2-zone regeling volgens het hulpdocument schema 4. Hierbij wordt Tv1 (vloerverwarming) teruggemengd en TV2 de hogere temp voor incidenteel boosten van de radiatoren boven.
Ik vind het zonde als de pomp P1 continu aanstaat, omdat beneden bijna nooit verwarmd hoeft te worden. Is het mogelijk om de pomp P1 op contact P2 aan te sluiten, zodat de pomp alleen aan staat als Tv2 warmte vraagt? Gaat dat goed wanneer de pomp uit staat , maar er wel flow vanuit de warmtepomp door de pomp geduwd wordt? Blokkeert een stilstaande pomp te veel of wordt het een soort dynamo?
:strip_exif()/f/image/vpB7nFnx9NzkRSjeHSoMA5uE.png?f=user_large)
Geen idee, nog, inderdaad.Fredjes schreef op zaterdag 20 september 2025 @ 16:00:
Misschien nog een beetje vroeg in het seizoen voor deze vraag maar weet iemand of gedurende een defrost cyclus het toerental van de circulatiepomp van de Amber tijdelijk op Maximaal (of verhoogd) wordt gezet?
Stil hier laatste tijd. Vanaf vandaag zal stookseizoen voor de meesten wel geopend zijn. Ben benieuwd of dat weer wat meer reuring geeft.
Meeste inzichten zijn al langsgekomen natuurlijk.
@Carboy54 @Stoker alles goed met jullie? 😉.
Ligt er een beetje aan waar je woont en hoe je huis geïsoleerd is.Degast schreef op dinsdag 23 september 2025 @ 07:59:
[...]
. Vanaf vandaag zal stookseizoen voor de meesten wel geopend zijn. Ben benieuwd of dat weer wat meer reuring geeft.
Kust/randstad vannacht nog steeds 10+C
Bij mij in de tuin 3C en nog net niet de ruiten krabben van de auto.
Zonnetje zal de boel eind van de ochtend op zuidkant wel weer opwarmen naar 21-22C binnen. Uitbouw op noorden bij ons is nog wat slechter geïsoleerd ook, dus was vanochtend 17. Met geluk haalt die 20C eind van de dag door de zon.
Als zonnig kan ik ook nog even rekken. Alle zonwering in de "kom maar binnen met gratis warmte" stand.

PV 5.590 Wp Enphase, 2.700 Wp Growatt - Easee laadpaal - Itho Amber 95 WP
PV 5.590 Wp Enphase, 2.700 Wp Growatt - Easee laadpaal - Itho Amber 95 WP
Zelf heb ik ook zoiets, alleen wil ik eigenlijk dat dit onafhankelijk van HA geregeld wordt met een thermostaat.
Ik heb nog geen systeem gevonden die:
- Warmte -of koelvraag vanuit twee zones kan regelen (woonkamer & kantoor).
- Thermostaatknoppen kan aansturen (dichtzetten van twee oude radiatoren bij koelen)
- Zelf wisselt tussen verwarmen en koelen a.d.h.v. de vraag
- Werkt zonder internetverbinding (het moet werken als we ooit de woning verkopen)
Homematic komt hier het meest mee in de buurt, maar dat is kostbaar & kan niet dynamisch wisselen tussen koelen en verwarmen... En zelf zoiets knutselen is ook zoiets.
PV 5.590 Wp Enphase, 2.700 Wp Growatt - Easee laadpaal - Itho Amber 95 WP
Doe ik uiteindelijk met de hand, dit in een formele zetten werd me te complex.Impossibl3 schreef op dinsdag 23 september 2025 @ 11:11:
@mijgmae ja ik doe dat via HA en met de module van @leejoow. Zelf kom ik van Plugwise af daar kan je het ook mee regelen maar ik wilde niet de extra €80,-- betalen voor de optie koelen en ik wilde de aanvullende gegevens uitlezen van de pomp. Mijn volgende stap is, omdat ik op een dynamisch tarief zit, mijn DHW zo te sturen dat ik zo goedkoop mogelijk warmwater maak maar niet het comfort verlies.
Ik heb in mijn Homey app en de Android dashboard met Homey aan de muur gewoon een Smart Grid knop.
Ram ik daar op, gaat het watervat naar 65 graden (2hbtimer).
In de praktijk echt prima met de hand te doen.
De SG knop is de achtervang als dit niet lukt.Whiskey48 schreef op dinsdag 23 september 2025 @ 11:19:
[...]
Doe ik uiteindelijk met de hand, dit in een formele zetten werd me te complex.
Ik heb in mijn Homey app en de Android dashboard met Homey aan de muur gewoon een Smart Grid knop.
Ram ik daar op, gaat het watervat naar 65 graden (2hbtimer).
In de praktijk echt prima met de hand te doen.
Wat ik ook wil doen (en dat is makkelijker) is de doeltemperatuur verlagen van het vat als de compressor het niet aan kan. Hier heb ik last van in de zomer want de pomp staat puur op zuid. Ik heb dan wel eens dagen dat het hele vat op het backup element wordt opgewarmd terwijl de temperatuur naar zeg 45 graden ipv 53 graden zetten dan wel toereikend is. Voor de legionella run moet ik natuurlijk nog steeds naar 60+ graden maar dan kan ik dat in de avond doen ipv rond 14:00 uur in de zomer als het bloed heet is. In de winter is 14:00 uur juist weer gunstig want dan hoeft die minder hard te werken. Ook hier zit weer een planningsuitdaging in ivm prijs vs bereik van de compressor vs tijdstip warmwater nodig.
In ieder geval als ik weer eens de tijd heb ga ik dit via modbus aansturen.
PV 5.590 Wp Enphase, 2.700 Wp Growatt - Easee laadpaal - Itho Amber 95 WP
:strip_exif()/f/image/FtcRVaK8xYPVUVMzlzIU37wq.jpg?f=fotoalbum_large)
Edit: gebeld met Itho helpdesk en top te woord gestaan. Is een ontluchter met een vlotter eronder. Heb hem losgedraaid, schoongemaakt en even doorgeblazen met de compressor en alles lijkt weer in orde.
[ Voor 14% gewijzigd door Dennis08 op 24-09-2025 10:43 ]
Ja, eerder deze week vond ik het ook fors afgekoeld na het warme weekend. Heb nu besloten dat ik het verwarmen/koelen even niet meer automatisch regel; puur om hetgeen wat je zelf zegt (sochtends verwarmen en smiddags koelen). Ik denk namelijk dat je dit effect in huis niet direct merkt, terwijl je wel de energierekening betaald (bij geen zon).Impossibl3 schreef op dinsdag 23 september 2025 @ 10:44:
Ik heb twee weken terug de Amber al even van 5:00 tot 7:00 aan gehad. Toen was de temperatuur gedaald onder de 21 graden in huis. In de middag stond die weer te koelen.
Dus in het 'tussen' seizoen zoals nu doe ik het managen van termperatuur handmatig. Alleen SWW staat op klok programma, maar als het te koud is force ik hem op stooklijn tot 20graden. En wanneer het te warm is kunnen de ramen open... koelt genoeg af dus savonds al geen last meer van.
Vind alleen beetje vervelend dat de badkamer vloer wat te fris is.. Hebben kleine electrische radiator hangen (400w) misschien dat ik die even aan laat springen dagelijks voor uurtje rond 05.00 uur.
Heb trouwens het klok programma van warm water nu ook weer terug gezet naar 12.00 - 14.00 uur, want goedkoopste / warmste moment van de dag (zonder dat de BUH aangaat omdat het evt. te warm zou zijn)
Als je die schakelingen vergelijkt met bijvoorbeeld de grafiek van de compressor of de pomp>darkvalias schreef op donderdag 18 september 2025 @ 13:23:
Nu een tijd een tevreden gebruiker van de Itho Amber i.c.m. de HA integratie van @bommer. Nu de temperaturen wat aan het dalen zijn en het koelen bij onze thermostaat uit staat valt mij op dat de relais in de Abmer alsnog redelijk veel schakelingen maken.
Als ik dan in de logs van HA kijk bij de updates van de warmtepomp zie ik tot mijn verbazing dat de Amber doodleuk het externe koelsignaal als ON meet en even later weer OFF. En dit herhaalt zich...
De aansturing verloopt als volgt; Plugwise Adam met koelfunctie, aangesloten op een tweeweg relais die o.b.v. een shelly wisselt tussen het koelcontact en het verwarmingscontact. In praktijk; shelly ziet dat Plugwise in koelbedrijf staat en zet daarmee de relais om naar het koelcontact. Zodra de adam zijn relais sluit om werkelijk te gaan koelen is de kring rond en gaat de Amber koelen.
Als ik de logging bekijk van de Shelly en van de Adam zie ik geen status wisselingen... Zelfs als ik de Adam van de stroom heb hoor ik nog relais schakelen in de controledoos van de Amber.
Weet zelf nu niet zo goed waar ik het kan zoeken behalve alles maar even uit elkaar beunen en stuk voor stuk uitsluiten waar het vandaan komt. Hebben jullie ideeën?
Zie je dan overeenkomsten?
Solar Edge 9800WP O/W - Itho Amber 95 | Systeem integrator meet en regeltechniek & KNX | projecterings deskundige CCTV & Inbraaksignalering systemen
Een iets geavanceerdere installatie, is niet voor iedereen weg gelegdJan2023 schreef op donderdag 18 september 2025 @ 17:56:
Ik kan het mis hebben hoor , maar dit valt toch helemaal buiten de standaard installatie van een amber ?
Je hebt het over relais , bij mijn weten heb ik die nog niet gezien in de control module van de Amber.
Heb je het soms over een leejow module ?
Als je het spoor bijster ben wellicht opnieuw beginnen met alle toevoegingen er aan te knopen.
Voorlopig vriest het nog niet.
🤣
Lijkt dat je in een loop zit met dat on/off schakelgedrag.
Programmeer foutje ?
en dat is helemaal prima.
Deze post voegt niets toe en geeft alleen maar extra ruis.
Voor vragen in combinatie met de HA integratie tag mij, stuur mij een pb of via de github discussions.
Daar waar mijn tijd het toelaat help ik graag, zoals een aantal van jullie wel al kunnen beamen en stop daar best veel tijd en moeite in.
Solar Edge 9800WP O/W - Itho Amber 95 | Systeem integrator meet en regeltechniek & KNX | projecterings deskundige CCTV & Inbraaksignalering systemen
Als je op P2 geen pomp hebt aangesloten, dan kan dat. (2 pompen op 1 aansluiting dat gaat niet.)Voscovic schreef op vrijdag 19 september 2025 @ 14:26:
Hallo allen,
Ik had een klein vraagje:
Op idee van jullie wil ik toch mijn systeem updaten naar een 2-zone regeling volgens het hulpdocument schema 4. Hierbij wordt Tv1 (vloerverwarming) teruggemengd en TV2 de hogere temp voor incidenteel boosten van de radiatoren boven.
Ik vind het zonde als de pomp P1 continu aanstaat, omdat beneden bijna nooit verwarmd hoeft te worden. Is het mogelijk om de pomp P1 op contact P2 aan te sluiten, zodat de pomp alleen aan staat als Tv2 warmte vraagt? Gaat dat goed wanneer de pomp uit staat , maar er wel flow vanuit de warmtepomp door de pomp geduwd wordt? Blokkeert een stilstaande pomp te veel of wordt het een soort dynamo?
[Afbeelding]
En op je vraag of de pomp tegenhoud, ja inprincipe wel. er zal wel wat door komen maar niet veel/genoeg.
de als je dan wel wilt verwarmen in zone 1 en niet in zone 2 dan werkt dat niet.
[ Voor 8% gewijzigd door bommer op 24-09-2025 14:11 ]
Solar Edge 9800WP O/W - Itho Amber 95 | Systeem integrator meet en regeltechniek & KNX | projecterings deskundige CCTV & Inbraaksignalering systemen
Goede hint, ik zie dat de pomp even naar 100% schiet en dan direct naar 0%. Merkwaardig, ik heb nu de koel en verwarmingsfuncties uitgezet en nu schakelt ie niet meer.bommer schreef op woensdag 24 september 2025 @ 13:54:
[...]
Als je die schakelingen vergelijkt met bijvoorbeeld de grafiek van de compressor of de pomp>
Zie je dan overeenkomsten?
Tot nu toe is daar geen enkele feedback gekomen over welke relais darkvalias het nu heeft.bommer schreef op woensdag 24 september 2025 @ 14:03:
[...]
Een iets geavanceerdere installatie, is niet voor iedereen weg gelegd
en dat is helemaal prima.
Deze post voegt niets toe en geeft alleen maar extra ruis.
Voor vragen in combinatie met de HA integratie tag mij, stuur mij een pb of via de github discussions.
Daar waar mijn tijd het toelaat help ik graag, zoals een aantal van jullie wel al kunnen beamen en stop daar best veel tijd en moeite in.
Dus ja , dat geeft de nodige ruis .
Amber 95 sinds 10 / 2023 en 9 x 365 Wp glas / glas solarwatt
Zeker weten. Maar heeeel druk momenteel. Als de R is in de maand is het stormloop maar ook al in het voorjaar. Contacten van 2 jaar geleden trekken steeds vaker aan de bel. Het vertrouwen in een warmtepomp neemt duidelijk toe.Degast schreef op dinsdag 23 september 2025 @ 07:59:
[...]
Geen idee, nog, inderdaad.
Stil hier laatste tijd. Vanaf vandaag zal stookseizoen voor de meesten wel geopend zijn. Ben benieuwd of dat weer wat meer reuring geeft.
Meeste inzichten zijn al langsgekomen natuurlijk.
@Carboy54 @Stoker alles goed met jullie? 😉.
WH-MDC09J3E5 + ITHO AMBER 9.5. 26x245 WP Panelen. WP boiler 200L EV I3. Duurzaamheid coach NL gemeenten.
LilyGo behuizingen | Ontwikkelaar Itho Daalderop Warmtepomp control module
Mooi jouw modbus vraag is door Stoker beantwoord. Dus aan de slag zou ik zeggen.leejoow schreef op woensdag 24 september 2025 @ 18:11:
Dan zal ik nog maar wat aanstuurmodules gaan solderen 😎
WH-MDC09J3E5 + ITHO AMBER 9.5. 26x245 WP Panelen. WP boiler 200L EV I3. Duurzaamheid coach NL gemeenten.
Excuus, heb het niet kunnen bijhouden, dus bij deze nog reactie.Jan2023 schreef op woensdag 24 september 2025 @ 17:27:
[...]
Tot nu toe is daar geen enkele feedback gekomen over welke relais darkvalias het nu heeft.
Dus ja , dat geeft de nodige ruis .
Het relais wat ik hoor komt echt uit de regelunit van de Amber. Ik vermoed, o.b.v. de laatste tip van Bommer dat het gaat om het relais van de pomp. Waarom die schakelt als er geen verwarming/koelvraag is vanuit de thermostaat. De display laat wel kort zien dat er vraag is tho... Dus ergens in de ketting lijkt iets contact te maken...
Wat betreft de uitgebreide installatie, je had exact hetzelfde gehad als mijn installatie als je een plugwise relais had gekocht on te schakelen tussen koelen/verwarmen. Dat heb ik dus zelf gemaakt met wat relais en een HA integratie.
Ergens spookt nog iets door mn hoofd dat er in die ketting iets niet goed loopt, maar waar dat exact zit zal ik zelf verder moeten uitzoeken vrees ik.
Mijn vraag was bedoeld om duidelijk te krijgen waar je het precies over had, erg handig als je bezig ben met storing zoeken.darkvalias schreef op woensdag 24 september 2025 @ 18:52:
[...]
Excuus, heb het niet kunnen bijhouden, dus bij deze nog reactie.
Het relais wat ik hoor komt echt uit de regelunit van de Amber. Ik vermoed, o.b.v. de laatste tip van Bommer dat het gaat om het relais van de pomp. Waarom die schakelt als er geen verwarming/koelvraag is vanuit de thermostaat. De display laat wel kort zien dat er vraag is tho... Dus ergens in de ketting lijkt iets contact te maken...
Wat betreft de uitgebreide installatie, je had exact hetzelfde gehad als mijn installatie als je een plugwise relais had gekocht on te schakelen tussen koelen/verwarmen. Dat heb ik dus zelf gemaakt met wat relais en een HA integratie.
Ergens spookt nog iets door mn hoofd dat er in die ketting iets niet goed loopt, maar waar dat exact zit zal ik zelf verder moeten uitzoeken vrees ik.
En de opmerking van @bommer dat een dergelijke setup te hoog gegrepen is voor mij , daar zakt mijn broek vanaf.
Eigen roem stinkt !
Amber 95 sinds 10 / 2023 en 9 x 365 Wp glas / glas solarwatt
Vandaag is de eerste keer dat er weer een run op verwarming draait. Uiteraard op een koude vloer, dus lange aanloop om de boel weer warm te krijgen.
Meteen ook een test of geluid nu anders is.
Ja, is anders, brom is minder, dus resonantie via bodem en daardoor muur is minder. De bron van t geluid is echter nog niet weg. Daarbij viel me bij deze eerste run voor verwarming op dat er wel een enorm scherpe snerpend geluid te horen is. Kunnen ervaringsdeskundigen aangeven of dit normaal is?
Deze video vanavond opgenomen
https://youtube.com/shorts/3y4rFjibpX8?si=8bhz--TLvTB09gq8
Vorig jaar december deze
YouTube: 4 december 2024
[ Voor 10% gewijzigd door Get!em op 24-09-2025 20:58 ]
Dennis08 schreef op woensdag 24 september 2025 @ 07:44:
Weet iemand misschien waarom er water hier bovenuit komt? Ik probeer de installatie weer te ontluchten maar loop weer tegen het s2 en s10 probleem aan dus ik draaide aan de rode knop op de buitenunit en toen begon hier ineens allemaal water te lekken
Dit is je propaanontluchter.
Je kan je systeem leegmaken en opnieuw vullen, kan een vuiltje tussen zitten.
Je kan ook de vlotter in de ontluchter naar beneden proberen te duwen met een pen en daarna te laten afsluiten
@Degast , even wat druk op het moment!!
[Afbeelding]
Edit: gebeld met Itho helpdesk en top te woord gestaan. Is een ontluchter met een vlotter eronder. Heb hem losgedraaid, schoongemaakt en even doorgeblazen met de compressor en alles lijkt weer in orde.
Warmtepomponline.com & Fancoilonline.com Amber 65, F-gassen II
Dat mag je vinden Jan,Jan2023 schreef op woensdag 24 september 2025 @ 19:41:
[...]
Mijn vraag was bedoeld om duidelijk te krijgen waar je het precies over had, erg handig als je bezig ben met storing zoeken.
En de opmerking van @bommer dat een dergelijke setup te hoog gegrepen is voor mij , daar zakt mijn broek vanaf.
Eigen roem stinkt !
Maar elke keer dat iemand met een extra module aan de Amber een storing of een vraagt er over heeft.
Is jouw reactie stee vast dat je al die onzin niet nodig vind. En dat je het simpel moet houden.(jouw mening)
Misschien even in de spiegel kijken voor dat je reageert. Je hoeft niet te reageren als je iemand niet kan helpen.
En tevens had de poster in de eerste regel van zijn post genoemd, dat hij al engie tijd een tevreden gebruiker is van de Amber met de integratie van @bommer
Toevallig heb ik deze kennis beroepsmatig en op de demo dag belooft een intergratie te maken.
Deze belofte heb ik ingelost en geheel kostenloos een stuk software terbeschikking gesteld.
Waar ik ook eveneens kostenloos nog steeds support op geef.
Heeft niets met roem te maken, maar teruggeven aan een community die mij ook veel geeft.
[ Voor 15% gewijzigd door bommer op 25-09-2025 19:14 ]
Solar Edge 9800WP O/W - Itho Amber 95 | Systeem integrator meet en regeltechniek & KNX | projecterings deskundige CCTV & Inbraaksignalering systemen
Ik heb mijn eigen voorkeur, maar help bijde bijzijden met oplossingen.
Solar Edge 9800WP O/W - Itho Amber 95 | Systeem integrator meet en regeltechniek & KNX | projecterings deskundige CCTV & Inbraaksignalering systemen
Snerpende geluid hoor ik niet zo.Get!em schreef op woensdag 24 september 2025 @ 20:55:
Zoals gepost heb ik de steunen nu voorzien van extra rubber. Eerste tests met DHW in eco mode, positief.
Vandaag is de eerste keer dat er weer een run op verwarming draait. Uiteraard op een koude vloer, dus lange aanloop om de boel weer warm te krijgen.
Meteen ook een test of geluid nu anders is.
Ja, is anders, brom is minder, dus resonantie via bodem en daardoor muur is minder. De bron van t geluid is echter nog niet weg. Daarbij viel me bij deze eerste run voor verwarming op dat er wel een enorm scherpe snerpend geluid te horen is. Kunnen ervaringsdeskundigen aangeven of dit normaal is?
Deze video vanavond opgenomen
https://youtube.com/shorts/3y4rFjibpX8?si=8bhz--TLvTB09gq8
Vorig jaar december deze
YouTube: 4 december 2024
Geluid zelf wel, volume is zo natuurlijk niet in te schatten.
Klinkt aardig hetzelfde als hier thuis.
Moet zeggen dat ik geluid binnenshuis best hard vind hier thuis. En hoor hem buiten ook goed. Ik kan ook nog verbeteren, en zal dat toch ook doen. Merk dat t irritanter is dan verwacht. Dacht obv "stille warmtepomp" dat t zo wel zou gaan.
Opvallend is dat de toon zo'n 138 Hz is. Precies dubbele van compressor op dat moment .(Logisch) Maar dat sterkt me in mijn gedachten dat aan bevestiging compressor in Amber nog het meeste winst is te halen. Toch maar eens mee hobbyen. De omkasting van de compressor lijkt anders bij mij dan bij foto s die ik hier zag. Maar moet hem dan toch maar eens open schroeven. Denk aan anti dreun matten op die omkasting.
Op lage toeren hoor ik hem helemaal niet. Op hogere dus goed door de muur en het triple glas heen.
Mogelijk toch te stug qua leidingwerk, al vraag ik mij af of een stuk van ~50cm vervanger met alu-pex echt effect gaat hebben...
@mijgmae je hebt toch wel het eerste stuk met een echt flexibele buis? Zie tips TS. Pexbuizen geven best veel geluid door dus dat helpt niet echt.
Zoekopdracht "RVS Flex 1" 1/4 (30-50-100cm, haaks en recht)". 30 cm is nog best stug, 50 cm beter als dat zou passen.
De mate waarin de rvs ribbelbuis geluid doorgeeft weet ik niet, lijkt me beduidend meer. Daar komt een ervaringsdeskundige vast op terug.
Het (in de woning) juist beugelen (met rubber ingelegde buis klemmen) zal ook wat doen.
Overigens heb ik het dan dus over het doorgeven van geluiden vanuit de Amber, en niet over evt stromings geluid dat elders in buizen op kan treden.
Uit de TS:
Carboy54 in "Itho Daalderop Amber"
[ Voor 5% gewijzigd door Degast op 26-09-2025 10:44 ]
Zal er eens over nadenken, 50cm ruimte heb ik niet als ik direct de WP uit kom. Dan moet ik dat doen wanneer ik het huis binnenkom. Bedankt voor de suggestie
Degast schreef op vrijdag 26 september 2025 @ 10:42:
Eigenlijk hetzelfde als waar tegenwoordig je keukenkraan of keukenboiler vaak mee aangesloten zit, maar dan groter.
Zoekopdracht "RVS Flex 1" 1/4 (30-50-100cm, haaks en recht)". 30 cm is nog best stug, 50 cm beter als dat zou passen.
De mate waarin de rvs ribbelbuis geluid doorgeeft weet ik niet, lijkt me beduidend meer. Daar komt een ervaringsdeskundige vast op terug.
Het (in de woning) juist beugelen (met rubber ingelegde buis klemmen) zal ook wat doen.
Overigens heb ik het dan dus over het doorgeven van geluiden vanuit de Amber, en niet over evt stromings geluid dat elders in buizen op kan treden.
Uit de TS:
Carboy54 in "Itho Daalderop Amber"
:strip_exif()/f/image/gR5JKzGrlqhchDh2JpJ6udig.jpg?f=fotoalbum_large)
:strip_exif()/f/image/FyxP3Wy1FeaJTpk1RgILgZWy.jpg?f=fotoalbum_large)
:strip_exif()/f/image/5hCFyLt8T7fTPmgzXfgv6kPc.jpg?f=fotoalbum_large)
[ Voor 23% gewijzigd door Carboy54 op 26-09-2025 16:28 ]
WH-MDC09J3E5 + ITHO AMBER 9.5. 26x245 WP Panelen. WP boiler 200L EV I3. Duurzaamheid coach NL gemeenten.
(Mantelbuis wil ik sowieso i.v.m. toekomst)
Die rvs flex van 30-50 of 100cm is niet echt flexibel, wel meer dan meerlagenbuis. Wij hebben hier echt goeie resultaten mee.mijgmae schreef op vrijdag 26 september 2025 @ 08:38:
@Degast van buiten naar binnen gaat met een geribbelde rvs buis. Wat is een “echt flexibele “ buis?
Wat hoor je dan precies? Is het resonantie van de compressor (daar helpt die flex voor) of hoor je de waterpomp gieren? Dat zou misschien kunnen door de vele ribbels (tis een idee?).
Op welke stand staat je waterpomp?
Warmtepomponline.com & Fancoilonline.com Amber 65, F-gassen II
Van de Amber ligt er 18m Rehau geïsoleerde grondleiding (32mm) naar de schuur. Daar staat boilervat en zit driewegklep. Van daar, loopt er ca 10m uponor 32 naar mijn vloerverwarmingverdeler (12 groepen, ca 90m²). Er gaat ook een aftakking vlak voor de verdeler naar 1e verdieping voor extra verdeler met 2 groepen vloerverwarming voor toekomstig nieuwe badkamer (ca 8 extra meter naar die verdeler boven). Rest boven verwarmen we nooit. Hal beneden heeft vloerverwarming dus er trekt genoeg warmte omhoog. Als het kan overweeg ik Jaga radiatoren + fans, maar geen idee of dat qua debiet/druk gaat kunnen.
Totaal kom ik ruim boven de 25m die de handleiding voorschrijft dus.
Wat is aangeraden? Extra drukgestuurde pomp plaatsen achter driewegklep? Of zijn er betere manieren?
[ Voor 12% gewijzigd door georgeboot op 26-09-2025 20:13 ]
LG-HM091MR-U44 | 9000WP zuid plat dak
Conform norm mag het niet. De kabel zou wel in een grijze slagvaste buis mogen op 60cm.JL-IP(!) schreef op vrijdag 26 september 2025 @ 16:30:
Snelle vraagKan iemand mij vertellen of het nou wel of niet mag of aanbevolen wordt. Gewone YMVK/XMVK 5x2.5mm in een rode mantelbuis op 50/60 cm diepte of toch grondkabel (4.x2.5+as)? Lengte naar Amber is plusminus 25meter.
(Mantelbuis wil ik sowieso i.v.m. toekomst)
Of een grondkabel op 60cm.
Als je zo’n rode buis gebruikt, trek met iedere kabel die je er in trekt een sterke trekdraad mee.
Een trekveer krijg je er achteraf niet meer in, zeker niet over die lengte.
Die grondkabel mag uiteraard wel in de rode buis
[ Voor 3% gewijzigd door bommer op 26-09-2025 21:34 ]
Solar Edge 9800WP O/W - Itho Amber 95 | Systeem integrator meet en regeltechniek & KNX | projecterings deskundige CCTV & Inbraaksignalering systemen
Ik zou het eerst proberen, de pomp van de Amber is best sterkgeorgeboot schreef op vrijdag 26 september 2025 @ 20:11:
Ik heb een Amber 12kW die ik binnenkort ga aansluiten, maar denk dat ik een extra (drukgestuurde?) pomp oid nodig heb, maar kan hier niets over vinden.
Van de Amber ligt er 18m Rehau geïsoleerde grondleiding (32mm) naar de schuur. Daar staat boilervat en zit driewegklep. Van daar, loopt er ca 10m uponor 32 naar mijn vloerverwarmingverdeler (12 groepen, ca 90m²). Er gaat ook een aftakking vlak voor de verdeler naar 1e verdieping voor extra verdeler met 2 groepen vloerverwarming voor toekomstig nieuwe badkamer (ca 8 extra meter naar die verdeler boven). Rest boven verwarmen we nooit. Hal beneden heeft vloerverwarming dus er trekt genoeg warmte omhoog. Als het kan overweeg ik Jaga radiatoren + fans, maar geen idee of dat qua debiet/druk gaat kunnen.
Totaal kom ik ruim boven de 25m die de handleiding voorschrijft dus.
Wat is aangeraden? Extra drukgestuurde pomp plaatsen achter driewegklep? Of zijn er betere manieren?
Solar Edge 9800WP O/W - Itho Amber 95 | Systeem integrator meet en regeltechniek & KNX | projecterings deskundige CCTV & Inbraaksignalering systemen
Het is echt de waterpomp. Deze is hoorbaar op alle standen. Ik heb hem nu op medium staan overdag, hij schakelt in de avond automatisch naar low. De ribbelbuis gaat binnenhuis over naar een gedeelte stalen cv leiding. Ik heb zo’n vermoeden dat de trillingen vervolgens door de (gebeugelde) cv leiding weer op het huis worden doorgegeven.Stoker schreef op vrijdag 26 september 2025 @ 19:42:
[...]
Die rvs flex van 30-50 of 100cm is niet echt flexibel, wel meer dan meerlagenbuis. Wij hebben hier echt goeie resultaten mee.
Wat hoor je dan precies? Is het resonantie van de compressor (daar helpt die flex voor) of hoor je de waterpomp gieren? Dat zou misschien kunnen door de vele ribbels (tis een idee?).
Op welke stand staat je waterpomp?
Daarom zoek ik een manier om bijv. met een flexbuis de trillingen te ontkoppelen.
Warmtepomponline.com & Fancoilonline.com Amber 65, F-gassen II
Ik heb zelf nog een convectoren op ca. 30 meter van de wp liggen waar ik een goede flow doorheen krijg op pompstand 2. Wel bijna overal 32 mm op de laatste paar meter na (22 mm). Bij pompstand 1 krijg ik wel een flowstoring dus denk ik dat die laatste convectoren geen of nauwelijks flow hebben. Mijn gevoel zegt dat je dit moet redden.georgeboot schreef op vrijdag 26 september 2025 @ 20:11:
Ik heb een Amber 12kW die ik binnenkort ga aansluiten, maar denk dat ik een extra (drukgestuurde?) pomp oid nodig heb, maar kan hier niets over vinden.
Van de Amber ligt er 18m Rehau geïsoleerde grondleiding (32mm) naar de schuur. Daar staat boilervat en zit driewegklep. Van daar, loopt er ca 10m uponor 32 naar mijn vloerverwarmingverdeler (12 groepen, ca 90m²). Er gaat ook een aftakking vlak voor de verdeler naar 1e verdieping voor extra verdeler met 2 groepen vloerverwarming voor toekomstig nieuwe badkamer (ca 8 extra meter naar die verdeler boven). Rest boven verwarmen we nooit. Hal beneden heeft vloerverwarming dus er trekt genoeg warmte omhoog. Als het kan overweeg ik Jaga radiatoren + fans, maar geen idee of dat qua debiet/druk gaat kunnen.
Totaal kom ik ruim boven de 25m die de handleiding voorschrijft dus.
Wat is aangeraden? Extra drukgestuurde pomp plaatsen achter driewegklep? Of zijn er betere manieren?
Zou het ook eerst proberen. Reactie ChatGPT op basis van jouw data (18+12m uponor, 8m aftakking, aanname 16mm), Amber 120:georgeboot schreef op vrijdag 26 september 2025 @ 20:11:
Ik heb een Amber 12kW die ik binnenkort ga aansluiten, maar denk dat ik een extra (drukgestuurde?) pomp oid nodig heb, maar kan hier niets over vinden.
Van de Amber ligt er 18m Rehau geïsoleerde grondleiding (32mm) naar de schuur. Daar staat boilervat en zit driewegklep. Van daar, loopt er ca 10m uponor 32 naar mijn vloerverwarmingverdeler (12 groepen, ca 90m²). Er gaat ook een aftakking vlak voor de verdeler naar 1e verdieping voor extra verdeler met 2 groepen vloerverwarming voor toekomstig nieuwe badkamer (ca 8 extra meter naar die verdeler boven). Rest boven verwarmen we nooit. Hal beneden heeft vloerverwarming dus er trekt genoeg warmte omhoog. Als het kan overweeg ik Jaga radiatoren + fans, maar geen idee of dat qua debiet/druk gaat kunnen.
Totaal kom ik ruim boven de 25m die de handleiding voorschrijft dus.
Wat is aangeraden? Extra drukgestuurde pomp plaatsen achter driewegklep? Of zijn er betere manieren?
Kort antwoord: met jouw leidingwerk zit je ruimschoots binnen wat de pomp van de Amber 120 aankan.
Wat ik heb aangenomen
Gesloten cv-systeem (statische hoogte 8 m maakt dan niets uit).
“Uponor 32 mm” ≈ inwendige Ø 26 mm (MLC 32×3 of PEX 32×2,9).
De 30 m is aanvoer-afstand; dus samen met retour ≈ 60 m 32 mm.
Amber 120 nominale ontwerpsnelheid: 0,42 l/s; beschikbare pompdruk bij die flow: 0,87 bar.
Snel doorrekenen (frictie-verlies, water ~30–40 °C). Drukval per meter (mbar/m)
Hoofdtraject 32 mm (ID 26 mm)
1 000 l/uur → 1,38 mbar/m
1 500 l/uur → 2,81 mbar/m
2 000 l/uur → 4,68 mbar/m
Zijtak 16 mm (ID 12 mm)
150 l/uur → 2,01 mbar/m
200 l/uur → 3,30 mbar/m
250 l/uur → 4,85 mbar/m
1 mbar/m = 100 Pa/m. Waarden berekend met Darcy–Weisbach (water ρ≈994 kg/m³, μ≈0,72 mPa·s, gladde PEX/MLC).
Snelle voorbeelden voor jouw situatie
32 mm, 60 m heen/terug, 1 500 l/uur → 2,81 mbar/m × 60 m ≈ 0,17 bar
16 mm, 16 m heen/terug, 150 l/uur → 2,01 mbar/m × 16 m ≈ 0,032 bar
Ook bij hogere hoofdflow (2 000–2 500 l/uur) blijft het hoofdtraject rond 0,28–0,42 bar.
Hoofdtraject 32 mm, 60 m, 0,42 l/s → ≈ 0,19 bar drukverlies.
Zijtak 16 mm, 8 m omhoog (≈ 16 m heen/terug) bij 100 l/uur → ≈ 0,018 bar (bij 200 l/uur → ≈ 0,058 bar)
Zelfs met wat bochten, kranen, verdeler en warmtewisselaar kun je grofweg 0,35–0,55 bar totaal verwachten. Dat blijft comfortabel onder de 0,87 bar die de Amber-pomp beschikbaar heeft bij de nominale flow, dus hydraulisch zit dit goed
Vandaag bezig geweest met wat interne demping. Heb geen speciale ontdreuningsmatjes gebruikt maar iets lichters. Vooral omdat ik vandaag zin in had, tijd voor had en het lekker weer was. Normaal mens zou pas gaan schroeven als ie juiste matjes ook had. (Of natuurlijk helemaal niet)
De reden was dat wij dus ook wat geluid naar binnen krijgen. En ik hem buiten op een meter of 8 kan horen. (De compressor)(Dan heel zacht natuurlijk) Om een of andere reden wisselt trilling dus mogelijk enigszins per apparaat. Opstelling doet natuurlijk ook veel.
En hoor ik lage tonen erg goed, de vriezer hoor ik ook door een muur heen. Ben op zeker een slechte maatstaf.
Ik vond geen losse schroeven of andere duidelijke oorzaken.
Heb wat platen intern beplakt.
Ik de behuizing om de compressor zit een glaswol? Product met een alu laagje en een verzwaarde plaklaag tegen de plaatjes. De compressor maakt wat contact met het glaswol, waarschijnlijk niet met de platen. Dus dat was niet direct de oorzaak.
Heb natuurlijk overal op geklopt en dus wat zware plakband/bitumenband hier en daar gebruikt op delen die ik hol vond klinken.
Overall: bouwkwaliteit prima. Maar ik beeld me in dat als je een net wat minder uitgebalanceerde compressor hebt dat je dan een beetje meer geluid hebt. Ik weet niet of dat bestaat, zoiets als een rumoeriger compressor in eenzelfde serie compressoren.
De compressor stond op 3 rubbers welke ook in de Highly brochure van de compressor terug komen. (Dacht nog: had dat misschien beter gekund Itho?) Men heeft goed hun best gedaan om buizen ed te ontkoppelen. En dus een dempende kast om de compressor.
Ik vond hem na hobbyen iets stiller tijdens de sww run. Maar kan me dat natuurlijk inbeelden. Ik kom daar na een paar dagen nog wel op terug.
:strip_exif()/f/image/Il2XTBqxOIGeOjSEypEctmaO.jpg?f=fotoalbum_large)
Bovenplaat
:strip_exif()/f/image/HlbULuj2pZuLpRIIVyds4a5O.jpg?f=fotoalbum_large)
:strip_exif()/f/image/Z6q3KP0LWZIkd0rxyeHHTv9x.jpg?f=fotoalbum_large)
Voorkant zonder voorplaat. Ook het voorste plaatje van dempende kastje om compressor is er hier af. (Ik was benieuwd of ik de compressor zelf extra zou kunnen dempen en naar de montage hiervan)
De bovenkant heeft deels wat rubber, daarnaast past nog wel mooi wat demping/ontdreuning. Op de voorkant ook, wel opletten dat t niet te dik is, mm of 3 m.i.
Kastje rond compressor mooi in beeld, die kun je gewoon dicht laten. (Maar nu ik toch zover was). Ik heb daar op, aan voorzijde en zijde van de ventilator iets geplakt.
Ik plakte ook klein strookje op achterpaneel, boven de plek waar de buizen naar buiten gaan.
Het rechter zij-paneel heeft mooi eier schuim, dat dempt vast wat geluid. Als ik verder wil verbeteren (of bij bij nader inzien geen resultaat) probeer ik daar wat van los te halen en doe ik daar ook wat ontdreuningsmatjes op. (En dan dat schuim weer terug) Als dat lukt. Heb het idee dat het meeste geluid daar toch vandaan komt.
(De zij/achterkant)
Achja lazy sundays.
(Tekstueel eea wat aangepast)
[ Voor 8% gewijzigd door Degast op 28-09-2025 21:22 ]
Mooi bezig. Mogelijk dat ik daar ook nog naar ga kijken. Eerst even nog die Pompsnelheid fixen.Degast schreef op zondag 28 september 2025 @ 20:13:
@Get!em
Vandaag bezig geweest met wat interne demping. Heb geen speciale ontdreuningsmatjes gebruikt maar iets lichters. Vooral omdat ik vandaag zin in had, tijd voor had en het lekker weer was. Normaal mens zou pas gaan schroeven als ie juiste matjes ook had. (Of natuurlijk helemaal niet)
De reden was dat wij dus ook wat geluid naar binnen krijgen. En ik hem buiten op een meter of 8 kan horen. (De compressor)(Dan heel zacht natuurlijk) Om een of andere reden wisselt trilling dus mogelijk enigszins per apparaat. Opstelling doet natuurlijk ook veel.
En hoor ik lage tonen erg goed, de vriezer hoor ik ook door een muur heen. Ben op zeker een slechte maatstaf.
Ik vond geen losse schroeven of andere duidelijke oorzaken.
Heb wat platen intern beplakt.
Ik de behuizing om de compressor zit een glaswol? Product met een alu laagje en een verzwaarde plaklaag tegen de plaatjes. De compressor maakt wat contact met het glaswol, waarschijnlijk niet met de platen. Dus dat was niet direct de oorzaak.
Heb natuurlijk overal op geklopt en dus wat zware plakband/bitumenband hier en daar gebruikt op delen die ik hol vond klinken.
Overall: bouwkwaliteit prima. Maar ik beeld me in dat als je een net wat minder uitgebalanceerde compressor hebt dat je dan een beetje meer geluid hebt. Ik weet niet of dat bestaat, zoiets als een rumoeriger compressor in eenzelfde serie compressoren.
De compressor stond op 3 rubbers welke ook in de Highly brochure van de compressor terug komen. (Dacht nog: had dat misschien beter gekund Itho?) Men heeft goed hun best gedaan om buizen ed te ontkoppelen. En dus een dempende kast om de compressor.
Ik vond hem na hobbyen iets stiller tijdens de sww run. Maar kan me dat natuurlijk inbeelden. Ik kom daar na een paar dagen nog wel op terug.
[Afbeelding]
Bovenplaat
[Afbeelding]
[Afbeelding]
Voorkant zonder voorplaat. Ook het voorste plaatje van dempende kastje om compressor is er hier af. (Ik was benieuwd of ik de compressor zelf extra zou kunnen dempen en naar de montage hiervan)
De bovenkant heeft deels wat rubber, daarnaast past nog wel mooi wat demping/ontdreuning. Op de voorkant ook, wel opletten dat t niet te dik is, mm of 3 m.i.
Kastje rond compressor mooi in beeld, die kun je gewoon dicht laten. (Maar nu ik toch zover was). Ik heb daar op, aan voorzijde en zijde van de ventilator iets geplakt.
Ik plakte ook klein strookje op achterpaneel, boven de plek waar de buizen naar buiten gaan.
Het rechter zij-paneel heeft mooi eier schuim, dat dempt vast wat geluid. Als ik verder wil verbeteren (of bij bij nader inzien geen resultaat) probeer ik daar wat van los te halen en doe ik daar ook wat ontdreuningsmatjes op. (En dan dat schuim weer terug) Als dat lukt. Heb het idee dat het meeste geluid daar toch vandaan komt.
(De zij/achterkant)
Achja lazy sundays.
(Tekstueel eea wat aangepast)
Ben benieuwd wat je resultaten zijn.
Ik wil die voorplaat er ook nog eens af. Daar vlak bij de compressor komt dat snerpende geluid bij mij vandaan.
Ik zat qua anti dreunplaat naar deze te kijken : https://www.akoestiekwinkel.nl/merfodem-combinatie
Impossibl3 schreef op dinsdag 23 september 2025 @ 11:42:
[...]
De SG knop is de achtervang als dit niet lukt.
Wat ik ook wil doen (en dat is makkelijker) is de doeltemperatuur verlagen van het vat als de compressor het niet aan kan. Hier heb ik last van in de zomer want de pomp staat puur op zuid. Ik heb dan wel eens dagen dat het hele vat op het backup element wordt opgewarmd terwijl de temperatuur naar zeg 45 graden ipv 53 graden zetten dan wel toereikend is. Voor de legionella run moet ik natuurlijk nog steeds naar 60+ graden maar dan kan ik dat in de avond doen ipv rond 14:00 uur in de zomer als het bloed heet is. In de winter is 14:00 uur juist weer gunstig want dan hoeft die minder hard te werken. Ook hier zit weer een planningsuitdaging in ivm prijs vs bereik van de compressor vs tijdstip warmwater nodig.
In ieder geval als ik weer eens de tijd heb ga ik dit via modbus aansturen.
/f/image/NPbNqRv1l5QkZ1e5QQ3N82DX.png?f=fotoalbum_large)
Ik doe het nu met de hand, maar ga denk ik toch weer in Homey aanzetten dat als de stroomprijs bijzonder hoog is, de warmtepomp even een paar uurtjes op pauze gaat.
Ook hier mijn plan om de SG+ block relais aan te sluiten. Met countdown timer van Max x tijd.Whiskey48 schreef op maandag 29 september 2025 @ 08:18:
[...]
[Afbeelding]
Ik doe het nu met de hand, maar ga denk ik toch weer in Homey aanzetten dat als de stroomprijs bijzonder hoog is, de warmtepomp even een paar uurtjes op pauze gaat.
Voorlopig nog een contract met vast tarief en ook geen terugleverkosten, dus zit nog met oude modus stroom gebruik en salderen 😋
/f/image/1F2CXymNNPXLQohUMNFfucVL.png?f=fotoalbum_large)
Het houd helaas op hier vrees ik...
Uiteraard, blijft het wel werken als je niet de Amber software van de warmtepomp zelf update.
dit geld ook voor de module van @leejoow
[ Voor 16% gewijzigd door bommer op 29-09-2025 13:41 ]
Solar Edge 9800WP O/W - Itho Amber 95 | Systeem integrator meet en regeltechniek & KNX | projecterings deskundige CCTV & Inbraaksignalering systemen
en wat gaat deze kosten?
Solar Edge 9800WP O/W - Itho Amber 95 | Systeem integrator meet en regeltechniek & KNX | projecterings deskundige CCTV & Inbraaksignalering systemen
Ik heb het de kranen nu ingesteld volgens de rekentool van Jaga op een debiet corresponderend bij -5 graden buitentemperatuur waarbij ik uitga van een 35 graden aanvoer temperatuur. Hoog debiet dus.
Echter, de stooklijn is met de temperaturen van afgelopen week (tussen de 10 en 15 graden) rond de 26 graden aanvoer temperatuur en wat ik zie is dat dit debiet voor die termperaturen erg hoog is. De delta T wordt dan ook erg klein. Dit heeft ook als gevolg dat eigenlijk vanaf de start van elke run de aanvoer temperatuur langzaam oploopt (ik heb hem 4 graden marge gegeven voordat hij uit mag).
Hoe gaan mede tweakers hiermee om? Gebruiken jullie wat betreft de instellingen van de radiator- vloerverwarmingskranen een soort lente/herfst stand, een winter stand en wellicht een zomerstand? (Ik heb IMI heimeier eclipse 300 kranen zonder thermostaatknop dus in principe is het inregelen van het systeem een kleine moeite)
Het liefste wil ik ook een hoog debiet door het systeem dus zit even te dubben wat hier nu handig is...
Geen idee. Niet naar gevraagd.bommer schreef op maandag 29 september 2025 @ 13:45:
@Get!em is die module van Itho al verkrijgbaar?
en wat gaat deze kosten?
Vorig bezoek is de BUH-element vervangen (vanwege doorbranden) en software update gedaan, dus primaire verdachten. Helaas heeft t een half jaar geduurd voordat iemand terplekke kon komen.
Helaas vandaag niks aangetroffen wat zou kunnen wijzen waarom de flow lager is geworden sinds dat bezoek.
BUH eruit en erin gehad, vorstbeveiliging eruit en erin gehad, vuilfilter eruit gehad. Nog wat zaken nagekeken. Waterpomp op AC gezet (ipv PWM) om de maximale pompsnelheid te hebben zonder regeling.
Ter referentie: originele flow was (bij maximaal, gemiddeld, laag instelling) 2000 / 1600/ 900, nu is dat 1400/900/600.
(bijgevolg, bij verwarmen is de DeltaT over warmtewisselaar van gemiddeld 3,5C naar 6,3C gegaan)
Extra zaken die gevonden werden (op basis van gesprek):
Terugslagklep is niet aanwezig (propaan veiligheid)
Diameter driewegklep te klein
Hoofdschakelaar buiten op verkeerde plek.
- Volledige rapport krijg ik nog.
En als bonus: de 2.29-III is geinstalleerd.
Gevolg: modules Leejoow en Bommer werken daar niet mee en moet nog uitgezocht worden wat daar anders moet.
Ik heb via @Stoker contact gehad met Itho en die hebben aangegeven dat er inderdaad aanpassingen aan de modbus zaten aan te komen. Ik ga even testen, @Get!em ik heb je een bericht op Discord gestuurd, ben je genegen om even samen naar een oplossing te kijken?bommer schreef op maandag 29 september 2025 @ 13:31:
[Afbeelding]
Het houd helaas op hier vrees ik...
Uiteraard, blijft het wel werken als je niet de Amber software van de warmtepomp zelf update.
dit geld ook voor de module van @leejoow
LilyGo behuizingen | Ontwikkelaar Itho Daalderop Warmtepomp control module
Prima, op discord verder.leejoow schreef op maandag 29 september 2025 @ 14:52:
[...]
Ik heb via @Stoker contact gehad met Itho en die hebben aangegeven dat er inderdaad aanpassingen aan de modbus zaten aan te komen. Ik ga even testen, @Get!em ik heb je een bericht op Discord gestuurd, ben je genegen om even samen naar een oplossing te kijken?
Heeft iemand deze getest, kan hij door de gebruiker uitgelezen worden via een app, en wordt deze module het medium om eventuele updates te versturen naar iedere geinstalleerde Amber warmtepomp? Of kan je als installateur de instellingen resetten c.q. de beste waarden instellen?
Daarnaast zojuist met @Get!em getest, de aanpassing is dat de parity op EVEN staat. Ik zal nieuwe versies gaan maken van de firmware voor de Amber module zodat mensen die op deze nieuwe software zitten de goede parity hebben.
[ Voor 91% gewijzigd door leejoow op 29-09-2025 15:31 ]
LilyGo behuizingen | Ontwikkelaar Itho Daalderop Warmtepomp control module
Zoals @leejoow al vermeld, Parity naar EVEN.Get!em schreef op maandag 29 september 2025 @ 14:47:
En als bonus: de 2.29-III is geinstalleerd.
Gevolg: modules Leejoow en Bommer werken daar niet mee en moet nog uitgezocht worden wat daar anders moet.
Werkt ook voor @bommer module.
/f/image/KuOyiMdvsd89zaSKVbghp5NK.png?f=fotoalbum_large)
Doet die nieuwe versie nog verder iets verbeteren?Get!em schreef op maandag 29 september 2025 @ 15:42:
[...]
Zoals @leejoow al vermeld, Parity naar EVEN.
Werkt ook voor @bommer module.
[Afbeelding]
Of is dit een versie die op nieuwere al draait?
Is dit dan een versie zonder extra taal bestand? Of haal ik zaken door elkaar?
Vond de monteur je apparaat veel geluid maken?
Die stroming blijft raar verhaal, maar icm met geluid/fluit issues. Zit er dan niet gewoon wat klem in je buizen? (En dus (hopelijk)niet in je Amber)
Dat zou ervaren monteur dan toch ook moeten kunnen horen zou ik zo denken.
Versie weet ik verder niks van.Degast schreef op maandag 29 september 2025 @ 19:18:
[...]
Doet die nieuwe versie nog verder iets verbeteren?
Of is dit een versie die op nieuwere al draait?
Is dit dan een versie zonder extra taal bestand? Of haal ik zaken door elkaar?
Vond de monteur je apparaat veel geluid maken?
Die stroming blijft raar verhaal, maar icm met geluid/fluit issues. Zit er dan niet gewoon wat klem in je buizen? (En dus (hopelijk)niet in je Amber)
Dat zou ervaren monteur dan toch ook moeten kunnen horen zou ik zo denken.
Geluid: zijn ze niet aan toegekomen en de buitentemperatuur was te hoog om de Amber naar 90Hz te krijgen. 79Hz was haalbaar, en kon ze wijzen op de snerp, maar aandacht ging als eerste even uit naar de flow.
Werkt nog niet. Eind van het jaar. Bijzonderheden nog niet bekend helaas.mused schreef op maandag 29 september 2025 @ 18:51:
Bruto verkoopprijs €171,- excl. voor de IoT module, op de site van Itho.
WH-MDC09J3E5 + ITHO AMBER 9.5. 26x245 WP Panelen. WP boiler 200L EV I3. Duurzaamheid coach NL gemeenten.
Amber Control Module versie 1.6.0
Zojuist heb ik versie 1.6.0 van de Amber Control Module software gepublished. Hier zitten geen grote wijzigingen buiten het klaarmaken van de github structuur voor de nieuwe communicatie instellingen en een kleine aanpassing waarmee hopelijk de waarschuwingen van de modbus communicatie iets minder worden.In Home Assistant komt hij vanzelf naar voren
LilyGo behuizingen | Ontwikkelaar Itho Daalderop Warmtepomp control module
:no_upscale():strip_icc():strip_exif()/f/image/59K9rmyAKiG6mzRSDaTTCheo.jpg?f=user_large)
https://nl.pepper.com/aan...ator-ventilatorset-371635
Leuke aanbieding voor mensen met een warmtepomp!
Wat is de slimste manier om mijn dhw run aan te sturen in de Amber?
Via modbus de doeltemperatuur aanpassen en de hysterese op 1 zetten. Geen dhw run vanuit optimalisatie is doeltemperatuur op 40 wel een DHW run is doeltemperatuur naar voorkeurswaarde.
Aansturen via sg+ is niet mogelijk omdat de sg+ waarde niet ingesteld kan worden via modbus waardoor de kans op een ongewenste backup heater toe neemt.
Ik hoor graag jullie gedachtengang.
PV 5.590 Wp Enphase, 2.700 Wp Growatt - Easee laadpaal - Itho Amber 95 WP
Er is in de bommer HA integratie een switch voor DHW: Aan/uit.Impossibl3 schreef op dinsdag 30 september 2025 @ 21:33:
Ik wil de Amber aansturen via een optimalisatie in HA mbt tapwater. Hiervoor zal ik het klokprogramma uit zetten maar wil ik er ook voor zorgen dat de Amber alleen een dhw run doet als ik dat wil naar een bepaalde temperatuur op basis van het bereik van de compressor (die heb ik al geautomatiseerd) zodat er zo min mogelijk gebruik wordt gemaakt van het backup element.
Wat is de slimste manier om mijn dhw run aan te sturen in de Amber?
Via modbus de doeltemperatuur aanpassen en de hysterese op 1 zetten. Geen dhw run vanuit optimalisatie is doeltemperatuur op 40 wel een DHW run is doeltemperatuur naar voorkeurswaarde.
Aansturen via sg+ is niet mogelijk omdat de sg+ waarde niet ingesteld kan worden via modbus waardoor de kans op een ongewenste backup heater toe neemt.
Ik hoor graag jullie gedachtengang.
Kun je vervolgens je hysterese en doel temperatuur puur effectief inzetten.
Zo die had ik even helemaal over het hoofd gezien! Die zit gelukkig ook in de @leejoow module. Dat maakt mijn leven weer veel makkelijker.Get!em schreef op dinsdag 30 september 2025 @ 21:47:
[...]
Er is in de bommer HA integratie een switch voor DHW: Aan/uit.
Kun je vervolgens je hysterese en doel temperatuur puur effectief inzetten.
PV 5.590 Wp Enphase, 2.700 Wp Growatt - Easee laadpaal - Itho Amber 95 WP
Stookseizoen nu echt begonnen.
Ik heb via HA dit geautomatiseerd. Ik zet klokprogramma uit, afhankelijk van condities en als serpoint bereikt is weer aan, zodat er i.i.g. een fallback is als HA uitvalt, en 1x/wk setpoint verhogen ivm legionellaImpossibl3 schreef op dinsdag 30 september 2025 @ 21:33:
Ik wil de Amber aansturen via een optimalisatie in HA mbt tapwater. Hiervoor zal ik het klokprogramma uit zetten maar wil ik er ook voor zorgen dat de Amber alleen een dhw run doet als ik dat wil naar een bepaalde temperatuur op basis van het bereik van de compressor (die heb ik al geautomatiseerd) zodat er zo min mogelijk gebruik wordt gemaakt van het backup element.
Wat is de slimste manier om mijn dhw run aan te sturen in de Amber?
Via modbus de doeltemperatuur aanpassen en de hysterese op 1 zetten. Geen dhw run vanuit optimalisatie is doeltemperatuur op 40 wel een DHW run is doeltemperatuur naar voorkeurswaarde.
Aansturen via sg+ is niet mogelijk omdat de sg+ waarde niet ingesteld kan worden via modbus waardoor de kans op een ongewenste backup heater toe neemt.
Ik hoor graag jullie gedachtengang.
Ik heb nu een Honeywell Evohome met de gekende problemen: vaak in- en uitschakelen. Ik vermoed dat de nieuwe Plugwise daar een oplossing voor biedt?
Zou het zo eenvoudig zijn dan ze schrijven: Honeywell losmaken en Emma installeren? De Itho Daalderop moet dan enkel manueel van koelen naar verwarmen verzet worden en omgekeerd. Ik ben niet zeker, maar ik denk dat ik dit nu ook moet doen 2x/ jaar.
Op mijn HP-S hangen nu 2 Honeywell RF modules. Mogen die blijven hangen wanneer ik eventueel zou overschakelen?
PV ZObrabant O 11 x 355Wp (3900Wp) 32gr / W 11x355Wp (3900Wp) 32gr / Goodwe DNS 5000 5kw
Nu blijkbaar overdone, want nu is de brom weer harder. Het komt dus heel precies. En je kunt t ook verknallen!
Ik ga er nu even 2 maanden vanaf blijven. En dan , deze keer wat meer weloverwogen, een laatste? keer aanpassen.
(Ik denk dat isolatie om compressor nu contact maakt met buitenmantel.)
#van je fouten moet je leren, van niet nadenken krijg je fouten.
Iets wat al redelijk/goed was moet je soms gewoon zo laten. (Moeilijk..)
Maar als er contact is dan zal het zeker niet helpen inderdaad.
:strip_exif()/f/image/6PtM9xcoR5GGTeyFxolhDLzs.jpg?f=fotoalbum_large)
Maar plakte ook op de voorzijde/mantel, denk dat dat nu wel eens tegen de omkasting op de foto kan zitten. Had ik natuurlijk even in de gaten moeten houden, maar t ging regenen dus was wat te haastig.
Ik wacht even af.
Mijn vrouw vond het iets stiller, maar die hoort lage tonen minder dan ik. Overigens hoor ik hem tot ergens in de 40 helemaal niet zo en draait ie op dit soort dagen meestel 36 of 30hz geloof ik.
kun je die unit horen dan? Die staat op de grond, dan hoor je normaliter niet wat zeker niet binnen.Degast schreef op vrijdag 3 oktober 2025 @ 19:28:
Nee, niet op de compressor zelf, de geluiddempende kast daaromheen.[Afbeelding]
Maar plakte ook op de voorzijde/mantel, denk dat dat nu wel eens tegen de omkasting op de foto kan zitten. Had ik natuurlijk even in de gaten moeten houden, maar t ging regenen dus was wat te haastig.
Ik wacht even af.
Mijn vrouw vond het iets stiller, maar die hoort lage tonen minder dan ik. Overigens hoor ik hem tot ergens in de 40 helemaal niet zo en draait ie op dit soort dagen meestel 36 of 30hz geloof ik.
YouTube: Waarom een 180L buffervat hier juist problemen veroorzaakt
WH-MDC09J3E5 + ITHO AMBER 9.5. 26x245 WP Panelen. WP boiler 200L EV I3. Duurzaamheid coach NL gemeenten.
Als je het goed aansluit, dan heb je het probleem niet.Carboy54 schreef op zaterdag 4 oktober 2025 @ 11:22:
Voor de buffervat nerds hierbij een uitleg wat er zoal mis kan gaan bij een parallel buffervat:
YouTube: Waarom een 180L buffervat hier juist problemen veroorzaakt
Solar Edge 9800WP O/W - Itho Amber 95 | Systeem integrator meet en regeltechniek & KNX | projecterings deskundige CCTV & Inbraaksignalering systemen
Dat geldt voor alles Mischa 😊jouw oplossing is the best. Plaats wellicht eens een tekening voor de geïnteresseerde tweaker.bommer schreef op zaterdag 4 oktober 2025 @ 11:42:
[...]
Als je het goed aansluit, dan heb je het probleem niet.
WH-MDC09J3E5 + ITHO AMBER 9.5. 26x245 WP Panelen. WP boiler 200L EV I3. Duurzaamheid coach NL gemeenten.
Doe je dat niet, dan kan het beter weglaten.
:strip_exif()/f/image/h9uzHpq5vfgG2lHMIIvZdZoz.png?f=user_large)
Ik heb het buffervat zo aangesloten, let op de snelheden van de beide pompen zijn gelijk.
Mocht er nou een naregeling dicht gedraaid worden (en ja ook een (ouderwetse/thermostaat) radiatorknop is naregeling)
Pas dan zal afname volume afnemen, de snelheid van de secundaire pomp zal afnemen (mits de correcte pomp gebruikt) en het buffer zich vullen, eerder doet het buffervat helemaal niets.
De opgeslagen energie in het buffervat gebruik ik weer bij de volgende run, door eerst 10 min. de secundaire pomp te laten werken en dus de opgeslagen energie uit het buffervat te gebruiken.
De enige energie die verloren gaat is de eerste en laatste vulling van het seizoen en evt. thermische verliezen tussen runs. Dit wordt ruimschoots goed gemaakt door dat ik niet constant alle ruimtes verwarm of koel.
Ja hoor ik de heatgeeks al weer zeggen, dat de niet verwarmde ruimtes opgewarmd worden door de warme ruimtes er naast. Volgens de natuurkunde hebben ze helemaal gelijk. Alleen worden alle andere invloeden
helemaal vergeten, zoals gebruik van de ruimte, zoninstraling, WTW units, ect ect.
In de video wordt gesproken over een te groot buffervat, daar ben ik het niet mee eens.
minder inhoud, betekend sneller warm retour water.
Solar Edge 9800WP O/W - Itho Amber 95 | Systeem integrator meet en regeltechniek & KNX | projecterings deskundige CCTV & Inbraaksignalering systemen
Dus ook geen radiator knoppen in welke vorm dan ook.
en voldoende systeem inhoud = Geen buffer nodig.
onvoldoende systeem inhoud = buffer (klein 50l bijv.) in serie.
Bij naregeling buffer gebruiken, er zijn rekentools op warmtepompweetjes.nl om de grote van het buffer uit te rekenen (heeft met warmtepomp vermogen en optie koelen te maken)
En dan aansluiten zoals als hierboven aangegeven.
Solar Edge 9800WP O/W - Itho Amber 95 | Systeem integrator meet en regeltechniek & KNX | projecterings deskundige CCTV & Inbraaksignalering systemen
Niemand?Drossie schreef op donderdag 2 oktober 2025 @ 14:53:
Plugwise heeft een nieuwe thermostaat uitgebracht: de Emma pro wired. https://www.plugwise.com/product/emma-wired-pro/#top
Ik heb nu een Honeywell Evohome met de gekende problemen: vaak in- en uitschakelen. Ik vermoed dat de nieuwe Plugwise daar een oplossing voor biedt?
Zou het zo eenvoudig zijn dan ze schrijven: Honeywell losmaken en Emma installeren? De Itho Daalderop moet dan enkel manueel van koelen naar verwarmen verzet worden en omgekeerd. Ik ben niet zeker, maar ik denk dat ik dit nu ook moet doen 2x/ jaar.
Op mijn HP-S hangen nu 2 Honeywell RF modules. Mogen die blijven hangen wanneer ik eventueel zou overschakelen?
Bij de Amber kan je een inschakel vertraging instellen om pendelen te voorkomen en dat werkt al perfect. Zelf monteren wij PNI 40 thermostaten met een hysterese van 0.4 graden tussen in en uitschakelen. Met beide combinaties heb je geen pendelen bij een goed afgestemde en ingeregelde installatie.
WH-MDC09J3E5 + ITHO AMBER 9.5. 26x245 WP Panelen. WP boiler 200L EV I3. Duurzaamheid coach NL gemeenten.
:strip_exif()/f/image/y14LI77FSvEFrgL5ZgVlMyOC.png?f=user_large)
En gewoon naar de 70 graden op de compressor!
van 51 naar 70 in 1 uur en 15 min.
[ Voor 7% gewijzigd door bommer op 04-10-2025 13:23 ]
Solar Edge 9800WP O/W - Itho Amber 95 | Systeem integrator meet en regeltechniek & KNX | projecterings deskundige CCTV & Inbraaksignalering systemen
Maar kan deze thermostaat functioneren met de Amber? Als ik de specs van deze thermostaat bekijken lijkt me van wel toch?:Carboy54 schreef op zaterdag 4 oktober 2025 @ 13:10:
[...]
Bij de Amber kan je een inschakel vertraging instellen om pendelen te voorkomen en dat werkt al perfect. Zelf monteren wij PNI 40 thermostaten met een hysterese van 0.4 graden tussen in en uitschakelen. Met beide combinaties heb je geen pendelen bij een goed afgestemde en ingeregelde installatie.
Emma thermostaat
installatie
Home assistant
Waarom ik hiernaar kijk:
Ik vind het een fraaie thermostaat
Hij is bedraad aansturend: als mijn netwerk eruit valt blijft het functioneren
Zigbee voor draadloze integraties met bv Home assistant.
Hij geeft ook koelen als ik dit aanpas in de amber stuurunit
NL product, geen China server en dergelijke. Niet heel erg belangrijk voor mij, maar wel een pluspuntje. NL product is wel een groot pluspunt.
Plugwise is geen onbekende met home assistant. Weet niet of er voor de Emma een integratie komt of al is?
Mooie montage aan de muur mogelijk zonder usb-c stekkers etc...
last but not least: Ik vind het een fraaie apparaat!
Minder: de prijs (90 vs 145 euro!), toch nog batterijen nodig en een nieuw product. De PNI's worden al veel en betrouwbaar ingezet.
Onbekend of deze fijn werkt met de modules van @bommer en @leejoow ? Ik ben hier nog niet ingedoken...
PV ZObrabant O 11 x 355Wp (3900Wp) 32gr / W 11x355Wp (3900Wp) 32gr / Goodwe DNS 5000 5kw
Maar als ik het goed voor heb, dien je voor die PNI al meer tweaker te zijn om ook het koelen te laten werken, toch?Carboy54 schreef op zaterdag 4 oktober 2025 @ 13:10:
[...]
Bij de Amber kan je een inschakel vertraging instellen om pendelen te voorkomen en dat werkt al perfect. Zelf monteren wij PNI 40 thermostaten met een hysterese van 0.4 graden tussen in en uitschakelen. Met beide combinaties heb je geen pendelen bij een goed afgestemde en ingeregelde installatie.
Ik zoek een zo eenvoudig mogelijke oplossing.
Plugwise is een prima merk, blij dat er weer wat ontwikkeling in zit.wowly schreef op zaterdag 4 oktober 2025 @ 14:30:
[...]
Maar kan deze thermostaat functioneren met de Amber? Als ik de specs van deze thermostaat bekijken lijkt me van wel toch?:
Emma thermostaat
installatie
Home assistant
Waarom ik hiernaar kijk:
Ik vind het een fraaie thermostaat
Hij is bedraad aansturend: als mijn netwerk eruit valt blijft het functioneren
Zigbee voor draadloze integraties met bv Home assistant.
Hij geeft ook koelen als ik dit aanpas in de amber stuurunit
NL product, geen China server en dergelijke. Niet heel erg belangrijk voor mij, maar wel een pluspuntje. NL product is wel een groot pluspunt.
Plugwise is geen onbekende met home assistant. Weet niet of er voor de Emma een integratie komt of al is?
Mooie montage aan de muur mogelijk zonder usb-c stekkers etc...
last but not least: Ik vind het een fraaie apparaat!
Minder: de prijs (90 vs 145 euro!), toch nog batterijen nodig en een nieuw product. De PNI's worden al veel en betrouwbaar ingezet.
Onbekend of deze fijn werkt met de modules van @bommer en @leejoow ? Ik ben hier nog niet ingedoken...
Ook is er een aansluitschema voor de Plugwise Adam HA met koeling op de Amber.
Hier draait de Lisa + Adam HA en dat werkt prima. Amber is een aan/uit warmtepomp, dus je moet de Plugwise daarop instellen. Verder moet ik die bij de Lisa instellen op Eco en voorverwarmen staat ook aan. Daarmee krijg je een heel rustige aan/uit werking (runs van meer dan 2 uur).
Omdat het een aan/uit aansturing is, kun je in de Plugwise Adam HA ook een benadering van je stooklijn instellen, zodat hij daar een beetje rekening mee houdt (incl de buitentemperatuur die hij ophaalt obv internet).
Product werkt verder offline en maakt een eigen zigbee netwerk tussen Lisa en Adam HA. En is tussen Adam HA en Amber bedraad aangesloten.
Of dit nieuwe product net zo werkt? Weet ik niet. Qua features die ik zie die ze noemen, zou t leuk zijn als ze die ook qua software naar de Adam HA brengen.
Qua integratie met de uitlees modules? Wat bedoel je?
De Adam HA is nodig voor integratie in HomeAssistant (zie ook bij vereisten bij dit nieuwe product). In HomeAssistant krijg je alle controls van de thermostaat (incl gemeten temperatuur), incl de koelknop.
Let op, bij de nieuwe thermostaat staat een weer-icoontje in t display. Die krijg je alleen met een Adam HA erbij. Je aankoop wordt dan dus dubbel zo hoog.
Ook snap ik nog niet hoe je dan de koel functie bediend, want de koelfunctie van Adam HA moet je los kopen. En bij de nieuwe thermostaat ie alsof ie inclusief is…
Vwb jou integratie, ik ben daar nog niet ingedoken, weet niet waar en hoe dit functioneert
[ Voor 39% gewijzigd door wowly op 04-10-2025 15:34 ]
PV ZObrabant O 11 x 355Wp (3900Wp) 32gr / W 11x355Wp (3900Wp) 32gr / Goodwe DNS 5000 5kw
Mijn integratie stuurt alleen op modbus, daarmee kan je niet de warmtevraag en koudevraag aansluitingen mee bedienen.wowly schreef op zaterdag 4 oktober 2025 @ 14:30:
[...]
Maar kan deze thermostaat functioneren met de Amber? Als ik de specs van deze thermostaat bekijken lijkt me van wel toch?:
Emma thermostaat
installatie
Home assistant
Waarom ik hiernaar kijk:
Ik vind het een fraaie thermostaat
Hij is bedraad aansturend: als mijn netwerk eruit valt blijft het functioneren
Zigbee voor draadloze integraties met bv Home assistant.
Hij geeft ook koelen als ik dit aanpas in de amber stuurunit
NL product, geen China server en dergelijke. Niet heel erg belangrijk voor mij, maar wel een pluspuntje. NL product is wel een groot pluspunt.
Plugwise is geen onbekende met home assistant. Weet niet of er voor de Emma een integratie komt of al is?
Mooie montage aan de muur mogelijk zonder usb-c stekkers etc...
last but not least: Ik vind het een fraaie apparaat!
Minder: de prijs (90 vs 145 euro!), toch nog batterijen nodig en een nieuw product. De PNI's worden al veel en betrouwbaar ingezet.
Onbekend of deze fijn werkt met de modules van @bommer en @leejoow ? Ik ben hier nog niet ingedoken...
en kan dus prima gebruikt worden.
De leejoow control module, heeft relais waar mee. deze contacten aangestuurd kunnen worden.
dit is niet verplicht.
Je kan dus bij beide een losse thermostaat gebruiken, als je dat wenst.
Solar Edge 9800WP O/W - Itho Amber 95 | Systeem integrator meet en regeltechniek & KNX | projecterings deskundige CCTV & Inbraaksignalering systemen
Hier is het precies zo aangesloten. En heb dus ook die volledige menging.Carboy54 schreef op zaterdag 4 oktober 2025 @ 11:22:
Voor de buffervat nerds hierbij een uitleg wat er zoal mis kan gaan bij een parallel buffervat:
YouTube: Waarom een 180L buffervat hier juist problemen veroorzaakt
De accountmanager van Itho vond dit een perfect aangesloten situatie en vond dit niet gek of suboptimaal. Hij had dit zelf thuis ook zo.
Bij de huidige runs zijn de temperaturen ook zo verdeeld als in de video, alleen is de mening veel “beter” waardoor de retour tussen buffer en buitenunit gelijk is aan de aanvoer temperatuur naar vloerverwarming.
Dus als volgt:
Aanvoer Amber buitenunit naar Buffer 34C
Buffer naar vloerverwarming 30C
Vloerverwarming naar Buffer 25C
Buffer maar Buitenunit 29C
Doordat de waterpomp van de buitenunit nu 40% lagere flow genereert, is de Tui/Tuo zo’n 5 tot 6c. Dit was met de oude flow 3-4C.
Hier draait het buffervat dus echt als nulpunt. Met dus twee circuits. Voor het buiten circuit zit buffervat aan de onderkant van de temperatuur delta en voor de binnen circuit aan de bovenkant. De veel besproken Delta T van afgifte wordt hier dus verdubbelt door optelling van deze circuits.
[ Voor 12% gewijzigd door Get!em op 04-10-2025 16:00 ]