Ik weet niet of elk esp bordje het heeft maar de nodemcu heeft ook 5v output. Of je splitst 5v al voor het esp bordje met bv schroefterminals. Dan kan je meerdere sensoren en ook je esp voeden met 5v.Pixelmagic schreef op vrijdag 23 juli 2021 @ 19:32:
[...]
Ik begrijp niet wat je bedoelt.
Een esp kan je voeden met 5 en 3.3 volt, maar de in/uitgangen verdragen alleen 3.3v. Om een 5v sensor op de esp te kunnen gebruiken kan je een levelshofter gebruiken. Dat is een klein printje wat het 5v signaal van je sensor omzet naar 3.3v (in dit geval) of omgekeerd als je dat zou willen.
Met zo'n printje kan je dus veel meer aansluiten dan de echte 3.3v sensors. Die zijn er inderdaad niet zo veel omdat 3.3 nog pas relatief kort gebruikt wordt terwijl 5v al decennia de standaard is/was.
Gisteravond wat geknutselt en zojuist afgemaakt.Plenkske schreef op donderdag 22 juli 2021 @ 15:50:
Mijn goedkope analoge thermometer voor in het zwembad heeft het zojuist begeven. Gedeelte waar het kwik in zit is doormidden gebroken.
Goede reden om vanavond eens even snel een digitale in het bad te hangen. Spullen heb ik toch liggen, maar had alles omtrent automatisering en sensoren in mijn hoofd al verzet naar herfst/winter project.
Achja.. dan maar even snel een temp.sensor aan ESP hangen. Code heb ik ook al nagenoeg klaar liggen uit eerdere tests. Hoeft alleen maar sensor uit te lezen en naar Domoticz te sturen. Simpel.
Toch een beetje gesoldeert, omdat ik er zin in had haha.
![]() | ![]() | ![]() |
Weerstand zit er uiteraard bij maar niet zichtbaar op de foto.
Ik heb de sensor in een thermowell gedaan. Tape zit er alleen maar omheen voor de zekerheid: zodat niks beschadigd kan raken bij het zwembad.
Elke minuut een update naar Domoticz. Temperatuur komt overeen met wat de WP aangeeft (al heeft die alleen een heel getal...)
Klopt, voeden is geen probleem maar veel esp bordjes kunnen écht niet tegen 5v op de in/output (en tuurlijk werkt het vaak wel).Plenkske schreef op vrijdag 23 juli 2021 @ 20:04:
[...]
Ik weet niet of elk esp bordje het heeft maar de nodemcu heeft ook 5v output. Of je splitst 5v al voor het esp bordje met bv schroefterminals. Dan kan je meerdere sensoren en ook je esp voeden met 5v.
Dat is het inderdaadPixelmagic schreef op vrijdag 23 juli 2021 @ 20:17:
[...]
Klopt, voeden is geen probleem maar veel esp bordjes kunnen écht niet tegen 5v op de in/output (en tuurlijk werkt het vaak wel).
Ik plan deze aan te kopen. Goed lijkt jullie?
Link Ali product
Ik zie in het wiring schema dat de ds18b20 rechtstreeks op dat bordje aangesloten kan worden. Kan dat? of hou ik dat best apart, zoals nu het geval is.
/f/image/C79Xr5QEetg8GHeItEwiBD6T.png?f=fotoalbum_large)
[ Voor 76% gewijzigd door zierbeek op 23-07-2021 21:44 ]
Je kan ieder pH sensor gebruiken die is niet volt afhankelijk.zierbeek schreef op vrijdag 23 juli 2021 @ 16:28:
[...]
Dat snap ik, enkel is het op ali lastig om ph sensoren te vinden die werken op 3,3v ipv de 5v die je vaak ziet.
Volgens mij bedoel je dat het circuit wat erbij zit om uit te lezen dat die 5v is in veel gevallen ipv 3.3v
Je zou dan inderdaad een voltage shifter kunnen gebruiken.
3600 Wp op 0° (vrijwel plat) | 3900Wp op 10°
Die kan prima werken, pH output is 0-5V dus idd wel een voltage shifter gebruiken op je ESP bordje. Op Arduino niet gezien die 5V is.zierbeek schreef op vrijdag 23 juli 2021 @ 21:15:
[...]
Dat is het inderdaadBen maar een beginner
Belangrijkste zal zijn: kalibreren i guess.
Ik plan deze aan te kopen. Goed lijkt jullie?
Link Ali product
Ik zie in het wiring schema dat de ds18b20 rechtstreeks op dat bordje aangesloten kan worden. Kan dat? of hou ik dat best apart, zoals nu het geval is.
[Afbeelding]
Je kan inderdaad ook een DS18B20 erop aansluiten en uitlezen via de Temp output.
3600 Wp op 0° (vrijwel plat) | 3900Wp op 10°
ik slaagde er reeds in de esp te laten uploaden naar thingspeak waar ik de data raadpleeg met thingview. Het was geen optie om iets te hosten (het is niet bij mezelf thuis maar bij de vriendin). Nu denk ik eerder aan een gratis firebase database
Ik heb (op aanraden van de webshop) een flowsensor aangeschaft die mijn chloor en zwavelzuur dosering kan uitschakelen als er geen water stroomt. De flow sensor heeft drie draden (blauw, bruin en zwart); doet dus volgens mij 'gewoon' hetzelfde als een lichtschakelaar in huis, maar dan op basis van flow/geen flow. Ons Blue Lagoon BL530 doseerapparaat heeft een ingang voor een flow sensor. Daarop zitten 4 aansluitingen (1, 2, 3 en aarde). Volgens de gebruiksaanwijzing moet ik ingang 3 en aarde aansluiting gebruiken. Maar verder geen info.
Mijn vraag is of ik nu de flowsensor gewoon moet gebruiken om een stopcontact aan en uit te laten schakelen? Of is het mogelijk om de ingang van de Blue Lagoon te gebruiken? Iemand die ervaring heeft met deze apparaten?
Niet gebruikem om de "stopcontact" aan uit te zetten maar de Blue Lagoon ingang gebruiken.
Als je de links/specs/handleiding kan posten van je flowswitch en je Blue Lagoon dan is het wat makkelijker om te helpen
3600 Wp op 0° (vrijwel plat) | 3900Wp op 10°
Flowbeveiliging: https://www.toppy.nl/product/2247/flowbeveiliging.html
Doseerapparaat: https://www.toppy.nl/prod...r-incl-sensoren-3956.html met de handleiding: https://cdn.toppy.nl/prod...PoolSystemhandleiding.pdf
Bij de flowbeveiliging zat helaas geen handleiding.
[ Voor 13% gewijzigd door Joosty10 op 24-07-2021 10:11 ]
3600 Wp op 0° (vrijwel plat) | 3900Wp op 10°
In zijn post hierboven staat:Jazsie schreef op zaterdag 24 juli 2021 @ 10:42:
Hoeveel draden heeft de flowbeveiliging ? 2 of meer @Joosty10 ?
De flow sensor heeft drie draden (blauw, bruin en zwart); doet dus volgens mij 'gewoon' hetzelfde als een lichtschakelaar in huis, maar dan op basis van flow/geen flow

@Joosty10:
Flowswitch bruin + zwart aansluiten op de 3 en aarde van de Blue Lagoon... Hoe om maakt niet uit.
Indien je een multimeter hebt kan je het van te voren meten zodat je zeker weet dat je goed zit.
Indien je dat niet hebt kan je het gewoon aansluiten, indien verkeerd zal er niks kapot gaan, het werkt enkel niet
3600 Wp op 0° (vrijwel plat) | 3900Wp op 10°
Het gaat om een BWT warmtepomp zoals deze waarbij leuk detail is dat de omschrijving zegt dat hij niet te bedienen is met wifi/app terwijl er dus wel een aansluiting voor zit.

Anyway, ik heb de foto's om imgur in een album gezet welke hier te vinden is. De eerste foto's zijn van het bedien paneel, dan het schema, en vervolgens de voeding- en stuurprint met wat details van de aansluitingen en als laatste de Wifi header en externe aansluiting.
Ik denk dat dit vooral een interessante is:

En bij deze jeukt het om uit te vinden waar de DIP switches voor zijn:

Ik heb overigens verder weinig info kunnen vinden in een snelle zoektocht. Ik zou het niet erg vinden als op de een of andere manier er meer te regelen op afstand zou zijn, maar zie er dus niet veel van.
Misschien dat iemand hier iets aan heeft.
Ik neem aan dat ze dezelfde PCB gebruiken voor verschillende modellen? Middels die switches kun je wellicht het maximale vermogen instellen. Het is wellicht verstandig om daar niet direct mee te gaan experimenteren.Pixelmagic schreef op zaterdag 24 juli 2021 @ 21:20:
[...]
En bij deze jeukt het om uit te vinden waar de DIP switches voor zijn:
[...]
Zonder dat ik ergens de exacte werking terug kan vinden schakel ik inderdaad niets. Het zou inderdaad iets kapot kunnen maken of over belasten.FrankHe schreef op zondag 25 juli 2021 @ 10:44:
[...]
Ik neem aan dat ze dezelfde PCB gebruiken voor verschillende modellen? Middels die switches kun je wellicht het maximale vermogen instellen. Het is wellicht verstandig om daar niet direct mee te gaan experimenteren.
De vraag is wel waar er documentatie te vinden is. Met een beetje pech alleen ergens in een Chinese sweatshop
Zoals ik het zie is dat gewoon een serial aansluiting ( A + B ) en een GND (-) en 12V (+).Pixelmagic schreef op zaterdag 24 juli 2021 @ 21:20:
Voor wie er belang bij heeft, omdat er iets aan leek te lopen heb ik deze week de warmtepomp even onderzocht. Terwijl ik daarmee bezig was maar even de nodige foto's gemaakt die ik hier even met jullie wil delen.
Het gaat om een BWT warmtepomp zoals deze waarbij leuk detail is dat de omschrijving zegt dat hij niet te bedienen is met wifi/app terwijl er dus wel een aansluiting voor zit.![]()
Anyway, ik heb de foto's om imgur in een album gezet welke hier te vinden is. De eerste foto's zijn van het bedien paneel, dan het schema, en vervolgens de voeding- en stuurprint met wat details van de aansluitingen en als laatste de Wifi header en externe aansluiting.
Ik denk dat dit vooral een interessante is:
[Afbeelding]
En bij deze jeukt het om uit te vinden waar de DIP switches voor zijn:
[Afbeelding]
Ik heb overigens verder weinig info kunnen vinden in een snelle zoektocht. Ik zou het niet erg vinden als op de een of andere manier er meer te regelen op afstand zou zijn, maar zie er dus niet veel van.
Misschien dat iemand hier iets aan heeft.
Lijkt mij toch dat er prima wifi op kan, de vraag is natuurlijk welke module...
3600 Wp op 0° (vrijwel plat) | 3900Wp op 10°
>> https://www.aliexpress.com/item/1005001344838370.html
Compleet met Wifi
En om het uit te lezen (optioneel, niet nodig voor de functie):
>> https://github.com/Apollon77/ioBroker.ph803w
Goedkoper ga je denk ik niet vinden...
3600 Wp op 0° (vrijwel plat) | 3900Wp op 10°
Spaghetti!
- Links achter 'waste' / backwash water van filter naar riool
- Midden achter (bij T-stuk met temp aansluiting) 'retour' WP, gaat via een S-bocht naar het punt waar de bypass erbij komt
- Knietje 45 graden = aanvoer pomp (de enigste knie tot nu toe, de rest is allemaal bocht 90 graden)
- Rechts achter 'aanvoer' naar WP
:no_upscale():strip_icc():fill(white):strip_exif()/f/image/JsTgTEtoWRUOUzc7JZjfZxO8.jpg?f=user_large)
Plenkske erop
:no_upscale():strip_icc():fill(white):strip_exif()/f/image/qpKuj6hR8k63GZqlQS1XGLCk.jpg?f=user_large)
Verder aangesloten
:no_upscale():strip_icc():fill(white):strip_exif()/f/image/sANaOo0k5sYWKwAUxHBUmLNv.jpg?f=user_large)
Temperatuur meters voorzien van labeltjes;
Temp meter rechts boven bij waste is retour temp WP
Temp meter links midden naast zandfilter is de temp van het gemixte water (retour zwembad)
:no_upscale():strip_icc():fill(white):strip_exif()/f/image/lAzsTlMVueqrxGVf1ZchVm4f.jpg?f=user_large)
Hier de sensor array gemaakt. Op een 32mm bypass heb ik de ORP en pH meter voorzien, bovenin gaat het water van rechts naar links; eerst de temp meting van het zwembad water (alsin; input en correctie voor pH meting); dan de pH- en de chloor toevoeging.
:no_upscale():strip_icc():fill(white):strip_exif()/f/image/C3Buj9KClWkAQ4IrYpZ4QizU.jpg?f=user_large)
[ Voor 3% gewijzigd door xces op 27-07-2021 10:18 ]
Skon Plenkskexces schreef op dinsdag 27 juli 2021 @ 10:13:
Plenkske erop
Serieus: ziet er erg goed uit !xces schreef op dinsdag 27 juli 2021 @ 10:13:
Zo, nog niet aan het automatiseren maar het einddoel komt in zicht..
Spaghetti![Afbeelding]
- Links achter 'waste' / backwash water van filter naar riool
- Midden achter (bij T-stuk met temp aansluiting) 'retour' WP, gaat via een S-bocht naar het punt waar de bypass erbij komt
- Knietje 45 graden = aanvoer pomp (de enigste knie tot nu toe, de rest is allemaal bocht 90 graden)
- Rechts achter 'aanvoer' naar WP
Plenkske erop
[Afbeelding]
Verder aangesloten
[Afbeelding]
Temperatuur meters voorzien van labeltjes;
Temp meter rechts boven bij waste is retour temp WP
Temp meter links midden naast zandfilter is de temp van het gemixte water (retour zwembad)
[Afbeelding]
Hier de sensor array gemaakt. Op een 32mm bypass heb ik de ORP en pH meter voorzien, bovenin gaat het water van rechts naar links; eerst de temp meting van het zwembad water (alsin; input en correctie voor pH meting); dan de pH- en de chloor toevoeging.
[Afbeelding]
Wat ga je doen met die T stukken onderin die bypass ? Of is dat het verschil tussen meten en toevoegen van chloor/ph ?
Dat worden de plaatsen voor de pH en ORP electrodes (past net gelukkig) hierdoor kan ik dit stuk ook helemaal dichtzetten als ik mijn sensoren wil gaan kalibreren terwijl de rest eigenlijk gewoon door kan blijven lopen. Doordat het in een U bocht ligt blijft er ook altijd water in staan.Plenkske schreef op dinsdag 27 juli 2021 @ 12:26:
[...]
Wat ga je doen met die T stukken onderin die bypass ? Of is dat het verschil tussen meten en toevoegen van chloor/ph ?
Ziet er goed uit !xces schreef op dinsdag 27 juli 2021 @ 10:13:
Zo, nog niet aan het automatiseren maar het einddoel komt in zicht..
Spaghetti![Afbeelding]
- Links achter 'waste' / backwash water van filter naar riool
- Midden achter (bij T-stuk met temp aansluiting) 'retour' WP, gaat via een S-bocht naar het punt waar de bypass erbij komt
- Knietje 45 graden = aanvoer pomp (de enigste knie tot nu toe, de rest is allemaal bocht 90 graden)
- Rechts achter 'aanvoer' naar WP
Plenkske erop
[Afbeelding]
Verder aangesloten
[Afbeelding]
Temperatuur meters voorzien van labeltjes;
Temp meter rechts boven bij waste is retour temp WP
Temp meter links midden naast zandfilter is de temp van het gemixte water (retour zwembad)
[Afbeelding]
Hier de sensor array gemaakt. Op een 32mm bypass heb ik de ORP en pH meter voorzien, bovenin gaat het water van rechts naar links; eerst de temp meting van het zwembad water (alsin; input en correctie voor pH meting); dan de pH- en de chloor toevoeging.
[Afbeelding]
Je bent nog verder dan ik hehehehe.
So much to do, so little time.
3600 Wp op 0° (vrijwel plat) | 3900Wp op 10°
Yep! Het is gelukt, dankjewel. De blue lagoon geeft netjes de melding ‘flow’ als de pomp uit staat.Jazsie schreef op zaterdag 24 juli 2021 @ 11:22:
Ja klopt, had het ook nog eens eerder gelezen hehehe...![]()
@Joosty10:
Flowswitch bruin + zwart aansluiten op de 3 en aarde van de Blue Lagoon... Hoe om maakt niet uit.
Indien je een multimeter hebt kan je het van te voren meten zodat je zeker weet dat je goed zit.
Indien je dat niet hebt kan je het gewoon aansluiten, indien verkeerd zal er niks kapot gaan, het werkt enkel niet
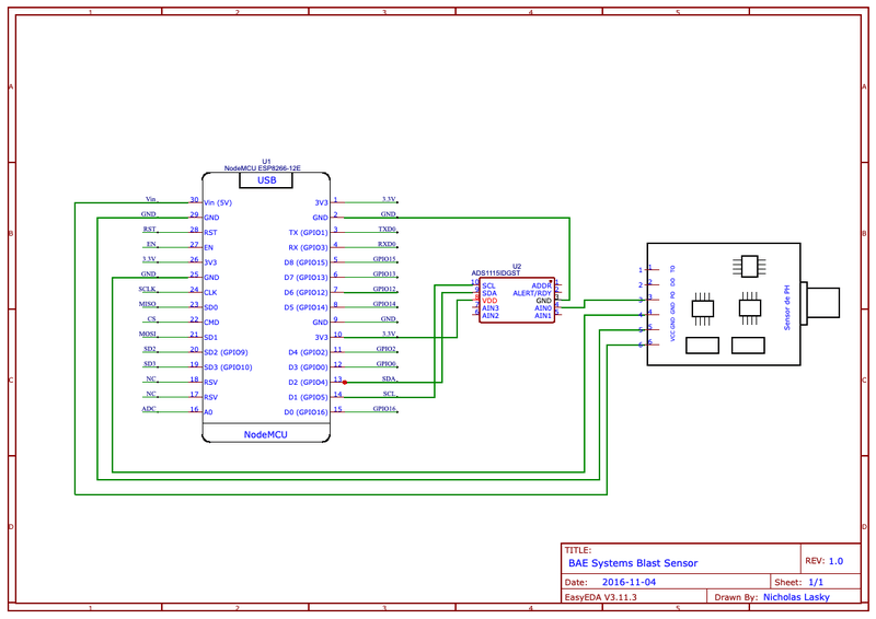
Om hierop even verder te gaan. ik zie dat de ph sensor een analoge output geeft, de nodemcu heeft enkel digital inputs, heb ik daarvoor nog een ander converter bordje nodig, of val ik beter terug op een andere goedkope microcontroller? Thanks!zierbeek schreef op vrijdag 23 juli 2021 @ 21:15:
[...]
Dat is het inderdaadBen maar een beginner
Belangrijkste zal zijn: kalibreren i guess.
Ik plan deze aan te kopen. Goed lijkt jullie?
Link Ali product
Ik zie in het wiring schema dat de ds18b20 rechtstreeks op dat bordje aangesloten kan worden. Kan dat? of hou ik dat best apart, zoals nu het geval is.
[Afbeelding]
Top dat het gelukt isJoosty10 schreef op donderdag 29 juli 2021 @ 19:07:
[...]
Yep! Het is gelukt, dankjewel. De blue lagoon geeft netjes de melding ‘flow’ als de pomp uit staat.
3600 Wp op 0° (vrijwel plat) | 3900Wp op 10°
Weet je zeker dat het geen analoog input heeft?zierbeek schreef op vrijdag 30 juli 2021 @ 16:19:
[...]
Om hierop even verder te gaan. ik zie dat de ph sensor een analoge output geeft, de nodemcu heeft enkel digital inputs, heb ik daarvoor nog een ander converter bordje nodig, of val ik beter terug op een andere goedkope microcontroller? Thanks!
https://roboindia.com/tutorials/analog-input-nodemcu/
3600 Wp op 0° (vrijwel plat) | 3900Wp op 10°
Inderdaad, ik was te snel! ik zie net dat er wel deglijk 1 analoge input is, wat genoeg is voor mijn usecase. Als de ds18B20 op het bnc bordje van de ph sensor gesoldeerd wordt, hoe wordt dat dan juist verwerkt in de code? Geef je dan de analoge pin door om uit te lezen voor ph en temp sensor?Jazsie schreef op vrijdag 30 juli 2021 @ 16:23:
[...]
Weet je zeker dat het geen analoog input heeft?
https://roboindia.com/tutorials/analog-input-nodemcu/
Je sluit de "Temperature Output" op een digitale pin van je nodemcu die je uitleest
3600 Wp op 0° (vrijwel plat) | 3900Wp op 10°
Yes I know! Het bordje dat ik eerder toonde, heeft een input/throughput voor voor de ds18B20, is dat gewoon om de kabels wat 'netter' te houden of hoe begrijp ik dat juist?Jazsie schreef op vrijdag 30 juli 2021 @ 16:29:
DS18B20 is een digitale temp sensor.
Je sluit de "Temperature Output" op een digitale pin van je nodemcu die je uitleest
Ook maar je pH output komt op je analoge input en je Temp op een digitale. Dus die moeten sowieso apart worden aangesloten.zierbeek schreef op vrijdag 30 juli 2021 @ 16:34:
[...]
Yes I know! Het bordje dat ik eerder toonde, heeft een input/throughput voor voor de ds18B20, is dat gewoon om de kabels wat 'netter' te houden of hoe begrijp ik dat juist?
Deze twee kunnen niet samen werken op 1 ingang...
3600 Wp op 0° (vrijwel plat) | 3900Wp op 10°
Ja hoor, tuurlijk, ik had niet helemaal goed gekeken naar de pinout van het bnc bordje. Dus dan vraag ik me af waarom daar de optie is om dat te doen. En in dat geval is het gewoon om het ordelijker te houde?Jazsie schreef op vrijdag 30 juli 2021 @ 16:53:
[...]
Ook maar je pH output komt op je analoge input en je Temp op een digitale. Dus die moeten sowieso apart worden aangesloten.
Deze twee kunnen niet samen werken op 1 ingang...
/f/image/C79Xr5QEetg8GHeItEwiBD6T.png?f=fotoalbum_large)
Je kan de sensor aansluiten op dit bord.zierbeek schreef op vrijdag 30 juli 2021 @ 16:58:
[...]
Ja hoor, tuurlijk, ik had niet helemaal goed gekeken naar de pinout van het bnc bordje. Dus dan vraag ik me af waarom daar de optie is om dat te doen. En in dat geval is het gewoon om het ordelijker te houde?
[Afbeelding]
Vanaf dit bord zal dan via Temperature Output een lijn naar je nodemcu gaan.
Maakt het verschil: niet echt (juist 1 kabel meer zelfs), maar als het qua kabels aansluiten beter uitkomt is het misschien handig.
exact, enkel die laatste lijn van je uitleg was ik naar op zoek, bedankt!Plenkske schreef op vrijdag 30 juli 2021 @ 17:01:
[...]
Je kan de sensor aansluiten op dit bord.
Vanaf dit bord zal dan via Temperature Output een lijn naar je nodemcu gaan.
Maakt het verschil: niet echt (juist 1 kabel meer zelfs), maar als het qua kabels aansluiten beter uitkomt is het misschien handig.
Om even verder te gaan op de analoge input en de PH sensor. Op Reddit kreeg ik deze uitleg. Houdt dat steek?Jazsie schreef op vrijdag 30 juli 2021 @ 16:53:
[...]
Ook maar je pH output komt op je analoge input en je Temp op een digitale. Dus die moeten sowieso apart worden aangesloten.
Deze twee kunnen niet samen werken op 1 ingang...
:strip_exif()/f/image/7IgYG8zmsRgPVnjFpfe2IgFP.jpg?f=fotoalbum_large)
Daar komt het wel op neer ja.zierbeek schreef op vrijdag 30 juli 2021 @ 16:58:
[...]
Ja hoor, tuurlijk, ik had niet helemaal goed gekeken naar de pinout van het bnc bordje. Dus dan vraag ik me af waarom daar de optie is om dat te doen. En in dat geval is het gewoon om het ordelijker te houde?
[Afbeelding]
3600 Wp op 0° (vrijwel plat) | 3900Wp op 10°
Hmzz als ik het zo lees en vanuit gaande dat het klopt zou ik al voor een ander board gaan.zierbeek schreef op vrijdag 30 juli 2021 @ 17:21:
[...]
Om even verder te gaan op de analoge input en de PH sensor. Op Reddit kreeg ik deze uitleg. Houdt dat steek?[Afbeelding]
Waarom niet een Arduino? of ESP32 indien je ook echt via wifi data wilt versturen
3600 Wp op 0° (vrijwel plat) | 3900Wp op 10°
Via wifi data versturen is wel een vereiste inderdaad. Welke esp32 raad je aan?Jazsie schreef op vrijdag 30 juli 2021 @ 18:12:
[...]
Hmzz als ik het zo lees en vanuit gaande dat het klopt zou ik al voor een ander board gaan.
Waarom niet een Arduino? of ESP32 indien je ook echt via wifi data wilt versturen
Deze heb ik (38 pin variant):zierbeek schreef op vrijdag 30 juli 2021 @ 18:19:
[...]
Via wifi data versturen is wel een vereiste inderdaad. Welke esp32 raad je aan?
https://www.aliexpress.com/item/32959541446.html
Ga je overigens enkel PH meten? Heb nog geen Orp variant gevonden van dat model.
3600 Wp op 0° (vrijwel plat) | 3900Wp op 10°
De 38d? Met de ingebouwde antenne?Jazsie schreef op vrijdag 30 juli 2021 @ 23:37:
[...]
Deze heb ik (38 pin variant):
https://www.aliexpress.com/item/32959541446.html
Ga je overigens enkel PH meten? Heb nog geen Orp variant gevonden van dat model.
Er zijn wel enkele orp's maar hoge prijzen, vrij logisch. Kan zijn dat ik die later bestel
[ Voor 12% gewijzigd door zierbeek op 30-07-2021 23:59 ]
3600 Wp op 0° (vrijwel plat) | 3900Wp op 10°
Allright thanks, ik dacht dat enkel de droom 32d een ingebouwde antenne hadJazsie schreef op zaterdag 31 juli 2021 @ 00:03:
Model "ESP-32 38Pin" met inderdaad ingebouwde antenne.
Ik was in afwachting van een nieuwe afstandbediening, hetgeen in de uitwisseling van gegevens mij toegezegd leek.
Bij ontvangst afgelopen week, is een nieuw "moederbord" toegestuurd.
Dat geeft ineens veel nieuwe mogelijkheden, waarvan ik hier ook al foto's/aanpak voorbij heb zien trekken.
Volledig nieuw in deze materie nog een aantal dingen te doen.
1. WP ontmantelen en achterhalen waar dit board zich bevindt en alle aansluitingen fotograferen / in kaart brengen, om beter in te schatten waar de data stromen te kunnen onderscheppen.
2. Mij goed gaan verdiepen of ik direct bij de diverse gekleurde stekkers voor de sensoren de splitsing moet aanbrengen om deze via ESP/arduino/Raspberry inzichtelijk te maken (nu alleen via de afstandsbediening middels codering te achterhalen)
3. Uitzoeken of de stekkers rondom de tekst TX / RX op het bord niet beter gesplitst kunnen worden, zodat veel eenvoudiger de data uitgelezen kan worden.
4. Achterhalen handleiding/info van het board (tot op heden geen succes met de diverse codes die erop af te lezen zijn)
De bedoeling is niet om de hele aansturing over te nemen van de afstandsbediening, die eraan vast zit, maar wel om te achterhalen of het eenvoudig mogelijk is om informatie als temperatuur (buiten, in/uit), flow, inverter % (10 of 90%) te onderscheppen en continue af te beelden.
Nog suggesties hoe aan te pakken?
:strip_exif()/f/image/SDjgJ9O2ZdDfK1Ng9aP4kKC3.jpg?f=fotoalbum_large)
Nog een schema gevonden:
:strip_exif()/f/image/QxXiHX7LCirADIBYaibdbHCb.jpg?f=fotoalbum_large)
[ Voor 9% gewijzigd door _RRM_ op 01-08-2021 18:23 ]
Gasloos 26-05-2020; SHW112YAA + ERSC-VM2C, SWW 400L
Ik zou ook kijken naar rechtsonder bij 485 communication, RS485 uitlezen is heel goed te doen namelijk. Aangezien er zelfs al een terminal is op gesoldeerd heb je grote kans dat het actief is.
Daarnaast zou je eventueel nog inderdaad de sensors etc kunnen splitsen en zelf uitlezen.
Maar dat zou ik als laatst doen, digitaal uitlezen geeft je veel meer info en is "nettere" oplossing
[ Voor 18% gewijzigd door Jazsie op 01-08-2021 17:19 ]
3600 Wp op 0° (vrijwel plat) | 3900Wp op 10°
Ik heb slechte ervaring met een esp bordje en analoge readings van de ph en orp sensor. Ergens in begin dit topic of het zwembad topic heb ik het daar wel over gehad. De waardes schommelden heel erg bij mij. Daarna een i2c bordje https://www.robesol.nl/en/whitebox-t2-mini-mkii.html gekocht nadat @Jazsie het er over had. Kost wat maar werkt al 4 manden ofzo probleemloos. Heb zelf overigens ook goedkope sensor van ali. Ph sensor was 8 euro ofzo en orp sensor 40. Meet af en toe nog met tablet test om te kijken of alles klopt.zierbeek schreef op vrijdag 30 juli 2021 @ 17:21:
[...]
Om even verder te gaan op de analoge input en de PH sensor. Op Reddit kreeg ik deze uitleg. Houdt dat steek?[Afbeelding]
De peristaltische pompjes van 2 euro werken wat minder. De siliconen slangen kunnen niet tegen zwavelzuur. Hiervoor heb je bpt slangen nodig of zoiets. Chloor is nog niet kapot gegaan. Zwavelzuur moest ik iedere 2 weken vervangen.
https://www.amazon.nl/Per...7835236&sr=8-2&th=1&psc=1
Hopelijk is het een beetje leesbaar type dit op me telefoon vanuit frankrijk aan de rivier.
pH verlagen
Ik zat eraan te denken om pH (zwavelzuur 15%) te doseren op basis van de gemeten waarde.
Stel ik meet 7.8 en wil naar 7.4 dat ik dan bereken hoeveel ml ik moet toevoegen in mijn bad van 'X' liters.
Ik weet op basis van deze site dat ik 26ml moet toevoegen per 1000l om van een pH 7.8 naar ~7.35 te gaan, maar dat schaalt niet linear, d.w.z. ik had dan verwacht dat ik bij een pH van 7.6 naar 7.4 de helft moest toevoegen, maar dat is dan ineens 17ml ipv 13ml.
Ik zou graag een formule willen hebben zodat ik het kan scripten maar ik moet denk ik voor nu het met dit doen (gemaakt op basis van bovenstaande site)
:fill(white):strip_exif()/f/image/NDMUSKcj0hFSsATDkATtD4md.png?f=user_large)
( tenzij iemand een formule heeft natuurlijk

Hoe ik het nu wilde doen;
Meet de pH en als deze dan (als voorbeeld) 7.45 is dan zou ik op basis van bovenstaande tabel de 2 punten nemen die ervoor liggen en erna (4+11) en dat dan delen door 2; dus 7ml toevoegen per 1000l
[ Voor 52% gewijzigd door xces op 02-08-2021 11:54 ]
Hoewel mijn dosering systeem nog in aanbouw is wil ik het doen op basis van seconden:xces schreef op maandag 2 augustus 2021 @ 11:39:
@martijnr17 hoe heb jij de dosering lopen? d.w.z. hoe bereken je hoeveel je moet toevoegen of doe jij een vaste hoeveelheid?
pH verlagen
Ik zat eraan te denken om pH (zwavelzuur 15%) te doseren op basis van de gemeten waarde.
Stel ik meet 7.8 en wil naar 7.4 dat ik dan bereken hoeveel ml ik moet toevoegen in mijn bad van 'X' liters.
Ik weet op basis van deze site dat ik 26ml moet toevoegen per 1000l om van een pH 7.8 naar ~7.35 te gaan, maar dat schaalt niet linear, d.w.z. ik had dan verwacht dat ik bij een pH van 7.6 naar 7.4 de helft moest toevoegen, maar dat is dan ineens 17ml ipv 13ml.
Ik zou graag een formule willen hebben zodat ik het kan scripten maar ik moet denk ik voor nu het met dit doen (gemaakt op basis van bovenstaande site)
[Afbeelding]
( tenzij iemand een formule heeft natuurlijk)
Hoe ik het nu wilde doen;
Meet de pH en als deze dan (als voorbeeld) 7.45 is dan zou ik op basis van bovenstaande tabel de 2 punten nemen die ervoor liggen en erna (4+11) en dat dan delen door 2; dus 7ml toevoegen per 1000l
Dus in feite wat jij nu zegt echter doe ik ml weer terug rekenen naar seconden omdat ik weet hoeveel ml per minuut mijn doseerpomp doet.
Momenteel heb ik het geprogrammeerd dat het altijd een vast aantal sconden is, dus zit ik te denken om het in stappen van 0,1 pH te doen.
Edit:
Welke zwavelzuur (pH-) gebruiken jullie? Ik normaal 37% maar dat mag niet meer sinds feb 2021 zonder vergunning... max is 15%, betekent wel dat je dus ruim 2x zoveel nodig hebt voor het zelfde resultaat

[ Voor 5% gewijzigd door Jazsie op 02-08-2021 15:01 ]
3600 Wp op 0° (vrijwel plat) | 3900Wp op 10°
Heb hier ergens terug ook mijn code uit domoticz staan. Bij mij is 10sec ongeveer 14ml. Ons bad is 11m3. Ik snap je hele berekening maar eigenlijk is dat zinloos. Ik laat de ph op 7.35 en als hij daarboven komt doseert hij 10sec bij. Misschien dat dat nu wel 20 sec is. Je komt dus nooit in hogerr waardes dan 7,4 ofzo in dit geval.xces schreef op maandag 2 augustus 2021 @ 11:39:
@martijnr17 hoe heb jij de dosering lopen? d.w.z. hoe bereken je hoeveel je moet toevoegen of doe jij een vaste hoeveelheid?
pH verlagen
Ik zat eraan te denken om pH (zwavelzuur 15%) te doseren op basis van de gemeten waarde.
Stel ik meet 7.8 en wil naar 7.4 dat ik dan bereken hoeveel ml ik moet toevoegen in mijn bad van 'X' liters.
Ik weet op basis van deze site dat ik 26ml moet toevoegen per 1000l om van een pH 7.8 naar ~7.35 te gaan, maar dat schaalt niet linear, d.w.z. ik had dan verwacht dat ik bij een pH van 7.6 naar 7.4 de helft moest toevoegen, maar dat is dan ineens 17ml ipv 13ml.
Ik zou graag een formule willen hebben zodat ik het kan scripten maar ik moet denk ik voor nu het met dit doen (gemaakt op basis van bovenstaande site)
[Afbeelding]
( tenzij iemand een formule heeft natuurlijk)
Hoe ik het nu wilde doen;
Meet de pH en als deze dan (als voorbeeld) 7.45 is dan zou ik op basis van bovenstaande tabel de 2 punten nemen die ervoor liggen en erna (4+11) en dat dan delen door 2; dus 7ml toevoegen per 1000l
@Jazsie deze volgens mij https://www.huchem.nl/zwavelzuur.html
Er is nu zo'n 6l op in 4 maanden tijd volgens mij.
[ Voor 3% gewijzigd door martijnr17 op 02-08-2021 18:49 ]
Dan denk ik dat ik met 15% wat nu helaas de max is wel uit te voeten kom
Mijn Spa is maar 1m3
Veder wil dus inderdaad het zelfde doen, vast aantal seconden en dan gewoon zo door gaan tot dat de waarde is bereikt (uiteraard met de benodigde tussen pauzes).
[ Voor 32% gewijzigd door Jazsie op 02-08-2021 19:14 ]
3600 Wp op 0° (vrijwel plat) | 3900Wp op 10°
Hoe is het water zelf @martijnr17 ? Als in, geen omkijken naar en water is mooi helder of doe je nog andere handelingen?
3600 Wp op 0° (vrijwel plat) | 3900Wp op 10°
We zijn nu 2 weken op vakantie maar ga er vanuit dat het nog kraakhelder is. De pomp is een intex 4m3 zandfilter met bollen. Die is smorgens vanaf 9, 3uur aan en smiddags vanaf 17 3 uur aan. Het water is bijna altijd kraakhelder. Soms iets wit als er veel gezwommen is met veel zonnebrand smeren. Dag later is het weer helder. Volgens fe tester zit de chloor op 1 tot 1.5 ppm. Ik hou hem express laag want hij is redelijk stabiel. Toen ik hem nog lager had 0.5 a 1 zag je soms dat er iets begon te veranderen. Op dagen dat er veel gezwommen wordt pompt ie tot 450 ml chloor op dagen met niets zon 90ml.Jazsie schreef op maandag 2 augustus 2021 @ 22:04:
Ja chloor gaat idd wat sneller, viel mij ook al op.
Hoe is het water zelf @martijnr17 ? Als in, geen omkijken naar en water is mooi helder of doe je nog andere handelingen?
Chloor gaat ook sneller bij een hogere temperatuur toch ? Is dat bij ph niet ?Jazsie schreef op maandag 2 augustus 2021 @ 19:13:
Ohh, 6L op 4 maanden tijd op een bad van 11m3 valt reuze mee dan !
Dan denk ik dat ik met 15% wat nu helaas de max is wel uit te voeten kom
Mijn Spa is maar 1m3
Veder wil dus inderdaad het zelfde doen, vast aantal seconden en dan gewoon zo door gaan tot dat de waarde is bereikt (uiteraard met de benodigde tussen pauzes).
Ja klopt en in theorie hoe meer chloor hoe meer ph om het chloor te compenseren.Plenkske schreef op dinsdag 3 augustus 2021 @ 10:43:
[...]
Chloor gaat ook sneller bij een hogere temperatuur toch ? Is dat bij ph niet ?
Het is een ingewikkelde formule, maar als je hem uitwerkt en hij is goed dan is het prima:xces schreef op maandag 2 augustus 2021 @ 11:39:
@martijnr17 hoe heb jij de dosering lopen? d.w.z. hoe bereken je hoeveel je moet toevoegen of doe jij een vaste hoeveelheid?
pH verlagen
Ik zat eraan te denken om pH (zwavelzuur 15%) te doseren op basis van de gemeten waarde.
Stel ik meet 7.8 en wil naar 7.4 dat ik dan bereken hoeveel ml ik moet toevoegen in mijn bad van 'X' liters.
Ik weet op basis van deze site dat ik 26ml moet toevoegen per 1000l om van een pH 7.8 naar ~7.35 te gaan, maar dat schaalt niet linear, d.w.z. ik had dan verwacht dat ik bij een pH van 7.6 naar 7.4 de helft moest toevoegen, maar dat is dan ineens 17ml ipv 13ml.
Ik zou graag een formule willen hebben zodat ik het kan scripten maar ik moet denk ik voor nu het met dit doen (gemaakt op basis van bovenstaande site)
[Afbeelding]
( tenzij iemand een formule heeft natuurlijk)
Hoe ik het nu wilde doen;
Meet de pH en als deze dan (als voorbeeld) 7.45 is dan zou ik op basis van bovenstaande tabel de 2 punten nemen die ervoor liggen en erna (4+11) en dat dan delen door 2; dus 7ml toevoegen per 1000l
https://www.reddit.com/r/...ol_acid_equation_request/
Bron van de javascript: https://www.troublefreepool.com/calc.html
Om hier effe op verder te gaanPixelmagic schreef op vrijdag 23 juli 2021 @ 19:43:
[...]
https://nl.aliexpress.com...-49d7-a789-287ce6bf2ed5-0
Zijn wel hele dure
/f/image/DA7O10gtQj1hnSoBROt6jjpf.png?f=fotoalbum_large)
Dat klopt niet:zierbeek schreef op dinsdag 3 augustus 2021 @ 17:32:
[...]
Om hier effe op verder te gaanIk tekende kort even dit uit als schema, ik ben echter neit helemaal zeker of dat zo kan lukken. Dit is tijdelijk. De esp32 is onderweg, ter veravnging van de esp8266
![]()
[Afbeelding]
3.3V op LV
5v op HV
GND op GND, gok dat ze beiden zijn doorgelinkt, dan is 1 GND aansluiten voldoende.
De bovenste 2 zijn goed.
Edit:
De output van je PH meter is analoog 0-5V.... dat gaat niet werken met een level converter, die is enkel voor serial/ttl verbinding.
Wat jij nodig hebt is een voltage divider. Dit kan je maken door bijv. 2 weerstanden.
[ Voor 14% gewijzigd door Jazsie op 03-08-2021 18:13 ]
3600 Wp op 0° (vrijwel plat) | 3900Wp op 10°
Op deze manier bedoel je dan?Jazsie schreef op dinsdag 3 augustus 2021 @ 18:08:
[...]
Dat klopt niet:
3.3V op LV
5v op HV
GND op GND, gok dat ze beiden zijn doorgelinkt, dan is 1 GND aansluiten voldoende.
De bovenste 2 zijn goed.
/f/image/73E52cRCQJb8Uz2ab6ZphFkL.png?f=fotoalbum_large)
3.3V op LV en 5V op HV mis ik nog
Daarnaast:
De output van je PH meter is analoog 0-5V.... dat gaat niet werken met een level converter, die is enkel voor serial/ttl verbinding.
Wat jij nodig hebt is een voltage divider. Dit kan je maken door bijv. 2 weerstanden.
Doel is dat je 0-5V output range "veranderd" naar 0-3.3V.
[ Voor 9% gewijzigd door Jazsie op 03-08-2021 18:15 ]
3600 Wp op 0° (vrijwel plat) | 3900Wp op 10°
Vdc
|--------------------- PH 0-5V uitgang
|
10K weerstand
|--------------------- ADC ESP/Nodemcu ingang
15K weerstand
|
|--------------------- GND ESP/Nodemcu
Gnd
Vout bij ADC = 5 x 15 / (10+15) = 3V wanneer input 5V is.
Waarom 3v? zodat je niet boven je max van 3.3v gaan en mogelijk je input "verbrand".
3600 Wp op 0° (vrijwel plat) | 3900Wp op 10°
Allright, ik denk dat ik het snap. Maar als ik nog effe wacht op de esp32, dan is dit niet meer nodig. Aangezien men kennis iets te beperkt is ga ik daar nog even op wachtenJazsie schreef op dinsdag 3 augustus 2021 @ 18:23:
Je zou dus iets als dit moeten hebben (voltage divider):
Vdc
|--------------------- PH 0-5V uitgang
|
10K weerstand
|--------------------- ADC ESP/Nodemcu ingang
15K weerstand
|
|--------------------- GND ESP/Nodemcu
Gnd
Vout bij ADC = 5 x 15 / (10+15) = 3V wanneer input 5V is.
Waarom 3v? zodat je niet boven je max van 3.3v gaan en mogelijk je input "verbrand".
ESP32 is ook 3.3V dus ook daar zal je het nodig hebben?zierbeek schreef op dinsdag 3 augustus 2021 @ 22:14:
[...]
Allright, ik denk dat ik het snap. Maar als ik nog effe wacht op de esp32, dan is dit niet meer nodig. Aangezien men kennis iets te beperkt is ga ik daar nog even op wachtenBedankt voor de hulp!
3600 Wp op 0° (vrijwel plat) | 3900Wp op 10°
Ohja, lijkt dat ik me vergist heb. Waarom heb ik nou die esp32 gekocht? 😅Jazsie schreef op dinsdag 3 augustus 2021 @ 22:40:
[...]
ESP32 is ook 3.3V dus ook daar zal je het nodig hebben?
Dan zal ik maar zo een circuitje in elkaar moeten boksen
Deze kerel deed het met een potentiometer. is dat ook een optie?
https://github.com/frasskungin/esphome-phsensor
[ Voor 40% gewijzigd door zierbeek op 03-08-2021 23:31 ]
Zie geen reden waarom je voor een potentiometer moet gaan, 2 weerstanden met de correcte vaste waarde is voldoende en stukken goedkoper...
Immers je weet al wat de maximale output mag zijn (3-3.3V).
Ik ben vooral straks benieuwd of je storing krijgt, ik vermoed dat je enkel goed kan meten met de pomp en alles uit aangezien PH meter niet isolated is.
3600 Wp op 0° (vrijwel plat) | 3900Wp op 10°
Ik heb op aanraden van Martijn ook een ads1115 besteld als adc. De voltage divider heb ik dan nog steeds nodig denk ik?
[ Voor 31% gewijzigd door zierbeek op 05-08-2021 10:04 ]
[ Voor 124% gewijzigd door zierbeek op 05-08-2021 09:39 ]
Ja, of je waarders wel correct zijn wanneer je zwembadpomp aan staatzierbeek schreef op donderdag 5 augustus 2021 @ 09:21:
Met de pomp kan meten? Er is niets aangesloten voor de rest hoor, enkel monitoring
Ik heb op aanraden van Martijn een ads1115 besteld ipv de voltage divider te maken met weerstandjes
>> martijnr17 in "Het grote "Zwembad DIY Automatiserings" topic"
Dit omdat je PH meter niet isolated is kan dit zorgen voor storing en dus geen correcte PH meting...
Maar aangezien er niets is aangesloten ga je dus enkel pH meten wanneer je zwembadpomp uit staat, dan zal het geen invloed hebben.
ADS1115 is inderdaad een beter alternatief die veel nauwkeuriger is
3600 Wp op 0° (vrijwel plat) | 3900Wp op 10°
Top, bedankt voor de verduidelijking en alle hulp. Dus de ads1115 vervangt de voltage divider ? Kan ik de pin dan aansluiten op een digitale pin en niet een analoge?Jazsie schreef op donderdag 5 augustus 2021 @ 10:32:
[...]
Ja, of je waarders wel correct zijn wanneer je zwembadpomp aan staat
>> martijnr17 in "Het grote "Zwembad DIY Automatiserings" topic"
Dit omdat je PH meter niet isolated is kan dit zorgen voor storing en dus geen correcte PH meting...
Maar aangezien er niets is aangesloten ga je dus enkel pH meten wanneer je zwembadpomp uit staat, dan zal het geen invloed hebben.
ADS1115 is inderdaad een beter alternatief die veel nauwkeuriger is.
ADS1115 sluit je aan op 5V omdat je PH meter 0-5V uitgang heeft.
[ Voor 18% gewijzigd door Jazsie op 05-08-2021 10:44 ]
3600 Wp op 0° (vrijwel plat) | 3900Wp op 10°
Of de afstand zit tussen 2 en 5v.
[ Voor 15% gewijzigd door zierbeek op 05-08-2021 10:47 ]
ADS1115 zet dit weer om naar een -nauwkeurige- digitale waarde die via I2C naar je ESP gestuurd wordt, hierdoor maakt het dus niet uit dat je ESP op 3.3V werkt want de data is digitaal en niet analoog.
3600 Wp op 0° (vrijwel plat) | 3900Wp op 10°
Ahaa that makes it clear! Thanks voor alle hulp en kennis !Jazsie schreef op donderdag 5 augustus 2021 @ 10:50:
ADS1115 krijgt gewoon 0-5V input van je PH meter die 0-5V uitgang heeft. Dat veranderd niet.
ADS1115 zet dit weer om naar een -nauwkeurige- digitale waarde die via I2C naar je ESP gestuurd wordt, hierdoor maakt het dus niet uit dat je ESP op 3.3V werkt want de data is digitaal en niet analoog.
Ik wilde de bypass eigenlijk zo afstellen zodat ik 's nachts de pomp op standje sloom kan laten draaien om het bad op temperatuur te houden (en eventueel chloor te mengen of ph te verlagen). Ik weet alleen niet of dat voldoende is qua doorstroming voor mijn zandfilter, dus overdag wil ik hem soms op standje midden of turbo zetten.
Vraag 1)
Wat was nu ook al weer de vuistregel hoe vaak je bad gefilterd moest worden?
bijv. bij 18 graden buitentemp 2x je bad inhoud en bij 30 graden 3x ofzo? is daar ook een ezelsbruggetje voor?
Vraag 2)
Welke doseerpompen hebben jullie? Ik kan die van Ali kopen maar ik zag ook deze bij Amazon van 30 euro.
[ Voor 9% gewijzigd door xces op 08-08-2021 14:29 ]
Hoe vaak is inderdaad afhankelijk van het gebruik/temperatuur/formaat bad/schaduw etc...
Is niet echt een vuistregel voor.
Voor je zandfilter maakt langzamer niet uit, des te trager het water door je zandfilter des te beter je filtert.
Zelf heb ik 2 zwembad doseerpompen van marktplaats geplukt. Infeite maakt het niet uit welke je neemt zolang je maar de juiste slangen gebruikt.
Ik doe 24/7 filteren op laagste stand.
Hogere snelheid bij warmtepomp, snelheid van pomp is dan variable en draait op een snelheid dat delta T 0,5-1gr is.
3600 Wp op 0° (vrijwel plat) | 3900Wp op 10°
Ik heb een tijdje geleden de non-wifi versie op de kop getikt. Deze bleek echter maar een bereik te hebben van 0-500mV voor het ORP switch level.Jazsie schreef op zondag 25 juli 2021 @ 22:49:
Omdat ik dit jaar nog graag het bad in wil met automatische pH/Orp dosering en maar niet eraan toe kom om het lopende project af te maken zit ik nu te denken aan een kant en klaar systeem:
>> https://www.aliexpress.com/item/1005001344838370.html
Compleet met Wifi
En om het uit te lezen (optioneel, niet nodig voor de functie):
>> https://github.com/Apollon77/ioBroker.ph803w
Goedkoper ga je denk ik niet vinden...
Via ali (want nergens anders te krijgen) 2k potmeter(s) besteld en de standaard 1k vervangen door de 2k.
Nu kan ik mooi het bereik instellen van -1000mV <> 1000mV.
uiteindelijke toepassing zal waarschijnlijk pas volgend jaar gaan plaatvinden
Hoi, onderdeeltjes zijn aangekomen, ali is snel de laatste wekenJazsie schreef op donderdag 5 augustus 2021 @ 10:50:
ADS1115 krijgt gewoon 0-5V input van je PH meter die 0-5V uitgang heeft. Dat veranderd niet.
ADS1115 zet dit weer om naar een -nauwkeurige- digitale waarde die via I2C naar je ESP gestuurd wordt, hierdoor maakt het dus niet uit dat je ESP op 3.3V werkt want de data is digitaal en niet analoog.
om nog aan te passen:
- Level converter na de ADS1115?
- Ground uit het sensorbord en ads samenzetten en zo op 1 pin op de esp gooien?
/f/image/1Fk1too0hm4GxCAoXZhmkVMI.png?f=fotoalbum_large)
- ADS1115 aansluiten op 5V zodat je ook 5V op de ingang kan aansluiten.
- Tussen je ADS1115 en ESP inderdaad Level Converter zetten want je ADS1115 draait op 5V wat betekent dat je i2c verbinding ook op 5v zit en dat is dan helaas weer te hoog voor je ESP.
- GND van je ESP inderdaad samen aansluiten met de GND van je ADS1115/PH meter/Level Converter.
[ Voor 10% gewijzigd door Jazsie op 10-08-2021 10:37 ]
3600 Wp op 0° (vrijwel plat) | 3900Wp op 10°
Ik heb zelf de NodeMCU v3 in gebruik. Ik kwam er op een gegeven moment achter dat de "vin (5v)" niet werkte zoals ik wilde. Je leest namelijk dat het veel gebruikt wordt als 5V output. Maar dit kan per bordje anders zijn.
Mijn NodeMCU v3 heeft een VU pin, die werkt als 5V output. Als je dus de VU hebt, gebruik dan die.
Gaat dan om deze layout:

Hoi!Plenkske schreef op dinsdag 10 augustus 2021 @ 10:49:
@zierbeek , als toevoeging op @Jazsie
Ik heb zelf de NodeMCU v3 in gebruik. Ik kwam er op een gegeven moment achter dat de "vin (5v)" niet werkte zoals ik wilde. Je leest namelijk dat het veel gebruikt wordt als 5V output. Maar dit kan per bordje anders zijn.
Mijn NodeMCU v3 heeft een VU pin, die werkt als 5V output. Als je dus de VU hebt, gebruik dan die.
Gaat dan om deze layout:
Yes dat zag ik inderdaad, ga met de multimeter eens uitmeten welke van beide de 5v geeft, heb zelf ook een LoLin bordje en nog enkele esp32's onderweg.
Als ik me goed herinner geeft de VIN vrijwel niks aan voltage, kan dus bij dit bordje echt alleen als voeding (input) gebruikt worden. Als je dus niet de USB wil gebruiken. Ik kwam erachter na een test met DS1307 RTC clock. Deze wilde niet werken op de VIN, gaf vreemde resultaten terug. Na wat gegoogle kwam ik erachter dat de vreemde resultaten alleen voorkwamen als deze met een te laag voltage gevoed werd. Dus toen ging ik ook meten... met de VU werkte het meteen.zierbeek schreef op dinsdag 10 augustus 2021 @ 10:53:
[...]
Hoi!
Yes dat zag ik inderdaad, ga met de multimeter eens uitmeten welke van beide de 5v geeft, heb zelf ook een LoLin bordje en nog enkele esp32's onderweg.
Had er destijds ook over gepost bedacht ik me nu:
Plenkske in "Het grote "Zwembad DIY Automatiserings" topic"
Lampje wat aan kan geven of de zwembad parameters goed zijn (rood/groen/geel)
https://www.amazon.nl/gp/product/B08KZRLYQC
BPT slang 3x5mm
https://www.amazon.nl/gp/product/B095318DVS
Doseerpompjes (3x5mm)
Gezien de verzendkosten a 50 euro heb ik er maar meteen 4 besteld
https://nl.aliexpress.com/item/32872201122.html
Voeding
Aangezien ik meerdere 'eisen' heb qua voeding zat ik te denken aan het volgende, maar misschien is dat helemaal niet handig.
Input stroom: adapter met 24v 2.5A, bijvoorbeeld de Meanwell IRM-60-24ST of Meanwell LED PSU -LPV-60-24
Vervolgens heb ik meerdere afnemers;
1) ESP32 op USB. Hiervoor wil ik van de 24v voeding via een step-down buck converter naar 5v gaan. Hier zet ik dan een USB kabeltje op en dat prik ik in de ESP32.
2) Relais bordjes op 5v
Ik heb 3 relais bordjes voorzien, en deze wil ik voeden vanaf de 24v via een LM2596 (DC-DC Verstelbare Step-down Buck Converter). 1x LM2596 zou voldoende moeten zijn voor de 3 bordjes.
- relais voor statuslampje (groen/rood/geel/buzzer), dus een 4x relais bordje
- relais voor doseerpomp, ik heb er 2 dus een 2x relais bordje
3) Status lampje op 24v
Dit kan rechtstreeks vanaf de voeding 24v naar een 4x relais bordje om het lampje te schakelen
4) Doseerpompjes op 12v
Deze wil ik voeden vanaf de 24v via een LM2596 wat dan op het 2x relais bordje zit (aan de kant waar het naar de motors gaat)
5) Variabele pomp aansturing
Dit is een 4x relais bord en heeft alleen 5v voeding op het bordje nodig. Voor het schakelen moet ik de 'COMM' kort schakelen om een bepaalde snelheid van de pomp in te schakelen.
Het idee is om de step-down converters in een apart kastje te zetten ver (>30cm) van de daadwerkelijke ESP32. E.e.a. ga ik nameten met een multimeter om het juiste voltage te krijgen.
[ Voor 73% gewijzigd door xces op 10-08-2021 16:02 ]
Verder maak ik gebruik van XL4016 DC-DC step down aangezien deze 5A continue aan kan.
Maar de LM2596 is prima zat als dat voor jou voldoende is.
mbt je doseerpompjes:
https://www.aliexpress.com/item/4001287760706.html
>> Is denk ik toch goedkoper voor het zelfde product?
Verder is Kamoer een bekend merk op OmeAli mbt doseerpompjes, ook kijken waard:
>> https://www.aliexpress.co...8148356.18.8be93fc05h4SVx
3600 Wp op 0° (vrijwel plat) | 3900Wp op 10°
Ik kom uit op 8,35 EUR aan verzendkosten uit... totaal 38,37 inclusief verzenden voor de zelfde doseerpompjesxces schreef op dinsdag 10 augustus 2021 @ 19:25:
Ja maar dan zijn 4 pompjes ineens 110 euro shipping.. kamoer heb ik naar gekeken maar ik dacht, laat ik dit eerst proberen. Ik heb een injectieventiel wat toch wat druk nodig heeft om open te gaan, dus ik hoop dat de bestelde pompjes voldoende druk leveren..
Ben benieuwd, goed opmerking mbt druk, hoop dat die van mij dat ook kunnen leveren
Heb het geheel (pH/orp controller) inmiddels op de werkbank werkend, nu nog in een mooie behuizing bouwen.
3600 Wp op 0° (vrijwel plat) | 3900Wp op 10°
Dan moet je ook DHL kiezen net zoals bij die andere, anders krijg je ze einde zwemseizoenJazsie schreef op dinsdag 10 augustus 2021 @ 20:33:
[...]
Ik kom uit op 8,35 EUR aan verzendkosten uit... totaal 38,37 inclusief verzenden voor de zelfde doseerpompjes.
Ben benieuwd, goed opmerking mbt druk, hoop dat die van mij dat ook kunnen leveren
Nice, hier is de eerste prio de warmtepomp zodat de kids warm kunnen zwemmen. Vrouw weet nog vrij weinig van mijn automatiseerplannenJazsie schreef op dinsdag 10 augustus 2021 @ 20:33:
[...]
Heb het geheel (pH/orp controller) inmiddels op de werkbank werkend, nu nog in een mooie behuizing bouwen.
[ Voor 32% gewijzigd door xces op 10-08-2021 20:56 ]
xces schreef op dinsdag 10 augustus 2021 @ 20:55:
[...]
dan moet je ook DHL kiezen net zoals bij die andere, anders krijg je ze einde zwemseizoen
Ik kies altijd "AliExpress Standard Shipping". Heb het dan in 1 week thuis en als ik pech heb 2 weken.
Overigens staat er bij jouw 1 Sep bij DHL en 31 Aug bij AliExpress Standard Shipping bij die wat ik linkte
3600 Wp op 0° (vrijwel plat) | 3900Wp op 10°
Is er iemand die al eens heeft geprobeerd piepschuim een bescherm laag te geven die voorkomt dat het af gaat brokkelen ? De laag moet uiteraard bestand zijn tegen (chloor)water.
Er zijn bedrijven die het doen waarna het b.v voor reclame en decor enzo gebruikt word. Die lijkt op een soort van poreuze laag en daarnaast behoorlijk ranzig spul, dus mogelijk niet ideaal om in water te laten drijven waar je later in gaat dobberen.
Ook denk ik aan een soort van dik zeil wat er opgelijmd kan worden ofzo, maar wat kan je limmen zonder de piepschuim te beschadigen en blijft lang goed.
Een solarcover laat licht door, dan gaat niet lukken met piepschuim? Zou voor een hottub een "harde" deksel niet handiger zijn dan? Zodra je piepschuim buigt gaat het afbrokkelen toch? Of bedoel je foam?Pixelmagic schreef op dinsdag 10 augustus 2021 @ 22:55:
In een zoektocht naar iets om het wateroppervlak van de hottub af te dekken met iets wat beter isoleert en beschermt dan een solar cover heb ik een vraag.
Is er iemand die al eens heeft geprobeerd piepschuim een bescherm laag te geven die voorkomt dat het af gaat brokkelen ? De laag moet uiteraard bestand zijn tegen (chloor)water.
Er zijn bedrijven die het doen waarna het b.v voor reclame en decor enzo gebruikt word. Die lijkt op een soort van poreuze laag en daarnaast behoorlijk ranzig spul, dus mogelijk niet ideaal om in water te laten drijven waar je later in gaat dobberen.
Ook denk ik aan een soort van dik zeil wat er opgelijmd kan worden ofzo, maar wat kan je limmen zonder de piepschuim te beschadigen en blijft lang goed.
Nee, ik bedoel echt piepschuim. Ik wil het als extra gaan gebruiken voor b.v de nachten en fris weer zonder zon, wanneer de solar cover dus niets uithaalt en eigenlijk te weinig isoleert.BounceMeister schreef op woensdag 11 augustus 2021 @ 10:03:
[...]
Een solarcover laat licht door, dan gaat niet lukken met piepschuim? Zou voor een hottub een "harde" deksel niet handiger zijn dan? Zodra je piepschuim buigt gaat het afbrokkelen toch? Of bedoel je foam?
Het afbrokkelen wil ik dus proberen te voorkomen door er iets omheen te doen/plakken/spuiten/??
Edit: ik zie net dat ik het per abuis in het automatisering topic heb geplaatst ipv het grote zwembad topic. Is verplaatsen een optie ?
[ Voor 10% gewijzigd door Pixelmagic op 11-08-2021 11:47 ]
XPS van 4cm in de vorm van mijn Spa, deze voorzien van een plastic folie.
Omdat XPS sowieso al vochtbestendig is maakt het niet veel uit mocht de folie stuk gaan en water doorkomen.
3600 Wp op 0° (vrijwel plat) | 3900Wp op 10°
Kan het zijn dat ik die alleen met tong/groef zie in de bouwmarkt ?Jazsie schreef op woensdag 11 augustus 2021 @ 12:44:
Ik ga voor XPS, piepschuim is niet vochtbestendig en kan gaan schimmelen.
XPS van 4cm in de vorm van mijn Spa, deze voorzien van een plastic folie.
Omdat XPS sowieso al vochtbestendig is maakt het niet veel uit mocht de folie stuk gaan en water doorkomen.
Die wat ik heb zijn ook tong & groef wat ik zelf erg fijn vind aangezien dit toch een stukje extra stevigheid bied.
Beiden kanten op de naden voorzien van aluminium tape en het geheel blijft goed zitten.
Het komt bij mij in mijn huidige "zeil" wat voor stevigheid bied, anders zou ik de XPS platen aan elkaar schroeven/verlijmen.
3600 Wp op 0° (vrijwel plat) | 3900Wp op 10°
:strip_exif()/f/image/FB4KAXmLdgSeZ81Y0c0r9nlO.jpg?f=fotoalbum_large)
Yes, wife & kids acceptance factor +100
Alle techniek draait, nu nog verder automatiseren.
p.s. ik vind het lastig om de bypass goed in te stellen, ik heb de pomp nu op een hele lage stand staan (1250 toeren), en zo ver geknepen dat hij geen E03 (geen/te weinig flow) geeft. Maar hoe zorg ik nu dat de pomp de rest van het water via de normale weg stuurt / geen overbodige druk geeft? kijken naar de drukmeter van de zandfilter?
[ Voor 26% gewijzigd door xces op 12-08-2021 15:42 ]
Begrijp ik het nu goed dat je een variable pomp hebt?xces schreef op donderdag 12 augustus 2021 @ 15:40:
[Afbeelding]
Yes, wife & kids acceptance factor +100
Alle techniek draait, nu nog verder automatiseren.
p.s. ik vind het lastig om de bypass goed in te stellen, ik heb de pomp nu op een hele lage stand staan (1250 toeren), en zo ver geknepen dat hij geen E03 (geen/te weinig flow) geeft. Maar hoe zorg ik nu dat de pomp de rest van het water via de normale weg stuurt / geen overbodige druk geeft? kijken naar de drukmeter van de zandfilter?
In dat geval heb je geen bypass nodig op je wp, gewoon je pomp afstellen dat je delta T van je warmtepomp 0,5-1gr is
Bypass dus compleet dicht (alles over je wp) indien je dat wel hebt...
[ Voor 3% gewijzigd door Jazsie op 12-08-2021 16:22 ]
3600 Wp op 0° (vrijwel plat) | 3900Wp op 10°
[ Voor 30% gewijzigd door xces op 12-08-2021 16:33 ]