Dat kan bij alle andere Shellies ook, dus verwacht dat het met de 4 pro ook moet kunnen.Racer89 schreef op maandag 15 december 2025 @ 20:48:
Weet iemand toevallig of je bij een Shelly 4 pro de inputs los kunt instellen van de outputs?
Ik wil bijvoorbeeld buitenverlichting schakelen via de outputs, en de input gebruiken als ingang voor de schermschakelaar om hier weer scenario's aan te koppelen. Aangezien bij de meeste modules de ingang voor de schakelaar gebruikt wordt om de uitgangen ook te bedienen.
Als nieuwe Shelly gebruiker een paar vragen:
- Ik heb momenteel de Pro 3EM 120, een paar Smart Plugs en een drietal BLU TRV's in gebruik. Voor het instellen heb ik nu nog iedere keer de Shelly app gebruikt, maar kan ik die ook omzeilen en alles (direct) via HA configureren? De TRV's heb ik bijvoorbeeld nu geprogrammeerd in de app van Shelly, maar de vrouw des huizes heeft al moeite met HA, dus nog een app erbij helpt niet bij de acceptatie.
Monitoren doe ik nu al wel via HA.
- Hebben de BLU TRV's een bepaalde 'inwerktijd' om te leren hoe ze moeten reageren? Het valt me op dat ze nu de eerste paar dagen regelmatig op het oog de doeltemperatuur voorbij schieten, of er juist onder blijven hangen (en daar niet op reageren door open te gaan)
- Hoe zijn in het algemeen de ervaringen met de (ingebouwde) temperatuursensors van de TRV's? In ons geval zitten ze vaak verstopt achter overgordijnen, is het dan verstandig om losse H&T sensors te gaan gebruiken?
- Buitenverlichting (LED) heb ik momenteel op een domme schemerschakelaar. In de toekomst zie ik hier wel potentie voor een upgrade naar een Shelly dimmer/schakelaar, om de verlichting middels HA bijvoorbeeld gedurende de nacht te dimmen, maar bij detectie van een persoon (via de camera) weer even feller te zetten. Zijn die inbouwdingen ook geschikt voor montage buiten? (uiteraard wel in een lasdoos en is ook droog onder een afdak te plaatsen) En welk type zou zoiets kunnen? Voor mijn gevoel zijn er wel 10 verschillende schakelaars/ dimmers, maar wat de onderlinge verschillen zijn...
- Ik heb momenteel de Pro 3EM 120, een paar Smart Plugs en een drietal BLU TRV's in gebruik. Voor het instellen heb ik nu nog iedere keer de Shelly app gebruikt, maar kan ik die ook omzeilen en alles (direct) via HA configureren? De TRV's heb ik bijvoorbeeld nu geprogrammeerd in de app van Shelly, maar de vrouw des huizes heeft al moeite met HA, dus nog een app erbij helpt niet bij de acceptatie.
Monitoren doe ik nu al wel via HA.
- Hebben de BLU TRV's een bepaalde 'inwerktijd' om te leren hoe ze moeten reageren? Het valt me op dat ze nu de eerste paar dagen regelmatig op het oog de doeltemperatuur voorbij schieten, of er juist onder blijven hangen (en daar niet op reageren door open te gaan)
- Hoe zijn in het algemeen de ervaringen met de (ingebouwde) temperatuursensors van de TRV's? In ons geval zitten ze vaak verstopt achter overgordijnen, is het dan verstandig om losse H&T sensors te gaan gebruiken?
- Buitenverlichting (LED) heb ik momenteel op een domme schemerschakelaar. In de toekomst zie ik hier wel potentie voor een upgrade naar een Shelly dimmer/schakelaar, om de verlichting middels HA bijvoorbeeld gedurende de nacht te dimmen, maar bij detectie van een persoon (via de camera) weer even feller te zetten. Zijn die inbouwdingen ook geschikt voor montage buiten? (uiteraard wel in een lasdoos en is ook droog onder een afdak te plaatsen) En welk type zou zoiets kunnen? Voor mijn gevoel zijn er wel 10 verschillende schakelaars/ dimmers, maar wat de onderlinge verschillen zijn...
@Merijn. Wat bedoel je met configureren? Met HA kan je ze gewoon aansturen en automations maken enzo.
Voor het opzetten kan je de app gebruiken of via het AP, maar dat is dus alleen voor toevoegen aan je netwerk en de mode etc.
Enige is dat de BLU TRV natuurlijk via Bluetooth is. Dus volgens mij kan je deze via de Bluetooth integratie wel toevoegen aan HA maar dat zal niet zo standaard zijn als het Wifi/Zigbee spul.
Qua buitenverlichting, ze zeggen -20°C to 40°C en 30% to 70% RH. Dus in een lasdoos moet dat wel goed komen als deze niet in directe zon hangt. En aangezien je wilt dimmen heb je weinig keuze, dan kom je uit bij de Shelly Dimmer. En dan is het logisch om de gen4 te pakken.
Voor het opzetten kan je de app gebruiken of via het AP, maar dat is dus alleen voor toevoegen aan je netwerk en de mode etc.
Enige is dat de BLU TRV natuurlijk via Bluetooth is. Dus volgens mij kan je deze via de Bluetooth integratie wel toevoegen aan HA maar dat zal niet zo standaard zijn als het Wifi/Zigbee spul.
Qua buitenverlichting, ze zeggen -20°C to 40°C en 30% to 70% RH. Dus in een lasdoos moet dat wel goed komen als deze niet in directe zon hangt. En aangezien je wilt dimmen heb je weinig keuze, dan kom je uit bij de Shelly Dimmer. En dan is het logisch om de gen4 te pakken.
Hier heb ik er inmiddels diverse in Attema dozen buiten geïnstalleerd en dat werkt perfect. Aangezien jij wilt dimmen. Zal je de Shelly Dimmer nodig hebben Gen3 is iets goedkoper dan gen4. Functioneel verder nagenoeg hetzelfde.Merijn. schreef op maandag 15 december 2025 @ 21:22:. Zijn die inbouwdingen ook geschikt voor montage buiten? (uiteraard wel in een lasdoos en is ook droog onder een afdak te plaatsen) En welk type zou zoiets kunnen? Voor mijn gevoel zijn er wel 10 verschillende schakelaars/ dimmers, maar wat de onderlinge verschillen zijn...
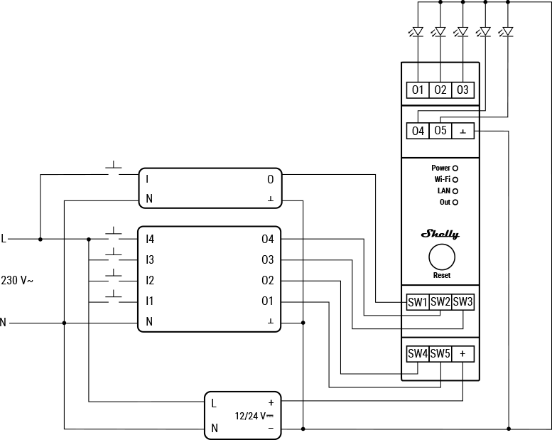
Klopt, detached is een standaard functie. Deze afbeelding is van een pro4, maar is identiek aan alle andere Shelly's met dezelfde softwareversie.rens-br schreef op maandag 15 december 2025 @ 20:51:
[...]
Dat kan bij alle andere Shellies ook, dus verwacht dat het met de 4 pro ook moet kunnen.
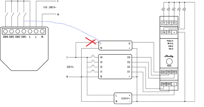
Een draadbruggetje tussen L en SW1 is de meest logische stap. Met een reststukje van 5cm VD draad sluit je veel van jouw aannames uit.Ruimzicht schreef op donderdag 11 december 2025 @ 15:20:
[...]
Bedoel je spanning met een losse draad er op zetten? Dat lijkt me niet helemaal veilig, voor de Shelly én voor mij...![]()
Maar ik heb de spanning gemeten op de contacten van de Shelly met de huidige schakeldraad, en dat laat duidelijk zien dat met de schakelaar de spanning op SW1 aan- en uit is te zetten. Dus jouw voorstel voegt dan niets toe, of begrijp ik je niet goed?
Misschien is de Shelly gewoon defect, dat kan natuurlijk ook nog...
Veel van mijn aannames? Ik heb het gemeten en op basis van mijn bevindingen geredeneerd? In beginsel hoopte ik op iemand met een vergelijkbare opstelling waarbij het wel (of ook niet) werkt.JaapZ1 schreef op dinsdag 16 december 2025 @ 08:42:
[...]
Een draadbruggetje tussen L en SW1 is de meest logische stap. Met een reststukje van 5cm VD draad sluit je veel van jouw aannames uit.
Maar ik zal eens een bureauopstelling maken. Een draadbruggetje: bedoel je een draad op een L van de Shelly en de andere kant (los) tegen de SW1 houden?
Dat laatste bedoel ik. Je hebt dus altijd (initieel) de Shelly app nodig om ze te activeren/ toe te voegen aan je omgeving.Septillion schreef op maandag 15 december 2025 @ 21:43:
@Merijn. Wat bedoel je met configureren? Met HA kan je ze gewoon aansturen en automations maken enzo.
Voor het opzetten kan je de app gebruiken of via het AP, maar dat is dus alleen voor toevoegen aan je netwerk en de mode etc.
Eigenlijk ook wel enigszins logisch dat een fabrikant dat via z'n eigen eco-systeem wil doen. Maar zal er nog eens induiken of (hoe) ik dan in HA een schema e.d. kan maken voor de TRV's. Die heb ik nu nog in de Shelly app gemaakt. Liefst heb ik zo min mogelijk verschillende apps in gebruik...
Nee, via het ingebouwde access point kun je hem ook instellen. Ik heb de Shelly app nooit gebruikt.Merijn. schreef op dinsdag 16 december 2025 @ 12:54:
[...]
Dat laatste bedoel ik. Je hebt dus altijd (initieel) de Shelly app nodig om ze te activeren/ toe te voegen aan je omgeving.
Eigenlijk ook wel enigszins logisch dat een fabrikant dat via z'n eigen eco-systeem wil doen. Maar zal er nog eens induiken of (hoe) ik dan in HA een schema e.d. kan maken voor de TRV's. Die heb ik nu nog in de Shelly app gemaakt. Liefst heb ik zo min mogelijk verschillende apps in gebruik...
@Ruimzicht Edge is inderdaad de normale mdus voor een aan/uit schakelaar, incl wisselschakeling. Meeste andere fabrikanten noemen dat "toggle" maar Shelly doet raar 
Maar heb je zelf draden getrokken om hem aan te sluiten?
Maar heb je zelf draden getrokken om hem aan te sluiten?
Nee, dat kan dus ook via het AP en een webpagina.Merijn. schreef op dinsdag 16 december 2025 @ 12:54:
[...]
Dat laatste bedoel ik. Je hebt dus altijd (initieel) de Shelly app nodig om ze te activeren/ toe te voegen aan je omgeving.
Dan zal je ze dus eerst toe moeten integreren waarvoor je dus een Bluetooth proxy in HA nodig hebt.Maar zal er nog eens induiken of (hoe) ik dan in HA een schema e.d. kan maken voor de TRV's. Die heb ik nu nog in de Shelly app gemaakt. Liefst heb ik zo min mogelijk verschillende apps in gebruik...
Voor zover ik weet wel, maar de kostprijs is wel verschillend: shutter aan 26, shelly 2pm gen3 aan €32 of de gen 4 aan bijna €40. Doe je dat maal 15 voor elke rolluik dan begint het wel door te wegen. Zeker als er geen toegevoegde waarde is tegenover die shutter.rens-br schreef op maandag 15 december 2025 @ 16:18:
[...]
Heeft de Shelly 2PM niet dezelfde functionaliteit?
Bij welke webshop kijk je dan? De Shelly 2pm gen3 is bij de Hornbach al te krijgen voor €23,35 per stuk, maar ook online voor €21,30 of 4 stuks voor omgerekend €23,90 per stuk bij Robbshop.Scareh schreef op dinsdag 16 december 2025 @ 16:12:
[...]
Voor zover ik weet wel, maar de kostprijs is wel verschillend: shutter aan 26, shelly 2pm gen3 aan €32 of de gen 4 aan bijna €40. Doe je dat maal 15 voor elke rolluik dan begint het wel door te wegen. Zeker als er geen toegevoegde waarde is tegenover die shutter.
Gisteren de Shelly BLU H&T in de kleur Mocha binnengekregen:
:no_upscale():strip_icc():strip_exif()/f/image/pB9SBKOcgLYIXSNvMronvdoM.jpg?f=user_large)
Was tijdje geleden in de aanbieding bij Amazon voor €16,39 dus dat was wel een goede deal. Was ook enkel deze specifieke kleur, wit en zwart waren een stuk duurder.
Had eerst de Shelly H&T Gen3 voor €15 gekocht na de tip van 3raser in "[Shelly] Ervaringen & Discussie" maar kwam er daarna pas echter dat deze niet geschikt is voor buiten aangezien het meetbereik voor de temperatuur maar 0 °C to 40 °C bestrijkt en het buiten ook wel eens wil vriezen.
Luchtvochtigheid ben ik minder bekend mee maar ik vermoed dat 30 % to 70 % RH ook niet het hele bereik beslaat wat buiten voorkomt.
Daar zal ik met de BLU H&T geen last van hebben
Wordt een beetje mee experimenteren denk ik.
Het is ding is wel waterdicht als ik de productfoto’s zo zie waar hij onder de kraan wordt afgespoeld maar helemaal onbeschut buiten in de regen ophangen zal niet echt handig zijn voor luchtvochtigheid metingen vermoed ik als er een regendruppel op de sensor blijft liggen.
Mensen hier toevallig ervaring met de BLU H&T en een goede plaatsing buiten?
:no_upscale():strip_icc():strip_exif()/f/image/pB9SBKOcgLYIXSNvMronvdoM.jpg?f=user_large)
Was tijdje geleden in de aanbieding bij Amazon voor €16,39 dus dat was wel een goede deal. Was ook enkel deze specifieke kleur, wit en zwart waren een stuk duurder.
Had eerst de Shelly H&T Gen3 voor €15 gekocht na de tip van 3raser in "[Shelly] Ervaringen & Discussie" maar kwam er daarna pas echter dat deze niet geschikt is voor buiten aangezien het meetbereik voor de temperatuur maar 0 °C to 40 °C bestrijkt en het buiten ook wel eens wil vriezen.
Luchtvochtigheid ben ik minder bekend mee maar ik vermoed dat 30 % to 70 % RH ook niet het hele bereik beslaat wat buiten voorkomt.
Daar zal ik met de BLU H&T geen last van hebben
- Temperatuur: -20 °C to 60 °C
- Luchtvochtigheid: 0% to 100% RH
Wordt een beetje mee experimenteren denk ik.
Het is ding is wel waterdicht als ik de productfoto’s zo zie waar hij onder de kraan wordt afgespoeld maar helemaal onbeschut buiten in de regen ophangen zal niet echt handig zijn voor luchtvochtigheid metingen vermoed ik als er een regendruppel op de sensor blijft liggen.
Mensen hier toevallig ervaring met de BLU H&T en een goede plaatsing buiten?
@Vliegvlug
Je zou naar zoiets kunnen kijken vast en zeker goedkoper te vinden.
Google eens naar: temperatuur sensor behuizing.
:strip_exif()/f/image/4kWea1Sib2JHERMMciYfXCxk.jpg?f=fotoalbum_large)
Ik heb zelf het weerstation van Shelly gekocht voor metingen van buiten.
150 euro in de aanbieding blackvryday toen.
https://www.shelly.com/pr...90-7-in-1-weather-station
Het voordeel van de BLU H&T ze zijn overal makkelijk te plaatsen. (Testen op plek)
Ik gebruik ze voor meting in koelkasten.
Dat werkt prima.
Uiteindelijk in het midden aan de linkerkant in de koelkasten geplakt.
Je zou naar zoiets kunnen kijken vast en zeker goedkoper te vinden.
Google eens naar: temperatuur sensor behuizing.
:strip_exif()/f/image/4kWea1Sib2JHERMMciYfXCxk.jpg?f=fotoalbum_large)
Ik heb zelf het weerstation van Shelly gekocht voor metingen van buiten.
150 euro in de aanbieding blackvryday toen.
https://www.shelly.com/pr...90-7-in-1-weather-station
Het voordeel van de BLU H&T ze zijn overal makkelijk te plaatsen. (Testen op plek)
Ik gebruik ze voor meting in koelkasten.
Dat werkt prima.
Uiteindelijk in het midden aan de linkerkant in de koelkasten geplakt.
[ Voor 16% gewijzigd door peterbier op 17-12-2025 00:08 ]
Bedankt voor de tip maar vind dat eerlijk gezegd niet zo heel mooi aan te overkapping om enkel zo’n H&T in te stoppen.peterbier schreef op dinsdag 16 december 2025 @ 23:53:
@Vliegvlug
Je zou naar zoiets kunnen kijken vast en zeker goedkoper te vinden.
Google eens naar: temperatuur sensor behuizing.
[Afbeelding]
Wist ik, heb er toen al op gereageerdIk heb zelf het weerstation van Shelly gekocht voor metingen van buiten.
150 euro in de aanbieding blackvryday toen.
https://www.shelly.com/pr...90-7-in-1-weather-station
Vliegvlug in "[Shelly] Ervaringen & Discussie"
Vliegvlug in "[Shelly] Ervaringen & Discussie"
en nog wat meer daarna
Ben wel benieuwd naar je ervaringen tot nu toe.
Weet niet of jij bewust een nul typt maar veelgemaakte "denkfout" die ik hier nog wel eens voorbij zie komen bij beginnende Shellygebruikers:Besouro schreef op vrijdag 12 december 2025 @ 20:32:
[...]
Ik heb home assistant
Begrijp ik het goed als ik het dan als volgt aansluit?
N: op shelly en trafo
L: 2x op shelly (L en I) en trafo
Kabel nu op Ls: op shelly SW
0 shelly aansluiten op Ls trafo
0 van de Shelly is niet "nul" maar O van "out".
Zowel Edge- als Toggle-stand van de Shelly geprobeerd maar geen succes.Septillion schreef op dinsdag 16 december 2025 @ 14:13:
@Ruimzicht Edge is inderdaad de normale mdus voor een aan/uit schakelaar, incl wisselschakeling. Meeste andere fabrikanten noemen dat "toggle" maar Shelly doet raar
Maar heb je zelf draden getrokken om hem aan te sluiten?
Ik heb niet alle draden zelf getrokken maar de Shelly-draden afgetakt uit een bestaande lasdoos waarin een L/N/aarde en een aparte schakeldraad liggen (waarmee ook twee andere LED lampen worden geschakeld). Spanning van die schakeldraad gemeten, op de klem van de Shelly (SW1). De Shelly doet alles zoals verwacht, behalve reageren op de fysieke schakelaar (toggle
Ben vooral benieuwd naar lokaal want ik gebruik de app niet omdat je daarvoor een cloud account moet aanmaken.peterbier schreef op woensdag 17 december 2025 @ 00:27:
Werkt prima.
Ik heb het weerstation wel tijdelijk aan een paal geschroefd.
Dit in de Shelly app (kan ook lokaal werken)
[Afbeelding]
[Afbeelding]
En las dus dat het lokaal niet out of the box werkt maar je zelf nog interpretaties van de aangeleverde gegevens moet doen om er zinnige waarnemingen mee te kunnen presenteren in HA.
En dat is voor mij te hoog gegrepen.
Ik heb er eentje onder een ongeisoleerd dakpannen dak om (weersafhankelijk) de ventilatie te sturen. De temperatuurmeting is voortreffelijk, maar de luchtvochtigheid gaat erg vaak naar 100%Vliegvlug schreef op dinsdag 16 december 2025 @ 23:29:
Mensen hier toevallig ervaring met de BLU H&T en een goede plaatsing buiten?
Er worden veel meetfouten gemaakt want niet iedere particulier heeft een Fluke of een Duspol liggen.Ruimzicht schreef op dinsdag 16 december 2025 @ 12:33:
[...]
Veel van mijn aannames? Ik heb het gemeten en op basis van mijn bevindingen geredeneerd? In beginsel hoopte ik op iemand met een vergelijkbare opstelling waarbij het wel (of ook niet) werkt.
Maar ik zal eens een bureauopstelling maken. Een draadbruggetje: bedoel je een draad op een L van de Shelly en de andere kant (los) tegen de SW1 houden?
Gevolg is dat er aannames worden gemaakt, bijvoorbeeld een zwarte draad waar spanning op lijkt te staan door inductie.
Ik zou het andersom doen, de draad vastzetten onder SW1 en (los) in de vrije L poort steken.
Schakel je o.b.v. temperatuur en luchtvochtigheid? Of alleen temperatuur?JaapZ1 schreef op woensdag 17 december 2025 @ 21:31:
[...]
Ik heb er eentje onder een ongeisoleerd dakpannen dak om (weersafhankelijk) de ventilatie te sturen. De temperatuurmeting is voortreffelijk, maar de luchtvochtigheid gaat erg vaak naar 100%
Binnen en buiten hangt dit apparaatje? Hoe zien de Shelly Scènes er dan uit?
Bedoel je dan dat er een tijdelijk piek naar 100% is?JaapZ1 schreef op woensdag 17 december 2025 @ 21:31:
[...]
Ik heb er eentje onder een ongeisoleerd dakpannen dak om (weersafhankelijk) de ventilatie te sturen. De temperatuurmeting is voortreffelijk, maar de luchtvochtigheid gaat erg vaak naar 100%
Kan het misschien zijn dat er aan de binnenkant van de pannen water condenseert en dat op de sensor valt?
Semi-Shelly-gerelateerd, maar hopelijk weet iemand toch raad.
Ik heb een 2PM geplaatst voor mijn rolluik. Deze zit in een doos op zolder, zonder fysieke knop. Het rolluik wordt bediend met een Zigbee-knop, welke gekoppeld is aan Home Assistant. Werkt op zich prima, maar als HA zou uitvallen, is het rolluik dus niet meer te bedienen. Bestaat er een (rolluik-)schakelaar welke direct draadloos aan de 2PM gekoppeld kan worden, bv met BT? Ik heb alles afgezocht maar eigenlijk niks relevants gevonden...
Ik heb een 2PM geplaatst voor mijn rolluik. Deze zit in een doos op zolder, zonder fysieke knop. Het rolluik wordt bediend met een Zigbee-knop, welke gekoppeld is aan Home Assistant. Werkt op zich prima, maar als HA zou uitvallen, is het rolluik dus niet meer te bedienen. Bestaat er een (rolluik-)schakelaar welke direct draadloos aan de 2PM gekoppeld kan worden, bv met BT? Ik heb alles afgezocht maar eigenlijk niks relevants gevonden...
Nomen nescio
Losse schakelaar met een Shelly 1 erachter die via http commando's werkt? Je hebt dan nog wel een werkend wifi netwerk nodig. Maar verder gaat het direct.Bra-Jo schreef op maandag 22 december 2025 @ 12:51:
Semi-Shelly-gerelateerd, maar hopelijk weet iemand toch raad.
Ik heb een 2PM geplaatst voor mijn rolluik. Deze zit in een doos op zolder, zonder fysieke knop. Het rolluik wordt bediend met een Zigbee-knop, welke gekoppeld is aan Home Assistant. Werkt op zich prima, maar als HA zou uitvallen, is het rolluik dus niet meer te bedienen. Bestaat er een (rolluik-)schakelaar welke direct draadloos aan de 2PM gekoppeld kan worden, bv met BT? Ik heb alles afgezocht maar eigenlijk niks relevants gevonden...
rens-br schreef op donderdag 11 december 2025 @ 15:53:
[...]
Kan je eens een tekening maken of een aantal foto's?
:no_upscale():strip_icc():strip_exif()/f/image/tkhVkNRNUv5b5RTd2UF6DbMz.jpg?f=user_large)
Da's ook maar een aanname...JaapZ1 schreef op woensdag 17 december 2025 @ 21:40:
[...]
Er worden veel meetfouten gemaakt want niet iedere particulier heeft een Fluke of een Duspol liggen.
:no_upscale():strip_icc():strip_exif()/f/image/mkx2DqrT6obrcG8RPskNASM7.jpg?f=user_large)
Hm, je bedoelt met de knop een http-commando op de S1 aanroepen richting de 2PM? Interessant, wist niet dat dat kon.rens-br schreef op maandag 22 december 2025 @ 14:20:
[...]
Losse schakelaar met een Shelly 1 erachter die via http commando's werkt? Je hebt dan nog wel een werkend wifi netwerk nodig. Maar verder gaat het direct.
Maar vrees dat dat niet gaat werken in mijn situatie; de Zigbee-knop die ik nu gebruik, heeft een batterijtje omdat er geen 230v in de buurt is. Een S1 kan ik daar dus ook niet aansluiten.
Nomen nescio
@Ruimzicht Mag ik ook meedoen met Fluke? https://my.ece.ncsu.edu/m...80k-6-high-voltage-probe/ De mijne zit ook in koffer en heeft ook de HV probe (ex US-Army) en is nog in uitstekende staat.... Daarnaast trouwens een simpele digitale China die het ook goed doet, maar soms is 2 meters gelijktijdig "handig".
Ik ben me aan het orienteren overwelke shelly ik nodig heb, want de namen zijn verwarrend.
Een van de punten die vaak voorkomt is of ik een blauw nuldraad heb achter de schakelaar. Maar is het in nederland niet gebruikelijk dat de blauwe draad naar de lamp gaat en de schakelaar alleen bruin in en zwart uit heeft? In dat geval blijft er maar 1 type over. Toch?
Ik kan uiteraard wel een blauwe trekken waar nodig, maar is het nodig?
Google AI helpt ook niet bepaald...
Een van de punten die vaak voorkomt is of ik een blauw nuldraad heb achter de schakelaar. Maar is het in nederland niet gebruikelijk dat de blauwe draad naar de lamp gaat en de schakelaar alleen bruin in en zwart uit heeft? In dat geval blijft er maar 1 type over. Toch?
Ik kan uiteraard wel een blauwe trekken waar nodig, maar is het nodig?
Google AI helpt ook niet bepaald...
@Schway De verschillen kan je ook in het grote overzicht zien.
Maar zonder N heb je alleen de keuze uit de 1L, 2L of de Dimmer van de verschillende series/gen.
Toch kan N heeft met N wel voordelen.
- Alleen dan kan je power metering doen
- Werkt altijd, geen gedoe met minimale belasting of bypass.
Maar zonder N heb je alleen de keuze uit de 1L, 2L of de Dimmer van de verschillende series/gen.
Toch kan N heeft met N wel voordelen.
- Alleen dan kan je power metering doen
- Werkt altijd, geen gedoe met minimale belasting of bypass.
Dat topic is handig! Ik zag em niet in de TS staan. Ook niet echt een tabel of zo.Septillion schreef op dinsdag 23 december 2025 @ 11:09:
@Schway De verschillen kan je ook in het grote overzicht zien.
Maar zonder N heb je alleen de keuze uit de 1L, 2L of de Dimmer van de verschillende series/gen.
Toch kan N heeft met N wel voordelen.
- Alleen dan kan je power metering doen
- Werkt altijd, geen gedoe met minimale belasting of bypass.
Denk dat ik dan wel wat N ga trekken waarmogelijk
Klopt. Maar zonder 230V wordt dat wel lastig ja.Bra-Jo schreef op maandag 22 december 2025 @ 14:53:
[...]
Hm, je bedoelt met de knop een http-commando op de S1 aanroepen richting de 2PM? Interessant, wist niet dat dat kon.
Maar vrees dat dat niet gaat werken in mijn situatie; de Zigbee-knop die ik nu gebruik, heeft een batterijtje omdat er geen 230v in de buurt is. Een S1 kan ik daar dus ook niet aansluiten.
Voor noodgevallen kun je toch ook je smartphone gebruiken met de Shelly app of direct via de webpagina van de 2PM?Bra-Jo schreef op maandag 22 december 2025 @ 12:51:
Semi-Shelly-gerelateerd, maar hopelijk weet iemand toch raad.
Ik heb een 2PM geplaatst voor mijn rolluik. Deze zit in een doos op zolder, zonder fysieke knop. Het rolluik wordt bediend met een Zigbee-knop, welke gekoppeld is aan Home Assistant. Werkt op zich prima, maar als HA zou uitvallen, is het rolluik dus niet meer te bedienen. Bestaat er een (rolluik-)schakelaar welke direct draadloos aan de 2PM gekoppeld kan worden, bv met BT? Ik heb alles afgezocht maar eigenlijk niks relevants gevonden...
Klopt.JaVaWa schreef op dinsdag 23 december 2025 @ 16:26:
[...]
Voor noodgevallen kun je toch ook je smartphone gebruiken met de Shelly app of direct via de webpagina van de 2PM?
Nomen nescio
https://www.shelly.com/pr...u-remote-control-zb-whiteBra-Jo schreef op woensdag 24 december 2025 @ 08:58:
[...]
Klopt.We overwegen het huis te koop te zetten, en dan wordt het allemaal wat ingewikkelder. Daarom liefst een oplossing zonder HA, apps enz, maar dat lijkt een utopie... Als het eenmaal zover zou komen, dan ontkom ik er denk ik niet aan om kabels te gaan trekken.
Ik denk er over om een Shelly BLU TRV op mijn verwarming te zetten:
:no_upscale():strip_icc():strip_exif()/f/image/xKCA5zYfGQUG32QtdebTMILf.jpg?f=user_large)
Er zit nu nog een simpele draaiknop op maar deze staat recht omhoog terwijl ik thermostaatknoppen eigenlijk altijd horizontaal gemonteerd zie op foto's.
Zou het een probleem zijn deze TRV recht omhoog te monteren?
:no_upscale():strip_icc():strip_exif()/f/image/xKCA5zYfGQUG32QtdebTMILf.jpg?f=user_large)
Er zit nu nog een simpele draaiknop op maar deze staat recht omhoog terwijl ik thermostaatknoppen eigenlijk altijd horizontaal gemonteerd zie op foto's.
Zou het een probleem zijn deze TRV recht omhoog te monteren?
Bij het opzoeken of zo'n TRV verticaal te plaatsen is of niet kwam ik deze tekst tegen in de Shelly docmentatie van de oude versie TRV:
"Radiators with manual valves are not compatible with Shelly® TRV. Manual valves are typically small and discrete."
Is me niet helemaal duidelijk wat ze met 'klein en discreet' bedoelen maar de knop die er nu op zit kan ik flink draaien en niet maar een klein stukje, dus ik hoop dat een TRV wel mogelijk is.
Edit:
Inmiddels deze TRV valve compatibility list gevonden, met foto's dus die maar eens naast mijn radiator ventiel leggen.
Nu is dit wel voor de oude TRV versie dus kijken of ik ook zo'n lijst kan vinden voor de TRV BLU
"Radiators with manual valves are not compatible with Shelly® TRV. Manual valves are typically small and discrete."
Is me niet helemaal duidelijk wat ze met 'klein en discreet' bedoelen maar de knop die er nu op zit kan ik flink draaien en niet maar een klein stukje, dus ik hoop dat een TRV wel mogelijk is.
Edit:
Inmiddels deze TRV valve compatibility list gevonden, met foto's dus die maar eens naast mijn radiator ventiel leggen.
Nu is dit wel voor de oude TRV versie dus kijken of ik ook zo'n lijst kan vinden voor de TRV BLU
[ Voor 22% gewijzigd door Vliegvlug op 26-12-2025 12:47 ]
Heb je nu zoiets?
:no_upscale():strip_icc():strip_exif()/f/image/jNmXzJO99hH6DO5FsakfePtY.jpg?f=user_large)
Dan past die TRV er niet op, je moet ook de kraan (het metalen deel tussen leiding en radiator, in feite alles wat op het plaatje staat) vervangen.
Lijkt die meer op zoiets:
:no_upscale():strip_icc():strip_exif()/f/image/8BSXtmLewp6rxgeS8DPPswNh.jpg?f=user_large)
Dan past het wel, mits er een geschikte adapter bij zit.
:no_upscale():strip_icc():strip_exif()/f/image/jNmXzJO99hH6DO5FsakfePtY.jpg?f=user_large)
Dan past die TRV er niet op, je moet ook de kraan (het metalen deel tussen leiding en radiator, in feite alles wat op het plaatje staat) vervangen.
Lijkt die meer op zoiets:
:no_upscale():strip_icc():strip_exif()/f/image/8BSXtmLewp6rxgeS8DPPswNh.jpg?f=user_large)
Dan past het wel, mits er een geschikte adapter bij zit.
[ Voor 3% gewijzigd door JaVaWa op 26-12-2025 18:51 ]
Zoiets zit er nu op inderdaad.JaVaWa schreef op vrijdag 26 december 2025 @ 18:49:
Heb je nu zoiets?
[Afbeelding]
Dan past die TRV er niet op, je moet ook de kraan (het metalen deel tussen leiding en radiator, in feite alles wat op het plaatje staat) vervangen.
Maar waarom zou dat niet werken?
Uit hetgeen ik eerder vond zou dat dan aan het gebruikte ventiel kunnen liggen, dat deze niet een bepaalde hoeveelheid water kan doorlaten maar meer aan-uit is.
Misschien dat zo’n ding dat pinnetje mist wat er wel op thermostaatknoppen zit.
Ik zal eens moeten kijken.
Edit:
Net gekeken maar inderdaad geen pinnetje zoals bij een thermostaatknop:
:no_upscale():strip_icc():strip_exif()/f/image/bLEZEFUcxcEQQgEWjZL3XSNA.jpg?f=user_large)
Helaas geen TRV voor mij dan.
Vervangen van dat ventiel wordt namelijk een kwestie van (n)ooit.
[ Voor 20% gewijzigd door Vliegvlug op 26-12-2025 21:48 ]
@Vliegvlug Die kun je wel zo laten vervangen voor een thermostaat kraan, heb ik toen ook laten doen. Voor een verwarmingsmonteur is dat niet veel werk, alleen moet de installatie dan leeg/ drukloos.
Ja, en dat is dus het gedoe, als dat niet hoefde kon ik het zelf ook wel.Racer89 schreef op vrijdag 26 december 2025 @ 22:49:
@Vliegvlug Die kun je wel zo laten vervangen voor een thermostaat kraan, heb ik toen ook laten doen. Voor een verwarmingsmonteur is dat niet veel werk, alleen moet de installatie dan leeg/ drukloos.
Maar als de verwarmingsmonteur een vriesapparaat heeft kan het waarschijnlijk ook wel zonder dat alles leeg hoeft!
@VliegvlugRacer89 schreef op vrijdag 26 december 2025 @ 22:49:
@Vliegvlug Die kun je wel zo laten vervangen voor een thermostaat kraan, heb ik toen ook laten doen. Voor een verwarmingsmonteur is dat niet veel werk, alleen moet de installatie dan leeg/ drukloos.
Als je geluk hebt zitten er aan de onderkant 2 (kogel) kraantjes die je met een schroevendraaier dicht kan zetten.
Dan hoeft de hele installatie niet drukloos gemaakt te worden.
Helaas niet, is allemaal oude meuk met een voetventiel zonder enige mogelijkheid tot dichtzetten.peterbier schreef op vrijdag 26 december 2025 @ 23:49:
[...]
@Vliegvlug
Als je geluk hebt zitten er aan de onderkant 2 (kogel) kraantjes die je met een schroevendraaier dicht kan zetten.
Dan hoeft de hele installatie niet drukloos gemaakt te worden.
Mmm ik begrijp niet waarom drukloos maken van de CV installatie zo'n gedoe is?Vliegvlug schreef op vrijdag 26 december 2025 @ 23:47:
[...]
Ja, en dat is dus het gedoe, als dat niet hoefde kon ik het zelf ook wel.
Maar als de verwarmingsmonteur een vriesapparaat heeft kan het waarschijnlijk ook wel zonder dat alles leeg hoeft!
Uiteraard niet in de winter doen maar in het voorjaar of zomer als de CV installatie toch uit staat dan is dat prima een klusje voor op de zaterdag?
Idd, afhankelijk van waar de radiator zit hoeft wss niet eens allemaal het water eruit.
@peterbier Je bedoeld het voetventiel? Drukloos maken zul je toch moeten doen. Je kunt slecht bij 1.8 bar de radiatorkraan eraf draaien. Aangezien de hele radiatorkraan eraf moet om te vervangen voor een thermostaatkraan.
@peterbier Je bedoeld het voetventiel? Drukloos maken zul je toch moeten doen. Je kunt slecht bij 1.8 bar de radiatorkraan eraf draaien. Aangezien de hele radiatorkraan eraf moet om te vervangen voor een thermostaatkraan.
Ik heb hier van die radiatoren hangen die dicht kunnen aan de onderkant.Racer89 schreef op zaterdag 27 december 2025 @ 07:59:
Idd, afhankelijk van waar de radiator zit hoeft wss niet eens allemaal het water eruit.
@peterbier Je bedoeld het voetventiel? Drukloos maken zul je toch moeten doen. Je kunt slecht bij 1.8 bar de radiatorkraan eraf draaien. Aangezien de hele radiatorkraan eraf moet om te vervangen voor een thermostaatkraan.
Bijvoorbeeld verbouwing te doen.
De radiator moet dan wel via het ontluchting ventiel van druk ontdaan worden.
En een waterstof zuiger is ook een must als je de radiator van de muur haalt.
Kan welRacer89 schreef op zaterdag 27 december 2025 @ 07:59:
Je kunt slecht bij 1.8 bar de radiatorkraan eraf draaien.
Dan is de druk er ook snel vanaf..
Vandaag Shelly dimmer 2 aangesloten, gekoppeld via de app en was zo terug te vinden in HA. Alleen is de lamp er zelf nog niet, ben benieuwd of het allemaal zo werkt als ik het bedacht heb.
De webinterface van de Dimmer 2 ziet wel heel anders uit dan de overige Shelly modules wat ik heb.
De webinterface van de Dimmer 2 ziet wel heel anders uit dan de overige Shelly modules wat ik heb.
Ja is al een tijdje op de markt.ro3lie schreef op dinsdag 30 december 2025 @ 22:58:
Iemand deze al gezien?
Shelly The Pill
https://www.shelly.com/products/the-pill-by-shelly
Geen ervaring mee.
Ik kende hem nog niet, ik zie wel dat je er een diverse uitbreidingen bij krijgt:
https://www.shelly.com/pr...-terminal-add-shelly-pill
Persoonlijk vind ik dat Shelly wel de prijzen best scherp heeft, alleen de pro versie is beduidend duurder.
https://www.shelly.com/pr...-terminal-add-shelly-pill
Persoonlijk vind ik dat Shelly wel de prijzen best scherp heeft, alleen de pro versie is beduidend duurder.
[ Voor 26% gewijzigd door Racer89 op 31-12-2025 08:00 ]
Soms blijft het allemaal vreemd, dimmer 2 meermaals getest telkens geen problemen. En zelf provisorisch aangesloten aan de lamp om te kijken of het dimmen werkt en de module niet te warm werd. Door wat voor oorzaken dan ook.
Lamp op gehangen en Shelly onder spanning gezet, ik zie hem in de Shelly app en ook HA online komen en na 30 seconde helemaal niks meer... van alles geprobeerd, alleen harde reset. Daarna kon ik weer verbinden via direct wifi. Gekoppeld aan mijn eigen wifi en weer geen verbinding.... zeker 5x maar allemaal zonder succes. Wifi signaal was perfect gaf hij aan. Toch maar eens gekoppeld aan het wifi signaal van de AP in de tuin, die echt bagger is binnen natuurlijk. En nu werkt hij gewoon zonder problemen.. snap er niks van 🤨. Module is geüpdate naar nieuwste firmware ( stable ).
Lamp op gehangen en Shelly onder spanning gezet, ik zie hem in de Shelly app en ook HA online komen en na 30 seconde helemaal niks meer... van alles geprobeerd, alleen harde reset. Daarna kon ik weer verbinden via direct wifi. Gekoppeld aan mijn eigen wifi en weer geen verbinding.... zeker 5x maar allemaal zonder succes. Wifi signaal was perfect gaf hij aan. Toch maar eens gekoppeld aan het wifi signaal van de AP in de tuin, die echt bagger is binnen natuurlijk. En nu werkt hij gewoon zonder problemen.. snap er niks van 🤨. Module is geüpdate naar nieuwste firmware ( stable ).
Heb je toevallig een (oude) Ziggobox?Racer89 schreef op vrijdag 2 januari 2026 @ 00:05:
Soms blijft het allemaal vreemd, dimmer 2 meermaals getest telkens geen problemen. En zelf provisorisch aangesloten aan de lamp om te kijken of het dimmen werkt en de module niet te warm werd. Door wat voor oorzaken dan ook.
Lamp op gehangen en Shelly onder spanning gezet, ik zie hem in de Shelly app en ook HA online komen en na 30 seconde helemaal niks meer... van alles geprobeerd, alleen harde reset. Daarna kon ik weer verbinden via direct wifi. Gekoppeld aan mijn eigen wifi en weer geen verbinding.... zeker 5x maar allemaal zonder succes. Wifi signaal was perfect gaf hij aan. Toch maar eens gekoppeld aan het wifi signaal van de AP in de tuin, die echt bagger is binnen natuurlijk. En nu werkt hij gewoon zonder problemen.. snap er niks van 🤨. Module is geüpdate naar nieuwste firmware ( stable ).
In aanvulling op mijn eerdere bericht(en) en advies van @rens-br een bureauopstelling gemaakt met de Dimmer 2 en dan reageert hij wél zoals verwacht op een "gewone" schakelaar. Met de Shelly zelf is dus niets mis en er zit waarschijnlijk toch iets afwijkends in mijn installatie/schakeldraad. Ik geloof het verder wel, bedankt voor het meedenken hier.
Nee, een Asus router met WiFi 6, de 2.4 Ghz extra voorzien van een eigen naam. Alle andere modules werken wel gewoon op die wifi. Behalve de Dimmer 2.
Ik wil graag van bepaalde groepen (kookplaat, quooker, WTW ventilatie) het stroomverbruik gaan meten via de meterkast. Ik zie dat de Shelly Pro’s met CT klemmen hierin kunnen voorzien.
Heeft iemand ervaring hiermee? En welke variant raden jullie aan? Ik zie bijv. de 3EM en dan ook weer een 3EM switch; wat is het verschil? En heben jullie aanraders hiervoor?
En vwb installatie; ik heb alle Shelly’s hier thuis zelf ingebouwd en een deurbel uit de meterkast weleens verwijderd, maar ben geen pro elektricien. Is dit zelf te doen met een handleiding (alle spanning eraf)?
Heeft iemand ervaring hiermee? En welke variant raden jullie aan? Ik zie bijv. de 3EM en dan ook weer een 3EM switch; wat is het verschil? En heben jullie aanraders hiervoor?
En vwb installatie; ik heb alle Shelly’s hier thuis zelf ingebouwd en een deurbel uit de meterkast weleens verwijderd, maar ben geen pro elektricien. Is dit zelf te doen met een handleiding (alle spanning eraf)?
Voor mijn Quooker heb ik er simpelweg een Shelly Plug S tussen gezet en dat werkt prima.Ferra schreef op zaterdag 3 januari 2026 @ 11:18:
Ik wil graag van bepaalde groepen (kookplaat, quooker, WTW ventilatie) het stroomverbruik gaan meten via de meterkast. Ik zie dat de Shelly Pro’s met CT klemmen hierin kunnen voorzien.
Heeft iemand ervaring hiermee? En welke variant raden jullie aan? Ik zie bijv. de 3EM en dan ook weer een 3EM switch; wat is het verschil? En heben jullie aanraders hiervoor?
En vwb installatie; ik heb alle Shelly’s hier thuis zelf ingebouwd en een deurbel uit de meterkast weleens verwijderd, maar ben geen pro elektricien. Is dit zelf te doen met een handleiding (alle spanning eraf)?
Je moet wel de safety instelling op 2500W zetten want ondanks dat Quooker een lagere rating opgeeft, er staat me 2000 bij, piekt hij regelmatig tot net onder de 2500W.
Was met 2000 begonnen maar toen ging hij steeds uit, in stapjes verhoogd om uiteindelijk op 2500W uit te komen.
Mijn ventilatieunit meet ik niet maar als deze een reguliere stekker heeft kan daar ook prima een plug tussen, met perilex is dat wel gedoe inderdaad.
CT klemmen in een spanningsloze groepenkast plaatsen is goed te doen, maar neem niet te grote klemmen.
Ik zit met een vraagstuk waar ik zo geen antwoord op kan vinden, we zijn nu een jaartje geleden verhuist na een nieuwbouw woning waar ik de smarthome hue kastjes (hue wall switches) achter de schakelaars heb geplaatst (meegenomen uit onze oude woning), nu gebruik ik deze ook om staande lampen aan en uit te zetten, nu vraag ik mij af kan ik dit ook met shelly 1/2PM kastjes ? of kunnen deze enkel het geen aan/uit zetten wat er aan de bekabeling hangt ?
Vanwaar deze vraag, onze nieuwbouw woning heeft op zowat alle plekken een blauwe draad liggen welke benodigd is voor de Shelly, en gezien deze geen batterij nodig is lijkt mij dit een mooie upgrade alleen moet ik dan ook andere zaken kunnen schakelen dan enkel het lichtpunt (ik heb alles in Home Assistant draaien dus dit zou de mooiste optie zijn).
Vanwaar deze vraag, onze nieuwbouw woning heeft op zowat alle plekken een blauwe draad liggen welke benodigd is voor de Shelly, en gezien deze geen batterij nodig is lijkt mij dit een mooie upgrade alleen moet ik dan ook andere zaken kunnen schakelen dan enkel het lichtpunt (ik heb alles in Home Assistant draaien dus dit zou de mooiste optie zijn).
Ik heb diverse Pro series op een DIN rail om precies dat te doen. 4x EM3 63CT en 2x EM50. Alles via ethernet gekoppeld aan een domme switch en dat werkt prima. Houdt er rekening mee dat de gratis GUI van Shelly alleen op uurbasis rapporteert, zowel in de GUI als in de CSV. De betaalde versie staat rapportage per minuut toe.Ferra schreef op zaterdag 3 januari 2026 @ 11:18:
Ik wil graag van bepaalde groepen (kookplaat, quooker, WTW ventilatie) het stroomverbruik gaan meten via de meterkast. Ik zie dat de Shelly Pro’s met CT klemmen hierin kunnen voorzien.
Heeft iemand ervaring hiermee? En welke variant raden jullie aan? Ik zie bijv. de 3EM en dan ook weer een 3EM switch; wat is het verschil? En heben jullie aanraders hiervoor?
En vwb installatie; ik heb alle Shelly’s hier thuis zelf ingebouwd en een deurbel uit de meterkast weleens verwijderd, maar ben geen pro elektricien. Is dit zelf te doen met een handleiding (alle spanning eraf)?
De 3EM 'kaal' is zonder relais en meet alleen. Door de switch toe te voegen heb je ook een relais mogelijkheid. De EM50 heeft standaard een relais aan boord (die ik niet gebruik, ik meet alleen). De EM50 is trouwens voor 2x 1 fase devices de EM3 63 voor 1x 3 fase device. Let wel op dat de EM3 in drie amperages geleverd wordt 63-120-400 de CT's zijn navenant groter wat een probleem in een kleine groepenkast kan zijn.
54kWh Tesla Powerwall, 5.5kWp Solar met Enphase IQ7A, Daikin WP EHBH08EFW+ERGA06EAV3H, Daikin Airco 2MXM40N2V1B9+CTXM15R2V1B+FDXM25F3V1B, Ariston Nuos Evo WPB, Tesla M3P, Zappi 2.1, Woning 1932 A++
Pfff, ik dacht eventjes in een middag 12 centraaldozen boven lampen te voorzien van Shelly 1PM Mini Gen4's, wat een gepruts met die dozen die behoorlijk volgepropt zitten met stugge draden. Uit voorzorg wel flexibele draden (met adereindhuls) naar de (paar) geplaatste Shelly's om stress op de schroefterminals te voorkomen en een aantal konden in de lamparmatuur geplaatst worden, scheelt proppen in de centraaldoos.
Later maar mee verder, mijn armen en schouders zijn niet geschikt om in de hoogte te werken
Achter de schakelaars was helaas geen plek en geen nuldraad daar, plus 2 hotelschakelingen in het appartement, dan is het makkelijker om de Shelly's zo dicht mogelijk bij de lamp te plaatsen.
Later maar mee verder, mijn armen en schouders zijn niet geschikt om in de hoogte te werken
Achter de schakelaars was helaas geen plek en geen nuldraad daar, plus 2 hotelschakelingen in het appartement, dan is het makkelijker om de Shelly's zo dicht mogelijk bij de lamp te plaatsen.
After the first glass you see things as you wish they were. After the second you see things as they are not. Finally you see things as they really are, and that is the most horrible thing in the world...
Oscar Wilde
een shelly kastje weet niet wat 'erachter hangt'. Je kan dus een staande lamp er ook mee schakelen. Effectief maak je dan de WCD schakelbaar. Dit is geen probleem. Wel ben ik van mening dat een shelly plug dan veel handiger/makkelijker is. lampjes op een shelly plug kan je volgens mij gewoon uitzetten waardoor er niets van te zien hoeft te zijn.LightStar schreef op zaterdag 3 januari 2026 @ 16:16:
Ik zit met een vraagstuk waar ik zo geen antwoord op kan vinden, we zijn nu een jaartje geleden verhuist na een nieuwbouw woning waar ik de smarthome hue kastjes (hue wall switches) achter de schakelaars heb geplaatst (meegenomen uit onze oude woning), nu gebruik ik deze ook om staande lampen aan en uit te zetten, nu vraag ik mij af kan ik dit ook met shelly 1/2PM kastjes ? of kunnen deze enkel het geen aan/uit zetten wat er aan de bekabeling hangt ?
Kijk eens op shelly.com naar alle mogelijkheden.Vanwaar deze vraag, onze nieuwbouw woning heeft op zowat alle plekken een blauwe draad liggen welke benodigd is voor de Shelly, en gezien deze geen batterij nodig is lijkt mij dit een mooie upgrade alleen moet ik dan ook andere zaken kunnen schakelen dan enkel het lichtpunt (ik heb alles in Home Assistant draaien dus dit zou de mooiste optie zijn).
Ik gebruik bijna alleen maar shelly en ben er tevreden mee. Ik gebruik shelly via mqtt. Na een herstart van home assistant duurt het soms wel even voor alle shelly's weer als 'beschikbaar' in HA staan. Dit komt omdat de shelly's zich weer moeten 'melden' bij HA. Om een of andere reden zit daar wat vertraging in die ik er niet uit krijg.
Als je de lampen niet direct wilt schakelen (dat doe je nu immers ook niet met de Hue wall switch) dan kan dat ook prima met een Shelly door de draad naar de lamp net zoals nu door te lussen. Sterker nog, je kunt de lampdraad wel op de Shelly aansluiten en in de interface in te stellen dat de stand van de schakelaar daar geen invloed op heeft (de 'detached' mode). Zo wordt het signaal van de schakelaar doorgegeven aan HA waarmee dan weer met de lamp wordt gecommuniceerd, terwijl er niets verandert aan de spanning op de draad naar de lamp.LightStar schreef op zaterdag 3 januari 2026 @ 16:16:
Ik zit met een vraagstuk waar ik zo geen antwoord op kan vinden, we zijn nu een jaartje geleden verhuist na een nieuwbouw woning waar ik de smarthome hue kastjes (hue wall switches) achter de schakelaars heb geplaatst (meegenomen uit onze oude woning), nu gebruik ik deze ook om staande lampen aan en uit te zetten, nu vraag ik mij af kan ik dit ook met shelly 1/2PM kastjes ? of kunnen deze enkel het geen aan/uit zetten wat er aan de bekabeling hangt ?
Vanwaar deze vraag, onze nieuwbouw woning heeft op zowat alle plekken een blauwe draad liggen welke benodigd is voor de Shelly, en gezien deze geen batterij nodig is lijkt mij dit een mooie upgrade alleen moet ik dan ook andere zaken kunnen schakelen dan enkel het lichtpunt (ik heb alles in Home Assistant draaien dus dit zou de mooiste optie zijn).
Je kunt dan altijd nog de Hue lamp vervangen door een gewone lamp en bij de instellingen de detached mode uitzetten, zonder de noodzaak om de schakelaar uit de muur te halen om de bedrading aan te passen.
Dank voor je antwoord, zal er eens 1 bestellen om het te testen, een shelly plug vind ik dan geen goede optie we willen namelijk de “normale” schakelaars werkend houden, dat is voor de kids en de oppas wel zo makkelijk.sjorsjuhmaniac schreef op zaterdag 3 januari 2026 @ 18:01:
[...]
een shelly kastje weet niet wat 'erachter hangt'. Je kan dus een staande lamp er ook mee schakelen. Effectief maak je dan de WCD schakelbaar. Dit is geen probleem. Wel ben ik van mening dat een shelly plug dan veel handiger/makkelijker is. lampjes op een shelly plug kan je volgens mij gewoon uitzetten waardoor er niets van te zien hoeft te zijn.
[...]
Dat gaat met een staande ,en dus met een stekker aangesloten, lamp alleen als je wcd schakelbaar is. Dan moet je nu dus ook al een geschakelde wcd hebben.LightStar schreef op zaterdag 3 januari 2026 @ 18:21:
[...]
Dank voor je antwoord, zal er eens 1 bestellen om het te testen, een shelly plug vind ik dan geen goede optie we willen namelijk de “normale” schakelaars werkend houden, dat is voor de kids en de oppas wel zo makkelijk.
Nee daarvoor gebruik ik nu de hue wall switches dat is niet meer dan een zigbee kastje die een signaal na een willekeurige lamp/schakelaar stuurt. Achter de wcd is niks aangesloten, beide kabels zitten in een wago klemmetje.sjorsjuhmaniac schreef op zondag 4 januari 2026 @ 06:52:
[...]
Dat gaat met een staande ,en dus met een stekker aangesloten, lamp alleen als je wcd schakelbaar is. Dan moet je nu dus ook al een geschakelde wcd hebben.
Als je lampen in een hotelschakeling voorziet van Shelly 1PM MIni's, dien je dan ergens rekening mee te houden?
Hotelschakeling 1: 1 lamp, Shelly in armatuur, werkt prima.
Hotelschakeling 2: 2 lampen in 1 schakeling. Beide werken prima zonder Shelly's.
1 lamp voorzien van Shelly: input ongeacht positie schakelaars hoog, beide lampen aan, omzetten van een fysieke schakelaar laat 1 van de 2 lampen wat feller (of zwakker) branden.
Beide lampen voorzien van Shelly: 1 lamp werkt nu zoals verwacht, aan/uit met fysieke schakelaars , de andere lamp doet nu helemaal niets (of licht heel zwakjes op, overdag lastig te zien).
Iets zegt me dat ik iets over het hoofd zie. Mijn gedachte was, net als bij alle andere lampen, de schakeldraad als input voor de Shelly's gebruiken, maar blijkbaar zit het bij een hotelschakeling met 2 lampen toch net iets anders(?).
Hotelschakeling 1: 1 lamp, Shelly in armatuur, werkt prima.
Hotelschakeling 2: 2 lampen in 1 schakeling. Beide werken prima zonder Shelly's.
1 lamp voorzien van Shelly: input ongeacht positie schakelaars hoog, beide lampen aan, omzetten van een fysieke schakelaar laat 1 van de 2 lampen wat feller (of zwakker) branden.
Beide lampen voorzien van Shelly: 1 lamp werkt nu zoals verwacht, aan/uit met fysieke schakelaars , de andere lamp doet nu helemaal niets (of licht heel zwakjes op, overdag lastig te zien).
Iets zegt me dat ik iets over het hoofd zie. Mijn gedachte was, net als bij alle andere lampen, de schakeldraad als input voor de Shelly's gebruiken, maar blijkbaar zit het bij een hotelschakeling met 2 lampen toch net iets anders(?).
After the first glass you see things as you wish they were. After the second you see things as they are not. Finally you see things as they really are, and that is the most horrible thing in the world...
Oscar Wilde
@Raven
Als het goed is, loopt er van de laatste schakelaar 1 zwarte schakeldraad weg, naar de lamp en loopt dezelfde zwarte draad, door van de ene lamp naar de andere lamp.
Daar tussen moet je dan de Shelly plaatsen, zoals gewend bent.
Dan krijg je dus 1 zwarte op de input en 2 zwarte op de output.
Of het moet zo zijn, dat je 2 zwarte draden op dezelfde klem hebt zitten, bij je laatste schakelaar.
Als het goed is, loopt er van de laatste schakelaar 1 zwarte schakeldraad weg, naar de lamp en loopt dezelfde zwarte draad, door van de ene lamp naar de andere lamp.
Daar tussen moet je dan de Shelly plaatsen, zoals gewend bent.
Dan krijg je dus 1 zwarte op de input en 2 zwarte op de output.
Of het moet zo zijn, dat je 2 zwarte draden op dezelfde klem hebt zitten, bij je laatste schakelaar.
Het kan aan mijn zoekskills liggen, maar ik zie geen dimmer plug voor een lamp met gewoon stekker.
Ik heb een staande lamp met 4 G9 lampjes en een druksnoer die ik wil kunnen dimmen.
Ik heb een staande lamp met 4 G9 lampjes en een druksnoer die ik wil kunnen dimmen.
Ik vraag me af of het goed gaat, als je achter de dimmer de schakelaar in het snoer steeds uitschakelt, of laat je die gewoon aan staan?t14wo schreef op zondag 4 januari 2026 @ 18:25:
Het kan aan mijn zoekskills liggen, maar ik zie geen dimmer plug voor een lamp met gewoon stekker.
Ik heb een staande lamp met 4 G9 lampjes en een druksnoer die ik wil kunnen dimmen.
UiteraardClumsy Smurf schreef op zondag 4 januari 2026 @ 18:27:
[...]
Ik vraag me af of het goed gaat, als je achter de dimmer de schakelaar in het snoer steeds uitschakelt, of laat je die gewoon aan staan?
Ik kan er een shelly plug aanhangen, maar ik wil ook kunnen dimmen.
Niet een mooie oplossing, maar anders misschien een kastje met de Shelly er in?t14wo schreef op zondag 4 januari 2026 @ 18:35:
[...]
Uiteraard
Ik kan er een shelly plug aanhangen, maar ik wil ook kunnen dimmen.
Geen idee of je die dan kunt weg werken achter een bank of iets.
stekker -> laskastje (met shelly dimmer) > contrastekker
Dan kun je het kastje verder weg leggen.
[ Voor 4% gewijzigd door Clumsy Smurf op 04-01-2026 18:38 ]
Zo’n “kastje” verkoopt Shelly. Zit ook nog een knop op die je aan kan sluiten.Clumsy Smurf schreef op zondag 4 januari 2026 @ 18:37:
[...]
Niet een mooie oplossing, maar anders misschien een kastje met de Shelly er in?
https://www.shelly.com/products/shelly-button-add-on-black-1
Kijk! Dit is wat ik zocht, bij gebrek aan een plugin dimmer van Shelly. Niet zoveel zin in een ander merk/app/cloud etc.DeKim schreef op zondag 4 januari 2026 @ 18:52:
[...]
Zo’n “kastje” verkoopt Shelly. Zit ook nog een knop op die je aan kan sluiten.
https://www.shelly.com/products/shelly-button-add-on-black-1
Hmm, dat wordt dus beide schakelaars eraf en wat aandachtiger in de centraaldozen kijken om te kijken hoe het zit. Van de week als ik daar weer ben (wacht nog op vloerbedekking voor daadwerkelijk te verhuizen) maar eens kijken.Clumsy Smurf schreef op zondag 4 januari 2026 @ 18:21:
@Raven
Als het goed is, loopt er van de laatste schakelaar 1 zwarte schakeldraad weg, naar de lamp en loopt dezelfde zwarte draad, door van de ene lamp naar de andere lamp.
Daar tussen moet je dan de Shelly plaatsen, zoals gewend bent.
Dan krijg je dus 1 zwarte op de input en 2 zwarte op de output.
Of het moet zo zijn, dat je 2 zwarte draden op dezelfde klem hebt zitten, bij je laatste schakelaar.
Achter een schakelaar plaatsen gaat i.i.g. niet, de verhuurder heeft nogal ondiepe inbouwdozen laten plaatsen (te weinig ruimte voor Mini's) en geen nuldraad achter de schakelaars voor de Shelly's.
After the first glass you see things as you wish they were. After the second you see things as they are not. Finally you see things as they really are, and that is the most horrible thing in the world...
Oscar Wilde
Die kende ik nog niet.DeKim schreef op zondag 4 januari 2026 @ 18:52:
[...]
Zo’n “kastje” verkoopt Shelly. Zit ook nog een knop op die je aan kan sluiten.
https://www.shelly.com/products/shelly-button-add-on-black-1
Ziet er mooi uit om zo een lamp van een dimmer te voorzien. (Snoer dimmer)
Ik was al een projectje begonnen van een defecte Hager rf knx schakelactor.
De Shelly dimmer wil ik hier in bouwen en aan de voorkant een druktoets. (Geschikt voor 230v)
Dan heb ik een tussenstekker Shelly dimmer.
Jammer eigenlijk dat ze geen dimmer plugs hebben.
Dat is omdat losse (staande) dimbare lampen meestal de dimmer in het snoer hebben zitten.peterbier schreef op zondag 4 januari 2026 @ 20:48:
Jammer eigenlijk dat ze geen dimmer plugs hebben.
Deze heb ik ook icm een Dimmer 2. Oud model denk ik. Enorm gepriegel om alles erin te krijgen maar daarna werkt het prima.DeKim schreef op zondag 4 januari 2026 @ 18:52:
[...]
Zo’n “kastje” verkoopt Shelly. Zit ook nog een knop op die je aan kan sluiten.
https://www.shelly.com/products/shelly-button-add-on-black-1
Erg interessant product, ik kende die nog niet.DeKim schreef op zondag 4 januari 2026 @ 18:52:
[...]
Zo’n “kastje” verkoopt Shelly. Zit ook nog een knop op die je aan kan sluiten.
https://www.shelly.com/products/shelly-button-add-on-black-1
Ben al tijden op zoek naar een smart vloerdimmer voor een aantal staande lampen.
Nu vind ik deze wel stukkie minder goed ogen dan zo’n ronde vloerdimmer met knop in het midden maar het is tenminste iets, en dat het een Shelly is is ook een pluspunt.
Vraag me alleen af of dat knopje wel tegen de druk van voetbediening kan of snel stuk gaat.
Lijkt me voor dat lage bedrag echter wel iets om eens te gaan testen!
Dank voor de tip
Buk je nu elke keer om die vloerlamp te bedienen of gebruik je hem enkel remote?stefxx schreef op zondag 4 januari 2026 @ 21:11:
[...]
Deze heb ik ook icm een Dimmer 2. Oud model denk ik. Enorm gepriegel om alles erin te krijgen maar daarna werkt het prima.
[Afbeelding]
Ik vermoed het laatste.
Toen ik 25 jaar geleden ben begonnen met kaku waren er al tussenstekkers die kunnen dimmen.JaVaWa schreef op zondag 4 januari 2026 @ 21:10:
[...]
Dat is omdat losse (staande) dimbare lampen meestal de dimmer in het snoer hebben zitten.
Daarna een systeem van Eaton (Marmitek) X10 domotica gehad.
Die hadden ook tussenstekker dimmers.
Nu gebruik ik KNX en een paar Hager TR271.
Dat zijn ook tussenstekker dimmers.
Daarom mijn opmerking.
Jammer dat Shelly deze niet heeft.
Ik gebruik veel KNX maar ook veel Shelly.
De nieuwe generatie Shelly kan ook overweg met KNX (groep adressen).
Maar uiteraard doe ik het geheel ook aansturen met HomeAssistant.
Goed gegokt. En voornamelijk automatisch, zoals vrijwel alles hier. Maar ik vind het belangrijk dat alles ook nog steeds lokaal te bedienen is.Vliegvlug schreef op zondag 4 januari 2026 @ 21:25:
[...]
Buk je nu elke keer om die vloerlamp te bedienen of gebruik je hem enkel remote?
Ik vermoed het laatste.
Het is absoluut niet bedoeld als voetbediening.Vliegvlug schreef op zondag 4 januari 2026 @ 21:24:
[...]
Vraag me alleen af of dat knopje wel tegen de druk van voetbediening kan of snel stuk gaat.
Op basis waarvan zeg je dat?stefxx schreef op zondag 4 januari 2026 @ 23:21:
[...]
Het is absoluut niet bedoeld als voetbediening.
Is het het interne contact waar de knop op drukt wat er niet tegen kan, of de behuizing als geheel, of iets anders?
Welke reden wil je horen?Vliegvlug schreef op maandag 5 januari 2026 @ 09:27:
[...]
Op basis waarvan zeg je dat?
Is het het interne contact waar de knop op drukt wat er niet tegen jan, of de behuizing als geheel, of iets anders?
- De knop ligt gelijk met de behuizing. Dus dan moet je hem met je teen indrukken ofzo?
- Het plastic is dusdanig dun dat met 1 keer erop staan de boel wel afbreekt.
- Wat kun je voor 7 euro verwachten?
- Nergens in de beschrijving op de Shelly shop staat dat het geschikt is voor op de vloer/voetbediening.
Beetje creatief denken ben ik wel vanstefxx schreef op maandag 5 januari 2026 @ 14:07:
[...]
Welke reden wil je horen?
- De knop ligt gelijk met de behuizing. Dus dan moet je hem met je teen indrukken ofzo?
Had al gezien dat de knop vlak was tov de behuizing maar wilde dat oplossen door er een dun plastic schijfje op te plakken zodat het iets uitsteekt en je er wel op kan drukken met je voet.
En dan een paar anti-slip voetjes er onder plakken.
Dat is wel een tegenvaller, was precies de reden ik zelf zo’n ding wilde aanschaffen omdat dat typisch dingen zijn die je niet vanaf een plaatje kan zien.- Het plastic is dusdanig dun dat met 1 keer erop staan de boel wel afbreekt.
Een plastic behuizing met wat draadjes en een knopje maar dat hoeft natuurlijk niet te zeggen dat het meteen heel fragiel is.- Wat kun je voor 7 euro verwachten?
Heb vaker goedkope dingen gekocht die verrassend stevig waren.
Dat had ik ook al gezien ja, maar zitten we hier nu op Tweakers of niet?- Nergens in de beschrijving op de Shelly shop staat dat het geschikt is voor op de vloer/voetbediening.
Maar goed, als die behuizing zo fragiel is gaat mijn idee inderdaad niet werken. Dank voor het laten weten!
Kom ik toch weer als enige optie uit op deze Zigbee vloerdimmer: HZC Electric D077-ZG
Mocht iemand nog een (Shelly) alternatief weten die wat goedkoper is dan houd ik me aanbevolen!
Ik heb een tijdje een Tradim Tuya wifi vloerdimmer gehad maar dat was echt een rampending, dus die wil ik zo snel mogelijk weer vergeten.
Mocht iemand nog een (Shelly) alternatief weten die wat goedkoper is dan houd ik me aanbevolen!
Ik heb een tijdje een Tradim Tuya wifi vloerdimmer gehad maar dat was echt een rampending, dus die wil ik zo snel mogelijk weer vergeten.
Het had helemaal niks met de hotelschakeling te maken. De fitting van de lamp die niet werkte, was zoiets alsClumsy Smurf schreef op zondag 4 januari 2026 @ 18:21:
@Raven
Als het goed is, loopt er van de laatste schakelaar 1 zwarte schakeldraad weg, naar de lamp en loopt dezelfde zwarte draad, door van de ene lamp naar de andere lamp.
Daar tussen moet je dan de Shelly plaatsen, zoals gewend bent.
Dan krijg je dus 1 zwarte op de input en 2 zwarte op de output.
Of het moet zo zijn, dat je 2 zwarte draden op dezelfde klem hebt zitten, bij je laatste schakelaar.

Het contactpunt en daarbij ook de klem voor de draad aan de fase-kant was ineens weg, oftewel 1 van de 2 draden maakte helemaal geen contact
Nu werken beide Shelly's en lampen goed
After the first glass you see things as you wish they were. After the second you see things as they are not. Finally you see things as they really are, and that is the most horrible thing in the world...
Oscar Wilde
Een kleine "Show je Shelly"-post, ter inspiratie.
In de Black Friday-gekte heb ik 3 Shelly BLU TRV's aangeschaft. Helaas bleek na bestuderen van de meegeleverde adapters dat er geen geschikte tussen zat voor 2 van mijn 3 radiatorkranen.
:no_upscale():strip_icc():strip_exif()/f/image/qLx9j1uRKnVVHYVKXHdxbUXA.jpg?f=user_large)
Een dag niet getweakt is een dag niet geleefd, dus mijn neef met 3D-printer lief aangekeken en een prototype geprint van een adapter. Het plan was om de grijze klemconstructie 1:1 na te maken om met de metalen ring vast te kunnen zetten.
:no_upscale():strip_icc():strip_exif()/f/image/dLmeBFb9CsumCmP4CjjUnToC.jpg?f=user_large)
De schroefdraad paste gelijk goed, maar de klemkant viel nog niet helemaal lekker om de ring van de kraan, waardoor de borgring er niet overheen kon. Bovendien waren de pootjes niet zo sterk, bleek al snel.
Voor de tweede print heb ik de pootjes aangepast, zowel de inkassing voor de ring als de dikte om ze wat sterker te maken (ook een zwaardere infill gebruikt). Doordat de pootjes dikker zijn kon de borgring er niet meer overheen, dus heb ik een uitsparing gemaakt voor een tyrap.
Dit tweede prototype paste meteen beter met de klem, alleen was de schroefdraad nu minder passend. Dat was met nalopen met een mesje gelukkig op te lossen.
:no_upscale():strip_icc():strip_exif()/f/image/DRu3A5deGjix3ttzEtKWEbwU.jpg?f=user_large)
TRV erop gezet, gecalibreerd en draait nu 4 dagen zonder problemen. Het is even afwachten of de PLA de temperatuur aankan, maar aangezien ik een vrij lage aanvoertemperatuur gebruik (komt niet boven de 45°) verwacht ik eigenlijk dat dat geen problemen meer gaat geven.
:no_upscale():strip_icc():strip_exif()/f/image/Goo363G9FPU2ud8r4NXzEFpl.jpg?f=user_large)
:no_upscale():strip_icc():strip_exif()/f/image/Au4nThGzj62RuCEC8zqCKsqM.jpg?f=user_large)
Binnenkort nog één printen voor de andere radiator en dan kan de laatste TRV er ook op
In de Black Friday-gekte heb ik 3 Shelly BLU TRV's aangeschaft. Helaas bleek na bestuderen van de meegeleverde adapters dat er geen geschikte tussen zat voor 2 van mijn 3 radiatorkranen.
:no_upscale():strip_icc():strip_exif()/f/image/qLx9j1uRKnVVHYVKXHdxbUXA.jpg?f=user_large)
Een dag niet getweakt is een dag niet geleefd, dus mijn neef met 3D-printer lief aangekeken en een prototype geprint van een adapter. Het plan was om de grijze klemconstructie 1:1 na te maken om met de metalen ring vast te kunnen zetten.
:no_upscale():strip_icc():strip_exif()/f/image/dLmeBFb9CsumCmP4CjjUnToC.jpg?f=user_large)
De schroefdraad paste gelijk goed, maar de klemkant viel nog niet helemaal lekker om de ring van de kraan, waardoor de borgring er niet overheen kon. Bovendien waren de pootjes niet zo sterk, bleek al snel.
Voor de tweede print heb ik de pootjes aangepast, zowel de inkassing voor de ring als de dikte om ze wat sterker te maken (ook een zwaardere infill gebruikt). Doordat de pootjes dikker zijn kon de borgring er niet meer overheen, dus heb ik een uitsparing gemaakt voor een tyrap.
Dit tweede prototype paste meteen beter met de klem, alleen was de schroefdraad nu minder passend. Dat was met nalopen met een mesje gelukkig op te lossen.
:no_upscale():strip_icc():strip_exif()/f/image/DRu3A5deGjix3ttzEtKWEbwU.jpg?f=user_large)
TRV erop gezet, gecalibreerd en draait nu 4 dagen zonder problemen. Het is even afwachten of de PLA de temperatuur aankan, maar aangezien ik een vrij lage aanvoertemperatuur gebruik (komt niet boven de 45°) verwacht ik eigenlijk dat dat geen problemen meer gaat geven.
:no_upscale():strip_icc():strip_exif()/f/image/Goo363G9FPU2ud8r4NXzEFpl.jpg?f=user_large)
:no_upscale():strip_icc():strip_exif()/f/image/Au4nThGzj62RuCEC8zqCKsqM.jpg?f=user_large)
Binnenkort nog één printen voor de andere radiator en dan kan de laatste TRV er ook op
Release your inner hooligan - With great power comes great responsibility, with horsepower comes no responsibility
Zwarte tie wrap is iha beter bestand tegen hogere temperaturen.
Mijn gevoel is dat de tyrap/tierap/tie wrap (?) niet de zwakste schakel is, maar mocht die bezwijken dan heb ik nog wel wat zwarte liggenElsdeniep schreef op donderdag 8 januari 2026 @ 15:30:
Zwarte tie wrap is iha beter bestand tegen hogere temperaturen.
Release your inner hooligan - With great power comes great responsibility, with horsepower comes no responsibility
Vandaag een setje binnen met Shelly TRV radiator knop.
Wat mij opvalt dat de Shelly BLE usb dongel (Gateway) nodig is.
Dit vindt ik een minpunt.
Ik heb al diverse Shelly (s) in huis die een BLE gateway zijn.
Jammer dat de Shelly knop daar niet op gekoppeld kan worden.
Of is dit wel mogelijk.?
Wat mij opvalt dat de Shelly BLE usb dongel (Gateway) nodig is.
Dit vindt ik een minpunt.
Ik heb al diverse Shelly (s) in huis die een BLE gateway zijn.
Jammer dat de Shelly knop daar niet op gekoppeld kan worden.
Of is dit wel mogelijk.?
Lijkt me wel, zolang het binnen bereik zit. Ik heb nu drie TRV's op 1 dongel en dat gaat ook prima. Inmiddels is er ook een plug die als gateway kan dienen, dus binnenkort maar eens uitproberen of die binnen het bereik van de TRV's zit.peterbier schreef op donderdag 8 januari 2026 @ 19:12:
Vandaag een setje binnen met Shelly TRV radiator knop.
Wat mij opvalt dat de Shelly BLE usb dongel (Gateway) nodig is.
Dit vindt ik een minpunt.
Ik heb al diverse Shelly (s) in huis die een BLE gateway zijn.
Jammer dat de Shelly knop daar niet op gekoppeld kan worden.
Of is dit wel mogelijk.?
JanPedaal schreef op donderdag 8 januari 2026 @ 16:38:
[...]
Mijn gevoel is dat de tyrap/tierap/tie wrap (?) niet de zwakste schakel is, maar mocht die bezwijken dan heb ik nog wel wat zwarte liggen
Het is niet mogelijk wat ik zo lees op internet.Merijn. schreef op donderdag 8 januari 2026 @ 19:20:
[...]
Lijkt me wel, zolang het binnen bereik zit. Ik heb nu drie TRV's op 1 dongel en dat gaat ook prima. Inmiddels is er ook een plug die als gateway kan dienen, dus binnenkort maar eens uitproberen of die binnen het bereik van de TRV's zit.
Dus je zal altijd die usb dongel nodig hebben.
Het klopt dat je meer kan koppelen aan een dongel.
Wel jammer om weer een extra dongel te gebruiken.
Ik heb hem maar in de HomeAssistant server geprikt die centraal in de woning staat. (OVK)
De knop is mooi op te nemen in HomeAssistant.
Via de Shelly gateway dongel.
[ Voor 35% gewijzigd door peterbier op 08-01-2026 21:51 ]
Goedenavond,
Ik wil graag mijn bestaande zonnewering slim maken met een Shelly zodat ik in de zomer bijv de zonnewering automatisch omlaag kan laten gaan en dat die standaard omhoog gaat bij zonsondergang en wanneer er regen is voorspeld. Dit wil ik automatiseren met Home Assistant.
Mijn huidige zonnewering werkt met een omhoog-, reset- en omlaagknop en deze knoppen die blijven ook in hun stand staan tot de resetknop wordt ingedrukt. Ik wil de huidige knoppen aansluiten op een Shelly 2PM Gen 3 WiFi & Bluetooth Schakelaar. Het is een smalle opbouw dus wss zal ik een doosje laten 3D printen en naast de huidege knoppen monteren (opbouw). Ik heb er wel 2 vragen bij:
1: Heeft iemand ervaring met de 2PM via Wifi en Home assistant om een rolluik of een zonnewering te bedienen? Is het in te stellen dat ik het bijv. op een 50% stand kan zetten en is die dan ook accuraat?
2: Wat gebeurd er als de knop bijv vast staat op "naar beneden" en via home assistant de commando "naar boven" geef? Zal het kortsluiting veroorzaken of zal er gewoon niks gebeuren?
Alvast bedankt!
Ik wil graag mijn bestaande zonnewering slim maken met een Shelly zodat ik in de zomer bijv de zonnewering automatisch omlaag kan laten gaan en dat die standaard omhoog gaat bij zonsondergang en wanneer er regen is voorspeld. Dit wil ik automatiseren met Home Assistant.
Mijn huidige zonnewering werkt met een omhoog-, reset- en omlaagknop en deze knoppen die blijven ook in hun stand staan tot de resetknop wordt ingedrukt. Ik wil de huidige knoppen aansluiten op een Shelly 2PM Gen 3 WiFi & Bluetooth Schakelaar. Het is een smalle opbouw dus wss zal ik een doosje laten 3D printen en naast de huidege knoppen monteren (opbouw). Ik heb er wel 2 vragen bij:
1: Heeft iemand ervaring met de 2PM via Wifi en Home assistant om een rolluik of een zonnewering te bedienen? Is het in te stellen dat ik het bijv. op een 50% stand kan zetten en is die dan ook accuraat?
2: Wat gebeurd er als de knop bijv vast staat op "naar beneden" en via home assistant de commando "naar boven" geef? Zal het kortsluiting veroorzaken of zal er gewoon niks gebeuren?
Alvast bedankt!
1. Na het kalibreren kun je bij de 2PM prima op een percentage naar keuze instellen. Wel een heel getal, tienden van percentages kun je niet invullen (in heel specifieke situaties is dat minder handig).
2. Je huidige knoppen worden straks niet direct met de motor verbonden, maar aan de schakelcontacten op de Shelly. Als je de Shelly via HA bedient wordt de stand van de schakelaar genegeerd, er wordt niets kortgesloten. Het enige nadeel is dat de stand van de knoppen niet altijd overeen zal komen met de stand van de zonwering, waardoor je een keer extra moet drukken.
2. Je huidige knoppen worden straks niet direct met de motor verbonden, maar aan de schakelcontacten op de Shelly. Als je de Shelly via HA bedient wordt de stand van de schakelaar genegeerd, er wordt niets kortgesloten. Het enige nadeel is dat de stand van de knoppen niet altijd overeen zal komen met de stand van de zonwering, waardoor je een keer extra moet drukken.
Wat is nu de handigste shelly om in de meterkast je stroomverbruik op een groep te meten? Gaat dan met name om het zelf kunnen aansluiten.
:strip_exif()/f/image/jYPE1GCR1soeajnWYFbt9REG.jpg?f=fotoalbum_large)
:strip_exif()/f/image/AkDwMSwh7wYLijazpVH1TgXD.jpg?f=fotoalbum_large)