Check alle échte Black Friday-deals Ook zo moe van nepaanbiedingen? Wij laten alleen échte deals zien

Vraag


  • matuncer
  • Registratie: Oktober 2022
  • Laatst online: 04-07 20:49
Beste Allemaal,
na veel heen en weer getrek is de warmtepomp installateur eindelijk langs geweest. Helaas was de uitvoering een drama en ze zijn nog steeds niet klaar.
8 weken met 3 kleine kids geen warm water/ verwarming gehad.
ze hebben met aantal ontbrekende componenten systeem aangekregen zodat ik warm water heb.
echter verbruikt deze 30 kw per dag en is het bloed heet in de woning.

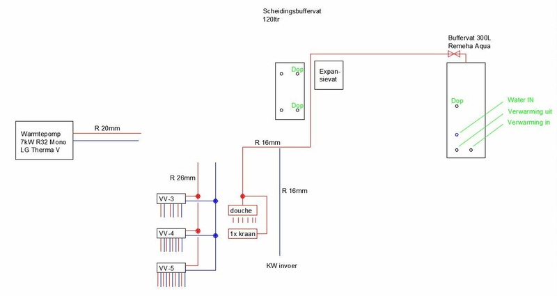
Ik heb een simple schema gemaakt hoe ze e.e.a. aangelegd hebben.
Kan iemand deze voor mij controleren. Ik heb het idee dat het voor geen meter klopt.

Afbeeldingslocatie: https://tweakers.net/i/7ztqNsVXc3sSGQrYyhjgq-vy8P4=/800x/filters:strip_icc():strip_exif()/f/image/s0crnrA7CGDK3GGuusuCuweF.jpg?f=fotoalbum_large

Bij voorbaat bedankt

Gr. Tuncer

Alle reacties


  • Devil
  • Registratie: Oktober 2001
  • Niet online

Devil

King of morons

Zonder driewegklep gaat het sowieso niet werken. Die klep schakelt tussen sww bereiding en verwarming, zonder die klep draai je altijd in 1 stand (of nog erger, draait alles mee, dus lekker water van 60 graden je CV circuit in als de unit warm tapwater gaat maken.

Verder ben ik geen expert, maar snap ik niet goed hoe de retour is aangesloten.

After all, we are nothing more or less than what we choose to reveal.


  • Proton_
  • Registratie: November 2011
  • Laatst online: 08:45

Proton_

Moderator Wonen & Mobiliteit 

Team Welles

Je afgiftepomp zit op de verkeerde plek, want hij circuleert alleen over het buffervat. Als het echt zo zit zou ik die pomp alvast uitzetten.

"30 kw per dag", is dat 30 kWh elektrisch of thermisch? Hoe gemeten?

De vloerverwarmingsverdelers kan je doorgaans wel handmatig dichtdraaien (foto?), dat zou in ieder geval voorkomen dat het te warm wordt en een stuk zuiniger zijn :)

Het ik-wil-een-warmtepomp FAQ topic- '23 MG5, douchen met wtw en Auer Edel Eau, verwarming met Vaillant Arotherm Plus.


  • 123Arjan
  • Registratie: Maart 2022
  • Laatst online: 17-11 22:02
matuncer schreef op zondag 30 oktober 2022 @ 15:00:
Beste Allemaal,
na veel heen en weer getrek is de warmtepomp installateur eindelijk langs geweest. Helaas was de uitvoering een drama en ze zijn nog steeds niet klaar.
8 weken met 3 kleine kids geen warm water/ verwarming gehad.
ze hebben met aantal ontbrekende componenten systeem aangekregen zodat ik warm water heb.
echter verbruikt deze 30 kw per dag en is het bloed heet in de woning.

Ik heb een simple schema gemaakt hoe ze e.e.a. aangelegd hebben.
Kan iemand deze voor mij controleren. Ik heb het idee dat het voor geen meter klopt.

[Afbeelding]

Bij voorbaat bedankt

Gr. Tuncer
Als je het uitbesteedt aan een installateur mag ik hopen voor je dat hij het gratis onder norm leergeld doet
De lg is wat aansluiten 1 van de makkelijkere pompen (instellingen niet echt, helemaal niet als je er niet veel mee werkt)

Installateur een kans geven om hem binnen 2 dagen in bedrijf te hebben, zou toch moeten lukken als leidingwerk is aangesloten(heb het idee dat ze nog nooit eerder een warmtepomp hebben aangesloten)
Ik zou het wel laten in bedrijf stellen door een andere installateur die vaker met lg werkt

  • DutchWing
  • Registratie: April 2019
  • Niet online

DutchWing

WP Installateur

Lekkere beunhazen!

Hoe krijg zij het voor elkaar, volgens mij hebben ze nog nooit een verwarming of indirecte boiler aangesloten. 8)7

Verder helemaal eens met @Proton_
Volgens mij staat je installatie ook op het elektrisch element, of gaat de warmtepomp wel aan?

[ Voor 34% gewijzigd door DutchWing op 30-10-2022 22:53 ]

WP: Mitsubishi Ecodan PUHZ-SW75YAA + EHST20D-VM2D / PV: 2150Wp Z/O 132° en 2580Wp N/W 312° Ik wil een warmtepomp.nu


  • 123Arjan
  • Registratie: Maart 2022
  • Laatst online: 17-11 22:02
Therma v heeft bij de monoblock geen elektrische element standaard erin
Ik vermoed dat hij constant tapwater warm probeert warm te maken maar niks anders doet dan het buffervat opwarmen

  • matuncer
  • Registratie: Oktober 2022
  • Laatst online: 04-07 20:49
Inderdaad geen ervaren installateur. Dus voordat ik betaal, wil ik zeker weten dat alles goed zit.
ivm ontbreken 2 of 3 wegklep hebben ze het tijdelijk aangesloten zodat ik warm water heb in ieder geval om te douchen.

@Proton_ Inderdaad 30KW elektrisch per dag. ik heb een KWH meter geplaatst voor de warmtepomp groep.

Ik kom er net achter dat ze 2 weg klep willen gebruiken.
Maar de positie zoals ze aangeven, vertrouw ik niet. moet deze niet meteen na de warmtepomp?

  • 123Arjan
  • Registratie: Maart 2022
  • Laatst online: 17-11 22:02
matuncer schreef op maandag 31 oktober 2022 @ 14:39:
Inderdaad geen ervaren installateur. Dus voordat ik betaal, wil ik zeker weten dat alles goed zit.
ivm ontbreken 2 of 3 wegklep hebben ze het tijdelijk aangesloten zodat ik warm water heb in ieder geval om te douchen.

@Proton_ Inderdaad 30KW elektrisch per dag. ik heb een KWH meter geplaatst voor de warmtepomp groep.

Ik kom er net achter dat ze 2 weg klep willen gebruiken.
Maar de positie zoals ze aangeven, vertrouw ik niet. moet deze niet meteen na de warmtepomp?
Stuur anders wat foto’s mee, dan valt het beter te beoordelen

  • matuncer
  • Registratie: Oktober 2022
  • Laatst online: 04-07 20:49
Hou je goed vast met de foto's.
de leidingwerk moeten ze nog vast zetten.

@123Arjan Afbeeldingslocatie: https://tweakers.net/i/c_PIuxXHR_FljrCEDNvZUm2wD1s=/x800/filters:strip_icc():strip_exif()/f/image/aajMXYrjoTH4pwJJ8JGmewbZ.jpg?f=fotoalbum_large

Afbeeldingslocatie: https://tweakers.net/i/RW8QR1AbeZ-jAt-4aIOdYAyh-nk=/800x/filters:strip_icc():strip_exif()/f/image/TEr0aWLbRGALeXHZPonMDDH0.jpg?f=fotoalbum_large

Afbeeldingslocatie: https://tweakers.net/i/kj_xY_KaGAno-rDxFkRDMiDGKR8=/x800/filters:strip_icc():strip_exif()/f/image/1upYkaVKHoN2Stv1vLONK61X.jpg?f=fotoalbum_large

Afbeeldingslocatie: https://tweakers.net/i/kRQVhjUUxvioWOQg6x2Jfuk5WIc=/x800/filters:strip_icc():strip_exif()/f/image/GVAppx295HsSM1y9TZHKnMsV.jpg?f=fotoalbum_large

  • DutchWing
  • Registratie: April 2019
  • Niet online

DutchWing

WP Installateur

Hebben ze het nou echt met 20x2 meerlagenbuis aangesloten 8)7

Montage verdient ook geen schoonheidsprijs!

Edit:
Zoals het nu zit kun ze alles eruit slopen en opnieuw beginnen!
Het had sowieso met 28mm cv buis/koper of 32mm meerlagenbuis aangesloten moeten worden.

[ Voor 71% gewijzigd door DutchWing op 31-10-2022 16:32 ]

WP: Mitsubishi Ecodan PUHZ-SW75YAA + EHST20D-VM2D / PV: 2150Wp Z/O 132° en 2580Wp N/W 312° Ik wil een warmtepomp.nu


  • paQ
  • Registratie: Augustus 2001
  • Laatst online: 09:39

paQ

DutchWing schreef op maandag 31 oktober 2022 @ 16:21:
Hebben ze het nou echt met 20x2 meerlagenbuis aangesloten 8)7

Montage verdient ook geen schoonheidsprijs!
en dan 2x iele elleboogjes

Ik doe niet aan bijgeloof. Dat brengt ongeluk.


  • hesselbeertje
  • Registratie: November 2001
  • Laatst online: 08:19
Edit

[ Voor 96% gewijzigd door hesselbeertje op 31-10-2022 16:45 ]

28 x AUO SunBravo + Fronius Symo 10.0 + Mitsubishi Zubadan 8kw om de stroom weer op te maken...


  • hesselbeertje
  • Registratie: November 2001
  • Laatst online: 08:19
Edit

[ Voor 97% gewijzigd door hesselbeertje op 31-10-2022 16:45 ]

28 x AUO SunBravo + Fronius Symo 10.0 + Mitsubishi Zubadan 8kw om de stroom weer op te maken...


  • hesselbeertje
  • Registratie: November 2001
  • Laatst online: 08:19
Alles afknippen en opnieuw proberen. Wel zonde van al die perskoppelingen...

Dan wel met dikkere buis, en direct vastzetten. Dit lijkt helemaal nergens op.

Ik zelfs een vast aangesloten vulpunt??? Met alleen een kogelkraan???

En wat doet die pomp daar in de CV leiding?

28 x AUO SunBravo + Fronius Symo 10.0 + Mitsubishi Zubadan 8kw om de stroom weer op te maken...


  • Proton_
  • Registratie: November 2011
  • Laatst online: 08:45

Proton_

Moderator Wonen & Mobiliteit 

Team Welles

Hoe gaan ze dit netjes vastzetten? Ze kunnen niet meer netjes recht achter de leidingen boren, dus ze moeten de boel verbuigen terwijl het al geperst is. Nouja, dat is niet eens het grootste probleem eigenlijk, maar wel indicatief dat ze zonder plan aan de gang zijn gegaan.
Echte problemen:
* leidingen te dun -> flow probleem of beroerde COP want hoge dT
* tweewegklep moet driewegklep zijn, of als ik heel coulant ben kan het met twee keer een tweewegklep ook
* transportpomp zit aan de verkeerde kant van het buffervat (moet aan afgiftekant zitten, maar met 3 vloerverwarmingsverdelers heb je de buffer en de pomp waarschijnlijk helemaal niet nodig.

Het ik-wil-een-warmtepomp FAQ topic- '23 MG5, douchen met wtw en Auer Edel Eau, verwarming met Vaillant Arotherm Plus.


  • matuncer
  • Registratie: Oktober 2022
  • Laatst online: 04-07 20:49
@hesselbeertje
ik dacht er nog aan om zelf alles los te koppelen en opnieuw te installeren.
maar als elektricien, ken ik de leiding diktes en exacte posities van de componenten niet bepalen.

  • DutchWing
  • Registratie: April 2019
  • Niet online

DutchWing

WP Installateur

matuncer schreef op maandag 31 oktober 2022 @ 16:35:
@hesselbeertje
ik dacht er nog aan om zelf alles los te koppelen en opnieuw te installeren.
maar als elektricien, ken ik de leiding diktes en exacte posities van de componenten niet bepalen.
Op de meerlagenbuis (verwarming en drinkwater) staan de maatvoeringen vermeld.
Even als op de installatiekabel (elektra) staat als het goed iets van YMVK 3G2,5 of YMVK 5G2,5 (2,5mm²) vermeld.
Anders kun je de installatiehandleiding raadplegen.

Maar hun moeten dit gewoon netjes opleveren, wat heb je hiervoor betaald als ik vragen mag?

WP: Mitsubishi Ecodan PUHZ-SW75YAA + EHST20D-VM2D / PV: 2150Wp Z/O 132° en 2580Wp N/W 312° Ik wil een warmtepomp.nu


  • matuncer
  • Registratie: Oktober 2022
  • Laatst online: 04-07 20:49
Afbeeldingslocatie: https://tweakers.net/i/ksdVQZHWZSE4BowD6D_ncBlhwq8=/x800/filters:strip_icc():strip_exif()/f/image/sAzC1BEO9rQtcnmeRSNhyWcZ.jpg?f=fotoalbum_large

dit zijn trouwens de 2 units (buffervaten) alvorens deze aangesloten waren.

  • matuncer
  • Registratie: Oktober 2022
  • Laatst online: 04-07 20:49
Afbeeldingslocatie: https://tweakers.net/i/0ep6nqruvJLZwwTL1NcQDlu70Ic=/800x/filters:strip_icc():strip_exif()/f/image/6DFf7HNcR7ECYceJK52MOOrE.jpg?f=fotoalbum_large

Wellicht dat iemand mij kan helpen met een lege tekening? met componenten en leiding diktes?

  • matuncer
  • Registratie: Oktober 2022
  • Laatst online: 04-07 20:49
@Proton_
welke leiding diktes zou je adviseren?
en waar kunnen we beste pomp plaatsen?
welke positie zou je adviseren voor de 3 weg klep?

  • matuncer
  • Registratie: Oktober 2022
  • Laatst online: 04-07 20:49
Het probleem is ook dat ik nergens een installatie handleiding kan vinden met Warmtepomp en 2 buffervaten

  • matuncer
  • Registratie: Oktober 2022
  • Laatst online: 04-07 20:49
Afbeeldingslocatie: https://tweakers.net/i/oPB_2z1W3h_u5GUj5TU7dqwZ5zs=/800x/filters:strip_icc():strip_exif()/f/image/hx6F6RAPPVurMEKcFLskJGc2.jpg?f=fotoalbum_large

met bestaande maten leidingwerk

  • BjornHero
  • Registratie: April 2012
  • Laatst online: 22:51
matuncer schreef op maandag 31 oktober 2022 @ 16:42:
[Afbeelding]

dit zijn trouwens de 2 units (buffervaten) alvorens deze aangesloten waren.
Zelf ontwerp ik wp installaties en geef normaal geen gratis detailadvies...
Maar trek dit eruit en begin opnieuw.

Werkt je huidige situatie? Wellicht wel, wellicht niet.
Kan dit efficient werken? absoluut niet
Heb je zelf een hydraulisch schema of je installateur? (niet hetgeen je gepost hebt maar een plan, een idee waarnaar ze zich gericht hebben)

Leidingen van wp naar buffer 32*3 meerlagenbuis, bochten BUIGEN!(buigpomp/tang nodig, veer werkt niet echt) En eventueel erna een mof persen.
Ja 32mm werkt trager omdat het veel preciezer/zwaarder werken is en zal daarom ook een stuk duurder zijn...
Een knietje of 2 kan prima, maar dit doet wel pijn aan mijn ogen.

Wellicht her en der een stukje 25/26 meerlagenbuis maar daar stopt het dan ook echt. (Denk aan naar 1 van de x vloerverwarming verdelers)

Heb je ergens een vul-aftappunt of is dat vast ingebouwd? (Dat mag niet met een standaard kogelkraan ivm verontreiniging van je drinkwater!?)
Maar dat kan ik zo niet helemaal herkennen op de foto's.
(Meld dit eens bij je drinkwaterbedrijf... Dat kan je installateur extreem motiveren om het heeeeel snel recht te trekken.)

Zelf zou ik me richten naar een opbouw als onderstaand(foto)

Afbeeldingslocatie: https://tweakers.net/i/Il06IjAi-VM8Hin_W09enWzok6s=/x800/filters:strip_icc():strip_exif()/f/image/dSnjWA64pAAccjdigozDqErj.jpg?f=fotoalbum_large

De foto toont 1 vat met daarin 2 vaten, dat kleine is jouw scheidingsbuffer dat grote vat je sww buffer.

1 opmerking, de aanvoer van de wp en de aanvoer van het systeem zou ik niet "over de buffer trekken" maar een t stuk op 1 ingang bovenin plaatsen en de andere afdoppen.


PS; nu je zonder 3 wegklep 55-60c over je vloer heen gooit kan dit ook gevolgschade hebben... (Kromme vloeren, loskomende tegels etc...)

Mij advies? Snel een kleine elektrische boiler scoren zodat je warm water hebt en dit op het gemak opnieuw doen, eventueel onder begeleiding van een ontwerper/ingenieur en/of een ervaren warmtepomp installateur.

De inbedrijfstelling zou ik sowieso laten uitvoeren door iemand anders... Als ze dat zelf gaan doen (en dit durven in te bouwen) betaal je een inbedrijfsteller 3*per jaar aan extra energie.

PPS: ik googlede net dat tapwatervat (300L) en als het het vat is wat ik vind is dat origineel niet bedoeld voor warmtepomp-gebruik...
De oppervlakte van de spiraal is slechts 0,79m2 !?! Dit betekent dat de warmtepomp zeer heet water moet maken om uberhaupt het tapwatervat op 55C te krijgen met het risico dat hij zijn vermogen niet kwijt kan en in storing springt. En springt hij niet in storing dan verbruik je Veeeeeel meer energie dan noodzakelijk met een goed tapwatervat.
Dit vat zou ik niet accepteren.. mocht 1 van "mijn" installateurs dit plaatsen zou ik sowieso polsen of hij de eindklant van de gevolgen hiervan op de hoogte heeft gebracht en zo niet weigeren in bedrijf te stellen en te ondertekenen...

Ik word er gewoon een beetje boos van als ik dit zo zie...

Trouwens die secundaire pomp, heeft die voldoende debiet/opvoerhoogte en is die goed ingesteld? Is die goed aangesloten?

Nouja, als je installateur hulp accepteert en "normaal" kan samenwerken en met kritiek om kan gaan kan hij me best bellen voor een uurtje advies, stuur me maar een pb als hij/jij dat wilt.

[ Voor 51% gewijzigd door BjornHero op 31-10-2022 22:14 ]

2050vandaag, waarom wachten?


  • DutchWing
  • Registratie: April 2019
  • Niet online

DutchWing

WP Installateur

matuncer schreef op maandag 31 oktober 2022 @ 16:45:
@Proton_
welke leiding diktes zou je adviseren?
en waar kunnen we beste pomp plaatsen?
welke positie zou je adviseren voor de 3 weg klep?
Leidingdiameter 28mm voor CV buis of Koper.
Leidingdiameter 32mm voor Meerlagenbuis.

Als de WP al een eigen circulatiepomp heeft is een extra circulatiepomp overbodig.

[ Voor 23% gewijzigd door DutchWing op 31-10-2022 16:59 ]

WP: Mitsubishi Ecodan PUHZ-SW75YAA + EHST20D-VM2D / PV: 2150Wp Z/O 132° en 2580Wp N/W 312° Ik wil een warmtepomp.nu


  • Kenwood960
  • Registratie: December 2021
  • Laatst online: 12-11 01:41
Afbeeldingslocatie: https://tweakers.net/i/8KS1FFsQVZZ7oynpRSEvzS3ymgg=/800x/filters:strip_icc():strip_exif()/f/image/7dXA6DziM88UK7Ejy2vKBXxx.jpg?f=fotoalbum_large

Afbeeldingslocatie: https://tweakers.net/i/niuSYGTQMx0ArXauG5fjJI9sTh4=/800x/filters:strip_icc():strip_exif()/f/image/GBBSZflwUNBxDv7TVZe737iI.jpg?f=fotoalbum_large

Afbeeldingslocatie: https://tweakers.net/i/bZv8QNyxbOk6rKAIiaeHV5nYVKc=/800x/filters:strip_icc():strip_exif()/f/image/8HEQHm76EArlijyujy85bbqZ.jpg?f=fotoalbum_large


Alles in 28mm galva buis gedaan. En op voorhand muurbevestiging voorzien!

Extra circulatiepomp mag in de aanvoer zitten. Of het nu 35° of 30° is zal niet zo gek veel uitmaken voor de levensduur van de pomp

Vuilafscheider in de retour net voor buffervat of wp zelf.

Laatste halve meter door de muur is in RvS spirobuis gedaan.

  • 123Arjan
  • Registratie: Maart 2022
  • Laatst online: 17-11 22:02
matuncer schreef op maandag 31 oktober 2022 @ 16:13:
Hou je goed vast met de foto's.
de leidingwerk moeten ze nog vast zetten.
WOW...
ik moest eerst ff knipperen, ik heb veel "pruts" installaties gezien, dat die zich nog installateur mag noemen...

komt er inderdaad op neer wat dutchwing zegt, ze moeten alles opnieuw doen.

Allereerst voldoende leidingdiameter pakken(zoals al vermeld is, dunwandig staal 28, koper 28 of kunstof 32)

Hierbij een schema zoals die aangesloten kan worden(er zijn meerdere mogelijkheden, maar dit is het makkelijkste schema)

Uiteraard beginnen met de beugels, daar het leidingwerk naartoe brengen(anders krijg je het achteraf nooit netjes)

Persoonlijk zou ik ze wegsturen, zelf beginnen met aansluiten of een ander zoeken. Materiaal wat je gebruikt mogen ze uiteraard in rekening brengen, wat er uit geknipt moet worden niet(hun fout en niet die van jou als opdrachtgever)
Uren zou ik geen cent voor betalen, maar dit is mijn persoonlijke mening als installateur

Afbeeldingslocatie: https://tweakers.net/i/n_5RXJcOCU7ma7w8BNaCu3zyEPA=/800x/filters:strip_icc():strip_exif()/f/image/nQuio1mPvIrSR1sGRcnfiZRD.jpg?f=fotoalbum_large

Vergeet de automatische ontluchters en filter/vuilafscheiders niet!... dit is tbv je levensduur van de warmtepomp.

  • matuncer
  • Registratie: Oktober 2022
  • Laatst online: 04-07 20:49
Afbeeldingslocatie: https://tweakers.net/i/vR6c4jnxta7m9m-zlb_rJgatqI8=/800x/filters:strip_icc():strip_exif()/f/image/ipRRWJXIDn2g7fZZHnAb2gTs.jpg?f=fotoalbum_large

@Proton_ @BjornHero @Arjan123

ik heb het proberen te vertalen. Wat vinden jullie hiervan.

Nogmaals allemaal vreselijk bedankt voor jullie reacties. Ik zit echt met grote nood met 3 kinderen onder 4 jaar zonder warm water/ verwarming.

  • 123Arjan
  • Registratie: Maart 2022
  • Laatst online: 17-11 22:02
matuncer schreef op dinsdag 1 november 2022 @ 15:03:
[Afbeelding]

@Proton_ @BjornHero @Arjan123

ik heb het proberen te vertalen. Wat vinden jullie hiervan.

Nogmaals allemaal vreselijk bedankt voor jullie reacties. Ik zit echt met grote nood met 3 kinderen onder 4 jaar zonder warm water/ verwarming.
Bijna goed
Op deze manier kan de pomp vervallen

Ik zou de buffer ook in je aanvoer zetten tussen 3 weg klep en pomp
Afgifte met de pomp en de ingaande naar de buffer combineren, zo kan je Wp het zuinigste draaien met buffer (en goed zonder te pendelen)

  • BjornHero
  • Registratie: April 2012
  • Laatst online: 22:51
Afbeeldingslocatie: https://tweakers.net/i/xT1dwXw0E3h8nEdW_crplkJYVZo=/800x/filters:strip_icc():strip_exif()/f/image/3fNq4PFUDMhSPXhb4x3vOFr2.jpg?f=fotoalbum_large

Zoiets, dat zal @123Arjan ook bedoelen.

Wel nog "even" je buizen vervangen door een geschikte diameter (32 meerlagenbuis bijv.)

Ook de oppervlakte van de spiraal van het tapwatervat controleren en kijken of je hiermee je tapwater op de temperaturen krijgt zodat dit aan de eisen voldoet. (Niet je eigen eisen maar de eisen zoals beschreven in de waterwerkbladen), laat je installateur dat schriftelijk bevestigen!

Owja, ook even het debiet en opvoerhoogte van je externe pomp controleren :)

2050vandaag, waarom wachten?


  • matuncer
  • Registratie: Oktober 2022
  • Laatst online: 04-07 20:49
@Proton_
@123Arjan
@BjornHero

vandaag zijn de 'helden' weer langsgeweest. en hebben onderstaand voor elkaar gekregen.
en nu werkt de verwarming niet,
ik kan op de controller ook niet los de gewenst temperatuur en los de water temperatuur instellen, is los, of of.

ik weet niet meer wat te doen...


Afbeeldingslocatie: https://tweakers.net/i/cY73QYIZVaPyCPvIeHUD01p2xHU=/800x/filters:strip_icc():strip_exif()/f/image/GZmQUfP0QXhaRuD6jLoxnJuR.jpg?f=fotoalbum_large

Afbeeldingslocatie: https://tweakers.net/i/6r0LHmIZFR2vuFWZUOuNckzlS5k=/x800/filters:strip_icc():strip_exif()/f/image/Yhbgy9PK0AqXMgrUxm78Mpio.jpg?f=fotoalbum_large

  • BjornHero
  • Registratie: April 2012
  • Laatst online: 22:51
Persoonlijk denk ik dat het laten terugkomen onbegonnen werk is... Als zij zich nog geeneens de tijd nemen om de opties door te nemen maar het zelf "beter" weten en dan dit soort zaken opleveren zou ik ze schriftelijk in gebreke stellen..

Of komen ze morgen/komende week terug en hebben ze dat aangegeven?

Iemand die serieus koudwater op de bovenzijde van de buffer aansluit heeft iemand nodig die hem heel duidelijk uitlegt hoe het wel moet..

Ik blijf erbij, eruit trekken en opnieuw beginnen, dit "lapwerk" betaal je in de komende 5* aan extra energieverbruik.

Ps in je schema zit de secundaire pomp op een heel gekke plek, kan niet goed gaan zo..

2050vandaag, waarom wachten?


  • DutchWing
  • Registratie: April 2019
  • Niet online

DutchWing

WP Installateur

@matuncer Geen idee waarom je mij compleet negeert maar toch wil ik je helpen:

maak eens een foto van de driewegklep van dichtbij, misschien hebben ze deze verkeerd gemonteerd.

De extra pomp hadden ze eruit moeten halen als de warmtepomp zelf een pomp heeft.
Pomp in pomp zorgt ten eerste voor cavitatie + hydraulisch onbalans.

Ook zolang de leidingdiameter niet zijn aangepast blijf je gewoon tegen problemen lopen.
- Onvoldoende capaciteit wat je door je leidingen kwijt kan.
- Te weinig flow.
- Stromingsgeluiden.

Een vaste verbinding tussen je drinkwater en verwarming mag geen eens zonder speciale keerklep!!!

Hebben ze bij het buffervat je leidingen ontlucht?

Begin gewoon alsjeblieft vanaf 0, dit is en blijft dweilen met de kraan open :'(

[ Voor 47% gewijzigd door DutchWing op 03-11-2022 20:52 ]

WP: Mitsubishi Ecodan PUHZ-SW75YAA + EHST20D-VM2D / PV: 2150Wp Z/O 132° en 2580Wp N/W 312° Ik wil een warmtepomp.nu


  • matuncer
  • Registratie: Oktober 2022
  • Laatst online: 04-07 20:49
@BjornHero van mij hoeven ze niet meer te komen.
nu heb ik warm water, maar de vloerverwarming werkt niet.
ik heb de leidingen van de foto gevolgd en getekend. de pomp zit echt tussen retour VV en invoer 120ltr Scheidingsbuffer.

@DutchWing zie onderstaande foto.
Ik heb een 7KW monoblock van LG, ik weet niet of er hier een pomp in zit. betreft type HM071MRu44

Onderkant komt van warmtepomp, links gaat naar 300ltr boiler (verwarming in) bovenkant gaat naar aanvoer VV en onderkant 120 scheidings buffer.
ik merk dat de warm water nu alleen terug gaat naar de warmtepomp en niet naar de vloerverwarmingsverdeler.

Afbeeldingslocatie: https://tweakers.net/i/6eDsIEZ9AoYFjUnkcGSKb6FEKD4=/x800/filters:strip_icc():strip_exif()/f/image/0CwA4uWjQWDGJYlzqkWZkAaz.jpg?f=fotoalbum_large

  • DutchWing
  • Registratie: April 2019
  • Niet online

DutchWing

WP Installateur

Je driewegklep zit verkeerd.
AB is de open zijde, hij schakelt tussen A of B.

Aanvoer vanuit de warmtepomp moet op de AB poort aangesloten worden.
Zie bijvoorbeeld een CV ketel + losse boiler:
Afbeeldingslocatie: https://tweakers.net/i/aILbZE72weEq55kQY66ESOXctd8=/800x/filters:strip_icc():strip_exif()/f/image/s46VnavRTqbo7UXS8QtQiIFt.jpg?f=fotoalbum_large


het buffervat zit ook heel merkwaardig…
Als ik het zo ziet proberen ze een soort open verdeler te maken, vandaag de extra pomp.

Ze weten gewoon echt niet waar ze mee bezig zijn, ik kan er niks anders van maken, sorry ;(

[ Voor 85% gewijzigd door DutchWing op 03-11-2022 21:28 ]

WP: Mitsubishi Ecodan PUHZ-SW75YAA + EHST20D-VM2D / PV: 2150Wp Z/O 132° en 2580Wp N/W 312° Ik wil een warmtepomp.nu


  • BjornHero
  • Registratie: April 2012
  • Laatst online: 22:51
WOW

Echt waar, ik heb nog nooit zo een rotzooi/opeenstapeling van fouten gezien.

Ik wil je niet slecht laten voelen maar soms is het beter duidelijk te zijn..(dit is niet persoonlijk!).

Dan heb ik het niet over een "kleinigheidje" maar echt grove fouten.

Wat ik (tot nu toe) zie:

-Buisdiameter
-Directe verbinding cv en tapwater (drinkwaterveiligheid!)
-Sec. Pomp op verkeerde plek (wellicht overbodig, licht aan de opbouw).
-Scheidingsbuffer bovenin!?! Koud water
-Boilervat 300l niet geschikt voor warmtepomp (zo lijkt het iig...)
-3weg klep verkeerd aangesloten
-Positie expansievat ongewoon/verkeerd..(normaal net voor de pomp om hydraulisch nulpunt te definiëren en cavitatie te voorkomen)

Wellicht ben ik nog iets vergeten...

Ik verwacht niet dat die installateur het ding wel goed in kan/gaat stellen...

2050vandaag, waarom wachten?


  • matuncer
  • Registratie: Oktober 2022
  • Laatst online: 04-07 20:49
@BjornHero @DutchWing
maandag middag komt een ander bedrijf nulmeting doen en inspectie rapport opstellen nav jullie opmerkingen.
waarvoor dank. nu nog overleven t/m maandag hopen op goed weer.

ze hebben ook een staafje (temperatuur opnemer in de 300l buffervat geplaatst) wat dit doet snap ik ook niet helemaal.

  • DutchWing
  • Registratie: April 2019
  • Niet online

DutchWing

WP Installateur

matuncer schreef op donderdag 3 november 2022 @ 21:30:
@BjornHero @DutchWing
maandag middag komt een ander bedrijf nulmeting doen en inspectie rapport opstellen nav jullie opmerkingen.
waarvoor dank. nu nog overleven t/m maandag hopen op goed weer.
Hopelijk gaat deze partij het voor je oplossen, het klinkt in ieder geval positief!
ze hebben ook een staafje (temperatuur opnemer in de 300l buffervat geplaatst) wat dit doet snap ik ook niet helemaal.
Dat zal de boiler sensor zijn.
Zo weet de warmtepomp wanneer de boiler op temperatuur is om te stoppen met verwarmen.

WP: Mitsubishi Ecodan PUHZ-SW75YAA + EHST20D-VM2D / PV: 2150Wp Z/O 132° en 2580Wp N/W 312° Ik wil een warmtepomp.nu


  • BjornHero
  • Registratie: April 2012
  • Laatst online: 22:51
Dat staafje is inderdaad een temperatuursensor. Die meet de temperatuur van het water in het vat.

Dat weekend overleef je wel, in het ergste geval een elektrisch kacheltje aanzetten (jaja, is onzuinig maar ga er vanuit dat dat andere bedrijf ook niet meteen komende week tijd heeft alles op te lossen..)

Ik heb een aantal elektrische kacheltjes die ik aan klanten "uitleen" wanneer er in de winter/koudere tijd wordt gemonteerd om een/enkele dagen te overbruggen, wellicht heeft jouw installateur er ook een paar te leen?

2050vandaag, waarom wachten?


  • matuncer
  • Registratie: Oktober 2022
  • Laatst online: 04-07 20:49
@DutchWing @BjornHero
we hadden al 7 weken geen warm water en verwarming, hebben toen ook met kacheltjes gewerkt thuis, nu dus weer, helaas.

Waarom kan ik op de controller dan niet los de temperatuur van woning (verwarming) en van warm water niet los instellen, terwijl ik lucht en water heb gekozen in de instelling.
het is of/of

laatste vraag, wat als ik nu de stekker van de pomp uitsteek, is dat beter? stroomt er water doorheen als er geen stroom op staat?

Afbeeldingslocatie: https://tweakers.net/i/2upc7Vty6EcmZZuzRb8lLVLpMkE=/x800/filters:strip_icc():strip_exif()/f/image/OhWrmv9vU5YucMoY6eHcPcsA.jpg?f=fotoalbum_large

Afbeeldingslocatie: https://tweakers.net/i/pAoidjkY2OfSzEkfdl7SfaPKjqQ=/x800/filters:strip_icc():strip_exif()/f/image/3XB0xSPM0zTIyqIRNWiA4z8N.jpg?f=fotoalbum_large

  • BjornHero
  • Registratie: April 2012
  • Laatst online: 22:51
Je driewegklep zit verkeerd gemonteerd.

Er kan geen warm water van je warmtepomp naar de verwarmingssysteem gaan... Enkel naar je boilervat (sww).

Zonder dit aan te passen kun je helemaal niets qua verwarming van je huis met de wp.

2050vandaag, waarom wachten?


  • DutchWing
  • Registratie: April 2019
  • Niet online

DutchWing

WP Installateur

Hoe staat het palletje van de driewegklep motor?Afbeeldingslocatie: https://tweakers.net/i/zo6rf6AFSPdq_ReX_8UGtM-5PxY=/800x/filters:strip_icc():strip_exif()/f/image/aWnD5FN2tW8IH9YP236wZda1.jpg?f=fotoalbum_large

Als ik op internet even vergelijk. (Honeywell heeft meerdere versies van hun driewegklep)

Dan moet het palletje naar beneden drukken.
Dan staat Poort A open, dan stroomt er tenminste warmte richting de boiler.
Je kan dit palletje ook handmatig duwen en dan vergrendelen.

Betekent dit SWW uit misschien?
Afbeeldingslocatie: https://tweakers.net/i/p-DB5t4a1OjyserBh8rceT0anKs=/x800/filters:strip_icc():strip_exif()/f/image/VQycOwOGoJua7mmOY03MZrbv.jpg?f=fotoalbum_large

[ Voor 22% gewijzigd door DutchWing op 03-11-2022 22:10 ]

WP: Mitsubishi Ecodan PUHZ-SW75YAA + EHST20D-VM2D / PV: 2150Wp Z/O 132° en 2580Wp N/W 312° Ik wil een warmtepomp.nu


  • matuncer
  • Registratie: Oktober 2022
  • Laatst online: 04-07 20:49
@DutchWing
de palletje is al omlaag, als ik deze weer omhoog haal, dan stroom er helemaal niets meer omdat de wegklep verkeerd om zit.

Dat symbooltje is voor low noise, stille uitvoering.

  • DutchWing
  • Registratie: April 2019
  • Niet online

DutchWing

WP Installateur

matuncer schreef op donderdag 3 november 2022 @ 22:23:
@DutchWing
de palletje is al omlaag, als ik deze weer omhoog haal, dan stroom er helemaal niets meer omdat de wegklep verkeerd om zit.

Dat symbooltje is voor low noise, stille uitvoering.
Ik had het verkeerd gelezen, je SWW werkt gewoon natuurlijk.

Ja klopt, dan gaat poort B open en gaat poort A dicht.

Je kan trouwens de DAB pomp gewoon uitzetten, deze verbruikt nu alleen onnodig stroom.

WP: Mitsubishi Ecodan PUHZ-SW75YAA + EHST20D-VM2D / PV: 2150Wp Z/O 132° en 2580Wp N/W 312° Ik wil een warmtepomp.nu


  • matuncer
  • Registratie: Oktober 2022
  • Laatst online: 04-07 20:49
@DutchWing
Bedankt, ik zal deze uitzetten.
ze hebben pompje ook op continu stroom aangesloten en niet op de printplaat, omdat er op de printplaat pomp
klem geen stroom stond. vond ik ook al vreemd.
WP zou deze toch moeten kunnen aansturen wanneer nodig.

Trouwens ik heb op 3 verdiepingen vloerverwarming aan laten leggen, alle 3 verdelers hebben geen pomp, maar iedereen zegt dat pomp niet hoeft. ik weet het ook niet meer. iets moet toch de warme water door de 3 verdelers moeten sturen?

  • DutchWing
  • Registratie: April 2019
  • Niet online

DutchWing

WP Installateur

matuncer schreef op donderdag 3 november 2022 @ 22:34:
@DutchWing
Bedankt, ik zal deze uitzetten.
ze hebben pompje ook op continu stroom aangesloten en niet op de printplaat, omdat er op de printplaat pomp
klem geen stroom stond. vond ik ook al vreemd.
WP zou deze toch moeten kunnen aansturen wanneer nodig.
Ik ben niet bekend met het aansluit schema van LG, dan zou ik mij daar echt in moeten verdiepen.
Normaal als je een secundaire pomp via de warmtepomp aansluit, dan schakelt de warmtepomp deze zelf in wanneer nodig, dus het zou kunnen dat er op dat moment geen spanning op de secundaire pomp klemmen stond.
@Devil heeft al aangegeven hoe dit bij LG wel zit.
Trouwens ik heb op 3 verdiepingen vloerverwarming aan laten leggen, alle 3 verdelers hebben geen pomp, maar iedereen zegt dat pomp niet hoeft. ik weet het ook niet meer. iets moet toch de warme water door de 3 verdelers moeten sturen?
Als de warmtepomp een eigen transportpomp heeft ingebouwd, dan duwt deze pomp normaal via de driewegklep AB de flow over A - vloerverwarming of B - boiler.
De retour vloerverwarming gaat over het buffervat en de retour boiler kan na de retour buffervat aangesloten worden, of ook over het buffervat indien de boiler ongelukkig is gekozen.
Sommige boilers zijn minder geschikt voor warmtepompen omdat deze geen zogenaamde HR (verlengde) spiraal hebben.

Echter met zoveel vloerverwarming was een buffervat sowieso niet nodig geweest.

Zo’n complex is de situatie niet, je bent alleen 1 volle dag bezig om alles eruit te slopen en opnieuw op te bouwen.
Ik zou trouwens je elektra ook laten controleren, dat vind ik met zo’n partij sowieso geen overbodige luxe!

[ Voor 10% gewijzigd door DutchWing op 03-11-2022 23:19 ]

WP: Mitsubishi Ecodan PUHZ-SW75YAA + EHST20D-VM2D / PV: 2150Wp Z/O 132° en 2580Wp N/W 312° Ik wil een warmtepomp.nu


  • Devil
  • Registratie: Oktober 2001
  • Niet online

Devil

King of morons

LG heeft twee potentiaalvrije contacten voor de externe pomp. Staat dus inderdaad geen spanning op. Dat hadden ze geweten als ze in de handleiding hadden gekeken.

After all, we are nothing more or less than what we choose to reveal.


  • paQ
  • Registratie: Augustus 2001
  • Laatst online: 09:39

paQ

@matuncer Staat DHW wel aan(gesloten) in je wp?

Ik doe niet aan bijgeloof. Dat brengt ongeluk.


  • matuncer
  • Registratie: Oktober 2022
  • Laatst online: 04-07 20:49
@paQ
Wat bedoel je hiermee?
DHW is toch bovenkant van je buffer nar warm water toe? moet hier ook wat op aangesloten worden?
of is dit de sensor wat in die tank zit?
De sensor hebben we op E/Out Heatsensor aangesloten op de monobloc.

  • paQ
  • Registratie: Augustus 2001
  • Laatst online: 09:39

paQ

Naja dat. Dat je controller überhaupt weet heeft van je vat.

Ik doe niet aan bijgeloof. Dat brengt ongeluk.


  • 123Arjan
  • Registratie: Maart 2022
  • Laatst online: 17-11 22:02
matuncer schreef op vrijdag 4 november 2022 @ 12:26:
@paQ
Wat bedoel je hiermee?
DHW is toch bovenkant van je buffer nar warm water toe? moet hier ook wat op aangesloten worden?
of is dit de sensor wat in die tank zit?
De sensor hebben we op E/Out Heatsensor aangesloten op de monobloc.
Sensor zit dan verkeerd
Die moet met een stekker op cn4(uit mijn hoofd)
Heb je ook wel de juiste sensor?(5k ohm)

  • paQ
  • Registratie: Augustus 2001
  • Laatst online: 09:39

paQ

ik kijk nergens meer van op bij deze installatie :+

Hoe gaat hij alles overigens met je oplossen @matuncer ?
Daar al wat over bekend?

Ik doe niet aan bijgeloof. Dat brengt ongeluk.


  • matuncer
  • Registratie: Oktober 2022
  • Laatst online: 04-07 20:49
@paQ
de sensor hebben we in ze in de buffer vat gestoken en aangesloten in de warmtepomp op een losse blauwe kabel E/Heater OUT, er was verder hiervoor geen aansluitklem.
maar nu je erover begint, dat symbooltje met DWH zie ik niet terugkomen op de controller.
zal ik de aansluitdraden omdraaien, de las zit binnen met de verlengkabel

  • 123Arjan
  • Registratie: Maart 2022
  • Laatst online: 17-11 22:02
matuncer schreef op vrijdag 4 november 2022 @ 19:04:
@paQ
de sensor hebben we in ze in de buffer vat gestoken en aangesloten in de warmtepomp op een losse blauwe kabel E/Heater OUT, er was verder hiervoor geen aansluitklem.
maar nu je erover begint, dat symbooltje met DWH zie ik niet terugkomen op de controller.
zal ik de aansluitdraden omdraaien, de las zit binnen met de verlengkabel
Omdraaien heeft geen nut
Hij zit verkeerd op de buitenunit aangesloten (verkeerde aansluiting)
Verkeerde sensor geeft enkel foute waarde weer(sensor maakt manier van aansluiten niet uit)

  • paQ
  • Registratie: Augustus 2001
  • Laatst online: 09:39

paQ

E heater zal staan voor external heater. En daar de regeling voor.
wat @123Arjan zegt

Maar uh... niet om het een of ander. Maar moet je niet gewoon stoppen met deze partij?
Een warmtepomp vind ik best zware kost zo als nieuweling. Een installateur met 0 ervaring moet toch wel kunnen snappen dat je daar geen sensor op aansluit, of een 3-weg klep verkeerd om, of een afsluiter zo monteert dat ie niet kan bewegen, of leidingen niet vast..... noem maar op. Ongeschikt.

Ik doe niet aan bijgeloof. Dat brengt ongeluk.


  • matuncer
  • Registratie: Oktober 2022
  • Laatst online: 04-07 20:49
@paQ
hij is net weer geweest. (wat ben ik blij dat ik telkens meekijk)
wifi router ingesteld (dit moet ik nog zelf instellen via de app)en de sensor staaf goed aangesloten.
ik zie nog steeds geen DHW sensor in de controller

hij zegt dat de driewegcontroller automatisch werkt en maar 35 graden naar de vloerverwarmingsverdeler stuurt. dit kan een dag duren volgens hem.

maar de WP doet tot 55 de sww verwarmen en schakelt daarna uit. ik zie de knopje van de driewegklep niet omhoog komen, wat volgens mij automatisch moet gebeuren.

ik zie nog steeds geen DHW sensor in de controller

Afbeeldingslocatie: https://tweakers.net/i/8ogpqgjgtRaYK-r0-NB5-Vxzrg4=/x800/filters:strip_icc():strip_exif()/f/image/WfKdyRALrchQbL0R1nJYuLB6.jpg?f=fotoalbum_large

@paQ
maandag komt een andere partij nulmeting doen (ik heb bij hun een onderhouscontract aangevraagd)
ik moet wettelijk de installateur ook tijd en ruimte geven.

  • 123Arjan
  • Registratie: Maart 2022
  • Laatst online: 17-11 22:02
Gezien jouw beeld op de controller is sww niet ingesteld bij de dipswitch
Daarnaast als ze de sensor niet goed hebben aangesloten werkt hij sowieso niet

  • BjornHero
  • Registratie: April 2012
  • Laatst online: 22:51
Daarbij verwacht ik ook niet dat het schone tapwater in het vat ECHT 55C is op de positie van de sensor is...(gezien het formaat van de spiraal en de eigenschappen van de LG).

Het verhaal met "de driewegcontroller stuurt automagisch water naar de VV met maximaal 35C, kan een dag duren" is een leugen....
Zeker wanneer de driewegklep is gemonteerd zoals die gemonteerd is...

2050vandaag, waarom wachten?


  • matuncer
  • Registratie: Oktober 2022
  • Laatst online: 04-07 20:49
@123Arjan
ik ga maar morgen zelf de de dipswitch zoeken.
de driewegklep heeft hij ook goed gezet naar aanleiding van jullie hulp heb ik hem gebeld hierover

even zoeken naar een installatie handleiding.

  • 123Arjan
  • Registratie: Maart 2022
  • Laatst online: 17-11 22:02
matuncer schreef op vrijdag 4 november 2022 @ 21:20:
@123Arjan
ik ga maar morgen zelf de de dipswitch zoeken.
de driewegklep heeft hij ook goed gezet naar aanleiding van jullie hulp heb ik hem gebeld hierover

even zoeken naar een installatie handleiding.
Stuur anders een foto van de elektra aansluiting in de buitenunit (alle aansluitingen)
Ik denk dat er een boel verkeerd zit

  • paQ
  • Registratie: Augustus 2001
  • Laatst online: 09:39

paQ

heb je wel verwarming nu dan?

Ik doe niet aan bijgeloof. Dat brengt ongeluk.


  • matuncer
  • Registratie: Oktober 2022
  • Laatst online: 04-07 20:49
@123Arjan
Ik ben net dak opgegegaan en de wp opengehaald

pomp is op continu stroom aangesloten, niet op printplaat.
driewegklep op type B (volgens mij moet dat kloppen volgens handleiding)

Afbeeldingslocatie: https://tweakers.net/i/_9ImeOH9D-55b2zOQy2h7tbaGAo=/x800/filters:strip_icc():strip_exif()/f/image/1C8WYRSldY43PH328pvX88xm.jpg?f=fotoalbum_large

Afbeeldingslocatie: https://tweakers.net/i/FXIhD6TCQimpsHMKQ4aGN7N49rs=/x800/filters:strip_icc():strip_exif()/f/image/5JiEvWSRX61x9hIfygvKoPUT.jpg?f=fotoalbum_large

Afbeeldingslocatie: https://tweakers.net/i/A7CCXLflFaSkbUUhHKovu7Ke9YE=/x800/filters:strip_icc():strip_exif()/f/image/4FWaQxQ7vMOzxwtmxA4U1INc.jpg?f=fotoalbum_large

Afbeeldingslocatie: https://tweakers.net/i/T2b3Eie2QF2QpVdK1bGdmMAyzsM=/x800/filters:strip_icc():strip_exif()/f/image/tDUVAM8J2sQBWhhvlzwtYzxN.jpg?f=fotoalbum_large

Afbeeldingslocatie: https://tweakers.net/i/6ghgi-1hhpVIZODDaBxPVLVXWO4=/x800/filters:strip_icc():strip_exif()/f/image/Egpiuza1plADWDe96styZONc.jpg?f=fotoalbum_large

Afbeeldingslocatie: https://tweakers.net/i/HArS7oLc750DS_qHytUHcAqpYAg=/x800/filters:strip_icc():strip_exif()/f/image/pWPRufzRFwu6uHqQru6B0FXX.jpg?f=fotoalbum_large

Afbeeldingslocatie: https://tweakers.net/i/HZ1EjzknsGBeW41IrXSVHOjSpVE=/x800/filters:strip_icc():strip_exif()/f/image/WmeC0aliWPy73zGbdZDHjH9x.jpg?f=fotoalbum_large

Afbeeldingslocatie: https://tweakers.net/i/RSidPybfEIoA8yfm3iWfM7aWXlc=/x800/filters:strip_icc():strip_exif()/f/image/X4UPAm5Z5b58RptqpcfLnX1t.jpg?f=fotoalbum_large

Afbeeldingslocatie: https://tweakers.net/i/Ki7vYoJ-m88CBEYxGYMY7oS6e6Y=/x800/filters:strip_icc():strip_exif()/f/image/Foad4Ru9ZGzMyZQaO95x41Ov.jpg?f=fotoalbum_large

@paQ
Nee, de driewegklem schakelt niet om, kan systeem ook verwarmen zonder omschakelen?

  • matuncer
  • Registratie: Oktober 2022
  • Laatst online: 04-07 20:49
Afbeeldingslocatie: https://tweakers.net/i/GB3CD3Jg-kZeqk_Jms9Rct0WjUk=/x800/filters:strip_icc():strip_exif()/f/image/gfbHWeYJvNnsZOlOxV6uJbSd.jpg?f=fotoalbum_large

@123Arjan @paQ enkel rood aangegeven traject wordt warm

  • BjornHero
  • Registratie: April 2012
  • Laatst online: 22:51
Nee, zolang de driewegklep niet omschakelt kan het water ook enkel de door jouw gemarkeerde "warme weg" vinden.

De verwarming (vloerverwarming) kan zo niet warm worden.

Trouwens, wat heb je aangesloten op 26 en 27? Modbus?

2050vandaag, waarom wachten?


  • paQ
  • Registratie: Augustus 2001
  • Laatst online: 09:39

paQ

BjornHero schreef op vrijdag 4 november 2022 @ 22:06:
Nee, zolang de driewegklep niet omschakelt kan het water ook enkel de door jouw gemarkeerde "warme weg" vinden.

De verwarming (vloerverwarming) kan zo niet warm worden.

Trouwens, wat heb je aangesloten op 26 en 27? Modbus?
daar zal die sensor nu aan zitten lijkt me
dipswitches staan allemaal uit

Ik doe niet aan bijgeloof. Dat brengt ongeluk.


  • BjornHero
  • Registratie: April 2012
  • Laatst online: 22:51
Is de driewegklep van het type 230VAC? (maak eens een foto van het typeplaatje)

2050vandaag, waarom wachten?


  • matuncer
  • Registratie: Oktober 2022
  • Laatst online: 04-07 20:49
BjornHero schreef op vrijdag 4 november 2022 @ 22:07:
Is de driewegklep van het type 230VAC? (maak eens een foto van het typeplaatje)
Afbeeldingslocatie: https://tweakers.net/i/dS718Jxj8oQi3STPeXN2D9rXDM0=/x800/filters:strip_icc():strip_exif()/f/image/S3pzhb7g1rNDT4vKLuENFqnG.jpg?f=fotoalbum_large

Zo te zien 230v

  • matuncer
  • Registratie: Oktober 2022
  • Laatst online: 04-07 20:49
oei ik heb net zelf ook iets ontdekt, de driewegklep is aangesloten op poort B, ditis met een zonneboiler. deze zou op A aangesloten moeten worden, denk ik.
volgens handleiding zou dipswitch 3 ook omhoog moeten?

  • tolunaygul12
  • Registratie: Mei 2006
  • Laatst online: 17-11 22:40
matuncer schreef op zaterdag 5 november 2022 @ 02:27:
oei ik heb net zelf ook iets ontdekt, de driewegklep is aangesloten op poort B, ditis met een zonneboiler. deze zou op A aangesloten moeten worden, denk ik.
volgens handleiding zou dipswitch 3 ook omhoog moeten?
Uit welke regio kom je ?
Ben wel bereid om de Wp elektrisch goed aan te sluiten en configureren zoals het moet.
Voor het CV gebeuren kan ik je helaas niet helpen omdat ik niet de juiste persgereedschap heb voor meerlagenbuis :)

Stuur maar Pb als je mijn hulp wilt.

  • matuncer
  • Registratie: Oktober 2022
  • Laatst online: 04-07 20:49
tolunaygul12 schreef op zaterdag 5 november 2022 @ 03:55:
[...]


Uit welke regio kom je ?
Ben wel bereid om de Wp elektrisch goed aan te sluiten en configureren zoals het moet.
Voor het CV gebeuren kan ik je helaas niet helpen omdat ik niet de juiste persgereedschap heb voor meerlagenbuis :)

Stuur maar Pb als je mijn hulp wilt.
@tolunaygul12
Ik weet niet hoe ik een PB moet sturen, maar ik kom uit schiedam. Ik zou het erg waarderen mocht je in de buurt zitten.

  • 123Arjan
  • Registratie: Maart 2022
  • Laatst online: 17-11 22:02
matuncer schreef op zaterdag 5 november 2022 @ 02:27:
oei ik heb net zelf ook iets ontdekt, de driewegklep is aangesloten op poort B, ditis met een zonneboiler. deze zou op A aangesloten moeten worden, denk ik.
volgens handleiding zou dipswitch 3 ook omhoog moeten?
3 wegklep moet op ‘A’ aangesloten zijn
Dipswitch 3 (sw2) moet op aan staan
Daarnaast moet je sensor nog op de juiste plek op de buitenunit, hier ben je echter een stekker nodig(moet rechtstreeks op de printplaat)
Je 3 wegklep zit ook verkeerd om aangesloten (enkel draden verwisselen is genoeg) hij staat volgens thermostaat op cv, maar verwarmd je boiler

  • matuncer
  • Registratie: Oktober 2022
  • Laatst online: 04-07 20:49
123Arjan schreef op zaterdag 5 november 2022 @ 10:01:
[...]

3 wegklep moet op ‘A’ aangesloten zijn
Dipswitch 3 (sw2) moet op aan staan
Daarnaast moet je sensor nog op de juiste plek op de buitenunit, hier ben je echter een stekker nodig(moet rechtstreeks op de printplaat)
Je 3 wegklep zit ook verkeerd om aangesloten (enkel draden verwisselen is genoeg) hij staat volgens thermostaat op cv, maar verwarmd je boiler
@123Arjan
Thanx Arjan. ik ga het gelijk proberen, moet ik voor de sensor in de SWW ook nog een dipswitch aan zetten?

  • matuncer
  • Registratie: Oktober 2022
  • Laatst online: 04-07 20:49
123Arjan schreef op zaterdag 5 november 2022 @ 10:01:
[...]

3 wegklep moet op ‘A’ aangesloten zijn
Dipswitch 3 (sw2) moet op aan staan
Daarnaast moet je sensor nog op de juiste plek op de buitenunit, hier ben je echter een stekker nodig(moet rechtstreeks op de printplaat)
Je 3 wegklep zit ook verkeerd om aangesloten (enkel draden verwisselen is genoeg) hij staat volgens thermostaat op cv, maar verwarmd je boiler
Wow de 3 weg klep werkt, en er stat nu DHW in de controller. De controller herkent ook de boiler nu op het plaatje.

Geeft alleen fout CH08 en CH14, even de draden van de Driewegklep omdraainen.

CH08 blijkt sensor fout te zijn, zou de senosr stuk zijn?

  • matuncer
  • Registratie: Oktober 2022
  • Laatst online: 04-07 20:49
Afbeeldingslocatie: https://tweakers.net/i/NvT6TByXMlwZiHVCcOsNcJb9YpQ=/x800/filters:strip_icc():strip_exif()/f/image/24SLa0wQ5HeJKDUjTFMXnZQS.jpg?f=fotoalbum_large

Dit is de sensor in de boiler er staat ntck.2k. zou dit goed zijn? ik heb vermoeden dat ik hiervoor een switch moet omzetten.

@123Arjan @tolunaygul12 @paQ @BjornHero

  • tolunaygul12
  • Registratie: Mei 2006
  • Laatst online: 17-11 22:40
matuncer schreef op zaterdag 5 november 2022 @ 10:46:
[Afbeelding]

Dit is de sensor in de boiler er staat ntck.2k. zou dit goed zijn? ik heb vermoeden dat ik hiervoor een switch moet omzetten.

@123Arjan @tolunaygul12 @paQ @BjornHero
Ik ben toevallig vandaag in rotterdam. Ik stuur je een berichtje met contact gegevens.
Kan tussendoor wel even langskomen als dat nodig is ?

  • BjornHero
  • Registratie: April 2012
  • Laatst online: 22:51
Bij mijn weten moet dat een 5k sensor zijn.

Daarnaast moet ie met een klein stekkertje direct op de printplaat worden aangesloten

2050vandaag, waarom wachten?


  • BjornHero
  • Registratie: April 2012
  • Laatst online: 22:51
Tweakers inbedrijfnameservice, triest dat het nodig is bij een systeem door een monteur geplaatst maar mooi dat het gebeurt :)

2050vandaag, waarom wachten?


  • tolunaygul12
  • Registratie: Mei 2006
  • Laatst online: 17-11 22:40
BjornHero schreef op zaterdag 5 november 2022 @ 10:48:
Bij mijn weten moet dat een 5k sensor zijn.

Daarnaast moet ie met een klein stekkertje direct op de printplaat worden aangesloten
Sensor moet 5K zijn inderdaad. Zal ook even een multimeter meenemen en nameten voor de zekerheid.

  • 123Arjan
  • Registratie: Maart 2022
  • Laatst online: 17-11 22:02
Sensor moet 5k zijn maar je hebt hem niet op de juiste aansluiting
Daar ben je wel zo’n mini stekkertje voor nodig, ik geloof niet dat die standaard meegeleverd wordt

  • matuncer
  • Registratie: Oktober 2022
  • Laatst online: 04-07 20:49
BjornHero schreef op zaterdag 5 november 2022 @ 10:49:
Tweakers inbedrijfnameservice, triest dat het nodig is bij een systeem door een monteur geplaatst maar mooi dat het gebeurt :)
je wil niet weten hoe blij ik met jullie ben.
installateur moet nog factureren, dat wordt nog wat, maar met 3 kids moet ik wwat.

  • matuncer
  • Registratie: Oktober 2022
  • Laatst online: 04-07 20:49
Afbeeldingslocatie: https://tweakers.net/i/_uNB7bVGpNmwBFKFb0Z9X8tyBtg=/x800/filters:strip_icc():strip_exif()/f/image/VhobaDENdJfAfz2GP2yzus7R.jpg?f=fotoalbum_large

Waar moet ik dan sensor aansluiten van sww tank?

@123Arjan

  • tolunaygul12
  • Registratie: Mei 2006
  • Laatst online: 17-11 22:40
matuncer schreef op zaterdag 5 november 2022 @ 11:10:
[Afbeelding]

Waar moet ik dan sensor aansluiten van sww tank?

@123Arjan
Volgens mij hoort die op CN_TH4 DHW tank temperature.

  • matuncer
  • Registratie: Oktober 2022
  • Laatst online: 04-07 20:49
matuncer schreef op zaterdag 5 november 2022 @ 11:10:
[Afbeelding]

Waar moet ik dan sensor aansluiten van sww tank?

@123Arjan
cN-14 ik heb m, rode kabel, denk ik

  • DutchWing
  • Registratie: April 2019
  • Niet online

DutchWing

WP Installateur

matuncer schreef op zaterdag 5 november 2022 @ 11:00:
[...]


je wil niet weten hoe blij ik met jullie ben.
installateur moet nog factureren, dat wordt nog wat, maar met 3 kids moet ik wwat.
Maar hebben ze nooit warmtepompen aangesloten? Want zoveel als hier misgaat is echt niet normaal!

Aan de andere kant probeert hij het wel op te lossen, of dit vanuit geweten is of puur omdat hij nog zijn geld moet krijgen is natuurlijk niet te zeggen… Dat kan jij beter inschatten…

Ik mag hopen dat de offerte een beetje schappelijk was! Sowieso een discount voor de ellende en 7 weken geen cv en ww + de eventueel gemaakte kosten door een andere partij voor rekening van hun, zoals leidingwerk en montage.

WP: Mitsubishi Ecodan PUHZ-SW75YAA + EHST20D-VM2D / PV: 2150Wp Z/O 132° en 2580Wp N/W 312° Ik wil een warmtepomp.nu


  • DutchWing
  • Registratie: April 2019
  • Niet online

DutchWing

WP Installateur

@tolunaygul12 Credits voor jou! <3

WP: Mitsubishi Ecodan PUHZ-SW75YAA + EHST20D-VM2D / PV: 2150Wp Z/O 132° en 2580Wp N/W 312° Ik wil een warmtepomp.nu


  • matuncer
  • Registratie: Oktober 2022
  • Laatst online: 04-07 20:49
Weet iemand waar ik zon rode stekker voor de prinplaat kan bestellen/ophalen toevallig?

  • DutchWing
  • Registratie: April 2019
  • Niet online

DutchWing

WP Installateur

matuncer schreef op zaterdag 5 november 2022 @ 12:34:
Weet iemand waar ik zon rode stekker voor de prinplaat kan bestellen/ophalen toevallig?
De sensor welke je nodig hebt is: PHRSTA0

Maar sommige doen het ook zelf fabriceren wat goedkoper is:
Rubie-The-Sysop in "LG Therma (Monoblock) warmtepompen topic - Deel 1"

Ik zou voor de zekerheid je vraag stellen in het LG topic:
LG Therma (Monoblock) warmtepompen topic - Deel 1
Waarschijnlijk krijg je hier sneller een reactie…

WP: Mitsubishi Ecodan PUHZ-SW75YAA + EHST20D-VM2D / PV: 2150Wp Z/O 132° en 2580Wp N/W 312° Ik wil een warmtepomp.nu


  • BjornHero
  • Registratie: April 2012
  • Laatst online: 22:51
Gisteren heb ik mn laatste sensor die ik had liggen gebruikt, wellicht heb ik wel nog een (paar) stekkers maar dat moet ik vanavond even kijken.

2050vandaag, waarom wachten?


  • matuncer
  • Registratie: Oktober 2022
  • Laatst online: 04-07 20:49
BjornHero schreef op zaterdag 5 november 2022 @ 13:04:
Gisteren heb ik mn laatste sensor die ik had liggen gebruikt, wellicht heb ik wel nog een (paar) stekkers maar dat moet ik vanavond even kijken.
Ik ben bereid om overal in nederland te komen ophalen 😅 als je zou willen kijken heel graag.

  • paQ
  • Registratie: Augustus 2001
  • Laatst online: 09:39

paQ

matuncer schreef op zaterdag 5 november 2022 @ 13:08:
[...]


Ik ben bereid om overal in nederland te komen ophalen 😅 als je zou willen kijken heel graag.
Dan moet je in het geval van @BjornHero er wel een dagje van maken :D

Ik doe niet aan bijgeloof. Dat brengt ongeluk.


  • 123Arjan
  • Registratie: Maart 2022
  • Laatst online: 17-11 22:02
matuncer schreef op zaterdag 5 november 2022 @ 13:08:
[...]


Ik ben bereid om overal in nederland te komen ophalen 😅 als je zou willen kijken heel graag.
Ik heb de stekkers en sensoren wel liggen, maar dat kost je ook een halve dag…

  • matuncer
  • Registratie: Oktober 2022
  • Laatst online: 04-07 20:49
Afbeeldingslocatie: https://tweakers.net/i/6UZ09fwcxIFgPAqqdJU1K-RWhUk=/800x/filters:strip_icc():strip_exif()/f/image/Y1XkbaF6rP6uvNQtkKWkHsvY.jpg?f=fotoalbum_large

Ik heb wat nieuws bedacht, zie ik iets over het hoofd?
@DutchWing @123Arjan @BjornHero

  • 123Arjan
  • Registratie: Maart 2022
  • Laatst online: 17-11 22:02
matuncer schreef op zaterdag 5 november 2022 @ 10:39:
[...]


Wow de 3 weg klep werkt, en er stat nu DHW in de controller. De controller herkent ook de boiler nu op het plaatje.

Geeft alleen fout CH08 en CH14, even de draden van de Driewegklep omdraainen.

CH08 blijkt sensor fout te zijn, zou de senosr stuk zijn?
Die ch14 ga je nog wel vaker zien als de installateur het leidingwerk niet vergroot
Ch14 is namelijk flow probleem

  • 123Arjan
  • Registratie: Maart 2022
  • Laatst online: 17-11 22:02
matuncer schreef op zaterdag 5 november 2022 @ 14:17:
[Afbeelding]

Ik heb wat nieuws bedacht, zie ik iets over het hoofd?
@DutchWing @123Arjan @BjornHero
Je externe cv pomp en een drukmeter in het cv gedeelte mis ik(vul aftapkraan is ook altijd wel handig)

  • DutchWing
  • Registratie: April 2019
  • Niet online

DutchWing

WP Installateur

matuncer schreef op zaterdag 5 november 2022 @ 14:17:
[Afbeelding]

Ik heb wat nieuws bedacht, zie ik iets over het hoofd?
@DutchWing @123Arjan @BjornHero
Als je een scheidingsbuffervat ga toepassen heb je inderdaad zoals @123Arjan aangeeft een extra (secundaire) pomp nodig.
Echter met vloerverwarming, zonder naregeling heb je in 99% van de gevallen geen scheidingsbuffervat nodig. Wil je hem toch gebruiken, dan zou ik deze gewoon in serie zetten met de retour, dat schilt weer een extra pomp. Ik ben zelf ook niet zo’n fan van DAB.

De leidingdiameters zijn alleen niet toereikend genoeg voor laagtemperatuur verwarming.
Je hebt bij 7kW en een delta T van 5K een flow nodig van ~20 liter/minuut.
De CH14 storing zal dus altijd een terugkomend probleem zijn zoals @123Arjan al aangegeven heeft.

De sensor van de boiler zou ik op 1/3 vanaf de bovenzijde plaatsen indien mogelijk.

Ook is het advies is om de boiler aanvoer retour vanaf de warmtepomp eerst een stukje na beneden te laten lopen, zo voorkom je eenpijpsrecirculatie, zie ook:
Andrehj in "Lucht/Water warmtepomp om mee te verwarmen en koelen #6"

[ Voor 4% gewijzigd door DutchWing op 05-11-2022 14:48 ]

WP: Mitsubishi Ecodan PUHZ-SW75YAA + EHST20D-VM2D / PV: 2150Wp Z/O 132° en 2580Wp N/W 312° Ik wil een warmtepomp.nu


  • BjornHero
  • Registratie: April 2012
  • Laatst online: 22:51
Net gekeken stekkers en sensors heb ik niet meer op voorraad/niet ingepland komende weken, zijn wel onderweg maar kan zo nog een week of 2 duren.

Centercon zit toch in Rotterdam?

Die verkopen lg wp's EN leveren onderdelen etc.
(Ook schemas en ondersteuning voor de installateur etc...)

2050vandaag, waarom wachten?


  • matuncer
  • Registratie: Oktober 2022
  • Laatst online: 04-07 20:49
Beste Allemaal,

Gisteren de sensor opgehaald bij @123Arjan . Waarvoor nogmaals dank!!
Na het aansluiten ervan werkte het. de driewegklep stuurt nu de verwarming aan via de scheidingsbuffer
eerst een aantal CH14 storingen, toen systeem goed ontlucht, is de storing eruit gegaan. Ik verwacht de storing nog wel terugkomen met de huidige leidingloop. Maar daar gaat morgen naar gekeken worden.
Het lijkt erop dat de vloerverarmingAfbeeldingslocatie: https://tweakers.net/i/YiCnAgzn717to1GEiLuW9373rFU=/x800/filters:strip_icc():strip_exif()/f/image/znqBPB8xzmRWc0Td8lkN2ZUO.jpg?f=fotoalbum_large

Afbeeldingslocatie: https://tweakers.net/i/WLTFSOfYd-I6K8cqdOK6lzQCmTM=/x800/filters:strip_icc():strip_exif()/f/image/FnJF2XQaFfAnKVOb6TipbEut.jpg?f=fotoalbum_large

Afbeeldingslocatie: https://tweakers.net/i/XbJyqE-qstFWBPXbas7yprqBqKg=/x800/filters:strip_icc():strip_exif()/f/image/t4rQYTJIvlPBweT1EQ1Fg2pw.jpg?f=fotoalbum_large het doet, de leidingen zijn niet echt warmte te voelen, maar de vloeren lijken wel warmer te worden.

De DHW symbool laat ook nog 'grijs' zien


@BjornHero @paQ @DutchWing

  • 123Arjan
  • Registratie: Maart 2022
  • Laatst online: 17-11 22:02
matuncer schreef op zondag 6 november 2022 @ 13:54:
Beste Allemaal,

Gisteren de sensor opgehaald bij @123Arjan . Waarvoor nogmaals dank!!
Na het aansluiten ervan werkte het. de driewegklep stuurt nu de verwarming aan via de scheidingsbuffer
eerst een aantal CH14 storingen, toen systeem goed ontlucht, is de storing eruit gegaan. Ik verwacht de storing nog wel terugkomen met de huidige leidingloop. Maar daar gaat morgen naar gekeken worden.
Het lijkt erop dat de vloerverarming[Afbeelding]

[Afbeelding]

[Afbeelding] het doet, de leidingen zijn niet echt warmte te voelen, maar de vloeren lijken wel warmer te worden.

De DHW symbool laat ook nog 'grijs' zien


@BjornHero @paQ @DutchWing
Dhw moet je nog aanzetten door op het grijze van de dhw te staan en de aan/uit knop in te drukken (daarna springt hij direct aan en is die niet meer grijs maar zie je een temperatuur)

  • DutchWing
  • Registratie: April 2019
  • Niet online

DutchWing

WP Installateur

@matuncer

Was @tolunaygul12 nog langs geweest?

Je kan ongeveer 4,3kW sowieso kwijt in je vloer. Met een delta T van 8K
Dus het lijkt enigszins te werken, dus ik verwacht met de huidige temperaturen dat dit wel gaat werken voorlopig.

Een delta T van 8K is wel een beetje max voor een monoblock installatie, dus zou het sowieso gewoon even monitoren wat hij een beetje doet.
Heb je toevallig ook een P1 meter of een losse kWh meter voor je warmtepomp, dan kun je nog beter monitoren wat deze doet met start/stops etc.

Blij dat je installatie tenminste werkt! d:)b

WP: Mitsubishi Ecodan PUHZ-SW75YAA + EHST20D-VM2D / PV: 2150Wp Z/O 132° en 2580Wp N/W 312° Ik wil een warmtepomp.nu


  • tolunaygul12
  • Registratie: Mei 2006
  • Laatst online: 17-11 22:40
Helaas liep het gisteren een beetje uit te hand met de tijden en had niet de tijd om even langs te gaan.
Wel zit er een nieuwe sensor in heb ik begrepen en vanmorgen hebben we een hoop instellingen van mij overgenomen naar zijn unit.

  • tolunaygul12
  • Registratie: Mei 2006
  • Laatst online: 17-11 22:40
Dat is wel erg laag de waterflow.. dat moet echt aangepakt worden morgen met 28 of 32mm leidingen !
Ik zit op gemiddel 20-22 ltr/min met 2 verdelers en 10 groepen
Pagina: 1 2 Laatste