Geluk is een weerloos oud vrouwtje, alleen op straat met een bom geld
en het ziet er nu zo uit:
Maar hij werkt niet, zie zelfs geen beweging in de spijker(kleintje zonder punt), ik zit zelf te denken aan dat de spoel misschien te weinig wikkelingen(nu 42) heeft of dat de elco niet genoeg energie opslaat.
Ik wacht steeds een minuut voordat probeer te vuren(ivm opladen).
Hebben jullie een idee waarom het misschien niet werkt? de gebruikte onderdelen staan in dit topic in pagina 49/50.
Verwijderd
Die staat goed, hij zou in principe op deze manier moeten werken, alleen zou ik zelf de spoel en de SCR omwisselenNiekk schreef op zaterdag 06 december 2008 @ 00:39:
Ik kan het fout hebben hoor, maar volgens mij (denkend aan mijn schema, die op school is), moet die Thyristor precies andersom staan .. ?
If you do not change direction, you may end up where you are heading
Om een spoel te wikkelen wil ik spoeldraad gaan kopen op internet. Ik heb alleen geen flauw idee welke dikte van het draad ik moet hebben. Het is natuurlijk belangrijk dat het draad net dik genoeg is voor een grote stroom, maar niet te dik, want dat gaat ten kosten van het aantal wikkelingen en dus ten koste van de magnetische inductie.
Ik ontlaad een totale capaciteit van de elco's van tussen de 2000 en 3000 uF bij 300 V. Nu is mijn vraag:
Welke dikte van spoeldraad heb ik nodig?
bedankt
Hoe kan de meter nou uitslaan als je hem op 200mA hebt begrenst? Ik neem aan dat hij dan nooit over de 200mA heen gaat? Als er stroom loopt zou hij inderdaad wel open moeten gaan. Mijn grote puck SCRs gaan bij 200mA zekerweten open.Niekk schreef op vrijdag 05 december 2008 @ 15:20:
Toen we er dus 2V in stuurde, zagen we de Ampere meter helemaal uitslaan, en (dan natuurlijk de stroom begrenzer aanspringen). Maar ik zal maandag eens proberen met 5V, als ik em dan maar niet opblaas ...
Ik denk te weinig windingen ja. Ik zou 2 of 3 extra lagen proberen.Phyth0n schreef op vrijdag 05 december 2008 @ 17:15:
ik heb nu een coilgun gebouwd volgens dit schema:
[afbeelding]
en het ziet er nu zo uit:
[afbeelding]
Maar hij werkt niet, zie zelfs geen beweging in de spijker(kleintje zonder punt), ik zit zelf te denken aan dat de spoel misschien te weinig wikkelingen(nu 42) heeft of dat de elco niet genoeg energie opslaat.
Ik wacht steeds een minuut voordat probeer te vuren(ivm opladen).
Hebben jullie een idee waarom het misschien niet werkt? de gebruikte onderdelen staan in dit topic in pagina 49/50.
Is altijd moeilijk te zeggen. Ik zou om te beginnen 1 tot 2mm proberen. Hangt een beetje van het aantal windingen af.
Geluk is een weerloos oud vrouwtje, alleen op straat met een bom geld
Je zegt dat de dikte van het draad van het aantal windingen af hangt. Kun je dat toelichten?
Hangt van heel veel af als je het zo efecient als mogelijk wilt maken,robvh90 schreef op maandag 08 december 2008 @ 19:01:
@ lemming
Je zegt dat de dikte van het draad van het aantal windingen af hangt. Kun je dat toelichten?
Gewicht van het projectiel, materiaal van het projectiel, vorm van het projectiel, diameter van je loop, aantal windingen, aantal lagen, capaciteit en spannign van je elko's.
Het makkelijkste is gewoon wat proberen tot je wat redelijks vind, je kan niet rekening houden met al deze variabelen.
High Powered Madness
Ja hij sloeg uit naar 200mA, maar gaat niet open. De stroombegrenzer zorgt er dan wel voor dat er meteen gee stromo meer door dat ding loopt, omdat hij uitschakelt. Kan het daar aan liggen ? En hoe moet ik he tanders op een normale manier begrenzen ? de stroom en de spanning moet begrenst worden...lemming_nl schreef op zondag 07 december 2008 @ 22:49:
[...]
Hoe kan de meter nou uitslaan als je hem op 200mA hebt begrenst? Ik neem aan dat hij dan nooit over de 200mA heen gaat? Als er stroom loopt zou hij inderdaad wel open moeten gaan. Mijn grote puck SCRs gaan bij 200mA zekerweten open.
Er mag maximaal 2.5V op (tenminste dat staat in de datasheet), en 250mA..... Dus ik weet niet of ik er dan zomaar 5V in wil gooien ...
Een weerstand doet wonderen
Voorbeeld: Spanningsbron 12 V: Sluit je deze aan met 2 weerstanden in serie (1 van bv 10 kOhm en 1 van 20 kOhm) dan wordt de spanning achtereenvolgens 4V en 8V over je weerstanden staan.
De stroom is in serie over de weerstanden constant. Maar met een parallele aftakking en weerstanden kan je de stroom door je SCR's wel limiteren tot jou beoogde waarde.
Geluk is een weerloos oud vrouwtje, alleen op straat met een bom geld
Deze week heb ik componenten besteld voor de volgende schakeling:

Waar nu 'Weerstand Gate' staat moet een comparator komen, de LM339.
http://www.national.com/mpf/LM/LM339.html
Hoe moet ik deze precies aansluiten in deze schakeling dat hij er echt voor zorgt dat de thyristor opent bij blokkering van het licht uit de ir led? Want ik zie in veel schakelingen 3 draden aangesloten worden op comparators, maar bij de datasheet van de lm339 (zie hierboven) is er nog een weerstand na de comparator toegevoegd.
Bedankt
Het makkelijkste is het te zien als een schakelaar, die is of open of hij maakt verbinding met de Vss/gnd van de chip.
If you do not change direction, you may end up where you are heading
Verwijderd
Iets wat mij zo ineens opvalt. Mensen zoals robvh90 die een lichtsluis + SCR gebruiken; wat is het doel hier eigenlijk van? De SCR kan niet uit, dus wanneer het projectiel er niet voor zit gebeurt er niets boeiends. Wanneer hij er wel voor komt (bijv je plaatst het projectiel) vliegt hij gelijk weg wanneer jij nog met je vingers in de buurt zit wat gewoon gevaarlijk is.
-edit-
Voor meerdere stages is het natuurlijk wel handig, maar ik zou de 1e stage handmatig triggeren.
[ Voor 11% gewijzigd door lemming_nl op 10-12-2008 10:06 ]
Geluk is een weerloos oud vrouwtje, alleen op straat met een bom geld
Ik maak idd een multistage coilgun op basis van condensators. De eerste spoel wordt getriggerd met schakelaar + SCR, de volgende met lichtsluis + SCR. Niets gevaarlijks aan in die zin
Hij laad maar op tot 0,729V verschil over de + en - pool van de elco en dan blijft er een 35V verschil over de 470ohm weerstand, als ik "vuur" dan schiet het voltage verschil van de elco terug naar 0.688V om dan daarna weer rustig(duurt ong een minuut) terug te lopen naar 0,729V.Verwijderd schreef op vrijdag 05 december 2008 @ 23:24:
@ Python : gooi eens een voltmeter over je condensator, dan kan je zien of hij überhaupt wel oplaadt, en of hij wel ontlaad.
Verwijderd
GE A1589142
ik krijg het op de een of andere manier niet voor elkaar om hem ergens te vinden. en ik moet wel weten wat voor spanning en stroom er op de basis moet...
alvast bedankt!
Dan volgt de energie uit E = 0,5 × C × U^2 = 0,5 × (6800 + 3300) × 100^2 = 50,5 J
Effecientie coilgun van 1% geeft 0,505 J
Volgens E = 0,5m×v^2 gaat je projectiel dan 10 m/s = 36 km/h. Maar met dit voltage moet het effecienter kunnen, maar voor het mooie zou je meer capaciteit moeten hebben. Meer Elco's parallel!
Wilde echter alleen weten of deze mogelijk geschikt zijn.
Heb van beide modellen rond de 100 stuks.
Dus mocht nog iemand parts hebben En je wil ruilen tegen parts die ik kan gebruiken
[ Voor 24% gewijzigd door Trunks81 op 16-12-2008 19:26 ]
Verwijderd
alvast bedankt.
Je kunt ze het beste parallel zetten, de negatieve spanning die ze moeten kunnen verdragen moet minimaal jouw spanning zijn waar je je condensatoren mee oplaadt.Verwijderd schreef op maandag 22 december 2008 @ 23:08:
hehe eindelijk gaat er iets goed. onze SCR werkt! ik had nu alleen nog een vraagje over de beschermende diode die anti-parallel aan de spoel staat. moet die juist een heel hoog voltage aankunnen of een grote stroom? of een beetje van beide? ik heb 10 diodes die elk een stroom van 3A aankunnen en 1000V. is het dan slim om ze parallel te zetten, of juist in serie? of heeft het helemaal geen nut om er meerdere te gebruike?
alvast bedankt.
If you do not change direction, you may end up where you are heading
Verwijderd
Phyth0n schreef op vrijdag 05 december 2008 @ 17:15:
ik heb nu een coilgun gebouwd volgens dit schema:
[afbeelding]
en het ziet er nu zo uit:
[afbeelding]
Maar hij werkt niet, zie zelfs geen beweging in de spijker(kleintje zonder punt), ik zit zelf te denken aan dat de spoel misschien te weinig wikkelingen(nu 42) heeft of dat de elco niet genoeg energie opslaat.
Ik wacht steeds een minuut voordat probeer te vuren(ivm opladen).
Hebben jullie een idee waarom het misschien niet werkt? de gebruikte onderdelen staan in dit topic in pagina 49/50.
Verwijderd schreef op vrijdag 05 december 2008 @ 23:24:
@ Python : gooi eens een voltmeter over je condensator, dan kan je zien of hij überhaupt wel oplaadt, en of hij wel ontlaad.
Ik zou zelf nu echt niet weten waar dit aan ligt, is de elco kapot?Phyth0n schreef op zaterdag 13 december 2008 @ 22:13:
[...]
Hij laad maar op tot 0,729V verschil over de + en - pool van de elco en dan blijft er een 35V verschil over de 470ohm weerstand, als ik "vuur" dan schiet het voltage verschil van de elco terug naar 0.688V om dan daarna weer rustig(duurt ong een minuut) terug te lopen naar 0,729V.
Verwijderd
alvast bedankt.
Ik heb de diodes even los gesoldeerd en heb nogsteeds dat hij maar tot 0,7V oplaad.Kachelpijp schreef op vrijdag 26 december 2008 @ 16:38:
@ python: weet je zeker dat je je diodes niet per ongeluk verkeerd om hebt aangesloten? Dat zou verklaren waarom er nog ong. 0.7 Volt over de elco blijft staan.
Kunnen de weerstanden verkeerde waardes hebben? of is de elco kapot?
[ Voor 8% gewijzigd door Phyth0n op 26-12-2008 23:31 ]
Dan kan je een pootje van de elco of 470 ohm weerstand loshalen en dan de spanning meten (DMM op DC) over de +/- aansluiting van de brugcel. Als je dan 0,7 of zoiets meet, heb je waarschijnlijk de brugcel verkeerd aangesloten/gemold.
De trafo lijkt mij trouwens wel een beetje overkill, zeker als er nog een weerstand van 470 Ohm aan de secundaire kant zit.
Dan wordt de boel wat warmer. Maar dan moet je ook een steviger exemplaar nemen, dus i.p.v. 1/4 Watt eentje van 1/2 of 1 Watt. Als je die niet hebt, kan je er ook 2 of meer parallel schakelen.
In dat geval uiteraard niet vergeten weer een weerstandswaarde te nemen die twee keer zo groot isKachelpijp schreef op zondag 28 december 2008 @ 11:50:
Als je de weerstand verlaagt, gaat er natuurlijk meer stroom lopen.
Dan wordt de boel wat warmer. Maar dan moet je ook een steviger exemplaar nemen, dus i.p.v. 1/4 Watt eentje van 1/2 of 1 Watt. Als je die niet hebt, kan je er ook 2 of meer parallel schakelen.
Assumption is the mother of all fuck-ups.
Verwijderd
kan iemand mij helpen met mijn vraag?:$:$:$:$:$Verwijderd schreef op vrijdag 26 december 2008 @ 14:45:
hey ik heb een vraagje, mijn SCR gaat niet open met batterijen 2x9v maar wel met een labvoeding die is ingesteld op 18V. wat kan hier het probleem zijn? ik kan zelf niets bedenken. behalve dat de batterijen geen groot amperage kan leveren of iets dergelijks..
alvast bedankt.
Heb je ze in serie geschakeld?Verwijderd schreef op zondag 28 december 2008 @ 23:07:
[...]
kan iemand mij helpen met mijn vraag?:$:$:$:$:$
en je ook gemeten of er nog 9V inzit? misschien zijn ze leeg?
[ Voor 6% gewijzigd door Phyth0n op 28-12-2008 23:59 ]
Verwijderd
Geluk is een weerloos oud vrouwtje, alleen op straat met een bom geld
Verwijderd
ze zijn 19V samen, en ze zitten in een circuitje met een weerstand van 1500 ohm
Geluk is een weerloos oud vrouwtje, alleen op straat met een bom geld
Verwijderd
Nu heb ik 2 10000uF elco's besteld van 63V om erbij te zetten in het volgende schema:
Nu vroeg ik mij af of de overige componenten goed genoeg zijn voor de extra stroom die er gaat lopen en of ik het op de goede manier aansluit.
De thyristor zal zo te zien wel goed gaan, want je spanning is niet heel hoog. Je kan er altijd een paar parrallel zetten. Je moet er wel opletten dat je blusdiodes veel stroom kunnen hebben en anders hoor je vanzelf een knalPhyth0n schreef op maandag 05 januari 2009 @ 16:41:
Nu mijn coilgun werkt (zie eerder dit topic) wil ik hem sterker maken(beetje spelen met aantal wikkelingen en meer elco's).
Nu heb ik 2 10000uF elco's besteld van 63V om erbij te zetten in het volgende schema:
[afbeelding]
Nu vroeg ik mij af of de overige componenten goed genoeg zijn voor de extra stroom die er gaat lopen en of ik het op de goede manier aansluit.
Je moet je er ook van bewust zijn dat een spoel verzadigd kan raken. Meer stroom (en dus elco's) heeft niet altijd even veel zin. In dat geval moet je spoel weer dikker draad en/of minder windingen hebben.
succes
Verwijderd
Heb een schema gemaakt maar heb nog steeds moeite met hoe de MOSFET nou moet en hoe ik aan de waardes kom van de weerstanden die ik gebruik bij het triggeren van de tweede spoel.

Uitleg: Switch 1 on zorgt ervoor dat de eerste stage oplaadt. Dan Switch 1 off en Switch 2 on zodat de tweede stage oplaadt. Vervolgens Push switch indrukken bij de SCR zodat condensator 1 ontlaadt en het projectiel de eerste spoel verlaat( als het goed is
Dan ben ik bang dat je toch iets verkeerd aansloten hebt. Je zou de stroom eens kunnen meten die er loopt als de de voeding/batterijen aangesloten zijn.Verwijderd schreef op maandag 05 januari 2009 @ 09:42:
ja zelfde weerstand gebruik ik ook bij de voeding... en het zijn ook net nieuwe batterijen... dus daar kan het ook niet aan liggen..
Er gaat niet per se meer stroom lopen. De puls zal langer duren. Of er meer stroom gaat lopen hangt helemaal van je componenten af.Phyth0n schreef op maandag 05 januari 2009 @ 16:41:
Nu mijn coilgun werkt (zie eerder dit topic) wil ik hem sterker maken(beetje spelen met aantal wikkelingen en meer elco's).
Nu heb ik 2 10000uF elco's besteld van 63V om erbij te zetten in het volgende schema:
[afbeelding]
Nu vroeg ik mij af of de overige componenten goed genoeg zijn voor de extra stroom die er gaat lopen en of ik het op de goede manier aansluit.
@icebecold
De voeding voor je SCR staat verkeerd om. Verder zou ik de positieve kant van de voeding (voor opladen van condensatoren) schakelen, das wat veiliger.
Geluk is een weerloos oud vrouwtje, alleen op straat met een bom geld
Ik heb zelf een paar weken geleden mijn lichtsluis afgemaakt. De waardes van de weerstanden heb ik experimenteel bepaald. Met twee multimeters ( 1 kan ook, maar moet je wisselen) kun je gewoon de voltages meten bij het open en dicht staan van je fototransistor. Zorg ervoor dat de input in de comparator bv die 12 V is, door een weerstand te nemen van bv 1k2. Dan moet je er voor zorgen dat het vergelijkingssignaal van de comparator bv 6 V is (mooi in het midden). Dit heb ik gedaan door 2 weerstanden van 1k2 in serie te zetten en daartussen de aansluiting naar de comparator te maken. Dan verdeeld de spanning zich als het ware over deze twee weerstanden en krijg je de helft van de bronspanning over je comparator.Verwijderd schreef op maandag 05 januari 2009 @ 21:58:
Single stage eindelijk af en getest ( 8,4 m/s). Nu over naar de multistage
![]()
Heb een schema gemaakt maar heb nog steeds moeite met hoe de MOSFET nou moet en hoe ik aan de waardes kom van de weerstanden die ik gebruik bij het triggeren van de tweede spoel.
[afbeelding]
Uitleg: Switch 1 on zorgt ervoor dat de eerste stage oplaadt. Dan Switch 1 off en Switch 2 on zodat de tweede stage oplaadt. Vervolgens Push switch indrukken bij de SCR zodat condensator 1 ontlaadt en het projectiel de eerste spoel verlaat( als het goed is). Als het projectiel bij de Lichtsluis komt dan geeft deze een "hoog" signaal zodat deze via de opamp een hoge puls geeft aan de MOSFET. Condensator 2 ontlaadt dan zodat het projectiel een 2e versnelling krijgt. Toch?
Je moet eigenlijk wel een Pull-Up weerstand gebruiken. Deze sluit je aan voor 6 (na je comparator) en dan gewoon op de plus pool. Dit moet iets van 100k zijn. Ik heb ook nog een weerstand van diezelfde knoop naar de twee weerstanden van 1k2 gedaan.
Hoop dat ik je zo een beetje heb kunnen helpen. Veel succes
Ik zou ook proberen de schema's iets overzichtelijker te tekenen en de spoel en thyristor van plaats te wisselen. Hierdoor kun je je halfgeleiders tov gnd schakelen in plaats van zwevend. Ter verduidelijking even een stukje q&d getekend.

@icebecold
Ik zag bij de trafo een spanning van 100V staan, als je dit dubbelzijdig gelijkricht kom je rond de 140V uit, ruim boven de 100V werkspanning van je elco's. Ook is het wel handig aan te geven welke comparator je gebruikt, want het zou wel eens kunnen dat die niet zo geschikt is om je fet aan te sturen.
Verwijderd
Wat is de functie van de weerstand parallel over de condensator(s).
Veiligheid, ik zet nooit een weerstand over een elcoVerwijderd schreef op woensdag 07 januari 2009 @ 11:44:
Ik zie in dit topic geregeld een schema voorbijvliegen, maar wat mij nooit echt duidelijk geworden is:
Wat is de functie van de weerstand parallel over de condensator(s).
If you do not change direction, you may end up where you are heading
Geluk is een weerloos oud vrouwtje, alleen op straat met een bom geld
Verwijderd
[ Voor 3% gewijzigd door lemming_nl op 07-01-2009 15:55 ]
Geluk is een weerloos oud vrouwtje, alleen op straat met een bom geld
Verwijderd
Aangezien ik nu nog met coilguns bezig ben die niet op hogere spanningen dan 50 Volt werken komen ze er bij mij er ook niet opDaWaN schreef op woensdag 07 januari 2009 @ 14:34:
[...]
Veiligheid, ik zet nooit een weerstand over een elco
Allereerst mijn aansturing voor de coilgun. Hiermee kan ik mijn beide SCRs aansturen. Het hart van dit doosje is een PIC microcontroller. Zodra hij aangezet wordt geeft hij voor 10 seconden een toon af waarna hij de SCRs aanstuurt. Dit gebeurt met een 10A (per SCR) puls van 20us. Dit is ver buiten de specificaties, de datasheet heeft het over 200mA maar bij zulke korte pulsen gaat hij dan niet open. Bij 10A is de SCR in die 20us compleet open gestuurd. Na die 20us biept hij met pulsjes zodat je weet dat hij klaar is. Hij genereert ook een puls om te gebruiken als trigger voor de oscilloscoop.

Het volgende kastje is nog WIP. Het is een active, 2 kanaals, 1:100, 1.5kV, differentiele probe. Op het moment heeft hij maar 1 kanaal welke een bak kuren heeft (deelt niet netjes door 100, sterk frequentieafhankelijk).
Geluk is een weerloos oud vrouwtje, alleen op straat met een bom geld
[ Voor 76% gewijzigd door dalus op 07-01-2009 19:06 ]
High Powered Madness
Ik zie veel mensen spreken over bleederweerstanden. Volgens mij is dit een weerstand parallel over een condensator (elco in dit geval). Zelf maak ik een coilgun op 300V.
mijn vraag is waar deze bleederweerstand voor dient en hoe dit dan werkt.
tnx
Verwijderd
Verwijderd
Heb trouwens mijn spullen binnen gekregen. Bleek dat ik de verkeerde comperator had besteld, hij was ongeveer de grootte van een speldenknop
Mijn MOSFETS ( 100v en kunnen Apiek aan van 300A, zal morgen de datasheet ff posten) moeten dus mijn 100v 10000uF condensators gaan schakelen. Ben alleen bang dat ze dan doorbranden. Is er een formule voor het berekenen van de Apiek die mijn MOSFET te verduren krijgen, of kan ik dit meten?
(bij mijn vorige coilgun kreeg ik het niet voor elkaar om een Apiek te meten met mijn multimeter, had hem eerst over mijn spoel en vervolgens over mijn schakelaar gezet, in serie natuurlijk. Geen resultaat)
Edit: ziet er goed uit lemming
[ Voor 3% gewijzigd door Verwijderd op 08-01-2009 18:31 ]
Verwijderd
hij werkt nu super en zijn hem nu aan het inbouwen in een kastje voor de open avond bij ons op school.
ons projectiel word gelanceerd met een bepaalde spoel 60km/h en we hebben met een andere spoel ook 2 schoten van 80km/h gemeten 1 van 90 en zelfs 1 van 116km/h! geen verkeerd resultaat dus.
Iedereen hartelijk dank dus!
Geluk is een weerloos oud vrouwtje, alleen op straat met een bom geld
Ik heb een vraagje: Ik heb besloten om het lichtnet gelijk te richten en dit is ook gelukt (Stroom beperkt met weerstand van 470 ohm, 100 watt) en mijn 7 elco's van totaal iets meer dan 11.000 uF laden op tot zeker 300 V. Het vreemde is alleen dat dit een halve uur duurt, maar - daar komt het - met een stroommeter (multimeter) in serie ertussen slechts 20 seconde!
Heeft iemand hier een verklaring voor? Als het een bepaalde component is in de stroommeter zou ik die namelijk goed kunnen gebruiken
Alvast bedankt
Geluk is een weerloos oud vrouwtje, alleen op straat met een bom geld
Ik denk dat er dan iets serieus mee mis is, stroom meter in serie doet in principe echt helemaal niets
If you do not change direction, you may end up where you are heading
Ha bassie, ja daar staat het antwoord idd. En raad eens wie er van dat forum af gegooid is
Verwijderd
We behaalden, met onze projectielen(

ongeveer een gemiddelde snelheid van 60km/h, hoewel hij met een klein spijkertje wel rond de 120 km/h kwam. We maakte hierbij gebruik van 2 x 10000uF @ 100V condensators. De efficiëntie lag rond de 2 %.
Als schakelaar hadden we een solid state relais. Kan max 625A dus had geen moeite met het schakelen en werkte relatief simpel.
De spoel (

is van 1,5 mm geëmailleerd koperdraad gewonden over een lengte van 6,5 cm en bestaand uit 4 lagen.
De opstelling zelf

We hebben alle elektronica weggewerkt in een kastje, en de over een deel van de opstelling een plexiglas bak gemaakt. Veiligheid he
Verder zie je onze variac, die op 120 V stond. Ehm en natuurlijk de computer die ons een grafiek gaf, waaruit je dan de snelheid kon bepalen. We deden dit met coach en m.b.v. een lichtsensor. Als het projectiel de lichtsensor onderbrak, begon coach met meten, en als het projectiel erlangs was stopte deze. Zo heb je de afstand(lengte projectiel) en de tijd (aflezen uit grafiek)

Nog wat foto's



Edit
Schema
[ Voor 4% gewijzigd door Verwijderd op 31-01-2009 17:25 ]
Verwijderd
Ik ben ook bezig met het bouwen van een coilgun. Nou heb ik een spoel uit een oude 220v relais. Deze spoel heeft 50.000 windingen!. Hij heeft hierdoor wel een hoge weerstand van bijna 10k. Mijn vraag is eigenlijk als volgt:
Ik wil mijn coilgun maken op het principe dat de ontlaad tijd van de condensator precies genoeg is zodat het projectiel op de helft van de spoel zit. (dus geen lichtsluisjes of micro controllers)
Nou vroeg ik me af of het beter werkt om een spoel te maken met weinig windingen, waar dus heel veel ampere doorheen kan. Of juist een spoel met veel windingen waar weinig ampere door heen kan. Voor de magnetische inductie maakt dit in principe geen verschil. Maar maakt het wel verschil met zelfinductie en de timing van de condensator?
Verwijderd
Moet je teleurstellen maar met die spoel gaat het niet lukken. Ik weet niet hoe dik het draad is maar 10K is veel te veel! Hierdoor ontladen je condensators veel te langzaam. En komt je projectiel dus(zo goed als) niet vooruit. Ik raad je aan een keer de topic door te lezen, ik heb bijv. gebruik gemaakt van 1,5 mm geëmailleerd draad.( zie mijn eerder post voor de spoel verhoudingen)
Ik sluit mij aan bij de andere twee heren. Met die spoel zal het niet lukken. Micro controllers en lichtsluizen zijn helemaal niet nodig. Als je een goede spoel hebt met niet te veel windingen en gemaakt van dik draad kun je simpelweg met een elektronisch schakelcomponent of relais (of zelfs een schakelaar voor het lichtnet) de condensators over de spoel ontladen. De timing is namelijk niet van belang, omdat je de startpositie van je projectiel heel gemakkelijk kunt variëren. Het is een kwestie van uit proberen om de beste startpositie voor je projectiel te vinden zodat hij de maximale snelheid krijgt.
Verwijderd
Nog een klein vraagje. De afstand van het projectiel, voordat hij is afgeschoten,tot het midden van de spoel. (dat is dus de afstand waarover het projectiel kracht ondervindt van de spoel) Moet ik die rekenen van het zwaartepunt van het projectiel?
We hebben afgelopen vrijdag een eerste werkende coilgun gemaakt, en de metingen die we hebben gedaan waren met een grote spijker van 18 gram. Nu heb ik berekend wat de efficientie is, maar weet niet of deze klopt. Zouden jullie hier even naar kunnen kijken?
2650 microfarad
200 V
geeft 53J
spijker: 18 gram
80 cm horizontaal 5 cm verticaal
versnelling naar beneden 9,81m/s²
0.05/9.81=0,00509
Sqrt0,00509= 0,071 s
0,8/0,071=11,26 m/s
Ev=0,5Mv²
=0,5*0,018*11,26²
=0,009*11.26²
=1,14 J
1,14/53=0,021
geeft 2,1% rendement
Ook had ik nog een tweede vraag... Waar haal je goedkoop elco's met relatief grote capaciteit en een spanning tot 300V? Meer dan 300V heb ik weinig aan, de labvoeding waar we mee werken voor het laden gaat niet hoger.
https://www.twitch.tv/mcgryphon voor onregelmatige modelbouw, houtbewerking, pyrografie en andere knutsel!
Ik weet niet hoe het zit met het projectiel. Het gaat er iig wel om dat de hoeveelheid energie die je het projectiel meegeeft afhangt van het totaal aantal magnetische veldlijnen dat het projectiel omgeeft en het wel of niet ontstaan van wervelstromen. Het beste lijkt me dat je je niet te veel op allerlei getallen concentreerd, maar gewoon door te proberen het maximale eruit probeert te halen.
@ gryphon
Het lijkt er op dat je berekening klopt. Een dergelijke efficientie is ook niet heel verassend. Je hebt namelijk een groot projectiel (massa) en de spoel kan dus veel energie op dit projectiel overdragen. Daarnaast is je voltage niet extreem hoog wat ook positief werkt op je efficientie.
Zelf heb ik op marktplaats.nl 8 elco's gekocht met een totale capaciteit van circa 12.000 uF met een max werkspanning van 350 V. Dit kostte 40 euro. Je zou dus op marktplaats kunnen kijken voor de elco's. E-bay zou ze misschien ook wel kunnen hebben of anders een elektronica winkel. Waar je ook een goede kans hebt is op een sloopbedrijf. Zoek daar wat frequentieregelaars of iets dergelijks op, daar kwamen die van schijnbaar vandaan
succes allebei
Verwijderd
Veiligheidsweerstand in het laadcircuit lijkt me sowieso verstandig...robvh90 schreef op woensdag 11 februari 2009 @ 17:30:
op een voedingskast branden bij ons de trafo's door van de elektronenflitsers (die gebruikte wij).
Ook vandaag enkele oude computervoedingen geslloopt om onze condensatorbank uit te breiden met 14x 200V 470uF, dus nu hebben we 17x 200V 470uF en 2x 200V 620uF.
Dat kan nog leuk worden zo
https://www.twitch.tv/mcgryphon voor onregelmatige modelbouw, houtbewerking, pyrografie en andere knutsel!
ik moet nog steeds een keer zo'n ding bouwen, en aangezien ik nu een andere natuurkunde leraar heb, zou het kunnen dat dit als PWS mag. Moet eigenlijk meer een onderzoek zijn, maar toch. Als ik dan wat elco's zou kunnen hebben (bijv stuk of 10, twee banks van 5, dan kan ik die in serie of parallel zetten etc.)
Beetje inactief... maar toch best aanwezig :)
Verwijderd
[img]knip[/img]
[img]knip[/img]
[img]knip[/img]
het teleurstellende is alleen dat als je niet op korte afstand schiet, het een heel stuk minder indrukwekkend is. hij schiet wel hard. maar een horizontaal schot komt nog maar iets van 10m of iets in die richtig. dat is wel een grote tegenvaller. in de grote vakantie miss maar eens aan de slag met een railgun of iets. of een multistage maken...
[ Voor 19% gewijzigd door naftebakje op 11-03-2009 20:05 . Reden: Foto's weggehaald. ]
Ik moet bekennen dat het draagbare karakter van jouw bouwsel mij een onplezierig gevoel geeft. Waar niemand aanstoot zou nemen aan een "werkbank-exemplaar" vrees ik nu, dat jouw coilgun in Nederland conform de Circulaire wapens en munitie 2005 aangemerkt moet worden als een wapen in de categorie I ("ongewenste niet-vuurwapens zoals stiletto's, werpmessen, vlindermessen, boksbeugels, katapulten, pijlen en nepwapens"). Ik dacht eigenlijk niet, dat dit de bedoeling van dit topic was.Verwijderd schreef op dinsdag 10 maart 2009 @ 09:49:
hey nog even terugkomend op mijn eigen coilgun. sorry voor de late reactie. ik heb nog wat foto's.
[[url="knip"]afbeelding[/url]]
[[url="knip"]afbeelding[/url]]
[[url="knip"]afbeelding[/url]]
het teleurstellende is alleen dat als je niet op korte afstand schiet, het een heel stuk minder indrukwekkend is. hij schiet wel hard. maar een horizontaal schot komt nog maar iets van 10m of iets in die richtig. dat is wel een grote tegenvaller. in de grote vakantie miss maar eens aan de slag met een railgun of iets. of een multistage maken...
[ Voor 6% gewijzigd door naftebakje op 11-03-2009 19:38 ]
Ben het met mijn voorganger eens, hoewel het niet zo expliciet in de modbreak staat zou ik me er ook niet prettig bij voelen om dat te posten, laat staan te maken.
Sprite_tm schreef op zaterdag 14 januari 2006 @ 19:25:
[modbreak]En meteen een breakje van mij: Lemming_NL heeft toestemming voor dit topic gekregen van mij. Verder wil ik het hier over de technische aspecten van de coilgun hebben, wat je er allemaal mee stuk kan schieten is niet boeiend hier. Beschrijvingen van de beste manier om van zo'n coilgun een effectief wapen maken of iets anders wat naar iets illegaals verwijst wil ik hier al helemaal niet zien. Jullie Zijn Gewaarschuwd.[/]
[ Voor 69% gewijzigd door naftebakje op 11-03-2009 21:03 ]
Als de boer zijn koeien kust, zijn ze jarig wees gerust. Varkens op een landingsbaan, leiden nooit een lang bestaan. Als de boer zich met stront wast, zijn zijn hersens aangetast. Als het hooi is in de schuur, zit het wijf bij den gebuur.
edit: is nog niet af, maar het idee is geloof ik duidelijk genoeg...
[ Voor 21% gewijzigd door McGryphon op 12-03-2009 15:26 ]
https://www.twitch.tv/mcgryphon voor onregelmatige modelbouw, houtbewerking, pyrografie en andere knutsel!
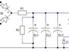
Dit is het schema dat ik uiteindelijk heb gebruikt:
| B | 9V blok batterij |
| Coil | 75 wikkelingen 1mm diameter |
| D | diode |
| DB | Diodebrug |
| EL1 | 4700µF 100V |
| EL2 | 10000µF 63V |
| EL3 | 10000µF 63V |
| R1 | 180 ohm 1W |
| R2 | 10K ohm 1W |
| SCR | thyristor schakeling |
| SPKR | iPod oordopje |
| SW1 | schakelaar |
| SW2 | drukknop |
| T | ~230V naar ~36V transformator |
| Z | 3,15A zekering |
Ik heb de snelheid gemeten d.m.v. een geluidsopname van het afvuren waarbij ik de tijd heb genomen tussen dat de speaker een toon afgeeft en het projectiel het doel treft, dit is zeer makkelijk af te lezen d.m.v. bv. Adobe Soundbooth.
Dit is de meting waarbij ik de hoogste nuttige energie had:
| m(kg) | U(V) | C(F) | Etot (J) | s(m) | t(s) | Vgem(m/s) | Enut(J) | Efficiëntie(%) |
| 3,20E-03 | 50,4 | 2,47E-02 | 3,14E+01 | 0,50 | 0,079 | 6,33 | 6,41E-02 | 0,20% |
Uiteindelijke Coilgun:
Dan hebben wij het toch wat grootschaliger aangepakt, zodra we onze nieuwe (1,5mm) spoeldraad binnenhebben, een leuke spoel hebben en onze condensatorbank helemaal klaar hebben gaan we weer eens foto's en maybe een video maken.
Wel een erg mooie manier om de snelheid te meten, misschien kunnen wij daar ook iets mee doen...
[ Voor 15% gewijzigd door McGryphon op 15-03-2009 18:45 ]
https://www.twitch.tv/mcgryphon voor onregelmatige modelbouw, houtbewerking, pyrografie en andere knutsel!
Geluk is een weerloos oud vrouwtje, alleen op straat met een bom geld
Maar nu heb ik enkele vragen:
Om te beginnen wil ik 2 spoelen gaan gebruiken, maar welk type draad moet ik nemen?
Ik heb nog een hele hoop draka kabel, dus kabel met een massieve kern van circa 1,5mm (Voorbeeld)
En ik heb nog een dunnere kabel met een kern van 0.5 mm en allemaal losse draadjes (Voorbeeld)
De spoelen worden (plan ik iig) 4cm lang per stuk en de buis hoogstwaarschijnlijk 10mm.

Derde spoel verlopig verwaarloosbaar
De volgende vraag,
Ik wil via de PC een programma schrijven in C++ om FETs aan te sturen, zodat je een aantal milliseconde worden ingeschakeld. Hiervoor ga ik een kit van velleman gebruiken om de FETs aan te sturen aangezien relais te langzaam zijn, de K8055 (Klik). Ik neem aan dat er per uitgang 2 aansluitingspunten zijn met de daarop door de pc geleverde 5v. Deze wil ik gaan gebruiken om de fets te schakelen. Alleen weet ik nog niet precies hoe ik de fets moet "activeren" zodat de source en de drain gekoppeld worden.
Schetje:
Sorry voor de baggere tekening maar Photoshop wil het ineens niet meer doen:SEn dan de laatste vraag,
Ik heb begrepen dat er nog een hele rij condensators achter de spoelen moeten. Ik ben van plan een stekkeradapter te kopen van 12V en max 300mA (Klik)
Ten eerste, is dit genoeg en/of te veel ?
Ten tweede hoeveel en hoe sterk moeten de condensators zijn?
Een lekker lang bericht zoals jullie zien en ik ben benieuwd naar jullie reactie.
Paul
De uitgangen van de K8055 zijn uln2803 uitgangen, dwz open-collector, niet bepaald practisch om je mosfets aan te sturen, ik zou er een UDN2981 op duwen, dan heb je een open-emittor wat een stuk beter is om mosfets mee aan te sturen.
Dat kan alleen voor problemen zorgen omdat van de UDN de vcc en ground andersom zitten dus zal je misschien wat bedrading aan moeten passen.
Verder twijfel ik eraan of het wel een goed idee is om dit met een interfacekaart te doen, een computer met een standaard besturingsysteem (zoals windows of linux) is niet bepaald geschikt voor tijdkritische dingen en de uitgangen kunnen best zomaar opeens een aanral milliseconden afwijken. Linux is hier vele malen beter in dan windows, maar nog steeds lang niet realtime.
Hiervoor kan je beter naar een microcontrollerbord stappen met usb programmeermogelijkheid, het maken van code gaat dan hetzelfde, via usb laad je het programma in op je microcontroller en die bedient realtime je coilgun. Kijk bijvoorbeeld eens naar Arduino of iets dergelijks, er zijn er plenty.
Waarschijnlijk ben je zelf nog een signifikant stuk goedkoper uit dan een K8055.
Met je stekkeradapter moet je erg oppassen, ook al kan je condensators net zo langzaam opladen als je zelf zin in hebt, een beetje condensator kan in die tijd pieken trekken waar je adapter van doorbrand, dus daar moet een stroomregelaar tussen (kijk eens naar de LM317, die is vrij simpel als stroombeperker in te zetten)
Verder is je schakelschema niet helemaal in orde, je moet iets dergelijks als dit hebben: [ascii-art :P]
1
2
3
4
5
6
7
8
9
10
11
12
13
14
15
| /---------\
/----------------+------+------+-------| Amp reg |------\
| | | | \---------/ |
| | | | |
//\\ | | | /-----\
// \\ Coil ----- ----- ----- | |
\\ // Condensators | 12V |
\\// ----- ----- ----- | |
| | | | | PSU |
|--/ | | | | |
|<-\ Mosfet \------+------/ \-----/
------|--+ | |
| O |
| / Lompe schakelaar |
\---------------------O O-----------------------------/ |
Je moet dan dus kiezen tussen opladen met je begrensde voeding of onladen geschakeld door je mosfet.
Met lomp bedoel ik een schakelaar die minimaal 10A kan schakelen.
Verwijderd
Ik heb voor mijn PWS een jaartje terug een coilgun gemaakt. Deze ging niet zo heel hard, en aangezien ik nou met mijn bachelor op UTwente bezig ben en ik veeel meer van elektronica weet leek het me leuk coilgun v2 te maken. Alleen nou heb ik een aantal vraagjes over de veiligheid.
Stel ik gebruik een 9v batterij als voeding, en ik ga het voltage via op-amps tot zeg 300v versterken, en ik hang er een 350v 150uF elco aan:
- Wat moet ik me bij een ontploffende elco van 350v voorstellen? Zo van stukken elco meters de lucht in of valt het mee?
- Is een batterij met voltage via opamps versterkt tot 300v (met beperkt amperage) gevaarlijk an sich? m.a.w. is het gevaarlijk als ik beide polen aanraak?
- In hoeverre is een opgeladen 350v elco gevaarlijk?
- Zijn er nog andere veiligheidsoverwegingen?
Ben benieuwd, wil dit eerst weten voordat ik ga klooien..
Bedankt voor je reactie, ik heb weer veel geleerd over Ardiuno en MOSFET schakelingen. Ga dus hoogstwaarschijnlijk zon ardiuno ding halen. Toch noch enkele vragen
- Welk draad moet ik nu gebruiken?
- Welke condensatoren en hoeveel moet ik er gebruiken?
- Als ik een LM317 als begrenser op de adapter zet is dan 12v 300mA genoeg/teveel/teweinig (moet ik AC of DC gebruiken?)?
Bedankt!
Verwijderd
Een paar jaar geleden heb ik voor een projectje op school (TU Eindhoven) ook een coilgun gemaakt.
De opdracht was toen om een van te voren de hele zaak door te rekenen en te simuleren, en pas daarna te testen of je berekende resultaten overeenkomen met de praktijk resultaten.
Onderstaande link wijst naar het rapport wat ik er toen over heb gemaakt. Misschien dat iemand er wat aan heeft.
http://145.120.14.90/~vash/coilgun.pdf
Als je wat verstand hebt van Matlab kan je het script in de bijlagen zo aanpassen voor je eigen coilgun/onderdelen. Op die manier kan je dus bekijken wat er gebeurt als je (in het geval van de post hierboven) een ander type draad gebruikt (diameter/weerstand). Of kun je bijvoorbeeld bepalen wat voor jouw spoel de ideale startpositie van het projectiel is.
Ik heb de titelpagina verwijderd, met m'n naam enzo, de rechten liggen wat mij betreft bij de TU/e (geen idee).
@Roben:
300V is altijd gevaarlijk, ongeacht het amperage. En 350V met opamps is niet handig, maak een schakelende voeding of richt 230V gelijk. Dat wel isoleren met een dubbele trafo anders levensgevaarlijk, d.w.z. : zet twee laagvoltage trafo's met hun secundaire kanten tegen elkaar.
[ Voor 31% gewijzigd door Verwijderd op 20-03-2009 22:39 ]
Als de stroom niet te hoog is dan is een verhoogde spanning op een elco niet heel erg gevaarlijk, het enige nadeel is dat je elco in no-time naar de knoppen is omdat z'n capaciteit afneemt.Verwijderd schreef op vrijdag 20 maart 2009 @ 17:30:
Stel ik gebruik een 9v batterij als voeding, en ik ga het voltage via op-amps tot zeg 300v versterken, en ik hang er een 350v 150uF elco aan:
- Wat moet ik me bij een ontploffende elco van 350v voorstellen? Zo van stukken elco meters de lucht in of valt het mee?
- Is een batterij met voltage via opamps versterkt tot 300v (met beperkt amperage) gevaarlijk an sich? m.a.w. is het gevaarlijk als ik beide polen aanraak?
- In hoeverre is een opgeladen 350v elco gevaarlijk?
- Zijn er nog andere veiligheidsoverwegingen?
300V is gevaarlijk, zelfde effect als een stopcontact, extreem opletten dus !!
Een opgeladen elco op 350V is even gevaarlijk, de elco kan ook veel stroom leveren dus dat is nog weer extra gevaarlijk.
Wat voor studie doe je eigenlijk op de UTwente, als je een boost converter wilt maken met opamps
If you do not change direction, you may end up where you are heading
Verwijderd
Ik weet nu al zegmaar 10x meer van elektrotechniek dan dat ik op de middelbare wist maar ik weet dus nog niet veel. Kan dus goed zijn dat ik domme opmerkingen maak
Njah ik heb dus nu net geleerd dat je spanningen kunt verhogen met opamps, offe hey nou bedenk ik me iets, ik heb tot nu toe opamps alleen gebruikt in logische circuits en signaalverwerking... Kun je er uberhaupt vermogen mee leveren?? Of is een trafo daarvoor vereist? Ik moet me iig beter inlezen besef ik me nu..
Njah ik heb iig genoeg gehoord over veiligheid dat ik voorlopig maar niet begin aan meer dan 30V. Ondertussen wil ik me wel inlezen hoe ik 300V+ uit een batterij veilig kan gebruiken. Kun je mij tips geven/links/literatuur over het inbouwen van beveiligingen etc in dit soort schakelingen..?
Oh en trouwens, ik wil een experimenteerbord kopen, zo eentje als op de uni, alleen kan ik er niet echt wijs uit welke ik moet halen.
EDIT: Heb nou deze gevonden
conrad product
Die is redelijk el cheapo. Zijn er nog goedkopere/ betere prijs-kwaliteit verhouding/
[ Voor 50% gewijzigd door Verwijderd op 21-03-2009 13:33 ]
Verwijderd
Je kan redelijk wat vermogen leveren met opamps. Het probleem van het gebruik van een opamp is echter dat een opamp nooit boven z'n voedingspanning kan versterken. Om met een opamp tot 300V te versterken heb je dus een 300V voeding nodig, en is het versterken van een laagspanning beetje zinloos.Verwijderd schreef op zaterdag 21 maart 2009 @ 10:09:
Ik doe Advanced Technology, waarbij ik nu net pas een paar weekjes bezig ben met elektrotechniek.
Ik weet nu al zegmaar 10x meer van elektrotechniek dan dat ik op de middelbare wist maar ik weet dus nog niet veel. Kan dus goed zijn dat ik domme opmerkingen maak![]()
Njah ik heb dus nu net geleerd dat je spanningen kunt verhogen met opamps, offe hey nou bedenk ik me iets, ik heb tot nu toe opamps alleen gebruikt in logische circuits en signaalverwerking... Kun je er uberhaupt vermogen mee leveren?? Of is een trafo daarvoor vereist? Ik moet me iig beter inlezen besef ik me nu..
Njah ik heb iig genoeg gehoord over veiligheid dat ik voorlopig maar niet begin aan meer dan 30V. Ondertussen wil ik me wel inlezen hoe ik 300V+ uit een batterij veilig kan gebruiken. Kun je mij tips geven/links/literatuur over het inbouwen van beveiligingen etc in dit soort schakelingen..?
Oh en trouwens, ik wil een experimenteerbord kopen, zo eentje als op de uni, alleen kan ik er niet echt wijs uit welke ik moet halen.
EDIT: Heb nou deze gevonden
conrad product
Die is redelijk el cheapo. Zijn er nog goedkopere/ betere prijs-kwaliteit verhouding/
300V uit 9V haal je met een aantal spanningsverdubbelaars of een schakelende voeding.
Je wil niet met een coilgun op een breadboardje gaan testen. Breadboard is echt voor laagvermogen, anders smelt die gewoon. Hoogspanning op een breadboard is helemaal levensgevaarlijk.
Tevens: Er is maar een paar mA nodig om jezelf een hartaanval te geven (6mA geloof ik), dus onderschat hoogspanning niet. Zolang je schokken via je armen krijgt loopt het vaak nog wel met een sisser af (2 dagen tintelende armen), maar krijg je een draad tegen je borst of rug aan dan heb je grote kans dat het fout afloopt.
[ Voor 6% gewijzigd door Verwijderd op 21-03-2009 15:09 ]
De meeste op-amps kunnen geen grote vermogens leveren (daar zijn ze ook niet voor bedoeld), een LM324 levert maximaal 50 mW bijvoorbeeld. Als je echt grote stromen wil schakelen moet je een transistor gebruiken, denk aan een MOSFET of IGBT, die kunnen vaak gigantisch hoge stromen schakelen.
Edit\ Oh en een 150uF elco die ontploft valt nog wel mee, bij grotere capaciteiten (rond de 1 F) moet je meer opletten, die dingen knallen hard. Aan de grootte van de elco kan je wel zien wat voor knal je mag verwachten
[ Voor 14% gewijzigd door Maks op 21-03-2009 15:35 ]
Aansluitdraden: zo dik mogelijk, maar wel van goedgeleidend materiaal (dus koper)Dimby schreef op vrijdag 20 maart 2009 @ 18:46:
@SA007
Bedankt voor je reactie, ik heb weer veel geleerd over Ardiuno en MOSFET schakelingen. Ga dus hoogstwaarschijnlijk zon ardiuno ding halen. Toch noch enkele vragen
- Welk draad moet ik nu gebruiken?
Draad voor de coilgun zelf: Flink dikke draad met dunne isolatie (spoeldraad), heb zelf spoeldraad van een wasmachinemotor.
In totaal wil je een spoel met zo min mogelijk weerstand en zoveel mogelijk windingen. Met zo min mogelijk weerstand van de condensators naar de spoel.
Meer is beter, alleen qua spanning heeft het weinig zin boven je voeding te gaan zitten (genoeg voor een veiligheidsmarge (~30%) maar 300V voor een 12V voeding heb je niks aan.)- Welke condensatoren en hoeveel moet ik er gebruiken?
300mA is niet veel, maar genoeg, opladen kan alleen vrij lang duren.- Als ik een LM317 als begrenser op de adapter zet is dan 12v 300mA genoeg/teveel/teweinig (moet ik AC of DC gebruiken?)?
Bedankt!
Ik ben van plan deze te gaan kopen: http://www.dickbest.nl/we...ct=viewProd&productId=921 , wat moet ik precies doen om ervoor te zorgen dat er niet meer stroom doorheen gaat dan 12V 300Ma?

