Hoi allemaal,
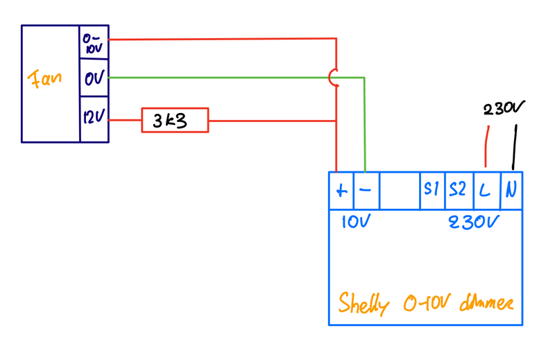
Ik hoop dat iemand me kan helpen! Ik probeer een mechanische ventilatie/spaarpomp aan te sturen die werkt op een 0-10V signaal en ik wil hiervoor een Shelly 0-10V module gebruiken.
Reden hiervoor is dat ik alles al geïntegreerd heb in home assistant en ik daardoor vrij simpel de ventilatie harder kan laten draaien wanneer de ketel aan staat bijvoorbeeld. Ook zou ik deze van het winter willen gebruiken voor een radiator booster. (Met uiteraard een andere shelly module)
Heeft iemand hier ervaring mee?
- Hoe sluit ik de bedrading goed aan?
- Welke instellingen moet ik doen in de Shelly app?
- Zijn er nog dingen waar ik op moet letten?
Ik was in de veronderstelling dat er direct een 0-10v signaal uit de shelly kwam. Helaas bij het aansluiten op de spaarpomp gebeurt er niks.
Heb ik het dan goed dat het signaal uit de shelly gebruikt moet worden voor een 0-10v led driver oid?
Hoor het graag en tips zijn zeer gewaardeerd!
Mvgroet
            Ik hoop dat iemand me kan helpen! Ik probeer een mechanische ventilatie/spaarpomp aan te sturen die werkt op een 0-10V signaal en ik wil hiervoor een Shelly 0-10V module gebruiken.
Reden hiervoor is dat ik alles al geïntegreerd heb in home assistant en ik daardoor vrij simpel de ventilatie harder kan laten draaien wanneer de ketel aan staat bijvoorbeeld. Ook zou ik deze van het winter willen gebruiken voor een radiator booster. (Met uiteraard een andere shelly module)
Heeft iemand hier ervaring mee?
- Hoe sluit ik de bedrading goed aan?
- Welke instellingen moet ik doen in de Shelly app?
- Zijn er nog dingen waar ik op moet letten?
Ik was in de veronderstelling dat er direct een 0-10v signaal uit de shelly kwam. Helaas bij het aansluiten op de spaarpomp gebeurt er niks.
Heb ik het dan goed dat het signaal uit de shelly gebruikt moet worden voor een 0-10v led driver oid?
Hoor het graag en tips zijn zeer gewaardeerd!
Mvgroet
:strip_icc():strip_exif()/u/1278384/crop62c5c93b00e32_cropped.jpg?f=community) 
            :strip_exif()/u/25150/Gizzbril.gif?f=community) 
            :strip_icc():strip_exif()/u/883403/crop5f6309e3373a2_cropped.jpeg?f=community) 
            /f/image/GGX9gnK8eejKrPFW3Bc6omfV.png?f=fotoalbum_large)
/u/484268/crop61e4788571a3c_cropped.png?f=community) 
            /f/image/1SZi7DRPVrcdBTghts8CLjQa.png?f=fotoalbum_large)
:strip_icc():strip_exif()/u/2206/crop67fd08dbd59d0_cropped.jpg?f=community) 
            /f/image/ocQnSBOF7n2bkkZMHQEYULgX.png?f=fotoalbum_large)
:strip_exif()/f/image/8mbOMgIuPKUvWkeLRt8feBMi.jpg?f=fotoalbum_large)
/u/147932/Mnewcopy.png?f=community) 
            :strip_icc():strip_exif()/u/5981/betty-icon.jpg?f=community) 
            :strip_exif()/f/image/QSUqrZtTevZSCpn2K842aDSq.jpg?f=fotoalbum_large)
:strip_exif()/f/image/1K1SnmyXd0rmlngwyufps2ni.jpg?f=fotoalbum_large)
:strip_exif()/f/image/QYVfpZ4VxuCLjzByuJnElpJj.jpg?f=fotoalbum_large)
:strip_exif()/f/image/9dWH2HsBeLYquBH2WwKEKIjk.jpg?f=fotoalbum_large)
:strip_exif()/f/image/O8j6qlFKUZ5rzpqh9RQrmSam.jpg?f=fotoalbum_large)
:strip_exif()/f/image/1kXMtKNdTvkhipqJbJFZGq3s.jpg?f=fotoalbum_large)
:strip_exif()/u/50926/BjornDune.gif?f=community) 
            

:strip_icc():strip_exif()/u/356578/avatar_6198.jpg?f=community) 
            :strip_icc():strip_exif()/u/224670/ava.jpg?f=community) 
            :no_upscale():strip_icc():strip_exif()/f/image/ZEIidf5tIobcdvE9FRzvdWQJ.jpg?f=user_large)