Puch-Maxi schreef op donderdag 27 juli 2023 @ 20:25:
Gewoon een andere stekker/kabel kopen met perilex en aansluiten zoals op het schema? En klaar is Mooraalkikker.edit:
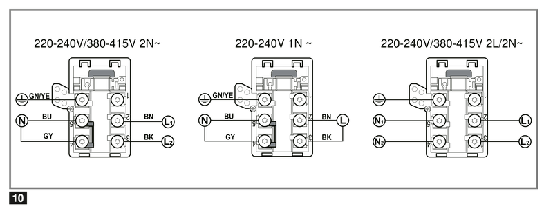
Ho, wacht dit is een inductieplaat zonder geisoleerde nullen, zie https://kookplaat.info/20...-aeg-inductie-kookplaten/
Ik heb een AEG plaat met zelfde aansluitschema. En van de week is de kookgroep aangesloten, dus ik wil een perilex op de kookplaat aansluiten en dan bruin op 1, zwart op 2, grijs en blauw samen op 4. Maar jij zegt dat dit een probleem gaat opleveren?
:strip_exif()/f/image/kLGHhKzv1zFsOedeKkGQ00OW.jpg?f=fotoalbum_large)
Gezien het zo veel werd heb ik het een eigen topic gemaakt
[ Voor 3% gewijzigd door Septillion op 06-10-2023 11:25 ]
:strip_exif()/f/image/cuoYiL99PcMIqMM54nZ1Pemd.jpg?f=fotoalbum_large)
:strip_exif()/f/image/G7bZRkcLYOA69RFhPkNcLeOa.jpg?f=fotoalbum_large)
:strip_exif()/f/image/iwCQ73RdD0hMPBdnadIhMoYq.jpg?f=fotoalbum_large)
/f/image/4KJQNJQ71HG4KupHf0rmeiDG.png?f=fotoalbum_large)
/f/image/mggz6p5Qohp5IJ25CDWAXGES.png?f=fotoalbum_large)
/f/image/SMlhAhNlynwsCUOjtCSXVE1I.png?f=fotoalbum_large)
/f/image/6xHX3edRRwcuxNyOBhmLmkgP.png?f=fotoalbum_large)