Ja, dat is de XMega familie. Die hebben flink meer mogelijkheden dan de oude Atmega's.
Ah, goed dat je het zegt. Ik had meen ik al eerder van XMega gehoord maar bracht dat nog niet in verband met de AVR128'S. Inmiddels een XMega overzicht gevonden:
https://ww1.microchip.com/downloads/en/DeviceDoc/doc7925.pdf
Achteraf had ik beter de AVR128DA48 kunnen bestellen, die wordt namelijk in dit omvangrijke dossier gebruikt:
Writing C-Code for AVR® MCUs:
https://onlinedocs.microc...33-422F-85F5-B5C4EE00AD86
:strip_exif()/f/image/iXLYfha9Qtnm9c0fRutWxry2.jpg?f=fotoalbum_large)
Zelf programmeer ik niet maar ik probeer het een beetje te lezen en te volgen. Ik heb nog even geprobeerd de MCC code over te zetten van de DA- naar de DB-versie maar het mergen van de MCC generated files is me nog niet helemaal duidelijk.
:no_upscale():strip_icc():strip_exif()/f/image/2tsEisu8vReGdeB9WEBX64Mg.jpg?f=user_large)
.
:strip_exif()/f/image/r9vfwOxOkDWlg7qm7F0oPbM7.jpg?f=fotoalbum_large)
De DB versie heeft zijn eigen voorbeelden en de DA voorbeelden hierboven zijn in MPLab IDE wel gewoon te openen maar is toch handiger als dat kitje daadwerkelijk aan de Usb hangt. Nu zijn ze niet zo duur, 11 euro incl. Btw dus mogelijk bestel ik er nog eentje bij.
Voor iemand die dat dossier ook wil proberen is mijn advies de DA te bestellen.
De Bare Metal voorbeelden draaien overigens wel op de DB-versie.
Ps/
Strikt genomen zijn de AVR128DA48 en AVR128DB48 geen ATXMega's, volgens deze lijst althans
https://www.microchip.com...yJTIyJTJDJTIyJTIyJTVEJTdE
Waar wel een ATxmega128D4 in zit.
Ik vermoed dat het verschil met de AVR® DA en AVR® DB Family o.a. is omdat die laatsten Configurable Custom Logic (CCL) hebben.
https://onlinedocs.microc...F7E70-en-US-19/index.html
.
https://ww1.microchip.com/downloads/en/DeviceDoc/doc7925.pdf
Achteraf had ik beter de AVR128DA48 kunnen bestellen, die wordt namelijk in dit omvangrijke dossier gebruikt:
Writing C-Code for AVR® MCUs:
https://onlinedocs.microc...33-422F-85F5-B5C4EE00AD86
:strip_exif()/f/image/iXLYfha9Qtnm9c0fRutWxry2.jpg?f=fotoalbum_large)
Zelf programmeer ik niet maar ik probeer het een beetje te lezen en te volgen. Ik heb nog even geprobeerd de MCC code over te zetten van de DA- naar de DB-versie maar het mergen van de MCC generated files is me nog niet helemaal duidelijk.
:no_upscale():strip_icc():strip_exif()/f/image/2tsEisu8vReGdeB9WEBX64Mg.jpg?f=user_large)
.
:strip_exif()/f/image/r9vfwOxOkDWlg7qm7F0oPbM7.jpg?f=fotoalbum_large)
De DB versie heeft zijn eigen voorbeelden en de DA voorbeelden hierboven zijn in MPLab IDE wel gewoon te openen maar is toch handiger als dat kitje daadwerkelijk aan de Usb hangt. Nu zijn ze niet zo duur, 11 euro incl. Btw dus mogelijk bestel ik er nog eentje bij.
Voor iemand die dat dossier ook wil proberen is mijn advies de DA te bestellen.
De Bare Metal voorbeelden draaien overigens wel op de DB-versie.
Ps/
Strikt genomen zijn de AVR128DA48 en AVR128DB48 geen ATXMega's, volgens deze lijst althans
https://www.microchip.com...yJTIyJTJDJTIyJTIyJTVEJTdE
Waar wel een ATxmega128D4 in zit.
Ik vermoed dat het verschil met de AVR® DA en AVR® DB Family o.a. is omdat die laatsten Configurable Custom Logic (CCL) hebben.
https://onlinedocs.microc...F7E70-en-US-19/index.html
.
[ Voor 13% gewijzigd door kitao op 13-07-2025 03:59 . Reden: Link toegevoegd ]
Het zou kunnen dat die nieuwe AVR's niet onder de, ook al weer wat oudere, XMega's vallen. Maar hun interne architectuur is bijna zeker (afgaande op o.a. jouw portb registers screenshot) wel op XMega gebaseerd.
Ja klopt hoor, daar zit weinig verschil in. Links de ATxmega128D4 en rechts de AVR128DB48
. :strip_exif()/f/image/tJP9D5SRZX3Dc3G4srkrL3wv.jpg?f=fotoalbum_large)
Een aantal weken geleden had ik de Pickit Basic ontvangen maar die bleek helaas niet geschikt voor de Pic16F877 die ik op breadboard heb staan.
kitao in "De EL-kroeg - Deel 4"
Dus heb een PIC16F1619 nabesteld, ik weet niet meer waarom precies dit IC maar in ieder geval volgens https://packs.download.mi...iceDoc/Device_Support.pdf
is die ermee te programmeren. Het spul aangesloten:
:strip_exif()/f/image/1necRtvjoUgn1uEcWqNw3lzw.jpg?f=fotoalbum_large)
Via MPLab IDE geprobeerd te flashen maar lukte voor geen meter. Zonder wat te veranderen aan de schakeling via MPLab IPE geprobeerd en dat pakte meteen de eerste keer
:strip_exif()/f/image/hnyJEoEzKmXijywMzZ8enSeK.jpg?f=fotoalbum_large)
Met de XPlained en Curiosity kits, die rechtstreeks op de Usb zijn aangesloten, heb ik nog geen Program Errors gezien. O ja, 1x, toen had ik een Usb kabeltje waar geen datalijn in zat.
**************************************************
De PIC16F1619 is volgens dit programma opgeladen
https://github.com/gavinl.../master/projects/SevenSeg
Met een L.A. op de kale chip is alvast te zien dat het flashen goed is verlopen
:strip_exif()/f/image/IhlqJU0Pdl0P7YhRGYW8yA3s.jpg?f=fotoalbum_large)
Getoonde Git is trouwens nogal apart, het SevenSeg is niet als compleet Project te openen maar de MCC Generated files moeten apart in Headers en Source worden toegevoegd. Idem Main.C in Source toevoegen en vervolgens Builden.
Of het helemaal klopt zoals ontworpen is nog even de vraag maar er zit beweging in. Voor de camera gaat het multiplexen niet snel genoeg maar het zijn leesbare cijfers.
:strip_exif()/f/image/kgcjfqbfF5AmbPeg17ddtZRP.jpg?f=fotoalbum_large)
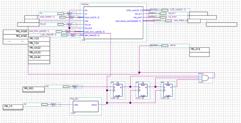
Ps, Overzicht van de diverse poort-functies n.a.v. de vorige PORTB post
https://www.microchip.com...als/system-flexibility/io
.
:strip_exif()/f/image/YYVoD1cTJ6fr7XuKT4L0PePW.jpg?f=fotoalbum_large)
:strip_exif()/f/image/tJP9D5SRZX3Dc3G4srkrL3wv.jpg?f=fotoalbum_large)
Een aantal weken geleden had ik de Pickit Basic ontvangen maar die bleek helaas niet geschikt voor de Pic16F877 die ik op breadboard heb staan.
kitao in "De EL-kroeg - Deel 4"
Dus heb een PIC16F1619 nabesteld, ik weet niet meer waarom precies dit IC maar in ieder geval volgens https://packs.download.mi...iceDoc/Device_Support.pdf
is die ermee te programmeren. Het spul aangesloten:
:strip_exif()/f/image/1necRtvjoUgn1uEcWqNw3lzw.jpg?f=fotoalbum_large)
Via MPLab IDE geprobeerd te flashen maar lukte voor geen meter. Zonder wat te veranderen aan de schakeling via MPLab IPE geprobeerd en dat pakte meteen de eerste keer
:strip_exif()/f/image/hnyJEoEzKmXijywMzZ8enSeK.jpg?f=fotoalbum_large)
Met de XPlained en Curiosity kits, die rechtstreeks op de Usb zijn aangesloten, heb ik nog geen Program Errors gezien. O ja, 1x, toen had ik een Usb kabeltje waar geen datalijn in zat.
**************************************************
De PIC16F1619 is volgens dit programma opgeladen
https://github.com/gavinl.../master/projects/SevenSeg
Met een L.A. op de kale chip is alvast te zien dat het flashen goed is verlopen
:strip_exif()/f/image/IhlqJU0Pdl0P7YhRGYW8yA3s.jpg?f=fotoalbum_large)
Getoonde Git is trouwens nogal apart, het SevenSeg is niet als compleet Project te openen maar de MCC Generated files moeten apart in Headers en Source worden toegevoegd. Idem Main.C in Source toevoegen en vervolgens Builden.
Of het helemaal klopt zoals ontworpen is nog even de vraag maar er zit beweging in. Voor de camera gaat het multiplexen niet snel genoeg maar het zijn leesbare cijfers.
:strip_exif()/f/image/kgcjfqbfF5AmbPeg17ddtZRP.jpg?f=fotoalbum_large)
Ps, Overzicht van de diverse poort-functies n.a.v. de vorige PORTB post
https://www.microchip.com...als/system-flexibility/io
.
[ Voor 23% gewijzigd door kitao op 14-07-2025 05:31 . Reden: typo ]
Bepaalde versies van MPLabX IDE hebben een andere compiler gekregen zoals hier te zien in de video van een overigens prima YT-kanaal
YouTube: MPLAB-X IDE and XC8-AS assembler transition guide with example code ...
De PicKit III gebruik ik voor de PIC16F877A , MPLab V5.45 met DFP 1.2.33 en XC8 V2.20.
Nu deed ik daar dit programma in :
https://embetronicx.com/t.../pic16f877a-i2c-tutorial/
en het compileerde prima en programmeerde ook zelfs prima maar helaas ... geen beeld op het LCD.
Ik zal de tussenliggende stappen overslaan die enkele uren hebben gekost maar van de originele Embetronix compilatie heb ik de Hex in Simulide gezet en dat werkte wel, maar dus niet op breadboard.
:strip_exif()/f/image/wcEzdXji7zx7xDBq2QIyb43g.jpg?f=fotoalbum_large)
uiteindelijk heb ik van dit origineel :
dit gemaakt:
En zoals hieronder te zien is er nu wel beeld:
:strip_exif()/f/image/Rl7W1Oqn541hoCa0FmyUQXrK.jpg?f=fotoalbum_large)
Wat ik mij nu afvraag is hoe het kan dat MPLab meldt dat het originele programma BUILD SUCCESSFUL en Programming/Verify Complete is ; oftewel overal een Prima OK achter zet maar dat de schakeling op het breadboard pas gaat werken met de nieuwere instellingen ?
En het ligt niet aan deze toevoeging alleen:
#define _XTAL_FREQ 20000000
Het zit in de vervanging van de #Pragma's en mogelijk ook aan deze toevoeging :
#include <xc.h>
Maar hoe kan het dan wel builden en flashen zonder die toevoegingen/vervangingen ?
--------------------------------------------------------------
Update:
Builden en flashen gaan dus goed met de methode hierboven, volgende probleem was dat er 11xE op het LCD display verscheen ipv EmbeTronicx. Dit oplossen heeft opnieuw meerdere uren gekost.
In de comments staat de vraag waar de i2c_send(addr>>8); voor dient en dat was de oplossing.
Ik heb namelijk geen 24LC256 maar een AT24C04 Eeprom en die gebruikt geen 16-bit maar 8-bit adressering.
Bovenstaande regel 2x commented in de i2c.h file en eindelijk is dit projectje alsnog goed gekomen
:strip_exif()/f/image/baEeOnCq5YdK8vKF9Ksm1NzF.jpg?f=fotoalbum_large)
Echt helemaal rond is het nog niet ...
In Simulide blijft het bij deze stap hangen:
:strip_exif()/f/image/wOMf79fVdLPaHME6nPwYDYDj.jpg?f=fotoalbum_large)
Nog een paar goede tutorials over I2C zijn op deze pagina te vinden:
https://deepbluembedded.c...-tutorials/#PIC-Tutorials
.
YouTube: MPLAB-X IDE and XC8-AS assembler transition guide with example code ...
De PicKit III gebruik ik voor de PIC16F877A , MPLab V5.45 met DFP 1.2.33 en XC8 V2.20.
Nu deed ik daar dit programma in :
https://embetronicx.com/t.../pic16f877a-i2c-tutorial/
en het compileerde prima en programmeerde ook zelfs prima maar helaas ... geen beeld op het LCD.
Ik zal de tussenliggende stappen overslaan die enkele uren hebben gekost maar van de originele Embetronix compilatie heb ik de Hex in Simulide gezet en dat werkte wel, maar dus niet op breadboard.
:strip_exif()/f/image/wcEzdXji7zx7xDBq2QIyb43g.jpg?f=fotoalbum_large)
uiteindelijk heb ik van dit origineel :
C:
1
2
3
4
| #include<pic.h> #include"lcd.h" #include"i2c.h" __CONFIG( FOSC_HS & WDTE_OFF & PWRTE_OFF & CP_OFF & BOREN_ON & LVP_OFF & CPD_OFF & WRT_OFF & DEBUG_OFF); |
dit gemaakt:
C:
1
2
3
4
5
6
7
8
9
10
11
12
13
14
15
| #pragma config FOSC = HS // Oscillator Selection bits (HS oscillator) #pragma config WDTE = OFF // Watchdog Timer Enable bit (WDT disabled) #pragma config PWRTE = ON // Power-up Timer Enable bit (PWRT enabled) #pragma config BOREN = ON // Brown-out Reset Enable bit (BOR enabled) #pragma config LVP = OFF // Low-Voltage (Single-Supply) In-Circuit Serial Programming Enable bit (RB3 is digital I/O, HV on MCLR must be used for programming) #pragma config CPD = OFF // Data EEPROM Memory Code Protection bit (Data EEPROM code protection off) #pragma config WRT = OFF // Flash Program Memory Write Enable bits (Write protection off; all program memory may be written to by EECON control) #pragma config CP = OFF // Flash Program Memory Code Protection bit (Code protection off) #include<pic.h> #include <xc.h> #include"lcd.h" #include"i2c.h" #define _XTAL_FREQ 20000000 |
En zoals hieronder te zien is er nu wel beeld:
:strip_exif()/f/image/Rl7W1Oqn541hoCa0FmyUQXrK.jpg?f=fotoalbum_large)
Wat ik mij nu afvraag is hoe het kan dat MPLab meldt dat het originele programma BUILD SUCCESSFUL en Programming/Verify Complete is ; oftewel overal een Prima OK achter zet maar dat de schakeling op het breadboard pas gaat werken met de nieuwere instellingen ?
En het ligt niet aan deze toevoeging alleen:
#define _XTAL_FREQ 20000000
Het zit in de vervanging van de #Pragma's en mogelijk ook aan deze toevoeging :
#include <xc.h>
Maar hoe kan het dan wel builden en flashen zonder die toevoegingen/vervangingen ?
--------------------------------------------------------------
Update:
Builden en flashen gaan dus goed met de methode hierboven, volgende probleem was dat er 11xE op het LCD display verscheen ipv EmbeTronicx. Dit oplossen heeft opnieuw meerdere uren gekost.
In de comments staat de vraag waar de i2c_send(addr>>8); voor dient en dat was de oplossing.
Ik heb namelijk geen 24LC256 maar een AT24C04 Eeprom en die gebruikt geen 16-bit maar 8-bit adressering.
Bovenstaande regel 2x commented in de i2c.h file en eindelijk is dit projectje alsnog goed gekomen
C#:
1
2
3
4
5
6
7
8
9
10
11
12
13
14
15
16
| unsigned char i2c_read_byte(unsigned char addr) { unsigned char rec; L: i2c_restart(); SSPBUF=write_cmd; waitmssp(); while(ACKSTAT){goto L;} // i2c_send(addr>>8); @@@@@@@@@@@@@@@ TEST i2c_send(addr); i2c_restart(); i2c_send(read_cmd); rec=i2c_read(); i2c_nak(); i2c_stop(); return rec; } |
:strip_exif()/f/image/baEeOnCq5YdK8vKF9Ksm1NzF.jpg?f=fotoalbum_large)
Echt helemaal rond is het nog niet ...

In Simulide blijft het bij deze stap hangen:
:strip_exif()/f/image/wOMf79fVdLPaHME6nPwYDYDj.jpg?f=fotoalbum_large)
Nog een paar goede tutorials over I2C zijn op deze pagina te vinden:
https://deepbluembedded.c...-tutorials/#PIC-Tutorials
.
[ Voor 22% gewijzigd door kitao op 16-07-2025 14:55 . Reden: Update ]
Het volgende gaat over Uart en een Terminal op je PC met dit als bron:
https://circuitdigest.com...nication-using-pic16f877a
Uit deze serie:
https://circuitdigest.com...-with-pic-microcontroller
Opnieuw bleek dat er geen Build in MPLab lukt indien niet de juiste combinatie van DFP- en XC8-versie wordt gekozen. Eerst kreeg ik namelijk een "Builtin.h not found" error dat bij een andere DFP keuze pas verdween. DFP = Device Family Pack, er staan 3 versies daarvan voor de PIC16F877A in mijn MPLab IDE.
Gekozen settings: MPLAB 5.45 - XC8 V2.20 - DFP 1.2.33 om dit programma te builden en te flashen met een PicKit3.
Alvast een test op Simulide gemaakt:
https://simulide.com/p/
:strip_exif()/f/image/BZBQQM9GO41rxcjkEmGJUsaW.jpg?f=fotoalbum_large)
Circuit Digest gebruikt Hyper Terminal Application voor communicatie vanaf de PC naar de PIC maar kon dat niet zo snel vinden, andere Terminals waren of erg groot, 1GB, of niet Windows11 geschikt en hun adapter heb ik ook niet.
Ik heb wel een Basic Breakout Board For Arduino FTDI FT232RL USB to TTL serial IC adapter converter module 3.3V 5V die ik soms voor de Atm328P gebruik, zoals hieronder een toepassing ervan:
https://dronebotworkshop.com/arduino-uno-atmega328/
Ik vermoedde dat ik die ook voor de Pic kon gebruiken dus enkel een terminal was nog nodig.
Zoekterm uart terminal windows 11 leverde Powershell op en dat blijkt al standaard op W11 te staan.
Dus die geopend en het volgende ingetikt:
:strip_exif()/f/image/9lh66r0nVHCYqghjxjpDOC5x.jpg?f=fotoalbum_large)
GND hoort eigenlijk doorverbonden te zijn
Dat gaat dus prima zo en mogelijk dat een ander ook iets aan deze info heeft
Indien iemand een suggestie heeft voor een niet al te groot Windows11 Uart Terminal dat geen Powershell Prompt is dan hoor ik het graag. Tnx
.
https://circuitdigest.com...nication-using-pic16f877a
Uit deze serie:
https://circuitdigest.com...-with-pic-microcontroller
Opnieuw bleek dat er geen Build in MPLab lukt indien niet de juiste combinatie van DFP- en XC8-versie wordt gekozen. Eerst kreeg ik namelijk een "Builtin.h not found" error dat bij een andere DFP keuze pas verdween. DFP = Device Family Pack, er staan 3 versies daarvan voor de PIC16F877A in mijn MPLab IDE.
Gekozen settings: MPLAB 5.45 - XC8 V2.20 - DFP 1.2.33 om dit programma te builden en te flashen met een PicKit3.
Alvast een test op Simulide gemaakt:
https://simulide.com/p/
:strip_exif()/f/image/BZBQQM9GO41rxcjkEmGJUsaW.jpg?f=fotoalbum_large)
Circuit Digest gebruikt Hyper Terminal Application voor communicatie vanaf de PC naar de PIC maar kon dat niet zo snel vinden, andere Terminals waren of erg groot, 1GB, of niet Windows11 geschikt en hun adapter heb ik ook niet.
Ik heb wel een Basic Breakout Board For Arduino FTDI FT232RL USB to TTL serial IC adapter converter module 3.3V 5V die ik soms voor de Atm328P gebruik, zoals hieronder een toepassing ervan:
https://dronebotworkshop.com/arduino-uno-atmega328/
Ik vermoedde dat ik die ook voor de Pic kon gebruiken dus enkel een terminal was nog nodig.
Zoekterm uart terminal windows 11 leverde Powershell op en dat blijkt al standaard op W11 te staan.
Dus die geopend en het volgende ingetikt:
PowerShell:
1
2
3
4
5
6
7
8
9
10
11
12
13
14
15
| 1. Using PowerShell PowerShell provides a straightforward way to communicate with serial ports. Steps: Identify Available COM Ports Run the following command to list all available COM ports: [System.IO.Ports.SerialPort]::GetPortNames() Open and Configure the Port Replace COM4 with your port name and configure the baud rate, parity, data bits, and stop bits: $port = New-Object System.IO.Ports.SerialPort COM4,9600,None,8,one $port.Open() Send Data Write data to the serial port: $port.WriteLine("Hello UART") Read Data Read incoming data from the serial port: $data = $port.ReadLine() Write-Output $data Close the Port Always close the port after use: $port.Close() |
:strip_exif()/f/image/9lh66r0nVHCYqghjxjpDOC5x.jpg?f=fotoalbum_large)
:strip_exif()/f/image/0gCYALKxyOmykWcsS867wCe2.jpg?f=fotoalbum_large)
GND hoort eigenlijk doorverbonden te zijn
Dat gaat dus prima zo en mogelijk dat een ander ook iets aan deze info heeft
Indien iemand een suggestie heeft voor een niet al te groot Windows11 Uart Terminal dat geen Powershell Prompt is dan hoor ik het graag. Tnx
.
[ Voor 14% gewijzigd door kitao op 17-07-2025 14:27 . Reden: PowerShell code toegevoegd ]
Deze gebruik ik met enige regelmaat:
https://www.der-hammer.info/pages/terminal.html
of
https://sites.google.com/site/terminalbpp/
https://www.der-hammer.info/pages/terminal.html
of
https://sites.google.com/site/terminalbpp/
@Bas...
Dank je wel, net wat ik zocht
Met dezelfde opstelling als in de vorige post verschijnt dit:
:strip_exif()/f/image/Iwyh8vgYoVGn6JRtKt7b16Yp.jpg?f=fotoalbum_large)
Klik voor scherper beeld
Zowel transmit als receive werken goed hoewel het even duurde voordat ik dit aan de gang kreeg. Het lijkt er namelijk op dat de beste methode is om Programmer en Usb-adapter vantevoren allebei aan te sluiten en deze te laten zitten na de flash, zoals hier:
:strip_exif()/f/image/DBHDt8YvZ1GDaT5j2nygUSVt.jpg?f=fotoalbum_large)
Toch is het me nog niet gelukt het helemaal rond te krijgen. Op de Simulide in de vorige post verschijnt eenmalig de tekst: UART Module Initialized and active.
Ik krijg die niet in beeld, niet in PowerShell en evenmin in HTerm, en helaas ook niet na een reset van de PIC16F877A
Builden en Flashen in MPLab 5.45 ging goed al kreeg ik in het begin opnieuw deze error:
C:/Users/sf490/.mchp_packs/Microchip/PIC16Fxxx_DFP/1.7.162/xc8\pic\include\pic.h:12:10: fatal error: 'builtins.h' file not found
Als je heel goed kijkt is te zien dat het iets te maken heeft met de DFP 1.7.162. Dat zie ik nu pas maar het was me al gebleken dat indien ik een ouder DFP 1.2.33 selecteer deze fatal error dan verdwijnt.
Ik heb PS en HTerm ook nog even geprobeerd met een nieuw gevonden website dat Explore Embedded heet maar dat is nog niet gelukt, ook in Simulide nog niet dus de malfunctie ligt mogelijk ergens anders aan.
Builden en Flashen gingen wel goed.
Hier de Uart-pagina:
https://exploreembedded.c...unication_with_PIC16F877A
De gelinkte pagina hierboven bevat een Zip-Download Pic16f877a_ExploreUltraPicDevKit-master dat zeer stevig gevuld is met examples en projecten maar o.a. ook met KiCad PCB schema's voor dit board:
:strip_exif()/f/image/FkznyYyG6aKEnPVompzWJtcc.jpg?f=fotoalbum_large)
https://exploreembedded.c...ng_Hex_File_Using_Pickit2
Het is natuurlijk een al wat verouderd IC maar om bekend te raken met de basis van de werking van een (PIC) microcontroller is er zeer veel over te vinden.
**************************************************************************************************
Ps:
:strip_exif()/f/image/CdNAohsbkqHj29Uw03LFHsrj.jpg?f=fotoalbum_large)
Doet het dus toch, gewoon even opnieuw flashen met HTerm geopend en verbonden
++++++++++++++++++++++++++++++++++++++++++++++++++++++++++++++++++++++
PS2
Inmiddels doet het andere projectje het ook. Eerst alle hardware verbinden, HTerm software alvast openen en instellen en vervolgens het IC flashen met de programmer.
:strip_exif()/f/image/fjHsHcWvVvB0pscBwmzu4mPB.jpg?f=fotoalbum_large)
In de code zijn geen configuratie-bits te vinden en heb zelf het volgende blokje toegevoegd:
Geen idee waarom ze de config bits hebben weggelaten maar het gebeurt wel vaker ook bij andere sites, dat het bij de lezer als bekend wordt beschouwd ofzo
.
Dank je wel, net wat ik zocht
Met dezelfde opstelling als in de vorige post verschijnt dit:
:strip_exif()/f/image/Iwyh8vgYoVGn6JRtKt7b16Yp.jpg?f=fotoalbum_large)
Klik voor scherper beeld
Zowel transmit als receive werken goed hoewel het even duurde voordat ik dit aan de gang kreeg. Het lijkt er namelijk op dat de beste methode is om Programmer en Usb-adapter vantevoren allebei aan te sluiten en deze te laten zitten na de flash, zoals hier:
:strip_exif()/f/image/DBHDt8YvZ1GDaT5j2nygUSVt.jpg?f=fotoalbum_large)
Toch is het me nog niet gelukt het helemaal rond te krijgen. Op de Simulide in de vorige post verschijnt eenmalig de tekst: UART Module Initialized and active.
Ik krijg die niet in beeld, niet in PowerShell en evenmin in HTerm, en helaas ook niet na een reset van de PIC16F877A
Builden en Flashen in MPLab 5.45 ging goed al kreeg ik in het begin opnieuw deze error:
C:/Users/sf490/.mchp_packs/Microchip/PIC16Fxxx_DFP/1.7.162/xc8\pic\include\pic.h:12:10: fatal error: 'builtins.h' file not found
Als je heel goed kijkt is te zien dat het iets te maken heeft met de DFP 1.7.162. Dat zie ik nu pas maar het was me al gebleken dat indien ik een ouder DFP 1.2.33 selecteer deze fatal error dan verdwijnt.
Ik heb PS en HTerm ook nog even geprobeerd met een nieuw gevonden website dat Explore Embedded heet maar dat is nog niet gelukt, ook in Simulide nog niet dus de malfunctie ligt mogelijk ergens anders aan.
Builden en Flashen gingen wel goed.
Hier de Uart-pagina:
https://exploreembedded.c...unication_with_PIC16F877A
De gelinkte pagina hierboven bevat een Zip-Download Pic16f877a_ExploreUltraPicDevKit-master dat zeer stevig gevuld is met examples en projecten maar o.a. ook met KiCad PCB schema's voor dit board:
:strip_exif()/f/image/FkznyYyG6aKEnPVompzWJtcc.jpg?f=fotoalbum_large)
https://exploreembedded.c...ng_Hex_File_Using_Pickit2
Het is natuurlijk een al wat verouderd IC maar om bekend te raken met de basis van de werking van een (PIC) microcontroller is er zeer veel over te vinden.
**************************************************************************************************
Ps:
:strip_exif()/f/image/CdNAohsbkqHj29Uw03LFHsrj.jpg?f=fotoalbum_large)
++++++++++++++++++++++++++++++++++++++++++++++++++++++++++++++++++++++
PS2
Inmiddels doet het andere projectje het ook. Eerst alle hardware verbinden, HTerm software alvast openen en instellen en vervolgens het IC flashen met de programmer.
:strip_exif()/f/image/fjHsHcWvVvB0pscBwmzu4mPB.jpg?f=fotoalbum_large)
In de code zijn geen configuratie-bits te vinden en heb zelf het volgende blokje toegevoegd:
C:
1
2
3
4
5
6
7
8
9
10
11
| #pragma config FOSC = HS // Oscillator Selection bits (HS oscillator) #pragma config WDTE = OFF // Watchdog Timer Enable bit (WDT disabled) #pragma config PWRTE = OFF // Power-up Timer Enable bit (PWRT enabled) #pragma config BOREN = ON // Brown-out Reset Enable bit (BOR enabled) #pragma config LVP = OFF // Low-Voltage (Single-Supply) In-Circuit Serial Programming Enable bit (RB3 is digital I/O, HV on MCLR must be used for programming) #pragma config CPD = OFF // Data EEPROM Memory Code Protection bit (Data EEPROM code protection off) #pragma config WRT = OFF // Flash Program Memory Write Enable bits (Write protection off; all program memory may be written to by EECON control) #pragma config CP = OFF // Flash Program Memory Code Protection bit (Code protection off) // End of configuration #include <xc.h> #define _XTAL_FREQ 20000000 |
Geen idee waarom ze de config bits hebben weggelaten maar het gebeurt wel vaker ook bij andere sites, dat het bij de lezer als bekend wordt beschouwd ofzo

.
[ Voor 39% gewijzigd door kitao op 20-07-2025 03:00 . Reden: Ps ]
kitao in "De EL-kroeg - Deel 4"
Bovenstaand board is inmiddels aangesloten
https://www.microchip.com/en-us/development-tool/EV58G97A
Het was even goed inlezen en schema's bekijken, met name over de voedingen van zowel CNano als van Explorer Board dat voor mij best ingewikkeld is onder andere omdat het IC boardje en het Explorer board allebei tesamen of elk apart op een Usb-C kunnen worden aangesloten.
https://ww1.microchip.com...-UserGuide-DS50003716.pdf
Op zich is het plug and play maar toch ... Always unplug CNano boardje before Explorer board!
Dat staat ergens verborgen in de handleiding dus even vooraf inlezen voordat de stekker erin gaat is aan te raden.
Ps, hier staat het, niet eens in de User Guide maar notabene in de Errata
Work Around
Always unplug the USB cable from an attached Curiosity Nano board before unplugging the USB-C
cable from the Curiosity Nano Explorer. Do not unplug a USB-C cable connected to the Curiosity
Nano Explorer from the source first
https://ww1.microchip.com...rer-Errata-DS50003707.pdf
Ik probeerde eerst de Explorer alleen op de Usb maar dan wordt m.i. het board niet herkend in MPLab, dus dat viel tegen. Uiteindelijk staat het wel ergens in de beschrijvingen dat er een ID-Chip is maar die alleen actief wordt met ingeklikt Nano boardje en dat dan via Extensions in MPLab het Explorer board naar voren tovert.
:strip_exif()/f/image/CsHOL4Kh22oVz0p6UTU3WXDE.jpg?f=fotoalbum_large)
Er zit helaas geen 7-segment display op het Explorer board, wel 8 gewone ledjes maar die werken omgekeerd, actief bij Output Low dus heb wat kabeltjes doorgetrokken, volgens deze eerder uitgeprobeerde Github met het PIC16F13145 CNano boardje middenonder op breadboard. (= identiek aan ingeklikt boardje).
https://github.com/microc...der-mplab-mcc/tree/1.1.0/
:strip_exif()/f/image/ACeCd5ob2Q4zLIjIGkfRRMxp.jpg?f=fotoalbum_large)
Alles is zo te zien en tot dusver functioneel dus heb er nog geen klachten over. Wat wel even uitzoeken was is de Revisie versie, een aantal aansluitpinnen zijn dan anders, zie de Errata, o.a. van belang bij het bekijken van de schema's, waar dus verschil in kan zitten per versie.
Een aantal jumper caps heb ik moeten verwijderen om de 'remapping' in orde te kunnen maken. De capjes zien er zo uit:
:no_upscale():strip_icc():strip_exif()/f/image/FKjtDLqEwaFeE5gpzjliuymb.jpg?f=user_large)
Deze zaten nogal vast dus heb er een platbek tangetje voor gebruikt maar ik vraag me af of er geen speciaal stukje gereedschap voor is? Iets met een haakje ofzo dat je onder de metalen 'dwarsbalk' kan haken?
.
Bovenstaand board is inmiddels aangesloten
https://www.microchip.com/en-us/development-tool/EV58G97A
Het was even goed inlezen en schema's bekijken, met name over de voedingen van zowel CNano als van Explorer Board dat voor mij best ingewikkeld is onder andere omdat het IC boardje en het Explorer board allebei tesamen of elk apart op een Usb-C kunnen worden aangesloten.
https://ww1.microchip.com...-UserGuide-DS50003716.pdf
Op zich is het plug and play maar toch ... Always unplug CNano boardje before Explorer board!
Dat staat ergens verborgen in de handleiding dus even vooraf inlezen voordat de stekker erin gaat is aan te raden.
Ps, hier staat het, niet eens in de User Guide maar notabene in de Errata
Work Around
Always unplug the USB cable from an attached Curiosity Nano board before unplugging the USB-C
cable from the Curiosity Nano Explorer. Do not unplug a USB-C cable connected to the Curiosity
Nano Explorer from the source first
https://ww1.microchip.com...rer-Errata-DS50003707.pdf
Ik probeerde eerst de Explorer alleen op de Usb maar dan wordt m.i. het board niet herkend in MPLab, dus dat viel tegen. Uiteindelijk staat het wel ergens in de beschrijvingen dat er een ID-Chip is maar die alleen actief wordt met ingeklikt Nano boardje en dat dan via Extensions in MPLab het Explorer board naar voren tovert.
:strip_exif()/f/image/CsHOL4Kh22oVz0p6UTU3WXDE.jpg?f=fotoalbum_large)
Er zit helaas geen 7-segment display op het Explorer board, wel 8 gewone ledjes maar die werken omgekeerd, actief bij Output Low dus heb wat kabeltjes doorgetrokken, volgens deze eerder uitgeprobeerde Github met het PIC16F13145 CNano boardje middenonder op breadboard. (= identiek aan ingeklikt boardje).
https://github.com/microc...der-mplab-mcc/tree/1.1.0/
:strip_exif()/f/image/ACeCd5ob2Q4zLIjIGkfRRMxp.jpg?f=fotoalbum_large)
Alles is zo te zien en tot dusver functioneel dus heb er nog geen klachten over. Wat wel even uitzoeken was is de Revisie versie, een aantal aansluitpinnen zijn dan anders, zie de Errata, o.a. van belang bij het bekijken van de schema's, waar dus verschil in kan zitten per versie.
Een aantal jumper caps heb ik moeten verwijderen om de 'remapping' in orde te kunnen maken. De capjes zien er zo uit:
:no_upscale():strip_icc():strip_exif()/f/image/FKjtDLqEwaFeE5gpzjliuymb.jpg?f=user_large)
Deze zaten nogal vast dus heb er een platbek tangetje voor gebruikt maar ik vraag me af of er geen speciaal stukje gereedschap voor is? Iets met een haakje ofzo dat je onder de metalen 'dwarsbalk' kan haken?
.
[ Voor 7% gewijzigd door kitao op 22-07-2025 13:01 . Reden: Ps ]
Een tandarts haakje werkt prima. Bij sommige elektronicawinkels kan je een set bestellen of anders wel op amazon.
Ik heb meestal wel een beun pincet (lees: pincet die net beetje te krom is om voor SMD 0402 of 0603 te gebruiken) die ik gebruik om in het oogje te steken.
Niet elke jumper heeft echter zo'n oogje. Maar dan heb je ook niet zoveel aan een tandarts haakje.. als ze echt te vast zitten is een tangetje wel beetje laatste redmiddel.
Niet elke jumper heeft echter zo'n oogje. Maar dan heb je ook niet zoveel aan een tandarts haakje.. als ze echt te vast zitten is een tangetje wel beetje laatste redmiddel.
Zoiets?kitao schreef op dinsdag 22 juli 2025 @ 11:49:
Deze zaten nogal vast dus heb er een platbek tangetje voor gebruikt maar ik vraag me af of er geen speciaal stukje gereedschap voor is? Iets met een haakje ofzo dat je onder de metalen 'dwarsbalk' kan haken?
.

Dit is een IC Extraction tool.
[ Voor 4% gewijzigd door LED-Maniak op 22-07-2025 14:20 ]
Mitsubishi externe temperatuur sensor (Home Assistant compatible): V&A - ClimaControl - Ook voor Panasonic & LG.
Bedankt voor de tips en ik dacht eigenlijk dat er een speciaal daarvoor ontworpen stukje gereedschap voor zou zijn, net als een IC extractie tangetje, maar voor de caps kon ik dat dus niet vinden. Er zijn best haken te vinden, precision hook and pick tools, maar het in te haken oogje is vrij klein, de extractie tang is bijvoorbeeld te groot ervoor.
Het heeft eigenlijk ook geen haast meer, de PIC16F13145 zit nu in het board geklikt en die heeft maar 16 capjes om zich heen in de remapping area die inmiddels al losgehaald zijn. Voorzichtig want bij een uitschietende tang is meteen de lak aan gort
Voorlopig blijft dat IC daar zitten want het doornemen van een enkel projectje besteed ik best wat tijd aan, het is niet alleen inklikken, draadjes verbinden, flashen en gaan maar ook het proberen te begrijpen hoe het er nou eigenlijk in geprogrammeerd wordt.
:strip_exif()/f/image/gsT3XQxACNbYW8B5C2CR6jwW.jpg?f=fotoalbum_large)
Zoals hieronder, dat op zich een standaard voorbeeld is maar dat al naar gelang hoever je er op inzoomt veel stof om door te nemen bevat.
https://github.com/microc...mcc/blob/master/README.md
Valt overigens weer op dat bij het downloaden van dit project de boel niet wil builden indien er niet de juiste DFP, Device Family Pack en XC8 compiler versie wordt ingesteld. Je zou denken dat die instellingen bij de download inbegrepen zijn maar blijkbaar niet ?
Het moest nu hoger ingesteld worden i.t.t de PIC16F877A projectjes waar die juist lager gezet moest worden. Op zich is het herinstellen geen groot probleem natuurlijk maar wat er ontbreekt is een duidelijke melding dat er heringesteld moet worden. Ja, er komt een error in beeld maar die is amper te ontcijferen en er bestaat dus grote kans dat men op zoek gaat naar andere oorzaken voor het niet-builden probleem en de gebruiker dus steeds verder in het bos verdwaalt, vandaar dat ik het nogmaals vermeld.
Anyway, ledjes en touch buttons doen het op het Explorer board en zo wordt het dan stapje voor stapje een stukje verder verkend. Voorlopig even uitsluitend met dit IC, ik heb nog andere modellen maar die kunnen ook op een breadboard gezet worden. Omwisselen kan later altijd nog.
Verder is het wachten op passende programma's aangezien ik zelf niets programmeer, dus om bijvoorbeeld het Oled-display te gebruiken zal er eerst een voorbeeld van gezocht moeten worden aangezien die bij het Explorer board er helaas niet bij zitten, zover ik gezien heb.
.
Het heeft eigenlijk ook geen haast meer, de PIC16F13145 zit nu in het board geklikt en die heeft maar 16 capjes om zich heen in de remapping area die inmiddels al losgehaald zijn. Voorzichtig want bij een uitschietende tang is meteen de lak aan gort
:strip_exif()/f/image/gsT3XQxACNbYW8B5C2CR6jwW.jpg?f=fotoalbum_large)
Zoals hieronder, dat op zich een standaard voorbeeld is maar dat al naar gelang hoever je er op inzoomt veel stof om door te nemen bevat.
https://github.com/microc...mcc/blob/master/README.md
Valt overigens weer op dat bij het downloaden van dit project de boel niet wil builden indien er niet de juiste DFP, Device Family Pack en XC8 compiler versie wordt ingesteld. Je zou denken dat die instellingen bij de download inbegrepen zijn maar blijkbaar niet ?
Het moest nu hoger ingesteld worden i.t.t de PIC16F877A projectjes waar die juist lager gezet moest worden. Op zich is het herinstellen geen groot probleem natuurlijk maar wat er ontbreekt is een duidelijke melding dat er heringesteld moet worden. Ja, er komt een error in beeld maar die is amper te ontcijferen en er bestaat dus grote kans dat men op zoek gaat naar andere oorzaken voor het niet-builden probleem en de gebruiker dus steeds verder in het bos verdwaalt, vandaar dat ik het nogmaals vermeld.
Anyway, ledjes en touch buttons doen het op het Explorer board en zo wordt het dan stapje voor stapje een stukje verder verkend. Voorlopig even uitsluitend met dit IC, ik heb nog andere modellen maar die kunnen ook op een breadboard gezet worden. Omwisselen kan later altijd nog.
Verder is het wachten op passende programma's aangezien ik zelf niets programmeer, dus om bijvoorbeeld het Oled-display te gebruiken zal er eerst een voorbeeld van gezocht moeten worden aangezien die bij het Explorer board er helaas niet bij zitten, zover ik gezien heb.
.
[ Voor 13% gewijzigd door kitao op 24-07-2025 06:40 ]
Samengevat zijn er drie manieren getoond om met MPLab IDE microcontrollers met AVR en PIC te programmeren.
1. De makkelijkste en goedkoopste is met de Curiosity Nano boards, enkel een USB kabeltje nodig en even soldeerloos de headers erin klikken.
:strip_exif()/f/image/0lEJmuubIkFCO2wxiVkR11BB.jpg?f=fotoalbum_large)
ca. $12,-
2. Via een development board zoals de https://www.microchip.com/en-us/development-tool/DM164137
:no_upscale():strip_exif()/f/image/6BpSCTsMmp8zUtYUtrzUqnDU.avif?f=user_large)
Supports 8-, 14-, 20-pin 8-bit PIC® Microcontrollers
ca. $50,-
3. Via een externe programmer, zoals de PickIt Basic
:strip_exif()/f/image/4YI466gkrZQW5waTxIzwMkrh.jpg?f=fotoalbum_large)
ca. $30,-
Zoals te zien was heb ik een Explorer board https://www.microchip.com/en-us/development-tool/EV58G97A
maar die is niet zozeer om mee te programmeren want daar passen alleen CNano boards in en die hebben al hun eigen USB programmeer aansluiting. Voor een los IC is het andere board nodig, zie 2.
Waarom een ander IC gebruiken als er al veel verschillende AVR en PIC CNano boards zijn?
Een reden daarvoor is o.a. omdat het lesmateriaal bij Microchip nogal versnipperd is, of veelzijdig, net hoe je het bekijkt. Onderstaande cursus gebruikt de PIC16F1619 en dus heb ik die ook maar besteld, voor $ 2,50, als losse Dip want daar is geen CNano-board van.
https://mu.microchip.com/...ng-mcc-and-state-machines
Dat gaat o.a. over Uart en vandaar dat de FTDI FT232RL USB to TTL adapter erop aangesloten zit dat icm HTerm goed werkt.
De cursus is op zich niet al te lastig maar vanwege 'deprecated' code-uitdrukkingen en verschillen tussen video en gedownloade files is deze niet erg geschikt om mee te beginnen.
Dan zou ik, terugkijkend, toch eerst met 1. gaan oriënteren aangezien het plug&play -gehalte daarvan ongeveer gelijk is aan een Arduino Uno.
Ps
Wat wel een goed startpunt zou zijn is met deze afspeellijst:
YouTube: MCC Melody Example Components: TIMER Toggle LED, Polled Implementation
Glen Nilsen heeft daar een PIC18F57Q43 Curiosity Nano dat in een Explorer Board geklikt zit maar zonder dat board gaat het net zo goed, dus met alleen de CNano aangesloten op Usb. En hoewel de videoserie nog geen jaar oud is zijn er toch al enige verschillen tussen MPLab Video IDE en thuis PC IDE maar die zijn niet al te lastig, versieverschillen zijn er altijd wel. Het is niet zo dat net als bij de eerder genoemde PIC16F1619 cursus er meerdere niet-behandelde code-aanpassingen en zelfs enkele register bit wijzigingen hoeven te worden gedaan om onderstaande eindopstelling op gang te kunnen krijgen.
:strip_exif()/f/image/NKw3N1wSKt0P9ccSFCGzyK14.jpg?f=fotoalbum_large)
Uit de summary-video
https://mu.microchip.com/...ng-mcc-and-state-machines
.
1. De makkelijkste en goedkoopste is met de Curiosity Nano boards, enkel een USB kabeltje nodig en even soldeerloos de headers erin klikken.
:strip_exif()/f/image/0lEJmuubIkFCO2wxiVkR11BB.jpg?f=fotoalbum_large)
ca. $12,-
2. Via een development board zoals de https://www.microchip.com/en-us/development-tool/DM164137
:no_upscale():strip_exif()/f/image/6BpSCTsMmp8zUtYUtrzUqnDU.avif?f=user_large)
Supports 8-, 14-, 20-pin 8-bit PIC® Microcontrollers
ca. $50,-
3. Via een externe programmer, zoals de PickIt Basic
:strip_exif()/f/image/4YI466gkrZQW5waTxIzwMkrh.jpg?f=fotoalbum_large)
ca. $30,-
Zoals te zien was heb ik een Explorer board https://www.microchip.com/en-us/development-tool/EV58G97A
maar die is niet zozeer om mee te programmeren want daar passen alleen CNano boards in en die hebben al hun eigen USB programmeer aansluiting. Voor een los IC is het andere board nodig, zie 2.
Waarom een ander IC gebruiken als er al veel verschillende AVR en PIC CNano boards zijn?
Een reden daarvoor is o.a. omdat het lesmateriaal bij Microchip nogal versnipperd is, of veelzijdig, net hoe je het bekijkt. Onderstaande cursus gebruikt de PIC16F1619 en dus heb ik die ook maar besteld, voor $ 2,50, als losse Dip want daar is geen CNano-board van.
https://mu.microchip.com/...ng-mcc-and-state-machines
Dat gaat o.a. over Uart en vandaar dat de FTDI FT232RL USB to TTL adapter erop aangesloten zit dat icm HTerm goed werkt.
De cursus is op zich niet al te lastig maar vanwege 'deprecated' code-uitdrukkingen en verschillen tussen video en gedownloade files is deze niet erg geschikt om mee te beginnen.
Dan zou ik, terugkijkend, toch eerst met 1. gaan oriënteren aangezien het plug&play -gehalte daarvan ongeveer gelijk is aan een Arduino Uno.
Ps
Wat wel een goed startpunt zou zijn is met deze afspeellijst:
YouTube: MCC Melody Example Components: TIMER Toggle LED, Polled Implementation
Glen Nilsen heeft daar een PIC18F57Q43 Curiosity Nano dat in een Explorer Board geklikt zit maar zonder dat board gaat het net zo goed, dus met alleen de CNano aangesloten op Usb. En hoewel de videoserie nog geen jaar oud is zijn er toch al enige verschillen tussen MPLab Video IDE en thuis PC IDE maar die zijn niet al te lastig, versieverschillen zijn er altijd wel. Het is niet zo dat net als bij de eerder genoemde PIC16F1619 cursus er meerdere niet-behandelde code-aanpassingen en zelfs enkele register bit wijzigingen hoeven te worden gedaan om onderstaande eindopstelling op gang te kunnen krijgen.
:strip_exif()/f/image/NKw3N1wSKt0P9ccSFCGzyK14.jpg?f=fotoalbum_large)
Uit de summary-video
https://mu.microchip.com/...ng-mcc-and-state-machines
.
[ Voor 20% gewijzigd door kitao op 27-07-2025 16:55 . Reden: Ps ]
Een van de projectjes waar ik mee bezig ben is de FPGA 8bit computer
https://eecs.blog/8-bit-computer-in-an-fpga/
https://github.com/EECSB/...master/8%20bit%20computer
Ik verwachtte al niet dit voltooid te krijgen maar een enkele losse module ervan was gangbaar te krijgen en vandaag probeerde ik het project als geheel te compileren. In de Github zit een QPF, volgens mij de enige en dat staat voor Quatus Project File. Bij het compileren verscheen de volgende melding: ID:22016 Do you want to overwrite the database for revision "<name>" created by <number>?
De Qpf in de Github is van Quartus versie 13 en ik heb versie 20 dus ik heb een overwrite uitgevoerd. Daarna kwam dit in beeld:
Compilatie mislukt en lijkt erop alsof er ergens een file-link ontbreekt gezien de missing nodes sources ??
Dit is de top level entity block diagram file:
:strip_exif()/f/image/LiO1AVZY4p65fJU0zzu8k3pi.jpg?f=fotoalbum_large)
Resolutie is te weinig om ver in te zoomen maar de dikke lijnen zijn de bussen, die missing sources hebben. Misschien dat iemand hier een tip over heeft ? Tnx.
Ik overweeg om over te stappen naar Libero, of dit ernaast te gaan doen.
https://mu.microchip.com/hello-fpga
Niet dat ik Quartus al helemaal doorheb maar ik hoef niet alle functies te weten. Voor eenvoudig hobby gebruik is het misschien makkelijker om alles onder 1 dak te hebben, in dit geval van MicroChip. Ik wist al enkele maanden dat ze FPGAs hebben maar ik kijk nu voor het eerst wat verder. Er zit ook een board bij met een SmartFusion2
https://www.microchip.com...t-tool/M2S-HELLO-FPGA-KIT
De SF2 is een SoC, System on Chip en dat bevat een Arm uC en een FPGA in 1 pakketje.
Het board zelf is voorlopig niet nodig, simulaties kunnen in Libero uitgevoerd worden en ModelSim, dat ik al ken van Quartus zit er ook in. Ik heb het nog niet gedownload maar ik zag dat er 35 GB ruimte moet zijn op je schijf
******************************************************
Ps1
Een ander projectje wat wel goed ging is deze
https://jyetech.com/dso-138-oscilloscope-diy-kit/
:strip_exif()/f/image/4lRPiB345FM26LDWdtLJxnaM.jpg?f=fotoalbum_large)
:strip_exif()/f/image/iDVVc6yjgJpxg1AF8mmkOgvf.jpg?f=fotoalbum_large)
Solderen gaat al iets beter, hier en daar wat flinke bollen maar in ieder geval geen bruggen en heb geen correcties hoeven toe te passen. Althans, de priegelige Usb-aansluiting is wel verpest geraakt maar gelukkig was die optioneel, zie 2e foto boven midden, vrijwel smd-formaat
**************************************************
Ps2
Voor wie Libero ook wil proberen ..... al lijkt dat er niet op want de zoekopdracht "Libero" leverde 0 relevante resultaten op in het subforum MME, het volgende:
Er zijn twee opties, de Node of de Float optie.
Float is voor een Host server, meerdere gebruikers.
Node is voor een enkele PC gebruiker.
Mijn keuze viel uit onwetendheid op de Float maar dat werkt dus niet met de verstrekte license key, of is heel ingewikkeld.
Vastgelopen en uren later de 35 GB eraf gegooid en weer erop gezet maar nu als de Node-versie en dat ging goed, zie plaatje met het openingsscherm hieronder:
https://www.microchip.com...-later-versions#downloads
https://coredocs.s3.amazo...ad_license_quickstart.pdf
YouTube: Microsemi: How to Generate and Install a Libero License
:strip_exif()/f/image/5E1BrX7waPmlKwIjOiMACu6t.jpg?f=fotoalbum_large)
.
https://eecs.blog/8-bit-computer-in-an-fpga/
https://github.com/EECSB/...master/8%20bit%20computer
Ik verwachtte al niet dit voltooid te krijgen maar een enkele losse module ervan was gangbaar te krijgen en vandaag probeerde ik het project als geheel te compileren. In de Github zit een QPF, volgens mij de enige en dat staat voor Quatus Project File. Bij het compileren verscheen de volgende melding: ID:22016 Do you want to overwrite the database for revision "<name>" created by <number>?
De Qpf in de Github is van Quartus versie 13 en ik heb versie 20 dus ik heb een overwrite uitgevoerd. Daarna kwam dit in beeld:
:strip_exif()/f/image/V9g85ETPIstOBmbs3zboHniJ.jpg?f=fotoalbum_large)
Compilatie mislukt en lijkt erop alsof er ergens een file-link ontbreekt gezien de missing nodes sources ??
Dit is de top level entity block diagram file:
:strip_exif()/f/image/LiO1AVZY4p65fJU0zzu8k3pi.jpg?f=fotoalbum_large)
Resolutie is te weinig om ver in te zoomen maar de dikke lijnen zijn de bussen, die missing sources hebben. Misschien dat iemand hier een tip over heeft ? Tnx.
Ik overweeg om over te stappen naar Libero, of dit ernaast te gaan doen.
https://mu.microchip.com/hello-fpga
Niet dat ik Quartus al helemaal doorheb maar ik hoef niet alle functies te weten. Voor eenvoudig hobby gebruik is het misschien makkelijker om alles onder 1 dak te hebben, in dit geval van MicroChip. Ik wist al enkele maanden dat ze FPGAs hebben maar ik kijk nu voor het eerst wat verder. Er zit ook een board bij met een SmartFusion2
https://www.microchip.com...t-tool/M2S-HELLO-FPGA-KIT
De SF2 is een SoC, System on Chip en dat bevat een Arm uC en een FPGA in 1 pakketje.
:no_upscale():strip_icc():strip_exif()/f/image/F4gOHburCrckT7Mu7TeYgu3Q.jpg?f=user_large)
Het board zelf is voorlopig niet nodig, simulaties kunnen in Libero uitgevoerd worden en ModelSim, dat ik al ken van Quartus zit er ook in. Ik heb het nog niet gedownload maar ik zag dat er 35 GB ruimte moet zijn op je schijf
******************************************************
Ps1
Een ander projectje wat wel goed ging is deze
https://jyetech.com/dso-138-oscilloscope-diy-kit/
:strip_exif()/f/image/4lRPiB345FM26LDWdtLJxnaM.jpg?f=fotoalbum_large)
:strip_exif()/f/image/iDVVc6yjgJpxg1AF8mmkOgvf.jpg?f=fotoalbum_large)
Solderen gaat al iets beter, hier en daar wat flinke bollen maar in ieder geval geen bruggen en heb geen correcties hoeven toe te passen. Althans, de priegelige Usb-aansluiting is wel verpest geraakt maar gelukkig was die optioneel, zie 2e foto boven midden, vrijwel smd-formaat
**************************************************
Ps2
Voor wie Libero ook wil proberen ..... al lijkt dat er niet op want de zoekopdracht "Libero" leverde 0 relevante resultaten op in het subforum MME, het volgende:
Er zijn twee opties, de Node of de Float optie.
Float is voor een Host server, meerdere gebruikers.
Node is voor een enkele PC gebruiker.
Mijn keuze viel uit onwetendheid op de Float maar dat werkt dus niet met de verstrekte license key, of is heel ingewikkeld.
Vastgelopen en uren later de 35 GB eraf gegooid en weer erop gezet maar nu als de Node-versie en dat ging goed, zie plaatje met het openingsscherm hieronder:
https://www.microchip.com...-later-versions#downloads
https://coredocs.s3.amazo...ad_license_quickstart.pdf
YouTube: Microsemi: How to Generate and Install a Libero License
:strip_exif()/f/image/5E1BrX7waPmlKwIjOiMACu6t.jpg?f=fotoalbum_large)
.
[ Voor 30% gewijzigd door kitao op 31-07-2025 15:09 . Reden: Ps ]
Aangezien er zover ik gevonden heb nog niet eerder op het MME subforum gepost is over Libero SoC volgen hier wat eerste bevindingen
Microchip heeft een YT-afspeellijst dat ik als startpunt heb genomen om Libero Silver, de free edition, uit te proberen met zoekterm Libero : https://www.youtube.com/@MicrochipTechnology/search
Daaruit is deze video geschikt als instructie om een project mee te starten
YouTube: How to Simulate Microchip's FPGA Design with HDL Testbench
Aan het eind wordt er dubbelgeklikt op Simulate en verschijnt ModelSim maar daar beginnen de problemen.
Dit zit er in mijn Libero Map:
:no_upscale():strip_icc():strip_exif()/f/image/sUd0yfCepLgFHrWEGDWGuIm1.jpg?f=user_large)
De beschikbare simulators zijn in Tool Profiles te vinden, de onderste heb ik zelf toegevoegd, de 2 bovenste hebben een slotje
:strip_exif()/f/image/aiNQ4igxXkZiiWVzGUcCicVg.jpg?f=fotoalbum_large)
Dit verschijnt als ik in Libero op ModelSim Pro simulatie dubbelklik
:strip_exif()/f/image/ljxYbSo5gT3MC1g81CpjJ4PM.jpg?f=fotoalbum_large)
maar helaas verdwijnt dat scherm na 30 seconden zonder enige melding te geven
En na een tijd zoeken kwam ik hier terecht, via mijn CMD prompt volgens deze webpagina
:strip_exif()/f/image/tTzdNhAMLKepOvuHmvhMzATG.jpg?f=fotoalbum_large)
https://community.sw.siem...tart-manu-or-from-desktop
Het lijkt erop dat Microchip niet echt goeie informatie geeft over de Libero software en/of ik loop zelf te klungelen. Eerst aangaande de Node en Float versies en vervolgens over het niet kunnen openen van Modelsim Pro, en van Qsim trouwens, die verdween ook meteen uit beeld. Er is wat info te vinden maar ik weet nog steeds niet zeker of Modelsim Pro nu wel of niet bij de Libero Free version te openen valt ? Is het een License-key instelling die bij mij niet goed staat of is het gewoon finaal geblokkeerd in de Free version?
Het woord Pro doet helaas vermoeden van wel
Misschien dat iemand hier er ervaring mee heeft ? Tnx
Modelsim Pro will not work with Silver License
https://microchip.my.site...-work-with-Silver-License
Om het toch aan de praat te krijgen heb ik Modelsim Starter toegevoegd als path naar mijn Intel Quartus installatie maar het is ook als losse download free te verkrijgen
https://www.intel.com/con...q=modelsim&sort=relevancy
Helaas is de PolarFire FPGA uit de instructie video te geavanceerd om met Modelsim Starter uit te voeren, daar kwam een 'not supported' foutmelding op maar met een ander VHDL voorbeeld en met Igloo2 als device kwam (eindelijk
dit in beeld:
:strip_exif()/f/image/vnsYM9ObGKMpGSLUT9rlGTuW.jpg?f=fotoalbum_large)
.
Microchip heeft een YT-afspeellijst dat ik als startpunt heb genomen om Libero Silver, de free edition, uit te proberen met zoekterm Libero : https://www.youtube.com/@MicrochipTechnology/search
Daaruit is deze video geschikt als instructie om een project mee te starten
YouTube: How to Simulate Microchip's FPGA Design with HDL Testbench
Aan het eind wordt er dubbelgeklikt op Simulate en verschijnt ModelSim maar daar beginnen de problemen.
Dit zit er in mijn Libero Map:
:no_upscale():strip_icc():strip_exif()/f/image/sUd0yfCepLgFHrWEGDWGuIm1.jpg?f=user_large)
De beschikbare simulators zijn in Tool Profiles te vinden, de onderste heb ik zelf toegevoegd, de 2 bovenste hebben een slotje
:strip_exif()/f/image/aiNQ4igxXkZiiWVzGUcCicVg.jpg?f=fotoalbum_large)
Dit verschijnt als ik in Libero op ModelSim Pro simulatie dubbelklik
:strip_exif()/f/image/ljxYbSo5gT3MC1g81CpjJ4PM.jpg?f=fotoalbum_large)
maar helaas verdwijnt dat scherm na 30 seconden zonder enige melding te geven
En na een tijd zoeken kwam ik hier terecht, via mijn CMD prompt volgens deze webpagina
:strip_exif()/f/image/tTzdNhAMLKepOvuHmvhMzATG.jpg?f=fotoalbum_large)
https://community.sw.siem...tart-manu-or-from-desktop
Het lijkt erop dat Microchip niet echt goeie informatie geeft over de Libero software en/of ik loop zelf te klungelen. Eerst aangaande de Node en Float versies en vervolgens over het niet kunnen openen van Modelsim Pro, en van Qsim trouwens, die verdween ook meteen uit beeld. Er is wat info te vinden maar ik weet nog steeds niet zeker of Modelsim Pro nu wel of niet bij de Libero Free version te openen valt ? Is het een License-key instelling die bij mij niet goed staat of is het gewoon finaal geblokkeerd in de Free version?
Het woord Pro doet helaas vermoeden van wel
Modelsim Pro will not work with Silver License
https://microchip.my.site...-work-with-Silver-License
Om het toch aan de praat te krijgen heb ik Modelsim Starter toegevoegd als path naar mijn Intel Quartus installatie maar het is ook als losse download free te verkrijgen
https://www.intel.com/con...q=modelsim&sort=relevancy
Helaas is de PolarFire FPGA uit de instructie video te geavanceerd om met Modelsim Starter uit te voeren, daar kwam een 'not supported' foutmelding op maar met een ander VHDL voorbeeld en met Igloo2 als device kwam (eindelijk

:strip_exif()/f/image/vnsYM9ObGKMpGSLUT9rlGTuW.jpg?f=fotoalbum_large)
.
Je soldeerkunsten mogen zeker nog wel wat beter. Als je een soldering niet meer mooi krijg is de flux uitgewerkt en moet je weer wat flux toevoegen.
Maar wel goed dat je een scoop gaat gebruiken want dan kan je ook zien wat er niet goed gaat ipv de vele vragen die je hier ziet met "wat doe ik fout?"
Deze kost inderdaad niet veel, ook gebouwd is die amper niet veel meer.
Maar wel goed dat je een scoop gaat gebruiken want dan kan je ook zien wat er niet goed gaat ipv de vele vragen die je hier ziet met "wat doe ik fout?"
Deze kost inderdaad niet veel, ook gebouwd is die amper niet veel meer.
Klopt, daarin valt zeker het een en ander te verbeteren, bedankt voor de tip
Nu soldeer ik niet veel, na een onderbreking van tig jaar probeer ik nu om in ieder geval 1x per week een uurtje ofzo eraan te besteden met relatief goedkope kitjes en zo gaat het steeds iets beter maar wel met kleine stapjes. Een goeie verbetering was wel om over te stappen op een 'soldeerpen' dat licht in gebruik is.
:strip_exif()/f/image/7MLR2pFQKnRJ0yuCDb8c4qe4.jpg?f=fotoalbum_large)
Ander punt is dat bij 'herstelsolderingen' het vaak erger werd als dat het al was dus nu laat ik het vaak maar zo omdat de verbinding er toch wel is. Ik heb flux maar dat is een viltstift formaat en zit meteen het halve boardje onder de flux. Ik doe het wel naborstelen maar heb nog geen IPA en gebruik er HG Toetsenbord reiniger voor.
Ik heb een Parallax Usb scoopje maar die is nogal traag en kan lang duren voordat een signaal is opgebouwd. Voordeel is wel dat de bediening een stuk makkelijker is vergeleken met de DSO138 en waardes zoals frequentie meteen af te lezen zijn.
:strip_exif()/f/image/UuQUC6LkQ6iqyAeZcSRweVqD.jpg?f=fotoalbum_large)
Edit
Alsjemenou, ik zie nu net dat er ook op de DSO138 frequenties af te lezen valt
:strip_exif()/f/image/ONd6MUsnaIPzwoV0By8Op6dG.jpg?f=fotoalbum_large)
Dat zal dan wel via software vanuit de usb gaan, dat bij mij niet gelukt is erop te solderen.
.
:strip_exif()/f/image/7MLR2pFQKnRJ0yuCDb8c4qe4.jpg?f=fotoalbum_large)
Ander punt is dat bij 'herstelsolderingen' het vaak erger werd als dat het al was dus nu laat ik het vaak maar zo omdat de verbinding er toch wel is. Ik heb flux maar dat is een viltstift formaat en zit meteen het halve boardje onder de flux. Ik doe het wel naborstelen maar heb nog geen IPA en gebruik er HG Toetsenbord reiniger voor.
Ik heb een Parallax Usb scoopje maar die is nogal traag en kan lang duren voordat een signaal is opgebouwd. Voordeel is wel dat de bediening een stuk makkelijker is vergeleken met de DSO138 en waardes zoals frequentie meteen af te lezen zijn.
:strip_exif()/f/image/UuQUC6LkQ6iqyAeZcSRweVqD.jpg?f=fotoalbum_large)
Edit
Alsjemenou, ik zie nu net dat er ook op de DSO138 frequenties af te lezen valt
:strip_exif()/f/image/ONd6MUsnaIPzwoV0By8Op6dG.jpg?f=fotoalbum_large)
Dat zal dan wel via software vanuit de usb gaan, dat bij mij niet gelukt is erop te solderen.
.
[ Voor 19% gewijzigd door kitao op 02-08-2025 09:27 ]
Zijn het gewoon de gaatjes die vol tin zitten? Die kan je proberen vrij te maken met een tinzuiger/desoldeerpomp en/of desoldeerlint. Een goede soldeerbout is toch ook het halve werk.kitao schreef op donderdag 31 juli 2025 @ 03:37:
Althans, de priegelige Usb-aansluiting is wel verpest geraakt maar gelukkig was die optioneel, zie 2e foto boven midden, vrijwel smd-formaat
@D-Three
Ja, dat was aanvankelijk het probleem en ergens ook een halve misleiding van de fabrikant. Die vermeldde namelijk dat Smd voorgesoldeerd zou zijn. Dat was ook zo maar imo is de Usb Smd formaat
:no_upscale():strip_icc():strip_exif()/f/image/TIf2pDF50BEyQA5iEYeQPY8t.jpg?f=user_large)
Bij het desolderen met wick braken de pennetjes en kon ik de Usb-connector weggooien; gelukkig was die optioneel. Ik heb sindsdien een wat zwaardere bout klaar liggen voor dit desoldeer gedoe, dat gaat beter. Inderdaad heb ik ook een desoldeerpompje maar die is waarschijnlijk van magere kwaliteit want werkt niet zo best. In ieder geval, ik had al besloten mij never niet te wagen aan het smd solderen dus ik doe ook geen poging meer om dit alsnog goed te krijgen, zelfs al had ik nog zo'n usb-connector op voorraad.
Ja, dat was aanvankelijk het probleem en ergens ook een halve misleiding van de fabrikant. Die vermeldde namelijk dat Smd voorgesoldeerd zou zijn. Dat was ook zo maar imo is de Usb Smd formaat
:no_upscale():strip_icc():strip_exif()/f/image/TIf2pDF50BEyQA5iEYeQPY8t.jpg?f=user_large)
Bij het desolderen met wick braken de pennetjes en kon ik de Usb-connector weggooien; gelukkig was die optioneel. Ik heb sindsdien een wat zwaardere bout klaar liggen voor dit desoldeer gedoe, dat gaat beter. Inderdaad heb ik ook een desoldeerpompje maar die is waarschijnlijk van magere kwaliteit want werkt niet zo best. In ieder geval, ik had al besloten mij never niet te wagen aan het smd solderen dus ik doe ook geen poging meer om dit alsnog goed te krijgen, zelfs al had ik nog zo'n usb-connector op voorraad.
Update van kitao in "De EL-kroeg - Deel 4"
In het kort, het is toch gelukt om met Libero een ModelSim simulatie aan de praat te krijgen. Ik had eerst de nieuwste versie Libero 2025.1 gedownload en ben daarna voorbeelden gaan zoeken en gebruikte deze video YouTube: How to Simulate Microchip's FPGA Design with HDL Testbench
Die video is pas 4 jaar geleden en heeft Libero V12.4 maar bevat andere ModelSim modules als de 2025.1 versie. De 2025.1-versie bevat geen ModelSim ME (Microchip Edition); de V12.4 wel.
Na mislukte pogingen om Versie 2025.1 te laten simuleren heb ik uiteindelijk V12.4 gedownload en de video hierboven laat zich dan wel geheel naspelen en kreeg ik dit in beeld:
:strip_exif()/f/image/K9ppGPApKvMJmD5APzjSRjCR.jpg?f=fotoalbum_large)
Libero V12.4 is hier gratis te downloaden, onder Archive Downloads
https://www.microchip.com...o-software-later-versions
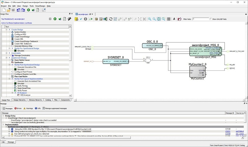
De Libero Smart Designs vind ik persoonlijk een stuk beter als de Intel Quartus Block Diagrams, zie de webafbeeldingen hieronder.
Libero
:strip_exif()/f/image/K6DJZNct8pUqajXS65Kft9ug.jpg?f=fotoalbum_large)
Quartus
/f/image/f4im4QUdapCazlcy5jX3aBWp.png?f=fotoalbum_large)
Voordeel van Quartus is wel dat voor ca. 3 tientjes er daadwerkelijk hardware mee geprogrammeerd kan worden.
Met Libero heb ik nog niets geprogrammeerd en zou niet weten hoe dat redelijk goedkoop zou kunnen maar ok, dat is ook pas de laatste stap in het hele gebeuren dus ik loop er nog niet op vast maar als iemand daar een tip over heeft hoor ik het graag. Dank
Samengevat: Installeer Libero SoC Design Suite v12.4 for Windows Web Installer om deze Freeware te kunnen gebruiken.
*************************************************************************
Edit:
Simulatieprobleem opgelost kwam de volgende valkuil, de Synthese, dat m.i. beschouwd kan worden als een soort compilatie.
In het kort en wat ik er van begrepen heb, de synthesize gaat met software van Synopsys en dat vraagt binnen Libero om een geldige license, terwijl die er al is voor het Libero pakket
Oplossing: Neem de License.dat file die per email gekregen is en Save as license.txt. Gebruik hiervoor bijv. Notepad++.
Save het in de Synplify_Pro map, bijvoorbeeld in C:\Microchip\Libero_SoC\Synplify_Pro
Bovenstaande staat nergens, heb ik uiteindelijk zelf maar geprobeerd
.
In het kort, het is toch gelukt om met Libero een ModelSim simulatie aan de praat te krijgen. Ik had eerst de nieuwste versie Libero 2025.1 gedownload en ben daarna voorbeelden gaan zoeken en gebruikte deze video YouTube: How to Simulate Microchip's FPGA Design with HDL Testbench
Die video is pas 4 jaar geleden en heeft Libero V12.4 maar bevat andere ModelSim modules als de 2025.1 versie. De 2025.1-versie bevat geen ModelSim ME (Microchip Edition); de V12.4 wel.
Na mislukte pogingen om Versie 2025.1 te laten simuleren heb ik uiteindelijk V12.4 gedownload en de video hierboven laat zich dan wel geheel naspelen en kreeg ik dit in beeld:
:strip_exif()/f/image/K9ppGPApKvMJmD5APzjSRjCR.jpg?f=fotoalbum_large)
Libero V12.4 is hier gratis te downloaden, onder Archive Downloads
https://www.microchip.com...o-software-later-versions
De Libero Smart Designs vind ik persoonlijk een stuk beter als de Intel Quartus Block Diagrams, zie de webafbeeldingen hieronder.
Libero
:strip_exif()/f/image/K6DJZNct8pUqajXS65Kft9ug.jpg?f=fotoalbum_large)
Quartus
/f/image/f4im4QUdapCazlcy5jX3aBWp.png?f=fotoalbum_large)
Voordeel van Quartus is wel dat voor ca. 3 tientjes er daadwerkelijk hardware mee geprogrammeerd kan worden.
Met Libero heb ik nog niets geprogrammeerd en zou niet weten hoe dat redelijk goedkoop zou kunnen maar ok, dat is ook pas de laatste stap in het hele gebeuren dus ik loop er nog niet op vast maar als iemand daar een tip over heeft hoor ik het graag. Dank
Samengevat: Installeer Libero SoC Design Suite v12.4 for Windows Web Installer om deze Freeware te kunnen gebruiken.
*************************************************************************
Edit:
Simulatieprobleem opgelost kwam de volgende valkuil, de Synthese, dat m.i. beschouwd kan worden als een soort compilatie.
In het kort en wat ik er van begrepen heb, de synthesize gaat met software van Synopsys en dat vraagt binnen Libero om een geldige license, terwijl die er al is voor het Libero pakket
Oplossing: Neem de License.dat file die per email gekregen is en Save as license.txt. Gebruik hiervoor bijv. Notepad++.
Save het in de Synplify_Pro map, bijvoorbeeld in C:\Microchip\Libero_SoC\Synplify_Pro
Bovenstaande staat nergens, heb ik uiteindelijk zelf maar geprobeerd
.
[ Voor 10% gewijzigd door kitao op 05-08-2025 05:54 . Reden: Edit ]
Vanmiddag weer een flight controller-bordje (deels) gesoldeerd:
Blijft toch leuk om naar te kijken
Ik had bewust m'n best gedaan om slechts een dun laagje flux aan te brengen onder de BGA, maar aan al het gebubbel te zien ben ik wellicht een beetje bang dat het alsnog wat teveel is geweest.
Oh en van de IMU net linksonder van de MCU zijn volgens mij enkele pinnen niet goed gesoldeerd. De vorige keer had ik wat teveel soldeerpasta gebruikt volgens mij, dus dit keer wat zuiniger aangedaan.. Wellicht juist weer té zuinig
Maar aan de andere kant dit keer geen solder bridges bij de USB-connector 
Morgen de IMU-pinnen fixen en de andere kant met de hot air gun solderen
Dat er nog een boel lege diode-footprints zijn klopt: pas nadat ik de pasta overal al opgesmeerd had, besloten op dit tussen-testbordje (v1.2 is al in de maak) de TVS-diodes toch maar niet toe te voegen. En ja, test-bordje, dus het silk screen mag nog een esthetische ramp zijn
Blijft toch leuk om naar te kijken
Ik had bewust m'n best gedaan om slechts een dun laagje flux aan te brengen onder de BGA, maar aan al het gebubbel te zien ben ik wellicht een beetje bang dat het alsnog wat teveel is geweest.
Oh en van de IMU net linksonder van de MCU zijn volgens mij enkele pinnen niet goed gesoldeerd. De vorige keer had ik wat teveel soldeerpasta gebruikt volgens mij, dus dit keer wat zuiniger aangedaan.. Wellicht juist weer té zuinig
Morgen de IMU-pinnen fixen en de andere kant met de hot air gun solderen
Dat er nog een boel lege diode-footprints zijn klopt: pas nadat ik de pasta overal al opgesmeerd had, besloten op dit tussen-testbordje (v1.2 is al in de maak) de TVS-diodes toch maar niet toe te voegen. En ja, test-bordje, dus het silk screen mag nog een esthetische ramp zijn
[ Voor 3% gewijzigd door Osiris op 10-08-2025 23:50 ]
Omdat ik ook steeds meer met SMD doe was ik op zoek naar een hete lucht station. Al een tijdje zie ik reclames van Fnirsi spullen waaronder een leuke compacte hete lucht station. Ze hebben best leuk spul maar de lage prijs doet een beetje afschrikken, denkend dat het niet goed kan zijn. Toen zag ik bij een vriend op een foto deze op de werkbank staan dus vroeg of het wat was, hij is er zeer blij mee alleen grote chips kan die wat moeite mee hebben maar thuis doe ik daar toch niets mee. Wel nog naar andere reviews gekeken en in de basis is het een 22 euro Aliexpress ding alleen met display en functies beter uitgevoerd en de reviews schieten alle kanten op.....
Ik nog maar weer eens naar de website: https://www.fnirsi.com/pr...55?variant=46483610763482
De dure versie heeft een standaard met een standby functie dus even in een winkelmandje gezet en gegevens ingevoerd om te kijken wat de verzendkosten zijn, een schijntje dus maar twijfelde nog steeds. Een dag later een mail, ik had blijkbaar het winkelmandje niet geleegd en kreeg een 12% kortingscode dus voor nog geen 60 euro in huis en heb de gok gewaagd.
:strip_exif()/f/image/pouAyxfMB39Uzht2g07oNcFX.jpg?f=fotoalbum_large)
Met een beetje geluk het komende week in huis.
Ik nog maar weer eens naar de website: https://www.fnirsi.com/pr...55?variant=46483610763482
De dure versie heeft een standaard met een standby functie dus even in een winkelmandje gezet en gegevens ingevoerd om te kijken wat de verzendkosten zijn, een schijntje dus maar twijfelde nog steeds. Een dag later een mail, ik had blijkbaar het winkelmandje niet geleegd en kreeg een 12% kortingscode dus voor nog geen 60 euro in huis en heb de gok gewaagd.
:strip_exif()/f/image/pouAyxfMB39Uzht2g07oNcFX.jpg?f=fotoalbum_large)
Met een beetje geluk het komende week in huis.
Hoe groot is die chip wel niet dan? Want met 550 W zou je toch best een groot oppervlak flink heet kunnen stokenmemphis schreef op zondag 10 augustus 2025 @ 23:23:
(…) alleen grote chips kan die wat moeite mee hebben (…)
E.e.a. kun je makkelijker maken door bijv. de onderkant wat beter te isoleren, zodat het niet al te makkelijk z'n warmte via die kant kwijt kan. Of bijv. een hot plate om het te pre-heaten.
Zelf tevreden met m'n Velleman VTSS210
Ik heb zelf deze unit: https://www.eleshop.nl/at...lucht-soldeerstation.html
Erg blij mee. Is alleen wel iets groter natuurlijk. Wat voor mij het allerbelangrijkst is met hete lucht: temperatuur >=450C, luchtdebiet zo laag mogelijk instelbaar (en dan echt heeeel laag!). Ik werk met 0402s en die blaas je er anders zo van af. Maar ook chips die nog niet vast zitten willen alle kanten op. Ik soldeer chips nog met voorvertinde pads met daarna handmatig flux toevoegen. Met die Atten moet ik nog met een paar procent luchtstroom werken. Mijn BGA/QFN preset is 5 tot 10% lucht bij 420C (nice). Vaker airflow omlaag en temperatuur nog iets omhoog. Dat zal dan wel paar L/min airflow zijn. Ik doe eigenlijk alleen nog maar kleine ICs (tot zo'n 64 pins).
Wat betreft power is 550W nog steeds een grote bak warmte. Als die Atten een 10x zo grote luchtmassa ook moet kunnen verwarmen tot zeg 400 graden, dan moet logischerwijs het verwarmingselement ook 10x zo zwaar zijn. Terugrekend is dus wat SMD werk misschien maar 100-200W aan continu vermogen. Maar 1kW warmt wel lekker snel op
Die mini hotair lijkt ook bij Eleshop te krijgen zijn: https://www.eleshop.nl/fn...able-hot-air-station.html
Wel paar tientjes duurder. Maar ook nederlands contactpunt, mocht dat nodig zijn.
Toch zit ik ook wel te kijken naar zo'n hotplate zoals @Osiris heeft. Ik zou waarschijnlijk ook wel zo'n BGA chip kunnen reflowen met hete lucht, maar iets meer seriematig is dat niet leuk meer.
Erg blij mee. Is alleen wel iets groter natuurlijk. Wat voor mij het allerbelangrijkst is met hete lucht: temperatuur >=450C, luchtdebiet zo laag mogelijk instelbaar (en dan echt heeeel laag!). Ik werk met 0402s en die blaas je er anders zo van af. Maar ook chips die nog niet vast zitten willen alle kanten op. Ik soldeer chips nog met voorvertinde pads met daarna handmatig flux toevoegen. Met die Atten moet ik nog met een paar procent luchtstroom werken. Mijn BGA/QFN preset is 5 tot 10% lucht bij 420C (nice). Vaker airflow omlaag en temperatuur nog iets omhoog. Dat zal dan wel paar L/min airflow zijn. Ik doe eigenlijk alleen nog maar kleine ICs (tot zo'n 64 pins).
Wat betreft power is 550W nog steeds een grote bak warmte. Als die Atten een 10x zo grote luchtmassa ook moet kunnen verwarmen tot zeg 400 graden, dan moet logischerwijs het verwarmingselement ook 10x zo zwaar zijn. Terugrekend is dus wat SMD werk misschien maar 100-200W aan continu vermogen. Maar 1kW warmt wel lekker snel op
Die mini hotair lijkt ook bij Eleshop te krijgen zijn: https://www.eleshop.nl/fn...able-hot-air-station.html
Wel paar tientjes duurder. Maar ook nederlands contactpunt, mocht dat nodig zijn.
Toch zit ik ook wel te kijken naar zo'n hotplate zoals @Osiris heeft. Ik zou waarschijnlijk ook wel zo'n BGA chip kunnen reflowen met hete lucht, maar iets meer seriematig is dat niet leuk meer.
Kost wat, maar dan heb je ook wat.Hans1990 schreef op maandag 11 augustus 2025 @ 00:03:
Toch zit ik ook wel te kijken naar zo'n hotplate zoals @Osiris heeft. Ik zou waarschijnlijk ook wel zo'n BGA chip kunnen reflowen met hete lucht, maar iets meer seriematig is dat niet leuk meer.
Misschien ook wel op AliExpress o.i.d. te bestellen, maar voor zo'n apparaat wat gloeiend heet wordt, wilde ik de gok niet nemen (straks haal je een kwalitatief bagger-clone in huis).. Voor je 't weet gaat je bureau in vlammen op ofzo
[ Voor 4% gewijzigd door Osiris op 11-08-2025 00:24 ]
Heb die mhp50 ook en kan hem wel echt aanraden.
Het herpositioneren van componentjes gaan wel makkelijk als hij zo op de plate ligt.
Het herpositioneren van componentjes gaan wel makkelijk als hij zo op de plate ligt.
Mitsubishi externe temperatuur sensor (Home Assistant compatible): V&A - ClimaControl - Ook voor Panasonic & LG.
Herpositioneren? Ligt de rest dan ook niet los?LED-Maniak schreef op maandag 11 augustus 2025 @ 00:33:
Het herpositioneren van componentjes gaan wel makkelijk als hij zo op de plate ligt.
Soms helpt het om even zacht tegen een IC of iets anders aan te tikken zodat hij net mooier op zijn plek komt te liggen.Osiris schreef op maandag 11 augustus 2025 @ 00:38:
[...]
Herpositioneren? Ligt de rest dan ook niet los?
Mitsubishi externe temperatuur sensor (Home Assistant compatible): V&A - ClimaControl - Ook voor Panasonic & LG.
Grappig, ik heb thuis zelf en op werk een ouder heteluchtstation (vergelijkbaar met Atten AT852D) en mijn tactiek is altijd tegenovergesteld: 350 graden en maximale hoeveelheid lucht. Als ik met een relatief kleine nozzle recht van boven verwarm, heb ik eigenlijk nooit dat ik SMD 0402 en 0201 componenten van mijn print af blaas.Hans1990 schreef op maandag 11 augustus 2025 @ 00:03:
Wat voor mij het allerbelangrijkst is met hete lucht: temperatuur >=450C, luchtdebiet zo laag mogelijk instelbaar (en dan echt heeeel laag!). Ik werk met 0402s en die blaas je er anders zo van af. Maar ook chips die nog niet vast zitten willen alle kanten op. Ik soldeer chips nog met voorvertinde pads met daarna handmatig flux toevoegen. Met die Atten moet ik nog met een paar procent luchtstroom werken. Mijn BGA/QFN preset is 5 tot 10% lucht bij 420C (nice). Vaker airflow omlaag en temperatuur nog iets omhoog. Dat zal dan wel paar L/min airflow zijn. Ik doe eigenlijk alleen nog maar kleine ICs (tot zo'n 64 pins).
Toch zit ik ook wel te kijken naar zo'n hotplate zoals @Osiris heeft. Ik zou waarschijnlijk ook wel zo'n BGA chip kunnen reflowen met hete lucht, maar iets meer seriematig is dat niet leuk meer.
Hangt denk ik af van de chips die je doet, ik soldeer zelf voornamelijk QFN-32 / 40 / 68.
Die hebben een groot massavlak en die krijg je zonder debiet lastig los. Ik merk ook dat PCBs de hoge luchttemperatuur niet altijd prettig vinden, zeker goedkope enkellaags (FR-2 achtig) kan daar echt niet tegen.
Ik heb trouwens ook een goedkope hotplate hier, zo'n ding van ongeveer 25x25cm met iets van 800W vermogen. Die zet ik op 125*C en daarmee verwarm ik de printen voordat ik met het heteluchtstation aan de gang ga. Dat maakt het reflowen sneller en beter gecontroleerd.
Dat doe ik ook altijd, even met een pincet de chip in het midden naar beneden tikken. Meestal zie je de chip daarna mooi uitlijnenLED-Maniak schreef op maandag 11 augustus 2025 @ 00:40:
[...]
Soms helpt het om even zacht tegen een IC of iets anders aan te tikken zodat hij net mooier op zijn plek komt te liggen.
If you do not change direction, you may end up where you are heading
@memphis Zo met het display op het uiteinde lijkt mij echt vervelend bulky... Bedoel, wie houdt hem nu zo vast als op de foto?
Zelf gebruik ik zoiets: https://aliexpress.com/item/1005007010720164.html
Dat vind ik al wat bulky maar is nog te doen.
Zelf gebruik ik zoiets: https://aliexpress.com/item/1005007010720164.html
Dat vind ik al wat bulky maar is nog te doen.
Septillion schreef op maandag 11 augustus 2025 @ 09:43:
Bedoel, wie houdt hem nu zo vast als op de foto?
Ik ga het wel zien, voor die prijs is het wel het proberen waard.Septillion schreef op maandag 11 augustus 2025 @ 09:43:
@memphis Zo met het display op het uiteinde lijkt mij echt vervelend bulky... Bedoel, wie houdt hem nu zo vast als op de foto?
Vermogen zegt nog niet veel over de totale warmte overdracht, in ieder geval was dat wat die vriend mij aangaf. Voor thuiswerk ga ik toch geen BGA's en FPGA's oid vervangen/solderen. En daarnaast staat een warmhoudplaat op mijn agenda om te maken. Het spul daarvoor heb ik in huis gezien ik op het moment mei een aantal iets anders temperatuur makend/geregeld bezig ben.Osiris schreef op zondag 10 augustus 2025 @ 23:35:
[...]
Hoe groot is die chip wel niet dan? Want met 550 W zou je toch best een groot oppervlak flink heet kunnen stoken
E.e.a. kun je makkelijker maken door bijv. de onderkant wat beter te isoleren, zodat het niet al te makkelijk z'n warmte via die kant kwijt kan. Of bijv. een hot plate om het te pre-heaten.
Zelf tevreden met m'n Velleman VTSS210Slechts 300 W, maar ik doe ook niet zulke grote dingen
Hmm, misschien ook weer eens proberen. Is denk ook kwestie meerdere wegen naar Rome.DaWaN schreef op maandag 11 augustus 2025 @ 09:37:
[...]
Grappig, ik heb thuis zelf en op werk een ouder heteluchtstation (vergelijkbaar met Atten AT852D) en mijn tactiek is altijd tegenovergesteld: 350 graden en maximale hoeveelheid lucht. Als ik met een relatief kleine nozzle recht van boven verwarm, heb ik eigenlijk nooit dat ik SMD 0402 en 0201 componenten van mijn print af blaas.
Hangt denk ik af van de chips die je doet, ik soldeer zelf voornamelijk QFN-32 / 40 / 68.
Die hebben een groot massavlak en die krijg je zonder debiet lastig los. Ik merk ook dat PCBs de hoge luchttemperatuur niet altijd prettig vinden, zeker goedkope enkellaags (FR-2 achtig) kan daar echt niet tegen.
Ik heb trouwens ook een goedkope hotplate hier, zo'n ding van ongeveer 25x25cm met iets van 800W vermogen. Die zet ik op 125*C en daarmee verwarm ik de printen voordat ik met het heteluchtstation aan de gang ga. Dat maakt het reflowen sneller en beter gecontroleerd.
[...]
Dat doe ik ook altijd, even met een pincet de chip in het midden naar beneden tikken. Meestal zie je de chip daarna mooi uitlijnen
Het gaat uiteindelijk om de hoeveelheid hitte die je aanlevert aan print. En dat vermogen staat gelijk aan temperatuur x flowrate.
Is beetje als soldeerbout temperatuur kiezen. Er gaat lang mythe rond dat je niet hoger dan zeg 300C mag solderen omdat in de chip package specs/datasheets dingen staan als max 300C for 10 sec. Maar dat je bout staat ingesteld op 300C wilt nog niet zeggen dat je soldering die temperatuur bereikt. Een gemiddelde print heeft hele goede hitte afvoer met alle aanwezige koper(lagen) e.d. En soms kan je geen goed contact maken met de soldeerpunt waardoor hogere temperatuur simpelweg noodzakelijk is. Maar andere keren vervliegt daarmee de soldeerflux letterlijk binnen enkele seconden, dan is lagere temperatuur weer beter. Enz.
Hoge temperatuur op lage flow (of vice versa) is dan beetje zo'n zelfde trade-off. Voordat de print zodanig is opgewarmd dat die beschadigd kan raken ofzo ben je vaak wel klaar met reflowen.
Zo'n pre-heat plate zat ik zelf ook aan te denken, maar nog geen keuze gemaakt tov de mini varianten. Maar gebruik je zo'n grotere plate dan om helemaal te reflowen, of enkel preheaten en dan hot air om de tin naar soldeertemperatuur te tillen? Dat laatste koelt namelijk wel sneller af. En lijkt mij makkelijker dan printen van zo'n plate af te moeten schuiven terwijl alle tin nog vloeibaar is.
Maar zo'n reflow profiel zoals zo'n mini kan doen, zou ook ideaal zijn.
Toch is die trade-off een stuk makkelijker met goed soldeergereedschap.Hans1990 schreef op maandag 11 augustus 2025 @ 13:53:
[...]
Is beetje als soldeerbout temperatuur kiezen. Er gaat lang mythe rond dat je niet hoger dan zeg 300C mag solderen omdat in de chip package specs/datasheets dingen staan als max 300C for 10 sec. Maar dat je bout staat ingesteld op 300C wilt nog niet zeggen dat je soldering die temperatuur bereikt. Een gemiddelde print heeft hele goede hitte afvoer met alle aanwezige koper(lagen) e.d. En soms kan je geen goed contact maken met de soldeerpunt waardoor hogere temperatuur simpelweg noodzakelijk is. Maar andere keren vervliegt daarmee de soldeerflux letterlijk binnen enkele seconden, dan is lagere temperatuur weer beter. Enz.
Heb op mijn werk meerdere JBC soldeerbouten met actieve punt en die hoef ik echt niet hoger in te stellen dan 325~350 graden.
Ik kan daarom ook iedereen een TS101 of vergelijkbaar aanraden. Heb thuis een Hakko FX-888D staan en dat is vaak toch een beetje behelpen.
Hangt een beetje af wat je er mee doet.Zo'n pre-heat plate zat ik zelf ook aan te denken, maar nog geen keuze gemaakt tov de mini varianten. Maar gebruik je zo'n grotere plate dan om helemaal te reflowen, of enkel preheaten en dan hot air om de tin naar soldeertemperatuur te tillen? Dat laatste koelt namelijk wel sneller af. En lijkt mij makkelijker dan printen van zo'n plate af te moeten schuiven terwijl alle tin nog vloeibaar is.
Maar zo'n reflow profiel zoals zo'n mini kan doen, zou ook ideaal zijn.
Als je zelf pasta op de printen doet en ze in 1x reflowt tijdens assemblage, kun je prima in één keer een print reflowen met zo'n hotplate.
Voor reparatie of vervanging van componenten vind ik het niet zo'n goed idee om alles te reflowen. Dan zet ik de hotplate op ~125*C. Veel consumenten electronica wordt ook nog geassembleerd met wave soldering en die componenten smelten meestal tijdens reflow.
Zelf vervang ik vooral componenten en dan gebruik ik hem vooral om het massavlak 100 graden op te warmen en dan doe ik de rest met de hot air.
If you do not change direction, you may end up where you are heading
Met voorverwarming via een verwarmingsplaat merk je gewoon dat het solderen van grote objecten of kopervlakken (SMD power FET's) een stuk makkelijker en dus sneller gaat zonder te lang een te hoge temperatuur te gebruiken..
Fokking hoerige kut-package 

Echt, werkelijk niet te doen
Te veel soldeer -> mwhehe, ik short met 't pad ernaast
Te weinig soldeer -> hahaha, ik ga lekker geen verbinding met de PCB maken
Grblbmlbm..
Ik ben nu met m'n 2e PCB bezig, 2 van die krengen per PCB.. Ik had er 10 besteld, maar ik heb er nu nog maar 3 op voorraad
(OK, toegegeven, ook eentje doorgefikt doordat de uitgangs-condensatoren van de buck converter die ervoor zat niet in het circuit gesoldeerd zaten en ik dus -3 tot 12 V over de LDO had staan.. Vond 'ie niet leuk
Maar ook een aantal gewoonweg gemold door al het gehannes, vanmiddag miste eentje opeens een complete pad
)


Echt, werkelijk niet te doen
Te veel soldeer -> mwhehe, ik short met 't pad ernaast
Te weinig soldeer -> hahaha, ik ga lekker geen verbinding met de PCB maken
Grblbmlbm..
Ik ben nu met m'n 2e PCB bezig, 2 van die krengen per PCB.. Ik had er 10 besteld, maar ik heb er nu nog maar 3 op voorraad
Dat soort rijstkorrels mag JLCPCB mooi voor mij doen
Mitsubishi externe temperatuur sensor (Home Assistant compatible): V&A - ClimaControl - Ook voor Panasonic & LG.
Mja, ik vind 't niet zo'n chill idee dat je je complete BOM bij hun moet aanschaffen, inclusief alle aantallen die je niet nodig hebt vanwege de bijv. minimum aan te schaffen hoeveelheid van 100 stuks. 't Is niet zo dat je kunt zeggen "Zeg JLCPCB, stuur mij die aangeschafte componenten even op, want ik doe het zelf wel."LED-Maniak schreef op maandag 11 augustus 2025 @ 22:56:
Dat soort rijstkorrels mag JLCPCB mooi voor mij doen
M'n versie v1.2 krijgt iig LDO's van 2x2 mm

DFN is ietsjes makkelijker te solderen gok ik zo
Thermisch ook stukken beter overigens.. Die NCP167BMX330TBG werden bloedheet, ook al ging er echt niet zo heel erg veel stroom doorheen
[ Voor 8% gewijzigd door Osiris op 11-08-2025 23:12 ]
Probeer elecrow eens. Die sturen je alle componenten en PCB's die ze overhouden. Ze zijn flexibeler dan JLC en je mag zelf je onderdelen aanleveren, of ze bestellen ze bij mouser/farnell/etc. Tijdens corona konden ze leveren wat ik zelf niet kon bestellen(en ja het waren originele onderdelenOsiris schreef op maandag 11 augustus 2025 @ 23:09:
[...]
Mja, ik vind 't niet zo'n chill idee dat je je complete BOM bij hun moet aanschaffen, inclusief alle aantallen die je niet nodig hebt vanwege de bijv. minimum aan te schaffen hoeveelheid van 100 stuks. 't Is niet zo dat je kunt zeggen "Zeg JLCPCB, stuur mij die aangeschafte componenten even op, want ik doe het zelf wel."
JLC doet dat niet, die bestelt inderdaad het minimum wat te krijgen is via LCSC en een paar extra en die krijg je er niet bij.
Bij JLC kan je trouwens ook je eigen componenten aanleveren, maar het lijkt allemaal wat meer gedoe.
Enige reden dat ik naar JLC ga is vooral luiheid. Alles gaat zo prachtig automatisch.
Bij Elecrow is het meer mailen/whatsappen en duurt het een dag langer.
Mitsubishi externe temperatuur sensor (Home Assistant compatible): V&A - ClimaControl - Ook voor Panasonic & LG.
Is een feature. Self-soldering regulator is dat.Osiris schreef op maandag 11 augustus 2025 @ 23:09:
Die NCP167BMX330TBG werden bloedheet, ook al ging er echt niet zo heel erg veel stroom doorheen
Ik heb zelf ook goede ervaringen met Aisler. Die zijn misschien niet prijs technisch even goedkoop. Maar na productierun sturen ze in de doos ook alle overgebleven onderdelen mee. Voor hun is een reel met maar 5 onderdelen er op immers afval, maar die kunnen maar net handig zijn voor reparaties, patches of nieuwe protos.
Geen idee hoe het uit kan om al die onderdelen op reels te laten bestellen... Tenminste.. deel komt ook los op tape, dus of ze hebben goede PnPs die dat kunnen oppakken, of een paar trouwe werknemers die niet heel veel koffie mogen drinken. Gelukkig had ik het met een productierun ze niet te moeilijk gemaakt door 0603s te gebruiken.
Vziw kan je bij Aisler ook e.e.a zelf aanleveren, maar heb ik zelf geen ervaring mee. Hun BOM systeem is redelijk goed geautomatiseerd (ik heb in mijn Kicad library overal MPNs achter hangen dus dat wordt automatisch opgepikt), en ze halen veel bij Mouser, Digikey e.d. vandaan.
Geen idee hoe het uit kan om al die onderdelen op reels te laten bestellen... Tenminste.. deel komt ook los op tape, dus of ze hebben goede PnPs die dat kunnen oppakken, of een paar trouwe werknemers die niet heel veel koffie mogen drinken. Gelukkig had ik het met een productierun ze niet te moeilijk gemaakt door 0603s te gebruiken.
Vziw kan je bij Aisler ook e.e.a zelf aanleveren, maar heb ik zelf geen ervaring mee. Hun BOM systeem is redelijk goed geautomatiseerd (ik heb in mijn Kicad library overal MPNs achter hangen dus dat wordt automatisch opgepikt), en ze halen veel bij Mouser, Digikey e.d. vandaan.
[ Voor 5% gewijzigd door Hans1990 op 11-08-2025 23:31 ]
Ik zal hier eens naar kijken, maar ik betwijfel of zij 8 layer bordjes met een shitload aan via-in-pads voor een paar euro aanbiedenHans1990 schreef op maandag 11 augustus 2025 @ 23:30:
Ik heb zelf ook goede ervaringen met Aisler.
Tussen al het kundige praktsiche handwerk hierboven door is het misschien leuk om even naar een programmeer puzzeltje te kijken ? Niet dat ik erop vastloop maar gewoon uit nieuwsgierigheid waar hier de storing zit. Ben er zelf meerdere uren mee bezig geweest maar ik heb hiervoor nog te weinig programmeer kennis. Deze pagina bevat drie interrupt voorbeelden, twee ervan werken goed zowel in Simulide als in het echt op breadboard; alleen de eerste Serial Interrupt is niet gelukt:
https://embetronicx.com/t...f877a-interrupt-tutorial/
Daarbij zit een Github
https://github.com/Embetr...nterrupt/Serial_Interrupt
waarvan ik de volgende drie files in MPLab 5.45 heb gezet en gecompileerd:
https://github.com/Embetr...t/Serial_Interrupt/code.c
https://github.com/Embetr...pt/Serial_Interrupt/lcd.h
https://github.com/Embetr...Serial_Interrupt/serial.h
Om #include<pic.h> te kunnen gebruiken is een DFP instelling van 1.2.33 nodig op XC8 V2.20.
Om void interrupt ser() gecompileerd te krijgen heb ik het aangepast tot void __interrupt() ser(void).
Het programma werkt zo dat indien er een toets wordt ingedrukt er tekst op een LCD HD44780 verschijnt dat weer verdwijnt via cmd(0x01); // Clear Display na een tijdje via delay;delay; totdat er weer een toets wordt ingedrukt, enz. De maker gebruikt Proteus maar die heb ik niet met PIC vergunning vandaar dat ik Simulide heb als alternatief. En op breadboard natuurlijk maar in het algemeen kan wel gesteld worden dat indien het in Simulide werkt het ook op breadboard werkt.
:strip_exif()/f/image/hdK9nl6GlxQ2k6wCFpJSTavx.jpg?f=fotoalbum_large)
Toets O ingedrukt maar de interrupt wordt niet aangesproken
Ik ben met debug door het programma gestapt en de registers nageplozen volgens het datablad van de PIC16F877A
https://ww1.microchip.com...nts/DataSheets/39582C.pdf
INTCON code.c pagina 24
PIE1 code.c pagina 25
TXSTA serial.h pagina 111
RCSTA serial.h pagina 112
SPBRG serial.h pagina 113
RCREG serial.h en code.c pagina 118
PIR1 die de vlaggen TXIF en RCIF bevat op pagina 26
In de comments onder het hoofdartikel staat trouwens dat dit Read-only is en dat deze regels dus geen effect zouden hebben?
TXIF=RCIF=0; en is zowel in code.c als in serial.h te vinden.
lcd.h bevat geen registers maar wel commands die hier terug te vinden zijn
https://www.8051projects.net/lcd-interfacing/commands.php
0x80 staat voor positie 0 op regel 1.
0xC0 staat voor positie 0 op regel 2, 0xC8 staat voor positie 8 op regel 2
Deze regel in serial.h vind ik wat vreemd
TRISC6=TRISC7=1; waardoor zowel pin TX als RX op input worden gezet, maar goed, er hoeft niets ontvangen te worden op de Terminal dus ik neem aan dat dit geen foutje is. Een aangebrachte wijziging hierin had geen effect. Hier een pin-out van het IC dat hetzelfde is als in Simulide.
https://images.theenginee...duction-to-PIC16F877a.png
Mocht iemand het leuk vinden om de code te bekijken en eventueel een tip kan geven over iets wat er te proberen valt dan hoor ik het graag
***************************************************************************** Edit:
:strip_exif()/f/image/9eMeqQjreC4NScZG6FPDm70N.jpg?f=fotoalbum_large)
Doet het ineens
Na enkele dagen
__CONFIG( FOSC_HS & WDTE_OFF & PWRTE_OFF & CP_OFF & BOREN_ON & LVP_OFF & CPD_OFF & WRT_OFF & DEBUG_OFF);
vervangen met :
Maar dat maakte geen verschil volgens mij. Soms is lastig te bepalen wat het precies is want kan ook een combinatie van zijn geweest. Zo werd Delay 2x defined in code.c en lcd.h dus heb in code.c er delay2 van gemaakt om de warning eruit te krijgen.
TXIF=RCIF=0; commented in code.c hielp aanvankelijk ook niet, pas nadat ik een zelfde regel in serial.h commented had kwam het LCD, dus de interrupt op gang
Mijn comments op het scherm waren ooit net zo grijs als het code blokje hierboven maar dat is aangepast
:strip_exif()/f/image/lgqzro0KlBXQCJ1wILQ1YsmJ.jpg?f=fotoalbum_large)
via Tools > Options > Fonts & Colors > Comment
*************************
SPBRG pagina 114 op decimaal 31 gezet voor 9600 bij 20 MHz want een 11.0592 MHz kristal heb ik niet en #define _XTAL_FREQ 20000000 en HTerm als serial terminal erbij geopend.
Helaas geen reactie IRL bij de breadboard opstelling maar dat zou eventueel door gammele draadjes kunnen komen
:strip_exif()/f/image/3kbQ9AWotgrN4kEOPcLylAv1.jpg?f=fotoalbum_large)
**********************
Edit3
Bleek inderdaad aan gammele aansluitingen te liggen, in het breadboard zelf
Heb een tweede IC besteld als een controleboardje ernaast. Gaat veel tijd inzitten dat eigenlijk verloren tijd is op wat ervaring krijgen met foutzoeken na.
.
https://embetronicx.com/t...f877a-interrupt-tutorial/
Daarbij zit een Github
https://github.com/Embetr...nterrupt/Serial_Interrupt
waarvan ik de volgende drie files in MPLab 5.45 heb gezet en gecompileerd:
https://github.com/Embetr...t/Serial_Interrupt/code.c
https://github.com/Embetr...pt/Serial_Interrupt/lcd.h
https://github.com/Embetr...Serial_Interrupt/serial.h
Om #include<pic.h> te kunnen gebruiken is een DFP instelling van 1.2.33 nodig op XC8 V2.20.
Om void interrupt ser() gecompileerd te krijgen heb ik het aangepast tot void __interrupt() ser(void).
Het programma werkt zo dat indien er een toets wordt ingedrukt er tekst op een LCD HD44780 verschijnt dat weer verdwijnt via cmd(0x01); // Clear Display na een tijdje via delay;delay; totdat er weer een toets wordt ingedrukt, enz. De maker gebruikt Proteus maar die heb ik niet met PIC vergunning vandaar dat ik Simulide heb als alternatief. En op breadboard natuurlijk maar in het algemeen kan wel gesteld worden dat indien het in Simulide werkt het ook op breadboard werkt.
:strip_exif()/f/image/hdK9nl6GlxQ2k6wCFpJSTavx.jpg?f=fotoalbum_large)
Toets O ingedrukt maar de interrupt wordt niet aangesproken

Ik ben met debug door het programma gestapt en de registers nageplozen volgens het datablad van de PIC16F877A
https://ww1.microchip.com...nts/DataSheets/39582C.pdf
INTCON code.c pagina 24
PIE1 code.c pagina 25
TXSTA serial.h pagina 111
RCSTA serial.h pagina 112
SPBRG serial.h pagina 113
RCREG serial.h en code.c pagina 118
PIR1 die de vlaggen TXIF en RCIF bevat op pagina 26
In de comments onder het hoofdartikel staat trouwens dat dit Read-only is en dat deze regels dus geen effect zouden hebben?
TXIF=RCIF=0; en is zowel in code.c als in serial.h te vinden.
lcd.h bevat geen registers maar wel commands die hier terug te vinden zijn
https://www.8051projects.net/lcd-interfacing/commands.php
0x80 staat voor positie 0 op regel 1.
0xC0 staat voor positie 0 op regel 2, 0xC8 staat voor positie 8 op regel 2
Deze regel in serial.h vind ik wat vreemd
TRISC6=TRISC7=1; waardoor zowel pin TX als RX op input worden gezet, maar goed, er hoeft niets ontvangen te worden op de Terminal dus ik neem aan dat dit geen foutje is. Een aangebrachte wijziging hierin had geen effect. Hier een pin-out van het IC dat hetzelfde is als in Simulide.
https://images.theenginee...duction-to-PIC16F877a.png
Mocht iemand het leuk vinden om de code te bekijken en eventueel een tip kan geven over iets wat er te proberen valt dan hoor ik het graag
***************************************************************************** Edit:
:strip_exif()/f/image/9eMeqQjreC4NScZG6FPDm70N.jpg?f=fotoalbum_large)
Doet het ineens
__CONFIG( FOSC_HS & WDTE_OFF & PWRTE_OFF & CP_OFF & BOREN_ON & LVP_OFF & CPD_OFF & WRT_OFF & DEBUG_OFF);
vervangen met :
C:
1
2
3
4
5
6
7
8
9
10
11
12
13
14
| #pragma config FOSC = HS // Oscillator Selection bits (HS oscillator) #pragma config WDTE = OFF // Watchdog Timer Enable bit (WDT disabled) #pragma config PWRTE = OFF // Power-up Timer Enable bit (PWRT disabled) #pragma config BOREN = ON // Brown-out Reset Enable bit (BOR enabled) #pragma config LVP = OFF // Low-Voltage (Single-Supply) In-Circuit Serial Programming Enable bit (RB3 is digital I/O, HV on MCLR must be used for programming) #pragma config CPD = OFF // Data EEPROM Memory Code Protection bit (Data EEPROM code protection off) #pragma config WRT = OFF // Flash Program Memory Write Enable bits (Write protection off; all program memory may be written to by EECON control) #pragma config CP = OFF // Flash Program Memory Code Protection bit (Code protection off) // #pragma config statements should precede project file includes. // Use project enums instead of #define for ON and OFF. #include <xc.h> #define _XTAL_FREQ 11059200 |
Maar dat maakte geen verschil volgens mij. Soms is lastig te bepalen wat het precies is want kan ook een combinatie van zijn geweest. Zo werd Delay 2x defined in code.c en lcd.h dus heb in code.c er delay2 van gemaakt om de warning eruit te krijgen.
TXIF=RCIF=0; commented in code.c hielp aanvankelijk ook niet, pas nadat ik een zelfde regel in serial.h commented had kwam het LCD, dus de interrupt op gang
Mijn comments op het scherm waren ooit net zo grijs als het code blokje hierboven maar dat is aangepast
:strip_exif()/f/image/lgqzro0KlBXQCJ1wILQ1YsmJ.jpg?f=fotoalbum_large)
via Tools > Options > Fonts & Colors > Comment
*************************
SPBRG pagina 114 op decimaal 31 gezet voor 9600 bij 20 MHz want een 11.0592 MHz kristal heb ik niet en #define _XTAL_FREQ 20000000 en HTerm als serial terminal erbij geopend.
Helaas geen reactie IRL bij de breadboard opstelling maar dat zou eventueel door gammele draadjes kunnen komen
:strip_exif()/f/image/3kbQ9AWotgrN4kEOPcLylAv1.jpg?f=fotoalbum_large)
**********************
Edit3
Bleek inderdaad aan gammele aansluitingen te liggen, in het breadboard zelf
Heb een tweede IC besteld als een controleboardje ernaast. Gaat veel tijd inzitten dat eigenlijk verloren tijd is op wat ervaring krijgen met foutzoeken na.
.
[ Voor 29% gewijzigd door kitao op 14-08-2025 03:31 . Reden: typo ]
Edit 5
Eindelijk, na een uurtje of 20 gehannes verdeeld over een dag of vier is er dan beeld
:strip_exif()/f/image/dyFSYALT0yU9Ux2J6kVMsNKG.jpg?f=fotoalbum_large)
Nieuw breadboard bleek nodig en toen dat "in bedrijf" was genomen bleek het rode display aan gort te zijn; waarschijnlijk door het steeds opnieuw bedraden ermee om iets in beeld te krijgen. Storing op storing, als een rijtje dominosteentjes
Zonder Logic Analyzer was het waarschijnlijk niet rond gekomen hoewel dat natuurlijk niet de enige testmethode is. Het display kan bijvoorbeeld ook met een Arduino Hello World worden getest maar zoals gezegd, dat was niet de enige hindernis: Code én IC-breadboard én LCD besloten gezamenlijk flink wat roet in het eten te gooien.
L.A. o.a. hier te krijgen, met installatie tips
https://www.tinytronics.n...ic-analyzer-8-channel-usb
********************************* edit6
Ter controle een poort-blink erin geflasht, of alle pinnetjes het wel overleefd hebben ... of niet
Niet te zien maar van PoortA dat hieronder brandt bleef pin RA4/Tokkie/C1Out uit. Dat blijkt zo te horen en was al te zien in Simulide.
Genoemde pin is namelijk een open drain dat volgens de co-piloot :
When RA4 is set as a digital output via the TRISA register: The output is open-drain by design.
You must provide an external pull-up resistor (or rely on another device pulling it up) if you want it to produce a logic high.
:strip_exif()/f/image/nIPYqilfPTQRfpyzDnHdhLhW.jpg?f=fotoalbum_large)
:strip_exif()/f/image/6q9UHkE21075ytG6HgYW8W7J.jpg?f=fotoalbum_large)
Simulide is een prima hulpmiddel voor dit soort testjes al speelt hier ook wel wat nostalgie in mee. Verstandiger zou zijn om het bij modernere boardjes te houden, zoals bijvoorbeeld een XPlained Mini of een Curiosity Nano in een experimenteer board geklikt, maar ja, ik vind het meestal wel leuk om met jumpers te rommelen, als het niet teveel tegenzit
https://simulide.com/p/
.
Eindelijk, na een uurtje of 20 gehannes verdeeld over een dag of vier is er dan beeld
:strip_exif()/f/image/dyFSYALT0yU9Ux2J6kVMsNKG.jpg?f=fotoalbum_large)
Nieuw breadboard bleek nodig en toen dat "in bedrijf" was genomen bleek het rode display aan gort te zijn; waarschijnlijk door het steeds opnieuw bedraden ermee om iets in beeld te krijgen. Storing op storing, als een rijtje dominosteentjes
Zonder Logic Analyzer was het waarschijnlijk niet rond gekomen hoewel dat natuurlijk niet de enige testmethode is. Het display kan bijvoorbeeld ook met een Arduino Hello World worden getest maar zoals gezegd, dat was niet de enige hindernis: Code én IC-breadboard én LCD besloten gezamenlijk flink wat roet in het eten te gooien.
L.A. o.a. hier te krijgen, met installatie tips
https://www.tinytronics.n...ic-analyzer-8-channel-usb
********************************* edit6
Ter controle een poort-blink erin geflasht, of alle pinnetjes het wel overleefd hebben ... of niet
Niet te zien maar van PoortA dat hieronder brandt bleef pin RA4/Tokkie/C1Out uit. Dat blijkt zo te horen en was al te zien in Simulide.
Genoemde pin is namelijk een open drain dat volgens de co-piloot :
When RA4 is set as a digital output via the TRISA register: The output is open-drain by design.
You must provide an external pull-up resistor (or rely on another device pulling it up) if you want it to produce a logic high.
:strip_exif()/f/image/nIPYqilfPTQRfpyzDnHdhLhW.jpg?f=fotoalbum_large)
:strip_exif()/f/image/6q9UHkE21075ytG6HgYW8W7J.jpg?f=fotoalbum_large)
Simulide is een prima hulpmiddel voor dit soort testjes al speelt hier ook wel wat nostalgie in mee. Verstandiger zou zijn om het bij modernere boardjes te houden, zoals bijvoorbeeld een XPlained Mini of een Curiosity Nano in een experimenteer board geklikt, maar ja, ik vind het meestal wel leuk om met jumpers te rommelen, als het niet teveel tegenzit

https://simulide.com/p/
.
[ Voor 40% gewijzigd door kitao op 15-08-2025 19:33 . Reden: link toegevoegd ]
Lang niet hier geweest, maar ik heb weer eens iets vreemds waar ik niet helemaal uit kom. Hopelijk kan iemand mij hier helpen.
Enige tijd geleden ging de warmtepomp voor mijn zwembadje kapot. Er bleek vocht in het bedieningspaneeltje te zijn gekomen, waardoor dat niet meer lekker functioneerde.
:strip_exif()/f/image/v80rXMV31uyFwZ9NTmlHc3e2.jpg?f=fotoalbum_large)
:strip_exif()/f/image/4DxECwNkhvuYFLET8AWQ8Bch.jpg?f=fotoalbum_large)
Let niet op de connectie voor de kabel, daar had ik wat problemen met desolderen.
Een nieuwe bestellen vond ik overdreven duur: € 90,- + € 14,- verzendkosten voor een, naar mijn idee, redelijk eenvoudige module, dus ben ik zelf maar aan de slag gegaan om deze te vervangen door een ESP32 om daarmee de TM1628 te emuleren.
Inmiddels heb ik mijn ESP32 zo ver dat ie netjes een website draait en ook de data van de warmtepomp netjes ontvangen. De pomp stuurt continue commando's voor het display en daarna eentje om een keyscan uit te voeren. En dat laatste wil dus niet lukken. Mijn logic analyzer laat het keyscan commando zien en daarna 5 bytes aan clock-pulsen voordat STB weer laag wordt. Volgens de datasheet van de TM1628 zou deze maximaal 16 knoppen ondersteunen (8x2), dus ik vraag me al af waar die 5 bytes vandaan komen. Ik zou er dan maximaal vier verwachten. Voor alle zekerheid heb ik mijn software een keer 40 knoppen laten tonen en kan ik daarmee ook netjes elke bit in die 5 bytes op 1 zetten. Maar het apparaat reageert niet.
Ik heb ook met een multimeter even gecheckt aan welke pinnen de power-button hangt op de originele module. Deze lijkt de pinnen 5 (K1) en 17 (SEG10) kort te sluiten bij indrukken. SEG10 wordt in de datasheet echter niet genoemd als een pin om een knop aan te hangen.
De andere knoppen hangen overigens aan pin 6 (K2) en 17 (SEG10) en tussen pin 6 (K2) en 16 (SEG9). Daar kan ik sowieso niets mee testen totdat ik de powerbutton een keer werkend heb gehad.
Iemand enig idee wat ik moet terugsturen om het apparaat op de powerknop te kunnen laten reageren? Het lijkt alsof ze bij deze module iets vreemds doet, wat ik niet terugvindt in de datasheet.
Enige tijd geleden ging de warmtepomp voor mijn zwembadje kapot. Er bleek vocht in het bedieningspaneeltje te zijn gekomen, waardoor dat niet meer lekker functioneerde.
:strip_exif()/f/image/v80rXMV31uyFwZ9NTmlHc3e2.jpg?f=fotoalbum_large)
:strip_exif()/f/image/4DxECwNkhvuYFLET8AWQ8Bch.jpg?f=fotoalbum_large)
Let niet op de connectie voor de kabel, daar had ik wat problemen met desolderen.

Een nieuwe bestellen vond ik overdreven duur: € 90,- + € 14,- verzendkosten voor een, naar mijn idee, redelijk eenvoudige module, dus ben ik zelf maar aan de slag gegaan om deze te vervangen door een ESP32 om daarmee de TM1628 te emuleren.
Inmiddels heb ik mijn ESP32 zo ver dat ie netjes een website draait en ook de data van de warmtepomp netjes ontvangen. De pomp stuurt continue commando's voor het display en daarna eentje om een keyscan uit te voeren. En dat laatste wil dus niet lukken. Mijn logic analyzer laat het keyscan commando zien en daarna 5 bytes aan clock-pulsen voordat STB weer laag wordt. Volgens de datasheet van de TM1628 zou deze maximaal 16 knoppen ondersteunen (8x2), dus ik vraag me al af waar die 5 bytes vandaan komen. Ik zou er dan maximaal vier verwachten. Voor alle zekerheid heb ik mijn software een keer 40 knoppen laten tonen en kan ik daarmee ook netjes elke bit in die 5 bytes op 1 zetten. Maar het apparaat reageert niet.
Ik heb ook met een multimeter even gecheckt aan welke pinnen de power-button hangt op de originele module. Deze lijkt de pinnen 5 (K1) en 17 (SEG10) kort te sluiten bij indrukken. SEG10 wordt in de datasheet echter niet genoemd als een pin om een knop aan te hangen.
De andere knoppen hangen overigens aan pin 6 (K2) en 17 (SEG10) en tussen pin 6 (K2) en 16 (SEG9). Daar kan ik sowieso niets mee testen totdat ik de powerbutton een keer werkend heb gehad.
Iemand enig idee wat ik moet terugsturen om het apparaat op de powerknop te kunnen laten reageren? Het lijkt alsof ze bij deze module iets vreemds doet, wat ik niet terugvindt in de datasheet.
[ Voor 3% gewijzigd door maikel op 16-08-2025 12:56 ]
Misschien helpt dit iets? https://github.com/maxint...aster/src/TM1628.cpp#L149
Het lijkt er op dat ze 4 buttons per byte encoderen, op bit 0 en 3 van elke byte voor K1 rij, en bit 1 en 4 voor K2 rij. Ik neem aan dat de rest dan don't care is.
Dat er dan 5 bytes zijn zou kunnen verklaren waarom SEG10 toch als tiende kolom wordt gebruikt.
De datasheet is er echter beetje vaag over. Maar dat is wel vaker zo.. veel knip en plak werk en niet altijd alles wordt netjes up-to-date gehouden.
Het lijkt er op dat ze 4 buttons per byte encoderen, op bit 0 en 3 van elke byte voor K1 rij, en bit 1 en 4 voor K2 rij. Ik neem aan dat de rest dan don't care is.
Dat er dan 5 bytes zijn zou kunnen verklaren waarom SEG10 toch als tiende kolom wordt gebruikt.
De datasheet is er echter beetje vaag over. Maar dat is wel vaker zo.. veel knip en plak werk en niet altijd alles wordt netjes up-to-date gehouden.
@maikel
Wat ik er zover van begrijp is dat de TM1628 geen programmeerbaar IC is en dan zou de m.i. niet al te gecompliceerde schakeling kunnen worden gedupliceerd omdat er dan geen programma in hoeft te worden gezet. Jammer is daarbij wel dat er zover ik gezien heb geen DIP versie van is maar waarschijnlijk is er wel een adapterboard voor te vinden dat de pinnen makkelijker bereikbaar maakt zonder smd te solderen. Indien de duplicaat versie dan doorgrond is kan er eventueel een nieuw printje gemaakt worden. Heb je daar een schema van of zijn de 'tracks' met het oog te volgen?
Andere optie is misschien om de componenten die duidelijk aangetast zijn te vervangen, zoals de knoppen en de rest goed schoon te maken.
En net als Hans kan ik je een linkje geven dat mogelijk van pas komt.
https://www.onetransistor...ment-display-arduino.html
.
Wat ik er zover van begrijp is dat de TM1628 geen programmeerbaar IC is en dan zou de m.i. niet al te gecompliceerde schakeling kunnen worden gedupliceerd omdat er dan geen programma in hoeft te worden gezet. Jammer is daarbij wel dat er zover ik gezien heb geen DIP versie van is maar waarschijnlijk is er wel een adapterboard voor te vinden dat de pinnen makkelijker bereikbaar maakt zonder smd te solderen. Indien de duplicaat versie dan doorgrond is kan er eventueel een nieuw printje gemaakt worden. Heb je daar een schema van of zijn de 'tracks' met het oog te volgen?
Andere optie is misschien om de componenten die duidelijk aangetast zijn te vervangen, zoals de knoppen en de rest goed schoon te maken.
En net als Hans kan ik je een linkje geven dat mogelijk van pas komt.
https://www.onetransistor...ment-display-arduino.html
.
[ Voor 11% gewijzigd door kitao op 16-08-2025 13:48 . Reden: Correctie leesfout ]
Ik heb inderdaad het vermoeden dat die andere bytes gebruikt worden, ook al zegt de datasheet dat het om 8x2 knoppen gaat. Dat zou dan maar 4 bytes zijn.Hans1990 schreef op zaterdag 16 augustus 2025 @ 12:35:
Misschien helpt dit iets? https://github.com/maxint...aster/src/TM1628.cpp#L149
Het lijkt er op dat ze 4 buttons per byte encoderen, op bit 0 en 3 van elke byte voor K1 rij, en bit 1 en 4 voor K2 rij. Ik neem aan dat de rest dan don't care is.
Dat er dan 5 bytes zijn zou kunnen verklaren waarom SEG10 toch als tiende kolom wordt gebruikt.
De datasheet is er echter beetje vaag over. Maar dat is wel vaker zo.. veel knip en plak werk en niet altijd alles wordt netjes up-to-date gehouden.
Ik heb zojuist de software een loopje laten lopen langs alle bits en deze ook een korte tijd (~1s) laten vasthouden bij opvolgende scans. Tegelijk hield ik bij wat er op het display getoond zou moeten worden. En bij bit 35 zag ik ineens dat de data naar het display anders was!
Het lijkt er dus op dat bit 35 ervoor zorgt dat het apparaat aan- en uitgeschakeld wordt. Als ik dat nu met een knop vanuit de web UI probeer, hoor ik het apparaat ook schakelen. Ik vermoed dat er iets van een delay in zit waardoor het apparaat niet meteen reageert. Mogelijk voert ie ook eerst nog wat checks uit, want de ventilator gaat nog steeds niet aan.
Met bit 36 is het me ook al gelukt om de waarde op het display te verlagen. Dat is dus wellicht de 'down'-knop.
Die link is overigens om de TM1628 aan te sturen. Ik wil 'm juist emuleren en dus zelf als 'slave' fungeren.
Inmiddels ben ik dus al wat stapjes verder in het ontcijferen van de data en functies. Dat het een eenvoudige schakeling is, wat inderdaad wel duidelijk. Alleen het reverse engineren is toch wat lastiger dan ik dacht.kitao schreef op zaterdag 16 augustus 2025 @ 13:35:
@maikel
Wat ik er zover van begrijp is dat de TM1628 geen programmeerbaar IC is en dan zou de m.i. niet al te gecompliceerde schakeling kunnen worden gedupliceerd omdat er dan geen programma in hoeft te worden gezet. Jammer is daarbij wel dat er zover ik gezien heb geen DIP versie van is maar waarschijnlijk is er wel een adapterboard voor te vinden dat de pinnen makkelijker bereikbaar maakt zonder smd te solderen. Indien de duplicaat versie dan doorgrond is kan er eventueel een nieuw printje gemaakt worden. Heb je daar een schema van of zijn de 'tracks' met het oog te volgen?
Andere optie is misschien om de componenten die duidelijk aangetast zijn te vervangen, zoals de knoppen en de rest goed schoon te maken.
En net als Hans kan ik je een linkje geven dat mogelijk van pas komt.
https://www.onetransistor...ment-display-arduino.html
.
Ja, ik bedoelde eenvoudig als schema, niet zozeer als eenvoudig om weer werkend te krijgen.maikel schreef op zaterdag 16 augustus 2025 @ 13:56:
[...]
Inmiddels ben ik dus al wat stapjes verder in het ontcijferen van de data en functies. Dat het een eenvoudige schakeling is, was inderdaad wel duidelijk. Alleen het reverse engineren is toch wat lastiger dan ik dacht.
Ik vraag me ook af of reverse enigineeren nodig is, wat ik las in je OP was dat de print erg duur is (inderdaad bizar
Een losse TM kost ca.4 euro zag ik.
.
[ Voor 0% gewijzigd door kitao op 16-08-2025 14:14 . Reden: typo ]
Ja, dan zou ik de hele print opnieuw moeten maken. De chip zelf is, denk ik, gewoon in orde overigens. Het probleem is dat bij het desolderen de pads mee losgekomen zijn.kitao schreef op zaterdag 16 augustus 2025 @ 14:06:
[...]
Ja, ik bedoelde eenvoudig als schema, niet zozeer als eenvoudig om weer werkend te krijgen.
Ik vraag me ook af of reverse enigineeren nodig is, wat ik las in je OP was dat de print erg duur is (inderdaad bizar) en dat je de warmtepomp gewoon weer aan de gang wil krijgen. Dupliceren leek mij dan de weg te gaan omdat het circuit m.i. geheel hardware matig is en niet op software basis omdat er geen uC in zit.
Een loses TM kost ca.4 euro zag ik.

Maar ik heb zojuist alle knoppen weten te ontcijferen! Power = bit 35, up = bit 33 en down = bit 36.
Dat de ventilator (en het apparaat dus) niet inschakelde is overigens niet vreemd deze week: het was, vooral bij mij op zolder, zo warm dat de ingestelde temperatuur lager was dan de omgeving. Hij hoefde dus niets te doen.
Nu ik de up-button heb weten te achterhalen, kan ik de gewenste temperatuur verhogen en heb ik gemerkt dat de ventilator ook inschakelt. In principe zou ik hiermee het apparaat weer helemaal kunnen bedienen.

Ik weet alleen nog niet of ik alle gebruikte letters voor op het display (goed) heb gemapped. Momenteel heb ik 0-9, A, b, c, C, d, E en F. Maar volgens mij zijn er nog wat meer letters die gebruikt kunnen worden in foutcodes of het programmeren van het apparaat. Ik vermoed dat er nog wel een 'p' tussen zit ergens....
Lastig ja, ik had dat laatst ook met het desolderen van een elco, daarmee verwijderde ik dus ook meteen het padje.maikel schreef op zaterdag 16 augustus 2025 @ 14:14:
[...]
Ja, dan zou ik de hele print opnieuw moeten maken. De chip zelf is, denk ik, gewoon in orde overigens. Het probleem is dat bij het desolderen de pads mee losgekomen zijn.
Maar het dupliceren is een optie die geopperd werd zonder te weten waar jouw expertises liggen. Voor mij persoonlijk is zowel print dupliceren als softwarematig emuleren vrijwel niet te doen terwijl een ander zo'n printje binnen een uurtje KiCadt en verstuurt naar de printenboer. Wat ik wel opmaak uit jouw verslag, en goed dat je al flinke stappen hebt gemaakt
Ja dat snap ik, maar op afstand zo debuggen wordt lastig als we beide kanten van het systeem niet hebben (en waarschijnlijk moet je het ook doen met nog maar 1 kant werkend).maikel schreef op zaterdag 16 augustus 2025 @ 13:56:
[...]
Ik heb inderdaad het vermoeden dat die andere bytes gebruikt worden, ook al zegt de datasheet dat het om 8x2 knoppen gaat. Dat zou dan maar 4 bytes zijn.
Ik heb zojuist de software een loopje laten lopen langs alle bits en deze ook een korte tijd (~1s) laten vasthouden bij opvolgende scans. Tegelijk hield ik bij wat er op het display getoond zou moeten worden. En bij bit 35 zag ik ineens dat de data naar het display anders was!![]()
Het lijkt er dus op dat bit 35 ervoor zorgt dat het apparaat aan- en uitgeschakeld wordt. Als ik dat nu met een knop vanuit de web UI probeer, hoor ik het apparaat ook schakelen. Ik vermoed dat er iets van een delay in zit waardoor het apparaat niet meteen reageert. Mogelijk voert ie ook eerst nog wat checks uit, want de ventilator gaat nog steeds niet aan.
Met bit 36 is het me ook al gelukt om de waarde op het display te verlagen. Dat is dus wellicht de 'down'-knop.
Die link is overigens om de TM1628 aan te sturen. Ik wil 'm juist emuleren en dus zelf als 'slave' fungeren.
De datasheet is ook redelijk ambigu, dus dan wordt voorbeeldcode op Github dan 2nd source van info
Maar even zien.. bit 35 is dus byte 5, bit 3. Bit 3 is de tweede knop (en laatste knop) die wordt ingelezen van K1. De nummering is SEG1..10, dus dat je de power knop had doorgepiept naar SEG10&K1 klopt dan wel
Maar goed, de bits zo opzoeken en hardcoden lijkt me ook prima. Het hoeft geen generieke driver te zijn voor elke TM1628 zoals ik opstuur, je wilt immers gewoon het frontpaneltje clonen en met de juiste bits reageren op de controller.
Mooi dat het gelukt is
Het formaat maakt me inderdaad niet zoveel uit. Ik heb wel wat ruimte in die kast van de warmtepomp om een custom printje kwijt te kunnen. En zo veel zit er ook niet op als ik het hele paneeltje laat vervallen: stekker, level shifter, ESP32 (op een breakout-bordje) en een enkel weerstandje. Dan kan ik die unit gewoon via WIFI bedienen en eventueel zelfs aan mijn Homey koppelen.kitao schreef op zaterdag 16 augustus 2025 @ 14:32:
[...]
Lastig ja, ik had dat laatst ook met het desolderen van een elco, daarmee verwijderde ik dus ook meteen het padje.
Maar het dupliceren is een optie die geopperd werd zonder te weten waar jouw expertises liggen. Voor mij persoonlijk is zowel print dupliceren als softwarematig emuleren vrijwel niet te doen terwijl een ander zo'n printje binnen een uurtje KiCadt en verstuurt naar de printenboer. Wat ik wel opmaak uit jouw verslag, en goed dat je al flinke stappen hebt gemaakt, is dat het er niet zo zeer op aan komt wat het formaat van de print wordt, of dat die weer precies hetzelfde teruggebouwd moet worden ?
Yep, het was dus toch die byte die er volgens de datasheet niet zou zijn.Hans1990 schreef op zaterdag 16 augustus 2025 @ 15:39:
[...]
Ja dat snap ik, maar op afstand zo debuggen wordt lastig als we beide kanten van het systeem niet hebben (en waarschijnlijk moet je het ook doen met nog maar 1 kant werkend).
De datasheet is ook redelijk ambigu, dus dan wordt voorbeeldcode op Github dan 2nd source van infoGebeurd trouwens wel vaker met andere slecht gedocumenteerde chipsets.. LCD displays e.d. is ook een veel voorkomende bron van frustratie en verwarring..
Maar even zien.. bit 35 is dus byte 5, bit 3. Bit 3 is de tweede knop (en laatste knop) die wordt ingelezen van K1. De nummering is SEG1..10, dus dat je de power knop had doorgepiept naar SEG10&K1 klopt dan wel![]()
Maar goed, de bits zo opzoeken en hardcoden lijkt me ook prima. Het hoeft geen generieke driver te zijn voor elke TM1628 zoals ik opstuur, je wilt immers gewoon het frontpaneltje clonen en met de juiste bits reageren op de controller.
Mooi dat het gelukt is
Verder was het nog een punt dat ik via de seriele uitgang heel veel schreef als debuginformatie, wat de timings ook niet altijd ten goede kwam. Inmiddels heb ik 'm dus helemaal werken.
Nu de website nog wat netter maken....
Iemand hier ervaring met een CLC matching circuit ontwerpen voor een simpel ESP32/ESP8685 chipje naar een klein ceramisch antennetje?
Als ik gewoonweg ff 50 Ω in https://www.analog.com/en...-matching-calculator.html pleur bij een gemiddelde frequentie voor Bluetooth van 2440 MHz, dan zegt 'ie een onmeunig kleine C1 met femtofarad, dus die kunnen we vast negeren, en een heel klein inductortje van 0,6 à 0,7 nH. En dat laatste kun je idd wel in een simpel 0201 SMD-dingetje krijgen.
Op een vergelijkbaar bordje zie ik idd plek voor 2 condensatoren in het CLC-netwerkje, met dus alleen een inductortje op de PCB.
Iemand enig idee wat er gaat gebeuren als ik gewoon een 0,6/0,7 nH SMD-gevalletje op een simpel PCB-tje pleur?
Het hoeft maar een paar meter bereik te hebben
Als ik gewoonweg ff 50 Ω in https://www.analog.com/en...-matching-calculator.html pleur bij een gemiddelde frequentie voor Bluetooth van 2440 MHz, dan zegt 'ie een onmeunig kleine C1 met femtofarad, dus die kunnen we vast negeren, en een heel klein inductortje van 0,6 à 0,7 nH. En dat laatste kun je idd wel in een simpel 0201 SMD-dingetje krijgen.
Op een vergelijkbaar bordje zie ik idd plek voor 2 condensatoren in het CLC-netwerkje, met dus alleen een inductortje op de PCB.
Iemand enig idee wat er gaat gebeuren als ik gewoon een 0,6/0,7 nH SMD-gevalletje op een simpel PCB-tje pleur?
Ik vroeg naar het formaat met nog steeds in gedachten om zelf een vervangend printje proberen te maken of desnoods op breadboard met dezelfde componenten als in het origineel. Maar heel knap, jij hebt het met een MCU en met Wifi vervangen.maikel schreef op woensdag 20 augustus 2025 @ 23:06:
Het formaat maakt me inderdaad niet zoveel uit. Ik heb wel wat ruimte in die kast van de warmtepomp om een custom printje kwijt te kunnen. En zo veel zit er ook niet op als ik het hele paneeltje laat vervallen: stekker, level shifter, ESP32 (op een breakout-bordje) en een enkel weerstandje. Dan kan ik die unit gewoon via WIFI bedienen en eventueel zelfs aan mijn Homey koppelen.
[..]
Yep, het was dus toch die byte die er volgens de datasheet niet zou zijn.Ik ben toch wel blij met mijn Logic Analyzer!
Verder was het nog een punt dat ik via de seriele uitgang heel veel schreef als debuginformatie, wat de timings ook niet altijd ten goede kwam. Inmiddels heb ik 'm dus helemaal werken.
Nu de website nog wat netter maken....
Led segment-drivers vind ik altijd wel leuk om iets mee op te zetten maar SMD solderen kan ik niet. De TM1628 is een Sop-package en heb er een adapter voorbeeldje voor gevonden.
:no_upscale():strip_icc():strip_exif()/f/image/nOOZtNQ87I3yrvK5oJKmFhk3.jpg?f=user_large)
https://www.adafruit.com/product/1281 en https://www.adafruit.com/...20solderless%20breadboard.
Ik heb niet lang naar de TM1628 dataheet gekeken want ben met iets anders bezig maar ik houd deze chip in gedachten, bedankt voor het delen
Momenteel volg ik dit
https://mu.microchip.com/...pi-reference-for-pic-mcus
en heb deze korte video geprobeerd na te spelen, met een ander CNano boardje, de PIC18F57Q43.
https://ww1.microchip.com...UserGuide-DS40002186B.pdf
YouTube: MCC Melody UART Driver: Printf with Variable Counter
De video komt hier vandaan, hfdst. 3.9 :
MCC Melody API Reference for PIC16F/18F MCU Families ver. 24
Waar Glen Nilsen aan het eind slechts 7x Hello World in de Data Visualizer genereert verschijnt dat bij mij 3x 7x
:strip_exif()/f/image/qtzaFVUOV3xqxmYluL2uVHQp.jpg?f=fotoalbum_large)
Hoe komt dit, iemand enig idee?
Wat mij opvalt is dit in de Output :
Erasing...
The following memory area(s) will be programmed:
program memory: start address = 0x0, end address = 0x7f
program memory: start address = 0x2600, end address = 0x2dff
program memory: start address = 0x1ff80, end address = 0x1ffff
configuration memory
User Id Memory
Programming complete
Het schrijft drie geheugenblokken bij het programmeren ? Dat was mij nog niet eerder opgevallen en ligt het daar aan ?
Momenteel ben ik op zoek om de programmeer settings te vinden om het op 1 geheugenblok in te stellen maar dat zit meer verborgen als in Atmel Studio. Ik vermoed hier:
:strip_exif()/f/image/cYDDQCT2YRSwavk6FlkBgtd5.jpg?f=fotoalbum_large)
***********************************************
Ps, het data lawine overschot treedt op bij het flashen en de memory range aanpassen veranderde wel iets maar niet in positieve zin. Er zit geen reset knopje op het CNano-board maar heb met een draadje #MCLR=DBG3 heel kort aangetikt met GND. Volgens het schema zou dat moeten kunnen zonder de boel kort te sluiten want er zit een 47K pull-up op de #MCLR. Na het resetten verschijnt er 1x7 Hello World, zoals het hoort. Probleempje is dus opgelost
:strip_exif()/f/image/omXVOU36cq0sG4w0J3A1CVZN.jpg?f=fotoalbum_large)
***********************************************
[ Voor 14% gewijzigd door kitao op 21-08-2025 14:14 . Reden: link toegevoegd ]
chatgpt dump, laat maar achterwegen
[ Voor 99% gewijzigd door Intergalactic op 05-09-2025 10:58 ]
Even goed uitkijken of zo'n ceramic antenna ook echt 50Ohm is. Ik heb hier nog een dood project liggen met een EFR32MG22 en een chip antenne waar ik dat niet had gezienOsiris schreef op woensdag 20 augustus 2025 @ 23:19:
Iemand hier ervaring met een CLC matching circuit ontwerpen voor een simpel ESP32/ESP8685 chipje naar een klein ceramisch antennetje?
Als ik gewoonweg ff 50 Ω in https://www.analog.com/en...-matching-calculator.html pleur bij een gemiddelde frequentie voor Bluetooth van 2440 MHz, dan zegt 'ie een onmeunig kleine C1 met femtofarad, dus die kunnen we vast negeren, en een heel klein inductortje van 0,6 à 0,7 nH. En dat laatste kun je idd wel in een simpel 0201 SMD-dingetje krijgen.
Op een vergelijkbaar bordje zie ik idd plek voor 2 condensatoren in het CLC-netwerkje, met dus alleen een inductortje op de PCB.
Iemand enig idee wat er gaat gebeuren als ik gewoon een 0,6/0,7 nH SMD-gevalletje op een simpel PCB-tje pleur?Het hoeft maar een paar meter bereik te hebben

Maar dat terzijde, als ik 50Ohm naar 30R+10i invul (ESP32 QFN 6x6), dan kom ik uit op 1nH+1pF L-C (C naar ground), of 1.9pF+4.0nH C-L (L naar ground). Dan lijkt die laatste iets makkelijker om te bouwen. 0.6 of 1nH klinkt best wel erg klein.
Ik bestel een paar condensator waarden die er paar tiende pF onder de nominale waarde zitten. Een losse 0402 SMD pad kan al een paar tiende pF zijn afhankelijk van je PCB stackup. Daarmee ben ik altijd wel redelijk in de buurt gekomen van de berekeningen/simulaties.
Voor spoeltjes kan de sporen nog heel erg kort houden. Feitelijk de onderdelen zo dicht mogelijk op elkaar zetten.
Ik heb wel eens zo'n filter met 0.8pF condensator nodig gehad als streefwaarde. Tussen de keuze van 0.3 t/m 0.8pF uiteindelijk gesettled op 0.6pF met 0402+SOT-23 pads die overlapten voor zo min mogelijk capacitieve koppeling naar ground
Voor deze ESP32 moet de impedantie (en dus spanning) omlaag. 3.3V voltage swing over 30-35 Ohm is namelijk ongeveer 20dBm.
Idealiter kan je de impedanties op je PCB nameten met een VNA, maar het kost ook veel tijd en moeite om dat te doen.
(Voor die detector ben ik een week bezig geweest om continu onderdeeltjes te swappen om zodoende tal van combinaties te testen, in de hoop dat er 1 tussen zat die een paar tiende dB beter werkte)
edit:
Je kan ook eens kijken naar deze calculator: https://www.omnicalculator.com/other/impedance-matching
Die kan PI-filters berekenen.
Het voordeel van een PI filter ten opzichte van de L match is dat je een smalbandiger filter kan maken (mits je de Q niet te hoog maakt). Ik meen wel eens gelezen te hebben dat de ESP32 gewoon "hard" z'n voedingsrail op de antenne poort schakelt, waarmee het dus ook op harmonischen uitzendt van 2.4GHz.
Met zo'n PI filter kan je in ieder geval die impedance matching al killen zodat er zo min mogelijk van die energie wordt verzonden. Bij L-match lijkt de impedantie >2.4GHz vrij dicht bij 50Ohm te blijven liggen.
Je kan ook eens kijken naar deze calculator: https://www.omnicalculator.com/other/impedance-matching
Die kan PI-filters berekenen.
Het voordeel van een PI filter ten opzichte van de L match is dat je een smalbandiger filter kan maken (mits je de Q niet te hoog maakt). Ik meen wel eens gelezen te hebben dat de ESP32 gewoon "hard" z'n voedingsrail op de antenne poort schakelt, waarmee het dus ook op harmonischen uitzendt van 2.4GHz.
Met zo'n PI filter kan je in ieder geval die impedance matching al killen zodat er zo min mogelijk van die energie wordt verzonden. Bij L-match lijkt de impedantie >2.4GHz vrij dicht bij 50Ohm te blijven liggen.
[ Voor 11% gewijzigd door Hans1990 op 21-08-2025 02:02 ]
Handig en iets wat ik al veel eerder had moeten bestellen, jumpers met connectors
:strip_exif()/f/image/YSlVTk6NgXElE8ZE5BgTnovi.jpg?f=fotoalbum_large)
8x8 F to M, in alle varianten te verkrijgen, zo heb ik ze ook in 4x4 formaat.
De Uno geeft het kloksignaal via een 1K/2K spanningsverdeler aan de Altera MaxII EPM240T100C5 dat op zijn beurt de Leds aanstuurt als binairy counter.
https://startingelectroni...urse/tut7-binary-counter/
Op zich niet erg bijzonder, gewoon een counter, maar dit keer met een CPLD geprogrammeerd met Intel Quartus dus dat geeft de variatie smaak eraan.
Goede website en tot nu toe zonder problemen te reproduceren ook al gebruiken de makers ervan een zelf ontworpen experimenteerboard met een Xilinx XC9536XL en een ATtiny2313.
:no_upscale():strip_icc():strip_exif()/f/image/C8X9PPN42BuHEqS6dTYazvsq.jpg?f=user_large)
https://startingelectronics.org/projects/xilinx-CPLD-board/
Hoewel daar schema's van zijn en dat board dus nagebouwd kan worden is dat gelukkig niet nodig en voltstaat een breadboardje.
De complete hardware kan in principe zelfs geheel achterwege gelaten worden en kan het grafisch gesimuleerd worden. Daar volgt later nog een plaatje van indien dat gelukt is.
Helaas mislukt
:strip_exif()/f/image/LQDUT7vbFBkS2BYUbe8IwOqz.jpg?f=fotoalbum_large)
De CLK en de CLK_DIV heb ik een Force gegeven maar er verschijnt een # ** Warning: There is an 'U'|'X'|'W'|'Z'|'-' in an arithmetic operand, the result will be 'X'(es). dus de Count en de Led bewegen niet mee op het kloksignaal, daar is blijkbaar een testbench voor nodig want alleen als ik de Count forceer bewegen de Leds mee.
Ps, dit is hun ATtiny2313 code dat ook op de Uno draait
Ik kan het me niet zo goed herinneren of had het niet eerder geprobeerd, maar is het altijd al zo geweest dat je rechtstreeks C in de Arduino IDE kunt compileren ? Mooi meegenomen dan
.
:strip_exif()/f/image/YSlVTk6NgXElE8ZE5BgTnovi.jpg?f=fotoalbum_large)
8x8 F to M, in alle varianten te verkrijgen, zo heb ik ze ook in 4x4 formaat.
De Uno geeft het kloksignaal via een 1K/2K spanningsverdeler aan de Altera MaxII EPM240T100C5 dat op zijn beurt de Leds aanstuurt als binairy counter.
https://startingelectroni...urse/tut7-binary-counter/
Op zich niet erg bijzonder, gewoon een counter, maar dit keer met een CPLD geprogrammeerd met Intel Quartus dus dat geeft de variatie smaak eraan.
Goede website en tot nu toe zonder problemen te reproduceren ook al gebruiken de makers ervan een zelf ontworpen experimenteerboard met een Xilinx XC9536XL en een ATtiny2313.
:no_upscale():strip_icc():strip_exif()/f/image/C8X9PPN42BuHEqS6dTYazvsq.jpg?f=user_large)
https://startingelectronics.org/projects/xilinx-CPLD-board/
Hoewel daar schema's van zijn en dat board dus nagebouwd kan worden is dat gelukkig niet nodig en voltstaat een breadboardje.
De complete hardware kan in principe zelfs geheel achterwege gelaten worden en kan het grafisch gesimuleerd worden. Daar volgt later nog een plaatje van indien dat gelukt is.
Helaas mislukt
:strip_exif()/f/image/LQDUT7vbFBkS2BYUbe8IwOqz.jpg?f=fotoalbum_large)
De CLK en de CLK_DIV heb ik een Force gegeven maar er verschijnt een # ** Warning: There is an 'U'|'X'|'W'|'Z'|'-' in an arithmetic operand, the result will be 'X'(es). dus de Count en de Led bewegen niet mee op het kloksignaal, daar is blijkbaar een testbench voor nodig want alleen als ik de Count forceer bewegen de Leds mee.
Ps, dit is hun ATtiny2313 code dat ook op de Uno draait
C:
1
2
3
4
5
6
7
8
9
10
11
12
13
14
15
16
17
18
19
20
21
22
23
24
| #include <avr/io.h> void Delay(void); int main(void) { /* set PB4 as output */ DDRB |= (1 << PB4); while(1) { PORTB &= ~(1<<PB4); /* switch pin high */ Delay(); PORTB |= 1<<PB4; /* switch pin low */ Delay(); } return 0; } void Delay(void) { volatile unsigned int del = 0xFFFF; while (del--); } |
Ik kan het me niet zo goed herinneren of had het niet eerder geprobeerd, maar is het altijd al zo geweest dat je rechtstreeks C in de Arduino IDE kunt compileren ? Mooi meegenomen dan
.
[ Voor 35% gewijzigd door kitao op 25-08-2025 16:14 . Reden: Ps ]
PS2
Simulatie alsnog gelukt
maar met een flinke omweg. Heeft meerdere stappen nodig die teveel zijn om op te schrijven maar mocht iemand er vragen over hebben dan kan dat altijd.
Quartus wordt gedownload samen met twee simulatie opties, namelijk Modelsim en University Program Vector Wave File. Allebei gebruiken in 1 project geeft conflicten dus bepaalde files moeten worden uitgesloten van het project waar juist een andere gecreeerd moet worden. Het startpunt was de .VHD file van de website hierboven waarvan de Modelsim niet goed ging.
Diezelfde VHD file kan worden omgezet in een .BSF, block system file, als volgt:
:strip_exif()/f/image/oF4BH5GZAnsDYfDa9y2ot5Cm.jpg?f=fotoalbum_large)
en verschijnt er dit :
:strip_exif()/f/image/tU8cXvnSYeuStGVhurRPGAZE.jpg?f=fotoalbum_large)
Open vervolgens de VWF via File menu, stel wat dingen in, verwijder de -novopt uit de simulatie settings, overwrite de Clock en Run the functional simulation.
:strip_exif()/f/image/KsrOe0QqubRdG3RZz1AsaTLr.jpg?f=fotoalbum_large)
De Leds zijn geinverteerd maar het telt
Deze 3-pagina pdf beschrijft een gedeelte ervan:
https://mil.ufl.edu/3701/docs/quartus/Component_Creation.pdf
Een ander gedeelte ervan staat hier
kitao in "De EL-kroeg - Deel 4"
en in Introduction to Simulation of VHDL Designs:
https://dcenet.fel.cvut.c...Quartus_II_Simulation.pdf
En zo met al die plukjes bij elkaar gesprokkeld geeft het dan zo'n grafiek beeldje
.
Simulatie alsnog gelukt
Quartus wordt gedownload samen met twee simulatie opties, namelijk Modelsim en University Program Vector Wave File. Allebei gebruiken in 1 project geeft conflicten dus bepaalde files moeten worden uitgesloten van het project waar juist een andere gecreeerd moet worden. Het startpunt was de .VHD file van de website hierboven waarvan de Modelsim niet goed ging.
Diezelfde VHD file kan worden omgezet in een .BSF, block system file, als volgt:
:strip_exif()/f/image/oF4BH5GZAnsDYfDa9y2ot5Cm.jpg?f=fotoalbum_large)
en verschijnt er dit :
:strip_exif()/f/image/tU8cXvnSYeuStGVhurRPGAZE.jpg?f=fotoalbum_large)
Open vervolgens de VWF via File menu, stel wat dingen in, verwijder de -novopt uit de simulatie settings, overwrite de Clock en Run the functional simulation.
:strip_exif()/f/image/KsrOe0QqubRdG3RZz1AsaTLr.jpg?f=fotoalbum_large)
De Leds zijn geinverteerd maar het telt
Deze 3-pagina pdf beschrijft een gedeelte ervan:
https://mil.ufl.edu/3701/docs/quartus/Component_Creation.pdf
Een ander gedeelte ervan staat hier
kitao in "De EL-kroeg - Deel 4"
en in Introduction to Simulation of VHDL Designs:
https://dcenet.fel.cvut.c...Quartus_II_Simulation.pdf
En zo met al die plukjes bij elkaar gesprokkeld geeft het dan zo'n grafiek beeldje

.
[ Voor 12% gewijzigd door kitao op 27-08-2025 07:27 . Reden: link toegevoegd ]
Heeft er iemand ervaring met de handheld DSO's van Hantek of Owon? de 2 kanaals 70mhz/100 versies.
Ik doe tegenwoordig te weinig met electronica om er een echte goede oscilloscoop voor te kopen, maar er komt af en toe toch iets voorbij waar ik er wel een voor zou kunnen gerbuiken.
Nu ben ik me aan het oriënteren en ik was dus de verschillende hendhelds aan het bekijken, maar ondertussen twijfel ik ook alweer tussen een handheld of een instap model bench type (scope creep
). Als ik op eleshop kijk schelen een 100 mhz Owon handheld en een Rigol DS1102Z-E op het moment niet heel erg veel.
Klopt het dat Rigol kwalitatief een stap beter is dan Owon en Hantek? En hoe handig is een ingebouwde functiegenerator? want die mist bij die Rigol
Ik doe tegenwoordig te weinig met electronica om er een echte goede oscilloscoop voor te kopen, maar er komt af en toe toch iets voorbij waar ik er wel een voor zou kunnen gerbuiken.
Nu ben ik me aan het oriënteren en ik was dus de verschillende hendhelds aan het bekijken, maar ondertussen twijfel ik ook alweer tussen een handheld of een instap model bench type (scope creep
Klopt het dat Rigol kwalitatief een stap beter is dan Owon en Hantek? En hoe handig is een ingebouwde functiegenerator? want die mist bij die Rigol
@Anthor
Bedoel je deze twee?
https://www.eleshop.nl/owon-sds210s-oscilloscoop.html
https://www.eleshop.nl/rigol-ds1102z-e-oscilloscoop.html
Ik ben zelf al een tijdje aan het rondkijken voor een Usb-scope maar meestal heb ik aan een logic analyzer wel genoeg dus heb weinig haast ermee. En ik heb al een scoopje voor eenvoudige hobby toepassingen maar die is nogal traag. Wat ik wel belangrijk vind bij een scope is de grootte van het display en dan zie ik een verschil tussen die twee namelijk bij de Owon:
Er zijn USB-aansluitingen op de voor- en achterkant voor het exporteren van meetresultaten of het direct monitoren van de oscilloscoop met je PC
Bij de Rigol staat:
Met de interfaces kan deze oscilloscoop ook aangesloten worden op bijvoorbeeld een PC voor het overzetten van meetresultaten.
Dus Owon live op je PC-monitor en Rigol alleen achteraf op je monitor? Dan zou ik de Owon nemen want ik vind het wel fijn om alles goed overzichtelijjk op een groot scherm te hebben zonder een enorme oscilloscoop op de plank te hebben staan.
En een functiegenerator is natuurlijk altijd mooi meegenomen.
Bedoel je deze twee?
https://www.eleshop.nl/owon-sds210s-oscilloscoop.html
https://www.eleshop.nl/rigol-ds1102z-e-oscilloscoop.html
Ik ben zelf al een tijdje aan het rondkijken voor een Usb-scope maar meestal heb ik aan een logic analyzer wel genoeg dus heb weinig haast ermee. En ik heb al een scoopje voor eenvoudige hobby toepassingen maar die is nogal traag. Wat ik wel belangrijk vind bij een scope is de grootte van het display en dan zie ik een verschil tussen die twee namelijk bij de Owon:
Er zijn USB-aansluitingen op de voor- en achterkant voor het exporteren van meetresultaten of het direct monitoren van de oscilloscoop met je PC
Bij de Rigol staat:
Met de interfaces kan deze oscilloscoop ook aangesloten worden op bijvoorbeeld een PC voor het overzetten van meetresultaten.
Dus Owon live op je PC-monitor en Rigol alleen achteraf op je monitor? Dan zou ik de Owon nemen want ik vind het wel fijn om alles goed overzichtelijjk op een groot scherm te hebben zonder een enorme oscilloscoop op de plank te hebben staan.
En een functiegenerator is natuurlijk altijd mooi meegenomen.
Voor het meeste gebruik ik een DS202, een 2 kanaals handheld scoop. Doet geen hoge frequenties en mist een zooi handige functies maar functioneert goed voor een beetje signaal volgen en het zien van serieuze signaalvervorming. Voor hogere frequenties heb ik nog een 2 kanaals Tektronix 40MHz beeldbuis scoop. Een nieuwe staat ook op mijn wenslijstje maar kijk toch uit naar bv een Rigol DS1054 oid. Die 1054 is middels een firmware hack van 50MHz naar 100MHz bereik t zetten.
Voor mij is een triggerstart en een externe trigger belangrijk om te hebben.
@kitao
Heel eerlijk vind ik een USB scoop niets. Het is zeer slecht portable, je moet een hele PC opstarten om het even snel te gebruiken en zeker als je je scherm(en) vol hebt staan met schema's, datasheets en andere zaken die je erbij wilt hebben kan je niet nog een scoop erbij hebben.
Voor mij is een triggerstart en een externe trigger belangrijk om te hebben.
@kitao
Heel eerlijk vind ik een USB scoop niets. Het is zeer slecht portable, je moet een hele PC opstarten om het even snel te gebruiken en zeker als je je scherm(en) vol hebt staan met schema's, datasheets en andere zaken die je erbij wilt hebben kan je niet nog een scoop erbij hebben.
Klopt, dat zijn inderdaad nadelen al heb ik 2 schermen en beoefen ik mijn hobby altijd op dezelfde tafel aangezien micro's en cpld's weinig ruimte nodig hebben. Eigenlijk adviseerde ik ook geen Usb-scope maar een scope waarvan het display live naar een grotere monitor omgezet kan worden.Dat zal dan weer enige vertraging e.d. opleveren maar of dat storend is hangt van de toepassing af en kan vergeleken worden met het al ingebouwde display neem ik aan. Al met al, zonder de gebruiksaanwijzingen gelezen te hebben lijkt mij de Owen veelzijdiger, optie tot extern display en met een functiegenerator waar de Rigol allebei die opties lijkt te missen.memphis schreef op donderdag 28 augustus 2025 @ 10:44:
@kitao
Heel eerlijk vind ik een USB scoop niets. Het is zeer slecht portable, je moet een hele PC opstarten om het even snel te gebruiken en zeker als je je scherm(en) vol hebt staan met schema's, datasheets en andere zaken die je erbij wilt hebben kan je niet nog een scoop erbij hebben.
Voor de liefhebbers, hier een overzicht van de verschillende scopes
XYZs of Oscilloscopes Primer
https://www.tek.com/en/do...xyzs-oscilloscopes-primer
Die Rigol is upgradebaar naar 200MHz. Voor nog geen 250 euro is dat best leuk om te hebbben! (even googlen)
Ik heb hier zelf een DS1074Z-S staan. Die was 10+ jaar geleden 700 euro, omdat het een function generator heeft. Het is af en toe wel eens handig als je analoge signaaltjes nodig hebt, maar tegelijkertijd ook zeer beperkt. Ik kan er niet eens een 3.3V blokgolf signaal (3.3V amplitude en 1.65V offset) mee maken omdat de offset niet meer dan 1.5V mag zijn . Maar goed: 3V blokgolfjes werken vaak ook wel...
Kijkende naar de specs van Owon's AWG lijkt dat iets beter.. 3Vpp in 50Ohm betekent 6Vpp in HiZ. En +/-3V offset.
4 kanaals scope heeft wel altijd mijn voorkeur. Een ext trig is inderdaaad handig om te hebben, en hoewel je die met 4 kanaals kwijt raakt, krijg je die ook weer gratis cadeau als volledig signaal kanaal.
Vooral als je iets als een I2c bus plus ook nog eens een event wilt volgen heb je al 3 echte kanalen nodig.. En met Spi 4 of 5.
Je kan zoiets natuurlijk ook met een logic analyzer doen, maar die is weer niet handig als je wel eens wat vermogenselektronica gebruikt (bijvoorbeeld van H-brug meet je uitgang PWM, current sense output en de FAULT pin tegelijk).
Maar ik weet niet of je zoiets in je budget kan passen. Het is mooier maar kost wel meer..
En sja, handheld en USB scopes.. In theorie zou een USB scope goedkoper moeten zijn, omdat de grote behuizing, knoppenpanelen, scherm en rotary encoders kunnen worden vervangen met 1 USB chipset van paar euro. Maar de display engine met intensity graded display zitten in FPGAs tegenwoordig, en die zijn toegespitst op een bepaalde schermresolutie. De budget USB scopes missen dat weer; ze kunnen namelijk niet alle ADC data even naar de PC toe streamen.
Pluspunten? Signaal weergave op fijn groot scherm ipv turen op zo'n klein displaytje. Je kan waarschijnlijk ook makkelijker trace data exporteren e.d. uit de scoop. En als je wel eens buiten de deur knutselt is het ook wel handig.
Maar nadelen, precies wat memphis zei. En voor het display engine is USB een flinke beperking.
Voor handheld is er heel veel troep te koop. 1 kanaals niet aan beginnen. Scopes met paar K samplegeheugen zou ik persoonlijk ook niet aan beginnen, je bent dan continu tegen aliasing aan het aanboksen als je beetje uitzoomt op signalen om overzicht te krijgen. Scoop met veel samplegeheugen kan lekker snel blijven doorsamplen zodat je ook na single-shots nog goed kan inzoomen.
Met 2 deze specs vallen alle budget handhelds af. Een kleine benchtop scoop geeft echt veeeeel betere bang/buck..
Ik zou zo'n handheld enkel overwegen als tweede scoop voor er naast, wellicht vanwege portable of ruimtegebrek.
Ik heb hier zelf een DS1074Z-S staan. Die was 10+ jaar geleden 700 euro, omdat het een function generator heeft. Het is af en toe wel eens handig als je analoge signaaltjes nodig hebt, maar tegelijkertijd ook zeer beperkt. Ik kan er niet eens een 3.3V blokgolf signaal (3.3V amplitude en 1.65V offset) mee maken omdat de offset niet meer dan 1.5V mag zijn . Maar goed: 3V blokgolfjes werken vaak ook wel...
Kijkende naar de specs van Owon's AWG lijkt dat iets beter.. 3Vpp in 50Ohm betekent 6Vpp in HiZ. En +/-3V offset.
4 kanaals scope heeft wel altijd mijn voorkeur. Een ext trig is inderdaaad handig om te hebben, en hoewel je die met 4 kanaals kwijt raakt, krijg je die ook weer gratis cadeau als volledig signaal kanaal.
Vooral als je iets als een I2c bus plus ook nog eens een event wilt volgen heb je al 3 echte kanalen nodig.. En met Spi 4 of 5.
Je kan zoiets natuurlijk ook met een logic analyzer doen, maar die is weer niet handig als je wel eens wat vermogenselektronica gebruikt (bijvoorbeeld van H-brug meet je uitgang PWM, current sense output en de FAULT pin tegelijk).
Maar ik weet niet of je zoiets in je budget kan passen. Het is mooier maar kost wel meer..
En sja, handheld en USB scopes.. In theorie zou een USB scope goedkoper moeten zijn, omdat de grote behuizing, knoppenpanelen, scherm en rotary encoders kunnen worden vervangen met 1 USB chipset van paar euro. Maar de display engine met intensity graded display zitten in FPGAs tegenwoordig, en die zijn toegespitst op een bepaalde schermresolutie. De budget USB scopes missen dat weer; ze kunnen namelijk niet alle ADC data even naar de PC toe streamen.
Pluspunten? Signaal weergave op fijn groot scherm ipv turen op zo'n klein displaytje. Je kan waarschijnlijk ook makkelijker trace data exporteren e.d. uit de scoop. En als je wel eens buiten de deur knutselt is het ook wel handig.
Maar nadelen, precies wat memphis zei. En voor het display engine is USB een flinke beperking.
Voor handheld is er heel veel troep te koop. 1 kanaals niet aan beginnen. Scopes met paar K samplegeheugen zou ik persoonlijk ook niet aan beginnen, je bent dan continu tegen aliasing aan het aanboksen als je beetje uitzoomt op signalen om overzicht te krijgen. Scoop met veel samplegeheugen kan lekker snel blijven doorsamplen zodat je ook na single-shots nog goed kan inzoomen.
Met 2 deze specs vallen alle budget handhelds af. Een kleine benchtop scoop geeft echt veeeeel betere bang/buck..
Ik zou zo'n handheld enkel overwegen als tweede scoop voor er naast, wellicht vanwege portable of ruimtegebrek.
[ Voor 6% gewijzigd door Hans1990 op 28-08-2025 11:50 ]
Zo werkt het meestal niet.Osiris schreef op woensdag 20 augustus 2025 @ 23:19:
Iemand enig idee wat er gaat gebeuren als ik gewoon een 0,6/0,7 nH SMD-gevalletje op een simpel PCB-tje pleur?Het hoeft maar een paar meter bereik te hebben
Over het algemeen zijn zowel RF chips als RF antenne's ontworpen om te matchen op 50 ohm.
Wat meestal de beste aanpak is in dat geval: zowel de chip als de antenne matchen naar 50 ohm.
Volgens mij is de pin van de ESP8685 min of meer 50 ohm, dan zul je alleen de antenne moeten matchen.
Zolang je niet exact dezelfde maat PCB gebruikt als het evaluatie bord van de antenne, zul je waarschijnlijk niet dezelfde RF matching componenten kunnen gebruiken.
Enige manier om dan goed de matching componenten te bepalen is met een VNA.
Je zult dan een VNA moeten aansluiten op de antenne om de impedantie te kunnen meten. Meestal zet ik een pi-netwerk op een RF bord voor de matching. Zelden kom je dan uit op dezelfde waardes als voorgeschreven bij de antenne fabrikant. Soms moet je zelfs een hele andere topologie gebruiken.
Je kunt ook in CST, ADS of HFSS aan de slag om alles te simuleren. Maar meestal is dat meer werk dan het gewoon bouwen, rigid coax op je printje solderen, meten met VNA en matching netwerk bepalen.
If you do not change direction, you may end up where you are heading
Over Fpga's gesproken ... ben pas begonnen met Libero, zie kitao in "De EL-kroeg - Deel 4"
Na wat meer oefenen ermee is gebleken dat m.i. het beste de wat oudere versie 12.4 gebruikt kan worden met als simulator Modelsim 2019.4. Een video als deze is dan geheel na te spelen:
YouTube: How to Simulate a SmartDesign Project Using Libero® SoC Design Suite
Wel jammer dat de presentator ineens extern een file importeert waarvan geen code voor gegeven wordt maar geen nood, ik vroeg dat gewoon aan de copiloot met "I am looking for a Verilog code for a counter with clock, enable en reset inputs and 20 data_out outputs from 0 to 19 ?"
En dit kwam er uit:
Waarna de counter erin geplakt kon worden:
:strip_exif()/f/image/DxGqKDYR8eJWZAUw1H84EpY9.jpg?f=fotoalbum_large)
Handig want programma's of designs schrijven kan ik niet maar dat is tegenwoordig blijkbaar ook niet meer nodig zo te zien.
Zoals gezegd laat de gehele video zich daarna geheel na spelen en is dit de simulatie uitkomst op mijn scherm:
:strip_exif()/f/image/A8ga6etJZyFy9qNydvOWKBjY.jpg?f=fotoalbum_large)
Ik heb het al eerder genoemd maar er is echt een wereld van verschil met tekenen vergeleken tussen Libero en Quartus. Bij de eerste is de instapdrempel iets hoger - daarom vind je Microchip Libero waarschijnlijk ook nergens terug op dit forum - en ik heb nog geen budget boardjes en programmers ervoor gevonden om daadwerkelijk te programmeren maar de (freeware)software is in vergelijking met Intel Quartus toch een stukje beter.
.
Na wat meer oefenen ermee is gebleken dat m.i. het beste de wat oudere versie 12.4 gebruikt kan worden met als simulator Modelsim 2019.4. Een video als deze is dan geheel na te spelen:
YouTube: How to Simulate a SmartDesign Project Using Libero® SoC Design Suite
Wel jammer dat de presentator ineens extern een file importeert waarvan geen code voor gegeven wordt maar geen nood, ik vroeg dat gewoon aan de copiloot met "I am looking for a Verilog code for a counter with clock, enable en reset inputs and 20 data_out outputs from 0 to 19 ?"
En dit kwam er uit:
verilog:
1
2
3
4
5
6
7
8
9
10
11
12
13
14
15
| module counter ( input wire clk, // Clock input input wire en, // Enable input input wire rstn, // Synchronous reset output reg [19:0] data_out // 20-bit output ); always @(posedge clk) begin if (rstn) begin data_out <= 20'd0; // Reset to 0 end else if (en) begin data_out <= data_out + 20'd1; // Increment end end endmodule |
Waarna de counter erin geplakt kon worden:
:strip_exif()/f/image/DxGqKDYR8eJWZAUw1H84EpY9.jpg?f=fotoalbum_large)
Handig want programma's of designs schrijven kan ik niet maar dat is tegenwoordig blijkbaar ook niet meer nodig zo te zien.
Zoals gezegd laat de gehele video zich daarna geheel na spelen en is dit de simulatie uitkomst op mijn scherm:
:strip_exif()/f/image/A8ga6etJZyFy9qNydvOWKBjY.jpg?f=fotoalbum_large)
Ik heb het al eerder genoemd maar er is echt een wereld van verschil met tekenen vergeleken tussen Libero en Quartus. Bij de eerste is de instapdrempel iets hoger - daarom vind je Microchip Libero waarschijnlijk ook nergens terug op dit forum - en ik heb nog geen budget boardjes en programmers ervoor gevonden om daadwerkelijk te programmeren maar de (freeware)software is in vergelijking met Intel Quartus toch een stukje beter.
.
[ Voor 8% gewijzigd door kitao op 28-08-2025 14:24 ]
Ik keek naar bv deze handheld: https://www.eleshop.nl/te...andheld-oscilloscoop.htmlkitao schreef op donderdag 28 augustus 2025 @ 09:10:
@Anthor
Bedoel je deze twee?
https://www.eleshop.nl/owon-sds210s-oscilloscoop.html
https://www.eleshop.nl/rigol-ds1102z-e-oscilloscoop.html
Ik ben zelf al een tijdje aan het rondkijken voor een Usb-scope maar meestal heb ik aan een logic analyzer wel genoeg dus heb weinig haast ermee. En ik heb al een scoopje voor eenvoudige hobby toepassingen maar die is nogal traag. Wat ik wel belangrijk vind bij een scope is de grootte van het display en dan zie ik een verschil tussen die twee namelijk bij de Owon:
Er zijn USB-aansluitingen op de voor- en achterkant voor het exporteren van meetresultaten of het direct monitoren van de oscilloscoop met je PC
Bij de Rigol staat:
Met de interfaces kan deze oscilloscoop ook aangesloten worden op bijvoorbeeld een PC voor het overzetten van meetresultaten.
Dus Owon live op je PC-monitor en Rigol alleen achteraf op je monitor? Dan zou ik de Owon nemen want ik vind het wel fijn om alles goed overzichtelijjk op een groot scherm te hebben zonder een enorme oscilloscoop op de plank te hebben staan.
En een functiegenerator is natuurlijk altijd mooi meegenomen.
En deze van Rigol: https://www.eleshop.nl/rigol-ds1102z-e-oscilloscoop.html
Wat is i.h.a. het kwaliteitsverschil tussen Rigol en Owon? of is het ongeveer dezelfde electronica in een ander jasje? dat idee heb ik met de Hantek en Owon handhelds
Ik heb de handleiding van de Rigol gecheckt en als ik het goed begrijp is hij met de Sigma ultra software via LAN realtime uit te lezen en te bedienen.
Een USB variant spreekt me niet aan.
3,5 kilo klinkt voor mij ook draagbaarHans1990 schreef op donderdag 28 augustus 2025 @ 11:44:
Ik zou zo'n handheld enkel overwegen als tweede scoop voor er naast, wellicht vanwege portable of ruimtegebrek.
Maar een vierkanaals zou voor mij denk ik 2de hands moeten worden.
@Anthor
Waar ik het over had ging over de optie om via de Usb het al aanwezige display in feite te vergroten op je PC, of laptop. De Owon waarnaar je linkte heeft een displaytje van 10 cm en ik vind dat een nadeel. Wat ik er van lees op de Eleshop pagina is dat het een SCPI interface heeft, dat mij totaal onbekend is en dus heb ik het maar even aan de copiloot gevraagd. Die zegt het volgende:
The Owon HDS2102S handheld oscilloscope can transfer waveform data to a PC via its USB-C port, but it does not support real-time or live streaming of measurements to a computer.
Zonder naar de rest van de specificaties te kijken en zonder pilootcontrole of die uitspraak wel klopt lijkt mij deze handheld dan veelzijdiger, voor vrijwel dezelfde prijs, ook wat betreft vormgeving.
https://www.eleshop.nl/owon-sds210s-oscilloscoop.html
Overigens is een laptop ook geen 5 kilo
Waar ik het over had ging over de optie om via de Usb het al aanwezige display in feite te vergroten op je PC, of laptop. De Owon waarnaar je linkte heeft een displaytje van 10 cm en ik vind dat een nadeel. Wat ik er van lees op de Eleshop pagina is dat het een SCPI interface heeft, dat mij totaal onbekend is en dus heb ik het maar even aan de copiloot gevraagd. Die zegt het volgende:
The Owon HDS2102S handheld oscilloscope can transfer waveform data to a PC via its USB-C port, but it does not support real-time or live streaming of measurements to a computer.
Zonder naar de rest van de specificaties te kijken en zonder pilootcontrole of die uitspraak wel klopt lijkt mij deze handheld dan veelzijdiger, voor vrijwel dezelfde prijs, ook wat betreft vormgeving.
https://www.eleshop.nl/owon-sds210s-oscilloscoop.html
Overigens is een laptop ook geen 5 kilo
Dan lijkt mij de eerder genoemde Rigol voor bijna dezelfde prijs de betere keuze....
En wat is er mis met een 10cm scherm, mijn handheld is zelfs kleiner en heb helemaal geen spijt van de aankoop. Voor realtime signaal volgen (tot 200khz) kom ik een heel eind.
En wat is er mis met een 10cm scherm, mijn handheld is zelfs kleiner en heb helemaal geen spijt van de aankoop. Voor realtime signaal volgen (tot 200khz) kom ik een heel eind.
Zeker draagbaar.. maar handheld heeft een batterij.Anthor schreef op donderdag 28 augustus 2025 @ 18:16:
[...]
3,5 kilo klinkt voor mij ook draagbaar
Maar een vierkanaals zou voor mij denk ik 2de hands moeten worden.
Maar zoals ik zei, 4ch is nice to have. Duurdere toys zijn vrijwel altijd beter..
Even samenvattend van mijn vorige lange post betreffende de handhelds vs benchtop.
Grootste verschil is memory depth. Geheugendieptes in tot de tientallen Kpts is imo tech van 25+ jaar geleden. Als je bij Eleshop dus filtert op >=1Mpts geheugendiepte dan vallen al die goedkope handhelds af. De eerstvolgende is een MIcsig tablet achtig apparaat van 600+ euro.
Wat betreft gebruiksgemak is geheugendiepte een groot verschil. Voor simpele signaaltjes bekijken maakt dat niet zoveel uit. Maar al wil je een waveform kunnen pakken, stilzetten en dan inzoomen, dan is meer geheugen altijd beter.
Maar ik weet verder niet of je hier ooit tegen aan gaat lopen. Persoonlijk als fanatieke hobbyist maak ik er graag gebruik van
Ik denk dat voor Rigol wel veel meer community software beschikbaar is (als je bijvoorbeeld over USB/LAN er mee wilt babbelen)
Ik vindt van de benchtops zelf de DHO800/900 serie van Rigol erg fijn, redelijk compact, touchscreen, usb-c voeding (werkt ook met sommige powerbanks), prijs van de DHO802 is met 362,- euro wel hoger als de DS1102Z.
Op zich is er niets mis mee maar mijn suggestie om de optie te overwegen om signalen live op een externe monitor te kunnen overzetten komt voort uit de vraagstelling; namelijk wat beter is, de keuze tussen een batterij handheld of een stekker bench scope?memphis schreef op vrijdag 29 augustus 2025 @ 10:19:
Dan lijkt mij de eerder genoemde Rigol voor bijna dezelfde prijs de betere keuze....
En wat is er mis met een 10cm scherm, mijn handheld is zelfs kleiner en heb helemaal geen spijt van de aankoop. Voor realtime signaal volgen (tot 200khz) kom ik een heel eind.
[YouTube: Problem in stepper motor rpm controller.]
Dus toen dacht ik aan een tussenweg, oftewel een handheld met de optie om die aan je pc of laptop te kunnen koppelen.
Uiteraard ieder zijn mening maar een scope waar je naast het interne scherm een externe kunt aansluiten klinkt niet zinnig, zeker als het niet realtime is. Een 7" scherm is best groot genoeg om mee te werken. En natuurlijk ieder zo zijn idee en wensen maar niet veel mensen/bedrijven die met een scope werken doen iets met USB scopes of mini scopes met externe schermen.kitao schreef op vrijdag 29 augustus 2025 @ 13:00:
[...]
Op zich is er niets mis mee maar mijn suggestie om de optie te overwegen om signalen live op een externe monitor te kunnen overzetten komt voort uit de vraagstelling; namelijk wat beter is, de keuze tussen een batterij handheld of een stekker bench scope?
Dus toen dacht ik aan een tussenweg, oftewel een handheld met de optie om die aan je pc of laptop te kunnen koppelen.
Een merk waar ik ook naar zit te kijken: https://www.fnirsi.com/collections/oscilloscope
(gezien mijn onlangs aangeschafte hete lucht station)
Die 7" touchscreen versie is best veel scope voor weinig geld met een oscilloscope, spectrum analyzer, frequency response analyzer, and signal generator in one. https://www.fnirsi.com/products/dpos350p
Ik heb alleen niet het idee dat het Rigol kwaliteit is.
Toch wordt er met die optie geadverteerd, tenzij ik het verkeerd interpreteer.memphis schreef op vrijdag 29 augustus 2025 @ 14:08:
[...]
Uiteraard ieder zijn mening maar een scope waar je naast het interne scherm een externe kunt aansluiten klinkt niet zinnig, zeker als het niet realtime is. Een 7" scherm is best groot genoeg om mee te werken. En natuurlijk ieder zo zijn idee en wensen maar niet veel mensen/bedrijven die met een scope werken doen iets met USB scopes of mini scopes met externe schermen.
Een merk waar ik ook naar zit te kijken: https://www.fnirsi.com/collections/oscilloscope
(gezien mijn onlangs aangeschafte hete lucht station)
Die 7" touchscreen versie is best veel scope voor weinig geld met een oscilloscope, spectrum analyzer, frequency response analyzer, and signal generator in one. https://www.fnirsi.com/products/dpos350p
Ik heb alleen niet het idee dat het Rigol kwaliteit is.
Er zijn USB-aansluitingen op de voor- en achterkant voor het exporteren van meetresultaten of het direct monitoren van de oscilloscoop met je PC. De oscilloscoop heeft twee triggeropties, edge en video.
https://www.eleshop.nl/owon-sds210s-oscilloscoop.html
Het is mij te duur maar voordeel is nu wel dat ik van die optie af weet.
Goed kunnen triggeren op je signaal is best belangrijk. De Owon SDS210S volgens datasheet:
Dat is wel erg beperkt...
De Hantek DSO2D10 heeft dan meer triggers:
Maar toch weer de DS1102Z:
Mbt die Fnirsi: ziet er gelikt uit. Ik word alleen een kapotte langspeelplaat: maar 47Kpts memory.. En ook geen lijst van trigger opties..
Enkel die twee? Niet eens pulse width of slope?Single trigger has two types: edge trigger, video trigger

De Hantek DSO2D10 heeft dan meer triggers:
Opvallend dat er CAN en LIN tussen zit! Heeft ook decoders voor wat best grappig is. Loopt duidelijk voor op Owon.Edge, Pulse, Video, Slope, Overtime, Window, Pattern, Interval, Under Amp, UART, LIN, CAN, SPI, IIC
Maar toch weer de DS1102Z:
Naast de standaard edge trigger is pulse width bij mij het meest gebruikt. Nth edge vind ik zelf ook een hele fijne, want je kan dan langs alle klokpulsen van bijvoorbeeld een I2c of Spi transfer heen scrollen..Edge, Pulse, Video, Slope, Runt, Window, Nth edge, Pattern, Delay, Timeout, Duration, Setup/Hold, UART, I2C, SPI
Mbt die Fnirsi: ziet er gelikt uit. Ik word alleen een kapotte langspeelplaat: maar 47Kpts memory.. En ook geen lijst van trigger opties..
Zowiezo zou ik m.b.t. meetapparatuur ook Dave's reviews op eevblog/youtube even checken: https://www.eevblog.com/f...blet-oscilloscope-review/
Staan er nog meer op geloof ik, veel punten van @Hans1990 komen ook voorbij meen ik. Eigenlijk check ik eevblog bijna altijd voordat ik meetaparatuur koop
Staan er nog meer op geloof ik, veel punten van @Hans1990 komen ook voorbij meen ik. Eigenlijk check ik eevblog bijna altijd voordat ik meetaparatuur koop
Natuurlijk, een USB poortje is zo geknutselt in het ontwerp en handig voor bv realtime snapshots, het uitlezen van meetwaardes en eventueel een scripted bediening voor bv geautomatiseerde testen. Maar niet als een functioneel scherm.kitao schreef op vrijdag 29 augustus 2025 @ 14:43:
[...]
Toch wordt er met die optie geadverteerd, tenzij ik het verkeerd interpreteer.
Er zijn USB-aansluitingen op de voor- en achterkant voor het exporteren van meetresultaten of het direct monitoren van de oscilloscoop met je PC. De oscilloscoop heeft twee triggeropties, edge en video.
https://www.eleshop.nl/owon-sds210s-oscilloscoop.html
Het is mij te duur maar voordeel is nu wel dat ik van die optie af weet.
Remote bediening voor oa. scripted tests is een breed gebruik van een USB poort op ieder beetje geavanceerd meetapparatuur. Zo kan ook mijn zelfbouw (modules) labvoeding ook via een PC bediend en uitgelezen worden, niet dat ik het gebruik....
Ik denk dat het doornemen van de manual meer info over de mogelijkheden geeft, misschien vanavond er even voor zitten. Het grote assortiment low budged apparatuur dat dit merk kent geeft geen vertrouwen. Het wil niet zeggen dat het slecht voor de hobbyist is maar als je net iets beter wilt zal dit denk ik niet het merk zijn. Overigens belangrijk voor mijn bezigheden is een start/stop trigger al voldoende.Hans1990 schreef op vrijdag 29 augustus 2025 @ 14:53:
Mbt die Fnirsi: ziet er gelikt uit. Ik word alleen een kapotte langspeelplaat: maar 47Kpts memory.. En ook geen lijst van trigger opties..
Ik kreeg er laatst een LCR meter van in mjin handen geduwd: https://www.eleshop.nl/fn...limme-lcr-smd-pincet.html
Ik was nog niet zo onder de indruk van. Het meet wel iets maar sprong soms alle kanten op. Het kon ook aan de slechte/brede contact punten liggen. Echter zulk klein spul probeerde ik er niet eens mee te meten.. 0603 had het al moeite mee. Passives die echt in-circuit zaten met halfgeleiders erbij wou eigenlijk helemaal niet.
Tevens de user interface was erg verwarrend. Ik kon wel menu's in maar niet uit.. en display gaf 1k aan (frequentie) maar geen duidelijke manier om die te wijzigen.
Echter heb ik er maar paar minuten mee gespeeld.
Ze kunnen de brochure nog zo mooi maken.. Natuurlijk verkopen MHz en schermpixels wel, en dat heeft mijn 70MHz DS1074Z allemaal niet, maar ik heb liever een goede scopebasis met beperkte bandbreedte dan eentje die 500MHz kan maar niet fatsoenlijk kan triggeren ofzo.
Echter tenslotte is "iets beter dan niets" ook weer waar
Van Fnirsi laatst wel wat reviews van hun mobiele soldeerboutjes gezien, en die kwamen er relatief goed van af. Het kan ook niet anders dat er meerdere designteams bij Fnirsi zitten, aangezien ze voor vrijwel alle meet instrument categorie wel iets maken.
Ik was nog niet zo onder de indruk van. Het meet wel iets maar sprong soms alle kanten op. Het kon ook aan de slechte/brede contact punten liggen. Echter zulk klein spul probeerde ik er niet eens mee te meten.. 0603 had het al moeite mee. Passives die echt in-circuit zaten met halfgeleiders erbij wou eigenlijk helemaal niet.
Tevens de user interface was erg verwarrend. Ik kon wel menu's in maar niet uit.. en display gaf 1k aan (frequentie) maar geen duidelijke manier om die te wijzigen.
Echter heb ik er maar paar minuten mee gespeeld.
Ze kunnen de brochure nog zo mooi maken.. Natuurlijk verkopen MHz en schermpixels wel, en dat heeft mijn 70MHz DS1074Z allemaal niet, maar ik heb liever een goede scopebasis met beperkte bandbreedte dan eentje die 500MHz kan maar niet fatsoenlijk kan triggeren ofzo.
Echter tenslotte is "iets beter dan niets" ook weer waar
Van Fnirsi laatst wel wat reviews van hun mobiele soldeerboutjes gezien, en die kwamen er relatief goed van af. Het kan ook niet anders dat er meerdere designteams bij Fnirsi zitten, aangezien ze voor vrijwel alle meet instrument categorie wel iets maken.
[ Voor 5% gewijzigd door Hans1990 op 29-08-2025 16:11 ]
Echt? Dit gaat over de DS1054z serie? Is dit een hardware mod? Kan er zo even niks over vinden. Ik ken alleen de 100 MHz software hack.Hans1990 schreef op donderdag 28 augustus 2025 @ 11:44:
Die Rigol is upgradebaar naar 200MHz. Voor nog geen 250 euro is dat best leuk om te hebbben! (even googlen)
Nog een leuk weetje over Rigol: zij waren ooit de OEM fabrikant van een low-end Agilent scoop. De naam Rigol was terug te vinden in de firmware image van die Agilent scoop.
Ook Siglent heeft de laatste jaren flinke stappen gemaakt. En check inderdaad de EEVblog reviews op youtube. Rigol en Siglent heb ik zelf hoger staan in kwaliteit dan Owon en Hantek, maar goed, uiteindelijk is het een kwestie van specs vergelijken. Helemaal eens met de opmerkingen over trigger opties en geheugendiepte. Als je veel met blokgolf signalen werkt (digitaal, microcontrollers) moet je in de gaten houden dat je scoop een ca. 10x hogere bandbreedte nodig heeft. Op een 100 MHz scoop ziet een blokgolf van ca. 10 MHz er nog min of meer als blok uit. Hogere frequenties blokgolf krijgen steeds flauwere flanken.
[ Voor 53% gewijzigd door Bas... op 29-08-2025 16:57 ]
Bedankt voor de toelichting, ben zo af en toe ook aan het rondkijken voor een oscilloscoop maar waarschijnlijk wordt dat dan een Usb-variant, of een hybride als je dat zo mag noemen. Dat komt denk ik omdat ik 95% met de computer software of firmware bezig ben en de andere 5% met hardware. Een paar jaar geleden was dat zelfs 100% maar heb de componenten toch weer uit de kelder gehaald. Het enige eigenlijk dat niet met een draadje met mijn laptops is verbonden zijn de multimeter en een labvoedinkje.memphis schreef op vrijdag 29 augustus 2025 @ 15:47:
Natuurlijk, een USB poortje is zo geknutselt in het ontwerp en handig voor bv realtime snapshots, het uitlezen van meetwaardes en eventueel een scripted bediening voor bv geautomatiseerde testen. Maar niet als een functioneel scherm.
Remote bediening voor oa. scripted tests is een breed gebruik van een USB poort op ieder beetje geavanceerd meetapparatuur. Zo kan ook mijn zelfbouw (modules) labvoeding ook via een PC bediend en uitgelezen worden, niet dat ik het gebruik....
Alleen nog eventjes sparen
:strip_exif()/f/image/d4xyZ5PmOttmgTJsUioO6eXf.jpg?f=fotoalbum_large)
Gedeeld door 25 komt dan meer in de buurt

Valt me wel op dat ik bij de specificaties geen geheugendiepte in Mpts of Kpts vermeld zie staan maar dat is dan zeker ter grootte van je harde schijf ofzo
https://www.reichelt.com/...CTYPE=private&LANGUAGE=en
.
[ Voor 16% gewijzigd door kitao op 30-08-2025 05:45 . Reden: Plaatje toegevoegd ]
Volgens datasheet heeft die Picoscope 128-512MPts. 500ms lang samplen op 1GS/s, mooi hoor 
@Bas... nee ik had het over de DS1102Z. En het is idd alleen de software hacks waar we het hier over hebben
En eens, Siglent is vaak ook een interessant alternatief zoals Rigol. Geniet van vergelijkbare community support mbt software. Prijs technisch soms ook voordeliger, al scheelt het soms weinig en krijg je er wel leuke extra features voor terug..
Op mijn oude werk hadden we een Siglent SDS2354X HD staan
4ch 350MHz, 200Mpts, 12-bit ADC en 70uVrms ruisvloer op volledige bandbreedte, en fijn 10" (touch)scherm. Dat was echt een zalig apparaat, maar.... kost ook even 3500 piek: https://www.eleshop.nl/siglent-sds2354x-hd-oscilloscoop.html
Rigol heeft ook wel alternatieven, maar om 1 of andere reden hebben ze gekozen om hun scopes te specialiseren naar analoog (DHO4000) of digitaal (MHO2000) werk.
Persoonlijk had ik het liefst best-of-both worlds gehad, dus dan is Siglent de veel logischere keuze. En nu zie ik ook dat er ook Uni-T en Micsig modellen tussen zijn gekomen. De keuze is reuze, zelfs voor dat geld. Het prijsverschil met een bekend merk als R&S is overigens wel echt opzienbarend. 3.5k is buiten hobby budget voor velen, maar even deze specs zoeken bij R&S op Eleshop vragen ze er bijna 16k voor
Maar goed ik veeg
weer even van mijn mond af. Wellicht voor over 10 jaar eindelijk betaalbaar.. terug naar reality en scopes die maar paar honderd euro mogen kosten.
@Bas... nee ik had het over de DS1102Z. En het is idd alleen de software hacks waar we het hier over hebben
En eens, Siglent is vaak ook een interessant alternatief zoals Rigol. Geniet van vergelijkbare community support mbt software. Prijs technisch soms ook voordeliger, al scheelt het soms weinig en krijg je er wel leuke extra features voor terug..
Op mijn oude werk hadden we een Siglent SDS2354X HD staan
Rigol heeft ook wel alternatieven, maar om 1 of andere reden hebben ze gekozen om hun scopes te specialiseren naar analoog (DHO4000) of digitaal (MHO2000) werk.
Persoonlijk had ik het liefst best-of-both worlds gehad, dus dan is Siglent de veel logischere keuze. En nu zie ik ook dat er ook Uni-T en Micsig modellen tussen zijn gekomen. De keuze is reuze, zelfs voor dat geld. Het prijsverschil met een bekend merk als R&S is overigens wel echt opzienbarend. 3.5k is buiten hobby budget voor velen, maar even deze specs zoeken bij R&S op Eleshop vragen ze er bijna 16k voor

Maar goed ik veeg
Ik ben voor de Rigol DS1102Z-E gegaan, bedankt voor input
Ik heb nog even getwijfeld en naar nog uitgebreidere modellen gekeken, maar ik denk dat ik de extra kanalen niet echt nodig ga hebben.
Ik heb nog even getwijfeld en naar nog uitgebreidere modellen gekeken, maar ik denk dat ik de extra kanalen niet echt nodig ga hebben.
Members only:
Alleen zichtbaar voor ingelogde gebruikers.
Inloggen
Ik heb een mhi SC-BIKn-E adapter en rc-ex1a remote gekocht voor mijn airco maar er zat geen kavel bij voor tussen de airco en de adapter. Kan iemand me vertellen welke connector dit is (het is niet jst-gh hoewel de pitch wel 1.25 zou kunnen zijn)
:strip_exif()/f/image/uYs1eytCnFLIAHFPxIrvWpvF.jpg?f=fotoalbum_large)
:strip_exif()/f/image/uYs1eytCnFLIAHFPxIrvWpvF.jpg?f=fotoalbum_large)
:strip_exif()/f/image/maytrqsSN5yVd3DpxDucxDw3.jpg?f=fotoalbum_large)
enphase 8300wp (3460 ZO, 2740 ZW, 2100 NO), 2x20 vacuümbuizen op 300l SWW, Panasonic WH-MXC12J9E8, gasloos sinds Juni 2022 Stromer st3 voor woon-werk
@LinuZZ
Hi, ik heb de connector geupload naar de quick response co-piloot
:no_upscale():strip_icc():strip_exif()/f/image/DOKlvHJ5X7ECvRgityjinZKh.jpg?f=user_large)
en kreeg dit antwoord:
Based on the visual details—white plastic housing, dual-row pin layout, and the compact footprint on the PCB—this connector closely resembles a JST PH series 2.0 mm pitch connector, commonly used in battery packs, small electronics, and embedded systems.
🔍 Key Identifiers:
White plastic housing with side latches or friction lock
Two rows of metal pins, likely 2.0 mm pitch
Mounted on PCB, suggesting it's a board-to-wire or board-to-board interface
Often used for low-power signal connections
🧩 Possible Alternatives:
If the pitch is slightly different or the locking mechanism varies, it could also be:
Molex PicoBlade (1.25 mm pitch)
Dupont-style header (2.54 mm pitch, though less common in dual-row)
Hirose DF series (used in compact consumer electronics)
To confirm the exact type, you could:
Measure the pin pitch (distance between centers of adjacent pins)
Count the total number of pins
Check for any part numbers or markings on the connector housing
If you want, I can help you find a matching plug or cable for it too. Just let me know how many pins it has or what device it's from!
Misschien dat iemand anders het wel zelf herkent en anders misschien een emailtje naar https://www.allekabels.nl/ of soortgelijk ?
Hi, ik heb de connector geupload naar de quick response co-piloot
:no_upscale():strip_icc():strip_exif()/f/image/DOKlvHJ5X7ECvRgityjinZKh.jpg?f=user_large)
en kreeg dit antwoord:
Based on the visual details—white plastic housing, dual-row pin layout, and the compact footprint on the PCB—this connector closely resembles a JST PH series 2.0 mm pitch connector, commonly used in battery packs, small electronics, and embedded systems.
🔍 Key Identifiers:
White plastic housing with side latches or friction lock
Two rows of metal pins, likely 2.0 mm pitch
Mounted on PCB, suggesting it's a board-to-wire or board-to-board interface
Often used for low-power signal connections
🧩 Possible Alternatives:
If the pitch is slightly different or the locking mechanism varies, it could also be:
Molex PicoBlade (1.25 mm pitch)
Dupont-style header (2.54 mm pitch, though less common in dual-row)
Hirose DF series (used in compact consumer electronics)
To confirm the exact type, you could:
Measure the pin pitch (distance between centers of adjacent pins)
Count the total number of pins
Check for any part numbers or markings on the connector housing
If you want, I can help you find a matching plug or cable for it too. Just let me know how many pins it has or what device it's from!
Misschien dat iemand anders het wel zelf herkent en anders misschien een emailtje naar https://www.allekabels.nl/ of soortgelijk ?
Ik heb al verschillende ai hulpjes geprobeerd maar geen van alle geven een goed resultaat. Het is een 5pins connector met aan beide zijden een veertje, pitch kan ik niet goed meten maar ik denk ergens tussen de 1 en 1.5mm.
Jst xh/gh heb ik al liggen, picoblade lijkt het niet te zijn en ook op de hirose connector vind ik via Google Images niet echt een overtuigende overeenkomst. Alles wat pinnen heeft lijkt me af te vallen
Jst xh/gh heb ik al liggen, picoblade lijkt het niet te zijn en ook op de hirose connector vind ik via Google Images niet echt een overtuigende overeenkomst. Alles wat pinnen heeft lijkt me af te vallen
enphase 8300wp (3460 ZO, 2740 ZW, 2100 NO), 2x20 vacuümbuizen op 300l SWW, Panasonic WH-MXC12J9E8, gasloos sinds Juni 2022 Stromer st3 voor woon-werk
Niet 100% overtuigd, maar: Molex Clik-Mate?
Lukt het ook niet de afstand tussen eerste en laatste pin te meten om de pitch te bepalen? Een rolmaat erlangs leggen en dan een foto van maken.
Lukt het ook niet de afstand tussen eerste en laatste pin te meten om de pitch te bepalen? Een rolmaat erlangs leggen en dan een foto van maken.
Not everybody wins, and certainly not everybody wins all the time.
But once you get into your boat, push off and tie into your shoes.
Then you have indeed won far more than those who have never tried.
Ik zou willen zeggen 6mm. Pitch 1.5 dus
Molex click mate past ook niet verwacht ik, de clip lijkt anders
Molex click mate past ook niet verwacht ik, de clip lijkt anders
enphase 8300wp (3460 ZO, 2740 ZW, 2100 NO), 2x20 vacuümbuizen op 300l SWW, Panasonic WH-MXC12J9E8, gasloos sinds Juni 2022 Stromer st3 voor woon-werk
Super bedankt! Precies wat ik zocht!
enphase 8300wp (3460 ZO, 2740 ZW, 2100 NO), 2x20 vacuümbuizen op 300l SWW, Panasonic WH-MXC12J9E8, gasloos sinds Juni 2022 Stromer st3 voor woon-werk
Afgelopen weekend liep mijn Libero licentie af, ik had Silver Free for een maand gekozen dus het hele ritueel moest opnieuw doorlopen worden
Aangezien het wmb kwaliteit software is volgen hier wat stappen om de hindernissen te vermijden. Dit is een vervolg op eerdere ervaringen ermee kitao in "De EL-kroeg - Deel 4"
Voor een Free Licentse aanvraag moet je eerst bij Microchip ingeschreven worden. Vervolgens kan hier de licentie worden aangevraagd https://www.microchip.com...sign-tools/fpga/licensing
Voor een enkele computer moet Node worden gekozen en geen Float. De License.dat file komt per email aan, bij mij duurde dat een dag. De dat.-file moet hier worden opgeslagen in een folder die je zelf aanmaakt C:\flexlm en dan wordt dus de inhoud ervan C:\flexlm\License.dat.
Ga vervolgens naar Libero Software Download https://www.microchip.com...o-software-later-versions en kies voor Archive Downloads.
Kies voor Download Libero SoC Design Suite v12.4 for Windows Web Installer.
In de installatie wizzard komt bij stap drie een vraag over de gewenste installatieflow (volgorde) , namelijk a. = installatie Libero, b. = Opzetten Licentie of c. = Allebei.
Kies C en na een uurtje downloaden dat 15 GByte in beslag neemt staat de software klaar voor gebruik.
:strip_exif()/f/image/uwzkhl4GpB4v3myEWGHRVkTM.jpg?f=fotoalbum_large)
Er zijn andere en nieuwere versies en de volgorde van licentie en software bemachtigen kan ook andersom maar ik heb gemerkt dat bovenstaande 'set-up' het minste problemen geeft met zowel de installatie als in het gebruik ervan. De software downloaden zonder licentie heeft overigens geen enkel nut, de download lukt wel maar de installatie niet.
Van belang is verder om de folder C:\flexlm op je interne harde schijf te zetten en niet op een externe D:
Libero zelf zou wel op een D: gezet kunnen worden maar de Licentie niet zo heb ik begrepen.
In het kort, vraag eerst de (1-jaar) licentie aan en download pas daarna de software en de installatie wizzard koppelt ze automatisch aan elkaar.
De simulatie opzet wordt in deze video getoond kitao in "De EL-kroeg - Deel 4" en
YouTube: How to Simulate a SmartDesign Project Using Libero® SoC Design Suite
De video in de link hierboven is na te spelen met precies dezelfde simulatie uitkomst. Het was even zoeken om dat goed te krijgen maar indien de rstn op counter_0 wordt geinverteerd zoals in het plaatje dan komt alles identiek in beeld.
:strip_exif()/f/image/MUTWZMjrKSBRm8sXrJaNE88i.jpg?f=fotoalbum_large)
:strip_exif()/f/image/RPnGWUEc1iQomQZaFq20NHC7.jpg?f=fotoalbum_large)
.

Voor een Free Licentse aanvraag moet je eerst bij Microchip ingeschreven worden. Vervolgens kan hier de licentie worden aangevraagd https://www.microchip.com...sign-tools/fpga/licensing
Voor een enkele computer moet Node worden gekozen en geen Float. De License.dat file komt per email aan, bij mij duurde dat een dag. De dat.-file moet hier worden opgeslagen in een folder die je zelf aanmaakt C:\flexlm en dan wordt dus de inhoud ervan C:\flexlm\License.dat.
Ga vervolgens naar Libero Software Download https://www.microchip.com...o-software-later-versions en kies voor Archive Downloads.
Kies voor Download Libero SoC Design Suite v12.4 for Windows Web Installer.
In de installatie wizzard komt bij stap drie een vraag over de gewenste installatieflow (volgorde) , namelijk a. = installatie Libero, b. = Opzetten Licentie of c. = Allebei.
Kies C en na een uurtje downloaden dat 15 GByte in beslag neemt staat de software klaar voor gebruik.
:strip_exif()/f/image/uwzkhl4GpB4v3myEWGHRVkTM.jpg?f=fotoalbum_large)
Er zijn andere en nieuwere versies en de volgorde van licentie en software bemachtigen kan ook andersom maar ik heb gemerkt dat bovenstaande 'set-up' het minste problemen geeft met zowel de installatie als in het gebruik ervan. De software downloaden zonder licentie heeft overigens geen enkel nut, de download lukt wel maar de installatie niet.
Van belang is verder om de folder C:\flexlm op je interne harde schijf te zetten en niet op een externe D:
Libero zelf zou wel op een D: gezet kunnen worden maar de Licentie niet zo heb ik begrepen.
In het kort, vraag eerst de (1-jaar) licentie aan en download pas daarna de software en de installatie wizzard koppelt ze automatisch aan elkaar.
De simulatie opzet wordt in deze video getoond kitao in "De EL-kroeg - Deel 4" en
YouTube: How to Simulate a SmartDesign Project Using Libero® SoC Design Suite
De video in de link hierboven is na te spelen met precies dezelfde simulatie uitkomst. Het was even zoeken om dat goed te krijgen maar indien de rstn op counter_0 wordt geinverteerd zoals in het plaatje dan komt alles identiek in beeld.
:strip_exif()/f/image/MUTWZMjrKSBRm8sXrJaNE88i.jpg?f=fotoalbum_large)
:strip_exif()/f/image/RPnGWUEc1iQomQZaFq20NHC7.jpg?f=fotoalbum_large)
.
[ Voor 22% gewijzigd door kitao op 04-09-2025 22:41 . Reden: link toegevoegd ]
Ik moest mijn P1 signaal splitsen voor een 2e device.
Met wat zoeken kwam een schema tegen met een 4009(https://www.ti.com/lit/ds/symlink/cd4010b.pdf ), en die had ik niet in mijn grabbelbak. maar wel een 4049 (https://www.ti.com/lit/ds/symlink/cd4049ub.pdf)
Dezelfde pinout, vergelijkbare werking, prima
Hij inverteert, en de meter is ook geinverteerd qua signaal, dus dat komt goed uit. Dat deed ik vroeger met een transistor.
Nu werkt het op zich, de p1 uitlezen sowieso.
Maar ik had vanochtend last dat de seriële uitlezing (FTDI kabeltje op home assistant) al kort na het aansluiten stopt.
Nu aan het meten gegaan, signaal ziet er aardig uit. Voor zover ik kon meten op de nanoscope. Gewoon 5V met bitjes elke seconde.
Naja, ik werd niets wijzer, seriële kabel in de laptop gestopt, kreeg elke seconde gegevens, het zal wel. Dus de boel terug gelegd, en nu gaat het goed
elke paar seconde nieuwe gegevens in Home Assistant.
Kortom, het zal dus wel wat verstoring zijn.
Heb nu niets aan filtering of afscherming gedaan.
Misschien twisted pair/afgeschermde kabel gebruiken? Verschillende devices in de meterkast hangen nu met groud aan elkaar, dus dat kan natuurlijk wat verstoring geven. Andwre optie is het inzetten van een optocoupler voor de seriële kabel.
Met wat zoeken kwam een schema tegen met een 4009(https://www.ti.com/lit/ds/symlink/cd4010b.pdf ), en die had ik niet in mijn grabbelbak. maar wel een 4049 (https://www.ti.com/lit/ds/symlink/cd4049ub.pdf)
Dezelfde pinout, vergelijkbare werking, prima
Hij inverteert, en de meter is ook geinverteerd qua signaal, dus dat komt goed uit. Dat deed ik vroeger met een transistor.
Nu werkt het op zich, de p1 uitlezen sowieso.
Maar ik had vanochtend last dat de seriële uitlezing (FTDI kabeltje op home assistant) al kort na het aansluiten stopt.
Nu aan het meten gegaan, signaal ziet er aardig uit. Voor zover ik kon meten op de nanoscope. Gewoon 5V met bitjes elke seconde.
Naja, ik werd niets wijzer, seriële kabel in de laptop gestopt, kreeg elke seconde gegevens, het zal wel. Dus de boel terug gelegd, en nu gaat het goed

Kortom, het zal dus wel wat verstoring zijn.
Heb nu niets aan filtering of afscherming gedaan.
Misschien twisted pair/afgeschermde kabel gebruiken? Verschillende devices in de meterkast hangen nu met groud aan elkaar, dus dat kan natuurlijk wat verstoring geven. Andwre optie is het inzetten van een optocoupler voor de seriële kabel.
Hallo allen, ik hoop dat ik hier op de goede plek mijn vraag stel.
Ik heb thuis een Philips Hue Ensis lamp hangen en die bestaat uit een bovenkant die kan branden en een onderkant die kan branden.
De onderkant werkt prima, helaas werkt de bovenkant niet mee. Bij het omzetten van de wandschakelaar flitst de bovenkant 1 keer en daarna gaat deze uit. In het verleden werkte de bovenkant wel door na een tijdje de lamp uit en direct weer aan te doen. Alsof de driver moest opwarmen...
Helaas werkt dat trucje niet meer. Als ik nu spanning meet bij de bovenste driver zie ik bij de flits de spanning even omhoog schieten, daarna is deze 0. Dus ik vermoed dat mijn driver kapot is. Helaas kan ik niet een directe vervangen vinden, dus ik ben nu op zoek naar een vervangende driver:
:strip_exif()/f/image/87RuyazXEwTNAxJrof7oP7KR.jpg?f=fotoalbum_large)
Dit zijn de specs. Nu mijn vraag, is dit een dimbare driver of niet? Het staat er niet expliciet op, maar mogelijk impliceert "constant voltage" dit?
De lamp zelf is dimbaar, maar ik weet niet of dat door de Hue "chip" later wordt geregeld of dat ik daar met een vervangende driver rekening mee moet houden.
Ik heb thuis een Philips Hue Ensis lamp hangen en die bestaat uit een bovenkant die kan branden en een onderkant die kan branden.
De onderkant werkt prima, helaas werkt de bovenkant niet mee. Bij het omzetten van de wandschakelaar flitst de bovenkant 1 keer en daarna gaat deze uit. In het verleden werkte de bovenkant wel door na een tijdje de lamp uit en direct weer aan te doen. Alsof de driver moest opwarmen...
Helaas werkt dat trucje niet meer. Als ik nu spanning meet bij de bovenste driver zie ik bij de flits de spanning even omhoog schieten, daarna is deze 0. Dus ik vermoed dat mijn driver kapot is. Helaas kan ik niet een directe vervangen vinden, dus ik ben nu op zoek naar een vervangende driver:
:strip_exif()/f/image/87RuyazXEwTNAxJrof7oP7KR.jpg?f=fotoalbum_large)
Dit zijn de specs. Nu mijn vraag, is dit een dimbare driver of niet? Het staat er niet expliciet op, maar mogelijk impliceert "constant voltage" dit?
De lamp zelf is dimbaar, maar ik weet niet of dat door de Hue "chip" later wordt geregeld of dat ik daar met een vervangende driver rekening mee moet houden.
Constant Voltage betekent dat er altijd dezelfde spanning uit komt, 24V (tot max 40W), deze 'dimt' dus niet, iets tussen de uitgang en de lamp zou dit moeten doen. Ik vermoed dat er een PWM circuit achter zit dat de intensiteit regelt. In principe kan je hier iedere 24V DC voeding voor gebruiken die minstens 40W aan kan.
Dat vermogen van 40 W kan ook aangegeven worden als een stroom van 1,67 A (40 W delen door 24 V). Meer dan 40 W of 1,67 A mag, minder niet.
Met dit soort drivers die een constante spanning geven wordt het verwarrend als je over een stroom gaat praten gezien er ook drivers zijn met een constante stroom. Het vermogen met de benodigde spanning is voldoende.Bas... schreef op vrijdag 26 september 2025 @ 22:07:
Dat vermogen van 40 W kan ook aangegeven worden als een stroom van 1,67 A (40 W delen door 24 V). Meer dan 40 W of 1,67 A mag, minder niet.
Maar dit is een Hue, dus die regelt zijn functies toch via het netwerk? In ieder geval zegt de constante spanning niet veel over of die wel of niet dimbaar is en bij een constante spanning van 24v is er een grote kans dat ook de LED's nog een eigen driver hebben en ook mee bepalen of de LED dimbaar is.
Ok bedankt. Ik ga een simpele driver bestellen en er tussen knutselen.
Ik hou jullie op de hoogte.
Ik hou jullie op de hoogte.
Enige tijd geleden heb ik hier gepost over Libero en verschillende versies ervan zoals 25.1 en 12.4 en dat bij versie 25.1 de Modelsim Pro simulator op slot zat en heb versie 25 verwijderd en ben verder gegaan met versie 12 en ModelSim 19.
Omdat ik misschien een kitje ga bestellen https://www.microchip.com...pment-tool/mpfs-disco-kit
:strip_exif()/f/image/U9KQZpbcb6nWEI4EeakxJgCR.jpg?f=fotoalbum_large)
leek het me toch verstandig om versie 25.1 opnieuw te downloaden via deze pagina:
https://www.microchip.com...o-software-later-versions
De gratis Silver License had ik al en heb deze keer de Webinstaller gedownload op een externe harde schijf.
Na uitpakken was Libero direkt te openen maar tot mijn verrassing is nu ook ineens de ModelSim ME Pro versie functioneel :
:strip_exif()/f/image/9vIutKhv398SakXWMSOv1xRQ.jpg?f=fotoalbum_large)
Hetgeen ik dus eerder postte over het niet kunnen simuleren bij Libero versie 25 zonder een extra Modelsim Pro Licentie te bemachtigen is hiermee gecorrigeerd.
Omdat ik misschien een kitje ga bestellen https://www.microchip.com...pment-tool/mpfs-disco-kit
:strip_exif()/f/image/U9KQZpbcb6nWEI4EeakxJgCR.jpg?f=fotoalbum_large)
leek het me toch verstandig om versie 25.1 opnieuw te downloaden via deze pagina:
https://www.microchip.com...o-software-later-versions
De gratis Silver License had ik al en heb deze keer de Webinstaller gedownload op een externe harde schijf.
Na uitpakken was Libero direkt te openen maar tot mijn verrassing is nu ook ineens de ModelSim ME Pro versie functioneel :
:strip_exif()/f/image/9vIutKhv398SakXWMSOv1xRQ.jpg?f=fotoalbum_large)
Hetgeen ik dus eerder postte over het niet kunnen simuleren bij Libero versie 25 zonder een extra Modelsim Pro Licentie te bemachtigen is hiermee gecorrigeerd.
Ik heb zojuist een GLP GPV-50-24 niet dimbare driver er tussen geknutseld en mijn Hue Ensis werkt weer volledig.SRB12 schreef op zaterdag 27 september 2025 @ 11:23:
Ok bedankt. Ik ga een simpele driver bestellen en er tussen knutselen.
Ik hou jullie op de hoogte.
Ik hoefde niet eens opnieuw te pairen, maakte direct connectie met Bluetooth en is weer volledig instelbaar qua intensiteit en kleur.
Dan is de driver puur een spanningsbron en zit de HUE logica bij de lampen zelf. Op zich niet zo gek, er zijn ook HUE lampen met een E40 fitting