Ik heb aan mijn ketel een Remeha iSense thermostaat hangen. Een OpenTherm thermostaat die een aantal fijne instellingen voor de Tweakers onder ons heeft.
Nu ben ik de laatste tijd ook druk bezig met domotica in mijn huis, met behulp van Domoticz - Open source domotica systeem wat draait op een Raspberry Pi.
Nu leek het mij wel handig om op afstand de verwarming aan te zetten, zonder hiervoor een dure 'slimme thermostaat' aan te schaffen. En ik heb net even de handleiding van de thermostaat bekeken, en volgens mij moet het kunnen. Op pagina 25 (paragraaf 13.1) staat het volgende:
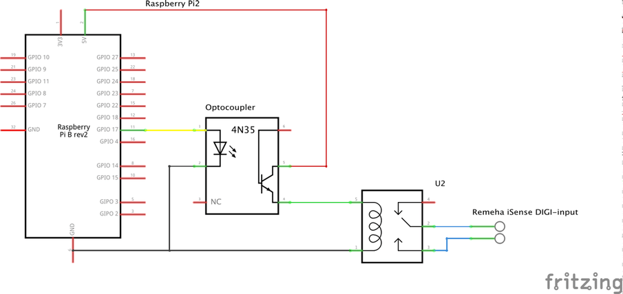
Als ik nou een relais module van eBay haal (zo'n klein printje met een transistor, LEDje en relais die vaak voor Arduino gebruikt wordt), die aansluit op de GPIO pinnen van de Raspberry. Dan kan ik door het sluiten van het relais, en het daarmee verbinden van de 2 DIGI-pinnen iets op de thermostaat triggeren toch? Of is een relais overkill, en kan een optocoupler ook 2 draden met elkaar 'verbinden'?
Ik kan dan geen setpoint instellen ofzo, maar als ik instel dat hij bij verbinden van dat contact naar 19 graden moet stoken dan vind ik het allang prima.
Iemand nog ideeën hierover?
Nu ben ik de laatste tijd ook druk bezig met domotica in mijn huis, met behulp van Domoticz - Open source domotica systeem wat draait op een Raspberry Pi.
Nu leek het mij wel handig om op afstand de verwarming aan te zetten, zonder hiervoor een dure 'slimme thermostaat' aan te schaffen. En ik heb net even de handleiding van de thermostaat bekeken, en volgens mij moet het kunnen. Op pagina 25 (paragraaf 13.1) staat het volgende:
Dit bracht mij aan het denken:U kunt een externe module een opdracht laten geven aan
de iSense. Dit gaat via de digitale ingang. Bijvoorbeeld: als een aanwezigheidsmelder contact maakt, kan aan de iSense het commando gegeven worden om het dagprogramma te activeren.
Let op: bied geen spanning aan op de digitale ingang. Gebruik alleen spanningsloze contacten.
Als ik nou een relais module van eBay haal (zo'n klein printje met een transistor, LEDje en relais die vaak voor Arduino gebruikt wordt), die aansluit op de GPIO pinnen van de Raspberry. Dan kan ik door het sluiten van het relais, en het daarmee verbinden van de 2 DIGI-pinnen iets op de thermostaat triggeren toch? Of is een relais overkill, en kan een optocoupler ook 2 draden met elkaar 'verbinden'?
Ik kan dan geen setpoint instellen ofzo, maar als ik instel dat hij bij verbinden van dat contact naar 19 graden moet stoken dan vind ik het allang prima.
Iemand nog ideeën hierover?
[ Voor 5% gewijzigd door ThinkPad op 27-10-2014 15:54 ]


