Na een projectje op de universiteit (bij een vak dat Signaalverwerking en Ruis heet) waarbij ik een klein eindtrapje moest bouwen ben ik enthousiast geworden!
I decided to "ramp things up a little" en zelf een audio versterker te bouwen. Het idee is simpel. Ik wil een Voeding->Pre-amp->attenuator->Eindtrap bouwen. Ik kan later altijd nog een simpele klankregeling, een balansregeling, een input selector en een mute knop maken. Daar wilde ik echter niet mee beginnen. Om het simpel te houden wil ik eerst kijken of ik dit simpele concept onder de knie kan krijgen.
Ik heb eerst eens wat op internet rond gezocht en heb het "GainClone" concept ontdekt. Zie Linkje. Dit laat een voorversterker weg, en ik denk dat het beter is dat wel te doen dus ik ga dit idee niet volgen.
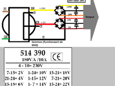
Ik ben zelf op Conrad rond gaan kijken naar geschikte onderdelen. Beginnende met de voeding: Linkje.

Deze wilde ik als volgt aansluiten (afbeelding is klikbaar!):

De nummers in de vierkantjes zijn de pin nummers van de trafo. Ik gebruik pin 7 als common, dus als GND voor de gehele versterker. Ik heb het etiket er maar bij geplakt ter informatie.
Daarbij schaf ik natuurlijk 6A diodes aan en de aangegeven Caps. Dit is het eerste punt waarop ik kritiek zou willen. Is deze schakeling correct? Het zou zonde zijn als ik vol enthousiasme aan de slag zou gaan en het zegt BOEM.
Als volgende heb ik een Pre-Amp IC uitgezocht die ik instel op een gain van 4. Dat wil zeggen dat het lijnsignaal versterkt wordt tot 1V a 1,5V. Ik wilde de volgende IC gebruiken: Linkje.
Deze wilde ik als volgt aansluiten (afbeelding is klikbaar!):

Daarnaast moet ik natuurlijk een eindtrap hebben. Deze zal het meest ingewikkeld zijn maar ik heb een PCB schema gevonden wat ik kan volgen. Ik ga de TDA7294 gebruiken. Zie hier een Linkje.
Deze wilde ik als volgt aansluiten:


Ik ga de pcb met de hand tekenen met een zilverlakstift.
Dit is wat ik tot nu toe aan ideeen heb. Als jullie het er mee eens zijn dat het een goed en plezierig project kan worden ga ik bestellen
.
Als jullie tips/ideeen hebben, graag!
I decided to "ramp things up a little" en zelf een audio versterker te bouwen. Het idee is simpel. Ik wil een Voeding->Pre-amp->attenuator->Eindtrap bouwen. Ik kan later altijd nog een simpele klankregeling, een balansregeling, een input selector en een mute knop maken. Daar wilde ik echter niet mee beginnen. Om het simpel te houden wil ik eerst kijken of ik dit simpele concept onder de knie kan krijgen.
Ik heb eerst eens wat op internet rond gezocht en heb het "GainClone" concept ontdekt. Zie Linkje. Dit laat een voorversterker weg, en ik denk dat het beter is dat wel te doen dus ik ga dit idee niet volgen.
Ik ben zelf op Conrad rond gaan kijken naar geschikte onderdelen. Beginnende met de voeding: Linkje.

Deze wilde ik als volgt aansluiten (afbeelding is klikbaar!):

De nummers in de vierkantjes zijn de pin nummers van de trafo. Ik gebruik pin 7 als common, dus als GND voor de gehele versterker. Ik heb het etiket er maar bij geplakt ter informatie.
Daarbij schaf ik natuurlijk 6A diodes aan en de aangegeven Caps. Dit is het eerste punt waarop ik kritiek zou willen. Is deze schakeling correct? Het zou zonde zijn als ik vol enthousiasme aan de slag zou gaan en het zegt BOEM.
Als volgende heb ik een Pre-Amp IC uitgezocht die ik instel op een gain van 4. Dat wil zeggen dat het lijnsignaal versterkt wordt tot 1V a 1,5V. Ik wilde de volgende IC gebruiken: Linkje.
Deze wilde ik als volgt aansluiten (afbeelding is klikbaar!):

Daarnaast moet ik natuurlijk een eindtrap hebben. Deze zal het meest ingewikkeld zijn maar ik heb een PCB schema gevonden wat ik kan volgen. Ik ga de TDA7294 gebruiken. Zie hier een Linkje.
Deze wilde ik als volgt aansluiten:


Ik ga de pcb met de hand tekenen met een zilverlakstift.
Dit is wat ik tot nu toe aan ideeen heb. Als jullie het er mee eens zijn dat het een goed en plezierig project kan worden ga ik bestellen
Als jullie tips/ideeen hebben, graag!
Mijn naam is rood, mijn text is blauw. Jouw post wordt ge-edit, als je niet stopt met dat gemauw.
