Check alle échte Black Friday-deals Ook zo moe van nepaanbiedingen? Wij laten alleen échte deals zien
Toon posts:

[EL] m-m WTF hoe dan

Pagina: 1
Acties:
  • 252 views sinds 30-01-2008

Verwijderd

Topicstarter
hoe moet ik het dan uitleggen zoeken op google gaat niet heb geen trefwoorden.

ben redelijk noob in electro dus weet ook niet hoe ik kan opzoken wat voor ic waarvoor is .

stroom a = 2 volt moet 4volt worden das de hele vraag hoe doe je dat.

heb geen email gekregen

[ Voor 6% gewijzigd door Verwijderd op 23-08-2003 00:31 ]


  • Bob Popcorn
  • Registratie: Juni 2002
  • Laatst online: 14:16

Bob Popcorn

Plop!

Met een SPOEL!!

Zoek wat op elektra en zo dan lukt het toch wel?

Gewoon zoeken op spanning verhogen dan kom je vast wel iets tegen hoor

Kan niet stoppen met ontploffen!


Verwijderd

/me weet dat hij zich er buiten moet houden, maar toch:

Het lijkt me sterk dat je in 2x 6 minuten de FAQ goed hebt doorgelezen: misschien is het slim om eerst de FAQ goed door te lezen?

[ Voor 14% gewijzigd door Verwijderd op 23-08-2003 00:33 ]


Verwijderd

Topicstarter
in die faq staan alleen maar geen spam geen porno, gedraag je enz enz.

  • Sine
  • Registratie: Juni 2001
  • Laatst online: 08:57
Het is met de search makkelijk te vinden ....

Nog 1 tipje dan ... http://www.bugs.nl/images/12ledhdd.gif leds + voorschakel weerstanden weg laten en vervangen door je relais ....

Is btw ERG irritant hoor, een op je hdd activity mee klapperend relais

Wat wil je er eik mee doen ?

[ Voor 7% gewijzigd door Sine op 23-08-2003 00:38 ]

Repareren doe je zo.


Verwijderd

Topicstarter
als ik ga zoeken begint men meteen met al die moeilijke termen te spreken, en wordt hertz aantal gevragen inductiie spanning , nabuur nog wat, wordt er allemaal geen bal wijzer van.

  • bredend
  • Registratie: September 2001
  • Laatst online: 12:03
Verwijderd schreef op 23 August 2003 @ 00:36:
in die faq staan alleen maar geen spam geen porno, gedraag je enz enz.
Moet je de FAQ van CME lezen. Staat boven in in CME, op de meest leesbare plek! En misschien moet je eerst de Algemene FAQ nog lezen :/

[ Voor 14% gewijzigd door bredend op 23-08-2003 00:42 ]


Verwijderd

Topicstarter
Sine schreef op 23 August 2003 @ 00:37:
Het is met de search makkelijk te vinden ....

Nog 1 tipje dan ... http://www.bugs.nl/images/12ledhdd.gif leds + voorschakel weerstanden weg laten en vervangen door je relais ....

Is btw ERG irritant hoor, een op je hdd activity mee klapperend relais

Wat wil je er eik mee doen ?
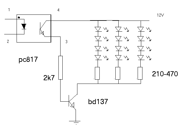
als ik het goed begrijp kan je er dus gewoon een pc817 tussen zetten en dan aan de enekant de + voeding van 4 volt er op en aan de andere kant relai.

is dit ook mogelijk met 12v input en 12volt output of heb je dan weer ander ic nodig

  • Sine
  • Registratie: Juni 2001
  • Laatst online: 08:57
PC817 is een opto coupler, en die kan geen vermogen (relais) sturen, daarom zit die transistor er achter

dus tussen de +12 (of +5) en de collector van de transistor komt je relais. Is btw allemaal ERG basic electronica hoor. Wat wil je btw schakelen met dat relais ? Misschien kun je het hele relais laten vallen

Repareren doe je zo.


  • DinX
  • Registratie: Februari 2002
  • Laatst online: 01:54

DinX

Motormuis

Volgens mij is het voor dit projectje

[rml][ ECM] Externe bruteforce waterkoel unit[/rml]

Marokko 2015: Route
Sat Tracker: SpotWalla
Blog: Gone for a ride


  • Silentpuma
  • Registratie: Januari 2002
  • Laatst online: 25-10 09:20

Silentpuma

To much mind...

Verwijderd schreef op 23 August 2003 @ 00:36:
in die faq staan alleen maar geen spam geen porno, gedraag je enz enz.
:X |:(

Use the Search Luke...


Verwijderd

Topicstarter
2 hct747 ic`s met input van 12 volt. en zodra deze geschakeld worden moet er 8 blauwe weer uit gaan.

  • Kees
  • Registratie: Juni 1999
  • Laatst online: 09:52

Kees

Serveradmin / BOFH / DoC
ik geloof dat hij op slot moet van de peeps @ #trueserver

"Een serveradmin, voluit een serveradministrator, is dan weer een slavenbeheerder oftewel een slavendrijver" - Rataplan


Verwijderd

Het is niet de bedoeling een nieuw topic te openen zonder nieuwe info als je vorige op slot is gezet. Mail de moderator in kwestie en open pas een nieuw topic als je zeker weet dat hij aan de policy voldoet. Lees dit eerst voordat je een topic opent in CME, dat voorkomt dat je topic's gesloten worden in de toekomst.

Zie verder: Je topic is dicht en het is onterecht? Lees hier!
Pagina: 1

Dit topic is gesloten.