Ik ben bezig met een zelfbouwaccu (https://www.alibaba.com/p...el-BMS_1601234261067.html) maar zit nog te kijken welke omvormer ik er aan wil hangen.
Deye vind ik erg gesloten in hun communicatie en ik lees vaak dingen over firmware die ineens veranderd waardoor dingen niet meer werken. Ook het eigen verbruik is erg hoog naar wat ik lees (100W) en ik heb mijn twijfels over garantie en reparatie, zeker op langere termijn. Dus die valt af.
Solis (https://www.solisinverter...verter5/3_6k_s5_l_nl.html) reageert erg goed en snel op mails de website ziet er goed uit, maar er moet een NDA worden getekend (met het risico alle legal stuff als hun ooit van mening zijn dat er info gelekt is) voor het verkrijgen van de schrijfbare modbus registers. Ik kan wel mijn zonnepanelen er rechtstreeks op aansluiten en ik kan er eentje overnemen voor 600 euro.
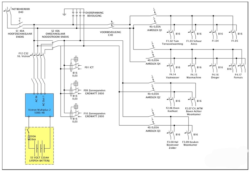
Victron (https://www.victronenergy...-chargers/multiplus-ii-gx) is een heel stuk duurder (925euro exclusief MPPT, exclusief MK3 kabel en exclusief meter voor de meterkast), en ik moet mijn huidige PV->AC omvormers gebruiken dus ik heb meer omzetverliezen. Ook gebruikt de Multiplus 2 een dikke trafo op 50Hz welke vaak bromt naar wat ik lees. Wel is Victron erg goed en ook hun DESS is denk ik op dit moment de meest geavanceerde op de markt. Ik weet ook niet of een MPPT DC Lader van een andere merk goed samenwerkt met Victron DESS.
Mijn twijfel is wat te doen, de Solis zit alles op en is de helft goedkoper en zit meteen alles bij (MPPT, RS485 Meetmodule meterkast) maar Victron levert Europees product met een levendige community.
Ik weet ook niet of ik voor de Solis een gelijkwaardige DESS oplossing kan maken in Node-RED. Er komt volgensmij best wat bij kijken (analyse van verbruikspatronen).
Graag jullie advies.
Deye vind ik erg gesloten in hun communicatie en ik lees vaak dingen over firmware die ineens veranderd waardoor dingen niet meer werken. Ook het eigen verbruik is erg hoog naar wat ik lees (100W) en ik heb mijn twijfels over garantie en reparatie, zeker op langere termijn. Dus die valt af.
Solis (https://www.solisinverter...verter5/3_6k_s5_l_nl.html) reageert erg goed en snel op mails de website ziet er goed uit, maar er moet een NDA worden getekend (met het risico alle legal stuff als hun ooit van mening zijn dat er info gelekt is) voor het verkrijgen van de schrijfbare modbus registers. Ik kan wel mijn zonnepanelen er rechtstreeks op aansluiten en ik kan er eentje overnemen voor 600 euro.
Victron (https://www.victronenergy...-chargers/multiplus-ii-gx) is een heel stuk duurder (925euro exclusief MPPT, exclusief MK3 kabel en exclusief meter voor de meterkast), en ik moet mijn huidige PV->AC omvormers gebruiken dus ik heb meer omzetverliezen. Ook gebruikt de Multiplus 2 een dikke trafo op 50Hz welke vaak bromt naar wat ik lees. Wel is Victron erg goed en ook hun DESS is denk ik op dit moment de meest geavanceerde op de markt. Ik weet ook niet of een MPPT DC Lader van een andere merk goed samenwerkt met Victron DESS.
Mijn twijfel is wat te doen, de Solis zit alles op en is de helft goedkoper en zit meteen alles bij (MPPT, RS485 Meetmodule meterkast) maar Victron levert Europees product met een levendige community.
Ik weet ook niet of ik voor de Solis een gelijkwaardige DESS oplossing kan maken in Node-RED. Er komt volgensmij best wat bij kijken (analyse van verbruikspatronen).
Graag jullie advies.
[ Voor 4% gewijzigd door jeroenst op 06-11-2024 10:14 . Reden: Toevoeging info ]
:strip_exif()/f/image/8cnfYWfG6g6u4s5K3v096m0O.jpg?f=fotoalbum_large)
/f/image/fvCFOv2ElWegZh310j7GJQee.png?f=fotoalbum_large)
:no_upscale():strip_icc():strip_exif()/f/image/kERw8wpyuCs0H9wFkg8QB8Tj.jpg?f=user_large)
:strip_exif()/f/image/DFSgPX70soQvVIuNGVbaQBLM.jpg?f=fotoalbum_large)
/f/image/gWHyBfNamInNyCMcLyD2AJPx.png?f=fotoalbum_large)
:strip_exif()/f/image/8teDkqZealgpqZZJOWXnuTpL.jpg?f=fotoalbum_large)