Black Friday = Pricewatch Bekijk onze selectie van de beste Black Friday-deals en voorkom een miskoop.

  • soepblik
  • Registratie: Juni 2011
  • Laatst online: 13-11 19:06
Hi,

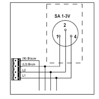
ik heb een zehnder whr 930 basis unit.
volgende niet aanwezig:
RF unit
0-10V aansluiting.

Ik wil wtw unit smart maken. dat wil ik doen door deze 3 standen schakelaar weg te halen en hier een smart module/relais op aan te sluiten. Echter door de geringe info en niet wetend hoe de 3 standen schakelaar werkt. Hoor ik graag wat ik het beste kan gebruiken om dit voor elkaar te krijgen en hoe ik dit moet aansluiten.

Afbeeldingslocatie: https://tweakers.net/i/hBZW9c8YCHY0KKTDe5jCpKxEizc=/full-fit-in/4000x4000/filters:no_upscale():fill(white):strip_exif()/f/image/nT8bnGYe63ZmFA9TBcyzzJzM.png?f=user_large

[ Voor 5% gewijzigd door soepblik op 09-03-2024 17:09 ]


  • Devian
  • Registratie: Juni 2000
  • Laatst online: 16:31

https://wren.co/join/Devian