Beste tweakers / modders,
Voor op de slaapkamer heb ik het plan om een meubel te maken voor de TV. Echter past een TV niet echt in het interieur wilt ik een TV-lift in het meubel maken. De kant en klaar systemen vind ik alleen iets te prijzig en wat is er nou niet leuker om zelf een TV-lift te maken met wat lade geleiders en een lineaire actuator.
Nu ben ik redelijk handig met een zaag en hamer maar elektronica is toch een ander ding. Dus vandaar dit topic en dat ik jullie hulp hierbij inschakel. Zoals het hoort heb ik al wel wat voorwerk gedaan en een ontwerp/schema gemaakt.
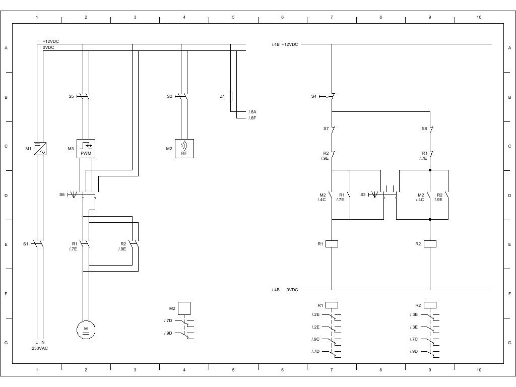
HET SCHEMA:
Excuses als kleuren of notaties niet juist zijn, heb namelijk geen elektrotechnische achtergrond.

link naar grotere afbeelding
link naar pdf bestand met afbeelding
TOELICHTING:
Het idee is dat de actuator zowel handmatig (S4) als via RF (M2) aangestuurd kan worden. Door middel van een schakelaar (S5) kan gekozen welke wijze van bediening men wil toepassen. Door de voltage aan te passen (M3) wil ik de snelheid van de actuator (en ook het geluidniveau) kunnen aanpassen.
Schakelaars S2, S3 en S6 zijn niet echt een must maar hou graag de controle. Hetzelfde geldt eigenlijk ook voor diode D9 t/m D12. Waarschijnlijk zou de schakelaar voor het selecteren van de aansturing (S5) ook opgelost kunnen worden met diodes, logische poorten en een relais maar ik hou het graag simpel (en goedkoop). Voor de LED's is RGB gekozen zodat ik maar één type hoeft te bestellen.
DE VRAAG:
De vraag is dus of bovenstaande schema correct en veilig is? En of het ook gaat werken zoals ik verwacht. Tips en tricks zijn natuurlijk ook altijd welkom. Al hou ik het wel graag simpel en doeltreffend en niet onnodig complex.
Indien het correct en veilig is hoor ik graag suggesties voor webwinkels voor het bestellen van de onderdelen. Voor de lineaire actuator heb ik al een webshop op het oog.
Voor degene die geïnteresseerd zijn, hierbij een link naar het ontwerp van de TV-meubel
link naar grote afbeelding
link naar pdf bestand met afbeelding
Alvast bedankt. Groeten Eric
Voor op de slaapkamer heb ik het plan om een meubel te maken voor de TV. Echter past een TV niet echt in het interieur wilt ik een TV-lift in het meubel maken. De kant en klaar systemen vind ik alleen iets te prijzig en wat is er nou niet leuker om zelf een TV-lift te maken met wat lade geleiders en een lineaire actuator.
Nu ben ik redelijk handig met een zaag en hamer maar elektronica is toch een ander ding. Dus vandaar dit topic en dat ik jullie hulp hierbij inschakel. Zoals het hoort heb ik al wel wat voorwerk gedaan en een ontwerp/schema gemaakt.
HET SCHEMA:
Excuses als kleuren of notaties niet juist zijn, heb namelijk geen elektrotechnische achtergrond.

link naar grotere afbeelding
link naar pdf bestand met afbeelding
TOELICHTING:
Het idee is dat de actuator zowel handmatig (S4) als via RF (M2) aangestuurd kan worden. Door middel van een schakelaar (S5) kan gekozen welke wijze van bediening men wil toepassen. Door de voltage aan te passen (M3) wil ik de snelheid van de actuator (en ook het geluidniveau) kunnen aanpassen.
Schakelaars S2, S3 en S6 zijn niet echt een must maar hou graag de controle. Hetzelfde geldt eigenlijk ook voor diode D9 t/m D12. Waarschijnlijk zou de schakelaar voor het selecteren van de aansturing (S5) ook opgelost kunnen worden met diodes, logische poorten en een relais maar ik hou het graag simpel (en goedkoop). Voor de LED's is RGB gekozen zodat ik maar één type hoeft te bestellen.
DE VRAAG:
De vraag is dus of bovenstaande schema correct en veilig is? En of het ook gaat werken zoals ik verwacht. Tips en tricks zijn natuurlijk ook altijd welkom. Al hou ik het wel graag simpel en doeltreffend en niet onnodig complex.
Indien het correct en veilig is hoor ik graag suggesties voor webwinkels voor het bestellen van de onderdelen. Voor de lineaire actuator heb ik al een webshop op het oog.
Voor degene die geïnteresseerd zijn, hierbij een link naar het ontwerp van de TV-meubel
link naar grote afbeelding
link naar pdf bestand met afbeelding
Alvast bedankt. Groeten Eric








