Beste Tweakers,
Mocht je mij willen helpen wil ik je vragen mijn post eerst even door te lezen. Ik weet dat ik het risico loop een TLDR te creëren maar ik wil tegelijkertijd geen benodigde informatie achterhouden. Bedankt!
Op dit moment zoek ik een oplossing om mijn thuisstorage opnieuw in te richten. Door de jaren heen heb ik divers spul bij elkaar gespaard. Vrijwel alles is functioneel maar een deel ligt niets te doen. Dit terwijl ik momenteel erg inefficiënt omga met mijn mogelijke ruimte en ik dus ruimte tekort kom. Dat vind ik zonde. Ik wil daarom een goede configuratie samenstellen en hetgeen ik niet verbruik verkopen, zodat ik wat geld vang en anderen er blij mee kan maken.
In principe heb ik alle hardware om mijn wensen uit te voeren en hoef ik niets bij te kopen. Mocht iemand stellen dat ik absoluut iets erbij moet kopen omdat ik daar helemaal blij van word, sta ik daar voor open mits het mij niet te veel geld gaat kosten.
Wat wil ik nu met dit topic bereiken vraag je je wellicht af? Natuurlijk is het een volledig persoonlijke situatie maar ik zit in dubio over een aantal dingen dus graag zou ik jullie mening horen. Hoe zouden jullie dit aanpakken, etc.
.
.
.
Qnap TS-410 Turbo (=4 bays)
HP Proliant N36L (=4 bays)
Synology 107 (=1 bay)
Synology 107+ (=1 bay)
.
5x Samsung Spinpoint F3 1 TB (HD103UJ)
4x WD Caviar Green 1,5 TB (WD15EADS) (--> niet compatible met Qnap)
1x WD Caviar Green 1 TB (verdwaald schaap)
4x WD Green 3 TB
4x WD Red 2 TB.
.
.
Zowel de Qnaps en de Proliant hebben de mogelijkheid om diverse RAID modi (bv 1, 0, 5, 6) te gebruiken. Belangrijk is mijn primaire OS en een X hoeveelheid persoonlijke data. Mochten films of downloads bv verloren gaan kan ik daar meer mee leven. Alles dus onder RAID10 hangen kost me onnodige veel disk space. Dat geldt bv ook in de situatie dat ik de server gebruik voor storage en een NAS uitsluitend voor back-up. De NAS is al een back-up, dus die ook nog eens dubbel uitvoeren is eigenlijk niet nodig. Zoals ik het plan op dit moment voor mij zie, komt de hoofdmeuk in de server en gebruik ik de NAS voor videostorage ed.
Ik kan geen directe bare metal back-ups trekken naar de NAS. Met Windows 7 back-up kan dat wel maar de Windows 2008R2-backup en Windows 8 back-up hebben besloten dat het bestandssysteem op de NAS geen geldig doelbestandssysteem is voor mijn back-up. Erg jammer maar het is niet anders. Mijn oplossing hiervoor was dat ik de NAS via iSCSI koppel aan de server en dan formatteer als NTFS en hier back-ups naartoe maak. Een nadeel is echter dat iSCSI-ruimte gereserveerd is en ik vrees bv dat als ik gebruikmaak van iSCSI dat mijn station niet meer in sleep wil gaan (vrees).
Een plaatje van de set-up die ik op dit moment in gedachten heb:

Een nadeel aan dit plaatje is dat video's en downloads (toch een aanzienlijke belasting in GB's!) nu op de kleinere NAS staan waar ook back-ups heen moeten. De server heeft voor reguliere data wel erg veel storage.
Een alternatief dat ik in gedachten heb is om grotere schijven in de NAS te stoppen en kleinere in de server. Maar WD Green's staan nu niet bepaald bekend om hun goede compatibiliteit en WD RED's (zeker 3 TB) zijn stervensduur.

Deze plaatjes gaan er wel vanuit dat de persoonlijke data op de server staat opgeslagen en niet op de QNAP. Volgens mij gooi ik daarmee dan automatisch de cloudoptie van QNAP de deur uit.
Tot slot:
Heb je echt zoveel storage nodig?
In totaal wil ik bare metal back-ups maken van 7 systemen. Daarbij wil ik back-ups opslaan van datbases van websites, het liefst meerdere. Ik maak gebruik van veel virtuele machines. Ook ben ik bezig films te digitaliseren voor mediacenter. Op dit moment loop ik tegen capaciteitsproblemen door inefficiënt gebruik van storage. Daarbij voorzie ik dat mijn totale datavoorraad de komende tijd gaat groeien. Daarom wil ik gewoon lekker ruim in m'n jasje zitten.
Mocht je mij willen helpen wil ik je vragen mijn post eerst even door te lezen. Ik weet dat ik het risico loop een TLDR te creëren maar ik wil tegelijkertijd geen benodigde informatie achterhouden. Bedankt!
Op dit moment zoek ik een oplossing om mijn thuisstorage opnieuw in te richten. Door de jaren heen heb ik divers spul bij elkaar gespaard. Vrijwel alles is functioneel maar een deel ligt niets te doen. Dit terwijl ik momenteel erg inefficiënt omga met mijn mogelijke ruimte en ik dus ruimte tekort kom. Dat vind ik zonde. Ik wil daarom een goede configuratie samenstellen en hetgeen ik niet verbruik verkopen, zodat ik wat geld vang en anderen er blij mee kan maken.
In principe heb ik alle hardware om mijn wensen uit te voeren en hoef ik niets bij te kopen. Mocht iemand stellen dat ik absoluut iets erbij moet kopen omdat ik daar helemaal blij van word, sta ik daar voor open mits het mij niet te veel geld gaat kosten.
Wat wil ik nu met dit topic bereiken vraag je je wellicht af? Natuurlijk is het een volledig persoonlijke situatie maar ik zit in dubio over een aantal dingen dus graag zou ik jullie mening horen. Hoe zouden jullie dit aanpakken, etc.
.
.
Doel:
De volgende doelen wil ik bereiken:- Een zo centraal mogelijk geregelde storage. De Synology's en de Qnap's werken allemaal met iSCSI, dus vanuit de server is alles te benaderen en te verdelen over het netwerk;
- Zoveel mogelijk beschikbare storage;
- Veilige storage maar niet overdreven (sommige data is belangrijker dan andere en data 3x opslaan is overdreven);
- Een zo laag mogelijk gecombineerd stroomvebruik. Proliant staat 24/7 maar de NAS-en mogen bijvoorbeeld in sleep of helemaal uit. Niet alle data hoeft 24/7 beschikbaar te zijn, films bijvoorbeeld;
- Specifiek: Aantal virtuele machines draaien op de Proliant;
- Specifiek: Thuisdomein gebaseerd op 2012 (2008R2 al aanwezig)
- Specifiek: Downloads op een low-powered device plaats laten vinden en de pc uitschakelen (kan sowieso op Synology met NZB / torrent, Qnap schijn je SanzNZB op te kunnen installeren?)
. - ! Specifiek: Mogelijkheid tot synchroniseren. Ik vermoed dat ik hier iets van Owncloud voor wil gaan gebruiken. Dit weet ik echter nog niet zeker. Ik weet dat Qnap tegenwoordig ook MyCloudNAS aanbiedt! Omdat ik dit pas net heb ontdekt weet ik hier nog niet het fijne van. Wat ik in ieder geval niet wil is alles synchen met de cloud: data in eigen beheer.
.
Speelruimte - de hardware:
Devices
Qnap TS-439 Pro II (=4 bays)Qnap TS-410 Turbo (=4 bays)
HP Proliant N36L (=4 bays)
Synology 107 (=1 bay)
Synology 107+ (=1 bay)
.
Storage
4x Samsung Spinpoint F3 1 TB (HD103SJ)5x Samsung Spinpoint F3 1 TB (HD103UJ)
4x WD Caviar Green 1,5 TB (WD15EADS) (--> niet compatible met Qnap)
1x WD Caviar Green 1 TB (verdwaald schaap)
Optineel
Ik twijfel op dit moment over de aanschaf van4x WD Green 3 TB
4x WD Red 2 TB.
.
.
En nu?
De reden dat ik in dubio zit is dat ik nog niet precies weet wat ik het beste kan doen voor mijn situatie omdat er aan diverse opties diverse voor- en nadelen zitten. Ik benoem bv het feit dat ik in principe alles via mijn server zou willen laten verlopen maar dat Qnap en Synology ook in hun NAS uitgebreide opties bieden voor downloads en synchronisatie.Zowel de Qnaps en de Proliant hebben de mogelijkheid om diverse RAID modi (bv 1, 0, 5, 6) te gebruiken. Belangrijk is mijn primaire OS en een X hoeveelheid persoonlijke data. Mochten films of downloads bv verloren gaan kan ik daar meer mee leven. Alles dus onder RAID10 hangen kost me onnodige veel disk space. Dat geldt bv ook in de situatie dat ik de server gebruik voor storage en een NAS uitsluitend voor back-up. De NAS is al een back-up, dus die ook nog eens dubbel uitvoeren is eigenlijk niet nodig. Zoals ik het plan op dit moment voor mij zie, komt de hoofdmeuk in de server en gebruik ik de NAS voor videostorage ed.
Ik kan geen directe bare metal back-ups trekken naar de NAS. Met Windows 7 back-up kan dat wel maar de Windows 2008R2-backup en Windows 8 back-up hebben besloten dat het bestandssysteem op de NAS geen geldig doelbestandssysteem is voor mijn back-up. Erg jammer maar het is niet anders. Mijn oplossing hiervoor was dat ik de NAS via iSCSI koppel aan de server en dan formatteer als NTFS en hier back-ups naartoe maak. Een nadeel is echter dat iSCSI-ruimte gereserveerd is en ik vrees bv dat als ik gebruikmaak van iSCSI dat mijn station niet meer in sleep wil gaan (vrees).
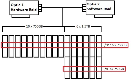
Een plaatje van de set-up die ik op dit moment in gedachten heb:

Een nadeel aan dit plaatje is dat video's en downloads (toch een aanzienlijke belasting in GB's!) nu op de kleinere NAS staan waar ook back-ups heen moeten. De server heeft voor reguliere data wel erg veel storage.
Een alternatief dat ik in gedachten heb is om grotere schijven in de NAS te stoppen en kleinere in de server. Maar WD Green's staan nu niet bepaald bekend om hun goede compatibiliteit en WD RED's (zeker 3 TB) zijn stervensduur.

Deze plaatjes gaan er wel vanuit dat de persoonlijke data op de server staat opgeslagen en niet op de QNAP. Volgens mij gooi ik daarmee dan automatisch de cloudoptie van QNAP de deur uit.
Tot slot:
Heb je echt zoveel storage nodig?
In totaal wil ik bare metal back-ups maken van 7 systemen. Daarbij wil ik back-ups opslaan van datbases van websites, het liefst meerdere. Ik maak gebruik van veel virtuele machines. Ook ben ik bezig films te digitaliseren voor mediacenter. Op dit moment loop ik tegen capaciteitsproblemen door inefficiënt gebruik van storage. Daarbij voorzie ik dat mijn totale datavoorraad de komende tijd gaat groeien. Daarom wil ik gewoon lekker ruim in m'n jasje zitten.
[ Voor 3% gewijzigd door Eagle Creek op 14-01-2013 01:45 ]
~ Information security professional & enthousiast ~ EC Twitter ~

