Ik heb de volgende hardware:
- Vaillant aroTHERM Split VWL 77/5 IS
- Externe boiler 300 liter Unistor VIH RW 300/3 BR
- Vaillant multiMATIC 700
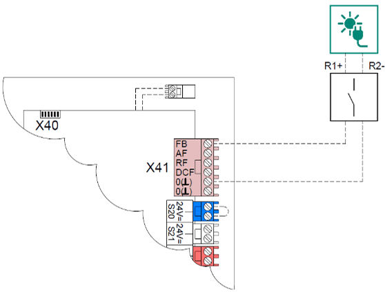
Nu zou ik graag mijn SG-ready contact gebruiken, zodat ik mijn boiler extra kan opwarmen als er PV overschot is. Maar ik kan zeer weinig informatie vinden hoe ik deze moet aansluiten en instellen. Momenteel heb deze aangesloten zoals op de onderstaande afbeelding, ik maak dus een potentieelvrije verbinding tussen "X41 - FB" en "X41 - 0"
:strip_exif()/f/image/oPy5lbamGylVyWHkwaSA7HTh.png?f=user_large)
Maar de warmtepomp lijkt hier momenteel niet op te reageren. Ik vermoed dat ik nog bepaalde instellingen moet doen in mijn regelaar "multiMATIC 700", maar de enigste informatie die ik daarover heb gevonden is de volgende link:
https://enphase.com/nl-be...n-configuratiehandleiding
Dus de volgende instellingen zou ik moeten doen volgens deze link:
- Energieleverancier: HP&BH uit -> Deze kan ik niet vinden wel energievoorziening, die ik op WP&EK uit kan zetten
- Multi-funct. input: PV -> Multi functionele input krijg ik niet gevonden, wel multi functionele uitgang die ik op PV kan zetten
- Buff. cyl. offs: temperatuur verhogen -> PV buffergeh. offset krijg ik gevonden die ik kan verhogen tot 15K
Als iemand me hier met verder kan helpen zou ik zeer dankbaar zijn
- Vaillant aroTHERM Split VWL 77/5 IS
- Externe boiler 300 liter Unistor VIH RW 300/3 BR
- Vaillant multiMATIC 700
Nu zou ik graag mijn SG-ready contact gebruiken, zodat ik mijn boiler extra kan opwarmen als er PV overschot is. Maar ik kan zeer weinig informatie vinden hoe ik deze moet aansluiten en instellen. Momenteel heb deze aangesloten zoals op de onderstaande afbeelding, ik maak dus een potentieelvrije verbinding tussen "X41 - FB" en "X41 - 0"
:strip_exif()/f/image/oPy5lbamGylVyWHkwaSA7HTh.png?f=user_large)
Maar de warmtepomp lijkt hier momenteel niet op te reageren. Ik vermoed dat ik nog bepaalde instellingen moet doen in mijn regelaar "multiMATIC 700", maar de enigste informatie die ik daarover heb gevonden is de volgende link:
https://enphase.com/nl-be...n-configuratiehandleiding
Dus de volgende instellingen zou ik moeten doen volgens deze link:
- Energieleverancier: HP&BH uit -> Deze kan ik niet vinden wel energievoorziening, die ik op WP&EK uit kan zetten
- Multi-funct. input: PV -> Multi functionele input krijg ik niet gevonden, wel multi functionele uitgang die ik op PV kan zetten
- Buff. cyl. offs: temperatuur verhogen -> PV buffergeh. offset krijg ik gevonden die ik kan verhogen tot 15K
Als iemand me hier met verder kan helpen zou ik zeer dankbaar zijn