Hallo iedereen!
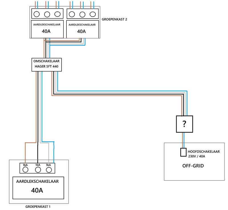
Ik heb een vraag over het zelf opsplitsen van een 1 fase 'aansluiting' naar 3 fasen. Om het geheel duidelijker te maken heb ik een schema toegevoegd.
Maar om bij het begin te beginnen: ik woon in een gedeelde woning met eigen groepenkast (groepenkast 2). Deze groepenkast krijgt zijn stroom van de groepenkast in het andere gedeelte van de woning (groepenkast 1). Beide zijn oude stoppenkasten. Groepenkast 1 krijgt zijn stroom gewoon via de nutsaansluiting (volgens mij 1x40A) In beide gedeeltes van de woning is verder geen krachtstroom aanwezig. De tweede groepenkast is destijds via 3 fasen aangesloten op de eerste groepenkast, waarbij er simpelweg 3 groepen gebruikt zijn in meterkast 1 en elke groep een fase vormt. Nu is het zo dat ik ook een eenvoudige offgrid installatie heb met zonnepanelen en een aantal accu's. Deze offgrid installatie is afgezekerd op 40A en is dus in feite een 1x40A aansluiting. Het is echt off-grid, dus niets is verbonden met het net. Ik wil graag kunnen schakelen tussen de stroom die van meterkast 1 komt en de off-grid stroom, zodat ik in de zomermaanden off-grid stroom kan gebruiken. Het schakelen gebeurt in dit geval met een Hager SFT440 omschakelaar. Aangezien meterkast 2 via 3 fasen is aangesloten en ik dit verder liever niet verander, zal de offgrid installatie ook via 3 fasen aangesloten moeten worden. De vraag is alleen: hoe ga ik van het 1 fase offgrid gedeelte naar 3 fasen. (de plaats van het vraagteken in het onderstaande schema) Kan dit simpelweg door de kabel te splitsen in 3 kabels met lasklemmen in een doos of door een kleine meterkast te installeren aan dit offgrid uiteinde met daarin een 40A hoofdschakelaar, 40A aardlekschakelaar en 3 installatieautomaten van 16A? Dus door dezelfde situatie te creëren als in meterkast 1. Dit laatste lijkt me veiliger omdat op die manier elk van de drie fasedraden afgezekerd is? Of is er nog een andere optie? Ik ben benieuwd naar jullie reacties!
/f/image/mBZjIib7iljzl7zXQDdOXq4l.png?f=fotoalbum_large)
Alvast hartelijk dank en heel fijne feestdagen!
Ik heb een vraag over het zelf opsplitsen van een 1 fase 'aansluiting' naar 3 fasen. Om het geheel duidelijker te maken heb ik een schema toegevoegd.
Maar om bij het begin te beginnen: ik woon in een gedeelde woning met eigen groepenkast (groepenkast 2). Deze groepenkast krijgt zijn stroom van de groepenkast in het andere gedeelte van de woning (groepenkast 1). Beide zijn oude stoppenkasten. Groepenkast 1 krijgt zijn stroom gewoon via de nutsaansluiting (volgens mij 1x40A) In beide gedeeltes van de woning is verder geen krachtstroom aanwezig. De tweede groepenkast is destijds via 3 fasen aangesloten op de eerste groepenkast, waarbij er simpelweg 3 groepen gebruikt zijn in meterkast 1 en elke groep een fase vormt. Nu is het zo dat ik ook een eenvoudige offgrid installatie heb met zonnepanelen en een aantal accu's. Deze offgrid installatie is afgezekerd op 40A en is dus in feite een 1x40A aansluiting. Het is echt off-grid, dus niets is verbonden met het net. Ik wil graag kunnen schakelen tussen de stroom die van meterkast 1 komt en de off-grid stroom, zodat ik in de zomermaanden off-grid stroom kan gebruiken. Het schakelen gebeurt in dit geval met een Hager SFT440 omschakelaar. Aangezien meterkast 2 via 3 fasen is aangesloten en ik dit verder liever niet verander, zal de offgrid installatie ook via 3 fasen aangesloten moeten worden. De vraag is alleen: hoe ga ik van het 1 fase offgrid gedeelte naar 3 fasen. (de plaats van het vraagteken in het onderstaande schema) Kan dit simpelweg door de kabel te splitsen in 3 kabels met lasklemmen in een doos of door een kleine meterkast te installeren aan dit offgrid uiteinde met daarin een 40A hoofdschakelaar, 40A aardlekschakelaar en 3 installatieautomaten van 16A? Dus door dezelfde situatie te creëren als in meterkast 1. Dit laatste lijkt me veiliger omdat op die manier elk van de drie fasedraden afgezekerd is? Of is er nog een andere optie? Ik ben benieuwd naar jullie reacties!
/f/image/mBZjIib7iljzl7zXQDdOXq4l.png?f=fotoalbum_large)
Alvast hartelijk dank en heel fijne feestdagen!
/f/image/HVIJ6xUVGbOh2u04WWNoXLP0.png?f=fotoalbum_large)
/f/image/ZkU2mIHeNt4dHocH2HDB1X5S.png?f=fotoalbum_large)
/f/image/qp2DbsXcnPIoOWkINoD7H7T7.png?f=fotoalbum_large)
/f/image/U6V6yBUBeUIxz55Jq0EpjR9L.png?f=fotoalbum_large)
/f/image/EWl4odHsn1ysyihMniHrWDgt.png?f=fotoalbum_large)