Vraag


  • O6N6P
  • Registratie: November 2025
  • Laatst online: 27-11-2025
Hi!

Wij hebben onlangs een schuur van de buren overgenomen en nu wil ik de electricteit aansluiten op onze eigen huisinstallatie. Tegelijk wil ik de bestaande, gedateerde groepenkast vervangen.

Op dit moment zit de schuur achter een 3x25A hoofdzekering bij de buurman (zo'n oude, smeltzekeringen) en in de nieuwe situatie komt de schuur achter een recent geplaatste 3x25A aansluiting (met automaten) in onze woning. De huidige meterkast in de schuur heeft alleen een hoofdschakelaar en vier 16A smeltzekeringen.

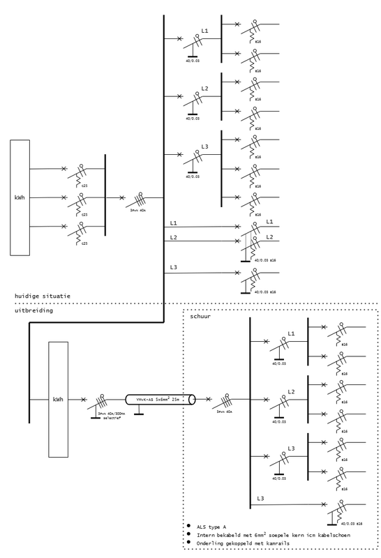
Ik heb nu de volgende opzet gemaakt, zie hieronder, en vroeg me af of ik wat over het hoofd gezien heb. Het gaat me dus om de aanpassingen aan mijn huidige installatie, de kabel en de opzet voor de nieuwe groepenkast in de schuur. Alle opmerkingen zijn welkom en alvast bedankt voor de moeite!

Groet, Olaf

NB 'huidige situatie' in het schema slaat op de huidige situatie in mijn woning, dat is dus niet hoe de schuur nu aangesloten is bij de buren.

Afbeeldingslocatie: https://tweakers.net/i/eu5dJOU9HwV0rJQ25KxaL8IvxvU=/x800/filters:strip_exif()/f/image/3g85J2i7zZEUBD70JrxwAxx3.png?f=fotoalbum_large

Alle reacties


  • Ricko1
  • Registratie: September 2014
  • Laatst online: 19-05 18:55
Je hebt een eendraadschema uitgetekend. Ik ga ervanuit dat je technische kennis hebt. Ik kan een paar punten bedenken die niet perse fout zijn, maar wel moeten worden overwogen.
  1. Zijn er zonnepanelen of een andere vorm van invoeding aanwezig waardoor er meer dan 40A kan lopen?
  2. Je sluit de voedingskabel alleen aan met een selectieve ALS. Je weet dat kortsluiting/overbelasting dan de hoofdzekering laat klappen? Je hebt ze getekend als automaten dus je kan ze zelf weer inschakelen?
  3. Met maar 2 groepen op een aardlekschakelaar kan je ook aardlekautomaten gebruiken
  4. 7 groepen in een 'schuur' is wel extreem veel, mag ik vragen welke apparaten je wil aansluiten?
  5. Zoveel groepen gepland maar geen krachtgroep nodig?

  • O6N6P
  • Registratie: November 2025
  • Laatst online: 27-11-2025
Thx!

Ter geruststelling, ik heb kennis en ervaring op dit vlak, maar ben geen 'echte' electricien. Anders hoefde ik 't niet te vragen ;-)

Wat betreft het aantal draden: om er geen brei van te maken heb ik het schema getekend met enkele lijnen, maar tenzij expliciet aangegeven gaat het overal om 3 fases. Als daar een betere manier van tekenen voor is hoor ik het graag, ik heb lopen zoeken maar vond niet echt mooie voorbeelden of uitleg hoe dat beter te tekenen.

Even per punt:
1. Nee, geen zonnepanelen, ook niet in de planning. Maar stel dat dat die op die schuur zou komen, dan zou een dikkere grondkabel nodig zijn denk ik? (Om die zonnestroom naar 't huis te krijgen...)
2. Ja en ja, maar daar heb je wel een punt. Maar stel dat ik er een zekering tussen hoofdzekering en kabel bij wil zetten, dan is er met de 25A hoofdzekeringen geen andere mogelijkheid dan teruggaan naar 10A groepen in de schuur denk ik om het selectief te krijgen. Klopt die gedachtengang?
3. Zal ik 'ns over nadenken, goede suggestie!
4. Tja, nouja, schuur is een wat breed begrip. Het is een schuur van 30x30m bij een boerderij. Is vooral verlichting (inclusief grote ledlampen buiten), een bescheiden grondwaterpomp en een 'keukentje' met koffiezetautomaat, waterkoker, boilertje. Het is meer dat er nu 4 groepen zijn en ik niets bestaand wil combineren, maar wel graag de grondwaterpomp en het keukentje wil afsplitsen. Dat gaat ook makkelijk zonder heel veel lange extra kabels te leggen. Dan nog een stopcontact in de meterkast met een eigen aardlek voor het geval dat (die alamat) en dan zit je op 7.
5. Nee, we hebben daar geen grootverbruikers, ook geen werkplaats ofzo, dus krachtgroep lijkt me weinig zinvol.

  • OnTracK
  • Registratie: Oktober 2002
  • Laatst online: 00:58
Je hebt YMvK-AS 5x6mm2 als kabel naar de schuur staan. een -AS kabel heeft een aardscherm+litze en die gebruik je als aarde. Dat zorgt ervoor dat als je met je schop/graafmachine erdoorheengaat je aardlek als eerste eruit klapt. Je hebt dan dus maar 4 aders nodig in de kabel zelf.

Not everybody wins, and certainly not everybody wins all the time.
But once you get into your boat, push off and tie into your shoes.
Then you have indeed won far more than those who have never tried.


  • O6N6P
  • Registratie: November 2025
  • Laatst online: 27-11-2025
Ow... het is in orde om die mantel als aardverbinding te gebruiken? Dat scheelt wel aardig in de kosten :-) Dank!

  • OnTracK
  • Registratie: Oktober 2002
  • Laatst online: 00:58
Ja, het is de bedoeling. -AS kabels hebben ook geen ader die groen/geel is.

[ Voor 12% gewijzigd door OnTracK op 08-11-2025 15:58 ]

Not everybody wins, and certainly not everybody wins all the time.
But once you get into your boat, push off and tie into your shoes.
Then you have indeed won far more than those who have never tried.


  • Ricko1
  • Registratie: September 2014
  • Laatst online: 19-05 18:55
O6N6P schreef op zaterdag 8 november 2025 @ 14:55:

Wat betreft het aantal draden: om er geen brei van te maken heb ik het schema getekend met enkele lijnen, maar tenzij expliciet aangegeven gaat het overal om 3 fases. Als daar een betere manier van tekenen voor is hoor ik het graag, ik heb lopen zoeken maar vond niet echt mooie voorbeelden of uitleg hoe dat beter te tekenen.
Dat noem ik een bijna professionele tekening. Zo heet dat type tekening eendraadschema of eenlijnschema. Een simpele weergave van hoe de verschillende componenten verbonden zijn met de officiële symbolen
O6N6P schreef op zaterdag 8 november 2025 @ 14:55:
1. Nee, geen zonnepanelen, ook niet in de planning. Maar stel dat dat die op die schuur zou komen, dan zou een dikkere grondkabel nodig zijn denk ik? (Om die zonnestroom naar 't huis te krijgen...)
Met 4x6 yvmk-as er is meer spanningsval. In het buitengebied is dat ook meer van toepassing. Als het budget er is zou ik er persoonlijk direct 4x10 ymvk-as in leggen.

Leg je er ook een datakabel naar toe? (o.a. wifi). Een 110mm mantelbuis in de geul leggen is sowieso handig voor later. Als het een beetje recht is werkt normaal 110mm afvoer pvc beter om er later iets doorheen te trekken. Let wel op dat data en 230/400V niet door dezelfde mantelbuis mogen.
O6N6P schreef op zaterdag 8 november 2025 @ 14:55:
2. Ja en ja, maar daar heb je wel een punt. Maar stel dat ik er een zekering tussen hoofdzekering en kabel bij wil zetten, dan is er met de 25A hoofdzekeringen geen andere mogelijkheid dan teruggaan naar 10A groepen in de schuur denk ik om het selectief te krijgen. Klopt die gedachtengang?
In een huis installatie met C25 hoofdautomaten is volledig selectief zijn onmogelijk.

Ik heb persoonlijke ervaring met een B16 groep op een C63 afgezekerde ondervedeler met drie B80 hoofdautomaten. Installatie opschonen omdat de huurder eruit was. Kabelgoten volgepropt met ongebruikte kabels en de baas wou die goot weg hebben. Alle 3x2,5 kabels op de zolder in eerste instantie gelast zonder uit te zoeken wat alles deed achter de voorzetwanden/boven systeemplafond.

Een idioot had 3x2,5 kabel gebruikt voor een oude ongebruikte wisselschakeling door de hele hal heen met de blauwe en geel-groene draden als schakeldraden. Dat is een directe sluiting. Alle 3 automaten gingen tegelijk uit en toen gooide de ATS de andere fases eruit en schakelde het noodstroom aggregaat in met 40 seconden het hele gebouw donker. Toen kwam mijn baas boos naar beneden... Daarna de beslissing gemaakt alle spaghetti kabels eruit te trekken en alles in die hal/extra kantoortje opnieuw aan te sluiten vanaf de onderverdeler.

b-karakteristiek klapt uit op kortsluiting tussen 3-5x nominaal. Als een rij aan laadpalen 70A+ trekt wordt de selectiviteit ook minder.

  • O6N6P
  • Registratie: November 2025
  • Laatst online: 27-11-2025
Ricko1 schreef op zaterdag 8 november 2025 @ 16:16:
Dat noem ik een bijna professionele tekening. Zo heet dat type tekening eendraadschema of eenlijnschema. Een simpele weergave van hoe de verschillende componenten verbonden zijn met de officiële symbolen
Thx, weer wat geleerd :)
Ricko1 schreef op zaterdag 8 november 2025 @ 16:16:
Met 4x6 yvmk-as er is meer spanningsval. In het buitengebied is dat ook meer van toepassing. Als het budget er is zou ik er persoonlijk direct 4x10 ymvk-as in leggen.
Tja, budget is er wel, maar er liggen hier heel wat klussen en daarmee is het vooral een kwestie van de juiste keuzes. Wanneer zou ik tegen de grenzen van 6^2 aan gaan lopen? Stel we zouden ooit zonnepanelen willen (voor het huishouden) en die op die schuur leggen of vanaf de schuur een laadpaal, wordt 6^2 dan een beperking?
Ricko1 schreef op zaterdag 8 november 2025 @ 16:16:
Leg je er ook een datakabel naar toe? (o.a. wifi). Een 110mm mantelbuis in de geul leggen is sowieso handig voor later. Als het een beetje recht is werkt normaal 110mm afvoer pvc beter om er later iets doorheen te trekken. Let wel op dat data en 230/400V niet door dezelfde mantelbuis mogen.
Goede tip, nu wel ;) Op zich verwacht ik daar geen data nodig te hebben, maar mochten we in de toekomst bv dat laadpunt willen of eventuele zonnepanelen dan is dat vast handig/nodig. Groepenkast daarop aanpassen is dan een tweede en dat kan dan wel, maar liever wil ik niet dan weer een geul graven.
Ricko1 schreef op zaterdag 8 november 2025 @ 16:16:
In een huis installatie met C25 hoofdautomaten is volledig selectief zijn onmogelijk.
Zoveel begreep ik al. Maar zou 16A voor de kabel en 10A automaten nog wel een meerwaarde hebben of is dat leuk op papier, maar nog steeds weinig toegevoegde waarde? Nouja, de hoofdzekering is dan afgeschermd voor schade aan de kabel bij grondwerkzaamheden, maar is de kans dan nog steeds groot dat de hele schuur eruit ligt bij een probleem in de schuur omdat eerder die 16A eruit vliegt ipv alleen de 10A groep in de schuur?
Ricko1 schreef op zaterdag 8 november 2025 @ 16:16:
Ik heb persoonlijke ervaring met een B16 groep op een C63 afgezekerde ondervedeler met drie B80 hoofdautomaten. [...] Een idioot had 3x2,5 kabel gebruikt voor een oude ongebruikte wisselschakeling door de hele hal heen met de blauwe en geel-groene draden als schakeldraden. Dat is een directe sluiting. Alle 3 automaten gingen tegelijk uit ...
Lekker dan... gelukkig weet ik al een beetje hoe het zit in deze schuur en gelukkig niet zo :*)
Pagina: 1