Goedemiddag,
Wij Hebben een NIBE F1355-28 warmtepomp opstelling staan met daarbij een UKV 20-750 Opslagvat en VPB750 Boilervat.
Voor het boilervat en opslagvat hebben wij elk 1 K11-IU 31-312 Verwarmingselement.
Dit verwarmingselement is zowel met 3 fase (steraansluiting zonder nul (3x400v) Max 10,5 kWh) en enkel fase (1x 230v max 3 kWh) aan te sluiten.
Nu hebben wij ook een flink zonneveld en willen dus graag zoveel mogelijk van onze zelf opgewekte energie gebruiken om het boiler en buffervat te stoken.
Daarom zochten wij naar een oplossing om het vermogen van de verwarmingselementen enigszins te reguleren.
Is het mogelijk om een 3 fase verwarmingselement per fase aan te schakelen?
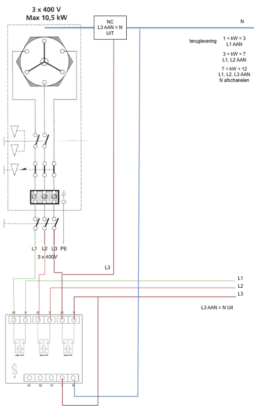
Om dit te automatiseren zouden we hiervoor een Shelly Pro 3 potentiaal vrije schakelaar (https://kb.shelly.cloud/knowledge-base/shelly-pro-3-v1) willen gebruiken volgens bijgevoegd schema.
Is het mogelijk op de wijze zoals geschetst op bijgaande tekening het verwarmingselement uit/laag/midden/hoog te schakelen?
Volgens onze eigen berekening zou elke fase ongeveer 15A trekken (10500W= 400V * I * sqrt(3), = I ~ 15,16)
Onze redenering is dat elke fase 230V levert en dus binnen het bereik van de shelly valt (max 240V x 16A per uitgang).
Kan dit op deze wijze?
Wij Hebben een NIBE F1355-28 warmtepomp opstelling staan met daarbij een UKV 20-750 Opslagvat en VPB750 Boilervat.
Voor het boilervat en opslagvat hebben wij elk 1 K11-IU 31-312 Verwarmingselement.
Dit verwarmingselement is zowel met 3 fase (steraansluiting zonder nul (3x400v) Max 10,5 kWh) en enkel fase (1x 230v max 3 kWh) aan te sluiten.
Nu hebben wij ook een flink zonneveld en willen dus graag zoveel mogelijk van onze zelf opgewekte energie gebruiken om het boiler en buffervat te stoken.
Daarom zochten wij naar een oplossing om het vermogen van de verwarmingselementen enigszins te reguleren.
Is het mogelijk om een 3 fase verwarmingselement per fase aan te schakelen?
Om dit te automatiseren zouden we hiervoor een Shelly Pro 3 potentiaal vrije schakelaar (https://kb.shelly.cloud/knowledge-base/shelly-pro-3-v1) willen gebruiken volgens bijgevoegd schema.
Is het mogelijk op de wijze zoals geschetst op bijgaande tekening het verwarmingselement uit/laag/midden/hoog te schakelen?
Volgens onze eigen berekening zou elke fase ongeveer 15A trekken (10500W= 400V * I * sqrt(3), = I ~ 15,16)
Onze redenering is dat elke fase 230V levert en dus binnen het bereik van de shelly valt (max 240V x 16A per uitgang).
Kan dit op deze wijze?
/f/image/hM3LgTjTwO3xF40TYAFkzNOu.png?f=fotoalbum_large)