Ik heb een Hager omschakelaar in mijn groepenkast, waarmee ik de PV tussen de PAP en SAP kan schakelen.
Nu wil ik de PV daar af halen, en de laadpaal op die wijze kunnen schakelen.
Reden:
scenario 1: PV overschot op PAP, de thuisaccu is vol > terugleveren voorkomen bij negatief en in de auto stoppen
scenario 2: Laden op dynamische tarieven maar wil de thuis accu niet in de weg zitten, dus naar SAP
Nu heb ik nog geen idee verder over hoevaak zo'n wisseling zou voorkomen, met name in de zomermaanden lijkt me, maar toch.
Nu bestaat er van oa ABB een gemotoriseerde omschakelaar, 2300 euro
En ze zijn er van de hele trits Chinezen voor 54 euro
maar ik kan daar geen DIN variant van vinden.
Voor de goede orde: ik schakel om zonder last.
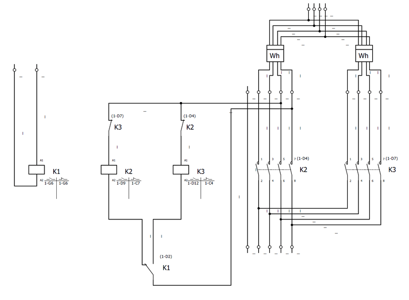
Nu heeft Schneider bijv dit soort contactors, ook op 18A en 25A

En ook bestaan er uitbreidingen om de N mee te laten schakelen naar 'de andere kant'. (of reverse, zo je wil)
Dat moet volgens mij het zelfde bewerkstelligen, maar dan zit ik al aan 10 posities breed voor een omschakelaar van 4 posities, en de aansturing van de droogcontacten moet daar nog bij. (Shelly pro 2 bijv)
Zijn er geen 'ruimte vriendelijkere' oplossingen op DIN?
Nu wil ik de PV daar af halen, en de laadpaal op die wijze kunnen schakelen.
Reden:
scenario 1: PV overschot op PAP, de thuisaccu is vol > terugleveren voorkomen bij negatief en in de auto stoppen
scenario 2: Laden op dynamische tarieven maar wil de thuis accu niet in de weg zitten, dus naar SAP
Nu heb ik nog geen idee verder over hoevaak zo'n wisseling zou voorkomen, met name in de zomermaanden lijkt me, maar toch.
Nu bestaat er van oa ABB een gemotoriseerde omschakelaar, 2300 euro
En ze zijn er van de hele trits Chinezen voor 54 euro
Voor de goede orde: ik schakel om zonder last.
Nu heeft Schneider bijv dit soort contactors, ook op 18A en 25A

En ook bestaan er uitbreidingen om de N mee te laten schakelen naar 'de andere kant'. (of reverse, zo je wil)
Dat moet volgens mij het zelfde bewerkstelligen, maar dan zit ik al aan 10 posities breed voor een omschakelaar van 4 posities, en de aansturing van de droogcontacten moet daar nog bij. (Shelly pro 2 bijv)
Zijn er geen 'ruimte vriendelijkere' oplossingen op DIN?
Ik doe niet aan bijgeloof. Dat brengt ongeluk.
/f/image/hI014j6hFt0CA0FuHm9Z3Hl6.png?f=fotoalbum_large)


/f/image/WeJAqbRV7vBqGQXpsN3w4OJc.png?f=fotoalbum_large)
/f/image/Q2UUBJmDqfr1jce0Cy84n1Kb.png?f=fotoalbum_large)

/f/image/BlL4jD6IF1EvV6bPMywQ2S2S.png?f=fotoalbum_large)
/f/image/wHKv9APkqlXH9613bEqVX0q7.png?f=fotoalbum_large)
/f/image/cf70HMuswdcfeqaYtDSMNhy7.png?f=fotoalbum_large)