Welkom,
Ik zou graag wat advies of tips willen hebben over het volgende, dit krijg ik in beeld als ik deze microcontroller probeer te programmeren vanuit de editor programmeer software :
/f/image/waVAdPAIabpZKtxn9Y3sPjRK.png?f=fotoalbum_large)
Het board is in het verleden vaak gebruikt, werkte altijd prima. Het is recent op een Windows 10 geinstalleerd
en sindsdien krijg ik deze storingsmelding. De vorige computer heb ik niet meer.
De Usb kabel is gebruikt voor een ander apparaat en werkt goed, evenals de voeding.
Dit is het advies van de fabrikant :
/f/image/hocOtXcAWTwGoLDKSzUSKN6L.png?f=fotoalbum_large)
https://www.parallax.com/...AQTopics/NoDeviceType.htm
1. Latency Timer heb ik volgens dat advies op 1 gezet, maakt geen verschil.
2. Fifo Buffer kan ik nergens vinden, zit er niet op.
3. Ik heb nog geen contact opgenomen, de garantie is al een tijdje verlopen.
In de link hierboven kan er doorgeklikt worden naar de 3 punten afzonderlijk.
Ik heb de software gedownload, na de storingen weer verwijderd en opnieuw geinstalleerd evenals de bijbehorende drivers.
:strip_exif()/f/image/1t6pjtz9rgtOBFgmvdFIuGCP.png?f=user_large)
/f/image/nSKwTZyoc69Y0quPdgZ9GZRn.png?f=fotoalbum_large)
/f/image/vUFgHHzixiK7hoVRHVNkeOlp.png?f=fotoalbum_large)
/f/image/pymPwpkUnb1bXMYe7vgUkw9E.png?f=fotoalbum_large)
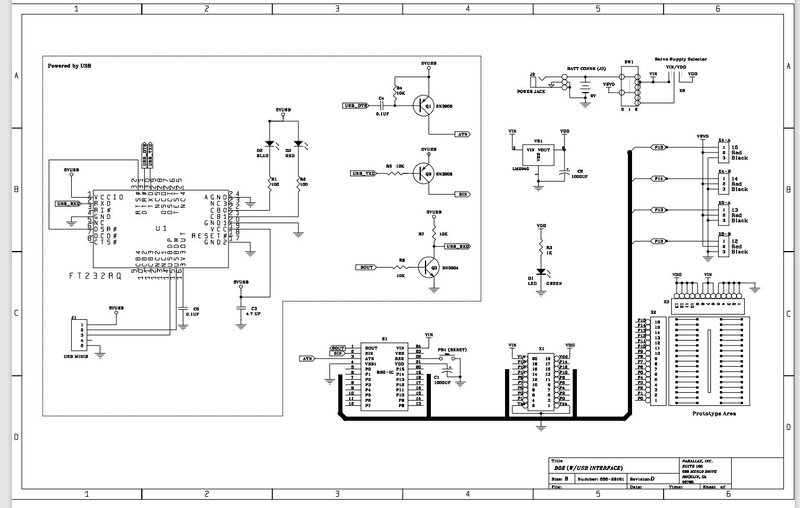
Ik heb geen Serial en nog geen Usb break out, daarom nog niet geprobeerd als stand alone te programmeren.
:strip_exif()/f/image/oW2wmtP2erRC5ZtGUmcMgo2E.jpg?f=fotoalbum_large)
:strip_exif()/f/image/UMOnCbdqILgp7JwNp92nkFVF.jpg?f=fotoalbum_large)
:strip_exif()/f/image/JHObdIZVrP2jMy0T0QIK2EwG.jpg?f=fotoalbum_large)
:strip_exif()/f/image/eb6AUieetb9fmqZXNUEUBPTv.jpg?f=fotoalbum_large)
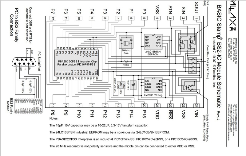
Meting tussen Vcc en Vss is 0 Volt maar daar staat iets over vermeld in de geplaatste pin out description afbeelding.
Het reset knopje werkt goed volgens mij.
Het hoofdschakelaar knopje op 2 zetten is om er een servo op aan te kunnen sluiten, zie tekst op de achterkant van het board maar maakt bij de metingen geen verschil zover ik kan zien.
Ps, excuus dat de foto met tekst op de achterkant op zn kop staat, dit wordt nog aangepast.
Ik zou graag wat advies of tips willen hebben over het volgende, dit krijg ik in beeld als ik deze microcontroller probeer te programmeren vanuit de editor programmeer software :
/f/image/waVAdPAIabpZKtxn9Y3sPjRK.png?f=fotoalbum_large)
Het board is in het verleden vaak gebruikt, werkte altijd prima. Het is recent op een Windows 10 geinstalleerd
en sindsdien krijg ik deze storingsmelding. De vorige computer heb ik niet meer.
De Usb kabel is gebruikt voor een ander apparaat en werkt goed, evenals de voeding.
Dit is het advies van de fabrikant :
/f/image/hocOtXcAWTwGoLDKSzUSKN6L.png?f=fotoalbum_large)
https://www.parallax.com/...AQTopics/NoDeviceType.htm
1. Latency Timer heb ik volgens dat advies op 1 gezet, maakt geen verschil.
2. Fifo Buffer kan ik nergens vinden, zit er niet op.
3. Ik heb nog geen contact opgenomen, de garantie is al een tijdje verlopen.
In de link hierboven kan er doorgeklikt worden naar de 3 punten afzonderlijk.
Ik heb de software gedownload, na de storingen weer verwijderd en opnieuw geinstalleerd evenals de bijbehorende drivers.
:strip_exif()/f/image/1t6pjtz9rgtOBFgmvdFIuGCP.png?f=user_large)
/f/image/nSKwTZyoc69Y0quPdgZ9GZRn.png?f=fotoalbum_large)
/f/image/vUFgHHzixiK7hoVRHVNkeOlp.png?f=fotoalbum_large)
/f/image/pymPwpkUnb1bXMYe7vgUkw9E.png?f=fotoalbum_large)
Ik heb geen Serial en nog geen Usb break out, daarom nog niet geprobeerd als stand alone te programmeren.
:strip_exif()/f/image/oW2wmtP2erRC5ZtGUmcMgo2E.jpg?f=fotoalbum_large)
:strip_exif()/f/image/UMOnCbdqILgp7JwNp92nkFVF.jpg?f=fotoalbum_large)
:strip_exif()/f/image/JHObdIZVrP2jMy0T0QIK2EwG.jpg?f=fotoalbum_large)
:strip_exif()/f/image/eb6AUieetb9fmqZXNUEUBPTv.jpg?f=fotoalbum_large)
Meting tussen Vcc en Vss is 0 Volt maar daar staat iets over vermeld in de geplaatste pin out description afbeelding.
Het reset knopje werkt goed volgens mij.
Het hoofdschakelaar knopje op 2 zetten is om er een servo op aan te kunnen sluiten, zie tekst op de achterkant van het board maar maakt bij de metingen geen verschil zover ik kan zien.
Ps, excuus dat de foto met tekst op de achterkant op zn kop staat, dit wordt nog aangepast.
[ Voor 4% gewijzigd door kitao op 12-02-2025 10:29 ]
/f/image/kv3SZxr5iUzGKjWUC0CoKTEi.png?f=fotoalbum_large)
/f/image/QD5dBPpu5DxtnuowVBlIKOTr.png?f=fotoalbum_large)
:strip_exif()/f/image/IuHYTr71ZqssQNeTwMMVNH6g.png?f=user_large)
:strip_exif()/f/image/mBIP9NdruuWCRtiRDTwXHk8W.png?f=user_large)
/f/image/QBu0318D9uoyvSStyRD8bZZi.png?f=fotoalbum_large)
:strip_exif()/f/image/0HQvOqHORRMgbluDbysmijWU.png?f=user_large)
:strip_exif()/f/image/wlmsN5mZJu9FXQj7EWfjFfGK.png?f=user_large)
:strip_exif()/f/image/7eImSzlx38idRNimPrmtyzZm.jpg?f=fotoalbum_large)
:gifsicle():strip_exif()/f/image/Xb2pJxzL21wWNN9SxJb5Oa0Z.gif?f=user_large)
:no_upscale():strip_icc():strip_exif()/f/image/8NWpiPVTykf25jV9jmP5LHW8.jpg?f=user_large)
:strip_exif()/f/image/JrOJLTC5SS9Mf3t3ZIamOsXV.jpg?f=fotoalbum_large)
:strip_exif()/f/image/jEulBcHwZ5dQ45lIh2Wg40rS.jpg?f=fotoalbum_large)
:no_upscale():strip_icc():strip_exif()/f/image/MHrr50pWOwoOZTphJbsiqfKh.jpg?f=user_large)
:strip_exif()/f/image/nAFBIqQgril1wNbOixdfnsP8.jpg?f=fotoalbum_large)
:strip_exif()/f/image/NwKpHgbiIEpzNxX3hUGbhbXC.jpg?f=fotoalbum_large)
:strip_exif()/f/image/agc4it9YladX3M3z0LNX11jd.jpg?f=fotoalbum_large)
:strip_exif()/f/image/5oUl5Dr6Y1VDHjAvSQmeDuCs.jpg?f=fotoalbum_large)
:strip_exif()/f/image/Jbq5Qcvo8nRj1cRW9ddQVcOi.jpg?f=fotoalbum_large)
:strip_exif()/f/image/mZjq5xZaq60MR3nl2URPFF4G.jpg?f=fotoalbum_large)
:no_upscale():strip_icc():strip_exif()/f/image/rSiBiZ2tuQWUKtRrep5xflix.jpg?f=user_large)
:strip_exif()/f/image/0w8G9KrnBNiw3ItbzUSG9m3u.jpg?f=fotoalbum_large)
:strip_exif()/f/image/Q5gxOJq5sLReUTE7PehOBSPs.jpg?f=fotoalbum_large)
:strip_exif()/f/image/Ofn6a27s9jImn0Bk0XnEywIJ.png?f=user_large)
:strip_exif()/f/image/aQ5jlv4zKQ4db84hTXeuZmQk.png?f=user_large)
:strip_exif()/f/image/gFKV7XQVxrSB8NTrFnN81y2x.jpg?f=fotoalbum_large)
:strip_exif()/f/image/BKiWce0k3c86OMDwrUhuK1Xs.jpg?f=fotoalbum_large)
:gifsicle():strip_exif()/f/image/b1g15pYHwcTU1ceT2pqguOAy.gif?f=user_large)
:strip_exif()/f/image/LrIm1vczVBMrLhh8EB4njdi1.jpg?f=fotoalbum_large)
:strip_exif()/f/image/ewSGD1v05UsNF5Wfik2tcrGb.jpg?f=fotoalbum_large)
:no_upscale():strip_icc():strip_exif()/f/image/Bv0U70eYu9NDq1pPcdE3RgwL.jpg?f=user_large)
:strip_exif()/f/image/mRszHVACJMEMotrRrYLYCHFP.jpg?f=fotoalbum_large)
:strip_exif()/f/image/wL01kaiNKhV07PjscSWDYv6g.jpg?f=fotoalbum_large)
:strip_exif()/f/image/3TEiO0n2K32yDFJ8gmWgEzex.jpg?f=fotoalbum_large)
:no_upscale():strip_icc():strip_exif()/f/image/7X8nv4DGT6V3pIK5ndUD4blM.jpg?f=user_large)
:strip_exif()/f/image/521OxslJqF336YtpgshABMdc.jpg?f=fotoalbum_large)
:strip_exif()/f/image/RD3mq1gq9d9GFtp7cyq5cZ8b.jpg?f=fotoalbum_large)
:strip_exif()/f/image/VK7sr6bfhYXyhBzJJ8iUace1.jpg?f=fotoalbum_large)
:no_upscale():strip_icc():strip_exif()/f/image/AhXwCHgK5bwbCnJAFn62Z2yd.jpg?f=user_large)
:strip_exif()/f/image/GTxq26LQJGToqNeopu8dmFfE.jpg?f=fotoalbum_large)
:strip_exif()/f/image/WWINDRSiSocIIKKb9Wz0f9UP.jpg?f=fotoalbum_large)