Goedenavond,
In onze badkamer hebben we volgens mij geen onderdelen die vereffend moeten worden. Ik vraag me daarom af of een CAP nodig is. Ik hoor graag jullie mening.
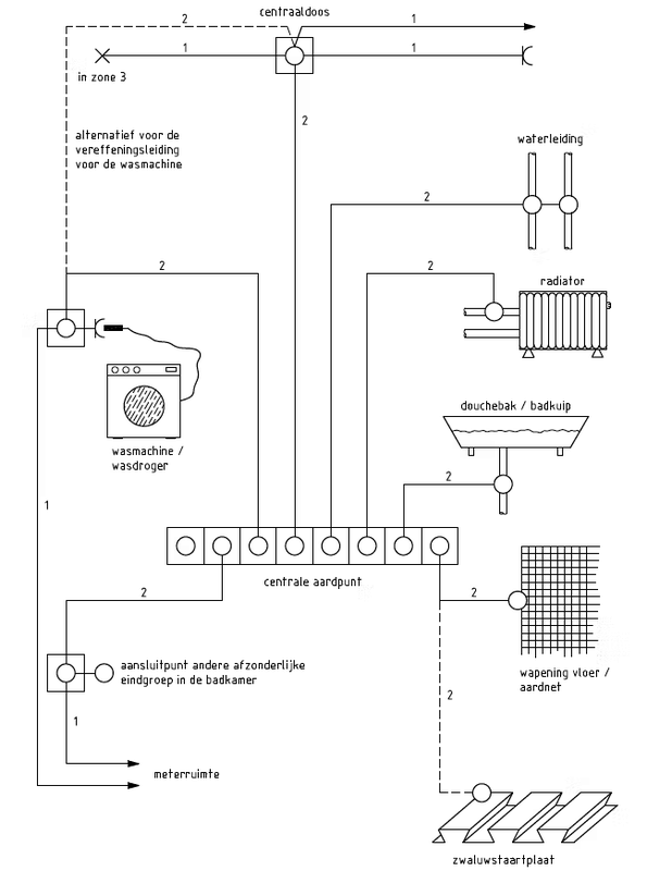
De geleidende delen in onze nieuwe badkamer:
In onze badkamer hebben we volgens mij geen onderdelen die vereffend moeten worden. Ik vraag me daarom af of een CAP nodig is. Ik hoor graag jullie mening.
De geleidende delen in onze nieuwe badkamer:
- Kranen: allemaal verbonden via kunststof leidingen met kunststof koppelingen.
- Vloer: beton op lewisplaten op houten balken van verdiepingsvloer. Vloer loopt niet door in andere ruimtes.
- Badkamer radiator: dubbel geïsoleerd en verbonden dmv geaard stopcontact.
- Douchedrain: verbonden via PVC afvoer en plastic verbinding met lewisvloer.
/f/image/z4CjbKHloJn8eAwOg1XtUP6F.png?f=fotoalbum_large)