Wij gaan ook van het gas af! Is het plan 
Plan is nu om een warmtepomp (monobloc) voor verwarming te plaatsen. Daarnaast een warmtepompboiler op zolder voor SWW.
Historisch gasverbruik: onduidelijk, we wonen hier pas. Maar ik reken op 1000 m³/jaar.
2024: februari, maart, april: 333 m³. Maar dat is inclusief warm water.
Beneden wordt dubbelglas nog vervangen door HR++ glas en wordt vloerisolatie aangebracht.
Tussenwoning uit 1980. Totale oppervlakte 129m². Inhoud 457m³.
- 5 radiatoren boven, zullen meestal dicht staan. Afhankelijk van ervaring komend najaar/winter worden die wellicht nog groter gemaakt / geoptimaliseerd.
- 3 personen (maar capaciteit voor 4 gewenst + bad).
Bekend bij vriend die gaat helpen installeren.
WP komt in de voortuin, en hoe minder geluid hoe beter natuurlijk.
Overigens ken ik het sjabloon om de geluidsbelasting te berekenen, maar ik twijfel nog of ik me daar volledig in ga verdiepen, of gewoon een goed gesprek met de buren aan ga. Want uit die berekening zal ongetwijfeld komen dat het niet mag...
/f/image/spUdMKRjX07A8mKBnfZsOcaO.png?f=fotoalbum_large)
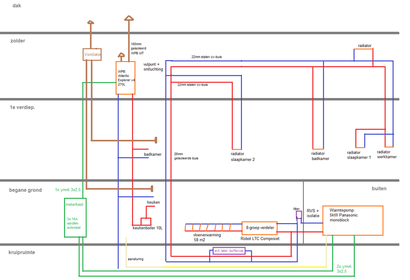
Verwarming / warmtepomp
- 5kW of 7kW: ik denk zelf dat 5kW genoeg moet zijn. Maar uiteraard geen zin om deze winter in de kou te zitten.
- Er zit een nieuw vuilwaterfilter naast de cv op zolder. Uiteraard gaat de cv er uit, maar kan de filter blijven zitten? Op de plek van de verdeler is beperkte ruimte namelijk. Enig nadeel is dat er niet altijd circulatie naar zolder zal zijn (als alle radiatoren dicht staan).
- Welke maat / type buis gebruik ik om van WP naar zolder te gaan (en daar aan te sluiten op de huidige leidingen)?
- Op zolder zit tevens ontluchting + vulpunt. Die wil ik ook zo laten, want is handiger dan bij de verdeler (geen water daar).
SWW / warmtepompboiler
Er komt een 160mm geisoleerde dakdoorvoer, voor afvoer van de ventilatiewarmtepompboiler. Ik zit alleen ook nog met de mechanische ventilatie. Wat mij betreft 2 opties:
1. Uitgang MV aansluiten op inlaat WPB (+filter). Daar moet dan wel een extra inlaat bij voor als MV uit staat (en die levert sowieso niet genoeg lucht aan). Die extra inlaat kan dan vanaf buiten komen (=op huidige cv-afvoer) of van binnen (=warme lucht)
2. MV een eigen uitgang naar buiten (op huidige cv-afvoer). WPB eigen aanvoer (binnen of buiten) en afvoer (buiten).
Ik heb nu optie 1 ingetekend in bovenstaande.
Ter info: de warmwaterleiding vanaf zolder naar keuken blijft behouden, maar er komt een keukenboiler tussen. Zo hebben we sneller warm water in de keuken (duurt nu een jaar). Voordeel is dat we bij grote hoeveelheden indirect tappen uit de WPB én er komt geen doodlopend stuk warmwaterleiding (zolder>keuken).
Hopelijk ben ik niks vergeten, mocht er (cruciale) info missen: laat vooral weten. Ik benieuwd naar jullie mening / ervaring.
Plan is nu om een warmtepomp (monobloc) voor verwarming te plaatsen. Daarnaast een warmtepompboiler op zolder voor SWW.
Historisch gasverbruik: onduidelijk, we wonen hier pas. Maar ik reken op 1000 m³/jaar.
2024: februari, maart, april: 333 m³. Maar dat is inclusief warm water.
Beneden wordt dubbelglas nog vervangen door HR++ glas en wordt vloerisolatie aangebracht.
Tussenwoning uit 1980. Totale oppervlakte 129m². Inhoud 457m³.
Afgiftesysteem:
- 58 m² vloerverwarming beneden, slangen 10 cm HoH, 8 groepen, 8 daarvan staan altijd open- 5 radiatoren boven, zullen meestal dicht staan. Afhankelijk van ervaring komend najaar/winter worden die wellicht nog groter gemaakt / geoptimaliseerd.
SWW:
- Warmtepompboiler: Atlantic Explorer V4 270L- 3 personen (maar capaciteit voor 4 gewenst + bad).
Warmtepompvoorkeur:
Panasonic WH-MDC05J3E5 (5kW) of Panasonic WH-MDC07J3E5 (7kW)Bekend bij vriend die gaat helpen installeren.
WP komt in de voortuin, en hoe minder geluid hoe beter natuurlijk.
Overigens ken ik het sjabloon om de geluidsbelasting te berekenen, maar ik twijfel nog of ik me daar volledig in ga verdiepen, of gewoon een goed gesprek met de buren aan ga. Want uit die berekening zal ongetwijfeld komen dat het niet mag...
Wie gaat het installeren?
Doe het zelf. Voor het grootste deel in elk geval.Het plan
Aangepast nav feedback 15-5-2024:/f/image/spUdMKRjX07A8mKBnfZsOcaO.png?f=fotoalbum_large)
Vragen
Wat vinden jullie überhaupt van het plan zo?Verwarming / warmtepomp
- 5kW of 7kW: ik denk zelf dat 5kW genoeg moet zijn. Maar uiteraard geen zin om deze winter in de kou te zitten.
- Er zit een nieuw vuilwaterfilter naast de cv op zolder. Uiteraard gaat de cv er uit, maar kan de filter blijven zitten? Op de plek van de verdeler is beperkte ruimte namelijk. Enig nadeel is dat er niet altijd circulatie naar zolder zal zijn (als alle radiatoren dicht staan).
- Welke maat / type buis gebruik ik om van WP naar zolder te gaan (en daar aan te sluiten op de huidige leidingen)?
- Op zolder zit tevens ontluchting + vulpunt. Die wil ik ook zo laten, want is handiger dan bij de verdeler (geen water daar).
SWW / warmtepompboiler
Er komt een 160mm geisoleerde dakdoorvoer, voor afvoer van de ventilatiewarmtepompboiler. Ik zit alleen ook nog met de mechanische ventilatie. Wat mij betreft 2 opties:
1. Uitgang MV aansluiten op inlaat WPB (+filter). Daar moet dan wel een extra inlaat bij voor als MV uit staat (en die levert sowieso niet genoeg lucht aan). Die extra inlaat kan dan vanaf buiten komen (=op huidige cv-afvoer) of van binnen (=warme lucht)
2. MV een eigen uitgang naar buiten (op huidige cv-afvoer). WPB eigen aanvoer (binnen of buiten) en afvoer (buiten).
Ik heb nu optie 1 ingetekend in bovenstaande.
Ter info: de warmwaterleiding vanaf zolder naar keuken blijft behouden, maar er komt een keukenboiler tussen. Zo hebben we sneller warm water in de keuken (duurt nu een jaar). Voordeel is dat we bij grote hoeveelheden indirect tappen uit de WPB én er komt geen doodlopend stuk warmwaterleiding (zolder>keuken).
Hopelijk ben ik niks vergeten, mocht er (cruciale) info missen: laat vooral weten. Ik benieuwd naar jullie mening / ervaring.
[ Voor 8% gewijzigd door MisterMailman op 21-05-2024 13:12 ]
Panasonic WH-MDC05J3E5 | Atlantic Explorer V4 270 | 2800Wp | Gasloos
/f/image/vNrxdrAc2rMUM2e6SOGLH79g.png?f=fotoalbum_large)
:strip_exif()/f/image/hEQaK1cisKMJvyae3ibkvUxi.jpg?f=fotoalbum_large)
:strip_exif()/f/image/kiO9pKQOFqXPAoCzw5ji69gG.jpg?f=fotoalbum_large)
:strip_exif()/f/image/AKMtFeiac6TMxJDPmuoH7uyk.jpg?f=fotoalbum_large)
:strip_exif()/f/image/62v1TAVWJbBUAQWXyKh5ZZ3n.jpg?f=fotoalbum_large)
:strip_exif()/f/image/u908yXyYFsWUulyyzKiiAhP2.jpg?f=fotoalbum_large)