Beste Tweakers,
Wij gaan aan de slag met de tuin van onze nieuwe woning. Bij de bouw van de nieuwe woning heb ik een grondkabel aan laten leggen, 'just in case'. Het doel van deze grondkabel was, mocht je ooit je EV thuis willen laden, dat je alvast voorbereid bent. Nu willen wij ook tuinverlichting met bedrading. Ik heb zelf zitten worstelen met een aantal opties en wil deze graag voorleggen om te kijken of dit wijsheid is, of er wellicht slimmere opties zijn.
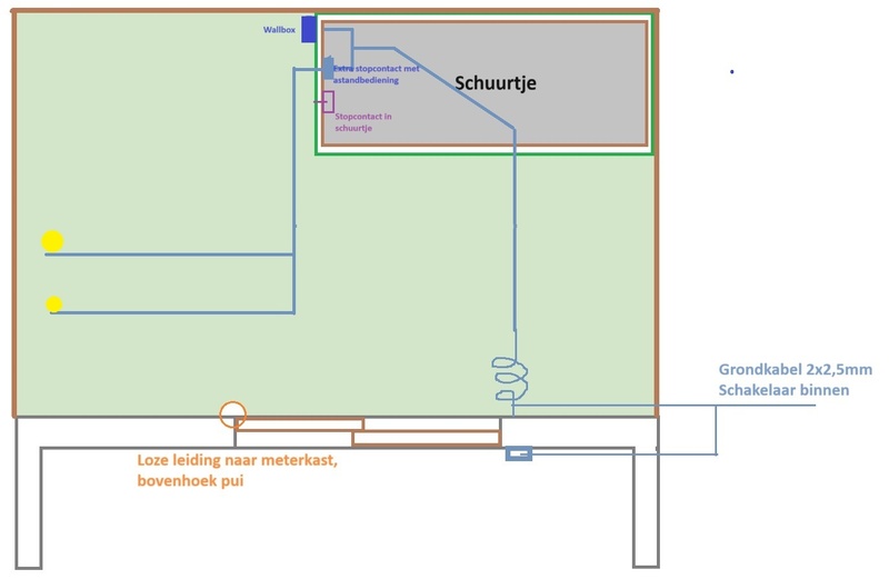
Dit is de huidige situatie:
:strip_exif()/f/image/hRacuFTVuhGmxhoE5w4iiLwt.jpg?f=fotoalbum_large)
Ik heb:
- Een loze leiding in de (naar de gevel kijkend vanaf de tuin) rechter bovenhoek van de schuifpui
- Een grondkabel die uit de gevel steekt, 2x2,5mm2, die ik van binnen aan/uit kan schakelen, die op een aparte groep is aangesloten.
Deze grondkabel zou mij maximaal 1x16A laden op kunnen leveren, wat correspondeert met zo'n 3,7kW laden. Voor mijn auto zou dat +/- 20 uur tot vol zijn.
Optie 1:
:strip_exif()/f/image/o7DXpbTDu70CPXxCPI0qJNS8.jpg?f=fotoalbum_large)
In deze optie trek ik de grondkabel door en sluit ik er een EV-wallbox op aan. De tuinverlichting wordt dan aangesloten op een stopcontact in de schuur.
Voordeel: Tuinverlichting en EV-laden apart
Nadeel: Traag laden voor de EV, een stopcontact in de schuur gereserveerd voor de verlichting
Optie 2:
:strip_exif()/f/image/jlAn7FDLnWpwDifMEbK5fKko.jpg?f=fotoalbum_large)
Bij deze optie is de grondkabel 'vertakt' naar een wallbox, en naar een apart te maken stopcontact die afstand te schakelen is.
Voordeel: Je behoudt een standaard stopcontact in de schuur
Nadeel: meer werk in het vertakken, traag laden
Optie 3::strip_exif()/f/image/lSAKVgb6kbvfxqvrI50kuK8U.jpg?f=fotoalbum_large)
Bij deze optie gebruik ik de loze leiding om een aparte kabel te trekken naar de meterkast, die geschikt is om een EV-met meer vermogen te laden.
Voordeel: Meer vermogen voor EV laden
Nadeel: Kabel trekken kan zwaar zijn afhankelijk van dikte/ stugheid kabel
Nadeel: Loze leiding was voor iets anders bedoeld
Een andere optie die zojuist binnenschiet zou ook kunnen, dat is een variant van Optie 1. Namelijk die opstelling, maar dan met een andere grondkabel. Anders gezegd: de grondkabel vervangen. Ik weet alleen niet hoe makkelijk dat gaat.
Ben ik het aan het overthinken? Wat denken jullie?
Schopje naar DEI
Wij gaan aan de slag met de tuin van onze nieuwe woning. Bij de bouw van de nieuwe woning heb ik een grondkabel aan laten leggen, 'just in case'. Het doel van deze grondkabel was, mocht je ooit je EV thuis willen laden, dat je alvast voorbereid bent. Nu willen wij ook tuinverlichting met bedrading. Ik heb zelf zitten worstelen met een aantal opties en wil deze graag voorleggen om te kijken of dit wijsheid is, of er wellicht slimmere opties zijn.
Dit is de huidige situatie:
:strip_exif()/f/image/hRacuFTVuhGmxhoE5w4iiLwt.jpg?f=fotoalbum_large)
Ik heb:
- Een loze leiding in de (naar de gevel kijkend vanaf de tuin) rechter bovenhoek van de schuifpui
- Een grondkabel die uit de gevel steekt, 2x2,5mm2, die ik van binnen aan/uit kan schakelen, die op een aparte groep is aangesloten.
Deze grondkabel zou mij maximaal 1x16A laden op kunnen leveren, wat correspondeert met zo'n 3,7kW laden. Voor mijn auto zou dat +/- 20 uur tot vol zijn.
Optie 1:
:strip_exif()/f/image/o7DXpbTDu70CPXxCPI0qJNS8.jpg?f=fotoalbum_large)
In deze optie trek ik de grondkabel door en sluit ik er een EV-wallbox op aan. De tuinverlichting wordt dan aangesloten op een stopcontact in de schuur.
Voordeel: Tuinverlichting en EV-laden apart
Nadeel: Traag laden voor de EV, een stopcontact in de schuur gereserveerd voor de verlichting
Optie 2:
:strip_exif()/f/image/jlAn7FDLnWpwDifMEbK5fKko.jpg?f=fotoalbum_large)
Bij deze optie is de grondkabel 'vertakt' naar een wallbox, en naar een apart te maken stopcontact die afstand te schakelen is.
Voordeel: Je behoudt een standaard stopcontact in de schuur
Nadeel: meer werk in het vertakken, traag laden
Optie 3:
:strip_exif()/f/image/lSAKVgb6kbvfxqvrI50kuK8U.jpg?f=fotoalbum_large)
Bij deze optie gebruik ik de loze leiding om een aparte kabel te trekken naar de meterkast, die geschikt is om een EV-met meer vermogen te laden.
Voordeel: Meer vermogen voor EV laden
Nadeel: Kabel trekken kan zwaar zijn afhankelijk van dikte/ stugheid kabel
Nadeel: Loze leiding was voor iets anders bedoeld
Een andere optie die zojuist binnenschiet zou ook kunnen, dat is een variant van Optie 1. Namelijk die opstelling, maar dan met een andere grondkabel. Anders gezegd: de grondkabel vervangen. Ik weet alleen niet hoe makkelijk dat gaat.
Ben ik het aan het overthinken? Wat denken jullie?
Schopje naar DEI
[ Voor 0% gewijzigd door Septillion op 28-04-2024 13:32 ]